Многофункциональный спортивный комплекс в г. Вологда
СОДЕРЖАНИЕ
ВВЕДЕНИЕ
.
АРХИТЕКТУРНО-СТРОИТЕЛЬНЫЙ РАЗДЕЛ
.1
Объемно-планировочное решение здания
.2
Конструктивное решение здания
.3 Наружное
оформление фасадов здания
.4 Отделка
помещений
.5
Генеральный план
.6
Теплотехнический расчет ограждающих конструкций
.6.1
Теплотехнический расчет покрытия
.6.2
Теплотехнический расчет наружной стены
.
РАСЧЕТНО-КОНСТРУКТИВНЫЙ РАЗДЕЛ
.1 Расчет и
конструирование стропильной фермы в вариантах
.1.1 Подбор
сечения стержней фермы
.1.2
Конструирование и расчет узлов фермы
. ТЕХНОЛОГИЧЕСКИЙ
РАЗДЕЛ
.1
Характеристика здания
.2 Выбор
метода производства строительно-монтажных работ
.3
Определение объемов строительно-монтажных работ
.4 Выбор
монтажных приспособлений
.5
Определение трудоемкости и продолжительности монтажных работ
.6 Расчет
основных параметров и выбор монтажных кранов
.6.1
Необходимая минимальная высота крюка крана
.7 Выбор и
обоснование транспортных средств для доставки сборных конструкций
.8 График
производства работ
.9 Основные
технико-экономические показатели
.10 Указания
по производству работ
.11 Указания
по технике безопасности
.12 Указания
по осуществлению контроля и оценки качества монтажных работ
.13 Указания
по охране труда
.
ОРГАНИЗАЦИОННЫЙ РАЗДЕЛ
.1 Общие
данные
.2
Характеристика условий строительства
.3 Климатические
характеристики
.4 Методы
выполнения основных строительно-монтажных работ
.4.1 Земляные
работы
.4.2 Монтаж
конструкций фундамента
.4.3
Возведение коробки здания
.4.4
Отделочные работы
.4.5
Транспортные работы
.4.6 Указания
по охране труда
.5 Описание
сетевого графика
.6 Расчет
численности персонала строительства
.7 Расчет
потребности в ресурсах
.7.1 Расчет
потребности в электроэнергии
.7.2 Расчет
потребности в тепле
.7.3 Расчет
потребности в воде
.7.4 Расчет
потребности в транспортных средствах
.7.5 Расчет
площадей складов материалов, изделий и конструкций
.8
Технико-экономические показатели
.
НАУЧНО-ИССЛЕДОВАТЕЛЬСКИЙ РАЗДЕЛ
. РАЗДЕЛ
БЕЗОПАСНОСТИ ЖИЗНЕДЕЯТЕЛЬСТИ
.1 Действия
персонала в условиях ЧС
.2 Технология
принятия решений в условиях ЧС
.3 Факторы,
влияющие на принятие решений
.4
Информационная поддержка принятия решений
.
ЭКОЛОГИЧЕСКИЙ РАЗДЕЛ
.1 Общие
сведения
.2 Роль
зеленых насаждений в городе
.3 Норма
озеленения
.4 Приемы
озеленения
.5 Озеленение
территории бассейна
ПРИЛОЖЕНИЕ 1.
Статический расчет ферм
ПРИЛОЖЕНИЕ 2.
Калькуляция трудовых затрат на монтаж МК и сэндвич-панелей спортивного зала
ЗАКЛЮЧЕНИЕ
СПИСОК
ИСПОЛЬЗОВАННЫХ ИСТОЧНИКОВ
ВВЕДЕНИЕ
Темой данной выпускной квалификационной работы “Многофункциональный
спортивный комплекс в г. Вологда”.
Проектирование данного спортивного комплекса связано с Федеральной
целевой программой Развития физической культуры и спорта Российской Федерации
на 2006-2015 годы. Эта программа направлена на расширение и модернизацию
спортивной инфраструктуры с целью повышения доступности занятий физической
культурой и спортом для жителей России.
Я считаю, что с каждым годом эта проблема становится все более актуальна,
и данный проект разрабатывался в интересах популяризации здорового образа жизни
и привлечения широких слоев населения к регулярным занятиям спортом.
Спорткомплекс оснащен двумя чашами бассейна и большим гимнастическим залом с
трибунами, что дает возможность проведения разного типа спортивных соревнований
и прочих мероприятий.
Цели работы: разработать объемно - планировочное решение здания с учетом
назначения, рассчитать несущие конструкции металлокаркаса, разработать тех.
карту на монтаж метало-конструкций, спланировать процесс ведения СМР,
обеспечить безопасность и экологичность ведения строительно-монтажных работ и
дальнейшей эксплуатации, произвести расчет стоимости строительства.
1.
АРХИТЕКТУРНО-СТРОИТЕЛЬНЫЙ РАЗДЕЛ
1.1 Объемно-планировочное решение здания
Данным проектом предусматривается возведение здания многофункционального
спортивного комплекса с плавательным бассейном.
Класс ответственности здания - II.
Степень огнестойкости здания - II.
Функциональная пожарная опасность здания Ф 2.1 и Ф 3.6.
Здание комплекса имеет сложную конфигурацию в плане с максимальными
размерами в осях 57,6 х 66,6м.
Максимальная высота здания 12,5м, высота подвального этажа - 3,0 м.,
высота первого этажа - 3,5 - 9,1 м., высота второго этажа - 3,6 - 5,3 м.,
высота третьего этажа - 3,5 м.
За отметку 0,000 принята отметка чистого пола первого этажа здания,
соответствующая абсолютной отметке 149,00. Под большей частью здания выполнен
подвал.
На первом этаже запроектированы зал спортивной гимнастики, зал бассейна с
ванной 25,0х16,0 м, зал бассейна с ванной 12,5х6,0 м, блоки раздевалок для
занимающихся, санузлы для посетителей, комната охраны, блок сауны, кабинет
врача, процедурная, мастерская, рекреации для отдыха, вестибюль с выделенной
зоной регистратуры и гардероба и другие служебные помещения.
На втором этаже расположены помещения кафе на 36 мест, пресс-центр,
балкон над плавательным бассейном с ванной 25,0х16,0 м для размещения зрителей,
блоки раздевалок, зал хореографии, малый зал спортивной гимнастики, зал
подготовительных занятий (для занимающихся в бассейнах), методические кабинеты,
тренерские и административные помещения спортивного центра.
На третьем этаже запроектированы помещения венткамер и административные
помещения.
В подвале расположен тренажерный зал, подсобные и складские помещения.
Здание состоит из трех объемов:
- двухсветного пространства высотой -
9,1 метра, размерами 30,0 х 57,6 метра, где расположены зал спортивной
гимнастики и помещение бассейна с ванной 25,0х16,0 метра, между собой
функционально разделены перегородками на всю высоту;
- трехэтажной части размерами 24,0 х
57,6 метра, где расположены блоки раздевалок, тренерские, малые спортивные
залы;
- трехэтажной части размерами 8,0 х
57,6 метра, где расположены вестибюль, кафе, административные помещения.
Данные объемы здания разделены на части противопожарными стенами 1-го
типа. В трехэтажных частях здания этажи соединены между собой двумя лестницами
в каждой части. Пути эвакуации в случае чрезвычайных ситуаций (ГО, ЧС, пожар)
выполнены из каждого помещения на этаже в коридор, из которого непосредственно
в лестницы или непосредственно наружу. Санитарно-гигиенические правила
выполнены путем устройства необходимого состава помещений бассейнов, душевых,
раздевалок, санитарных комнат и отделки их поверхностей кафельной плиткой.
Также предусмотрены необходимые инженерные системы по очистке воды и вентиляции
воздуха.
1.2 Конструктивное решение здания
Конструктивная схема здания представляет собой
совокупность взаимосвязанных несущих конструкций здания, обеспечивающих его
прочность, жесткость и устойчивость.
- фундамент:
монолитные железобетонные ростверки высотой 600 мм из
бетона класса В15 с армированием каркасами из арматуры класса А240 на свайном
основании по сваям марки С60.30-6 по серии 1.011.1-10. К фундаментам
предъявляются требования прочности и устойчивости на опрокидывание и скольжение
в плоскости подошвы. Прочность фундаментов достигается применением
соответствующих материалов.
Долговечность фундаментов должна соответствовать сроку
службы здания в целом. Для этого они должны обладать необходимой коррозионной
стойкостью, морозостойкостью и быть стойкими к воздействию грунтовых вод.
Для защиты стен от увлажнения в уровне обреза
фундаментов предусматривается устройство гидроизоляции. Для отвода атмосферной
влаги от конструкции по всему периметру здания устраивается отмостка шириной
1,0м с уклоном 3%.
- стены подвала:
из сборных бетонных блоков толщиной 400мм; с внешней
стороны стен выполняется оклеечная гидроизоляция рулонным материалом
«Технониколь» по битумной мастике с устройством прижимной стенки из
цементно-асбестового листа.
- наружные и внутренние стены:
наружные и внутренние из керамического полнотелого кирпича марки К125/35
на цементно-песчаном растворе марки М75, с армированием через 4 ряда кладки
арматурной сеткой 4ВрI-50/4ВрI-50;
наружные стены утепляются снаружи системой навесных
вентилируемых фасадов «Термостепс», утеплитель - минераловатные плиты на основе
базальта типа «Термовент» толщиной 120 мм.
- колонны и фахверки:
металлические, из широкополочных двутавров профилей 40Ш1 и 26Ш1 по [1],
изготовленные из стали С345 (09Г2С).
- перегородки:
гипсокартонные на металлическом каркасе; часть перегородок выполнена из
керамического полнотелого кирпича К125/35 на цементно-песчаном растворе марки
М75.
- лестницы внутренние:
металлические ступени по металлическим косоурам с облицовкой керамической
плиткой с шероховатой поверхностью на цементно-песчаном растворе. После сборки
лестничного марша косоуры и лобовые балки оштукатуриваются по металлической
сетке для увеличения предела огнестойкости.
- перекрытия:
сборные железобетонные пустотные плиты по серии 1.141-1 по кирпичным
стенам и металлическим балкам;
монолитные железобетонные по металлическим балкам.
- покрытие:
из оцинкованного профилированного настила Н75х750х0,9 по металлическим
фермам с шагом 4,0 м, опирающимся на подстропильные балки двутаврового сечения;
сборные железобетонные пустотные плиты по серии 1.141-1 по кирпичным
стенам и металлическим балкам;
монолитные железобетонные по металлическим балкам.
- кровля:
рулонная совмещенная с покрытием из 2-х слоев Техноэласта ЭКП с
утеплителем «Термокровля» толщиной 180 мм; водостоки внутренние с отводом в
систему ливневой канализации.
- окна:
индивидуальные двухкамерные стеклопакеты в ПВХ переплетах с расстоянием
между стеклами 12 мм (Rпр≥0,54С/Вт).
- двери:
наружные - металлические, внутренние - деревянные однопольные, ПВХ
двупольные, противопожарные.
- витражи:
двухкамерные стеклопакеты с твердым селективным покрытием в алюминиевых
переплетах (Rпр≥0,48С/Вт).
- полы:
в зависимости от типа помещения, в здании
предусмотрено несколько типов конструкций полов (представлены в ведомости
отделки помещений)
- внутренняя отделка помещений
представлена в ведомости отделки помещений.
1.3 Наружное оформление фасадов здания
Фасады крытого бассейна отделываются фасадными плитами фирмы «Термостепс»
системы навесных вентилируемых фасадов, утеплитель - минераловатные плиты на
основе базальта типа «Термовент» толщиной 120 мм. Витражи и окна выполняются в
алюминиевых и ПВХ профилях белого цвета с двухкамерными стеклопакетами с
твердым селективным покрытием. Расколеровка фасадов выполняется согласно
утвержденному эскизному проекту.
Покрытие здания предусматривает устройства парапета.
1.4 Отделка помещений
С внутренней стороны стеновые ограждения спортивных залов, коридоров
оштукатуриваются и окрашиваются водоэмульсионной краской, стены помещений
душевых, санузлов, бассейнов оштукатуриваются и покрываются стеклянной плиткой.
Потолки гимнастических залов и бассейнов отделываются реечным подвесным
перфорированным потолком, потолки коридоров и административных помещений отделываются
подвесным потолком типа «Армстронг». Все несущие конструкции покрытия, а также
колонны и ригели окрашиваются огнезащитным составом «Джокер» по слою грунтовки
«ГФ - 021». Все выступающие элементы конструкций и их узлы закрываются
пластиковыми накладками.
1.5 Генеральный план
Генплан строящегося здания разработан в соответствии с требованиями [2].
Проезды и площадки выполнены на основании [2] и ФЗ №123 от 22.07.2008
года «Технический регламент о требованиях пожарной безопасности».
К зданию предусматриваются основные проезды со стороны ул. Беляева
шириной 11м, при этом обеспечивается необходимое по СНиП расстояние.
Поверхностные дождевые и талые воды собираются на проезды и отводятся в
существующую ливневую канализацию, за счет уклона покрытия 2-5%.
Тротуары и зеленая зона приподняты на 15см над уровнем проездов.
Пешеходные тротуары выполнены из фигурной брущатки и имеют ширину от 1 до 2,25
м. В местах пересечения тротуаров с дорогами и проездами, тротуары имеют
понижения.
Вновь организованная территория подвергается комплексному озеленению.
Предусмотрен посев газонов, посадка многолетних деревьев и кустарников согласно
[2]. Принятый в проекте ассортимент деревьев и кустарников подобран с учетом
местных климатических условий.
При проектировании застройки предусмотрено размещение площадок, размеры
которых приняты по табл. 2 [2].
Запроектированы следующие площадки:
1) для мусоросборников
2) для стоянки автомашин (кол-во 50 шт.)
Подвод всех инженерных сетей осуществляется от существующих городских
коммуникаций по [2] табл. 14.
Таблица 1.1 - Основные технико-экономические показатели по генплану
|
№
|
Наименование показателей
|
Единица измерения
|
Количество, м2
|
|
1
|
2
|
3
|
4
|
|
1
|
Площадь участка
|
м2
|
22865
|
|
2
|
Площадь застройки
|
м2
|
3695,8
|
|
3
|
Площадь озеленения
|
м2
|
10253,2
|
|
4
|
Плотность застройки
|
%
|
16,16
|
|
5
|
Площадь дорог и площадок
|
м2
|
8916
|
|
6
|
Коэф. использования территории
|
м2
|
0,55
|
|
7
|
Степень озеленения
|
%
|
44,8
|
1.6 Теплотехнический расчет ограждающих
конструкций
.6.1 Теплотехнический расчет покрытия
Рисунок 2.1 - Конструкция покрытия
В ходе расчета определяется требуемое сопротивление теплопередаче Rreqтр (минимально допустимое) и
сопротивление теплопередаче наружного ограждения Rreq. Должно выполняться условие Rreqтр < Rreq. Rreqтр должно быть не менее значения
исходя из условий энергосбережения; определяют с учетом градусо-суток
отопительного периода:
Dd = (tint - tht) zht, 0C·сут, (1.1)
где tint = 23 - расчетная температура
внутреннего воздуха, 0C;
tht =
- 4,1 - средняя температура наружного воздуха периода со средней суточной
температурой воздуха ниже или равной 8 0C;
zht =
231 - продолжительность отопительного периода со среднесуточной температурой
воздуха ниже или равной 80C,
сут;
Dd=
(23+4,1) ·231=6260,1.
Rтр
, м2·0С/Вт, (1.2)
где а и b - коэффициенты, по табл. 4 [2];
а = 0,0004; b = 1,6;
Rreq определяем
в зависимости от конструкции стены:
, (1.3)
где
αext =
23 - коэффициент теплоотдачи внутренней поверхности, Вт/(м2·0C);
α
= 8,7 -
коэффициент теплоотдачи наружной поверхности, Вт/(м2·0C);
Rk - термическое
сопротивление отдельных слоев:
Rk = R1 + R2 +
…+ Rn,
где
n - количество слоев;
R = δ/λ,
где
δ
- толщина слоя, м;
λ - расчетный коэффициент теплопроводности материала слоя, Вт/(м2·0C).
Первый
слой - утеплитель «Темокровля Н»:
t = 120, мм,
= 0,041, Вт/(м·°С).
Второй слой -
утеплитель «Темокровля В+»:
t
= x мм,
= 0,043, Вт/(м·С).
Слоями
в виде гидроизоляционного ковра и стального профилированного листа при
теплотехническом расчете можно пренебречь, в виду их малой толщины и высокой
теплопроводности.
Rreq=
х
= 0,044 м.
Принимаем толщину утеплителя 60 мм.
Суммарная толщина конструкции t = 310 мм.
1.6.2 Теплотехнический расчет наружной стены
Рисунок 2.2 - Конструкция наружной стены
В ходе расчета определяется требуемое сопротивление теплопередаче Rreqтр (минимально допустимое) и
сопротивление теплопередаче наружного ограждения Rreq. Должно выполняться условие Rreqтр < Rreq. Rreqтр должно быть не менее значений:
а) исходя из условий энергосбережения; определяют с учетом градусо-суток
отопительного периода:
Dd = (tint - tht) ·zht , 0C·сут, (1.4)
где tint = 23 - расчетная температура
внутреннего воздуха, 0C;
tht =
- 4,1 - средняя температура наружного воздуха периода со средней суточной температурой
воздуха ниже или равной 8 0C;
zht =
231 - продолжительность отопительного периода со среднесуточной температурой
воздуха ниже или равной 80C,
сут;
Dd=
(23+4,1) ·231=6260,1.
Rтр
,м2·0С/Вт, (1.5)
где а и b - коэффициенты, по табл. 4 [3];
а = 0,0003; b = 1,2;
Rreqтр =0,0003·6260,1 + 1,2 = 3,078.
Rreq
определяем в зависимости от конструкции стены:
,м2·0С/Вт,
(1.6)
где
αext =
23 - коэффициент теплоотдачи внутренней поверхности, Вт/(м2·0C);
Rk - термическое
сопротивление отдельных слоев:
Rk = R1 + R2 +
…+ Rn,
где
n - количество слоев;
R = δ/λ;
где
δ
- толщина слоя, м;
λ - расчетный коэффициент теплопроводности материала слоя, Вт/(м2·0C).
Первый
слой - кирпичная стена:
t = 380, мм,
= 0,81, Вт/(м·°С).
Второй слой -
утеплитель «Термовент»:
t
= x мм,
= 0,041, Вт/(м·°С).
Rreq=
,
х
= 0,1, м.
Принимаем толщину утеплителя 120 мм.
Суммарная толщина конструкции t = 120 мм.
2. РАСЧЕТНО-КОНСТРУКТИВНЫЙ РАЗДЕЛ
2.1 Расчет и конструирование стропильной фермы в
вариантах
В дипломном проекте запроектирована и рассчитана стропильная ферма в осях
Ж-Е, пролетом 24 м с поясами из тавров и решеткой из парных и одиночных уголков
(см. рисунок 2.1).
Рисунок 2.1 - Геометрическая схема фермы
Сбор нагрузки на ферму
Нагрузка, действующая на ферму, обычно прикладывается к узлам фермы, к
которым крепятся элементы поперечной конструкции (например, прогоны кровли или
подвесного потолка).
Основными нагрузками при расчете фермы являются:
постоянная - от веса ограждающих и несущих конструкций;
временная - снег, ветер.
Таблица
2.1 - Сбор нагрузки от покрытия,
|
Наименование нагрузки
|
Нормативное значение
|
γf
|
Расчетное значение
|
|
1. Постоянная нагрузка -Основной кровельный ковер
«Техноэласт» ЭКП» ТУ 2774-003-00287852-99 , 0,091,30,117
|
|
|
|
-Утеплитель
« Термокровля В+»
,
|
- Утеплитель «Термокровля Н» , 0.2641,30.343
|
|
|
|
|
- Пароизоляция -1 слой «Унифлекс ЭЭП»
|
0,04
|
1,3
|
0,052
|
|
- Профилированный лист Н75-750-0,9 , 0,1251,050,131
|
|
|
|
|
Итого постоянной нагрузки:
|
0,519
|
|
0,643
|
Шаг
ферм
.
Нагрузка
на ферму передается через прогоны в узлах фермы по верхнему поясу.
Для
определения расчетной погонной постоянной нагрузки по ригелю рамы
(кН/м) необходимо суммарную расчетную нагрузку от
массы конструкций покрытия, приходящуюся на
горизонтальной
проекции кровли, умножить на ширину грузовой площади, равную шагу стропильных
конструкций.
Постоянная
расчетная погонная нагрузка по ригелю рамы:
,
где
- расчетная нагрузка от массы кровли, несущих
конструкций покрытия и связей по табл. 2.1;
- шаг
стропильных конструкций (ферм).
Расчетное
значение снеговой нагрузки S (кН/м) на горизонтальную проекцию покрытия:
(2.1)
где
- коэффициент надежности по снеговой нагрузке (
);
-
коэффициент, учитывающий снос снега с покрытий зданий под действием ветра и
других факторов (
=1);
-
термический коэффициент (
);
μ - коэффициент перехода, учитывающий профиль покрытия
(для мало уклонных кровель μ = 1).
-
расчетное значение веса снегового покрова на 1м2 горизонтальной поверхности
земли для I-го снегового района (по заданию);
В
- шаг стропильных конструкций (ферм).
Расчетная постоянная нагрузка, действующая на промежуточный узел,
стропильной фермы определяется по формуле:
где
и
- длины
примыкающих к узлу панелей,
и
.
Расчетная
постоянная нагрузка, действующая на опорный узел:
Расчетная
нагрузка от снега, действующая на промежуточный узел:
Расчетная
нагрузка от снега, действующая на опорный узел:
Расчетная узловая ветровая нагрузка:
где
- расчетная ветровая нагрузка на 1м2 поверхности
кровли;
Поскольку
ветровая нагрузка направлена в сторону противоположную нагрузке от собственного
веса покрытия и от снеговой нагрузки (отсос), и она меньше веса покрытия, то в
расчете ее не учитываем.
Расчетные усилия в стержнях фермы
При расчете легких ферм предполагается:
в узлах фермы идеальные шарниры;
оси всех стержней прямолинейны и расположены в одной плоскости;
оси пересекаются в одной точке - центре узла.
Расчетная схема фермы представлена на рисунке 2.2.
Рисунок 2.2 - Расчетная схема фермы
Статический расчет выполняется по программе «SCAD», таблица расчётов
приведена в Приложении 1.
Таблица 2.2 - Усилия в стержнях фермы
|
Элементы фермы
|
Обозначение стержня
|
Усилия от отдельных загружений, кН
|
Расчетные усилия, кН
|
|
|
постоянная нагрузка
|
снеговая
|
растяжение (+)
|
сжатие (-)
|
|
|
|
Ψ=1,0
|
|
|
|
1
|
2
|
3
|
4
|
5
|
6
|
|
Верхний пояс
|
2-3
|
-13,66
|
-49,94
|
-
|
-63,61
|
|
3-4
|
-35,11
|
-128,31
|
-
|
-163,42
|
|
4-5
|
-49,67
|
-181,54
|
-
|
-231,22
|
|
5-6
|
-56,97
|
-208,21
|
-
|
-265,18
|
|
Нижний пояс
|
12-13
|
23,50
|
85,89
|
109,39
|
-
|
|
13-14
|
42,40
|
154,96
|
197,35
|
-
|
53,52
|
195,6
|
249,12
|
-
|
|
15-20
|
57,39
|
209,75
|
267,14
|
-
|
|
Раскосы
|
2-12
|
23,64
|
86,39
|
110,02
|
-
|
|
3-12
|
-8,02
|
-29,3
|
-
|
-37,22
|
|
3-13
|
6,63
|
24,23
|
30,86
|
-
|
|
4-13
|
-8,57
|
-31,32
|
-
|
-39,89
|
|
4-14
|
3,33
|
12,18
|
15,52
|
-
|
|
5-14
|
-5,45
|
-19,94
|
-
|
-25,39
|
|
5-15
|
0,61
|
2,22
|
2,82
|
-
|
|
6-15
|
-2,02
|
-7,37
|
-
|
-9,39
|
|
Стойки
|
6-20
|
-2,27
|
-8,28
|
-
|
-10,55
|
Подбор сечения стержней фермы
Определим значения расчетных длин для всех элементов фермы.
Таблица 2.3 - Формулы для определения расчетных длин элементов фермы
|
Направление продольного изгиба
|
Расчетная длина lef
|
|
поясов
|
опорных раскосов и опорных стоек
|
прочих элементов решетки
|
|
1. В плоскости фермы
|
l
|
l
|
0,8 l
|
|
2. Из плоскости фермы
|
l1
|
l1
|
l1
|
Примечания: l - геометрическая
длина элемента (расстояние между центрами узлов) в плоскости фермы; l1 - расстояние между узлами,
закрепленными от смещения из плоскости фермы (поясами ферм, специальными
связями, жесткими плитами покрытий, прикрепленными к поясу сварными швами или
болтами и т.п.).
Таблица 2.4 - Значения расчетных длин элементов фермы
|
Элементы фермы
|
Стержень
|
lef,x,
мм
|
lef,y,
мм
|
|
Верхний пояс
|
2-3
|
2900
|
2900
|
|
3-4
|
3000
|
3000
|
|
4-5
|
3000
|
3000
|
|
5-6
|
3000
|
3000
|
|
Нижний пояс
|
12-13
|
3000
|
9000
|
|
13-14
|
3000
|
9000
|
|
14-15
|
3000
|
9000
|
|
15-20
|
3000
|
9000
|
|
Опорные раскосы
|
2-12
|
2310
|
2310
|
|
Раскосы
|
3-12
|
1896
|
2370
|
|
3-13
|
1896
|
2370
|
|
4-13
|
1896
|
2370
|
|
4-14
|
1896
|
2370
|
|
5-14
|
1896
|
2370
|
|
5-15
|
1896
|
2370
|
|
6-15
|
1896
|
2370
|
|
Стойки
|
6-20
|
1472
|
1840
|
Таблица
2.5 - Значения коэффициента условий работы конструкции
|
Элементы фермы
|
γс
|
Элементы фермы
|
γс
|
|
Пояса: - сжатые - растянутые
|
1,00 1,00
|
Раскосы: - сжатые - растянутые
|
0,8 1,00
|
|
Опорные раскосы:
|
1,00
|
Стойки: - сжатые
|
0,8
|
|
Опорные стойки:
|
1,00
|
|
|
2.1.1 Подбор сечений растянутых стержней
Рассчитываем стержень 15-20 нижнего пояса.
а) Определение требуемой площади сечения стержня:
, (2.2)
где
- расчетное усилие в стержне;
-
расчетное сопротивление стали по пределу текучести для толщиной 4-10 мм (по
табл. В5 [1]).
-
коэффициент условий работы.
-
коэффициент условий работы.
б)
По требуемой площади и радиусам инерции подбираем тавр
с
;
;
.
в)
Определяем гибкость:
, (2.3)
где
- предельная гибкость растянутых элементов по табл.
20* [2].
;
.
г)
Проверка прочности:
(2.4)
д)
Недонапряжение:
(2.5)
Несмотря
на большое (>14%) недонапряжение принимаем сечение из прокатного тавра
, так как нет тавра меньшего сечения.
Рассчитываем
опорный раскос 2-12.
а)
Определение требуемой площади сечения стержня:
б)
По требуемой площади и радиусам инерции подбираем уголок
с
;
;
.
в)
Определяем гибкость:
;
.
г)
Проверка прочности:
д) Недонапряжение:
.
Окончательно
принимаем уголок равнополочный
.
Аналогично
подбираются остальные растянутые стержни.
Расчет сжатых стержней
Рассчитываем стержень 5-6 верхнего пояса.
Задаемся гибкостью λ:
- пояса,
опорные раскосы и стойки;
- прочие
сжатые элементы решетки фермы.
Примем
.
Вычислим
приведенную гибкость
:
;
.
Вычисляем коэффициент продольного изгиба φ по формуле
, (2.7)
где
, (2.8)
здесь
- коэффициенты, значение которых зависит от типа
сечения центрально-сжатого стержня.
По
табл. 7[1] составное тавровое сечение из уголков относится к типу «с», для
которого коэффициент
и коэффициент
.
;
.
Принимаем
коэффициент изгиба
при
.
а)
Определение требуемой площади сечения стержня:
, (2.6)
где
- расчетное усилие в стержне;
-
расчетное сопротивление стали по пределу текучести для толщиной 4-10 мм (по
табл. В5 [1]).
-
коэффициент условий работы.
-
коэффициент условий работы.
-
коэффициент изгиба.
.
По
требуемой площади и радиусам инерции подбираем тавр
с
;
;
.
б)
Определяем гибкость по формулам:
;
.
;
.
в)
Определяем приведенную гибкость по формуле:
(2.9)
;
.
г)
по формулам (2.7) и (2.8) определяем значения
и
.
;
;
;
.
д)
Определяем коэффициент
по формуле:
(2.10)
;
.
Тогда
предельные гибкости стержня будут равны :
;
.
е)
Проверка устойчивости:
(2.11)
ж)
Недонапряжение составляет:
.
Несмотря
на большое (>14%) недонапряжение принимаем сечение из прокатного тавра
, так как нет тавра меньшего сечения.
Рассчитываем
раскос 3-12.
Принимаем
коэффициент изгиба
при
.
а)
Определение требуемой площади сечения стержня:
;
.
По
требуемой площади и радиусам инерции подбираем уголок
с
;
;
.
б)
Определяем гибкость:
;
.
в)
Определяем приведенную гибкость по формуле (2.9):
;
.
г)
по формулам (2.7) и (2.8) определяем значения
и
.
;
;
;
.
д)
Определяем коэффициент
по формуле (2.10):
;
.
Тогда
предельные гибкости стержня будут равны :
;
.
е)
Проверка устойчивости:
ж) Недонапряжение составляет:
.
Окончательно
принимаем уголок равнополочный
.
Аналогично
подбираются остальные сжатые стержни.
Таблица 2.6 - Подбор сечений элементов стропильной фермы
|
Элементы фермы
|
Стержень
|
Расчетные усилия, кН
|
Расчетные длины, cм
|
Сечение
|
Acall, см2
|
Площадь см2
|
Радиусы инерции
|
Гибкости
|
α
|
[λ]
|
φmin
|
γc
|
σ, МПа
|
Δ, %
|
|
|
|
lef,x
|
lef,y
|
|
|
|
iхcall
|
iх
|
iycall
|
iy
|
λх
|
λy
|
|
|
|
|
|
|
|
1
|
2
|
3
|
4
|
5
|
6
|
7
|
8
|
9
|
10
|
11
|
12
|
13
|
14
|
15
|
16
|
17
|
18
|
19
|
21
|
|
Верхний пояс
|
2-3
|
-63,61
|
290
|
290
|
T 13ШТ1
|
5,41
|
26,94
|
2,90
|
3,27
|
2,90
|
4,25
|
89
|
68
|
0,5
|
150
|
0,557
|
1,0
|
42,38
|
82,3
|
|
3-4
|
-163,42
|
300
|
300
|
T 13ШТ1
|
13,88
|
26,94
|
3,00
|
3,27
|
3,00
|
4,25
|
92
|
71
|
0,5
|
150
|
0,538
|
1,0
|
112,64
|
53,1
|
|
4-5
|
-231,22
|
300
|
T 13ШТ1
|
19,65
|
26,94
|
3,00
|
3,27
|
3,00
|
4,25
|
92
|
71
|
0,664
|
140
|
0,538
|
1,0
|
159,37
|
33,6
|
|
5-6
|
-265,18
|
300
|
300
|
T 13ШТ1
|
22,53
|
26,94
|
3,00
|
3,27
|
3,00
|
4,25
|
92
|
71
|
0,762
|
134
|
0,538
|
1,0
|
182,81
|
23,8
|
|
Нижний пояс
|
12-13
|
109,39
|
300
|
900
|
T 13ШТ1
|
4,56
|
26,94
|
-
|
3,27
|
-
|
4,25
|
92
|
212
|
-
|
400
|
-
|
1,0
|
40,61
|
83,1
|
|
13-14
|
197,35
|
300
|
900
|
T 13ШТ1
|
6,64
|
26,94
|
-
|
3,27
|
-
|
4,25
|
92
|
212
|
-
|
400
|
-
|
1,0
|
59,15
|
75,4
|
|
14-15
|
249,12
|
300
|
900
|
T 13ШТ1
|
10,38
|
26,94
|
-
|
3,27
|
-
|
4,25
|
92
|
212
|
-
|
400
|
-
|
1,0
|
92,47
|
61,5
|
|
15-20
|
267,14
|
300
|
900
|
T 13ШТ1
|
11,13
|
26,94
|
-
|
3,27
|
-
|
4,25
|
92
|
212
|
-
|
400
|
-
|
1,0
|
99,16
|
58,7
|
|
Опорные раскосы
|
2-12
|
110,02
|
231
|
231
|
L 50х5
|
4,58
|
4,80
|
-
|
1,53
|
-
|
1,53
|
151
|
151
|
-
|
400
|
-
|
1,0
|
229,2
|
4,49
|
|
Раскосы
|
3-12
|
-37,22
|
189,6
|
237
|
L 60х6
|
3,38
|
6,92
|
2,37
|
1,83
|
2,96
|
1,83
|
104
|
130
|
0,857
|
159
|
0,349
|
0,75
|
154,28
|
14,0
|
|
3-13
|
30,86
|
189,6
|
237
|
L 50х5
|
1,29
|
4,80
|
-
|
1,53
|
-
|
1,53
|
124
|
155
|
-
|
400
|
-
|
1,0
|
64,29
|
73,2
|
|
4-13
|
-39,89
|
189,6
|
237
|
L 60х6
|
3,63
|
6,92
|
2,37
|
1,83
|
2,96
|
1,83
|
104
|
130
|
0,919
|
156
|
0,349
|
0,75
|
165,35
|
8,14
|
|
4-14
|
15,52
|
189,6
|
237
|
L 50х5
|
0,65
|
4,80
|
-
|
1,53
|
-
|
1,53
|
124
|
155
|
-
|
400
|
-
|
1,0
|
32,33
|
86,5
|
|
5-14
|
-25,39
|
189,6
|
237
|
L 50х7
|
2,31
|
6,56
|
2,37
|
1,50
|
2,96
|
1,50
|
127
|
158
|
0,841
|
160
|
0,256
|
0,75
|
151,24
|
15,9
|
|
5-15
|
2,82
|
189,6
|
237
|
L 50х5
|
0,12
|
4,8
|
-
|
1,53
|
-
|
1,53
|
124
|
155
|
-
|
400
|
-
|
1,0
|
5,88
|
97,6
|
|
6-15
|
-9,39
|
189,6
|
237
|
L 50х5
|
0,85
|
4,8
|
2,37
|
1,53
|
2,96
|
1,53
|
124
|
155
|
0,5
|
180
|
0,264
|
0,75
|
74,02
|
58,9
|
|
Стойки
|
6-20
|
-10,55
|
147,2
|
184
|
2 L 50х5
|
0,89
|
9,6
|
1,84
|
1,53
|
2,3
|
2,34
|
96
|
79
|
0,5
|
180
|
0,512
|
0,8
|
21,46
|
88,8
|
Рисунок 2.3 - Принятые сечения элементов фермы
2.1.2 Конструирование и расчет узлов фермы
Длины швов, прикрепляющих элементы решетки к фасонкам определяют по
формулам:
-
по обушку
(2.12)
по
перу
(2.13)
где
- расчетное усилие в элементе решетки фермы;
и
- коэффициенты, учитывающие распределение усилия
между шва ми по обушку и перу,
,
;
-
минимальное из значений:
или
;
-
расчетное сопротивление угловых швов срезу (условному) по металлу шва,
принимается по табл. Г2 [1] ,
;
- то же,
по металлу границы сплавления,
, здесь
- временное сопротивление стали разрыву по табл. В5
[1]);
-
коэффициент для расчета углового шва при ручной сварке,
(табл.39[1]);
- то же,
по границе сплавления,
(табл.39[1]);
- катет
шва при расчете по обушку принимается равным максимальному
(здесь
-
минимальная толщина свариваемых элементов); по перу - равным минимальному
по табл. 38 [1].
Длины
сварных швов
и
округляются
в большую сторону до размеров кратных 5 мм и принимаются:
,
,
.
Таблица 5 - Расчет сварных швов
Элемент Сечение
,
|
кНШов по обушкуШов по перу
|
|
|
|
|
|
|
, кН , мм ,call мм , мм , кН , мм ,call мм , мм
|
|
|
|
|
|
|
|
|
2-12
|
L 50x5
|
110,02
|
77,01
|
6
|
51
|
55
|
33,00
|
4
|
33
|
40
|
|
3-12
|
L 60x6
|
37,22
|
26,05
|
7
|
15
|
40
|
11,17
|
4
|
11
|
40
|
|
3-13
|
L 50x5
|
30,86
|
21,61
|
6
|
14
|
40
|
9,26
|
4
|
9
|
40
|
|
4-13
|
L 60x6
|
39,89
|
27,92
|
7
|
16
|
40
|
11,97
|
4
|
12
|
40
|
|
4-14
|
L 50x5
|
10,86
|
6
|
7
|
40
|
4,66
|
4
|
5
|
40
|
|
5-14
|
L 50x7
|
25,39
|
17,77
|
8
|
9
|
40
|
7,62
|
4
|
8
|
40
|
|
5-15
|
L 50x5
|
2,82
|
1,97
|
6
|
2
|
40
|
0,85
|
4
|
1
|
40
|
|
6-15
|
L 50x5
|
9,39
|
6,57
|
6
|
4
|
40
|
2,82
|
4
|
3
|
40
|
|
6-20
|
2 L 50x5
|
10,55
|
7,39
|
6
|
5
|
40
|
3,17
|
4
|
3
|
40
|
Раскос 2-12
;
;
где
t - наименьшая из толщин.
;
;
;
;
.
Остальные
швы рассчитываются аналогично.
Порядок
конструирования и расчета узлов стропильных ферм следующий:
- провести осевые линии элементов гак, чтобы они сходились в
центре узла;
- к осевым
линиям «привязать» поясные уголки. Для этого определить по сортаменту размер Zo от
центра тяжести уголка до обушка и округлить в большую сторону кратно 5мм,
получив тем самым расстояние от обушка уголка до осевой линии. Таким же образом
нанести контурные линии стержней решетки. Расстояние между краями элементов
решетки и пояса в узлах следует принимать равным
,
но не более 80 мм (здесь
- толщина фасонки, мм);
- рассчитать прикрепление
стержней решетки к фасонкам угловыми швами;
- отложить от
торцов уголков решетки требуемые длины швов;
- начертить
фасонку, захватив все расчетные швы и стремясь получить простую геометрическую
форму (прямоугольник или трапецию с тупыми входящими углами).
Расчет узла №1
Болты
принимаем конструктивно класса прочности
,
нормальной точности диаметром
; диаметр
отверстий
.
Из
условия размещения болта принимаем опорный лист
толщиной
.
Размеры
фасонки принимаем по чертежу:
;
;
Толщину
фланцевого листа принимаем
.
Рассчитываем
катет углового шва:
,
где
- расчетное усилие в элементе решетки фермы;
-
минимальное из значений:
или
;
-
расчетное сопротивление угловых швов срезу (условному) по металлу шва,
принимается по табл. Г2 [2] ,
;
- то же,
по металлу границы сплавления,
, здесь
- временное сопротивление стали разрыву по табл. В5
[2]);
-
коэффициент для расчета углового шва при ручной сварке,
(табл.39[2]);
- то же,
по границе сплавления,
(табл.39[2]);
-суммарная
длина расчетная длина швов;
по
металлу шва
- по металлу границы сплавления:
по т.38
[2].
;
где
- минимальная толщина из свариваемых элементов.
Принимаем
.
Проверим
на прочность стыковой шов А
(2.14)
Рисунок 2.4-Узел 1
Расчет узла №3
При конструировании узла фасонка не требуется, так как при небольших
усилиях в раскосах швы их крепления к поясу можно разместить на стенке тавра.
Рисунок 2.5-Узел 3
Расчет узла №12
При конструировании узла фасонка не требуется, так как при небольших
усилиях в раскосах швы их крепления к поясу можно разместить на стенке тавра.
Рисунок 2.6-Узел 12
Расчет узла №4
При конструировании узла фасонка не требуется, так как при небольших
усилиях в раскосах швы их крепления к поясу можно разместить на стенке тавра.
Рисунок 2.7-Узел 4
Расчет узла №13
При конструировании узла фасонка не требуется, так как при небольших
усилиях в раскосах швы их крепления к поясу можно разместить на стенке тавра.
Рисунок 2.8-Узел 13
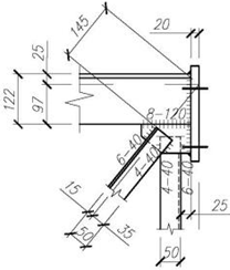
Расчет узла №5
При конструировании узла фасонка не требуется, так как при небольших
усилиях в раскосах швы их крепления к поясу можно разместить на стенке тавра.
Рисунок 2.9-Узел 5
Расчет узла №14
При конструировании узла фасонка не требуется, так как при небольших усилиях
в раскосах швы их крепления к поясу можно разместить на стенке тавра.
Рисунок 2.10-Узел 14
Расчет узла №15
При конструировании узла фасонка не требуется, так как при небольших
усилиях в раскосах швы их крепления к поясу можно разместить на стенке тавра.
Рисунок 2.11-Узел 15
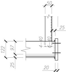
Расчет узла №6
Болты
принимаем конструктивно класса прочности
,
нормальной точности диаметром
; диаметр
отверстий
.
Расстояние
между центрами по (табл.40[2]);
Минимальное:
Максимальное:
Минимальное расстояние от центра отверстия для болта
до края элемента:
Максимальное расстояние от центра отверстия для болта
до края элемента:
Толщину
фланца принимаем
.
Расстояние,
на которое отводятся уголки от фланца:
, (2.15)
где
- толщина стенки тавра.
.
по т.38
[2].
;
Для
стали С255
- сварочные материалы: марка проволоки СВ-08 ГА,
.
Принимаем
ручную сварку
,
.
Сравниваем
значение по МШ и по МГС:
, расчет
ведет по металлу шва.
по т.38
[2].
;
Принимаем
.
Требуемая длина поясных швов:
Принимаем
.

Рисунок 2.12-Узел 6
Расчет узла №20
Болты
принимаем конструктивно класса прочности
,
нормальной точности диаметром
; диаметр
отверстий
.
Расчетное усилие, которое может быть воспринято одним болтом при
растяжении:
, (2.16)
где
-расчетное сопротивления болта растяжению;
-площадь
сечения болта нетто;
-коэффициент
условия работы.
.
Количество
болтов в соединении:
Для
удобства принимаем 4 болта.
Расстояние между центрами по (табл.40[2]);
Минимальное:
Максимальное:
Минимальное расстояние от центра отверстия для болта
до края элемента:
строительный монтажный здание кран
Максимальное расстояние от центра отверстия для болта
до края элемента:
Толщину
фланца принимаем
.
Расстояние,
на которое отводятся уголки от фланца:
, (2.15)
где
-толщина стенки тавра.
.
по т.38
[2].
;
Для
стали С255
- сварочные материалы: марка проволоки СВ-08 ГА,
.
Принимаем
ручную сварку
,
.
Сравниваем
значение по МШ и по МГС:
, расчет
ведет по металлу шва.
по т.38
[2].
;
Принимаем
.

Рисунок 2.13-Узел 20
. ТЕХНОЛОГИЧЕСКИЙ РАЗДЕЛ
3.1 Характеристика здания
Проектируемое здание представляет собой каркасное здание. Каркас здания
образован металлическими колоннами двутаврового сечения, подстропильными
балками двутаврового сечения и стропильными фермами покрытия.
Габариты здания: 57,6 х 66,6м. Стропильные фермы перекрывают два пролета
здания - 24 и 30 метров. Шаг колонн 6 метров, шаг ферм 4 метра. Непосредственно
по верхним поясам стропильных ферм укладывается и закрепляется профилированный
лист, по которому укладывается двухслойный утеплитель и рулонный кровельный
ковер.
В состав здания входят также фахверковые колонны для крепления витражей,
комплект окон и дверей.
Металлические конструкций поставляются на площадку строительства в полной
заводской готовности, за исключением стропильных ферм, которые укрупняются до
готовой конструкции на стенде на строительной площадке. Внутренний объем здания
поделен на три отсека кирпичными стенами. Перегородки возводятся из
гипсокартонных листов по металлическому каркасу отдельным потоком.
Здание монтируется на расстоянии 1 км от предприятия-поставщика
металлоконструкций.
3.2 Выбор метода производства
строительно-монтажных работ
Монтаж конструкций здания бассейна производится автокранами КС-5473 и
КС-45713-1. Монтаж производится дифферинцированным методом, здание разбивается
на захватки, в каждую из которых входит монтаж колонн, ригелей. Основное
требование при монтаже - обеспечение жесткости и геометрической неизменяемости
каркаса.
Сборные элементы подаются к рабочему месту с приобъектного склада,
расположенного в зоне действия крана. По степени укрупнения монтаж ведется
поэлементно в связи с небольшими объемами работ. По точности установки на опоры
монтаж производится с выверкой при помощи геодезических инструментов. По
способу подъема (перемещения) конструкции и установки ее на опоры применяют
подъем со сложным перемещением в пространстве (кран перемещает и поворачивает
конструкцию). По последовательности сборки конструкций по вертикали применяется
способ наращивания, при котором вышележащие элементы укладываются на
нижележащие.
3.3 Определение объемов строительно-монтажных
работ
Таблица 3.1 - Спецификация элементов сборных конструкций
|
Наименование Конструктивных элементов
|
Марка элемента
|
Эскиз
|
Кол-во шт.
|
Масса,т
|
|
|
|
|
Одного элемента
|
всего
|
|
1
|
2
|
3
|
4
|
5
|
6
|
|
1. Колонны:
|
Колонны
K1, К2.
40Ш1
22
,96
б)
Колонны KФ-1.
26Ш1
10
0,37
|
3,70
|
|
|
|
|
|
|
2. Подстропильные балки:
|
а)
Балки подстропи льные БП-1
50Б2
10
0,52
б)
Балки подстропи льные БП-2
45Б1
,38
|
3,8
|
|
|
|
|
|
|
3.Профилированный лист
|
Н75-750-0,7
|
|
1728м2
|
0,0921
|
159,15
|
|
4. Мет. Фермы покрытия Ф-1
|
|
|
16
|
2,841
|
45,46
|
|
5. Установка крестовых связей -по колоннам -по фермам
|
[ ] №12 2 ∟ №63×5
|
|
4 2
|
1,6 1,29
|
6,4 2,6
|
3.4 Выбор монтажных приспособлений
Таблица 3.2 - Ведомость монтажных приспособлений
|
Наименование сборного элемента
|
Масса элемента ,т.
|
Наимен. монтажного приспособления
|
Характеристика грузозахватных приспособлений
|
Эскиз
|
|
|
|
|
грузоподъем-ность, т
|
масса, т
|
расчетная высота, мм
|
|
|
|
1
|
2
|
3
|
4
|
5
|
6
|
7
|
|
|
1. Колонны:
|
|
|
а) Колонны K1, К2
|
0,96
|
Захват для колонн КР-3.2
|
4
|
0,035
|
1000
|
|
|
б) Колонны KФ-1
|
0,37
|
Захват для колонн КР-3.2
|
4
|
0,035
|
1000
|
|
|
|
2. Подстропильные балки
|
|
|
а) Балки подстропи льные БП-1
|
0,52
|
Строп двухветвевой 2СК-2-2 ГОСТ 25573-82
|
4
|
0,025
|
3000
|
|
|
|
б) Балки подстропи льные БП-2
|
0,38
|
Строп двухветвевой 2СК-2-2 ГОСТ 25573-82
|
4
|
0,025
|
3000
|
|
|
|
3. Мет. Фермы покрытия Ф-1
|
2,8
|
Траверса
|
3
|
0,205
|
3000
|
|
|
|
5.Профилированный лист
|
0,30
|
Строп четырехветьевой 4СК-1-2 ГОСТ 25573-82
|
5
|
0,12
|
4500
|
|
|
|
6.Монтажная площадка с лестницей
|
|
|
|
0,043
|
|
|
|
|
|
|
|
|
|
|
|
|
|
|
|
|
|
|
|
|
|
|
3.5 Определение трудоемкости и продолжительности
монтажных работ
Основным документом, определяющим затраты труда, стоимость,
продолжительность работ является калькуляция, которая выполняется по форме
(таблица 3), на основании ЕНиР ( Е1, Е4, Е5, Е22). Объемы работ для расчета
калькуляции берутся из таблицы 1.
Суммарное время работы крана определяет общую продолжительность монтажных
работ. Состав комплексной бригады (звена) определяем по ежедневному участию в
монтаже рабочих различной квалификации.
Затраты труда:
ЗТ= Нвр× V, чел-ч, (3.1)
где Нвр - норма времени на выполнение единицы работы;
V-
объем работы .
Зарплата:
ЗП=Расц*V, руб., (3.2)
где ЗП- зарплата звена монтажников на весь объем,
Расц- расценка на выполнение единицы работы.
Основным документом, определяющим затраты труда, стоимость,
продолжительность работ является калькуляция. Суммарное время работы крана
определяет общую продолжительность монтажных работ. Состав комплексной бригады
определяем по ежедневному участию в монтаже рабочих различной квалификации.
Таблица 3.4 - Распределение трудоемкости по разрядам
|
Профессия
|
Разряд
|
Ежедневное участие в работе
|
Расчетный состав бригады
|
Принятый состав бригады
|
|
Монтажник
|
VΙ
|
46,6+23,2+9,875+3,75+12,57+0,43+9,45= =105,875
|
105,875/112,72=0,94
|
1
|
|
Монтажник
|
ΙV
|
24,6+46,6+46,6+23,2+9,875+3,75+12,57+0,43+9,45=177,075
|
177,075/112,72=1,6
|
1
|
|
Монтажник
|
ΙΙΙ
|
116,13/112,72=1,03
|
1
|
|
Монтажник
|
ΙΙ
|
46,6+23,2+23,2+9,875+9,875+3,75+3,75+12,57+12,57+0,43+0.43+9,45+9,45=165,15
|
165,15/112,72=1,47
|
2
|
|
Машинист
|
VΙ
|
24,2+27,2+15,4+3,17+4,2+8,9+4,97+1,6+15+0,52+7,56=112,72
|
1
|
1
|
При правильном выборе бригады средний разряд рабочих не должен превышать
среднего разряда работы.
Таблица 3.5 - Расчетное количество рабочих
|
Разряд
|
Расчетное количество рабочих
|
Произведение разряда на число рабочих
|
|
6
|
0,94
|
5,64
|
|
4
|
1,6
|
6,4
|
|
3
|
1,03
|
3,09
|
|
2
|
1,47
|
2,94
|
|
Итого
|
5,04
|
18,07
|
Таблица 3.6 - Принятое количество рабочих
|
Разряд
|
Принятое количество рабочих
|
Произведение разряда на число рабочих
|
|
6
|
1
|
6
|
|
4
|
1
|
4
|
|
3
|
1
|
3
|
|
2
|
2
|
4
|
|
Итого
|
5
|
17
|
Средний разряд рабочих равен 17/5=3,4.
Средний разряд работы 18,07/5,04=3,58
Таким образом, состав бригады определен правильно.
3.6 Расчет основных параметров и выбор монтажных
кранов
Выбор кранов для монтажа зданий и сооружений должен производиться на
основе технико-экономических расчётов с учётом количества, размера и веса
монтируемых элементов, этажности или высоты, конфигурации и размеров возводимого
здания.
Основными параметрами монтажного крана являются:
- грузоподъёмность (Qкр);
- высота подъёма крюка (Hкр);
- вылет крюка крана (lкр);
- длина стрелы (Lстр).
Исходя из данных основных параметров, определяем самую тяжелую, самую
высокорасположенную и самую неудобную для монтажа конструкцию.
Самая неудобная и тяжелая для монтажа конструкция - ферма покрытия Ф-1
массой 2,841 т.
3.6.1 Необходимая минимальная высота крюка крана
Hэл=ho+hэ+hз+hс , (3.3)
где ho-высота монтажного горизонта, м;
hк-высота
элемента в монтажном положении, м;
hз-
запас по высоте, требуемый для заводки конструкции к месту установки или через
ранее смонтированные конструкции, м;
hс -
высота строповки в рабочем положении от верха монтируемого элемента до низа
крюка, для фермы, м.
Hфер=
11,3+2,1+0,5+3,0=16,9м,
Hкол=
0+11,3+0,5+3,0=14,8м,
Hбал=
10,7+0,5+0,5+2,0=13,7м.
Таблица 3.7 - Вылет стрелы по грузовысотным характеристикам крана
КС-45717-1
|
Элемент
|
Qэ, т
|
Qосн, т
|
Q, т
|
Нкр, м
|
LНкрQ ,
м
|
|
1
|
2
|
3
|
4
|
5
|
7
|
|
Ферма
|
2,841
|
0,205
|
3,046
|
16,9
|
5.5-10
|
|
Балка
|
0,52
|
0,025
|
0,545
|
13,7
|
3,8-16
|
|
Колонна
|
0,96
|
0,035
|
0,995
|
14,8
|
3,8-14,7
|
Рисунок 3.1 - Грузовысотные характеристики крана КС-45717-1
Таблица 3.8 - Вылет стрелы по грузовысотным характеристикам крана КС-5473
|
ЭлементQэ,
тQосн, тQ, тНкр, мLНкрQ , м
|
|
|
|
|
|
|
1
|
2
|
3
|
4
|
5
|
7
|
|
Ферма
|
2,841
|
0,205
|
3,046
|
16,9
|
5-25,5
|
|
Балка
|
0,52
|
0,025
|
0,545
|
13,7
|
5-26,3
|
|
Колонна
|
0,96
|
0,035
|
0,995
|
14,8
|
5-16
|
Рисунок 3.2 - Грузовысотные характеристики крана КС-5473
3.7 Выбор и обоснование транспортных средств для
доставки сборных конструкций
Таблица 3.9 - Выбор и обоснование транспортных средств для доставки
сборных конструкций
|
Наименование элемента
|
Масса, т.
|
Марка транспортного средства
|
Грузо- подъём- ность, т.
|
Колич-во элемн-в перево-зимых за один рейс
|
Коэф-т использ. транс-порта по грузоп-ти
|
|
1
|
2
|
3
|
4
|
5
|
6
|
|
1. Колонны K1
|
0,96
|
Полуприцеп УПР1212
|
12
|
8
|
0,64
|
|
2. Колонны KФ-1
|
0,37
|
Полуприцеп УПР1212
|
12
|
12
|
0,32
|
|
3. Балки подстропи льные Бп-1
|
0,52
|
Полуприцеп-балковоз УПР6 6
|
6
|
8
|
0,69
|
|
4. Балки подстропильные Бп-2
|
0,38
|
Полуприцеп-балковоз УПР6 6
|
6
|
8
|
0,51
|
|
5. Фермы покрытия Ф-1
|
0,95
|
Полуприцеп УПР1212
|
12
|
4
|
0,37
|
|
6. Кровельный профнастил 0,75x4 м (по 5 штук)
|
0,065
|
Камаз 53202
|
7,8
|
7
|
0,21
|
Доставка конструкций осуществляется с разгрузкой на приобъектном складе.
Изготовитель металлических конструкций ЗАО «ВОЛОГДАМЕТАЛЛОСТРОЙ», г.Вологда.
Дальность транспортирования составляет 1 км.
3.8 График производства работ
График составляется на основе калькуляции трудовых затрат и нормативной
продолжительности работ в табличной форме.
Нормативная продолжительность работ монтажа конструкций определяется по
[12]. Наименование работ записывается в соответствии с принятой технологической
последовательностью монтажа.
Значение трудоемкости на весь объем работ:
ЗТ=ЗТ(чел.´ч)/8, (чел.´дн.) , (3.4)
где ЗТ (чел.´ч) - затраты труда;
- продолжительность одной смены, ч.
Продолжительность работ:
Т=ЗТ(чел.´дн.)/PN , (дн.), (3.5)
где P - количество рабочих в одном звене
монтажников;
N -
кол-во смен.
Определив продолжительность, взаимно увязываем работы во времени.
Выбираем монтажные работы, оказывающие влияние на продолжительность монтажа.
Устанавливаем последовательность и совмещенность ведущих монтажных работ,
подчиняя темпу их выполнения остальные виды работ, с тем расчетом, чтобы
обеспечить устойчивость в любой момент времени каждого возводимого элемента и
здания в целом.
3.9 Основные технико-экономические показатели
Таблица 3.9 - Основные технико-экономические показатели
|
№
|
Наименование показателя
|
Ед. изм.
|
Значение показателя
|
|
1
|
Выработка одного рабочего за смену
|
т/смен
|
2
|
|
2
|
Затраты труда на единицу работы в человеко-смену
|
смен/т
|
0,5
|
|
3
|
Срок выполнения работы
|
дни
|
15
|
Расчетная стоимость выполнения единицы работы определяется по формуле:
Выработка одного рабочего за смену определяется по формуле:
ВР=V/ТР, (4.13)
где V - объем работ, подлежащих
выполнению, т;
ТР - трудоемкость работ, человеко-смен.
ЗТ= ТР/V, (4.14)
где ТР - трудоемкость работ, человеко-смен;
V -
объем работ, подлежащих выполнению, т.
ВР=321,8/160,5=2 т/смен
ЗТ=1/2=0,5 смен/т
3.10 Указания по производству работ
До начала монтажа конструкций проверяют положение в плане и отметки оснований
фундаментов и других опорных конструкций. Последовательность монтажа должна
обеспечивать устойчивость и геометрическую неизменяемость смонтированных
конструкций. Монтаж здания ведут специализированными потоками, каждому из
которых передается комплект монтажных и транспортных машин и соответствующая
монтажная оснастка. Участки делят на захватки, на которых последовательно
выполняют отдельные процессы всего комплекса работ.
Движение кранов и монтажные позиции выбирают с таким расчетом, чтобы кран
с одной позиции смонтировал большее число элементов. Первые две колонны ряда
раскрепляют крестообразными расчалками, последующие - подкрановыми балками,
которые устанавливают после установки колонн. Балки устанавливают по осевым
рискам на балках и подкрановых консолях колонны с временным раскреплением на
анкерных болтах и выверяют при помощи специальных приспособлений. Стропильные
фермы монтируют после установки и закрепления всех нижележащих конструкций
каркаса здания. Правильность установки контролируют путем совмещения рисок.
После установки фермы закрепляют расчалками. Стеновые панели устанавливают в
каждой ячейке между двумя колоннами на всю высоту.
3.11 Указания по технике безопасности
Монтажные работы.
На участке, где ведутся монтажные работы, не допускается выполнение
других работ и нахождение посторонних лиц.
Способы строповки элементов конструкции и оборудования должны
обеспечивать их подачу к месту установки в положении близком к проектному.
Запрещен подъем конструкций без монтажных петель и меток.
Строповка грузов производится инвентарными грузозахватными устройствами.
Способы строповки должны исключать падение или скольжение груза.
Элементы при перемещении удерживаются от раскачивания и вращения гибкими
оттяжками.
Во время перерывов элементы не оставляют на весу.
Расстроповку элементов конструкций и оборудования, установленных в
проектное положение, производят после постоянного или временного надежного
закрепления.
Монтажные работы на высоте не выполняются в открытых местах при скорости
ветра 15 м/с и более, при гололеде или тумане, исключающем видимость в пределах
фронта работ. Работы по перемещению и установке вертикальных панелей прекращают
при скорости ветра 10 м/с и более.
Монтаж конструкций последующего яруса производят после надежного
закрепления предыдущего.
Монтаж лестничных маршей и площадок зданий одновременно с монтажом
конструкций здания. На смонтированных лестничных маршах следует незамедлительно
установить ограждение.
Нельзя находится под монтажными конструкциями до установки их в проектное
положение.
Рабочее место должно быть оснащено необходимыми техсредствамиподмостями,
люльками, монтажными столиками, вышками, лестницами, защитными ограждениями,
должны применяться индивидуальные средства защиты в виде предохранительных
поясов, прикрепляемых к устойчивым элементам. Кроме того, должны применяться
ограждения в виде защитных сеток для падающего предмета.
Транспортные работы.
Организация - владелец транспортных средств обязана обеспечить их
своевременное техобслуживание и ремонт.
Транспортировка длинномерных, тяжеловесных, крупногабаритных грузов
осуществляется на специализированном транспорте.
Груз должен быть размещен и закреплен в соответствии с техническими
условиями погрузки и крепления. Подача автомобиля задним ходом в зоне работ
производится по команде работающих.
3.12 Указания по осуществлению контроля и оценки
качества монтажных работ
Контроль качества монтажа начинают с момента приемки доставленных сборных
элементов. Они должны соответствовать требованиям проекта и не должны иметь отклонений,
превышающих допустимые по СНиП.
По окончании монтажа конструкций работы принимают по акту, в котором
указывают соответствие монтажа проекту, выносят заключение о готовности здания
для производства последующих работ.
Главным критерием качества монтажных работ является тщательность сварки и
заделки стыков и точность установки конструкций в соответствии с проектом. На
все конструкции, которые при дальнейшем производстве работ закрываются другими
конструкциями, составляют акты на скрытые работы.
.Установка колонн.
Геометрические оси в нижнем сечении колонн совмещают с разбивочными осями
или геометрическими осями нижеустановленных колонн. Обеспечивается закрепление
низа колонн от горизонтальных перемещений;
Отклонение от проекта должны согласовываться с проектной организацией;
. Установка балок, ферм, плит перекрытий и покрытий.
Укладка элементов в направлении перекрываемого пролета должна быть с
соблюдением установленных проектом размеров глубины опирания их на опорные
конструкции или зазоров между сопрягающими элементами;
В поперечном направлении перекрываемого пролета: ригелей и межколонных
плит совмещают риски продольных осей элементов с рисками осей на колоннах; плит
перекрытий по разметке, определяющей их проектное положение на опорах и
выполняемой после установки в проектное положение;
Ригели, межколонные плиты, фермы, плиты покрытий по фермам укладывают
насухо на опорные поверхности несущих конструкций;
Плиты перекрытий укладывают на слой раствора 20 мм , совмещая поверхности
смежных плит вдоль шва со стороны потолка;
Отклонение от проекта согласовывается с проектной организацией.
. Установка панелей стен.
В плоскости стены симметрично относительно оси пролета между колоннами
путем выравнивания расстояний между торцами панелей и рисками осей колонн в
уровне установки панели;
Выверка простеночных панелей наружных стен каркасных зданий - в плоскости
стены. Совмещая ось низа панели с ориентирной риской на поясной панели. Из
плоскости стены, совмещая внутреннюю грань устанавливаемой панели с гранью
нижней панели, в вертикальной плоскости - внутренняя грань и торцевая панель
относительно вертикали.
3.13 Указания по охране труда
Конструкции, поднимаемые краном, надо удерживать от раскачивания отяжками
из пенькового каната или троса. При подъеме элементов, устанавливаемых в
горизонтальное положение, к обоим их концам прикрепляются парные оттяжки.
Запрещается передвигать конструкции после их установки и снятия захватных
приспособлений. При подъеме элементов с транспортных средств запрещается
перемещать груз над кабиной водителя. На монтажных работах обязательно должна
быть предусмотрена сигнализация. Все сигналы машинисту крана и рабочим на
оттяжках подает один человек - бригадир. Временные связи, расчалки, кондукторы
разрешается снимать только после окончательного закрепления конструкций.
Машинисты кранов, строповщики, сигнальщики и сварщики проходят обучение
по спецпрограммам. Монтажники, имеющие стаж работы менее одного года и разряд
ниже третьего, к работе на высоте не допускаются.
4. РАЗДЕЛ ОРГАНИЗАЦИИ СТРОИТЕЛЬСТВА
4.1 Общие данные
Исходными материалами для составления ППР служат:
- ранее утвержденный проект; в т.ч. ПОС, РД и сметы;
- данные о поставке сборных конструкций, деталей, изделий и
полуфабрикатов;
- данные о поставке технологического, энергетического и другого
оборудования;
- данные строительных и монтажных организаций о наличии парка
машин и механизмов, возможности его расширения и использования;
- действующие нормативные документы: СНиПы, инструкции и
указания по производству и приемке строительных, специальных и монтажных работ,
в т.ч. и по охране труда в строительстве.
ППР состоит из трех основных видов технологических документов: графиков
(календарных планов), СГП и технологических карт.
Объемы работ в ППР определяют по РД, спецификациям и сметам, расчеты всех
видов ресурсов ведут по производственным нормам.
ППР на подготовительные работы выполняют в той же номенклатуре, что и для
основных работ, но в меньшем объеме.
Для объектов, строящихся по типовым размерам, в состав РД входят основные
положения по производству СМР.
При строительстве комплекса зданий разрабатываются сводные поточные
графики на весь объем строительства.
4.2 Характеристика условий строительства
Земельный участок площадью 22865 м2 расположен в г. Вологда на ул.
Беляева.
Рельеф участка застройки относительно ровный, спланированный насыпным
грунтом с абсолютными отметками 147,66-148,35м. Проектируемые забивные сваи под
спортивный комплекс опираются на слой из мелкого плотного песка с прослойками
пылеватого и средней крупности и прорезают слои суглинка тугопластичного с
прослойками мягкопластичного полутвердого, с гравием и галькой до 10%.
Подземные воды в процессе изысканий не встречены. Прогнозируемый уровень
грунтовых вод рекомендуется принять на глубине 1,5-2 м от поверхности земли.
Местная строительная база обеспечивает строительство проектируемого
здания. Керамический кирпич, применяемый для внутренних и наружных стен здания,
поставляется автотранспортом с Сокольского кирпичного завода, многопустотные
железобетонные плиты перекрытия, металлические конструкции поставляются с
местных вологодских заводов железобетонных и металлических конструкций и
изделий.
4.3 Климатические характеристики
Основные климатические характеристики района строительства:
- расчетное значение веса снегового покрова 240 кг/м.кв;
- нормативное значение ветрового давления 23 кг/м.кв;
- расчетная глубина промерзания 1,8 м;
- средняя температура наружного воздуха наиболее холодной
пятидневки -32 0С;
- климатический район IIВ;
- продолжительность отопительного периода со средней суточной
температурой воздуха 8 0С - 225 дней;
- средняя температура отопительного периода -4,3 0С;
- расчетная температура внутреннего воздуха для здания в
холодный период +20 0С.
4.4 Методы выполнения основных строительно-монтажных
работ
.4.1 Земляные работы
Для выполнения земляных работ здание разбито на две захватки. На
захватках производится отрывка котлованов. Для выполнения земляных работ
используется экскаватор Э-652 с объемом ковша 0,65м³,
а также гусеничный кран
СКГ-40 грузоподъемностью Q=30 т и длиной стрелы Lс = 25м для монтажа
фундаментов.
4.4.2 Монтаж конструкций фундамента
После выполнения земляных работ на освободившейся захватке ведется монтаж
конструкций фундамента. Он производится краном СКГ-40. Для обратной засыпки
котлованов применяется бульдозер Д 607 на базе трактора ДТ-75М. Работа
производится на 2-х захватках в одну смену.
4.4.3 Возведение коробки здания
Монтаж необходимых элементов для возведения коробки здания и кровли
ведется автомобильными кранами КС-5473 и КС-45717-1. Материалы для
строительства складируются в непосредственной близости от крана.
4.4.4 Отделочные работы
С внутренней стороны стеновые ограждения спортивных залов, коридоров
оштукатуриваются и окрашиваются водоэмульсионной краской, стены помещений
душевых, санузлов, бассейнов оштукатуриваются и покрываются стеклянной плиткой.
Потолки гимнастических залов и бассейнов отделываются реечным подвесным
перфорированным потолком, потолки коридоров и административных помещений
отделываются подвесным потолком типа «Армстронг». Все несущие конструкции
покрытия, а также колонны и ригели окрашиваются огнезащитным составом «Джокер»
по слою грунтовки «ГФ - 021». Все выступающие элементы конструкций и их узлы
закрываются пластиковыми накладками.
4.4.5 Транспортные работы
Организация - владелец транспортных средств обязана обеспечить их
своевременное техобслуживание и ремонт.
Транспортировка длинномерных, тяжеловесных, крупногабаритных грузов
осуществляется на специализированном транспорте.
Груз должен быть размещен и закреплен в соответствии с техническими
условиями погрузки и крепления.
В зону материалов до начала работы должен быть доставлен запас материалов
на 2 часа работы, а в дальнейшем материалы подаются по мере их расходования.
Подача автомобиля задним ходом в зоне работ производится по команде
работающих.
4.4.6 Указания по охране труда
Конструкции, поднимаемые краном, надо удерживать от раскачивания
оттяжками из пенькового каната или троса.
При подъеме элементов, устанавливаемых в горизонтальное положение, к
обоим их концам прикрепляются парные оттяжки.
Запрещается передвигать конструкции после их установки и снятия захватных
приспособлений.
При подъеме элементов с транспортных средств запрещается перемещать груз
над кабиной водителя.
На монтажных работах обязательно должна быть предусмотрена сигнализация.
Все сигналы машинисту крана и рабочим на оттяжках подает один человек -
бригадир.
Временные связи, расчалки, кондукторы разрешается снимать только после
окончательного закрепления конструкций.
Машинисты кранов, стоповщики, сигнальщики и сварщики проходят обучение по
спецпрограммам.
Монтажники, имеющие стаж работы менее одного года и разряд ниже третьего,
к работе на высоте не допускаются.
Отделочные работы
Отделочные работы делятся на следующие циклы:
) штукатурные работы;
) установка и остекление оконных и дверных блоков;
) подготовка под окраску и окраска поверхностей;
) устройство чистых полов;
) окончательная отделка и окраска поверхностей.
Производство штукатурных и облицовочных работ организуется
поточно-расчетным методом, что обеспечивает наиболее полное использование
рабочих по их квалификации.
Раствор и шпаклевку на отделываемые поверхности наносят механизированным
способом. Нанесение раствора вручную допускается лишь в небольших помещениях и
при малом объеме штукатурных работ. Водные составы для окраски стен и потолков
рекомендуется наносить механизированным способом. Ручную окраску стен и
столярных изделий рекомендуется производить малярным валиком.
4.5 Расчет численности персонала строительства
В персонал строительства входят:
рабочие основного и не основного производств;
ИТР (инженерно-технические работники);
МОП (младший обслуживающий персонал);
практиканты и ученики.
Численность рабочих основного производства определяется по эпюре движения
рабочих, построенная под календарным планом, как максимальная численность
рабочих в 1 смену.
Численность рабочих неосновного производства принимается в размере 20% от
численности рабочих основного производства.
Численность ИТР принимается в размере 6-8%, МОП - 4%, учеников и
практикантов - 5% от численности рабочих основного и не основного производства.
Расчетная численность персонала строительства определяется по формуле:
; (4.1)
где 1,06 - коэффициент, учитывающий отпуска и невыходы рабочих по
болезни;
4.6 Расчет потребности во временных зданиях и
сооружениях
Таблица 4.1 - Расчет временных зданий и сооружений
|
Наименование зданий и сооружений
|
Расчетная численность персонала
|
Норма на одного человека
|
Требуется
|
Принято
|
|
Всего
|
% однов- рем. исполь-зующ.
|
Ед. изм
|
Кол-во
|
Кол-во
|
Марка
|
Кол-во
|
|
1
|
2
|
3
|
4
|
5
|
6
|
7
|
8
|
9
|
|
Проходная
|
-
|
-
|
м2
|
6÷9
|
м2
|
6÷9
|
Вагончик 3x3
|
1
|
|
Контора прораба
|
8
|
100
|
м2
|
3
|
м2
|
24
|
Вагончик 3x9
|
1
|
|
Медицинское помещение
|
-
|
-
|
м2
|
12
|
м2
|
12
|
Вагончик 3x6
|
1
|
|
Помещение для обогрева рабочих
|
153
|
100
|
м2
|
0,1
|
м2
|
15,3
|
Вагончик 3x6
|
1
|
|
Кладовая
|
-
|
-
|
м2
|
15
|
м2
|
15
|
Вагончик 3x6
|
1
|
|
Помещение для сушки и обеспыливания одежды
|
153
|
50
|
м2
|
0,2
|
м2
|
15,3
|
Вагончик 3x6
|
1
|
|
Гардеробные с умывальными
|
153
|
70
|
м2
|
0,5
|
м2
|
53,6
|
Вагончик 3x6
|
3
|
|
Душевые
|
153
|
30
|
1рожок
|
8чел. 4м2
|
6 р.
|
46чел 32м2
|
Вагончик 6x6
|
1
|
|
Помещение для личной гигиены женщин
|
-
|
-
|
м2
|
4
|
м2
|
4
|
|
|
|
Туалет
|
153
|
100
|
1 очко
|
22чел 2м2
|
7 очка
|
153чел 14м2
|
Вагончик 3x6
|
1
|
Примечание:
мед. помещение должно иметь отдельный вход;
помещение для личной гигиены женщин расположено в женской части душевого
помещения.
4.7 Расчет потребности в ресурсах
.7.1 Расчет потребности в электроэнергии
Электроэнергия при строительстве расходуется:
на питание силовых потребителей;
технологические нужды;
внутреннее освещение зданий и сооружений;
наружное освещение строительной площадки, дорог и т.д.
Требуемая мощность трансформаторной подстанции:
, кВт
(4.2)
где 1,1 - коэффициент, учитывающий потери в сети.
к1, к2, к3, к4 - коэффициенты спроса, учитывающие несовпадение нагрузок;
к1 = 0,36 - среднее для механизмов; к2 = 0,7; к3 = 0,8; к4 = 1;
- сумма
мощностей силовых потребителей, кВт;
- сумма
мощностей аппаратов, участвующих в технологических процессах, кВт;
- сумма
мощностей приборов освещения, кВт;
-
коэффициенты мощностей, зависящие от загрузки потребителей:
Таблица
4.2 - Потребители энергии
|
Наименование
|
Мощность, кВт
|
|
Технологические потребители: - вибратор глубинный ИЭ-4502 -
сварочный аппарат ТД-300 - электрокраскопульт СО-61 - растворонасос СО-496
Наружное освещение: Внутреннее освещение: - помещения временные
|
0,4 20 0,27 4,0 17,01 2,422
|
|
Итого:
|
44,7
|
Определяем требуемую мощность:
Принимаем
одну передвижную комплексную трансформаторную подстанцию закрытой конструкции:
СКТП-100-6/10/0,4
Р=100кВт 3,05x1,55м
Сечение
проводов во временной электросети из условия прочности принимаем 6 мм.
4.7.2 Расчет потребности в тепле
Тепло
на строительной площадке используется на отопление зданий или технические
нужды.
Общая
потребность тепла для строительных нужд определяется:
,
кДж/час, (4.3)
где
- расход тепла на отопление зданий;
- расход
тепла на технологические нужды;
-
коэффициент, учитывающий потери в сети;
-
коэффициент на учтенные расходы тепла
,
кДж/час, (4.4)
где
- коэффициент, зависящий от расчетной t
наружного воздуха
(
);
-
удельная тепловая характеристика здания, кДж/час´м3´град;
;
- объем
здания по наружному обмеру,
;
и
- расчетная температуры внутри помещения и снаружи, °С.
-
зависит от времени, вида и объема работ.
;
;
.
4.7.3 Расчет потребности в воде
Расход воды на производственные нужды определяется на основании
календарного плана и норм расхода воды.
Таблица 4.3 - Потребность воды на производственные нужды
|
Потребители воды
|
Единица измерения
|
Количество в смену
|
Норма расхода воды на единицу измерения
|
Общий расход воды в смену
|
|
Работа экскаватора
|
маш-ч
|
1
|
12
|
12
|
|
Заправка экскаватора
|
1 маш
|
1
|
100
|
100
|
|
Штукатурные работы
|
м2
|
261,5
|
8
|
2092
|
|
Малярные работы
|
м2
|
153,5
|
1
|
245,5
|
|
Поливка уплотняемого щебня
|
м3
|
17,6
|
5
|
160,9
|
|
Мойка колес автомашин
|
1 маш
|
2
|
10
|
20
|
|
Мойка автомашин
|
маш/сут
|
2
|
200
|
400
|
|
Итого:
|
|
|
|
2865,5
|
При устройстве сетей временного водоснабжения прокладываем и используем
сети запроектированного постоянного водопровода. Полная потребность в воде
составляет:
Вобщ=0,5·(Впр+Вхоз+Вдуш)+Впож,л/с, (4.5)
По максимальной потребности находят секундный расход воды на
производственные нужды:
Впр=∑Вмакс1·k1/(t1·3600),л/с, (4.6)
где ∑ Вмакс1 - максимальный расход воды;
k1 -
коэффициент неравномерности потребления воды, равный 1,5;
t 1 -
количество часов работы, к которым отнесен расход воды.
Впр = 532·1,5/(8·3600) = 0,03, л/с,
Секундный расход воды на хозяйственно-бытовые нужды:
Вхоз=∑Вмакс2·k2/(t2·3600),л/с, (4.7)
где ∑ Вмакс2 - максимальный расход воды в смену на
хозяйственно-питьевые нужды;
k2 -
коэффициент неравномерности потребления воды;
t2 -
число часов работы в смену.
Вхоз =63·20·2,0·/(8·3600) = 0,08, л/,с
Секундный расход воды на душевые установки:
Вдуш=∑Вмакс3·k3/(t3·3600),л/с, (4.8)
где ∑ Вмакс3 - максимальный расход воды на душевые установки;
k3 -
коэффициент неравномерности потребления, равный 1;
t3 -
продолжительность работы душевой установки, обычно 45 мин (0,75 часа).
Вдуш = 32·30·1· /(0,75·3600) = 0,35 л/с,
Расход воды на пожаротушение принимаем равным 10 л/с, то есть
предусматриваем одновременное действие струй из двух гидрантов по 5 л/с. Таким
образом:
Вобщ = 0,5·(0,03 + 0,08 + 0,35) + 10 = 10,2 л/с,
Диаметр
трубопровода для временного водопровода рассчитываем по формуле:
или
,мм,
(4.9)
где
Врасч = Вобщ; υ
- скорость воды, равная 1,5 м/с.
Так
как промышленность выпускает пожарные гидранты с минимальным диаметром 100 мм,
поэтому гидранты проектируем на постоянной линии водопровода, а диаметр
временного водопровода рассчитываем без учета пожаротушения:
Вобщ
= 0,03 + 0,08+ 0,35 = 0,46, л/с,
Принимаем
диаметр 20 мм.
4.7.4 Расчет потребности в транспортных средствах
Требуемое
количество маш.см. работы транспортного средства для доставки однородного груза
определяется:
,маш.см.,
(4.10)
где
Q - количество перевозимого однородного вида груза, т;
Рсм
− сменная производительность транспортной единицы, определяем по формуле:
Рсм=nр×q×кгр,т/см, (4.11)
где
nр - количество рейсов в смену;
q - паспортная грузоподъемность машины, т;
кгр
- коэффициент использования грузоподъемности машины в зависимости от вида груза
(для бетонных и ж/б конструкций - 1; для металлоконструкций - 0,8).
(4.12)
где
Т - продолжительность смены, час;
tпр -
продолжительность погрузочно-разгрузочных операций, час;
L - расстояние
перевозки, км;
V - средняя
скорость движения транспорта, км/ч
Для
перевозки металлических конструкций принимаем машину
КАМАЗ-55111
с грузоподъемностью q=10 т
принимаем
12 рейсов
Тогда
Рсм,1 =12 × 10 × 1 = 120 т/см;
Для
возведения склада требуется 471,3 тонн металлических конструкций
маш.см
Для
перевозки кирпича принимаем машину КАМАЗ-5511 с грузоподъемностью q=10т.
,
Рсм
=7 × 10 × 1 = 70, т/см,
Для
возведения данного здания требуется 471086 шт. кирпича. Принимаем массу 1
кирпича=4,7 кг.
Q=471086 × 4,7/1000=2214,1, т.
маш. см.
4.7.5 Расчет площадей складов материалов, изделий и
конструкций
Требуется
площадь склада для хранения однородного груза определяется по формуле:
, (4.13)
где
q - подлежащий хранению запас однородных материалов в
натуральных единицах;
r - норма
хранения материала на 1 м2 площади;
кп
- коэффициент учитывающий проходы на складах (закрытые склады - кп = 0,5-0,7;
открытые - кп = 0,4 - 0,5)
(4.14)
где
Q - количество однородных материалов для объекта (в
натуральных единицах);
n - норма запаса
материалов, дни (n = 2-5 дни - при автомобильных перевозках);
к
- коэффициент неравномерности снабжения, к = 1,2;
t -
продолжительность выполнения работ с использованием данного материала, дни
Складские
помещения:
Металлические
конструкции (колонны, балки, фермы) q = 471,3 т
4.8 Технико-экономические показатели
Механовооруженность
труда:
М
, (4.15)
где
N
-среднесписочное количество рабочих на объекте в день.
С
=
, (4.16)
где
С
- рыночная стоимость машины;
Т
- нормативная продолжительность работы в году;
t- время работы
машины на объекте.
Для
бульдозера:
С
=
руб.
Для
экскаватора:
С
=
руб.
Для
крана:
С
=
руб.
М
=32559,8 руб.
Энерговооруженность
труда:
, (4.17)
где
W
- мощность двигателя машины (кВт).
W
=3,58, кВт.
Таблица 4.6 - Технико-экономические показатели
|
Площадь стройплощадки
|
14080 м2
|
|
Площадь застройки
|
3836 м2
|
|
Площадь бытовых помещений
|
180 м2
|
|
Площадь складов
|
1131 м2
|
|
Площадь временной дороги
|
2927 м2
|
|
Длина временной дороги
|
488 п.м.
|
|
Длина временного ограждения
|
476 п.м.
|
|
Длина временного водопровода
|
147 п.м.
|
|
Стоимость СМР:
|
181527,7 тыс. руб
|
|
Строительный объем здания:
|
52300 м3
|
|
Полезная площадь:
|
7660 м2
|
|
Стоимость единицы полезной площади:
|
28,05 тыс. руб
|
|
Нормативная трудоёмкость строительства:
|
24026 ч-дн
|
|
Планируемая трудоемкость строительства:
|
23780 ч-дн
|
|
Процент выполнения нормативной выработки:
|
101 %
|
|
Затраты труда на 1 м3 здания:
|
0,46 чел.-дн
|
|
Затраты труда на 1 м2 площади:
|
3,14 чел.-дн
|
|
Нормативная протяжённость строительства:
|
534 дня
|
|
Планируемая протяжённость строительства:
|
530 дней
|
|
Энерговооруженность труда:
|
3,58 кВт
|
. НАУЧНО-ИССЛЕДОВАТЕЛЬСКИЙ РАЗДЕЛ
В современном строительстве все чаще используются новые виды материалов с
улучшенными техническими характеристиками. Одной из таких новинок является
техноэласт, который производится российской корпорацией ТехноНИКОЛЬ.
Техноэласт - многофункциональный биостойкий кровельный и
гидроизоляционный материал, отличающийся высоким качеством и повышенной
надежностью. Он изготавливается по уникальной технологии методом двустороннего
нанесения специального изоляционного состава (битум, термопласт СБС или его
модификации и наполнитель) на основу из стекловолокна или полиэфира.
СБС (стирол-бутадиен-стирол) - это полимер, бутадиенстирольный
термоэластопласт, более известный всем, как искусственный каучук (именно он
обеспечивает высокую эластичность полотна, предотвращая растрескивание при
низких температурах).
Гидроизоляция Техноэласт применяется для гидроизоляции любых строительных
элементов конструкций (полов, стен, каналов, монтажных соединений), поверхностей,
постоянно контактирующих с водой (бассейны, фундаменты, подвалы), всех видов
кровли (неэксплуатируемые, «зеленые» - с обустройством садов, с повышенной
нагрузкой при использовании и т. д.).
Он обеспечивает стопроцентную защиту от влаги, конденсата, газов и пара в
любых климатических условиях, с учетом требований СНиП 23-01-99.
Высокие качественные характеристики Техноэласта ЭКП:
возможность его укладки и эксплуатации в температурном диапазоне от -25
градусов до +120 градусов (С),
гибкость на брусе, равная R = 25 мм,
температура хрупкости битумной основы - 35 градусов (С), сделали
возможным использование его в качестве верхнего слоя кровельного пирога.
По качественным характеристикам Техноэласт ЭКП ни в чем не уступает
аналогичным материалам этого класса, он обладает наилучшими свойствами
СБС-модифицированного битума, который наносится на основу с обеих сторон и
имеет на лицевой стороне защитный слой посыпки, состоящий из цветной (серой,
красной, зеленой) сланцевой крошки. Нижняя сторона покрыта защитной пленкой.
Техноэласт ЭКП обладает высокой эластичностью, прочностью полиэстровой
основы (по прочности не уступает стеклоткани) и теплостойкостью, широко
применяется при выполнении кровельных работ. В качестве подкладочного материала
для кровли из Техноэласта ЭКП принято использовать Техноэласт ЭПП. Техноэласт
ЭКП по виду похож на вспененный полиэтилен, гниению материал не подвержен.
Среди уникальных свойств следует отметить его способность растягиваться (до 60%
от начальной длины), что делает возможным применение материала в двигающихся
конструкциях.
Перед укладкой Техноэласта ЭКП следует тщательно подготовить поверхность
крыши: очистить ее от загрязнений, максимально выровнять поверхность, заделать
все трещины с помощью битумной мастики. Перед наплавлением материала следует
произвести его примерку, выполнить надрезы в нужных местах и т.п.
Изолятор имеет несколько вариантов исполнения, в зависимости от условий и
области применения. Аббревиатура:
первая буква (основа полотна) - эфир (полиэстер), холст, ткань;
вторая, третья буквы (защитный слой):
П (для нижних слоев полотна кровли, используется мелкозернистая посыпка,
пленка из полимеров или их сочетание);
К (для верхних слоев «ковра» кровли, содержит крупнозернистую посыпку на
лицевой стороне и пленку, или мелкозернистую минеральную фракцию со стороны
наплавления).
Техноэласт ЭПП (полиэстер+пленка+пленка)
Используются для гидроизоляции фундаментов зданий и других элементов
строительных конструкций, в качестве кровельного материала в различных типах
построек. Обеспечивает надежную защиту от воды, абсолютно водонепроницаем,
имеет хорошие показатели теплостойкости, высокая эластичность обеспечивает
большее удобство в работе.
Состоит из стекловолокнистой или полиэфирной основы, битума, смешанного с
полимерными добавками (термопласт СБС), наполнителя. Полотно имеет защитный
слой, состоящий из мелкозернистой посыпки и полимерной пленки. Крепление
изолятора осуществляется методом наплавления с использованием газовой горелки.
Техноэласт ЭКП (полиэстер+крошка+пленка)
Применяют в качестве верхнего слоя покрытия кровли, для гидроизоляции
подвалов. Отличается холодостойкостью, не растрескивается даже при сильных
морозах. Общая толщина материала - 4,2 мм. Основа - прочный негниющий
полиэстер, на который наносится слой битума с термопластом, внизу - минеральная
посыпка, состоящая из крупных фракций и снижающая негативное действие внешней
среды. Сверху - защитная синтетическая пленка.
6. РАЗДЕЛ БЕЗОПАСНОСТИ ЖИЗНЕДЕЯТЕЛЬНОСТИ
Обеспечение продолжительного нормального функционирования в любой системе
требует пристального внимания по отношению к потенциальным нештатным ситуациям.
Подготовка к работе в условиях таких ситуаций помогает обеспечить
согласованность и эффективность действий работников и локализовать негативные
воздействия. Все ситуации, возникающие в процессе функционирования, можно
условно разделить на две группы: нормальные и ненормальные. Ненормальные
ситуации, в свою очередь, делятся на аварийные, потенциально аварийные и
нештатные. Любая из этих ситуаций требует принятия ответных мер, направленных
на:
сокращение факторов, влияющих на возникновение чрезвычайной ситуации;
защиту людских, информационных, материальных и других ресурсов от
негативного воздействия, нанесения ущерба и уничтожения;
обеспечение работы объекта во время и после реализации чрезвычайной ситуации.
Чрезвычайная ситуация (ЧС) - это комплекс событий, которые могут привести
к нарушению нормального функционирования объекта.
6.1 Действие персонала в условиях чрезвычайных
ситуаций
а) в случае пожара необходимо:
немедленно сообщить об этом по телефону 01 (при этом четко сказать адрес
учреждения, место возникновения пожара, а также сообщить свою должность и
фамилию);
воспользоваться системой оповещения людей о пожаре;
начать эвакуацию людей из здания в безопасное место, согласно плана
эвакуации;
известить о пожаре руководителя учреждения или заменяющего его работника;
организовать встречу пожарных подразделений, указать им место возгорания,
принять меры по тушению пожара имеющимися в учреждении средства пожаротушения;
организовать проверку работников, эвакуированных из здания по имеющимся
спискам;
при необходимости вызвать к месту пожара медицинскую и другую службы;
информировать начальника прибывшего пожарного подразделения о наличии
людей в здании.
б) если произошел взрыв:
лечь на пол, закрыв голову руками и поджав ноги под себя;
при первой же возможности покинуть это здание и помещение;
при пожаре пригнуться как можно ниже, при необходимости ползти;
при повреждении здания взрывом, прежде чем входить в него, необходимо
убедиться в отсутствии значительных разрушений перекрытий, стен, линий
электро-, газо- и водоснабжения, а также утечек газа, очагов пожара.
в) в случае завала, вызванного взрывом или обрушением несущих конструкций
При обнаружении нарушения устойчивости здания, необходимо как можно
быстрее его покинуть. Оказавшись на улице, нужно отдалиться от него на
безопасное расстояние. Если покинуть здание невозможно, то необходимо
постараться занять безопасное место в помещении: проёмы капитальных внутренних
стен, углы, образованные капитальными внутренними стенами вдали от
электроприборов.
Оказавшись в завале:
при возможности оказать себе первую медицинскую помощь;
не старайтесь самостоятельно выбраться;
постараться укрепить "потолок" находящимися рядом обломками
мебели и здания;
отодвинуть от себя острые предметы;
если есть мобильный телефон - сообщить в службу спасения;
закрыть нос и рот носовым платком и одеждой, по возможности влажными;
стучать с целью привлечения внимания спасательных служб, лучше по трубам;
кричать нужно только тогда, когда услышали голоса спасателей - иначе есть
риск задохнуться от пыли;
ни в коем случае не разжигать огонь;
сохранять спокойствие.
Аварийно-спасательные мероприятия в зоне разрушений:
оценка зоны разрушений и устойчивости строительных конструкций, проверка
безопасности бытовых конструкций, поиск возможных жертв;
быстрый сбор пострадавших, оказавшихся на поверхности и оказание им
медицинской помощи;
поиск пострадавших во внутренних пустотах, образовавшихся в результате
разрушения;
извлечение пострадавших из-под завалов и оказание им медицинской помощи;
общая расчистка завалов.
6.2 Технология принятия решения в условиях
чрезвычайной ситуации
Основные особенности функционирования систем управления в условиях ЧС
состоят в том, что проблема (чрезвычайная ситуация) возникает неожиданно,
внезапно; возникая она ставит перед системой управления задачи, не
соответствующие стационарному режиму работы организации и ее прошлому опыту.
Контрмеры должны быть приняты срочно, однако обычный порядок не позволяет этого
сделать по ряду причин:
существующие планы работы не соответствуют новой ситуации;
возникают новые задачи;
информация, которую следует изучить и проанализировать, поступает мощным
потоком.
В этих условиях может возникнуть опасность всеобщей паники. Руководители
нижнего уровня, оказавшись в неожиданной ситуации, не имея указаний сверху и
общей картины ситуации, могут поддаться этой панике и непродуманными решениями
способствовать неразберихе. К тому же следует отметить, что многие руководители
не могут изменить стиль своего мышления и деятельности в условиях
скачкообразных, неожиданных изменений ситуации. Поэтому инициатива снизу, часто
повышающая в обычных условиях эффективность принимаемых решений, в условиях ЧС
теряет свою действенность и может оказаться небезопасной.
Функциональная структура системы управления по предупреждению ЧС и
действиям в ЧС должна охватывать весь круг проблем, касающихся ЧС, включая
этапы их прогнозирования, предупреждения и подготовки к функционированию в
условиях ЧС, а также ликвидации ее последствий.
Таким образом, система управления ЧС должна функционировать в следующих
четырех режимах:
режим повседневной деятельности;
режим повышенной готовности (активная подготовка и осуществление
превентивных мероприятий);
чрезвычайный режим (действия в чрезвычайных ситуациях);
пост чрезвычайный режим (ликвидация долговременных последствий ЧС).
Первый режим характеризуется отсутствием информации о явных признаках
угрозы возникновения ЧС.
Задача системы управления ЧС в стационарных условиях (повседневных) состоят
в противоаварийном упреждающем планировании, основными целями которого являются
сбор информации для прогнозирования возможного развития ЧС и контроля ее
последствий, ресурсов, необходимых для их ликвидации, разработка специальных
прогнозов, которые позволяют эффективно реагировать на ожидаемые проблемы,
паспортизация и категоризация организаций, цехов, технологий и т.д. В данном
режиме определяются и создаются нормативные, законодательные и экономические
механизмы, направленные на минимизацию риска и ущерба от ЧС.
Эффективные подсистемы противоаварийного упреждающего планирования должны
не только прогнозировать возникновение ЧС, но и предусматривать соответствующие
меры, причем упор должен делаться на устранение исходных причин, а не
возникающих последствий.
Второй режим повышенной готовности характеризуется наличием информации о
признаках потенциальной угрозы возникновения ЧС. Задачами системы управления ЧС
в этом режиме являются разработка и осуществление детальных планов мероприятий
по предупреждению либо смягчению последствий ЧС на основе заранее
подготовленных сценариев ее развития и ответных действий.
Прогнозирование возможностей возникновения ЧС и процедуры планирования
базируются на регулярной оценке тенденций развития текущей ситуации, а также
ресурсов, необходимых для ее улучшения, стабилизации и снижения тяжести
последствий развития ЧС.
Отсутствие необходимой информации часто становится основным препятствием
для организации системы раннего предупреждения. Часто это обусловлено
недостаточно активным использованием данных. Когда некоторые неожиданные
факторы лишь начинают влиять на организацию (структуру), их воздействие обычно
остается скрытым в рамках обычных, нормальных колебаний.
Момент времени, когда накопившиеся данные с высокой степенью вероятности
свидетельствуют о том, что ухудшение ситуации становится необратимым и
необходимо принятие контрмер, назовем моментом начала развития ЧС. Этот момент
является самым опасным и критическим для лиц, которые первыми должны
среагировать на возникновение ЧС.
6.3 Факторы, влияющие на принятие решения
Основные причины запаздывания ответных действий.
. Инерционность информационной системы, объясняемая необходимостью затрат
времени на наблюдение, обработку и интерпретацию результатов наблюдения,
передачу полученной информации соответствующим руководителям. Инерционность
является также следствием затрат времени со стороны руководства на обмен
информацией друг с другом и выработку общей позиции.
. Необходимость проверки и подтверждения достоверности информации о
возникновении ЧС.
Безусловно, это необходимо, но даже при абсолютно достоверной информации
некоторые руководители будут утверждать, что нет абсолютной уверенности в
реальности возникновения ЧС, устойчивом и угрожающем характере ее развития. Они
будут выступать за то, чтобы еще немного подождать и посмотреть, не отпадет ли
угроза сама собой (Чернобыль).
. Психологические особенности человека.
Некоторые руководители считают, что признание существования ЧС отразится
на их репутации либо приведет к потере занимаемого положения. Другие
руководители, даже если убеждены в реальности ЧС, будут тянуть время, чтобы
выработать тактику, для реабилитации своего положения.
Эти причины вызывают значительное запаздывание адекватной реакции
руководства на появление ЧС и могут привести к резкому увеличению общего
ущерба, а в ряде случаев способны свести на нет все потенциальные возможности
противоаварийных действий.
Таким образом, чтобы не потерять и полностью использовать имеющиеся
возможности и преимущества, необходимо не только совершенствовать работу
подсистемы противоаварийного упреждающего планирования, но и повышать
готовность руководителей к работе в условиях высокой степени неопределенности.
Чрезвычайный режим характеризуется обстоятельствами, совокупность которых
определяется как чрезвычайная ситуация.
Задачами системы управления ЧС в этом режиме являются осуществление
оперативных действий по защите объектов различного типа.
В отличие от обычных систем планирования и управления, в том числе систем
стратегического планирования, которые призваны рассматривать стратегические
задачи в течение достаточно долгого периода, системы управления в условиях ЧС
должны действовать в реальном масштабе времени. Стратегические задачи должны
решаться в СУЧС на ограниченном интервале времени оперативном и непрерывно.
Режим ликвидации последствий ЧС характеризуется отсутствием активных
поражающих фактов ЧС и необходимостью проведения мероприятий по восстановлению
нормативного функционирования объекта.
Задачей системы управления ЧС в этом режиме является оперативное и
долгосрочное планирование действий по смягчению или полной ликвидации
последствий ЧС.
Принятие и реализация решения - сложные процессы управленческой
деятельности, в которых, как в никаких других, от руководства органов управления
требуются компетентность, высокая оперативная подготовка, знания и навыки
использования техники, умение ставить цели и достигать их, брать
ответственность на себя. Решения в условиях ЧС принимаются в различной
оперативной обстановке, включая кризисную, и в крайне ограниченное время.
Однако оно должно быть принято своевременно, быть максимально обоснованным и
обеспечивать наиболее полное и эффективное использование имеющихся
возможностей.
Для этого требуется четкое уяснение руководством целей и задач операции,
всесторонняя и объективная оценка обстановки, компетентность. Говоря о принятии
решений, следует иметь в виду следующие основные составляющие этого сложного
процесса: сбор и подготовка исходящих данных, построение модели ЧС,
формулировка (принятие) решения руководителем, конкретизация и детализация
решения в плане операции, доведение данного решения до исполнителей, а также
организация, оперативное управление и контроль за его реализацией.
6.4 Информационная поддержка принятых решений
При управлении в условиях ЧС не существует затрат, не связанных с
использованием информации. Информация, информационный фонд в условиях ЧС
становятся основным ресурсам эффективного принятия решений, направленных на
ликвидацию ЧС.
Как правило, в условиях ЧС основной проблемой в принятии и реализации
эффективных управленческих решений является недостаток не ресурсов и капитала,
а информации, необходимой для использования этих ресурсов и капитала с
наибольшим успехом.
Информация о возможности возникновения ЧС и тенденциях ее развития
поступает в систему управления в ходе изучения обстановки.
Степень предсказуемости ЧС очень невелика: к моменту получения
информации, достаточной для выработки эффективных ответных мер, образуется
дефицит времени для их реализации. Это приводит к очевидному парадоксу в
условиях ЧС: ожидая получения достоверной и достаточной для принятия решений
информацию, не может предпринять продуманные меры в целях разрешения
возникающих проблем.
Поэтому на ранних стадиях потенциальной опасности ЧС ответные меры,
очевидно, должны быть общего характера, направленными на увеличение
стратегической гибкости организации. По мере поступления конкретной,
детализированной информации должны быть конкретизированы и ответные меры,
конечной целью которых является либо устранение угрозы возникновения ЧС, либо
использование создавшихся возможностей для ликвидации ЧС и ее последствий.
6.5 Подготовка мероприятий на случай
возникновения чрезвычайной ситуации
Для решения задач предупреждения, нейтрализации (локализации) и ликвидации
последствий ЧС на предприятии создаются специальные структуры. Среди них
выделяют кризисные группы, штабы, службы обеспечения защиты в условиях ЧС,
оперативные бригады и т. п. Круг лиц, входящих в состав данных групп,
определяется с учетом направленности деятельности предприятия, наличия или
отсутствия филиалов, географией размещения служебных, производственных,
складских, транспортных помещений и других факторов. В числе постоянных
представителей подобных структур выступают руководители предприятия и службы
безопасности, руководители функциональных подразделений, юрист, специалист
финансового отдела, специально выделенные сотрудники функциональных
подразделений.
В обязанности рассматриваемой структуры (штаб, кризисная группа) входит:
выявление тенденций развития ЧС;
оценка масштабов ее негативного воздействия и последствий;
расчет времени и ресурсов, необходимых для локализации и ликвидации,
определение приоритетов при разработке и осуществлении основных мероприятий;
сбор, обработка и предоставление необходимой информации для
руководителей, принимающих решения в условиях протекания ЧС, предупреждение о
внезапных изменениях в зонах действия ЧС.
При разработке мероприятий по подготовке к действиям в условиях ЧС
необходимо учитывать, что в период протекания подобных ситуаций психологические
нагрузки возрастают, поведенческие и эмоциональные реакции человека меняются,
может нарушаться координация движений, понижается внимание и восприятие
окружающей действительности. Поэтому необходимо проводить различные тренинги,
комплексы учебных занятий, которые позволили бы подготовить персонал и повысить
эффективность его работы, выражающуюся в принятии четких адекватных мер в
сложившейся ситуации.
. ЭКОЛОГИЧЕСКИЙ РАЗДЕЛ
7.1 Общие сведения
Строительство многофункционального спортивного
комплекса невозможно без благоустройства прилегающей территории. Озеленение
территории комплекса может быть весьма разнообразным как по ассортименту
растений, так и по их размещению в плане. Применение тех или иных посадок
зависит от размера и рельефа территории, климата данного района и характера
почвы, планировки и застройки соседних участков, общего архитектурного замысла
композиции.
7.2 Роль зеленых насаждений в городе
а) Шумопоглощение
В условиях современного города недостаточное озеленение микрорайонов и
кварталов, нерациональная застройка, активное развитие автотранспорта и другие
факторы создают повышенный шумовой фон города. Специально для снижения уровня
шумового давления разработан и действует [30] и [31]. Данный нормативный
документ оговаривает допустимые нормы, а так же предусматривает проведение
мероприятий по снижению уровня шума, в том числе с применением зеленых
насаждений, еще на этапе строительного проектирования. Зеленые насаждения, в
особенности, имеющие плотную широколиственную крону, являются действительно
эффективной мерой снижения уровня шума. Борьба с шумом в городах - острая
проблема, которая обусловлена активными темпами урбанизации.
б) Дегазация
Известно, что в процессе, называемом фотосинтезом, зеленые растения
связывают углерод, входящий в состав углекислого, угарного и других газов, и
отдают атмосфере чистый кислород. Во время летнего сезона среднестатистическое
дерево способно ежесуточно выделять объем кислорода в количестве, необходимом
для дыхания трех человек, а 10 га зеленых насаждений способны удовлетворить
потребность в кислороде группы людей численностью, равной 300 .
в) Снижение уровня запыленности воздуха
Зеленые насаждения эффективно очищают городской воздух от пыли. Этот
процесс происходит следующим образом. Загрязненный воздушный поток, встречающий
на своем пути зеленый массив, замедляет скорость, в результате чего под
влиянием силы тяжести 60-70% пыли, содержащейся в воздухе, оседает на деревья и
кустарники. Некоторое количество пыли выпадает из воздушного потока,
наталкиваясь на стволы, ветви, листья. Значительная часть пыли оседает на
поверхность листьев, хвои, веток, стволов. Во время дождя эта пыль смывается на
землю. Распространению или движению пыли препятствуют не только деревья и кустарники,
но и газоны, которые задерживают поступательное движение пыли, перегоняемой
ветром из разных мест. Среди зеленых насаждений запыленность воздуха в 2-3 раза
меньше, чем на открытых городских территориях. Древесные насаждения уменьшают
запыленность воздуха даже при отсутствии лиственного покрова. Пылезадерживающие
свойства различных пород деревьев и кустарников неодинаковы и зависят от
морфологических особенностей листьев. Лучше всего задерживают пыль шершавые
листья и листья, поверхность которых покрыта ворсинками. Для сравнения: клен
остролистный задерживает на своих листьях в два раза больше пыли, чем тополь,
сирень - в три раза, вяз - в шесть. Осевшая на листьях пыль периодически
смывается дождем, и листья восстанавливают свои пылеудерживающие свойства.
г) Ветрозащита
При проектировании городской застройки нередко возникает необходимость
защиты ее от неблагоприятных ветров. В этом случае предусматривается устройство
защитных полосы зеленых насаждений поперек основного ветрового потока. Защитная
роль полос зеленых насаждений определяется их плотностью и расположением, а
также типом защищаемой застройки. Ветрозащитными свойствами обладают зеленые
насаждения даже сравнительно небольшой высоты и плотности посадки. При большой
величине защищаемого участка на нем равномерно располагают посадки ажурной
конфигурации так, чтобы они находились поперек ветрового потока, что
способствует равномерному снижению скорости ветра на всем участке.
д) Терморегуляция
Температура воздуха среди зеленых насаждений, особенно в жаркую погоду,
значительно меньше, чем на открытых местах. Зеленые насаждения, защищая почву и
поверхности стен зданий от прямого солнечного облучения, предохраняют их от
сильного перегрева и тем самым от повышения температуры воздуха. Температура
лесной почвы, как правило, ниже температуры окружающего воздуха. Наиболее
эффективно снижают температуру растения с крупными листьями, которые
значительную часть энергии отражают не поглощая и таким образом способствуют
снижению количества солнечной энергии.
е) Увлажнение воздуха
Нагреваясь, поверхность листьев деревьев и кустарников испаряет в воздух
большое количество влаги. Опытным путем установлено, что влажность воздуха
может повышаться на 30% в зоне, отстоящей от зеленого массива на расстоянии до
500 м. Даже древесно-кустарниковые полосы шириной порядка10 м уже на расстоянии
600 м увеличивают влажность воздуха на 8% по сравнению с открытой площадью.
Влажностный режим среди зеленых насаждений в жаркую погоду является
благоприятным, легче переносимым для человека.
ж) Фитонцидное действие
Большинство растений выделяет летучие и нелетучие вещества - фитонциды,
обладающие способностью убивать вредные для человека болезнетворные бактерии
или тормозить их развитие. Например, фитонциды дубовой листвы уничтожают
возбудителя дизентерии. К числу ярко выраженных фитонцидных деревьев и
кустарников относятся береза, дуб, тополь, черемуха. Известно более 500 видов
деревьев, имеющих фитонцидные, свойства. Особенно много фитонцидов образуют
хвойные породы; 1 га можжевельника выделяет в сутки 30 кг летучих веществ.
Большое количество фитонцидов (20 - 25 кг) выделяют сосна и ель. Благодаря
способности растений выделять фитонциды воздух парков содержит в 200 раз меньше
бактерий, чем воздух улиц.
з) Декоративно-планировочные функции
Декоративно-планировочные функции зеленых насаждений можно подразделить
на три большие группы: ландшафтообразующие, планировочные, организацию отдыха
городского населения.
Являясь органической частью планировочной структуры города, зеленые
насаждения активно участвуют в создании ландшафтов жилых районов. Крупные
зеленые массивы, расположенные между отдельными районами застройки, объединяют
их, придают городу целостность и законченность.
Планировочные функции зеленых насаждений заключаются в организации городских
территорий. Высаженные у жилых домов зеленые насаждения являются основой
функционального деления жилых территорий, изолируя их от проездов и
транспортных магистралей, ограничивая детские площадки и площадки для отдыха от
хозяйственных площадок и т. д.
Большое значение имеют зеленые насаждения и в решении проблемы
организации отдыха населения. Зеленая окраска листвы, ее тихий шелест, мягкий
рассеянный свет в садах и парках, менее высокая температура в жаркие дни,
наличие в воздухе фитонцидов, бальзамических и других веществ, выделяемых
растениями, оказывают благотворное физиологическое действие на нервную систему
человека, снимают напряжение, укрепляют здоровье человека и повышают его
работоспособность.
и) Техническое значение
Это важное их свойство используется в системе благоустройства городов для
укрепления откосов, дорог, склонов холмов, берегов водоемов, оврагов и рек от
размыва почвы ливневыми и талыми водами и для предохранения от осыпей, оползней
и других подвижек верхнего слоя грунта. Для этого сажают деревья, кустарники и
травы с обильной, крепкой корневой системой, препятствующей разрушению
почвенного слоя.
7.3 Норма озеленения
Согласно [28] норма озеленения 6м²/чел.
7.4 Приемы озеленения
Выбор приема озеленения - принципиальный вопрос в решении
озеленения городских улиц. В практике отечественного и зарубежного
градостроительства применяют различные приемы озеленения улиц. Часто
встречается озеленение, решенное в виде посадок одного ряда деревьев между
проезжей частью и тротуаром. Иногда деревья высаживают и на тротуаре. В
отдельных случаях рядовая посадка деревьев дополняется кустарниками.
Разновидностью рассматриваемого типа озеленения являются посадки только на
одной стороне улицы.
Посадка между тротуарами и проезжей частью
К следующему типу озеленения улиц относится посадка
между тротуарами и проезжей частью двух и более рядов деревьев. Иногда на одной
улице сочетаются оба типа озеленения - два и более ряда деревьев по одной
стороне улиц и однорядная посадка по другой стороне.
Разделительные полосы на проезжей части улицы
Дополнительный прием озеленения - разделительные
полосы на проезжей части улицы. Во многих случаях посадки между тротуарами и
проезжей частью дополняются посадками между тротуарами и застройкой. Иногда,
особенно в районах малоэтажной застройки, эти дополнения решены в виде
палисадников, в других случаях в виде открытых дворов (курдонеров).
Включение бульвара в габарит улицы
Включение бульвара в габарит улицы - следующий тип ее
озеленения. Во многих городах применяют различные сочетания перечисленных типов
озеленения. Для каждой конкретной улицы выбор типа озеленения определяется его
назначением и следующими условиями: шириной улицы, интенсивностью движения
транспорта и его видами (трамвай, троллейбус, автомобили), количеством
пешеходов, этажностью застройки, назначением зданий, находящихся на данной
улице (жилые, общественные, производственные, административные), системой
озеленения района, в состав которого входит эта улица, направлением улицы по
странам света и другими климатическими и микроклиматическими условиями.
Основными типами посадок деревьев и кустарников при
устройстве зеленых насаждений микрорайона являются: аллейные и рядовые посадки
деревьев, группы (куртины), одиночные посадки (солитеры) на газоне, живые
изгороди.
а) При аллейных посадках деревья и кустарники
высаживают в две параллельные линии вдоль дорог и дорожек. Деревья высаживают
на одинаковом расстоянии друг от друга. Для создания аллей используют
одновозрастные деревья. Наиболее распространены однопородные аллеи, но
допускается устройство двухпородных и многопородных аллей. В этом случае
обязательным условием является правильное чередование пород, образующих аллею.
б) Рядовые посадки деревьев планируют вдоль дорог,
дорожек, по периметру площадок в одну линию Порядок посадок такой же, как при
аллейных посадках. Расстояния между деревьями приведены в табл. 34.
в) Группа (куртина) представляет собой сомкнутую
посадку деревьев и кустарников. По структуре группы могут быть рыхлыми и
плотными. В рыхлых группах растения располагают на таких расстояниях, чтобы
каждое из них свободно развивалось и просматривалось. Плотные группы образуются
при компактном размещении деревьев и кустарников. Возможно сближенное
размещение деревьев одной породы и даже посадки двух-трех экземпляров в одну
яму. При такой посадке обязательным условием являются большие интервалы между
этими группами («букетами»), чтобы каждое из растений хотя бы г одной стороны
хорошо освещалось солнцем.
г) Одиночные посадки (солитеры) проектируют на
открытых пространствах газона. Для их создания используют деревья с широкой
кроной и красиво цветущие кустарники.
д) Живая изгородь - линейная посадка из кустарников
или деревьев в один, два или несколько рядов. Живые изгороди классифицируются
по высоте, числу рядов в них, а также по системе ухода за ними (стриженые или
формированные, нестриженые). По высоте изгороди подразделяются на высокие (выше
2 м), средние (1-2 м), низкие (0,5-1 м), бордюры (менее 0,5 м). Высокие
изгороди применяют, если требуется, полная изоляция пространства. Средние по
высоте изгороди используют для ограждения территорий, не требующих полной
изоляции пространства, низкие изгороди и бордюры - для декоративного оформления
различных участков. По конструкции живые изгороди подразделяют на одно-, двух-
и многорядные. Однорядные живые изгороди высаживают на участках, не требующих
полной изоляции или с ограниченной площадью. Их составляют из светолюбивых и
красивоцветущих пород. Двухрядные изгороди создают плотные стены. Такие
изгороди могут быть образованы из растений или одной породы, или двух пород,
посаженных в разных рядах. При устройстве многорядных изгородей необходимо
знать, что в одном ряду можно сажать растения только одной породы. На объектах,
обеспеченных систематическим уходом, применяют стриженые изгороди, которым
путем систематической стрижки придают определенную форму (чаще всего
прямоугольную или трапециевидную). Живые изгороди, как правило, устраивают из
кустарников, но для этой цели могут быть использованы и деревья высотой около 3-3,5
м, имеющие ветвление боковых побегов не выше 0,2-0,3 м от земли.
е) Газоны не только служат декоративным украшением, но и создают
микроклимат, благоприятный для человека и многих представителей окружающей
среды. В почве постоянно происходит минерализация органических веществ, а
газонные травы имеют в слое дерна корневую систему, принимающую
непосредственное участие в ускорении этого процесса. Это препятствует
возникновению огромного числа вредных микроорганизмов и очищает почву от
сорняков. К тому же очищается воздух, т. к. любая зелень, в данном случае
трава, поглощает из воздуха вредные испарения и пыль, способствуя его чистоте.
Газоны подразделяются на обыкновенные, партерные, луговые и специальные.
Каждый из них имеет свое определенное предназначение и располагается в особом
отведенном для него месте.
Партерный газон обычно устраивают перед фасадом дома.
Обыкновенный газон можно устроить в любом участке сада. Рельеф при этом
значения не имеет. Этот газон будет сглаживать все не очень привлекательные места
участка. Если обыкновенный газон задуман на открытой площадке или полянке,
хорошо освещаемой солнцем, то желательно составить смесь из следующих трав:
полевица обыкновенная (70 %), гребенник обыкновенный (30 %). В низинах или
вдоль ограды будут хорошо себя чувствовать мятлик луговой и овсяница красная в
том же соотношении. Норма высева семян составляет 10-15 г смеси на 1 м2.
В качестве лугового газона могут служить просторные лужайки, лужки
небольшого размера. Имеющаяся растительность послужит основой. Так же как
предыдущий вид газона, на основе луговой растительности устраивается
мавританский газон. Для его создания используют семена таких цветковых
растений, как мак, ромашка, незабудка, ирис, колокольчик, резеда, табак и др.
В отличие от вышеперечисленных, газон специального назначения выполняет
определенные функции. Он может быть устроен на спортивной или детской площадке.
Этот газон постоянно вытаптывается, поэтому ему требуется специальный уход. По
этой же причине норму высева следует повысить на 50%. Смесь должна состоять из
райграса пастбищного (50%), овсяницы луговой (25%), полевицы белой (25%) или
райграса пастбищного (40%), овсяницы красной (30%), мятлика лугового (30%).
Существует еще один вариант устройства газона - не широкой площадью, а
узкими полосками, называемыми рабатками. Их можно расположить между
декоративными плитами покрытий каких-либо площадок, между швами дорожек, в
междурядье цветников. Поскольку площадь такого газона будет небольшой, то он
требует систематического и тщательного ухода.
ж) Цветник, как и любой другой элемент ландшафта,
может нести регулярный и естественный характер. К первым относят бордюры,
рабатки, клумбы, партеры, в которых взаимодействие компонентов подчинено
геометрическим законам. Миксбордеры, группы, рокарии относятся ко второй группе
цветников. Особо выделяют солитеры, представляющие собой крупные одиночные
растения, проявляющие в полной мере свою красоту только в отдельности от других
видов.
Кроме
того, возможно контейнерное озеленение территории в наземных или подвесных
<http://www.tsvetnik.info/features/hanging_1.asp>, стационарных или
мобильных емкостях и кашпо из пластика, дерева и керамики. Тяжеловесные стены и
заборы можно украсить при помощи вертикального озеленения цветущими или
пестролистными лианами. Оригинальным украшением участка станут розарии.
При разбивке цветников особое внимание уделяют такому подбору однолетних
и многолетних культур, при котором обеспечивается постоянное цветение клумб,
рокариев и миксбордеров все теплое время года. Для этого можно сочетать
растения с разным периодом цветения, которые будут сменять друг друга, или
засеять цветник долгоцветущими растениями.
Весной цветут тюльпаны, нарциссы, крокусы и некоторые другие луковичные
растения. К раноцветущим относятся также отдельные виды многолетних растений:
печеночница, анемон. В начале лета цветение обеспечивают двулетние (незабудка,
маргаритка, фиалка) и многолетние растения (пион, ирис). На вторую половину
лета приходится срок цветения петунии, календулы и некоторых других однолетних
растений. В это же время, как правило, цветут розы. Среди растений, цветущих
осенью, наиболее известны георгин, роза, астра. Многие многолетники цветут
непродолжительное время, а потом имеют неприглядный вид. Поэтому для сохранения
яркости красок в течение многих месяцев всегда высаживают однолетники, многие
их которых цветут в течение 2-2,5 месяцев. При этом цветник надо спроектировать
так, чтобы вступающие в свои сроки цветения растения зрительно скрывали места с
отцветшими растениями. Для этой цели незаменимы травянистые многолетники. Они
неприхотливы, легко размножаются и декоративны с ранней весны до поздней осени.
К ним можно отнести бадан, пионы, астильбы, хосты, примулы, очитки. Их можно
считать структурными при посадке в цветниках. В отличие от них флокс, водосбор,
дицентра, луковичные после отцветания имеют неприглядный вид или вовсе
сбрасывают листву, оставляя пустые места, требующие маскировки. В цветниках
заполняющими посадками могут служить однолетники, а затем - почвопокровные
растения.
7.5 Озеленение территории бассейна
Существенная роль в художественно-эстетическом
оформлении территорий спортивных сооружений отводится газонам. Умелое
использование их декоративных свойств позволяет подчеркнуть достоинства
деревьев, кустарников и цветов, а в сочетании с ними обогатить ландшафт и
создать живописные композиции, открыть интересные дальние перспективы, лучше
раскрыть архитектуру объемных сооружений. Немаловажно, что газоны вокруг
сооружений, предназначенных для массового посещения, одновременно являются
разгрузочными площадками при экстренной эвакуации людей. [1]
Проектом предусмотрено разделение транзита автотранспорта и пешеходов с
использованием в качестве разделительных полос зеленых насаждений, выполняющих
шумопоглощающую, дегазационную, ветрозащитную, терморегуляционную,
декоративно-планировочную функции. Кроме того, вдоль улицы Беляева двухрядная
шахматной посадки и трехуровневая шумо-газо-пылезащитная зеленая полоса шириной
6,5 метров, включающая один ряд из высоких деревьев и второй ряд из деревьев
средней высоты и высокого кустарника. Такая полоса наиболее эффективна для
перечисленных задач.
Вдоль фасада 11-1 предусмотрено выполнение газонов общей площадью 580м2,
которые снижают уровень запыленности воздуха, увлажняют его и выполняют декоративно-планировочную
функцию. По фасадам А-К, К-А в разделительной зеленой полосе предусмотрена
одиночная посадка деревьев с ажурной кроной средней высоты и
декоративно-цветущих кустарников, выполняющих шумопоглощающую, дегазационную,
терморегуляционную, декоративно-планировочную функции, снижающие уровень
запыленности и увлажняющие воздух.
Автопарковки, размещенные вдоль боковых фасадов, отделяются от
прилегающей территории рядовой посадкой деревьев по периметру. В этих полосах
рекомендуется использование на 50% лиственных пород, на 50% хвойных пород,
которые выполняют шумопоглощающую, дегазационную, ветрозащитную,
терморегуляционную, декоративно-планировочную функции, оказывают фитонцидное
действие, увлажняют воздух, снижают уровень запыленности.
Со стороны заднего фасада здания предусмотрена широкая (18м) полоса с
мини-сквером с разнообразным набором деревьев, в том числе с хвойными,
выполняющая функцию общего улучшения экологии данного квартала.
ЗАКЛЮЧЕНИЕ
Данная дипломная работа включает в себя следующие разделы:
архитектурно-строительный, расчетно-конструктивный, технологический, раздел
организации строительства, научно-исследовательский, безопасности
жизнедеятельности и экологический.
Архитектурный и конструктивно-расчетный разделы представлены в виде
текстовой и графической части. В текстовой части выполнено описание основных
конструктивных и архитектурно-планировочных решений и представлены следующие
расчеты: расчет сбора нагрузок, расчет фермы пролетом 24 м, расчет свайного
фундамента по первой и второй группах предельных состояний. Графическая часть
включает в чертежи с изображением фасадов здания, планов и разрезов, схему свай
и ростверков, монтажно-маркировочную схему несущих элементов покрытия,
геометрическую схему отправочных марок ферм. Также выполнен теплотехнический
расчет ограждающих конструкций здания.
В технологической части рассмотрена схема монтажа металлического каркаса
большепролетной части здания. Подобран кран и необходимые приспособления для
совершения монтажных работ.
Организационный раздел предусматривает разработку стройгенплана участка,
календаризацию и оптимизацию работ СГ.
Раздел безопасности жизнедеятельности затрагивает тему действия персонала
во время чрезвычайных ситуаций.
В экологическом разделе я рассмотрела приемы озеленения территории
бассейна. Стоимость строительно-монтажных работ определена в экономическом
разделе.
СПИСОК ИСПОЛЬЗОВАННЫХ ИСТОЧНИКОВ
1. СНиП
23-02-2003. Строительные нормы и правила. Тепловая защита зданий: утв.
постановлением Госстрой России от 2003-06-26. - Взамен СНиП II-3-79*; введ.
01.10.03. - М.: ФГУП ЦПП № 2004. - 50 с.
2. СНиП
23-01-99*. Строительные нормы и правила. Строительная климатология: утв.
постановлением Госстрой России от 1999-06-11. - Взамен СНиП 2.01.01-82; введ.
01.01.2000. - М.: ГУП ЦПП № 2000 ГУП ЦПП № 2003. - 65 с.
3. СНиП
II-23-81*. Строительные нормы и правила. Стальные конструкции: утв.
постановлением Госстрой СССР от 1981-08-14. - Взамен СНиП II-В.3-72; введ.
01.01.82. - М.: ЦИТП Госстроя СССР № 1990. - 73 с.
4. ГОСТ
27772 - 88. Межгосударственный стандарт. Прокат для строительных стальных
конструкций. Общие технические условия - Введ. 01.01.1989. - М: Национальные
стандарты, 20831. - 18 с.
5. ГОСТ
2246–70*. Межгосударственный стандарт. Проволока стальная сварочная. Технические
условия условия - Введ. 01.01.1973. - М: Государственные стандарты СССР, 20831.
- 19 с.
6. ГОСТ
9467–75*. Межгосударственный стандарт. Электроды покрытые металлические для
ручной дуговой сварки конструкционных и теплоустойчивых сталей. Типы - Введ. 01.01.1977.
- М: Государственные стандарты СССР, 20831. - 7 с.
7. ГОСТ
1759.0-87. Межгосударственный стандарт. Болты, винты и шпильки. Технические
условия - Введ. 01.01.1989. - М: Государственные стандарты СССР, 20831. - 15 с.
8. СТО
АСЧМ 20-93. Ассоциация черметстандарт Стандарт ассоциации предприятий и
организаций по стандартизации продукции черной металлургии. Двутавры
горячекатаные с параллельными гранями полок. Технические условия - Введ.
01.01.1994. - М: Национальные стандарты, 20831. - 8 с.
9. СНиП
2.01.07-85*. Строительные нормы и правила. Нагрузки и воздействия: утв.
постановлением Госстрой СССР от 1985-08-29. - Взамен СНиП II-6-74; введ.
01.01.87. - М.: ГП ЦПП № 1996 ГУП ЦПП № 2003. - 85 с.
10. СП
16.13330.2011. Свод правил. Стальные конструкции. Актуализированная редакция
СНиП II-23-81*: утв. приказом Министерства
регионального развития Российской Федерации (Минрегион России) от 27 декабря №
791. введ. 20.09.11. - М.: ГП ЦПП № 1996 ГУП ЦПП № 2011. - 143 с.
11. ГОСТ
24379.0-80. Межгосударственный стандарт. Болты фундаментные. Общие технические
условия - Введ. 01.01.1982. - М: Государственные стандарты СССР, 20831. - 8 с.
12. СНиП
1.04.03-85*. Строительные нормы и правила. Нормы продолжительности
строительства и задела в строительстве предприятий зданий и сооружений: утв.
постановлением Госстрой СССР от 1985-04-17. - Взамен СН 440-79; введ. 01.08.85.
- М.: АПП ЦИТП № 1991. - 93 с.
13. СНиП
12-03-2001. Строительные нормы и правила. Безопасность труда в строительстве.
Часть 1. Общие требования: утв. постановлением Госстрой России от 2001-07-23. -
Взамен СНиП 12-03-99; введ. 01.09.01. - М.: ГУП ЦПП № 2001. - 93 с.
14. СНиП
12-01-2004. Строительные нормы и правила. Организация строительства: утв.
постановлением Госстрой России от 2004-04-19. - Взамен СНиП 3.01.01-85*; введ.
01.01.05. - М.: ФГУП ЦПП № 2004. - 143 с.
15. ГОСТ
23407-78 Межгосударственная система стандартизации. Ограждения инвентарные
строительных площадок и участков производства строительно-монтажных работ. /
Введ. 01.07.1979. - М.: Изд-во стандартов, 1978. 5 с.
16. СНиП
3.02.01-87. Строительные нормы и правила. Земляные сооружения, основания и
фундаменты: утв. постановлением Госстрой СССР от 1987-12-04. - Взамен СНиП
III-8-76; введ. 01.07.88. - М.: ЦИТП Госстроя СССР № 1988. - 111 с.
17. СНиП
3.03.01-87. Строительные нормы и правила. Несущие и ограждающие конструкции:
утв. постановлением Госстрой СССР от 1987-12-04. - Взамен СНиП III-16-80; введ.
01.07.88. - М.: ЦИТП Госстроя СССР № 1989. - 154 с.
18. ГОСТ
23118-99 Конструкции стальные строительные. Общие технические условия /
Госстрой России. - М.: АОЗТ ЦНИИПСК, 2001.;
19. СП
53-101-98. Свод правил. Изготовление и контроль качества стальных строительных
конструкций: утв. постановлением Госстроя России от 17.05.99 г. № 37. введ.
17.05.99. - М.: Национальные стандарты. -54 с.
20. СНиП
3.04.01-87. Строительные нормы и правила. Изоляционные и отделочные покрытия:
утв. постановлением Госстрой СССР от 1987-12-04. - Взамен СНиП III-20-74; введ.
01.07.88. - М.: ЦИТП Госстроя СССР № 1988. - 107 с.
21. Единые
нормы и правила. ЕНИР Сб. Е 2 Земляные работы. Выпуск1.Механизированные и
ручные земляные работы / Госстрой СССР .-М.: Стройиздат.1989.-244с.
22. СП 22.13330.2011. Свод правил. Основания зданий и сооружений.
Актуализированная редакция СНиП 2.02.01-83*: утв. приказом Министерства
регионального развития Российской Федерации (Минрегион России) от 28 декабря
2010 г. № 823; введ. 20.05.11. - М.: Национальные стандарты. - 138 с.
23. Строительные нормы и правила: СНиП 12-04-2002. Безопасность
труда в строительстве. Ч. 2. Строительное производство. / Введ. 01.01.2003. -
М.: ФГУ ЦОТС Госстроя России, 2002. - 34 с.
24. ГОСТ
21.501-93 Правила выполнения архитектурно-строительных рабочих чертежей. /
Минстрой России, -М. : ГП ЦПП, 1993г.
25. МДС
81-35.2004. Методика определения стоимости строительной продукции на территории
Российской Федерации. / Введ. 09.03.2004. - Госстрой России, 2004. - 61с.
26. МДС
81-33.2004. Методические указания по определению величины накладных расходов в
строительстве. / Введ. 12.01.2004. - Госстрой России, 2001 - 29с.
27. МДС 81-25.2001. Методические указания по определению величины
сметной прибыли в строительстве. / Введ. 01.03.2001. - Госстрой России, 2001.
28. СНиП 2.07.01-89* «Градостроительство. Планировка и застройка
городских и сельских поселений» 1990-01-01.
29. ГОСТ
30245-2003: «Профили стальные гнутые замкнутые сварные квадратные и
прямоугольные для строительных конструкций».
. Руководство
по учету в проектах планировки застройки городов требований снижения уровней
шума (ЦНИИП градостроительства, Москва, Стройиздат, 1984). - 55 с.
. СНиП
2.07.01-89*. Строительные нормы и правила. Градостроительство. Планировка и
застройка городских и сельских поселений: утв. постановлением Госстрой СССР от
1989-05-16. - Взамен СНиП II-60-75; введ. 01.01.90.- М.: ГП ЦПП-1996. - 69 с.
ПРИЛОЖЕНИЕ 1
(обязательное)
Таблица 1.2 - Статический расчёт фермы
|
Усилия и напряжения Единицы измерений: Т, м.
|
|
Номер элемента
|
Номер сечения
|
Номер загружения
|
Значения
|
|
|
|
N
|
M
|
Q
|
|
1
|
1
|
1
|
19,098
|
0
|
0
|
|
1
|
2
|
1
|
19,098
|
0
|
0
|
|
1
|
3
|
1
|
19,098
|
0
|
0
|
|
2
|
1
|
1
|
33,952
|
0
|
0
|
|
2
|
2
|
1
|
33,952
|
0
|
0
|
|
2
|
3
|
1
|
33,952
|
0
|
0
|
|
3
|
1
|
1
|
44,562
|
0
|
0
|
|
3
|
2
|
1
|
44,562
|
0
|
0
|
|
3
|
3
|
1
|
44,562
|
0
|
0
|
|
4
|
1
|
1
|
53,05
|
0
|
0
|
|
4
|
2
|
1
|
53,05
|
0
|
0
|
|
4
|
3
|
1
|
53,05
|
0
|
0
|
|
5
|
1
|
1
|
44,562
|
0
|
0
|
|
5
|
2
|
1
|
44,562
|
0
|
0
|
|
5
|
3
|
1
|
44,562
|
0
|
0
|
|
6
|
1
|
1
|
33,952
|
0
|
0
|
|
6
|
2
|
1
|
33,952
|
0
|
0
|
|
6
|
3
|
1
|
33,952
|
0
|
0
|
|
7
|
1
|
1
|
19,098
|
0
|
0
|
|
7
|
2
|
1
|
19,098
|
0
|
0
|
|
7
|
3
|
1
|
19,098
|
0
|
0
|
|
8
|
1
|
1
|
-4.244
|
0
|
0
|
|
8
|
2
|
1
|
-4.244
|
0
|
0
|
|
8
|
3
|
1
|
-4.244
|
0
|
0
|
|
9
|
1
|
1
|
-8,488
|
0
|
0
|
|
9
|
2
|
1
|
0
|
0
|
|
9
|
3
|
1
|
-8,488
|
0
|
0
|
|
10
|
1
|
1
|
-12.732
|
0
|
0
|
|
10
|
2
|
1
|
-12.732
|
0
|
0
|
|
10
|
3
|
1
|
-12.732
|
0
|
0
|
|
11
|
1
|
1
|
-16.976
|
0
|
0
|
|
11
|
2
|
1
|
-16.976
|
0
|
0
|
|
11
|
3
|
1
|
-16.976
|
0
|
0
|
|
12
|
1
|
1
|
-25.464
|
0
|
0
|
|
12
|
2
|
1
|
-25.464
|
0
|
0
|
|
12
|
3
|
1
|
-25.464
|
0
|
0
|
|
13
|
1
|
1
|
-25,464
|
0
|
0
|
|
13
|
2
|
1
|
-25,464
|
0
|
0
|
|
13
|
3
|
1
|
-25,464
|
0
|
0
|
|
14
|
1
|
1
|
-16,976
|
0
|
0
|
|
14
|
2
|
1
|
-16,976
|
0
|
0
|
|
14
|
3
|
1
|
-16,976
|
0
|
0
|
|
15
|
1
|
1
|
-12,732
|
0
|
0
|
|
15
|
2
|
1
|
-12,732
|
0
|
0
|
|
15
|
3
|
1
|
-12,732
|
0
|
0
|
|
16
|
1
|
1
|
-8,488
|
0
|
0
|
|
16
|
2
|
1
|
-8,488
|
0
|
0
|
|
16
|
3
|
1
|
-8,488
|
0
|
0
|
|
17
|
1
|
1
|
-4,244
|
0
|
0
|
|
17
|
2
|
1
|
-4,244
|
0
|
0
|
|
17
|
3
|
1
|
-4,244
|
0
|
0
|
|
18
|
1
|
1
|
15,915
|
0
|
0
|
|
18
|
2
|
1
|
15,915
|
0
|
0
|
|
18
|
3
|
1
|
15,915
|
0
|
0
|
|
19
|
1
|
1
|
-15,915
|
0
|
0
|
|
19
|
2
|
1
|
-15,915
|
0
|
0
|
|
19
|
3
|
1
|
-15,915
|
0
|
0
|
|
20
|
1
|
1
|
12,378
|
0
|
0
|
|
20
|
2
|
1
|
12,378
|
0
|
0
|
|
20
|
3
|
1
|
12,378
|
0
|
0
|
|
21
|
1
|
1
|
-12,378
|
0
|
0
|
|
21
|
2
|
1
|
-12,378
|
0
|
0
|
|
21
|
3
|
1
|
-12,378
|
0
|
0
|
|
22
|
1
|
1
|
8,842
|
0
|
0
|
|
22
|
2
|
1
|
8,842
|
0
|
0
|
|
22
|
3
|
1
|
8,842
|
0
|
0
|
|
23
|
1
|
1
|
-8,842
|
0
|
0
|
|
23
|
2
|
1
|
-8,842
|
0
|
0
|
|
23
|
3
|
1
|
-8,842
|
0
|
0
|
|
24
|
1
|
1
|
5,305
|
0
|
0
|
|
24
|
2
|
1
|
5,305
|
0
|
0
|
|
24
|
3
|
1
|
5,305
|
0
|
0
|
|
25
|
1
|
1
|
-5,305
|
0
|
0
|
|
25
|
2
|
1
|
-5,305
|
0
|
0
|
|
25
|
3
|
1
|
-5,305
|
0
|
0
|
|
26
|
1
|
1
|
1,768
|
0
|
0
|
|
26
|
2
|
1
|
1,768
|
0
|
0
|
|
26
|
3
|
1
|
1,768
|
0
|
0
|
|
27
|
1
|
1
|
-1,768
|
0
|
0
|
|
27
|
2
|
1
|
-1,768
|
0
|
0
|
|
27
|
3
|
1
|
-1,768
|
0
|
0
|
|
28
|
1
|
1
|
-1,768
|
0
|
0
|
|
28
|
2
|
1
|
-1,768
|
0
|
0
|
|
28
|
3
|
1
|
-1,768
|
0
|
0
|
1
|
1
|
1,768
|
0
|
0
|
|
29
|
2
|
1
|
1,768
|
0
|
0
|
|
29
|
3
|
1
|
1,768
|
0
|
0
|
|
30
|
1
|
1
|
-5,305
|
0
|
0
|
|
30
|
2
|
1
|
-5,305
|
0
|
0
|
|
30
|
3
|
1
|
-5,305
|
0
|
0
|
|
31
|
1
|
1
|
5,305
|
0
|
0
|
|
31
|
2
|
1
|
5,305
|
0
|
0
|
|
31
|
3
|
1
|
5,305
|
0
|
0
|
|
32
|
1
|
1
|
-8,842
|
0
|
0
|
|
32
|
2
|
1
|
-8,842
|
0
|
0
|
|
32
|
3
|
1
|
-8,842
|
0
|
0
|
|
33
|
1
|
1
|
8,842
|
0
|
0
|
|
33
|
2
|
1
|
8,842
|
0
|
0
|
|
33
|
3
|
1
|
8,842
|
0
|
0
|
|
34
|
1
|
1
|
-12,378
|
0
|
0
|
|
34
|
2
|
1
|
-12,378
|
0
|
0
|
|
34
|
3
|
1
|
-12,378
|
0
|
0
|
|
35
|
1
|
1
|
12,378
|
0
|
0
|
|
35
|
2
|
1
|
12,378
|
0
|
0
|
|
35
|
3
|
1
|
12,378
|
0
|
0
|
|
36
|
1
|
1
|
-15,915
|
0
|
0
|
|
36
|
2
|
1
|
-15,915
|
0
|
0
|
|
36
|
3
|
1
|
-15,915
|
0
|
0
|
|
37
|
1
|
1
|
15,915
|
0
|
0
|
|
37
|
2
|
1
|
15,915
|
0
|
0
|
|
37
|
3
|
1
|
15,915
|
0
|
0
|
|
44
|
1
|
1
|
50,928
|
0
|
0
|
|
44
|
2
|
1
|
50,928
|
0
|
0
|
|
44
|
3
|
1
|
50,928
|
0
|
0
|
|
45
|
1
|
1
|
50,928
|
0
|
0
|
|
45
|
2
|
1
|
50,928
|
0
|
0
|
|
45
|
3
|
1
|
50,928
|
0
|
0
|
ПРИЛОЖЕНИЕ 2
(обязательное)
Калькуляция трудовых затрат на монтаж металлических конструкций и
сэндвич-панелей спортивного зала
|
Наименование
|
Ед. изм.
|
Кол-во
|
Обосн. норм
|
Реком. состав звена
|
Нвр
|
Итого трудозатраты
|
|
|
|
|
|
на бриг. чел·час
|
на машин. маш·час
|
на бригаду чел·час
|
на машин. маш·час
|
|
1
|
2
|
3
|
4
|
5
|
6
|
7
|
8
|
9
|
|
Установка средств подмащивания и защит.ограждений
(площадки)
|
шт.
|
6
|
Е5-1-2 4(а,б)
|
МК6-1 М4-1 М3-1
|
0,27
|
0,14
|
1,62
|
0,84
|
|
Установка средств подмащивания и защит.огражд. (перильные
конструкции)
|
10 м
|
6
|
Е5-1-2 13 (а,б)
|
МК6-1 М4-1 М3-1
|
2,5
|
1,3
|
15,0
|
7,8
|
|
Выгрузка колонн массой до 1,5 т
|
100 т
|
0,25
|
Е1-5 табл.2 11(а,б)
|
МК5-1 Т2-2
|
8,8
|
4,4
|
2,2
|
1,1
|
|
Выгрузка ферм массой до 1,5 т
|
100 т
|
0,065
|
Е1-5 табл.2 13(а,б)
|
МК5-1 Т2-2
|
8,8
|
4,4
|
0,57
|
0,29
|
|
Выгрузка балок, ригелей, прогонов, связей массой до 0,5 т
|
100 т
|
0,12
|
Е1-5 табл.2 14(а,б)
|
МК5-1 Т2-2
|
22
|
11
|
2,64
|
1,32
|
|
Выгрузка стеновых панелей массой до 0,5 т
|
100 т
|
0,56
|
Е1-5 табл.2 6(а,б)
|
МК5-1 Т2-2
|
22
|
11
|
12,32
|
6,16
|
|
Монтаж колонн
|
1 эл. 1 т.
|
20 25
|
Е5-1-9 1,2(а,б)
|
МК6-1 М6,3-1 М4-2
|
3,5 0,75
|
0,7 0,15
|
88,75
|
17,75
|
|
Монтаж балок
|
1 эл.
|
8
|
Е5-1-6 табл.2 1,2,3,4 (б)
|
МК6-1 М6-1 М4-3 М3-1
|
0,3
|
0,1
|
3,98
|
1,32
|
|
1 т.
|
1,576
|
|
|
1,0
|
0,33
|
|
|
|
Монтаж ферм
|
1 эл.
|
5
|
Е5-1-6 табл.2 1,2,3,4 (а)
|
МК6-1 М6-1 М4-3 М3-1
|
2,9
|
0,58
|
17,95
|
3,62
|
|
1 т.
|
6,51
|
|
|
0,53
|
0,11
|
|
|
|
Монтаж связей, ригелей
|
1 эл.
|
4
|
Е5-1-6 табл.2 1,2,3,4 (в)
|
МК6-1 М6-1 М4-3 М3-1
|
0,33
|
0,11
|
3,80
|
1,27
|
|
1 т.
|
1,65
|
|
|
1,5
|
0,5
|
|
|
|
Монтаж кровельных прогонов
|
1 эл.
|
60
|
Е5-1-6 табл.2 1,2,3,4 (б)
|
МК6-1 М6-1 М4-3 М3-1
|
0,3
|
0,1
|
26,64
|
8,88
|
|
1 т.
|
8,64
|
|
|
1,0
|
0,33
|
|
|
|
Сварка
|
10 м
|
1,44
|
Е22 1-6 3д
|
ЭС4-1
|
2,7
|
|
3,89
|
|
|
Установка карт из стеновых панелей типа "сэндвич"
|
1 карта
|
228
|
Е5-1-23 2
|
МК6-1 М5-1 М4-2 М3-1
|
1,7
|
0,44
|
387,6
|
|
Электросварка монтажных стыков
|
10 м
|
12,8
|
Е22-1-6 1,3(г)
|
ЭС4-2
|
2,5
|
|
30,2
|
|
|
Разборка средств подмащивания и защит.ограждений (площадки)
|
шт.
|
6
|
Е5-1-2 4(а,б)
|
МК6-1 М4-1 М3-1
|
0,27
|
0,14
|
1,62
|
0,84
|
|
Разборка средств подмащивания и защит.огражд. (перильные
кон-ции)
|
10 м
|
6
|
Е5-1-2 13 (а,б)
|
МК6-1 М4-1 М3-1
|
2,5
|
1,3
|
15,0
|
7,8
|
|
|
|
|
|
|
|
|
|
|
|
|