Микропроцессоры спутниковых антенн
СОДЕРЖАНИЕ
Введение
. Аналитическая часть
. Описание структурной схемы микропроцессорной системы
. Разработка модулей памяти
.1 Выбор типа микросхем памяти и расчет их количества в
модулях ОЗУ, ПЗУ и ППЗУ
.2 Распределение линий адреса
.3 Выбор дешифратора адреса
.4 Расчет нагрузочной способности модуля памяти
.5 Распределение адресного пространства, карта памяти.
Распределение модулей программ
.6 Построение временных диаграмм циклов обмена по магистрали
микропроцессора
.6.1 Временные диаграммы циклов обмена с ОЗУ
.6.2 Временные диаграммы циклов обмена с ПЗУ
.6.3 Временные диаграммы циклов обмена с ППЗУ
. Описание принципиальной схемы
.1 Микропроцессор КМ1821ВМ85
.2 Адресная шина микропроцессора КМ1821ВМ85
.3 Шина данных микропроцессора КМ1821ВМ85
.4 Генератор тактовых импульсов микропроцессора КМ1821ВМ85
.5 Устройство ввода-вывода
.6 Интерфейсное устройство
.7 Аналого-цифровой преобразователь
.8 Контроллер двигателя
. Обоснование применения и выбор микропроцессорного комплекта
(МПК) и элементной базы
. Разработка программы
Заключение
Список использованных источников
ВВЕДЕНИЕ
Спутниковое телевидение - область техники связи, занимающаяся
вопросами передачи телевизионных программ от передающих земных станций к
приемным с использованием искусственных спутников земли (ИСЗ) в качестве
активных ретрансляторов. Спутниковое вещание является сегодня самым
экономичным, быстрым и надежным способом передачи ТВ сигнала высокого качества
в любую точку обширной территории. К преимуществам СТВ относятся также
возможность использования сигнала неограниченным числом приемных установок,
высокая надежность ИСЗ, небольшие затраты и их независимость от расстояния
между источником и потребителем.
Важной проблемой в приемных установках СТВ является
возможность автоматического управления ими. Решить эту проблему можно с помощью
микропроцессорных устройств.
Использование микроэлектронных средств в изделиях
производственного и культурно-бытового назначения не только приводит к
повышению технико-экономических показателей изделий (стоимости, надежности,
потребляемой мощности, габаритных размеров) и позволяет многократно сократить
сроки разработки, отодвинуть сроки «морального старения» изделий, но и придает
им принципиально новые потребительские качества (расширенные функциональные
возможности).
Использование микропроцессоров в системах управления
обеспечивает достижение высоких показателей эффективности при столь низкой
стоимости, что микропроцессорам, видимо, нет разумной альтернативной
элементарной базы для построения управляющих и/или регулирующих систем.
Данный курсовой проект посвящен разработке микропроцессорной
системы позиционирования антенны спутникового телевидения по одной координате с
поиском и запоминанием координат спутников.
1.
Аналитическая часть
В рамках курсового проекта по дисциплине «Микропроцессорные
системы управления» необходимо разработать микропроцессорную систему
позиционирования антенны телевидения по одной координате с поиском и
запоминанием координат спутников. Исходные данные для разработки отражены в
таблицах 1.1, 1.2 и 1.3.
Таблица 1.1 - Особенности объекта управления
|
Сигнал
|
Тип
|
Изм. величина
|
|
Положение антенны
|
Цифровой
|
ТТЛ,
последовательный
|
Угловое положение,
код Грея, 16 разрядов, ±100 °
|
|
Амплитуда сигнала
|
аналоговый
|
0…5 В
|
|
|
Поляризация
|
цифровой
|
ТТЛ
|
продольная/
поперечная
|
|
Правый ограничитель
|
цифровой
|
ТТЛ
|
|
|
Левый ограничитель
|
цифровой
|
ТТЛ
|
|
|
Движение вправо
|
цифровой
|
ТТЛ
|
|
|
Движение влево
|
цифровой
|
ТТЛ
|
|
|
Подстройка вправо
|
цифровой
|
ТТЛ
|
|
|
Подстройка влево
|
цифровой
|
ТТЛ
|
|
|
Запоминание
|
цифровой
|
ТТЛ
|
|
|
Следующий спутник
|
цифровой
|
ТТЛ
|
|
|
Предыдущий спутник
|
цифровой
|
ТТЛ
|
|
|
Сканирование
|
цифровой
|
ТТЛ
|
|
|
Спутник 1-10
|
цифровой
|
ТТЛ
|
10 входов
|
|
Выходы
|
|
|
|
|
Управление
двигателем
|
цифровой
|
ТТЛ, ШИМ
|
|
|
Торможение
|
цифровой
|
ТТЛ
|
|
|
ЖКИ дисплей
|
цифровой
|
TDI,ASCII
|
|
Таблица 1.2 - Параметры микропроцессорной системы
|
Тип микропроцессора
|
ВМ85
|
|
Объем ОЗУ
|
16 Кбайт
|
|
Объем ПЗУ
|
24 Кбайт
|
|
Объем ППЗУ
|
20 Кбайт
|
|
IRQ
|
RST7.5
|
|
Тип IRQ
|
Дейзи
|
Рабочая программа микропроцессорной системы состоит из трех модулей,
объемы которых приведены в таблице 3.
Таблица 1.3 - Объемы модулей программы
|
Наименование
|
Объем
|
|
Модуль 1
|
1 кб
|
|
Модуль 2
|
5 кб
|
|
Библиотека
подпрограмм
|
2 кб
|
Система должна обеспечивать:
Сканирование траектории для поиска
спутников по максимуму сигнала.
Запоминание координат и поляризаций
сигнала найденных спутников (до
100 спутников).
Опрос кнопок управления
Вывод на экран текущей угловой
координаты антенны, номера спутника, вида поляризации.
Позиционирование антенны на один из
10 или следующий/предыдущий спутник с точностью 0,1°
Аналогами микропроцессорной системы управления,
разрабатываемой в данном курсовом проекте, являются стандартные устройства -
позиционеры, предназначенные для запоминания координат спутниковых антенн и для
и автоматического позиционирования на спутники. На рынке спутникового оборудования
представлен достаточно большой ассортимент позиционеров, большинство из которых
превосходят по своим характеристикам разрабатываемый в данном курсовом проекте.
Ближайшим аналогом является позиционер Eagle SAC-1000.
Описание:
Позиционер Eagle SAC-1000 -
высокоточный микропроцессорный блок позиционирования антенны. Он способен
запомнить до 60 координат спутников и другой необходимой информации;
SAC-1000 имеет инфракрасные пульт ДУ для удобства управлением. Контроллер
автоматически позиционирует антенну по командам пользователя с пульта ДУ.
Основные особенности Eagle SAC-1000:
высокоточное микропроцессорное позиционирование антенны;
запоминание координат и позиционирование антенны на один из
60 спутников;
координаты спутников сохраняются в энергонезависимой памяти;
LED дисплей, показывающий номер текущего спутника или направление движения;
программируемые правый/левый ограничитель;
выключатель питания на передней панели;
встроенная защита по току;
инфракрасный пульт ДУ.
Характеристики:
выход 36В для питания двигателя;
питание от сети 110/220В переменного тока;
Размеры: 240мм×180мм×56мм.
Отличием микропроцессорной системы управления, разработанной
в данном курсовом проекте, от позиционера Eagle SAC-1000 является:
более информативный дисплей, отображающий текущую угловую
координату антенны, номер спутника, вида поляризации одновременно;
запоминание и позиционирование на 100 спутников;
В выход на двигатель, обеспечивающий большую безопасность;
меньшие габаритные размеры;
меньшая стоимость.
Из недостатков можно отметить следующие:
отсутствие пульта ДУ;
необходимость наличия дополнительного блока усиления для
управления двигателем.
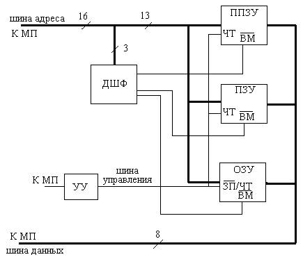
2. Описание структурной схемы микропроцессорной системы
Структурная схема микропроцессорной системы приведена на листе 3 графического
материала. Основными элементами микропроцессорной системы являются:
микропроцессор;
блок запоминающего устройства (ЗУ);
программируемый параллельный интерфейс (ПрПИ);
программируемый контроллер клавиатуры и индикации (ПККиИ);
блок клавиатуры и индикации;
конотроллер двигателя (КД);
аналого-цифровой преобразователь (АЦП);
шина адресов (ША);
шина данных (ШД);
шина управления (ШУ).
Микропроцессор - это программно управляемое цифровой устройство обработки
информации, выполненное в виде одной или нескольких интегральных микросхем. Его
отличительные свойства: экономичность изготовления как стандартного изделия в
условиях серийного производства и гибкость применения как универсального
устройства. Эти свойства способствуют широкому распространению микропроцессорных
устройств.
Модуль памяти предназначен для записи, хранения и выдачи
информации микроконтроллеру. Состоит из ОЗУ, ПЗУ и ППЗУ.
Программируемый параллельный интерфейс предназначен для
организации параллельной передачи информации различного формата и позволяет
реализовать большинство известных протоколов по параллельным каналам.
Программируемый параллельный интерфейс используется для сопряжения
микропроцессора с периферийными устройствами.
Программируемый контроллер клавиатуры и индикации
предназначен для ввода данных с клавиатуры и вывода информации на дисплей.
Блок индикации и клавиатуры является средством общения
пользователя с микро-ЭВМ и разделяется соответственно на две части: индикатор и
клавиатуру.
Аналого-цифровые преобразователи применяются в измерительных
системах и измерительно-вычислительных комплексах для согласования аналоговых
источников измерительных сигналов с цифровыми устройствами обработки и
представления результатов измерения.
Контроллер двигателя предназначен для управления направлением,
скоростью вращения маломощных двигателей постоянного тока с рабочим напряжением
3В, 5В и 12В (при непосредственном подключении), а также для диначического
торможения двигателем.
3. Разработка модулей памяти
.1 Выбор типа микросхем памяти и расчет их количества в
модулях ОЗУ, ПЗУ и ППЗУ
В модуле памяти можно выделить два блока:
Блок запоминающего устройства (ЗУ);
Блок управления и распределения адресов по микросхемам
памяти, сигналов управления от МП (БУ).
БУ должен обеспечивать: выбор микросхемы памяти и ячейки
памяти в ней в соответствии с сигналами, поступившими на ША; в зависимости от
управляющих сигналов МП приём по ШД сигналов и сохранение их в микросхемах
памяти или чтение содержимого выбранной ячейки памяти и передача его по ШД.
На основе принятой структуры модуля памяти и принципов его
работы составим структурную схему.
Рисунок 3.1 - Структурная схема модуля памяти
Необходимо разработать блок ЗУ емкостью ОЗУ - 16 Кбайт, ПЗУ - 24 Кбайт,
ППЗУ - 20 Кбайт и форматом выходных данных в 8 бит.
Требуемое число микросхем для построения блока ЗУ определяется в
соответствии выражением:
где
- число групп микросхем с одинаковым адресом в
адресном пространстве блока ЗУ,
-
число микросхем в группе.
таким образом, при данной организации ЗУ общее количество испозованных
микросхем памяти равно 8-ми. При этом построении ЗУ часть ППЗУ остается
неипользуемой, но в то же время был создан т.н. «запас прочности» - в
перспективе возможно усовершенствование, улучшение или добавление новых
возможностей в программную часть МП системы без замены аппаратной части, что
является её несомненным плюсом.
Для построения блоков ЗУ требуемой емкости по справочной литературе
выбираем микросхемы:
ОЗУ - HM6264 (8К×8) - 2 микросхемы;
ПЗУ - M27C64A (8К×8) - 3 микросхемы;
ППЗУ - AT28C64 (8К×8) - 3 микросхемы.
ОЗУ предназначены для записи, хранения и считывания двоичной
информации. Структурная схема представлена на рисунке 2. ОЗУ можно разделить на
2 типа: статические и динамические. В накопителях статических ОЗУ применяются
триггерные элементы памяти. В ОЗУ динамического типа запоминающим элементом
служит конденсатор. Динамические ОЗУ имеют ряд преимуществ по сравнению со
статистическими ОЗУ. Преимуществом статистических ОЗУ перед динамическими
является отсутствие схемы регенерации информации, что значительно упрощает
статические ЗУ, как правило, они имеют один номинал питающего напряжения.
HM6264 -
ОЗУ статического типа объемом 8192 байт, выполненная по КМОП технологии.
Микросхема функционирует полностью автономно, не требуя внешнего генератора..
ПЗУ предназначены для хранения программ, констант, таблиц, другой
информации, которая не изменяется в процессе работы устройства. Структурная
схема ПЗУ аналогична структурной схеме ОЗУ, за исключением отсутствия
устройства записи, т.к. после программирования ПЗУ, информация из него только
считывается. Выбор типа ПЗУ во многом определяется не только электрическими
параметрами этой большой ИС, но и способами её программирования. ПЗУ могут
программироваться, как у потребителя, так и на предприятии-изготовителе.
Рисунок 3.2 - Структурная схема ОЗУ
Использованная в данном проекте M27C64A - электрически программируемая
микросхема ПЗУ с организацией 8192 байт по 8 бит.
ППЗУ бывают однократнопрограммируемые и репрограммируемые. Последние, в
свою очередь, делятся на 2 группы: РПЗУ с записью и стиранием электрическими
сигналами (группа ЭС) и РПЗУ с записью электрическими сигналами и стиранием
ультрафиолетовым излучением (группа УФ). Основная отличительная способность
РПЗУ в их способности к многократному (от 100 до 10000) перепрограммированию
самим пользователем.
Помимо вышеперечисленных видов ППЗУ существуют новые перспективные виды
энергонезависимой памяти, такие как флэш-память, FRAM, а также MRAM. Каждая из
них имеет свои преимущества и недостатки. Флэш-память позволяет практически
бесконечно хранить записанную информацию без необходимости проведения циклов
регенерации, которые необходимы для DRAM. MRAM, новый вид магниторезистивной
памяти, продвигаемый на рынок фирмой Infineon Technologies AG, направлен на
продвижение энергонезависимой памяти в компьютерах и мобильных устройствах.
Принцип действия этого вида памяти основан на зависимости сопротивления
материала от приложенного магнитного поля. Все эти и многие другие преимущества
вобрал в себя новый вид ферроэлектрической памяти. FRAM умело сочетает простоту
и надежность в эксплуатации DRAM, энергонезависимость MRAM и времена хранения
информации флэш-памяти. Поскольку она включает практически все преимущества
перечисленных видов памяти, то по праву может называться будущим современных
технологий памяти. Негативным свойством ячейки ферромагнитной памяти является
то, что, после чтения содержимого, данные в ней перестают сохраняться. То есть,
после чтения ячейки, в ней необходимо обновить значение поляризации. Стоимость
же FRAM в настоящее время находится на том же уровне и даже
меньше, чем стоимость РПЗУ.
Микросхема именно ферромагнитной памяти была использована для
построения блока ППЗУ.- энергонезависимая память, построенная по ферромагнитной
технологии. Она позволяет сохранять данные в течении 10 лет без регенерации
содержимого и обеспечивает примерно 1012 циклов записи/чтения. 64 Кбит её
памяти организованы как 8192 слов по 8 бит. Микросхема обеспечивает время
доступа 120 нс при низком уровне рассеиваемой мощности.
3.2
Распределение линий адреса
Вся совокупность линий адреса разделяется на три множества
. Линии шины адреса, входящие в данные множества,
имеют следующие значения:
-
множество разрядов шины адреса, подключаемых непосредственно к адресным входам
микросхем ЗУ;
-
множество разрядов шины адреса, подключаемых к входам дешифратора адреса для
выбора каждой группы микросхем;
,
-
множество разрядов шины адреса, подключаемых к входам элемента ИЛИ для
блокирования дешифратора адреса, либо к входам схемы смещения базового адреса
блока ЗУ;
где
- число разрядов шины адреса.
3.3 Выбор дешифратора адреса
Поскольку в данный блок ЗУ входит восемь микросхем, то для их
выбора необходимо использовать восемь адресов, для кодирования которых изпользуются
разряды 11, 12 и 13 шины адреса, подаваемые на дешифратор. В качестве
дешифратора используем микросхему HD74LS138, имеющего 3 адресных входа, 8
инверсных выходов и 3 входа разрешения G1, G2A, G2B. Таблица истинности дешифратора
приведена в таблице 3.1. Блок памяти включается на чтение или запись только в
случае, когда отвутствуют сигналы на линиях А14 или А15 шины адреса. При
отсутствии сигналов на линиях А14 и А15 включается дешифратор, который выбирает
в зависимости от комбинации сигналов на линиях А11-А13 шины адреса одну из
микросхем ЗУ.
Таблица 3.1 - Таблица истинности дешифратора
H - высокий уровень; L - низкий уровень; Х - не важно *G2 = G2A + G2B
.4
Расчет нагрузочной способности модуля памяти
При проектировании адресной шины и шины данных необходимо
оценить величину токовой нагрузки, т.к. они связаны со множеством устройств,
подключенных параллельно. Если для адресной шины и шины данных характерен ток,
по величине превосходящий допустимое значение на выходе МП, то такую линию
необходимо буферировать.
a)
Расчет
адресной шины:
Для микропроцессора максимально допустимая нагрузка на
адресной линии составляет:
вых L=0,45 ВIвых L=2 мА
Uвых H=2,4 ВIвых H=400 мкА
для регистра 1821ИР82:
Iвх Н=20
мкАIвх H
=8
20=160
мкА < 400 мкА
Iвх L=0,1 мАIвхL
=8
0,1=0,8
мА < 2 мА
Таким образом входной ток микросхемы 1821ИР82 не является большим для
МП 1821ВМ85.
Теперь проверим, обеспечивается ли нагрузочная способность для
элементов схемы, которые являются адресной информации.
вх L=Iвх Н=20 мкА - для ОЗУ
Iвх L=Iвх Н=10 мкА - для ПЗУ
Iвх L=Iвх Н=14 мкА - для устройства в/в.
Iвх L
=Iвх Н
=8
20+8
10+2
14=268
мкА < 2,6 мА
Iвх L=24 мАдля 1821ИР82
Iвх
Н=2,6 мА
a)
Расчет
шины данных.
Для микропроцессора максимально допустимая нагрузка на шине
данных составляет:
выхL=2 мАUвых L=0,45 В
Iвых H=400 мкА UвыхH=2,4 В
для 1821ВА86:
Iвх L=0,1 мАIвх L
=8
0,1=0,8
мА
Iвх Н=20
мкА Iвх Н
=8
20=160 мкА
Выходной ток МП является большим, чем входной ток микросхемы 1821ВА86,
а значит обеспечивается нагрузочная способность по току.
Проверим, обеспечивается ли микросхемой 1821ВА86 нагрузочная информация
для элементов схемы, которые являются «потребителями» информации о данных.
3.5 Распределение адресного пространства, карта
памяти. Распределение модулей программ
Распределение микросхем памяти по адресам приведено в таблице
3.2, карта памяти - в таблице 3.3.
Таблица 3.2 - Распределение микросхем памяти по адресам
|
Микросхема
(обозначение на принципиальной схеме)
|
Занимаемые адреса
|
Объем
|
|
ОЗУ DD1
|
0000h - 1FFFh
|
8 Кбайт
|
|
ОЗУ DD2
|
2000h - 3FFFh
|
8 Кбайт
|
|
ПЗУ DD3
|
4000h - 5FFFh
|
8 Кбайт
|
|
ПЗУ DD4
|
6000h - 7FFFh
|
8 Кбайт
|
|
ПЗУ DD5
|
8000h - 9FFFh
|
8 Кбайт
|
|
ППЗУ DD6
|
A000h - BFFFh
|
8 Кбайт
|
|
ППЗУ DD7
|
C000h - DFFFh
|
8 Кбайт
|
|
ППЗУ DD8
|
E000h - FFFFh
|
8 Кбайт
|
Таблица 3.3 - Карта памяти
|
Область памяти
|
Занимаемые адреса
|
|
ОЗУ
|
0000h - 3FFFh
|
|
ПЗУ
|
4000h - 9FFFh
|
|
ППЗУ
|
A000h - FFFFh
|
Рабочая программа состоит из трех модулей: M1 - 1к, М2 - 5к и библиотеки
подпрограмм - 2к.
Модули при распаковке рабочей программы должны быть размещены
в памяти (ОЗУ) в последовательности, соответствующей объему. Подпрограмма
обслуживания прерываний включена в библиотеку подпрограмм под соответствующим
прерыванию номером. Объем памяти, отводимый под каждую подпрограмму
обслуживания прерываний - 128 байт.
Модуль, имеющий больший объем, является исполнительным
модулем, обеспечивающим выполнение микропроцессорной системой заданных функций
управления и контроля.
Модуль №1 - М2
Модуль №2 - М1
Модуль №3 - Библиотека подпрограмм
Начальный адрес модуля программы вычисляется по формуле:
где
- базовый (начальный) адрес блока ОЗУ,
- номер варианта в шестнадцатеричном виде.
Вычислим начальный адрес модуля №1:
Следовательно, для модуля №1 директивой ORG
должен быть задан адрес 2900Н.
Вычислим начальный адрес модуля №2:
В любом модулеминимальный физический адрес выражается нулем,
максимальный - числом
, где
-
число необходимых адресных линий шины адреса. Для
объема памяти, отводимого под модуль №1 требуется 13 линий. Старший
(максимальный) адрес представляется числом:
С учетом размещения модуля программы и смещения получим для первого
модуля:
Младший адрес -
Старший адрес -
Следовательно, начальный адрес модуля №2 -
Вычислим начальный адрес модуля №3:
Для объема памяти, отводимого под модуль №2 требуется 10 линий.
Старший (максимальный) адрес представляется числом:
С учетом размещения модуля программы и смещения получим для второго
модуля:
Младший адрес -
Старший адрес -
Следовательно, начальный адрес модуля №3 -
Конечный адрес модуля №3 -
3.6 Построение временных диаграмм циклов обмена по
магистрали микропроцессора
.6.1 Временные диаграммы циклов обмена с ОЗУ
Рисунок 3.3 - Временная диаграмма чтения из ОЗУ
Таблица 3.4 - Параметры временных задержек при чтении
Рисунок 3.4 - Временная диаграмма цикла записи в ОЗУ
Таблица 3.5 - Параметры временных задержек при записи

3.6.2 Временные диаграммы циклов обмена с ПЗУ
Рисунок 3.5 - Временная диаграмма чтения из ПЗУ
Таблица 3.6 - Параметры временных задержек чтения из ПЗУ
3.6.3 Временные диаграммы циклов обмена с ППЗУ
Рисунок 3.6 - Временная диаграмма цикла чтения из ППЗУ
Таблица 3.7 - Параметры временных задержек при чтении.
модуль память микросхема микропроцессор
Рисунок 3.7 - Временная диаграмма цикла записи, управляемого фронтом
сигнала
в ППЗУ.
Рисунок 3.8 - Временная диаграмма цикла записи, управляемого фронтом
сигнала
в ППЗУ.
Таблица 3.8 - Параметры временных задержек при записи.
4. Описание принципиальной схемы
.1 Микропроцессор КМ1821ВМ85
Изобилие различных типов МП может создать для конструктора
настоящую проблему. В этой главе сосредоточено внимание на широко известном МП
КМ1821ВМ85 (Intel 8085), который является улучшенным вариантом известного
процессора КР580ВМ80 (Intel 8080). Он имеет такую же систему команд, но имеет ряд
аппаратурных усовершенствований, упрощающих его применение в конкретных
устройствах. Например, для работы МП КР580ВМ80 требуется три напряжения питания
и два поступающих извне тактовых сигнала с уровнем 12 В и точно выдержанной
задержкой между ними. В результате этого появляются большие неудобства при
использовании МП КР580ВМ80. Хотя более современные МП уже оставили позади МП
КМ1821ВМ85, он пригоден для решения большинства задач и остается популярным
из-за своей низкой стоимости и широко распространенного знакомства
пользователей с системой команд оригинального МП КР580ВМ80.
На рисунке 9 показана структурная схема ЦП КМ1821ВМ85.
ЦП организован вокруг своей внутренней шины данных, с которой
соединены накопитель, арифметико-логическое устройство, регистр кода операций и
содержащий 8-битовые и 16-битовые регистры массив регистров.
Хотя ЦП КМ1821ВМ85 это 8-битовая ЭВМ, 16-битовые регистры
нужны для адресации памяти (можно адресовать 65536 ячеек).Микропроцессор
содержит устройство управления и синхронизации, которые дирижируют движением
сигналов во внутренней шине данных и по внешним линиям управления в
соответствии с выходными сигналами дешифратора кода операций. Для него
требуется источник питания с напряжением 5 В.
Микропроцессор имеет двенадцать адресуемых 8-битных
регистровых пар. Ещё шесть могут быть использованы как 8-битные регистры или
как 16-битные регистровые пары. Регистры МП имеют следующее назначение:
Таблица 4.1 - Назначение регистров МП
|
Обозначение
|
Регистр
|
Содержимое
|
|
АCC или А
|
Аккумулятор
|
8 бит
|
|
РС
|
Счетчик команд
|
16-бит адрес
|
|
ВС, DЕ, HL
|
Регистры общего
назначения; указатель данных (HL)
|
8-бит ×
6 16-бит × 3
|
|
SP
|
Указатель стека
|
16-бит адрес
|
|
Flag или F
|
Регистр флагов
|
5 флагов (8-бит
пространство)
|
Рисунок 4.1 - Принципиальная схема
В МП использована мультиплекированная шина данных. Адрес
передается по двум шинам: старший байт адреса - по шине адреса, а младший байт
адреса - по шине данных. В начале каждого машинного цикла младший байт адреса
поступает на ШД. Этот младший байт может быть зафиксирован в любом 8-разрядном
фиксаторе посредством подачи сигнала отпирания фиксатора адреса (ALE). В остальное время машинного цикла
шина данных используется для передачи данных между ЦП и памятью или
устройствами ввода/вывода.
ЦП вырабатывает для шины управления сигналы
,
,
S0, S1 и IO/М. Кроме того, он же
выдает сигнал подтверждения прерываний INTA.
Сигнал HOLD и все прерывания синхронизируются с помощью
внутреннего генератора тактовых импульсов. Для обеспечения простого
последовательного интерфейса в МП предусмотрены линия последовательного ввода
данных (SOD). МП имеет всего 5 входов для подачи сигналов
прерываний: INTR, RST5.5, RST6.5, RST7.5. и TRAP.
Сигнал INTR имеет такое же назначение, как и сигнал INT в МП КР580ВМ80. Каждый из входов RST5.5, RST6.5, RST7.5. может программно маскироваться.
Прерывания по входу TRAP не может быть маскировано. Если маска
прерываний не установлена, то на указанные маскируемые прерывания МП будет
реагировать, помещая при этом содержимое счетчика команд в стек и переходя к
выполнению программы, адрес которой определяется вектором реестра.
Таблица 4.2. Характеристика ЦП
|
Название
|
Приоритет
|
Адрес памяти
исполняемый при прерывании
|
|
TRAP
|
24H
|
|
RST 7.5
|
2
|
3CH
|
|
RST 6.5
|
3
|
34H
|
|
RST 5.5
|
4
|
2CH
|
|
INTR
|
5
|
*
|
* зависит от инструкции в процессоре при подтверждении
прерывания
Так как прерывание TRAP не может быть маскировано, при появлении запроса прерывания
на этом входе микропроцессор будет всегда переходить к выполнению программы,
указанной вектором реестра.
Входы сигналов прерываний RST5.5, RST6.5 чувствительны к уровню сигнала,
вход RST7.5 чувствителен к переднему
фронту сигнала. Значит по входу RST7.5 достаточно подать импульс, чтобы генерировать запрос на прерывания.
Каждому прерыванию записан некоторый постоянный приоритет: сигнал TRAP имеет наивысший приоритет, затем
идут сигналы RST7.5, RST6.5, RST5.5, сигнал INTR имеет низший приоритет.
Прямой доступ к памяти в МП КМ1821ВМ85 обеспечивается
следующим образом:
На вход HOLD нужно подать уровень логической «1».
Когда МП
подтверждает получение сигнала HOLD, выходная линия HLDA МП переводится в состояние логической «1». Перевод этой линии в
состояние логической «1» означает, что МП прекратил управление АШ, ШД и шиной
управления.
Для реализации режима ожидания необходимо на вход READY МП КМ1821ВМ85 подать уровень
логического «0». Это необходимо, когда время реакции памяти или устройства ввода/вывода
больше, чем время цикла команды.Каждая команда МП состоит из одного, двух или
трех байтов, причем первый байт это КОП команды. КОП определяет природу
команды, по КОПу ЦП определяет, нужны ли дополнительные байты и если да, ЦП их
получит в последующих циклах. Поскольку байт КОПа состоит из 8 бит, может
существовать 256 разных КОПов, из числа которых МП КМ1821ВМ85 использует 244.
Основная последовательность действий при выполнении любой
команды такова:
Микропроцессор выдает в память адрес, по которому хранится
код операции команды.
Код операции читается из памяти и вводится в микропроцессор.
Команда дешифруется процессором.
Микропроцессор настраивается на выполнение одной из основных
функций в соответствии с результатами дешифрации считанного кода операции.
Фундаментальной и отличительной особенностью использования МП
при проектировании устройств заключается в следующем: синхронизация всех
сигналов в системе осуществляется схемами, входящими в состав кристалла
микропроцессора.
Скорость выполнения команд зависит от тактовой частоты.
Максимальная тактовая частота равна 5 МГц. В этом случае длительность одного
машинного такта приблизительно равна 200 нс, а требуемое время доступа к памяти
- около 525 нс, что соответствует облегченному режиму для МОП памяти.
4.2 Адресная шина микропроцессора КМ1821ВМ85
В МП КМ1821ВМ85 используется принцип «временного мультиплексирования»
функций выводов, когда одни и те же выводы в разные моменты времени
представляют разные функции. Это позволяет реализовать ряд дополнительных
функций при тех же 40 выводах в корпусе МП. Восемь мультиплексированных выводов
играют роль шины данных, либо младших разрядов адресной шины. Необходимо
«фиксировать» логические состояния выводов AD0
AD7 МП в
моменты, когда они функционально представляют адресные разряды А0
А7. Для этого необходимо точно знать, когда на этих
выводах отображается адресная информация. В корпусе МП существует специальный
вывод N 30, обозначенный ALE - открытие
фиксатора адреса, сигнал на котором в нормальном состоянии соответствует
логическому «0». Если информация на выводах AD0
AD7 (N 12
19), является адресной А0
А7, то ALE переводится в состояние логической «1». При
перехода ALE из состояния логической «1» в состояние
логического «0» информация на AD0
AD7 должна быть зафиксирована. Отметим что для
стробирования адресной информации от МП может быть использован любой фиксатор.
Единственная предосторожность, которую необходимо соблюдать при использовании
фиксаторов, заключается в согласовании нагрузки по току для выводов AD0
AD7 МП
КМ1821ВМ85 и входов фиксатора во избежание их перегрузки, т.е. необходимо
убедиться, что ток на входе используемого фиксатора не является слишком большим
для МП. В качестве фиксатора будем использовать регистр, тактируемый сигналом ALE от микропроцессора. Регистр - это линейка из нескольких триггеров.
Можно предусмотреть логическую схему параллельного отображения на выходах
состояния каждого триггера. Тогда после заполнения регистра от параллельных
выводов, по команде разрешения выхода, накопленное цифровое слово можно
отобразить поразрядно сразу на всех параллельных выходах.
Для удобства поочередной выдачи данных от таких регистров (буферных
накопителей) в шину данных процессора параллельные выходы регистров снабжаются
выходными буферными усилителями, имеющими третье, разомкнутое Z состояние.
Из множества регистров различных серий свой выбор я остановил на
регистре КМ1821ИР82.
Микросхема КМ1821ИР82 - восьмиразрядный адресный регистр - защелка
отображения данных, выходные буферные усилители которого имеют третье Z -состояние. Пока
напряжение на входе №11 высокого уровня, данные от параллельных входов
отображаются на выходах. Подачей на вход № 11 напряжения низкого уровня,
разрешается запись в триггеры нового восьмибитового байта. Если на вход № 1
подать напряжение высокого уровня, выходы микросхемы переходят в 3-е Z состояние.
Таким образом, с помощью микросхемы КМ1821ИР82 мы фиксируем адресную
информацию, поступающую от МП. Условно-графическое обозначение регистра
КМ1821ИР82 показано на рисунке 4.2.
Рисунок 4.2 - Условно-графическое обозначение регистра КМ1821ИР82
4.3 Шина данных микропроцессора КМ1821ВМ85
Шина данных в отличие от шины адреса является
двунаправленной. Значит необходимо предусмотреть буфер, который по соответствующим
сигналам управления от МП будет пропускать данные как к МП так и от него. В
качестве двунаправленного буфера будем использовать микросхему КМ1821ВА86.
Микросхема КМ1821ВА86 - двунаправленные 8-разрядные шинные
формирователи, предназначенные для обмена данными, предназначенные для обмена
данными между микропроцессором и системной шиной; обладают повышенной
нагрузочной способностью. Микросхема КМ1821ВА86 - формирователь без инверсии и
с тремя состояниями на выходе. УГО КМ1821ВА86 показано на рисунке 4.3. В
качестве управляющих сигналов будем использовать сигналы ALE (подключен к входу
);
S0 (подключен к входу T).
Низкий уровень сигнала ALE означает, что в данный момент используется
шина данных и выходы микросхемы выходят из третьего высокоимпедансного
состояния. Высокий уровень сигнала S0 означает что МП
производит запись в память или устройство в/в и шинный формирователь
переключатся на передачу данных со входов А на выходы В. А при низком уровене -
наоборот:S0 = «0» направление передачи информации В
А, аS0 = «1» направление передачи информации А
В
Рисунок 4.3. - Условно-графическое обозначение регистра КМ1821ВА86
4.4 Генератор тактовых импульсов микропроцессора
КМ1821ВМ85
Схема генератора тактовых импульсов микропроцессора
КМ1821ВМ85 содержится в самом микропроцессоре. Достаточно подключить кварцевый
резонатор к выводам № 1 и № 2 МП. Кварцевый резонатор может иметь любую частоту
колебаний в диапазоне от 1 до 6 МГц. Эта частота делится пополам, и
соответствующие импульсы используются в МП. На рисунке 4.4 показана схема
подключения кварцевого резонатора, в результате чего обеспечивается
синхронизация МП КМ1821ВМ85.
Рисунок 4.4 - Схема подключения кварцевого резонатора
4.5 Устройство ввода-вывода
Для МП КМ1821ВМ85 специально разработана БИС для ввода-вывода
параллельной информации КМ1821ВВ55. Вот почему свой выбор и остановил именно на
этой микросхеме. УГО КМ1821ВВ55 показано на рисунке 4.5.
КМ1821ВВ55 - программное устройство ввода-вывода параллельной
информации, применяется в качестве элемента ввода-вывода общего назначения,
сопрягающего различные типы периферийных устройств с магистралью данных систем
обработки информации.
Рисунок 4.5 - Блок схема устройства ввода-вывода КМ1821ВВ55.
Обмен информацией между магистралью данных систем и
микросхемой 580ВВ85 осуществляется через 8 разрядный двунаправленный
трехстабильный канал данных. Для связи с периферийными устройствами
используется 24 линии В/В, сгруппированные в три 8 разрядных канала ВА, ВВ, ВС,
направление передачи информации и режимы работы которых определяются
программным способом.
1-4; 37-40: ВА3 - ВА0; ВА7
ВА4
- входы/выходы - информационный канал А.
17
- ВС7
ВС0 - входы/выходы - информационный канал С.
25
- ВВ0
ВВ7 - входы/выходы - информационный канал В.
Рисунок 4.6
5 -
- вход - чтение.
-
- вход - выбор кристалла.
- GND - общий.
,9 - А0, А1 - вход - младший разряд адреса
- Uсс - питание.
- SR - вход-установка исходного состояния.
-
- вход - запись.
Микросхема может функционировать в 3-х основных режимах.В режиме 0
обеспечивается возможность синхронной программно управляемой передачи данных
через 2 независимых 8 разрядных канала ВА, ВВ и два 4 разрядных канала ВС.
В режиме 1 обеспечивается возможность ввода или вывода
информации в/из периферийного устройства через 2 независимых 8 разрядных канала
ВА, ВВ по сигналам квитирования.
При этом линии канала С используются для приема и выдачи
сигналов управления обменом.
В режиме 2 обеспечивается возможность обмена информацией с
периферийными устройствами через двунаправленную 8 разрядную шину ВА по
сигналам квитирования. Для передачи и приема сигналов управления обменом
используются 5 линий канала ВС.
Выбор соответствующего канала и направление передачи информации через
канал определяется сигналами А0, А1 и сигналами
,
,
.
Режим работы каждого из каналов ВА, ВВ, ВС определяется содержимым регистра
управляющего слова (РУС). Производя запись управляющего слова в РУС можно
перевести микросхему в один из 3-х режимов работы: режим 0-простой ввод/вывод;
режим 1-стробируемый ввод/вывод; режим 2-двунапрвленный канал. При подаче
сигнала SR РУС устанавливается в состояние, при котором
все каналы настраиваются на работу в режиме 0 для ввода информации. Режим
работы каналов можно изменить как в начале, так и в процессе выполнения
работающей программы, что позволяет обслуживать различные периферийные
устройства в определенном порядке одной микросхемой. При изменении режима
работы любого канала все входные и выходные регистры каналов и триггеры
состояния сбрасываются.
В дополнение к основным режимам работы микросхема обеспечивает
возможность программно независимой установки в «1» и сброса в «0» любого из
разрядов регистра канала ВС.
Если микросхема запрограммирована для работы в режиме 1 или 2, то через
выводы ВС0
ВС3 канала ВС выдаются сигналы, которые могут
использоваться как сигналы запросов прерываний для МП. Эта особенность
микросхемы позволяет программно реализовать разрешения или запрет в
обслуживании любого внешнего устройства ввода/вывода без анализа запроса
прерывания в схеме прерывания системы.
В нашем случае необходимо запрограммировать микросхему 1821ВВ55 на
вывод информации в режиме 0. Вот почему далее будет рассмотрен только этот
режим.
При работе микросхемы в режиме 0 обеспечивается простой ввод/вывод
информации через любой из 3-х каналов и сигналов управления обменом информацией
с периферийными устройствами не требуется. В этом режиме микросхема
представляет собой совокупность 2-х 8 разрядных и 2-х 4 разрядных каналов ввода
или вывода. В режиме 0 возможны 16 различных комбинаций схем ввода/вывода
каналов ВА, ВВ, ВС. Это определяется комбинациями в разрядах D4; D3; D1; D0 регистра управляющего слова.
Для электрического соединения микросхемы 1821ВВ55 и схемы управления
необходимо:
шину данных D0
D7 схемы управления соединить с выводами D0
D7
микросхемы 1821ВВ55;
Два младших разряда адресной шины соединить с выводами A0
A1
микросхемы 1821ВВ55.
Выводы
,
микропроцессора КМ1821ВМ85 соединить с выводами
,
микросхемы
1821ВВ55 соответственно;
На вход SR «Установка в исходное состояние» микросхемы
1821ВВ55 подать низкий уровень (подключить к корпусу).
4.6 Интерфейсное устройство
В микропроцессорном комплекте КР580 для ввода информации с
клавиатуры и выводы информации на внешний дисплей предусмотрено специальное
устройство - микросхема ввода-вывода КР580ВВ79. Это же устройство было использовано
мною для МП 1821ВМ85.
Микросхема КР580ВВ79 - программируемое интерфейсное
устройство, предназначено для ввода к вывода информации в системах. выполненных
на основе 8- и 16-разрядных микропроцессоров КР580ВМ80А и КМ1821ВМ85. Кроме
того, микрохема может применяться и как самостоятельное устройство при
выполнении требований, предъявляемых к электрическим и временным параметрам.
Микросхема состоит из двух функционально автономных частей: клавиатурной и
дисплейной. Клавиатурная часть обеспечивает ввод информации в микросхему через
«линии возврата» RET7 - RET0 с клавиатуры (клавиатурная матрица
объемом 8 слов × 8 разрядов с возможностью расширения до
4×8 слов × 8 разрядов) и матрицы датчиков (8 слов ×
8 разрядов), а
также ввод по стробирующему сиг-налу (8 слов ×
8 разрядов). Для
хранения вводимой информации в микросхеме предусмотрен обратный магазин -
оперативное запоминающее устройство (ОМ-ОЗУ) емкостью 8 байт. Последний
работает по принципу «первый вошел - первый вышел».
При наличии информации в ОМ-ОЗУ микросхема вырабатызает
сигнал «Запрос прерывания» INT, а в случае ввода или чтения более восьми символов - сигналы (флаги)
переполнения или переопустошения.
В клавиатурной части микросхемы предусмотрен специальный
режим обнаружения ошибок при замыкании двух и более клавиш, а также введена
схема устранения дребезга при замыкании - размыкании клавиши.
Клавиатурная часть может сопрягаться с любой клавиатурой типа
клавиатуры пишущей машинки, произвольным набором переключателей и др.
Дисплейная часть микросхемы обеспечивает вывод информации по
двум 4-разрядным каналам DSPA3-DSPA0 и DSPB3-DSPB0 в виде двоичного кода на 8- и
16-разрядные цифровые или алфавитно-цифровые дисплеи. Для хранения информации,
подлежащей отображению в микросхеме, имеется оперативное запоминающее
устройство отображения объемом 16 слов × 8 разрядов, которое также можно
использовать как два устройства объемом по 16 слов ×
4 разряда, одно
устройство объемом 16 слов × 4 разряда или одно устройство
объемом 8 слов × 8 разрядов. Информация на дисплей может
выводиться слева направо без сдвига или справа налево со сдвигом.
Микросхема позволяет отображать информацию на всех типах
дисплеев (дисплеи накаливания, со светоизлучающими диодами, ЖКИ и др.).
Программирование режимов работы, запись информации в ОЗУ
отображения, чтение информации из ОМ-ОЗУ отображения, а также чтение
внутреннего состояния микросхемы осуществляются через 8-разрядный
дзунаправ-ленный канал данных D7-D0 при подаче соответствующих
управляющих сигналов. Микросхема обеспечивает также формирование кодированных
или дешифрованных интерфейсных сигналов сканирования S3-S0 клавиатуры и дисплея, а также
сигнала для межразрядного гашения BD информации на дисплее. Наличие выходной линии запроса
прерывания INT и режима чтения внутреннего
состояния позволяют использовать данную микросхему в системах с прерыванием
и'последовательным опросом внешних устройств. Микросхема допускает
одновременное выполнение функций ввода/вывода и рассчитана по выводу INT на прямое подключение к шинам
микропроцессоров КР580ВМ80А, КМ1810ВМ86 и КМ1821ВМ85.
Применение микрохемы КР580ВВ79 в системах позволяет полностью
оезободить микропроцессор от операций сканирования клавиатуры и регенерации
отображения на дисплее. Условное графическое обозначение микросхемы приведено
на рисунке 4.7.
Рисунок 4.7 - Условное графическое обозначение микросхемы
4.7 Аналого-цифровой преобразователь
В данной микропроцессорной системе необходимо получать и
обрабатывать аналоговый сигнал.Для этого аналоговый сигнал необходимо
преобразовать в цифровую форму, в которой МП будет иметь возможность её
обрабатывать. Для этой цели используется аналого-цифровой преобразователь, или
сокращенно АЦП.
Различным методам построения АЦП соответствую устройства,
различающиеся по точности, быстродействию, помехозащищенности, сложности
реализации. Одним из наиболее распространённых является метод поразрядного
уравновешивания, называемый также методом последовательного приближения. В АЦП,
построенном этим методом, код в регистре результатов меняется так, чтобы
обеспечить по возможности быстрое уравновешивание входного напряжения или тока
напряжением или током, получаемым с выхода ЦАП, присоединенного к упомянутому
регистру. Уравновешивание начинается со старшего разряда. В этом разряде
вначале устанавливается единица и оценивается знак разности преобразуемого
сигнала и уравновешивающего сигнала, формируемого в ЦАП. Если выясняется, что
уравновешивающий сигнал меньше преобразуемого, то установленная в старшем
разряде единица в дальнейшем сохраняется, а если больше - то то единица
сбрасывается, т.е. в дальнейшем в этом разряде будет сохраняться ноль. Далее
таким же образом проверяется , нужна ли единица в соседнем младшем разряде
регистра. И так, уравновешивание продолжается до тех пор, пока не будут
опрошены все разряды регистра, включая, самый младший. Указанная программа
уравновешивания реализуется с помощью логических цепей, входящих в состав
регистра результата, называемого в данном случае регистром последовательного
приближения. На входы этого регистра поступают тактовые импульсы и выходной
сигнал компаратора, сравнивающего преобразуемый сигнал с выхода ЦАП.
Широкое распространение однобайтных процессоров вызвало
разработку восьмиразрядных аналого-цифровых преобразователей. Таковым, в
частности является АЦП AD7819 компании Analog Devices, Inc.
Условно-графическое обозначение АЦП AD7819 показано на рисунке 16.
Время преобразования входного сигнала этим АЦП равно 4,5 мкс, ток потребления
от одного источника питания 5 В составляет всего лишь 3,5 мА в нормальном
режиме и 1 мкА в режиме пониженного энергопотребления. Максимальная
рассеиваемая мощность 17,5 мВт. АЦП может работать в автоматическом переходе в
режим пониженного энергопотребления: АЦП автоматически выключается в конце
преобразования, и включается, когда необходимо снва начать преобразование. АЦП
также может работать в высокоскоростном режиме, при котором он не выключатся
между преобразованиями. Данный АЦП обеспечивет преобразование напряжения в
диапазоне от 0 до
в двоичный код, где
-
опорное напряжение подаваемое на вход 1 АЦП, от 1,2 В до
.
-
напряжение питания, от 2,7 В до 5,5 В, подаваемое на вход 16.
Управление работой АЦП осуществляется с помощью сигналов, подаваемых на
входы
(выбор кристалла) и
(чтение).
Вход
используется в сочетании с
для включения выходов АЦП.
Когда на входе
сигнал низкого уровня, а на
подается срез, то выходы DB7-DB0 переходят из высокоимпедансного состояния и данные с АЦП передаются
на шину данных. Во время преобразования АЦП входного напряжения, на выход 7 АЦП
BUSY подается сигнал высокого уровня. Этот сигнал может
подаваться на вход прерывания МП. В зависимости от сигнала на входе
, АЦП переходит в режим пониженного энергопотребления,
либо остается включенным.
Рисунок 4.8 - Входные и выходные сигналы
4.8 Контроллер двигателя
Данная микропроцессорная система управляет положением
спутниковой антенны посредством включения-выключения двигателя, его реверса и
регулированием его скорости. Данные действия выполняются при помощи контроллера
двигателя. В данном проекте я использовал микросхему HIP4020 компании Intersil Corporation.
HIP4020 предназначена для управления направлением, скоростью вращения
маломощных двигателей постоянного тока с рабочим напряжением 3В, 5В и 12В (при
непосредственном подключении), а также диначического торможения двигателем.
Фукциональная схема приведена на рисунке 4.9.
Рисунок 4.9. - Фукциональная схема контроллера
Основные особенности данного контроллера:
максимальный ток нагрузки 0,5А;
напряжение питания от +2,5В до +15В;
ТТЛ/КМОП совместимые входы;
защита от перегрева;
защита от перегрузки по току.
5. Обоснование применения и выбор микропроцессорного комплекта (МПК)
и элементной базы
Выбор оптимального МПК для конкретного применения является наименее
решаемой из многочисленных проблем развития микропроцессорной техники. Это
определяется постоянным ростом количества МПК, расширением области их
применения, а так же отсутствием четкой методики, позволяющей сделать
однозначный выбор МПК.
Микропроцессор является функционально сложным программно управляемым
устройством, выполненным в виде БИС, и характеризуется большим количеством
параметров. Поэтому задача выбора оптимального с технической и экономической
точек зрения МПК БИС для конкретной задачи является многокритериальной.
При выборе МПК БИС важным является формирование основных требований,
предъявляемых к проектируемой аппаратуре. Аппаратура со встроенными
микропроцессорами, как правило, должна удовлетворять следующим требованиям:
работа в режиме реального времени;
повышенная надежность, помехозащищенность, простота обслуживания;
наличие фиксированного набора задач, многократно решаемых на протяжении
всего срока службы аппаратуры.
Выбор МПК БИС обычно производится с трех основных позиций:
С точки зрения разработки математического обеспечения следует
анализировать: разрядность, число и использование регистров общего назначения,
набор команд и способы адресации, наличие и организацию стека;
С точки зрения системного проектирования нужно анализировать следующие
характеристики МПК БИС: тип архитектуры МП (секционные или однокристальные) и,
как следствие этого, тип организации управления (микропрограммное или с жесткой
логикой), наличие логически совместимых БИС из других комплектов, быстродействие
МП, возможность прерывания и прямого доступа к память, наличие системы
автоматизированного проектирования МПС;
С точки зрения разработки аппаратных средств МПС необходимо учитывать:
электрическую совместимость БИС, число источников питания и рассеиваемую
мощность, размер, тип корпуса и число выводов, диапазон рабочих температур и
др.
Комплексный учет всех характеристик МПК БИС весьма затруднителен, так,
как одни характеристики относятся к МП как к интегральной схеме, а другие - как
к устройству ЭВМ или системы обработки информации.
Одной из основных характеристик, отражающих функциональные возможности
МП, может служить его разрядность. Диапазон требуемой разрядности в
микропроцессорных системах довольно широк. Так при построении
контрольно-измерительных систем и систем сбора данных довольно часто
используются 8-разрядные МП, а при построении цифровых фильтров и спектральных
анализаторов требуемая разрядность МП возрастает до 32.
Таким образом, исходя из сравнительных характеристик микропроцессорных
комплектов приведенных в [1] и учитывая необходимую разрядность
микропроцессора, а также задание на курсовое проектирование, остановим свой
выбор на микропроцессорном комплекте КМ1821.
В микропроцессорном комплекте КМ1821 центральный процессор вместе с
устройством управления реализован в виде отдельной БИС и имеет фиксированную
разрядность и встроенную систему команд.
Микропроцессорный комплект серии КМ1821 включает в себя:
микропроцессорную БИС КМ1821ВМ85; программируемое устройство ввода-вывода
параллельной информации различного формата КМ1821ВВ55; программируемый блок
приоритетного прерывания КМ1821ВН59А; программируемое устройство прямого
доступа к памяти КМ1821ВТ57; универсальный синхронно-асинхронный
программируемый приемопередатчик КМ1821ВВ51А; шинные формирователи КМ1821ВА86,
87; буферные регистры КМ1821ИР82, 83, а также другие микросхемы.
Схемы выполнены по n-МОП технологии, входные и выходные сигналы
соответствуют уровням работы ТТЛ-схем. Микро-ЭВМ, построенная на базе
комплекта, работает с тактовой частотой до 5 МГц. Схемы программируются с
помощью фиксированного набора команд микропроцессорных БИС КМ1821ВМ85.
Микропроцессорная БИС КМ1821ВМ85 представляет собой однокристальный
8-разрядный микропроцессор с двумя магистралями: однонаправленной 16-разрядной
адресной магистралью, двунаправленной 8-разрядной магистралью данных, которая
мультиплексирована с восемью младщими разрядами адресной шины.
Микропроцессорная БИС рассчитана на выполнение логических и арифметических
операций с 8-разрядными числами в двоичной и двоично-десятичной системах
счисления, а так же операций с двойной разрядностью (с 16-разрядными числами).
Помимо стандартных микросхем, входящих в МПК КМ1821, была
использована микросхема ввода-вывода КР580ВВ79 из микропроцессорного комплекта
КР580 для ввода информации с клавиатуры и выводы информации на внешний дисплей.
В качестве логических элементов, дешифраторов, используются
цифровые микросхемы серии 74HC компании Philips Semiconductors, которые изготавливают по
технологии комплементарных металло-оксидных полупроводников (КМОП) и
совместимые по уровням сиглатов с ТТЛ-микросхемами. К числу их преимуществ
относятся: высокое быстродействие, обширная номенклатура, малая потребляемая
мощность, малые габариты.
Все микросхемы ОЗУ различных произодителей в настоящее время
унифицированы и имеют практически одинаковые характеристики: быстродействие,
габаритные размеры, энергопотребление. Отличия состоят в дополнительных
возможностях встраиваемых производителями в свои микросхемы. Например, компания
Dallas Semiconductor предлагает энергонезависимые
микросхемы статического ОЗУ со встроенными полнофункциональными часами
реального времени, способные хранить информацию без источника питания в течение
не менее 10 лет. В выполняемом мною курсовом проекте, подобные дополнительные
возможности не требуются, поэтому была выбрана стандартная микросхема
статического ОЗУ HM6264
компании Hitachi America Ltd. Её основные параметры приведены в
главе 3.1 «Выбор типа микросхем памяти и расчет их количества в модулях ОЗУ,
ПЗУ и ППЗУ».
Этими же принципами я руководствовался при выборе микросхем
ПЗУ и построил блок ПЗУ на микросхемах M27C64A компании SGS-THOMSON
Microelectronics.
При построении блока ППЗУ я использовал не стандартные
микросхемы EEPROM-памяти, а новые, построенные по ферромагнитной технологии
микросхемы FRAM памяти. Данный тип памяти
сочетает быстродействие статической памяти и энергонезависимость и надежность
EEPROM-памяти. Разработчиком, патентодержателем и основным производителем FRAM памяти является компания Ramtron
International Corporation. Микросхема памяти FM1608 этой компании была
использована в данном курсовом проекте.
В данной микропроцессорной системе необходимо получать и
обрабатывать аналоговый сигнал.Для этого аналоговый сигнал необходимо
преобразовать в цифровую форму, в которой МП будет иметь возможность её
обрабатывать. Для этой цели используется аналого-цифровой преобразователь, или
сокращенно АЦП. Для данного устройства был использован АЦП AD7819 компании
Analog Devices, Inc. Это 8-разрядный АЦП напряжения в диапазоне от 0В до Vпит, обеспечивает быстрое 4,5 мкс
преобразование, требует только одного опорного напряжения, имеет низкое 10,6
мВт энергопотребление.
По данным технического задания в качестве индикатора должен
быть использован жидкокристаллический дисплей. Дисплей должен обеспечивать
индикацию текущей угловой координаты антенны, номера спутника,
вида поляризации. Для выполнения данного рода задач выбран модуль MT-10T7 производства Российской фирмы МЭЛТ,
который состоит из БИС контроллера управления и ЖК панели. Модуль позволяет
отображать 10 знакомест. Сегменты можно включать и выключать независимо друг от
друга. Модуль управляется по параллельному 4-х битному интерфейсу. Основные
технические характеристики модуля MT-10T7: Напряжение питания 5 В; потребляемый
ток 30 мкА; входное напряжение высокого уровня 2.4 ÷
5.6 В; входное
напряжение низкого уровня -0.6 ÷ 0.8 В; габаритные размеры модуля
66 x 31 мм; размер цифры 8x4 мм.
Для ввода и взаимодействия пользователя с системой управления
была выбрана клавиатура FK-3 фирмы Fastwel. FK-3 - это 16 клавишная, пылевлагозащищенная клавиатура,
является герметичной клавиатурой со степенью защиты NEMA 12. Цельное покрытие,
выполненное из резины, обеспечивает полную герметичность контактной системы и
места крепления клавиатуры на панели. Изделие оснащено средствами экранирования
от электромагнитных помех, в результате чего не нарушается целостность
экранирования системы с установленной клавиатурой. Кабель, входящий в комплект
поставки, оснащен 10 контактными соединителями. Технические характеристики
клавиатуры FK3 приведены в таблице 5.
Комплект маркировки, поставляемый с клавиатурой FK-3, состоит из 36 сменных
маркировочных элементов, которые могут устанавливаться без нарушения
герметичности клавиатуры. Из этого комплекта выбираем следующие маркировочные
элементы: «1», «2», «3», «4», «5», «6», «7», «8», «9», «0», «↑», «$», «!», «"»,«START», «ENTER».
Технические характеристики клавиатуры FK-3:
Характеристики контакта: 0.05А, 30 В (пост), резистивная
нагрузка
Максимальное напряжение: 50 В (пост. или перем.)
Максимальный ток: 100 мА
Максимальная мощность: 1.5 Вт
Напряжение пробоя: 500 V (дейст.)
Сопротивление замкнутого контакта: 2 Ом (max)
Размыкание контакта: 4мс(в среднем), 10 мс(мах)
Ресурс: 3000000 срабатываний для каждой кнопки
Сопротивление изоляции: 1000 МОм (min)
Усилие нажатия: 500 гр. (слышимый тактильный эффект)
Влажность: 0 до 98 (без конденсации)
Поверхность кнопки: полиэстер
Посадочная поверхность: нержавеющая сталь
Материал кнопочной клавиатуры: силиконовая резина
Кабель: 1м, подключаемый к 8 контактному разъему
Размер: 78.7 x 78.7 x 22 (мм)
6. Разработка программы
В данной главе приведен текст основного модуля программы.
Алгоритм этого модуля приведен на графическом листе 1 под номером 1. Данный
модуль включает в себя следующие этапы:
инициализация;
загрузка из ППЗУ номера, координат и вида поляризации
последнего спутника;
установка начальных значений переменных;
вызов подпрограммы управления двигателя для отображения его
текущих координат;
вызов подпрограммы обработки прерываний;
программная 5 сек. задержка.
Программа инициализации должна осуществлять распаковку
модулей программы из ПЗУ и ППЗУ в ОЗУ, настройку векторов прерывания, передачу
управления рабочей программе.
Программа инициализации находится в начале адресного
пространства ПЗУ с адреса 4000H.
Модуль №1 (рабочая программа) занимает 5 кб и размещается в
ПЗУ с адреса 5000H по 63FFH. Модуль №1 должен быть распакован в
ОЗУ с адреса 2900H по 3CFFH.
Модуль №2 занимает 1 кб и размещается в ПЗУ с адреса 8000H. Модуль №2 должен быть распакован в
ОЗУ с адреса 3D00H по 40FFH.
Модуль №3 (библиотека подпрограмм) занимает 2 кб и
размещается в ПЗУ с адреса 9000H по 97FFH. Модуль №3 должен быть
распакован в ОЗУ с адреса 4100H по 48FFH.
В модуле №3 содержатся подпрограммы обработки прерываний. Под
каждую подпрограмму обслуживания прерывания отводится 128 байт. Следовательно,
начальные адреса подпрограмм обслуживания прерываний 1 - 9000H; 2 - 9080H; 3 - 9100H.
Прерывания на МП поступают на вход RST7.5. При поступлении фронта сигнала
на этот вход, МП начинает выполнять команду по адресу 2Ch. Поэтому в ячейке пямяти 2Сh должна располагаться команда
перехода на подрограмму обработки прерываний.
Текст программы
|
|
;инициализация
программы
|
|
|
;распаковка модуля №1
|
|
ORG4000h
|
|
|
LXI B,5000h
|
;Начальный адрес в ПЗУ
|
|
LXI D,2900h
|
;Начальный адрес
памяти для распаковки
|
|
LDAX B
|
(A) ß ((BC))
|
|
LXI H,3D00h
|
((HL)) ß (3D00h)
|
|
cycle1:
|
STAX D
|
((DE)) ß (A)
|
|
INX B
|
(BC) ß (BC) + 1
|
|
INX D
|
(DE) ß (DE) + 1
|
|
LDAX D
|
(A) ß ((DE))
|
|
CMP M
|
|
|
JNZ cycle1
|
Возврат на cycle1, если Z=0
|
|
|
;распаковка модуля №2
|
|
LXI B,8000h
|
Начальный адрес ПЗУ
|
|
XCHG
|
Начальный адрес
памяти для распаковки (3D00h)
|
|
LDAX B
|
(A) ß ((BC))
|
|
LXI H,4100h
|
((HL)) ß (4100h)
|
|
cycle2:
|
STAX D
|
((DE)) ß (A)
|
|
INX B
|
(BC) ß (BC) + 1
|
|
INX D
|
(DE) ß (DE) + 1
|
|
LDAX B
|
(A) ß ((BC))
|
|
CMP M
|
|
|
JNZ cycle2
|
Возврат на cycle2, если Z=0
|
|
|
;распаковка модуля №3
|
|
LXI B,9000h
|
Начальный адрес ПЗУ
|
|
XCHG
|
Начальный адрес
памяти для распаковки (4100h)
|
|
LDAX B
|
(A) ß ((BC))
|
|
LXI H,4900h
|
((HL)) ß (4900h)
|
|
cycle3:
|
STAX D
|
((DE)) ß (A)
|
|
INX B
|
(BC) ß (BC) + 1
|
|
INX D
|
(DE) ß (DE) + 1
|
|
LDAX B
|
(A) ß ((BC))
|
|
CMP M
|
|
|
JNZ cycle3
|
Возврат на cycle3, если Z=0
|
|
JMP 2900h
|
;передача
управления рабочей программе
|
|
|
|
|
ORG 2900h
|
|
|
angle:
|
EQU 2000h
|
;установка
начальных
|
|
direct:
|
EQU 2001h
|
;значений
переменных
|
|
stop:
|
EQU 2002h
|
|
|
scan:
|
EQU 2003h
|
|
|
MVI A,0h
|
|
|
LXI B,angle
|
|
|
STAX B
|
|
|
LXI B,direct
|
|
|
STAX B
|
|
|
LXI B,stop
|
|
|
STAX B
|
|
|
LXI B,scan
|
|
|
STAX B
|
|
|
|
|
|
|
|
|
last:
|
EQU E000h
|
;номер последнего
спутника в ППЗУ
|
|
n:
|
EQU 2004h
|
|
|
degree:
|
EQU 2005h
|
|
|
polar:
|
EQU 2006h
|
|
|
LXI B,last
|
;загрузка номера
|
|
LXI D,n
|
;последнего
|
|
LDAX B
|
;спутника
|
|
STAX D
|
;из ППЗУ
|
|
INX B
|
|
|
LXI D,degree
|
;загрузка
|
|
LDAX B
|
;его
|
|
STAX D
|
;координат
|
|
INX B
|
|
|
LXI D,polar
|
;загрузка
|
|
LDAX B
|
;вида его
|
|
STAX D
|
;поляризации
|
|
CALL motor
|
;вызов подпрограммы управления двигателем
|
|
delay:
|
NOP
|
|
|
step1:
|
MVI C,64h
|
;цикл step1 длится
25×100=2 500 Т
|
|
step2:
|
MVI B,64h
|
;цикл step2 длится
25×100×100=250 000 Т
|
|
step3:
|
MVI A,63h
|
;цикл step3 длится
25×100×100×99=24 750 000 Т
|
|
MOV D,A
|
|
|
DCR A
|
|
|
JNZ step3
|
|
|
DCR B
|
|
|
CMP B
|
|
|
JNZ step2
|
;весь цикл delay длится 25 002 500 Т
|
|
DCR C
|
;что при
длительности 1Т=200нс
|
|
CMP C
|
;составляет 5,0005 сек
|
|
JNZ step1
|
|
|
HLT
|
|
|
JMP delay
|
|
|
|
|
|
|
;обработчик
прерываний
|
|
deadleft:
|
EQU 4100h
|
|
|
deadrght:
|
EQU 4180h
|
|
|
keyboard:
|
EQU 4200h
|
|
|
PUSH PSW
|
;Сохранение
|
|
PUSH B
|
;текущего
|
|
PUSH D
|
;состояния
|
|
PUSH H
|
;регистров
|
|
IN 10h
|
;Считывание номера прерывания
|
|
CPI 01h
|
;Идентификация прерывания
|
|
JZ irq1
|
|
|
CPI 02h
|
|
|
JZ irq2
|
|
|
CPI 03h
|
|
|
JZ irq3
|
|
|
JMP endirq
|
|
|
irq1:
|
CALL deadleft
|
;Вызов подпрограммы
обработки прерывания
|
|
JMP endirq
|
|
|
irq2:
|
CALL deadrght
|
;Вызов подпрограммы
обработки прерывания
|
|
JMP endirq
|
|
|
irq3:
|
CALL keyboard
|
;Вызов подпрограммы
обработки прерывания
|
|
endirq
|
POP H
|
;Загрузка
предыдущего
|
|
POP D
|
;состояния
|
|
POP B
|
;регистров
|
|
POP PSW
|
;из стека
|
|
JMP delay
|
;переход на
подпрограмму 5 сек. задержки
Разработка аппаратной части производилась с использованием
стандартных микросхем, выпускаемых отечественной и зарубежной промышленностью.
Была разработана программа основного модуля, вклющая в себя
следующие осовные этапы: инициализация; загрузка из ППЗУ номера, координат и вида
поляризации последнего спутника; установка начальных значений переменных; вызов
подпрограммы обработки прерываний.
В ходе работы были изучены методы построения
микропроцессорных систем на примере МП КМ1821ВМ85, способы построения,
адресации и организация памяти для данного типа микропроцессоров.
СПИСОК
ИСПОЛЬЗОВАННЫХ ИСТОЧНИКОВ
1. Микропроцессоры
и микропроцессорные комплекты интегральных микросхем: Справочник. В 2 т.
/В.-Б.Б. Абрайтис, Н.Н. Аверьянов, А.И. Белоус и др.; Под ред. В.А. Шахнова.
-М.: Радио и связь, 1988, т.1.-368с.
2. Хвощ
С.Т. и др. Микропроцессоры и микроЭВМ в системах автоматического управления.
Справочник /С.Т. Хвощ, Н.Н. Варлинский, Е.А. Попов. Под общ. ред. С.Т. Хвоща.
-Л.: Машиностроение, Ленинградское отделение, 1987, -640с.
. Токхайм
Р. Микропроцессоры: Курс и упражнения. /Пер. с англ. Под. ред. В.Н. Грасевича.
М.: Энергоатомиздат, 1987, - 336с.
. Григорьев
В.Л. Программирование однокристальных микропроцессоров. -М.: Энергоатомиздат,
1987,-288с.
. Майоров
В.Г., Гаврилов А.И. Практический курс программирования микропроцессорных
систем. -М.: Машиностроение, 1989, -279с.
. Вершинин
О.Е. Применение микропроцессоров для автоматизации технологических процессов.
Л.: Энергоатомиздат, Ленинградское отделение, 1986, -208с.
. ГОСТ
2.743-91 «Обозначения условные графические в схемах. Элементы цифровой техники»
. ГОСТ
19.701-90 «Схемы алгоритмов, программ, данных и систем. Условные обозначения и
правила выполнения»
Похожие работы на - Микропроцессоры спутниковых антенн
|