Насосы для откачивания грунтовых вод

  • Вид работы:
    Курсовая работа (т)
  • Предмет:
    Другое
  • Язык:
    Русский
    ,
    Формат файла:
    MS Word
    310,7 Кб
  • Опубликовано:
    2016-12-07
Вы можете узнать стоимость помощи в написании студенческой работы.
Помощь в написании работы, которую точно примут!

Насосы для откачивания грунтовых вод

Содержание

Введение

Основные понятия насосных установок

.1 Основные параметры и классификация насосов

.2 Основные понятия насосных установок

Грунтовые воды

.1 Грунтовые воды и их режим

.2Классификация подземных вод

Датчики аварийного уровня

.1 Аварийные насосы для откачивания грунтовых вод

.2Устройство для откачивания грунтовых вод

.3Защита и управление при эксплуатации погружных электронасосов. Автоматическое управление при работе на башню

Заключение

Список использованной литературы


ВВЕДЕНИЕ

Актуальность темы:Разработка полезных ископаемых подземным и открытыми способами характеризуется значительными притоками подземных вод. Поэтому необходимо производить комплекс сложных работ по предупреждению их поступления в карьерные выработки. Доля затрат на осушительные мероприятия в общем комплексе горных работ достигает 10-15% капиталовложений. При осушении месторождений осушительные работы имеют цель заблаговременно снизить притоки и напоры вод, а так же осуществить их плавный перевод за границы карьерного поля. Для удаления воды из карьера оборудуются сложные водоотливные установки, бесперебойная работа которых обеспечивает безопасную отработку месторождений и создает необходимые условия труда. Она определяет: тип насосных агрегатов, их производительность, режимы работы, расположение водоотливных установок по горизонтам карьера. Несоответствие между производительностью водоотливных установок и притоками вод, как правило, влечет за содой затопление рабочей зоны карьера. Причины подобных явлений в неправильном выборе оборудования водоотливной установки без учета ожидаемых притоков вод.

Во всем мире грунтовые воды являются важным источником для полива. Возможно, это самый надежный водный источник, который есть в нашем распоряжении, но и к использованию грунтовых вод нужно подходить с умом. Необходимо обеспечить возобновляемость этого ресурса, а также защиту и без того хрупкой экосистемы, частью которой мы все являемся. В отличие от поверхностных вод, которые можно "увидеть" и, вследствие этого, наглядно представить происходящие в них процессы, а также оценить их количественные запасы, грунтовые воды скрыты от нашего взора, что усложняет их оценку.

Чрезмерная откачка грунтовых вод в конечном итоге приведет к работе насоса всухую и выведет его из строя, а простой оборудования повлечет за собой дополнительные расходы, связанные как со снижением производительности, так и с ремонтом. Для защиты насосной установки от работы всухую очень важным является оценка количества воды, которое может выдавать скважина.

Чрезмерная откачка грунтовых вод.Иногда работа на максимальной нагрузке приводит к чрезмерной откачке грунтовых вод, и вместе с водой начинает откачиваться песок. Для предотвращения такой ситуации Вы может сделать следующее: Установить песочный сепаратор или специальный выдвижной (телескопический) фильтр. Это снизит содержание в воде ила и песка и послужит хорошим защитным барьером от их попадания в насос, что, в свою очередь, увеличит срок службы насоса. Обеспечить плавность включения / выключения насоса, увеличив время включения и выключения до 3 секунд. При включении насоса для откачки грунтовых вод, установленного в полном водоносном слое, в течение первых секунд насос будет работать с повышенной производительностью. При этом из-за повышенного давления всасывания произойдет "возмущение" водоносного слоя, в результате чего "поднятые" со дна ил и песок вместе с водой попадут в насос. Избежать избыточного всасывания можно увеличив время включения / выключения насоса до 3 секунд.

Если используется частотно регулируемый электропривод, то в качестве начальной частоты необходимо установить значение 25 Гц и только после этого ее увеличивать. В погружных электродвигателях с подшипниками скольжения используется естественная смазка подшипников + перекачиваемая вода, однако при частоте меньше 25 Гц такая смазка будет невозможной. Для защиты от попадания песка / ила в подшипник электродвигателя рекомендуется выбирать насос с механическим уплотнением из карбида кремния. Для предотвращения образования илистых отложений на корпусе двигателя рекомендуется установить на нем охлаждающий кожух, причем скорость охлаждающей жидкости должна быть не менее 1 м/с.

Всё вышесказанное определяет актуальность выбранной темы исследования.

При написании данной курсовой работы была преимущественно использована литература поводоотливной установки, а также справочное пособие.

Цель данной курсовой работы: раскрыть понятие об используемых компонентах, а именно датчиках верхнего и нижнего уровня, также аварийного уровня.

Для реализации этой цели были поставлены следующие задачи:

Раскрыть основные понятия насосных установок;

Рассмотреть классификацию грунтовых вод;

Проанализировать о понятиях аварийные насосы для откачивания грунтовых вод.

Объект исследования - поддерживание уровня грунтовых вод

Предмет исследования - насосы для откачивания грунтовых вод.

При написании работы были использованы методы двух уровней: теоретический и эмпирический.

Значимость теоретического метода заключается в тщательном изучении теоретических источников, отборе, анализе и систематизации материала.

Важность эмпирического метода проявляется в поддержки уровня грунтовых вод, а именно в рассмотрении и сравнении различных способов используемых компонентах.

Научно-практическая значимость работы. Материал может быть использован в педагогической деятельности на теоретических и практических семинарах, колледжах, ВУЗах.

Структура работы: курсовая работа состоит из введения, трех глав, заключения, списка использованной литературы и приложения.

1. Основные понятия насосных установок

.1Основные параметры и классификация насосов

Насосы представляют собой гидравлические машины, предназначенные для перемещения жидкостей под напором. Преобразуя механическую энергию приводного двигателя в механическую энергию движущейся жидкости, насосы поднимают жидкость на определенную высоту, подают ее на необходимое расстояние в горизонтальной плоскости или заставляют циркулировать в какой-либо замкнутой системе.

Выполняя одну или несколько упомянутых функций, насосы в любом случае входят в состав оборудования насосной станции, принципиальная схема которой применительно к условиям водоснабжения и канализации. В этой схеме для привода насоса используется электродвигатель, подключенный к электрической сети. Вода или другая рабочая жидкость забирается насосом из нижнего бассейна и перекачивается по напорному трубопроводу в верхний бассейн за счет преобразования энергии двигателя в энергию жидкости. Энергия жидкости, прошедшей через насос, всегда больше, чем энергия перед насосом.

Основными параметрами насосов, определяющими диапазон изменения режимов работы насосной станции, состав ее оборудования и конструктивные особенности, являются напор, подача, мощность и коэффициент полезного действия.

Напор представляет собой приращение удельной энергии жидкости на участке от входа в насос до выхода изнего. Выраженный в метрах напор насоса определяет высоту подъема или дальность перемещения жидкости

Подача характеризуется объемом жидкости, подаваемой насосом в напорный трубопровод в единицу времени, и измеряется обычно в м/с, л/с или м3/ч.

Мощность, затрачиваемая насосом, необходима для создания нужного напора и преодоления всех видов потерь неизбежных при преобразовании подводимой к насосу механической энергии в энергию движения жидкости по трубопроводам. Измеряемая в кВт мощность насоса определяет мощность приводного двигателя и суммарную (установленную) мощность насосной станции.

Коэффициент полезного действия учитывает все виды потерь связанных с преобразованием насосом механической .энергии двигателя в энергию движущейся жидкости. КПД определяет экономическую целесообразность эксплуатации насоса при изменении остальных его рабочих параметров (напора, подачи, мощности).

История возникновения и развития насосов показывает, что первоначально они предназначались исключительно для подъема воды. Однако в настоящее время область их применения настолько широка и многообразна, что определение насоса как машины для перекачивания воды было бы односторонним. Помимо водоснабжения и канализации городов, промышленных предприятий и электростанций насосы применяются для орошения и осушения земель, гидроаккумулирования энергии, транспортирования материалов. Существуют питательные насосы котельных установок тепловых электростанций, судовые насосы, насосы для нефтяной, химической, бумажной, пищевой и других отраслей промышленности. Насосы используются при производстве строительных работ (намыв земляных сооружений, водопонижение, откачивание воды из котлованов, подача бетона и строительных растворов к сооружениям и ъ П.), при разработке месторождений и транспортировании полезных ископаемых гидравлическим способом, при гидроудалении отходов производственных предприятий» качестве вспомогательных устройств насосы служат для обеспечения" смизки и охлаждения машин.

Таким образом, насосы являются одним из наиболее распространенных видов машин, причем их конструктивное разнообразие чрезвычайно велико, поэтому классификация насосов по их назначению весьма затруднительна. Более логичной представляется классификация, основанная на различиях в принципе действия. В динамических насосах жидкость движется под силовым воздействием в камере постоянного объема, сообщающейся с подводящими и отводящими устройствами. В зависимости от вида силового воздействия на жадкость динамические насосы в свою очередь, делятся на логгастные насосы и насосы трения.

Объемные насосы работают по принципу вытеснения жидкости из камеры за счет уменьшения ее объема. Периодическое изменение объема камеры происходит за счет возвратно-поступательного или вращательного движения рабочего органа насоса. Попеременное заполнение камеры перекачиваемой жидкостью и ее опорожнение обеспечиваются клапанными устройствами входного и выходного патрубков насоса.

Конструктивное исполнение насосов различных типов определяется в основном видом их рабочих органов.

Кроме классификаций, существует также разделение насосов по виду перекачиваемой жидкости, по виду привода и по другим классификационным признакам.

Необходимо отметить, что, несмотря на большие различия в принципе действия, конструкции насосов всех типов, включая насосы, применяемые в системах водоснабжения и канализации, должны удовлетворять требованиям, к числу которых в первую очередь относятся:

надежность и долговечность работы;

экономичность и удобство эксплуатации;

изменение рабочих параметров в широких пределах при условии сохранения высокого КПД;

минимальные размеры и масса;

простота устройства, заключающаяся в минимальном числе деталей и полной их взаимозаменяемости;

удобство монтажа и демонтажа.

Выбор типа насоса в каждом конкретном случае производится с учетом его эксплуатационных и конструктивных качеств, наиболее полно удовлетворяющих технологическому назначению рассматриваемой насосной станции.

.2 Основные понятия насосных установок

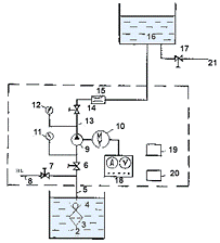
Насосной установкой называют насосный агрегат, комплектующее оборудование которого смонтировано по определенной схеме, обеспечивающей работу насоса. На рисунке приведена схема насосной установки для перекачки жидкости. Насос 9, приводимый в движение электродвигателем 10, засасывает жидкость из расходной емкости 2 и по всасывающей магистрали 5 и напорной магистрали 13 перекачивает жидкость в приемную емкость 16.

Рис. 1. Схема насосной установки:

- сооружение (помещение) для насосной установки; 2 - расходная емкость; 3 - фильтр; 4 - обратный клапан; 5 - всасывающая магистраль; 6, 7, 14, 17 - вентили; 8 - магистраль для заливки насосов; 9 - насос; 1 О - электродвигатель; 11, 12 - манометры; 13 - напорная магистраль; 15 - расходомер; 16 - приемная емкость; 18 - пульт управления насосной установкой; 19 - противопожарное оборудование; 20 - вспомогательное оборудование; 21 - сливная магистраль

Можно указать, что насосная установка имеет следующие элементы: гидробаки (гидроемкости); гидролинии (магистрали, трубопроводы); контрольно-измерительное оборудование (манометры, расходомеры, электроизмерительные приборы); пускорегулирующее оборудование (вентили, задвижки, устройства электрооборудования); противопожарное оборудование; вспомогательное оборудование (тали, кран-балки). Состав сооружений, тип и количество основного и вспомогательного оборудования насосной установки определяется исходя из назначения насосной установки.

На каждую насосную установку заводится журнал (или паспорт), в котором содержатся следующие разделы: правила ведения журнала; проведение регламента и выполнения работ на установке (оборудовании) в процессе эксплуатации; учет наработки установки и оборудования; учет технических осмотров установки и оборудования; учет неисправности установки и оборудования; оценка состояния установки и оборудования; регистрация изменений в составе насосной установки и оборудования. Указанные выше виды работ выполняются на основании документов (паспортов) элементов насосной установки.

Для использования насоса по целевому назначению к нему необходимо подвести энергию. Существуют различные виды энергии для привода насоса, например, электрическая энергия, механическая энергия, тепловая энергия, солнечная энергия.

Насосным агрегатом называют агрегат, состоящий из соединенных между собой насоса или нескольких насосов и приводящего двигателя. Виды насосных агрегатов можно классифицировать: по роду привода:электронасосный агрегат, в котором приводящим двигателем является электродвигатель; трубонасосный агрегат, в котором приводящим двигателем является гидро- или пневмо-турбина; дизель-насосный агрегат, в котором приводящим двигателем является дизель; мотонасосный агрегат, в котором приводящем двигателем является карбюраторный двигатель; гидроприводный насосный агрегат, в котором приводящим двигателем является гидродвигатель; пневмоприводный насосный агрегат, в котором приводящем двигателем является пневмодвигатель; по конструктивному объединению насоса с приводом: электронасос - насосный агрегат, с приводом от электродвигателя, узлы которого входят в конструкцию насоса; турбонасос - насосный агрегат, с приводом от турбины, узлы которой входят в конструкцию насоса; паровой насос - насосный агрегат с приводом от парового цилиндра, распределительное устройство которого входит в конструкцию насоса;гидроприводный насос - насосный агрегат с приводом от гидроцилиндра, распределительное устройство которого входит в конструкцию насоса; пневмонасос - насосный агрегат с приводом от пневмо-цилиндра, распределительное устройство которого входит в конструкцию насоса.

В системах водоснабжения, водоотведения, отопления и других для привода насоса обычно используют электродвигатели. Таким образом, электронасосный агрегат является наиболее распространенным элементом гидравлических установок.

Паспорт электронасосного агрегата- официальный документ, удостоверяющий тип насоса и его показатели. В паспорте электронасосного агрегата обычно указывается следующее: назначение насоса; характеристики перекачиваемой среды; технические показатели; комплект поставки; устройство и принцип работы; указания по соблюдению мер безопасности; рекомендации по подготовке насоса к работе, по техническому обслуживанию; характерные неисправности и методы их устранения; свидетельство о приемке; гарантийные обязательства; сведения о консервации и упаковке; габаритные чертежи и размеры.

В паспорте насоса могут приводиться и другие сведения, например, материалы основных деталей, чертежи быстроизнашивающихся деталей, методика проверки соосности осей и др. В паспорте насоса на характеристике насоса обозначена рабочая часть характеристики насоса, т. е. зона характеристики насоса, в пределах которой рекомендуется его эксплуатация.

Таким образом, в паспорте указываются следующие показатели насоса:технические - масса, габариты, частота вращения и др.;эксплуатационные - сроки гарантии, допустимое отклонение показателей, характерные неисправности и др.;эргономические - уровень шума, уровень вибрации и др.;надежностные - срок службы, наработка на отказ и др.;специальные - допустимая температура подшипников, сопротивление изоляции обмоток двигателя и др.Количество показателей, приводимых в паспорте насоса, обычно определяется организацией, изготавливающий насос.

Насосная установка требует квалифицированного обслуживания и эксплуатации. Для насосной установки составляются инструкции по обслуживанию и эксплуатации. К обслуживанию и эксплуатации насосной установки допускаются только лица, хорошо знающие эксплуатируемую насосную установку, техническую документацию на ее элементы и инструкции по обслуживанию и эксплуатации.

Насосная установка, как правило, состоит из различных систем: гидравлической системы, системы электроснабжения, системы автоматики и др. Понятие системы частично субъективно, так как приходится выделять из насосной установки те элементы и явления, которые отвечают целям исследования и достаточно легко поддаются анализу, синтезу или различным расчетам. Содержание понятия системы связано с тем, что реальные системы обладают пространственной или функциональной замкнутостью. Элемент - часть системы, выполняющий определенные функции.

Гидравлическая система представляет собой совокупность баков, трубопроводов, насосов, контрольно-измерительной и пускорегулирующей аппаратуры и предназначена для выполнения определенных функций.Система энергоснабжения насосной установки обеспечивает электрическую связь с энергосистемой и обеспечивает непрерывное снабжение всех потребителей насосной установки электроэнергией.Система автоматики обеспечивает дистанционное управление насосной установкой, системой энергоснабжения и т. д.

2. Грунтовые воды

Во всем мире грунтовые воды являются важным источником для полива. Возможно, это самый надежный водный источник, который есть в нашем распоряжении, но и к использованию грунтовых вод нужно подходить с умом. Необходимо обеспечить возобновляемость этого ресурса, а также защиту и без того хрупкой экосистемы, частью которой мы все являемся. В отличие от поверхностных вод, которые можно "увидеть" и, вследствие этого, наглядно представить происходящие в них процессы, а также оценить их количественные запасы, грунтовые воды скрыты от нашего взора, что усложняет их оценку. Основные причины, ограничивающие использование грунтовых вод:

•Производительность скважины

• Износ деталей насоса

• Засорение системы

• Чрезмерная откачка грунтовых вод

Подземные воды первого от поверхности Земли постоянного водоносного горизонта. Образуются главным образом за счёт инфильтрации (просачивания) атмосферных <#"898488.files/image002.gif">

Устройство работает следующим образом. Пока уровень грунтовых вод находится ниже датчиков E1-E3, полевой транзистор VT1 и транзистор оптопары U2 закрыты, излучающие диоды оптопар U2, U1 обесточены, поэтому оптосимистор последней закрыт и насос, подключённый к зажимам X1 и X2, обесточен. При достижении уровнем воды датчиков E1 и EЗ (они расположены на одном уровне) на затвор транзистора VT1 через сопротивление воды между ними и резистор R1 поступает напряжение положительной полярности с выхода источника питания и транзистор открывается, соединяя эмиттер транзистора оптопары U2 с общим проводом. Когда же продолжающий повышаться уровень воды достигает датчика Е2, открывается транзистор оптопары U2 (базовый ток протекает через воду и токоограничительный резистор R3) и включаются излучающие диоды оптопар U1 и U2. Благодаря положительной оптической обратной связи триггер переключается в единичное состояние ("защёлкивается"). Излучающий диод оптопары U1 включает оптосимистор, и на насос подаётся напряжение питания.

При откачке воды её уровень понижается, но насос благодаря "защёлкнутому" триггеру продолжает работать и после того, как вода опустится ниже датчика E2. При дальнейшем понижении уровня, когда он становится ниже датчиков E1 и EЗ, насос работает ещё несколько секунд, так как транзистор VT1 остаётся открытым благодаря заряженному конденсатору С1. После его разрядки через резистор R4 транзистор VT1, а вслед за ним и транзистор оптопары U2 закрываются, излучающие диоды оптопар обесточиваются и насос отключается. В дальнейшем этот цикл повторяется.

Блок питания выполнен на основе релаксационного генератора, в качестве электронного ключа применён симметричный динистор VS1. Конденсатор С4 - балластный, С5 - накопительный. Выходное напряжение блока питания - 5,5 В, выходной ток - 5 мА, ток короткого замыкания - 8,5 мА.

Устройство собрано на фрагменте универсальной макетной платы размерами 30x35 мм. К деталям особых требований не предъявляется. Конденсаторы С1, С2 - керамические КМ или импортные, СЗ - оксидный импортный, С4 - плёночный помехоподавляющий, С5 - плёночный К73-17 с номинальным напряжением 63 В или КМ (50 В). Резисторы - любые с указанной на схеме рассеиваемой мощностью. Симметричныйдинистор DB3 (VS1) и диоды 1 N4007 (VD2-VD5) извлечены из ЭПРА неисправной КЛЛ. Из неё же извлечён дроссель, кольцевой магнито-провод которого (типоразмера К10x6x5) использован для намотки трансформатора T1. Его первичная обмотка содержит пять, а вторичная - десять витков провода МГТФ 0,07. Диод VD6 - любой кремниевый маломощный (например, КД509А, КД510А), стабилитрон VD1 - любой маломощный с напряжением стабилизации 5...7 В (например, КС162А, КС168А или импортный). Транзистор VT1 - любой из серий КП504, КП505.

Оптопара 4N35 (U2) заменима любой, у которой оптотранзистор имеет вывод базы (подойдут 4N25-4N28, 4N35-4N37, OPTO611). В качестве U1 желательно применить оптопару со встроенным узлом обнаружения нуля сетевого напряжения ZCC (ZeroCrossingControl), например, MOC3042, MOC3062, S21MD3, S21ME4, OPTO630 (они более надёжны при работе на индуктивную нагрузку).

Смонтированная плата помещена в пластмассовую коробку, в дне которой предварительно закреплены датчики E1-E3. Они представляют собой отрезки нержавеющей проволоки диаметром 1,9 мм, извлечённой из провода марки АС 16/2,7, применяемого в воздушных линиях электропередач. Длина датчиков E1 и E3 - 220, E2 - 70 мм. Отверстия под них расположены в ряд с шагом 10 мм (датчик E1 закреплён в среднем). Учитывая специфические условия эксплуатации (повышенная влажность), плата после подпайки проводов, соединяющих её с датчиками и клеммными зажимами X1-X4 (их закрепляют в верхней части коробки с помощью скоб), залита эпоксидным компаундом. Если применить коробку из прозрачной пластмассы, а для заливки - прозрачный компаунд, то вместо стабилитрона VD1 можно установить цепь из трёх включённых последовательно светодиодов АЛ307БМ, их свечение в дежурном режиме будет сигнализировать о наличии сетевого напряжения.

Для обеспечения эффективной откачки воды из подвала были выполнены следующие работы. Бетонная стяжка пола - с небольшим уклоном в одну сторону. В самой низкой части подвала выкопан приямок глубиной 0,5 м и обложен в полкирпича насухо, без раствора. В приямок помещено пластмассовое ведро, в нижней части и дне которого просверлено свыше 300 отверстий диаметром 2,5 мм, играющих роль фильтра тонкой очистки. Пространство между стенками приямка и ведром заполнено гравием с фракцией 10.20 мм, выполняющим функцию фильтра грубой очистки воды.

На дно ведра помещён аквариумный насос. При небольшой потребляемой мощности (8 Вт) он имеет вполне достаточную производительность - около 200 л/ч. Вода сбрасывается в проходящую рядом канализационную трубу, для чего в неё врезан штуцер. Коробка с устройством свободно установлена на пластмассовой крышке ведра. Для прохода датчиков в её центральной части просверлены три отверстия диаметром 3 мм.

При использовании насоса с потребляемой мощностью свыше 20 Вт опто-симистор U2 следует использовать для управления более мощным симистором.

.3 Защита и управление при эксплуатации погружных электронасосов. Автоматическое управление при работе на башню

откачивание насос грунтовый вода

Практически все системы сельского водоснабжения можно разделить на три группы. Наиболее широко применяемая - башенная система водоснабжения. Сегодня пейзаж России немыслим без цельнометаллических водонапорных башен Рожновского. Нельзя проехать и нескольких километров, чтобы не заметить очередную, появившуюся на горизонте.

Две другие системы, которые применяются реже - это безбашенные с гидропневмобаком и с двумя ступенями подъема.

Рассмотрим башенную систему. Надежная работа системы в автоматическом режиме прежде всего зависит от того, в какой степени учтены особенности, условия и режимы взаимного функционирования всех элементов системы. Режим водопотребления на селе характеризуется большой неравномерностью расходов, с коэффициентом часовой неравномерности, достигающим 2,5. Это значит, что днем в период максимального разбора воды ее часовой расход может в 2,5 раза превышать среднее значение (1/24 часть) суточного расхода. Ночью, наоборот, расход воды резко сокращается. Непосредственное включение насоса в сеть без башни в условиях сильной неравномерности расхода привело бы к ненормальному режиму работы насоса с недостаточным напором или, наоборот, с малой подачей и чрезмерным давлением. На такие режимы работы и насосы, и сеть водоснабжения не рассчитаны, при этом в сети происходили бы глубокие перепады давления, перебои в подаче воды, резко возросло бы потребление электроэнергии. Включение в сеть водоснабжения водонапорной башни позволяет насосу и потребителям воды действовать по своим графикам, причем насос всегда работает в расчетном, наиболее выгодном и правильном режиме. В такой системе башня выполняет несколько функций:

. За счет столба воды в колонне она поддерживает требуемое практически постоянное статическое давление воды в системе. В результате потребитель получает воду бесперебойно и с постоянным расчетным напором.

. Создавая постоянное давление в сети, башня обеспечивает работу насоса в постоянном режиме, с расчетной подачей и давлением при резко неравномерном расходе воды потребителями. При малом потреблении насос работает на башню, при большом - к подаче насоса добавляется поток воды, идущий из башни.

. В башне сохраняется нерасходуемый запас воды на случай пожара или аварии в системе водоснабжения.

. Башня сохраняет технологический (хозяйственный) запас воды на случай планового или аварийного отключения напряжения сети, перерыва в работе насоса в связи с техническим обслуживанием и т.п.

. В башне размещается регулирующий объем воды, который определяет периодичность включения насоса.

. Наконец, в башне размещается регулирующий объем воды, который необходим в случае, когда производительность насоса меньше, чем максимальный часовой расход водопотребления.

Основными показателями башни, вытекающие из функционального назначения, являются ее высота и емкость бака. Высота башни определяется необходимым напором, а емкость бака - величиной запаса воды, регулирующего и полного объемов. Для определения регулирующего объема надо знать характер потребления воды на ферме и график работы насосной станции. Расходование воды из бака и его пополнение имеет периодический характер, определяемый с одной стороны графиком потребления воды qп, а с другой - подачей насоса qн. Рассмотрим действие насоса и башни на примере рис. 1, где показана схема водоснабжения (а), графики подачи, расхода воды и наполнения бака (б) и (в). Пусть в исходном положении бак залит полностью, а насос отключен, следовательно питание потребителей водой происходит за счет содержимого бака, рис. 1 (б). С течением времени уровень воды в баке опустится до отметки нижнего уровня (НУ). В этот момент насос будет включен. Дальнейший режим бака зависит от соотношения между подачей насоса и текущим расходом воды. Пусть расход превышает подачу (рис. 1 (в) зона S). Тогда уровень воды в баке будет продолжать снижаться до тех пор, пока расход не уменьшится и не станет меньше подачи насоса (точка 2). Лишь после этого уровень начнет повышаться вновь. Когда бак вновь заполнится и вода достигнет верхнего уровня (ВУ), насос будет отключен, после чего процесс повторится вновь.

 <#"898488.files/image004.gif"> <http://www.kipshop.ru/aip/index.php?eID=tx_cms_showpic&file=uploads/pics/image7TJ.JPG&width=800m&height=600m&bodyTag=<body style="margin:0; background:>

Если подача насоса всегда выше текущего расхода, как показано на рис. 1 (б), то в момент включения уровень воды в баке сразу начнет повышаться (точка 1). Таким образом, для управления насосом надо правильно представлять себе текущий уровень воды в баке - во избежание переполнения бака, «перелива», или наоборот, опорожнения башни. С этой целью при ручном управлении насосом применяют разного рода сигнализаторы уровня, указывающие количество воды в баке. При их отсутствии опытный персонал вырабатывает такие практические навыки, которые помогают ему более или менее удовлетворительно следить за режимом работы насоса и башни, хотя при такой работе «вслепую» случаи перелива или, наоборот, нехватки воды весьма нередки.

Очевидно, что при таком режиме работы перепад между верхним и нижнем уровнями воды в баке получается достаточно большим. Этот перепад и определяет регулирующий объем бака, равный площади бака, умноженный на величину перепада. Оставшаяся часть образует нерасходуемый хозяйственный и противопожарный запас.

Заметим, что чем меньше регулирующий объем, тем больше запас и наоборот. Это следует из очевидного равенства:

Wб = WЗ + W рег.,

где Wб - полный объем бака;з - нерасходуемый запас воды;рег. - регулирующий объем.

Если между самым нижним и верхним уровнями расположен весь объем бака, это значит, что запаса воды в нем практически нет, т.к. вся емкость бака используется как регулирующий объем. Если, напротив, регулирующий объем выбран малым, это значит, что большая часть объема бака используется для хранения нерасходуемого запаса воды.

Чрезмерное снижение уровня приводит не только к снижению напора и нарушению водоснабжения, но и грозит замерзанием башни. Переливы башни, особенно в зимнее время, также серьезно нарушают нормальную работу. Нередко зимой можно видеть башню, напоминающую ледяной столб. В условиях суровой зимы редкое и нерегулярное наполнение бака, его повторяющееся полное опорожнение особенно нежелательны.

Автоматизация насоса позволяет избежать всех недостатков ручного управления. В этом случае в баке фиксируются два уровня - верхний, при достижении водой которого насос должен быть отключен, и нижний - при достижении которого он вновь автоматически включается. Выбирая расстояние между верхним и нижнем уровнями, мы четко определяем величину регулирующего объема и нерасходуемого запаса воды.

Чем же надо руководствоваться при выборе этих величин? Сокращая регулирующий объем, мы увеличиваем запас воды, однако при этом возрастает число включения насоса. Замеры показали, что увеличение частоты включения насоса в сутки с 2 до 7 раз позволяет уменьшить регулирующий объем почти в 3 раза и существенно увеличить запас воды. При ручном управлении это потребовало бы непрерывного дежурства человека, управляющего насосом. Благодаря автоматизации такой режим не только не требует дополнительных затрат труда, но и вообще выполняется без участия человека. При достаточно частой подкачке воды можно не опасаться опорожнения бака и замерзания воды, что особенно опасно зимой в ночной период, когда расход воды практически прекращается, и бак мог бы на длительное время оставаться с минимальным запасом воды. Вместе с тем, слишком частые включения погружного насоса крайне нежелательны.

После всего сказанного ясны преимущества автоматизации насоса перед управлением вручную. При этом, прежде всего, персонал освобождается от управления насосом, наблюдением за наличием воды и связанных с этим забот и затрат труда. Четкая фиксация верхнего и нижнего уровней предупреждает случаи переливов воды и опорожнения башни. Сокращение регулирующего объема увеличивает нерасходуемый запас воды в баке, что повышает надежность водоснабжения при перебоях в электроснабжении, плановом обслуживании насосного оборудования и т.д. Регулярная подкачка в башню теплой воды из скважины резко сокращает льдообразование в башне, что повышает ее устойчивость к морозам.

Максимально допустимая частота включений насоса ограничена предельной величиной, равной трем включениям в час. Это связано с большими токовыми перегрузками при пуске, с возможностью повреждения шпоночного соединения вала электродвигателя с насосом, болтовых креплений электродвигателя к насосу, срезания вала насоса, разрушения резьбового соединения нагнетательного трубопровода вблизи насоса из-за механических перегрузок, возникающих при включении электронасоса. Поэтому при эксплуатации погружных электронасосов предпочитают избегать их частых включений. Однако, по мере уменьшения габаритов электронасосов, допустимая частота включений электронасосов повышается. Так электронасосы габарита 4", производства словацкой фирмы СИМА, имеют частоту до 20 включений в час. Итак, требования к частоте включения электронасоса противоречат условию уменьшения регулирующего объема.

Определим зависимость между этими величинами. Пусть подача насоса всегда больше часового расхода воды. Число включений насоса в час, т.е. частота включений равна величине, обратной длительности цикла tц, состоящей из времени работы насоса tр и времени паузы tп.

Z =1/tц = 1 / (tp+tп) (1)

Если qн - часовая производительность насоса, м3/ч, ап - часовой расход воды, м3/ч потребителями, то:

tp = Wрег / (qн-qп), час (2)п = Wрег / qп , час (3)

С учетом (2) и (3) частота включений равна: Z = (qн - qп) qп /Wрегqп, вкл/ч (4)

Математическая зависимость частоты включений от расхода водопотребления (4) имеет максимум при qп = 0,5qн. Тогда

Zmax = 0,25qн/Wрег ,вкл/ч (5)

Зная предельную величину Zмах и производительность насоса можно определить минимальный регулирующий объем и по нему минимальную величину перепада между нижним и верхним уровнями, при котором запас воды в баке башни будет максимально возможным.

По формуле (5) для предельной величины Zмах = 3 и площади бака S = 7,065 м2можно рассчитать для ряда производительностей применяемых насосов минимальную величину перепада между уровнями (см. табл. 1).

Таблица 1

Подача насоса, qн

м3/ч

2

6,3

10

16

25

40

63

Регулирующий объем, Wрег

м3

0,85

0,25

0,83

1,33

2,08

3,33

5,25

м

0,02

0,07

0,12

0,19

0,30

0,48

0,75


Из таблицы видно, что приемлемым для всех рассчитанных вариантов будет регулирующий объем Wpег = 5,25 м3, который обеспечивается датчиком с межконтактным расстоянием 0,75 м. Однако принимать предельную величину за исходную при выборе длины датчика было бы неосмотрительным.

Это объясняется тем, что существует ряд причин, требующих иметь некоторый запас по регулирующему объему, а равнозначно и по частоте включений электронасоса. К ним относятся следующие:

при расчете приняты номинальные значения подач электронасосов; на практике зачастую применяются насосы с запасом по высоте подъема, что приводит к подачам, превышающем номинальное;

на подачу электронасоса оказывают влияние штатные изменения частоты и амплитуды питающего напряжения, а также изменение динамического уровня воды в скважине и других ее гидрогеологических характеристик;

для повышения надежности снабжения водой на случай кратковременных остановок насоса или задержек в срабатывании автоматики регулирующий объем в баке принимают на 30% больше расчетного Wрег.

Учитывая сказанное, запишем:

W'рег = Wрег · 1,3 = 6,8 м3,

отсюда минимальная величина перепада равна 0,98 м.

Приведенные выше данные справедливы для случая, когда максимальный часовой расход воды потребителем не превышает подачу электронасоса. Только в этом случае регулирующий объем бака определяется однозначно. Иное положение возникает при расходе, превышающем подачу насоса. Автоматика, реагирующая только на уровень воды в баке, к такому ориентированному действию неспособна, она «глупа». Поэтому период максимального расхода воды может наступить не при заполненном баке, а наоборот, когда вода достигает в нем нижнего уровня. Насос включится, но уровень воды будет снижаться ниже нижнего уровня до тех пор, пока подача насоса не станет выше текущего расхода. Сказанное поясняет рис. 1, где для ясности момент t1 достижения водой нижнего уровня совмещен с началом превышения расхода над подачей. Следовательно, к регулирующему объему Wрег1, ограниченному верхним и нижним уровнями, надо добавить еще Wрег2, который «вырабатывается» в период времени t1 - t2, указанного превышения расхода над подачей. Его величина численно определяется как площадь S заштрихованной части графика. Следовательно, в случае, когда подача насоса меньше максимального расхода, полный регулирующий объем следует определять как:

Wрег = Wрег1 + Wрег2 = (0,25qн / Zmax)+ S.

Очевидно, что при выборе перепада между верхним и нижним уровнями в автоматических установках надо учитывать и возможное увеличение регулирующего объема за счет Wрег2. Это особенно важно при использовании малогабаритного четырехдюймового электронасосного оборудования, подача которых не превышает 2-3 м3/час и значительно ниже максимальных часовых расходов. Таким образом, вопрос возможности применения таких насосов сводится, прежде всего, к двум моментам: достаточна ли подача их для обеспечения суточных расходов у потребителей и хватит ли объема башни для размещения дополнительного регулирующего объема Wрег2.

Заключение

Подводя итог данной работе, можно сделать вывод, что система работает на откачивании верхнего до нижнего рабочего уровня. В случае подъема воды до аварийного уровня включается дополнительный насос.

Дополнительный насос включается также, если работа первого не привела к понижению уровня до нижнего уровня или повышению до аварийного верхнего уровня за определенное время. Для предотвращения преждевременного срабатывания насосов необходимо ввести задержки включения/отключения при смачивании/осушении соответствующих электродов.

При использовании открытого водоема / пруда в качестве источника воды для полива функции насоса для откачки грунтовых вод обычно ограничиваются тем, что насос непосредственно производит забор воды из водоема. Далее в работу включаются распределительные насосы, которые обеспечивают необходимое давление в насадке и компенсируют потери на трение в трубопроводе. Величина напора зависит от скорости вращения рабочего колеса и камеры насоса, установка мембранного бака снижает значение требуемого напора. Помимо этого установка бака зачастую увеличивает межремонтный интервал.

Иногда работа на максимальной нагрузке приводит к чрезмерной откачке грунтовых вод, и вместе с водой начинает откачиваться песок. Для предотвращения такой ситуации Вы может сделать следующее: • Установить песочный сепаратор или специальный выдвижной (телескопический) фильтр. Это снизит содержание в воде ила и песка и послужит хорошим защитным барьером от их попадания в насос, что, в свою очередь, увеличит срок службы насоса. • Обеспечить плавность включения / выключения насоса, увеличив время включения и выключения до 3+х секунд. При включении насоса для откачки грунтовых вод, установленного в полном водоносном слое, в течение первых секунд насос будет работать с повышенной производительностью. При этом из+за повышенного давления всасывания произойдет "возмущение" водоносного слоя, в результате чего "поднятые" со дна ил и песок вместе с водой попадут в насос. Избежать избыточного всасывания можно увеличив время включения / выключения насоса до 3 секунд.


Список использованной литературы

Алексеев В.В. Стационарные машины - М: Недра, 1989, с 304.

Картавый Н.Г. Стационарные установки - М: Недра,

Попов В.Н. Водоотливные установки. Справочное пособие. - М.: Недра, 1990, с 302.

Единые правила безопасности при разработке месторождений полезных ископаемых подземным способом. - Алматы, 1994, с 120.

Картавый Н.Г., Топорков А.А. Шахтные стационарные установки. Справочное пособие. - М.: Недра, 1978, с 245.

Похожие работы на - Насосы для откачивания грунтовых вод

 

Не нашли материал для своей работы?
Поможем написать уникальную работу
Без плагиата!
Без нейросетей!