Разработка рекомендаций по повышению энергоэффективности системы теплоснабжения в городе Никольске
СОДЕРЖАНИЕ
ВВЕДЕНИЕ
. ОБЗОР ЛИТЕРАТУРЫ ПО ТЕМЕ ДИПЛОМНОЙ
РАБОТЫ10
.1 Краткий обзор ФЗ «О
теплоснабжении»
.2 Обзор нормативных документов о
теплоснабжении
.3 Обзор интернет-источников по
экономическому разделу
.4 Выводы и уточнения цели дипломной
работы
. ОПИСАНИЕ СИСТЕМЫ ТЕПЛОСНАБЖЕНИЯ
.1 Описание системы теплоснабжения в
целом
.2 Описание источника теплоты
.3 Описание тепловой сети
.4 Описание потребителей
. Регулировка
гидравлического режима тепловой сети26
.1 Анализ потребителей
.1.1Определение расхода теплоносителя
.1.2 Скорость движения теплоносителя
.1.3 Тепловые потери на участках
.2 Гидравлический режим тепловой
сети
.2.1 Расчет гидравлического режима
тепловой сети
.2.2 Построение пьезометрического
графика
.3 Рекомендации по повышению
эффективности системы теплоснабжения
.3.1 Рекомендации по осуществлению
регулировки
.3.2 Рекомендации по отводящим
трубопроводам
. ТЕХНИКО-ЭКОНОМИЧЕСКАЯ ОЦЕНКА
.1 Расчет технико-экономической
эффективности от регулировки тепловой сети
.2 ТЭО замены отводящих трубопроводов
. БЕЗОПАСНОСТЬ ЖИЗНЕДЕЯТЕЛЬНОСТИ ПРИ
МОНТАЖЕ ТЕПЛОВЫХ СЕТЕЙ
.1 Общие требования охраны труда
.2 Требования по допуску к работе
.3 Требования во время работы
.4 Требования по окончании работы
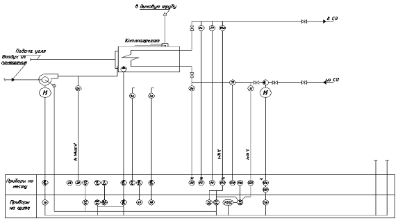
. АВТОМАТИЗАЦИЯ КОТЕЛЬНОГО АГРЕГАТА
.1 Общие сведения
.2 Технологическая схема
автоматизации котельного агрегата
.3 Технико-экономическая оценка
автоматизации
ЗАКЛЮЧЕНИЕ
СПИСОК ИСПОЛЬЗОВАННЫХ ИСТОЧНИКОВ
ВВЕДЕНИЕ
Энергосбережение и энергоэффективность являются
одними из наиболее приоритетных направлений развития экономики многих стран
мира. Для России вопрос энергетического развития стоит очень остро, так как
именно мы обладаем значительными запасами энергетических ископаемых и
возобновляемых источников, однако неэкономно их потребляем. В дальнейшем
нехватка энергии может стать существенной причиной сдерживания экономического
роста страны.
Одной из важнейших стратегических задач страны,
которую поставил президент в своём указе [1], является сокращение к 2020 году
энергоёмкости отечественной экономики на 40 %. Для ее реализации необходимо
создание совершенной системы управления энергоэффективностью и
энергосбережением.
Россия является самой большой по территории
страной мира, следовательно, климатические условия из-за значительных размеров
довольно разнообразны и в целом оцениваются как неблагоприятные для жизни
людей. Мы живем при перепадах температур от -40°С до + 35°С, именно поэтому
огромное значение имеет обеспечение потребителей тепловой энергией в
необходимом (должном, требуемом) количестве.
Тепловое потребление - одна из основных
характеристик топливно-энергетического баланса нашей страны. На удовлетворение
тепловой нагрузки страны расходуется ежегодно более 600 млн. т.у.т, т.е. около
30% всех используемых первичных топливно-энергетических ресурсов.
Источниками теплоснабжения в городах являются
теплоэлектроцентрали (ТЭЦ) и крупные котельные, котельные промышленных
предприятий, а также множество мелких ведомственных и муниципальных котельных.
Широкое развитие получила теплофикация, являющая наиболее рациональным методом
использования топливных ресурсов для тепло- и электроснабжения. Наряду с
теплофикацией рационально используется теплоснабжение от экономичных котельных
установок.
Общее количество котельных в стране около 200
тыс., немалая часть из них построена еще в советское время с огромным размахом
и работает неэффективно: огромные тепловые потери при передаче теплоносителя на
расстояния, неоптимизированный тариф, завышенные диаметры трубопроводов
тепловых сетей, неоптимальный температурный график и многое другое.
Целью дипломной работы является анализ собранных
исходных данных, выявление актуальных проблем и разработка рекомендаций по
повышению энергоэффективности системы теплоснабжения. Тепловая энергия
от«Центральной» котельной в городе Никольске идет только на отопление.
Основными потребителями являются административные здания.
В связи с указанной целью в рамках дипломной
работы необходимо провести ряд мероприятий:
обзор литературы по теме дипломной работы;
обследование и описание системы теплоснабжения в
целом, расчет ее гидравлического режима;
разработка рекомендации по теплоэнергетической
эффективности котельной и тепловых сетей;
обзор литературы по БЖД.
Актуальность данной темы дипломной работы
связана со значительным распространением исследуемого явления и заключается в
необходимости разработки мероприятий по совершенствованию работ котельных в
рассматриваемой области, которые помогут улучшить систему теплоснабжения и
сделать её более эффективной.
Дипломная работа состоит из введения, шести
разделов (включая ТБ и автоматику), заключения, списка использованных
источников и приложений. Выполняется работа в двух экземплярах: первый
стандартный - на листах формата А4, второй электронный, содержащий информацию
только для компьютера.
1. ОБЗОР ЛИТЕРАТУРЫ ПО ТЕМЕ ДИПЛОМНОЙ РАБОТЫ
.1 Краткий обзор ФЗ «О теплоснабжении»
Сфера теплоснабжения приписывается к числу
важнейших государственных преимуществ России. При всем этом основная задача
государства - это не контроль за теплоснабжением каждого города и поселения, а
создание единой законодательной базы, которая обеспечивает скоординированную
работу всех организаций различных форм собственности в интересах потребителей в
сфере теплоснабжения.
Именно Федеральный Закон от 27 июля 2010 г. «О
теплоснабжении» определяет правовые основы отношений, которые возникают в связи
с производством, передачей и потреблением тепловой энергии. Закон «О
теплоснабжении» радикально охарактеризовал место и роль всех ступеней власти.
Федеральный закон РФ N
190-ФЗ от 27.07.2010 года «О теплоснабжении» был принят Государственной Думой в
третьем чтении 9 июля 2010 года и одобрен Советом Федерации 14 июля 2010 года.
Федеральный закон вступил в силу 30 июля 2010 года и впервые в истории
российского права сформировал отрасль теплоснабжения, которая регулирует все
отношения, связанные со снабжением потребителей тепловой энергией.
Он продолжает ранее начатые преобразования по
разделению инженерной инфраструктуры по отраслевому признаку. Федеральный закон
от 30.12.2004 г. № 210-ФЗ «Об основах регулирования тарифов организаций
коммунального комплекса» рассматривал системы водо-, тепло-, электроснабжения и
водоотведения как единый комплекс. Это характеризовалось согласованностью и
сбалансированностью развития всех сфер. Системы газоснабжения не являлись
предметом регулирования ФЗ № 210, и по аналогии из состава систем коммунальной
инфраструктуры исключили системы электроснабжения. Системы теплоснабжения также
захотели выделить в полностью самостоятельную сферу.
Отрасль теплоснабжения характеризуется достаточно
большими особенностями и проблемами, которые требуют серьезных и взвешенных
решений. Масштаб проблем в данной сфере и характер их решений требовал принятия
отдельного Федерального закона.
Федеральный закон «О теплоснабжении» направлен,
в первую очередь, на создание эффективного комплекса правового регулирования
отношений в сфере производства, передачи, распределения, сбыта и потребления
тепловой энергии.
Федеральный закон состоит из 7 глав, а общее
количество статей составляет 30 наименований. Первая глава состоит из трех
статей, в которых описывается предмет регулирования настоящего закона, даны
определения основных понятий, используемых в законе, таких как, тепловая
энергия, теплоснабжение, теплопотребляющая установка, надежность
теплопотребления и т. д., а также представлены общие принципы организации
отношений и основы государственной политики в сфере теплоснабжения.
Вторая глава рассказывает нам о том, что
относится к полномочиям Правительства Российской Федерации, федерального органа
исполнительной власти, федерального антимонопольного органа, органов
государственной власти субъектов Российской Федерации, органов местного
самоуправления поселений и городских округов.
Третья глава называется «Государственная
политика при установлении регулируемых цен (тарифов) в сфере теплоснабжения».
Она излагает нам информацию о принципах регулирования цен (тарифов), видах цен
(тарифов) в сфере теплоснабжения, подлежащих регулированию, методах
регулирования тарифов, а также порядок регулирования и установления цен
(тарифов). Регулирование цен обеспечивается за счет доступности тепловой
энергии, теплоностеля, за счет обеспечения долгосрочных отношений между
теплоснабжающей организацией и потребителем и т. д.
Четвертая глава наиболее обширна и посвящена
отношениям между тремя объектами данной инфраструктуры: теплоснабжающей,
теплосетевой организациями и потребителями тепловой энергии. Речь идет о том, в
каком порядке осуществляется подключение теплопотребляющих установок и тепловых
сетей к системе теплоснабжения; о плате за подключение, кем она
устанавливается; распределении тепловой нагрузки; организации коммерческого
учета тепловой энергии. Тепловую энергию потребитель приобретает у организации
по договору теплоснабжения. Договор теплоснабжения должен определять:
) объем тепловой энергии (мощности) и (или)
теплоносителя;
) величину тепловой нагрузки потребляющих
установок потребителя тепловой энергии;
) уполномоченных должностных лиц сторон,
ответственных за выполнение условий договора, ответственность потребителей за
нарушение условий договора; обязательства теплоснабжающей организации по
обеспечению теплоснабжения.
Следующая, очень нужная глава пятая, это
обеспечение надежности теплоснабжения. Согласно первой главе [2] надежность
теплоснабжения - характеристика состояния системы теплоснабжения, при котором
обеспечиваются качество и безопасность теплоснабжения. Также речь идет о
проверке готовности к отопительному сезону, выводе источников тепловой энергии,
тепловых сетей в ремонт и из эксплуатации. Порядок ограничения или прекращения
подачи теплоносителя потребителю в связи с ненадлежащим исполнением пунктов
договора также описан в данной главе.
Шестая глава гласит о том, что любая
некоммерческая организация вправе приобрести статус саморегулируемой
организации в сфере теплоснабжения, естественно, если она выполнит условия
соответствующих требований, прописанных в данной главе.
Еще четыре статьи входят в состав главы 6.1
«Особенности передачи прав владения и (или) пользования объектами
теплоснабжения»
Седьмая глава завершает ФЗ и включает в себя
заключительные положения.
Текст закона является четкой инструкцией
взаимодействия органов местного самоуправления с теплоснабжающими организациями
по вопросам теплоснабжения. А самое главное, с принятием закона «О теплоснабжении»
в Российской Федерации появилась отрасль «Теплоснабжение», что было так
необходимо для нашей страны. Вступивший в силу Федеральный закон «О
теплоснабжении» регулирует всю систему взаимоотношений в отрасли.
1.2 Обзор нормативных документов о теплоснабжении
Для того чтобы грамотно вести определенный вид
работ, необходимо руководствоваться определенными требованиями. Существует ряд
нормативных документов, регламентирующих проведение мероприятий в сфере
теплоснабжения. Проведем обзор некоторых из них.
Требования по проектированию новых и
реконструкции, модернизации старых тепловых сетей централизованного
теплоснабжения, а также сооружений на тепловых сетях устанавливает СП
124.13330.2012 «Тепловые сети». Данный свод правил был введен 1 января 2013 года.
Он является актуализированной версией СНиП 41-02-2003 «Тепловые сети». Свод
правил достаточно объемный, состоит из 17 пунктов.
В своде правил установлены требования по:
надежности, безопасности, а также живучести систем теплоснабжения; по
безопасности при природных явлениях и техногенных воздействиях; по обеспечению
энергетической эффективности; по обеспечению энергосбережения и повышения
энергетической эффективности, а также по обеспечению учета используемых
энергетических ресурсов.
В СП приводятся ссылки на нормативные документы,
которые упоминаются в контексте, рассматриваются термины и определения,
классификация тепловых сетей, потребителей. Множество полезной информации о
магистральных тепловых сетях, подпитке, надежности, видах регулирования, которые
следует применять на теплоисточнике. Предъявлены требования по прокладке
тепловых сетей, тепловой изоляции, защите трубопроводов от коррозии.
Наиболее полно вопросы о проектировании тепловых
пунктов изложены в СП 41-101-95 «Проектирование тепловых пунктов» [4], которые
были введены в действие в 1996 году. Эти правила дополняют и развивают
требования, содержащиеся в СНиП 2.04.07-86* «Тепловые сети», замененные
впоследствии на [3].
Здесь разъясняются объемно-планировочные и
конструктивные решения тепловых пунктов, какое оборудование, трубопроводы,
арматуру и тепловую изоляцию необходимо применять. При проектировании
обязательно предусматривают отопление тепловых пунктов, если имеющиеся в них
тепловыделения от оборудования и трубопроводов не достаточны для обогрева этих
помещений, а также устраивают приточно-вытяжную вентиляцию, водопровод и
канализацию.
Нормы проектирования на системы внутреннего
теплоснабжения, отопления, вентиляции и кондиционирования воздуха в помещениях
зданий и сооружений устанавливает [5].
Параметры микроклимата обслуживаемой зоны
помещений жилых, общественных, административных и бытовых зданий характеризует
[6]. Стандарт устанавливает общие требования к оптимальным и допустимым
показателям микроклимата (температура, относительная влажность, скорость
воздуха) и методы контроля.
1.3
Обзор интернет - источников по экономическому разделу
Ни для кого уже не ново, что Интернет занимает
все более значимую позицию в коммуникациях и в средствах массовой информации.
Интернет является глобальной сетью, для хранения и передачи информации.
Для поиска достаточно ввести несколько ключевых
слов (фраз) и будут найдены документы, связанные хотя бы с одним словом
запроса.
При наборе было указанно "Экономика
теплоснабжения" и буквально за долю секунды осуществлен поиск огромного
количества страниц, где встречаются эти слова. Но только в нескольких можно
увидеть полную комбинацию слов. Среди этих ссылок, есть вероятность, что нужная
информация будет найдена.
Если говорить непосредственно о сайтах, то среди
наиболее популярных для данного запроса оказался сайт РосТепло, в котором
представлены форумы по разным темам, последние новости, актуальные темы,
каталоги оборудования, справочники; следующим по рейтингу оказался портал
«Энергоэффективная Россия» и др.
Всё выше перечисленное сопровождается
фотографиями, видео, что позволяет наглядно понять смысл вопроса.
Теплоснабжение является крайне важным сектором
экономики. В целом по России функционируют 485 ТЭЦ, примерно 6,5 тыс. котельных
мощностью свыше 20 Гкал/час и свыше 100 тыс. мелких котельных. В структуре
теплоснабжения работает примерно 2 млн. человек, которые занимаются ремонтом,
эксплуатацией, наладкой систем ТС [7].
Отрасль теплоснабжения производит 6% ВВП,
резервы сбережения составляют 80 млрд м3 газа, которые могли бы быть
экспортированы и дать дополнительный доход российскому бюджету. Поэтому
теплоснабжение не может быть вне государственной политики [8-10].
.4
Выводы и уточнения цели дипломной работы
Уже на основании выполненного обзора литературы и
интернет-источников можно сделать некоторые выводы и уточнить цели дипломной
работы.
Сфера теплоснабжения в нашей стране нуждается в
существенном изменении. Во всех регионах РФ наблюдается гидравлическая
разрегулировка тепловых сетей, независимо от тепловой мощности котельных,
особенно остро эта проблема стоит в небольших городах и поселках. В руководство
ЖКХ часто поступают жалобы на некачественное снабжение теплом от
централизованных систем, а котельные в свою очередь несут большие затраты на
топливо.
Основной причиной служит то, что система
теплоснабжения разбалансирована. Снабжения денежными средствами на
реконструкцию котельных и тепловых сетей не производится. Не осуществляется
никакой регулировки сети и её наладки, из-за отсутствия тепловых пунктов, а так
же регулирующих приборов и арматуры.
Отсутствие производства наладочных работ на
тепловых сетях является причиной перетопов у одних и непрогревов у других
потребителей, при этом на источниках тепловой энергии наблюдается значительный
перерасход топлива, до 30%. Наружные тепловые сети и внутридомовые
магистральные трубопроводы не тщательно утеплены и не приняты меры для
предотвращения намокания теплоизоляции. На многих подъездных дверях не
установлены закрывающие пружины. У части жильцов окна и двери плохо утеплены.
Это видно невооруженным взглядом -
энергоэффективность находится на низком уровне, потери в сооружениях и
теплосетях достигают огромных процентов - мы, в прямом смысле, обогреваем
улицу. Данная сфера инфраструктуры крайне затратна, однако, существует
несколько способов повысить ее эффективность.
Энергоэффективность тепловых сетей следует
обеспечивать за счет разработки схем теплоснабжения, в том числе реализации
следующих схемных мероприятий: оптимизации гидравлических режимов; оптимизации
диаметров тепловых сетей; оптимизации температуры теплоносителя; гидравлической
балансировки теплосетей [3].
Грамотно сделанная настройка тепловой сети
правильно распределяет теплоноситель среди потребителей теплоты, вне
зависимости от степени их удаленности.
Наладка т/с предназначена создать оптимальный
режим распределения теплоносителя по потребителям в зависимости от тепловых
нагрузок. Неудовлетворительное состояние тепловой сети влечет за собой
возникновение аварийной ситуации, в результате которых потребитель не получает
тепловую энергию.
Уже по исходным данным и предварительно
выявленным параметрам тепловой сети установлено, что тепловая сеть достаточно
протяженная и имеет завышенные диаметры трубопроводов. Вместе это явно не
является оптимальным решением в вопросе теплоснабжения города Никольск, так как
приводит к большим тепловым потерям.
Теплоснабжающая организация хронически не
проводит регламентные работы (например, регулировку тепловых сетей) что
приводит к резкому снижению качества теплоснабжения.
Таким образом, основными целями данной дипломной
работы является:
) Уточнение основных элементов системы
теплоснабжения;
) Расчет регулировки гидравлического режима
тепловой сети;
) Технико-экономическое обоснование регулировки
гидравлического режима.
2. ОПИСАНИЕ СИСТЕМЫ ТЕПЛОСНАБЖЕНИЯ В ЦЕЛОМ
.1 Описание системы теплоснабжения
Котельная №1 входит в состав котельных,
принадлежащих Муниципальному Унитарному Предприятию «Никольские теплосети»,
расположены в г. Никольск Вологодской области. Город Никольск расположен в
юго-восточной части Вологодской области на правом берегу реки Юг. Территория
района занимает 7,5 тыс. кв. км. Граничит с районами Вологодской области:
Бабушкинским, Кич-Городецким и районами Костромской области. Грунтовые воды
залегают на глубине более 2 метров. Самая распространенная порода в Никольском
районе - морена, т.е. господствуют суглинистые и глинистые почвы.
Жилищно-коммунальный комплекс района включает:
622,2 тыс. кв. м общей площади жилищного фонда, из которого 30,8 тыс. кв. м
находится в муниципальной собственности; 62 источника теплоснабжения (из них 57
муниципальные), суммарной мощностью котельных - 36,5 Гкал/час; 16,6 км тепловых
сетей в двухтрубном исполнении (8,8 км муниципальные); 85 единиц водопроводных
скважин, (27 муниципальные); 41,1 км водопроводных сетей, (37,9 км
муниципальные); 7,2 км канализационных сетей, (4,7 км муниципальные); 1718 км
электрических сетей. Жилищный фонд и коммунальная инфраструктура имеют высокий
процент износа.
Основные параметры климата для г. Никольска
согласно [11] следующие: средняя температура наиболее холодной пятидневки - 35 0С;
средняя температура наиболее холодного месяца (январь) - 13,3 0С;
средняя температура за отопительный период - 4,7 0С;
продолжительность отопительного периода 231 день. Никольский район имеет климат
свойственный полосе южной тайги, т, е. умеренно-теплое лето и холодную зиму.
Характерным является преобладание южных ветров в течение всего года,
среднегодовая скорость которых 3,3-3,4 м/сек, максимальная скорость - 18 м/сек.
МУП «Никольские теплосети», в составе которой
находится котельная №1 «Центральная» обеспечивают производство и продажу
тепловой энергии, занимается эксплуатацией и ремонтом тепловых сетей г.
Никольска. Помимо этой, предприятие обслуживает еще 12 котельных. Все котельные
оборудованы водогрейными котлами малой производительности. Срок службы котлов
от 5 до 20 лет.
Любая система теплоснабжения состоит из
следующих основных элементов, взаимно связанных между собой:
источника теплоснабжения, который вырабатывает
тепловую энергию для теплоснабжения потребителей;
тепловых сетей, служащих для транспортировки
тепловой энергии от источника к потребителю;
потребителей, которым передается тепловая
энергия на теплопоторебляющие приборы (радиаторы, калориферы).
В настоящее время котельная снабжает тепловой
энергией 34 объекта на нужды отопления, среди которых: поликлиника,
хирургический корпус, здание ГИБДД, школы, детский дом, администрация, 3
многоквартирных жилых дома, 2 частных жилых дома и другие сооружения. В
основном все здания кирпичные различной этажности от 1 до 5 этажей.
Водоснабжение котельной производится из городского водопровода ООО
«Водоканалсервис». Качество воды по всем показателям соответствует ГОСТу
2874-82 «Вода питьевая», но не соответствует требованиям, предъявляемым к
подпиточной воде для систем теплоснабжения.
Прокладка тепловых сетей осуществляется подземно
в непроходимых каналах, местами применяется воздушная (надземная). Тепловая
сеть двухтрубная тупиковая. Система теплоснабжения потребителей закрытого типа.
Для устройства подземных инженерных сетей и коммуникаций установлено 19
тепловых камер.
Отпуск тепловой энергии осуществляется в виде
горячей воды по температурному графику 75-50 0С.
.2 Описание источника теплоты
Источник теплоты представляет собой
производственно-отопительную котельную, введенную в эксплуатацию в 1990 году.
Котельная находится по адресу: г. Никольск, ул. Советская, д. 37а. Общая
площадь котельной составляет 577, 2 м2. Котельная работает на угле,
снабжая тепловой энергией всех потребителей, и выдерживает необходимую
присоединенную нагрузку.
Для выработки тепловой энергии на котельной
используется 6 (шесть) отопительных водогрейных котлов КВм-1,33 «Братск-М» с
механической топкой ТШПм-1,45 МВт. Два котла введены в эксплуатацию в 1990
году, два в 2009 году и два в 2010 году. Водогрейные котлы «Братск» разработаны
НИИ сантехники совместно с Братским заводом отопительного оборудования. Котлы
состоят из следующих основных частей:
топки механической;
пакетов чугунных секций;
стальных секций;
камеры;
соединительных трубопроводов и отводов;
каркаса, кожуха, дверок и панелей;
кирпичной кладки или комбинированного бетонного
основания.
Диапазон регулирования теплопроизводительности
60-110%, КПД котла 82%, расчетный коэффициент избытка воздуха 1,5. Каждый котел
оборудован рейками подачи топлива мощностью по 3 кВт (900 об/мин) и приводом
шлакоудаления мощностью 15 кВт (900 об/мин). Технические характеристика котлов
типа КВм «Братск-М»: тепловая мощность, 1,33 МВт; максимальная температура воды
на выходе 115°С; температура уходящих газов не более 180°С; разряжение за
котлом 500 Па; гидравлическое сопротивление котла 0,1 МПа; КПД котла брутто 80
%, габаритные размеры 4800×2300×3000.
Суммарная установленная мощность водогрейных котлов
6,76 Гкал/час (7,8 МВт). Рабочее давление составляет 0,3-0,6 МПа.
В котельной установлены сетевые насосы марки К
150-125-315(2 шт.) и К 100-80-60(1 шт.) мощностью 30 кВт каждый(2900 об/мин), а
также подпиточные насосы марки К 80-65-160(1 шт., 11кВт), К 80-165-160(1 шт.,
7,5 кВт), К 65-50-160(2 шт., 4 кВт).
Подача воздуха в топку и преодоление
сопротивления по длине воздушного тракта осуществляется вентиляторами марки ВЦ
4-70 мощностью 3 кВт (2 шт.) и ВЦ 4-70 мощностью 4 кВт (4 шт.) по 1000 об/мин,
а также за счет разряжения (т.е. естественная). Отвод дымовых газов
осуществляется за счет дымососов ДН-9 мощностью 11 кВт (1 шт.) и ДН-10
мощностью 15 кВт по 940 об/мин(2 шт.). Химводоподготовка и теплообменное
оборудование отсутствует. Тепловые потери котельной составляют 4,85 %.
.3 Описание тепловой сети
Транспорт тепла от централизованных источников
до потребителей осуществляется по тепловым сетям. Тепловая сеть - это система
соединенных между собой участков теплопроводов, по которым теплота с помощью теплоносителей
(пара или горячей воды) транспортируется от источников к тепловым потребителям
[3].
Тепловые сети проложены на местности с
незначительной разницей в отметках поверхности земли, в сухих грунтах. Тепловая
сеть от «Центральной» котельной представляет собой двухтрубную замкнутую
систему теплоснабжения с тупиковой разводкой. Теплоснабжающей организацией,
эксплуатирующей тепловые сети в г. Никольск, является МУП «Никольские
Теплосети».
Из здания котельной выходит ветка теплотрассы,
которая в свою очередь дает ответвления. Котельная находится практически в
центре системы теплоснабжения.
Суммарное количество объектов теплопотребления
тридцать пять (вместе с котельной). Общая длина тепловых сетей составляет
2507,87 метров. Условные диаметры трубопроводов Dу
находятся в пределах от 40 до 200 мм, преимущественно 50 - 150 мм. Расстояние
от котельной до ближайшего потребителя 80 метров. Расстояние от котельной до
тепловой камеры 50,1 метра.
По территории снабжаемого района предусмотрена в
основном подземная прокладка трубопроводов в непроходных каналах. Они
предназначены для защиты данного участка от внешних воздействий и для
обеспечения свободного теплового удлинения труб. Также применяется воздушная
прокладка на низких опорах. Наиболее распространена подземная прокладка, её
протяженность составляет 2134,55 метров. Протяженность воздушной прокладки
равна 373,32 метра.
На рисунке 2.3 приведена структура тепловых
сетей по способу прокладки.
Рисунок 2.3 - Структура тепловых сетей
по способу прокладки
Конструктивно сеть выполнена
двухтрубной тупиковой из труб стальных электросварных прямошовных по ГОСТ
10704-91 [13]. Отпуск тепла осуществляется в виде горячей воды по
температурному графику 75 - 50 0С. Тепловые потери в тепловых сетях
составляют 8,40 %.
Тепловая изоляция трубопроводов
выполнена из стекловаты, покрывной слой из 2-3 слоев изола или бризола при
подземной прокладке трасс. Глубина закладывания трубопроводов составляет 1,8
метра, что удовлетворяет требованиям по подземной прокладке трубопроводов.
Глубина промерзания грунта в г. Никольске составляет 1,6 метра. Устранение
усилий, возникающих при тепловых удлинениях труб, осуществляется лишь за счет
естественной компенсации трассы с углом поворота не более 140°.
Для крепления трубопроводов в
отдельных точках применяют неподвижные опоры. Также применяются подвижные
опоры, которые воспринимают и передают основное усилие от трубопровода грунту
или несущим конструкциям. Предохранять трубопровод от нагрузок, обеспечивая при
этом свободное перемещение в линейной плоскости, - основная задача скользящих
опор. Запорная арматура в тепловой сети применяется с ручным приводов, в
основном стальная. На вводе абонентов имеются тепловые пункты. Для обслуживания
ответвлений тепловой сети используется 19 тепловых камер из сборного
железобетона. В камерах установлена запорная арматура, а также дренажные и
воздушные краны.
В целом можно сразу же выделить
основные конструктивные недостатки тепловой сети. Потребители находится на
значительном удалении от источника теплоты, и тепловые сети имеют относительно
большую протяженность, что ухудшает условия теплоснабжения.
По результатам обследования тепловой
сети можно сделать следующие выводы: в тепловых сетях не применяется наиболее
выгодная и оправданная прокладка трубопроводов; не осуществляется регулировка
гидравлического режима, что приводит к завышенному расходу теплоносителя, а
следовательно к излишним затратам на перекачку теплоносителя.
.4 Описание потребителей
Централизованная система теплоснабжения
обеспечивает тепловой энергией 34 объекта. Большинство из них составляют здания
административно-общественного назначения этажностью от 1 до 5 этажей
(поликлиника, здание ГИБДД, школа, банк). Так же имеются 4 многоквартирных
жилых дома и 2 частных жилых дома. Тепловая энергия, вырабатываемая на
котельной, идет только на отопление.
Полный перечень объектов, снабжаемых
теплотой, приведен таблице 2.4, также приведены значения тепловых нагрузок для
каждого потребителя в отдельности.
Таблица 2.4 - Значения тепловых нагрузок для
каждого потребителя
|
№
п/п
|
Потребитель
|
Тип
здания
|
Тепловая
нагрузка на отопление, ккал/ч
|
|
|
|
|
|
1
|
2
|
3
|
4
|
|
1
|
Поликлиника
|
|
93908
|
|
2
|
Хирургический
корпус
|
|
1012526
|
|
3
|
Хозяйственный
корпус
|
|
38808
|
|
4
|
Терапевтический
корпус
|
|
99316
|
|
5
|
Инфекционное
отделение
|
|
38266
|
|
6
|
Стоматологическое
отделение
|
|
15247
|
|
7
|
Гараж
ЦРБ
|
|
15388
|
|
8
|
Административное
здание РОВД
|
|
157677
|
|
9
|
Штаб
РОВД
|
|
20245
|
|
10
|
Дежурная
часть РОВД
|
|
46902
|
|
11
|
Гараж
РОВД 1
|
|
14157
|
|
12
|
Гараж
РОВД 2
|
|
13173
|
|
13
|
Гараж
ПФР
|
|
7578
|
|
14
|
Казначейство,
ПФР
|
|
89962
|
|
15
|
Детский
дом
|
|
74809
|
|
16
|
Прачечная
детдома
|
|
5860
|
|
17
|
Гараж
детдома
|
|
17994
|
|
18
|
ул.
Советская, 65
|
ж/д
|
27799
|
|
19
|
Начальная
школа
|
|
248390
|
|
20
|
Столовая
РОО
|
|
31451
|
|
21
|
Дом
детского творчества
|
|
58256
|
|
22
|
Мастерские
школы №1
|
|
15861
|
|
23
|
Гараж
отдела культуры
|
|
6785
|
|
24
|
Администрация
района
|
|
113444
|
|
25
|
Районный
суд
|
|
39421
|
|
26
|
Банк
РКЦ
|
|
97341
|
|
27
|
Дом
культуры
|
|
276426
|
|
28
|
Магазин
"Сантехника"
|
|
4064
|
|
29
|
Магазин
"Сантехника"
|
|
5558
|
|
30
|
ул.
Советская, 31
|
ж/д
|
120667
|
|
31
|
ул.
Советская, 33
|
ж/д
|
46808
|
|
32
|
ул.
Советская ,37
|
ж/д
|
78213
|
|
33
|
Частный
дом, ул. Павлова, 9
|
ж/д
|
8416
|
|
34
|
Частный
дом, ул. Советская, 51
|
ж/д
|
6863
|
|
35
|
Котельная
|
|
84856
|
|
Итого:
|
|
3032435
|
Потребление тепловой энергии, дифференцированное
по объектам, представлено на рисунке 2.4 в виде диаграммы.
Рисунок 2.4 - Тепловая нагрузка
зданий на отопление
Из диаграммы видно, что объекты теплопотребления
имеют резко неравномерную нагрузку и это позволяет судить о проблемах с
регулировкой сети и эксплуатацией отдельных участков сети.
Первые пять объектов в системе теплопотреблении
составляют более 50% от общей нагрузки. Поэтому регулировка на этих объектах
должна выполняться в обязательном порядке, как правило, в первую очередь.
3. РЕГУЛИРОВКА ГИДРАВЛИЧЕСКОГО РЕЖИМА ТЕПЛОВОЙ
СЕТИ
.1 Анализ потребителей
.1.1 Определение расхода теплоносителя
При расчете систем теплоснабжения различают два
вида тепловых нагрузок: расчетные тепловые нагрузки и тепловые нагрузки,
отличные от расчетных. Расчетные тепловые нагрузки на отопление зданий зависят
от температуры наружного воздуха для данного района, наружного объема зданий и
их удельных тепловых характеристик.
Расчетные тепловые нагрузки позволяют определить
расход теплоносителя, мощность источника теплоснабжения, расход топлива на
выработку тепловой энергии Энергетика
источником теплоснабжения, диаметры
трубопроводов тепловых сетей. Однако при наличии проектной документации
расчетные тепловые нагрузки и расходы теплоносителя следует принимать по ним.
Если известны строительные размеры зданий, то
расчетные расходы теплоты (Гкал/ч) на отопление жилых, общественных и
административных зданий определяют по укрупненным показателям [17] по формуле:
, Гкал/ч, (3.1.1.1)
где
- поправочный коэффициент,
учитывающий зависимость тепловой характеристики здания
от расчетной
температуры наружного воздуха,
= 0,98;
- наружный объем зданий, м3;
- удельная отопительная характеристика
здания, зависящая от его назначения и объема, ккал/(м3 ч °С);
- расчетная температура внутреннего
воздуха отапливаемых помещений, °С;
- расчетная температура наружного
воздуха для проектирования отопления (температура наиболее холодной пятидневки
обеспеченностью 0,92), °С [11].
При отоплении жилых и общественных
зданий тепло расходуется на возмещение теплопотерь через строительные
ограждения, а также теплопотерь, вызываемых инфильтрацией (прониканием)
наружного воздуха через неплотности в конструкциях и периодически открываемые
двери. Теплопотери здания принимают по типовым или индивидуальным проектам
зданий, проектам систем отопления. Годовую потребность в тепле в этих случаях
определяют по формуле:
, Гкал,
(3.1.1.2)
где
- потери тепла зданием при
расчетной температуре наружного воздуха для данной местности, кДж/ч (ккал/ч);
- средняя температура наружного
воздуха за отопительный сезон, °С [11];
- расчетная температура наружного
воздуха для проектирования отопления (температура наиболее холодной пятидневки
обеспеченностью 0,92), °С [11];
- продолжительность отопительного
периода, сут [11].
Зная общую нагрузку для
теплоснабжения можно определить расход сетевой воды для обеспечения
теплоснабжения.
, т/ч, (3.1.1.3)
где
- температура сетевой воды в
подающем трубопроводе, °С;
- температура сетевой воды в
обратном трубопроводе, °С.
Общий часовой расход теплоносителя
определяется по формуле:
, т/ч, 3.1.1.4)
где
- расход сетевой воды на горячее
водоснабжение, т/ч.
Результаты расчета часовых расходов
теплоносителя для потребителей тепловой энергии данной системы теплоснабжения
приведены в таблице 3.1.1.
Таблица 3.1.1 - Часовые расходы теплоносителя
|
Потребитель
|
Тепловая
нагрузка на отопление, ккал/ч
|
Расход
сетевой воды на отопление, Gо, т/ч
|
Расход
сетевой воды на нужды ГВ, Gгв, т/ч
|
Общий
расход сетевой воды, Gч, т/ч
|
|
1
|
2
|
3
|
4
|
5
|
|
Котельная
|
84856
|
117,903
|
0
|
117,903
|
|
Поликлиника
|
93908
|
3,756
|
0
|
3,756
|
|
Хирургический
корпус
|
1012526
|
40,501
|
0
|
40,501
|
|
Хозяйственный
корпус
|
38808
|
1,552
|
0
|
1,552
|
|
Терапевтический
корпус
|
99316
|
3,973
|
0
|
3,973
|
|
Инфекционное
отделение
|
38266
|
1,531
|
0
|
1,531
|
|
Стоматологическое
отделение
|
15247
|
0,610
|
0
|
0,610
|
|
Гараж
ЦРБ
|
15388
|
0
|
0,616
|
|
Административное
здание РОВД
|
157677
|
6,307
|
0
|
6,307
|
|
Штаб
РОВД
|
20245
|
0,810
|
0
|
0,810
|
|
Дежурная
часть РОВД
|
46902
|
1,876
|
0
|
1,876
|
|
Гараж
РОВД 1
|
14157
|
0,566
|
0
|
0,566
|
|
Гараж
РОВД 2
|
13173
|
0,527
|
0
|
0,527
|
|
Гараж
ПФР
|
7578
|
0,303
|
0
|
0,303
|
|
Казначейство,
ПФР
|
89962
|
3,598
|
0
|
3,598
|
|
Детский
дом
|
74809
|
2,992
|
0
|
2,992
|
|
Прачечная
детдома
|
5860
|
0,234
|
0
|
0,234
|
|
Гараж
детдома
|
17994
|
0,720
|
0
|
0,720
|
|
ул.
Советская, 65
|
27799
|
1,112
|
0
|
1,112
|
|
Начальная
школа
|
248390
|
9,936
|
0
|
9,936
|
|
Столовая
РОО
|
31451
|
1,258
|
0
|
1,258
|
|
Дом
детского творчества
|
58256
|
2,330
|
0
|
2,330
|
|
Мастерские
школы №1
|
15861
|
0,634
|
0
|
0,634
|
|
Гараж
отдела культуры
|
6785
|
0,271
|
0
|
0,271
|
|
Администрация
района
|
113444
|
4,538
|
0
|
4,538
|
|
Районный
суд
|
39421
|
1,577
|
0
|
1,577
|
|
Банк
РКЦ
|
97341
|
3,894
|
0
|
3,894
|
|
Дом
культуры
|
276426
|
11,057
|
0
|
11,057
|
|
Магазин
"Сантехника"
|
4064
|
0,163
|
0
|
0,163
|
|
Магазин
"Сантехника"
|
5558
|
0,222
|
0
|
0,222
|
|
ул.
Советская, 31
|
120667
|
4,827
|
0
|
4,827
|
|
ул.
Советская, 33
|
46808
|
1,872
|
0
|
1,872
|
|
ул.
Советская ,37
|
78213
|
3,129
|
0
|
3,129
|
|
Частный
дом, ул. Павлова, 9
|
8416
|
0,337
|
0
|
0,337
|
|
Частный
дом, ул. Советская, 51
|
6863
|
0,275
|
0
|
0,275
|
.1.2 Скорость движения теплоносителя
Используя полученные значения расходов
теплоносителя, вычислим для каждого участка труб скорость движения воды по
формуле [15]:
, м/с, (3.1.2.)
где
- расчетный расход сетевой воды на
участке, найден по формуле (3.1.1.4), т/ч;
- диаметр расчетного участка
трубопровода, м.
Таблица 3.1.2.1 - Скорость движения
теплоносителя на магистральном трубопроводе
|
№
магистрального участка
|
Диаметр
участка, dуч, мм
|
Длина
участка, Lуч, м
|
Расход
воды, Gч, т/ч
|
Скорость
теплоносителя, υ,
м/с
|
|
1
|
2
|
3
|
4
|
5
|
|
0ꞌ-0
|
200
|
1,0
|
117,903
|
1,043
|
|
0-1
|
200
|
80,0
|
55,537
|
0,491
|
|
1-2
|
150
|
104,0
|
55,201
|
0,868
|
|
2-3
|
150
|
72,0
|
54,926
|
0,864
|
|
3-4
|
150
|
45,6
|
51,147
|
0,804
|
|
4-5
|
150
|
44,2
|
44,840
|
0,705
|
|
5-6
|
150
|
114,4
|
40,938
|
0,644
|
|
6-7
|
150
|
113,1
|
24,686
|
0,388
|
|
7-8
|
150
|
59,9
|
23,396
|
0,368
|
|
8-9
|
150
|
164,9
|
16,528
|
0,260
|
|
9-10
|
50
|
150,0
|
1,577
|
0,223
|
Исходя из расчетов, полученных в таблице,
построим диаграмму скорости движения теплоносителя по магистральному
трубопроводу.
Рисунок 3.1.2.1 - Скорость движения
теплоносителя на магистральном трубопроводе
Из диаграммы видим, что почти на половине
участков скорость меньше 0,8 м/с, это говорит о завышенных диаметрах
трубопровода и о больших тепловых потерях. Но уменьшать диаметры магистральных
трубопроводов не целесообразно, так как возможно строительство новых зданий,
которые в дальнейшем могут быть присоединены к данной системе теплоснабжения.
Скорость теплоносителя в отводящих трубопроводах
представлена в таблице 3.1.2.2.
Таблица 3.1.2.2 - Скорость теплоносителя в
отводящих трубопроводах
|
Наименование
|
Диаметр
участка, dуч, мм
|
Длина
участка, Lуч, м
|
Расход
воды, Gч,т/ч
|
Скорость
теплоносителя, υ,
м/с
|
|
1
|
2
|
3
|
4
|
5
|
|
Поликлиника
|
50
|
43,20
|
3,756
|
0,532
|
|
Хирургический
корпус
|
150
|
10,90
|
40,501
|
0,637
|
|
Хозяйственный
корпус
|
69
|
13,00
|
1,552
|
0,115
|
|
Терапевтический
корпус
|
50
|
58,30
|
3,973
|
0,562
|
|
Инфекционное
отделение
|
50
|
45,42
|
1,531
|
0,217
|
|
Стоматологическое
отделение
|
50
|
15,35
|
0,610
|
0,086
|
|
Гараж
ЦРБ
|
40
|
15,30
|
0,616
|
0,136
|
|
Административное
здание РОВД
|
69
|
20,60
|
6,307
|
0,469
|
|
Штаб
РОВД
|
50
|
10,20
|
0,810
|
0,115
|
|
Дежурная
часть РОВД
|
50
|
5,00
|
1,876
|
0,266
|
|
Гараж
РОВД 1
|
50
|
20,00
|
0,566
|
0,080
|
|
Гараж
РОВД 2
|
50
|
7,00
|
0,527
|
0,075
|
|
Гараж
ПФР
|
50
|
18,00
|
0,303
|
0,043
|
|
Казначейство,
ПФР
|
50
|
10,00
|
3,598
|
0,509
|
|
Детский
дом
|
69
|
22,00
|
2,992
|
0,222
|
|
Прачечная
детдома
|
40
|
5,00
|
0,234
|
0,052
|
|
Гараж
детдома
|
50
|
80,00
|
0,720
|
0,102
|
|
ул.
Советская, 65
|
69
|
22,00
|
1,112
|
0,083
|
|
Начальная
школа
|
50
|
120,00
|
9,936
|
1,406
|
|
Столовая
РОО
|
40
|
5,00
|
1,258
|
0,278
|
|
Дом
детского творчества
|
69
|
22,40
|
2,330
|
0,173
|
|
Мастерские
школы №1 и гараж
|
82
|
74,70
|
0,906
|
0,048
|
|
Администрация
района
|
69
|
44,20
|
4,538
|
0,337
|
|
Районный
суд
|
50
|
150,00
|
1,577
|
0,223
|
|
Банк
РКЦ
|
69
|
25,20
|
3,894
|
0,289
|
|
Дом
культуры
|
43,50
|
11,057
|
0,250
|
|
Магазин
"Сантехника"
|
40
|
1,00
|
0,163
|
0,036
|
|
Магазин
"Сантехника"
|
40
|
1,00
|
0,222
|
0,049
|
|
ул.
Советская, 31
|
50
|
44,33
|
4,827
|
0,683
|
|
ул.
Советская, 33
|
50
|
4,25
|
1,872
|
0,265
|
|
ул.
Советская ,37
|
82
|
82,50
|
3,129
|
0,165
|
|
Частный
дом, ул. Павлова, 9
|
82
|
84,00
|
0,337
|
0,018
|
|
Частный
дом, ул. Советская, 51
|
50
|
10,00
|
0,275
|
0,039
|
На рис. 3.1.2.2 построена диаграмма скоростей
теплоносителя на отводящих трубопроводах.
Рисунок 3.1.2.2 - Скорость
теплоносителя на отводящих трубопроводах
В подавляющем большинстве
трубопроводах скорость на порядок ниже рекомендуемой (1,5 м/с). Это говорит о
завышенных диаметрах трубопроводах.
3.1.3 Тепловые потери на участках
Гкал/ч,
(3.1.3.1)
где
- длина расчетного участка
трубопровода, м;
- норма плотности теплового потока
в непроходном канале, Вт/м,[12].
Для того чтобы составить рейтинг,
необходимо определить долю тепловых потерь участка тепловой сети от общего
количества проходящей через этот участок теплоты. Долю тепловых потерь в
процентах от общего количества проходящей через участок теплоты можно
определить по выражению:
(3.1.3.2)
где
- тепловые потери участка,
Гкал/год;
- количество проходящей через
участок теплоты (по формуле 3.1.2), Гкал/год.
Расчет тепловых потерь на отводящих
трубопроводах приведен в таблице 3.1.3. На основании произведенных расчетов
построена диаграмма (рис. 3.1.3).
Таблица 3.1.3 - Тепловые потери на
отводящих трубопроводах
|
Потребитель
|
tвн.в
|
Диаметр
участка, мм
|
Длина
участка, м
|
Норма
плотности тепл.пот.
|
Потери
тепловой энергии, Мкал
|
Расчетная
годовая нагрузка на отопление здания, Мкал/ч
|
Доля
тепловых потерь
|
|
1
|
2
|
3
|
4
|
5
|
6
|
7
|
8
|
|
Поликлиника
|
20
|
50
|
43,20
|
20,0
|
203,904
|
233,808
|
0,872
|
|
Хирургический
корпус
|
20
|
150
|
10,90
|
32,5
|
83,603
|
2520,947
|
0,033
|
|
Хозяйственный
корпус
|
16
|
69
|
13,00
|
22,5
|
69,030
|
87,326
|
0,790
|
|
Терапевтический
корпус
|
20
|
50
|
58,30
|
20,0
|
275,176
|
247,273
|
1,113
|
|
Инфекционное
отделение
|
20
|
50
|
45,42
|
20,0
|
214,382
|
95,273
|
2,250
|
|
Стоматологическое
отделение
|
20
|
50
|
15,35
|
20,0
|
72,452
|
37,961
|
1,909
|
|
Гараж
ЦРБ
|
15
|
40
|
15,30
|
17,5
|
63,189
|
33,613
|
1,880
|
|
Административное
здание РОВД
|
20
|
69
|
20,60
|
22,5
|
109,386
|
392,578
|
0,279
|
|
Штаб
РОВД
|
20
|
50
|
10,20
|
20,0
|
48,144
|
50,405
|
0,955
|
|
Дежурная
часть РОВД
|
20
|
50
|
5,00
|
20,0
|
23,600
|
116,775
|
0,202
|
|
Гараж
РОВД 1
|
15
|
50
|
20,00
|
20,0
|
94,400
|
30,924
|
3,053
|
|
Гараж
РОВД 2
|
15
|
50
|
7,00
|
20,0
|
33,040
|
28,774
|
1,148
|
|
Гараж
ПФР
|
15
|
50
|
18,00
|
20,0
|
84,960
|
16,553
|
5,133
|
|
Казначейство
|
20
|
50
|
10,00
|
20,0
|
47,200
|
223,984
|
0,211
|
|
Детский
дом
|
20
|
69
|
22,00
|
22,5
|
116,820
|
186,256
|
0,627
|
|
Прачечная
детдома
|
18
|
40
|
5,00
|
17,5
|
20,650
|
13,915
|
1,484
|
|
Гараж
детдома
|
15
|
50
|
80,00
|
20,0
|
377,600
|
39,305
|
9,607
|
|
1
|
2
|
3
|
4
|
5
|
6
|
7
|
8
|
|
ул.
Советская, 65
|
20
|
69
|
22,00
|
22,5
|
116,820
|
69,213
|
1,688
|
|
Начальная
школа
|
16
|
50
|
120,00
|
20,0
|
566,400
|
558,930
|
1,013
|
|
Столовая
РОО
|
18
|
40
|
5,00
|
17,5
|
20,650
|
74,681
|
0,277
|
|
Дом
детского творчества
|
20
|
69
|
22,40
|
22,5
|
118,944
|
145,043
|
0,820
|
|
Мастерские
школы №1 и гараж
|
16
|
82
|
74,70
|
24,0
|
423,101
|
50,958
|
8,303
|
|
Администрация
района
|
20
|
69
|
44,20
|
22,5
|
234,702
|
282,448
|
0,831
|
|
Районный
суд
|
20
|
50
|
150,00
|
20,0
|
708,000
|
98,149
|
7,214
|
|
Банк
РКЦ
|
20
|
69
|
25,20
|
22,5
|
133,812
|
242,356
|
0,552
|
|
Дом
культуры
|
16
|
125
|
43,50
|
29,5
|
302,847
|
622,017
|
0,487
|
|
Магазин
"Сантехника"
|
18
|
40
|
1,00
|
17,5
|
4,130
|
9,650
|
0,428
|
|
Магазин
"Сантехника"
|
18
|
40
|
1,00
|
17,5
|
4,130
|
13,198
|
0,313
|
|
ул.
Советская, 31
|
18
|
50
|
44,33
|
20,0
|
209,238
|
286,524
|
0,730
|
|
ул.
Советская, 33
|
18
|
50
|
4,25
|
20,0
|
20,060
|
111,146
|
0,180
|
|
ул.
Советская ,37
|
18
|
82
|
82,50
|
24,0
|
467,280
|
185,717
|
2,516
|
|
Частный
дом, ул. Павлова, 9
|
20
|
82
|
84,00
|
22,5
|
446,040
|
20,954
|
21,287
|
|
Частный
дом, ул. Советская, 51
|
20
|
50
|
10,00
|
20,0
|
47,200
|
17,087
|
2,762
|
Рисунок 3.1.3 - Доля тепловых потерь на
отводящих трубопровода
Анализируя данные диаграммы по тепловым потерям
можно дать следующие выводы, что ситуация в целом спокойная. Но четыре объекта
(частный дом по ул. Павлова, 9; гараж детдома; мастерские школы №1 и гараж;
районный суд) обладают завышенным процентом тепловых потерь, которые
превосходят нормативные. Это говорит о завышенных диаметрах трубопроводов.
.2 Гидравлический режим тепловой сети
.2.1 Расчет гидравлического режима тепловой сети
Гидравлический расчет является одним из важных
разделов проектирования и эксплуатации тепловой сети. Целью гидравлического
расчета тепловой сети является определение падения давления (напора).
Гидравлический расчет тепловых сетей, выполняемый для подбора дроссельных
устройств и разработки эксплуатационного режима, производится в целях
определения потерь давления в трубопроводах тепловой сети от источника теплоты
до каждого потребителя. В результате наладки выполняется подбор дросселирующих
устройств: подбор и определение диаметров дроссельных шайб и мест их установки.
Для проведения гидравлического расчета необходимы профиль тепловой сети, данные
о размещении потребителей, их фактические тепловые нагрузки, а также длины и
диаметры участков трубопроводов существующей тепловой сети.
Расчет начинается с выбора главной магистрали.
Главная магистраль - связанная система участков трубопроводов от источника до
наиболее удаленного потребителя. Наносят на ней длины и диаметры трубопроводов,
местные сопротивления и расчётные расходы теплоносителя по всем участкам
тепловой сети. При расчете данной тепловой сети выбрано основное расчетное
направление, которое соединяет котельную и здание районного суда.
Суммарные потери напора в трубопроводе складываются
из двух составляющих: гидравлические линейные потери на трение и потери
давления в местных сопротивлениях и определяются по формуле:

, (3.2.1.1)
где
- линейные потери напора на
участке, м;
- удельное линейное падение напора,
кгс/м2м;
- длина расчетного участка, м;
- осреднённый коэффициент местных
потерь;
- эквивалентная длина местных
сопротивлений, м;
- приведенная длина рассчитываемого
участка трубопровода, м;
- плотность теплоносителя, кг/м3.
Потери напора на трение:

, (3.2.1.2)
где
- коэффициент гидравлического
трения;
- скорость воды в трубопроводе,
м/с;
- ускорение свободного падения, м/с2;
- плотность теплоносителя, кг/м3;
- внутренний диаметр трубопровода,
м.
В настоящее время используют понятие
относительной шероховатости. Когда шероховатость трубы не влияет на ее
сопротивление, трубу называют гидравлически «гладкой». Для «шероховатых» труб
коэффициент гидравлического сопротивления определяется по формуле Альтшуля:
, (3.2.1.3)
где
- абсолютная
эквивалентная шероховатость в водяных сетях принимается 0,001м при существующей
схеме), 0,0005 м (при проектируемой схеме);
- действительный критерий
Рейнольдса,
.
Скорость воды в трубопроводе
вычисляется по одному из основных уравнений - уравнения неразрывности:

, (3.2.1.4)
где
- расход сетевой воды на участке,
кг/сек;
- внутренний диаметр трубопровода,
м.
Эквивалентная длина:

, (3.2.1.5)
где
- сумма коэффициентов местных
сопротивлений.
Для определения коэффициентов
местных сопротивлений нам необходимо знать расположение всех углов поворотов
трассы, задвижек и другой прочей арматуры. При расчетах, когда характер и
размещение местных сопротивлений на трубопроводе неизвестны, рекомендуется
определять осредненный коэффициент местных потерь по формуле:
, (3.2.1.6)
где
- расход теплоносителя, т/ч;
- постоянный коэффициент, зависящий
от вида теплоносителя (для воды Z=0,1).
Приведенная длина участка труб
системы равна сумме длин прямолинейных участков и длин труб, эквивалентных по
сопротивлению фасонным частям, арматуре и оборудованию:

, (3.2.1.7)
Гидравлический расчет тепловой сети представлен
в таблице 3.2.1.
Таблица 3.2.1 - Гидравлический расчет тепловой
сети
|
№
расч. уч
|
dвн,
мм
|
Gр,
т/ч
|
Lуч,
м
|
Скорость
теплоносителя, м/с
|
Кэ,
м
|
Lэкв,
м
|
Lпр,
м
|
λ
|
Rл
|
ΔH, м в.ст.
|
Потери
напора от источника
|
|
|
1
|
2
|
3
|
4
|
5
|
6
|
7
|
8
|
9
|
10
|
11
|
12
|
|
|
0ꞌ-0
|
207
|
117,90
|
1,00
|
1,043
|
0,001
|
0,10
|
1,10
|
0,029
|
7,573
|
0,009
|
0,009
|
|
|
0-1
|
207
|
55,54
|
80,00
|
0,491
|
0,001
|
8,00
|
88,00
|
0,029
|
1,680
|
0,152
|
0,160
|
|
|
1-2
|
150
|
55,20
|
104,00
|
0,868
|
0,001
|
10,40
|
114,40
|
0,031
|
7,847
|
0,921
|
1,081
|
|
|
2-3
|
150
|
54,93
|
72,00
|
0,864
|
0,001
|
7,20
|
79,20
|
0,031
|
7,769
|
0,631
|
1,712
|
|
|
3-4
|
150
|
51,15
|
45,60
|
0,804
|
0,001
|
4,56
|
50,16
|
0,031
|
6,737
|
0,347
|
2,059
|
|
|
4-5
|
150
|
44,84
|
44,20
|
0,705
|
0,001
|
4,42
|
48,62
|
0,031
|
5,178
|
0,258
|
2,317
|
|
|
5-6
|
150
|
40,94
|
114,40
|
0,644
|
0,001
|
11,44
|
125,84
|
0,031
|
4,316
|
0,557
|
2,874
|
|
|
6-7
|
150
|
24,69
|
113,10
|
0,388
|
0,001
|
11,31
|
124,41
|
0,031
|
1,569
|
0,200
|
3,075
|
|
|
7-8
|
150
|
23,40
|
59,90
|
0,368
|
0,001
|
5,99
|
65,89
|
0,031
|
1,410
|
0,095
|
3,170
|
|
|
8-9
|
150
|
16,53
|
164,90
|
0,260
|
0,001
|
16,49
|
181,39
|
0,031
|
0,703
|
0,131
|
3,301
|
|
|
9-10
|
50
|
1,58
|
150,00
|
0,223
|
0,001
|
15,00
|
165,00
|
0,041
|
2,048
|
0,347
|
3,647
|
|
|
Ответвление
на ул. Павлова, 9
|
|
|
0-11
|
82
|
0,34
|
84,00
|
0,019
|
0,001
|
8,40
|
92,40
|
0,037
|
0,008
|
0,001
|
0,009
|
|
|
11-12
|
40
|
0,34
|
8,60
|
0,074
|
0,001
|
0,86
|
9,46
|
0,044
|
0,301
|
0,003
|
0,011
|
|
|
Ответвление
на ул. Советская, 37
|
|
|
1-13
|
82
|
3,13
|
82,50
|
0,173
|
0,001
|
8,25
|
90,750
|
0,037
|
0,663
|
0,062
|
0,160
|
|
|
Ответвление
на ул. Советская, 51
|
|
|
2-14
|
50
|
0,27
|
10,00
|
0,039
|
0,001
|
1,00
|
11,00
|
0,041
|
0,062
|
0,001
|
1,081
|
|
|
Ответвление
на РОВД
|
|
|
3-15
|
69
|
3,78
|
46,70
|
0,281
|
0,001
|
4,67
|
51,37
|
0,038
|
2,168
|
0,114
|
1,712
|
|
|
15-16
|
50
|
0,53
|
7,00
|
0,075
|
0,001
|
0,70
|
7,70
|
0,041
|
0,229
|
0,002
|
1,714
|
|
|
15-17
|
50
|
0,81
|
10,20
|
0,115
|
0,001
|
1,02
|
11,22
|
0,041
|
0,540
|
0,006
|
1,720
|
|
|
15-18
|
50
|
2,44
|
22,00
|
0,346
|
0,001
|
2,20
|
24,20
|
0,041
|
4,913
|
0,122
|
1,842
|
|
|
8-19
|
50
|
1,88
|
5,00
|
0,266
|
0,001
|
0,50
|
5,50
|
0,041
|
2,899
|
0,016
|
1,859
|
|
18-20
|
50
|
0,57
|
20,00
|
0,080
|
0,001
|
2,00
|
22,00
|
0,041
|
0,264
|
0,006
|
1,865
|
|
Ответвление
на административное здание РОВД
|
|
|
4-21
|
69
|
6,31
|
20,60
|
0,469
|
0,001
|
2,06
|
22,66
|
0,038
|
6,040
|
0,140
|
2,059
|
|
Ответвление
на ПФР
|
|
|
5-22
|
50
|
3,90
|
10,00
|
0,552
|
0,001
|
1,00
|
11,00
|
0,041
|
12,537
|
0,141
|
2,317
|
|
22-23
|
50
|
0,30
|
18,00
|
0,043
|
0,001
|
1,80
|
19,80
|
0,041
|
0,076
|
0,002
|
2,319
|
|
|
6-24
|
100
|
16,25
|
38,22
|
0,575
|
0,001
|
3,82
|
42,04
|
0,035
|
5,716
|
0,247
|
2,874
|
|
24-25
|
69
|
2,99
|
22,00
|
0,222
|
0,001
|
2,20
|
24,20
|
0,038
|
1,359
|
0,034
|
2,908
|
|
24-26
|
69
|
1,11
|
22,00
|
0,083
|
0,001
|
2,20
|
24,20
|
0,038
|
0,188
|
0,005
|
2,913
|
|
24-27
|
50
|
12,15
|
65,50
|
1,719
|
0,001
|
6,55
|
72,05
|
0,041
|
12,154
|
0,898
|
3,811
|
|
27-28
|
50
|
9,94
|
120,00
|
1,406
|
0,001
|
12,00
|
132,00
|
0,041
|
8,130
|
1,101
|
4,912
|
|
27-29
|
40
|
2,21
|
27,00
|
0,489
|
0,001
|
2,70
|
29,70
|
0,044
|
13,006
|
0,396
|
5,308
|
|
29-30
|
40
|
1,49
|
5,00
|
0,330
|
0,001
|
0,50
|
5,50
|
0,044
|
5,919
|
0,033
|
5,341
|
|
30-31
|
40
|
0,23
|
5,00
|
0,052
|
0,001
|
0,50
|
5,50
|
0,044
|
0,146
|
0,001
|
5,342
|
|
29-32
|
50
|
0,72
|
24,20
|
0,102
|
0,001
|
2,42
|
26,62
|
0,041
|
0,427
|
0,012
|
5,354
|
|
32-33
|
50
|
0,72
|
80,00
|
0,102
|
0,001
|
8,00
|
88,00
|
0,041
|
0,427
|
0,039
|
5,392
|
|
Ответвление
на Администрацию района
|
|
|
8-35
|
69
|
6,87
|
22,40
|
0,510
|
0,001
|
2,24
|
24,64
|
0,038
|
7,162
|
0,181
|
3,170
|
|
35-36
|
69
|
4,54
|
44,20
|
0,337
|
0,001
|
4,42
|
48,62
|
0,038
|
3,126
|
0,156
|
3,326
|
|
Ответвление
на Дом Культуры
|
|
|
9-37
|
125
|
11,06
|
43,50
|
0,250
|
0,001
|
4,35
|
47,85
|
0,033
|
0,820
|
0,040
|
3,301
|
|
Ответвление
на Банк
|
|
|
9-38
|
69
|
3,89
|
25,20
|
0,289
|
0,001
|
2,52
|
27,72
|
0,038
|
2,302
|
0,065
|
3,301
|
|
Ответвление
на мастерские
|
|
|
7-55
|
82
|
1,29
|
40,00
|
0,071
|
0,001
|
4,00
|
44,00
|
0,037
|
0,113
|
0,005
|
3,075
|
|
55-56
|
40
|
0,16
|
1,00
|
0,036
|
0,001
|
0,10
|
1,10
|
0,044
|
0,070
|
0,000
|
3,075
|
|
|
55-57
|
82
|
1,13
|
35,00
|
0,062
|
0,001
|
3,50
|
38,50
|
0,037
|
0,086
|
0,003
|
3,078
|
|
|
57-58
|
40
|
0,22
|
1,00
|
0,049
|
0,001
|
0,10
|
1,10
|
0,044
|
0,131
|
0,000
|
3,078
|
|
|
57-34
|
82
|
0,91
|
74,70
|
0,050
|
0,001
|
7,47
|
82,17
|
0,037
|
0,056
|
0,005
|
3,083
|
|
|
Ответвление
на поликлинику
|
|
|
0-39
|
150
|
59,24
|
50,70
|
0,932
|
0,001
|
5,07
|
55,77
|
0,031
|
9,037
|
0,517
|
0,009
|
|
|
39-40
|
150
|
59,24
|
34,50
|
0,932
|
0,001
|
3,45
|
37,95
|
0,031
|
9,037
|
0,352
|
0,360
|
|
|
40-41
|
40
|
0,62
|
15,30
|
0,136
|
0,001
|
1,53
|
16,83
|
0,044
|
1,007
|
0,017
|
0,378
|
|
|
40-42
|
150
|
58,62
|
59,50
|
0,922
|
0,001
|
5,95
|
65,45
|
0,031
|
8,850
|
0,594
|
0,972
|
|
|
42-43
|
150
|
42,03
|
10,90
|
0,661
|
0,001
|
1,09
|
11,99
|
0,031
|
4,550
|
0,056
|
1,028
|
|
|
43-44
|
50
|
1,53
|
45,42
|
0,217
|
0,001
|
4,54
|
49,96
|
0,041
|
1,930
|
0,099
|
1,127
|
|
|
42-45
|
150
|
16,59
|
2,20
|
0,261
|
0,001
|
0,22
|
2,42
|
0,031
|
0,709
|
0,002
|
1,128
|
|
|
45-46
|
69
|
1,55
|
13,00
|
0,115
|
0,001
|
1,30
|
14,30
|
0,038
|
0,366
|
0,005
|
1,134
|
|
|
45-47
|
150
|
15,04
|
73,10
|
0,236
|
0,001
|
7,31
|
80,41
|
0,031
|
0,582
|
0,048
|
1,182
|
|
|
47-48
|
150
|
8,58
|
35,90
|
0,135
|
0,001
|
3,59
|
39,49
|
0,031
|
0,008
|
1,190
|
|
|
48-49
|
50
|
3,76
|
43,20
|
0,532
|
0,001
|
4,32
|
47,52
|
0,041
|
11,621
|
0,566
|
1,756
|
|
|
48-50
|
50
|
4,83
|
44,33
|
0,683
|
0,001
|
4,43
|
48,76
|
0,041
|
19,187
|
0,960
|
2,716
|
|
|
47-51
|
150
|
6,45
|
13,80
|
0,102
|
0,001
|
1,38
|
15,18
|
0,031
|
0,107
|
0,002
|
2,717
|
|
|
51-52
|
50
|
1,87
|
4,25
|
0,265
|
0,001
|
0,43
|
4,68
|
0,041
|
2,887
|
0,014
|
2,731
|
|
|
51-53
|
50
|
0,61
|
15,35
|
0,086
|
0,001
|
1,54
|
16,89
|
0,041
|
0,306
|
0,005
|
2,737
|
|
|
51-54
|
50
|
3,97
|
58,30
|
0,562
|
0,001
|
5,83
|
64,13
|
0,041
|
12,998
|
0,855
|
3,592
|
|
|
|
|
|
|
|
|
|
|
|
|
|
|
|
|
|
|
|
|
|
|
|
|
|
|
.2.2 Построение пьезометрического графика
Пьезометрический график представляет собой
графическое изображение напоров в тепловой сети относительно местности, на
которой она расположена. График является одним из основных инструментов анализа
результатов расчетов для тепловых сетей. Этот график изображает линии изменения
давления в узлах сети по выбранному маршруту, На пьезометрическом графике в
нужном масштабе наносят рельеф местности, а также высоту присоединенных зданий
и величины напоров в сети. По горизонтальной оси графика откладывают длину
тепловой сети, а на вертикальной оси - напоры. Линии напоров в сети наносят как
для рабочего, так и для статического режимов.
Целью построения пьезометрического графика
является наглядное изображение характера распределения давлений в системе
теплоснабжения. Пьезометрический график позволяет определить напоры в подающем
и обратном трубопроводах, а также располагаемый напор в любой точке тепловой
сети. Построение пьезометрического графика производится по результатам
гидравлического расчета тепловой сети.
Пьезометрический график строят следующим
образом:
) наносятся оси координат в выбранном масштабе,
за ноль принимается отметка самой низкой точки тепловой сети, строится
продольный профиль земли по трассе главной магистрали по геодезическим
отметкам, наносятся отметки наиболее высоких зданий, присоединенных в радиусе
зоны обслуживания котельной и высота здания конечного потребителя;
) наносится линия, определяющая статический
напор в системе (статический режим);
) наносится линия потери напора в обратной
магистрали. Уклон линии определяется исходя из выполненного ранее
гидравлического расчета тепловой сети. Высоту расположения линии на
пьезометрическом графике выбирается с учетом вышеприведенных требований к
гидравлическому режиму. Линия пьезометрического графика обратного трубопровода
в точке пересечения с ординатой, соответствующей началу тепловой сети,
определяет необходимый напор в обратном трубопроводе (на выходе сетевого
насоса), обеспечиваемый подпиточным насосом;
) Далее наносится линия подающей магистрали.
Уклон данной линии также выявлен на основании выполненного ранее
гидравлического расчета тепловой сети. Линия пьезометрического графика
подающего трубопровода в точке пересечения с ординатой, соответствующей началу
тепловой сети, определяет требуемый напор на входе в систему отопления. Напор в
любой точке тепловой сети определяется величиной отрезка между данной точкой и
линией пьезометрического графика подающей и обратной магистрали.
Рисунок 3.2.2 - Пьезометрический
график до наиболее удаленного потребителя (Районный суд)
Пьезометрический график показал, что
у самого удаленного от котельной объекта (районного суда) напор составляет 3,64
м, что достаточно для обеспечения требуемого расхода теплоносителя.
3.3 Рекомендации по повышению
эффективности системы теплоснабжения
\Мероприятия, которые обеспечивают
эффективность работы тепловой сети, разрабатывают на основе исходных данных и
данных обследования [17].
Последующие два раздела содержат рекомендации по
повышению эффективности системы теплоснабжения города Никольск от котельной
«Центральная», которые заключаются в регулировке гидравлического режима
тепловой сети и замене отводящих трубопроводов на трубопроводы с меньшим
диаметром.
.3.1 Рекомендации по осуществлению регулировки
Важнейшим компонентом всех систем
централизованного теплоснабжения являются тепловые сети. В транспортировку
тепловой энергии вкладываются огромные средства, которые соизмеримы со
стоимостью строительства крупных котельных и ТЭЦ. Повышение надежности и долговечности
систем транспорта тепла является важнейшей экономической задачей при
проектировании, строительстве и эксплуатации теплопроводов. Решение этой задачи
неразрывно связано с проблемами энергосбережения в системах теплоснабжения
[14].
Решить эти проблемы можно путем периодического
проведения мероприятий по оптимизации гидравлического режима тепловой сети,
главная цель которых - обеспечить распределение теплоносителя в сети
пропорционально тепловым нагрузкам потребителей.
Из большого количества энергосберегающих
мероприятий в теплоснабжении оптимизация гидравлического режима тепловой сети
(регулировка) является наиболее эффективной. Кроме этого, улучшается качество
теплоснабжения. Регулировка состоит из трех этапов:
расчет гидравлического режима тепловой сети и
разработки рекомендаций;
подготовительных работ;
работ по установке в сети и на объектах
теплопотребления устройств, распределяющих общий расход теплоносителя [14].
Регулировка сети носит вероятностный характер,
потому как многие характеристики тепловой сети невозможно определить.
Предлагаемый способ регулировки предполагает
установку сужающих устройств на объектах тепловой сети в строго определенном
порядке. Для начала, для всех потребителей рассчитывается рейтинговый параметр,
который позволяет определить объект, на котором установка сужающих устройств
окажет наибольшее влияние на работу сети.
Рейтинг потребителей составляется по
безразмерному параметру Z, определяемому из соотношения [26]:
, (3.3.1)
где
- расчетный расход теплоносителя на
объекте;
- расчетный перепад давления на
объекте;
- фактический расход теплоносителя
на выходе из котельной;
- фактический перепад давления
теплоносителя на котельной.
После того, как провели расчёты, в
соответствии с рейтинговым параметром
составляется таблица очерёдности
установки сужающих устройств на объектах тепловой сети (таблица 3.3.1).
Установка сужающих устройств на нескольких
объектах может привести к тому, что будут обеспечены потребности в
теплоснабжении всех объектов. В некоторых системах для достижения такого
результата потребуется регулировка большинства объектов.
В первую очередь регулировке подлежат те
объекты, величина рейтинга Z
у которых будет наибольшей.
Расчет сужающих устройств и рейтинг регулировки
приведен в таблице 3.3.1.
Таблица 3.3.1 - Расчет сужающих устройств
|
Наименование
потребителя
|
dвн,
мм
|
Lуч,
м
|
Gр,
т/ч
|
Располагаемый
напор у потребителя
|
Требуемый
|
Избыточный
|
dш,
мм
|
Рейтинг
регулировки, Z
|
|
1
|
2
|
3
|
4
|
5
|
6
|
7
|
8
|
9
|
|
Поликлиника
|
50
|
43,2
|
3,756
|
15,57
|
4,00
|
11,57
|
9,8
|
0,029
|
|
Хирургический
корпус
|
150
|
10,9
|
40,501
|
16,99
|
4,00
|
12,99
|
31,3
|
0,338
|
|
Хозяйственный
корпус
|
69
|
13,0
|
1,552
|
16,78
|
4,00
|
12,78
|
6,2
|
0,013
|
|
Терапевтический
корпус
|
50
|
58,3
|
3,973
|
11,99
|
4,00
|
7,99
|
10,7
|
0,023
|
|
Инфекционное
отделение
|
50
|
45,4
|
1,531
|
16,80
|
4,00
|
12,80
|
6,1
|
0,013
|
|
Стоматологическое
отделение
|
50
|
15,4
|
0,610
|
13,66
|
4,00
|
9,66
|
4,1
|
0,004
|
|
Гараж
ЦРБ
|
40
|
15,3
|
0,616
|
18,26
|
4,00
|
14,26
|
3,8
|
0,006
|
|
Административное
здание РОВД
|
69
|
20,6
|
6,307
|
15,71
|
4,00
|
11,71
|
12,6
|
0,049
|
|
Штаб
РОВД
|
50
|
10,2
|
0,810
|
16,42
|
4,00
|
12,42
|
4,5
|
0,007
|
|
Дежурная
часть РОВД
|
50
|
5,0
|
1,876
|
16,15
|
4,00
|
12,15
|
6,8
|
0,015
|
|
Гараж
РОВД 1
|
50
|
20,0
|
0,566
|
16,14
|
4,00
|
12,14
|
3,8
|
0,004
|
|
Гараж
РОВД 2
|
50
|
7,0
|
0,527
|
16,44
|
4,00
|
12,44
|
3,6
|
0,004
|
|
Гараж
ПФР
|
50
|
18,0
|
0,303
|
15,20
|
4,00
|
11,20
|
2,8
|
0,002
|
|
Казначейство,
ПФР
|
50
|
10,0
|
3,598
|
15,21
|
4,00
|
11,21
|
9,6
|
0,027
|
|
Детский
дом
|
69
|
22,0
|
2,992
|
13,85
|
4,00
|
9,85
|
9,0
|
0,020
|
|
Прачечная
детдома
|
40
|
5,0
|
0,234
|
9,10
|
4,00
|
5,10
|
2,8
|
0,001
|
|
Гараж
детдома
|
50
|
80,0
|
0,720
|
9,01
|
4,00
|
5,01
|
4,9
|
0,003
|
|
ул.
Советская, 65
|
69
|
22,0
|
1,112
|
13,84
|
4,00
|
9,84
|
5,5
|
0,008
|
|
Начальная
школа
|
50
|
120,0
|
9,936
|
9,94
|
4,00
|
5,94
|
17,8
|
0,048
|
|
Столовая
РОО
|
40
|
5,0
|
1,258
|
9,10
|
4,00
|
5,10
|
6,5
|
0,006
|
|
Дом
детского творчества
|
69
|
22,4
|
2,330
|
13,47
|
4,00
|
9,47
|
8,0
|
0,015
|
|
Мастерские
школы №1 и гараж
|
82
|
74,7
|
0,906
|
13,98
|
4,00
|
9,98
|
4,9
|
0,006
|
|
Администрация
района
|
69
|
44,2
|
4,538
|
13,16
|
4,00
|
9,16
|
11,2
|
0,029
|
|
Районный
суд
|
50
|
150,0
|
1,577
|
12,89
|
4,00
|
8,89
|
6,6
|
0,010
|
|
Банк
РКЦ
|
69
|
25,2
|
3,894
|
13,44
|
4,00
|
9,44
|
10,3
|
|
Дом
культуры
|
125
|
43,5
|
11,057
|
13,49
|
4,00
|
9,49
|
17,4
|
0,073
|
|
Магазин
"Сант-ка"
|
40
|
1,0
|
0,163
|
14,00
|
4,00
|
10,00
|
2,1
|
0,001
|
|
Магазин
"Сантехника"
|
40
|
1,0
|
0,222
|
13,99
|
4,00
|
9,99
|
2,4
|
0,002
|
|
ул.
Советская, 31
|
50
|
44,3
|
4,827
|
13,70
|
4,00
|
9,70
|
11,4
|
0,032
|
|
ул.
Советская, 33
|
50
|
4,3
|
1,872
|
13,67
|
4,00
|
9,67
|
7,1
|
0,013
|
|
ул.
Советская ,37
|
82
|
82,5
|
3,129
|
19,57
|
4,00
|
15,57
|
8,4
|
0,030
|
|
Частный
дом, ул. Павлова, 9
|
82
|
84,0
|
0,337
|
19,98
|
4,00
|
15,98
|
2,7
|
0,003
|
|
Частный
дом, ул. Советская, 51
|
50
|
10,0
|
0,275
|
17,89
|
4,00
|
13,89
|
2,5
|
0,002
|
Рейтинг регулировки (параметр Z)
(рисунок 3.3.1) показывает, какую долю от общей мощности должен потреблять
объект. Очевидно, что чем большую мощность потребляет объект, тем более важна
становится регулировка (ограничение) расхода этим объекта в общей тепловой
сети. Выполнив регулировку (установив дроссельные шайбы) на первых самых
крупных по мощности объектов (хирургический корпус, дом культуры, начальная
школа, административное здание РОВД) вероятно незачем будет проводить
регулировку на оставшихся объектах, что позволит сэкономить денежные и
временные затраты. В целом параметр Z
нормирован и по общей мощности сети показывает вероятность направления потока
теплоносителя на объект.
Рисунок 3.3.1 - Рейтинг регулировки
тепловой сети
Стабилизацию гидравлического режима, поглощение
избыточных напоров на тепловых пунктах при отсутствии автоматических
регуляторов производят с помощью постоянных сопротивлений - дроссельных
диафрагм.
Дроссельные диафрагмы устанавливаются перед
системами теплопотребления на обоих трубопроводах. Устанавливают дроссельные
диафрагмы с диаметром отверстия не менее 3 мм. Их устанавливают во фланцевых
соединениях.
Количество объектов, на которых производится
установка сужающих устройств, обусловлено особенностями системы теплоснабжения
и определяется экспериментально.
.3.2 Рекомендации по отводящим трубопроводам
В российских тепловых сетях теряется около 30 %
тепловой энергии, которая вырабатывается на нужды теплоснабжения. Одной из
причин этой проблемы является завышенный диаметр трубопроводов тепловой сети.
Если завышение диаметров магистральных
трубопроводов еще как-то оправдано запасом для развития системы теплоснабжения
и присоединения в дальнейшем новых объектов, то завышение диаметров отводящих
трубопроводов является причиной неоправданных потерь тепловой энергии в
тепловых сетях.
Одним из способов повышения эффективности данной
системы теплоснабжения города, отапливаемого «Центральной» котельной, является
уменьшение диаметров существующих трубопроводов. Необходимо произвести замену
старых труб, желательно на трубы с пенополиуретановой изоляцией, в связи с их
долговечностью, простотой монтажа и низкими теплопотерями [16].
На первый взгляд, наиболее перспективным
является снижение диаметра трубопроводов ТС путём замены используемых отводящих
трубопроводов на трубопроводы меньшего диаметра при аварийных или
планово-предупредительных ремонтах. Такой подход позволит оптимизировать
систему теплоснабжения, сохранив потенциал ТС по транспортировке тепловой
энергии на случай подключения новых потребителей, окажет наименьшее влияние на
существующую систему теплоснабжения.
Сущность способа заключается в прокладке нового
прямого или обратного отводящего трубопроводов, осуществляемой путем установки
трубопроводов меньшего диаметра. При этом диаметр устанавливаемых трубопроводов
выбирают таким образом, чтобы гидравлическое сопротивление прямого и обратного
трубопровода было максимально приближено к гидравлическому сопротивлению
сужающего устройства, но не превышало его. Преимущество отдаётся подающим
трубопроводам, так как их потери тепловой энергии больше ввиду более высокой
температуры проходящего по ним теплоносителя.
В соответствии с существующей методикой
гидравлического расчёта тепловых сетей [17] минимальный диаметр трубопроводов
может быть рассчитан по формуле:
, м, (3.3.2)
где
- расход теплоносителя, т/ч;
- плотность теплоносителя, кг/м3;
- перепад давления на ответвлении
от магистрального трубопровода к объекту, Па;
- требуемый перепад
давления для системы теплоснабжения объекта, Па.
- абсолютная эквивалентная
шероховатость трубопроводов.
При расчёте минимального допустимого
диаметра трубопроводов используется максимальное допустимое значение
коэффициента шероховатости. При отсутствии более точных данных можно принять
значение
= 0,001м.
К установке принимается трубопроводы
с ближайшим по значению большим внутренним диаметром. Возможен вариант
установки подающего и обратного трубопроводов разного диаметра, при этом
средний диаметр отводящих трубопроводов данного участка сети должен быть больше
минимально допустимого диаметра.
Снижение диаметра отводящих
трубопроводов ведёт к снижению общей поверхности трубопроводов ТС и увеличению
скорости движения в них теплоносителя, а, следовательно, приводит к снижению
потерь тепловой энергии.
Поскольку приведённый способ
регулировки гидравлического режима ТС связан со значительными капитальными
затратами, в связи с чем его использование рекомендуется при замене
существующих трубопроводов или прокладке новых. Необходимо отметить, что
некоторые участки тепловых сетей обладают завышенным диаметром трубопроводов,
что обусловлено перспективными планами развития ТС. В этом случае снижение
диаметров участков тепловой сети следует проводить в соответствии с учётом
дальнейшего увеличения тепловой нагрузки.
Ещё одним важным аспектом реализации
указанного мероприятия является увеличение скорости движения теплоносителя по
трубопроводам ТС, что может привести к возникновению повышенного уровня шума и
вибрации трубопроводов. Согласно [3] оптимальное значение скорости
теплоносителя в тепловых сетях, которое не повышает уровень шума
При
возникновении таких явлений необходимо предусмотреть установку антивибрационных
компенсаторов, позволяющих развязать систему теплоснабжения здания от
негативных последствий снижения диаметров трубопроводов.
Предлагаемая методика позволяет
предприятию теплоснабжения составить план реконструкции тепловой сети,
предполагающий при аварийных или планово-предупредительных ремонтах замену
используемых трубопроводов на трубопроводы меньшего диаметра. Её использование
позволяет снизить тепловые потери ТС в среднем на 20 - 25 % за счёт снижения
среднего диаметра трубопроводов сети .
Данные по замене отводящих
трубопроводов представлены в таблице 3.3.2
Таблица 3.3.2 - Расчёт минимальных
диаметров
|
Наименование
потребителя
|
Диаметр
участка, dвн, мм
|
Длина
участка, Lуч, м
|
Расход,
Gр, т/ч
|
Располагаемый
напор
|
Требуемый
напор
|
Избыточный
напор
|
Расчетный
диаметр участка, мм
|
Применяемый
диаметр, мм
|
Фактич
скорость, м/с
|
|
1
|
2
|
3
|
4
|
5
|
6
|
7
|
8
|
9
|
10
|
|
Поликлиника
|
50
|
43,2
|
3,76
|
15,57
|
4,00
|
11,57
|
30
|
32
|
1,30
|
|
Хирургический
корпус
|
150
|
10,9
|
40,50
|
16,99
|
4,00
|
12,99
|
98
|
100
|
1,43
|
|
Хозяйственный
корпус
|
69
|
13,0
|
1,55
|
16,78
|
4,00
|
12,78
|
19
|
32
|
0,54
|
|
Терапевтический
корпус
|
50
|
58,3
|
3,97
|
11,99
|
4,00
|
7,99
|
31
|
32
|
1,37
|
|
Инфекционное
отделение
|
50
|
45,4
|
1,53
|
16,80
|
4,00
|
12,80
|
19
|
32
|
0,53
|
|
Стоматологическое
отделение
|
50
|
15,4
|
0,61
|
13,66
|
4,00
|
9,66
|
12
|
32
|
0,21
|
|
Гараж
ЦРБ
|
40
|
15,3
|
0,62
|
18,26
|
4,00
|
14,26
|
12
|
32
|
0,21
|
|
Административное
здание РОВД
|
69
|
20,6
|
6,31
|
15,71
|
4,00
|
11,71
|
39
|
40
|
1,39
|
|
Штаб
РОВД
|
50
|
10,2
|
0,81
|
16,42
|
4,00
|
12,42
|
14
|
32
|
0,28
|
|
Дежурная
часть РОВД
|
50
|
5,0
|
1,88
|
16,15
|
4,00
|
12,15
|
21
|
32
|
0,65
|
|
Гараж
РОВД 1
|
50
|
20,0
|
0,57
|
16,14
|
4,00
|
12,14
|
12
|
32
|
0,20
|
|
Гараж
РОВД 2
|
50
|
7,0
|
0,53
|
16,44
|
4,00
|
12,44
|
11
|
32
|
0,18
|
|
Гараж
ПФР
|
50
|
18,0
|
0,30
|
15,20
|
4,00
|
11,20
|
8
|
32
|
0,10
|
|
Казначейство,
ПФР
|
50
|
10,0
|
3,60
|
15,21
|
4,00
|
11,21
|
29
|
32
|
1,24
|
|
Детский
дом
|
69
|
22,0
|
2,99
|
13,85
|
4,00
|
9,85
|
27
|
32
|
1,03
|
|
Прачечная
детдома
|
40
|
5,0
|
0,23
|
9,10
|
4,00
|
5,10
|
7
|
32
|
0,08
|
|
Гараж
детдома
|
50
|
80,0
|
0,72
|
9,01
|
4,00
|
5,01
|
13
|
32
|
0,25
|
|
ул.
Советская, 65
|
69
|
22,0
|
1,11
|
13,84
|
4,00
|
9,84
|
16
|
32
|
0,38
|
В данной таблице произведён расчёт минимально
возможных диаметров отводящих трубопроводов (столбец 9).
На рисунке 3.3.2. наглядно изображены
существующие и минимально возможные диаметры отводов к потребителям.
Учитывая, что большинство диаметров имеют
диаметр ниже, чем существующий, предлагаем осуществить их замену:
при существующем диаметре меньше расчетного
сохраняем существующий трубопровод;
при расчетном рекомендуемом диаметре меньше 32
мм, в соответствии с требованиями [3] принимаем диаметр равный 32 мм.
Рис. 3.3.2. Замена диаметров
отводящих трубопроводов
Установка минимально-возможного
диаметра позволит повысить эффективность работы тепловой сети и снизить
капитальные затраты на ее реконструкцию.
теплоноситель сеть
гидравлический
4. ТЕХНИКО-ЭКОНОМИЧЕСКАЯ ОЦЕНКА
.1 Расчет технико-экономической эффективности от
регулировки тепловой сети
Регулировка приводит к изменению следующих
показателей:
к снижению расхода теплоносителя;
снижению затрат по электроэнергии для
обеспечения циркуляции теплоносителя;
уменьшению утечек теплоносителя;
повышению качества и надежности теплоснабжения.
А) Результатом регулировки тепловой
сети является снижение расхода теплоносителя на
, т/час:
, т/ч, (4.1.1)
где
-
фактический расход теплоносителя в сети, т/ч;
- расчетная величина расхода
теплоносителя, т/ч.
Общая экономия от регулировки
складывается
, руб.
, руб, (4.1.2)
где
- экономия за счет снижения
расходов тепловой энергии, руб.;
- экономия за счет снижения
расходов электрической энергии, руб.;
- экономия за счет снижения утечек
теплоносителя, руб.;
- экономия за счет снижения
расходов тепловой энергии, вызванной утечками теплоносителя, руб.;
- тариф на тепловую энергию,
руб./Гкал;
- тариф на электрическую энергию,
руб./кВт×час;
- тариф на воду, руб./м3.
Рассмотрим подробнее эти
составляющие.
) Снижение расходов на тепловую
энергию, согласно [14]:
В целом:
, руб./(т/час), (4.1.3)
где
- экономия за счет снижения
расходов теплоносителя, за период времени Dt,
при уменьшении расхода на DG;
- средний температурный график за
период Dt, °С, ориентировочно
Dt = Dtо/(2).
) Снижение расходов электроэнергии,
руб./(т/час), согласно [14]:
, руб./(т/час), (4.1.4)
где
- КПД циркуляционных насосов;
- перепад давления в тепловой сети
на котельной, Па.
) Экономия за счет снижения утечек
теплоносителя, руб./(т/час), согласно [14]:
, руб./(т/час), (4.1.5)
где
- утечки теплоносителя, м3/Гкал.
Выражение в скобках численно равно
объему тепловой энергии, вырабатываемой за период Dt.
) Экономия за счет снижения потерь
тепловой энергии с утечками теплоносителя, руб./(т/час), согласно [14]:
, руб./(т/час), (4.1.6)
где
- средняя
величина нагрева воды, °С.
, руб./(т/час), (4.1.7)
) Общий экономический эффект, согласно [14]
Подставим в формулу (4.1.2) выражения (4.1.3) -
(4.1.7), руб./(т/час):
, руб, (4.1.8)
Котельная на твердом топливе (уголь)
мощностью 6,76 Гкал/час, обслуживает 34 потребителя, присоединенная нагрузка
= 3,03
Гкал/час. Температурный график котельной
= 75 - 50, давление (перепад) на
выходе
= 666193
Па, КПД циркуляционных насосов
= 0,7. Существующий расход
теплоносителя
= 117,903
т/час, утечки теплоносителя
= 0,5 т/Гкал. Период регулировки
равен 5544 час (отопительный сезон).
Тарифы для котельной согласно [18]
следующие:
= 2647 руб./Гкал;
= 3,83 руб./ кВт·час;
= 49,11 руб. / м3.
Отсюда:
руб./(т/час),
руб./(т/час),
руб./(т/час),
руб./(т/час),
руб./(т/час),
руб./(т/час):
руб.
В) Укрупненный расчет эффективности
Капитальные затраты на регулировку на первые два
этапа рассчитываются в зависимости от количества объектов теплопотребления в
тепловой сети. Капитальные затраты на заключительный этап рассчитываются по
сметам в зависимости от выбранного оборудования [14].
Капитальные затраты состоят из
проектных расходов (
) на расчёт
гидравлического режима ТС, затрат на материалы (
), используемые при проведении
регулировки на объектах теплопотребления и производственных затрат (
) на
амортизацию оборудования и оплату труда.
Приняты следующие нормы затрат на
проведение Регулировки:
проектные расходы составляют - 2000
руб./объект;
затраты на материалы - 800
руб./объект;
производственные затраты - 6000
руб./объект, согласно [14].
Для рассматриваемого случая
(количество потребителей
)
капитальные затраты рассчитываются следующим образом:
, руб (4.1.9)
, руб (4.1.10)
, руб (4.1.11)
Капитальные суммарные затраты по максимальным
укрупненным показателям:
|
, руб(4.1.12)
|
|
Срок окупаемости проекта составляет:
года (отопительного
сезона) (4.1.13)
.2 ТЭО замены отводящих трубопроводов
В данном пункте предлагается следующий способ
проведения регулировки гидравлического режима водной тепловой сети - снижение
среднего диаметра трубопроводов ТС путём замены используемых отводящих
трубопроводов на трубопроводы меньшего диаметра, который позволяет снизить
капитальные затраты на проведение монтажных работ.
Экономию отводящих трубопроводов расчитывают в
предположении что новые трубопроводы выбираются меньшего диаметра
(рекомендованного ранее) и разность вычисленная в рублях считается
экономическим эффектом замены.
Формула для расчета экономии имеет вид [22]:
, руб. (4.2.1)
где
- затраты на закупку трубопроводов
существующих диаметров, руб.;
- затраты на закупку трубопроводов
предложенных диаметров, руб.
, руб. (4.2.2)
где
- цена трубопровода, руб./м.п;
- длина трубопровода, м.
Самая главная величина - это
стоимость труб для тепловой сети системы теплоснабжения взята с [23].
Замена трубопроводо осуществляется
только при проведении ремонтных и аварийных работ.
В таблице 4.2 представлены расчеты
по затратам на замену отводящих трубопроводов.
Таблица 4.2 - Экономическая
эффективность замены отводящих трубопроводов
|
Потребители
|
Длина
участка, L, м
|
Существующий
диаметр, м
|
Цена
существующего трубопровода, руб./м/п
|
Затраты,
руб.
|
Предложенный
диаметр, м
|
Цена
предложенного трубопровода, руб./м/п
|
Затраты,
руб.
|
Экономия,
руб.
|
|
1
|
2
|
3
|
4
|
5
|
6
|
7
|
8
|
9
|
|
Поликлиника
|
43,2
|
50
|
174
|
7516,8
|
32
|
64
|
2764,8
|
4752,0
|
|
Хирургический
корпус
|
10,9
|
150
|
762
|
8305,8
|
100
|
432
|
4708,8
|
3597,0
|
|
Хозяйственный
корпус
|
13
|
69
|
262
|
3406,0
|
32
|
64
|
832,0
|
2574,0
|
|
Терапевтический
корпус
|
58,3
|
50
|
174
|
10144,2
|
32
|
64
|
3731,2
|
6413,0
|
|
Инфекционное
отделение
|
45,42
|
50
|
174
|
7903,1
|
32
|
64
|
2906,9
|
4996,2
|
|
Стоматологическое
отделение
|
15,35
|
50
|
174
|
2670,9
|
32
|
64
|
982,4
|
1688,5
|
|
Гараж
ЦРБ
|
15,3
|
40
|
103
|
1575,9
|
32
|
64
|
979,2
|
596,7
|
|
Административное
здание РОВД
|
20,6
|
69
|
262
|
5397,2
|
40
|
103
|
2121,8
|
3275,4
|
|
Штаб
РОВД
|
10,2
|
50
|
174
|
1774,8
|
32
|
64
|
652,8
|
1122,0
|
|
Дежурная
часть РОВД
|
5
|
50
|
174
|
870,0
|
32
|
64
|
320,0
|
550,0
|
|
Гараж
РОВД 1
|
20
|
50
|
174
|
3480,0
|
32
|
64
|
1280,0
|
2200,0
|
|
Гараж
РОВД 2
|
7
|
50
|
174
|
1218,0
|
32
|
64
|
448,0
|
770,0
|
|
Гараж
ПФР
|
18
|
50
|
174
|
3132,0
|
32
|
64
|
1152,0
|
1980,0
|
|
Казначейство,
ПФР
|
10
|
50
|
174
|
1740,0
|
32
|
64
|
640,0
|
1100,0
|
|
Детский
дом
|
22
|
69
|
262
|
5764,0
|
32
|
64
|
1408,0
|
4356,0
|
|
Прачечная
детдома
|
5
|
40
|
103
|
515,0
|
32
|
64
|
320,0
|
195,0
|
|
Гараж
детдома
|
80
|
50
|
174
|
13920,0
|
32
|
64
|
5120,0
|
8800,0
|
|
ул.
Советская, 65
|
22
|
69
|
262
|
5764,0
|
32
|
64
|
1408,0
|
4356,0
|
|
Начальная
школа
|
120
|
50
|
174
|
20880,0
|
50
|
174
|
20880,0
|
0,0
|
|
Столовая
РОО
|
5
|
40
|
103
|
515,0
|
32
|
64
|
320,0
|
195,0
|
|
Дом
детского творчества
|
22,4
|
69
|
262
|
5868,8
|
32
|
64
|
1433,6
|
4435,2
|
|
Мастерские
школы №1 и гараж
|
74,7
|
82
|
300
|
22410,0
|
32
|
64
|
4780,8
|
17629,2
|
|
Администрация
района
|
44,2
|
69
|
262
|
11580,4
|
40
|
103
|
4552,6
|
7027,8
|
|
Районный
суд
|
150
|
50
|
174
|
26100,0
|
32
|
64
|
9600,0
|
16500,0
|
|
Банк
РКЦ
|
25,2
|
69
|
262
|
6602,4
|
32
|
64
|
1612,8
|
4989,6
|
|
Дом
культуры
|
43,5
|
125
|
568
|
24708,0
|
69
|
262
|
11397
|
13311,0
|
|
Магазин
"Сантехника"
|
1
|
40
|
103
|
103,0
|
32
|
64
|
64,0
|
39,0
|
|
Магазин
"Сантехника"
|
1
|
40
|
103
|
103,0
|
32
|
64
|
64,0
|
39,0
|
|
ул.
Советская, 31
|
44,33
|
50
|
174
|
7713,4
|
40
|
103
|
4566,0
|
3147,43
|
|
ул.
Советская, 33
|
4,25
|
50
|
174
|
739,5
|
32
|
64
|
272,0
|
467,5
|
|
ул.
Советская ,37
|
82,5
|
82
|
300
|
24750,0
|
32
|
64
|
5280,0
|
19470,0
|
|
Частный
дом, ул. Павлова, 9
|
84
|
82
|
300
|
25200,0
|
32
|
64
|
5376,0
|
19824,0
|
|
Частный
дом, ул. Советская, 51
|
10
|
174
|
1740,0
|
32
|
64
|
640,0
|
1100,0
|
Экономия от замены отводящих трубопроводов по
формуле (4.2.1) составит:
руб.
Проанализировав
технико-экономическую оценку данных мероприятий, можно сделать вывод, что в
первую очередь необходимо произвести регулировку тепловых сетей, в связи с ее
небольшими капитальными затратами и экономической выгодой. Данное мероприятие
позволит улучшить качество теплоснабжения в короткие сроки и приведет к
экономии средств. При планово-ремонтных мероприятиях или аварийных ситуациях
рекомендуется производить замену существующих трубопроводов на трубопроводы с
оптимальными диаметрами, что позволит без значительных капитальных вложений
денежных средств улучшить состояние тепловых сетей.
5.
Безопасность жизнедеятельности при монтаже тепловой сети
.1 Общие требования охраны труда
Инструкция по ОТ является главным документом,
устанавливающим для рабочего персонала правила поведения на производстве, а
также требования безопасного выполнения работ [24].
Знание инструкции обязательно для всех рабочих,
ну и конечно их непосредственных руководителей.
Руководство предприятия обязано создать на
рабочем месте оптимальные или допустимые) условия, а также обеспечить их всеми
необходимыми средствами индивидуальной и групповой защиты, учредить изучение
ими инструкции и проверку знаний.
Все работники обязаны:
• обязательно соблюдать требования инструкции по
ОТ;
• сообщать о несчастном случае (о нарушении),
дефектах оборудования;
• не забывать об ответе за нарушение требований
ТБ;
• поддерживать свое рабочее место в чистоте и
следить за порядком;
• аккуратно эксплуатировать СИЗ, инвентарь,
оборудование.
.2 Требования по допуску к работе
К работам по устройству, монтажу и эксплуатации
тепловых сетей допускаются лица, достигшие 18 лет, прошедшие
медосвидетельствование, специальное обучение, без противопоказаний к данному
виду работ.
Работник при принятии на работу обязан пройти
вводный инструктаж. При вводном инструктаже освещаются следующие вопросы: общие
сведения о предприятии; опасные производственные факторы; средства
индивидуальной защиты; пожарная безопасность; первая помощь пострадавшему.
До того, как работника допустят к
самостоятельному выполнению работы, он должен пройти:
• первичный инструктаж на рабочем месте;
• контроль знаний по ОТ; оказание первой помощи
пострадавшим;
• обучение по программам подготовки по
профессии.
Принятому работнику предоставляется
квалификационное удостоверение, с соответствующей заметкой о проверке знаний
инструкций и правил по ОТ, плюс право на выполнение определенного вида работ.
Рабочие, которые не прошли проверку в определенные
сроки к самостоятельной работе не допускаются.
Рабочие в ходе работы должны проходить:
• повторные инструктажи - не реже одного раза в
квартал;
• проверку знаний инструкции по ОТ и первой
медпомощи - один р/год;
• медосмотр - один раз в два года.
Те лица, которые не получившие хорошую оценку
при проверке, не смогут самостоятельно работать, а повторную проверку должны
пройти в течение месяца. При несоблюдении правил ТБ в организации проводится
внеплановый инструктаж или внеочередная проверка знаний.
Все работники должны знать, где находится
аптечка, и как правильно ею пользоваться.
Отказ от выполнения требуемых мероприятий
рассматривается как нарушение производственной дисциплины, за которое работник
несет ответственность.
.3
Требования во время работы
Каждый вид работ требует определенные требования
по технике безопасности. При производстве мероприятий по монтажу тепловых сетей
необходимо соблюдать требования сразу по нескольким видам работ, включая:
погрузочно-разгрузочные работы (к ним относятся
доставка материалов на место монтажа тепловой сети, их разгрузка и
комплектация);
земляные работы, включающие в себя планировку
трассы бульдозером, экскаватором;
электросварочные и газосварочные работы;
гидравлические и пневматические испытания
(промывка тепловой сети, испытание трубопровода тепловой сети в части
установления опасных зон);
сборочные работы (монтирование скользящих и
неподвижных опор; монтаж задвижек и компенсаторов; установка люков и перекрытие
тепловых камер).
Перед началом работы по монтажу трубопроводов,
проверяют надежность откосов, а также прочность крепления траншей, где,
собственно, и будут лежать трубопроводы. Также проверяют устойчивость
вертикальных стен и крутизну траншей, рядом с которыми будут перемещаться
машины. Перед тем, как начать опускать трубы и арматуру в траншеи, необходимо
убедиться, что все рабочие удалены из них.
В местах обслуживания ТС встречаются такие
опасные и вредные факторы:
• завышенная или низкая температура внутреннего
воздуха;
• высокая влажность воздуха;
• повышенное значение напряжения;
• вращающиеся и движущиеся механизмы;
• недостаток кислорода или большое количество
других отравляющих (удушающих) газов и т.д.
Все работники согласно [25] должны быть
обеспечены средствами индивидуальной (СИЗ) и коллективной защиты от воздействия
вредных и опасных факторов (ВОФ) в рабочих зонах и на рабочих местах в
зависимости от выполняемых работ и обязаны пользоваться ими.
Если необходимо находится рядом с горячими
частями оборудования, то нужно принимать мероприятия по защите от ожогов и от
действия высоких температур, а именно пользоваться ограждениями для
оборудования, вентиляцией, теплой спецодеждой.
При работе в условиях низких температур, следует
выполнять ее в теплой спецодежде и чередовать время работы с нахождением в
теплом помещении.
Чтобы избежать поражения электрического тока, не
следует прикасаться к оголенным и оборванным проводам. Для защиты необходимо
применить диэлектрические перчатки, а перед оборудованием стелить коврики и
подставки.
При эксплуатации машин с движущимися и
вращающимися механизмами рядом не должны развеваться части, которые могут быть
захвачены этими механизмами.
При нахождении в тепловых камерах и тепловых
пунктах, а также в помещениях, где работает энергооборудование, слесарь должен защищать
голову каской.
Если в рабочей зоне недостаточная освещенность,
рекомендуется применять дополнительно местное освещение.
При обслуживании тепловых сетей в подземных
сооружениях необходимо соблюдать следующие меры безопасности:
1) Осмотры теплотрассы при спуске в подземные
камеры (резервуары) необходимо вести группой, в составе которой не менее трех
человек;
2) Перед спуском необходимо взять пробу
воздуха с помощью шланга, а также проверить воздух на наличие взрывоопасных и
токсичных газов газоанализатором;
) В подземном сооружении должна быть
обеспечена естественная или принудительная циркуляция воздуха;
) Не допускается работа в подземном
сооружении если уровень воды превышает 200 мм и температура выше 45°С;
) Убедившись, что после окончания работ никто
случайно не остался внутри резервуара, не оставлены ли инструменты и
посторонние предметы, необходимо закрыть люки. Оставлять их открытыми не
допускается.
Все входы (выходы), проходы (проезды) внутри и
снаружи необходимо освещать. Захламление проездов и проходов не допускается.
Проемы, трещины, люки необходимо ограждать по всему периметру. Все ограждения
должны быть соответствующих сигнальных цветов по [29].
Степень шума в рабочих зонах должна находиться в
пределах допустимых значений, указанных в нормах [26] и [25].
Нормы вибрации (от оборудования, создающего
вибрацию) указаны в нормах [28].
Слесарь обязан работать в спецодежде и
специальной противоударной, противовибрационной обуви, а также применять другие
средства защиты. Ему бесплатно должны выдаваться следующие средства
индивидуальной защиты:
• рабочий костюм ХБ (на 12 мес.);
• куртка и брюки ХБ утепленные (на 24 мес.);
• сапоги резиновые и кирзовые (на 12 мес.);
• рукавицы комбинированные должны выдаваться
каждый месяц.
В процессе эксплуатации оборудования не
допускается обтирать и смазывать вращающиеся, а также чистить движущиеся части
механизмов.
Для прогрева замерзших участков трубопроводов
допускается использование открытого источника тепла.
Земляные работы должны выполняться в соответствии
с требованиями [30], строительных норм [31] , [32].
Все земляные работы должны выполняться только с
письменного разрешения руководства структурного подразделения ТС (района), а
также организаций, которые отвечают за эксплуатацию других коммуникаций (таких
как: газоснабжение, интернет, телефон). Вместе с разрешением выдается план по
разрешению данных коммуникаций.
Перед тем как начать работы, необходимо
установить знаки, которые покажут местоположение коммуникаций.
Стены необходимо надежно укреплять при копке
траншей во влажном или слабом грунте, так как есть угроза обвала. В сыпучих же
грунтах стены можно не закреплять, но откосы сделать необходимо. За положением
вертикальных стенок, которые не закрепляют, необходимо организовать
систематическое наблюдение. При обнаружении трещин, сколов нужно немедленно
удалить рабочих с аварийного участка, далее принять меры против дальнейшего
обрушения.
В зданиях должны быть предусмотрены
конструктивные, объемно-планировочные и инженерно-технические решения,
направленные на обеспечение в случае пожара [33].
Запрещается хранить горючие,
самовоспламеняющиеся вещества в небезопасном месте.
Противопожарное оборудование (огнетушители,
рукава) должно находиться в рабочем состоянии, пригодном для применения.
При хранении полиэтиленовых труб и отводов на
объекте строительства и на месте монтажа, следует учитывать горючесть этих труб
и соблюдать правила противопожарной безопасности. Запрещается разводить огонь и
проводить огневые работы в непосредственной близости (не ближе 2 м) от места
складирования изолированных труб, хранить рядом с ними горючие и легко
воспламеняющиеся жидкости.
При загорании труб, их теплоизоляции и отводов
следует использовать обычные средства пожаротушения; при пожаре в закрытом
помещении следует пользоваться противогазами марки БКФ.
5.4 Требования по окончании работы
По окончании работы работник (бригада) убирает
рабочее место, затем расписывается в наряде и сдает его руководителю работ.
Принимая рабочее место, каждый руководитель
должен осмотреть зону работника, проверить ее на наличие посторонних предметов,
чистоту, а также, в какой степени выполнена порученная работа, после чего
ставит отметку, указывая время и дату.
За правильностью оформления нарядов ведется
выборочный контроль. Все документы находятся в течение месяца у руководителя, а
после истечения срока могут быть уничтожены.
6. аВТОМАТИЗАЦИЯ
КОТЕЛЬНОГО АГРЕГАТА
.1 Общие сведения
Автоматизация - это использование комплекса
методов и средств автоматики, электроники, позволяющих осуществлять производственные
процессы без непосредственного участия человека или с частичной степенью его
участия, при этом все происходящее находится под контролем человека [34].
По уровню автоматизации теплоэнергетическая
отрасль занимает одно из ведущих мест. Внедрение автоматизации в сферу
теплоснабжения решает следующие виды задач:
регулирование и управление технологическими
процессами;
- управление и контроль (местный или
дистанционный) за работой всего оборудования;
- автоматизированный учет параметров и расхода
материальных ресурсов.
Автоматизация систем теплоснабжения обеспечивает
высокое качество управления работой отдельных объектов и всей системы
теплоснабжения в целом, повышает надежность и уровень эксплуатации систем
теплоснабжения, способствует экономии энергетических, материальных и трудовых
ресурсов.
Функционирование систем ТГВ направлено главным
образом на обеспечение оптимальной жизнедеятельности человеческого организма.
Таким образом, средства автоматизации в первую очередь должны способствовать
созданию комфортных условий жизни и труда человека, а также обеспечивать
оптимальные тепловые и гидравлические режимы работы системы теплоснабжения,
поддержание требуемой температуры горячей воды в системе горячего
водоснабжения, защита технологического оборудования и возможность контроля и
управления с диспетчерского пункта.
Нормальная работа котельной осуществляется
благодаря наличию сигнализации и защиты котельного оборудования, теплового
контроля, а также автоматического регулирования и управления процессами.
Автоматическое регулирование обеспечивает ход
непрерывно протекающих процессов в котлоагрегате (подпитка водой, защита от
потухания и др.)
Дистанционное управление позволяет оператору
запускать и прекращать работу котла, а также регулировать его режимы на
расстоянии, с пульта, где собраны все устройства управления.
Теплотехнический контроль за эксплуатацией котла
и котельного оборудования ведется непрерывно с помощью самопишущих и
показывающих устройств, которые действуют автоматически. Приборы теплотехнического
контроля размещают на щитах управления.
Блокировка применяется для защиты оборудования
от резких скачков давлений, аварий. Она исключает ошибочные операции при
эксплуатации котла и обеспечивает своевременное отключение оборудования в
определенной последовательности.
Система сигнализации оповещает оператора о
состоянии оборудования, , предупреждают если предвещается аварии. Для
сигнализации применяются звуковая и световая сигнализация.
Основными задачами автоматизации является
обеспечение: теплового и санитарно-гигиенического комфорта потребителя;
поддержание заданных гидравлических режимов в различных звеньях системы,
включая защиту от аварийных ситуаций; экономии топлива, теплоты и электрической
энергии; эффективности и надежности, качества работы основного оборудования
системы [34].
Автоматизация облегчает не только физический
труд человека, но также и умственный.
6.2 Технологическая схема автоматизации
котельного агрегата
Технологическая схема автоматизации котельного
агрегата КВм - 1,33 «Братск-М» с механической топкой ТШПм - 1,45 МВт (на
постоянном топливе - уголь) изображена на рисунке 6.2. Функциональная схема
автоматизации выполнена в соответствии с ГОСТ 21404-85 [37].
Рисунок 6.2 - Технологическая схема автоматизации
котла КВм - 1,33 «Братск - М»
Спецификация технических средств контурной схемы
автоматизации котельного агрегата представлена в таблице 6.2.1.
Таблица 6.2.1 - Спецификация технических средств
автоматизации котельного агрегата
|
Позиция
|
Наименование
|
Количество
|
Примечание
|
|
1
|
2
|
3
|
4
|
|
1б
|
Расходомер
объемный типа РГ
|
1
|
Измерение
расхода топлива
|
|
2б,в
|
Датчик
тяги ДТ2
|
1
|
|
|
2г
|
Регулирующий
прибор системы "Контур-2" типа РС29.2 с электроисполнительным
механизмом типа М30
|
1
|
|
|
3б,в
|
Измерительная
диафрагма, дифманометр с дифференциально-трансформаторной схемой типа ДММ
|
1
|
Регулирование
расхода воздуха
|
|
3е,д
|
Прибор
с дифференциально-трансформаторной схемой
|
1
|
|
|
4б
|
ЗЗУ
|
1
|
Защита
от погасания факела
|
|
4в
|
Управляющий
прибор
|
1
|
|
|
5б,в
|
Пружинно-трубчатый
манометр с дифференциально-трансформаторной схемой
|
1
|
Регулирование
расхода топлива
|
|
5г
|
Регулирующий
прибор системы "Контур-2" типа РС29.2 с электроисполнительным
механизмом типа М30
|
1
|
|
|
6б
|
Манометр
показывающий типа ОМБ
|
1
|
|
|
7б
|
Манометр
показывающий типа ОМБ
|
1
|
|
|
8б
|
Термометр
стеклянный ртутный типа ТТ
|
1
|
|
|
9б
|
Термопреобразователь
сопротивления типа ТСМ
|
1
|
|
|
9в
|
Логометр
типа ЛГ-64-02
|
1
|
|
|
10б,в
|
Измерительная
диафрагма, дифманометр с дифференциально-трансформаторной схемой типа ДММ
|
1
|
Измерение
температуры
|
|
10г
|
Вычислитель
|
1
|
|
|
10д
|
Жидкокристаллическое
табло
|
1
|
Измерение
теплоты
|
|
11б
|
Термопреобразователь
сопротивления типа ТСМ
|
1
|
|
|
12а
|
Термоэлектрический
термометр типа ТХА
|
1
|
|
|
12б,в
|
ВИП
типа КПУ1
|
1
|
|
В таблице 6.2.2 представлена метрологическая
карта средств автоматизации котельного агрегата.
Таблица 6.2.2 - Метрологическая карта средств
автоматизации котельного агрегата
|
№
п/п
|
Наименование
оборудования
|
Пределы
измерений
|
диапазон
показания шкалы
|
Длина
шкалы
|
Цена
деления прибора
|
Чувствительность
прибора
|
Класс
точности
|
Погрешность
измерения
|
|
1
|
Термоэлектрический
термометр типа ТХА
|
-40…+333°С
|
-
|
-
|
-
|
-
|
2
|
0,50%
|
|
2
|
Логометр
типа ЛР-64-02
|
0-100°С
|
-
|
130
мм
|
2°С
|
0,1°С
|
1,5
|
±1,5%
|
|
3
|
Датчик
тяги ДТ2
|
-
|
-
|
-
|
-
|
-
|
-
|
-
|
|
4
|
Регулирующий
прибор системы "Контур-2" типа РС29.2 с электроисполнительным
механизмом типа М30
|
-
|
-
|
-
|
-
|
-
|
-
|
-
|
|
5
|
Измерительная
диафрагма, дифманометр с дифференциально-трансформаторной схемой типа ДММ
|
-
|
-
|
-
|
-
|
-
|
-
|
-
|
|
6
|
Прибор
КД 140М
|
|
|
|
0,2
|
-
|
1,5
|
±1,0%
|
|
7
|
ЗЗУ
|
-
|
-
|
-
|
-
|
-
|
-
|
-
|
|
8
|
Управляющий
прибор
|
-
|
-
|
-
|
-
|
-
|
-
|
-
|
|
9
|
Манометр
показывающий типа ОМБ
|
0…2,5
кгс/см2
|
0…1,6
Мпа
|
-
|
1
|
-
|
1,5
|
±0,5%
|
|
10
|
Термометр
стеклянный ртутный типа ТТ
|
0…100°С
|
-
|
160
|
1
|
0,4…5
мм/°С
|
1,5
|
1-2°С
|
|
11
|
Термопреобразователь
сопротивления типа ТСМ
|
-50…+100°С
|
-
|
-
|
-
|
-
|
-
|
-
|
|
12
|
Вычислитель
|
-
|
-
|
-
|
-
|
-
|
-
|
-
|
|
13
|
Термопреобразователь
сопротивления типа ТСМ
|
-
|
-
|
-
|
-
|
-
|
-
|
-
|
|
14
|
ВИП
типа КПУ1
|
-
|
-
|
-
|
-
|
-
|
-
|
-
|
.3 Технико-экономическая оценка автоматизации
Выбор уровня автоматизации технологического
процесса обосновывается технико-экономическим анализом ожидаемых последствий
автоматизации [35]. Экономический эффект от автоматизации следующий:
снижение расходов, получающихся за счет
уменьшения численности обслуживающего персонала, экономии топлива, теплоты и
электроэнергии, снижения затрат на текущий ремонт, что определяется улучшением
эксплуатационного режима и защиты оборудования;
повышение качества теплоснабжения за счет
постоянного автоматического контроля и регулирования параметров системы;
обеспечение бесперебойности и надежности
действия всей системы теплоснабжения за счет контроля и автоматического
управления работой агрегатов и установок.
ЗАКЛЮЧЕНИЕ
Долгое время из-за низкой стоимости
энергоресурсов в нашей стране вопросам энергосбережения не уделялось должного
внимания. Поэтому из-за целого ряда недостатков, допускаемых при проектировании,
строительстве и эксплуатации отечественных систем теплоснабжения, до 25%
выработанной на котельных тепловой энергии теряется напрасно. Детальные
обследования систем теплоснабжения в нескольких районах показывают, что
большинство из обследованных систем имеют примерно одинаковые недостатки в
устройстве и эксплуатации, частичное устранение которых позволило бы снизить
расход тепловой энергии на теплоснабжение зданий. Поэтому разработка и
внедрение энергосберегающих мероприятий является актуальными вопросами в сфере
теплоснабжения.
В рамках дипломной работы благодаря обработке
исходных данных, полученных в МУП «Никольские теплосети», и необходимых
расчетов нами были получены следующие результаты:
1) Достаточно подробно выполнен обзор
интернет-источников, законодательной и нормативной литературы по теме дипломной
работы, который показал какую особую роль сейчас играют интернет-источники и
актуальность данной темы.
2) Выполнено обследование всей системы
теплоснабжения. Достаточно подробно изложены исходные данные для осуществления
всех расчётов тепловой сети «Центральной» котельной в городе Никольск, таких
как, тепловая нагрузка на каждого потребителя, температурный график, описание
характеристик некоторого оборудования (котлов, насосов, топок), также описание тепловых
сетей и потребителей тепловой энергии.
) Произведен расчет расхода теплоносителя
на каждом из участков, а далее вычислена скорость воды в трубопроводах тепловой
сети. Согласно Своду Правил «Тепловые сети», оптимальное значение скорости
движения теплоносителя υ =1,5 м/с.
) По результатам выполненных расчетов
можно сделать вывод, что скорость движения теплоносителя очень мала, это
является следствием завышенных диаметров трубопроводов тепловой сети, что
влечет за собой большие тепловые потери. Потери тепловой энергии присутствуют
на всех участках тепловой сети, что свидетельствует о плохой тепловой изоляции
трубопроводов. Выполнен гидравлический расчет тепловой сети, на основании
которого построен пьезометрический график.
) Разработаны рекомендации по повышению
эффективности системы теплоснабжения в городе Никольске. По данным
пьезометрического графика и расходам на каждый объект рассчитаны сужающие
устройства. Также даны рекомендации по замене отводящих трубопроводов.
Проанализировав в целом ситуацию по тепловой сети, обнаружено, что существующие
диаметры трубопроводов значительно превышают рекомендуемые, поэтому предложено
осуществить их замену. На большинстве участков отводящих трубопроводов
принимается рекомендуемый диаметр равный 32 мм.
) Выполнена технико-экономическая оценка
регулировки гидравлического режима тепловой сети. Срок окупаемости данного
мероприятия составит 0,13 отопительного сезона.
) Также выполнена ТЭО потенциальной
замены трубопроводов тепловой сети, для этого рассчитаны рекомендуемые для сети
диаметры трубопроводов.
) Выполнен раздел по безопасности
жизнедеятельности, где представлена инструкция при монтаже тепловых сетей. В
главе рассматриваются основные положения, которыми должен руководствоваться
слесарь до, после и во время выполнения работ.
) Автоматизации котельного агрегата
КВм-1,33 «Братск-М» рассмотрена в последнем разделе.
) Подготовлена презентация дипломной
работы в формате Microsoft PowerPoint 2010, в которой представлены основные
положения дипломной работы.
СПИСОК ИСПОЛЬЗОВАННЫХ ИСТОЧНИКОВ
1. О некоторых мерах по повышению
энергетической и экологической эффективности российской экономики: Указ
Президента РФ от 04.06.2008 г. №889 // Российская газета. - 2012. - 21 июня. -
4 с.
2. О теплоснабжении: федер.
закон от 27.07.2010 № 190-ФЗ (ред. от 28.11.2015). - Москва, 2010. - 115 с.
. СП 124.13330.2012. Свод
правил. Тепловые сети: актуализированная редакция СНиП 41-02-2003: утв.
Минрегионом РФ 30.06.2012 №280.- Введ. 01.01.2013.- Москва: ФАУ «ФЦС», 2012.-81
с.
. СП 41-101-95. Свод правил.
Проектирование тепловых пунктов: утв. Минстроем России. - Введ. 01.07.1996. -
Москва: ОАО «ЦПП», 1997. - 79 с.
. СП 60.13330.2012. Свод
правил. Отопление вентиляция и кондиционирование воздуха: актуализированная
редакция СНиП 41-01-2003: утв. Минрегионом России 30.06.2012 №279.- Введ.
01.01.2013.- Москва: ФАУ «ФЦС», 2012. - 76 с.
. ГОСТ 30494-2011.Здания
жилые и общественные. Параметры микроклимата в помещениях.- Введ.01.01.2013.-
Москва: Стандартинформ, 2013. - 12 с.
. Реутов, Б.Ф. Национальный
доклад «Теплоснабжение Российской Федерации. Пути выхода из кризиса»
[Электронный ресурс] / Б.Ф. Реутов, А.Л. Наумов, В.Г. Семенов // Технические
статьи сайта РосТепло.
. Информационная система по
теплоснабжению: журнал «Новости теплоснабжения» №2, 2005 г.,
. Федеральный портал
ProTown.ru
10. Российская Газета [Электронный
ресурс]: офиц. сайт.
11. СП 131.13330.2012. Свод
правил. Строительная климатология: актуализированная редакция СНиП 23-01-99* (с
Изменением N 2): утв. Минрегионом РФ 30.06.2012 г. №275.- Введ.01.01.2013.-
Москва: ФАУ «ФЦС», 2012. - 120 с.
. СНиП 41-03-2003. Тепловая
изоляция оборудования и трубопроводов. Взамен СНиП 2.04.14-88 - Введ. 1.11.2003
г. Москва: ФГУП «ЦПП», 2004.- 25 с.
. ГОСТ 10704-91.Трубы
стальные электросварные прямошовные. Сортамент (с изменением №1). Взамен ГОСТ
10704-76.- Введ.01.01.93.- Москва: Стандартинформ, 2007. - 7 с.
. Технико-экономическая
оценка энергосберегающих мероприятий в системах теплоснабжения: метод. указания
к выполнению курсовых и дипломных работ. - Вологда: ВоГТУ, 2007. - 8 с.
. Технико-экономическая
оценка использования труб с пенополиуретановой изоляцией: метод. указания к
выполнению курсовых и дипломных работ. - Вологда: ВоГТУ, 2007. - 14 с.
. Наладка и эксплуатация
водяных тепловых сетей: справочник / В. И. Манюк, Я. И. Каплинский, Э. Б. Хиж и
др. - 3-е изд., перераб. и доп. - Москва: Стройиздат, 1988.- 432 с.: ил.
. Департамент
топливно-энергетического комплекса и тарифного регулирования Вологодской
области
19. Об энергосбережении и о
повышении энергетической эффективности и о внесении изменений в отдельные
законодательные акты Российской Федерации: федер. закон от 23.11.2009 № 261-ФЗ
(ред. от 13.07.2015). - Москва: 2009. - 94 с.
20. Петринчик, В.А., Мусинов,
Д.О. Энергосбережение в тепловых сетях (Часть1): учеб. пособие/ В.А. Петринчик,
Д.О. Мусинов. - Вологда: ВоГТУ, 2005. - 53 с.
21. Мусинов Д.О. О варианте
регулировки гидравлического режима тепловой сети. / Д.О. Мусинов, В.А.
Петринчик, С.М. Щекин // Третья всероссийская научно-техническая конференция
«Вузовская наука - региону». Вологда: ВоГТУ, 2005. - 38 с.
22. ГОСТ Р 51379-99
Энергосбережение. Энергетический паспорт промышленного потребителя топливно-энергетических
ресурсов. Основные положения. Типовые формы. - Введ. 31.08.2000. - Москва: ИПК
«Издательство стандартов», 2004. - 22 с.
23. СНАБЭКСПО
[Электронный ресурс]: офиц. сайт. - Режим доступа:
<http://snabexpo.ru/truba_elektrosvarnay>
. Об
утверждении методических рекомендаций по разработке государственных нормативных
требований охраны труда [Электронный ресурс]: постановление Правительства РФ от
17.12.2002 №80 // КонсультантПлюс: справ.- правовая система / Компания
«КонсультантПлюс».
. ГОСТ
12.4.011-89. Система стандартов безопасности труда. Средства защиты работающих.
Общие требования и квалификация. - Введ. 01.07.1990. - Москва: ИПК
«Издательство стандартов» - 7 с.
. СН-2.2.4/2.1.8.562-96.
Санитарные нормы. Шум на рабочих местах, в помещениях жилых, общественных
зданий и на территории жилой застройки. - Введ. 31.10.1996. - Москва: Минздрав
России, 1997. - 47 с.
27. ГОСТ 12.1.003-2014. Система
стандартов безопасности труда. Шум. Общие требования безопасности. - Введ.
01.11.2015. - Москва: Стандартинформ, 2015. - 24 с.
28. СН 2.2.4/2.1.8.566-96.
Санитарные нормы. Производственная вибрация, вибрация в помещениях жилых и
общественных зданий. - Введ. 31.10.1996. - Москва: Минздрав России, 1994. - 56
с.
29. ГОСТ Р 12.4.026-2001. Система
стандартов безопасности труда. Цвета сигнальные, знаки безопасности и разметка
сигнальная. Назначение и правила применения. Общие технические требования и
характеристики. Методы испытаний. - Введ. 01.01.2003. - Москва: Госстандарт
России, 2001- 72 с.
30. ГОСТ Р 12.3.048-2002. Система
стандартов безопасности труда. Строительство. Производство земляных работ
способом гидромеханизации. Требования безопасности. - Введ. 01.06.2002. -
Москва: Госстрой России, 2002. - 33 с.
. СНиП 12-03-2001.
Безопасность труда в строительстве. Часть 1. Общие требования. - Введ.
01.07.2015. - Москва: Госстрой России 2001. - 43 с.
. СНиП 12-04-2002.
Безопасность труда в строительстве. Часть 2. Строительное производство. - Введ.
01.07.2015. Москва: ФГУП «ЦПП», 2002. - 29с.
. СНиП 21-01-97. Пожарная
безопасность зданий и сооружений. - Введ. 01.01.1998. - Москва: ФГУП «ЦПП»,
2002. - 17 с.
. Мухин, О.А. Автоматизация
систем теплогазоснабжения и вентиляции: учеб. пособие для вузов / О.А. Мухин. -
Москва: Высшая школа, 1986. - 304 с.
. Калмаков, А.А. Автоматика и
автоматизация систем теплогазоснабжения и вентиляции: учебник для вузов / под
ред. В.Н. Богословского. - Москва: Стройиздат, 1986. - 479 с.
. Автоматизация и управление
процессами теплогазоснабжения и вентиляции: пособие для практических занятий /
Составитель Н.Н. Ковальногов. - Ульяновск: 1998. - 24 с.
. ГОСТ 21.208-2013. Система
проектной документации для строительства. Автоматизация технологических
процессов. Обозначения условные приборов и средств автоматизации в схемах. -
Введ. 01.11.2014. - Москва: Стандартинформ, 2015. - 27 с.