Разработка прогрессивных методов ремонта электрических машин в условиях ЭРЦ АО 'ЕВРАЗ НТМК'
Министерство
образования и науки Российской Федерации
Федеральное
государственное автономное образовательное учреждение высшего образования
«Уральский
федеральный университет
имени
первого Президента России Б.Н. Ельцина»
Нижнетагильский
технологический институт (филиал)
Департамент
технологический
Кафедра
«Мехатроника, автоматизация и электроника»
ВЫПУСКНАЯ
КВАЛИФИКАЦИОННАЯ РАБОТА
РАЗРАБОТКА
ПРОГРЕССИВНЫХ МЕТОДОВ РЕМОНТА
ЭЛЕКТРИЧЕСКИХ
МАШИН В УСЛОВИЯХ ЭРЦ АО „ЕВРАЗ НТМК”
Руководитель канд. техн. наук, доц. Ю.Л.
Махорский
Нормоконтроль канд. техн. наук, доц. В.А.
Иванушкин
Студент А.В. Нонкин
2017
Содержание
Реферат
Перечень листов графических
документов
Перечень условных обозначений и
символов
Введение
1. Аналитический обзор
1.1 Существующие технологии и
структура ЭРЦ ОА „ЕВРАЗ НТМК”
.2 Способы извлечения обмоток
.3 Методики высоко и
низкотемпературного отжига
.4 Восстановления активного железа
статора электродвигателя
.5 Удаление местных оплавлений на
статоре и в пазах
.6 Устранение местных перегревов
активной стали
. Технологическая часть
.1 Описание цеха и технологического
процесса, в котором участвует мостовой кран
.2 Общая характеристика и
кинематическая схема механизма подъема мостового крана
.3 Выбор рода тока и типа
электропривода подъема
.4 Расчет нагрузочных диаграмм и
выбор двигателя
.5 Расчет параметров асинхронного
двигателя
.6 Выбор комплектного электропривода
.7 Модули питания
.8 Модуль торможения
.9 Исследования в программе
.10 Разработка динамической модели
электропривода с векторным управление
. Конструкторская часть
.1 Физические основы природы и
получение ультразвуковых колебаний
.2. Ультразвуковая кавитация
коагуляция
.3 Области применения ультразвука
.4 Практическое применение
низкоэнергетических ультразвуковых колебаний
.5 Практическое применение
высокоинтенсивных ультразвуковых колебаний
.6 Элементы оборудования
ультразвуковых установок
.7 Выбор акустических ультразвуковых
устройств
.8 Рабочая ультразвуковая частота
.9 Размер и мощность ультразвуковой
ванны
.10 Монтаж погружных ультразвуковых
излучателей
.11 Монтаж погружных ультразвуковых
излучателей
.12 Конструкция погружного
ультразвукового излучателя
.13 Материалы для ультразвуковой
установки очистки и пропитки
.14 Особенности ультразвукового
технологического оборудования
. Исследовательская часть
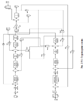
.1 Принципиальная схема
ультразвукового генератора в жидкой среде
.2 Настройка устройства
.3 Умножитель напряжения для питания
пьезоизлучателя
.4 Ультразвуковые генераторы
Заключение
Библиографический список
Реферат
На сегодняшний день известно множество различных
мостовых кранов для грузоперемещения и облегчения человеческого труда на
производстве. В данном дипломном проекте разработан автоматизированный
электропривод механизма подъёма мостового крана. Исходными данными для проектирования
были кинематическая схема и технологический процесс. В результате
проектирования рассчитаны допустимое ускорение системы, моменты нагрузки частей
системы, статические и динамические моменты, выбрана система управления,
частотный преобразователь, электродвигатель. Исходя из выбранного принципа
регулирования получены функциональная и структурная схемы электропривода.
Проведена оценка работоспособности и энергетической эффективности
разработанного электропривода. В результате моделирования в программе MATLAB
получены динамическая характеристика электропривода, а так же рассчитаны и
получены естественные характеристики двигателя и переходные процессы системы.
Так же целесообразность замены старого привода на разработанный электропривод
механизма подъёма мостового крана в ЭРЦ АО „ЕВРАЗ НТМК”. Переоснащение крана в
Электроремонтном цехе АО „ЕВРАЗ НТМК” на двигатель короткозамкнутый ведёт к
более экономичному обслуживанию и эксплуатации.
Также в этой дипломной работе рассмотрен вопрос
ультразвуковой установки для очистки и пропитки, размотки электроизделий и
деталей электрических машин, где рассмотрены вопросы работы ультразвука в
жидкостях. Что ведёт к более качественному применению, а так же к ускорению
производственных процессов с помощью ультразвука. Сокращая при этом время на
участках обработку деталей в : моечном, размоточном и пропиточном. В результате
усовершенствование крана и технологий в ЭРЦ повысит качество выпускаемой
продукции и облегчит труд работников цеха.
Перечень листов графических документов
|
№
п/п
|
Наименование
документа
|
Обозначение
|
Формат
|
|
1
|
Ремонта
электрических машин. Вид общий крана и кинематика механизма подъёма.
|
13.03.02
430704 009 ПЛ
|
А1
|
|
2
|
Ремонта
электрических машин. Тахограмма и нагрузочная диаграмма.
|
13.03.02
430704 009 ПЛ
|
А1
|
|
3
|
Ремонта
электрических машин. Схема функциональная силовая.
|
13.03.02
430704 009 ПЛ
|
А1
|
|
4
|
Ремонта
электрических машин. Схема структурная.
|
13.03.02
430704 009 ПЛ
|
А1
|
|
5
|
Ремонта
электрических машин. Переходные процесса.
|
13.03.02
430704 009 ПЛ
|
А1
|
|
6
|
Ремонта
электрических машин. Схема принципиальная генератора сигналов.
|
13.03.02
430704 009 ПЛ
|
А1
|
|
7
|
Ремонта
электрических машин. Вид установки ультразвуковых излучателей.
|
13.03.02
430704 009 ПЛ
|
А1
|
|
8
|
Ремонта
электрических машин. Схема структурная ультразвукового аппарата.
|
13.03.02
430704 009 ПЛ
|
А1
|
ремонт
электрический ультразвуковой генератор
Перечень условных обозначений и символов
АД − асинхронный двигатель
АСР - автоматическая система
регулирования
КПД - коэффициент полезного действия
МС − магнитострикционные
ПИ - пропорционально интегральная
ПЭ - пьезоэлектрических
САУ - система автоматического
регулирования
СОЖ - смазочно-охлаждающие жидкости
УЗ - ультразвук
УЗГ - ультразвуковой генератор
УЗК − ультразвуковой контроль
УЗКС − ультразвуковая
контролируемая система
ЭД - электродвигатель
ЭМА − электромагнитно
акустические
ЭП - электропривод
ЭРЦ - электроремонтный цех
Введение
Оборудование в процессе эксплуатации технически
стареет и изнашивается. Задачей ремонта ЭРЦ АО „ЕВРАЗ НТМК ” в широком смысле
является восстановление первоначальных свойств и усовершенствование
оборудования на основе достижений науки и техники, чтобы оно отвечало
современным требованиям производства и качества.
Примерами такого усовершенствования
электрооборудования являются замена изоляции обмоток электродвигателей новой,
значительно более прочной и теплостойкой, перевод на новые виды разматывания
электродвигателей, и реконструированная с подшипников скольжения на подшипники
качения и ряд других мероприятий, в результате которых значительно улучшаются
эксплуатационные свойства электрических машин.
В первой стадии своего развития электроремонтное
дело было в основном кустарным до 1935 г. Электроремонтное дело как специальная
техническая отрасль возникло почти одновременно с внедрением электрооборудования
в промышленности. В России промышленное применение электрооборудования началось
в 90-х годах прошлого столетия. Двадцать первый век век био и нано технологий,
всеобщей информатизации, электроники и ультразвука. В настоящее время в ЭРЦ АО
„ЕВРАЗ НТМК ” применяются старые технологии разматывания, и пропитывания
электродвигателей это механическим, термомеханическим, термохимическим.
В последние годы ультразвук начинает играть все
большую роль в промышленности и научных исследованиях. Успешно проведены
теоретические и экспериментальные исследования в области ультразвуковой
кавитации и акустических течений, позволившие разработать новые технологические
процессы, протекающие при воздействии ультразвука в жидкой фазе. В настоящее
время формируется новое направление химии - ультразвуковая химия, позволяющая
ускорить многие химико-технологические процессы и получить новые вещества.
Научные исследования способствовали зарождению нового раздела акустики -
молекулярной акустики, изучающей молекулярное взаимодействие звуковых волн с
веществом. Возникли новые области применения ультразвука: интроскопия,
голография, квантовая акустика, ультразвуковая фазомерия, акустоэлектронная.
Ультразвук представляет собой волнообразно
распространяющееся колебательное движение частиц среды и характеризуется рядом
отличительных особенностей по сравнению с колебаниями слышимого диапазона. В
ультразвуковом диапазоне частот сравнительно легко получить направленное
излучение; ультразвуковые колебания хорошо поддаются фокусировке, в результате
чего повышается интенсивность ультразвуковых колебаний в определенных зонах
воздействия. При распространении в газах, жидкостях и твердых телах ультразвук
порождает уникальные явления, многие из которых нашли практическое применение в
различных областях науки и техники.
Прошло чуть более ста лет с начала исследований
в области применения ультразвуковых колебаний. Первые лабораторные работы по
исследованию ультразвука были проведены великим русским ученым-физиком П.Н.
Лебедевым в конце XIX, а за прошедшие сто лет развитием и применением
ультразвуковых технологий занимались многие видные ученые в различных странах.
За это время в активе человечества появились
десятки высокоэффективных, ресурсосберегающих и экологически безопасных
ультразвуковых технологий. К их числу относятся: технологии закалки, лужения и
пайки металлов, используют для пропитки электротехнических изделий: обмоток
трансформаторов, роторов, статоров, катушек и др., предотвращения образования
накипи на теплообменных поверхностях, сверления хрупких и особо твердых
материалов, сушки термолабильных веществ, экстрагирования животного, и
растительного сырья, растворения, стерилизации жидких веществ, мелкодисперсного
распыления лекарственных препаратов, тяжелых топлив, получения эмульсий и
сверхтонких суспензий, диспергирования красителей, сварки металлов и полимеров,
мойки, очистки деталей без применения горючих и токсичных растворителей.
Наряду с теоретическими и экспериментальными
исследованиями в области ультразвука выполнено много практических работ.
Разработаны универсальные и специальные ультразвуковые станки, установки,
работающие под повышенным статическим давлением, ультразвуковые
механизированные установки для очистки деталей, генераторы с повышенной
частотой и новой системой охлаждения, преобразователи с равномерно
распределенным полем. Созданы и внедрены в производство автоматические
ультразвуковые установки, которые включаются в поточные линии, позволяющие
значительно повысить производительность труда.
Развитие и применение ультразвуковых технологий
открывает в настоящее время новые перспективы в создании новых веществ и
материалов, в придании известным материалам и средам новых свойств
(стерильность, наноразмерность и т.п.) и поэтому требует понимания явлений и
процессов, происходящих под действием ультразвука, возможностей новых
технологий и перспектив их применения.
Свойства и возможности ультразвуковых колебаний
высокой интенсивности, особенностях применения ультразвуковых колебаний для
интенсификации процессов, протекающих в жидких, твердых, газообразных средах,
полимерных материалах, применительно к решению проблем химической,
биотехнологической, пищевой промышленности и смежных отраслей промышленности.
Поэтому при написании данной диплома основное
внимание было уделено именно этим вопросам; наименьшего повреждениям активной
стали статора и ротора, качества пропитки и очистки деталей, работы по
электрическим машинам рассмотрены более кратко и главным образом с точки зрения
особенностей ремонтной технологии.
В данном дипломном проекте рассматриваются
вопросы получения и распространения ультразвуковых колебаний в жидких средах,
ускоряемых под воздействием ультразвуковых колебаний, исследуются практические
конструкции применяемых источников ультразвуковых колебаний, и ультразвуковых
аппаратов, анализируются их функциональные возможности для решения
интереснейших физических явлениях, связанных с получением и применением
ультразвуковых колебаний, практических проблем различных производств.
1. Аналитический обзор
.1. Существующие технологии и структура
ЭРЦ ОА „ЕВРАЗ НТМК”
Структура электроремонтного цеха и состав его
оборудования определяются различными факторами, основными из которых являются
количество, номенклатура, габаритные размеры и сложность ремонтируемого
электрооборудования. Электроремонтный цех предприятия средней мощности с
небольшим объемом ремонтируемого электрооборудования имеет следующие
производственные участки:
а). Участок ремонта электрических машин: -
участок ремонта обмоток электродвигателей постоянного тока
• производство средних, капитальных
ремонтов электродвигателей постоянного тока всех серий и напряжений;
• замена обмоток якорей электродвигателей
различных схем и конструкций с ремонтом отдельных элементарных проводников;
• ремонт и изготовление главных и
дополнительных полюсов электродвигателей мощностью выше 10 кВт;
• ремонт обмоток электродвигателей
постоянного тока главных приводов и ответственных механизмов на месте установки
(”на выходах”);
• определение ремонтопригодности
электродвигателей постоянного тока;
• извлечение, накопление, учёт, сдача
медесодержащих материалов, полученных при выполнении ремонтных работ. - участок
ремонта обмоток электродвигателей переменного тока
• производство средних, капитальных
ремонтов электродвигателей переменного тока всех серий и напряжений;
• замена ”жестких” обмоток статоров
электродвигателей переменного тока до и выше 1000 Вольт;
• ремонт роторов синхронных
электродвигателей с восстановлением изоляции полюсов;
• ремонт роторов электродвигателей с
фазным роторам краново-металлургической серии с ремонтом и изготовлении шин
ротора;
• ремонт обмоток электродвигателей
переменного тока главных приводов и ответственных механизмов на месте установки
(”на выходах”);
• определение ремонтопригодности
электродвигателей переменного тока;
• извлечение, накопление, учёт, сдача
медесодержащих материалов, полученных при выполнении ремонтных работ. - участок
изолировки секций
• замена витковой и корпусной изоляции
при переизолировке секций
• электродвигателей с ”жесткой” обмоткой
постоянного и переменного тока напряжением до и выше 1000 В стеклолентой,
слюдинитовой лентой;
• ремонт и изготовление главных и
дополнительных полюсов электродвигателей мощностью до 10 кВт;
• ремонт якорей, с заменой обмотки,
электродвигателей постоянного тока мощностью до 10 кВт;
• чистка обмоток электродвигателей
постоянного тока главных приводов и ответственных механизмов на месте установки
(”на выходах”); - участок ремонта всыпных обмоток
• производство капитальных ремонтов
электродвигателей переменного тока до 380 В с заменой ”всыпной обмотки”;
• изолирование секций обмоток
электродвигателей переменного тока до 1000 В;
• чистка обмоток электродвигателей
переменного тока главных приводов и ответственных механизмов на месте установки
(”на выходах”);
• извлечение, накопление, учёт, сдача
медесодержащих материалов, полученных при выполнении ремонтных работ. - участок
размотки, пропитки, мойки электродвигателей
• чистка, мойка обмоток электродвигателей
постоянного и переменного тока всех серий, исполнений и мощностей;
• чистка, мойка комплектующих частей,
деталей и узлов электродвигателей всех исполнений и мощностей;
• демонтаж обмоток электродвигателей
переменного тока со ”всыпной” обмоткой;
• пропитка деталей, изделий,
электродвигателей с последующей сушкой;
• покрытие электродвигателей и отдельных
деталей электроизоляционными эмалями. - участок разборки и дефектировки
электродвигателей
• приём и выдача электродвигателей в
ремонт и из ремонта в соответствии с утверждённым графиком ремонта;
• определение комплектации
электродвигателей, поступающих в ремонт, разборка и дефектировка, определение
видов и объёмов ремонтов по результатам дефектировки;
• предоставление данных (информации) для
изменения технического места в системе SAP R/3 электродвигателей поступающих
или выданных из цеха;
• ведение учета общекомбинатовского
резерва электрических машин;
• подготовка информации по завозу/вывозу
электрооборудования к селекторному рапорту зам. главного энергетика по
электрохозяйству;
• проведение 3-го этапа входного контроля
электродвигателей;
• определение неремонтопригодности
электрооборудования. - участок сборки электродвигателей
• сборка электродвигателей постоянного и
переменного тока различных серий и исполнений, мощностей;
• восстановление и подготовка деталей и
узлов электродвигателей к сборке (ремонт валов и щеточного аппарата, обработка
коллекторов и т. п.);
• проточка коллекторов и токосъемных
колец электродвигателей главных приводов и ответственных механизмов на месте их
установки (”на выходах”);
• извлечение, учет, сдача лома
легированных сталей по партиям (подшипников). - участок комплектовки
электродвигателей
• ремонт отдельных деталей, частей и
узлов электрических машин (ремонт и проверка на потери в стали активного
железа, снятие и ремонт коллекторов с заменой отдельных пластин, меканитовых
прокладок и манжетов, ремонт фазных головок и т. п.);
• изготовление и перепрессовка валов
электродвигателей;
• демонтаж подшипников с валов
электродвигателей;
• изготовление фазных головок
электродвигателей с фазным ротором любой серии и мощности;
• запрессовка фазных головок на валы
электродвигателей;
• ремонт фазных головок на месте
установки электродвигателей главных приводов и ответственных механизмов (работа
на ”выходах”);
• определение неремонтопригодности
электродвигателей по состоянию
• механической части активного железа,
коллекторов и т. п.; извлечение, накопление, учёт, сдача цветных металлов,
полученных при выполнении ремонтных работ. в). Служба механика:
• профилактические осмотры, техническое
обслуживание, планово-предупредительные ремонты механического (напольного и
грузоподъемного) оборудования цеха;
• подготовка грузоподъемных машин к
техническому
• освидетельствованию;
• изготовление нестандартного
инструмента, необходимо для выполнения ремонтных работ и изготовления запасных
частей;
• ремонт, содержание в исправном
состоянии приспособлений, оснастки, инструмента (в том числе пресс-форм,
штампов, необходимых для изготовления запасных частей и выполнения ремонтных
работ);
• изготовление литых заготовок из ЦМ,
поковок т.п., необходимых для изготовления запасных частей. г). Служба
электрика:
• профилактические осмотры, техническое
обслуживание, планово-предупредительные и аварийные ремонты электрооборудования
и технических средств безопасности цеха;
• электрические испытания электрических
машин до и выше 1000 В любых серий и исполнений;
• монтаж схем для испытаний импортного и
нестандартного электрооборудования;
• подготовка рабочих мест и допуск к
работе в электроустановках цеха для производства работ бригад сторонних
организаций и ремонтного персонала ;
• проведение 3-го этапа входного контроля
электродвигателей;
• ведение общекомбинатовской картотеки на
электродвигатели и предоставление информации для ведения базы данных на весь
парк грузоподъемных магнитов в системе SAP R/3. д). Участок ремонта
специального оборудования и изготовления запасных частей: - участок ремонта
специального оборудования
• текущий, средний, капитальный ремонт
грузоподъемных электро- магнитов старых и новых серий с заменой медной ленты,
восста- новлением секций и последующей пропиткой;
• ремонт сухих трансформаторов мощностью
от 2,5 до 40 кВА и катушек реактивности с заменой или ремонтом обмоток;
• изготовление и ремонт катушек последовательного
выключения;
• средний и капитальный ремонт силовых
трансформаторов мощностью до 10000 кВА (без замены обмотки) с выемкой активной
части;
• ремонт силовых масляных трансформаторов
без выемки активной части на месте установки (работа на ”выходах”);
• извлечение, накопление, учет, сдача
медесодержащих материалов;
• определение не ремонтопригодности
грузоподъёмных электромагнитов, трансформаторов;
• ведение общекомбинатовской картотеки на
ГПМ и предоставление информации для ведения базы данных на весь парк
грузоподъёмных магнитов в системе SAP R/3. - участок изготовления катушек к
электроаппаратам
• изготовление запасных частей к
электрооборудованию отечественного и импортного производства ( к контактором,
реле, командоаппаратам, электрическим машинам и т. п.), штепсельных разъёмов,
нагрева- тельных печей, тэнов, изделий из пластмассы;
• изолировка провода для ремонта
грузоподъемных электромагнитов новых серий;
• изготовление запасных частей,
используемых электроремонтным цехом при выполнении ремонтов электродвигателей
(хомутики, крышки брно, втулки и т. п.). - участок изготовления запасных частей
к электроаппаратам
• изготовление катушек для
электроаппаратов и тормозных катушек любых типов, в том числе параллельного
включения;
• изготовление обмоточных проводов типа
ПСД нестандартных сечений для ремонта электродвигателей и изготовления катушек
для тормозных электромагнитов;
• средний и капитальный ремонт сухих
трансформаторов мощностью до 2,5 кВА;
• извлечение, накопление, учет, сдача
медесодержащих материалов, полученных при изготовлении запасных частей.
Электроремонтный цех имеет склады для хранения ремонтного фонда (отдельных
узлов, и сборочные единицы электрооборудования: обмотки высокого и низкого
напряжения трансформаторов, комплекты контактной системы к выключателям, и т.
п.), и отремонтированного оборудования, инструментальные, и материальные
кладовые, подсобные, и бытовые помещения, а также другие помещения, число
которых, и назначение определяются в каждом конкретном случае принятой
технологией, и условиями ремонта.
Рабочее место - зона, оснащенная необходимыми
техническими средствами, в которой совершается трудовая деятельность
исполнителя или группы исполнителей, совместно выполняющих одну работу или
операцию.
Организация рабочего места - система мероприятий
по оснащению рабочего места средствами и предметами труда и их размещение в
определенном порядке.
Рабочее место включает: основное и
дополнительное оборудование (станки, механизмы, установки), технологическую
оснастку, приспособления, инструмент и необходимый инвентарь (установочные
столы, верстаки, стеллажи, шкафы).
.2 Способы извлечения обмоток электродвигателя
Наиболее трудоемкая операция при разборке -
удаление старой обмотки из Асинхронных Электродвигателей (АД). Это делают
следующими методами: механическим, термомеханическим, термохимическим,
химическим и электромагнитным. Рассмотрим их более подробно, что они себе
представляют.
. Сущность механического метода заключается в
том, что корпус электрической машины с пакетами стали статора и обмоткой
устанавливают на токарный или фрезерный станок и резцом или фрезой обрезают
одну из лобовых соединений частей обмотки, чаще всего чтобы схема соединения
была со стороны режущего инструмента. При обрезке нельзя допускать задевания режущего
инструмента за активную сталь пакета статора и корпуса. После обрезки статор
подают на стол для удаления обмотки. Ее удаляют при помощи крюков крана и
приспособления для демонтажа обмоток электродвигателей (Рис.1.2.1.), механизмом
подъёма работающих в ЭРЦ „ЕВРАЗ НТМК ” мостового крана или тельфера.
Рис. 1.2.1. Приспособление для демонтажа обмоток
электродвигателей
Можно отметить следующие недостатки этого
способа: трудоемкость, дополнительные затраты времени на чистку пазов статора.
Затем при помощи электро или гидропривода её удаляют. При помощью способа
вытягивания из пазов, зацепляя оставшуюся часть обмотки крюком за оставшуюся
лобовую часть . Однако при таком удалении обмотки ведёт к сильным повреждениям
пакета активного железа и в пазах остаются остатки изоляции, что требует
дополнительные затраты на их удаление и ремонт активного железа. Можно отметить
следующие недостатки этого способа: трудоемкость, дополнительные затраты
времени на чистку и правку пазов статора.
. При термомеханическом методе удаления старой
обмотки получившем наибольшее распространение, сначала обмотку отжигают при
высокой температуре, а затем удаляют ее, используя механический способ. Отжиг
рекомендуется проводить при температуре 280...400°С в течение 4...6 ч. При этом
меньшая температура относится к двигателям с алюминиевым корпусом, а большая -
к двигателям с чугунными корпусами. Корпуса двигателей рекомендуется охлаждать
совместно с печью до 80...90°С (120...150 °С - для двигателей с алюминиевыми
корпусами). При температуре 280 °С изоляция только размягчается, и поэтому
обмотки рекомендуется удалять по частям. После удаления обмотки корпус;)
двигателей охлаждают на воздухе.
Часто на ремонтных предприятиях по ремонту
электродвигателей используют печи собственной конструкции. При этом статор
охлаждают на воздухе или принудительно вместе с отключенной печью. Все это
может привести к тому, что скорость охлаждения статора будет колебаться в
широких пределах и появляется опасность в одном случае снижения пропускной
способности печи, а в другом ухудшения магнитных характеристик стали статора.
Последнее возможно при резком охлаждении статора, в результате которого
происходит колебание листов пакета стали и появляются механические напряжения.
Электрическую машину со срезанной лобовой частью обмотки помещают в обжиговую
печь при температуре 300...350°С и выдерживают там несколько часов. После этого
оставшаяся часть обмотки легко удаляется. Часто машину помещают в печь со всей
обмоткой (ни одна из лобовых частей обмотки не срезана), но в этом случае после
обжига обмотку из пазов удаляют только вручную. Равномерное тепловое поле в
обжиговой печи создать трудно. Нередко в печи происходит возгорание изоляции
обмоток, приводящее к резкому увеличению температуры в печи, особенно в
некоторых ее зонах. При повышении температуры выше допустимой могут
покоробиться корпуса машин, особенно это относится к алюминиевым корпусам.
Поэтому машины с алюминиевыми корпусами обжигать не рекомендуется. Некоторые
предприятия исследуют распределение температур внутри печи при ее работе и
определяют зоны, в которых можно расположить электрические машины с
алюминиевыми корпусами. При обжиге в печи происходит отжиг листов стали
статора, заметно увеличиваются удельные потери в стали и уменьшается К. П. Д;
машины. Но при этом выгорают лаковые пленки между пакетом стали и корпусом и
между отдельными листами стали. Последнее приводит к тому, что после 2...3
обжигов нарушается тугая посадка между пакетом и корпусом, пакет начинает проворачиваться
в корпусе машины, ослабляется прессовка пакета. Поэтому прогрессивным можно
признать обжиг изоляции обмоток машин в расплавах солей (каустика или щелочи).
Обжиг в расплавах солей проводят при температуре 300°С (573К) при алюминиевых
корпусах и 480°С (753 К) при чугунных в течение нескольких минут. Полное
отсутствие доступа воздуха к объекту обжига, а также возможность регулирования
температуры в необходимых пределах позволяют применять этот способ обжига и для
машин с алюминиевыми корпусами. Коробление стали исключается полностью.
.3 Методики высоко и низкотемпературного отжига
При низкотемпературном отжиге в течение часа
температуру в печи повышают до 400 °С. Затем статоры выдерживают при этой
температуре в течение 5,5...7 ч при охлаждении на воздухе. Если применяют
ускоренное охлаждение, то статоры выдерживают при температуре 400 °С в течение
4,5...5,5 ч. После окончания отжига приступают к охлаждению статоров. Их
охлаждают на открытом воздухе в течение часа. Для того чтобы ускорить процесс охлаждения
статоров, их обдувают теплым воздухом. Минимальные потери в стали наблюдают при
отжиге в окислительной среде при температуре 900 °С и времени выдержки
0,25...0,50 ч. При минимальном доступе воздуха в среду отжига наилучшие
характеристики получают при температуре 800 °С и времени 2 ч.
Дальнейшее увеличение времени выдержки в
бескислородной среде приводит к увеличению потерь в электротехнической стали.
При высокотемпературном отжиге отпадает
необходимость в дополнительной чистке пазов. Производительность отжига
увеличивается в 12 раз, а расход энергии снижается в 4...5 раз. При этом
увеличивается КПД двигателя на 1 ...1,5 %. К недостаткам высокоемпературного
отжига следует отнести то, что после 3...4 выжигов нарушается тугая посадка
между корпусом и пакетом стали, ослабляется прессовка пакета стали.
Отжиг в расплаве солей (каустической соды,
щелочи) проводят при температуре 300 °С (для электродвигателей с алюминиевыми
корпусами) и 480 °С (для электродвигателей с чугунными корпусами) в течение
нескольких минут без доступа воздуха.
. При термохимическом методе удаления обмотки
электрическую машину, подготовленную к обжигу (одна из лобовых частей обмотки
срезана), опускают в емкость с раствором каустической соды или щелочи. Машина
находится в растворе при температуре 80...100°С в течение 8... 10 ч, после чего
ее обмотку можно легко удалить из пазов пакетов статора. При таком методе
никакого коробления корпусов произойти не может. Этот способ особенно
оправдывает себя при масляно-битумной изоляции обмоток.
. При химическом методе электрическую машину с
обмоткой помещают в емкость с моющей жидкостью типа МЖ-70. Эта жидкость летучая
и токсичная, поэтому, работая с ней, необходимо соблюдать правила техники
безопасности. Технология удаления обмоток такова: загрузка емкости
ремонтируемыми машинами, герметизация емкости, заполнение ее жидкостью, процесс
реакции, на который обычно расходуется ночное нерабочее время, удаление
жидкости, продувка емкости, освобожденной от жидкости, чистым воздухом,
разгерметизация и открытие емкости, выемка электрических машин и удаление
обмотки из пазов статора.
.Электромагнитный метод заключается в следующем.
Изготовляют однофазный трансформатор со съемным якорем и одним съемным, точнее
сказать, заменяемым стержнем. На незаменяемый стержень наматывают
намагничивающую обмотку на напряжение сети. На второй съемный стержень надевают
один или несколько статоров двигателей, изоляцию обмоток которых необходимо
обжечь. Диаметр заменяемого стержня подбирают таким образом, чтобы получить наименьший
(порядка 5 мм) зазор между расточкой статора и стержнем. Достоинством этого
метода удобен тем, что при нем можно регулировать температуру нагрева статора
путем изменения подводимого к намагничивающей обмотке напряжения или
переключения числа ее витков. При этом методе можно обжигать машины как с
чугунными, так и с алюминиевыми корпусами. Недостаток этого способа: большое
количества стержней , размотка в горячем состоянии и только малогабаритных
электродвигателей максимум до 3 габарита.
.4 Восстановления активного железа статор
электродвигателя
Сердечники статора изготавливаются из тонких
листов магнитной стали, разделенных изоляцией, чтобы избежать вихревых токов.
Если происходит замыкание пластин, в точке замыкания возникает высокая
температура, которая может сжечь изоляцию катушки обмотки статора и даже
привести к расплавлению сердечников статора (Рис.1.4.1.).
Рис. 1.4.1. Проблемы повреждения сердечника
Характерным признаком дефектных мест является
налет пыли кирпичного цвета , следы контактной коррозии.
Распространенные повреждения и дефекты активной
стали статора:
а.) ослабление ее прессовки;
б.) повреждение активной стали вследствие
задевания ротора;
в.) обрыв дистанционной распорки пакета
сердечника статора.
Из-за повышенной вибрации ослабленных сегментов
пакета происходит излом лепестков стали у основания зубца, истирание лаковой
пленки и местный нагрев, вызывающий оплавление участка стали.
Перегрев и оплавление активной стали статора
может вызвать попадание посторонних металлических предметов в пазовую часть,
появление заусенцев, а также механические повреждения расточки статора от
задевания ротора. При пробое изоляции катушек обмотки статора в пазовой части
образующейся дугой оплавляется активная сталь, увеличивая зону повреждения и,
соответственно, объем восстановительного ремонта. Особенно после удаления
обмотки статора механическим способом при помощи подъёма мостового крана
которые работают в ЭРЦ„ЕВРАЗ НТМК ”.
У асинхронных электродвигателей типов ДАЗО , АО
,А иногда обрываются нажимные пальцы активной стали статора и дистанционные
распорки пакетов, вследствие их недостаточного крепления. Дефекты приводят к
местному ослаблению сердечника и повреждению обмотки .
Перед ремонтом осматривают и проверяют: крепление
сердечника, состояние сварных швов, крепление вентиляционных распорок и
нажимных пальцев. Слабо закрепленные вентиляционные распорки и нажимные пальцы
приваривают к активной стали, стараясь не замкнуть листы активной стали между
собой во избежание появления замкнутого контура. Дефекты сварных швов устраняют
подваркой. При проведении сварочных работ ремонтируемую часть отгораживают
асботканью во избежание попадания шлака и окалины в вентиляционные каналы и
обмотку.
При осмотре поверхности расточки статора
проверяют отсутствие мест повышенных нагревов и оплавлений, нарушения
межлистовой изоляции, коррозии, забоин и деформации пакетов и распорок, а также
ослабления прессовки стали. В местах ослабления прессовки обычно появляется
пыль кирпичного цвета, количество которой пропорционально степени ослабления.
Плотность прессовки стали проверяют специальным щупом шириной 20 мм и с углом
заточки 15°. Плотность прессовки считают удовлетворительной, если от усилия 98
- 118Н (10 - 12 кгс) щуп не входит между сегментами глубже 4 мм всей плоскостью
лезвия. Ослабление пакета активной стали устраняют установкой в зубцовую зону
специально изготовленных клиньев из стеклотекстолита марки СТЭФ, толщина и
количество которых зависит от величины ослабления пакета. Из зоны ослабленных
пакетов удаляют пазовые клинья. Поверхности прилегания сегментов стали и
уплотняющих клиньев обезжиривают, покрывают лаком БТ-99 и забивают клин в
ослабленное место.
Если одновременно с ослаблением зубцов произошло
нарушение лакового покрытия отдельных сегментов, прилегающих к месту установки
клиньев, то перед установкой клина между сегментами у коронки зубца вставляют
прокладки из слюды на лаке БТ-99. Стеклотекстолитовый клин опиливают заподлицо
с профилем зубца. Опиловка повреждения прилегающих сегментов активной стали
недопустим.
Места ремонта покрывают лаком БТ-99, и обмотку
заклинивают пазовыми клиньями. Стыки пазовых клиньев не должны совпадать с
стеклотекстолитовым клином. Местные замыкания на поверхности расточки статора
устраняют травлением кислотой. Активную сталь подготавливают к индукционному
нагреву. При намотке намагничивающей обмотки обеспечивают свободный доступ к
местам повреждений. Установив в зоне повреждения термодатчики, включают
намагничивающую обмотку и повышают температуру поврежденных участков до 70 -
95°С, отмечая мелом их границы. Обмотку и вентиляционные каналы, находящиеся
вблизи места ремонта пакетов активной стали, защищают от кислоты и стружки
асбестовой замазкой и резиновыми ковриками. Поврежденные участки активной стали
зачищают. Зачистку производят вдоль листов. Образующуюся стружку и пыль удаляют
пылесосом. В зоне повреждения устанавливают термодатчики, включают
намагничивающую обмотку и нагревают до 75 - 105°С. Отключают намагничивающую
обмотку и протравливают зачищенные участки тампоном, смоченным в
концентрированной азотной кислоте, не допуская растекания кислоты за пределы
обрабатываемого участка. Большие площади обрабатывают кислотой последовательно
небольшими участками. После каждой обработки кислотой длительностью 1 - 2 мин
протирают обрабатываемый участок салфетками, смоченными теплой дистиллированной
водой для удаления образующейся при травлении соли азотнокислого железа.
Обработку повторяют 5 - 6 раз. Обрабатываемый участок осматривают через лупу.
Лаковая пленка между сегментами активной стали должна просматриваться сплошными
тонкими линиями. Если она видна прерывистой линией, то травление повторяют.
Если температура ремонтируемого участка упала ниже 55°С, травление прекращают,
так как реакция травления значительно замедляется. Повторяют нагрев и травление
стали. После окончания травления остатки кислоты нейтрализуют 4 - 5 кратной
обработкой протравленных мест ватными тампонами, смоченными 10%-ным раствором
кальцинированной соды. Нейтрализованные участки промывают теплой
Дистиллированной водой (40 - 60°С), протирают насухо салфетками и промывают
спиртом. Удалив защитную обмазку из пазов, зазоров и вентиляционных каналов,
вторично промывают ремонтные участки спиртом. Если нагрев сердечника по
каким-либо причинам осуществить невозможно, то травление производят раствором
3HCl + 2HNO3 при температуре стали, равной температуре окружающего воздуха.
Если в сердечнике есть повреждения, уходящие к корню зубца, то необходимо
удалить часть этого зубца. В зависимости от глубины повреждения зубцов активной
стали ремонт их с изготовлением заполнителей можно выполнять без выемки или с
выемкой катушек. В последнем случае до начала ремонта поврежденных зубцов
демонтируют катушки в зоне повреждения. Поврежденный зубец статора в зоне
повышенного нагрева высверливают на необходимую глубину. Затем удаляют
поврежденные лепестки активной стали. Местные поверхностные замыкания сегментов
в зоне удаленных лепестков устраняют путем зачистки абразивом и травлением
кислотой с последующей нейтрализацией. Затем испытывают активную сталь на
потери и нагрев. При положительных результатах испытаний на место выбранной
части зубца ставят заполнитель из стеклотекстолита СТЭФ (Рис.1.4.2.),
обеспечивая подгонкой плотное прилегание его в сердечнике. Места активной стали
и заполнитель обезжиривают и просушивают. Перед установкой заполнитель и
прилегающие к нему поверхности сердечника покрывают эпоксидным лаком или
эпоксидным клеем ЭК-3. После установки заполнителя проверяют плотность пакета
активной стали с обеих сторон заполнителя.
Рис. 1.4.2. Ремонт сердечника статора
заполнителем
Обнаруженные при испытаниях активной стали перед
началом ремонта завышенные (сверх нормы) удельные потери, означают общее
старение активной стали. Это требует полной перешихтовки и переизолировки
активной стали. Полная или частичная перешихтовка может также потребоваться при
большом объеме повреждений стали. В этом случае вместо поврежденных
устанавливают новые сегменты. Перешихтовка сердечника совмещается с перемоткой
обмотки статора. После демонтажа обмотки статор устанавливается на торец для
расшихтовки сердечника. До начала расшихтовки составляют эскиз сердечника. Для
этого замеряют размеры паза, длину каждого из пакетов по расточке и спинке и
общую длину сердечника. Микрометрическим штихмасом замеряют диаметр расточки
статора в трех сечениях по длине сердечника. По данным заводских чертежей и
фактических размеров изготовляют калибры, струбцины для замера толщины
сердечника и др.
Опорные и прессующие кольца изготовляют из стали
толщиной не менее 1,5 толщины нажимного кольца статора. В прессующем кольце
делают окна против сборочных клиньев для возможности прохода кольца в станину.
По внутреннему диаметру расточки статор в прессующих кольцах вырезают пазы для
прохода сборочных калибров, количество которых определяется числом сегментов в
одном слое, из расчета не менее двух калибров на один сегмент. Калибры
изготовляют из стали Ст3, цементируют и закаливают до твердости HRC54 - HRC57.
Для мощных электродвигателей толщина сборочных калибров, мм, определяется по
формуле:
Т сб = b шт - 0,35 [bшт - (b св + 0,2) ].
Толщина рихтовочного калибра, мм,
Т рихт = b св + 0,2 (bшт - b св).
Толщина контрольного калибра, мм,
Тк = bсв,
где bшт - ширина паза, мм, в штампе;св - ширина
паза, мм, в сердечнике.
Расшихтовки сердечника предшествует демонтаж
бандажных колец и кронштейнов с одной стороны статора. Для ослабления пакета
активной стали удаляют фиксирующий элемент конструкции. Ввернув в резьбовые
отверстия рым-болты, демонтируют нажимное кольцо, нажимные пальцы и приступают
к расшихтовки сердечника. Сегменты активной стали по наружному диаметру имеют
пазы в виде открытого «ласточкина хвоста» (облегчающие процесс расшихтовки и
шихтовки сердечника), в которые заходят шихтовочные клинья. На внутренней
поверхности сегментов имеются прямоугольные пазы для обмотки с треугольными
канавками в верхней части для установки пазовых клиньев обмотки. Ширина пазов
для катушек обмотки в собранном сердечнике (паз в свету) меньше, чем в
отдельном сегменте после штамповки (паз в штампе), так как пазы «ласточкин
хвост» в сегменте больше размеров шихтовочного клина. Вследствие наличия
зазоров между указанными пазами и клиньями возможен тангенциальный сдвиг
сегментов при шихтовке сердечника с появлением «гребенки» в пазу. Кроме
основных сегментов в сердечнике есть сегменты с укороченными зубцами, из
которых набраны концевые пакеты и нажимные сегменты, передающие сердечнику
усилия от нажимных колец. После выполнения подготовительных работ приступают к
последовательной расшихтовки пакета. Сегменты активной стали каждого пакета
складывают отдельно и маркируют. При расшихтовки сегменты сортируют на
пригодные и имеющие дефекты (заусенцы, нарушение лакового покрытия и др).
Заусенцы устраняют обстукиванием молотком или опиловкой. Для восстановления
изоляционной пленки сегмент погружают в лак ГФ-95 и выдерживают в сушильной
печи при температуре 130°С в течение 45 - 60 мин. Сегменты со значительными
повреждениями заменяют новыми. Качество покрытия сегментов проверяют внешним
осмотром. Лаковая пленка должна быть сухой, твердой и не давать отлипа.
Проверяют отсутствие забоин на поверхности паза «ласточкин хвост» и шихтовочных
клиньях, зачищают их до металлического блеска и проверяют отсутствие дефектов в
сварных швах. Сборка сердечника начинается с укладки на нажимную плиту крайних
листов с нажимными пальцами. Затем укладывают укороченные сегменты, обеспечивая
ступенчатость первого пакета. Для его большей монолитности указанные сегменты
промазывают перед шихтовкой клеящим лаком. После шихтовки первого пакета
струбциной стягивают пакет со стороны расточки и спинки и измеряют его толщину.
Усилие, создаваемое струбциной, должно быть
эквивалентно усилию прессовки сердечника. Измеренную толщину сравнивают с
данными замеров при разборке. При шихтовке сердечника каждый последующий ряд
сегментов сдвигают по окружности относительно предыдущего ряда в одну сторону.
Рихтовочным калибром рихтуют пазы первого пакета и осаживают сегменты киянкой
через прокладку из электрокартона. Аналогично рихтуют 2-й и последующие пакеты.
В процессе шихтовки выполняют промежуточные прессовки. При длине сердечника до
4200 мм выполняется одна промежуточная прессовка, при длине более 1200 мм -
через каждые 400 - 500 мм. Окончательную прессовку выполняют при давлении 1470
кПа (15 кгс/см2). Проверяют геометрические размеры сердечника и сравнивают их с
данными чертежей и замеров до расшихтовки. Плотность прессовки проверяют
контрольным щупом. Сердечник выдерживают в запрессованном состоянии 2 - 3 ч, а
затем устанавливают стопорные элементы, фиксирующие нажимную плиту, и
приваривают их электросваркой. Разбирают приспособление и вынимают сборочные
калибры из пазов. Каждый паз по всей длине проверяют контрольным калибром.
Выступающие в паз отдельные сегменты отпиливают, статор продувают сухим сжатым
воздухом и покрывают тонким слоем лака БТ-99. Сердечник испытывают на потери и
нагрев. Проверку производят с помощью электроустановки АС - 2 имеющееся в ЭРЦ.
Целью испытания активной стали статора является
проверка отсутствия замыкания между листами и вызванных этими замыканиями
перегревов. Испытание дает возможность также определить величину потерь в
стали. Если при испытании стали обнаружатся недопустимые перегревы, а удельные
потери в стали находятся в норме, то из этого следует, что перегревы имеют
местный ограниченный характер, а вся активная сталь находится в
удовлетворительном состоянии. Ремонт в таких случаях заключается в устранении
местных перегревов.
Если при испытании наряду с чрезмерными местными
перегревами (или даже при отсутствии таких) будут установлены завышенные сверх
нормы удельные потери, то это означает, что имеет место общее старение активной
стали. В этом случае требуется полная перешихтовка и переизолировки активной стали.
Полная перешихтовка активной стали может также потребоваться при повреждении
изоляции листов стали в результате контактной коррозии.
1.5 Удаление местных оплавлений на статоре и в
пазах
Перед ремонтом определяют и отмечают мелом
границы зоны оплавления и выгорания активной стали. При необходимости
демонтируют часть обмотки статора для ремонта стали. Оплавленные места вырубают
зубилом, высверливают или выбирают при помощи торцевой фрезы, закрепленной в
патроне настольного сверлильного станка, установленного в расточке статора.
Поверхность удаленных мест поврежденной стали обрабатывают торцевым наждачным
камнем пневматической шлифовальной машинкой. Затем эти места протравливают
азотной кислотой плотностью 1,4-2 г/см3. Для этого на сердечник наматывают кабель
с целью получения индукции 1,2-1,4 Т. Положение намагничивающей и контрольной
обмоток должно обеспечивать свободный доступ для производства работ по
травлению поврежденных участков. Приготавливают насыщенный раствор
кальцинированной соды. Соду растворяют в воде до полного насыщения при
температуре 20-25° С. Подготавливают ватные тампоны на деревянных палочках
длиной 200- 250 мм. Количество тампонов определяется площадью, обрабатываемой
кислотой.
Все незащищенные участки сердечника в зоне
работы с кислотой обезжиривают бензином и покрывают лаком ХС-76 или эмалью
ХС-710 с целью защиты активной стали статора от воздействия случайно попавшей
азотной кислоты.
Продувают сердечник сжатым воздухом и
обезжиривают зачищенные места спиртом. Включают намагничивающую обмотку,
доводят температуру поврежденных участков до 75-105°С и отключают обмотку.
Протравливают поврежденные участки ватным тампоном, смоченным в азотной
кислоте, при этом:
а) следят, чтобы кислота не растекалась по
активной стали за пределы подготовленных участков;
б) при обработке активной стали азотной кислотой
происходит активная химическая реакция с образованием солей азотнокислого
железа и выделением водорода. Образуемая соль затрудняет травление, поэтому
после пяти-шестиразовой обработки кислотой одного и того же участка протирают
ее влажным тампоном или салфеткой, смоченной в воде, удалив образовавшуюся
соль;
в) во время промывки травленых участков
осматривают через лупу изоляционную лаковую пленку между отдельными листами.
Пленка должна просматриваться сплошными черными линиями, что определяет
окончание травления;
г) если во время очередной промывки и осмотра
изоляционная полоска между листами будет прерывиста, травление необходимо
продолжить;
д) вся работа по обработке кислотой поврежденных участков должна производиться
как можно быстрее, так как понижение температуры стали приводит к ослаблению
химической реакции;
е) при понижении температуры ниже 55° С
травление прекращается. Для продолжения травления поврежденные участки
необходимо нагреть повторно;
ж) при большой площади повреждения активной
стали травление производят отдельными участками с повторным нагревом перед
обработкой каждого участка;
з) при повторных нагревах контролируют местные
нагревы на ранее обработанных травлением участках.
При ремонте стали с уложенной обмоткой после
зачистки перед началом травления все щели, отверстия и пазы, в которые кислота
может проникнуть на изоляцию обмотки, тщательно закрывают шпаклевкой ЛШ-1 или
ЛШ-2, дают высохнуть, после чего покрывают эмалью ХС-710 или лаком ХС-76. После
окончания процесса травления промывают водой все подвергшиеся действию кислоты
участки с помощью влажных тампонов в 4-5 приемов, меняя их каждый раз.
Промывают и нейтрализуют от кислотных остатков участки сердечника раствором
кальцинированной соды. Нейтрализацию производят путем обтирки травленых мест
тампонами, смоченными в содовом растворе. Повторяют промывку водой, насухо
протирают промытые участки чистыми салфетками и промывают спиртом. После этого
производят испытание активной стали на нагрев и покрывают исправленные участки
лаком БТ-99. На место удаленной части зубца устанавливают заполнитель из
стеклотекстолита. Заполнитель имеет форму и размеры удаленной Части зубца.
Перед установкой заполнитель тщательно подгоняют по месту, чтобы он плотно
лежал между обмоткой и сталью. Какого-либо специального крепления заполнителя
не требуется, так как клинообразная форма препятствует выпадению его из
обмотки. Кроме того, пазовые клинья создают дополнительное крепление
заполнителя. Установку заполнителя производят на эпоксидном компаунде холодного
отверждения. Для более плотной установки заполнителя, а также для
предупреждения ослабления прессовки стали зубца рекомендуется устанавливать
заполнитель, состоящий из трех частей Рис.1.5.1..
Рис. 1.5.1. Установка составного
стеклотекстолитового заполнителя
1 - зубец, 2 - клин, 3 - вставки.
Если поврежденный участок стали небольшой и
находится в пазу, то для предотвращения вспучивания изоляции секций вырубленная
полость заполняется эпоксидным компаундом, приготовленным согласно
рекомендациям [37].
.6 Устранение местных перегревов активной стали
Если имеется замыкание листов активной стали на
небольшой площади и глубине, то ремонт этого участка производят установкой
слюдяных прокладок на лаке ГФ-95 или изолировкой жидким раствором лака ЕТ-99.
Листы зубцов разводят специально заточенными узкими и тонкими стальными
полосами необходимой длины. При поверхностных повреждениях стали, вызванных,
например, задеванием ротора за статор, обрабатывают эти места шлифовальной
машинкой. Зачищают поврежденную поверхность вдоль листов стали. После этого
поверхность протравливают кислотой. Методы травления рассмотрены выше.
Рис. 1.6.1. Рихтовка крайних зубцов стали
статора.
- Электрокартон; 2 - клинья встречные стальные.
Исправляют положения крайних зубцов,
деформированных, например, при задевании ротора, при помощи стальных клиньев.
Подорванные у корня зубцов лепестки стали удаляют, а оставшиеся рихтуют
(Рис.1.6.1.).
2. Технологическая часть
.1 Описание цеха и технологического процесса, в
котором участвует мостовой кран
На АО „ЕВРАЗ НТМК” установлено в общей сложности
порядка 60 тысяч электродвигателей мощностью от 0,2 кВт до 10000 кВт как постоянного,
так и переменного тока, от старых (довоенных лет выпуска) до современных,
отечественных и импортных (американских, германских, болгарских, румынских,
чехословацких, австрийских).
В прокатных цехах, сталелитейном и доменном
производствах, ТЭЦ, ЦСП, ККП, насосных комбината установлены и работают
высоковольтные двигатели; на цеховых подстанциях, подстанциях ЦСП установлены
силовые трансформаторы. В цехах комбината работают порядка десяти типоразмеров
грузоподъемных электромагнитов, с помощью которых производятся отгрузка готовой
продукции, транспортировка металлошихты и т.д. Всё это электрооборудование,
несмотря на внушительные размеры, имеет свойство выходить из строя.
Рассматривая все многообразие современных
производственных процессов, в каждом конкретном производстве можно выделить ряд
операций, характер которых является общим для различных отраслей народного
хозяйства. К их числу относятся доставка сырья и полуфабрикатов к истокам
технологических процессов и межоперационные перемещения изделий в процессе
обработки, погрузочно-разгрузочные работы на складах, железнодорожных станциях
и т. д.
Механизмы, выполняющие подобные операции, как
правило, универсальны и имеют общепромышленное применение, в связи, с чем и
называются общепромышленными механизмами. Общепромышленные механизмы играют в
народном хозяйстве страны важную роль.
На промышленных предприятиях наиболее
распространенным и универсальным подъемно-транспортным устройством является
кран, основным механизмом которого является механизм подъема, который
снабжается индивидуальным электроприводом.
Основные механизмы таких установок, как правило,
имеют реверсивный электропривод, рассчитанный для работы в
повторно-кратковременном режиме. В каждом рабочем цикле имеют место
неустановившиеся режимы работы электропривода: пуски, реверсы, торможения,
оказывающие существенное влияние на производительность механизма, на КПД
установки и на ряд других факторов. Все эти условия предъявляют к
электроприводу сложные требования в отношении надежности и безопасности. От
технического совершенства электроприводов в значительной степени зависят
производительность, надежность работы, простота обслуживания. Кран позволяет
избавить рабочих от физически тяжелой работы, уменьшить дефицит рабочих в
производствах, отличающихся тяжелыми условиями труда.
Электропривод большинства грузоподъёмных машин
характеризуется повторно - кратковременным режимом работы: большая частота
включения, широкий диапазон регулирования скорости и постоянно возникающие
значительные перегрузки при разгоне и торможении механизмов. Особые условия
использования электропривода в грузоподъёмных машинах явились основой для
создания специальных серий электрических двигателей и аппаратов кранового
исполнения. В настоящее время крановое электрооборудование имеет в своём
составе серии крановых электродвигателей переменного и постоянного тока, серии
силовых и магнитных контроллеров, командоконтроллеров, кнопочных выключателей,
тормозных электромагнитов и электрогидравлических толкателей, пускотормозных
резисторов и ряд других аппаратов, комплектующих разные крановые
электроприводы.
Наибольшее распространение на кранах получил
привод с асинхронными двигателями с фазным ротором и ступенчатым регулированием
угловой скорости путем изменения сопротивления в цепи ротора. Двигатели
постоянного тока применяют в том случае, если к электроприводу крановых
механизмов предъявляются повышенные требования в отношении регулирования
скорости, а также необходимо обеспечить низкие устойчивые угловые скорости в
различных режимах. Привода с асинхронными двигателями с короткозамкнутым
ротором применяется для механизмов кранов небольшой мощности (≤10-15
кВт), работающих в легком режиме.
Наша задача сделать выбор привода исходя из
условий работы и предъявляемых к нему требований, выбрать наиболее подходящий
по технико-экономическим и габаритным показателям.
Электроремонтный цех размещается в четырех
зданиях, расположенных друг от друга на значительном расстоянии, что создает
значительные трудности в обеспечении нормальной, бесперебойной работы механического
и электрического оборудования цеха ограниченным числом дежурного и ремонтного
персонала.
В электроремонтном цехе ремонтируют
электрооборудование всех цехов подразделений комбината, включая изготовление
запасных частей, катушек и электрических аппаратов, а также нестандартное
электрооборудование. Ежемесячно в цехе ремонтируются 200-250 двигателей (в год
около 4500), 12 магнитов, 6-8 силовых (высоковольтных) трансформаторов,
изготовление запасных частей, в том числе производство провода для собственных
нужд 1500-1700 кг/месяц; 170-200 катушек; 1400-1500 штук в месяц контактов.
Такого оборудования, как в ЭРЦ, нет ни в одном
цехе комбината. Оно относится к разряду нестандартного оборудования, большая
часть которого изготовлено своими силами. Производственная программа
выполняется на 102-108%. Цех работает с экономией постоянных затрат: экономия
электроэнергии, материалов, использование материалов бывших в употреблении.
Основным участком электроремонтного цеха
является участок по ремонту электродвигателей, который состоит из следующих
отделений:
разборочное - здесь производится разборка и
определение дефектов поступивших электродвигателей и вида необходимого ремонта;
моечное - здесь производится обдувка и чистка
запчастей электродвигателей от загрязнений;
размоточное - производится размотка
электродвигателей при ремонте с полной заменой обмоток;
обмоточное - производится ремонт и укладка
обмоток двигателей постоянного и переменного тока;
пропиточное - пропитка обмоток электродвигателей
электроизоляционными лаками;
комплектовочное - осуществляет подготовку и
ремонт деталей и узлов электродвигателей к сборке;
сборочное - производит сборку электродвигателей;
контрольно-испытательная станция - выполняет
промежуточные и выпускные испытания электродвигателей, прошедших все стадии
ремонта.
Для перемещения электродвигателей и их узлов по
цеху, а так же при сборке электродвигателей используется мостовой кран, имеющий
следующие паспортные данные.
Режим работы:
механизм подъема груза - средний при ПВ 25%
механизм передвижения моста - средний при ПВ 25%
механизм передвижения тележки - средний при ПВ
25%
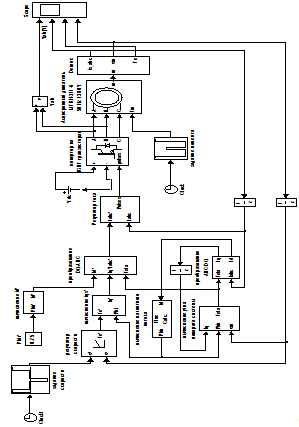
2.2 Общая характеристика и кинематическая схема
механизма подъема мостового крана
Мостовой кран представляет собой мост,
перемещающейся по крановым путям на ходовых колесах, которые установлены на
концевых балках. Пути укладываются на подкрановые балки, опирающиеся на выступы
верхней части колонны цеха. Механизм передвижения крана установлен на мосту
крана. Управление всеми механизмами происходит из кабины прикрепленной к мосту
крана.
Рассмотрим характеристики мостового крана:
Таблица 2.2.1.
Общие характеристики мостового крана
|
Грузоподъемность
|
5
т
|
|
Высота
подъема крюка
|
12
м
|
|
Скорость
подъема и спуска крюка
|
11
м/мин
|
|
Скорость
передвижения моста
|
72
м/мин
|
|
Скорость
передвижения тележки
|
38
м/мин
|
|
Пролет
крана
|
16,5
м
|
|
Давление
на каток
|
2667
кг
|
|
Число
ходовых катков моста
|
4
шт
|
Таблица 2.2.2.
Характеристика механизмов
|
Механизм
|
Передача
|
Электродвигатель
|
Кол-во
|
|
|
Тип
|
Р,
кВт
|
n, об/мин
|
|
|
Подъем
|
РМ-400-II-3
|
МТВ-311-6
|
11
|
946
|
1
|
|
Передвижение
моста
|
РМ-350-V-9
|
МТ-212-6
|
7,5
|
945
|
1
|
|
Передвижение
тележки
|
ВК-350
|
2,2
|
895
|
1
|
Таблица 2.2.3.
Характеристика тормозов
|
Механизм
|
Тип
|
Кол-во
|
|
Подъем
|
ТКТ-200
|
1
|
|
Передвижение
моста
|
ТКТ-200
|
1
|
|
Передвижение
тележки
|
ТКТ-100
|
1
|
Рис. 2.2.1. Общий вид мостового крана
Управление краном осуществляется
командоконтроллерами, установленными в кабине машиниста; регулирование
скоростей вращения двигателей механизмов производится путем введения в цепь ротора
добавочных сопротивлений.
В данной работе рассмотрим механизм подъема
мостового крана.
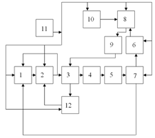
Рис. 2.2.2. Кинематическая схема механизма
подъема
- двигатель;
- соединительная муфта;
- редуктор;
-барабан;
- канат;
- полиспаст;
- грузозахватывающего устройства;
Таблица 2.2.4
Паспортные данные механизма подъема
|
Грузоподъемность,
кг
|
5000
|
|
Масса
захватного приспособления, кг
|
100
|
|
Диаметр
барабана, мм
|
300
|
|
Передаточное
число редуктора
|
40,17
|
|
Кратность
полиспаста
|
2
|
|
КПД
передачи
|
0,8
|
|
Скорость
подъема, м/мин
|
11
|
|
Высота
подъема, м
|
12
|
|
Продолжительность
включения механизма
|
0,25
|
Рис. 2.2.3. Схема механизма подъема.
.3 Выбор рода тока и типа электропривода подъема
При проектировании электропривода большое
значение имеет выбор рода тока и типа электропривода, так как от этого зависит
надежность работы и производительность машины, экономичность и удобство
обслуживания.
Схемы управления двигателем механизма подъема
должна предусматривают экстренное наложение механических тормозов при
отключении статора двигателя от сети или обрыве одной из фаз питающей сети, при
перегрузе ЭД (максимальную защиту). Нулевая защита исключает самозапуск
двигателей при подаче напряжения после перерыва электроснабжения.
Для качественного выполнения подъема, спуска и
перемещения грузов электропривод крановых механизмов должен удовлетворять
следующим основным требованиям:
Регулирование угловой скорости двигателя в
сравнительно широких пределах (до 4:1) в связи с тем, что тяжелые грузы
целесообразно перемещать с меньшей скоростью, а пустой крюк с большей скоростью
для увеличения производительности крана. Пониженные скорости необходимы также
для осуществления точной остановки транспортируемых грузов с целью ограничения
ударов при их посадке и облегчают работу оператора, так как не требуют
многократного повторения пусков для снижения средней скорости привода перед
остановкой механизма.
Обеспечение необходимой жесткости механических
характеристик привода, особенно регулировочных, с тем чтобы низкие скорости
почти не зависели от груза.
- Ограничение ускорений до допустимых пределов
при минимальной длительности переходных процессов. Первое условие связано с
ослаблением ударов в механических передачах при выборе зазора, второе условие
необходимо для обеспечения высокой производительности крана.
Реверсирование электропривода и обеспечение его
работы, как в двигательном, так и в тормозном режиме.
Переходные механические характеристики по
условиям
ограничения ударных нагрузок на механизм и
транспортируемый груз. Довольно часто в процессе подъемных механизмов возникают
дополнительные динамические усилия, которые приводят к недопустимым ударным
нагрузкам в кинематической цепи. Дополнительными динамическими усилиями
сопровождается подъем с подхватом или торможение механизма при спуске
(подъеме). Выбором соответствующих механических характеристик и системы
электропривода в некоторых случаях можно добиться устранения динамических
перегрузок.
Периодический повторно кратковременный режим
работы
S3 -
последовательность идентичных циклов работы, каждый из которых включает время Δtp
при неизменной нагрузке, за которое машина не нагревается до установившейся
температуры, и время стоянки Δtr,
за которое машина не охлаждается до температуры окружающей среды. При этом
потери при пуске не оказывают влияния на температуру частей машины.
Такой привод достаточно прост, надежен,
допускает большое число включений в час и применяется при средних и больших
мощностях. С помощью резисторов в цепи ротора можно в широких пределах изменять
момент при пуске, получать желаемые ускорения и плавность пуска, уменьшать токи
и потери энергии в двигателе при переходных процессах, а также получать
пониженные угловые скорости. Однако этот привод не обеспечивает необходимую
жесткость регулировочных характеристик и устойчивую работу при пониженных
скоростях. Он неэкономичен вследствие значительных потерь энергии в
пускорегулировочных сопротивлениях; кроме того, имеет место повышенный износ
двигателя, электромеханических тормозов и контактной аппаратуры управления. Еще
требуется значительное пространство для монтажа электрооборудования (шкафы
сопротивлений, панели управления). Наличие щеточного механизма требует
постоянного ремонта и своевременного (текущего) обслуживания, что влечет
дополнительные затраты.
Для механизмов подъема приводы на постоянном
токе с питанием от сети обычно выполняются с двигателями последовательного
возбуждения, которые допускают большие перегрузки по моменту и имеют мягкую
естественную характеристику, что позволяет поднимать и опускать легкие грузы с
повышенной скоростью. Двигатели параллельного возбуждения применяют в тех
случаях, когда необходимо иметь достаточно жесткие механические характеристики
при низких угловых скоростях, а также обеспечить работу двигателя на
естественной характеристике в генераторном режиме. Электрическое торможение
двигателей постоянного тока осуществляется проще и дает лучшие
технико-экономические результаты по сравнению с асинхронными двигателями. Ещё
одним плюсом является простота системы управления машинами постоянного тока.
При всех этих достоинствах, привода на постоянном токе обладают рядом
недостатков: привод постоянного тока работает с низким коэффициентом мощности,
система электропривода является генератором высших гармоник в сеть, стоимость
двигателя постоянного тока превосходит стоимость асинхронного двигателя,
большие затраты на ремонт двигателя постоянного тока. Самым главным недостатком
является конструкция двигателя постоянного тока, наличие щеточно-коллекторного
механизма требующего постоянного ремонта и текущего обслуживания, влечет за
собой дополнительные затраты.
Асинхронные двигатели с короткозамкнутым ротором
являются наиболее распространенными из электрических двигателей, применяемых в
промышленности, т. к. значительно превосходят двигатели с фазным ротором и
постоянного тока как по цене и простоте устройства, так и по надёжности в
эксплуатации. Недостатками асинхронных двигателей с короткозамкнутым ротором
небольшая кратность максимального момента (не превышает 2,5 кратной величины
номинального момента). Сложность системы управления электроприводом (наличием
сложных технических устройств: координатного преобразования, векторных
фильтров, фазовращателей, функциональных преобразователей, блоков коррекции
мгновенного значения частоты; наличие большого числа датчиков, сложность
технической реализации блоков АСР, датчиков, осуществляющих гальваническую
развязку) снижает надежность данного привода.
При этом появившиеся недорогие и надежные
преобразователи частоты в совместной работе с электроприводами переменного тока
имеющие следующие достоинства:
достаточный диапазон регулирования;
точность сравнимая с электроприводами
постоянного тока;
высокий коэффициент мощности.
частотно-регулируемые ЭП на базе АД с
короткозамкнутым ротором считаются эффективным способом решения одой из главных
проблем - энергосбережение.
Вывод: исходя из выше перечисленных достоинств и
недостатков выбираем электропривод переменного тока с частотным управлением,
который в процессе подъёма-спуска груза обеспечит соблюдение всех условий, в
том числе управление электромеханическим тормозом.
.4 Расчет нагрузочных диаграмм и выбор двигателя
Мощность при подъеме и спуске:
,
где g - ускорение свободного падения,гр, mзп -
масса груза и захватного приспособления,- скорость подъема,
h - КПД передачи.
По предварительным расчетным данным выбираем
трехфазный асинхронный двигатель АМТК160М6 [1][8].
Таблица 2.4.1.
Паспортные данные электродвигателя АМТК160М6
|
Р,
Вт
|
15000
|
|
U,
В
|
380
|
|
n,
об/мин
|
970
|
|
КПД
|
0,89
|
|
J
, кг∙м2
|
0,14
|
|
Iн,А
|
31
|
|
cosφ
|
0,82
|
|
Mн,
Н∙м
|
148
|
|
Мmax,
Н∙м
|
429
|
Построим нагрузочную диаграмму.
Момент инерции электропривода
Момент инерции рабочего механизма
Без груза:
С грузом:
Момент инерции ЭП:
без груза
с грузом
Момент сопротивления:
Без груза:
С грузом:
Допустимое ускорение:
Принимаем по техническим требованиям:
Динамический момент:
Слабина крюка: L0=0,2м
Высота подъема: L=12м
∑L=L0+L=12,2м
Установившаяся скорость
Рассчитаем время цикла
Разобьём весь цикл на 20 интервалов.
Рассчитаем суммарную нагрузку на всех интервалах
цикла:
: М1=Мс1+Мдин1=0,419+14,29=14,72 Н∙м
: М2=Мс1 =0,419 Н∙м
: М3=Мс2+ Мдин1=21,4+22,1=43,5 Н∙м
: М4=Мс2 =21,4 Н∙м
: М5=Мс2- Мдин2=21,4-22,13= -0,73 Н∙м
: М5=0 Н∙м
: М7=Мс2- Мдин2=21,4-22,13= -0,73 Н∙м
: М8=Мс2 =21,4 Н∙м
: М9=Мс2+ Мдин1=21,4+22,13=43,52 Н∙м
: М10=Мс1 =0,42 Н∙м
: М11=Мс1+Мдин1=0,42+14,29=14,71 Н∙м
: М12=0 Н∙м
: М13=Мс1+Мдин1=0,42+14,29=14,71 Н∙м
: : М14=Мс1 =0,42 Н∙м
: М15=Мс1-Мдин1=0,42-14,29= -13,87 Н∙м
: М16=0 Н∙м
: М17=Мс1-Мдин1=0,2054-33,076= -32,87 Н∙м
: М18=Мс1 =0,2054 Н∙м
: М19=Мс1+Мдин1=0,2054+33,076=33,28 Н∙м
: М20=0 Н∙м
Построив нагрузочную диаграмму двигателя,
проверим его по условиям нагрева и допустимой перегрузки.
Определяем эквивалентный момент двигателя по
нагрузочной диаграмме:
,
где
-
действующее неизменное значение момента на отдельном участке тахограммы, Н ∙м;
- коэффициенты, учитывающие
изменения условий охлаждения двигателя при низких (включая первые) скоростях
вращения двигателя;- количество участков нагрузочной диаграммы, на которых
момент двигателя не изменяется;
- длительности
участков постоянства момента, с.
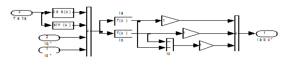
Рис. 2.4.1. Тахограмма и нагрузочная диаграмма
Таблица 2.4.1.
Сведения тахограммы и нагрузочная диаграмма
|
n
|
Мс
|
Мдин
|
М
|
t
|
a
|
Мt
|
at
|
|
1
|
0,419565
|
14,29667
|
14,71624
|
0,049097
|
0,4
|
10,63275
|
0,019639
|
|
2
|
0,419565
|
0
|
0,419565
|
10,90909
|
0,4
|
1,920381
|
4,363636
|
|
3
|
21,39782
|
22,13023
|
43,52805
|
0,44187
|
0,7
|
837,2071
|
0,309309
|
|
4
|
21,39782
|
0
|
21,39782
|
64,96603
|
1
|
29745,79
|
64,96603
|
|
5
|
21,39782
|
-22,1302
|
-0,7324
|
0,490967
|
0,7
|
0,263361
|
0,343677
|
|
6
|
0
|
0
|
0
|
5
|
0,4
|
0
|
2
|
|
7
|
21,39782
|
-22,1302
|
-0,7324
|
0,490967
|
0,7
|
0,263361
|
0,343677
|
|
8
|
21,39782
|
0
|
21,39782
|
64,96603
|
1
|
29745,79
|
64,96603
|
|
9
|
21,39782
|
22,13023
|
43,52805
|
0,44187
|
0,7
|
837,2071
|
0,309309
|
|
10
|
0,419565
|
0
|
0,419565
|
10,90909
|
0,4
|
1,920381
|
4,363636
|
|
11
|
0,419565
|
14,29667
|
14,71624
|
0,049097
|
0,4
|
10,63275
|
0,019639
|
|
12
|
0
|
0
|
0
|
5
|
0,4
|
0
|
2
|
|
13
|
0,419565
|
14,29667
|
14,71624
|
0,490967
|
0,7
|
106,3275
|
0,343677
|
|
14
|
0,419565
|
0
|
0,419565
|
64,96603
|
1
|
11,43629
|
64,96603
|
|
15
|
0,419565
|
-14,2967
|
-13,8771
|
0,490967
|
0,7
|
94,54745
|
0,343677
|
|
16
|
0
|
0
|
0
|
5
|
0,4
|
0
|
2
|
|
17
|
0,419565
|
-14,2967
|
-13,8771
|
0,490967
|
0,7
|
94,54745
|
0,343677
|
|
18
|
0,419565
|
0
|
0,419565
|
64,96603
|
1
|
11,43629
|
64,96603
|
|
19
|
0,419565
|
14,29667
|
14,71624
|
0,490967
|
0,7
|
106,3275
|
0,343677
|
|
20
|
0
|
0
|
0
|
5
|
0,4
|
0
|
2
|
Условие М э диагр ≤ Мн выполняется,
следовательно выбранный
двигатель работоспособен по условиям нагревания.
2.5 Расчет параметров асинхронного двигателя
Номинальная угловая скорость вращения магнитного
поля
рад/с
Номинальная угловая скорость вращения ротора
рад/с
Номинальное скольжение

Н·м
Критическое скольжение
Полное номинальное сопротивление короткого
замыкания
Ом
Номинальное активное сопротивление короткого
замыкания
Ом
Номинальное активное сопротивление статора
Ом
Номинальное активное сопротивление обмотки
ротора
Ом
Реактивное сопротивление короткого замыкания.
Ом
Номинальное реактивное сопротивление рассеяния
обмотки статора
Ом
Номинальное реактивное сопротивление рассеяния
обмотки ротора
Ом
Взаимная индуктивность между обмотками статора и
ротора
\
Гн
Номинальная индуктивность рассеяния обмотки
статора
Гн
Номинальная индуктивность рассеяния обмотки
ротора
Гн
Собственная индуктивность обмотки статора
Гн
Собственная индуктивность обмотки ротора
Гн
Коэффициент связи между трехфазными и
двухфазными системами
Модуль вектора потокосцепления ротора
Вб
Общее активное сопротивление цепей асинхронного
двигателя
Ом
Электромагнитная постоянная времени статора
с
Электромагнитная постоянная времени ротора
с
2.6 Выбор комплектного электропривода
Частотный преобразователь решает две следующие
задачи: управление моментом и управление скоростью электродвигателя.
При решении задач регулирования скорости и
момента применяются следующие основные методы частотного управления.
Скалярное управление.
Скалярное управление является наиболее
распространённым и применяется в приводах насосов, компрессоров, вентиляторов и
других механизмов, в которых необходимо поддержание технологического параметра:
давления в трубопроводе или другого. Основной принцип данного метода - изменение
амплитуды и частоты питающего напряжения по закону U/f (при максимальном
диапазоне регулирования скорости 1:10). Скалярное управление является простым в
реализации. Недостатком такого метода считается отсутствие возможности точной
регулировки скорости вращения вала, так как она зависит от нагрузки, также
частотный регулятор не позволяет контролировать момент на валу двигателя. В
некоторых областях возможно использование частотного регулятора только со
скалярным управлением. Примером является групповой электропривод, в котором от
одного частотного преобразователя питаются несколько двигателей.
Векторное управление.
Существуют два класса систем векторного
управления: с обратной связью по скорости и бездатчиковые (без датчика скорости
на валу двигателя). Использование того или иного метода векторного управления
определяется областью применения. Бездатчиковые системы применяются при
изменении скорости не более 1:100 и точности ее поддержания не более ±0,5 %.
Системы с обратной связью используются в случае изменения скорости вращения
вала в пределах до 1:1000 и точности поддержания скорости до ±0,01 %, а также
при необходимости позиционирования вала или точного регулирования момента на
валу двигателя [7]. Преимуществами данного метода управления частотного регулятора
являются:
- высокая точность регулирования скорости;
- возможность обеспечения номинального момента
на валу при нулевой скорости (при наличии датчика скорости);
- вращение двигателя в области малых частот
происходит плавно, без рывков;
быстрая реакция на изменение нагрузки: в случае
резких скачков нагрузки скорость практически не меняется.
Таблица 2.6.1.
Технические данные частотный преобразователь
|
SINAMICS
S120
|
|
Мощность:
|
1,6-107кВт,
3АС, 380-480В
|
|
Исполнение:
|
IP20
|
|
Диапазон
рабочих температур:
|
0-40С
|
|
Выходная
частота:
|
0-650Гц
|
|
Управление:
|
скалярное,
векторное векторное с обратной связью от датчика сервоуправление,
динамическое сервоуправление управление перемещением (позиционирование)
|
|
Входы:
|
дискретные
и аналоговые входа и выхода конфигурируются индивидуально датчики температуры
двигателей
|
|
Режим
торможения
|
управление
электромеханическим тормозом торможение при использовании внешнего тормозного
сопротивленияуправляемое торможение с рекуперацией энергии
|
|
Коммуникационные
интерфейсы:
|
PROFIBUS,
PROFINET
|
|
Программные
функции:
|
Автоматический
запуск после прерывания операции в результате сбоя питания; Плавное
подключение преобразователя к работающему двигателю (подхват); Кинетическая
буферизация; Автоматическая идентификация параметров двигателя для оптимизации
управления; Программируемое время разгона/торможения Сглаживание скачков.
|
|
Защитные
функции:
|
Тепловая
защита двигателя и силовых цепей пониженное напряжение перенапряжение
повреждение заземления короткое замыкание, предотвращение опрокидывания
|
Применятся как универсальный привод во всех
промышленных и коммерческих задачах в автомобильной, текстильной, печатной и
химической промышленности для всеобъемлющих задач, например, в конвейерных
системах.
Рис. 2.6.1. Частотный преобразователь книжное
исполнение
Частотный преобразователь книжного исполнения SINAMICS
S120 состоит из
модулей:
. Компоненты на стороне сети: Сетевые
дроссели, Сетевые фильтры.
. Модули питания.
. Компоненты DC-контура: Тормозные
резисторы, Модули конденсаторов Модули питания электроники.
. Модули управления
. Модули датчиков
. Силовые модули.
. Выходные компоненты: Дроссели
двигателя, Синусоидальные фильтры.
. Двигатель
. Стояночный тормоз электромагнитный.
Модульность обеспечивает гибкость расширенной
концепции привода
Замена модулей во время работы системы (hot
swap)
Сменные клеммы
Простая замена модулей, что обеспечивает очень
удобное техобслуживание системы.
Функции безопасности упрощают интеграцию привода
в станки или оборудлование, ориентированное на безопасность.
Возможность коммуникации по PROFIBUS с профилем
PROFIdrive:
Меньшее количество интерфейсов
Интегрированный инжиниринг
Простое использование.
Инновационная концепция охлаждения и лакировка
электронных модулей повышает прочность и срок службы .
Простая замена устройств и быстрое копирование
параметров с помощью панели оператора или опционной плате памяти MMC
Бесшумная работа двигателя в результате
высокоимпульсной частоты
Компактная, не занимающая много места
конструкция
/3-жильный метод (статические/импульсные
сигналы) для универсального управления через цифровые входы
Проектирование и пуско-наладка с помощью
программ проектирования, таких как SIZER, STARTER и Drive ES: ускоряет
проектирование и упрощает пуско-наладку - Drive ES обеспечивает интеграции в
среду автоматизации SIMATIC
Блок управления управляет и контролирует силовой
модуль и подключённый двигатель в разных режимах. Он поддерживает коммуникацию
с локальным или центральным контроллером и с контрольной аппаратурой или входными/выходными
клеммами для прямого управления.
Силовой модуль питает двигатель в диапазоне
мощности от 0.37 кВт до 90 кВт. Силовой модуль управляется микропроцессором в
блоке
управления. Современная технология IGBT с
напряжением двигателя с широтно-импульсной модуляцией и выбранная импульсная
частота используются для достижения очень надежной и гибкой работы двигателя.
Большой диапазон защитных функций обеспечивает высокий класс защиты двигателя.
Управляющий модуль CU310-2 для функций
коммуникации, управления и регулирования SINAMICS S120 (AC/AC) образует в
комбинации с силовым модулем PM340 высокотехничный привод.
Блоки управления для SIEMENS SINAMICS S120
Блоки управления CU310 разработаны для
управления одного привода. Они поддерживают как стандартный интерфейс PROFIBUS
(CU310 DP), так и интерфейс PROFINET (CU310 PN) и круговой датчик положения
TTL/HTL.
Блоки управления CU320 были разработаны для
управления нескольких приводов. CU320 поддерживает управление до 8 приводов в
V/f (режиме контроля) или 6 приводов в режиме контроля Servo или
4 приводов в режиме контроля Vector.
Блоки управления CU320 можно использовать для
создания связей между отдельными приводами и реализации простых технологических
функций.
Рис. 2.6.2.Силовая схема подключения частотного
преобразователя
Дроссели для частотных преобразователей книжного
формата.
Реакторы двигателя используются для уменьшения
нагрузки напряжения на обмотку двигателя. Одновременно уменьшается
дополнительная нагрузка, которую ёмкостный ток заряда/разряда создаёт для
силового тока при использовании длинного кабеля двигателя. Максимально
допустимая выходная частота при использовании реактора двигателя составляет 120
Гц.
Реакторы двигателя предназначены для импульсной
частоты 4 кГц. Более высокая импульсная частота не допускается. Реактор
двигателя устанавливается как можно ближе к Двигательному модулю.
Реакторы двигателя используются только в режимах «Вектор» и «V/f управление».
Рис. 2.6.3 Сетевой дроссель
Сетевые дроссели ограничивают обратные
воздействия на сеть до допустимых значений. По этой причине сетевые дроссели
должны использоваться всегда.
В комбинации с активными модулями питания они
необходимы для повышающего преобразователя напряжения в качестве
энергоаккумулятора.
Таблица 2.6.3.
Технические данные сетевого дросселя
|
Сетевой
дроссель
|
|
Заказной
номер
|
Параметры
|
|
6SE7024-7ES87-1FE0
|
SIMOVERT MASTERDRIVES ВЫХОДНОЙ ДРОССЕЛЬ
FMAX = 120ГЦ,
FP
= 3КГЦ 3 AC 380-460В 47A
|
- сетевые дроссели имеют дополнительную обмотку,
к которой должно быть подключено отдельное демпфирующее сопротивление. Тем
самым возможные системные колебания, возникающие из-за паразитных точек
резонанса с возможно сокращающими срок службы амплитудами напряжения, в приводных
системах гасятся до некритических значений. В результате будет увеличена
эксплуатационная безопасность и срок службы.
Сетевые дроссели ограничивают низкочастотные
гармоники до допустимых значений. Поэтому их нужно использовать всегда.
.7 Модули питания
Активные линейные модули могут передавать
энергию и возвращать регенеративную энергию в систему питания. Модуль
торможения и тормозной резистор необходимы только в тех случаях, когда приводы
необходимо контролируемо замедлить после перерыва в подаче энергии (например,
когда энергия не может быть восстановлена на источнике питания). Активные
линейные модули получают виртуально синусоидальный ток от источника, что
ограничивает наличие всех вредных гармонических колебаний.
Рис. 2.7.1. Активный модуль питания
Активные модули питания вырабатывают из
трёхфазного напряжения сети отрегулированное постоянное напряжение в
промежуточном контуре, используемое для питания подключённых модулей
двигателей.
При этом колебания напряжения сети не отражаются
на напряжении промежуточного контура.
Активные модули питания в режиме рекуперации
двигателей рекуперирует энергию в сеть. Поддержка модулем рекуперации может
быть деактивирована через параметры.
Подзарядка промежуточного контура начинается
сразу же при подаче напряжения сети и не зависит от направления его
вращающегося поля. Нагрузка на промежуточный контур возможна после разрешения
модуля. Для отключения напряжения необходим опциональный главный контактор.
2.8 Модуль торможения
Модуль торможения книжного формата Compact
всегда используется вместе с тормозным резистором. Его задачами являются:
Целенаправленный останов приводов при отключении
сети (например, аварийный отвод или аварийное отключение категории 1)
Ограничение напряжения промежуточного контура в
кратковременном генераторном режиме, например, если рекуперационная способность
модуля питания деактивирована или ее параметры выбраны недостаточными.
Модуль торможения содержит требуемую для этого
силовую электронику, включая управление. При работе модуля рекуперированная в
промежуточный контур энергия отводится через внешний тормозной резистор.
Модуль торможения может работать как от сетей
200В, так и от сетей 400В. Выбор осуществляется через 4-полюсный
DIP-переключатель на верхней стороне модуля. Заводская предустановка 400В.
При использовании распорных пальцев
(6SL3462-1CC00-0AA0) модуль торможения книжного формата Compact может быть
интегрирован в приводную группу книжного формата с внутренним воздушным
охлаждением.
Модуль двигателя книжного формата Compact -это
силовой блок (инвертор DC-AC), питающий подключённый двигатель. Энергоснабжение
осуществляется через промежуточный контур приводного устройства. Модуль
двигателя через DRIVE-CLiQ должен быть соединён с управляющим модулем, в
котором находятся функции управления и регулирования для модуля двигателя.
К однодвигательному модулю может быть подключен
и работать только один двигатель, к двухдвигательному модулю -два двигателя.
Модули двигателей книжного формата Compact могут
использоваться с типом охлаждения «внутреннее воздушное охлаждение» или «Cold
-Plate».
Рис. 2.8.1.Силовой модуль и модули датчиков
Рис. 2.8.2. Однодвигательный силовой модуль
2.9 Исследования в программе
Синтез структурной схемы будем производить по
схеме представленной на Рис. 2.9.1.
Контуры реактивного и активного тока одинаковы,
таким образом, и регуляторы будут одинаковы. Малой и некомпенсируемой
постоянной времени будет постоянная времени преобразователя Тμ=0,002.
Настройку
производим на модульный оптимум, т.к. требуется высокое быстродействие.
Пренебрегая внутренними перекрёстными обратными
связями, подсистему регулирования потокосцепления представим в виде схемы.
Рис. 2.9.2. Структурная схема канала
регулирования потокосцепления
Здесь коэффициент обратной связи по активному
току.
Коэффициент преобразователя частоты.
При настройке контуров на технический оптимум
найдем:
Канал регулирования скорости:
Рис. 2.9.3. Канал регулирования скорости
В исследовательской части выполнена разработка
динамической модели асинхронного двигателя с векторным управлением. Произведен
анализ динамических режимов работы электропривода, рассчитаны показатели
качества регулирования, проведена уточненная проверка работоспособности
электропривода [12].
2.10 Разработка динамической модели
электропривода с векторным управлением
Модель электропривода реализуется с
использованием приложения Simulink пакета Matlab
. Модель асинхронного двигателя взята из стандартных библиотек Simulink
/SimPowerSystem. Статорные
цепи двигателя подключены к преобразователю частоты со звеном постоянного тока,
выполненного на IGBT
модулях. Модель такого преобразователя частоты также входит в стандартные
компоненты библиотеки Simulink.
Для реализации источника тока, преобразователя
частоты, замкнута быстродействующая обратная связь по току. Регулятор в этом
контуре безинерционный, релейного типа.
Рис. 2.10.1 Регулятор тока
Вычисление магнитного потока и угла поворота
системы координат выполнены на основе векторной модели асинхронного двигателя,
входной величиной которой является статорные токи фаз и скорость вращения
ротора.
Рис. 2.10.2. Векторная модель асинхронного
двигателя
В состав модели входят три подсистемы:
вычисления магнитного потока, вычисления угла вращения системы (угла поворота),
преобразование системы ABC
- DQ (3 - 2).
Рассмотрим их более детализировано на рисунках.
Рис. 2.10.3. Подсистема вычисления магнитного
потока
Рис. 2.10.4. Подсистема вычисления угла вращения
системы
Рис. 2.10.5. Подсистема преобразования системы ABC
- DQ
Система регулирования скорости построена по
принципу подчиненного регулирования. Внешним контуром является контур скорости,
внутренний контур тока. Выход регулятора скорости является задание на момент
двигателя, которое с помощью сигнала, пропорционально потокосцеплению
(рассчитано в модели двигателя), преобразуется в ток по оси «q».
В системе используется ПИ регулятор скорости.
Блок в котором рассчитывается величина требуемого тока по оси «q»
содержит следующую схемную структуру.
Рис. 2.10.5. Подсистема вычисление Iq
Ток по оси «d»
рассчитывается на основании требуемого значения потокосцепления по следующей
структурной схеме.
Рис. 2.10.6. Подсистема вычисление Id
Токи по осям «q»
и «d» с помощью сигнала
угла поворота системы координат преобразуется в сигнал задания на трехфазный
ток а в с. Структурная схема блока модели реализующая это преобразование
представлено на Рис.2.10.7.
Рис. 2.10.7. Подсистема преобразования DQ
к ABC
Задание на скорость формируется в функции
времени (элемент «Clock») при
помощи стандартного компонента точечного определения кусочно - линейных функций
« Look - Up
Table».
Выход блока реализующего модель асинхронного
двигателя из вектора различных координат двигателя. Для выделения из этого
вектора необходимой для построения системы управления координат, используем
специализированный демуксиплексор «Demux».
Контроль и визуализацию осуществляем с помощью
осциллографа.
К показателям качества регулирования относится:
время регулирования, перерегулирование переходной характеристики, просадка
скорости.
Эти показатели оцениваются на основе переходной
характеристики. Проводим моделировании при номинальной нагрузке двигателя.
Рис. 2.10.8.
Рис. 2.10.9. Определение показателей качества
регулирования
Вывод: после проведения моделирования на графике
тахограммы работы привода видно что: перерегулирование не превышает 4,3 %
соответствует 1,3% ; время регулирования tр
= 0,4 соответствует технологии; просадка скорости минимальна
0,8
%, что обеспечивает эффективность работы привода и соответствует ПИ регулятору
скорости.
Рис.2.10.10. График механической нагрузки
привода
Рис.2.10.11. Тахограмма и нагрузочная диаграмма
После проведенного моделирования мы видим, что
система управления привода работоспособна, работа удовлетворяет требованиям к
электроприводу, параметры практически не выходят за установленные пределы
работы двигателя.
Вывод: исходя из графика механической
характеристики максимальный момент не превышает перегрузочной способности
двигателя, Мграф < Ммахдв,
3. Конструкторская часть
3.1 Физические основы природы и получение
ультразвуковых колебаний
Хотя о существовании ультразвука известно давно,
его практическое использование достаточно молодо. В наше время ультразвук
широко применяется в различных физических и технологических методах.
Природа ультразвука. По своей физической природе
ультразвук (УЗ), так же как и слышимый звук, представляет собой упругие
колебания и волны, т. е. чередующиеся во времени процессы механического сжатия
и разрежения, распространяющиеся в твердой, жидкой и газообразной средах.
Упругие механические колебания, распространяющиеся в воздухе, воспринимают
обычно как звуки, это - акустические колебания. Если их частота более
000 Гц (20 кГц), т. е. выше порога слышимости
для человеческого уха, то такие колебания называют ультразвуковыми (УЗК).
Упругие колебания могут быть возбуждены в твердых, жидких и газообразных
средах. При этом колебательное движение возбужденных частиц благодаря наличию
упругих сил между ними вызывает распространение упругой УЗ волны,
сопровождаемое переносом энергии. Для получения УЗ колебаний применяют
пьезоэлектрические, магнитострикционные, электромагнитно акустические (ЭМА) и
другие преобразователи.
Если в сплошной среде - газах, жидкостях или
твердых телах частицы среды окажутся выведенными из положения равновесия, то
упругие силы, действующие на них со стороны других частиц, будут возвращать их
в положение равновесия. При этом частицы будет совершать колебательное
движение. Частицы среды, в которой распространяется УЗ, периодически колеблются
около положения равновесия. Приближенно можно считать, что колебания частиц
совершаются во времени по синусоидальному закону с амплитудой смещения
А - амплитуда смещения. Распространение упругих
колебаний в сплошной среде представляет собой волнообразный процесс. Упругие
механические колебания, распространяющиеся в воздухе, воспринимают обычно как
звуки. Это - акустические колебания. Если их частота более 20 000 Гц (20 кГц),
т. е. выше порога слышимости для человеческого уха, то такие колебания называют
ультразвуковыми УЗ.
Колебания с частотой от единиц Герц (Гц) до 20
Герц называются инфразвуковыми, при частоте от 20 Гц до 16…20 кГц колебания
создают слышимые звуки. Ультразвуковые колебания соответствуют частотам от
16…20 кГц до 108МГц, а колебания с частотой более 108 МГц получили название
гиперзвуков. На Рисунке .3.1.1. показана логарифмическая шкала частот,
выполненная на основе выражения lg2f = 1, 2, 3 …, n, где 1, 2, 3 …,- номера
октав.
Рис. 3.1.1. Диапазоны упругих колебаний в
материальных средах
Сгущения и разрежения, упругих колебаний
одинакова во всем диапазоне частот. Для понимания природы упругих колебаний
рассмотрим их свойства.
Форма волны - это форма волнового фронта, т.е. совокупности точек, обладающих
одинаковой фазой. Колебания плоскости создают плоскую звуковую волну, если
излучателем служит цилиндр, периодически сжимающийся и расширяющийся по
направлению своего радиуса, то возникает цилиндрическая волна. Точечный
излучатель, или пульсирующий шарик, размеры которого малы по сравнению с длиной
излучаемой волны, воздает сферическую волну.
Звуковые волны подразделяются по типу волн: они
могут быть продольными, поперечными, изгибными, крутильными - в зависимости от
условий возбуждения и распространения. В жидкостях и газах распространяются
только продольные волны, в твердых телах могут возникать также поперечные и
другие из перечисленных типов волн.
В продольной волне направление колебаний частиц
совпадает с направлением распространения волны Рис. 3.1.2, а., Рис. 3.1.2, б.
поперечная волна распространяется перпендикулярно направлению колебаний частиц.
Рисунок 3.1.2. Движение частиц при
распространении волны
а) движение частиц среды при распространении
продольной волны;
б) движение частиц среды при распространении
поперечной волны.
Процесс распространения ультразвука в
пространстве является волновым. Любая волна, как и колебание,
распространяющееся во времени и в пространстве, может быть охарактеризована
частотой, длиной волны и амплитудой Рис.3.1.3. Граница, отделяющая колеблющиеся
частицы среды от частиц, еще не начавших колебаться, называется фронтом волны.
Упругие волны характеризуются скоростью распространения С, длиной волны λ
, и частотой колебаний f. При этом под длиной волны понимается расстояние между
ближайшими частицами, колеблющимися одинаковым образом (в одинаковой фазе).
Число волн, проходящих через данную точку пространства в каждую секунду,
определяет частоту УЗ колебаний. При этом длина волны λ
связана
с частотой f через скорость распространения волны в данном материале С:
λ = С/f.
Рис. 3.1.3. Характеристики колебательного
процесса
Которые образуются в среде при прохождении в ней
упругой волны, добавочно изменяют давление по отношению к среднему
(статическому). Эта добавочная переменная часть давления называется звуковым
давлением его амплитуда, Па. При распространении в материальной среде звуковая
волна переносит определенную энергию, которая может использоваться в
технологических процессах.
Преимуществами ультразвуковой обработки следует
считать:
1) возможность получения акустической энергии
различными техническими приемами;
) широту диапазона технологического применения
ультразвука от размерной обработки до получения неразъемных соединений
(сварка, пайка и т. д.);
) простоту эксплуатации и автоматизации
промышленных установок. К недостаткам этого метода относятся: повышенная
стоимость акустической энергии по сравнению, с другими видами энергии;
необходимость изготовления специальных установок и аппаратов для генерации
ультразвуковых колебаний, их передачи и распределения.
Ультразвуковые колебания сопровождаются рядом
эффектов, которые могут быть использованы как базовые для разработки различных
процессов Кавитации, Коагуляции.
.2 Ультразвуковая кавитация коагуляция
УЗ кавитация основной действующий фактор
ускорения процессов в жидких средах инициатор физико-химических процессов,
возникающих в жидкости под действием УЗ. Она реализуется за счет трансформации
низкой плотности энергии УЗ в высокую плотность энергии вблизи и внутри
газового пузырька.
Кавитация - образование в жидкости пульсирующих
пузырьков (каверн, полостей), заполненных паром, газом или их смесью. В
ультразвуковой волне во время полупериодов разрежения возникают кавитационные
пузырьки, которые резко захлопываются создают ударную волну после перехода в
область повышенного давления колеблющихся пузырьков, порождая сильные
гидродинамические возмущения в жидкости, интенсивное излучение акустических
волн. При этом, в жидкости происходит разрушение поверхностей твёрдых тел,
граничащих с кавитирующей жидкостью. Нарушение сплошности жидкости, возникающее
при давлении ниже некоторого критического значения. Поглощение ультразвуковых
колебаний веществом необратимый процесс, в котором часть энергии превращается в
тепловую энергию, другая же часть расходуется на изменение структуры вещества.
Разделение молекул и частиц различной массы в негомогенных суспензиях в
звуковом поле зависит от состав суспензий и частоты поля. Рассмотрим процессы
возникновение образования кавитации в жидкости протекающие по стадиям:
. Действуем на жидкость УЗ колебаниями малой
интенсивности. Как известно, УЗ волна, проходя через жидкость, создает зоны
сжатия и зоны разряжения, меняющиеся местами в каждый полупериод волны.
Возникающее при этом знакопеременное давление можно подсчитать по формуле:
где С - скорость распространения УЗ(м/с), I -
интенсивность УЗ (Вт/см2 ). При этом частицы среды колеблются с малыми
амплитудами доли микрометра и громадными ускорениями, порядка 105g.
. Увеличиваем интенсивность до 1 Вт/см2 .
Появится нарушение однородности жидкости. Что же происходит? В фазу разряжения
пониженного давления в наиболее слабых местах начинается выделение растворенных
газов с образованием одного долгоживущего пузырька.
При этом, образующийся пузырек стабилизируется моно слоем органических веществ
и линейно колеблется с частотой УЗ относительно своего равновесного R.
Очевидно, что максимальная амплитуда А у резонансных для данной частоты f
пузырьков.
. Дальнейшее повышение интенсивновсти до 1,5
Вт/см2 приводит к нарушению линейности колебаний стенок пузырьков. Начинается
стадия стабильной кавитации. Пузырек сам становится источником УЗ колебаний:
гармоник, с частотой n/f, субгармоник, с частотами n/f. На его поверхности
возникают волны, микротоки, электрические разряды.
. Четвертая стадия называется стадией
нестабильной кавитации. Возникает при дальнейшем увеличении интенсивности I
> 2,5 Вт/см2. Она характеризуется образованием быстрорастущих парогазовых
пузырьков, которые в фазу сжатия мгновенно сокращаются в объеме и схлапываются,
т.е. наступает коллапс.
Для разных жидкостей, значения давления, при
котором образуется кавитация, находится в пределах от 1,0 до 3,9 атм.
Примеры: вода-1 атм, касторовое масло-3,2 атм., керосин-3,9 атм.,
четыреххлористый углерод - 1,75 атм.
Характеристики кавитационных процессов:
а) В пузырьке происходит разогрев парогазовой
смеси до 8000…12000 0К;
б) Колебания пузырька характеризуются высокой радиальной скоростью стенок,
большей скорости звука (340 м/с);
в) В пузырьке создаются большие давления,
превышающие 10000 атм.
Теоретически эти цифры могут быть превышены и
при определенных условиях можно достичь значений, при которых наступят
термоядерные реакции.
. Что происходит далее, когда газовый пузырек
захлопывается а) На месте исчезнувшего пузырька образуется ударная волна;
б) Если пузырек при сжатии имел линзообразную
форму, между сближающимися стенками возникает микроточечный электрический разряд
высокого напряжения (десятки миллионов вольт). В результате развития в среде
всех стадий кавитационного процесса возникает сложная гидродинамическая
обстановка, влияющая на структуру жидкости. Чем обусловливается она.
. Осцилирующие пузырьки - образуют волны
давления P в среде;
. Захлопывающиеся области образуют ударные
волны;
. Существует общее акустическое давление УЗ
волны.
Накладываясь друг на друга, на пузырьки газа, и
твердые частицы, эти факторы в объеме образуют неоднородность давлений Р, что
порождает быстрые микропотоки и общие течения. Обобщенно физические и
химические эффекты, имеющие место при пульсациях каждого рассмотренного вида
парогазовых пузырьков. Наибольший вклад в многообразие эффектов, вносят именно
захлопывающиеся кавитационные пузырьки [26]. Следовательно, при реализации
технологических процессов, интенсифицируемых УЗ колебаниями, необходимо
создавать условия возникновения именно захлопывающихся кавитационных пузырьков.
При этом существует понятие оптимального времени захлопывания кавитационного
пузырька.
Таким образом, в жидкости возникают такие
физико-химические явления, как акустическая кавитация, интенсивное
перемешивание, переменное движение частиц, интенсификация массообменных
процессов. Сопутствующими факторами здесь являются эффекты диспергирования в
системе твердое тело - жидкость, жидкость - жидкость (получение суспензий,
эмульсий, селективное разрушение клеток и микроорганизмов в суспензиях),
расслоение по относительной массе и размеру взвешенных в жидкой среде твердых частиц,
коагуляция.
Коагуляция - процесс сближения и укрупнения
взвешенных в газе или жидкости мелких твёрдых частиц, жидких капелек и газовых
пузырьков под действием акустических колебаний звуковых и ультразвуковых
частот. Заключается в образовании из мелко диспергированных частиц (дыма, пыли,
тумана) значительно более крупных частиц. Движение частиц при наличии между
ними сил притяжения приводит к соударению и в результате к их объединению и
укрупнению. Дегазация жидкостей или расплавов с помощью ультразвуковых
колебаний происходит вследствие вытеснения газовых пузырьков, которые приходят
в движение, объединяются в пузырьки больших размеров и всплывают.
Диспергирование является эффектом, противоположным коагуляции, и заключается в
мелком дроблении вещества и перемешивании его с другими. Где используются
коагуляционные установки в промышленности:
· очистка воздуха в забоях при
бурении,
· для улавливания пыли окиси цинка при
плавлении лома меди,
· для сепарации конденсата при добыче
попутных и природных газов (высококипящие углеводороды),
· для коагуляции пылевидного
катализатора.
3.3 Области применения ультразвука
В разных средах ультразвук ведет себя
по-разному. В газах и, в частности, в воздухе распространяется с большим
затуханием. Жидкости и твёрдые тела (в особенности монокристаллы) представляют
собой, как правило, хорошие проводники ультразвука, затухание в которых
значительно меньше. Так, например, в воде затухание ультразвука при прочих
равных условиях приблизительно в 1000 раз меньше, чем в воздухе. Поэтому
области использования ультразвука относятся почти исключительно к жидкостям и
твёрдым телам [35]. Ультразвук применяется: В природе, медицине, военных целях,
физике, обработке металлов.
Практическое применение УЗ развивается в двух
направлениях:
1. Применение волн малой интенсивности (низкоэнергетические колебания, не
приводящие к необратимым изменениям в материалах и телах, через которые они
распространяются) для контроля, измерений, исследований внутренней структуры
материалов и изделий (уровнемеры, расходометры, анализаторы состава газов,
жидкости и твердых веществ, дефектоскопы).
2. Применение высокоэнергетических колебаний
волн высокой интенсивности для активного воздействия на вещества и изменения их
структуры и свойств .
Рис. 3.3.1. Практическое применение УЗ
3.4 Практическое применение низкоэнергетических
ультразвуковых колебаний
Область применение УЗ колебаний низкой
интенсивности условно до
Вт/см2 очень обширна и мы поочередно рассмотрим
несколько основных применений УЗ колебаний малой интенсивности.
. УЗ приборы для контроля химических
характеристик различных материалов и сред. Все они основаны на изменении
скорости УЗ колебаний в среде и позволяют:
определять концентрацию бинарных смесей;
плотности растворов;
степень полимеризации полимеров;
наличие в растворах примесей, газовых пузырьков;
определять скорости протекания химических
реакций;
жирность молока, сливок, сметаны;
дисперсность в гетерогенных системах и др.
Разрешающая способность современных УЗ приборов
0,05 % , точность измерений скорости распространения на образцах длиной 1 м
составляет 0,5 -1 м/с (скорость в металле более 5000 м/с). Практически все
измерения проводятся методом сравнения с эталоном.
. Приборы для контроля физико-химических характеристик,
основанные на измерении затухания ультразвука. Такие приборы позволяют
осуществлять измерение вязкости, измерение плотности, состав, содержание
примесей, газов и т.п. Используемые методики также основаны на методах
сравнения с эталоном.
. УЗ расходомеры жидкостей в трубопроводах. Их
действие также основано на измерении скорости распространения УЗ колебаний
вдоль потока жидкости и против потока. Сравнение двух скоростей позволяет
определить скорость потока, а при известном сечении трубопровода расход.
Такой расходомер обеспечивает измерение
объемного расхода и суммарного объема (количества) жидкостей, протекающих в
напорных трубопроводах систем водоснабжения, канализации и нефтепродукто
снабжения без врезки в действующий трубопровод. Принцип действия расходомера
заключается в измерении разности времени прохождения ультразвуковой волны по
потоку и против потока контролируемой жидкости, пересчете ее в мгновенное
значение расхода с последующим интегрированием. Погрешность прибора составляет
2 % от верхнего предела измерения. Верхний и нижний пределы измерения
устанавливает оператор. Расходомер включает в себя блок датчиков (состоит из
двух ультразвуковых датчиков и устройства для их крепления на трубе) и
электронный блок, соединенные радиочастотным кабелем длиной до 50 м (стандартно
- 10м.). Датчики устанавливаются на прямолинейном участке трубопровода на
наружной поверхности, очищенной от грязи, краски и ржавчины. Условие правильной
установки датчиков - наличие прямого участка трубы не менее 10 диаметров трубы
- перед, и 5 диаметров - после датчиков.
. Сигнализаторы уровней. Принцип действия
основан на локации уровня жидких или сыпучих материалов ультразвуковыми
импульсами, проходящими через газовую среду, и на явлении отражения этих
импульсов от границы раздела «газ - контролируемая среда». Мерой уровня при
этом является время распространения звуковых колебаний от излучателя до
контролируемой границы раздела сред и обратно до приемника. Результат измерения
выводится на персональный компьютер, где все измерения запоминаются, с
последующей возможностью их просмотра и анализа, а также подключения к системе
автоматизированного сбора и обработки данных. Уровнемер в составе системы может
включать конечные автоматы, насосы и др. устройства при уровне выше максимального
и ниже минимального значения, что позволяет автоматизировать технологический
процесс. Дополнительно формируется токовый выход (0,5 мА, 0-20 мА) для
самопишущих приборов. Сигнализатор уровня позволяет контролировать температуру
среды в резервуарах. Основным форматом выводимых данных является расстояние от
вершины резервуара до поверхности, содержащегося в нем вещества. По желанию
заказчика, при предоставлении необходимой информации возможна доработка
устройства для вывода высоты, массы либо объема вещества в резервуаре.
. УЗ анализаторы состава газов основаны на
использовании зависимости скорости УЗ в смеси газов от скоростей в каждом из
составляющих эту смесь газов.
. Охранные УЗ устройства основаны на измерении
различных параметров УЗ полей (амплитуды колебаний при перекрытии пространства
между излучателем и приемником, изменении частоты при отражении от движущегося
объекта и т.п.).
. Измерители температуры газов и пожарные
сигнализаторы, основанные на изменении скорости распространения при изменении
температуры среды или появления дыма.
. Приборы ультразвукового неразрушающего
контроля.
Неразрушающий контроль является одним из
основных технологических приёмов обеспечения качества материалов и изделий. Не
должно эксплуатироваться не одно изделие без проверки. Можно производить
проверку путем испытания, но так можно испытать 1- 10 изделий, но нельзя
проверить 100% всё изделия, т.к. проверить это значит испортить всё изделия.
Поэтому, проверять необходимо, не разрушая. Одни из наиболее дешевых, простых и
чувствительных является УЗ метод неразрушающего контроля. Главными
достоинствами по сравнению с другими методами неразрушающих испытаний являются
УЗ:
обнаружение дефектов, находящихся глубоко внутри
материала, что стало возможным благодаря улучшенной проникающей способности.
Ультразвуковое обследование проводится до глубины нескольких метров. Контролю
подвергаются различные изделия, например: длинные стальные стержни, роторные
штамповки и т.д.;
высокая чувствительность при обнаружении
чрезвычайно малых дефектов длиной несколько миллиметров;
точное определение местоположения внутренних
дефектов, оценка их размера, характеристика направления, формы и природы;
достаточность доступа только к одной из сторон
изделия;
контроль процесса электронными средствами, что
обеспечивает почти мгновенное выявление дефектов;
объемное сканирование, что позволяет обследовать
объем материала;
отсутствие требований по мерам предосторожности,
связанным со здоровьем;
портативность оборудования.
3.5 Практическое применение высокоинтенсивных
ультразвуковых колебаний
На сегодняшний день основные процессы,
реализуемые и интенсифицируемые при помощи высокоэнергетических ультразвуковых
колебаний, принято разделять на три основные подгруппы, в зависимости от вида
среды, в которой они реализуются Рис.3.5.1.
Рис. 3.5.1. Применение высокоэнергетических
ультразвуковых колебаний
В зависимости от вида среды процессы условно
делятся на процессы в жидких, твердых и термопластичных материалах и
газообразных (воздушных) средах. В последующих разделах будут более подробно
рассмотрены процессы и аппараты для интенсификации процессов в жидких, твердых
и термопластичных материалах, газообразных средах .
Далее рассмотрим примеры основных технологий, реализуемых с использованием
высокоэнергетических ультразвуковых колебаний.
. УЗ очистка. Сегодня существует множество
способов очистки поверхностей от различных загрязнений. УЗ очистка более
быстрая, обеспечивает высокое качество и отмывает труднодоступные участки. При
этом обеспечивается замена высокотоксичных, огнеопасных и дорогих растворителей
обычной водой. С помощью высокочастотных ультразвуковых колебаний производится
очистка металлических за несколько минут.
Причина ускорения очистки в кавитации, особым
явлением при котором в жидкости образуются мельчайшие газовые пузырьки. Эти
пузырьки лопаются (взрываются) и создают мощные гидропотоки, которые вымывают
всю грязь. На этом принципе существуют сегодня стиральные машины и малые
установки мойки. УЗ очищает металлы от полировочных паст, прокат от окалины,
драгоценные камни от полировочных мест. Очистка печатных форм, стирка тканей,
мойка ампул. Очистка трубопроводов сложной формы. Кроме очистки, ультразвук
способен производить удаление мелких заусенец, полировку. Ультразвуковое
воздействие в жидких средах уничтожает микроорганизмы и поэтому широко
используется в медицине и микробиологии. Возможна и другая реализация УЗ
очистка дыма от твердых частиц в воздухе. Для этого также используется
ультразвуковое воздействие на туманы и дым. Частицы в УЗ поле начинают активно
двигаться, соударяются и слипаются, осаждаются на стенки. Это явление
называется ультразвуковой коагуляцией и используется для борьбы с туманом на
аэродромах, на дорогах и в морских портах.
2. Процессы ультразвуковой пропитки. Основана на
звукокапиллярном эффекте. При этом, пропитанная жидкость как бы «вгоняется» в
капилляры и время пропитки сокращается в десятки раз. Этот способ используют
для пропитки электротехнических изделий: обмоток трансформаторов, роторов,
статоров, катушек и др., а также для герметизации литых пористых деталей. В
результате время пропитки сокращается в несколько раз, и в ряде случаев
достаточно одноразовой пропитки вместо многократной. Капиллярная пропитка
является важнейшей стадией многих технологических процессов. Таких, как
выщелачивание, производство нанесенных катализаторов, придание различным
материалам необходимых свойств. Длительность и полнота пропитки в основном
могут быть лимитированы такими факторами, как вязкость жидкости и смачивание
твердой фазой, наличие защемленного газа. Поэтому интенсифицирующее воздействие
должно быть направлено на уменьшение влияния этих факторов на процесс.
Уменьшение вязкости при увеличении температуры широко используется, но имеет
предел, связанный со свойствами жидкости и пропитываемых систем. Для однородной
жидкости ее вязкость от каких-либо воздействий существенно не изменяется. В
неоднородных и неньютоновских жидкостях на вязкость могут повлиять
электрические и гидродинамические явления. Вязкость полимеров (расплавов,
растворов) может уменьшаться также в результате деструкции. Казалось бы, что
наиболее простым является влияние на гидродинамику фильтрационного потока.
Поскольку толщина пограничного слоя в колеблющихся потоках уменьшается с ростом
частоты, то наложение высокочастотных колебаний должно влиять на скорость
пропитки. Для выбора частоты колебаний можно принять, что толщина пограничного
слоя должна быть меньше среднего диаметра характерных каналов. Получившая
наибольшее распространение кавитационная гипотеза объясняет ультразвуковой
капиллярный эффект ударами кумулятивных струй или в упрощенном варианте
давлением, возникающим при захлопывании кавитационных пузырьков около устья
капилляра . Капиллярный эффект объясняется следующими экспериментальными
фактами:
1) В низкочастотных акустических полях (без
кавитации) наблюдается как подъем жидкости в капилляр (положительный эффект),
так и опускание жидкости (отрицательный эффект), в зависимости от характера
асимметрии входа (диффузор или конфузор);
) Смещение уровня жидкости в капиллярах
наблюдается при воздействии ультразвуковых колебаний на капилляр через воздух
(в отсутствие кавитации);
) "Ультразвуковой капиллярный эффект"
не наблюдается при гидродинамической кавитации без колебаний потока жидкости и
в отсутствие колеблющихся в устье потоков жидкости;
) Насосный эффект, т. е. поднятие жидкости по
капилляру, находящемуся в контакте с излучателем ультразвука, наблюдается как
при кавитации, так и в ее отсутствие.
Приведенные факты указывают на то, что не только
кавитация является источником постоянного давления, создающего ультразвуковой
капиллярный эффект.
3. УЗ сварка. В настоящее время, с помощью
ультразвуковых колебаний высокой интенсивности, производится сварка полимерных
термопластичных материалов. Сварка полиэтиленовых тюбиков, коробок, банок
обеспечивает отличную герметичность. В отличие от других способов, с помощью
ультразвука можно варить загрязненные пластмассы, трубки с жидкостью и т.д. При
этом содержимое стерилизуется. С помощью ультразвуковой сварки производится
сварка тончайшей фольги или проволоки к металлической детали. Причем УЗ сварка
- является холодной сваркой, поскольку шов формируется при температуре ниже
температуры плавления. Таким образом, соединяются сваркой алюминий, тантал,
цирконий, ниобий, молибден и т.п. В настоящее время ультразвуковая сварка нашла
наибольшее применение для высокоскоростных процессов упаковки и производства
полимерных упаковочных материалов.
. Пайка и лужение. С помощью высокочастотных
ультразвуковых колебаний производится пайка алюминия. С помощью УЗ можно
лудить, а затем паять керамику, стекло, что ранее было невозможно. Ферриты,
припайка полупроводниковых кристаллов к позолоченным корпусам реализуются
сегодня с применением ультразвуковой технологии.
. Ультразвук в современной химии. В настоящее
время, как следует из литературных источников сформировано новое направление в
химии - УЗ химия. Изучая химические превращения, происходящие под действием УЗ,
ученые установили, что УЗ не только ускоряет окисление, но в некоторых случаях
обеспечивают восстанавливающее действие. Таким образом, восстанавливается
железо из окислов и солей. Получены хорошие положительные результаты по
интенсификации УЗ следующих химико-технологических процессов:
- электроосаждение, полимеризация,
деполимеризация, окисление, восстановление, диспергирование, эмульгирование,
коагуляция аэрозолей, гомогенизация, пропитка, растворение, распыление, сушка,
горение, дубление и др.
Электроосаждение
осаждающийся металл приобретает мелкокристаллическую
структуру, уменьшается пористость. Таким образом, осуществляемо меднение,
лужение, серебрение. Процесс идет быстрее и качество покрытия выше, чем в
обычных технологиях. Получение эмульсий: вода и жир, вода и эфирные масла, вода
и ртуть. Барьер несмешиваемости преодолевается благодаря УЗ.
Полимеризация (соединение молекул в одну) степень полимеризации регулируется
частотой УЗ.
Диспергирование
получение сверхтонких пигментов для получения
красителей.
Сушка
без нагревания биологически активные вещества. В
пищевой, фармакологической промышленности. Распыление жидкостей и расплавов.
Интенсификация процессов в распылительных сушках. Получение металлического
порошка из расплавов. Эти распылительные устройства исключают вращающие и
трущиеся детали. УЗ усиливает эффективность горения в 20 раз жидких и твердых
топлив. Пропитка в сотни раз быстрее проходит жидкость через капилляры
пропитываемого материала. Используется при производстве рубероида, шпал,
цементных плит, текстолита, гетинакса, пропитке древесины модифицированными
смолами.
6. УЗ в металлургии. Известно, что металлы при
плавлении поглощают газы алюминия и его сплавы. 80% всех газов в расплавленном
металле приходится на долю Н2. Это привод к ухудшению качества металла. Газы
удается удалять с помощью УЗ, что позволило в нашей стране создать специальный
технологический цикл и широко использовать его при производстве металлов.
- УЗ способствует закалке металлов
В порошковой металлургии УЗ способствует
слипанию частичек изготавливаемого материала. При этом отпадает необходимость в
уплотнении большим давлением.
7. УЗ в горном деле. Применение ультразвука
позволяет реализовать следующие технологии:
Удаление парафина со стенок нефтяных скважин;
Исключение взрывов метана в шахтах за счет его
распыления;
УЗ обогащение руд (флотационный метод с
применением УЗ).
. УЗ в сельском хозяйстве. Ультразвуковые
колебания благоприятно влияют на семена и зерна перед их посадкой. Так,
обработка семян томатов перед посадкой обеспечивает увеличение численности
плодов, сокращает время созревания и увеличение количества витаминов. Обработка
УЗ семян дыни и кукурузы приводит к повышению урожайности на 40 %.При обработке
УЗ семян можно обеспечить дезинфекцию и ввести необходимые микроэлементы из
жидкости.
. Пищевая промышленность.На практике уже сегодня
реализуются следующие технологии:
Обработка молока для гомогенизации стерилизации;
- Обработка для увеличения сроков хранения и
качества молока в
замороженном виде.
Получение высококачественного порошкового
молока;
Получение эмульсий для хлебопечения;
Обработка дрожжей на 15 % повышает их бродильную
силу;
Получение ароматических веществ, пюре,
извлечение жира из печени;
Выделение винного камня;
Экстрагирование растительного и животного сырья;
Производство духов (6...8 часов вместо года).
10. УЗ в биологии.
- Большие дозы ультразвука убивают
микроорганизмы (стафилококки, стрептококки, вирусы);
Малые интенсивности ультразвукового воздействия
способствуют росту колоний микроорганизмов;
11. Влияние на человека. Ультразвуковое
воздействие с интенсивностью до 0,1…0,4 Вт/см носит лечебное воздействие. В
Америке лечебным считается воздействие с интенсивностью до 0,8 Вт/см
. В медицине. Ультразвуковые скальпели,
устройства для внешней и внутренней липосакции, лапороскопические инструменты,
ингаляторы, массажеры находят самое широчайшее применение и позволяют лечить
различные болезни [28].
3.6 Элементы оборудования ультразвуковых
установок
Основными элементами колебательной системы
являются источник ультразвуковых колебаний, акустический трансформатор скорости
и детали крепления. Источники ультразвуковых колебаний могут быть двух видов:
механические и электрические.
К механическим источникам относятся
ультразвуковые сирены и свистки, принцип действия которых основан на
преобразовании механической энергии (например, скорости движения жидкостей или
газов).
Колеблющаяся пластинка из пьезоэлектрического
материала является электромеханическим преобразователем
Существуют ультразвуковые генераторы на
транзисторах и тиристорах, ламповые и машинные.
.7 Выбор акустических ультразвуковых устройств
При проектировании ультразвукового
технологического устройства необходимо решать следующие задачи: расчет и
конструирование ультразвуковой колебательной системы, подбор источников питания
и проектирование кинематики перемещения отдельных узлов установки.
В процессе расчета ультразвуковых
преобразователей определяют рабочую частоту, потребляемую мощность, входное
электрическое сопротивление преобразователя. Этот комплекс параметров
определяет возможность комплектации ультразвуковой технологической установки
универсальным генератором или необходимость проектирования специализированного
ультразвукового генератора.
Остальные узлы ультразвуковых технологических
установок проектируют с учетом специфики конкретного технологического процесса.
Расчет и конструирование ультразвукового узла
начинают с определения основных акустических параметров, которые обеспечивают
заданные характеристики технологического процесса. Такими параметрами являются:
частота, амплитуда колебаний (удельная акустическая мощность), площадь рабочей
поверхности излучателя (инструмента). При этом в процессе проектирования
ультразвукового узла в ряде случаев необходимо удовлетворить заданным
ограничениям по массе и габаритным размерам.
Рабочую частоту выбирают с учетом влияния многих
факторов. Для большинства технологических процессов частота колебаний
определяет эффективность самого процесса. Например, при очистке, связанной с
кавитационной эрозией, эффективность растет с понижением частоты в пределах
ультразвукового диапазона, производительность ультразвуковой обработки при
постоянной амплитуде смещений растет с увеличением частоты. При повышении
частоты уменьшаются габаритные размеры и масса колебательной системы,
облегчается выполнение санитарно-гигиенических требований к шуму ультразвуковых
установок, но падает амплитуда колебательных смещений и КПД системы.
При определении акустической мощности необходимо
учитывать назначение колебательной системы. Она может быть предназначена:
Для процессов, связанных с кавитационной
активностью жидкости, оптимальное значение удельной акустической мощности для
водных сред составляет Wa=l,0-2,0 Вт/см2. Этому значению удельной акустической
мощности соответствует амплитуда колебательной скорости на поверхности
излучателя 0,2 м/с.
Условия работы при излучении в среду
характеризуются заданной площадью излучения и удельной акустической мощностью,
которая определяется для данного технологического процесса.
3.8 Рабочая ультразвуковая частота
Относительная сила кавитации уменьшается при
увеличении частоты. При повышении частоты пузырек не достигает конечной стадии
захлопывания, в результате чего снижается микроударная энергия. На
гиперзвуковых частотах очистка осуществляется акустическим потоком и волнами
высокоскоростного давления в очищающей жидкости.
Рис. 3.8.1. Влияния частоты на кавитацию
Высокочастотную акустическую энергию в жидкости
создает ультразвуковой излучатель. Для эффективности процесса очистки звуковая
энергия должна иметь свободную зону прохождения от излучателя до очищаемой
поверхности. Итак, для промышленных ультразвуковых устройств используются
частоты 20-35кГц. Более низкие частоты около 20 кГц применяются для разрушения
клеток, образуют пузырьки большего диаметра и более мощные волны давления, а
частоты 35-40 кГц используются для интенсивной, но более бережной очистки [29].
.9 Размер и мощность ультразвуковой ванны
Эффективность работы ультразвуковой ванны не
находится в прямо пропорциональной зависимости от потребляемой мощности. Это не
нагревательный прибор, который чем больше мощности потребляет, тем сильнее
греет.
В УЗ технике работают другие физические законы и
в основном они касаются эффективного согласования электронной и механической
составляющих ультразвукового оборудования (т.е. грамотной электроники
генератора с не менее грамотной механикой и физическими свойствами излучателя).
Именно такое согласование позволяет уйти от потерь на переходах, от потерь на
паразитные изгибные колебания, от потерь на разогрев и других потерь, снижающих
КПД.
Правильно спроектированные генераторы
автоматически подстраивают именно отдаваемую в нагрузку УЗ мощность, как максимально
возможную для конкретной рабочей жидкости, ее физических свойств (плотности,
температуры, высоты ее уровня и объема загруженных изделий). Если «переборщить»
с мощностью для конкретной жидкости и конкретных условий то большая часть УЗ
энергии уйдет не на очистку, а на саморазогрев излучателей и тепловые потери в
генераторе. Если для изделий требуется более мягкая, бережная ультразвуковая
обработка, то нужно проводить очистку на относительно высоких частотах.
Выбор размера бака очень важен при выборе
ультразвуковой ванны. Размер и количество объектов для очистки определяют
размер ультразвуковой ванны:
При выборе ультразвуковой ванны нужно учитывать
размеры аксессуаров, таких как корзины. Чтобы избежать перегрузки,
рекомендуется выбрать чуть большую ультразвуковую ванну.
Объекты для очистки и реакционные сосуды
запрещено класть на дно ультразвуковой ванны. Это может вызывать отказ
устройства, так как детали будут отражать ультразвуковую энергию обратно на
передатчик. Для обеспечения нормальной кавитации всегда нужно оставлять не
менее 30мм между дном резервуара и изделием. Всегда используйте поддон или
сито, или подвесную решетку.
Рис. 3.10.1. Ультразвуковые излучатели.
а.) Магнитострикционный излучатель
б.) Пьезоэлектрические излучатель
.10 Ультразвуковые излучатели
Группа компаний "РЭЛТЕК" выпускает
магнитострикционные (МС) и пьезоэлектрические (ПЭ) излучатели. Наиболее
распространённым материалом для изготовления магнитострикционных
преобразователей МС является сплав пермендюр. Достоинством МС преобразователя
является возможность передачи в единичный излучатель мощности до 5 кВт, что
чрезвычайно важно для построения мощных ультразвуковых систем и повышения
надёжности их работы. Пьезоэлектрические ПЭ излучатели выпускает три типа МС
излучателей: кольцевые, стержневые и мембранные. В технологических установках,
когда амплитуда механических колебаний излучателей не превышает 5 мкм,
экономически целесообразно применять ПЭ преобразователи, выполненные на основе
пьезокерамики. КПД пьезоэлектрических ПЭ преобразователей примерно в два раза
выше, чем у магнитострикционных при меньшей себестоимости их производства. ПЭ
преобразователи характеризуются высокой надёжностью в эксплуатации, большим
сроком службы по сравнению с МС преобразователями, они не требуют специального
жидкостного охлаждения. Технические характеристики погружных пьезоэлектрических
и магнитострикционные излучателей приведены в Таблицах: 3.10.1.,3.10.2..
Таблица 3.10.1.
Технические характеристики погружных пьезоэлектрических
излучателей
|
Параметры
|
ПИ-1,4-22
|
ПИ-1,7-22
|
|
Номинальная
мощность возбуждения, ВА
|
1400
+/-10%
|
1700
+/-10%
|
|
Резонансная
частота, кГц
|
26
+/-2
|
26
+/-2
|
|
Рабочая
среда
|
Вода,
растворы ПАВ, щелочные растворы с концентрацией не более 10%, масло, лак.
|
|
Максимальная
температура рабочей среды, 0С
|
65
|
65
|
|
Продолжительность
непрерывной работы, час, не более (с последующим перерывом 1 час)
|
8
|
8
|
|
Глубина
погружения излучателя в водный раствор, м, не более
|
0,65
|
1,5
|
|
Подвод
напряжения возбуждения
|
Сверху,
через слой воды
|
Через
отверстие в стенке (дна) бака
|
|
Габаритные
размеры, мм, не более:-излучателя в сборе -корпуса без элементов
|
1180x210x790
670x210x90
|
850x210x110
670x210x90
|
|
Масса,
кг, не более
|
22
|
25
|
Таблица.3.10.2.
Технические характеристики магнитострикционных
ультразвуковых излучателей
|
Тип
преобразователя
|
P,
кВт
|
F,
кГц
|
U,
В
|
Акустическая
мощность не менее, кВт
|
|
Мембранный
преобразователь
|
|
ПМС-2,5-22
|
2,5
|
22
|
440
|
1,2
|
|
Стержневой
преобразователь
|
|
ПМС-1-22
|
1
|
22
|
220
|
0,45
|
|
ПМС-4-22
|
4
|
22
|
440
|
1,8
|
|
ПМС-5-18
|
5
|
18
|
440
|
2,2
|
|
Кольцевой
преобразователь
|
|
КМС-1-18
|
1
|
18
|
220
|
0,5
|
|
ПМС-3-18
|
3
|
18
|
440
|
1,4
|
|
ПМС-5-10
|
5
|
10
|
440
|
2,5
|
|
ПМС-4-8
|
4
|
8
|
440
|
2,0
|
|
ПМС-4-18ОС
|
4
|
18
|
440
|
2,0
|
.11 Монтаж погружных ультразвуковых излучателей
Погружные ультразвуковые излучатели
предназначены для “озвучивания” уже имеющихся ёмкостей (ванн) или иного
оборудования, что позволяет произвести модернизацию, ремонт или переоснащение
любого производства без демонтажа существующего оборудования и с минимальными
затратами, а так же возможность переоборудования ванн любого типа.
Ультразвуковые погружные излучатели обладают универсальностью при встраивании в
ванны, высокой эффективностью, простотой и надёжностью. Объём ванны не
ограничен (модульным исполнением) Рис..
Рис. 3.11.1. Модулное исполнения ультразвуковой
ванны
При выборе погружного ультразвукового излучателя
для имеющееся ванны нужно учитывать размеры аксессуаров, таких как корзины. Для
обеспечения нормальной кавитации всегда нужно оставлять не менее 30мм между дном
резервуара и изделием. Всегда надо используйте поддон или сито, или подвесную
решетку. При устанавливании погружного ультразвукового излучателя возможность
модернизировать, или переоснастить любое производство без снятия имеющегося
оборудования с незначительными затратами.
Рис. 3.11.1 Варианты монтажа погружных
ультразвуковых излучателей в жидкостях
а - на дно ванны, отверстие в ванне не
требуется;
б - на стенку ванны, отверстие в ванне не
требуется;
в - на дно ванны, вывод ВЧ через боковую стенку;
г - на стенку ванны, вывод ВЧ через стенку;
д - на дно ванны, вывод ВЧ через дно.
Такой излучатель может крепиться ко дну или
стенкам ванны. На него подаётся переменное напряжение от ультразвукового
генератора определённой частоты. Эффективность подобной установки зависит от
числа установленных ультразвуковых излучателей и их мощности. Ультразвуковые
излучатели значительно улучшают качество очистки деталей, при этом
обеспечивается отличный 100% результат. Они способствует качественному очищению
поверхности от смазки и остатков охлаждающей жидкости, а также от смазочно
охлаждающих жидкостей (СОЖ), налетов, различных механических загрязнений,
продуктов порчи металл и накипи. В данном случае воздействие происходит не
только на поверхность детали, но и на сам моющий раствор, только так
обеспечивается идеальный результат [33].
Рис.3.11.2. Варианты монтажа погружных
ультразвуковых излучателей в жидкостях
а - на дно ванны, вывод ВЧ через боковую стенку;
б - на дно ванны, вывод ВЧ через дно;
в - на дно ванны, отверстие в ванне не
требуется;
г - на стенку ванны, вывод ВЧ через стенку;
д - на стенку ванны, отверстие в ванне не
требуется.
Рис. 3.11.3. Движения ультразвуковых волн при
монтаже с боку
Рис. 3.11.4. Схема примеров размещения
погружного излучателя и движения звука в них
.12 Конструкция погружного ультразвукового
излучателя
Материал изготовления:
нержавеющая сталь толщиной 1,5до3,0 мм;
Рабочая частота - 35 кГц;
Амплитудная модуляция - до 90%;
Высота - 90 мм.
Рис. 3.12.1. Размеры погружного ультразвукового
излучателя
Рис. 3.12.2. Конструкция ультразвукового
излучателя
Рис.3.12.3 Ультразвуковая пластина (съёмное дно)
Требуемая мощность генератора от размеров
погружного ультразвукового излучателе в таблице 3..
Таблица 3.12.1.
Размеры погружных ультразвуковых излучателей
|
Размер
a, мм
|
Размер
b, мм
|
Мощность
ультразвукового генератора, Вт
|
|
150
|
225
|
300
|
375
|
450
|
|
150
|
50
|
|
|
|
|
|
225
|
100
|
200
|
|
|
|
|
300
|
150
|
300
|
450
|
|
|
|
375
|
200
|
400
|
600
|
800
|
|
|
450
|
250
|
500
|
750
|
1'000
|
1'250
|
|
525
|
300
|
600
|
900
|
1'200
|
1'500
|
|
600
|
350
|
700
|
1'050
|
1'400
|
|
|
675
|
400
|
800
|
1'200
|
1'600
|
|
|
750
|
450
|
900
|
1'350
|
|
|
|
825
|
500
|
1'000
|
1'500
|
|
|
|
900
|
550
|
1'100
|
|
|
|
|
975
|
600
|
1'200
|
|
|
|
|
1'050
|
650
|
1'300
|
|
|
|
|
1'125
|
700
|
1'400
|
|
|
|
|
1'200
|
750
|
1'500
|
|
|
|
|
1'275
|
800
|
|
|
|
|
|
1'350
|
850
|
|
|
|
|
|
1'425
|
900
|
|
|
|
|
|
1'500
|
950
|
|
|
|
|
|
1'575
|
1'000
|
|
|
|
|
|
1'650
|
1'050
|
|
|
|
|
|
1'725
|
1'100
|
|
|
|
|
|
1'800
|
1'150
|
|
|
|
|
|
1'875
|
1'200
|
|
|
|
|
|
1'950
|
<1'250
|
|
|
|
|
Погружные ультразвуковые излучатели
рекомендуется приобретать в том случае, если уже имеются специальные ёмкости,
ванны или другое.
Рис. 3.12.4. Пьезокерамического излучатель
(ультразвуковой излучатель) типа Ланжевена
В таблице 3.12.2. от мощность и частоты зависит
размер излучателя.
Таблица 3.12.2.
Размер излучателя
|
Рабочая
частота, кГц
|
Номинальная
мощность, Вт
|
D,
мм
|
d,
мм
|
h,
мм
|
L,
мм
|
|
22
|
100
|
59
|
52
|
85
|
66
|
|
28
|
50
|
|
|
|
|
|
35
|
50
|
50
|
39
|
59
|
60
|
|
41
|
50
|
|
|
|
|
|
60
|
30
|
32
|
26
|
40
|
37
|
В данном случае существует возможность
модернизировать, отремонтировать или переоснастить любое производство без
снятия имеющегося оборудования с незначительными затратами.
На самом деле погружные ультразвуковые
излучатели универсальны при встраивании в ванну, они отличаются высокой
эффективностью, надёжностью при работе и простотой. Ванна может иметь модульное
исполнение, при этом её объем неограничен.
Такой излучатель может крепиться ко дну или
стенкам ванны. На него подаётся переменное напряжение от ультразвукового
генератора определённой частоты. Эффективность подобной установки зависит от
числа установленных ультразвуковых излучателей и их мощности.
Так как активно используются новые требования
касательно эксплуатационного качества продукции современной промышленности,
изготовление изделий с защитным покрытием увеличивается. Качественное нанесение
подобных покрытий можно выполнить только при условии специальной подготовки
поверхности, поэтому погружные ультразвуковые излучатели могут сыграть важную
роль. Он способствует качественному очищению поверхности от смазки и остатков
охлаждающей жидкости, а также от СОЖ, налетов, различных механических
загрязнений, продуктов порчи металл и накипи.
Так как очищение деталей происходит в жидкой
среде, не обойтись без активизации молекул этой среды. Для этой цели и
осуществляются ультразвуковые колебания. Современные ультразвуковые излучатели
значительно улучшают качество очистки деталей, при этом обеспечивается отличный
100% результат. В данном случае воздействие происходит не только на поверхность
детали, но и на сам моющий раствор, только так обеспечивается идеальный
результат.
.13 Материалы для ультразвуковой установки
очистки и пропитки
Материал для очистки:
"Фаворит К Ультра White" супер
концентрированная представляет собой пасту белого цвета с приятным запахом. При
работе с концентратами не требуется защита персонала. pH- 1,0-2,0, расход
50-200 грамм на
Рис. 3.13.1. Концентрат очистки
литров воды. Многократность применяемых
растворов. Область применения: очистка благородных металлов, черных металлов,
цветных серебра, металлов таких как меди, бронзы, латуни, а так же для очистки
деталей от карбоновых, оксидных, солевых, минеральных отложений и загрязнений.
Очистка ювелирных изделий.
"Фаворит К Ультра Yellow" супер
концентрированная представляет собой пасту желтого цвета с приятным запахом.
При работе с концентратами не требуется защита персонала. pH- 1,0-2,0, расход
50-200 грамм на 10 литров воды. Многократность применяемых растворов. Область
применения: очистка благородных металлов, черных металлов, цветных металлов
таких как меди, бронзы, латуни, а так же для очистки деталей от карбоновых,
оксидных, солевых, минеральных отложений и загрязнений. Очистка ювелирных
изделий.
Пропиточный материал:
Лаком электроизоляционным МЛ-92 пропитывают
обмотки у электрических машин, аппаратов и трансформаторов, им покрывают
электроизоляционные детали, нанося методом окунания или наливом в 1-2 слоя. При
необходимости лак МЛ-92 разбавляют ксилолом, толуолом или смесью одного из этих
растворителей с уайт-спиритом в соотношении 3:1. Толщина однослойного покрытия
лаком составляет от 20 до 30 мкм. Первый слой лака перед повторным окунанием и
второй слой лака перед горячей сушкой выдерживают при температуре (20 ± 2)°С в
течение 15 - 20 мин. Затем сушат при температуре (105 -110)°С в течение 1 ч. В
толстом слое лак просыхает при температуре 120°С в течение 16ч. Расход на
однослойное покрытие лаком от40г/мдо48г/м. При соблюдении требований к
подготовке
поверхности, нанесению материалов и сушке
покрытий, допускается нанесение лака МЛ-92 по алюминиевым сплавам без
предварительного грунтования; эксплуатация покрытий в зонах с умеренным и
тропическим климатом. При этом обеспечиваются электроизоляционные свойства
покрытия.
Лак МЛ-92 относится к материалам,
которыеподвергаются действию электрических напряжений, тока, электрической дуги
и поверхностных разрядов;
Лак МЛ-92 обладает высокими электроизоляционными
свойствами;
Изделия, обработанные лаком МЛ-92,
эксплуатируются в условиях различных климатических зон, выдерживая высокое
температурное воздействие (до 130°С).
Рис. 3.13.2. Установка ультразвуковая
Назначение и область применения:
Установка предназначена для мойки и пропитки
якорей и статоров электрических машин с применением энергии ультразвуковых (УЗ)
колебаний. При мойке происходит удаление с обрабатываемых поверхностей, из
раковин и трещин, старой изоляции , механических и масляных загрязнений. При
пропитке происходит заполнение пропиточным лаком раковин и трещин в изоляции,
внутренних полостей и каналов обмоток и сердечников, равномерное и качественное
покрытие наружных поверхностей обмоток и сердечников.
Технические характеристики:
· Длительность пропитки УЗ, мин - 8, 16, 32
· Электропитание - 3фаз. 50Гц, 380В
· Потребляемая мощность, кВт, не более
- 4
Условия, при которых должна включаться вытяжная
вентиляция
· при открывании моечно-пропиточной ёмкости во
время установки в неё и вынимания из неё пропитываемых изделий;
· при мойке и пропитке.
.14 Особенности ультразвукового технологического
оборудования
Существующее УЗ технологическое оборудование
различной мощности, степени сложности и назначения, базируется на общих
принципах работы и сходно по своей структуре.
На рисунке 3.13.1. представлена структурная
схема УЗ технологического аппарата, который состоит из сетевого источника
питания, транзисторного усилителя (инвертора), задающего генератора УЗ частоты,
устройства контроля и управления, устройства согласования, колебательной
системы (пьезопреобразователя и концентратора), технологической среды.
Рис. 3.14.1. Структурная схема ультразвукового
генератора
УЗ электронные генераторы - предназначены для
преобразования тока промышленной частоты в ток высокой частоты и применяются
для питания электроакустических преобразователей . В настоящее время УЗ
генераторы выполняются на полупроводниковых приборах транзисторах и тиристорах.
Применение тиристорных инверторов ограничено из-за низких частотных свойств
тиристоров и сложности схемы управления. Наиболее широко в настоящее время
применяются УЗ генераторы на транзисторах. Так как параметры транзисторов
непрерывно улучшаются, они являются наиболее перспективными приборами и для
новых разработок УЗ генераторов. По схемному решению генераторы могут быть с
независимым возбуждением, с самовозбуждением, с электрической или акустической
автоподстройкой частоты . По своим техническим возможностям УЗ аппараты могут
быть универсального применения и специализированные.
Универсальные рассчитаны на работу с различными
технологическими средами, допускают широкую вариацию выходных параметров
(мощности, частоты, напряжения и т.п.) и условий согласования с нагрузкой.
Примерами универсальных аппаратов могут служить: погружной УЗ аппарат,
разработанный ООО «Сапфир» и состоящий из излучателя и генератора УЗГ-500М2,
выполненных в отдельных корпусах и соединённых между собой высокочастотным
кабелем. Корпус излучателя выполнен герметичным из нержавеющей стали. Подобные
аппараты разработаны швейцарской фирмой ACTIVE ULTRASONIC . Они комплектуются
стержневыми излучателями, позволяющими эффективно выводить УЗ энергию в жидкие
среды. Излучатели могут быть использованы для оснащения УЗ химических реакторов
и технологических ванн различной мощности. Мощность отдельного излучателя лежит
в пределах от 600 Вт до 2000 Вт.
Специализированные аппараты рассчитаны на питание
одной или нескольких определенных нагрузок. Эти генераторы имеют неизменяемые
выходные параметры (рабочую частоту, выходную мощность и т.д.). Универсальные
генераторы предназначены для использования в лабораториях, на опытных
производствах, для питания устройств, где не происходит изменения параметров
технологического воздействия. При применении в массовом производстве, где
выходные параметры генератора остаются неизменными, предпочтительны
специализированные ультразвуковые аппараты.
Характеристики аппаратов, как электрические, так
и неэлектрические обусловлены, характеристиками ультразвуковой технологической
установки, в состав которой они входят.
Наличие взаимного влияния параметров среды и
преобразователя приводит к влиянию параметров технологической среды на
электрические параметры УЗ колебательных систем и электронных генераторов. Это
объясняется тем, что УЗ колебательная система, являясь частью технологического
аппарата, одновременно входит в состав генератора электрических колебаний,
являясь его электрической нагрузкой. УЗ колебательная система представляет
собой электромеханическую резонансную систему, к главным характеристикам
которой относятся резонансная частота и добротность. Параметры такой системы
очень чувствительны к влиянию на неё различных факторов. В связи с этим любое
воздействие на колебательную систему изменяет её основные характеристики, что
приводит к изменению параметров генератора. Таким образом, на работу генератора
электрических колебаний УЗ частоты оказывает влияние изменение параметров
колебательной системы.
4. Исследовательская часть
.1 Принципиальная схема ультразвукового
генератора в жидкой среде
Рис. 4.1.1. Схема принципиальная ультразвукового
генератора
Конструкция представляет собой достаточно мощный
генератор ультразвука и предназначена для ускорения происходящих в жидкой среде
процессов. Источник ультразвука необходим для очень широкого спектра
применения. Может использоваться для сокращения времени пропитки травления и
промывки деталей, уменьшения времени обработки, ускорение протекания химических
процессов в жидкости,
и для ускорения времени протекания самых
разнообразных химических процессов, например, при приготовлении клея,
серебрении медных проводов. Ускорение протекания химических процессов в
жидкости, облученной ультразвуком, происходит, главным обрезом, благодаря
явлению кавитации возникновению в жидкости множества пульсирующих пузырьков
заполненных паром, газом или их смесью и звукокапиллярному эффекту [Л1]. В
данном случае используется качание частоты, что повышают эффективность
использования этого прибора при выполнении поставленных перед ним задач. Дело в
том. что если взять какой либо конкретный сосуд, наполненный жидкостью, то при
облучении его ультразвуком постоянной частоты, из-за различных физических
факторов и прочих нюансов, эффективность применения этого устройстве может
стать незначительной. Если же частота ультразвука будет непрерывно меняться, то
те или иные чести корпуса емкости, слои и молекулы веществ раствора
периодически будут попадать в резонанс, либо на основной частоте, либо на
верхних гармониках, что благоприятно будет сказываться на увеличении скорости
протекания реакций. В Данной работе представлена схема ультразвукового
генератора переменной частоты. Основу конструкции составляют два генератора
импульсов прямоугольной формы и мостовой усилитель мощности. На логических
элементах И-НЕ DD1.3, DD1.4 выполнен перестраиваемый генератор импульсов формы
меандр ультразвуковой частоты. Его рабочая частота зависит от емкости
конденсатора С3 и общего сопротивления резисторов R5, R7. Чем сопротивление
этих резисторов больше, тем частота меньше. На инверторах DD1.1, DD1.2
реализован низкочастотный генератор с рабочей частотой около 1 Гц. Оба
генератора связаны между собой через резисторы R3,R4. Конденсатор С2
предназначен для того, чтобы частоте ведомого высоко-частотного генератора
изменялась плавно. Если конденсатор С2 зашунтировать переключателем SA1, то
частота высокочастотного генератора будет постоянной. На КМОП микросхеме DD2 и
полевых транзисторов с изолированным затвором обогащённого типа выполнен
мостовой усилитель мощности импульсов прямоугольной формы. Инверторы микросхемы
раскачивают двухтактные повторители на полевых транзисторах. Когда на выводах
3. 6 DD2 логический (О), то на выходах DD2.3, DD2.4 будет логическая ( 1).
Соответственно в этот момент времени будут открыты транзисторы VT1, VT3. a VT2,
VT4 будут закрыты. Коэффициент полезного действия такого усилителя мощности
приближается к 100 %. Использование сигнала прямоугольной формы приводит к
богатому гармониками акустическому излучению. На светодиоде HL1 выполнен
индикатор включения, а на элементах C4...C7, L1 - фильтр питания.
В качестве излучателей ультразвука используются
две недорогие высокочастотные динамические головки типе 2ГД-36-2500 (6ГДВ-2-8).
Не их месте можно использовать, например: 6ГД-13 (6ГДВ-4-8),
ЭГД-31 (5ГДВ-1-8) и другие аналогичные. Если
будут использованы высокочастотные динамит мощностью 10 Вт и более, то их можно
будет включить параллельно или оставить только один динамик. При использовании
двух динамиков необходимо соблюдать фазировку подключения. При возможности, их
желательно заменить мощным пьезокерамическим излучателем или магнитостриктором,
который можно попробовать изготовить самостоятельно, намотав на фер- ритовом П-
образном сердечнике от ТВС телевизора несколько десятков витков многожильного
медного провода, а в качестве мембраны применить небольшую стальную пластину.
Катушка должна быть размещена на массивной опоре.( p) - Канальные полевые
транзисторы можно заменить на IRF5305, IRF9Z34S. IRF5210:
(n) - канальные IRF511. IRF541. IRF520, IRFZ44N.
IRFZ48N. Транзисторы устанавливаются на небольшие теплоотводы из дюралюминия.
Микросхемы можно заменить на КР1561ЛА7, 564ЛА7, CD4011A. К561ЛЕ5. КР1561ЛЕ5.
С04001В. Дроссель L1 - любой миниатюрный индуктивностью 220....1000 мкГн.
Резисторы R7, R8 - самодельные проволочные из нихромовой проволоки на ток не
менее 2 А. Переменный резистор СПЗ-ЗО, СПЗ-3-33-32 или с выключателем питания СПЗ-ЗЗ-20.
выключатели SA1, SA2 - П2К с фиксацией положения. Печатная плата генератора
выполняется на омеднённом текстолите.
4.2 Настройка устройства
Движок переменного резисторе R6 устанавливается
в среднее положение, контакты выключателя SA1 замыкаются, подбором емкости
конденсатора С3 от 1000пф до 2200пф, и сопротивления резисторе R6
устанавливается частота генератора на DD1.3, DD1.4 около 30 кГц. Далее,
контакты SA1 размыкаются и подбором сопротивлений резисторов R2, R3 и R4
следует установить девиацию ультразвуковой частоты от 24 кГц до 36...45 кГц.
Делать её более широкой не следует, так как или работа устройстве станет
слышимой человеком, либо заметно возрастут потери не переключение полевых
транзисторов, а эффективность излучателей звука упадёт. Срыв работы генератора
не DD1.3, DD1.4 не допускается, так как это может привести к повреждению
катушек динамических головок. Источник питания должен быть рассчитан на ток не
менее 2 А. Напряжение питания может быть от 11 до 13 вольт. Звукоизлучатели не
должны располагаться в корпусе прибора или прикрепляться к нему снаружи, тек
как мощное ультразвуковое облучение может значительно уменьшить срок службы
некоторых радиодеталей.
Эффективность применения этого устройстве также
зависит не только от физико-химических свойств жидкости, характеристик
излучателя, но и от того, каким образом будет облучаться емкость с раствором.
Здесь, в каждом конкретном случае, следует поэкспериментировать, чтобы
использование акустической энергии ультразвука стало наиболее эффективным.
Например, если вы ограничитесь какой-либо суррогатной ёмкостью, например,
трехлитровой стеклянной банкой, то динамические головки закрепляются на ней с
помощью тугого резинового жгуте. Саму банку, при этом, необходимо плотно
обмотать широким скотчем, это нужно на тот случай, если стекло не выдержит
испытаний ультразвуком и банка расколется. Чтобы ещё более повысить
эффективность этого приборе, следует предусмотреть возможность подогрева
облучаемого ультразвуком раствора. Кроме описанных выше вариантов применения,
можно попробовать использовать эту конструкцию и для отпугивания летающих
насекомых, мелких грызунов, огородных вредителей. При работе этого устройства
долго выдержать этот пронзительный звук, меняющийся в широком диапазоне не
представляется возможным даже тем, кто находится и в других комнатах. Голова
начинает даже не болеть, а её как будто в тиски жмёт, до тошноты противное
состояние, выдержал секунд 30. Ток потребления можно рассчитать исходя из
сопротивления применяемого ультразвукового излучателя, по закон Ома. Приняв за
КПД 100% оконечного каскада, что почти так и есть, получаем 750 мА при
напряжении питания 12 В. При уменьшении напряжение упадет мощность.
Ультразвуковой излучатель питается от блока питания собранного кренки на 12 В
для наименьших перепадов напряжения более стабильна получается частота
.
Диапазон выходных частот варьирует в широком пределе переменным резистором от
слышимого спектра до не слышимого, необходимо лишь правильно подобрать
скважность импульсов для правильной работы схемы простота этого устройства
доступна для сборки и использования в домашних условиях.
.3 Умножитель напряжения для питания
пьезоизлучателя
Пьезоэлектрические преобразователи широко
используются в ультразвуковых измерительных устройствах и в акустических
оповещателях охранной сигнализации. Для получения от преобразователя
достаточной звуковой мощности нужно, во первых, подавать напряжение с частотой,
близкой к частоте его резонанса, а во вторых, амплитуда этого напряжения должна
быть как можно ближе к максимально допустимой для используемого прибора. Для
питания преобразователя чаще используют схему с трансформатором, работающую на
резонансной частоте. Но для того, чтобы создать и оптимизировать такую схему,
придется потратить немало времени и сил. Однако возможно сделать и бес
трансформаторную схему. Пример подобной схемы изображен на Рисунке 4.3.1.
Рис. 4.3.1. Умножитель напряжения ультразвука
Пять инверторов и утроитель напряжения управляют
пьезоэлектрическим преобразователем.
Задающий генератор собран на микросхеме триггера
Шмитта IC1A. Частота устанавливается резистором R1 и конденсатором C1. Для
точной настройки на частоту резонанса преобразователя следует подбирать
номиналы обоих компонентов. Можно заменить R1 подстроечный резистор и
подстраивать частоту с его помощью, добиваясь максимального напряжения на
преобразователе.
Драйвер собран на пяти инверторах IC1B … IC1F.
Диоды D1 и D2, вместе с окружающими их компонентами, образуют утроитель
напряжения. На транзисторе Q2 сделан усилитель, а на транзисторах Q1 и Q3
драйвер пьезопреобразователя.
Генератор можно заменить микроконтроллером.
Схема работает при напряжении питания не превышающем 10 В. Ее можно
использовать и в системах с питанием 3.3 В, но тогда микросхему для генератора
и драйверов нужно будет заменить на инвертор 74HC14. Если потребуется еще
больше увеличить размах напряжения на преобразователе, можно подключить
дополнительный удвоитель напряжения.
.4 Ультразвуковые генераторы
Одной из ответственных частей УЗ аппарата
является электронный генератор - устройство, предназначенное для преобразования
энергии электрической промышленной сети в энергию электрических колебаний
ультразвуковой частоты.
Решение проблемы автоматической подстройки
параметров генератора при всех возможных изменениях параметров обрабатываемых
сред и разработка электрического генератора для специализированного
ультразвукового станка является сложной проблемой.
Наиболее интересной и перспективной является
схема генератора с независимым возбуждением и автоматической подстройкой
частоты.
К достоинству таких схем относятся все достоинства схем генераторов с
независимым возбуждением, плюс к этому добавляется возможность автоматической
подстройки частоты в соответствии с изменением механической частоты
колебательной системы.
Однако у всех разработанных к настоящему времени
генераторов с автоподстройкой частоты есть следующие общие недостатки:
1. Ограничение по максимальной развиваемой мощности, обусловленное длительным
временем рассасывания зарядов в базах современных высоковольтных транзисторов
при протекании больших токов.
2. Диапазон перестройки рабочей частоты генератора меньше возможного диапазона
изменения собственной рабочей частоты колебательной системы.
3. Ограниченный диапазон изменения или полное отсутствие регулировок выходной
мощности генераторов.
. Полное отсутствие или недостаточное
быстродействие систем автоматического поддержания амплитуды механических
колебаний колебательной системы.
. Отсутствие систем защиты от не регламентных
режимов работы;
. Отсутствие ультразвуковых колебательных
систем, способных обеспечить максимально эффективное согласование выходного
электрического сопротивления электрического генератора и механического
сопротивления обрабатываемых сред в широком диапазоне.
. Снижение производительности (эффективности
ультразвукового воздействия) при изменении влияния обрабатываемых сред даже при
наличии системы автоматической подстройки рабочей частоты.
На основании результатов создания электронных генераторов для ультразвуковых
аппаратов и исследований, проведенных выше, был разработан электрический
генератор, позволяющий исключить перечисленные недостатки.
Это стало возможным за счет обеспечения
автоматической подстройки режимов работы электронной схемы генератора при всех
возможных изменениях условий ультразвукового технологического воздействия, при
использовании различных колебательных систем с большим числом разнообразных
инструментов [30, 35].
Рассмотрим структурную схему, представленную на
рисунке 4.4.1..
При включении УЗ станка низковольтная часть его
питается с помощью источника питания 11, блок автоматики 12 запускает генератор
2 на максимально возможной частоте из диапазона перестройки генератора, и тот
начинает поиск резонансной частоты колебательной системы. Это происходит
следующим образом: сигнал с выхода генератора 2 подается на выходные ключевые
каскады 3, этот же сигнал (опорный) поступает на один из входов фазового
компаратора 1, на ключевые каскады нагружен колебательный контур 4, резонанс
которого близок к резонансной частоте механической колебательной системы.
Рис. 4.4.1. Блок схема ультразвукового
технологического аппарата.
Электронный генератор включает в себя:
- генератор, управляемый напряжением;
- выходные каскады УЗ генератора;
- электрический LC контур;
- ультразвуковую колебательную систему;
- устройство, фиксирующее амплитуду напряжения
на колебательной системе;
- датчики для снятия сигналов обратной связи;
- регулятор;
- тиристорный регулятор;
- устройство для формирования уставки, задающей
стабилизируемую мощность;
- блок питания низковольтной части;
- устройство защиты и автоматики.
Работая как фильтр, контур 4 выдает первую
гармонику прямоугольного сигнала, который на него подается, то есть на
колебательную систему подается синусоидальное напряжение.
В электрическую цепь питания колебательной
системы включены датчики 7 для снятия сигналов обратной связи. Один из датчиков
включен таким образом, что сигнал (ток), снимаемый с него, имеет ту же частоту
и фазу, что и ток в механической ветви ультразвуковой колебательной системы.
Сигнал с этого датчика подается на второй вход фазового компаратора 1.
При неравенстве фаз и частот на входах фазового
компаратора на его выходе формируется соответствующее напряжение, подаваемое на
ГУН 2, который перестраивается в соответствии с подаваемым напряжением.
Когда равенство фаз и частот будет достигнуто,
данный генератор будет работать в условии резонанса, и любое изменение фазы и
частоты будет скомпенсировано.
Выходные каскады 3 питаются постоянным
напряжением, которое поступает с тиристорного регулятора 9. Напряжение, которым
питаются выходные каскады, определяется видом работы и устанавливается
устройством 10.
В результате работы на различные среды и при смене нагрузок происходит
изменение напряжения на колебательной системе. Для стабилизации этого
напряжения, а, следовательно, для стабилизации амплитуды механических колебаний
системы, напряжение на колебательной системе отслеживается датчиком 7, затем в
блоке 6 фиксируется его амплитуда, и этот сигнал, пропорциональный амплитуде
питающего напряжения колебательной системы, подается на пропорциональный
регулятор 8. Это регулятор, сравнивая уровень, задаваемый устройством 10, с
приходящим от блока 6 сигналом, вырабатывает управляющий сигнал для
тиристорного регулятора. В результате происходит автоматическая стабилизация
амплитуды механических колебаний системы.
Устройство защиты и автоматики 12 служит для
ручного пуска генератора, выключения его при аварийных ситуациях, повторного
перезапуска генератора, при срыве частоты и при срабатывании токовой защиты.
Полная автоматизация подстройки параметров УЗ
генератора, автоматическая защита электронной части от перегрузок позволяет
свести к минимуму действия оператора, связанные с перестройкой генератора и
аварийными ситуациями. При проведении определенной работы от оператора
требуется лишь включить в сеть аппарат, выставить требуемую для данного
процесса мощность и кнопкой пуска запустить на работу данный генератор. Далее
обеспечение ультразвукового воздействия происходит в автоматическом режиме.
Заключение
В этом дипломном проекте в технологической части
произведен расчёт по замена электропривода подъема мостового крана электроремонтного
цеха на комплектный электропривод, представительства компании «Siemens»,
с целью модернизации. Проведен анализ работы механической части, расчёт
параметров асинхронного двигателя и разработка САУ. Так же была проведена
предварительная проверка работоспособности электропривода и построение
переходных процессов путём моделирования с использованием пакета программ «Matlab»
и «Simulink». Показана
экономическая выгода проектируемого привода над существующим.
Поскольку механизм подъема является самым ответственным
в технологии электроремонтного цеха, расчеты приведены только для него. Расчеты
при модернизации электроприводов передвижения тележки и моста аналогичны
механизму подъема.
Наибольшее распространение на кранах получил
привод с асинхронными двигателями с фазным ротором и ступенчатым регулированием
угловой скорости путем изменения сопротивления в цепи ротора. Двигатели
постоянного тока применяют в том случае, если к электроприводу крановых
механизмов предъявляются повышенные требования в отношении регулирования
скорости, а также необходимо обеспечить низкие устойчивые угловые скорости в
различных режимах. Привода с асинхронными двигателями с короткозамкнутым
ротором применяется для механизмов кранов небольшой мощности (≤10-15
кВт), работающих в легком режиме.
Наша задача сделать выбор привода исходя из
условий работы и предъявляемых к нему требований, выбрать наиболее подходящий
по технико-экономическим и габаритным показателям.
В данном дипломе рассмотрены вопросы улучшений и
ускорению за счёт предложения усовершенствования технологий. При производстве
очистки деталей машин и пропитки электродвигателей под воздействием
ультразвука. Применяя погружные ультразвуковые излучатели предназначены для
работы уже имеющихся в ЭРЦ ёмкостей ванн или иного, что позволяет произвести
модернизацию, ремонт или переоснащение производства без демонтажа существующего
оборудования и с минимальными затратами, а так же производить ремонт быстрый
ремонт ультразвукового оборудования. Ультразвуковые погружные излучатели обладают
универсальностью при встраивании в ванны, высокой эффективностью, простотой и
надёжностью. Объём ванны не ограничен при (модульном исполнении). Также можно
применить УЗ в технологических процессах для очистки изоляции меди покрытий
контактов токопроводящими металлами. Предложения по улучшению технологий в ЭРЦ.
В данной работе рассматриваются вопросы улучшения технологий получения и
распространения ультразвуковых колебаний в жидких средах, изучаются
теоретические основы процессов, ускоряемых под воздействием ультразвуковых
колебаний, исследуются практические конструкции применяемых источников
ультразвуковых колебаний, и ультразвуковых аппаратов. Предлагаются
интереснейшие возможности для решения некоторых проблем с помощью физического
явления, связанных с получением и применением ультразвуковых колебаний. Решения
практических проблем на различных производствах цеха ЭРЦ при помощи
ультразвука.
Библиографический список
1. Копылова
И. П. Справочник по электрическим машинам: В 2 т / под общей ред. И.П. Копылова
и Б.К. Клокова т.1. - М.: Энергоиздат,
г.
. Соколов
Н.П. и Елисеев В.А. Расчет по автоматизированному электроприводу. Выпуск VII
М.:
МЭИ, 1974 г. - 84 с.
3. Ключев
В.И. Теория электропривода: Учебник для вузов. - М.: Энергоатомиздат, 1985 г. -
560 с.
. Ключев
В.И., Терехов В.М. Электропривод и автоматизация общепромышленных установок:
Учебник для вузов. - М.: Энергия, 1980 г. - 360 с.
. Кацман
М. М. Справочник по электрическим машинам: Учеб. пособие для студ. образоват.
учреждений сред. проф. образования / Марк Михайлович Кацман. - М.: Издательский
центр «Академия»,
2005.
- 480 с.
. Соколовский
Г. Г. Электроприводы переменного тока с частотным регулированием: Учебник для
ВУЗов. - М.: Издательский центр «Академия», 2006. - 259 с.
7. Онищенко
Г. Б. Электрический привод. Учебник для ВУЗов - М.: РАСХН. 2003. - 320 с.
. Башарин
А.В. Новиков В.А. Соколовский Г.Г. Управление электроприводами: Справочник по
электрическим машинам: В 2т под общ. Ред. И.П.Копылова, Б. К. Клокова. - М.:
Энергоатомиздат, 1989. - 688 с.:ил.
. Крановое
электрооборудование: справочник / Ю.В.Алексеев, А.П.Богословский и др. - М.
:Энергия, 1979г.
. Стандарт
предприятия. Общие требования и правила оформления дипломных и курсовых
проектов (работ), Екатеринбург: Изд-во УГТУ - УПИ, 1996.
. Исаев
И.Н. Системы подчиненного регулирования в электорприводах постоянного и
переменного тока : учеб. Пособие / И.Н.Исаев. - Нижний Тагил : НТИ (ф) УГТУ -
УПИ, 2005.
. ГОСТ
12.4.011-89 Система стандартов безопасности труда. Средства защиты работающих.
Общие требования и классификация.
. Правилам
технической эксплуатации электроустановок потребителей
. Правила
устройства электроустановок
. ГОСТ
12.4.125-83 ССБТ. Средства коллективной защиты работающих от воздействия
механических факторов. Классификация.
. СанПиН
2.2.4.548-96. Гигиенические требования к микроклимату производственных
помещений.
. СНиП
41-01-03 "Отопление, вентиляция и кондиционирование".
. СН
2.2.4/2.1.8.562-96. Шум на рабочих местах, в помещениях жилых, общественных
зданий и на территории жилой застройки.
. ГОСТ
12.1.003-83. Система стандартов безопасности труда. Шум. Общие
20. Интернетобеспечение
www.pulscen.ru
. Требования
безопасности
22. ГОСТ
12.1.012-90. Система стандартов безопасности труда. Вибрационная безопасность.
Общие требования.
. Интернет
ресурсы компаний «Триол», Mitsubisi,
Siemens, Проматис, ЗАО
«Промэлектроника» и др.
25.
Радж БалдаевПрименения ультразвука. [Текст] / В. Раджендран . -
М.:
Издательство Техносфера, Паланичами, 2006. - 576 с.
.
Шутилов В.А. Основы физики ультразвука [Текст] / В.А. Шутилов. - Л.: Изд-во
Ленинградского университета, 1980. - 280 с.
.
Розенберг Л.Д. Источники мощного ультразвука [Текст] / под ред.
Л.Д.
Розенберга. - М.: Наука, 1969. - 380 c.
.
Хмелев В. Н. Ультразвуковые многофункциональные и
специализированные
аппараты для интенсификации
технологических
процессов в промышленности [Текст] / В. Н. Хмелев
[и
др.]. - Барнаул: АлтГТУ, 2007. - 416 с.
.
Агранат Б.А. Основы физики и техники ультразвука [Текст] / Б.А.
Агранат
[и др.]. - М.: Высшая школа, 1987. - 352 с.
.
Теумин И.И. Ультразвуковые колебательные системы [Текст] / И.И.
Теумин.
- М.: Машгиз, 1959. - 331 с.
.
Жуков С.Н. Пьезоэлектрическая керамика: принципы и применение
[Текст]
/ С.Н. Жуков. - Минск: ООО «ФУАинформ», 2003. - 112 с.
.
Келлер, О.К. Ультразвуковая очистка [Текст] / О.К. Келлер, Г.С.
Кротыш,
Г.Д. Лубяницкий. - Л.: Машиностроение, 1977. - 325 с.
.
Медведев А. Ультразвуковая очистка. Теория и практика, ж.
Схемотехника,
2001, N910, с 36-37.
.
Хмелев В.Н., Хмелев С.С., Цыганок С.Н., Левин С.В.
Применение
ультразвука в промышленности
Алт.
гос. техн. ун-т, БТИ. - Бийск: Изд-во Алт. гос. техн. ун-та,
.
- 196 с.
.
Марков, А.И. Ультразвуковая обработка материалов [Текст] /А.И.
Марков.
- М.: Машиностроение, 1980. - 237 с., ил.
.
Баннов С.Е. Ремонт электрооборудования металлургических
заводов
3-еизд. М., «Металургия», 1975. 424 с.