Разработка подъемника стеновых панелей ПСК в вертикальное положение
ВВЕДЕНИЕ
На заводе СКДМ идет производство различных
панелей ПСК, таких как: глухая панель, панель с оконным проемом, с дверным
проемом, с оконным и дверным проемами, для их дальнейшего использования в
строительстве быстровозводимых домов. Такой способ постройки дома более
экономичен, прост и очень быстр. Панели имеют разные габаритные размеры, в
основном это панели длинной 6м шириной 2,73 м и толщиной 0,22 м и
соответственно разную массу от 500 до 1500 кг.
Конструкция каркаса стеновых панелей состоит из
оцинкованных тонкостенных профилей, толщиной 1,5 мм, соединенных между собой
самонарезающими винтами. Для обеспечения жесткости каркаса панели применяются
диагональные связи, выполненные из оцинкованной полосы толщиной 1,5 - 2 мм,
закрепляемые к каркасу также при помощи самонарезающих винтов. В углах панели
расположены сварные фитинги, служащие для транспортирования и монтажа. Внутри
панели расположена изоляция - минераловатный утеплитель толщиной 150; 175; 200
мм в зависимости от района строительства. Наружная и внутренняя обшивка - плита
ЦПС (цементно-стружечная плита) толщиной 12 мм.
Для производства панелей ПСК создана линия, в
которую входит подъемник для поворота панели в вертикальное положение.
Задачей данного дипломного проекта является -
разработка данного подъемника. Целесообразней всего разработать конструкцию
подъемника с объемным гидроприводом, так как объемный гидропривод сегодня
широко применяется в машиностроении и стал неотъемлемой составной частью
современных мобильных машин и промышленного оборудования.
Использование гидропривода в строительных и
дорожных машинах способствует значительному повышению уровня механизации в этих
отраслях. Гидравлические устройства устанавливаются в системах управления на
экскаваторах, бульдозерах, подъемниках, погрузчиках, кранах, а также в качестве
силовых передач на движитель этих машин.
В результате внедрения современных
технологических процессов и совершенствования гидравлического оборудования и
машин с объемным гидроприводом за последние два десятилетия значительно
улучшилось качество их изготовления, повысились продолжительность безотказной
работы и технический ресурс.
Перспективным является использование
гидравлических и пневматических передач в сочетании с электрическими для
автоматизации технологических процессов во многих отраслях народного хозяйства
с целью повышения производительности и улучшения условий труда.
К основным преимуществам гидропривода относится:
простота предохранения приводного двигателя и
исполнительных органов машин от перегрузок
возможность универсального преобразования
механической характеристики приводного двигателя в соответствии с требованиями
нагрузки
простота управления и автоматизации
широкий диапазон бесступенчатого регулирования
скорости выходного звена
большая передаваемая мощность на единицу массы
привода при малых размерах и весе передаточного механизма
надежная смазка трущихся поверхностей при
применении минеральных масел в качестве рабочих жидкостей.
Гидропривод обеспечивает бесступенчатое
регулирование скоростей в широком диапазоне, получение больших сил и мощностей
при малых размерах и весе передаточного механизма, возможность осуществления
различных видов движения, возможность частых и быстрых переключений при
возвратно-поступательных, вращательных прямых и реверсивных движениях.
Преимущества гидропривода перед обычными
механическими передачами становятся столь существенными, что во многих случаях
предпочтение отдается именно ему, и в данном случае разрабатывается именно
гидропривод для подъемника стеновых панелей ПСК.
1. ЛИТЕРАТУРНЫЙ ОБЗОР КОНСТРУКЦИЙ И ПРИВОДОВ
ПОДЪЕМНИКОВ
В линию по производству панелей ПСК входят
следующие элементы:
Стенд для сборки боковины панели ПСК;
Стенд для сборки каркаса панели ПСК;
Стенд с цепным транспортером, на котором
осуществляют обшивку панели ПСК с одной стороны;
Кантователь для переворота панели;
Стенд для укладки минеральной ваты;
Стенд с цепным транспортером, на котором
осуществляют обшивку панели ПСК с другой стороны;
Подъемник для поворота панели в вертикальное
положение.
Подъемники - это устройства перемещения грузов.
Служат для легкого и удобного перемещения и складирования грузов. У
подъемников, как правило, регулируемая рабочая ширина для захвата грузов разных
размеров.
Подъемник - производственный механизм,
производящий перекладку или передачу различных объектов с одного поста или
обрабатывающего устройства на другое, с обязательным изменением
пространственной ориентации объекта. Изменение ориентации объекта подъемником,
как правило, предусматривается с угловым шагом 90°. Подъемники применяются в
кузнечно-штамповочных, литейных и других цехах, в складах на
погрузочно-разгрузочных работах, при упаковке различных продуктов и так далее.
Устройство подъемника: большинство конструкций
подъемников, применяемых в технике, построено на основе мальтийских механизмов,
или других рычажных, зубчато-рычажных или кулачковых механизмов, обеспечивающих
прерывистое движение выходного звена.
Существует три вида подъемников. Два подъемника
с механическим приводом, но по принципу действия различающихся друг от друга.
Третий с гидравлическим приводом.
Рассмотрим первый вид подъемника. Его основным
органом поворачивания является цепь, на которой панель поднимается на
определенную высоту и происходит поворот. Данный механизм очень прост, но
главным недостатком является то, что может произойти обрыв цепи, что несет за
собой негативные последствия.
Во втором виде подъемника основным органом
переворачивания является редуктор, который вращает электродвигатель. В данном
виде подъемника основным плюсом является свободный доступ к панели. Недостаток
- электродвигатель не создает достаточного момента, а редуктор имеет высокую
стоимость и сложен в изготовлении.
В третьем виде подъемника основным органом
поворота являются несколько гидроцилиндров. Этот вид подъемника можно назвать
безопасным со всех точек зрения:
невозможность уронить панель при повороте;
свободный доступ к панели;
высокий момент, создаваемый гидроприводом, то
есть и выше грузоподъемность;
простота конструкции.
В данном дипломном проекте разрабатывается
гидропривод для третьего вида подъемника панелей ПСК. Для этого необходимо
составить принципиальную гидравлическую схему, произвести необходимые
гидравлические расчеты, затем разработать конструкцию гидроблока управления и
общий вид гидропривода.
Применение в данном подъемнике гидравлического
привода обусловлено его преимуществами:
простота предохранения приводного двигателя и
исполнительных органов машин от перегрузок;
возможность универсального преобразования
механической характеристики приводного двигателя в соответствии с требованиями
нагрузки;
простота управления и автоматизации;
широкий диапазон бесступенчатого регулирования
скорости выходного звена;
большая передаваемая мощность на единицу массы
привода при малых размерах и весе передаточного механизма;
надежная смазка трущихся поверхностей при
применении минеральных масел в качестве рабочих жидкостей.
Легкость и удобство управления рабочими
органами, которые характеризуются небольшими усилиями на рукоятках управления,
создают комфортные условия труда машиниста. Применение направляющих
распределителей с пропорциональным электрогидравлическим управлением
исполнительных механизмов и регулирующих гидроаппаратов, управляющих движением
и расходом с пропорциональными электромагнитами, позволяет автоматизировать
технологические процессы, выполняемые машинами. При установке микропроцессоров
и подключении их к компонентам с пропорциональными электромагнитами можно
автоматизировать цикл или весь технологический процесс, выполняемый машиной.
Перед переходом на автоматический режим оператор нажимает кнопку «памяти» и
выполняет необходимую технологическую операцию вручную. Затем включают кнопку
«автоматический режим», и процессор по заданному алгоритму будет повторять этот
режим. Машина в таких случаях работает с максимальной производительностью, а
роль оператора ограничивается наблюдением.
Независимое расположение сборочных единиц
гидропривода позволяет оптимально разместить их в машине. Надежно предохраняют
от перегрузок приводного двигателя, гидросистемы, металлоконструкций и рабочих
органов клапаны предохранительные, переливные, разгрузочные, разности давлений,
тормозные и другие, а так же блоки клапанов. Пожалуй, это наиболее важное
свойство объемного гидропривода. Компоненты гидропривода компактны, у них небольшая
масса благодаря отсутствию в машине с гидроприводом таких традиционно
применяемых деталей и механических узлов, как шестеренные и цепные редукторы,
муфты, тормоза, барабаны лебедок, полиспастные блоки, канаты и другие быстро
изнашивающиеся детали, требующие регулярного техобслуживания. У объемного
гидропривода есть и недостатки, например его работоспособность и безотказность
зависят от температуры окружающей среды, точнее - от вязкости и других свойств
рабочей жидкости.
По характеру движения выходного звена различают
объемные гидроприводы вращательного, поступательного и поворотного движения,
приводимые гидромотором, гидроцилиндром или поворотным гидродвигателем. По
возможности регулирования различают гидроприводы регулируемые и нерегулируемые,
по способу регулирования - с ручным и автоматическим управлением. В
регулируемом гидроприводе скорость выходного вала может меняться.
Принцип действия гидропривода основан на законе
Паскаля, согласно которому внешнее давление Р, возникающее в результате
воздействия на свободную поверхность жидкости, находящейся в замкнутом объеме ,
передается равномерно во все стороны. Значение давления зависит от величины
силы F, направленной перпендикулярно поверхности поршня S, на которую действует
сила [1].
В современном гидроприводе источником энергии,
создающим движение жидкости, являются насосы, приводимые от ДВС
(преимущественно в мобильных машинах) или от электродвигателя (в стационарных
промышленных установках).
2. КОНСТРУКТОРСКАЯ ЧАСТЬ
.1 Описание конструкции и принципа действия
подъемника
Основной конструкцией является рама подъемника 1
и поворотная рама 2 (см. лист 2, 3 графической части выпускной квалификационной
работы). На раме подъемника на высоте 600 мм от ее основания расположен
рольганг с десятью роликами, по которым движется панель, приводящимися в
движение при помощи мотор-редуктора.
Поворотная рама с горизонтально закрепленной на
ней панелью, совершает поворот на 90°. Поворот осуществляется при помощи трех
гидроцилиндров. Панель закреплена при помощи флажков, работающих от
пневмоцилиндра. Для того, что бы панель ПСК, приняв вертикальное положение, не
терялась и не царапалась о консоль, сходя с подъемника, на поворотной раме
расположены шесть роликов.
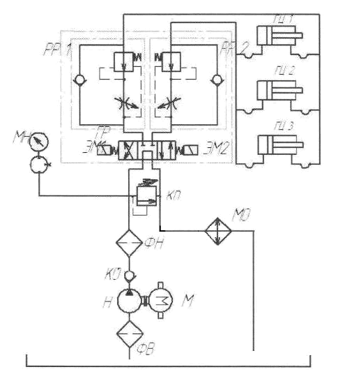
.2 Составление гидравлической схемы привода
подъемника
Составление принципиальной схемы гидропривода
начинаем от гидроцилиндра, то есть наносим на схему гидроцилиндр, затем на его
гидролинии устанавливаем регулирующие и направляющие гидроаппараты. После этого
объединяем напорную, сливную и дренажную линии отдельных участков схемы.
Последним этапом является изображение гидросхемы насоса (Н), размещение
фильтров (ФН, ФВ), предохранительного клапана (КП), обратного клапана (КО),
гидрораспределителя (ГР), регулятора расхода (РР), гидроцилиндров (ГЦ) (рисунок
2.1).
Рисунок 2.1 - Принципиальная гидравлическая
схема
Схема насосной установки окончательно
определяется после выбора ее модели. Необходимо предусмотреть разгрузку насоса
в положении «стоп», что обычно достигается выбором соответствующей схемы
реверсивного распределителя.
Описание принципиальной схемы гидропривода
Гидропривод работает по циклу:
Подъем;
Обратный поворот;
Стоп.
При описании обозначим поршневые полости
гидроцилиндров ПП, штоковые - ШП.
Переключение этапов цикла осуществляется
автоматически с помощью флажков и конечных выключателей. Регулирование скорости
движения механизмов осуществляется с помощью регулятора расхода РР.
.3 Гидравлические расчеты
.3.1 Расчет и выбор исполнительного
гидродвигателя
Определение нагрузочных и скоростных параметров
гидродвигателя
Номинальное усилие на штоке гидроцилиндра
Rmax=19,5 кН.
Наибольшая линейная скорость Vmax=0,04 м/с.
Номинальное давление рном=6,3 МПа.
В нашем случае рабочий орган и выходное звено
гидродвигателя совершают поступательное движение.
Определение геометрических параметров и выбор
гидродвигателя
В качестве исполнительного гидродвигателя
выбираем гидроцилиндр двухстороннего действия с односторонним штоком. Основными
параметрами гидроцилиндра являются диаметры поршня и рабочее давление.
Диаметр поршня гидроцилиндра определяется по
формуле:
, мм, (2.1)
где р1 и р2 - давление
соответственно в напорной и сливной полостях гидроцилиндра, р1= 2/3рном= 4,2
МПа; р2=(0,3….0,9)МПа, принимаем р2=0,6Мпа;
- коэффициенты, которые принимаются
с
учетом выбранной конструкции ГЦ (с
односторонним штоком).
мм.
По полученному значению D из
справочника выбираем стандартный гидроцилиндр, у которого диаметр поршня
Dст>D, Dст=80 мм.
Диаметр штока d2=
.
По справочнику принимаем стандартное
значение, ближайшее большее к расчетному: dст = 40 мм
Основные параметры
гидроцилиндра:ст=80 мм, dст=40 мм, гидроцилиндр с односторонним штоком;
рном. =6,3 МПа.
Обозначение: Гидроцилиндр ГЦО
1-80-40-800 ТУ2-053-1652-83Е.
.3.2 Расчет и выбор насосной
установки
Выбор насосной установки
осуществляется исходя из требуемых расходов жидкости и давления в гидроприводе.
Для гидроцилиндра с односторонним
штоком:
F1ст, л/мин, (2.2)
F2ст, л/мин, (2.3)
где QПmax, QОmax - максимальные
расходы жидкости соответственно при прямом и обратных ходах, л/мин;ст, F2ст -
эффективные площади стандартного гидроцилиндра, соответственно в напорной и
сливной полостях, м2;ДmaxП , VДmaxО - максимальные скорости соответственно при
рабочем ходе и быстром отводе подачи и отводе, м/с;ДmaxП = 0,5Vmax = 0,02 м/c;
VД maxО = 0,04 м/с (по условию).
, м2 (2.4)ст=
.
, м2 (2.5)ст=
.
Определяем максимальные расходы
жидкости QПmax и QОmax, л/мин:
Этап «Подъем»:
Пmax=0,02∙0,00502=0,0001004
м3/с=6,024 л/мин.
На 3 гидроцилиндра QПmax=6,024∙3=18,72
л/мин.
Этап «Обратный поворот»:
Оmax=0,04∙0,00377=0,0001508
м3/с=9,05 л/мин.
На 3 гидроцилиндра QОmax=9,05∙3=27,15
л/мин.
Из полученных значений выбираем
наибольшее.
Номинальная подача насоса должна
превышать расчетное Qном > QОmax.
Потери давления могут быть
определены только после разработки гидропривода, поэтому предварительно выбор
насосной установки производится, приняв:
На основании полученных значений из
справочника выбираем модель насосной установки и насоса: 2Г48-85-2УХЛ
9Г49-33,
где 2 - исполнение по высоте
гидрошкафа, Н=1650 мм;
Г48-85 - обозначение насосной
установки;
- исполнение по вместимости бака, 63
л;
УХЛ - климатическое исполнение;
Г12-24АМ - тип комплектующего
насоса;
А132М6 - тип электродвигателя;
Г49-33 - номер насосного
агрегата;н=53,7 л/мин
Подача насоса данной установки
удовлетворяет условию Qн> Qmax; 53,7>27,15.
.3.3 Расчет и выбор гидроаппаратуры
и трубопроводов
Выбор гидроаппаратуры
Параметрами для выбора
гидроаппаратуры является величина расхода жидкости и рабочего давления в той
линии, где установлен аппарат. Номинальные значения расхода и давления -
ближайшие большие к расчетным значениям. Выбранные аппараты должны
соответствовать заданному способу монтажа, в данном случае - резьбового, а для
гидроблока управления - стыкового и встраиваемого. Выбор аппаратуры производим
из справочника [6, 7].
ГР - гидрораспределитель
ВЕ16.64 (ГОСТ 24679-81)ном. = 80
л/мин; Рном = 25 МПа; Dy = 16 мм
В - гидрораспределитель золотниковый
Е - вид управления: электромагнитное
- диаметр условного прохода
- исполнение по схеме.
РР - регулятор расхода
МПГ55-12Мном. = 25 л/мин; Рном = 6,3
МПа; Dy = 10 мм
М - международные присоединительные
размеры;
П - стыковое присоединение;
Г55-1 - обозначение по
классификатору станкостроения;
- исполнение по диаметру условного
прохода.
КО - клапан обратный
Г51-33 (ТУ2-053-169-83У)ном. = 63
л/мин; Рном = 20 МПа; Dy = 10 мм
КП - клапан предохранительный
-10-2-132 (ТУ2-053-1748-85)ном. =
100 л/мин; Рном = 10 МПа; Dy = 20 мм
- диаметр условного прохода;
- исполнение по номинальному
давлению;
- исполнение по присоединению:
стыковое;
- нормально открытое исполнение с
магнитом переменного тока 220В.
ФН - фильтр напорный
ФГМ 16-25К (ТУ2-053-1778-86)ном. =
100 л/мин; Рном = 16 МПа;
- тонкость фильтрации;
К - коническая резьба ГОСТ6111-52.
ФВ - фильтр всасывающий
ФВСМ 63-80/0,25
(ТУ2-053-1748-85)ном. = 100 л/мин; Рном = 6,3 МПа; Dy = 63 мм
- тонкость фильтрации.
МО - маслоохладитель
МО 0,63 (ТУ2-053-1628-84).
ПМ - переключатель манометра
ПМ2.1-С320 (ТУ2-053-1707-84)
Рном = 32 МПа
М - манометр
МТП-1 (ТУ-25-02-101293-83)
класс точности 1,5.
Расчет и выбор трубопроводов
В качестве трубопроводов принимаем
стальные бесшовные холоднодеформированные трубы по ГОСТ 8734-75.
Внутренний диаметр трубопровода:
, мм, (2.6)
где Q - максимальный расход жидкости
в трубопроводе, м3/с;
- рекомендуемая скорость течения
жидкости в трубопроводе, определяем по СЭВ РС 3644-72, м/с.
Максимально допускаемая толщина стенки
трубопровода:
, мм, (2.7)
где р - максимальное давление
жидкости в трубопроводе;
- предел прочности на растяжение
материала трубопровода:
= 340 МПа;
КБ - коэффициент безопасности,
принимаем КБ = (2…8)=2.
Трубопроводы разбиваем на участки и
производим расчёт для каждого участка.
Напорная линия:
Участок 0-3; 3-28:=53,7 л/мин=0,9∙10-3
м3/с; Рном = 7 МПа;
=3,2 м/с.
м=19мм;
Для данного участка выбираем
стальные бесшовные холоднодеформируемые трубы 22×1 по ГОСТ 8734
-75.
Соединение с развальцовкой:
2-22-К3/4" ОСТ 2 Г93-4-78,
где 2 - конструктивное исполнение на
давление до 16 МПа;
- наружный диаметр трубы dн, мм;
К3/4"-резьба коническая.
т=dн
>19
Проверим толщину стенки:
Участок 3-4:=18,72 л/мин=0,3∙10-3
м3/с; Рном = 7 МПа;
=3,2 м/с.
м=10,9мм;
Для данного участка выбираем
стальные бесшовные холоднодеформируемые трубы 22×1 по ГОСТ 8734
-75.
Соединение с развальцовкой:
2-22-К3/4" ОСТ 2 Г93-4-78,
где 2 - конструктивное исполнение на
давление до 16 МПа;
- наружный диаметр трубы dн, мм;
К3/4"-резьба коническая.
т=dн
>10,9
Проверим толщину стенки:
Напорно-сливная линия:
Участок 5-9:=18,72 л/мин=0,3∙10-3
м3/с; Рном = 7 МПа;
=2 м/с.
м=13,8мм;
Для данного участка выбираем
стальные бесшовные холоднодеформируемые трубы 22×1 по ГОСТ 8734
-75.
Соединение с развальцовкой:
2-22-К3/4" ОСТ 2 Г93-4-78,
где 2 - конструктивное исполнение на
давление до 16 МПа;
- наружный диаметр трубы dн, мм;
К3/4"-резьба коническая.
т=dн
20>13,8
Проверим толщину стенки:
Участки: 8-10; 9-11; 9-12:=6,024
л/мин=0,1∙10-3 м3/с;
=2 м/с.
м=8,1мм;
Для данного участка выбираем
стальные бесшовные холоднодеформируемые трубы 10×0,6 по ГОСТ 8734
-75.
Соединение с развальцовкой:
2-10-К1/2" ОСТ 2 Г93-4-78,
где 2 - конструктивное исполнение на
давление до 16 МПа;
- наружный диаметр трубы dн, мм;
К1/2"-резьба коническая.
т=dн
,8>8,1
Проверим толщину стенки:
Участок 20-16:=9,05 л/мин=0,15∙10-3
м3/с; Рном = 7 МПа;
=2 м/с.
м=9,8мм;
Для данного участка выбираем
стальные бесшовные холоднодеформируемые трубы 12×0,6 по ГОСТ 8734
-75.
Соединение с развальцовкой:
2-12-К3/8" ОСТ 2 Г93-4-78,
где 2 - конструктивное исполнение на
давление до 16 МПа;
- наружный диаметр трубы dн, мм;
К3/8"-резьба коническая.
т=dн
,8>9,8
Проверим толщину стенки:
Участки 15-17; 14-16:=0,005∙10-3
м3/с; Рном = 7 МПа;
=2 м/с.
м=6мм;
Для данного участка выбираем
стальные бесшовные холоднодеформируемые трубы 8×0,6 по ГОСТ 8734
-75.
Соединение с развальцовкой:
2-8-К1/4" ОСТ 2 Г93-4-78,
где 2 - конструктивное исполнение на
давление до 16 МПа;
- наружный диаметр трубы dн, мм;
К1/4"-резьба коническая.т=dн
,8>6
Проверим толщину стенки:
Сливная линия:
Участок 21-22:=6,024 л/мин=0,1∙10-3
м3/с;
=2 м/с.
м=8,1мм;
Для данного участка выбираем
стальные бесшовные холоднодеформируемые трубы 10×0,6 по ГОСТ 8734
-75.
Соединение с развальцовкой:
2-10-К1/2" ОСТ 2 Г93-4-78,
где 2 - конструктивное исполнение на
давление до 16 МПа;
- наружный диаметр трубы dн, мм;
К1/2"-резьба коническая.
т=dн
,8>8,1
Проверим толщину стенки:
Участок 22-27; 29-22:=53,7 л/мин=0,9∙10-3
м3/с; Рном = 7 МПа;
=2 м/с.
м=24мм;
Для данного участка выбираем
стальные бесшовные холоднодеформируемые трубы 28×1 по ГОСТ 8734
-75.
Соединение с развальцовкой:
2-28-К1" ОСТ 2 Г93-4-78,
где 2 - конструктивное исполнение на
давление до 16 МПа;
- наружный диаметр трубы dн, мм;
К1"-резьба коническая.
т=dн
>24
Проверим толщину стенки:
2.4 Разработка конструкции
гидроблока управления и общего вида гидропривода
В гидроблок управления входят
следующие аппараты: гидрораспределитель ГР (ВЕ16.64) и два регулятора расхода
(МПГ55-12М).
Данные аппараты компонуются на
специальном корпусе, к которому прикрепляются посредством стандартных крепёжных
деталей. При проектировании корпуса гидроблока управления обеспечивается
максимальная простота, компактность и технологичность конструкции, удобство
сборки, а также возможность установки его на оборудование (на задней стенке
корпуса предусмотрены резьбовые крепёжные отверстия). Диаметры отверстий в
корпусе соответствуют диаметрам отверстий в аппаратах, которые к нему
присоединяются. Толщина перемычек между отверстиями не превышает 3...5 мм.
На основе компоновки выполняется
сборочный чертеж гидроблока управления, на котором проставляются габаритные,
присоединительные и установочные размеры. На основании сборочного чертежа блока
управления выполняется рабочий чертеж корпуса. Учитывая сложность конструкции
корпуса, отверстия пронумеровываются (обозначаются) и их размеры указываются в
таблице 2.1.
Таблица 2.1 - Параметры отверстий
корпуса гидроблока управления
|
№
отверстия
|
Диаметр
отверстий
|
Резьба
|
Глубина
сверления
|
Номера
соединяемых отверстий
|
|
Р
|
20
|
К
1"
|
51,7
|
Рр
|
|
А
|
20
|
К
1"
|
139
|
АР
|
|
В
|
20
|
К
1"
|
139
|
ВР
|
|
Т
|
20
|
К
1"
|
51,7
|
Тр
|
|
Рр
|
20
|
-
|
45
|
Р
|
|
АР
|
20
|
-
|
52
|
А
|
|
ВР
|
20
|
-
|
52
|
В
|
|
Тр
|
20
|
-
|
82
|
Т
|
2.4.1 Определение потерь давления в аппаратах и
трубопроводах
Определение потерь давления в аппаратах
Потери давления
в
гидроаппаратах определяются по формуле:
(2.8)
где
- давление открывания или настройки
аппарата;
А и В - коэффициенты аппроксимации
экспериментальной зависимости потерь давления в аппарате от расхода жидкости
через него;- расход жидкости через аппарат на данном этапе цикла.
Величина
ро для
обратных клапанов приводится в справочнике, а для напорных, редукционных и переливных
клапанов выбирается при расчете гидродвигателя и насосной установки. Для
распределителей, фильтров и дросселей
р0=0.
Коэффициенты А и В определяются по
формулам:
, (2.9)
, (2.10)
где Qном - номинальный расход
аппарата;
- потери давления в аппарате при
номинальном расходе;
- перепад давления открывания или
настройки аппарата.
Величина
рном для
стандартных гидроаппаратов указывается в справочнике в таблицах основных
параметров.
Гидрораспределитель ГР: Qном=80
л/мин=1,3∙10-3 м3/с,
МПа∙с/ м3
МПа∙с2/ м6
МПа
Регулятор расхода РР: Qном=25
л/мин=0,4∙10-3 м3/с,
МПа∙с/ м3
МПа∙с2/ м6
МПа
Клапан обратный КО: Qном=63
л/мин=1,05∙10-3 м3/с,
МПа∙с/ м3
МПа∙с2/ м6
МПа
Фильтр напорный ФН: Qном. = 100
л/мин=1,67∙10-3 м3/с
МПа∙с/ м3
МПа∙с2/ м6
МПа
Фильтр всасывающий ФВ: Qном. = 100
л/мин=1,67∙10-3 м3/с
МПа∙с/ м3
МПа∙с2/ м6
МПа
Расчет потерь давления в
гидроаппаратах сводим в таблицу 2.2.
Таблица 2.2 - Потери давления в
гидроаппаратах
|
Наименование
и модель аппарата
|
Р0 (МП)
|
А
(МПа∙с/м3)
|
В
(МПа∙с2/м6)
|
Линия
|
Qmax
(м3/с)
|
Рга (МПа)
|
|
Фильтр
напорный ЗФГМ16-25К
|
5,99
|
3585,64
|
Н
|
0,9∙10-3
|
0,00083
|
|
Наименование
и модель аппарата
|
Р0 (МП)
|
А
(МПа∙с/м3)
|
В
(МПа∙с2/м6)
|
Линия
|
Qmax
(м3/с)
|
Рга (МПа)
|
|
Обратный
клапан КО Г51-33
|
0,15
|
47,62
|
45351,47
|
Н
|
0,9∙10-3
|
0,229
|
|
Гидрораспределитель
ВЕ16.64
|
0
|
192,3
|
147928,99
|
Н
|
0,9∙10-3
|
0,292
|
|
Регулятор
расхода МПГ 55-12М
|
0
|
187,5
|
468750
|
Н
|
0,15∙10-3
|
0,039
|
|
Фильтр
Всасывающий ФВСМ63-80/0,25
|
0
|
20,96
|
12549,75
|
С
|
0,9∙10-3
|
0,0029
|
Напорная линия:
МПа
Сливная линия:
МПа
Суммарные потери в гидроаппаратах:
МПа
Определение потерь давления в
трубопроводах
Потери давления по длине
Потери давления по длине обусловлены
вязким трением жидкости при ее течении в трубопроводе. Существенное влияние на
величину этих потерь оказывает режим течения жидкости. Различают два режима:
ламинарный и турбулентный, причем переход из одного режима в другой происходит
при критическом числе Рейнольдса (Reкр).
Поэтому, прежде всего для каждого
трубопровода определяется число Рейнольдса (Re).
Затем сравниваем это число с Reкр:
если Re<Reкр, то режим течения
ламинарный.
Для гладких круглых труб, а так же
для отверстий в корпусе гидроблока управления Reкр =2300, для рукавов Reкр
=1600.
, (2.11)
где
Q - расход жидкости в линии, л/мин;ст - внутренний диаметр стандартной трубы,
мм;- кинематический коэффициент вязкости масла, v= 30 мм2/с (рабочая среда -
минеральное масло ИГП30 р=890 кг/см3).
При
расчете потерь давления трубопроводы разбиваются на участки, имеющие одинаковый
диаметр и расход жидкости. Потери давления
р1i на вязкое трение определяются по
формуле:
, (2.12)
где
ρ
- плотность
рабочей жидкости;
λi -
коэффициент гидравлического трения на i-м участке;
Для
гладких цилиндрических трубопроводов коэффициент λi
определяется по формулам:
при
ламинарном режиме
λi=64/Rei
при
турбулентном режиме
λi=0,3164/(Rei
)0,25,
где
Rei - число Рейнольдса на i-м участке.
Расчет
производится при быстром подводе при максимальных значениях расхода жидкости на
данном этапе для сливной и напорной линии.
Произведем
расчет для участка 0-3:
Определяем
число Рейнольдса по формуле 2.11:
Определим
режим течения жидкости
,4
< 2300, значит ламинарный режим (Re< Re кр.).
Находим
коэффициент гидравлического трения:
Потери
по длине для напорного участка 0-3 равны:
Для
остальных участков трубопровода расчет производим аналогично. Результаты
расчетов сводим в таблицу 2.3.
Таблица
2.3 - Потери давления по длине
Линия Qmax
∙10-3, м3/с Участок dст ∙10-3, м fст;
∙10-6,м2 U, м/с Rei λi Li,
м
Р1i,
|
Па
|
|
|
Н
|
0,9
|
0-3
|
20
|
490
|
3,2
|
1897,4
|
0,0337
|
0,56
|
1416,579
|
|
0,9
|
3-28
|
20
|
490
|
|
1897,4
|
0,0337
|
0,32
|
809,474
|
|
0,3
|
3-4
|
20
|
490
|
|
636
|
0,1
|
0,32
|
266,89
|
|
Н-С
|
0,3
|
5-9
|
20
|
490
|
2
|
636
|
0,1
|
13,5
|
11259,37
|
|
0,1
|
8-10
|
8,8
|
490
|
|
481,81
|
0,133
|
13,5
|
3781,56
|
|
0,1
|
9-11
|
8,8
|
490
|
|
481,81
|
0,133
|
0,16
|
44,82
|
|
0,1
|
9-12
|
8,8
|
490
|
|
481,81
|
0,133
|
0,84
|
235,3
|
|
0,15
|
20-16
|
10,8
|
490
|
|
588,89
|
0,109
|
11,2
|
4713,8
|
|
0,005
|
15-17
|
6,8
|
490
|
|
31,18
|
2,05
|
11,2
|
156,45
|
|
0,005
|
14-16
|
6,8
|
490
|
|
31,18
|
2,05
|
0,3
|
4,19
|
Линия Qmax
∙10-3, м3/с Участок dст ∙10-3, М fст;
∙10-6,м2 U, м/с Rei λi Li,
м
Р1i,
|
Па
|
|
|
С
|
0,1
|
21-22
|
8,8
|
490
|
2
|
481,81
|
0,133
|
1,25
|
350,14
|
|
0,9
|
22-27
|
26
|
490
|
|
1459,54
|
0,044
|
1,25
|
3175,72
|
|
0,9
|
29-22
|
26
|
490
|
|
1459,54
|
0,044
|
0,3
|
762,17
|
Местные потери давления
Местные потери давления складываются из потерь в
различных местных сопротивлениях и определяются по формуле:
, (2.13)
где ζj -
коэффициент j-го местного сопротивления;м - число местных сопротивлений;стj -
площадь внутреннего сечения трубопровода перед j-м сопротивлением.
Коэффициент ζj
определяется по справочнику. Например для участка
-28 существуют следующие местные
сопротивления:
;
резкое сужение 25/20
;
тройник
;=1,2∙10-3
м3/с
.
Для остальных участков трубопровода
расчет производим аналогично. Результаты расчетов сводим в таблицу 2.4.
Таблица 2.4 - Местные потери
давления
Линия Qmax ∙10-3
м3/с Учас-ток fст ∙10-6 м2 Вид
местного сопротивления Кол -во ζi Σζi
Рм,
Н 1,2 0-3
3-28 3-4 490 Изгиб трубы
Тройник
Резкое
сужение (d25/ d19 )
Изгиб трубы
Резкое
сужение (d25/ d20 )2
,5
,9
,15
,5
Н-С 1,055 5-9
8-10 9-11 9-12 20-16 15-17 14-16 490 Изгиб трубы
Изгиб трубы
Резкое
сужение (d25/ d20)
Резкое
расширение (d20/ d25)
Тройник 4
,5
,5
,15
,5
С 1,055 21-22
22-27 29-22 490 Изгиб трубы
Вход в
емкость2
,5
Суммарные потери в линиях сводим в таблицу 2.5.
Таблица 2.5 - Суммарные потери в линиях
Ргас,
МПа
Рган,
МПа
Рlс,
МПа
Рlн,
МПа
Рмс,
МПа
Рмн,
|
МПа
|
|
|
|
|
|
|
0,0029
|
0,56083
|
0,004252
|
0,022452
|
0,0039
|
0,018
|
Просуммируем потери давления в напорной и
сливной линиях:
МПа,
МПа.
По результатам расчёта уточняется
расчёт и выбор насосной установки по давлению по следующей формуле:
, (2.14)
.
Условие выполняется, значит,
принятая ранее насосная установка обеспечивает требуемое давление.
3. ТЕХНОЛОГИЧЕСКАЯ ЧАСТЬ. РАЗРАБОТКА
ТЕХНОЛОГИИ ИЗГОТОВЛЕНИЯ ОДНОЙ ИЗ ДЕТАЛЕЙ ПОДЪЕМНИКА
Широкое применение гидроприводов в
станкостроении позволяет упростить кинематику станков, снизить металлоемкость,
повысить надежность, точность и уровень автоматизации. Другим преимуществом
гидропривода является возможность получения больших усилий и мощностей при
сравнительно малых размерах гидродвигателей. Гидроприводы обеспечивают широкий
диапазон бесступенчатого регулирования скорости движения приводов, возможность
работы в динамических режимах с требуемым качеством переходных процессов,
защиту системы от перегрузок и точный контроль действующих усилий.
Стыковой монтаж гидроаппаратуры с
использованием гидроплит позволяет значительно сократить потери давления в
трубопроводах, уменьшить габариты привода, упростить настройку и обслуживание
как всего приводов целом, так и его составных частей [4].
.1 Анализ исходных данных и
обработка на технологичность
Разрабатываемый корпус гидроблока,
применяющийся для соединения распределителя и регуляторов расхода в один блок
управления. Проектируемая деталь должна быть очень точной: отверстия каналов на
корпусе должны точно совпадать с каналами на гидроаппаратах, присоединительные
плоскости должны быть хорошо отшлифованы, так как утечки не допустимы.
Корпус является телом прямоугольной
формы, имеющим отверстия, дополнительные крепежные отверстия параллельные оси.
Наиболее сложными и точными являются
поверхности, на которых устанавливаются гидроаппараты.
Данные о материале детали приведены
в таблице 3.1.
Таблица 3.1 - Химический состав
стали 35 (ГОСТ 1050-74)
|
С,%
|
Si,
%
|
Мn,
%
|
S,%
|
Р,%
|
Ni,
%
|
Сr,
%
|
|
|
|
не
более
|
|
0,32-0,4
|
0,17-0,37
|
0,50-0,80
|
0,045
|
0,035
|
0,25
|
0,25
|
В материале не допускаются пористость и
раковины. Содержание примесей и неметаллических включений должно быть
минимальным. Механические свойства приведены в таблице 3.2.
Таблица 3.2 - Механические свойства стали 35
|
σт
|
σвр
|
σ %
|
ѱ
|
Ан
|
НВ
не более
|
|
|
|
%
|
Дж/см
|
горячекатаная
|
отоженная
|
|
Не
менее
|
|
|
|
|
320
|
540
|
20
|
45
|
70
|
207
|
-
|
Изделие является технологичным, если оно
удовлетворяет следующим требованиям:
обрабатывается на высокопроизводительном
оборудовании;
обрабатываемые поверхности легкодоступны;
совпадают технологические и измерительные базы;
характеристики станков позволяют получить детали
с заданными отклонениями;
есть возможность непосредственного измерения
заданных на чертеже размеров;
на изделии отсутствуют конструктивные элементы,
вызывающие коробления, изменение формы.
Корпус гидропблока имеет простую геометрическую
форму (прямоугольник) с глухими и сквозными отверстиями, оси которых
параллельны осям симметрии. Это позволяет применять высокопроизводительные
методы обработки. К таким методам можно отнести:
одновременное фрезерование нескольких деталей,
набранных в пакет;
сверление отверстий на станках с ЧПУ.
Следовательно, деталь удовлетворяет основным
требованиям технологичности. Нетехнологичным является лишь сверление отверстия
с выходом инструмента в другое отверстие. Такой выход сверла может привести к
уводу сверла от оси отверстия и поломке инструмента.
.2 Выбор типа производства
Исходные данные:
годовая программа - 3000 шт.;
режим работы предприятия - двухсменный.
Действующий годовой фонд времени работы
оборудования определим по формуле:
, час., (3.1)
где
Fd - действующий годовой фонд времени работы оборудования, час;- количество
календарных дней в году, D=365 дней; - количество нерабочих дней, d=l 13 дней;
- продолжительность смены, h=8 часов;- количество смен в сутки (режим работы
предприятия), S=2;
Кр
- коэффициент планируемых потерь рабочего времени, Кр=0,97.
Тогда:
час.
Воспользуемся
укрупненным методом расчета норм штучно-калькуляционного времени,
предварительно принимаем следующий технологический маршрут:
фрезерование;
сверление
и резьбонарезание;
шлифование.
Штучно-калькуляционное
время определяется по формуле[11]:
, мин.,
(3.2)
где
Тшт.к. - штучно-калькуляционное время, мин;
φк -
коэффициент штучно-калькуляционного времени;
Т0
- основное технологическое время, определяемое по приближенной методике
получения норм времени по обрабатываемой поверхности. Определяем основное
технологическое время по маршруту техпроцесса.
.
Фрезерование черновое цилиндрической фрезой:
=7∙L∙10-3,
мин., (3.3)
где
Т0 - основное технологическое время операции, мин;- длина обрабатываемой
поверхности, мм.
То=7∙(300+153+139)∙2∙10-3=8,28
мин.
Коэффициент
штучно-калькуляционного времени φк для операции равен 1,84
следовательно:
мин.
2.
Сверление отверстий:
=0,52∙d∙L∙10-3,
мин., (3.4)
где
Т0 - основное технологическое время операции, мин;- диаметр отверстия, мм;-
глубина отверстия, мм.
(
+35∙4
)∙10-3=16,53
мин.
Нарезание
резьбы метчиком в отверстии:
=0,4∙d∙L∙10-3,
мин., (3.5)
где
Т0 - основное технологическое время операции, мин;- диаметр резьбы, мм;-
глубина резьбы, мм.
мин.
Общее
основное технологическое время равно сумме времени по операциям:
мин.
Коэффициент
штучно-калькуляционного времени φк для данной операции равен
1,72 следовательно:
мин.
.
Шлифование плоскостей торцом шлифовального круга:
=2,5∙L∙10-3,
мин., (3.6)
где
Т0 - основное технологическое время операции, мин;- длина обрабатываемой
поверхности, мм.
То=2,5∙300∙2∙10-3=1,5
мин.
Коэффициент
штучно-калькуляционного времени φк для данной операции равен
2,1 следовательно:
мин.
Количество
станков на каждую операцию определяем по формуле:
, (3.7)
где
Ср - количество станков на каждую операцию;- годовая программа выпуска деталей,
шт., N=3000 шт.;
Тшт.к.
- штучно-калькулятивное время операции, мин;- действующий годовой фонд времени
работы оборудования, час;
Так
для фрезерования получим:
;
При
расчетном значении Ср равном 0,23 станков, принимаем количество рабочих мест Р
равным 1.
Фактический
коэффициент загрузки рабочего места определяем по формуле:
η
зо=Ср/Р=0,23/1=0,23 (3.8)
Количество
операций, выполняемое на рабочем месте, определяем по формуле:
(3.9)
Результаты
расчетов представлены в таблице 3.3.
Таблица
3.3 - Расчеты по операциям
|
№
п/п
|
Операция
|
ТО
мин
|
Фк
|
ТШТ.К.
мин
|
СР
|
Р
|
ηзф
|
О
|
|
1
|
Фрезерование
|
8,28
|
1,84
|
15,23
|
0,23
|
1
|
0,15
|
4
|
|
2
|
Сверление
и резьбонарезание
|
44,73
|
1,72
|
76,9
|
0,169
|
1
|
0,169
|
5
|
|
3
|
Шлифование
|
1,5
|
2,1
|
3,15
|
0,031
|
1
|
0,031
|
27
|
|
∑
|
|
|
|
|
|
3
|
|
38
|
Коэффициент закрепления операций определяется по
формуле:
Кзо=∑О/∑Р=38/3=12,6 (3.10)
Так как Кзо>10, то производство данной детали
относится к мелкосерийному производству.
.3 Выбор заготовки
Метод выполнения заготовок для деталей машин
определяется назначением и конструкцией детали, материалом, техническими
требованиями, масштабом и серийностью выпуска, а также экономичностью
изготовления. Главным при выборе заготовки является обеспечение заданного
качества готовой продукции при ее минимальной себестоимости. Частично вопрос
выбора заготовки решается конструктором при проектировании детали [4].
Для рационального выбора заготовки необходимо
одновременно учитывать все перечисленные выше исходные данные, так как они
тесно взаимосвязаны. Окончательное решение можно принять только после
экономического комплексного расчёта себестоимости заготовки и механической
обработки на её изготовление.
материал Сталь 35;
масса детали 5,9 кг;
годовая программа выпуска 3000 шт.
Сравним два варианта получения заготовки: первый
- деталь сделана из проката, второй - деталь сделана из отливки.
Себестоимость заготовки определяется по формуле:
заг=М+∑Соз, руб., (3.11)
где М - затраты на материал заготовки, руб.;
∑Соз - технологическая себестоимость
операции отрезки, руб.
, руб., (3.12)
где Q - масса заготовки, кг;- цена 1
кг материала заготовки, руб.;- масса заготовки детали, кг;ОТХ - цена 1т
отходов, руб.
Следовательно:
ЗАГ=6,5∙5,9-(6,5-5,9)∙26/1000=1,908
руб.
Определяем технологическую
себестоимость операции отрезки:
, руб., (3.13)
где Спз - приведенные затраты при
резке на отрезных станках дисковыми пилами, Спз=120 руб./час;
Тшт.к. - штучно-калькулятивное время
при отрезке, Тшт.к = 4 мин.
Следовательно:
руб.,
Тогда:
ЗАГ=1,908+0,08=1,988 руб.
Стоимость заготовки по второму
варианту определим по формуле:
, руб., (3.14)
где Q - базовая стоимость 1 т
заготовки, руб.;- масса заготовки, кг;
Кт - коэффициент точности, Кт=1,05
(по II Кл. точности);
Кс - коэффициент сложности, Кс=1;
Кв - коэффициент массы отливок,
Кв=0,87;
Км - коэффициент массы заготовок,
Км=1,22;
Кп - коэффициент объема производств,
Кп=1.
руб.
Отсюда стоимость заготовки S11ЗАГ,
полученной по второму варианту (из отливки) равна 4,84 рубля.
Поскольку различий в механической обработке
по обоим вариантам нет, то годовой экономический эффект от выбора того или
иного варианта получения заготовки можно определить по формуле:
Эг=( S11ЗАГ-
S1ЗАГ)∙N,
руб.,
(3.15)
Эг=(4,84-1,988)∙2000=5704 руб.
Основываясь на полученном годовом
экономическом эффекте равном 5704 рублям, в качестве заготовки для плиты
гидропривода выбираем заготовку из проката. Эскиз заготовки представлен на
рисунке 3.1.
Рисунок 3.1 - Эскиз заготовки
.4 Выбор плана обработки детали
Технологический процесс обработки
детали предусматривает несколько стадий. Если рассматривать данный процесс в
укрупненном плане, то необходимо выделить черновую обработку и окончательную
(абразивную) обработку. Каждая из этих стадий разбивается на необходимое
количество технологических операций.
В описании технологического процесса
не указываются такие операции как смазка, упаковка, нанесение специальных
покрытий[9].
Можно предложить следующий порядок
операций технологического процесса:
Фрезерная обработка.
Сверлильная обработка.
Шлифование.
К окончательным технологическим
операциям следует отнести упаковочную операцию.
В соответствии с порядком операций
можно предложить следующий технологический маршрут обработки, который приведен
в таблице 3.4.
Таблица 3.4 - План обработки детали
|
№
|
Наименование
операций и переходов
|
Норма
времени, мин
|
|
1.
|
Фрезерная
обработка
|
15,23
|
|
1.1.
|
Фрезеровать
6 поверхностей предварительно
|
|
|
1.2.
|
Фрезеровать
6 поверхностей окончательно
|
|
|
2.
|
Сверлильная
|
76,9
|
|
2.1.
|
Сверлить
4 отверстия Ø 20
|
|
|
2.2.
|
Сверлить
4 отверстия Ø 8,4
|
|
|
2.3.
|
Сверлить
4 отверстия Ø 20
|
|
|
2.4.
|
Сверлить
8 отверстий Ø 8,4
|
|
|
2.5.
|
Сверлить
4 отверстия Ø 20
|
|
|
2.6.
|
Развернуть
4 отверстия Ø 28,5
|
|
|
2.7.
|
Сверлить
4 отверстия Ø 10,1
|
|
|
2.8.
|
Сверлить
отверстие Ø 20
|
|
|
2.9.
|
Развернуть
отверстия Ø 28,5
|
|
|
2.10.
|
Нарезать
резьбу М10 в 4 отверстиях
|
|
|
2.11.
|
Нарезать
резьбу М10 в 8 отверстиях
|
|
|
2.12.
|
Нарезать
резьбу К 1” в 4 отверстиях
|
|
|
2.13.
|
Нарезать
резьбу M12 в 4 отверстиях
|
|
|
2.15.
|
Нарезать
резьбу К 1”
|
|
|
3.
|
Плоское
шлифование
|
3,15
|
|
3.1
|
Шлифовать
поверхность
|
|
|
Итого:
|
100
|
.5 Выбор и расчет припусков на обработку
припуск гидроблок деталь станок
Выбор и расчет припусков на обработку
производится расчетно-аналитическим методом. Учитывая форму заготовки и
требования к качеству поверхности. Схемы установки заготовки при фрезеровании и
шлифовании приведены на рисунке 3.2.
Рисунок 3.2 - Схемы установки заготовки
-2 - плоскости размером 300x300;
- 4 - плоскости размером 153x139;
- 6 - плоскости размером 300x139.
Исходные данные: деталь - плита гидропривода,
заготовка прокат, приспособление - пневмотиски.
Рассчитаем припуски на поверхности 1 - 2.
Суммарное значение пространственных отклонений для заготовки данного типа
определяется по формуле[8]:
(3.16)
где ρсм - смятие,
ρсм = 0,5 мм=
500мкм;
ρкор - коробление, ρкор = 300∙0,3
= 90 мкм;
мкм.
Остальные пространственные
отклонения:
после предварительного фрезерования:
ρ1 = 95 мкм;
после окончательного фрезерования: ρ2 = 65 мкм;
после однократного шлифования: ρ3 = 36 мкм.
Для расчета минимальных значений припусков
применяется формула:
2Zmin=2·(Rzi-1+Ti-1+√(ρ²i-1+E²i)),
мкм;
(3.17)
Следовательно:
Zmin=2·(150+150+508) = 2·808 мкм;
Zmin=2·(50+50+95) = 2·195 мкм;
Zmin=2·(30+30+65) = 2·125 мкм.
Расчетный размер dp определяем
начиная с конечного (чертежного) размера:
= 139 + 0,25= 139,25 мм;= 139,25 +
0,39= 139,64мм;= 139,64 + 1,604= 141,244 мм.
Предельные значения припусков Zпрmax
определяем как разность наибольших предельных размеров, а Zпрmin - как разность
наименьших предельных размеров предшествующего и выполняемого переходов:
Zпрmax3 =139,36 - 139,25 = 0,335 мм
= 335 мкм;
Zпрmax2 =139,86 - 139,36 = 0,5 мм =
500 мкм;
Zпрmax1 =141,456 - 139,86 =2,586 мм
= 2586 мкм;
Zпрmin3 =139,25 - 139,0 = 0,25 мм =
250 мкм;
Zпрmin2 =139,64 - 139,25 = 0,39 мм =
390 мкм;
Zпрmin1 =141,244 - 139,64 = 1,604 мм
= 1604 мкм.
Результаты расчетов сводим в таблицу
3.5.
Таблица 3.5 - Припуски и предельные
размеры на обработку поверхности
|
Технологические
переходы обработки поверхности
|
Элементы
припуска, мкм
|
Расчетный
припуск, 2zmin
|
Расчетный
размер dp, мм
|
Допуск
δ,
мкм
|
Предельный
размер, мм
|
Предельные
значения припусков, мкм
|
|
Rz
|
T
|
ρ
|
|
|
|
dmin
|
dmax
|
2zminпр
|
2zmaxпр
|
|
Заготовка
|
150
|
150
|
508
|
|
141,244
|
1200
|
141,44
|
141,25
|
|
|
|
Фрезерование:
предварительное
|
50
|
50
|
95
|
2*808
|
139,64
|
220
|
139,86
|
139,64
|
1604
|
2568
|
|
Окончательное
|
30
|
30
|
65
|
2*195
|
139,25
|
110
|
139,36
|
139,25
|
390
|
500
|
|
Шлифование
однократное
|
10
|
20
|
36
|
2*125
|
139,00
|
25
|
139,25
|
139,0
|
250
|
335
|
|
Итого:
|
|
|
|
|
|
|
|
|
2244
|
3403
|
После корректировки предельных размеров и
припусков получим:
заг = 143 мм;заг = dmax заг
- δ заг = 143 - 1,2 = 141,8 мм;
Zпрmin = dmax заг - dmin черн = 141,80 - 139,64
=1,16 мм = 1160 мкм;
Zпрmax = dmax заг - dmax черн = 143,00 -
139,86мм = 3,14 мм = 3140 мкм.
.6 Выбор оборудования
Выбор оборудования (моделей металлорежущих станков)
осуществляется на основании таких данных, как вид обработки, точность
обрабатываемых поверхностей, расположение обрабатываемых поверхностей
относительно технологических баз, габаритных размеров и массы заготовки,
количество инструментов в наладке станка, обеспечение заданной
производительности, тип производства. [10]
Выбранное оборудование и его основные параметры
приведены в таблице 3.6.
Таблица 3.6 - Оборудование
|
№
опер.
|
Наименование
операции
|
Станок
|
Основные
технические характеристики станка
|
|
1
|
Фрезерная
обработка
|
Вертикально
-фрезерный станок с ЧПУ 6Р11
|
Размеры
стола: длина1600 мм ширина400 мм Расстояние от оси шпинделя до вертикальных
направляющих станка………………500 мм Расстояние от торца шпинделя до стола
……………………………………..…70-450мм Наибольший ход стола: продольный1000 мм
поперечный.400 мм Наибольший ход ползуна150 мм Вертикальный ход стола580 мм
Диапазон скоростей вращения шпинделя …………………………………40-2000 об/мин Число
скоростей18 Диапазон подач стола, салазок, ползуна
………..……………………….20-1200мм/мин Скорость быстрого хода ………..4800мм/мин
Дискретность перемещений…………0,01 мм Мощность главного привода………… 7,5 кВт
|
|
2
|
Сверлильная
обработка
|
Сверлильный
станок с ЧПУ 2Р135Ф2
|
Наибольший
диаметр сверления……….35 мм Размер рабочей поверхности
стола……………………………….630x400 мм Наибольшее расстояние от торца шпинделя до
стола……………………………………600 мм Наибольший ход стола: продольный (X)560 мм
поперечный (Y)360 мм Наибольший ход револьверного суппорта
(Z,R)……………………………………..560 мм Количество скоростей шпинделя …………12 Пределы
скоростей шпинделя..32-1400 об/мин Количество рабочих подач…………………18 Пределы
рабочих подач……….10-500мм/мин Скорость перемещения стола…………………………500,3800
мм/мин Скорость быстрого перемещения суппорта………………………….4000 мм/мин
Дискретность перемещений…………. 0,01 мм Мощность главного привода……………4 кВт
|
.7 Выбор режущих инструментов
Выбор режущих инструментов осуществляется в
зависимости от метода обработки, формы и размеров обрабатываемой поверхности,
ее точности и шероховатости, обрабатываемого материала, заданной производительности
и периода стойкости инструментов. Режущие инструменты, в особенности, для
автоматизированного производства, станков с ЧПУ, должны обладать высокой
режущей способностью (стабильной размерной стойкостью при высоких режимах
резания), обеспечить возможность быстрой и удобной замены, подналадки в
процессе обработки, формировать транспортабельную стружку и отводить ее от зоны
обработки без нарушения нормальной (безостановочной) работы оборудования.
Выбранные инструменты для обработки заданной
детали сведены в таблицу 3.7.
Таблица 3.7 - Режущие инструменты
|
№
|
Наименование
операций и переходов
|
Наименование
режущего инструмента
|
Материал
|
Регламентирующий
документ
|
|
1.
|
Фрезерная
обработка
|
|
|
|
|
1.1.
|
Фрезеровать
6 поверхностей предварительно
|
Фреза
торцевая
|
Т15К6
|
ГОСТ
1672-80
|
|
1.2.
|
Фрезеровать
6 поверхностей окончательно
|
Фреза
торцевая
|
Т15К6
|
ГОСТ
1672-80
|
|
2.
|
Сверлильная
|
|
|
|
|
2.1.
|
Сверлить
4 отверстия Ø 20
|
Сверло
спиральное Ø 20
|
Р6М5
|
ОСТ
2020-1-80
|
|
2.2.
|
Сверлить
4 отверстия Ø 8,4
|
Сверло
спиральное Ø 8,4
|
Р6М5
|
ОСТ
2020-1-80
|
|
2.3.
|
Сверлить
4 отверстия Ø 20
|
Сверло
спиральное Ø 20
|
Р6М5
|
ОСТ
2020-1-80
|
|
2.4.
|
Сверлить
8 отверстий Ø 8,4
|
Сверло
спиральное Ø 8,4
|
Р6М5
|
ОСТ
2020-1-80
|
|
2.5.
|
Сверлить
4 отверстия Ø 20
|
Сверло
спиральное Ø 20
|
Р6М5
|
ОСТ
2020-1-80
|
|
2.6.
|
Развернуть
4 отверстия Ø 28,5
|
Развертка
|
Р6М5
|
ГОСТ
1672-80
|
|
2.7.
|
Сверлить
4 отверстия Ø 10,1
|
Сверло
спиральное Ø 10,1
|
Р6М5
|
ОСТ
2020-1-80
|
|
2.8.
|
Сверлить
отверстие Ø 20
|
Сверло
спиральное Ø 20
|
Р6М5
|
ОСТ
2020-1-80
|
|
2.9.
|
Развернуть
отверстие Ø 28,5
|
Развертка
|
Р6М5
|
ОСТ
2020-1-80
|
|
2.10.
|
Нарезать
резьбу М10 в 4 отверстиях
|
Метчик
M10x1,25
|
Р6М5
|
ОСТ
2052-1-74
|
|
2.11.
|
Нарезать
резьбу М10 в 8 отверстиях
|
Метчик
M10x1,25
|
Р6М5
|
ОСТ
2052-1-74
|
|
2.12.
|
Нарезать
резьбу К 1” в 4 отверстиях
|
Метчик
|
Р6М5
|
ОСТ
2052-1-74
|
|
2.13.
|
Нарезать
резьбу M12 в 4 отверстиях
|
Метчик
М12х1,25
|
Р6М5
|
ОСТ
2052-1-74
|
|
2.14.
|
Метчик
|
Р6М5
|
ОСТ
2052-1-74
|
|
3.
|
Плоское
шлифование
|
Шлифовальный
круг ПП 25А40
|
СМ15К7
|
ГОСТ
2424-83
|
3.8 Выбор вспомогательных инструментов
Выбор вспомогательных инструментов осуществлялся
по возможности из числа стандартных или типовых. Критерием выбора является вид
механической обработки, точность обработки поверхности, габаритные размеры и
масса заготовки, тип станка, расположение поверхности по отношению к
технологическим базам.
Необходимые инструменты представлены в таблице
3.8.
Таблица 3.8 - Вспомогательные инструменты
|
№
|
Наименование
операций и переходов
|
Наименование
инструментального приспособления
|
Регламентирующий
документ
|
|
1.
|
фрезерная
|
|
|
Фрезеровать
поверхность
|
Патрон
1-30-7-100
|
ГОСТ
26539-85
|
|
2.
|
Сверлильная
|
|
|
Сверлить
отверстия
|
Втулки
переходные с хвостовиком конусностью 7-24 и конусом Морзе к станкам с ЧПУ
|
ГОСТ
6100-0141 ГОСТ 13598-85
|
|
3.
|
Шлифовальная
|
|
|
Шлифовать
поверхность
|
Оправка
центровая 7170- 0389-390
|
ГОСТ
16211-71
|
.9 Выбор станочных приспособлений
Станочные приспособления (СП) применяют для
установки заготовок на металлорежущие станки. Обоснованное применение СП
позволяет получать высокие технико-экономические показатели. Трудоемкость и
длительность цикла технологической подготовки производства, себестоимость
продукции можно уменьшить за счет применения стандартных систем СП, сократив
трудоемкость, сроки и затраты на проектирование и изготовление СП.
Точность обработки деталей по параметрам
отклонений размеров, формы и расположения поверхностей увеличивается (в среднем
на 25-40 %) за счет применения СП точных, надежных, обладающих достаточной
собственной и контактной жесткостью, с уменьшенными деформациями заготовок и
стабильными силами их закрепления.
Применение СП позволяет обоснованно снизить
требования к квалификации станочников основного производства (в среднем на
разряд), объективно регламентировать длительность выполняемых операций и
расценки, расширить технологические возможности оборудования [14].
Необходимые станочные приспособления
представлены в таблице 3.9.
Таблица 3.9 - Станочные приспособления
|
№
|
Наименование
операции
|
Наименование
приспособления
|
Обозначение
и регламентирующий документ
|
|
1.
|
Фрезерная
|
Тиски
7200-0227
|
ГОСТ
14904-80
|
|
2.
|
Шлифовальная
|
Тиски
7200-0227
|
ГОСТ
14904-80
|
.10 Выбор средств измерения и контроля размеров
Выбор средств измерения и контроля производится
для всех контролируемых параметров на каждой операции технологического
процесса, на основании точности обрабатываемых поверхностей; выбранного
инструмента; технологических допусков на размеры и т.д.
Средства измерения и их метрологические
характеристики приведены в таблице 3.10,
где: L - предел измерения;
С - цена деления;
А - погрешность.
Таблица 3.10 - Средства измерения
|
Наименование
операций и переходов
|
Наименование
средства измерения
|
Метрологическая
характеристика
|
|
1
.Фрезерная обработка
|
|
|
1.1.
Фрезеровать 6 поверхностей предварительно
|
Штангенциркуль
с цифровым отсчетом модель 197
|
L
= 0-150 С = 0,01 А = ±0,08
|
|
1.2.
Фрезеровать 6 поверхностей предварительно
|
Штангенциркуль
с цифровым отсчетом модель БВ-6265
|
L
= 0-300 С = 0,01 А = ±0,03
|
|
2.
Сверлильная обработка
|
|
|
2.1.
Сверлить 4 отверстия Ø 20
|
Пробка
Ø 20 Н12
|
D=20,
точность 12 квалитет
|
|
2.2.
Сверлить 4 отверстия Ø 8,4
|
Пробка
Ø 8,4 Н12
|
D=8,4,
точность 12 квалитет
|
|
2.3.
Сверлить 4 отверстия Ø 20
|
Пробка
Ø 20 Н12
|
D=20,
точность 12 квалитет
|
|
2.4.
Сверлить 8 отверстия Ø 8,4
|
Пробка
Ø 8,4 Н12
|
D=8,4,
точность 12 квалитет
|
|
2.5.
Сверлить 4 отверстия Ø 20
|
Пробка
Ø 20 Н12
|
D=20,
точность 12 квалитет
|
|
2.6.
Развернуть 4 под коническую резьбу К1”
|
Пробка
коническая
|
точность
12 квалитет
|
|
2.7.
Сверлить 4 отверстия Ø 10,1
|
Пробка
Ø 10,1 Н12
|
D=
10,1, точность 12 квалитет
|
|
2.8.
Сверлить 4 отверстия Ø 20
|
Пробка
Ø 20 Н12
|
D=20,
точность 12 квалитет
|
|
2.9.
Развернуть под коническую резьбу К1”
|
Пробка
коническая
|
точность
12 квалитет
|
|
2.10.
Нарезать резьбу М10
|
Пробка
резьбовая М10Н7
|
точность
7 квалитет
|
|
2.11.
Нарезать резьбу M10
|
Пробка
резьбовая М10Н7
|
точность
7 квалитет
|
|
2.12.
Нарезать резьбу К1”
|
Пробка
резьбовая К1”
|
точность
7 квалитет
|
|
2.13.Нарезать
резьбу М12
|
Пробка
резьбовая М12Н7
|
точность
7 квалитет
|
|
2.14.Нарезать
резьбу К1”
|
Пробка
резьбовая К1”
|
точность
7 квалитет
|
|
3.
Шлифовальная
|
|
|
|
3.1.Шлифовать
поверхность
|
Профилограф-профилометр
А1, 252 ГОСТ 19299-73
|
Увеличение
кратности 200-100000 Диапазон изменения профилографом 0,02- 250 мкм.
|
.11 Выбор режимов резания
Режимы резания - это управляемые параметры
(факторы). К режимам резания относятся [12]:
глубина резания,
подача при резании,
скорость резания,
которые зависят от вида обработки.
Существует главное движение - движение, на
которое затрачивается наибольшее количество энергии. Движение подачи как бы
обслуживает главное движение.
Для наиболее простых видов обработки, таких как
токарная, сверлильная, фрезерная определяется определенный нормированный
порядок режимов резания:
Глубина
Подача
Скорость
Глубина резания при однопроходной обработке,
которая является предпочтительной, определяется величиной максимального
припуска. Кроме того она определяется величиной режущей кромки инструмента и
точностью обработки. Также глубина резания определяется ограничением мощности
двигателя.
Подачу назначают максимально допустимую для
заданных режимов обработки - разрешаемая заданной точностью обработки и
заданной шероховатостью поверхности, обрабатываемым материалом. И глубина, и
подача влияют на силы резания (Глубина х Подача = Площадь сечения срезанного
слоя).
Скорость резания определяется либо по типовым
значениям, принятым для данного типа обработки, либо рассчитывается с учетом
стойкости инструмента и с учетом выбранных глубины и подачи.- глубина резания-
подача при резании- скорость резания
(3.18)
где Сv - начальное условие
(эмпирический коэффициент); - период стойкости инструмента - время непрерывной
работы.
Обычно 60, 90, 120, 240, 480 мин;-
глубина резания, мм;- подача при резании в мм/об, мм/зуб;, x, y - эмпирические
показатели степени, обычно не более 1, m=1;=0,7-0,5, y = 0,3;- общий
поправочный, коэффициент
Типовыми режимами резания являются
следующие:
Черновая обработка V= 100 м/мин;
Чистовая обработка V= 130 м/мин;
Сверление V= 25 м/мин.
Скорость вращения шпинделя
определяется по формуле:
, м/мин (3.19)
и округляется до стандартных
скоростей, поддерживаемых выбранными станками.
Черновая обработка S0= 0.2-0.3
мм/об;
Чистовая обработка S0= 0,02-0,1
мм/об;
Сверление S0= 0,01∙Dmax мм/об.
Фактическая подача определяется по
формуле:
=S0∙nф, мм/мин (3.20)
и округляется до стандартных подач,
поддерживаемых выбранными станками.
Рассчитаем режимы резания для
фрезерной операции.
При наружном продольном точении
проходными резцами, с материалом режущей части Т15К6 по справочным таблицам
назначаем:
Сv=12;= 200 мм - диаметр фрезы.
Показатели степени:=0,13; yv=0,25;
m=0,26; dv=0,3; Uv=0; Pv=0/
Общий поправочный коэффициент
определяем по формуле:
= Kμv ∙Knv ∙
Kuv, (3.21)
где Kμv -
коэффициент, учитывающий качество обрабатываемой поверхности;- коэффициент,
учитывающий состояние поверхности заготовки;- коэффициент, учитывающий
инструментальный материал.
, (3.22)
где Сμv -
коэффициент, учитывающий группу стали, Сμv=1; = 0,9, σв=61 кг/см3.
;
=0,9;=1,1.= 1,178 ∙0,9 ∙1,1=1,17,
Тогда:
м/мин.
Частоту вращения определяем по
формуле 3.19:
мин-1 (назначаем n=400 мин-1).
С учетом реальных частот вращения
шпинделя станка находим:
м/мин
Наружная обработка tmax=4 мм
Внутренняя обработка tmax=2 мм
Выбранные режимы резания приведены в
таблице 3.11.
Таблица 3.11 - Режимы резания.
|
Наименование
операций и переходов
|
Режимы
резания
|
|
L,
мм
|
t,
мм
|
S,
мм/об
|
V,
м/мин
|
i
|
n,
об/мин
|
F,
мм/ мин
|
|
1.
Фрезерная обработка
|
|
|
1.1.
Фрезеровать 6 поверхностей предварительно
|
1438
|
2
|
0,15
мм/зуб
|
240
|
1
|
400
|
160
|
|
1.2.
Фрезеровать 6 поверхностей окончательно
|
1438
|
2
|
2
|
40
|
1
|
210
|
200
|
|
2.
Сверлильная
|
|
|
2.1.
Сверлить 4 отверстие Ø 20
|
139
|
5
|
0,28
|
22,3
|
1
|
710
|
200
|
|
2.2.
Сверлить 4 отверстие Ø 8,4
|
30
|
10
|
0,28
|
40,1
|
1
|
710
|
200
|
|
2.3.
Сверлить 4 отверстие Ø 20
|
52
|
5
|
0,28
|
22,3
|
1
|
710
|
200
|
|
2.4.
Сверлить 8 отверстие Ø 8,4
|
30
|
10
|
0,28
|
40,1
|
1
|
710
|
200
|
|
2.5.
Сверлить 4 отверстие Ø 20
|
51
|
5
|
0,28
|
22,3
|
1
|
710
|
200
|
|
2.6.
Развернуть 4 под коническую резьбу К1”
|
34
|
1
|
0,27
|
5,65
|
1
|
90
|
25
|
|
2.7.
Сверлить 4 отверстие Ø 10,1
|
35
|
10
|
0,28
|
40,1
|
1
|
710
|
200
|
.12 Состав и содержание команд по программе в
коде ИСО
В качестве языка программирования в современных
системах используется международный код ISO 7 бит. ISO 7 бит использует
буквенно-цифровой принцип записи команд.
На первом месте задается буква латинского
алфавита, за исключением трудноугадываемых букв (например, буква «О», которую
можно спутать с цифрой «0»). В дополнение к буквам для записи команды
используется от 2 до 6 разрядов цифр. Цифры задаются в десятичной системе
счисления.
Различают команды следующих типов:
Подготовительные, которые считываются
(воспринимаются) только для управляющей системы и не относятся к станку.
Вспомогательные - это команды, которые
непосредственно управляют рабочими органами (включить, выключить).
Технологические - команды для отработки
технологического цикла (установить требуемую величину скорости, подачи,
коррекции инструмента)
Геометрические - команды для задания
геометрической информации по перемещению.
Перемещение выполняется с определенной
дискретность. На станках с ЧПУ общего назначения, как правило, используется
дискретность 0,001 мм. Применяемые команды для сверлильного станка с ЧПУ:
% - начало программы;- номер кадра;-
подготовительная функция;, Y, Z, R - программирование геометрической
информации;- перемещение по вертикальной оси (оси Z);- быстрый подвод
инструмента по оси Z;- корректор инструмента;
М - вспомогательная функции;- Функция скорости
(скорость или частота вращения шпинделя);- функция подачи;
Т - номер инструмента.
В качестве подготовительных функций
используются:(G91) - цикл сквозного сверления;(G92) - цикл зенкерования
(обработка глухих отверстий);(G93) - цикл глубокого сверления с периодическим
извлечением сверла;(G94) - цикл нарезания резьбы;(G95) - цикл растачивания
качественных (точных) отверстий.
В качестве вспомогательных функций используются:
М02 - конец программы;
МОЗ - включение правого вращения шпинделя;
М04 - включение левого вращения шпинделя;
М05 - выключение шпинделя;
М08 - подача СОЖ (смазочной охлаждающей
жидкости).
.13 Управляющая программа для обработки детали
на станке с ЧПУ
Для того, чтобы разработать управляющую
программу, составим расчетно-технологическую и технологическую карты (рисунок
3.3, рисунок 3.4)
Эти документы содержат всю необходимую
информацию для создания последовательности обработки отверстий, назначения
инструментов, режимов резания и выбора по ним кодов частоты вращения шпинделя,
скорости подачи и коррекции.
Положение детали относительно плавающего нуля по
осям X и Y определено в РТК, а по оси Z принимаем 120 мм.
Рисунок 3.3 - Расчетно-техническая карта
Рисунок 3.4 - Расчетно-техническая карта
В таблице 3.13 представлены координаты отверстий
плиты относительно выбранных осей координат.
Таблица 3.13 - Координаты отверстий плиты
относительно выбранных осей координат
|
№
точки
|
X
|
Y
|
№
точки
|
X
|
Y
|
|
1
|
12,2
|
-21,1
|
16
|
59,1
|
-107,3
|
|
2
|
113,8
|
-21,1
|
17
|
77,4
|
-51,7
|
|
3
|
113,8
|
-122,7
|
18
|
109,1
|
-51,7
|
|
4
|
12,2
|
-122,7
|
19
|
125
|
-93
|
|
5
|
173,2
|
-21,1
|
20
|
93,2
|
-93
|
|
6
|
274,8
|
-21,1
|
21
|
17
|
-20
|
|
7
|
274,8
|
-122,7
|
22
|
283
|
-20
|
|
8
|
179,2
|
-122,7
|
23
|
283
|
-133
|
|
9
|
93,2
|
-33,8
|
24
|
17
|
-133
|
|
10
|
42,4
|
-110
|
25
|
42,4
|
-13
|
|
11
|
254,2
|
-33,8
|
26
|
173,4
|
-43
|
|
12
|
203,4
|
27
|
77,4
|
-86
|
|
13
|
59,1
|
-37,4
|
28
|
109,1
|
-128
|
|
14
|
160,7
|
-37,4
|
29
|
33,8
|
-93
|
|
15
|
160,7
|
-107,3
|
|
|
|
Управляющая программа обработки отверстий на
станке 2Р135Ф2
№001 ТО 1 S10 F14 Х+000000 Y+00000
№002 МОЗ L01 Х+001220 Y-021100
№003 G81 М08 R+019000 Z+30000
№004 М09 Х+027480
№005 G81 М08 R+019000 Z+30000
№006 М09 Y-110 00
№007 G81 М08 R+019000 Z+30000
№008 М09 Х+001227
№009 G81 М08 R+019000 Z+30000
№010 М09
№011 Т02
S10 F14 X+000000 Y+00000
№012 M03 L02 X+009320 Y-03380
№013 G81 M08 R+019000 Z+46000
№014 M09 X+025420
№015 G81 M08 R+019000 Z+46000
№016 M09 X+0203400 Y-011000
№017 G81 M08 R+019000 Z+13900
№018 M09 X+042400
№019 G81 M08 R+019000 Z+13900
№020 M09
№021 ТОЗ
S02 F03 X+000000 Y+00000
№022 M03L04 X+001220 Y-021100
№023 G84 M08 R+028000 Z+02500
№024 M09 X+025420
№025 G84M08 R+028000 Z+02500
№026 M09 Y-11000
№027 G84 M08 R+028000 Z+02500 №028
M09 X+001220
№029 G84 M08 R+028000 Z+02500
№030 M09
№001 TO 1 S10 F14 X+000000 Y+00000
№002 МОЗ
L01 X+005910 Y-037400
№003 G81 M08 R+019000 Z+30000
№004 M09 X+016070
№005 G81 M08 R+019000 Z+30000
№006 M09 Y-10730
№007 G81 M08 R+019000 Z+30000
№008 М09
Х+005910
№009 G81 М08
R+019000 Z+30000
№010 M09
№011 T02 S10 F14 X+000000 Y+00000
№012 M03 L02 X+007740 Y-05170
№013 G81 M08 R+019000 Z+05200
№014 M09 X+010910
№015 G81 M08 R+019000 Z+05200
№016 M09 X+012500 Y-009300
№017 G81 M08 R+019000 Z+05600
№018 M09 X+093200
№019 G81 M08 R+019000 Z+08200
№020 M09
№021 ТОЗ
S02 F03 X+000000 Y+00000
№022 M03L04 X+005910 Y-037400
№023 G84 M08 R+028000 Z+02500
№024 M09 X+010670
№025 G84M08 R+028000 Z+02500
№026 M09 Y-10730
№027 G84 M08 R+028000 Z+02500 №028
M09 X+005910
№029 G84 M08 R+028000 Z+02500 №030
M09
№001 T01 S10 F14 X+000000 Y+00000
№002 M03 L01 X+001700 Y-02000
№003 G81 M08 R+022000 Z+35000
№004 M09 X+028300
№005 G81M08 R+022000 Z+35000
№006 М09
Y-13300
№007 G81M08 R+022000 Z+35000
№008 M09 X+001700
№009 G81M08 R+022000 Z+35000
№010 M09
№011 T02 S10 F14 X+000000 Y+00000
№012 M03L02 X+007740 Y-08600
№013 G81M08 R+019000 Z+05100
№014 M09 X+010910 Y-12800
№015 G81 M08 R+019000 Z+05100
№016 M09
№017 T03 S02 F03 X+000000 Y+00000
№018 M03L04 X+001700 Y-02000
№019 G84M08 R+028000 Z+03000
№020 M09 X+028300
№021 G84M08 R+028000 Z+03000
№022 M09 Y-13300
№023 G84M08 R+028000 Z+03000
№024 M09 X+001700
№025 G84M08 R+028000 Z+03000
№026 M09
№027 T04 S10 F14 X+000000 Y+00000
№028 M03L05 X+004240 Y-04300
№029 G81M08 R+019300 Z+02500
№030 M09 X+077400 Y-08600
№031 G81M08 R+019300 Z+02500
№032 M09 X+010910 Y-12800
№033 G81M08 R+0193 00 Z+02500
№034 M09 X+020340 Y-04300
№035 G81M08 R+019300 Z+02500
№036 M09
№037 T04 S10 F14 X+000000 Y+00000
№038 M03L05 X+004240 Y-04300
№039 G81M08 R+019300 Z+023 80
№040 M09 X+077400 Y-08600
№041 G81M08 R+019300 Z+02380
№042 M09 X+010910 Y-12800
№043 G81M08 R+0193 00 Z+02380
№044 M09 X+020340 Y-04300
№045 G81M08 R+019300 Z+02380
№046 M09
№001 T02 S10 F14 X+000000 Y+00000
№002 M03 L01 X+033800 Y-09300
№003 G81 M08 R+019000 Z+17500
№004 T04 S10 F14 X+000000 Y+00000
№005 M03 L02 X+033800 Y-09300
№006 G81 M08 R+019000 Z+03000
№007 T05 S10F14 X+000000 Y+00000
№008 M03 L02 X+033800 Y-09300
№009 G81 M08 R+019000 Z+02380
№010 M09
.14 Расчет технической нормы времени
Норма времени на выполнение станочной операции
состоит из нормы подготовительно-заключительного времени Тпз и нормы штучного
времени Тшт.
Рассчитаем норму штучно-калькуляционного времени
для операции фрезерования плоскости 300x139 мм высотой 153 мм цилиндрической
фрезой на продольно-фрезерном станке 6Р11 с длиной стола 1600 мм. Деталь
устанавливается в тиски с пневмозажимом. Основное время - Т0=1,064 мин.
Определяем состав подготовительно-заключительного времени:
установка тисков с креплением четырьмя болтами -
14 мин.;
установка фрезы - 2 мин.;
завершение работы - 7 мин.
Тогда:
Тпз= 14+2+7=23 мин.
Время на установку и снятие детали, ее
закрепление и открепление составляет:
Тус+Тзо=0,132 мин
Время на приемы управления состоит из:
включить и выключить станок - 0,01 мин.;
подвести деталь к фрезе в продольном направлении
- 0,03 мин.;
переместить стол в обратном направлении на 300
мм - 0,06 мин.
Тогда,
Туп=0,01+0,03+0,06=0,1 мин.
Время затраченное на измерение детали равно -
0,16 мин., при 20% контролируемых деталей получим:
Тиз=0,16∙20%=0,032 мин.
Поправочный коэффициент при мелкосерийном
производстве К равен 1,85. Следовательно, вспомогательное время определится по
формуле:
Тв=(0,132+0,1+0,032) ∙1,85=0,488 мин.
Оперативное время:
Топ=1,064+0,488=1,552 мин.
Время на обслуживание рабочего места и отдых
составляет 6% оперативного времени, следовательно:
Тоб+от=1,552∙6%=0,093 мин.
По вычисленным составляющим определяем штучно-
калькуляционное время:
(3.23)
где Тп.з -
подготовительно-заключительное время, мин;- количество деталей в настроечной
партии, шт;
То - основное время;
Тус - время на установку и снятие
детали;
Тзо - время на закрепление и
открепление детали;
Туп - время на приемы управления;
κ - поправочный коэффициент на
вспомогательное время (для среднесерийного производства К=1,85);
Тоб.от - общее время на обслуживание
и отдых, мин;
Тиз - время на измерения, мин.
Тшт.к =23/2000+1,064+(0,132+0,1
+0,032) ∙1,85+0,093=1,657 мин.
Техническая норма времени на
выполнение фрезерной операции составляет 1,657 минуты.
4. ОРГАНИЗАЦИОННО - ЭКОНОМИЧЕСКАЯ
ЧАСТЬ
.1 Оценка инвестиций в освоении
разработки
Расчет затрат на освоение разработки
включают в себя затраты на приобретение комплектующих изделий гидравлического
привода, затраты на изготовление корпуса гидроблока управления и затраты на
сборку гидравлического привода подъемника.
Цены на комплектующие изделия
гидравлического привода приведены в таблице 4.1.
Таблица 4.1 - Цена комплектующих изделий
|
№
п/п
|
Наименование
комплектующих изделий
|
Цена,
руб.
|
Количество,
шт.
|
Всего,
руб.
|
|
1
|
Гидроцилиндр
ГЦО1-80-40-800
|
2300
|
3
|
6900
|
|
2
|
Насос
Г12-24АМ
|
7500
|
1
|
7500
|
|
3
|
Предохранительный
клапан 20-10-2-132
|
3200
|
1
|
3200
|
|
4
|
Обратный
клапан Г51-33
|
3000
|
1
|
3000
|
|
5
|
Гидрораспределитель
ВЕ16.64
|
9200
|
2
|
18400
|
|
6
|
Фильтр
всасывающий ФВСМ 63-80/0,25
|
5000
|
1
|
5000
|
|
7
|
Фильтр
напорный ЗФГМ16-25К
|
4300
|
1
|
4300
|
|
8
|
Манометр
МТП 1
|
2900
|
1
|
2900
|
|
9
|
Регулятор
расхода МПГ55-34
|
5500
|
1
|
5500
|
|
10
|
Крестовина
|
300
|
1
|
300
|
|
11
|
Двигатель
4А132М6
|
19500
|
1
|
19500
|
|
12
|
Трубопровод
|
53
|
25м
|
1325
|
|
13
|
Крепеж
(ниппель, гайки, болты)
|
750
|
3кг
|
2250
|
|
Итого:
80075
|
Стоимость комплектующих определяем по формуле:
, руб., (4.1)
где М - стоимость комплектующих
материалов, руб.;
Мп - норма расхода материалов и
комплектующих на единицу продукции;
Цп - цена комплектующих материалов,
руб.;
Кт.з. - коэффициент
транспортно-заготовительных расходов, Кт.з.=1,05.
Затраты на изготовление корпуса
гидроблока
Расчет затрат на приобретение
основного сырья
Основным материалом для изготовления
корпуса является Сталь 35, масса детали 5,9 кг, масса заготовки 6,5 кг.
Затраты на приобретение основного
сырья определяются формулой:
(4.2)
где
- стоимость материала, руб./кг;

- масса заготовки, кг;
ЗОМ=75∙6,5=487,5 руб.
Затраты на оплату труда
Затраты на основную оплату труда
рассчитываем по формуле:
, руб., (4.3)
где Ст - часовая тарифная ставка для
слесаря механосборочного цеха, руб.,
Ст = 120 руб., рассчитывается из
средней заработной платы слесаря в размере 20000 руб./месяц, учитывая
пятидневную рабочую неделю и продолжительность смены 8 час.;- трудоемкость
изготовления и сборки гидроблока управления, час.;
к - коэффициент, учитывающий доплату
до часового фонда, к=2.
На сборке гидропривода подъемника
задействованы 2 рабочих, трудоемкость при сборке составит t=30 час.
Дополнительную заработную плату
принимаем 20% от основной:
На изготовлении корпуса
задействованы 3 оператора станков с ЧПУ, Заработная плата 18000 руб./месяц,
тогда часовая тарифная ставка
Ст=107,14 руб., t=1,6 час.
Суммарные затраты на оплату труда
Зо.т.:
(4.4)
Суммарные затраты на оплату труда с
учетом регионального коэффициента:
Зо.т.=17280∙1,15=21291,4 руб.
Затраты на электроэнергию
Затраты на электроэнергию ЗЭ.Э.,
руб. определяются следующим образом:
Зэ.э. = Сэ.э.∙Р∙t, руб.,
(4.5)
где Сэ.э. - тариф на электроэнергию
для юридических лиц,
Сэ.э.=5,2 руб/кВт∙ч;
Р - мощность оборудования, кВт;-
время работы оборудования, ч.
. Вертикально-фрезерный станок с ЧПУ
6Р11, мощностью Р = 7,5 кВт, время работы 0,25 ч.:
Зэ.э.1 = 5,2∙7,5∙0,25=9,75
руб./изделие.
. Сверлильный станок с ЧПУ 2Р135Ф2,
мощностью Р = 4 кВт, время работы 1,28 ч.:
Зэ.э.2 = 5,2∙4∙1,28=26,62
руб./изделие.
. Плоскошлифовальный станок 3701,
мощностью Р = 3,5 кВт, время работы 0,052 ч.:
Зэ.э.3 = 5,2∙3,5∙0,052=0,95
руб./изделие.
. Затраты на освещение помещения
сборки. Суммарная мощность местного освещения в помещении 12 кВт (30 ламп по
400 Вт каждая); время работы освещения 30 часов:
Зэ.э.4 = 5,2∙12∙30/62=30,19
руб./изделие.
. Затраты на освещение помещения
изготовления корпуса гидроблока. Суммарная мощность местного освещения в
помещении 10 кВт (25 ламп по 400 Вт каждая); время обработки детали 1,6 ч:
Зэ.э.5 = 5,2∙10∙1,6/1=83,2
руб./изделие.
Суммарные затраты на электроэнергию
Зэ.э., руб./изделие:
Зэ.э.= Зэ.э.1+ Зэ.э.2+ Зэ.э.3+
Зэ.э.4+ Зэ.э.5, руб./изделие (4.6)
Зэ.э.=9,75+26,62+0,95+30,19+83,2=150,71
руб./изделие.
Прочие затраты
Страховые отчисления составляют 30%
от суммарных затрат на оплату труда.
ЗП1= 0,3∙21291,4=6387,42 руб.
Затраты на коммунальные услуги
(отопление зимой, горячая/холодная вода).
Тарифы:
Холодная вода - Схол.в.=123,36
руб./чел.;
Подогрев воды - Спод.в.=429,38
руб./чел.;
Водоотведение - Сводоотв.=195,84
руб./чел.
Холодная вода, подогрев воды и
водоотведение в сумме:
Звода=Схол.в.∙N + Спод.в.∙N
+ Сводоотв.∙N, руб./месяц (4.7)
где N - число работников в цехе,
N=5.
Звода= 123,36∙5+429,38∙5+195,84∙5=3742,9
руб./месяц.
Учитывая пятидневную рабочую неделю
и 8 часовой рабочий день, за месяц получается 168 рабочих часов. На
изготовление корпуса гидроблока и сбоку гидропривода требуется 31,6 ч., тогда:
Звода=
Внепроизводственные расходы
принимаем 1,5% от всех материальных затрат.
Звн.=84716,96∙1,5%=1270,75 руб.
ЗП=6387,42+704,02+1270,75=8362,19
руб.
Общие затраты на изготовление
корпуса гидроблока и сборку гидропривода сведены в таблицу 4.2.
Таблица 4.2 - Сводная таблица затрат
на изготовление корпуса и сборку гидропривода
|
Виды
затрат
|
Затраты
на единицу продукции, руб./изд.
|
Структура
затрат, %
|
|
Материальные
затраты
|
На
основные материалы
|
84566,25
|
74,75
|
|
На
электроэнергию
|
150,71
|
0,13
|
|
Затраты
на оплату труда
|
21291,4
|
18,82
|
|
Прочие
затраты
|
8362,19
|
6,27
|
|
Итого
|
114370,55
|
100
|
Рисунок 4.1 - Структура затрат на изготовление
корпуса и сборку гидропривода
Рассчитаем затраты на производство панели и
наладку подъемника.
Расчет материальных затрат
Расчет затрат на основные материалы
Основным материалом для производства является
стеновая панель ПСК, на поворот которой работает подъемник. Так как панель
изготавливается на заводе, то расчет затрат на основные материалы не
производим.
Затраты на электроэнергию
Затраты на электроэнергию ЗЭ.Э., руб. определяем
по формуле 4.5:
. Подъемник с гидравлическим приводом, мощностью
Р = 7,5 кВт работает с 10:00 до 17:00 в рабочие дни (выходные суббота,
воскресенье); расчет производим по 1 неделе; ожидаемая производительность
подъемника 38 единиц изделия в неделю:
Зэ.э.1 = 5,2∙7,5∙5∙6/62=18,87
руб./изделие.
. Затраты на освещение помещения. Суммарная
мощность местного освещения в помещении 22,8 кВт (57 ламп по 400 Вт каждая);
освещение работает в среднем 7 ч в сутки 5 дней в неделю; произведем расчет
затрат на одну неделю:
Зэ.э.2 = 5,2∙22,8∙7∙5/62=66,93
руб./изделие.
Суммарные затраты на электроэнергию Зэ.э.,
руб./изделие:
Зэ.э. = 18,87+66,93=85,8 руб./изделие.
Затраты на вспомогательные материалы
Машинное масло, необходимое для смазывания
механизмов подъемника. На смазку подъемника необходимо 10 л масла, заменяемого
1 раз в месяц. Ожидаемая производительность подъемника 250 единицы изделия в
месяц. Масло индустриальное ИГП-30. Стоимость 1 бочки
,5 л - 9550 руб. Затраты на машинное масло на
единицу изделия Зм.м., руб. составят:
Зм.м. =
,
руб./изделие (4.9)
Зм.м. =
руб./изделие.
Затраты на ремонт и обслуживание
оборудования
Затраты за год на текущий ремонт и
обслуживание оборудования определяются по формуле:
ЗТ.Р. =
/12∙N,
руб./изделие, (4.10)
где Спер - первоначальная стоимость
оборудования, Спер = 600000 руб.,- объем продукции, изготавливаемой в месяц,
шт..
ЗТ.Р. = 0,01 ∙ 600000/12∙250
= 2 руб./изделие.
Затраты на малоценный и
быстроизнашивающийся инструмент и приспособления определяются по действующим на
заводе нормам расхода или в размере 0,2% от первоначальной стоимости
оборудования.
Зинст.=600000∙0,002/12∙250=0,4
руб./изделие.
ЗР.О.=2+0,4=2,4 руб./изделие.
Затраты на оплату труда
Затраты на основную оплату труда
рассчитываем по формуле 4.3, трудоемкость операции t=1 ч. В производстве
задействовано 2 рабочих - основной и вспомогательный.
Рассчитаем Зо.о.т основного
рабочего:
Рассчитаем Зо.о.т вспомогательного
рабочего. Часовая тарифная ставка СТ.= 90 руб., средняя заработная плата
оператора линии 15000 руб.:
Затраты на дополнительную заработную
плату принимаем равной 20% от основной.
Затраты на дополнительную оплату
труда основного рабочего:
Затраты на дополнительную оплату
труда вспомогательного рабочего:
Суммарные затраты на оплату труда
ЗО.Т., руб.:
ЗО.Т.=ЗО.О.Т.1+ ЗО.О.Т.2+ЗД.О.Т.1+
ЗД.О.Т.2 , руб. (4.11)
ЗО.Т. = 240+180+48+36=504 руб.
Суммарные затраты на оплату труда с
учетом регионального коэффициента:
ЗО.Т. = 504 ∙ 1,15 = 579,6
руб.
Расчет затрат на амортизационные
отчисления
Амортизационные отчисления -
денежные средства, которые в будущем пойдут на полную замену производственного
оборудования.
Определим величину амортизационных
отчислений по линейному методу. При этом способе амортизационные отчисления
начисляются в одном и том же размере в течение всего срока полезного
использования:
ЗА.О.= СО/Т∙12∙N, руб.,
(4.12)
где CО - стоимость подъемника на
момент его закупки, руб.,
Т - срок службы оборудования, Т=6
лет.- объем продукции, изготавливаемой в месяц, шт., N=250 шт./месяц.
ЗА.О. = 600000/6∙12∙250=33,33
руб./изделие.
Расчет прочих затрат
К прочим затратам можно отнести:
. Фиксируемый налог на частную
движимую собственность (оборудование) и недвижимую собственность (здания,
сооружения).
Региональный орган установил
налоговую ставку на движимое и недвижимое имущество составляет 2,2%.
Налог на движимое и недвижимое
имущество рассчитывается по формуле:
ЗП1 = Со∙R/12∙N, руб.,
(4.13)
где Со - стоимость оборудования,
руб.,- ставка налога,- объем продукции, изготавливаемой в месяц, шт.,
- число месяцев в году.
Рассчитаем налог на движимое
имущество
ЗП1.1 = 600000∙0,022/12∙250=4,4
руб./изделие.
Рассчитаем налог на недвижимое
имущество
Средняя рыночная стоимость 1 м2
нежилого помещения в г.Вологда составляет 30000руб., подъемник занимает 30 м2,
тогда:
ЗП1.2=30000∙30∙0,022/12∙250=6,6
руб./изделие.
ЗП1= ЗП1.1+ ЗП1.2, руб./изделие,
(4.14)
ЗП1= 4,4+ 6,6=11 руб./изделие
. Коммунальные услуги (отопление
зимой, горячая/холодная вода).
Тарифы:
Отопление - Сот.=42,58 руб./м2;
Холодная вода - Схол.в.=123,36
руб./чел.;
Подогрев воды - Спод.в.=429,38
руб./чел.;
Водоотведение - Сводоотв.=195,84
руб./чел.
Общая площадь цеха по производству
стеновых панелей 1926 м2, подъемник занимает 30 м2 тогда затраты на отопление:
Зот.=42,58∙30=1277,4
руб./месяц
Холодная вода, подогрев воды и
водоотведение в сумме:
Звода=Схол.в.∙N + Спод.в.∙N
+ Сводоотв.∙N, руб./месяц, (4.15)
где N - число работников в цехе,
N=2.
Звода= 123,36∙2+429,38∙2+195,84∙2=1497,16
руб./месяц.
ЗП2=(1277,4+1497,16)/250=11,1
руб./изделие.
3. Затраты на спецодежду: на двух
рабочих по костюму на 1 год. Стоимость костюма составляет 1500 руб.
ЗП3=1500∙2/250∙12=1
руб./изделие.
. Затраты на социальные выплаты
Страховые отчисления составляют 30%
от суммарных затрат на оплату труда.
ЗП4=579,6∙0,3=173,88
руб./изделие
Посчитаем общие прочие затраты:
ЗП= ЗП1 + ЗП2 + ЗП3+ ЗП4 ,
руб./изделие, (4.16)
ЗП=11+11,1+1+173,88=196,98
руб./изделие.
Общие затраты предприятия на
производство единицы изделия сведены в таблицу 4.3.
Таблица 4.3 - Сводная таблица затрат
|
Виды
затрат
|
Затраты
на единицу продукции, руб./изд.
|
Структура
затрат, %
|
|
Материальные
затраты
|
На
основные материалы
|
0
|
0
|
|
На
вспомогательные материалы
|
1,76
|
0,2
|
|
На
электроэнергию
|
85,8
|
9,53
|
|
На
ремонт и обслуживание оборудования
|
2,4
|
0,27
|
|
Затраты
на оплату труда
|
579,6
|
64,41
|
|
Затраты
на амортизацию
|
33,33
|
3,70
|
|
Прочие
затраты
|
196,98
|
21,89
|
|
Итого
|
899,87
|
100
|
Рисунок 4.2 - Общие затраты предприятия на
производство изделия
.2 Оценка целесообразности разработки
Главное техническое преимущество проектируемого
гидропривода - это гораздо меньшие габаритные размеры, так как редуктор
механического привода достаточно громоздкий. Кроме того, гидропривод с объемным
регулированием позволяет получать большой диапазон варьирования скоростей
подъемника, а значит и производительность выше, чем у механического подъемника.
Поскольку производительность увеличивается, то и предприятие получит больший
доход.
Уменьшатся затраты на обслуживание и ремонт
оборудования приблизительно на 6000 руб./год, так как подъемник с
гидравлическим приводом новый и ремонт не требуется. Уменьшаются и затраты на электроэнергию,
так как на подъемнике с механическим приводом стоят 2 электродвигателя, каждый
мощностью Р=8 кВт. Рассчитаем затраты на электроэнергию для подъемника с
механическим приводом.
ЗЭ.Э.1=5,2∙16∙5∙6/62=40,26
руб./изделие.
Суммарные затраты на электроэнергию:
ЗЭ.Э.=40,26+66,93=107,19 руб./изделие.
Затраты на электроэнергию уменьшатся на:
,19-85,8=21,39 руб./изделие.
В год экономия на электроэнергии составит 64170
руб.
На переворот панели ПСК на подъемнике были
задействованы 4 рабочих, сейчас необходимо только 2 рабочих, соответственно
затраты на оплату труда уменьшатся на 579,6∙250∙12=1738800
руб./год. Страховые выплаты уменьшатся на 173,88∙250∙12=521640
руб./год.
Общая экономия в год составит:
Эобщ= 6000+64170+1738800+521640=2330610 руб.
На изготовление корпуса гидроблока и сборку
гидропривода требуется 114370,55 руб., а экономия на подъемнике с
гидравлическим приводом составит 2330610 руб., значит, разработка подъемника с
гидравлическим приводом экономически целесообразна.
5. БЕЗОПАСНОСТЬ И ЭКОЛОГИЧНОСТЬ ПРОЕКТА
.1 Анализ опасных и вредных производственных
факторов в цехе по производству панелей
При производстве панелей ПСК возникает большое
количество вредных и опасных факторов, таких как метеорологические условия
производственной среды, санитарно-гигиенические условия, возможность
травматизма, освещение, психологические и другие факторы.
Вредными для здоровья физическими факторами
являются:
повышенный уровень шума. Интенсивное шумовое
воздействие на организм человека неблагоприятно влияет на протекание нервных
процессов, способствует развитию утомления, изменениям в сердечно-сосудистой
системе и появлению шумовой патологии, среди многообразных проявлений которой
ведущим клиническим признаком является медленно прогрессирующее снижение слуха
по типу кохлеарного неврита;
пониженная или повышенная температура воздуха
рабочей среды. Длительное воздействие на человека неблагоприятных
метеорологических условий резко ухудшает его самочувствие, снижает
производительность труда и приводит к заболеваниям. Высокая температура воздуха
способствует быстрой утомляемости работающего, может привести к перегреву
организма, тепловому удару. Низкая температура воздуха может вызвать местное
или общее охлаждение организма, стать причиной простудного заболевания либо
обморожения;
запыленность воздуха рабочей зоны. Пыль,
попадающая на слизистые оболочки глаз, вызывает их раздражение, конъюнктивит.
Оседая на коже, пыль забивает кожные поры, препятствуя терморегуляции
организма, и может привести к дерматитам, экземам;
недостаточная освещенность рабочей зоны.
Недостаточное освещение влияет на функционирование зрительного аппарата, то
есть определяет зрительную работоспособность, на психику человека, его
эмоциональное состояние, вызывает усталость центральной нервной системы,
возникающей в результате прилагаемых усилий для опознания четких или
сомнительных сигналов. Неравномерное освещение может создавать проблемы
адаптации, снижая видимость. Работая при освещении плохого качества или низких
уровней, люди могут ощущать усталость глаз и переутомление, что приводит к
снижению работоспособности. В ряде случаев это может привести к головным болям.
Причинами во многих случаях являются слишком низкие уровни освещенности,
слепящее действие источников света и соотношение яркостей. Головные боли также
могут быть вызваны пульсацией освещения.
К опасным физическим факторам относятся:
вращающиеся части оборудования и инструмента; падающие заготовки металла;
отлетающая стружка, осколки обрабатываемых деталей и инструмента; повышенное значение
напряжения в электрической цепи; повышенная температура поверхностей
оборудования и инструмента.
Химические опасные и вредные производственные
факторы по характеру действия на организм подразделяются на общетоксические,
раздражающие, сенсибилизирующие (вызывают аллергию), канцерогенные (вызывают
развитие опухолей), мутагенные (действующие на половые клетки организма). В
процессе производства панелей ПСК персонал работает с легковоспламеняющимися
жидкостями: парами герметиков, эфиров, смазочно-охлаждающих жидкостей, красок,
что может негативно сказываться на органах чувств человека, появлению кожных
заболеваний.
К психофизиологическим опасным и вредным
производственным факторам относятся физические перегрузки (статические и
динамические) и нервно-психические перегрузки (умственное перенапряжение
анализаторов зрения, слуха и др.). Плохое самочувствие при длительной работе на
установке большей частью связано с неудовлетворительной организацией рабочего
места и неудобной рабочей позой. Неудобная поза вызывает утомляемость различных
групп мышц, нарушение в кровеносной и дыхательной системах. В положении сидя
основная нагрузка «падает» на мышцы, поддерживающие позвоночный столб и голову,
а подавляющая часть массы тела передается на бедра, препятствуя проникновению
крови в нижнюю часть тела. К тому же, при работе сидя, обычно естественный
спинно-поясничный прогиб вперед изменяется на прогиб назад, что является
причиной боли в пояснице.
К биологическим опасным и вредным
производственным факторам относятся микроорганизмы (бактерии, вирусы и т.п.) и
макроорганизмы (растения, животные).
Воздействие опасных производственных факторов
вызывает травмы, а вредных факторов - профессиональные заболевания (если они
превышают предельно-допустимые значения).
Для предотвращения всех выше перечисленных
негативных явлений, необходимо разработать меры по обеспечению безопасных и
здоровых условий труда.
.2 Меры по обеспечению безопасных и здоровых
условий труда в цехе по производству панелей
Производственный цех представляет собой
помещение длиной 107 м, шириной 18 м, высотой 7 м, площадь цеха 1926 м2. Цех
оборудован средствами пожаротушения, вентиляцией. Предусматривается
искусственное освещение производственного цеха. Для обеспечения нормируемых
значений освещенности в помещении, предусматривается проводить чистку стекол
оконных рам и светильников не реже двух раз в год и производить своевременную
замену перегоревших ламп.
Предусмотрено поддержание оптимальных норм
микроклимата в помещении с помощью систем отопления и вентиляции; кондиционеров
и дополнительных обогревателей:
холодный период года: температура воздуха
22-24°С, относительная влажность воздуха 40 - 60 % , скорость движения воздуха
- 0,1 м/с;
теплый период года: температура воздуха 23-25°С,
относительная влажность воздуха 40 - 60 %, скорость движения воздуха - 0,1 м/с.
Для поддержания в производственных помещениях
чистоты воздуха и метеорологических условий, удовлетворяющих
санитарно-гигиеническим требованиям, устраивается вентиляция.
Удаление загрязнённого и подача свежего воздуха
в помещения осуществляется под действием естественных сил (естественная
вентиляция) или с помощью специальных механических побудителей движения воздуха
- вентиляторов (механическая вентиляция).
В целях санитарно-бытового обслуживания работников
на предприятии предусмотрены гардеробные, умывальные, туалеты, душевые,
столовые, комнаты приема пищи.
В связи с тем, что работа человека на
машиностроительном предприятии связана с продолжительной умственной и
физической нагрузками, то предусмотрена система организации режима труда и
отдыха. Рациональный режим способствует поддержанию высокой работоспособности
трудящегося. Согласно существующим рекомендациям время непрерывной работы за
компьютером не превышает двух часов, длительность перерыва для отдыха
составляет 5-15 минут. Если инженер занят работой за компьютером 46-65% времени
смены, то время на отдых должно составлять 4-6,5% времени смены.
Для защиты от опасных и вредных производственных
факторов необходимо применять индивидуальные и коллективные средства защиты.
К индивидуальным средствам защиты относится
спецодежда - х/б халаты серого или белого цветов, специальная обувь, средства
защиты глаз, лица, рук, органов дыхания, слуха, средства защиты от падения с
высоты и другие предохранительные средства.
К коллективным средствам безопасности относят,
например, системы освещения и вентиляции; кондиционеры и дополнительные
обогреватели; система противопожарной безопасности.
Выполнение всех вышеперечисленных рекомендаций и
требований способствует сохранению здоровья и работоспособности трудового
персонала. При этом необходимо осуществлять систематический контроль за
состоянием производственных факторов.
.3 Расчет производственного освещения цеха
Расчет искусственного освещения проводится для
цеха по производству панелей ПСК на ОАО «СКДМ». В качестве источников света
примем потолочные люминесцентные лампы и общую систему освещения,
обеспечивающей равномерное распределение световой энергии, тип светильников HBS
400М (НВS-серия, 400 Вт, М - ртутная лампа типа ДРЛ), где отсутствуют
требования к цветоразличению. Принимаем общее число светильников 57,
расположенных в три ряда вдоль всей длины помещения. В каждом светильнике
находится 1 лампа. Для расчета искусственного освещения воспользуемся методом
коэффициента использования. Световой поток лампы определяется по формуле:
, лм, (5.1)
где Е - нормированная минимальная
освещенность;
к - коэффициент запаса;- площадь
помещения, м2; - поправочный коэффициент;
η - коэффициент использования
осветительной установки;- число светильников общего освещения;
п - число ламп в светильнике.
Исходные данные для расчета:
Е = 300 лк;
к = 1,5;= 1,1;= 57 штук;
п = 1 штука.
Площадь помещения определяется по
формуле:
= А∙В, м2, (5.2)
где А - длина производственного цеха
(принимаем А= 107 м);
В - ширина производственного цеха
(принимаем В= 18 м);
= 107∙18 = 1926 м2.
Индекс помещения определяется по
формуле:
, (5.3)
где h - высота светильников над
рабочей поверхностью, м.
Высоту светильников над рабочей
поверхностью принимаем равной 5,8 м. Следовательно, индекс помещения равен:

Для светильников коэффициент
использования осветительной установки определяется по таблице, и его значение
принимаем равным
η = 0,7.
Получив все данные для расчета
светового потока, определим его значение:
лм.
По итогам произведенных расчетов по
таблицам выбираем лампу, световой поток которой больше, чем 23893 лм. Этому
условию соответствует лампа HBS 400M, ее световой поток равен F = 24000 лм,
мощность лампы 400 Вт, эффективное напряжение на лампе 135 В, номинальный
рабочий ток лампы 0,45 А.
В помещении цеха производства
светильники располагаем в 4 м от стен с каждой стороны вдоль всей длины
помещения. В ряду три светильника расположены в 1 м от стены здания и на
расстоянии 5 м друг от друга. Расстояние между светильниками равно 6 м.
.4 Меры по охране окружающей среды
на производстве
Основными мероприятиями по снижению
выбросов вредных веществ в атмосферу является совершенствование технологических
процессов, строительство новых и повышение эффективности существующих очистных
сооружений, ликвидация источника загрязнения, перепрофилирование производства.
На ОАО «СКДМ» наиболее значимым
представляется газо- и пылеулавливание вентиляционных выбросов. Очистку и
обезвреживание газовых составляющих выбросов промышленного производства
осуществляют методами, выбор которых определяется составом, концентрацией
загрязняющих веществ, типом производства, условиями выброса.
В настоящее время используют
следующие методы обезвреживания газообразных выбросов:
Конденсационный - охлаждение
паровоздушной смеси ниже точки росы в специальных установках;
Компрессионный - сжатие
обезвреживаемого газа и его последующее охлаждение;
Абсорбционный, основанный на
диффузий газообразных примесей на поверхности раздела газ - жидкость с
переходом газа в жидкую фазу;
Электростатический, окислительный.
Очистку вентиляционных выбросов от
механических примесей осуществляют аппаратами мокрого и сухого пылеулавливания,
волокнистыми фильтрами и электрофильтрами.
Предприятие загрязняет почву
различными отходами: стружками, опилками, шлаками, золой, пылью. На заводе
обустроены временные площадки для накопления отходов. Это специально
обустроенное место на территории предприятия для хранения отходов до момента их
использования в последующем цикле или отправки на переработку на др.
предприятия. Все цеха снабжены контейнерами, которые промаркированы с указанием
вида отхода.
При охране земельный ресурсов мерами
по утилизации отходов металлообрабатывающих предприятий, содержащих частицы
песка, породы и механические примеси, изменяют структуру, физико-химический и
механический состав почвы. Указанные отходы используются при строительстве
дорог, засыпке котлованов и отработанных карьеров после обезвоживания. В то же
время отходы машиностроительных заводов, содержащие соли тяжелых металлов,
цианиды, щелочи, кислоты, токсичные вещества, утилизации не подлежат. Эти виды
отходов собирают в шлаконакопители, после чего их засыпают, утрамбовывают.
Место захоронения озеленяют.
В сточных водах ОАО «СКДМ»
содержатся различные примеси: механические - органического и минерального
происхождения, нефтепродукты, эмульсии, токсичные различные соединения.
Использованная предприятием вода
поступает в очистные сооружения предприятия, очищается и повторно используется
(повторное, оборотное водоснабжение).
Очистка сточных вод от механических
примесей в зависимости от их свойств, концентрации и фракционного состава
осуществляется методами процеживания, отстаивания, отделения механических
частиц в поле действия центробежных сил и фильтрования.
Очистка сточных вод от
маслосодержащих примесей в зависимости от состава и концентрации примесей
осуществляется следующими методами: отстаиванием, обработкой в гидроциклонах,
флотацией и фильтрованием.
Для очистки сточных вод от металлов
и солей применяют реагентные, ионообменные, сорбционные, электрохимические и
биохимические методы.
.5 Меры пожарной безопасности в цехе
На заводе ОАО «СКДМ» предусмотрена
система противопожарной безопасности, включающая в себя: применение средств
пожаротушения; применение конструкции объектов с регламентированными пределами
огнестойкости и горючестью; эвакуацией людей; применение средств пожарной
сигнализации и средств извещения о пожаре.
Для обеспечения пожарной
безопасности участков сборки и производства используют: систему предотвращения
пожара, систему пожарной защиты, а также организационно-технические
мероприятия. Система предотвращения пожара предусматривает повышение
огнестойкости здания путём облицовывания, оштукатуривания либо покраски
металлических конструкций, установку противопожарных дверей.
Применяемые на производстве средства
пожаротушения максимально ограничивают размеры пожара и обеспечивать его
быстрое тушение. Предусмотрено применение порошковых огнетушителей,
(огнетушитель ОП-3) относящиеся к числу средств пожаротушения, которые могут
быть эффективно использованы в начальной стадии пожара. В коридоре здания
имеется пожарный кран с рукавом для тушения с помощью воды.
В помещении производственного
участка, сборочного участка устанавливается тепловой оповещатель. Он
срабатывает от воздействия тепла в случае возникновения на производственном
участке пожара.
Для обеспечения безопасности
персонала при возникновении пожара предусматриваются эвакуационные выходы. При
этом на видных и доступных местах вывешивается план эвакуации.
Организационно-технические
мероприятия предусматривают: создание пожарно-технической комиссии, а также
прохождение рабочими и служащими противопожарной подготовки.
ЗАКЛЮЧЕНИЕ
В результате выполнения выпускной
квалификационной работы был разработан подъемник стеновых панелей ПСК в
вертикальное положение. Этапы разработки включили в себя следующее:
В п.1 проведен литературный обзор
конструкций и приводов подъемников.
В конструкторской части п.2,
разработали гидравлическую схему подъемника, выбрали необходимые аппараты и
трубопроводы. Выполненные гидравлические расчеты, разработана принципиальная
конструкция гидроблока управления и общий вид гидропривода.
В технологической части п.3 проекта
разработана технология изготовления детали «корпус гидроблока управления»,
разработан маршрут обработки, подобрано соответствующее оборудование, назначены
режимы резания и рассчитано необходимое время обработки, разработана
управляющая программа обработки деталей на станке с ЧПУ.
В экономической части п.4,
рассчитаны затраты на освоение разработки. Рассматривается структура затрат на
производство панели и наладку подъемника. Приводится оценка экономической
целесообразности разработки, рассчитывается окупаемость разрабатываемого
подъемника. Расчеты показали, что общая экономия предприятия составит 2 млн.
330 тыс. 610 рублей в год, что говорит о целесообразности разработки.
В п.5 «Безопасность и экологичность
проекта» рассмотрены вредные факторы, имеющие место на производстве, причины их
возникновения и способы их предотвращения. Приведены меры по обеспечению
безопасных и здоровых условий труда. Проведен расчет освещения в цехе по
производству панелей ПСК. Проведен выбор средств пожаротушения.
СПИСОК ИСПОЛЬЗОВАННЫХ ИСТОЧНИКОВ
1.
Свешников В.К. Станочные гидроприводы: Справочник: Библиотека конструктора. -
4-е изд. перераб. и доп. - М.: Машиностроение, 2004. -
с.:
ил.
.
Столбов Л.С. и др. Основы гидравлики и гидропривод станков: Учебник для
техникумов по спец. «Металлообрабатывающие станки и автоматические линии»,
«Производство контрольно-измерительных инструментов и приборов», «Обработка
металлов резанием», «Инструментальное производство»/Л.С. Столбов, А.Д. Перова,
О.В. Ложкин. - М.: Машиностроение 1988.-256 с.: ил.
.
Колпаков В.Н. Гидропривод станочного оборудования: учебное пособие/В.Н.
Колпаков. - Вологда: ВоГТУ, 2008.- 135 с.
.
Орлов, П.И. Основы конструирования: справочно-методическое пособие: в 3-х кн.
Кн.2 / П. И. Орлов. - Изд. 2-е, перераб. и доп. - М.: Машиностроение,
1977.-567с.
.
Свешников В.К. Гидрооборудование: Международный справочник. Книга 1. Насосы и
гидродвигатели: Номенклатура, параметры, размеры, взаимозаменяемость.
Издательский центр «Техинформ» МАИ - 2001.-
с.:
ил.
.
Свешников В.К. Гидрооборудование: Международный справочник. Книга 2.
Гидроаппаратура: Номенклатура, параметры, размеры, взаимозаменяемость. ООО
«Издательский центр «Техинформ» МАИ» - 2002.-
с.:
ил.
.
Свешников В.К. Гидрооборудование: Международный справочник. Книга 3.
Вспомогательные элементы гидропривода: Номенклатура, параметры, размеры,
взаимозаменяемость. ООО «Издательский центр «Техинформ» МАИ» - 2003.- 445 с.:
ил.
.
Горбацевич, А.В. Курсовое проектирование по технологии машиностроения / А. В.
Горбацевич.- Минск: Высшая школа, 1983.-256 с.
.
Анурьев, В.И. Справочник конструктора-машиностроителя / В. И. Анурьев.-М.:
Машиностроение, 1980.-Т.1. - 728 с.
.Анурьев,
В.И. Справочник конструктора-машиностроителя / В. И. Анурьев.-М.:
Машиностроение, 1980.-Т.2. - 559 с.
.
Ковшов А.Н. Технология машиностроения: Учебник для студентов машиностроительных
специальностей вузов. - М.: Машиностроение, 1987. - 320 с.: ил.
.
Общемашиностроительные нормативы режимов резания для технического нормирования
работ на металлорежущих станках.- М.: Машиностроение, 1987.- 416 с.
.
Родин П.П. Металлорежущие инструменты: учебник для вузов / П. П. Родин.- 3-е
изд., перераб. и доп. - М.: Высшая школа, 1986.- 455 с.
.
Ансеров М.А. Приспособления для металлорежущих станков. - М.: 1960. - 620 с.
.
ООО «Уралгидромаш» [Электронный ресурс]: офиц. сайт. - Режим доступа:
http://www.ugm74.com.
.
ПАО «Агрегатный завод» [Электронный ресурс]: офиц. сайт. - Режим доступа:
http://www.agregat-pro.ru.
.
Промышленное оборудование ТЕХНОПРОГРЕСС [Электронный ресурс]: офиц. сайт. -
Режим доступа: http://sd-tehno.ru.
.
Компания «Гидропроект» [Электронный ресурс]: офиц. сайт. - Режим доступа: http://www.hydroprojekt.ru.
.
Компания «Электромеханика» [Электронный ресурс]: офиц. сайт. - Режим доступа:
http://www.elektromehanika.ru.
.
Абрамов Ю.А. Экономика машиностроительного производства: Учебник для
машиностроительных вузов/ Ю.А. Абрамов, И.Э. Берзинь, Н.Н. Эастрожнова и др.
под ред. И.Э. Берзиня, В.П. Калинина. - М.: Высш. шк., 1988. - 304 с.
.
ОАО «Вологодская сбытовая компания» [Электронный ресурс]: офиц. сайт. - Режим
доступа: http://www.vscenergo.ru/.
.
Веретенникова И.И. Амортизация и амортизационная политика / И. И.
Веретенников.- М.: Финансы и статистика, 2004.- 192 с.
.
Федеральная налоговая служба [Электронный ресурс]: офиц. сайт. - Режим доступа:
http://www.nalog.ru.
.
Безопасность жизнедеятельности / под ред. С.В. Белова, - 5-е изд., испр и доп.
- М.: Высш. шк., 2006. - 423 с.: ил.
.
Зотов Б.И. Безопасность жизнедеятельности на производстве: учебник для вузов /
Б. И. Зотов. - М.: Колос, 2000. - 423 с.
.
Инженерные расчеты систем безопасности труда и промышленной экологии / под ред.
А.Ф. Борисова. -М.: Вента-2, 2000.-256 с.
.
Кукин П.П. Безопасность технологических процессов и производств. Охрана труда /
П. П. Кукин, В. Л. Лапин. - М.: Высшая школа, 1999.-386 с.
.
Экология и безопасность жизнедеятельности: учеб, пособие для вузов / под ред.
Л.А. Муравья. - М: ЮНИТИ-ДАНА, 2000. - 447 с.