Модернизация флотомашины ХГИ-57 для обогащения угольного шлама
ВВЕДЕНИЕ
пеносниматель флотомашина привод вал
резец
Череповецкий коксохим - одно из крупнейших
производств отрасли, производит более 4 миллионов тонн кокса в год и выпускает
25 наименований товарной продукции для народного хозяйства страны, 4 из них
поставляются на экспорт.
Обогащение угля - часть технологической цепочки
КХП - совокупность процессов механической обработки его для удаления
минеральных примесей, попавших в уголь при добыче.
Цель обогащения коксующегося угля - получение
качественных углей для коксования с определенным и равномерным содержанием
влаги, золы и серы, хорошими коксующимися свойствами, с высокими
технико-экономическими показателями. Для решения этой задачи на коксохимическом
производстве ОАО «Северсталь» в углеобогатительном цехе работы ведут в
следующих направлениях:
расширяют гамму коксующихся углей и привлекают
для коксования слабо спекающиеся и труднообогатимые угли;
улучшают качество концентрата по влаге, золе,
сере и коксуемости;
снижают потери чистого угля в отходах
обогащения;
ликвидируют выпуск шламовых вод обогатительной
фабрики в реки и водоемы общего пользования;
упрощают технологические схемы обогатительной
фабрики;
внедряют новое, высокопроизводительное
оборудование и повышают производительность и эффективность существующего
оборудования;
механизируют и автоматизируют производственные
процессы.
Флотация применяется па углеобогатительных
фабриках не только для обогащения шламов, но и для своевременного удаления из
оборотной воды тонких илов. Последнее создает благоприятные условия для
замыкания водного цикла, что необходимо в современных условиях. Такая двойная
роль флотации выдвигает ее в число основных технологических процессов при
обогащении углей.
Углеобогатительная фабрика №2 введена в
эксплуатацию 28 декабря 1966 года. Её проектная мощность - 5100 тысяч тонн в
год по рядовому углю. На то время это была самая крупная в странах бывшего СНГ
фабрика по обогащению рядовах углей. Она предназначена для обогащения углей
Печорского и Кузнецкого угольных бассейнов.
Сырьевая база, сложившаяся к пуску цеха, не
соответствовала проектной. Это потребовало серьезных технологических
перестроек, что и было сделано с участием рационализаторов фабрики, при
поддержке специалистов и руководства КХП. Ликвидация большинства «узких» мест
обеспечила бесперебойную работу цеха на нагрузках значительно выше проектных.
Ход освоения фабрики характеризуется динамикой
роста количества перерабатываемого угля: 1967 год - 3000000тонн; 1968 год -
4318765тонн; 1969 год - 5161198тонн, т.е. в 1969 году освоена проектная
мощность фабрики и с этого года начинается период её бурного развития. В 1978
году фабрика вышла на переработку более 7 миллионов тонн угля в год, такой
уровень сохранялся по 1988 год.
К настоящему времени объемы переработки
увеличились еще больше, имеющееся на фабрике оборудование используется почти в
полном объеме, в некоторые периоды не справляясь вовремя с переработкой
поступающего на неё продукта. Таким образом, от фабрики требуется качественное
обогащение и в больших количествах, поэтому особенное внимание следует уделять
увеличению производительности агрегатов и повышению их надежности и
работоспособности, а это вынуждает прибегать к модернизации имеющегося
оборудования, так как на приобретение новых агрегатов нужны немалые денежные
средства.
1. АНАЛИЗ СОСТОЯНИЯ ВОПРОСА. ЦЕЛЬ И ЗАДАЧИ ВКР
Обогащение угля пенной флотацией представляет
большой интерес, главным образом потому, что флотация применима к самым мелким
размерам угля, которые, как известно, весьма неудовлетворительно обогащаются способами,
основанными главным образом на различии удельных весов. Разделение сульфидов от
пустой породы или угля от сланца при флотации почти не зависит от веса частиц,
оно основано главным образам на различии свойств их поверхностей, как например
смачиваемости их маслом или водой.
Флотация это процесс связанный с обогащением
угольного шлама, основанным на избирательном прилипании частиц угля,
находящихся в водной среде, к поверхности пузырьков воздуха. Минеральные
частицы в свою очередь, не прилипают к пузырькам воздуха, обладая другими
свойствами поверхности, чем частицы угля.
В 1860 г. Хейнс (Haynes) из Холиуэлла (Holywell)
в Уэллсе впервые предложил использовать различие в смачиваемости руды и пустой
породы маслом. В его процессе, протекающем прерывисто, «флотация воздухом» не
применялась. Б 1885 г. Брадфорд (Bradford) в США извлекал сульфиды из
«хвостов», спуская их тонкой струей по наклонному желобу на поверхность воды;
пустая порода, легко смачиваемая водой, погружалась, а сульфиды, труднее
смачиваемые, удерживались на поверхности и удалялись при сливе. Этот процесс и
является по существу настоящим просто флотационным процессом, в отличие от
современных процессов, развившихся из него и представляющих собой процессы
пенной флотации, где флотация обеспечивается устойчивым прикреплением газовых
пузырьков к твердым частицам, которые таким образом становятся пловучими.[14]
Первый процесс, напоминающий пенную флотацию,
может быть приписан женщине-металлургу. Карри Эверсон (Carrie Everson), из
Чикаго, которая усовершенствовала процесс Хейнса и в том же 1885 году стала
применять серную кислоту для усиления селективного смачивания пустой породы
водой.
Газообразная пена, образующаяся от действия
кислот на некоторые руды, привела к открытию всплываемости частиц, покрытых
масляной пленкой, если их подвергнуть аэрации. На этом теперь и базируется
промышленный процесс пенной флотации.
Флотация угля на территории нашей страны впервые
была осуществлена в 1935г. на Ново-Енакиевском коксохимическом заводе, где
первая промышленная установка была оборудована десятикамерной флотационной
машиной типа МС.[7]
Чтобы обогатить угольный шлам применяют пенную
флотацию. Смешивают воду с угольным шламом. Получившуюся смесь называют
пульпой. Далее она поступает во флотационную машину, где проводится процесс
флотации. В процессе флотации, в пульпу поступает воздух в виде мельчайших
пузырьков по диаметру не превышающих 1,5-2мм (0,3-0,5м3 на 1м3 пульпы) и
флотационный реагент, который создает условия, при которых пузырьки воздуха в
пульпе не подвергаются разрушению. Заранее подвергнутые обработке реагентом
частички угля липнут к данным пузырькам и выводятся совместно с ними на
плоскость пульпы.
Возникающие слои пенного продукта (слой по
толщине доходит до 10-14см) достаточно устойчив и богат частицами угля. В его
состав входит: вода (25-30%), воздух (55-65%) и уголь (5-20%). Такую пену,
называют минерализованной, её снимают специальным механизмом - пеноснимателем.
Частички пород смачивающиеся водой не прилипают
к пузырям воздуха и сразу опускаются на дно машины где постоянно удаляются.
Разные угли смачиваются водой по-разному: блестящие - хуже, матовые - лучше.
Поэтому угольные шламы, представляющие собой шихты, состоящие из разнообразных
углей, лучше флотируются, если в них больше содержание блестящих углей.
Подверженные окислению угли флотируются плохо, так как у них изменяются
свойства поверхностей при взаимодействии с кислородом воздуха.
Свойства поверхностей частиц (их смачиваемость)
можно искусственно менять внедрением в пульпу специализированных жидкостей,
называемых флотационными реагентами, образующие на поверхностях частиц
смачиваемые или иесмачиваемые молекулярные пленки. Реагенты, пригодные для
флотации сульфидных минералов, обычно пригодны и для флотации угля, поскольку и
уголь и сульфидные руды имеют сравнительно неокисленные поверхности и легче
смачиваются маслом, чем водой. Обычно связанные с углем примеси ведут себя так
же, как пустая порода руд в том, что они легче смачиваются водой, чем маслом.
Флотационные машины это устройства, в которых
исполняется процедура флотации. Флотационные машины из-за способа перемешивания
пульпы и создания пузырей водуха разделяются на механические, пневматические,
эрлифтные и эжекторные.[14]
Во флотационных машинах механического типа
воздух засасывается вследствие его эжекции из атмосферы движущимися потоками
пульпы, кинетическую энергию которым сообщает вращающийся импеллер.
Диспергирование воздуха в таких машинах осуществляется при совместном
трубулентном течении пульпы и воздуха в межлопаточном пространстве вращающегося
импеллера и при ударе о лопатки или стержни статора.
В пневмомеханических флотационных машинах воздух
подается принудительно в отличии от механических. Для его диспергирования также
применяют мешалки.
Воздушный метод флотации исполняется посредством
аэрации пульпы и минерализации воздушных пузырей в подъемной трубе эрлифта и
отделения минерализованных пузырей в виде пенки в поле центробежных сил.
Воздушный метод флотации содержит определенные
минусы; наиболее значительный состоит в применении воздушной среды для
перемещения пульпы между пеноотделителями.
Эжекторная флотационная машина не имеет этого
минуса. Однако и в ней сложно сохранять стабильность процесса флотации и
регулировать режим работы.
Флотационные машины механического и пневмомеханического
типов представляют собой ванну прямоугольного, трапециевидного или U-образного
сечения, разделенную перегородками на камеры, в каждой камере имеется вал с
импеллером. Валу передается вращение от электродвигателя посредством
клиноременной передачи или редуктора. В большинстве конструкций механических и
пневмомеханических флотационных машин импеллеры устанавливают внутри статоров,
роль которых заключается в повышении циркуляции пульпы и аэрирующей способности
импеллеров, а также в уменьшении вращательного движения пульпы внутри
камер.[15]
Флотационные машины выпускаются камерного и
корытного типов.В камерных машинах перегородки изолируют камеры друг от друга.
В корытных машинах, называемых прямоточными, перегородки имеют отверстия в
нижней части для прохода пульпы в последующую камеру. Каждая камера в камерной
машине имеет загрузочный и разгрузочный карманы. В прямоточной машине
загрузочный карман имеет первая камера и разгрузочный - последняя камера.
Всасывающие камеры имеют в надымпеллерной трубе (стакане) отверстия для
присоединения патрубков для всасывания в камеру промпродуктов или пульпы из
предшествующих камер в машинах камерного типа. Для регулировки уровня пульпы в
машинах устанавливают шиберные устройства с приводами.
Крупногабаритные флотационные машины оснащают
автоматическими системами для регулирования уровня пульпы. В качестве датчиков
используют фотоэлементы, поплавки, ультразвуковые устройства, пневмодатчики и
т. д. Для устранения заиливания камер крупным материалом в нижней части
выпускных карманов имеются песковые отверстия, которые открываются и
закрываются с помощью тяг с маховиками. Всплывающие в камерах минерализованные
пузырьки образуют на поверхности пульпы слой пены, содержащий флотируемые
минералы. Обычно пена удаляется из камер лопастными пеногонами. Иногда пена
удаляется самотеком.
За последние годы разработано много новых
флотационных машин и осуществлена модернизация старых конструкций. В новых и
модернизированных конструкциях установлены более совершенные аэрирующие
устройства, обладающие лучшей аэрирующей способностью, меньшей энергоемкостью и
стоимостью, большей эксплуатационной надежностью благодаря применению
современных износостойких материалов. Вследствие увеличения вместимости
флотационных камер (до 40-70м3) значительно повысилась единичная
производительность флотационных машин.[14]
На рисунках 1.1-1.8 представлены флотомашины
различных конструкций разных стран.
Рисунок 1.1 - Флотомашина ФМ-4:
- аэратор; 2 - привод; 3 - регулятор уровня
пульпы; 4 - скребковый пеногон; 5 - корпус; 6 - клиновидный ремень; 7 - кожух
привода; 8 - привод пеногона; 9 - пластинчатая цепь; 10 - труба для подачи
пульпы; 11 - импеллер; 12 - статор; 13 - загрузочная камера; 14 - вал
Рисунок 1.2 - Флотационная машина «Механобр»:
а) машина; б) импеллерный блок; 1 - камера; 2 -
импеллер; 3 - статор; 4 - радиальные успокоители; 5 - шпицкастен; 6 -
пеносниматель; 7 - надымпеллерная труба с отверстием; 8 - труба для воздуха; 9
- устройство для аварийной разгрузки
Рисунок 1.3 - Флотационная машина «Сала»
(Швеция):
а) - машина; б) импеллер; 1 - камера; 2 - вал; 3
- обсадная труба; 4 - статор; 5 - импеллер
Рисунок 1.4 - Флотационная машина «Ведаг»:
- камера; 2 - вал; 3 - обсадная труба; 4 -
импеллер; 5 - статор
Рисунок 1.5 - Флотационная машина «Денвер Суб-А»
(США):
а) - машина; б) - импеллер; в) - статор; 1 -
импеллер; 2 - статор; 3 - обсадная труба; 4 - карман; 5 - шибер для
регулирования уровня пульпы; 6 - циркуляционное отверстие для подачи пульпы на
импеллер; 7 - отверстие для удаления крупнозернистого материала; 8 - лопатки
импеллера; 9 - диск импеллера; 10 - лопатки статора
Рисунок 1.6 - Флотационная машина «Бут» (США):
а) машина; б) блок аэратора; 1 - пропеллерная
мешалка; 2 - статор; 8 - камера; 4 - обсадная труба; 5 - вал
Рисунок 1.7 - Флотационная машина «Вемко» (США):
- циркуляционная труба; 2 - импеллер; 3 -
статор; 4 - успокоительная решетка; 5 - труба опоры; 6 - труба подвода воздуха;
7 - кольцо регулирования; 8 - ложное дно
Рисунок 1.8 - План нижней части камеры машины
Гиггрококс ХГИ-57:
- импеллер; 2 - статор; 3 - лопатки
криволинейной формы; 4 - отверстия прямоугольной формы; 5 - межкамерные
перегородки
Механические флотационные машины нашли широкое
применение в операциях флотации руд цветных металлов, неметаллических полезных
ископаемых и углей.
Главные особенности, которыми должны отличаться
специальные машины для флотации угольной мелочи, основываются на принципах:
. Флотационные машины механического типа для
флотации углей должны иметъ относительно небольшую глубину. Это положение
находится в известном противоречии с необходимостыо создания достаточно
спокойной зоны пеноотстаивания; собственно говоря, согласовывая эти требования,
можно найти оптимальную глубину машины.
В литературе имеются по этому поводу самые
противоречивые указания. В частности упоминается, что в Голландии при флотации
угля успешно работают машины типа «Клейнбентинк», имеющие диаметр 3м и высоту
всего 0,8 м, обладающие емкостью 3м3. Плотность пульпы - 15% твердого. Кроме
того, указывается, что в Западной Германии при флотации углей глубина машин
механического типа (марки МС) была увеличена с 1 до 2м. Этим достигнуто
увеличение размеров пузырьков воздуха и улучшение флотации более крупных (до
1мм) частиц угля. Последнее обстоятельство может объясняться иначе, а именно -
снижением интенсивности перемешивания пульпы в более глубоких камерах, а также
увеличением в этом случае выделения воздуха из раствора.[15]
. Аэрация пульпы у машин для флотации углей
должна быть максимальной. В этом случае: а) получается достаточная площадь
поверхности пузырьков, необходимая для подъема в пену большого числа частиц
угля, б) создаются лучшие условия для флокулярной флотации и в) улучшаются
условия флотации крупных зерен. Желательно иметь возможность независимостей
регулировки аэрации пульпы и интенсивности ее перемешивания. В частности
представляется необходимым применение подачи добавочного воздуха в
диспергированном виде.
Рекомендуется испытать введение воздуха в
диспергированном виде в менее аэрированную (среднюю) зону объема машины.
Аэраторы могут быть изготовлены из фильтроткани,
перфорированной резины и других материалов.
. Значительное улучшение флотации углей может
быть достигнуто при увеличении выделения воздуха из раствора, поскольку при
этом улучшаются условия флокулярной флотации и флотации крупных зерен.
. Зона всплывания минерализованных пузырьков и,
особенно, зона отстаивания пенного слоя должны быть максимально спокойными.
. Пена должна выдерживаться на поверхности
камеры относительно недолго. При удалении пены необходимо свести к минимуму
расстояние ее передвижения.
. В случае многокамерных машин рекомендуется
избегать слишком большого количества последовательно соединенных камер, занятых
под одну операцию флотации.
. Очевидная целесообразность фракционной
загрузки реагентов при флотации углей определяет необходимость применения в
большинстве случаев машин камерного (а не корытного) типа.
. Желательно иметь в зоне всплывания пузырьков
спокойные восходящие потоки пульпы, чем облегчается перевод в пену крупных
угольных частиц, аэрофлокул и сильно минерализованных пузырьков.
Перечисленные общие положения могут иметь,
естественно, самое разнообразное конструктивное воплощение.
Так, например, при конструировании машин
механического типа следует применять наиболее производительные аэраторы,
создавать благоприятные условия для резкого снижения давления в пульпе.
Создание спокойной зоны отстаивания пены может
достигаться не только установлением наиболее выгодной конфигурации камеры, но и
изменением принятых конструкций успокоительных решеток (последние пока весьма
недостаточно снижают турбулентность потоков пульпы выше зоны аэратора).
В настоящее время на ОАО «Северсталь»
применяются флотомашины типа ХГИ-57 и МФУ-63. Работа машин ХГИ-57 недостаточно
эффективна, МФУ-63 являются более современными и производительными. Вот их
основные преимущества: их пеносниматели позволяют быстрее удалять пенный
продукт в приемные желоба, то есть эффективность обогащения у них выше; тип
привода пеноснимателей надежнее, проще и дешевле в обслуживании.
Изменение конструкции приводов пеноснимателей и
конструкции самих пеноснимателей машин ХГИ-57 на конструкцию машины МФУ-63
позволит повысить эффективность обогащения, уменьшить время ремонта и
обслуживания, упростит само обслуживание.
Далее на рисунках 1.9. и 1.10. показаны привода
вышеупомянутых машин.
Рисунок 1.9 - Привод пеноснимателей (ХГИ-57),
вид сбоку:
- электродвигатель; 2 - редуктор червячный с
двумя выходными валами; 3 - звездочка ведущая; 4 - звездочка ведомая; 5 -
звездочка натяжная; 6 - желоб для концентрата
Рисунок 1.10 - Привод пеноснимателей (МФУ-2-63),
вид сбоку:
- электродвигатель; 2 - редуктор червячный с
одним выходным валом; 3 и 4 - звездочки; 5 - желоб для концентрата
Машина ХГИ-57 состоит из 6 камер, на каждые 3
камеры работает один привод пеноснимателей, который состоит из червячного
редуктора с двумя выходными валами и двух одинаковых цепных передач; каждая из
них передает вращение двум рядам валов, снабженных лопастями, непосредственно
снимающими пенный продукт в приемные желоба.
Машина МФУ-63 имеет столько же камер, и
принципиальная схема работы идентична описанной выше машине. У нее 4 привода
пеноснимателей, каждый из которых обслуживает 1/4 машины: червячный редуктор с
одним выходным валом, цепная передача с передаточным отношением 1 и два ряда
валов с лопастями.[7]
Скорость удаления пены при механическом
пеносъеме зависит от частоты вращения и числа лопастей (гребков) пеноснимателя.
Известно много конструкций гребков для удаления пены из флотационных камер.
Чаще всего применяют гребки показаные на рисунке 1.11, а), которые сгребают
пену в желоб с поверхности камеры, находящейся близ желоба. Пена с более
отдаленных участков поверхности самотеком перемещается к освободившемуся месту.
В этом случае гребки перемещают пену порциями и на небольшое расстояние. В
основном пена передвигается сама. Скорость удаления пены может изменяться с
повышением частоты вращения вала гребков и их числа на валу. При большом объеме
пены (в частности, при флотации каменных углей) устанавливают два параллельных
ряда гребков показаные на рисунке 1.11, б). В конструкции гребков, показанной
на рисунке 1.11, в, лопасти гребков расположены вертикально, чем устраняется
давление гребков на пену при погружении в нее и вычерпывании пены - при выходе.
Для увеличения поверхности объема пены применяют гребки, установленные на цепях
или канатах показаные на рисунке 1.11, г) или передвигаемые системой рычагов
показаные на рисунке 1.11, д). При очень больших объемах пены применяют
двустороннюю её разгрузку.
Рисунок 1.11 - Типы конструкций лопастей
пеноснимателей
На рассматриваемых флотомашинах установлены
пеносниматели, подобные показанным на рисунке 1.11, в. Внешний ряд
пеноснимателей на машине ХГИ имеет двухлопастные гребки. Предлагается изменить
двухлопастные гребки на трехлопастные, как на машине типа МФУ, и увеличить
частоту вращения валов - это позволит увеличить выход годного, то есть повысить
эффективность обогащения.
Повысив частоту вращения импеллера, можно
добиться небольшого улучшения аэрированности пульпы. Этого можно достичь за
счет изменения передаточного отношения клиноременной передачи блок-импеллера.
Почти из всех флотационных машин камерный
продукт (хвосты флотации, очищенный раствор) разгружается посредством патрубка
либо с помощью задвижки и сливного порога, где более сильный поток удерживается
задвижкой (разгрузка Песковой фракции). Стабильный уровень пульпы и постоянная
толщина пенного слоя необходимы для эффективной работы всех видов флотационных
машин. Большинство флотационных машин, выпускаемых за рубежом, особенно
крупногабаритные, оснащены автоматическими системами поддержания уровня пульпы.
Существующие системы в основном однотипны и
различаются только конструкцией датчиков уровня пульпы и исполнительных механизмов,
управляющих потоком пульпы. Любая система включает в себя датчик уровня пульпы,
устройства преобразования сигнала датчика в управляющий сигнал и исполнительные
механизмы, обеспечивающие поддержание заданного уровня.[15]
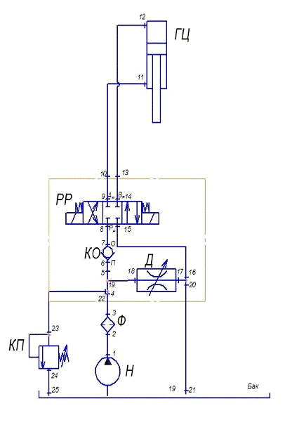
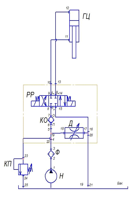
На рисунке 1.12. показана схема системы
регулирования уровня пульпы «Автофлот» фирмы «Денвер».
Рисунок 1.12 - Система регулирования уровня
пульпы «Автофлот» фирмы «Денвер»:
- датчик сопротивления, установленный на чане; 2
- подвод напряжения 120В; 3 - регулятор и вторичный фильтр; 4 - регулятор; 5 -
исполнительный механизм; 5 - опора; 7 - сливная коробка; 8 - заменяемые
резиновые гнезда клапанов; 9 - заменяемые гуммированные клапаны
Регулирование уровня пульпы на
углеобогатительной фабрике №2 на обоих типах машин осуществляется визуально и
вручную посредством шибера со штоком и штурвала. Предлагается изменить
регулятор на гидравлический с датчиком, что значительно облегчит работу
технологического персонала, наблюдающего за фронтом флотации, и позволит ему
сосредоточить внимание на других процессах.
Итак, целью данной выпускной квалификационной
работы, таким образом, является модернизация флотомашины ХГИ-57.
Исходя из заданной цели, решим следующие задачи:
рассчитаем и спроектируем привод пеноснимателей;
рассчитаем и спроектируем гидропривод регулятора
пульпы;
рассчитаем и спроектируем привод импеллера;
разработаем общий вид флотомашины.
2. КОНСТРУКТОРСКАЯ ЧАСТЬ
.1 Описание работы участка флотации
Участок флотации в углеобогатительном цехе
коксохимического производства ОАО «Северсталь» размещен в главном корпусе на
отметке +15,200. Компоновка оборудования флотационного отделения от его
производительности и места расположения. Флотационные машины для удобства
обслуживания установлены в 3 параллельных ряда на одном перекрытии с
контактными чанами. На этом же перекрытии расположены баки для реагентов.
Флотационный концентрат обезвоживается методом фильтрования на вакуум-фильтрах,
которые расположены на перекрытии, находящемся ниже отметки установки
флотомашин. Для увеличения производительности вакуум-фильтра и улучшения работы
центробежных насосов, подающих флотоконцентрат на вакуум-фильтры, применяется
установка для гашения пены (освобождение от воздушных пузырьков), например
вакуумное пеногашение.
В цехе на участке флотации работает 14
флотационных машин. 6 из них - машины типа МФУ-2-63, остальные - ХГИ-57. На
рисунке 2.1 показан план расположения флотомашин на участке.
Рисунок 2.1 - План расположения флотомашин на
участке
Использование флотации угольных шламов дает
возможность осуществить работу водно-шламового хозяйства углеобогатительного
производства в закрытом цикле.
Если вся вода после ее обработки с
сгустительно-осветлительных устройствах используются в оборотных для
технологического процесса ,такой цикл называется закрытый.
При закрытом цикле из системы удаляется шлам,
образовавшийся в процессе обогащения.
Цикл является закрытым и по воде, и по шламу
если весь шлам флотируется, а в отстойник удаляются лишь высокозольные хвосты
флотации.
В следствии перехода на закрытый цикл
существенно повышается количество флотоконцентрата (влагоемкий продукт). Из-за
этого производство должно иметь необходимую обезвоживающую технику, а также
термосушильный отдел.
Основными параметрами, определяющими
эффективность флотационного процесса и требующими автоматического
регулирования, являются: плотность и расход пульпы, расход реагентов.
Плотность флотационной пульпы регулируют
разбавлением сгущенной пульпы водой.
Для регулировки расхода пульпы и реагентов можно
использовать многие известные в технике расходомеры.
Разбавление пульпы до плотности, требуемой для
флотации, осуществляют в контактных чанах. Различная плотность пульпы в большей
степени оказывает влияние на качественные и количественные показатели
флотационных машин. Один и тот же отрегулированный расход реагентов,
увеличивающий наличие твердого вещества в пульпе приводит к потери угля в
хвостах, а понижения количества твердого - к уменьшению производства машин,
увеличению (удельного) расхода реагентов или увеличению зольности концентрата.[16]
Сложное влияние на флотацию углей оказывает
реагентный режим: выбор реагентов, порядок их введения в пульпу, дозировка,
устранение токсического действия на окружающую среду и др.
В зависимости от физико-химических свойств
используемых реагентов (вспенивателей), конструкции импеллера, числа его
оборотов меняется режим аэрации пульпы. Степень аэрации пульпы по объему в
механических машинах обычно составляет около 25% и снижается по мере износа
импеллера.
Таким образом, для обеспечения на флотационной установке
переработки всего шлама, получаемого в процессе обогащения угля и наиболее
полного извлечения горючего в концентрат с минимальными потерями в хвостах
необходимо соблюдать следующие условия:
тщательно подготовить исходный шлам для флотации
(отбор крупных частиц > 1мм на дуговом сите, смешение и усреднение в
автоматизированном смесителе, контактирование в контактном чане);
выбрать оптимальную схему флотации и плотности
пульпы, что зависит от флотируемости исходного шлама и содержания в нем тонких
и зольных частиц угля;
выбрать наиболее эффективные флотореагенты и
установить оптимальный реагентный режим;
выполнить механические параметры флотации
(оптимальная аэрированность пульпы, правильный и своевременный съем пенных
продуктов).
Кроме того, некоторой интенсификации
флотационного процесса можно достигнуть повышением температуры пульпы и
реагентов, эмульгированием реагентов и орошением флотационной пены.
2.2 Расчет и проектирование привода
пеноснимателя флотационной машины
.2.1 Описание конструкции, назначения и принципа
действия пеноснимателя. Кинематическая схема привода
Пеносниматель служит для снятия пены, которая
образуется на поверхности камеры флотомашины. Он снимает пену, обогащенную
углем, в приемные желоба, которые расположены по бокам флотационной машины.
Кинематическая схема показана на рисунке 2.2.
Рисунок 2.2 - Кинематическая схема
пеноснимателя:
электродвигатель; 2 - редуктор червячный; 3 -
муфта МУВП; 4 - подшипник качения; 5 - передача цепная; 5 - вал; 7 -вал; 8 -
лопасть пеноснимателя; 9 - коромысло пеноснимателя
Пеносниматель состоит из электродвигателя, вал
которого соединен с валом червячного редуктора, передающего движение на валы
пеноснимателя, посредством муфты МУВП. Редуктор - одноступенчатый, передаточное
отношение - 50. Синхронизированное вращение валов обеспечивает цепная передача
с передаточным отношением - 1. Валы приводят во вращение лопасти, подвешенные
на коромыслах.
2.2.2 Энергокинематический расчет привода
пеноснимателя
Данные для расчёта привода приведены в таблице
2.1.
Таблица 2.1 - Исходные данные
|
Скорость
вращения коромысла пеноснимателя
|
Vпр=
0,29 м/с
|
|
Диаметр
окружностей, описываемых коромыслами пеноснимателя
|
d=0,4м
|
|
Мощность
на валу исполнительного механизма
|
Pим=0,5кВт
|
Скорость вращения коромысла пеноснимателя:
, м/с, (2.1)
где
nр - частота вращения коромысла пеноснимателя, об/мин ;- диаметр окружности,
которую описывает коромысло пеноснимателя, 400 мм;
π
- число
пи, 3,14;
Выразим
частоту вращения коромысла пеноснимателя:
, об/мин,
(2.2)
об/мин
Потребная
мощность приводного электродвигателя:
, кВт, (2.3)
где
Рим - мощность на валу исполнительного механизма, 0,5, кВт;
ηо - единый
коэфицент полезного действия привода;
, (2.4)
где
ηм - КПД
муфты соединения, 0,985;
ηц - КПД
цепной передачи передачи, 0,97;
ηр - КПД
червячного редуктора, 0,75;
ηпк - КПД
одной пары подшипников, 0,99;
,
кВт
По
полученному значению выбираем варианты электродвигателей с мощностью 0,75 кВт
[1], но разными частотами вращения. Данные представлены в таблице 2.2.
Таблица
2.2 - Варианты электродвигателей
|
Марка
двигателя
|
Рдв,
кВт
|
nдв,
мин-1
|
КПД
%
|
|
АИР
71 А2
|
0,75
|
3000
|
78,5
|
|
4А90LA83
УЗ
|
0,75
|
700
|
75
|
|
АИР
80 А4 Р3
|
0,75
|
1250
|
73
|
|
4A
71 В4 У3
|
0,75
|
1390
|
72
|
Исходя из потребной мощности, частоты вращения
валов пеноснимателя выбираем электродвигатель переменного тока.[1] Двигатель
асинхронный, рассчитан на напряжение 220 В. Данные представлены в таблице 2.3.
Таблица 2.3 - Расчётные данные электродвигателя
|
Наименование
электродвигателя
|
4А90LА8У3
|
|
Электродвигатель
мощностью
|
N=0,75кВт
|
|
Частота
вращения электродвигателя
|
n=7501/мин
(синхр.) n=7001/мин (асинхр.)
|
|
Напряжение
|
U=220В
|
Угловая скорость вала электродвигателя:
, с-1, (2.5)
где n - частота вращения
электродвигателя, об/мин
с-1
Выбираем передаточное число
редуктора
, (2.6)
Принимаем передаточное число
редуктора U=50 в соответствии с ГОСТ 2144-76.
Так как частота вращения первого и
второго вала пеноснимателя должна быть равной, то принимаем передаточное число
цепной передачи U=1.[9]
Кинематический расчет привода
Частота вращения на валах:
,об/мин, (2.7)
где n1 - частота вращения
электродвигателя, 700 об/мин,
об/мин
Так как передаточное отношение
цепной передачи равняется 1, то частоты вращения на валах равны:
об/мин (2.8)
Угловые скорости на валах:
, (2.9)
где ω1 - угловая
скорость электродвигателя, ω1= ωэл= 73,27, с-1 ,
с-1
Так как передаточное отношение на
втором редуктора равняется 1, то угловые скорости на валах равны:
с-1
Нагрузки на валы приводов
пеноснимателя:
, кВт,(2.10)
кВт
, кВт, (2.11)
кВт
, кВт(2.12)
кВт
, кВт (2.13)
кВт
Крутящие моменты на валах:
, Н×м,(2.14)
Н×м
, Н×м(2.15)
Н×м
, Н×м(2.16)
Н×м
, Н×м (2.17)
Н×м
Поскольку выходной вал
электродвигателя и приводной вал рабочей машины лежат в разных плоскостях
перпендикулярно друг другу, то выбираем редуктор червячный.
Так как передаточное число редуктора
должно быть 50, то редуктор выбираем одноступенчатый.[1]
Выбираем червячный редуктор
Ч-100-50-52-1-К-У3 со следующими параметрами: передаточное число iр = 50, Мт=
300÷415
Н·м.
[1, таблица 5.1.54]
.2.3 Расчет цепной передачи
Исходные данные для расчета: в
приводе роликовая цепь передает вращение второму ряду валов пеноснимателя.
Крутящий момент на валу первого ряда 353,06 Нм; передаточное число u = 1;
межосевое расстояние а=545мм; расположение цепи - горизонтальное; смазывание - периодическое;
регулирование цепи также периодическое.
Расчет начинаем с выбора числа
зубьев ведущей звездочки.
, (2.18)
Берем число зубьев z1 = 27.
Получаем количество зубьев ведомой звездочки
z2 = z1 =27, так как передаточное число равно 1.
Находим шаг цепи t:
, мм,(2.19)
где Т3 - момент врощения на валу, Т3
= 353,06, Нм;
[σ] = 40, МПа ;р =
1;
Кэ - коэффициент, учитывающий
конкретные условия монтажа и эксплуатации цепной передачи.
Кэ =К1 ∙К2 ∙К3 ∙К4
∙К5 , (2.20)
Кэ = 1∙1∙1∙1,25∙1,5
= 1,88
Принимаем ближайшее стандартное
значение t=25,4мм.
Определяем скорость цепи υ:
, м/с (2.21)
где n3 - частота вращения вала
ведущей звездочки, n3 =14, об/мин.
м/с
Проверяем расчетное давление по
формуле:
, МПа (2.22)
МПа
Условие σ ≤
[σ] выполнено.
Подбираем цепь приводную роликовую
однорядную нормальной серии Цепь ПР 25,4 - 60 ГОСТ 13568 - 75; t = 2,54 см;
нагрузка разрушения FВ=60кН; масса одного метра цепи m = 2600г; расстояние
между внутренними пластинами b3=15,88мм; диаметр валика d = 7,95мм; диаметр
ролика d1 = 15,88мм; ширина внутренних пластин h = 24,2мм.[3]
Определяем геометрические параметры
передачи: межосевое расстояние (принимаем конструктивно) а = 21,46∙t =
21,46∙25,4 = 545мм.
Число звеньев цепи:
, мм, (2.23)=
a/t , мм,
(2.24)= z1 + z2 , (2.25)
zc = 27 + 27 = 54
, (2.26)
мм(2.27)
Расчетная длина цепи:
, мм, (2.28)
мм
Проверяем цепь по числу ударов:
, с-1, (2.29)
с-1
Допускаемое значение [ω] = (а/2)/t =
272,5/25,4 = 10,7с-1 ; условие ω≤[ω] выполнено.
Коэффициент запаса прочности цепи:
;(2.30)
где FР - разрушающая нагрузка цепи,
FР = 60∙103 Н;- окружное усилие;Ц - нагрузка от центробежных сил;-
применяемая сила от провисания цепи;
, Н, (2.31)
Н
Диаметр делительной окружности dд :
, мм, (2.32)
мм
, Н, (2.33)Ц = 2 0,162 = 0,067 Н
, Н, (2.34)
Н
Так как [s] = 7,3, то ,
следовательно, s ≥ [s]. Условие выполнено.
Предварительное натяжение цепи, Н:
, Н, (2.35)
где Kf = 6 коэффициент провисания
для горизонтальных передач;= 2,6 кг;
а = 545 мм = 0,545 м;
Следовательно:
Н
Сила давления цепи на вал, Н:
, Н, (2.36)
где kв = 1,15 коэффициент положения
передачи
Следовательно:
Н
Конструкция и размеры звездочек:
Размер диаметра наружной окружности
звездочек Dе .
, мм, (2.37)
мм
Диаметр окружности впадин Di , мм:
= dд - 2·r , мм, (2.38)
где r - радиус впадин, r =8,03мм
= 218,8- 2·8,03 = 202,74 мм
Ширина зуба звездочки, мм:
, мм, (2.39)
где BВН =15,88мм
мм
Радиус закругления зуба r3 , мм:
= 1,7·d1 , мм, (2.40)= 1,7·15,88 =
27 мм
Радиус у обода r4 =1,6мм.
Расстояние от вершины зуба до линии
центра дуг закруглений H , мм:
= 0,8 ·d1 , мм, (2.41)= 0,8·15,88 =
12,7мм
Толщина диска, мм:
С = m1 + 2 r4 , мм, (2.42)
мм
Диаметр обода, мм:
, мм, (2.43)С1 = 25,4 ctg6,7 - 1,3
24,2= 185,85 мм
Внутренний диаметр ступицы d = 45мм;
Наружный диаметр ступицы dст = 1,55d
= 1,55·45=70мм;
Длина ступицы lст = (0,8…1,5)·dст =
84 мм.
.2.4 Ориентировочный расчет и
конструирование приводного вала
Для изготовления приводного вала
выбираем сталь 40Х, улучшение, твердость 269…302 НВ
Средняя твердость НВ1 =
0,5·(302+269)=285,5
Предел прочности
Предел текучести
Предел выносливости
Определение диаметра концевого
участка вала из условия прочности на кручение:
, мм, (2.44)
мм
Выбираем
диаметр концевого участка вала согласно ГОСТ 6636-69:= 45 мм
Диаметры
остальных участков вала принимаем конструктивно, учитывая технологию сборки:п =
50 ммб = 55 мм
.2.5
Предварительный выбор подшипников и корпусов подшипниковых узлов приводного
вала
Данное
оборудование работает в средних - легких условиях, поэтому мы выбираем
шариковый радиальный однорядный подшипник серии ширин 0, средней серии: По ГОСТ
8338-75
Для
всех валов пеноснимателя устанавливаются одинаковые подшипники 310. Схема
родшипника представлена на рисунке 2.3.
Количество
валов, на которых установлены подшипники - 6.
Количество
подшипников составляет -12 штук.
Основные
характеристики подшипника 310:=50, мм; D=110, мм; B=27, мм; r=3, мм; С=61800,
Н; С0=36000, Н; m=1,08, кг; nпред=6300, об/мин.
Манжетные
уплотнения в корпусах подшипников:
ГОСТ
8752-79 1-50х70-3.
Рисунок
2.3- Схема подшипника
.2.6
Силовой расчет приводного вала рабочей машины
Рисунок
2.4 - Расчетная схема
Fоп
= 3885, Н; FM - консольная сила, действующая со стороны муфты, Н
М
= 125 ⸱√T =2300 Н
Плоскость
по горизонтали:
Расчитываем
реакции в опорах, Н:
(2.45)
(2.46)
(2.47)
(2.48)
Проверка:
;
(2.49)
+3885-6427-2058+2300=0
Построение эпюры изгибающих моментов
относительно оси OY, Нм:
= 0 Нм
Нм
Нм
Нм
Нм
Крутящий момент на приводном валу:
Мк = Т4=338,78 Нм
Определяем суммарные реакции, Н:
Н
Н
Суммарные изгибающие моменты, Нм:
.
.2.7 Проверка подшипников на
долговечность
Проверке подлежит радиальный
однорядный шариковый подшипник №310: d=50, мм; D=110, мм; B=27, мм; r=3, мм;
Сr=61800, Н; С0r=36000, Н; m=1,08, кг; nпред=6300, 1/мин.
Эквивалентная нагрузка, Н:
Е = X · Kк · R · Kб · Kт , Н, (2.50)
где R=RA = 6427, H
В соответствии с условиями работы
подшипников принимаем рабочие коэффициенты:
Кк=1,0 - вращается внутреннее
кольцо;
Кб=1,5 - коэффициент безопасности,
если возможны кратковременные нагрузки до 150 %;
Кт= 1,0 - температурный коэффициент
при рабочей температуре ≤ 100ºС;
В конструкции отсутствует осевая
нагрузка, значит Ra=0.
Где х=0,56 - коэффициент радиальной
нагрузки для радиальных шариковых подшипников.
Следовательно:
, Н, (2.51)
Определяем расчетную долговечность
подшипников.
=
, час, (2.52)=
час
Обычно в различных приводах желаемая
долговечность составляет до 36000 час, поэтому полученное значение можно
считать достаточным.
.2.8 Подбор шпонок и проверка
прочности шпоночных соединений
Геометрические размеры шпонок
выбираем в зависимости от диаметра вала и затем проверяем по условию прочности
на смятие. Проверке подлежат шпоночные соединения звездочки с приводным валом,
и соединение полумуфт с приводным валом. [2]
Для выходных ступеней вала диаметром
d1 = 45мм, на которые насаживаются полумуфты, выбираем призматические шпонки
14х9х80 ГОСТ 23360-78.
Для ступеней вала диаметром d1 =
45мм, на которые насаживаются звездочки, выбираем призматические шпонки 14х9х50
ГОСТ 23360-78.
Условие прочности на смятие:
; (2.53)
где [σ]см = 190,
Н/мм2 - допустимое напряжение смятия.
Условие прочности выполняется.
.2.9 Уточненный расчет вала
Проверяющий расчет валов на
прочность выполняется, принимая во внимание совокупное действие изгиба и
кручения. Это вычисление отображает разные виды цикла напряжений изгиба,
кручения, усталостные характеристики материала, размеры, форму и состояние
поверхности валов. Цель расчета определить коэффициенты запаса прочности в
опасном сечении вала и сравненить его с допускаемым коэффициентом запаса
прочности.
где s - общий показатель
коэффициента запаса прочности в опасном сечении вала;
[s] = 1,6…2,1 коэффициент допуска по
запасу прочности.
Опасными сечениями вала являются
сечения у торцов подшипников, где концентраторами напряжений являются канавка с
галтелью и посадка внутреннего кольца с натягом.
Нормальные напряжения в опасных
сечениях вала меняются по симметричному циклу и находятся, Н/мм2:
, Н/мм2, (2.54)
где M- суммарный изгибающий момент в
рассматриваемом сечении приводного вала, Н·м.
Проверке подлежат 2, 3, и 4 сечения
вала.
М2 = 280 Нм;
М3 = 838 Нм;
М3 = 358 Нм.НЕТТО - осевой момент
сопротивления сечения вала, мм3.
, мм3, (2.55)
мм3НЕТТО3= WНЕТТО4=
, мм3,
(2.56)НЕТТО3= WНЕТТО4=
мм3
где d3 =d4 = 50 мм.
Нормальные напряжения в опасных
сечениях вала, Н/мм2:
Касательные напряжения изменяются по
отнулевому циклу и определяются:
,Н/мм2, (2.57)
где ТПР - вращающий момент на
приводном валу, Н·м;rНЕТТО -
полярный момент инерции сопротивления сечения вала, мм3.
, мм3, (2.58)
мм3
Н/мм2
, мм3, (2.59)
мм3
Н/мм2
Последующие вычисления ведутся
только для опасного сечения вала, которое называется расчетным. Наиболее
нагруженным сечением является сечение 3.
Коэффициент концентрации нормальных
и касательных напряжений в расчетном сечении вала определяется:
, (2.60)
(2.61)
Определяем пределы выносливости в
расчетном сечении вала по нормальным и касательным напряжениям, Н/мм2:
где
- предел выносливости на изгиб.
Для стали 40Х
= 410 МПа.
, МПа, (2.62)
МПа
, МПа (2.63)
МПа
Определим коэффициент запаса
прочности по нормальным напряжениям:
, (2.64)
Определим коэффициент запаса
прочности для касательных напряжений:
, (2.65)
Вычислительный показатель запаса
прочности:
(2.66)
Требование прочности
, где
-
допускаемый коэффициент запаса прочности. Так как 2,81 ³ 1,6
требование прочности выполняется. Прочность опасного сечения вала
обеспечена.[3]
.2.10 Подборка муфт
Соединение вала электродвигателя с
быстроходным валом редуктора производим через упругую втулочно-пальцевую муфту
МУВП по ГОСТ 21525-93.[1, стр.252].
Муфта втулочно-пальцевая упругая
250-24-1-32-1 ГОСТ 21525-93.
Техническая характеристика муфты:
посадочный диаметр d = 24 и 32 мм (по валу электродвигателя и вала редуктора);
наружный диаметр D = 140 мм; максимальный момент [Тmax] = 250Н·м; угловая скорость
не более 315 с-1; смещение радиальное - 0,3 мм, угловое - 1º. Тип муфты -
I и II (с цилиндрическим посадочным отверстием на валу двигателя и коническим
посадочным отверстием на валу редуктора).
Соединение вала электродвигателя с
приводным валом производим через упругую втулочно-пальцевую муфту МУВП по ГОСТ
21425-93.[4, стр.252].
Муфта втулочно-пальцевая упругая
500-45-1 ГОСТ 21425-93.
Техническая характеристика муфты:
посадочный диаметр d = 45 мм (по валу электродвигателя и приводного вала);
наружный диаметр D = 170 мм; максимальный момент [Тmax] = 500Н·м; угловая
скорость не более 315 с-1; смещение радиальное - 0,3 мм, угловое - 1º. Тип муфты -
I (с цилиндрическим посадочным отверстием).
.3 Расчет и проектирование
гидропривода регулятора пульпы
.3.1 Вычисление и подбор
исполнительного гидродвигателя
Определение нагрузочных и скоростных
параметров гидродвигателя:
Для решения этой задачи нам нужны
нагрузочные и скоростные параметры привода и кинематические схемы передаточного
механизма между входным звеном гидродвигателя и рабочим механизмом установки.
Исходные данные для проектирования:
поступательное движение
гидродвигателя (гидроцилиндр);
поступательное перемещение рабочего
органа;
max осевое усилие 3000Н;
максимальная линейная скорость
Vmax.=0,1м/с;
ход поршня 0,4 м.
В нашем случае совершается
поступательное движение рабочего органа и выходного звена гидродвигателя.
На основе характеристик привода
определяем максимальную скорость и наибольшее осевое усилие:
д max.= Vmax.=0,1м/с;
R д
max.= Rmax.=3000H;
Установление геометрических
параметров и выбор гидродвигателя.
Исполнительным гидродвигателем
выбираем дифференциальный гидроцилиндр. Основные параметры гидроцилиндра :
диаметр штока, диаметр поршня и рабочее давление.
По формуле оределим диаметр поршня
гидроцилиндра:
, мм, (2.67)
где: р1 - давление в напорной
полости гидроцилиндра;
р2 - давление в сливной полости
гидроцилиндра.
р1= 2/3 * Рн ; Рн = 6,3 МПа ; р1 =
2/3 * 6,3 = 4,2 МПа;
Принимаем: р2 = 0,5 МПа
(противодавления 0,25 … 0,85 МПа).
- коэффициенты, с учетом данной
конструкции ГЦ (с односторонним штоком).
По ГОСТ 6840-68 и ОСТ2 Г29 - 1 - 77
выбираем D = 50 мм ;
Тогда d = 0,707; D = 0,707 * 50 = 35
мм. Принимаем d = 32 мм.
По ТУ2 - 0221050.004-88 для ГЦ с
односторонним штоком [1, таблица 3.7] выбираем ГЦП 50 * 32 * 400 ТУ2 -
0221050.004 - 88
.3.2 Составление принципиальной
схемы гидропривода
Начнем составлять принципиальную
схемы гидропривода от гидроцилиндра, то есть нарисуем на схему гидроцилиндр, а
затем на его гидролинии установим регулирующие и направляющие гидроаппараты в
соответствии с циклограммой работы привода и способом регулирования скорости.
Потом объединим сливную, напорную и дренажную линии отдельных участков схемы.
Последней задачей нужно изобразить: гидросхемы насоса, разположение фильтра,
предохранительного клапана, обратного клапана, дросселя.
Схема монтажа насосной установки
окончательно определяется после подбора её модели. С помощью схемы реверсивного
распределителя предусматривается разгрузка насоса в положении «стоп».
Рисунок 2.5 - Принципиальная схема
.3.3 Расчет и выбор насосной установки
Выберем насосную установку отталкиваясь от
необходимых расходов жидкости и давления в гидроприводе.
Гидроцилиндр с односторонним штоком:
, л/мин, (2.68)
, л/мин, (2.69)
где QПmax, QОmax - наибольшие
затраты жидкости необходимые при подводе и отводе;ст, F2ст - эффективные
площади типового гидроцилиндра соответственно в напорных и сливных
полостях;ДmaxП , vДmaxО - наибольшие скорости соответственно при подводе и отводе;
ДmaxП=0,1 м/c (условие);ДmaxО=0,1
м/с (условие).
, м2, (2.70)
м2
, м2, (2.71)
м2
Определим наибольшие расходы
жидкости:
л/мин
л/мин
Максимальное из полученных значений
Q max = 11,76 л/мин
Номинальная подача насоса обязана быть
больше Q max:н >.Q max;
Требуемое давление на выходе из
насоса:
рн = р1 +Δрн , МПа,
(2.72)
где Δрн - сумма
потерь давления в линии, соединяющих гидроцилиндр с насосом.
Определить потери давления можно
будет после разработки гидропривода, из-за этого предварительный выбор насосной
установки производится, установив:
МПа
Из справочника [1] выбираем
нерегулируемый насос Г12 - 24АМ с Qн = 50,8 л/мин > Qmax = 11.76 л/мин .
Модификация насоса и насосной
установки:
;
где: 1 - расположение гидрошкафа в
высоту; Н = 1850 мм;
А - выполнение согласно методу
охлаждения: с терморегулятором и теплообменником;
М - выполнение по расположению и
количеству агрегатов: 1 агрегат за щитом;
Л - распoложение насоса: левое;
УХЛ - климатическое исполнение;
Г12 - 24АМ/4А90L4 - в числителе -
тип насоса; в знаменателе - электродвигатель;
Г49 - 33 - № насосного агрегата.
.3.4 Расчет и выбор гидроаппаратуры
и трубопроводов
Выбор гидроаппаратуры стыкового
монтажа:
По справочнику [1] произведем выбор
аппаратуры. Выбор направляющей аппаратуры начнем с предпочтения распределителям
типа В, отличающихся меньшими размерами и металлоемкостью.
1) реверсивный
распределитель ВЕ6.44.31.В220 - 50 Н.Д. ГОСТ 24689 -81, [1, таблица 4.1]
)
Qном.=12,5 л/мин; Qmax.=30 л/мин;
где: В -золотниковый гидрораспределитель;
Е - электрогидравлическое управление;
- размер условного прохода, мм;
- выполнение по схеме 44 [1];
- № конструкции;
Пужинный возврат;
В220 - 50 - параметры тока;
В - переменный, напряжением 220В, частотой 50Гц;
Н -кнопка ручного переключения на
электромагнитное;
Д - расположение кабеля сверху;
) Фильтр щелевой : 32 - 80 - 1К - КВ ГОСТ 21329
- 75 [1, таблица 8.8]
где 32 - номинальная пропускная способность Qном
= 32 /мин;
- номинальная тонкость фильтрации, мкм;
- исполнение конструкции;
К - резьба коническая - К ¾″;
КВ - климатическое исполнение (ГОСТ 15150 - 69
);
) предохранительный клапан непрямого действия:
10-11-10-11 ТУ2 - 053 - 1748 - 85;
где: 10 - условный проход, мм;
- исполнение по номинальному давлению настройки;
- выполнение по соединению: резьбовое с
метрической резьбой;
- ручное управлением;
) клапан обратный (стыкового монтажа ): 1МКО
10/20 ТУ2-053-1841-87;
[1, таблица 4.11] ном=40 л/мин; Рном.=20 Мпа; Qmax=100
л/мин; Рmax.=22 Мпа; dy = 10 мм
) дроссель: ПГ77-14 ТУ27-20-2205-78 [1, таблица
5.14] , .=80 1/мин; Рном=20 Мпа; dy = 10 мм; Dpн = 0,25
МПа
Выбор турбопроводов:
В качестве турпопроводов принимаем стальные
бесшовные холоднодеформируемые трубы по ГОСТ 8734 - 75 , соединенные с
развильцовкой.
Определим по формуле внутренний диаметр
трубопровода :
, мм, (2.73)
где: Q - наибольший расход жидкости
в трубопроводе, м3/с;
- рекомендованная скорость течения
жидкости в трубопроводе, м/с;
для напорных линий - 3,2, м/с;
для сливных линий - 2, м/с ;
Минимально возможная толщина
трубопроводной стенки:

, мм, (2.74)
где: р - наибольшее давление
жидкости в трубопроводе МПа;
- прочностный предел на растяжение
для материала трубопровода:
= 340 МПа (сталь 20);
КБ - коэффициент безопасности (1…7);
Разбьем трупопроводы на участки и
произведем расчёт для каждого участка.
Сливная линия (24)-(25):
мм
мм
Выбираем трубу 28*1,5 ГОСТ 8734-75;
ст
= 28-2*1,5 = 25 > 20,4 мм
> 1,05 мм
Выбираем
трубу 22 * 1,0 ГОСТ 8734 - 75 [1, таблица 8.29] (соединение с развильцовкой
типа Г93)
Проверяем
условие dст ≥ dрасп = 18,4 мм
ст
= 22 - 2*1 = 20; 20>18.4 мм
Проверяем
условие δст ≥ δрасп=0,95 мм
δ = (7*20) /
(2 * 340)/ 5 = 0,93 мм > 0,95 мм
Для
напорно - сливных линий (10)-(11);
мм
ммн= 8,6
+2*0,44 = 9,48 мм
Выбираем
трубу 10*0,6 ГОСТ 8734 - 75 соединение с развальцовкой типа Г93
Проверка
условия: dст ≥ dрасп = 8,6 мм
ст
= 10 - 2*0,6 = 8,8 мм > 8,6 мм
Проверка
условия: δст ≥ δрасп=0,44 мм
δ = (7*8,8) /
(2 * 340)/ 5 = 0,45 мм > 0,44 мм
Для
остальных гидролиний расчет произведем аналогично.
В
итоге при выборе трубопроводов [5] имеем с учетом унификации и того что при
расчете выбран средний коэффициент безопасности К = 5 (2 … 8), следующие типы
размеров труб стальных с соединением с развальцовкой типа Г93:
Напорные
линии : 22*10 ОСТ 2 Г93 - 4 - 78
В
20 ГОСТ 8733 - 78
Напорно-
сливные: 14*1 ГОСТ 2 Г93 - 4 - 78
В20
ГОСТ 8733 - 78
Сливные
линии: 12*06 ОСТ2 Г93 - 4 - 78
В20
ГОСТ 8733 - 78
.3.5
Разработка конструкции гидроблока управления
Гидроблок
управления содержит следующие аппараты:
распределитель
реверсивный РР (ВЕ6.44.31.В220 - 50 Н.Д. ГОСТ 24679 -81);
клапан
обратный КО (1МКО 10/20 ТУ2 - 053 - 1841 - 87
ТУ2-053-1738-85)
встраиваемое исполнение,
дроссель
: ПГ 78 - 14 ТУ 27 - 20 - 2205 - 78 .
Данные
устройства распологаются на специальном корпусе, конструкцию которого нужно
разработать. Аппараты крепятся к корпусу с помощью стандартизированных
крепёжных деталей (винтов). При разработке проекта корпуса гидроблока
управления необходимо обеспечить простоту, компактность и технологичность
конструкции, обеспечить удобность сборочных моментов. Нужно предусмотреть
способ закрепления его на оборудование. [4]
На
основе компоновочного эскиза выполняется сборочный чертеж гидроблока
управления, на котором проставляются габаритные, присоединительные и
установочные размеры. На основе сборочного чертежа выполняют рабочий чертеж
корпуса. Нужно учесть сложность конструкции корпуса, поэтому отверстия
обозначаются и их параметры заносятся в таблицу 2.4.
Таблица
2.4 - габариты отверстий корпуса гидроблока управления
|
N
отверстия
|
Диаметр
отверстий
|
Резьба
|
Глубина
сверления
|
Номера
соединяемых отверстий
|
|
Р
|
6
|
К
¼'
|
17
|
Рр
|
|
А
|
6
|
К
¼'
|
28
|
Ар
|
|
В
|
6
|
К
¼'
|
27
|
Вр
|
|
Т
|
6
|
К
¼'
|
23
|
Тр
|
|
Рр
|
6
|
-
|
39
|
Р
|
|
Ар
|
6
|
-
|
9
|
А
|
|
Вр
|
6
|
-
|
9
|
В
|
|
Тр
|
6
|
-
|
9
|
Т
|
.3.6 Определение потерь давления в
гидроаппаратуре и трубопроводах
Определим потери давления в гидроаппаратуре:
, МПа, (2.75)
где: Dро - перепад давления или настройки ГА;
А и В - коэффициенты
аппроксимации;мах-расход жидкости через ГА.
, МПас/м3, (2.76)
, МПас/м6, (2.77)
где: Q ном-номинальный расход в
гидроаппаратуре;
Dрном-потери
давления в гидроаппаратуре при Qном.
Величина Dрном для КО и КП из [1] равна
0,15 МПа; для PP и Ф Dро = Q
Расчет производим для режима
быстрого подвода.[5]
Фильтр целевой : 32 - 80 - 1К - КВ
ГОСТ 21429 - 75;ном.=32л/мин=32/60000 = 0,00054 м3/с;= 0,00085 м3/с; Dрном = 0,09 МПа;
МПа·с/м3
МПа·с2/м6
МПа
Гидроклапан обратный 1МКО
10/20:ном.=40 л/мин = 0,00067 м3/с; Q = 0,000196 м3/с; Dрн = 0,18 МПа; Dро = 0,15 МПа;
МПа·с/м3
МПа·с2/м6
(МПа)
Гидродвигатель: ВЕ 6.44 В220 - 50 НД
ГОСТ 24679 - 81
напорная линия : ном=12,5л/мин =
0,000208 м3/с; Q = 0,000196 м3/с; Dрн
= 0,2 МПа; Dро = 0;
МПа·с/м3
МПа·с2/м6
(МПа).
сливная линия :
= 0,000116 м3/с;
DрГАс
= 480,8*0,000116+2311390*0,0001162=0,056+0,031 = 0,087 МПа
В итоге получаем :
суммарные потери для напорной линии
:
DрГАнап
= 0,187 + 0,156 + 0,183 = 0,526 МПа
суммарные потери для сливной линии:
DрГАсл
= 0,087 МПа
Заносим показания потерь в таблицу
2.5.
Таблица 2.5 - Значения потерь
давления в гидроаппаратах
|
Наименование
и модель гидроаппарата
|
Dро; МПа
|
А;
(МПа*с)/м3
|
В;
(МПа*с2)/м6
|
Qном;
м3/с
|
DрГА; МПа
|
|
Фильтр
32 - 80 - 1К - КВ
|
0
|
84,9
|
160200
|
0,00053
|
0,187
|
|
Клапан
обратный 1 МКО 10/20
|
0,15
|
22,4
|
33415
|
0,156
|
Определение потерь давления в трубопроводах:
Потери давления происходят из-за вязкого трения
жидкости при течении ,а также из-за режима течения жидкости. Различают 2
режима: турбулентный и ламинарный, перевод из одного режима в другой происходит
при критическом числе Рейнольдса (Reкр).[4]
Поэтому всегда для любого трубопровода
определяется число Рейнольдса (Re).
=U·dст/n;(2.78)
где, U - фактическая скорость движения жидкости
в трубопроводе, м/с;
n - кинематический коэффициент вязкости жидкости.
Потом сравним это число с Reкр:
Если Re меньше Reкр, значит режим течения будет
ламинарный.
Принимаем Reкр=2300 для отверстий в корпусе
гидроблока и круглых гладких труб, а Reкр=1600 для рукавов.
Для расчета потерь давления разобьем
трубопроводы с одинаковыми диаметрами и расходами участки. Значение потерь
давления D Ре на вязкое трение:
(2.79)
где ρ- плотность
рабочей жидкости;
λi - коэффициент гидравлического
трения на i-м участке;- количество участков.
В гладких цилиндрических
трубопроводов коэффициент λi находится по формулам:
ламинарный режим λi=64/Rei
- турбулентный режим
λi=0,3164/(Rei )0,25
Участок (0)-(4)
U = 4Q* πd2 =
(4*0,00085).(3,14*0,0022) = 2,71 м/с
Re=U·d/γ = (2,71*0,02)/(4*10-6) =
1355 < 2300
Режим ламинарный :
λ = 64/Re = 64/1355 = 0,0472;
hD
= λ* (l/d)* (v2/2g)= 0.0472*(0,5/0,02)*(2,712/2*9,81) = 0,44 м
Dpв
0-4 = hв *p*g= 0,44*890*9,81=3860Па=0,00386 МПа
Результаты для всех других участков
рассчитываем по аналогичной схеме и результаты заносим в таблицу 2.6.
Таблица 2.6 - Результаты для всех
участков
|
Этап
цикла
|
Линия
|
Qmax
[м3/с]
|
Участок
|
dст;
[м]
|
fст;
[м2]
|
U
[м/с]
|
Re
|
λ
|
Li
[м]
|
D Рв [МПа]
|
|
Подвод
|
Порная
напорная
|
0,00085
|
1-4
|
0,02
|
0,00034
|
2,75
|
13550
|
0,472
|
0,5
|
0,00385
|
|
|
0,000196
|
13-12
|
0,012
|
0,000113
|
1,73
|
519
|
0,1233
|
0,25
|
0,00342
|
|
сливная
|
0,000116
|
11-10
|
0,012
|
0,000113
|
1,03
|
309
|
0,2071
|
0,25
|
0,00204
|
|
|
0,000116
|
20-21
|
0,0104
|
0,000085
|
1,40
|
364
|
0,1758
|
0,6
|
0,00885
|
|
|
0,000654
Qн - Qmax
|
22-23
|
0,025
|
0,00049
|
1,33
|
834
|
0,077
|
0,5
|
0,03
|
|
Отвод
|
напорная
напорная
|
0,00085
|
0-4
|
0,02
|
0,00034
|
2,75
|
1355
|
0,0472
|
0,5
|
0,00386
|
|
|
0,000116
|
10-11
|
0,012
|
0,000113
|
1,03
|
309
|
0,2071
|
0,25
|
0,00204
|
|
сливная
|
0,000196
|
12-13
|
0,012
|
0,000113
|
1,73
|
519
|
0,1233
|
0,25
|
0,00342
|
|
|
0,000196
|
20-21
|
0,0104
|
0,000085
|
2,31
|
601
|
0,1065
|
0,6
|
0,01459
|
Суммарные потери для напорной и сливной линий :
Dpен = 0,01318 МПа; Dpес
= 0,0289 МПа;
Местные потери давления.[5]
Dpм = v2*p/2*Σ ζ
, МПа, (2.80)
где ζ
коэффициент местных сопротивлений определяем по справочнику.
Участок (0)-(4):
Dpм = v2*p/2*Σ ζ0-4
= (2,752*890)/2*(0,1+0,3)= 0,001346 МПа
Расчет для всех остальных результатов производим
аналогично и результаты заносим в таблицу 2.7
Таблица 2.7 - расчет для остальных результатов
|
Этапы
цикла
|
Линии
|
Учас-тки
|
V,
м/с
|
Виды
местного сопротивления
|
Количество
соп-я
|
ζс
|
Σζi
|
D Рм, МПа
|
|
подвод
|
напорная
|
0-4
|
2,75
|
Вход
в трубу d=22
|
1
|
0,1
|
0,4
|
0,001346
|
|
|
|
|
Тройнк
__|__
|
1
|
0,3
|
|
|
|
напорная
|
13-12
|
1,73
|
Сужение
резкое d50/d14
|
1
|
0,8
|
1,6
|
0,00213
|
|
|
|
|
Расширение
Резкое d22/d50
|
1
|
0,8
|
|
|
|
Сливная
|
11-20
20-21
|
1,03
|
Сужение
резкое d50/d12
|
1
|
0,8
|
1,6
|
0,00076
|
|
|
|
|
Расширение
резкое d6.5/d22
|
1
|
0,8
|
|
|
|
отвод
|
напорная
|
0-4
|
2,75
|
Вход
в трубу d=22
|
1
|
0,1
|
0,4
|
0,00135
|
|
|
|
|
Тройник
__|__
|
1
|
0,3
|
|
|
|
|
5-11
|
1,03
|
Сужение
резкое d22/d10
|
1
|
0,8
|
1,6
|
0,00076
|
|
|
|
|
Расширение
резкое d8.5/d22
|
1
|
0,8
|
|
|
|
сливная
|
12-20
|
1,73
|
Сужение
резкое d22/d8.5
|
1
|
0,8
|
1,6
|
0,00213
|
|
|
|
|
Расширение
резкое d6.5/d22
|
1
|
0,8
|
|
|
Суммарные потери : Dpмн
= 0,0056 МПа; Dpм сл = 0,0029 МПа;
Суммарные потери давления:
Dpн = DpГАнам + Dpен+
Dpмн
= 0,526 + 0,01318 + 0,0056 = 0,5448 Мпа
Dpсл = DpГАсл + Dpе
сл+ Dpн
ск= 0,087+0,0289+0,0029 = 0,1188 МПа
Имеем : Dpеmax = 0,5448 МПа
Dpн треб = p1 + pеmax = 4,2+0,5848 = 4, 7848 МПа
< pн = 6,3 МПа
.4 Расчет и проектирование блок-импеллера
.4.1 Описание и принцип работы блок-импеллера
флотационной машины
Блок-импеллер флотационной машины - это
специальное механическое устройство для осуществления аэрации суспензии. Он
состоит из полого вала, верхняя часть которого проходит через корпус с двумя
подшипниками. Вверху на валу закреплен шкив, через который при помощи
клиноременной передачи от электродвигателя приводятся во вращение вал, а вместе
с ним импеллер. При подаче суспензии (пульпы) и вращении импеллера через полый
вал за счет центробежных сил и создания разрежения засасывается воздух,
необходимый для аэрации. Вокруг импеллера к дну камеры флотомашины приварены
лопасти статора, которые направляют суспензию так, чтобы вокруг импеллера не
образовывались сильные вихревые потоки (статор гасит вихри). Блок-импеллер
представляет собой единый узел, закрепленный на раме, и может быть при
необходимости быстро заменен запасным, что упрощает проведение ремонта и
уменьшает простой машины. При ударе воздуха о пластинки статора в мелких
вихревых потоках суспензии происходит его диспергирование. Пузырьки воздуха,
всплывая на поверхность, минерализуются частицами флотируемого материала.
Минерализованная пена снимается пеноснимателями.
Аэрация суспензии - один из основных факторов,
определяющих работу флотационных машин. Она должна обеспечивать оптимальную
скорость всплывания достаточного количества пузырьков определенной крупности.
При оптимальной аэрации суспензии достигаются наибольшая скорость флотации,
высокие качественные показатели обогащения и, в некоторой степени, уменьшение
расхода реагентов.
.4.2 Расчет клиноременной передачи
Исходные данные:
Мощность двигателя РНОМ = 20 кВт
Частота вращения выходного вала электродвигателя
NНОМ =1000об/мин
Передаточное число клиноременной передачи:
u=2,25
Тип ременной передачи выбирается в зависимости
от условий эксплуатации. Выбор сечения ремня производится в зависимости от
номинальной мощности электродвигателя и его частоты вращения. Выбираем клиновой
ремень нормального сечения, тип Б по ГОСТ 1284-80.
Угловая скорость выходного вала
электродвигателя, с-1:
, с-1,(2.81)
Вращающий момент на валу
электродвигателя, Нм:
, Нм,(2.82)
Минимальный диаметр ведущего шкива
клиноременной передачи принимаем в зависимости от вращающего момента[1].
Принимаем d1 = 180мм.
Диаметр ведомого шкива, мм:
(2.83)
где
.
Следовательно,
Полученное значение диаметра
округлим до стандартного. Получаем d2 = 400мм.
Фактическое передаточное число и
отклонение от заданного:
, (2.84)
(2.85)
.
Ориентировочное межосевое
расстояние, мм:
, мм, (2.86)
где h = 10,5 мм высота сечения
клинового ремня
Следовательно,
;
Расчетная длина ремня, мм:
, мм, (2.87)
Значение длины ремня округляем до
стандартного.[8] Принимаем l=2000мм.
Уточненное значение межосевого
расстояния, мм:
, мм, (2.88)
мм
Угол обхвата ремнем ведущего шкива,
град.
, град, (2.89)
град
Скорость ремня, м/с:
, м/с, (2.90)
Частота пробега ремней, с-1:
, с-1, (2.91)
где
допускаемая частота пробегов ремня.
Следовательно,
, гарантирует
срок службы ремня 1000…3000 часов.
Допустимая мощность, передаваемая
одним ремнем, кВт:
, кВт, (2.92)
где
- допустимая приведенная мощность,
которая передается одним клиновым ремнем нормального сечения,
Ср = 1 - коэффициент динамичности
нагрузки,
Сα = 0,92 - коэффициент
обхвата α1
на
меньшем шкиве,
Сl = 0,95 - коэффициент влияния
отношения,
СZ = 0,95 - коэффициент числа
ремней,
Следовательно,
кВт
Количество клиновых ремней
; (2.93)
Сила натяжения одного клинового
ремня, Н:
, Н, (2.94)
Н
Окружная сила, передаваемая
комплектом клиновых ремней, Н:
, Н, (2.95)
Н
Силы возникающие при натяжении
ведомой и ведущей ветвей, Н:
ведущая ветвь:
Н(2.96)
ведомая ветвь:
Н (2.97)
Сила давления ремней на вал, Н:
, Н,(2.98)
Н
Максимальное напряжение в сечении
ведущей ветви влияющее на прочность ремня smax,
Н/мм2:
(2.99)
где А = 138 мм2 площадь сечения;
ЕИ = 80…100 Н/мм2 - модуль
продольной упругости при изгибе для прорезиненных ремней;
ρ = 1250…1400 кг/м3 -
плотность материала ремня;
- допускаемое напряжение растяжения
для клиновых ремней;
Следовательно,
Передача работоспособна.
.4.3 Определение параметров
приводного вала
Вращающий момент на приводном валу,
Н·м:
ТПР = ТНОМ ∙ u ∙ ηРП ∙ ηПК , Н⸱м,
(2.100)
ТПР =190∙2,26∙0,97∙0,995=
414 Н∙м
Ступень приводного вала под ведомый
шкив клиноременной передачи, мм:
, мм, (2.101)
где
- допускаемые напряжения кручения
Следовательно,
.
Ступень под уплотнение крышки и
подшипник, мм:
диаметр d2 = d1 + 3,2∙r
где r = 5 мм
Следовательно, d2 = 80 + 3,2∙5
= 96мм. Диаметр вала под подшипник округляем до стандартного посадочного d2
=100мм.
Диаметры остальных ступеней, их
длины принимаем конструктивно, в соответствие с условиями компоновки.[9]
.4.4 Подбор и проверочный расчет
подшипников
В соответствие с посадочным диаметром d2 = 100мм
и нагрузками, действующими на вал, в качестве опор выбираем роликовые
конические подшипники № 7520 ГОСТ 27365-87. d=100мм, D=180мм, T=49мм, C=250кН,
C0=236кН, е=0,36, Y=1,6. Подшипники установлены враспор, помещены в корпус и
зафиксированы крышками. Крышки подшипниковых узлов закреплены винтами
А.М12-6g*20.48 ГОСТ 1491-80.
ОП =3614,4 Н:
окружная сила
, Н, (2.102)
Н
где d2 = 400 мм ,
ТПР = 414 Нм .
Определение радиальных нагрузок в
подшипниках, Н:
Н
Н
Проверка:
-FH+R1+R2+FОП = 0,
+3522+2162,4-3614,4=0.
Определяем эквивалентную
динамическую нагрузку для каждого подшипника, Н:
, Н, (2.103)
Базовую долговечность определяем для
наиболее нагруженного подшипника.
, час (2.104)
где
час
Обычно в различных приводах желаемая
долговечность составляет до 36000 час, поэтому полученное значение можно
считать достаточным.[7]
2.4.5 Расчет резьбовых соединений
Расчет производится для крепежных
болтов М20х80х66.029 ГОСТ7787-70, испытывающих напряжение растяжения.
Растягивающая сила F=2128Н (окружная сила ременной передачи). Число болтов на
каждой подшипниковой опоре z=2, материал болтов Ст 3. Затяжка неконтролируемая.
Болты поставлены с зазором. Предел текучести материала для болтов заданного
класса прочности σТ = 200
Н/мм2. Предполагая, что наружный диаметр будет находиться в пределах от 16 до
30 мм, принимаем коэффициент запаса [s] = 3.[16] Допускаемое напряжение
рассчитывается по формуле:
, Н/мм2, (2.105 )
Н/мм2
Принимаем коэффициент трения на
стыке деталей f = 0,16; коэффициент запаса по сдвигу К=1,8; число стыков i = 1.
Расчетный диаметр определяется:
, мм, (2.106)
мм
Принимаем резьбу М20 с шагом
р=2,5мм.
Диаметр отверстия под болт D0 =
21мм.
2.5 Расчет и конструирование
токарного проходного резца с механическим креплением режущей пластинки из
твердого сплава
.5.1 Выбор типа резца
Необходимо выполнить расчет и
сконструировать проходной токарный резец с механическим креплением режущей
пластины из твердого сплава для чернового точения вала из стали 40Х диаметром
120мм припуск на обработку (на сторону) h=4мм на длине L=286мм. Показатель
обработанной поверхности по шероховатости Ra=6,3мкм. Для заготовки берем
сортовой прокат, δв=750МПа.
По справочнику[10] находим резец и
устанавливаем его параметры. Тип резца - токарный проходной прямой c
механическим креплением сменной пластины. Материалом для режущей пластины
выбираем твердый сплав Т15К6 а для материала корпуса резца - сталь 40. Эскиз
обработки приведен на рисунке 2.7.
Геометрические элементы резца: форма
передней поверхности -криволинейная с отрицательной фаской (тип VI), ширина
радиусной лунки A=4мм, угол наклона главной режущей кромки λ=5°; главный
угол в плане φ=60°;
вспомогательный
угол в плане φ1=30°. Угол φ, принятый
равным 60°, согласуется с черновой обработкой в нежестких условиях, т.к.
l/d=6-12.[11] Эскиз обработки показан на рисунке 2.7.
Рисунок 2.7 - Эскиз обработки
Определяем глубину резания черновую.
Припуск снимаем за один проход.
Из этого следует :
, мм,(2.107)
мм
Назначим подачу. Для параметра
шероховатости поверхности Ra=6,3мкм, обработки стали резцом с радиусом при
вершине r=2мм S0=0,4...0,8мм/об. Учтем поправочный коэффициент для подачи
равный 1,25: S0=(0,4-0,8)∙1,25=0,5...1,0мм/об. Принимаем значение
S0=0,65мм/об.[11]
Редактируем подачу согласно
паспортных данных станка 16К20 S0=0,6мм/об.
Назначим время стойкости резца Т =
50мин:
Определим скорость резания:
, м/мин, (2.108)
Находим значение коэффициента Cν и
показателей степеней m, xν,
yν формулы.
Наружное точение твердого сплава Т15К6 и S0=0,65 мм/об Cν = 294;
xν =0,18 ; yν =0,35; m=0,15.
Учтем поправочные коэффициенты на скорость
резания.
Kν - общий поправочный
коэффициент, состоит из произведения поправочных коэффициентов необходимых для
учитывания изменений условий обработки. Определим значения этих коэффициентов:
KMν - поправочный
коэффициент необходимый для учитывания изменений механических свойств
обрабатываемого материала:
, (2.109)
По условию δв =750МПа;
.
Пν - поправочный коэффициент
необходимый для учитывания состояния поверхности заготовки. Knv = 0,9,
заготовкой выбран сортовой прокат с необработанной поверхностью;Иν - поправочный
коэффициент необходимый для учитывания изменения материала рабочей части
инструмента; KИν
=1, взят
твердый сплав Т15К6;
Kφν - поправочный
коэффициент необходимый для учитывания изменения главного угла в плане φ,
Kφν =0,9, так
как φ=60°;ν
- поправочный
коэффициент необходимый для учитывания вида обработки, Kov =1, выполняется
наружное продольное точение.[12]
Определим общий поправочный
коэффициент на скорость главного движения резания.
Kν = KMν ∙ KПν ∙ KИν∙
Kφν ∙ Koν = 1∙0,9∙1∙0,9∙1 = 0,81. (2.110)
Подставляем все найденные величины в
формулу и получаем
м/мин
Определим частоту вращения шпинделя,
соответствующую найденной скорости:
, мин-1,(2.111)
мин-1
Соответственно паспортным
характеристикам станка 16К20, редактируем действительные показания частоты
вращения : nд = 630мин-1
, м/мин, (2.112)
м/мин
Главная составляющая силы резания
равна:
, кгс, (2.113)
Находим по справочнику значения
коэффициента Срz , и показателей степеней формулы
. Для
наружного продольного точения твердосплавным резцом конструкционной стали δв =750 МПа:
Срz =300;
.
Учитываем поправочные коэффициенты
на силу резания.
Крz - общий поправочный коэффициент,
равный произведению отдельных поправочных коэффициентов необходимых для
учитывания изменений условий обработки. Определим значения этих коэффициентов:
Кмpz - поправочный коэффициент
учитывающих изменение механических свойств обрабатываемого материала;
, (2.114)
Для обработки конструкционной стали
твердосплавным резцом nр =0,75. По условию δв =750 МПа. Тогда
Kφpz - поправочный
коэффициент необходимый для учитывания изменения главного угла в плане φ. Для φ=60° и
твердосплавного резца Kφpz
= 0,94 ;γpz - поправочный
коэффициент необходимый для учитывания изменения переднего угла γ, Kypz =1,
так
как у=15° (принято по графе у=10°);
Kλpz - поправочный
коэффициент необходимый для учитывания изменения угла наклона главной режущей
кромки λ,
Kλpz =1,05, так
как λ=5°.
В приведенной формуле силы резания
Pz величина νд -
действительная скорость резания νд =120,67м/мин = 2,01м/с.
Kpz = KMpz ∙ Kφpz ∙
Kγpz∙ Kλpz = 1∙0,94∙1∙1,05 = 0,98
(2.115)
Подставляем все найденные величины в
формулу
кгс
Определим мощность, затрачиваемую на
резание:
, кВт, (2.116)
где Pz - в кгс,
νд - в м/мин;
кВт
Что бы проверить хватит ли мощности
привода станка ,нужно проверить выполнение условия :
рез ≤ Nшп
Мощность (кВт) на шпинделе станка по
приводу
шп =Nд ∙η , кВт,
(2.117)
В характеристиках станка 16К20 видим
, что NД =10кВт; η
=0,75;
шп =10∙0,75 = 7,5 кВт
Следовательно, 7,39 < 7,5 , то
есть обработка возможна.
.5.3 Определение сечения державки
Материалом для изготовления корпуса
резца выберем углеродистую сталь 40 с δв =650МПа (≈65кгс) и
допустимое напряжение на изгиб δи.д. =200МПа (≈20кгс).[17]
При условии, что h = b, то ширина
квадратного сечения корпуса резца в единицах СИ
, м, (2.118)
гдеl - вылет резца, l = 60мм;
δи.д. - допустимое напряжепие
при изгибе материала корпуса,
δи.д.=200∙106 МПа.
м
Принимая ближайшее большее значение
сечение корпуса (b = 32) и руководствуясь приведенными соотношениями, получим
высоту корпуса резца h = b = 32 . Принимаем h = 32.[13]
Проверяем прочность и жесткость
корпуса резца:
Максимальная нагрузка , допускаемая
прочностью резца:
, Н, (2.119)
В единицах СИ
Н
Возможная нагрузка которую допускает
жесткость резца:
, Н, (2.120)
где f - максимальный прогиб стрелы
резца при черновом точении,= 0,1∙10-3 м (0,1 мм);
Е = 2∙105 МПа = 2∙1011
Па = 20000 кгс/мм2;- вылет резца;- момент инерции прямоугольного сечения
корпуса, м4;
, м4, (2.121)
м4
Н
Резец достаточно прочный и жесткий,
так какдоп > Pz < Pz жест
,8 > 3675,8 < 4230,3
.5.4 Выбор габаритных размеров резца
Согласно исходным условиям для
черновой обработки детали по справочнику выбираем форму резца, у которого
передняя поверхность криволинейная с отрицательной фаской.[13]
По СТ СЭВ 190-75 выбираем
конструктивные параметры резца; длина резца составляет L =170мм; расстояние
между вершины резца и боковой поверхности по направлению лезвия n =6мм; радиус
кривизны вершины лезвия резца rв = 2мм; 1 =19мм, форма №0239А по ГОСТ 2209-82.
Угол наклона главной режущей кромки λ=5°; главный угол
в плане φ=60°;
вспомогательный
угол в плане φ1=30°;
Качество отделки (шероховатость)
передних и задних поверхностей лезвия резца Ra =0,125 и опорной поверхности
корпуса Ra =0,2; предельные отклонения габаритных размеров L =170Н16, h =32h14,
b =32h14 по ГОСТ 5688-61:; марка твердого сплава Т15К6 форма № 2421 по ГОСТ
2209-82; материал державки выбираем сталь 40 по ГОСТ 1050-88. С помощью
механического крепления будет держаться режущая пластинка.[13]
3. ТЕХНОЛОГИЧЕСКАЯ ЧАСТЬ
.1 Создание технологического
процесса изготовления червячного вала используя станки с числовым програмным
управлением
Червячнй вал испытывает большие
циклы нагружения ,а именно напряжения кручения и изгиба , в отличии от
червячного колеса поэтому тема технологической части важна.
Предприятия могут самостоятельно
изготавливать червячные валы.
Технической задачей на проектирование
будет разработать технологический процесс изготовления червячного вала по
конструкторскому чертежу.
Необходимая информация для
проектирования:
модуль осевой ms = 3,5мм;
число заходов Z1 = 1;
тип червяка - цилиндрический,
архимедов;
направление витка - правое;
ход винтовой линии - tв =10,99;
угол профиля - α = 20°;
высота витка - h = 7,7мм;
степень точности по ГОСТ 3675-56 -
7-Х;
толщина витка - Sn1 = 5,495;
материал - сталь 50Х.
.1.1 Описание конструкции и
назначение червячного вала
Деталь относится к деталям типа
валов-шестерен, то есть витки червяка выполняются заодно с валом.
Основными конструктивными элементами
червяка являются: рабочий участок с нарезанной резьбой, посадочные места под
подшипники и выходной конец для соединения с валом электродвигателя посредством
муфты.[7]
Червячные валы входят в состав
червячных передач, которые предназначаются для передачи крутящего момента между
скрещивающимися под углом 90° валами. Червяк, представленный в данной работе,
является ведущим звеном в червячном редукторе Ч-100-50-52-1-К-У3.
.1.2 Технологический контроль
чертежа детали
Конструкция червяка соответствует
ГОСТ 2.406-76 «ЕСКД. Правила выполнения чертежей цилиндрических червяков и
червячных колес».
Чертеж выполнели с отклонениями от
ГОСТ 2.316-68 «Требования нанесений на чертеж надписей, технических требований
и таблиц».
Размеры обозначили не в соответствии
с ГОСТ 2.207-68 «Нанесение размеров и предельных отклонений», а посадки и
предельные отклонения размеров по старым стандартам.
Отклонение форм и взаимной
расположенности поверхностей детали не обозначили в соответствии с ГОСТ
2.308-68 «Указание на чертежах предельных отклонений формы и расположения
поверхностей».
Маркировку шероховатости обработки
нанесли не в соответствии с ГОСТ 2.309-73 «Нанесение на чертежах обозначений
шероховатости поверхности», а по старому стандарту.
Все размерные линии и параметры
размеров нанесли в соответствии с ГОСТ 2.303-68.
Внешнюю рамку, рамку поля чертежа
выполнили в соответствии с ГОСТ 2.301-68.
Деталь изображена одним главным
видом. У главного вида сделан местный разрез на червячной резьбе, что делает
наиболее полное представление о детали. Кроме того, на чертеже есть еще один
разрез, которые расположены выше главного вида. Этих изображений недостаточно
для правильного представления о детали. Следует применить выносные элементы для
канавок, центровочных отверстий и для профиля червячной резьбы.
В верхнем правом углу находится
таблица с параметрами о червяке. В технических условий содержится информация,
которая не уместилась в таблице; дополнительной информации для технологического
проектирования нет.
Некоторые детали конструкции
представлены не в соответствии с действующими стандартами.[2] Чертеж детали
показан на рисунке 3.1.
Рисунок 3.1. - Чертеж детали
.1.3 Анализ технологичности
конструкции
Технологичность конструкции является
условием влияния на характер технологического процесса. Проведем характеристику
технологичности по частям конструкции детали и техническим условиям на ее
изготовление.
Нетехнологичные элементы
конструкции:
Сложная форма детали, предполагающая
достаточно значительный расход материала: ступени, витки резьбы;
Получение конических поверхностей;
Получение шпоночного паза на
конической ступени;
Нарезание червячной резьбы;
Специальные методы обработки;
Необходимость применения специальных
инструментов;
Необходимость в слесарной обработке;
Высокая степень точности
изготовления червяка и посадочных мест под подшипники;
Сложность контроля профиля зуба,
шпоночного паза.
Технологичные элементы:
Достаточно недорогой и доступный
материал;
Материал хорошо подвергается
обработке лезвийным инструментом и материалами с абразивными частицами;
Большинство операций можно выполнить
на стандартном оборудовании (вертикально - фрезерная, круглошлифовальная,
токарная);
Применяются универсальные
приспособления.
Таким образом, в целом деталь
является технологичной и пригодной для обработки силами своего ремонтного
участка.
.1.4 Выбор метода изготовления и
формы заготовки
Назначение, конструкция детали,
материал и технические требования определяют метод изготовления заготовки.
Для заготовоки червяка обычно
выбирается сортовой калиброванный прокат или поковка. Из-за низкого количества
изготовки червяков , а так же их небольших размеров нет цели использовать
специальные поковки с определенными механическими свойствами и стуктурой.[14]
Данная заготовка выбирается по
требуемому химическому составу стали, необходимых механических свойств,
оптимальной макро- и микроструктуре материала, что необходимо при изготовлении
быстроходного червячного вала.
Возможные заготовки представлены на
рисунке 3.2. Заготовка 1 - это поковка l=320мм и Ø60мм;
заготовка 2 - это сортовой прокат длиной 4000мм и Ø61мм;
заготовка 3 - это сортовой прокат Ø61мм с обработанными торцами и
центровыми отверстиями длиной 310мм.
Рисунок 3.2 - Возможные варианты
заготовок
Путем расчета технологической
себестоимости обосновывается экономический выбор заготовки:
Ццена материала заготовки 1= 47000
Руб/т ,
Ццена материала заготовки 2= 25000
Руб/т .
Таким образом, наиболее
предпочтительной является заготовка 2, т.к. затраты на его изготовление меньше.
К тому же на нем обработаны торцы имеются центровочные торцы и хим. состав
заготовки удовлетворяют требованиям.
.1.5 Выбор структуры обработки
червячного вала
Червячный вал можно обработать по
типовому плану. Схема стуктуры показана на рисунке 3.3.
Рисунок 3.3 - Структурная схема
обработки
Маршрут обработки:
.Отжиг.
.Токарная числовое програмное
управление:
.1. Предварительно протачиваем
наружный контур.
.2. Окончательно точим наружный
контур.
.3. Точим канавку шириной 4мм до Ø38мм.
.4. Точить канавку шириной 3мм до Ø10,2мм.
.5. Точить резьбу М12х1,25мм.
.Токарная ЧПУ:
.1. Предварительно точим наружный
контур до
Ø26мм
правую и
Ø41,5мм,
Ø43,5мм
.2. Точить ступень Ø26мм левую.
.3. Точить канавку шириной 4мм до Ø38мм.
.4. Точить наружный контур
окончательно.
.Токарно-винторезная ЧПУ:
.1. Нарезать червяк с шагом 10,99мм
черновым резцом;
.2. Нарезать червяк с шагом 10,99мм
получистовым резцом;
.3. Нарезать червяк с шагом 10,99мм
чистовым резцом.
. Вертикально-фрезерная;
Фрезеровать шпоночный паз В=6
мм
. Слесарная ;
Опилить, маркировать, срезать не
целые витки;
. Термическая;
Закалить, обработать холодом,
двукратный отпуск;
. Круглошлифовальная;
Шлифовать посадочные места
подшипников и наружную резьбу;
. Резьбошлифовальная
Шлифовать витки червяка;
. Контрольная.
.1.6 Определение типа производства и
формы организации технологических процессов
Основное технологическое время:
Токарная числовое програмное
управление - 8,0 мин;
Токарная числовое програмное
управление - 6,0 мин;
Токарно-винторезная числовое
програмное управление - 10,0 мин;
Вертикально - фрезерная - 3,0 мин;
Круглошлифовальная - 5,0 мин;
Резьбошлифовальная - 9,0 мин.
Тип производства определяем по
коэффициенту загрузки:
=
, (3.1) где : Т - среднее время
технологической операции, Т=6,83мин;
- программа выпуска на год,
N=240шт.;ч - фонд рабочего времени на год, Fч =2000час.
=
=0,014 (3.2)
Выбранный коэффициент подходит для
мелкосерийного производства.
Выберем форму организации исходя из
четырех более подходящих вариантов:
. Участки станков по видам обработки
. Специализированные участки
. Предметный участок (отделение)
. Гибкая производственная система
(ГПС)
Нашу деталь более подходит выполнить
на участке со станками по видам обработки (специализированный участок по
изготовлению зубчатых колес и червяков).
.1.7 Вычисление припуска на обработку
Любая заготовка, подвергается
механической обработке,их изготавливают с припуском на параметры готовой
детали. Данный припуск представляет излишки материала, снимаемый на станках
режущими инструментами для получения заданного класса шероховатости поверхностей
и окончательных размеров деталей.
Различия между размерами заготовки и
окончательно обработанной детали расчитывает величину припуска. Припуски
делятся на два вида: общие- припуск который снимается во время всего процесса
обработки данной поверхности. Межоперационный припуск удаляется при выполнении
отдельной операции. [16]
Размер припуска для обработки и
допуск на размеры заготовок зависят от таких факторов как:
. материал из которого сделана
заготовка,
. параметры заготовки(размеры),
. вид заготовки и способ ее
получения,
. требования на механическую
обработку,
. технические условия в отношении
качества и класс шероховатости
поверхности, точность размеров
заготовки.
Поэтому общий припуск зависит от
толщины дефектного слоя, подлежащего снятию, припуска для промежуточных
операции, погрешность установки, шероховатость поверхности. Расчитаем припуск
на наружный диаметр заготовки по Горбацевич.Чертеж и схема установки показана
на рисунке 3.4 ,а данные технологического маршрута в таблице 3.1.
Рисунок 3.4 - (чертеж и схема
установки при обработке поверхностей Ø40m6):
Таблица 3.1 - Технологические
маршруты
|
Технологические
переходы обработки поверхности Ø60m6
|
Элементы
припуска, мм
|
Расчет-ный
припуск 2zmin
|
Расчет-ный
размер dp, мм
|
Допуск
δ,
мкм
|
Предельный
размер, мм
|
Предельные
значения припусков, мкм
|
|
Rz
|
Т
|
ρ
|
|
|
|
dmin
|
dmax
|

|
|
|
Заготовка
|
150
|
250
|
1820
|
2·2220
|
45,27
|
3000
|
45,3
|
48,3
|
|
|
|
Обтачивание
|
|
|
|
|
|
|
|
|
|
|
|
предварительное
|
50
|
50
|
109
|
2·209
|
40,83
|
400
|
40,9
|
41,3
|
4400
|
7000
|
|
окончательное
|
30
|
30
|
73
|
2·133
|
40,41
|
120
|
40,41
|
40,53
|
490
|
770
|
|
Шлифование
|
|
|
|
|
|
|
|
|
|
|
|
предварительное
|
10
|
20
|
36
|
2·66
|
40,14
|
30
|
40,14
|
40,17
|
270
|
360
|
|
окончательное
|
5
|
15
|
|
2·20
|
40,01
|
20
|
40,01
|
40,03
|
130
|
140
|
Технологический маршрут обработки поверхности Ø40m6
состоит
из обтачивания предварительного и окончательного и шлифования предварительного
и окончательного.
Суммарное отклонение
, мм, (3.3)
где ρсм=1,0 мм.; ρкор=Δкl=1∙138≈0,14
мм.
мм
Допуск для поверхностей,
используемых в качестве базовых на фрезерно-центровальной операции, определяем
по ГОСТ 7505-74 для штамповок. δ3=3,0 мм.
мм (3.4)
мм (3.5)
Остаточное пространственное
отклонение:
после предварительного обтачивания ρ1=0,06·1820=109
мкм;
после окончательного обтачивания ρ2=0,04·1820=73
мкм;
после предварительного шлифования ρ3=0,02·1820=36
мкм.
Расчет минимальных значений
припусков производим, пользуясь основной формулой
, мкм, (3.8)
Минимальный припуск:
под предварительное обтачивание
мкм
под окончательное обтачивание
мкм
под предварительное шлифование
мкм
под окончательное шлифование
мкм =40,14 мм; dp2=40,41 мм;
dp1=40,83 мм; dp3=45,27 мм.
Определяем наименьший предельный
размер для каждого технологического перехода, округляя расчетные размеры
увеличением их значений.
=40,03 мм; dmax3=40,17 мм; dmax2=40,53
мм; dmax1=41,3 мм; dmax3=48,3мм
Номинальный припуск в данном случае
определяем с учетом несимметричного расположения поля допуска заготовки:
, мкм, (3.9)
Нижнее отклонение размера заготовки
находим по ГОСТ 7505-74, Нз=700 мкм:
мкм
мм
Припуски и допуски на обрабатываемые
поверхности ведущей шестерни по ГОСТ 7505-74 [15](размеры в мм) занесены в
таблицу 3.2
Таблица 3.2 - Припуски и допуски на
обрабатываемую поверхность
|
Поверхность
|
Размер
|
Припуск
|
Допуск
|
|
|
табличный
|
расчетный
|
|
|
|
|
|
|
5,13 Ø40
2·3,2+1,3
3.1.8 Выбор оборудования
Исходные данные для выбора металлорежущих
станков:
Вид обработки
Форма и расположение обрабатываемой поверхности
Размеры детали
Размеры обрабатываемой поверхности
Точность обработки
Тип производства
С учетом исходных данных [17], выбранное
оборудование приведено в таблице 3.3.
Таблица 3.3 - Технологическое оборудование
|
№
|
Операция
|
Модель
станка
|
Характеристика
|
|
1
|
Токарная
|
Токарный
станок с ЧПУ 16К20Ф3С5
|
Наибольший
диаметр обработки детали 400 мм; наибольшая длина обрабатываемой детали 100
мм; частота вращения шпинделя, 12-1600 мин-1.
|
|
2
|
Фрезерная
|
Шпоночно-фрезерный
станок 6Д91
|
Ширина
фрезеруемого паза 3…20мм; диаметр обрабатываемого вала 8…80мм; размер рабочей
поверхности стола 200х800мм; частота вращения шпинделя 500…4000об/мин;
мощность электродвигателя 2,2кВт
|
|
3
|
Круглошлифовальная,
|
Круглошлифовальный
станок 3Е12 Оснастка: поводковый патрон; вращающийся центр
|
Наибольшие
размеры обрабатываемой заготовки: диаметр - 200 мм; длина - 500 мм;
наибольшие размеры шлифовального круга - 350х40х127;частота вращения шпинделя
шлифовальной бабки, 1900-2720 мин-1; частота вращения внутришлифовального
шпинделя, 16750 мин-1.
|
|
4
|
Резьбошлифовальная
|
Резьбошлифовальный
станок 5897Б
|
|
.1.9 Выбор станочных и инструментальных
приспособлений
Исходные данные:
Вид обработки
Схема базирования
Габаритные размеры головки
Точность обработки
Тип производства
Тип силового привода
Модель станка
Выбранные приспособления приведены в таблице
3.4.
Таблица 3.4 - Станочные и инструментальные
приспособления
|
№
|
Наименование
операции
|
Наименование
приспособления
|
|
1
|
Токарная
ЧПУ
|
Универсальный
трехкулачковый самоцентрирующий патрон.
|
|
2
|
Токарно-винторезная
ЧПУ
|
Вращающийся
центр.
|
|
3
|
Шпоночно-фрезерная
|
-
|
|
4
|
Слесарная
|
Тиски
с призматическими губками.
|
|
5
|
Кругло-шлифовальная
|
Вращающийся
центр.
|
|
6
|
Резьбо-шлифовальная
|
Вращающийся
центр.
|
.1.10 Выбор режущего инструмента
Для токарной обработки наружного диаметра,
обработки торцов выбираются резцы проходные упорные с пластинками из твердого
сплава Т15К6 по ГОСТ 18879-73. Размеры державки 25×16,
длина
пластины l = 12 мм, b=10мм, s=5мм.
Для нарезания резьбы с шагом 1,25мм - резец
резьбовой с пластинкой из сплава Т5К10 и Т15К6 тип I по ГОСТ 18885-73.
Пластинка типа 11 (ГОСТ 25398-82).
Для нарезания канавки 4мм - резец канавочный
(отрезной) Т5К10 по ГОСТ 18884-73.[13]
Для нарезания канавки 3мм - резец канавочный
(отрезной) Т5К10 по ГОСТ 18884-73.
Для нарезания червяка - резец резьбовой с
пластинкой из сплава Т5К10 и Т15К6 тип II по ГОСТ 18885-73. Пластинка типа 11
(ГОСТ 25398-82).
Для шпоночно-фрезерной операции выбирается фреза
из быстрорежущей стали концевая цельная по ГОСТ 17025-71*.
Для наружного шлифования выбирается круг
шлифовальный прямого профиля ПП 32×5×10; 24А
10-П С2 7 К5 35м/с А1кл. по ГОСТ 2424-83 (из белого электрокорунда марки 24А,
зернистость 10-П, степень твердости С2, структура №7, на керамической связке
К5, с рабочей скоростью 35м/с, класс точности А, 1-й класс неуравновешенности).
Для шлифования резьбы выбирается круг
шлифовальный конического профиля 3П 63×10×10 24А
8-П С2 10 К5 35м/с А 1кл. по ГОСТ 2424-83 (из белого электрокорунда марки 24А,
зернистость 8-П, степень твердости С2, структура №10, на керамической связке
К5, с рабочей скоростью 35м/с, класс точности А, 1-й класс неуравновешенности),
с углом α=20º.Данные
о режущих инструментах показаны в таблице 3.5.
Таблица 3.5 - Режущие инструменты
|
Операция
|
Инструмент
|
Материал
реж. части
|
Элементы
конструкции
|
|
Токарная
- проточить наружный диаметр, проточить канавки, снять фаски
|
Упорно
- проходной черновой Упорно - проходной чистовой Канавочный резец
|
Т5К10
- черновая Т15К6 - чистовая
|
Напайной
|
|
Токарная
- нарезать червяк, нарезать резьбу с шагом 1,25
|
Резец
резьбовой Резец резьбовой
|
Т5К10
- черновая Т15К6 - чистовая
|
Напайной
|
|
Фрезерная
- фрезеровать шпоночный паз
|
Фреза
концевая
|
Р6М5
|
Цельная
|
|
Шлифовальная
- шлифовать посадочные места под подшипники и наружный диаметр резьбы червяка
|
Круг
шлифовальный
|
ПП
32×5×10
24А
10-П С2 7 К5 35м/с А1кл.
|
Прямой
профиль
|
|
Шлифовальная
- шлифовать червяк
|
Круг
шлифовальный
|
3П
63×10×10
24А
8-П С2 10 К5 35м/с А 1кл.
|
Конический
профиль
|
.1.11 Выбор средств измерения и контроля
Средства измерения и контроля выбраны для
контрольной операции, предусмотренной в конце технологического процесса.
Исходные данные:
Тип контролируемой поверхности и контролируемого
параметра
Габаритные размеры и масса детали
Размер и форма контролируемой поверхности
Точность контролируемого параметра
Тип производства
При выборе средства измерения следует учитывать:
где δ - допуск.
Для контроля наружного диаметра
детали выбираем микрометр гладкий МК-175 с пределами измерений 0÷25мм и ценой
деления 0,01мм, микрометр гладкий МК-175 с пределами измерений 25÷50мм и ценой
деления 0,01мм.
Для контроля конической ступени -
угломер.
Для контроля ширины шпоночного паза
используем плоскопараллельные концевые меры длины (плитки) по ГОСТ 9038-59.
Для контроля резьбы М12 с шагом 1,25
- кольцо-калибр (ПР, НЕ).
Для контроля резьбы червяка -
инструментальный микроскоп УИМ-21.
Для контроля радиального биения
червяка - биениемер 218 (макро-профилограф). Все используемы средства контроля
показаны в таблице 3.6.
Таблица 3.6 - Средства измерения и
контроля
|
№
|
Контролируемый
размер или параметр
|
Наименование
средства измерения
|
Метрологические
характеристики
|
|
|
|
Предельная
погрешность измерения
|
Пределы
измерения
|
Цена
деления
|
|
1
|
Диаметры
от 0мм до 25мм
|
микрометр
МК-175
|
-
|
0÷25мм
|
0,01мм
|
|
2
|
Диаметры
от 25мм до 50мм
|
микрометр
МК-175
|
-
|
25÷50мм
|
0,01мм
|
|
3
|
Конусность
Δ1:20
|
угломер
|
|
|
|
|
4
|
Шпоночный
паз
|
плоскопараллельные
концевые меры длины ГОСТ 9038-59
|
0,01мм
|
0÷150мм
|
-
|
|
5
|
Резьба
М12 с шагом 1,25
|
кольцо-калибр
(ПР, НЕ)
|
0,15мм
|
-
|
-
|
|
6
|
Резьба
червяка
|
Инструментальный
микроскоп УИМ-21
|
0,01мм
|
0÷180мм
|
-
|
|
7
|
Радиальное
биение червяка
|
Биениемер
218 (макропрофилограф)
|
0,001мм
|
-
|
-
|
|
|
|
|
|
|
|
.1.12 Выбор режимов резания для токарной
обработки
Общий порядок назначения режимов резания для
универсальных станков:
Глубина резания
Подача
Скорость резания
Для станков с ЧПУ порядок назначения:
Скорость резания
Частота вращения шпинделя
Подача на оборот
Минутная подача (скорость подачи)
Глубина резания и количество проходов с учетом
величины припуска.
Глубина резания назначалась с учетом характера
резания (чернового или чистового, наружного или внутреннего, проходными или
размерными инструментами).
Подача выбрана с учетом шероховатости
поверхности (при чистовой и получистовой обработке) либо с учетом силы резания
во избежание перегрузки привода или инструмента (при черновой обработке).[12]
Скорость резания выбрана с учетом стабильной
работы инструмента и с учетом теплостойкости материала режущей части.
Предельная теплостойкость инструмента из быстрорежущей стали 600° С обеспечивается
использованием скорости резания 15-20 м/мин, для твердосплавных инструментов с
учетом стабильной работы и теплостойкости 800° С могут быть назначены скорости
резания 50-100 м/мин.
В особых условиях находятся резьбонарезные
инструменты - скорость резания ограничивается функциональной связью с движением
подачи и принимается 5 - 10 м/мин.[2]
Режимы резания отражены в таблицах 3.7-3.10.
Таблица 3.1.7 - Режимы резания для токарной
операции
|
Операция
|
Глубина
резания t, мм
|
Подача
S, мм/об
|
Скорость
резания V, мм/мин
|
Частота
вращения заготовки n,об/мин
|
|
Проточить
наружный диаметр Ø50
черновая
черновая
|
2 1,5
|
0,1 0,1
|
114.47 157
|
650 950
|
|
Проточить
наружный диаметр
Ø40 черновая
чистовая
|
2 0,5
|
0,1 0,03
|
95,7 168,8
|
790 1100
|
|
Проточить
наружный диаметр Ø30
черновая
|
2
|
0,1
|
94,2
|
1060
|
|
Проточить
коническую поверхность ∆1:20 черновая чистовая
|
2 0,5
|
0,1 0,03
|
97,9 148,7
|
900 980
|
|
Проточить
наружный диаметр Ø12
черновая
|
2
|
0,1
|
95,4
|
1300
|
|
Проточить
канавку 4мм до Ø38
|
-
|
-
|
113,5
|
700
|
|
Проточить
канавку 3мм до Ø10,2
|
-
|
-
|
79,9
|
750
|
|
Проточить
коническую поверхность ∆1:20
|
-
|
0,03
|
145,6
|
980
|
|
Точить
резьбу с шагом 1,25мм
|
-
|
-
|
25
|
250
|
|
Точить
ступень Ø26мм
черновая чистовая
|
2
0,5
|
0,1
0,1
|
95,8
143,6
|
1430
1500
|
Проточить наружный диаметр Ø42
черновая
чистовая
,5
,1
,03
,5
,1
Таблица 3.1.8 - Режим резания для
вертикально-фрезерных операций
|
Операция
|
Глубина
резания t, мм
|
Подача
S, мм/зуб
|
Скорость
резания V, м/мин
|
Частота
вращения заготовки n,об/мин
|
|
Фрезерование
шпоночного паза B=6мм
|
-
|
0,02
мм/зуб
|
27,9
|
360
|
Таблица 3.1.9 - Режим резания для
кругло-шлифовальных операций
|
Операция
|
Скорость
круга Vк, м/с
|
Скорость
заготовки SK, м/мин
|
Глубина
шлифования t, мм
|
Частота
вращения круга n,об/мин
|
|
Шлифование
|
35
|
40
|
0,020
|
1300
|
Таблица 3.1.10 - Режим резания для
резьбо-шлифовальных операций
|
Операция
|
Скорость
круга Vк, м/с
|
Скорость
заготовки SK, мм/об
|
Глубина
шлифования t, мм
|
Частота
вращения круга n,об/мин
|
|
Шлифование
|
35
|
10,99
|
0,020
|
1000
|
.1.13 Определение технической нормы времени
Параметры штучно-калькуляционного времени:
Nin/r/= to + td + tnt[ + tjhu + tg +
tg-p , мин,
(3.10)
где: to- основное время, мин;
, мин, (3.11)
в- вспомогательное время,
определяемое продолжительностью вспомогательных приемов и холостых ходов,
мин;тех- время для технического ухода за станком, мин;
тех= 10% ÷ 12% ∙
to ,
мин, (3.12)
орг- организационное время, мин;
орг= 10% ÷ 12% ∙
(to + tв)
, мин, (3.13)
п- время перерывов, мин;
п=2,5% ∙ (to + tв) , мин,
(3.14)
п-з- подготовительно-заключительное
время, время на запуск партии, мин;
п-з=
, мин, (3.15)
Состовляющие нормы времени занесены
в таблицу 3.11
Таблица 3.11 - Нормы времени
|
№
пер
|
Наименование
операций и переходов
|
to
|
tв
|
tтех
|
tорг
|
tп
|
tп-з
|
Тшт.к
|
|
2
2.1 2.2 2.3 2.4 2.5
|
Токарная
ЧПУ Точить наружный контур предварительно. Точить наружный контур
окончательно. Точить канавку шириной 4мм до Ø38мм. Точить
канавку шириной 3мм до Ø10,2мм.
Нарезать резьбу М12х1,25мм.
|
8,0
4,5 1,5 0,5 0,5 1,0
|
0,33
|
0,96
|
1,0
|
0,2
|
1,5
|
11,99
|
|
4
4.1 4.2 4,3
|
Токарно-винторезная
ЧПУ Нарезать червяк с шагом 10,99мм черновым резцом; Нарезать червяк с шагом
10,99мм получистовым резцом; Нарезать червяк с шагом 10,99мм чистовым резцом.
|
10,0
7,0 2,0 1,0
|
0,33
|
1,2
|
1,2
|
0,2
|
0,9
|
13,83
|
|
5
|
Вериткально-фрезерная
|
3,0
|
0,33
|
0,36
|
0,38
|
0,08
|
0,5
|
4,65
|
|
8
|
Круглошлифовальная
|
5,0
|
0,33
|
0,6
|
0,62
|
0,12
|
0,7
|
7,37
|
|
9
|
Резьбошлифовальная
|
9,0
|
0,33
|
1,08
|
1,1
|
0,2
|
0,7
|
12,41
|
ЗАКЛЮЧЕНИЕ
В ходе выполнения дипломного проекта, целью
которого была модернизация флотомашины ХГИ-57, решили следующие задачи:
рассчитали и спроектировали привод
пеноснимателей;
рассчитали и спроектировали гидропривод
регулятора пульпы;
рассчитали и спроектировали привод импеллера;
разработали общий вид флотомашины.
Внедрение этих мероприятий позволит цеху
справиться с увеличивающейся нагрузкой и поможет коксохимпроизводству быть
конкурентоспособным на мировом рынке среди предприятий по производству кокса.
В технологической части проекта был разработан технологический
процесс изготовления червячного вала с применением станков с ЧПУ, а также
рассчитан и сконструирован токарный проходной резец с механическим креплением
сменной пластины из твердого сплава для чернового обтачивания этого вала.
СПИСОК ИСПОЛЬЗОВАННЫХ ИСТОЧНИКОВ
1.
Анурьев, В.И. Справочник конструктора-машиностроителя/ В.И Анурьев,- Москва:
Машиностроение, 1978-1980-405с.
.
Шейнблит, А.Е. Курсовое проектирование деталей машин/ А.Е. Шейнблит;
-Красноярск: Янтарный сказ, 1999-197с.
.
Казак, С.А. Курсовое проектирование грузоподъемных машин/ С.А. Казак, Учебное
пособие для студентов машиностроит. спец. вузов - Москва:
Высшая
школа, 1989-313с.
.
Колпаков, В. Н. Гидропневмопривод и гидропневмоавтоматика станочного
оборудования: Методические указания к выполнению курсовой работы/В. Н.
Колпаков.- Вологда: Изд-во ВоГТУ, 1999-95с.
.
Свешников, В. К. Станочные гидроприводы/ В. К. Свешников, Справочник - Москва:
Машиностроение. 1995-202с.
.
Алан, С.И. Практикум по машиноведению/ С.И. Алан,- Москва:
Просвещение,
1985- 302с.
.
Иванов, М.И. Детали машин/ М.И. Иванов,- Москва: Высшая школа,
.-
397с.
.
Иванченко, Ф.К. Расчёты грузоподъёмных и транспортирующих машин/ Ф.К.
Иванченко,-Mосква: Высшая школа, 1975.-520с.
.
Ицкович, Г.М. Курсовое проектирование деталей машин/Г.М. Ицкович;- Москва:
Машиностроение, 1964.-590с.
.
Справочник технолога-машиностроителя Т. 1,2./Под ред. А.Г. Косиловой и Р.К.
Мещерякова. - 4е изд., перераб. и доп., - Москва.: Машиностроение,1986. 656 с.,
496с.
.
Рябинин, С.С. Методические указания к выполнению курсовой работы Часть 1. Резцы
и протяжки/ С.С. Рябинин, - Вологда: Изд-во ВоГТУ,
.
- 31с.
.
Гапонкин, В.А. Обработка резанием,металлорежущий инструмент и станки/В.А.
Гапонкин, Л.К. Лукашов, Т.Г. Суворова,- Москва: Машиностроение, 1990.
.
Яняк, С.В. Методические указания по предмету Основы технологии машиностроения/
С.В. Яняк;- Вологда: Изд-во ВоГТУ, 2001-31с.
.
Балабанов, А.И. Краткий справочник технолога - машиностроителя/А.И. Балабанов,-
Москва: Издательство стандартов, 1992-313с.
.
Малов, А.Н. Справочник технолога-машиностроителя, т.2/ А.Н.
Малов,-Mосква.:Машиностроение, 1972-397с.
.
Иванов, М.Н. Детали машин/ М.Н. Иванов, - Москва: Высшая школа, 1991.
.
Аршинов, В.А. Резание металлов и режущий инструмент/ В.А. Аршинов,-Москва: Машиностроение,
1976.