Система автоматической регулировки температуры

  • Вид работы:
    Курсовая работа (т)
  • Предмет:
    Другое
  • Язык:
    Русский
    ,
    Формат файла:
    MS Word
    341,26 Кб
  • Опубликовано:
    2017-05-03
Вы можете узнать стоимость помощи в написании студенческой работы.
Помощь в написании работы, которую точно примут!

Система автоматической регулировки температуры

Содержание

1. Описание и анализ технологического процесса

. Выбор и обоснование датчика

.1 Обоснование требований к диапазону датчика и точностным характеристикам (допустимой погрешности)

.2 Выбор датчика и его типоразмер

. Описание структурной схемы автоматизации технологического процесса

. Анализ САР

.1 Определение коэффициента передачи корректирующего элемента усилителя

.2 Анализ устойчивости системы

.2.1 Алгебраический критерий (критерий Гурвица)

.2.2 Частотный критерий (критерий Найквиста)

.2.3 Определение запаса устойчивости системы

.3 Качество управления системы

.3.1 Определение статической ошибки

.3.2 Величина перерегулирования

.3.3 Время переходного процесса

. Безопасность жизнедеятельности

Заключение

Использованные источники информации

1. Описание и анализ технологического процесса


Применение холода для сохранения пищевых продуктов известно давно. Для этого использовали сначала лед и снег, а затем смеси льда с солью, что позволило получить температуры ниже 0° С.

В XIX в. появились промышленные холодильные машины. Первая холодильная машина была изобретена в 1834 г. англичанином Перкинсоном. В качестве холодильного агента был применен этиленовый эфир. Позднее в 1871 г. француз Тенье создал машину, работающую на метиловом эфире, а в 1872 г. англичанин Бойль изобрел холодильную машину, в которой использовался аммиак.

Наряду с ростом холодильной емкости постоянно развиваются холодильное машиностроение и приборостроение. Холодильные машины выпускают преимущественно в виде автоматизированных агрегатов. Большое внимание уделяют конструированию и изготовлению малых автоматизированных холодильных машин.

Рисунок 1.1 - Роторный морозильный аппарат: 1 - кольцевой коллектор для подачи и отвода хладагента, 2 - щит подпрессовывающего устройства, 3 - морозильная плита, 4 - лоток, 5 - весы, 6 - подпрессовывающее устройство, 7 - механизм передвижения стола, 8 - загрузочное устройство, 9 - механизм выгрузки замороженных блоков, 10 - конвейер, 11 - привод, 12 - вал ротора, 13 - бандаж ротора.

Малые холодильные машины получили широкое распространение в торговле и общественном питании (холодильные шкафы, камеры, прилавки, витрины, охлаждаемые торговые автоматы), в быту (холодильники, кондиционеры), на транспорте, в сельском хозяйстве, медицине и других отраслях народного хозяйства, [5].

За последние десятилетия в промышленности стали применять новый метод холодильной обработки скоропортящихся пищевых продуктов в тех случаях, когда требуется сохранять их более продолжительное время, чем охлажденные, и менее, чем замороженные. Это метод охлаждения продуктов при близкриоскопических температурах. Вода в продуктах содержит растворенные соли и поэтому замерзает не при О⁰С, а при более низкой температуре, которая на несколько градусов ниже температуры замерзания воды.

На предприятиях мясной промышленности низкие температуры используют:

для охлаждения мяса, субпродуктов, жиров и других продуктов переработки скота (технической и медицинской продукции);

для охлаждения мясопродуктов при выработке колбас, копченостей, полуфабрикатов;

для хранения охлажденного мяса и мясопродуктов;

для переохлаждения (подмораживания) и хранения переохлажденного мяса;

для замораживания и хранения мяса, субпродуктов, полуфабрикатов и готовых мясных блюд, эндокринно-ферментного сырья;

для изготовления льда и охлаждения рассолов для колбасного производства, для технологическое кондиционирование в производственных помещениях;

для сублимационной сушки мяса и мясопродуктов.

Холодильные технологические процессы подразделяют на следующие виды: охлаждение; переохлаждение (подмораживание); замораживание; отепление; размораживание. Их используют и при сублимационной сушке, криоконцентрировании и других способах консервации.

Охлаждение - это процесс понижения температуры продукта от начального до конечного значения, которое выше температуры замерзания раствора в продукте, которая для большинства продуктов близка к -1°С. Понижение температуры продуктов до начала льдообразования вызывает в них относительно небольшие изменения природных свойств, поэтому охлаждение используют наиболее широко. Например, в развитых странах объем охлаждаемых продуктов приблизительно в 10 раз больше, чем замораживаемых. Охлаждение стремятся проводить быстрее, что обычно способствует лучшему сохранению качества и меньшей потери массы продукта при прочих равных условиях. Охлаждение является наиболее приемлемым способом, так как вода, содержащаяся в продукте, не кристаллизуется, а значит, сохраняется максимально возможное количество витаминов и минеральных веществ, необходимых организму человека.

В процессе охлаждения продуктов происходит их усушка. Снизить усушку можно, используя следующие методы:

охлаждение в жидкой среде;

упаковывание продуктов во влагонепроницаемые натуральные или искусственные оболочки.

Процесс охлаждения может быть различным по способу его организации: одностадийным (параметры охлаждающего воздуха постоянны) и двух- или трехстадийным (параметры воздуха различны на каждой стадии). В зависимости от скорости охлаждения полутуш различают медленное, быстрое и ультрабыстрое охлаждение.

При одностадийном охлаждении температуру мяса доводят до 0-4 °С в толще мышц бедра в камере охлаждения ускоренным способом.

Охлаждающие системы камер, включающие охлаждающие устройства, воздуховоды и дефлекторы, могут быть различными. Воздуховоды и дефлекторы предназначены для распределения охлаждающего воздуха так, чтобы обеспечивалась требуемая скорость обдува поверхности продукта, причем, каждая полутуша мяса должна находиться в совершенно одинаковых условиях со всеми другими. Вид системы воздухораспределения выбирают в зависимости от типа воздухоохладителей и объемно-планировочного решения камеры. Температура воздуха в камерах охлаждения должна быть равномерной по всему грузовому объёму. Наиболее интенсивное движение воздуха должно быть в зоне размещения бедренных частей туш и полутуш.

Рисунок 1.2 - Морозильные аппараты Гирофриз: а) с одним барабаном: 1 - барабан; 2 - устройство для мытья ленты; 3 - преобразователь частоты; 4 - распределительный щит; 5 - вентилятор; 6 - воздухоохладитель; б) с двумя барабанами: 1 - устройство для переворачивания ленты; 2 - второй барабан; 3 - первый барабан; 4 - воздухоохладитель; 5 - вентилятор; 6 - узел разгрузки; 7 - моечное устройство; 8 - вентилятор сушки ленты; 9 - натяжное устройство.

При циклической работе камер охлаждения температура воздуха в них перед загрузкой должна быть на 3-5 °С ниже паспортной температуры, после окончания загрузки парным мясом допускается её повышение не более, чем на 5°С выше паспортной, а в конце процесса охлаждения она должна быть равной паспортной.

Замораживание - это процесс понижения температуры продукта от начального до конечного значения, которое ниже криоскопической температуры (-8°С и ниже). Этот процесс применяют в ситуации, когда требуется длительное хранение продуктов, так как льдообразование необратимо ухудшает свойства продуктов. Степень повреждения зависит от свойств продукта и режима замораживания, [3].

Для предотвращения "человеческого фактора", актуальным явилось внедрение автоматизации

Хранение охлажденного и замороженного продуктов - это процесс их содержания при постоянной температуре. Здесь важно не допускать больших колебаний температуры воздуха, циклов размораживания и замораживания.

Рисунок 1.3 - Морозильный аппарат для полужидких продуктов типа Пелло-Фриз (фирма "Фригоскандия"): 1 - верхняя гладкая лента; 2 - резервуар сырья с подвижным дозатором; 3 - нижняя лента с рифленой поверхностью; 4 - зона замораживания; 5 - выход замороженного продукта

Таким образом, для достижения заданной температуры и поддержания ее при различных технологических процессах (охлаждение, замораживание, подмораживание, размораживание) в холодильных аппаратах целесообразно применить датчик температуры КОРУНД- ТМ-01-3, который состоит из термочувствительного элемента, помещенного в корпус термозонда, при необходимости снабженного защитной арматурой, и электронного преобразователя, объединенных в единую конструкцию.

Задачи курсовой работы: осуществить выбор датчика, описать структурную схему автоматизации процесса охлаждения (замораживания) мяса и мясных продуктов и её элементы, обосновать требования к датчику параметра САР, выполнить анализ схемы автоматизации, разобрать вопросы охраны труда и охраны окружающей среды при автоматизации процесса охлаждения (замораживания) мяса и мясопродуктов.

 

2. Выбор и обоснование датчика


Датчик - это устройство, воспринимающее регистрируемый параметр и преобразующее его в физическую величину, удобную для использования в последующих элементах автоматической системы. [1]

Измерение температуры в устройствах автоматики производят с помощью датчиков, функционирующих на основе зависимости того или иного параметра чувствительного элемента от температуры. Работа их основана на тепловом расширении твердых тел, жидкостей или газов, на изменении сопротивления проводников или полупроводников или изменении термо-ЭДС.

 

.1 Обоснование требований к диапазону датчика и точностным характеристикам (допустимой погрешности)

температура датчик автоматический холодильный

Необходимо стабилизировать температурный режим процесса. Диапазон регулирования -19…-21°С (допустимые отклонения ±1˚С). Согласно заданию у0 = -20˚С (середина диапазона). Подбираем датчик с диапазоном 0…-50°С и классом точности 1,0, включенный по мостовой схеме.

В этом случае у0 = 100% = 40% от диапазона датчика. Это допустимо.

Погрешность датчика δ%=0·1/50= 0,02˚С, то есть меньше допустимого отклонения.

Если в данном примере применить датчик с диапазоном измерения 0…-50°С и того же класса точности, то относительная погрешность δ%=50·1/100=0,5°С, что не превышает допустимое по технологии отклонение.

 

2.2 Выбор датчика и его типоразмер


Датчик температуры Корунд-ТМ-01-3. Производитель - ООО "Стэнли", Россия. Технические характеристики датчика приведены в таблице 1.

Таблица 2.1 - Технические характеристики датчика

Характеристика

КОРУНД- ТМ-01-3

Диапазон измеряемых температур, °С

-50…+180

Предел основной погрешности, %

±0,25

Диапазон выходных сигналов, мА

0-5

Сопротивление нагрузки, Ом

Напряжение питания, В

12-36


Датчик температуры КОРУНД-Т состоит из термочувствительного элемента (ТЭ), помещенного в корпус термозонда, при необходимости снабженного защитной арматурой, и электронного преобразователя (ЭП), объединенных в единую конструкцию. В качестве термочувствительных элементов используются термопреобразователи сопротивления с номинальными статическими характеристиками (НСХ) по ГОСТР 5043 - 50М, 100М (медь), 50П, 100П (платина). Электронный преобразователь трансформирует сигнал, поступающий с выхода термочувствительного элемента, в унифицированный сигнал постоянного тока. Таким образом, возможно использование датчика температуры КОРУНД-Т в автоматических системах управления технологическими процессами без применения дополнительных нормирующих преобразователей [2].

 

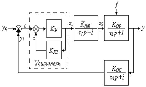
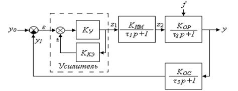
3. Описание структурной схемы автоматизации технологического процесса


Структурная схема САП ТП представлена на рисунке 3.1

Рисунок 3.1 - Структурная схема САР ТП: у 0 - заданный параметр; у - регулируемый параметр; f - возмущающее воздействие; КУ - коэффициент передачи (КП) усилительного звена; ККЭ - КП корректирующего звена; КИМ - КП исполнительного механизма; КОР - КП объекта регулирования; КОС - КП обратной связи; ε - рассогласование между у0 и у1 ; z1, z2 - промежуточные значения сигналов; τ1, τ2, τ3 - постоянные времени

Параметры звеньев САР: Ky = 200, Kим = 1,0 , Кор = 0,05 , τ2 = 10 с, Кос = 0,8 , τ3 = 13 с, у0 = -20 1 0С, τ1=0.

В системе используется усилитель RA1WT.


В качестве исполнительного механизма в системе используется датчик температур марки КОРУНД Т.


В качестве объекта регулирования в системе выступает холодильная камера.


В системе используется датчик обратной связи марки Корунд - ТМ-01-3.

 

4. Анализ САР

 

.1 Определение коэффициента передачи корректирующего элемента усилителя


Для определения коэффициента передачи корректирующего элемента усилителя Ккэ можно воспользоваться методикой расчета в [1].

В качестве исходных данных здесь необходимо использовать ограничения по статической ошибке САР, заданные для технологического процесса (согласно заданию) как y0 ± Δy = - 20. При этом следует помнить, что по определению, статическая ошибка равна разности между установившимся значением контролируемого параметра yуст и его заданным значением y0, то есть

 (4.1)

 

 

 

Между передаточной и переходной характеристиками линейной системы с постоянными параметрами лежит связь, позволяющая утверждать что

 (4.2)

Значение h(∞) характеризует состояние САР в установившемся режиме, когда все переходные процессы заканчиваются. При t → ∞ контролируемый параметр y → yуст. Предположив, что р = 0, выражение для передаточной функции САР, после преобразований имеет вид

 (4.3)

где

 

Если использовать испытательный сигнал в виде y0 1(t), то получим переходную характеристику также в виде y0 h(t). Тогда

 (4.4)

Но согласно заданию

(4.5)

или

В последнем неравенстве неизвестным является параметр ККЭ, значения которого несложно определить из системы

 (4.6)

 (4.7)

 

 

 

 

 

Так как в системе имеются звенья, охваченные обратной связью, то их заменяют одним эквивалентным звеном. Так для усилителя, входящего в состав САР (рис.1), передаточная функция будет иметь вид

 (4.8)

 

Передаточная функция САР с обратной связью определяет взаимосвязь между регулируемой величиной у(t) и задающим воздействием у 0. В операторной форме эта взаимосвязь описывается передаточной функцией К(р)

 (4.9)

где  - передаточная функция прямой передачи системы;

-передаточная функция разомкнутой системы;

-передаточная функция цепи обратной связи.

Согласно схеме САР представленной на рисунке 3.1.

 (4.10)

 

Передаточная функция разомкнутой системы

 (4.11)

 

 

 

 

4.2 Анализ устойчивости системы


Устойчивость системы - ее способность восстанавливать состояние равновесия после прекращения внешнего воздействия.

Для определения устойчивости САР существуют специальные признаки - критерии устойчивости.

 

.2.1 Алгебраический критерий (критерий Гурвица)

Данный критерий основан на анализе коэффициентов характеристического уравнения замкнутой САР

 (4.12)

 

Согласно критерию Гурвица САР будет устойчива, если все коэффициенты характеристического уравнения n-го порядка положительны и все определители Гурвица до (n-1)-го порядка больше нуля.

 

 

 

 (4.13)

Так как при  то САР устойчива.

 

.2.2 Частотный критерий (критерий Найквиста)

Этот критерий позволяет определить устойчивость замкнутой САР, используя амплитудно-фазовую характеристику (АФХ) разомкнутой САР.

Путем формальной замены в выражении разомкнутой системы р на jw, то получим выражение для АФХ разомкнутой САР.

 (4.14)

Значения вещественной и мнимой частей, используемы при построении годографа, представлены в таблице 4.1.

Таблица 4.1 - Значения вещественной и мнимой части.

W

Re

Im

0

5,98

0

0,01

5,668361

-1,556655072

0,02

4,838235

-2,801218615

0,03

3,735607

-3,565959727

0,04

2,611394

-3,859576991

0,05

1,630118

-3,799058824

0,06

0,857605

-3,524937561

0,07

0,292424

-3,151735739

0,08

-0,09831

-2,754876401

0,09

-0,35519

-2,37648381

0,1

-0,51501

-2,036065574

0,11

-0,60708

-1,739771157

0,12

-0,65317

-1,48673303

0,13

-0,66878

-1,272891032

0,14

-0,6647

-1,093099225

0,15

-0,64828

-0,942190235

0,16

-0,62449

-0,815452898

0,17

-0,59664

-0,708799691

0,18

-0,56693

-0,618781062

0,19

-0,53676

-0,542531649

0,2

-0,50704

-0,477692308

0,21

-0,47833

0,22

-0,45093

-0,374860129

0,23

-0,42503

-0,333989324

0,24

-0,40068

-0,29865474

0,25

-0,37789

-0,267983402

0,3

-0,28517

-0,163283331

0,4

-0,17431

-0,072608715

0,5

-0,11595

-0,038111649

0,6

-0,08224

-0,022358339

0,7

-0,06119

-0,014196871

0,8

-0,04724

-0,009562192

0,9

-0,03754

-0,006740754

1

-0,03053

-0,004927067

1,5

-0,0137

-0,001469098

2

-0,00773

-0,000621147

2,5

-0,00496

-0,000318353

3

-0,00344

-0,000184335

3,5

-0,00253

-0,000116121

4

-0,00194

-7,78092E-05

4,5

-0,00153

-5,4656E-05

5

-0,00124

-3,98485E-05

5,5

-0,00103

-2,99411E-05

6

-0,00086

-2,30637E-05

6,5

-0,00073

-1,81411E-05

7

-1,45253E-05

7,5

-0,00055

-1,181E-05

8

-0,00049

-9,73134E-06

8,5

-0,00043

-8,11325E-06

9

-0,00038

-6,83489E-06

0

0



Рисунок 4.1 - Годограф разомкнутой системы

 

.2.3 Определение запаса устойчивости системы

Наибольшее распространение для определения запаса устойчивости получил способ, основанный на использовании критерия Найквиста.

Определяются две величины - запас устойчивости по амплитуде и запас устойчивости по фазе.

Запас устойчивости по амплитуде определяется как величина ∆К, на которую может возрасти модуль АЧХ разомкнутой системы, чтобы система оказалась на границе устойчивости.

 (4.15)

Запас устойчивости по фазе равен величине ∆, на которую должно измениться запаздывание по фазе, чтобы система оказалась на границе устойчивости.

Так как линия годографа разомкнутой САР на рисунке 4.1 не охватывает точку (-1;j0), то можно сделать вывод, что система устойчива по критерию Найквиста. Угол ∆ между осью абсцисс и радиусом R, проведенным из центра координат в точку пересечения единичной окружности с линией годографа равен 60⁰.

 

.3 Качество управления системы


Оценка качества САУ производится по показателям качества, к которым относятся:

·    статическая ошибка;

·        величина перерегулирования;

·        время переходного процесса.

 (4.16)

 

 

 

(4.17)

 (4.18)

 

По полученному уравнению с помощью приложения Excell расчитываем значения h зависящее от t и строим график переходной характеристики.

Значения величин переходной характеристики показаны в таблице 4.2.

Таблица 4.2 - Значения переходной характеристики

t

h

0

0

1

-11,3177

2

-21,395

3

-30,0495

4

-37,1739

5

-42,7296

6

-46,7386

7

-49,2739

8

-50,4505

9

-50,4151

10

-49,3367

20

-19,0437

30

-14,4585

40

-22,2757

50

-21,6228

-20,0016

75

-20,7268

90

-20,589

155

-20,6004

170

-20,5998

180

-20,6001

190

-20,6

200

-20,6

210

-20,6

220

-20,6



Рисунок 4.1 - Переходная характеристика САР.

 

.3.1 Определение статической ошибки

Статическая ошибка может быть абсолютная и относительная. Абсолютная статическая ошибка  определяется как разность между установившемся значением регулируемого параметра ууст и его заданным значением у0.

 (4.19)

 

Относительная статическая ошибка  равна отношению абсолютной статической ошибки к заданному значению параметра у0.

 (4.20)

 

 

.3.2 Величина перерегулирования


 (4.21)

 

 

.3.3 Время переходного процесса

Данный показатель характеризует быстродействие САР, под которым понимают промежуток времени tn от начала приложения внешнего воздействия до установления значения выходной величины у(t) в пределах где - допустимая динамическая ошибка, [2].

 

5. Безопасность жизнедеятельности


Безопасность оборудования обеспечивается правильным выбором принципов действия, материалов, схем, рабочих процессов, средств защиты, механизации и автоматизации. Оборудование не должно выделять в рабочую зону вредные вещества. Оно снабжается техническими средствами безопасности, отключения, торможения, автоматической остановки; должно быть безопасным и удобным для выполнения работ. Кнопки, рычаги и другие органы аварийного отклонения снабжаются надписями, должны иметь красный цвет и быть легкодоступны.

К обслуживанию холодильных установок допускаются лица не моложе 18 лет, прошедшие медицинское освидетельствование и имеющие свидетельство об окончании специального учебного заведения или курсов по эксплуатации холодильных установок - для машинистов, по автоматизации холодильных установок - для слесарей, по контрольно-измерительным приборам и автоматике, по эксплуатации и автоматизации холодильных установок - для электромехаников.

К самостоятельному обслуживанию холодильных систем и систем кондиционирования могут быть допущены работники только после прохождения под руководством опытного наставника стажировки в течение одного месяца и соответствующей проверки знаний.

Выполнение работ в машинных и аппаратных отделениях, а также в холодильных камерах и других помещениях, где имеется холодильное оборудование, работниками, не связанными с обслуживанием холодильной системы и эксплуатацией холодильных камер (ремонт, теплоизоляция, покраска, оборудования и труб и пр.), производится после соответствующего инструктажа и под наблюдением работника, ответственного за эксплуатацию холодильной системы [3].

На каждом предприятии в соответствии с действующим положением об организации работы по охране труда должны быть разработаны и утверждены главным инженером (главным специалистом) инструкции по эксплуатации (обслуживанию) холодильного оборудования с учетом мероприятий по охране труда. Инструкции должны быть утверждены профсоюзным комитетом предприятия и доведены до обслуживающего персонала (под расписку).

На предприятии приказом должны быть назначены: лицо, ответственное за исправное состояние, правильную и безопасную эксплуатацию холодильных установок, и лицо, ответственное за регистрацию холодильных аппаратов (сосудов), надзор за ними и их техническое освидетельствование. Безопасность производственных процессов обеспечивается:

выбором технологического процесса, приемов, режимов работы и порядка обслуживания производственного оборудования;

выбором производственных помещений и площадок; исходных материалов, заготовок и полуфабрикатов, а также способов их хранения и транспортирования (в том числе готовой продукции и отходов производства);

выбором производственного оборудования и его размещением;

распределением функций между человеком и оборудованием в целях ограничения тяжести труда.

Большое значение для обеспечения безопасности имеют профессиональный отбор и обучение работающих безопасным приемам труда, правильное применение ими средств защиты.

Производственные процессы должны быть пожаро- и взрывобезопасными.

Допущенный к работе персонал должен быть проинструктирован об опасных последствиях повреждения элементов холодильных систем и систем кондиционирования о недопустимости использования оборудования и труб в качестве опор для рабочих площадок (подмостей), лестниц и средств подъема материалов и о запрещении курения в помещениях.

Лица, допущенные к техническому обслуживанию конкретной системы, кроме общетеоретических знаний и требований Правил безопасной эксплуатации холодильной установки, должны знать:

устройство, правила обслуживания и принцип работы холодильной системы, включая систему трубопроводов;

порядок выполнения работ по пуску, остановке холодильной системы и ее элементов, регулированию режима их работы (в соответствии с инструкциями организации изготовителя по обслуживанию установленного оборудования);

нормальный режим работы холодильной системы;

правила заполнения хладагентом, маслом и хладоносителем;

порядок ведения эксплуатационного журнала холодильной системы;

правила пользования средствами индивидуальной защиты;

правила охраны труда и оказания доврачебной помощи, в том числе при поражении электротоком.

Периодическая проверка знаний обслуживающего персонала по техническому обслуживанию холодильной фреоновой установки, технике безопасности, инструкций по эксплуатации оборудования и охране труда, практическим действиям по оказанию доврачебной помощи должна проводиться не реже одного раза в год комиссией, состоящей из специалистов по холодильной технике, электротехнике и технике безопасности. Состав комиссии утверждается руководством предприятия. Результаты проверки заносятся в журнал, а также в удостоверение и подписываются членами комиссии.

 

Заключение


Автоматизация технологического процесса - совокупность методов и средств, предназначенная для реализации системы или систем, позволяющих осуществлять управление самим технологическим процессом без непосредственного участия человека, либо оставления за человеком права принятия наиболее ответственных решений. Требует дополнительного применения контрольных устройств, использующих электронную технику и методы вычислений, копирующие нервные и мыслительные функции человека.

По результатам анализа САР можно сделать выводы о том, что благодаря хорошо подобранным параметрам наша система является устойчивой. Этому свидетельствует годограф разомкнутой системы и соответствующая требованиям переходная характеристика.

В ходе проделанной работы мы овладели техникой разработки конструкторских документов на различных стадиях построения и проектирования различных зависимостей, приобрели навыки самостоятельного решения сложных задач и умение анализировать полученные результаты.

В данной системе абсолютная ошибка равна  = 0,8, а относительная ошибка равна  = 0,04, величина перерегулирования =96% это говорит о том, что система автоматического регулирования технологического процесса не совсем идеальна.

Время переходного процесса САР или быстродействие системы tпр=45 секунд.

Проанализировав САР можно сказать, что рассчитанные параметры полностью подходят для беспрерывного процесса. По годографу можно увидеть, что система устойчива, она может возвращаться в состояние равновесия после прекращения внешнего воздействия.

Использованные источники информации


. Автоматика, автоматизация и АСУТП: курс лекций. Для студентов инженерно-технологического факультета / П.Ф. Богданович. - Гродно: ГГАУ, 2009 . -128 с;

. Автоматика, автоматизация и АСУТП. Методические указания по выполнению курсовой работы. Для студентов инженерно-технологического факультета / П.Ф. Богданович, Д.А. Григорьев, В.В. Потреба. - Гродно: ГГАУ, 2009. -32 с.;

. Румянцев Ю.Д., Калюнов В.С. Холодильная техника: Учеб. для вузов.- СПб.: Изд-во "Профессия",2005.-360с.;

. http://investinbelarus.by/docs/-1483.pdf;

. http://www.mylect.ru/prompit/578-konservatia-myasa.html;

6. http://www.meatbranch.com/publ/view/522.html;

. Рогов И.А., Забашта А.Г., Козюлин Г.П. Общая технология мяса и мясопродуктов.-М.: Колос, 2001, - 367 с.

Похожие работы на - Система автоматической регулировки температуры

 

Не нашли материал для своей работы?
Поможем написать уникальную работу
Без плагиата!
Без нейросетей!