Система автоматического регулирования соотношения скоростей двигателей
Министерство
образования Российской Федерации
Тульский
государственный университет
Кафедра
автоматики и телемеханики
Пояснительная
записка к курсовой работе
по дисциплине
«Моделирование
систем»
Система автоматического регулирования соотношения скоростей
двигателей
Выполнил: студент группы 220611
Кирьяков И.В.
Проверил: ассистент кафедры АТМ
Лесин В.О.
Тула 2003
Содержание
Введение
Принцип действия САР соотношения скоростей вращения двигателей
Построение сигнального графа САР соотношения скоростей вращения
двигателей
Система дифференциальных уравнений
Линеаризация системы дифференциальных уравнений
Взвешенный сигнальный граф и структурная схема линейной математической
модели САР соотношения скоростей вращения двигателей
Передаточные функции САР соотношения скоростей вращения двигателей
Заключение
Список использованных источников
Введение
Нормальный ход различных технологических и
производственных процессов может быть обеспечен лишь тогда, когда те или иные
величины, характеризующие эти процессы, удовлетворяют определенным условиям.
Так, например производство химических продуктов
требует постоянства количества и концентрации их компонентов. При термической
обработке изделий нужно, чтобы температура печи изменялась по определенному
закону с течением времени и т.п.
Необходимость поддержания той или иной величины или
изменения её в соответствии с каким-либо законом возникает в самых
разнообразных отраслях техники. В энергосистемах должно поддерживаться
постоянство напряжения и частоты, активной и реактивной мощностей, в атомной
энергетике - постоянство мощности энергетического ядерного реактора, в
радиосвязи - постоянство усиления, напряжения, частоты, тока, в космонавтике
необходимо обеспечение движения космического корабля по заданной траектории и
т.д. Сами по себе объекты, в которых протекают те или иные рабочие процессы,
часто не обеспечивают нормального их хода, иначе говоря, сами по себе объекты
не могут устранить отклонения в режиме работы, вызываемого различными
причинами. Поэтому такие объекты снабжаются управляющим или регулирующим
органом, воздействием на который можно изменить режим их работы, а значит
нужным образом управлять процессом.
Создание условий, обеспечивающих требуемое протекание
процесса, т.е. подержание необходимого режима работы, называется управлением.
Управление может быть ручным и автоматическим. При
ручном управлении воздействие на управляющий орган осуществляет человек,
наблюдающий за ходом процесса и за отклонением этого процесса от требуемого, и
воздействующий в зависимости от этого отклонения на управляющий орган так,
чтобы процесс удовлетворял заданным требованиям.
При автоматическом управлении воздействие на
управляющий орган осуществляет специальное управляющее устройство. В простейшем
случае задача управления может состоять в поддержании постоянства тех или иных
величин, характеризующих рабочий процесс. В этом случае процесс управления
называют регулированием, а управляющее устройство - автоматическим регулятором.
В данной работе описывается принцип работы системы
автоматического регулирования (САР) соотношения скоростей вращения двигателей,
строится её линейная математическая модель, а также рассматривается ряд
параметров, характеризующих систему, и зависимость их друг от друга.
Принцип действия системы автоматического
регулирования соотношения скоростей вращения двигателей
Системы автоматического управления отличаются друг от
друга объектами управления, физической природой управляемых и регулируемых
величин, конструкциями элементов управляющих устройств. Тем не менее, вне
зависимости от этих различий можно выделить несколько типов элементов, каждый
из которых характеризуется определенной функцией в составе автоматической
системы:
1) объект управления или регулирования
(ОУ0;
2) измерительное устройство (ИЗУ);
3) задающее устройство (ЗУ);
4) сравнивающее устройство (СУ);
5) усилительное устройство (УУ);
6) исполнительное устройство (ИУ);
7) корректирующее устройство (КУ).
Элементы 2-7 образуют управляющее устройство или в
простейшем случае - регулятор. В ряде управляющих устройств некоторые из этих
элементов могут отсутствовать, а другие быть объединены.
Взаимосвязь элементов САУ отражает ее функциональная
схема. Общая функциональная схема САУ изображена на рис. 15. Отдельные
функциональные элементы изображаются на схеме в виде прямоугольников, а стрелки
указывают направление передачи сигналов между элементами. Отдельный
функциональный элемент на схеме может иметь несколько входов (входящих
стрелок), но выход всегда только один.
автоматический регулирование вращение
двигатель
Рисунок 1 - Общая принципиальная схема САР
На функциональной схеме каждый прямоугольник
изображает конкретное техническое устройство, а стрелки соответствуют
конкретным физическим величинам, играющим в данной системе роль сигналов,
передающих информацию между элементами схемы.
Рассмотрим назначение и особенности элементов
функциональной схемы.
. Объект управления ОУ. Вследствие большого
разнообразия объектов управления физическая природа управляемых величин
различна. Она может представлять собой напряжение, скорость вращения, угловое
положение, курс, мощность, и так далее. Изменение режима работы осуществляет
управляющий орган. представляющий собой часть объекта (обмотки возбуждения
генератора, руль корабля. стержни ядерного реактора, вентиль в паросиловых
установках и т. д.).
Объекты управления по своим общим свойствам могут быть
устойчивыми (с самовыравниванием), нейтральными и неустойчивыми (без
самовыравнивания). В зависимости от того, какая величина является управляемой,
один и тот же объект может быть устойчивым или нейтральным.
Для осуществления автоматического управления
необходимо хорошо знать свойства и особенности объектов. Для изучения
конкретных объектов и их свойств привлекаются сведения из специальных дисциплин
соответствующей отрасли техники (электротехники, энергетики, ядерной техники,
химической технологии, авиации и т. п.).
. Измерительное устройство ИЗУ. Назначением
измерительного устройства является измерение действительного значения
управляемой величины. В зависимости от природы управляемой величины
измерительные устройства могут быть самыми разнообразными. Всякое измерительное
устройство является преобразователем управляемой величины в величину, вообще
говоря, иной физической природы, удобную для дальнейшего использования.
. Задающее устройство ЗУ. Предназначено для
установления необходимого значения управляемой величины. Усилие, необходимое
для установки заданного значения или закона изменения регулируемой величины,
как правило, весьма мало. Как и измерительное устройство, задающее устройство
часто является преобразователем. Величина на выходе задающего устройства должна
быть одинаковой природы с величиной на выходе измерительного устройства.
. Сравнивающее устройство СУ. Назначением
сравнивающего устройства является сопоставление значения управляемой величины с
ее заданным значением и, следовательно, выявление отклонение отклонения
управляемой величины от заданного значения. Сравнивающее устройство обычно
осуществляет операцию вычитания двух величин. Сравнивающее устройство называют
также датчиком ошибок, отклонения или рассогласования.
. Усилительное устройство УУ предназначено для
усиления мощности сигналов ошибки. Оно управляет энергией, поступающей от
постороннего источника. В управляющих устройствах широко используются
электронные, магнитные, гидравлические, пневматические усилители. В простейших
устройствах усилительное устройство может отсутствовать.
. Исполнительное устройство ИУ. Назначением
исполнительного устройства является воздействие на управляющий орган объекта.
. Корректирующее устройство КУ применяется для
изменения свойств САУ в нужном направлении. Корректирующие устройства образуют
внутренние связи в системе. Часто корректирующие устройства используются для
формирования управляющих воздействий, зависящих от задающих и возмущающих
воздействий, что позволяет существенно повысить динамические свойства
автоматических систем.
Принцип действия системы
автоматического регулирования соотношения скоростей вращения двигателей
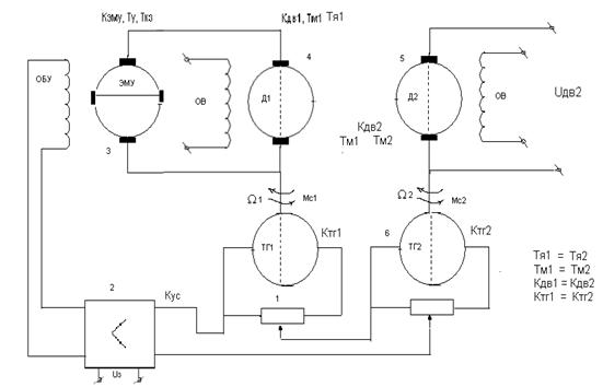
Принципиальная схема данной САР приведена на рис. 2
Прежде
всего найдём объект управления, управляемую величину и управляющее воздействие.
В данной системе объектом управления является двигатель Д1,
управляемой величиной - скорость вращения этого двигателя
д1, а
управляющим воздействием является напряжение Uз, подаваемое на клеммы усилителя У.
1. Измерительным устройством в данной САР
являются тахогенераторы ТГ1 и ТГ2.
. Задающее устройство в данной системе - это
напряжение питания усилителя Uз.
В данной САР нет независимого сравнивающего
устройства: оно встроено в усилитель У.
. САР соотношения скоростей вращения двигателей
имеет два усилительных устройства: электронный усилитель У и
электронно-машинный усилитель ЭМУ.
. Выявим возмущающие воздействия, связывающие
систему с внешней средой. К таковым относятся: напряжение возбуждения
двигателей UВД1 и UВД2, напряжение возбуждения тахогенераторов UВТ1 и UВТ2, напряжение питания двигателя UДВ2 и момент сопротивления нагрузки на
валу двигателя MC1.
Кратко
опишем принцип функционирования системы автоматического регулирования
соотношения скоростей вращения двигателей. Задача регулятора состоит в том,
чтобы поддерживать число оборотов
Д1 двигателя Д1 в заданных пределах
при изменении нагрузки. Нагрузкой двигателя является момент сопротивления на
его валу МС1. Для измерения скорости вращения двигателя Д1
применяется тахогенератор ТГ1, создающий напряжение UТГ1, и,
пропорциональное числу оборотов. Скорость вращения двигателя Д2
измеряется тахогенератором ТГ2, создающем напряжение UТГ2, и,
пропорциональное числу оборотов. Напряжение Uз, определяет максимальное напряжение UУ на выходе усилителя.
Электронно-машинный усилитель ЭМУ, входящий в состав системы
представляет собой усилитель мощности. При неравенстве напряжений UTГ1 и UТГ2 появляется
напряжение U на входе электронного усилителя У. В
результате число оборотов двигателя Д1 изменяется так, чтобы
рассогласование U уменьшилось.
Анализ
поведения системы при скачкообразном изменении возмущающего воздействия
Рассмотрим
поведение системы при скачкообразном изменении возмущающего воздействия момента
сопротивления нагрузки MC1.
Пусть задающее напряжение UЗ постоянно,
а величина сопротивления меняется по закону, изображённому на графике (рис.
2,а).
Если
напряжение UДВ1
останется неизменным, то скорость вращения
Д1 неизменно упадёт в соответствии с нагрузочной
характеристикой двигателя. Для того чтобы скомпенсировать увеличение момента
сопротивления необходимо увеличить напряжение UДВ1. Такое увеличение действительно происходит в системе
вследствие увеличения сигнала ошибки U и
напряжения возбуждения генератора UОВУ. Но компенсация увеличения момента сопротивления не
будет полной и скорость вращения двигателя всё же уменьшится. Действительно
напряжение на якоре двигателя UДВ1
может увеличиться только за счёт увеличения сигала ошибки U,
равного разности напряжения задания UR и
напряжения тахогенератора UЗ,
т.е. в конечном итоге только за счёт уменьшения скорости вращения двигателя
Д1.
Очевидно, что уменьшение будет тем меньше, чем выше коэффициент усиления
напряжения ошибки усилителем У и электромашинным усилителем ЭМУ.
Таким
образом, в данной САР, скорость вращения двигателя Д1
Д1 в
установившемся режиме зависит от величины нагрузки МС1, т.е.
САР соотношения скоростей вращения двигателей является статической системой со
статическим отклонением
(рис. 2,б).
Составим функциональную схему САР соотношения
скоростей вращения двигателей (рис.3):
Построение
сигнального графа САР соотношения скоростей вращения двигателей
Вид математической модели САУ (системы её дифференциальных
уравнений) зависит прежде всего от того, совместное изменение во времени каких
переменных отражает данная модель и какова качественная структура взаимосвязи
этих переменных. Структуру взаимосвязи переменных в системе отражает сигнальный
граф САУ.
Сигнальный граф является направленным графом и как
таковой представляет собой совокупность множества элементов (множества вершин)
и некоторого множества упорядоченных пар этих элементов (множества направленных
рёбер). В сигнальном графе роль множества вершин играет множество сигналов в
САУ, совместное изменение которых во времени описывается данной математической
моделью.
Составление списков сигналов,
соответствующих вершинам сигнального графа
Прежде всего необходимо составить список сигналов,
играющих роль внешних вершин графа. В него входят задающее и возмущающие
воздействия:
) напряжение задания UЗ [В], подаваемое на электронный
усилитель
2) скорость
привода ЭМУ
[
]
) момент
сопротивления нагрузки на валу двигателя Д1 МC1
) момент
сопротивления нагрузки на валу двигателя Д2 МC2
) напряжение
возбуждения двигателя Д1 UВД1 [B]
) напряжение
возбуждения двигателя Д2 UВД2 [B]
) напряжение
возбуждения тахогенератора ТГ1 UВТ1 [B]
) напряжение
возбуждения тахогенератора ТГ2 UВТ2 [B]
В список внутренних вершин заносим прежде всего
управляемую величину и все другие оставшиеся величины, действующие на выходах
функциональных элементов.
Теперь для каждого элемента функциональной схемы
дополняем список внутренних переменных физическими величинами, отражающими
механизм передачи сигналов от входа к выходу данного функционального элемента.
Для ЭМУ постоянного тока с напряжением UУ на входе таковыми являются:
§ ток якоря IУ [A];
§ вызываемый им магнитный поток
возбуждения ФОУ [Вб];
§ ЭДС короткозамкнутой обмотки ЕКЗ
[В]
§ Ток короткозамкнутой обмотки IКЗ [А]
§ вызываемый этим током магнитный поток
возбуждения ФКЗ [Вб];
§ напряжение на выходе ЭМУ UВ
Список промежуточных переменных для электродвигателя
составляют:
§ ток якоря IДВ [A];
§ вращающий
момент на валу двигателя MД
;
§ противо-ЭДС
якоря UДВ [B];
§ ток возбуждения
обмотки IВД [A];
§ поток возбуждения
обмотки ФВД [Вб];
§ ЭДС
самоиндукции якоря EД.
Функционирование тахогенератора характеризуется двумя
промежуточными величинами:
§ током возбуждения IВТГ [A];
§ и потоком возбуждения ФВТГ
[Вб].
В силу практически безынерционности электронного
усилителя (по сравнению с остальными элементами системы) его внутреннее
устройство не рассматривается, а связь между входной и выходной величинами
будем считать мгновенной и пропорциональной.
Сигнальный граф
На основе полученного списка вершин строится
сигнальный граф САР соотношения скоростей вращения двигателей (рис. 4).
Рис
4.сигнальный граф САР соотношения скоростей вращения двигателей
Система
дифференциальных уравнений
Дифференциальные уравнения являются одним из основных
средств анализа свойств автоматических систем. Математическая модель САР имеет
вид системы дифференциальных уравнений, связывающих значения отдельных
переменных, действующих в реальной системе.
Элементы, входящие в САР могут быть различной природы:
механические, электрические, электромеханические, пневматические,
гидравлические, тепловые и т.д. Поэтому для составления дифференциальных
уравнений элементов системы используются функциональные законы природы,
выражаемые уравнениями Ньютона, Кирхгофа, Лагранжа и т.п. Количественная связь
между переменными системы изучается в таких дисциплинах, как механика,
электротехника, электромеханика, термодинамика и др. При составлении
математической модели САР необходимо пользоваться руководствами по
соответствующим дисциплинам.
Система дифференциальных уравнений
САР соотношения скоростей вращения двигателей
Составим систему дифференциальных уравнений САР
соотношения скоростей вращения двигателей.
. Ток IДВ2, протекающий по обмотке якоря двигателя
Д2, определяется разностью напряжения на щётках якоря двигателя и
противо-ЭДС EДВ2, вырабатываемой вращающимся якорем.
Эта связь является инерционной и, в соответствии с законом электродинамики о
явлении самоиндукции, описывается дифференциальным уравнением:
2. Результирующий момент сил МРЕЗ2,
действующих на вал двигателя Д2 равен разности момента MД2 и момента сопротивления нагрузки MC2:
3. Вращающий момент на валу двигателя MДВ2 определяется мгновенным значением
тока IДВ2, протекающего по виткам якорной
обмотки, и магнитного потока возбуждения ФВД2, пересекающего
витки якоря. Величина момента MДВ2 пропорциональна
каждой из переменных ФВД2 и IДВ2:
. Угловое
ускорение вала двигателя есть производная от скорости его вращения
Д2. В свою
очередь, угловое ускорение согласно закону Ньютона, пропорционально
действующему на него вращающему моменту МРЕЗ2:
. Якорь
двигателя, вращающийся со скоростью
2 в магнитном потоке возбуждения ФВД2,
фактически представляет собой генератор, вырабатывающий противо-ЭДС EДВ2. Поэтому вид
уравнения, связывающего EЯ2, ФВД2
и
2
следующий:
. Напряжение
на щётках тахогенератора UТГ2 зависит
как от магнитного потока возбуждения тахогенератора ФВТГ2 так
и от скорости вращения вала двигателя
ТГ2 = ΩДВ2. Согласно законам физики о
явлении электромагнитной индукции напряжение UТГ2 пропорционально каждой из переменных ФВТ2
и
ТГ2 т.е.
пропорционально их произведению:
7. Напряжение обратной связи UR равно разности напряжений UТГ1 и UТГ2.
. Напряжение
на щётках тахогенератора UТГ1 зависит
как от магнитного потока возбуждения тахогенератора ФВТГ1 так
и от скорости вращения вала двигателя
ТГ1 = ΩДВ1. Согласно законам физики о
явлении электромагнитной индукции напряжение UТГ1 пропорционально каждой из переменных ФВТ1
и
ТГ1 т.е.
пропорционально их произведению:

Результирующий
момент сил МРЕЗ1, действующих на вал двигателя Д1 равен
разности момента MД1 и
момента сопротивления нагрузки MC1:
9. Вращающий момент на валу двигателя MДВ1 определяется мгновенным значением
тока IДВ1, протекающего по виткам якорной
обмотки, и магнитного потока возбуждения ФВД1, пересекающего
витки якоря. Величина момента MДВ1
пропорциональна каждой из переменных ФВД1 и IДВ1:
. Угловое
ускорение вала двигателя есть производная от скорости его вращения
Д1. В свою
очередь, угловое ускорение согласно закону Ньютона, пропорционально
действующему на него вращающему моменту МРЕЗ1:
. Якорь
двигателя, вращающийся со скоростью
1 в магнитном потоке возбуждения ФВД1,
фактически представляет собой генератор, вырабатывающий противо-ЭДС EДВ1. Поэтому вид
уравнения, связывающего EДВ1, ФВД1
и
1
следующий:
Ток
IДВ1,
протекающий по обмотке якоря двигателя Д1, определяется разностью
напряжения на щётках якоря двигателя и противо-ЭДС EД1, вырабатываемой вращающимся якорем. Эта связь
является инерционной и, в соответствии с законом электродинамики о явлении
самоиндукции, описывается дифференциальным уравнением:

Рис.
5 Зависимость потока возбуждения короткозамкнутой обмотки ЭМУ от тока
возбуждения
Поток
возбуждения двигателя ФВД1 зависит только от мгновенного
значения тока возбуждения IВД1.
Эта связь трудно выражается аналитически, поэтому представим её кривой
намагничивания стали в статоре двигателя:
Поток
возбуждения двигателя ФВД2 зависит только от мгновенного
значения тока возбуждения IВД2.
Эта связь трудно выражается аналитически, поэтому представим её кривой
намагничивания стали в статоре двигателя:
Напряжение
на входе электронного усилителя U равно сумме напряжений
задания UЗ и
напряжения обратной связи UR, снимаемого с тахогенераторов:
Линеаризация
системы дифференциальных уравнений
Роль линеаризации системы
дифференциальных уравнений в исследовании САР
Если некоторые уравнения, входящие в систему
дифференциальных уравнений САР, нелинейные, то исследование и решение системы
уравнений затрудняется. Поэтому обычно стремятся заменить уравнения линейными
так, чтобы получаемая при этом система линейных уравнений (линейная модель)
приближённо отражала свойства САР при выполнении некоторых условий. Такую приближённую
замену нелинейных уравнений называют линеаризацией системы дифференциальных
уравнений.
Как правило, САР предназначена для поддержания
некоторого вполне определённого значения управляемой величины. Такое значение
называют номинальным.
Номинальному значению управляемой величины
соответствуют номинальные значения всех внешних воздействий. Если после
установления номинальных значений внешних воздействий в системе завершились
переходные процессы, то такой режим работы САР называется номинальным режимом.
В свою очередь номинальному режиму соответствуют номинальные значения
внутренних переменных.
Линеаризация системы дифференциальных уравнений САР
основана на двух предположениях.
Во-первых, предполагается, что при номинальной работе
системы отклонения внешних воздействий от их постоянных номинальных значений
мало, а следовательно и мало отклонение всех переменных в системе;
Во-вторых, линеаризация некоторого дифференциального
уравнения предполагает, что все функции от переменных, входящие в данное
уравнение не имеют разрыва и являются гладкими при номинальных значениях
аргументов.
Линеаризация
дифференциального уравнения сводится к линеаризации входящих в него функций. В
общем случае линеаризация заключается в разложении функции
в ряд Тейлора в окрестности номинальных значений
аргументов и отбрасывании членов ряда, порядок которых выше первого:
Линеаризация системы дифференциальных
уравнений САР соотношения скоростей вращения двигателей
Система дифференциальных уравнений САР соотношения
скоростей вращения двигателей содержит нелинейные уравнения под пунктами
3,5,6,8,10,12,16,17,20:
Линеаризация
зависимости вращающего момента на валу двигателя MДВ2 от тока якоря IДВ2 и величины потока возбуждения принимает вид:
,
Для
линеаризации этого уравнения необходимо найти частные производные ЕДВ2
по переменным ФВ2 и
в точке
номинального режима:
,
где
Линеаризованная
зависимость:
, где 
Аналогично
п.5:
, где 
Аналогично
п.5:
, где 
Аналогично
п.3:
,
Аналогично
п.5:
, где 
Отметив
на графике точку номинального режима и проведя касательную к графику в этой
точке, получим линеаризованную зависимость магнитного потока в отклонениях
(рис.),
тангенс угла наклона касательной к оси iУ обозначим
. Линеаризованная зависимость примет вид:
, где
Для
линеаризации этого уравнения необходимо найти частные производные ЕК
по переменным ФУ и
в точке
номинального режима:
,
где
Линеаризованная
зависимость:
, где 

Линеаризуем
аналогично п.5:
, где
Взвешенный
сигнальный граф и структурная схема линейной математической модели САР
соотношения скоростей вращения двигателей
Цель перехода к операторной форме
записи
Математическая
модель САУ в виде системы линейных дифференциальных уравнений позволяет
определить, как будет изменяться во времени любая переменная
в данной САУ, соответствующая какой-нибудь внутренней
вершине сигнального графа, если зад закон изменения одного из внешних сигналов
- управляющего или возмущающего воздействия. В этом
случае искомая переменная расcматривается как выход модели, а соответствующее
внешнее воздействие - как её вход. Для определения закона изменения во времени
данной выходной величины необходимо исключить все остальные переменные,
являющиеся в данном случае промежуточными и получить одно дифференциальное уравнение,
связывающее выходную величину с входной.
Операции
исключения промежуточных переменных из системы дифференциальных уравнений очень
трудоёмки и сложны, поэтому возникает потребность упростить эти операции. С
этой целью в линейных математических моделях САУ обычно используют операторную
форму записи, представляя уравнение каждой связи сигнального графа в виде так
называемой передаточной функции.
Замена
дифференциальных уравнений передаточными функциями позволяет представить
систему линейных дифференциальных уравнений САУ в виде взвешенного сигнального
графа, либо в виде структурной схемы. Эти две равносильные формы представления
линейной математической модели САУ отличаются от обычной системы
дифференциальных уравнений, наглядностью и позволяют заменить трудоёмкую
процедуру исключения промежуточных переменных простыми правилами преобразования
структурной схемы, либо сигнального графа.
Рисунок 8 - Взвешенный сигнальный граф САР соотношения
скоростей вращения двигателей
Рисунок 9 - Структурная схема САР соотношения
скоростей вращения двигателей
Система дифференциальных уравнений
САР скорости вращения двигателя в операторной форме
Запишем в операторной форме систему линеаризованных
дифференциальных уравнений САР соотношения скоростей вращения двигателей.
Разделим
обе части на
и введём обозначения:
,
где
коэффициент
заменим оператор дифференцирования в левой части
сомножителем р и вынесем за скобки переменную iВГ за скобки:
Уравнение не является дифференциальным, поэтому его
вид не меняется:
,
,
, где
,
, где
, где
, где
, где
,
,
, где
,
, где
, где
, где
, где КУС
- безразмерный
, где
, где
, где
, где
, где
, где
, где
, где
, где
, где
Взвешенный сигнальный граф и
структурная схема САР соотношения скоростей вращения двигателей
На основе произведённых выше преобразований построим
теперь взвешенный сигнальный граф САР соотношения скоростей вращения двигателей
(рис. 8) и её структурную схему (рис. 9)
Основное
отличие взвешенного сигнального графа от исходного состоит в том, что
внутренняя вершина с несколькими входящими рёбрами интерпретируется как
линейная зависимость переменной
от
переменных
, в то время как в обычном графе зависимость может
иметь любую форму. Кроме того, вершины взвешенного графа соответствуют
отклонениям переменных от их номинальных значений.
Передаточные
функции САР соотношения скоростей вращения двигателей
Пусть
- некоторая входная переменная линейной
математической модели САР, соответствующая какой-нибудь внешней вершине
сигнального графа,
- одна из выходных переменных, соответствующая одной
из внутренних вершин графа. Дифференциальное уравнение связывающее эти две
переменные называется сквозным дифференциальным уравнением, а передаточная
функция, соответствующее этому уравнению называется сквозной передаточной
функцией, которая обозначается как
.
Одним
из входов математической модели является задающее воздействие. Его называют
главным входом математической модели САР. Аналогично среди выходов выделяют
управляемую величину. Её называют главным выходом математической модели САР.
Сквозную
передаточную функцию связывающую главный вход с главным выходом называют
главным оператором САР и обозначают
.
Определение главного оператора САР
соотношения скоростей вращения двигателей при помощи формулы Мейсона
Определим главный оператор САР соотношения скоростей
вращения двигателей по формуле Мейсона, которая имеет следующий вид:
,
где
- определитель сигнального графа;
k - число прямых
путей из вершины
в вершину
;
Wi -
передаточная функция i-ого прямого пути;
- минор i-ого
прямого пути.
Прежде
всего найдём определитель сигнального
. Для
этого необходимо выделить все замкнутые контуры. В сигнальном графе САР
соотношения скоростей вращения двигателей их два со сквозными функциями:
Определитель сигнального графа имеет следующий вид:
Теперь
необходимо найти передаточные функции всех прямых путей из вершины
в вершину
и их
миноры. В САР соотношения скоростей вращения двигателей существует лишь один
прямой путь с передаточной функцией:
Для
определения минора прямого пути удалим из графа все вершины, лежащие на этом
пути, а также все рёбра, входящие в удалённые вершины или исходящие из них. В
результате получим граф, состоящий из двух изолированных вершин
и
, который
не содержит ни одного ребра - нуль-граф. Определитель данного графа равен
.
Находим
главный оператор:
Раскроем
скобки и введём обозначения:
Окончательно получим:
.
Рис
10
Проверим
единицы измерения:
Произведение
имеет размерность:
Произведение
коэффициентов
имеет следующую размерность:
Коэффициент
К8 имеет размерность
так как
связывает угловое ускорение с вращающим моментом.
Исходя
из написанного выше, единица измерения знаменателей коэффициентов
равна:
.
Постоянные
времени всегда имеют размерность единиц времени, в данном случае секунд [с],
поэтому числитель формулы для
безразмерен,
а числители формул для
имеют размерность [c3], [c2], [c],
таким образом
,
,
.
Проверим
размерность коэффициента K:
Коэффициент
, поэтому
,
Главный
оператор
имеет такую же размерность, что полностью совпадает с
его физическим смыслом.
Определение
сквозной передаточной функции с помощью правил преобразования структурных схем
Помимо
формулы Мейсона существует ещё один способ нахождения сквозной передаточной
функции, основанный на правилах преобразования структурных схем. Найдём с
помощью него сквозную передаточную функцию связывающую напряжение
с главным выходом системы
Сквозная передаточная функция имеет вид:
Введём
следующие обозначения:


Получим
Проверим
единицы измерения:
Произведение
имеет размерность:
Произведение
коэффициентов
имеет размерность:
Числители
формул для
имеют размерность [c3], [c2], [c],
таким образом
,
,
,
Размерность
коэффициента
, соответственно
.
Размерность
коэффициента K:
,
Следовательно
сквозная передаточная функция
имеет
такую же размерность, что полностью совпадает с его физическим смыслом.
Определение
контурной передаточной функции САР соотношения скоростей вращения двигателей
Определим теперь контурную передаточную функцию САР
соотношения скоростей вращения двигателей.
Сквозные передаточные функции позволяют найти
переходный процесс на том или ином выходе математической модели САР при
заданном изменении любого входного сигнала. Однако построение переходных
процессов не исчерпывает всех задач, возникающих при исследовании САР. В
частности, основной задачей, решаемой при проектировании САР, является
исследование её устойчивости, т.е. способность системы возвращаться в исходное
состояние при прекращении действия возмущений.
Разорвём
контур I в вершине графа
(рис.
11).
Определитель
сигнального графа:
Из
вершины
в вершину
ведёт
лишь один прямой путь с передаточной функцией:
причём
минор этого пути равен
.
таким
образом контурная передаточная функция:
Раскроем
скобки и введём обозначения:
Окончательный
вид контурной функции:
Проверим
единицы измерения:
Произведение
имеет размерность:
Произведение
имеет размерность
Исходя
из написанного выше, единица измерения знаменателей коэффициентов
равна:
.
Постоянные
времени всегда имеют размерность единиц времени, в данном случае секунд [с],
поэтому числитель формулы для
безразмерен,
а числители формул для
имеют размерность [c3], [c2], [c],
таким образом
,
,
.
таким
образом коэффициент
не имеет размерности.
Контурная
передаточная функция
имеет такую же размерность, что полностью совпадает с
её физическим смыслом.
Рис.
11 - Преобразованная структурной схемы САР скорости соотношения двигателей
Заключение
В этой работе рассматривалась система автоматического
регулирования соотношения скоростей вращения электродвигателей. Для данной САР
была построена функциональная схема, составляющая наглядное представление о
взаимодействии устройств или функциональных элементов, входящих в состав САР.
Было проанализировано поведение системы, а точнее регулируемой величины при
скачкообразном изменении возмущающего воздействия, в результате чего был сделан
вывод: САР скорости двигателя является статической системой, поскольку в данной
системе в установившемся режиме сигнал ошибки не равен 0.
Для САР скорости вращения двигателя был построен
сигнальный граф, дающий представление о взаимодействии сигналов (переменных)
системы. На его основе строилась система дифференциальных уравнений, которая в
последствии была линеаризована с целью упрощения операций исследования системы.
Последним этапом в упрощении САР стала запись системы
дифференциальных уравнений в операторном виде. И только после этого были
произведены исследования некоторых свойств системы, в частности были составлены
главный оператор системы, контурная передаточная и сквозная функции.
Список использованных источников
. Воронов А.А. Основы теории автоматического управления. -
М.:“Энергия”, 1980
. Моттль В.В. Методические указания по выполнению курсовых работ.
- Тула, 1982
. Савельев И.В. Курс физики. - М.: “Наука”, 1978