Модернизация системы парообразования цеха по производству аммиака АО 'ФосАгро-Череповец'
Введение
В настоящее время автоматизация процессов
является одной из важнейших областью для развития, так как она помогает
улучшить производственные показатели, обеспечить точность измерений и точность
регулирования, упростить производственные процессы, защитить производства от
аварийных остановок и разрушения технологического оборудования, а также
помогает технологическому персоналу в управлении технологическим процессом и
улучшает экономические показатели предприятия.
Темой данной выпускной квалификационной работы
является модернизация системы парообразования цеха по производству аммиака №1
АО «ФосАгро-Череповец». Эта тема является актуальной для данного производства,
так как существующая система подачи питательной воды в системе парообразования
является устаревшей. Она приводится в действие паровыми турбинами, что
обязывает держать резервную систему всегда запущенной на малых оборотах турбины
для обеспечения «горячего» пуска при необходимости. Также невозможно
осуществить ремонт резервной системы в связи с постоянной ее работой. В периоды
остановок систему невозможно запустить, протестировать или проверить в
отсутствие подачи пара.
В связи с этим возникает необходимость в
модернизации системы, переход системы на более современный уровень с питанием
насоса от электродвигателя, что позволит сделать систему более устойчивой к
нагрузкам и остановкам производства, к незапланированному выходу из строя
устаревшего оборудования, а также позволит произвести ремонт оборудования без
остановки всего технологического процесса.
Также в рамках модернизации предлагается
изменить режим выбора резерва для насосов подачи питательной воды, и установить
в связи с появлением третьего насоса необходимое количество
клапанов-отсекателей для улучшения работы системы и устранения постоянного
расхода воды в связи с необходимостью работы резервных паровых насосов.
Все изменения, проведенные в ходе модернизации
позволят обеспечить стабильность подачи питательной воды и, как следствие,
стабильность работы системы парообразования и всего производства в целом, что
впоследствии поможет улучшить производственные показатели, сократить количество
простоев и улучшить экономические показатели производства аммиака.
. Аналитический обзор существующей системы
автоматизации и выбор варианта решения
.1 Обзор и анализ существующей системы
Технологический процесс производства аммиака
разработан американской фирмой «Келлог». Проект во всех частях выполнен
японской фирмой «Тойо Инжиниринг Корпорэйшн» (ТЕС). Проектная мощность агрегата
составляет 1360 т/сут.
Технологическая установка комплектно во всех
частях поставлена фирмой ТЕС.
Все оборудование для производства аммиака
принято в одной технологической нитке. Основное оборудование установлено без
резерва и рассчитано на непрерывную работу в течение года.
С момента ввода в эксплуатацию агрегата аммиака
по настоящее время были проведены следующие работы по модернизации агрегата:
перевод агрегата на повышенное давление
природного газа;
установка на компрессоре аммиака позиции 105-J
сухих газовых статодинамических уплотнений НПП «Грейс-инжиниринг»;
замена внутреннего устройства колонны синтеза
позиции 105-D по проекту фирмы «Аммония Казале», Швейцария;
монтаж установки осушки синтез - газа,
подведен азот среднего давления от цеха
разделения газа;
модернизация отделения очистки конвертированного
газа от СO2,
перевод системы управления агрегатом на РСУ
фирмы «Yokogawa»;
модернизация компрессора технологического
воздуха поз. 101-J;
установка дополнительного змеевика природного
газа в конвекционной зоне печи первичного риформинга;
монтаж установки узла снижения температуры газа
на входе в конвертер позиции 104- DВ.
Объектом автоматизации данной работы является
система подачи питательной воды от насосов 104-J, 104-JA в паросборник 101-F,
входящая в систему парообразования цеха по производству аммиака.
.2 Общий принцип действия системы
парообразования
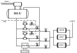
Структурная схема процесса парообразования
представлена на рисунке 1.1.
Рисунок 1.1 - Структурная схема процесса
парообразования
Вода, прошедшая процесс деминерализации,
подаётся в теплообменник, где подогревается до температуры не более 120°С.
Подогретая вода подается в деаэратор 101-U, после прохождения которого она
собирается в баке-аккумуляторе деаэратора.
Из бака-аккумулятора вода с помощью насоса
104-J/JA подается в подогреватели питательной воды 101-В, 114-С, 123-С.
После подогревателей вода, нагретая до
температуры не более 314°С поступает в паросборник 101-F. Из паросборника по
опускным трубам вода поступает в котлы-утилизаторы 101-СА,СВ, 102-С, 103-С и
вспомогательный котел 101-BU, где за счет утилизации тепла конвертированного
газа и сжигания топливного газа происходит испарение воды при давлении 10-10,55
МПа (100-105,5 кгс/см2).
Пароводяная эмульсия возвращается в паросборник
101-F за счет естественной циркуляции по подъемным трубам. Для отделения воды
от насыщенного пара паросборник оборудован циклонными сепараторами и отбойными
устройствами. Насыщенный пар с давлением 10,0-10,55 МПа (100-105,5 кгс/см2) и
температурой не более 314°С поступает в пароперегреватель, вмонтированный в
конвекционную зону печи первичного риформинга 101-В.
За счет тепла дымовых газов печи 101-В, вспомогательного
котла 101-ВU и тепла дополнительно сжигаемого топливного газа в горелках
пароперегревателя пар перегревается до 475-490°С и поступает в коллектор пара
высокого давления.
Общий принцип действия системы подачи
питательной воды.
Питательная вода в систему парообразования
поступает с помощью насосов 104-J/JA. При нормальной работе одного из насосов
питательной воды второй постоянно находится в резерве. У резервного насоса
ручная арматура на всасе и нагнетании открыта, а турбина находится в работе на малых
оборотах (500 об/мин.) за счет минимальной подачи пара через отсекатель ЕmV-20
на турбину 104-JТ или ЕmV-21 на турбину 104-JАТ, а вода с нагнетания насоса
поступает в бак-аккумулятор деаэратора через предохранительный клапан RСV-VА
(104-J) или RСV-VВ (104-JА).
При пуске системы парообразования очень важно
наладить устойчивую циркуляцию воды между паросборником и котлами, особенно
101-СА,СВ. Для восстановления нормальной циркуляции или первоначального
возбуждения ее в опускные трубы котлов 101-СА,СВ предусмотрен впрыск более
холодной воды от насосов 104-J/JА через клапаны с дистанционным регулированием
НС-25 и НС-24 соответственно.
Система управления агрегатом аммиака №1 является
распределенной системой (РСУ), она выполнена на базе Yokogawa Centum CS3000.
Основные преимущества данной системы:
Система может быть гибко сконфигурирована, чтобы
соответствовать требованиям больших и малых предприятий в самых различных
отраслях промышленности. Кроме того, интеграция с системами противоаварийной
защиты (ПАЗ) ProSafe-RS, системами управления на базе сети STARDOM, и
различными поколениями систем CENTUM расширяют область применения системы;
В Станции Оператора (HIS) системы CENTUM
используется самая последняя версия операционной системы Windows и коммерчески
доступные аппаратные средства. Для консоли оператора опционально предлагается
специализированная клавиатура. Во всех окнах используется универсальная
цветовая схема. Данные для контроля на Станции Оператора (HIS) обновляются с
односекундным интервалом. Для станции оператора так же предлагается
централизованная система управления сигнализациями (CAMS for HIS);
Инженерная станция (ENG) использует те же
аппаратные и программные средства, что и Станция Оператора (HIS), но также
имеет и инженерное ПО, например, графическая среда разработки и программы ПИД
регулирования и управления последовательностью операций, предназначенные для
конфигурирования системы CENTUM VP на основании индивидуальных требований
технических средств предприятия;
Преобразователь шины (BCV) служит в качестве
интерфейса для маршрутизатора шины Vnet, позволяя ему подсоединяться к
нескольким сетям управления. Преобразователь шины может использоваться для
подсоединения унаследованных систем серии CENTUM к CENTUM CS3000;
Сеть Vnet/IP, является управляющей сетью
Ethernet, имеющей скорость 1 Гб/с, с резервированной конфигурацией шины,
соответствующей стандартам IEEE802.3 и IEC 61784-2 Ed.2.0, которая обеспечивает
детерминированную, надежную и безопасную связь;
Система CENTUM
CS3000 поддерживает
FOUNDATION™ fieldbus, HART, PROFIBUS-DP, DeviceNet, Modbus, Modbus/TCP, и
Ethernet/IP. Она предоставляет пользователям свободу выбора
устройств КИП, руководствуясь применением, возможностями, надежностью и ценами,
независимо от протоколов связи;
Контроллер системы безопасности (SCS) системы
ProSafe-RS - это контроллер противоаварийной защиты (ПАЗ), который переводит
предприятие в безопасное состояние при возникновении аварийных условий.
Структурная схема комплекса технических средств
АСУТП цеха по производству аммиака №1 представлена на рисунке 1.2.
Рисунок 1.2 - Структурная схема КТС АСУТП цеха
по производству аммиака №1
РСУ включает в себя 7 контроллеров
(FCS0101-FCS0106, FCS0108). В контроллерах имеются модули ЦПУ, блоки питания
=24В, интерфейсные модули, модули расширения, а также модули ввода/вывода, к
которым подключены цепи управления и измерения.
Система ПАЗ реализована на собственном
контроллере ПАЗ Yokogawa ProSafe-RS, который является резервированной системой
с двумя контроллерами (основной SCS0107).
Также в РСУ Centum входят 4 станции оператора, 1
станция начальника смены и 1 инженерная станция (HIS0159-HIS0163, HIS0158 и
HIS0164 соответственно). Инженерная станция контроллера ПАЗ установлена
отдельно.
Все станции получают и передают данные через
сеть Ethernet, связанную через OPC-сервер. Последний передает данные на
PHD-сервер для последующей передачи их в АСУП (MES, OEBS). Связь сервера с
контроллером осуществляется по сети Vnet.
Преимуществом такой системы является ее
масштабируемость, отказоустойчивость благодаря единству разработки АСУТП на
всех уровнях автоматизации, а также благодаря наличию резервированной системы
ПАЗ.
Формирование требований к системе
Для работы агрегата пар является необходимым
компонентом: он приводит в движение все турбины компрессоров и насосов с
паровым приводом, участвует в технологических процессах, а также является
главным инструментом для образования вакуума.
Поэтому, безаварийная работа всей системы
парообразования является важным условием для стабильной работы агрегата.
Для обеспечения стабильности работы системы
парообразования необходимо обеспечить стабильную работу системы подачи
питательной воды.
В системе подачи питательной воды важную роль
играют насосы 104-J/JA. Необходимо, чтобы насосы работали в безаварийном режиме,
так как неисправность обоих насосов может привести к срабатыванию блокировки по
уровню в паросборнике 101-F и остановке производства.
Практический опыт использования насосов 104-J/JA
показывает, что данная конструкция насосов - с паровым приводом - может вести
себя неадекватно в критических ситуациях и создавать дополнительные проблемы
при пуске агрегата аммиака.
Учитывая эти особенности работы системы
необходимым является условие модернизации - резервирование системы подачи
питательной воды.
В связи с этим, можно сформировать следующие
требования к системе:
обеспечение бесперебойной работы системы;
обеспечение безаварийной работы агрегата
аммиака.
К системе АСУТП можно сформировать следующие
требования:
осуществление функций регулирования и управления;
оперативное получение персоналом актуальных
данных о технологическом процессе;
осуществление сбора сведений о работе
оборудования посредством устанавливаемых измерительных приборов;
обеспечение противоаварийной защиты путем
осуществления схем блокировок и сигнализаций в распределенной системе
управления, в системе ПАЗ;
формирование оперативных сводок и отчётных
документов о ходе технологического процесса.
расширение существующей РСУ должно быть
полностью аппаратно и программно совместимо с системой управления
технологическим процессом цеха Аммиак-1;
единая система АСУТП цеха Аммиак-1 должна
обеспечивать надежность управления установки аммиака во всех режимах -
предпусковом, пусковом, нормальном технологическом режиме, режиме остановки
(плановой и аварийной);
интерфейс программы должен быть интуитивно
понятным пользователю;
интерфейс должен быть удобным, то есть для
достижения какого-либо результата пользователю нужно выполнить минимум операций.
Подсистема ввода/вывода системы управления
должна обеспечивать:
ввод сигналов от датчиков 4-20 мА на нагрузку до
500 Ом, с питанием по цепи 4-20 мА («пассивные» датчики);
формирование и вывод сигналов 4-20 мА;
ввод сигналов термопреобразователей сопротивления
ТСМ, Pt100 через барьеры искробезопасности с преобразованием в унифицированный
токовый сигнал 4-20 мА;
ввод дискретных сигналов типа «сухой контакт»
через барьеры искробезопасности;
вывод дискретных выходных сигналов вида «сухой
контакт» через выходные реле с переключающейся контактной группой, максимальным
током продолжительной нагрузки не менее 5 А;
входные/выходные цепи системы управления должны
быть надежно поканально гальванически разделены для обеспечения защиты системы
управления от возможного пробоя полевого напряжения.
.3 Выбор варианта решения
Учитывая сформированные к системе требования,
модернизация системы предполагает один вариант решения - установку
дополнительного насоса подачи питательной воды (104-JB) с электроприводом.
К насосу выдвигаются следующие требования:
Обеспечение насосом давления воды на выходе 14
МПа;
Обеспечение насосом расхода питательной воды до
450 м3/ч;
Обеспечение бесперебойной работы насоса в
течение рабочего цикла насоса;
К насосу необходимо установить электродвигатель,
а также маслостанцию.
Также к насосу будет установлено оборудование,
обеспечивающее регулирование параметров работы насоса и подачи питательной воды
(датчики, исполнительные механизмы, частотные преобразователи, оборудование для
работы с насосом «по месту»), а также оборудование, обеспечивающее безаварийную
работу насоса.
Необходимые параметры для обеспечения нормальной
работы насоса:
температура оборотной воды насоса;
температура питательной воды на всасе и
нагнетании насоса;
давление питательной воды на всасе и нагнетании
насоса;
расход питательной воды от насоса;
наличие отсечной арматуры на линии нагнетания
насоса в паросборник 101-F и деаэратор 101-U.
Модернизацию АСУТП предлагается проводить путем
расширения существующей РСУ, добавления новых модулей ввода/вывода в контроллер
Centum.
Требования к модернизируемой АСУТП:
обеспечение безаварийной работы агрегата аммиака
№1;
осуществление функций регулирования и управления
насосом;
осуществление сбора сведений о работе насоса
посредством устанавливаемых измерительных приборов;
обеспечение противоаварийной защиты путем
осуществления схем блокировок и сигнализаций в распределенной системе
управления.
Датчики, исполнительные механизмы и прочее
оборудование автоматизации можно подключить к контроллеру через существующие
шкафы с оборудованием.
Программную реализацию необходимо выполнить в
существующей программной среде путем расширения действующего проекта. Схемы
блокировок и сигнализаций также добавляются в проект (схемы ПАЗ добавляются в
собственный проект).
Интерфейс оператора также будет выполняться в
существующей программной среде для обеспечения удобства работы оператора и
быстрого обучения работе с новым оборудованием.
Структурная схема модернизированного процесса
представлена на рисунке 1.3.
Рисунок 1.3 - Общая схема модернизированного
процесса подачи питательной воды
Схема предусматривает наличие третьего насоса
подачи питательной воды, маслостанции к нему. Также дополнительно
устанавливаются 6 клапанов-отсекателей, три из которых обеспечивают подачу
питательной воды с каждого из насосов по отдельности, а другие три обеспечивают
циркуляцию подаваемой воды для работы резервных на данный момент насосов на
пониженных оборотах для обеспечения «горячего пуска» при возникновении такой
потребности.
Необходимость выбора этого варианта решения
обуславливается тем, что замена существующих насосов с паровым приводом
возможна только при полной остановке производства аммиака, что является
недопустимым. При частичной замене производство в остановке не нуждается,
однако в этом случае на время модернизации оборудование перестает быть
зарезервированным, что повышает риск остановки производства, либо его
нестабильной работы.
Установка дополнительного насоса исключает
появление данных условий ввиду возможности работы на двух существующих насосах,
при этом может проводиться установка третьего насоса, монтаж соответствующих
средств автоматизации, подключение их к системе управления (подключение
сигналов без необходимости отключения контроллера от процесса управления
является одним из положительных качеств существующей РСУ).
.Разработка функциональной схемы и выбор
оборудования
.1 Функциональная схема системы подачи
питательной воды (в системе парообразования
Функциональная схема автоматизации представлена
в приложении A. ФСА является основным техническим документом проекта
автоматизации, определяющим структуру системы управления технологическим
процессом, а также оснащение его средствами автоматизации. ФСА представляет
собой чертёж, на котором схематически условными обозначениями изображены
технологические аппараты, машины (насосы, компрессоры и т.п.), трубопроводы,
средства автоматизации и показаны связи между ними. Вспомогательные устройства
на ФСА не показаны.
Принцип работы системы подачи питательной воды.
Питательная вода в систему парообразования
поступает от . У резервного насоса ручная арматура на всасе и нагнетании
открыта, а турбина находится в работе на малых оборотах (500 об/мин.) за счет
минимальной подачи пара через отсекатель ЕmV-20 на турбину 104-JТ или ЕmV-21 на
турбину 104-JАТ, а вода с нагнетания насоса поступает в бак-аккумулятор
деаэратора через предохранительный клапан RСV-VА (104-J) или RСV-VВ (104-JА).
Вода, прошедшая процесс деминерализации,
подаётся в теплообменник, где подогревается до температуры не более 120°С.
Подогретая вода подается в деаэратор 101-U, после прохождения которого она
собирается в баке-аккумуляторе деаэратора.
Из бака-аккумулятора вода с помощью насоса
104-J/JA/JB подается в подогреватели питательной воды 101-В, 114-С, 123-С.
Подача воды идёт только от одного насоса. Остальные в это время находятся в
резерве, клапаны-отсекатели HSV2, HSV4, HSV6 регулируют подачу воды. В один
момент работает только один насос, а значит, открыт только один из трёх
клапанов. Клапаны HSV1, HSV3, HSV5 служат для сброса воды обратно в деаэратор
при резервной работе насосов на низких оборотах для обеспечения «горячего»
пуска. Соответственно, если работает один насос, открыт один клапан для подачи
воды, а два других насоса находятся в резерве, их клапаны подачи воды закрыты,
а клапаны сброса открыты.
После подогревателей вода, нагретая до
температуры не более 314°С поступает в паросборник 101-F.
Для отслеживания параметров работы насоса 104-JB
и для предотвращения его аварийной остановки в системе присутствуют датчики
температуры подшипников насоса, обмоток статора электродвигателя, масла в
маслобаке, измерение вибрации, давления воды на выходе с насоса, а также
различные датчики-сигнализаторы температуры, давления, уровня в маслобаке и
перепада давления на фильтре.
Выбор оборудования
При выборе необходимого оборудования для насоса
подачи питательной воды следует учитывать особенности производства аммиака. Так
как производство аммиака является взрывоопасным производством, необходимо
учитывать это и выбирать оборудование во взрывозащищенном корпусе.
Также при выборе следует учитывать уже
установленное оборудование на производстве и стараться использовать те приборы,
которые зарекомендовали себя как надежные.
Для реализации выбранного варианта решения
необходимо следующее оборудование:
Датчики температуры
Для данного насоса необходимо измерение
температуры подшипников, температуры корпуса, подшипников двигателя, обмоток
статора электродвигателя, температуры масла в маслобаке, на входе в маслонасос,
температуры воды на входе в масляное хозяйство.
Для всех точек измерения предлагается
использовать термометр сопротивления JUMO Pt100. Внешний вид прибора
представлен на рисунке 2.1.
Рисунок 2.1 - Внешний вид термометра
сопротивления JUMO Pt100
Характеристики прибора:
диапазон измеряемых температур: от -50 до
+600°С;
материал чувствительного элемента: платина;
градуировка: Pt100;
длина датчика: 300мм;
время отклика: 4с;
схема соединения: 3-х проводная.
Этот прибор идеально подходит для установки на
корпусе насоса, имеет чувствительный элемент малого диаметра.
Также для преобразования сигнала в
унифицированный токовый сигнал 4-20 мА необходимо установить температурные
преобразователи JSP PR-6335B.
Характеристики прибора:
количество каналов измерения: 2 (для 2-х, 3-х и
4-х проводных схем);
напряжение питания: =24В;
время реакции:1 - 60с (устанавливаемое);
основная погрешность: ±0,1°С;
выходной сигнал: 4 - 20 мА;
наличие HART-протокола.
Позиции для
установки:
TE3, TE4, TE5-1, TE5-2, TE5-3, 5-4, TE6, TE7, TE8, TE12, TE13, TE14-1, TE14-2,
TE14-3, TE14-4, TE14-5, TE14-6, TE-BT01, TE-BT1, TE-BT3.
Датчик давления
Для измерения давления воды на нагнетании насоса
104-JB предлагается установить датчик давления Yokogawa EJX-930A. Датчики фирмы
Yokogawa активно используются на предприятии АО «Фосагро-Череповец» и
зарекомендовали себя как надежные, точные и простые в обслуживании приборы.
Рисунок 2.2 - Внешний вид датчика давления
Yokogawa EJX-930A
Характеристики прибора:
погрешность измерений: ±0,04% от шкалы;
диапазон измерения: от 0 до 32 МПа;
выходной сигнал: 4 - 20 мА;
время отклика: 90 мс;
диапазон рабочих температур: от -40 до 120°С;
питание: =24В;
материал мембраны: нержавеющая сталь;
конструктивное исполнение: взрывозащищенное EExd
IIC T6;
наличие HART-протокола.
Позиция для установки: PT-104C.
Датчики расхода
Для работы системы требуется измерение расхода
питательной воды от насосов 104-J,JA,JB в паросборник 101-F. Для измерения
расхода необходимо установить диафрагму и датчик перепада давления.
Диафрагма для установки: ДВС 25-200.
Характеристики диафрагмы:
материал: Сталь 12Х18Н10Т ГОСТ 5632;
диаметр: 245 ммм;
диаметр условного прохода (Ду): 200мм.
В качестве датчика перепада давления выбираем
датчик Yokogawa EJX-110A.
Рисунок 2.3 - Внешний вид датчика давления
Yokogawa EJX-110A
Характеристики прибора:
погрешность измерений: ±0,04% от шкалы;
диапазон измерения: от 0 до 100 кПа;
выходной сигнал: 4 - 20 мА;
время отклика: 90 мс;
диапазон рабочих температур: от -40 до 85°С;
питание: =24В;
материал мембраны: нержавеющая сталь;
конструктивное исполнение: взрывозащищенное EExd
IIC T6;
наличие HART-протокола.
Позиции для установки: FT-104A, FT-104B,
FT-104C.
Датчики вибрации
Датчики вибрации необходимы для измерения
вибрации насоса во время работы и сигнализации превышения предельного значения
с последующей остановкой насоса.
В качестве датчиков вибрации выбираем
Vibrotector VIB 5.736 Ex.
Рисунок 2.4 - Внешний вид датчика вибрации
Vibrotector VIB 5.736 Ex
Характеристики прибора:
пределы измерений: до 20 мм/с;
частотный диапазон: от 2 до 1000 Гц;
выходной сигнал: 4 - 20 мА;
время отклика: 90 мс;
диапазон рабочих температур: от -25 до +80°С;
напряжение питания: =24В.
Позиции для установки: VT9, VT10.
Сигнализатор температуры
Сигнализатор температуры необходим для
сигнализации температуры масла в маслобаке насоса.
В качестве сигнализатора температуры выбираем
Элемер ТКП-150.
Рисунок 2.5 - Внешний вид сигнализатора
температуры Элемер ТКП-150
Характеристики прибора:
пределы измерений: от -50 до +200°С;
тип чувствительного элемента: Pt100;
количество уставок: 2;
выходной сигнал: 4 - 20 мА;
выходной сигнал реле: ~220 В;
время отклика реле: 300 мс;
класс точности: 0,25;
напряжение питания: =24В.
Позиция для установки: TS-ST2.
Сигнализаторы давления
Сигнализаторы давления устанавливаются для
измерения давления масла на выходе из масляного хозяйства и давления воды на
входе в масляное хозяйство.
В качестве сигнализаторов давления выбираем
Элемер ЭКМ-2005-ДИ-ИМ600.
Рисунок 2.6 - Внешний вид сигнализатора давления
Элемер ЭКМ-2005-ДИ-ИМ600
Характеристики прибора:
пределы измерений: от 4 кПА до 60 МПа;
глубина перенастройки диапазонов: 4:1;
количество уставок: 2;
выходной сигнал: 4 - 20 мА;
выходной сигнал реле: ~220 В;
класс точности: 0,25;
Позиции для установки: PSA-SP2, PSA-SP4.
Также в системе необходим сигнализатор
дифференциального давления для сигнализации перепада давления на фильтре в
масляном хозяйстве.
В качестве сигнализатора дифференциального
давления выбираем Элемер ЭКМ-2005-ДД-ДМ600.
Рисунок 2.7 - Внешний вид сигнализатора давления
Элемер ЭКМ-2005-ДД-ДМ600
Характеристики прибора:
пределы измерений: от 10 кПА до 2,5 МПа;
глубина перенастройки диапазонов: 4:1;
количество уставок: 2;
выходной сигнал: 4 - 20 мА;
выходной сигнал реле: ~220 В;
класс точности: 0,25;
Позиция для установки: PDA-SP3.
Сигнализаторы уровня
Сигнализаторы уровня необходимы для сигнализации
уровня в маслобаке насоса.
В качестве сигнализатора уровня выбираем ОВЕН
ДС2.
Рисунок 2.8 - Внешний вид сигнализатора уровня
ОВЕН ДС2
Характеристики прибора:
максимальное рабочее давление: 0,25 МПа;
максимальная рабочая температура: 100°С;
количество уставок: 2;
выходной сигнал реле: ~220 В;
Позиции для установки: LA-SL01, LA-SL02.
Клапаны
В данной схеме клапаны необходимы для
обеспечения протока воды от работающего насоса и закрытия подачи воды от
неработающих насосов, а также для обеспечения безаварийной работы насосов.
В качестве клапанов-отсекателей на подаче воды
от насосов в паросборник 101-F выбираем сборку:
Пневмопривод AlphAir AP 075.
Рисунок 2.9 - Внешний вид пневмопривода AlphAir
AP 075
Характеристики прибора:
давление подачи воздуха: 8 бар;
диапазон рабочих температур: от -40 до +80°С;
крутящий момент: 96 Нм.
Концевой выключатель HMA APL-210N.
Рисунок 2.10 - Внешний вид концевого выключателя
HMA APL-210N
Характеристики прибора:
диапазон рабочих температур: от -40 до +80°С;
напряжение питания: ~250В;
количество концевых выключателей: 2;
выходной сигнал реле: ~220 В.
Соленоидный вентиль ASCO NF8327A646.
Рисунок 2.11 - Внешний вид соленоидного вентиля
ASCO NF8327A646
Характеристики прибора:
рабочее давление: 0-10 бар;
диапазон рабочих температур: от -60 до +60°С;
тип управления: пневмоуправляемый;
входной сигнал реле: ~220 В.
Фильтр-редуктор Miol 81-422.
Рисунок 2.12 - Внешний вид фильтр-редуктора Miol
81-422
Характеристики прибора:
рабочее давление: 0-10 бар.
Позиции для установки: HSV1, HSV2, HSV3, HSV4,
HSV5, HSV6.
Также в схеме необходим соленоидный клапан на
входе воды на масляное хозяйство. В качестве клапана выберем Smart SM72055.
Рисунок 2.13 - Внешний вид соленоидного клапана
Smart SM72055
Характеристики прибора:
рабочее давление: 0-10 бар;
диапазон рабочих температур: от -20 до +120°С;
входной сигнал реле: ~220 В.
Позиция для установки: HS-YV1.
Таблица выбранного оборудования представлена в
приложении Б.
.Структурная схема системы и алгоритмизация
.1 Структурная схема
Структурная схема автоматизированной системы
представлена в приложении В.
В модернизированной системе подачи питательной
воды сигнал с полевого уровня от датчиков, сигнализаторов и исполнительных
механизмов приходит в кроссовые шкафы, от кроссовых шкафов в терминальные
панели, от терминальных панелей в модули ввода контроллера. Всего задействовано
4 модуля из одного каркаса: 2 модуля аналогового ввода, 1 модуль дискретных входов
и 1 модуль дискретных выходов.
Далее сигнал проходит по сети Vnet
непосредственно к станциям операторов, а также в сервер OPC, который позволяет
собирать необходимые данные о производственном процессе. Сервер OPC передает
данные в сервер PHD, который позволяет передавать данные на более высокий
уровень автоматизации (MES-системы). Сервер PHD соединен также со станциями
оператора через маршрутизатор CISCO для сбора изменения данных операторами и
передачи этой информации на более высокий уровень автоматизации. Питание
серверов осуществляется через ИБП 1 и 2 для обеспечения безопасности
производственного процесса в случае просадки напряжения или отсутствия подачи
питания.
Станции оператора соединены через сеть Vnet.
Данные по этой сети поступают на систему визуализации, где оператор может
управлять производственным процессом.
Алгоритм программы
При разработке алгоритма работы программы
необходимо учитывать особенности вводимой системы, как она повлияет на
существующий технологический процесс. Это очень важно, так как в ином случае
возможны сбои в работе оборудования, выход оборудования из строя, а также
остановка производства и, как следствие, экономические потери предприятия.
В данном случае необходимо при внедрении
третьего насоса подачи питательной воды необходимо учесть все изменения в
режиме работы всех трех насосов. Изменения коснутся режима автозапуска насосов,
режима нахождения в резерве, и изменений существующих схем блокировок и
сигнализаций. Также необходимо разработать схему работы третьего насоса,
учитывая его технологические особенности, обеспечив безаварийный режим работы
насоса, составить схемы блокировок и сигнализаций.
Первый алгоритм описывает схему выбора
резервного насоса и последующий автозапуск выбранного насоса.
Предусматривается два режима установки резерва
для каждого насоса.
В первом режиме насос автоматически запускается
при остановке работающего насоса или по технологическим параметрам автозапуска
резервного насоса (предусмотрено существующей логической схемой).
Во втором режиме насос автоматически запускается
в случае, если по каким-то причинам выбранный в «первый» резерв насос не
включился.
Работающий насос установить в резервный режим
нельзя.
Установить два насоса на один режим автозапуска
невозможно.
После автозапуска насос становится рабочим и на
данном насосе режим резерва снимается. Выбор новой ситуации (состояния) АВР
производится после нажатия виртуальной кнопки.
Сигналы на автозапуск насосов 104J и 104JA
передаются в существующую логическую схему, а насоса 104JB - на логическую
схему работы насоса.
Алгоритм управления отсекателями.
Управление отсекателями на линии нагнетания
питательной воды насосов HV1, HV3, HV5.
Ручное управление отсекателями производится
кнопками «открыть» и «закрыть». В автоматическом режиме отсекатели открываются
при пуске соответствующего насоса и закрываются при остановке.
Открытие отсекателя HV5 происходит и при
максимальном давлении PI_104C питательной воды на нагнетании насоса 104-JB.
Управление отсекателями на перепуске линии
нагнетания насосов HV2, HV4, HV6.
Ручное управление отсекателями производится
кнопками «открыть» и «закрыть» в ручном режиме.
В автоматическом режиме отсекатели открываются
при расходе воды на нагнетании соответствующего насоса F104A(B,C) менее 120
мЗ/ч и закрываются при расходе более 150 мЗ/ч.
Алгоритм работы насоса 104JB.
Дистанционный пуск производится кнопкой «Пуск».
Дистанционный останов кнопкой «Стоп».
Если насос установлен на АВР, то его пуск
происходит в дистанционном режиме по условиям автозапуска. Если в этом случае насос
по каким-то причинам не включился, срабатывает сигнализация «Насос не
запустился».
Остановка насоса по блокировочным параметрам
производится при превышении одного из параметров заданного критического
значения. Если в этом случае насос по каким-то причинам не остановился,
срабатывает сигнализация «Насос не остановился».
Программная реализация
Для разработки программы используется
программное обеспечение для Windows - Yokogawa Centum CS3000 R3.09. В комплект
программного обеспечения входит несколько приложений, отвечающие за разные
области разработки.
На первом этапе нам понадобится приложение
System View. Оно позволяет увидеть структуру проекта, а также обеспечить
взаимодействие с другими приложениями.
Рисунок 3.1 - Интерфейс приложения System View
Так как все подключения производятся к
существующему контроллеру, то и программа будет разработана в существующем
рабочем проекте и прогружена в контроллер.
Разработка будет вестись в несколько этапов.
Определение каналов контроллера.
Чтобы определить необходимые каналы контроллера
и описать подключенные сигналы, необходимо перейти к папке «IOM», где хранится
оисание всех каналов контроллера. Для этого откроем раскрывающийся список
«FCS0108» (так как все каналы подключены в 8 контроллер), затем откроем список
папки «IOM», выберем «NODE 4».
В правой части программы находится список всех
модулей ввода-вывода, подключенных на 4 узле 8 контроллера.
Рисунок 3.2 - Модули ввода-вывода
Для добавления аналоговых входных каналов
выбираем модули 2AAV141-S и 8AAV141-S. В открывшемся окне находится список всех
каналов модуля. Для описания канала необходимо указать позицию прибора в поле
P&ID Tag Name приложения IOM Builder, в поле Label указать ссылку на данные
канала, а в поле Service Comment добавить описание.
Рисунок 3.3 - Добавление каналов в модуль
аналоговых входов
Для добавления дискретных входных и выходных
сигналов выбираем модули 3ADV151-P и 4ADV551-P соответственно. Принцип
добавления тот же, что и для аналогового модуля.
Рисунок 3.4 - Добавление дискретных входных
сигналов в модуль 3ADV151-P
Добавление программных ключей, ключей
сигнализации.
После добавления и описания каналов необходимо
добавить и описать программные ключи, необходимые для управления насосами, а
также ключи сигнализации.
Чтобы добавить программные ключи, открываем
папку SWITCH и открываем файл SwitchDef. В поле Tag Name указываем позицию ключа.
В поле Service Comment указываем название для ключа.
Рисунок 3.5 - Добавление программных ключей
Чтобы добавить ключи сигнализации, открываем
папку MESSAGE и файл AN0801. В поле Tag Name пишем позицию ключа, а в поле
Message - текст сообщения.
Таблица адресов и позиций приборов представлена
в приложении З.
Рисунок 3.6 - Добавление ключей сигнализации
аммиак технологический
парообразование отсекатель
Создание программы.
На этапе создания программы открываем папку
FUNCTION BLOCK и файл DR0040. В открывшемся приложении Control Drawing Builder
создаем блоки, при помощи которых будет осуществляться работа программы.
В первом файле DR0040 описаны аналоговые входы и
создана их индикация для системы визуализации. Для этого создан блок PIO с
адресом ячейки памяти контроллера и блок PVI для отображения индикации
параметра. В настройках блока можно также установить уставки срабатывания
сигнализации критических значений параметра, задать шкалу измерения и единицы
измерения. Выход блока PIO необходимо соединить со входом блока PVI. Блоки
аналоговых входов представлены в приложении Е.
Рисунок 3.7 - Пример блока индикации параметра
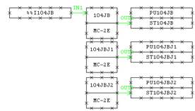
Во втором файле DR0041 реализованы оставшиеся
входные аналоговые параметры, блоки управления насосом 104JB и маслонасосами
104JBJ1 и 104JBJ2.
Для реализации управления насосом 104JB создаем
блок PIO с входным сигналом тока нагрузки и выходными дискретными сигналами
пуска и остановки насоса. Все эти сигналы присоединяются к блоку MC-2E,
реализующему управление насосом.
Реализация управления маслонасосами
осуществляется по тому же принципу.
Рисунок 3.8 - Управление насосами 104JB,
104JBJ1, 104JBJ2
Реализация управления клапанами - отсекателями
осуществляется с помощью блоков PIO, а также блока SIO-21.
Рисунок 3.9 - Пример реализации управления
клапаном-отсекателем
Реализация схем работы насоса, выбора резервного
насоса и работы клапанов-отсекателей осуществляется с помощью блоков LC64,
отвечающими за выполнение логических операций.
В настройках блока можно реализовать логическую
схему, которая будет выполняться во время работы контроллера.
Схемы логики выбора резервного насоса,
управление отсекателями и управления насосом 104JB представлены в приложении Е.
Тестирование программы
После завершения реализации программы необходимо
провести ее тестирование. Это поможет выявить ошибки, допущенные на этапе
реализации, и повысить надежность испытаний при наладке оборудования, а также
позволит избежать негативных последствий после загрузки программы в рабочий
проект.
Программное обеспечение Centum CS3000 позволяет
провести тестирование внутри приложения с помощью тестовой функции.
Для начала тестирования необходимо запустить
виртуальный проект. Для этого нужно выделить требуемый контроллер и на вкладке
FCS выбрать Test Function. После загрузки виртуальной работы проекта нужно
вывести файл DR0041 на экран. Это делается путем ввода имени файла в поле NAME.
В открывшемся файле необходимо нажать на блок
логики, чтобы вывести логическую схему. На данной схеме линии от сигналов,
установленных в значение «1», будут отображаться красным цветом, а линии от
сигналов, установленных в «0» - зеленым цветом. Нажав на блок ввода или блок
вывода, ожно открыть интересующие параметры в режиме Faceplate и регулировать
их, задавая разные значения для проверки логической схемы.
После проверки логических схем необходимо
провести проверку аналоговых входных сигналов, срабатывания сигнализаций и
проверить отключение насоса по этим сигнализациям. Для этого нужно вывести
Faceplate нужного сигнала, открыть его настройки с помощью контекстного меню и
команды Tuning. В открывшемся окне необходимо установить канал в режим
калибровки, нажав кнопку CAL. В этом режиме можно задавать входное значение и
проверять выходной сигнал. Для блока PVI устанавливается выходной сигнал, и
проверяется сигнализация, а также остановка насоса 104JB по срабатыванию
сигнализации.
После проверки аналоговых каналов необходимо
проверить работу насосов, устанавливая их в автоматический и ручной режимы.
По результатам тестирования программы,
установлено, что ошибок и сбоев в работе программы не имеется, все каналы и
логические схемы работают исправно.
Разработка экрана оператора
Разработка экрана оператора проводится для
улучшения взаимодействия оператора с АСУТП и упрощения реализации функций
управления.
В данной работе проводилось изменение
существующего операторского дисплея и добавления двух новых.
Существующий операторский дисплей не позволял
реализовать на ней третий насос и 6 клапанов-отсекателей.
Рисунок 3.10 - Существующий экран оператора
Для реализации третьего насоса и изменении
графической схемы было использовано приложение Graphic Builder из комплекта
Centum CS3000.
В данном приложении был создан новый экран
оператора, который вызывается из существующей схемы парообразования.
Рисунок 3.11 - Экран оператора для управления
насосами подачи питательной воды
На данном экране оператор имеет возможность
отслеживать состояние всех трех насосов, клапанов-отсекателей, а также менять
режимы резерва или снимать насосы с резерва.
Для реализации просмотра параметров насоса 104JB
и маслонасосов 104JBJ1 и 104JBJ2 созздаем еще один экран, который будет
вызываться путем нажатия кнопки «Параметры насоса».
Рисунок 3.12 - Экран параметров насоса и
маслонасосов
Существующая схема парообразования изменяется
путем удаления части схемы, касающейся насосов 104J/JA, и добавления вместо них
прямоугольника с надписью «Насосы 104J/JA/JB». Нажав на данный прямоугольник
вызывается экран «Подача питательной воды».
.Конструктивное оформление системы
.1 Электрическая схема соединений
Для модернизации системы необходимо подключить
27 аналоговых входных сигналов, 27 дискретных входных и 13 выходных сигналов.
Подключение полевых устройств выполняется в
соответствии с техническим описанием на данные устройства. Линии связи
прокладываются магистральным многожильным кабелем марки КВВГ и ПТГВ до
монтажных шкафов.
В ходе проектирования разработка и изготовление
шкафов не предусматриваются. Для размещения аппаратуры используются имеющиеся
шкафы. Каркас модулей ввода/вывода размещён в верхней части шкафа. Автоматы
питания в шкафу низовой автоматики располагаются в один ряд в средней части
шкафа. Электрические проводки в кроссовых шкафах размещаются в левой и правой
частях внутри шкафа в пластмассовых коробах. Прокладка кабельных линий от
датчиков до кроссовых шкафов осуществляется в металлических лотках без
натяжения. Жгуты проводов прокладываются горизонтально или вертикально по
кратчайшим расстояниям с минимальным количеством изгибов. Они должны быть скреплены
бандажами и не закрывать доступ к контактным колодкам. Маркировка выполнена
маркировочными оконцевателями.
Питание подается из помещения распределения
питания в шкафы ШРП1 и ШРП2. От шкафов ШРП1 и ШРП2 питание ~220В подается во
все шкафы контроллеров, шкафы с искробезопасными барьерами, преобразователями
термосопротивления и шкафы с релейными модулями. В этих шкафах далее через
блоки питания с выходным напряжением =24В питание подается на оборудование.
Конструктивное оформление
При разработке конструктивного оформления
системы автоматического управления необходимо учитывать такие факторы, как
удобство и безопасность обслуживания технических средств.
Все модули ввода/вывода уже установлены в
существующие шкафы, в одном каркасе (Node 4), в который можно установить до 8
модулей воода/вывода. В целом в шкаф можно установить до 4 каркасов.

Рисунок 4.1 - Общий вид шкафа для установки
станций контроллера
В каждый шкаф устанавливается сначала блок
управления (FCU) с модулями ЦПУ, затем в каждый из четырех каркасов
устанавливаются 2 источника питания (для обеспечения резервирования питания), 2
интерфейсных модуля (для шины Vnet), модуль расширения и до 8 модулей
ввода/вывода.
Рисунок 4.2 - Схема каркаса контроллера
Модули в каркасе закрепляются с помощью защёлок,
расположенных сверху и снизу модуля.
При монтаже в каркас модули ввода/вывода должны
быть ориентированы индикаторами вверх, ввод модулей в разъёмы каркаса
производится до характерного щелчка защёлки на модулях ввода/вывода.
Для подключения аналоговых сигналов к модулю
применяется терминальная панель AEA4D. Аналоговые сигналы из кроссового шкафа
присоединяются к панели, после чего с помощью единого интерфейсного кабеля
присоединяются к модулю аналогового ввода.
Рисунок4.3 - Внешний вид терминальной панели
AEA4D
Рисунок 4.4 - Подключение сигнального кабеля от
терминальной панели к модулю ввода
Для подключения дискретных сигналов также
используется терминальная панель - AED5D. От этой панели сигнальный кабель
также идет к дискретному модулю ввода.
Рисунок 4.5 - Терминальная панель для
подключения дискретных входов
Заключение
В данной выпускной квалификационной работе
предлагалось провести модернизацию системы парообразования производства аммиака
№1 АО «ФосАгро-Череповец».
В ходе выполнения работы был произведен анализ
существующей системы парообразования и, в частности, подачи питательной воды,
были сформированы необходимые требования к модернизированной системе,
произведен выбор варианта решения. Далее был произведен выбор оборудования для
модернизации, разработаны все необходимые схемы для выполнения работы, а также
реализована программа управления и разработаны экраны оператора для системы
визуализации.
При выборе оборудования был учтен имеющийся
резерв модулей ввода/вывода контроллера, искробезопасных барьеров и
терминальных панелей, что позволило сократить затраты на закупку необходимого
оборудования.
При разработке программного обеспечения
учитывались пожелания и указания технологического персонала производства
аммиака, что позволило обеспечить необходимый уровень работы оборудования и
улучшение технологического процесса производства аммиака.
Разработка экранов оператора велась в
существующей системе визуализации с учетом всех имеющихся стандартов
визуализации на производстве, что позволило быстро внедрить эту систему и
обеспечило удобство управления и быстрое обучение операторов работе в данной
системе.
В целом, модернизированная система удовлетворяет
требованиям и целям, поставленным в начале работы. Она позволяет обеспечивать
непрерывность технологического процесса, она повысила устойчивость производства
к остановкам, улучшила производственные, и, как следствие, экономические
показатели производства аммиака.
Список использованных источников
1.
Нестеров, А. Л. Проектирование АСУТП: Методическое пособие /
А.
Л. Нестеров. - Санкт-Петербург: ДЕАН, 2012. - 944 с.
.
Андреев, Е.Б. SCADA-системы. Взгляд изнутри: учеб. пособие / Е.Б. Андреев, Н.А.
Куцевич, О.В. Синенко. - Москва: РТСофт, 2004. - 176 с.
.
Фёдоров, Ю.Н. Справочник инженера по АСУТП: Проектирование и разработка: учеб.
пособие / Ю. Н. Фёдоров. - Москва: Инфра-Инженерия, 2008. - 928 с.
.
Калиниченко, А. В. Справочник инженера по КИПиА: учеб. пособие / А. В.
Калиниченко. - Москва: Инфра-Инженерия, 2008. - 576 с.
.
Котюк, А. Ф. Датчики в современных измерениях: учеб. пособие /
А.
Ф. Котюк. - Москва: Радио и связь, 2006. - 96 с.
.
Филипс, Ч. Системы управления с обратной связью: учеб. пособие /
Ч.
Филлипс, Р. Харбор. - Москва: Лаборатория Базовых Знаний, 2001. - 616 с.
.
YOKOGAWA [Электронный ресурс]: офиц. сайт. -
Режим
доступа: http://yokogawa.ru/.
9.
Jumo [Электронный ресурс]: офиц. сайт. - Режим доступа:
<http://www.ru.endress.com/ru> http://www.jumo.ru/.