Анализ технологии сварки униполярным модулированным током

  • Вид работы:
    Дипломная (ВКР)
  • Предмет:
    Другое
  • Язык:
    Русский
    ,
    Формат файла:
    MS Word
    946,42 Кб
  • Опубликовано:
    2017-06-15
Вы можете узнать стоимость помощи в написании студенческой работы.
Помощь в написании работы, которую точно примут!

Анализ технологии сварки униполярным модулированным током

Введение

Надёжность сварных соединений металлоконструкций технических устройств в электроэнергетической, нефтегазодобывающей, горнодобывающей, химической, машиностроительной и других отраслях промышленности существенно влияет на безопасность и экономическую эффективность производства.

При сварке металлоконструкций, трудно поддающихся методам рациональной механизации, автоматизации и роботизации, ручная дуговая сварка электродами с покрытием (РД) является, одним из ведущих технологических процессов. Объясняется это гибкостью, простотой, универсальностью и меньшими затратами на вспомогательные операции и оборудование. Но этим причинам РД сварка при ремонте, монтаже и реконструкции технических устройств, таких как газопровод, не имеет альтернативы.

Однако при сварке в монтажных условиях к величине тока со стороны электрода и изделия предъявляются противоречивые требования. С целью удержания сварочной ванны в пространственных положениях отличных от нижнего сварочный ток необходимо снизить, а для обеспечения требуемых сварочно-технологических свойств электрода ток должен быть значительно больше величины, обеспечивающей удержание сварочной ванны. Сварщик решает эту задачу, выполняя электродом различные манипуляции, вплоть до обрыва дуги, что приводит к образованию дефектов, как при сварке корня шва, так и заполняющих слоев.

Выполнение указанных противоречивых требований возможно методами импульсной модуляции сварочного тока. По сравнению со сваркой стационарной дугой, сварка модулированным током имеет ряд основных преимуществ это улучшение формирования шва во всех пространственных положениях, повышение механических свойств, сварных соединений, улучшение дегазации сварочной ванны, снижение сварочных деформаций и др. Значимый вклад в данном направлении внесен учеными: Потапьевским А.Г., Зарубой И.И., Князьковым А.Ф., Сараевым Ю.Н., Лебедевым В.К., Патоном Б.Е., Вагнером Ф.А., Воропаем Н.М., Дудко Д.А., Дюргеровым Н.Г., Подолой Н.В., Шигаевым Т.Г. и многими другими.

1. Литературный обзор

1.1 Ручная дуговая сварка покрытыми электродами при строительстве газопроводов

Область применения ручной дуговой сварки в строительстве газопровода.

При строительстве газопровода одной из самых востребованных профессий является профессия сварщика. Сварка, как метод соединения труб в газопроводе, используется наиболее часто, так как именно сварное соединение является наиболее прочным и надежным. Кроме того, при таком виде соединений не требуется применение никакой специальной запорной арматуры, а значит и обслуживание газопровода существенно облегчается. Это очень важно, так как во многих случаях доступ к месту соединения труб в газопроводе бывает затруднен.

Самым распространенным методом сварки при работе с газопроводами является ручная дуговая сварка. Конечно, скорость работы при применении такого метода сварки ниже, чем скорость сварки с применением автоматического или механизированного метода - если при ручной сварке максимальная скорость составляет 20 метров в час, то при автоматической может достигать 60 метров в час. Но довольно часто сварочные работы по трубопроводу просто невозможно производить при помощи автоматизированной сварки. При этом ручная сварка труб может применяться практически в любом месте и при любом положении стыка труб - и вертикальном, и горизонтальном, и нижнем, и потолочном.

Для строительства магистральных трубопроводов, в том числе и газопроводов, применяют трубы стальные бесшовные, электросварные прямошовные, спиральношовные и других специальных конструкций из спокойных и полуспокойных углеродистых сталей диаметром до 500 мм, из спокойных и полуспокойных низколегированных сталей диаметром до 1020 мм и низколегированных сталей термически или термомеханически упрочненном состоянии диаметром до 1420 мм.

Важной составляющей характеристикой труб является ее климатическое исполнение в зависимости от условий строительства и эксплуатации.

Сталь для труб должна быть хорошо свариваемой дуговыми методами сварки.

При строительстве систем газоснабжения кроме требований рабочих проектов следует соблюдать требования СНиП 3.01.01-85, СНиП 3.05.02-88, СНиП 3.01.03-84, СНиП III-4-80, СНиП 3.01.04-87, а также «Правил безопасности в газовом хозяйстве" и "Правил устройства и безопасной эксплуатации сосудов, работающих под давлением», утвержденных Госгортехнадзором.

Сварные соединения трубопроводов должны отвечать требованиям ГОСТ 16037-80.

Техника ручной дуговой сварки покрытыми электродами газопроводов.

Ручная дуговая сварка плавящимся покрытым электродом (далее - РДС) - дуговая сварка плавящимся электродом, выполняемая вручную с использованием покрытого электрода. Сущность способа: к электроду и свариваемому изделию для образования и поддержания сварочной дуги от источников сварочного тока подводится постоянный или переменный сварочный ток (рис. 1.1). Дуга расплавляет металлический стержень электрода, его покрытие и основной металл. Расплавляющийся металлический стержень электрода в виде отдельных капель, покрытых шлаком, переходит в сварочную ванну. В сварочной ванне электродный металл смешивается с расплавленным металлом изделия (основным металлом), а расплавленный шлак всплывает на поверхность.

При соединении труб стыки могут быть как поворотными, так и неповоротными. Кроме того, последовательность сварных работ зависит и от диаметра труб.

При сварке стыков труб используют следующие технологические варианты ручной дуговой сварки:

корневой слой шва и «горячий» проход выполняют электродами с целлюлозным видом покрытия, последующие слои - электродами с основным видом покрытия;

все слои шва - электродами с целлюлозным видом покрытия;

все слои шва - электродами с основным видом покрытия.

Рисунок 1.1 - Схема ручной дуговой сварки покрытыми электродами: 1 - заготовка; 2 - сварной шов; 3 - шлак; 4 - дуга; 5 - покрытый электрод; 6 - электродержатель; 7 - источник питания

Применение электродов с целлюлозным видом покрытия для сварки корневого шва позволяет увеличить темпы сварки, производительность и качество работ.

От механики выполнения корневого слоя шва во многом зависит качество сварного шва и эксплуатационная надежность стыков трубопроводов в целом. Для обеспечения требуемого качества сварку корневого слоя шва следует выполнять методом «замочной скважины»: в процессе сварки сварщик постоянно должен наблюдать за торцом электрода. Наличие просвета (замочной скважины) позволяет сварщику осуществлять непрерывное наблюдение за процессом плавления кромок.

Угол наклона при сварке корневого, «горячего» и последующих проходов указан на рисунке 1.2.

Рисунок 1.2 - Типичный угол наклона электрода с целлюлозным видом облицовочный шов: а - корневой слой, б - «горячий» проход, в - заполняющие слои; г - покрытия в зависимости от пространственного положения сварки и последовательности выполнения слоев шва

При выполнении «горячего» прохода сварщик осуществляет колебательные движения торцом электрода вдоль оси шва. Такая техника выполнения шва позволяет шлак и часть расплава из сварочной ванны давлением дуги и концентрированного газового потока, образующегося при сгорании целлюлозного покрытия, уводить вверх, обнажая дно сварочной ванны.

Таким образом, в задачу сварщика при "горячем" проходе входитне столько наплавление второго слоя, сколько удаление любыхнаружных дефектов с корневого слоя, получение ровной "подложки"для последующих слоев и в определенной степени модифицирование микроструктуры металла корневого слоя. Кроме того, такая техника сварки в вертикальном положении шва позволяет удерживать сварочную ванну от стекания.

Третий слой варят практически без колебаний, только перемещая торец электрода вдоль шва. Если данное место стыка собрано с максимальным зазором и разделка широкая, то осуществляются колебательные движения поперек шва.

Четвертый и последующие слои сваривают традиционными зигзагообразными колебательными движениями.

Сварка сверху вниз специальными электродами с основным видом покрытия осуществляется следующим образом.

Исходное положение электрода относительно трубы при всех пространственных положениях сварки должно быть перпендикулярно к касательной окружности в точке возбуждения дуги (рис.1.3).

Сварку корневого слоя шва выполняют электродами диаметрами 3 или 3,25 мм; при этом зазор выставляется ближе к верхнему пределу обычно рекомендуемого диапазона (2,5 - 3 мм).

Сварку осуществляют легким опиранием на свариваемые кромки и ведением электрода сверху вниз без поперечных колебаний. Усилие на электрод в отличие от варианта сварки электродами с целлюлозным видом покрытия минимально. Скорость сварки должна быть не менее 10, но не более 15 м/ч. Толщина корневого слоя шва из-за повышенного коэффициента наплавки и меньшей скорости сварки (в сравнении с электродами с целлюлозным покрытием) не меньше, чем суммарная толщина корневого слоя шва плюс "горячего" прохода при сварке электродами с целлюлозным видом покрытия. Благодаря особенностям формирования корневого слоя шва сварка электродами этого вида осуществляется без образования зашлакованных карманов, формы этого шва более плавные, чем в случае электродов с целлюлозным видом покрытия, шлифовка абразивным кругом после сварки не требуется, шлак отделяется хорошо, ввиду формирования низководородистого металла и благоприятной формы наружной поверхности корневого слоя, проведение "горячего" прохода необязательно.

Рисунок 1.3 - Положение электрода в начальный момент сварки электродами с основным покрытием

Сварка заполняющих и облицовочного слоев шва обычно осуществляется электродами диаметром 4 мм без поперечных колебаний (многоваликовые слои) с высокой линейной скоростью до 26 м/ч. Низкое разбрызгивание и повышенный коэффициент наплавки делают эти электроды при сварке заполняющих слоев конкурентоспособными электродам с целлюлозным видом покрытия диаметром 5 и даже 5,5 мм.

Перенос электродного металла в сварочную ванну при ручной дуговой сварке

При дуговой сварке плавящимся электродом металл с электрода переносится в сварочную ванну в виду капель, нагретых до температур, значительно превышающих температуру плавления, и в виде паров.

Основные этапы образования и переноса жидкого металла с электрода в сварочную ванну при дуговой сварке плавящимся электродом показаны на рис. 1.4.

Под действием тепла дуги на торце электрода образуется и растет капля жидкого металла, удерживаемая силами поверхностного натяжения. По мере ее увеличения в результате действия силы тяжести и электромагнитных сил форма капли изменяется, длина дуги в целом сокращается. Это уменьшает напряжение дуги и увеличивает силу тока. Дальнейшее увеличение капли приводит к замыканию дугового промежутка и ее отрыву.

При увеличении силы тока средний размер капель уменьшается, они чаще отрываются от электрода и, пересекая дуговой промежуток, попадают в ванну.

Рисунок 1.4 - Этапы образования и переноса жидкого металла с электрода в сварочную ванну: а, б - образование капли на торце электрода; в - появление шейки на стыке жидкого металла с твердым металлом электрода; г - замыкание каплей дугового промежутка; д - разрыв образованного мостика и возникновение дуги

В результате взрывообразного процесса отрыва частей капель от торца электрода некоторые из них отбрасываются в сторону в виде брызг металла.

Потери на разбрызгивание увеличиваются с увеличением силы тока.

При достаточно большой плотности тока в электроде его плавление имеет характерный струйный перенос.

При сварке штучными толстопокрытыми электродами или электродами с качественным покрытием под действием дуги плавится и частично переходит в газообразное состояние не только металл, но и покрытие. При этом обычно плавление покрытия несколько отстает от плавления электродного стержня, образуя «чехольчик». И в этом случае капли, пересекающие дуговой промежуток, могут быть как крупными, сопоставимыми с диаметром электродного стержня, так, и мелкими.

Шлак, получающийся в результате расплавления покрытия, переносится в дуге частично в виде капель, а частично в виде шлакового покрова на каплях металла и внутри их. Газовыделение при плавлении электрода, в частности при наличии «чехольчика» покрытия на торце электрода, приводит к интенсивному газовому дутью, направленному от электрода к ванне. Кроме того, газы в ряде случаев образуются и внутри капель, например в результате окисления углерода в стали и образования СО. В связи с этим многие капли, особенно мелкие, являются пустотелыми, с малой средней плотностью.

Достоинства и недостатки ручной дуговой сварки покрытыми электродами при строительстве, монтаже газопровода.

Ручная сварка, как известно, классифицируется на множество режимов работы и способов, подразумевает использование различных устройств, оборудования и приспособлений, но конечная цель всегда остается одной - изготовить и получить в конечном результате качественный шов. Это качество во многом зависит не только от того, какие виды ручной сварки используются, но и от множества различных факторов и нюансов, например материалы, с которыми будет работать сварка, внешнее состояние и оценка поверхности, которая сваривается, качество подготовленных для сваривания кромок и так далее. Одним словом, выбирая ту или иную технику для сварки, нельзя говорить, что предопределяется конечный результат.

В зависимости от того, какая форма изделия используется при сварке, и какой размер этого изделия, возможна работа в различных положениях относительно пространства. Так, такие положения разделяются на нижние и потолочные, а также вертикальные и горизонтальные, соответственно. Это тоже довольно важный момент, поскольку от этого может зависеть способ ручной сварки.

Наиболее распространенная дуговая при изготовлении и сваривании металлических сварных конструкций - это сварка покрытыми электродами. Это объяснимо по нескольким причинам, однако популярность ручной сварки заключается и простоте и мобильности данной техники сваривания в целом, аппаратов и оборудования, которые используются, а также использования ее в любом из вышеперечисленных пространственных положений. Кроме того, дуговая сварка дает возможность работать даже в труднодоступных местах.

Однако у этой технологии есть недостатки.

В первую очередь, низкая производительность. Это связано не только с отсутствием автоматизированных и механизированных установок, а и с высоким коэффициентом потери электродного материала в результате разбрызгивания. Если говорить о мобильности и невозможности использовать другие виды сварки в монтажных условиях трубопровода, то ручная дуговая сварка является отличным решением проблемы, однако имеет смысл применять технологии, повышающие качество сварного шва и производительность путем изменения крупнокапельного переноса металла на мелкокапельный и струйный.

Ручная дуговая сварка позволяет выполнять любые сварные швы в любых пространственных положениях, что делает ее незаменимой в строительстве газопроводов и других трубопроводов. Однако стоит заметить, что при сварке в положениях отличных от нижнего, под действием силы тяжести, сварочная ванна стекает, ухудшая формирование сварочного шва. В этом случае конечный результат, а именно качественный шов, будет напрямую зависеть от умений и квалификации сварщика. Кроме того, сложно переоценить роль корневого шва при сварке трубопровода, который определяет прочность всей конструкции.

Немаловажным является и то, что переизбыток тепловых вложений в сварочный шов сказывается на структуре шва, вызывая рост кристаллов.

Кроме этого, большие тепловложения в изделие способствуют большим сварочным деформациям и остаточным напряжениям. Данное обстоятельство будет немаловажным при строительстве газопровода с высоким давлением газа.

Поэтому остается немаловажным контролировать процесс сварки, а именно правильно регулировать режимы. Но для расплавления электродного покрытия и поддержания стабильной дуги необходим ток определенного значения, который называется критическим. Поэтому данное решение проблемы имеет ограничения.

Если же технологией предусмотрен высокий сварочный ток то, чтобы предупредить протекание расплавленного металла во внутрь трубы, сварку выполняют при наименьших зазорах от 1 до 2 мм при толщине стенки труб от 5 до 25 мм. Кроме того, первый слой следует наваривать так, чтобы получить плоскую или несколько вогнутую поверхность шва. Это обеспечивает лучший провар корня шва и более качественное формирование последующего слоя. И в данной ситуации сварщик обязан следить за тем, чтобы не было прожогов.

Немаловажной характеристикой сварного шва является его структура, особенно это важно при сварке и эксплуатации труб в условиях крайнего севера. Но, к сожалению, этот параметр средствами ручной дуговой сварки контролировать практически невозможно.

Все вышеперечисленные недостатки ручной дуговой сварки покрытыми электродами возможно решить, применив технологию ручной дуговой сварки модулированным током.

.2 Общие представления о сварке модулированным током

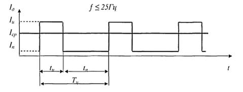
Процесс сварки модулированным током (СМТ) предполагает периодическое, заранее запрограммированное изменение энергетических параметров системы источник питания - сварочная дуга между высоким (импульс) и низким (пауза) уровнями. В течение импульса тока расплавляется основная часть электродного и свариваемого металла, а в последующий период паузы происходит кристаллизация большей части сварочной ванны.

Основная схема изменения силы тока при РД сварке покрытым электродом, модулированным током приведена на рис. 1.5.

Рисунок 1.5 - Схема изменения тока при способах сварки модулированным током применяемая для улучшения формирования металла шва во всех пространственных положениях за счет уменьшения размеров сварочной ванны и увеличения скорости кристаллизации: Iи - ток импульса; Iп - базовый ток (ток паузы); Iср - средний ток; tи - продолжительность импульса; tп - продолжительность паузы; Тц - продолжительность цикла модуляции сварочного тока

электродный металл ток сварочный

СМТ позволяет более тонко, чем непрерывная сварка, обеспечивать дозирование теплоты, поступающей в сварочную ванну. Эта особенность СМТ позволяет значительно облегчить сварку в вертикальном и потолочном положениях. При выполнении сварки в указанных пространственных положениях сварщик вынужден регулировать жидко-текучесть ванны и совершать различные манипуляции концом электрода для обеспечения удовлетворительного формирования шва. При этом сварщик постоянно находится в напряженном состоянии и не может обеспечить стабильность качества шва.

Модулирование сварочного тока представляет возможность освободить сварщика от трудоемкой операции по дозированию теплоты, вводимой в сварочную ванну и переложить ее на специальное устройство - модулятор. Сварщику же остается лишь заполнять разделку шва, техника сварки значительно упрощается и становится доступной даже начинающему.

Наложение импульсов тока на дугу небольшой мощности при сварке плавящимся электродом позволяет получить управляемый мелкокапельный перенос электродного металла. Если амплитудное значение тока импульса превышает критическую для данных условий величину, а частота следования импульсов ≥25 Гц, то каждым импульсом в сварочную ванну будет переноситься одна капля электродного металла. Под термином «критический ток» понимают такую величину сварочного тока, при которой размер переносимых через дуговой промежуток капель металла резко уменьшается, а частота их образования соответственно увеличивается. Средняя величина тока при этом на 30-40% меньше номинального значения. За счет устранения коротких замыканий дугового промежутка каплями электродного металла значительно улучшается стабильность процесса сварки, характер переноса капель практически не зависит от пространственного положения шва.

Преимущества СМТ:

обеспечивается управляемый мелкокапельный перенос электродного металла при средних токах дуги;

снижаются тепловложения в основной металл при неизменной глубине проплавления, размеры зоны перегрева, остаточные напряжения и деформации сварного соединения;

улучшаются качество наплавленного металла шва и механические свойства, обеспечиваются условия для однородного формирования сварного шва независимо от его пространственного положения;

измельчается структура металла шва и зоны термического влияния за счет воздействия пульсирующего теплового поля;

облегчаются сварка неповоротных стыков трубопроводов и укладка шва в труднодоступных местах.

1.3 Влияние параметров режима сварки модулированным током на формирование сварного шва

Одним из основных преимуществ процесса сварки модулированным током являются лучшие, чем при сварке стационарной дугой, условия выполнения швов в различных пространственных положениях. Трудность выполнения швов в отличных от нижнего пространственного положения заключается в текучести сварочной ванны под действием различных сил.

Эта проблема решается сваркой модулированным током, с помощью которого регулируется объем сварочной ванны и время ее кристаллизации.

При сварке модулированным током критерием текучести ванны может служить скорость кристаллизации в ней металла во время tп. Эта скорость определяет как текучесть ванны, так и ее массу в единицу времени, которые обеспечивают возможность сварки в различных пространственных положениях. Текучесть и масса ванны могут быть сведены к минимуму путем регулирования режимов сварки, главным образом значение tи и tп.

Формирование швов тесно связано с существованием и кристаллизацией сварочной ванны.

Если сварочная ванна имеет небольшую глубину при данной ширине, обеспечивается направленный рост кристаллов. Если при той же ширине ванны глубина ее велика, неизбежен радиальный, т.е направленный к оси шва в его поперечном сечении, а не осевой рост кристаллов. Действительно, при сварке в узкую разделку, когда ширина разделки мала, а глубина ее велика, имеет место направленный к оси шва рост кристаллов. Однако при сварке модулированной дугой характер кристаллизации меняется.

Сварка модулированным током предопределяет использование только узкой разделки свариваемых деталей с относительно большой толщиной стенки. В этом случае сварочная ванна характеризуется малым коэффициентом формы. Сварка стационарной дугой в этих условиях неизбежно приводит к росту кристаллов в направлении оси шва. Пульсация тепловой мощности дуги устраняет этот недостаток, кристаллы растут снизу вверх (при многопроходной сварке корневого шва к облицовочному), а расплавление и кристаллизация металла сварочной ванны при сварке модулированным током принципиально отличаются от процессов кристаллизации характерных при сварке стационарной дугой.

Изменение цикличности пульсации тока и напряжения на дуге можно регулировать тепловое воздействие дуги на металл шва. Пульсации тока и напряжения вызывают соответствующую пульсацию температуры в сварочной ванне и в зоне термического влияния, позволяя периодически переплавлять металл сварочной ванны, проводить локальную термическую обработку, смещать положение точек Ас1 и Ас3.

Пульсация электрических параметров дуги способствует интенсивному механическому перемешиванию жидкого металла ванны, так как механическое давление дуги увеличивается и уменьшается вместе со сварочным током.

Следовательно, в процессе сварки происходит перемешивание жидкого металла ванны, причем по оси шва перемещаются массы жидкого металла в большом объеме и более интенсивно, чем в поперечном направлении шва. Это относится к случаю сварки швов в разделку. При сварке швов без разделки кромок волнообразные перемещения жидких масс ванны способствуют интенсивному механическому перемешиванию расплава со всеми вытекающими отсюда благоприятными последствиями.

В общем виде после каждого цикла пульсации дуги кристаллизуется некоторый объем металла шва, т.е. жидкая ванна кристаллизуется циклически небольшими слоями во время tп.

Рассмотрим влияние характера изменения мощности дуги на процесс кристаллизации шва. Когда мощность дуги в процессе пульсации изменяется от своего максимального значения до минимального по вертикальной прямой, процесс кристаллизации сварочной ванны уподобляется кристаллизации слитка. Направленность роста кристаллов зависит только от формы сварочной ванны. При малом коэффициенте ее формы кристаллы растут к наиболее нагретой центральной части ванны.

Если изменение мощности дуги происходит по плавной кривой и уменьшающиеся постепенно тепловложения позволяют затвердевать объемам сварочной ванны, расположенным глубже.

Количественное соотношение жидкой и твердой фаз в остывающем шве регулируется минимальной мощностью, необходимой также для предотвращения затухания дуги, крутизной ниспадающей кривой и времени tп. Практически режимы сварки назначаются таким образом, чтобы вся сварочная ванна в продольном сечении шва была покрыта тонким слоем жидкого металла.

Влияния параметров режима сварки модулированным током на химический состав металла при сварке в стационарном режиме и сварке модулированным током приведены в работе.

Отобразим графически изменение химического состава металла шва в зависимости от способа сварки (рис. 1.6). Из рисунка видно, что при сварке модулированным током происходит меньшее выгорание химических элементов, кроме молибдена. Так же показан режим сварки, выделенный горизонтальными и вертикальными линиями, наиболее благоприятно влияющий на химический состав металла шва.

Таким образом, с точки зрения качества сварного шва, выполняемого модулированным током, первостепенное значение имеют следующие факторы: многократные переплавы каждой порции металла, механическое перемещение объемов жидкого металла сварочной ванны, послойна кристаллизация металла сварочной ванны, наличие жидкого металла над затвердевающими слоями кристаллизации шва и, как следствие этого, направленный снизу вверх рост кристаллов при затвердевании сварочной ванны.

 

Рисунок 1.6 - Влияние режима сварки на хим.состав металла шва

2. Методика проведения экспериментов

.1 Материалы и методы исследования

Для проведения эксперимента была выбрана сталь 09Г2С, образцы имели толщину 12 мм. Сталь является конструкционной, низколегированной, имеет высокую механическую прочность. В процессе сварки сталь подвергается перегреву и не закалочной структуре, это ведет к тому, что пластические свойства сталь сохраняет.

Механические свойства и химический состав представлены в таблице 2.1 и таблице 2.2, соответственно.

Таблица 2.1 - Химический состав в % материала 09Г2С

C

Si

Mn

Ni

S

P

Cr

N

Cu

As

до 0,12

0,5 - 0,8

1,4 - 1,6

до 0,3

до 0,04

до 0,035

до 0,3

до 0,008

до 0,3

до 0,08


Таблица 2.2 - Механические свойства материала 09Г2С

Сортамент

Размер

Напр.

ув

уT

ш5

y

KCU

-

мм

-

МПа

МПа

%

%

кДж / м2

Лист, ГОСТ 5520-79

10


430-490

265-345

21


590-640


Химический состав и механические свойства по ГОСТ 19281-89.

Сталь марки 09Г2С имеет ряд свойств:

1. Пластичность.

. Свариваемость без ограничений.

. Прокаливаемость.

. Устойчивость к образованию трещин.

. Устойчивость к отпускной хрупкости.

. Отсутствие перегрева.

7. Высокий предел выносливости (особенно после получения двухфазовой ферритно-мартенситной структуры).

Благодаря положительным свойствам, сталь применяют в химической, нефтяной, строительной, судостроительной отрасли. Устойчивость свойств материала в широком температурном диапазоне позволяет применять конструкции, детали из данной марки стали при температурах от -70 до +450 С. Также устойчивость к низким температурам позволяет применять трубы из стали 09Г2С на севере страны.

Данная марка стали широко используется в сварных конструкциях. Сварка стали 09Г2С может производиться как без подогрева, так и с подогревом до 100-200 ºС. Сталь имеет малое количество углерода, что делает сварку довольно простой, при этом сталь не закаливается и не перегревается в процессе сварки. Поэтому не происходит увеличение зернистости и не снижается пластичность металла. Также эта сталь не склонна к отпускной хрупкости, а вязкость после отпуска не снижается. Для сварки 09Г2С можно применять любые электроды, которые предназначены для сварки низколегированных и малоуглеродистых сталей.

.2 Выбор электродов

В данной работе использовались электроды с основным покрытием марки LB 52U. Электроды данной марки позволяют качественные и долговечные швы, как при постоянном, так и переменном токе.

Ряд преимуществ электродов LB 52U:

1. Высокая плотность соединения.

. Пониженная степень содержания водорода в металле.

. Значительная глубина проплавления обрабатываемого металла.

. Незначительное разбрызгивание металла.

. Высокая пластичность сварного соединения, шва.

. Стойкость к абразивным трещинам.

. Отличная ударная вязкость.

. Достаточно легко удаляется шлаковая корка.

Такой вид электродов используется в газовой и нефтяной промышленности. Высокая эластичность сварного шва позволяет электродам этой марки производить сварочные работы в различных климатических условиях на любых участках магистральных трубопроводах.

Для LB 52U характерно пониженное содержание водорода, в связи с этим улучшается качество сварочного шва. Химический состав электродов представлен в таблице 2.3.

Таблица 2.3 - Химический состав в %, электродов марки LB 52U

Диаметр электрода, d, мм.

C

Si

Mn

P

S

Ni*

Cr*

Mo*

V*

2,6

0,06

0,52

1,00

0,011

0,005

0,01

0,03

0,01

следы

3,2

0,06

0,51

1,02

0,011

0,006

0,01

0,02

0,01

следы

4,0

0,06

0,49

1,02

0,013

0,004

0,01

0,03

0,01

следы


Электроды LB 52U применяются в случаях, когда необходимо повысить прочность обратной стороны сварочного шва. Электрод данного типа является незаменимым, когда сварка швов возможна только с одной стороны.

2.3 Выбор оборудования

При проведении экспериментальных исследований постоянным током обратной полярности применяли выпрямитель сварочный многопостовой ВКСМ - 1000. Для сварки постоянным модулированным током в сварочную цепь совместно с выпрямителем подключали модулятор, структурная схема установки представлена на рисунке 2.2.

Рисунок 2.2 - Структурная схема для сварки постоянным модулированным током обратной полярности

В ее состав входит: выпрямитель сварочный многопостовой ВКСМ-1000 и 2 единицы токоограничительного резистора.

Регулируемыми параметрами являются: ток импульса; ток паузы; длительность импульса тока имп; длительность паузы тока пауз; длительность дополнительного импульса тока доп.имп; длительность дополнительной паузы тока доп.пауз.

.4 Методика подготовки шлифов

Изготовление шлифов для исследования микротвёрдости состоит из нескольких этапов.

Окончательная поверхность шлифа должна быть плоской и блестящей (зеркальной), без видимых дефектов (царапин, задиров). По неправильно выполненному шлифу будет невозможно судить о реальной структуре металла, она будет искажена. По этой причине приготовление шлифов разделяется на этапы, которые выполняются в чёткой последовательности и никак иначе.

Первый этап. Отрезка и заторцовка шлифа. Отрезка образца производилась на отрезном станке MECATOME T260 (рис. 2.3). Тиски станка позволяют закреплять образцы в горизонтальном и вертикальном положениях. Станок имеет две скорости резки: 3200 и 3800 об/мин.

Рисунок 2.3 - Отрезной станок Mecatome T260

Далее исследуемую поверхность образца заторцовывали на плоскость на наждачном круге. Отрезку и заторцовку образца обязательно необходимо вести с охлаждением водой, иначе он нагреется, что приведёт к искажению структуры металла.

Второй этап. Шлифование образца. После заторцовки производим шлифование образца на плотной бумаге с применением алмазных паст (ГОСТ 25593) разных номеров (зернистость красной пасты 60/40, голубой пасты 28/20 и зеленой пасты 10/7).

Шлифование выполняется вручную следующим образом. Начинаем шлифование на пасте с более крупными абразивными частицами и заканчиваем пастой с более мелкими частицами. Прижимаем образец заторцованной поверхностью к бумаге с пастой, водим в одном направлении пока все риски не будут соответствовать направлению шлифования. Затем шлифуем на пасте с более мелкими частицами абразива в перпендикулярном направлении к тем рискам, которые у нас получились на предыдущей пасте пока они не исчезнут. Если не соблюдать данную последовательность шлифования останутся риски, которые не выводятся при полировании и затрудняют дальнейший анализ микроструктуры образца. При переходе на следующий номер пасты необходимо полностью удалить остатки старой пасты предыдущего номера (промыть, вытереть тканью со спиртом и протереть сухой ветошью).

Важным в процессе изготовления шлифа является то, чтобы заторцованная и отшлифованная поверхность получилась идеально плоской, края не должны быть завалены. Для достижения такого результата при изготовлении образец зажимали в струбцину, имеющую ту же твердость, что и шлиф. После окончания шлифования образец промывали водой для удаления частиц абразивного материала, затем полировали.

Третий этап. Полирование выполнялось на плоском круге, который вращался с помощью двигателя. Круг покрыт сукном, которое в процессе полирования нужно смачивать водой с мельчайшим порошком, пастой ГОИ, для лучшего выведения царапин и ускорения процесса, но переусердствовать с пастой не нужно, так как излишки частиц могут создать новые царапины. В процессе полирования образец прижимается к кругу равномерно всей плоскостью. Во время полирования образец нужно постоянно поворачивать. Прекращается полирование после того как выведены все оставшиеся риски и поверхность образца имеет зеркальный блеск.

.5 Травление шлифа

Травление выполняли следующим образом. Полностью подготовленный образец определённое время выдерживали в специальном растворе - «травитель», затем шлиф промывали сначала водой, а затем спиртом и сушили. В результате травления на поверхности микрошлифа образовывались выступы и впадины, характеризующие микроструктуру сплава. В нетравленом виде полированный шлиф под микроскопом имеет вид светлого круга.

Для анализа эвтектических карбидов использовали травитель следующего химического состава: 20 мл. HCl; 1 мг. CuCl2; 15 мл. H2O; 65 мл. C2H6O. Травление проводили при температуре 20 °С, время травления 10 с.

Микроструктуру наплавленных покрытий исследовали с помощью оптического микроскопа Olyimpus GX51 (рис. 2.4), снабженного анализатором изображений SIAMS 700.

Рисунок 2.4 - Микроскоп Olympus GX51

.6 Измерение микротвердости

Для испытания металлов на микротвердость методом вдавливания в качестве наконечника применяются алмазные пирамиды. Наиболее распространена пирамида с квадратным основанием и углом при вершине между противолежащими гранями в 136ᵒ. На рисунке 2.5 изображен наконечник данного типа. При испытании однородного материала с помощью такого наконечника значения твердости почти не зависят от применяемой нагрузки в интервале от 1 г. до 1 кг.

Рисунок 2.5 - Стандартный пирамидальный наконечник.

Размеры  полученного в  в  вдавливания  наконечника,  при  нагрузки за счет  деформации  Поэтому  отпечаток при  нагрузке и отпечаток при  нагрузке.  при  с  конуса,  или  пирамиды,  отпечаток  снятия  и  наконечника, т.е.  отпечаток.

Хорошо  алмазные  наконечников  иметь  ребра,  не  иметь  грани  быть  тщательно  в  уменьшения  трения  алмазом и  материалом.

Алмаз  получать  удовлетворяющую этим  Таким  обеспечивается  возможное  подобие при  отпечатков под  нагрузками.

Приборы для определения твердости микроскопических элементов структуры отличаются тем, что нагрузка под действием которой происходит вдавливание, измеряется всего лишь граммами или десятками граммов. Размеры отпечатков при этом колеблются от нескольких микронов до десятков микронов и требуют для своего замера микроскоп, составляющий существенную часть прибора. Применение малых нагрузок позволяет получать неповрежденные  даже на  хрупких  или  составляющих.

Процесс  микротвердости  с  образца на  стол  HV-1000  2.6).  при  добиться  плоскости  на  будут  дорожки, по  с  стола. При не  параллельности  возникает  погрешность в  По  измерениям  наблюдать  зависимость.

Модификация  оснащена  револьверной  на  могут быть  одновременно один  и два  Цикл  нагрузки  запускается  клавишей,  в  твердомера.  к  измерения  диагоналей  с  микрометрической  после  приложения  и  к  цикла  нагрузки  оператором.

Рисунок 2.6 - Стационарные микротвердомеры

Измерительная  микроскопа  производить  диагоналей  в мкм,  измеренных  в  твёрдости  осуществляется по  которые  в  прибора (для  HV-1000).

После  настраивались  (F = 500 г.  с  алмазная  действует на  образца, t = 10 с. -  вдавливания  пирамиды, HV -  проводятся по  Виккирса)  Следующим  исследования  проставление  уколов.  проставлялись в  с  200 мкм.  проводились по  линии (1) как  на  (рисунок 2.7).

Рисунок 2.7 - Схема замера микротвердости по линии 1

3. Экспериментальная часть

С целью определения влияния рода тока и его модуляции на микроструктуру металла шва были проведены экспериментальные исследования. Для этого производили наплавку валиков электродами с покрытием марки LB-52U типа Э50А диаметром 3,2 мм в нижнем положении на пластину из стали 09Г2С толщиной 12 мм. Перед наплавкой, поверхность пластины зачищали до металлического блеска универсальной угловой шлифовальной машинкой УШМ-125. Питание сварочной цепи осуществляли постоянным и модулированным током обратной полярности. Список оборудования, использованного при эксперименте, приведен в разделе 2.3.Температура пластины перед наплавкой каждого из валиков составляла 25°C, чтобы избежать термического влияния на ранее наплавленный металл.

На рисунке 3.1 и 3.2 приведены осциллограммы тока в сварочной цепи для каждого из экспериментов, по которым были определены фактические параметры режимов наплавки валиков (таблица 3.1).

Рисунок 3.1 - Осциллограмма постоянного тока обратной полярности (μt =500 мс/дел; μi = 20А/дел; Iсв = 116 А)

Рисунок 3.2- Осциллограмма униполярного модулированного тока(μt = 500 мс/дел; μi = 50 А/дел; Iсв = 128 А)

Таблица 3.1 - Параметры режимов наплавки валиков

Род и форма тока

Параметры сварочного тока

dэл, мм

Марка электрода

1

Постоянный обратной полярности

Iсв=116 А

3,2

LB-52U

2

Постоянный модулированный

Iсв=138 А




На рисунке 3.3 представлена пластина с наплавленными валиками.

Каждый полученный валик был клеймен согласно очередности наплавления и соответствующего рода тока 1 и 2.

После проведения наплавки на пластину, полученные валики подвергали визуальному осмотру, по результатам которого видимых дефектов обнаружено не было. С целью анализа влияния рода тока на свойства металла шва, исследовали его макро- и микроструктуру (рис.3.4).

Анализ микроструктуры сварных соединений показал, что применение униполярного модулированного тока способствует получению мелкозернистой структуры металла шва (рисунок 3.4) по сравнению со структурой, полученной в шве при сварке на постоянном токе обратной полярности.

Рисунок 3.3 - Пластина с наплавленными валиками: 1 - униполярный модулированный ток; 2 - постоянный ток обратной полярности

Рисунок 3.4 - Микроструктура металла швов

Кроме того, применение модулированного тока также оказывает влияние на строение околошовной зоны.

В частности уменьшается протяженность участка перегрева с крупным зерном, ко шву примыкает участок со структурой металла в нормализованном состоянии.

Микротвердость на шлифах определяли с помощью прибора HV-1000 при нагрузке 500 гр. с шагом по глубине 200 мкм (ГОСТ 9450-76). Было произведено по 120 замеров на каждом образце в виде дорожек. Схема замера микротвердости, использованная при эксперименте, указано в пункте 2.6. Для сопоставления данных были построены графики диаграмм микротвердости наплавленного металла при разных сварочных токах (рисунок 3.5 и 3.6). Отличия микротвердости наплавленного металла в этих образцах не большая.

Рисунок 3.5 -Микротвердость образца на постоянном токе обратной полярности

На рисунке 3.7 изображена гистограмма, отображающая рост зерна при сварке постоянным током и униполярным модулированным током.

Анализ гистограммы свидетельствует об уменьшении среднего размера зерна при использовании модуляции сварочного тока.

Очевидно, что при сварке модулированным током размер зерна меньше, что благоприятно сказывается на механических свойствах сварного шва.

Рисунок 3.6 - Микротвердость образца на униполярном модулированном токе

Рисунок 3.7 - Анализ размера зерен образцов: 1 - образец, сваренный постоянным током обратной полярности; 2 - образец, сваренный постоянным модулированным током

На основе полученных результатов делаем вывод о целесообразности применения модулированного тока при ручной дуговой сварке в виду улучшения структуры сварного шва, уменьшения зоны термического влияния и, как следствие, повышение механических свойств сварного шва.

4. Финансовый менеджмент, ресурсоэффективность и ресурсосбережение

.1 Предпроектный анализ

Потенциальные потребители результатов исследования

Исследовали свойства сварных соединений при сварки переменным прямоугольным током. Следовательно, потенциальными потребителями результатов наших исследования нефте- и газодобывающие компании находящиеся любой области Российской Федерации, производящие ремонт и укладку нефте- и газопроводов.

Для данных коммерческих организаций критерием сегментирования является производство и ремонт. Сегментируем оборудование и технологию сварки постоянным модулированным током, а именно форму импульса сварочного тока (амплитудно-временные параметры импульса), который обеспечит бездефектное формирование сварной точки, по критерию производство и ремонт.

Анализ конкурентных технических решений.

Детальный анализ конкурирующих разработок, существующих на рынке, необходимо проводить систематически, поскольку рынки пребывают в постоянном движении. Такой анализ помогает вносить коррективы в научное исследование, чтобы успешнее противостоять своим соперникам. Важно реалистично оценить сильные и слабые стороны разработок конкурентов.

В ходе исследования проанализированы конкурентные технические решения, используемые на сегодняшний день в промышленности России и стран зарубежья в области ручной дуговой сварки. Однако на сегодняшний день применяют разные техники для осуществления данного метода сварки.

Технология QuaD (QUality ADvisor) представляет собой гибкий инструмент измерения характеристик, описывающих качество новой разработки и ее перспективность на рынке и позволяющие принимать решение целесообразности вложения денежных средств в научно-исследовательский проект.

Показатели оценки качества и перспективности новой разработки подбираются исходя из выбранного объекта исследования с учетом его технических и экономических особенностей разработки, создания и коммерциализации.

В соответствии с технологией QuaD каждый показатель оценивается экспертным путем по сто балльной шкале, где 1 - наиболее слабая позиция, а 100 - наиболее сильная. Веса показателей, определяемые экспертным путем, в сумме должны составлять 100%.

Таблица 4.1 - Оценочная карта для сравнения конкурентных технических решений

Критерии оценки

Вес критерия

Баллы

Максимальный балл

Относительное значение (3/4)

Средне-взвешенное значение (5х2)

Показатели оценки качества разработки

1. Надежность

20%

100

100

1

20

2.Унифицированность

5%

50

100

0,5

5

3. Уровень материалоемкости разработки

10%

20

100

0,2

10

4.Функциональная мощность (предоставляемые возможности)

10%

70

100

0,7

10

5.Ремонтопригодность

10%

90

100

0,9

9

Показатели оценки коммерческого потенциала разработки

6.Конкурентоспособ-ность продукта

10%

80

100

0,8

8

10%

50

100

0,5

8

8.Перспективность рынка

10%

50

100

0,5

5

9. Цена

10%

30

100

0,3

3

10.Финансовая эффективность научной разработки

5%

70

100

0,7

3,5

Итого

100%

610

1000

6,1

81,5


Оценка качества и перспективности по технологии QuaD определяется по формуле:

Пср=ΣВi∙Бi , (4.1)

где Пср - средневзвешенное значение показателя качества и перспективности научной разработки;- вес показателя (в долях единицы);

Бi - средневзвешенное значение i-го показателя.

Из проведенных расчетов можно сделать вывод, что перспективность проделанного исследования выше среднего.

Исходя из проведенного выше анализа (таблица 4.1) можно сделать вывод, что технология имеет ряд преимуществ над своими аналогами. При использовании данной технологии значительно снижается процент брака и повышается производительность работы что, безусловно, повышает количество и качество выпускаемых изделий. Также за счет применения более рационального амплитудно-временного параметра импульса тока значительно снижаются энергетические затраты, что снижает себестоимость выпускаемых изделий, при этом за счет повышения качества нет необходимости снижать цену на товар. Также стоит отметить наличие широкого диапазона возможностей при использовании данной технологии.

4.2 Определение возможных альтернатив проведения научных исследований

Возможные варианты решения технической задачи:

) А1Б1В1 - В первом случае, применяем сварку на постоянном токе это связанно со стандартными рекомендациями, высокой концентрацией тепловой мощности, наиболее эффективно сваривать металл на постоянном токе обратной полярности, увеличивается стабильность горения дуги, хорошее качество сварного шва

) А2Б2В2 - Во втором случае, применяем модуляцию в постоянном токе это связанно с тем, что при данном методе достигается мелкозернистость металла шва, что увеличивает его прочностные свойства, а это в свою очередь увеличивает долговечность эксплуатирования трубопроводов.

5. Социальная ответственность

В бакалаврской работе проводятся исследования свойств сварных соединений полученных с использованием постоянного модулированного тока, поэтому в работе приводится анализ вредных и опасных факторов характерных именно для этой сферы производственной деятельности.

В процессе сварки, сварщик, подвержен воздействиям комплекса опасных и вредных производственных факторов различной природы: излучение, сварочные аэрозоли, искры и брызги расплавленного металла и шлака, электромагнитные поля, газы, сильный акустический эффект. Все вышеперечисленные факторы вызывают болезни либо отклонения в здоровье человека.

В этом разделе определены потенциально вредные и опасные факторы, выявлен источник их появления, приведены нормативные документы, определяющие предельно-допустимый уровень или предельно-допустимую концентрацию, а также предложены мероприятия по технике безопасности и производственной санитарии, направленные на снижение или устранение опасных и вредных факторов. Также описаны мероприятия по противопожарной профилактике, охране окружающей среды и чрезвычайным ситуациям.

.1 Анализ вредных и опасных производственных факторов и перечень мероприятий по их устранению

Процессы сварки, наплавки и резки металлов являются источниками образования опасных и вредных факторов, способных оказывать неблагоприятное воздействие на работников.

К опасным и вредным производственным факторам относятся:

         твердые и газообразные токсические вещества в составе сварочного аэрозоля,

         интенсивное излучение сварочной дуги в оптическом диапазоне (ультрафиолетовое, видимое, инфракрасное),

         интенсивное тепловое (инфракрасное) излучение свариваемых изделий и сварочной ванны,

         искры, брызги и выбросы расплавленного металла и шлака,

         электромагнитные поля,

         шум,

         статическая нагрузка.

Повышенный уровень шума.

Шум на рабочих местах при дуговой сварке является фантором умеренной интенсивности. Источники шума - сварочная дуга, источники питания, плазмотроны, пневмоприводы.

Чрезмерный шум в процессе сварки приводит к повреждению слуха сварщика. Высокий уровень шума также вызывает нервное напряжение и увеличивает кровяное давление, и может способствовать развитию болезней сердца.

Согласно СанПиН 2.2.4.3359-16 «Санитарно-эпидемиологические требования к физическим факторам на рабочих местах» нормативным эквивалентным уровнем звука на рабочих местах является 80 дБА.

Для снижения шума, создаваемого оборудованием, это оборудование целесообразно помещать в звукоизолирующие ограждения. Технологическое и вентиляционное оборудование, создающее шум и вибрацию, нужно устанавливать на виброизолирующие основания. Присоединение воздуховодов к вентиляторам следует выполнять с помощью виброизолирующих брезентовых вставок. Создающие высокие уровни шума вентиляторы высокого давления и вакуум-насосы необходимо устанавливать в отдельных звукоизолированных помещениях.

Для защиты органов слуха от шума рекомендуется пользоваться индивидуальными средствами защиты - противошумными наушниками или вкладышами (ГОСТ 15762-70 Средства индивидуальной защиты от шума. Технические требования). Для защиты от высокочастотного шума эффективны наушники ВЦНИИОТ-2, наушники ПН-2К, также вкладыши «Беруши».

Недостаточное освещение.

Сварщикам приходится выполнять операции, различающиеся по точности зрительной работы: разметку, сборку, чтение чертежей, сварку, контроль сварных соединений и др. Наличие источников повышенной яркости вызывает необходимость частой переадаптации зрения: каждый раз при переходе от вспомогательных операций, выполняемых без щитка, к сварке, выполняемой обязательно со щитком.

Уровни освещенности для сварочных и сборочно-сварочных цехов установлены в соответствии СанПиН 2.2.4.3359-16 и ВСН 196-83 «Отраслевые нормы проектирования искусственного освещения основных цехов промышленных предприятий Минтрансстроя» (табл. 5.1).

Таблица 5.1 - Нормы освещенности

Наименование

Поверхность нормирования освещенности

Плоскость нормирования освещенности

Фон

Разряд зрительной работы

Освещенность, лк






Комбинированное освещение

Общее освещение






Общее+местное

Общее


Общий уровень освещенности по цеху

0,8 м от пола

Горизонтальная

Темный

-



200

Разметка, керновка

Стол

Горизонтальная


IVа

750

150

300

Сварка, резка, наплавка

Место обработки металла

Горизонтальная


VII

-

-

200


В переносных светильниках необходимо предусматривать ограничение прямой блесткости. Под кранами должны быть повешены дополнительные светильники, компенсирующие затемнение рабочих мест.

При сварке внутри емкостей следует использовать светильники направленного действия, расположенные снаружи, или ручные переносные светильники, имеющие защитную сетку (трансформатор должен быть установлен снаружи, его вторичная обмотка заземлена; не допускается применение автотрансформаторов).

Светильники, окна и световые фонари необходимо очищать по мере загрязнения (не реже одного раза в три месяца).

Окраску стен целесообразно выполнять специальными красками, обладающими высоким коэффициентом отражения для видимой части спектра и низким коэффициентом - для ультрафиолетовых лучей.

Правильно спроектированное освещение в производственных помещениях обеспечивает хорошую освещенность рабочей поверхности, а также рациональное направление света, при этом отсутствуют резкие тени и блики на поверхностях.

Неправильное устроение освещения в производственном помещении может затруднить работу, вследствие чего повышается утомляемость, снижается производительность труда, а также это может стать причинами травматизма и глазных заболеваний.

Если светильники и проводки подобраны неправильно, то это может стать причиной пожара.

Отклонение параметров микроклимата

Производственный микроклимат зависит от колебаний внешних метеорологических условий, времени дня и года, хода производственного процесса, условий воздухообмена с внешней атмосферой и т.д.

На производственный микроклимат установлены нормы системой стандартов безопасности труда по СанПиН 2.2.4.3359-16.

Микроклимат помещений для лёгкой категории работ включает определённую температуру и влажность.

Нормы метеорологических условий учитывают время года и характер производственного помещения.

Нормативные показатели микроклимата для категорий работ по IIа согласно СанПиН 2.2.4.3359-16 см. в таблице 5.2.

В настоящих нормах нормируется отдельно каждый компонент микроклимата в рабочей зоне производственного помещения: относительная влажность, температура, скорость воздуха в зависимости от способности человека к акклиматизации в разное время года, характера одежды,интенсивности производственной работы и характера тепловыделений в рабочем помещении.

Таблица 5.2 - Нормы метеорологических условий

Период года

Категория работ по уровню энергозатрат, Вт

Температура воздуха, єС

Температура поверхностей, єС

Относительная влажность воздуха, %

Скорость движения воздуха, м/с

Холодный

Iа (до 139)

22-24

21-25

60-40

0,1


Iб (140-174)

21-23

20-24

60-40

0,1


IIа (175-232)

19-21

18-22

60-40

0,2


IIб (233-290)

17-19

16-20

60-40

0,2


III(более 290)

16-18

15-19

60-40

0,3

Теплый

Iа (до 139)

23-25

22-26

60-40

0,1


Iб (140-174)

22-24

21-25

60-40

0,1


IIа (175-232)

20-22

19-23

60-40

0,2


IIб (233-290)

19-21

18-22

60-40

0,2


III (более 290)

18-20

17-21

60-40

0,3


Микроклимат производственных помещений, в основном, влияет на тепловое состояние организма человека и его теплообмен с окружающей средой.

Недостаточная влажность приводит к интенсивному испарению влаги со слизистых оболочек, их пересыханию и эрозии, загрязнению болезнетворными микробами. Длительное влияние высокой температуры в сочетании со значительной влажностью может привести к накоплению тепла в организме и к гипертермии. При гипертермии, и как следствие, тепловом ударе, наблюдается головная боль, головокружение, общая слабость, изменение цветового восприятия, сухость во рту, тошнота, рвота, потовыделение. При низкой температуре, значительной скорости и влажности воздуха возникает переохлаждение организма (гипотермия).

Снижение неблагоприятного воздействия микроклимата достигается использованием технологических (применение нового оборудования, замена технологий, автоматизация), санитарно-технических (вентиляция, правильная эксплуатация оборудования, имеющих высокую температуру поверхности) и медико-профилактических мероприятий (нормирование труда и отдыха).

Наличие вредных веществ в воздухе рабочей зоны.

Дым, выделяющийся при сварке - смесь очень мелких частиц и газов. Большинство компонентов выделяющегося при сварке дыма: хром, никель, мышьяк, асбест, марганец, кремний, бериллий, кадмий, окислы азота, хлороокись углерода, акролеин, соединения фтора, оксид углерода, кобальт, медь, свинец, озон, селен, и цинк могут быть чрезвычайно токсичны

Предельно допустимые концентрации этих веществ нормируются ГОСТ 12.1.005-88 Система стандартов безопасности труда (ССБТ). Общие санитарно-гигиенические требования к воздуху рабочей зоны.

Для защиты и удаления вредных газов и пыли с мест сварки и подачи чистого воздуха используют вентиляцию. Общая вентиляция бывает приточно-вытяжной. Свежий воздух обычно подают в цех через общецеховую вентиляционную установку, а загрязненный воздух удаляют из цеха общецеховой вентиляцией, а также местными устройствами.

Местная вытяжная вентиляция, удаляя вредные вещества из помещения, должна препятствовать их попаданию в зону дыхания. Местную вентиляцию можно считать удовлетворительно работающею, когда она удаляет вредности по принципу «от рабочего».

На рабочих местах в зоне сварки необходимо устанавливать аппаратуру с отсасывающим поворотным рукавом.

Сварочные участки, сообщающиеся проемами со смежными помещениями, где не проводится сварка, должны иметь вытяжную вентиляцию с механическим побуждением.

В таблице 5.3 представлены классы опасностей вредных веществ выделяющихся при сварке сталей.

Таблица 5.3 - Классы опасностей вредных веществ выделяющихся при сварке сталей

Вещество

ПДК, мг/м3

Класс опасности

Состояние

Удельные выделения веществ, г на 1 кг электродов, nу

Марганец

0,05

1

аэрозоли

1,1

Диоксид азота

2

3

пары или газы

1,0

Фтористые соединения

0,5

2

аэрозоли

1,0

Окись углерода

20

4

пары или газы

13,3


В сварочных цехах на стационарных рабочих постах, а также, где это возможно, на нестационарных постах следует устанавливать местные отсосы.

В специальных помещениях или металлических шкафах для хранения баллонов со сжиженным газом должна быть предусмотрена естественная вентиляция через верхние и нижние части помещений или шкафов.

Скорость движения воздуха, создаваемая местными отсосами у источников выделения вредных веществ, должна быть больше 0,5 м/с.

Количество вредных веществ, локализуемых местными отсосами, составляет для вытяжных шкафов не более 90%, а для местных отсосов других видов не более 75%. Оставшееся количество вредных веществ (10-20%) должно разбавляться до ПДК с помощью общеобменной вентиляции.

ГОСТ 12.3.003-86 «Работы электросварочные. Требования безопасности» выделяет химический вредный фактор - сварочный аэрозоль.

Сварочный аэрозоль представляет собой совокупность мельчайших частиц, образовавшихся в результате конденсации паров расплавленного металла, обмазки электродов, содержимого порошковой проволоки или флюсов. В основном сварочный аэрозоль состоит из железа и его окислов, но в него могут также входить такие вещества и их соединения, как марганец, хром, никель, алюминий, медь, цинк, фтор, кремний, азот и другие.

Длительное воздействие на организм сварщиков этих аэрозолей может привести к возникновению таких профессиональных заболеваний, как пневмокониоз, хронический бронхит, интоксикация металлами и газами.

ПДК веществ приведены в таблице 5.3, а также ГОСТ 12.1.005-88.

В соответствии с ГОСТ 12.3.003-86 средства индивидуальной защиты органов дыхания следует применять при отсутствии местных отсосов. В некоторых случаях местные вытяжные устройства не могут обеспечить требуемых параметров воздушной среды, поэтому также необходимо применение средств индивидуальной защиты органов дыхания.

Когда концентрации газов в зоне дыхания невелики, можно применять противопылевые респираторы. Практика показывает, что ткань респираторов можно применять для защиты от микробных, ядовитых и нетоксических пылей. Ткань отличается хорошими пылезадерживающими свойствами, обладает малой массой и небольшим сопротивлением дыханию.

Расчет воздухообмена на сварочном посту выполняем исходя из выделяющихся при сварке газов, паров, пыли, которые являются основными факторами, определяющими загрязнение воздушной среды. Вредные вещества, которые будут выделяться при сварке, представлены в таблице 5.3.

Таблица 5.4 - Выдержки из ГОСТ 12.1.005-88 и СН-3086-84

Вещество

, мг/м3

, мг/м3

Марганец

0,05

0,01

Диоксид азота

2,0

0,085

Фтористые соединения

0,5

0,02

Окись углерода

20

5,0


Ввиду того, что вышеприведенные вещества разнонаправленного действия, для воздухообмена, принимаем наибольшее из полученных значений L, (принимаем = 30250 (м3/час)).

Итак, помещение должно быть не менее 3025 м3, однако для сварочного поста - это не выполнимое условие, поэтому необходимо предусмотреть местную вентиляцию.

Излучения сварочной дуги.

Горение сварочной дуги сопровождается излучением видимых ослепительно ярких световых лучей и невидимых глазом так называемых ультрафиолетовых и инфракрасных лучей. Интенсивность лучистой энергии в основном зависит от силы сварочного тока и величины напряжения.

Ультрафиолетовое излучение нормируется СанПиН 2.2.4.3359-16.

Допустимая интенсивность ультрафиолетового облучения работающих при наличии незащищенных участков поверхности кожи не более 0,2 м2 общей продолжительности воздействия излучения, равной 50% рабочей смены и длительности однократного облучения свыше 5 мин и более не должна превышать:

,0 Вт/м2 - для области УФ-А (400-315 нм);

,041 Вт/м2 - для области УФ-В (315-280 нм).

УФ-излучение прежде всего действует на глаза, вызывая повреждение роговицы, хрусталика и сетчатки.

Источником инфракрасных излучений в производственных условиях являются: открытое пламя; расплавленный и нагретый металл, материалы; нагретые поверхности стен, оборудования; источники искусственного освещения, различные виды сварки и др.

Потенциальная опасность облучения оценивается по величине плотности потока энергии инфракрасного излучения. Эту же величину используют для нормирования допустимой облученности на рабочих местах, которая не должна превышать 140 Вт/м2 по ГОСТ 12.1.005-88.

При воздействии на глаза наибольшую опасность представляет коротковолновое излучение. Возможное последствие - появление инфракрасной катаракты.

Для защиты от ультрафиолетового излучения применяются коллективные и индивидуальные способы и средства: экранирование источников излучения и рабочих мест; удаление обслуживающего персонала от источников ультрафиолетового излучения (защита расстоянием - дистанционное управление); рациональное размещение рабочих мест; специальная окраска помещений; СИЗ и предохранительные средства (пасты и мази)

Основные мероприятия, направленные на снижение опасности воздействия инфракрасного излучения, состоят в следующем: снижение интенсивности источника, защитное экранирование источника или рабочего места, использование СИЗ, лечебно-профилактические мероприятия.

Электробезопасность

Несмотря на сравнительно низкое напряжение источников сварочного тока при электродуговой сварке, возможно поражение работающих электрическим током. При этом поражение может быть даже смертельным.

В связи с этим при электродуговой сварке необходимо строго выполнять правила техники безопасности в отношении защиты от поражения электрическим током. Основные пункты этих правил следующие:

сварочные провода на всей длине должны иметь надежную изоляцию. Их присоединение к контактным болтам клемных досок источников сварочного тока необходимо производить с помощью наконечников;

электрододержатель должен быть снабжен изолированной рукояткой. Место крепления сварочного провода к держателю также должно быть надежно изолировано. Особенно тщательно следует изолировать части электрододержателя при работе в труднодоступных, а также в сырых местах и при повышенной температуре окружающего воздуха;

корпус мотора сварочной машины и кожух сварочного трансформатора должны быть подключены к общей сети заземления медным проводом сечением не менее 6 мм2 или стальной шиной сечением не менее 12 мм2. Кроме того, у сварочного трансформатора кожух должен быть соединен с магнитопроводом медной шиной сечением не менее 6 мм2. Медная шина к магнитопроводу крепится пайкой мягким припоем. К кожуху трансформатора шина крепится болтом для заземления;

спецодежда электросварщика должна быть сухой и исправной. Куртка, брюки, фартук и рукавицы должны быть из брезента или сукна. Ботинки или кожаные сапоги должны иметь кожаную подошву, прикрепленную деревянными гвоздями. Резиновые подошвы ботинок и сапог должны быть приклеены путем горячей вулканизации или клеем;

во время работы электросварщик должен находиться на резиновом коврике, сухих деревянных досках, сухом асбесте или другой изоляционной подкладке;

при работе в сухих помещениях лампы местного электрического освещения должны питаться током с напряжением не выше 36 В, а в сырых помещениях и закрытых сосудах не выше 12 В;

Выполнение указанных выше пунктов правил техники безопасности позволяет предохранить работающих от поражения электрическим током. При сварочных работах необходимо всегда помнить, что напряжение в сварочной цепи (особенно при холостом ходе) опасно для жизни человека. Эта опасность возрастает в случае, когда кожа человека влажная или повреждена.

Пожарная безопасность.

Пожары на машиностроительных предприятиях представляют большую опасность для рабочих и могут причинить огромный материальный ущерб.

Опасными и вредными факторами пожара, воздействующими на людей, являются: открытый огонь, повышенная температура окружающей среды и предметов, токсичные продукты горения, дым, пониженная концентрация кислорода, падающие части строительных конструкций; при взрыве - ударная волна, разлетающиеся части и вредные вещества.

Основными причинами возникновения пожаров в сварочных цехах машиностроительных предприятий, является:

нарушение технологического режима;

неисправность электрооборудования;

искры;

реконструкция установок с отклонением от технологических схем;

возгорание промасленной ветоши и других легковоспламеняющихся материалов.

Поэтому для предотвращения пожаров необходимо следовать следующим правилам:

о предстоящих работах по сварке необходимо заблаговременно сообщать лицу, ответственному за пожарную безопасность;

рабочие места сварщиков следует предварительно очистить от древесных стружек, сгораемого мусора в радиусе не менее 10 метров, а также удалить из этой зоны другие взрывоопасные и огнеопасные вещества;

необходимо соблюдать осторожность при перемещении сварочных проводов. Особую опасность при этом представляет собой искрение проводов (при их недостаточной или нарушенной изоляции) в местах, удаленных от сварщика или недоступных его наблюдению;

при длительном или концентрированном воздействии искр и капель расплавленного металла, образующимся при сварке, необходимо защищать деревянные настилы или подмостки от возгорания листовым железом или асбестом;

по окончании смены нужно тщательно проверять рабочую зону и не оставлять открытого огня, нагретых до высокой температуры предметов, а также тлеющих сгораемых материалов, мусора и т. д.

По взрывопожарной и пожарной опасности помещения подразделяются на категории: А, Б, В1-В4, Г и Д, а здания - на категории А, Б, В, Г и Д.

Категории помещений по взрывопожарной и пожарной опасности принимаются в соответствии с таблицей 5.4.

Основы противопожарной защиты предприятий определены техническим регламентом о требованиях пожарной безопасности ФЗ-123.

Мероприятия по пожарной профилактике разделяются на организационные, технические, режимные и эксплуатационные.

В случае возникновения пожара необходимо отключить подачу электроэнергии, вызвать пожарную команду и, если это, возможно, приступить к ликвидации очагов возгорания силами персонала цеха.

Для быстрой ликвидации пожара вблизи места сварки всегда должна быть бочка с водой и ведро, ящик с песком и лопата, а также ручной огнетушитель. Огнетушители, применяемые при тушении пожара на участке с электроустановками, должны быть углекислотными. Для быстрой ликвидации пожара нормами первичных средств пожаротушения сварочного цеха на каждые 200 м2 площади предусмотрен один огнетушитель ОУ - 5, ящик с песком 0,5м3 и две лопаты.

Таблица 5.5 - Категории помещений по взрывопожарной и пожарной опасности

Категория помещения

Характеристика веществ и материалов,  находящихся в помещении

А (взрывопожароопасная)

Горючие газы, легковоспламеняющиеся жидкости с температурой вспышки не более 28 °С в таком количестве, что могут образовывать взрывоопасные парогазовоздушные смеси, при воспламенении которых развивается расчетное избыточное давление взрыва в помещении, превышающее 5 кПа. Вещества и материалы, способные взрываться и гореть при взаимодействии с водой, кислородом воздуха или друг с другом в таком количестве, что расчетное избыточное давление взрыва в помещении превышает 5 кПа

Б (взрывопожароопасная)

Горючие пыли или волокна, легко воспламеняющиеся жидкости с температурой вспышки более 28 °С, горючие жидкости в таком количестве, что могут образовывать взрывоопасные пылевоздушные или паровоздушные смеси, при воспламенении которых развивается расчетное избыточное давление взрыва в помещении, превышающее 5 кПа

В1-В4 (пожароопасные)

Горючие и трудногорючие жидкости, твердые горючие и трудногорючие вещества и материалы (в том числе пыли и волокна), вещества и материалы, способные при взаимодействии с водой, кислородом воздуха или друг с другом только гореть, при условии, что помещения, в которых они имеются в наличии или обращаются, не относятся к категориям А или Б

Г

Негорючие вещества и материалы в горячем, раскаленном или расплавленном состоянии, процесс обработки которых сопровождается выделением лучистого тепла, искр и пламени; горючие газы, жидкости и твердые вещества, которые сжигаются или утилизируются в качестве топлива

Д

Негорючие вещества и материалы в холодном состоянии


Пожарные краны, рукава, стволы огнетушители и другие средства тушения пожара необходимо содержать в исправности и хранить в определенных местах по согласованию с органами пожарного надзора.

.2 Охрана окружающей среды

Загрязнение окружающей среды промышленными предприятиями связано в большей степени с загрязнением атмосферы и воды, используемой для различных целей производства (для охлаждения оборудования, для термической обработки изделий и др.)

Поэтому мероприятия по повышению экологической чистоты производства можно разделить на следующие группы:

охрана и рациональное использование водных ресурсов;

охрана и рациональное использование воздушного бассейна.

Первая группа мероприятий направлена на создание сооружений по очистке сточных вод и применения систем оборотного водоснабжения. Так, при охлаждении технологического оборудования вода, выполнившая свою роль, поступает на охлаждение и затем через насос снова подается в технологический водопровод.

Вторая группа мероприятий связанна с сооружением установок, для очистки воздуха, удаляемого вытяжной вентиляцией из цехов промышленных предприятий.

Одним из наиболее совершенных видов очистки газов от взвешенных в них частиц пыли являются электрофильтры. Также широкое применение для очистки газов от частиц пыли получили сухие пылеуловители - циклоны.

Для очистки технологических и вентиляционных выбросов от газов и паров применяют адсорберы.

При разработке и внедрении технологических процессов предпочтение должно отдаваться безотходным и малоотходным технологиям.

Под экологической безопасностью, которая не менее важна для охраны окружающей среды, понимают комплекс организационно-технических мер, направленных на обеспечение соответствия природоохранной деятельности предприятия нормативным требованиям. В свете повышения уровня экологической ответственности безопасность предприятия для окружающей среды и населения в известной степени определяет его конкурентоспособность.

В лаборатории используют люминесцентные лампы, которые содержат в себе опасные для организма человека вещества. Поэтому данные лампы утилизируются на специализированные предприятия.

А также на предприятии скапливается бытовой мусор, который вывозится для утилизации. Для этого составляются договоры на вывоз бытового мусора.

Образующийся металлом в процессе изготовления сварочных изделий сдается в металлолом.

.3 Защита в чрезвычайных ситуациях

Электросварщик обязан знать расположение средств пожаротушения и уметь ими пользоваться. Применение инвентаря пожаротушения для других целей запрещается.

Во время работы нельзя допускать попадания искр расплавленного металла и выбрасывать электродные огарки на сгораемые конструкции и материалы. Для огарков необходимо иметь несгораемый ящик.

В помещениях, где производят сварку, запрещается хранить сгораемые и огнеопасные материалы. Если в помещении применяют (или ранее применяли) растворители и другие легкосгораемые воспламеняющиеся материалы, то сварку можно производить только с разрешения администрации и по согласованию с пожарной охраной.

На строительно-монтажной площадке опасными факторами пожара являются: открытый огонь (сварочная дуга, пламя газовой сварки и резки); искры и частицы расплавленного металла, которые возникают при электросварке и резке; повышенная температура изделий, которые подвергаются сварке и резке.

Травмы от пожаров могут возникнуть от воспламенения горючих материалов, находящихся вблизи мест производства сварочных и газорезательных работ, а также от неисправного состояния электрической проводки.

Причинами пожаров технического характера на строительно-монтажной площадке являются: неисправность электрооборудования (короткое замыкание, перегрузки и большие переходные сопротивления); плохая подготовка оборудования к ремонту; несоблюдение графика планового ремонта; износ и коррозия оборудования и т. д. Причинами пожаров организационного характера являются: небрежное отношение с открытыми источниками огня, неправильное хранение пожароопасных веществ; несоблюдение правил пожарной безопасности и т. д.

Согласно «Правилам пожарной безопасности при производстве строительно-монтажных работ» предусматривается комплекс мероприятий по пожарной безопасности, обеспечивающих снижение опасности возникновения пожара и создание условий быстрой ликвидации пожара на строительно-монтажной площадке. Предусмотренные на строительно-монтажной площадке мероприятия, устраняющие причины возникновения пожаров, подразделяются на организационные, эксплуатационные, технические и режимные.

К организационным мероприятиям относятся: обучение рабочих сварщиков (резчиков) противопожарным правилам, проведение бесед, инструкций, организация добровольных дружин, пожарно-технических комиссий, издание приказов по вопросам усиления пожарной безопасности.

К эксплуатационным мероприятиям относятся; правильная эксплуатация, профилактические ремонты, осмотры и испытания сварочного оборудования и устройств и т. д.

К техническим мероприятиям относятся: соблюдение противопожарных норм и правил при устройстве и установке сварочного оборудования, систем вентиляции, подвода электропроводки, защитного заземления, зануления и отключения.

К режимным мероприятиям относятся: запрещение курения в неустановленных местах, проведение сварочных и других огневых работ в пожароопасных местах.

К ручным огнетушителям относятся пенные, углекислые, углекислотно-бромэтиловые и порошковые.

Огнетушитель ручной углекислотный ОУ-2 предназначен для тушения очага горения различных веществ (за исключением тех, которые могут гореть без доступа воздуха) и электроустановок, находящихся под напряжением.

Для приведения в действие раструб огнетушителя направляют на очаг горения и поворачивают маховичок вентиля до упора.

Углекислотно-бромэтиловые огнетушители предназначены для тушения горячих твердых и жидких металлов, а также электроустановок, находящихся под напряжением.

Порошковые огнетушители предназначены для тушения небольших очагов загораний щелочных металлов, кремнийорганических соединений.

.4 Организационные вопросы обеспечения безопасности

В качестве основных нормативных документов использовались следующие:

Постановление Главного государственного санитарного врача РФ от 21 июня 2016 г. N 81 «Об утверждении СанПиН 2.2.4.3359-16 «Санитарно-эпидемиологические требования к физическим факторам на рабочих местах»;

ГОСТ 15762-70 Средства индивидуальной защиты от шума. Технические требования;

ВСН 196-83 «Отраслевые нормы проектирования искусственного освещения основных цехов промышленных предприятий Минтрансстроя»;

Государственный стандарт СССР ГОСТ 12.1.005-88 "Система стандартов безопасности труда. Общие санитарно-гигиенические требования к воздуху рабочей зоны" (утв. постановлением Госстандарта СССР от 29 сентября 1988 г. N 3388) (с изменениями и дополнениями);

ГОСТ 12.3.003-86 «Работы электросварочные. Требования безопасности»;

Федеральный закон от 22 июля 2008 г. N 123-ФЗ Технический регламент о требованиях пожарной безопасности (принят Государственной Думой 4 июля 2008 года; одобрен Советом Федераций.

Заключение

В результате выполнения выпускной квалификационной работы были рассмотрены технологические тонкости применения таких видов сварки газопровода как ручная дуговая сварка постоянным током покрытыми электродами и ручная дуговая сварка униполярным модулированным током покрытыми электродами. В ходе работы доказана практическая целесообразность применения сварки униполярным модулированным током в виду более высокой технологичности (удержание сварочной ванны в пространственных положениях отличных от нижнего, регулируемый каплеперенос электродного материала), лучшего формирования шва (меньшее выгорание легирующих элементов, образование мелкозернистой структуры, увеличение механических свойств сварного шва).

Литература

1. Дудко Д.А., Сидорук B.C., Зацерковный С.А., Махлин Н.М,, Федотенков В.Г., Векулов В.Г, Технология ручной дуговой сварки покрытыми электродами с модуляцией параметров режима. // Автоматическая сварка. - 1991. - № 12. С.59 - 60.

. Дудко Д.А., Зацерковный С.А., Сидорук B.C., Тараборкин Л.А., Махлин Н.М. Влияние параметров режима ручной дуговой сварки модулированным током на форму шва. // Автоматическая сварка. - 1987.-№6-С.19-22.

. Князьков В.Л. Повышение эффективности ручной дуговой сварки модулированным током электродами с покрытием за счет автоматической адаптации параметров режима к технологическому процессу: дис. на соиск. учен. ст. канд. тех. наук/ Виктор Леонидович Князьков; Кемерево, 2006 - 165с.

. Строительство магистральных трубопроводов: справочник/В.Г. Чирсков, Березин В.Л., Телегин Л.Г. и др. - М.: Недра, 1991. - 475 с.

. Сварка трубопроводов: учеб. пособие / Ф.М. Мустафин, Н.Г. Блехерова, О.П. Квятковский и др. - М.: Недра, 2002. - 350c.

. Петров Г.Л., Тумарев А.С. Теория сварочных процессов: учебник для вузов. / Г.Л. Петров, А.С. Тумарев. - М.:"Высш. шк.", 1977. - 392с.

. Шигаев, Т. Г. Сварка модулированным током // Итоги науки и техники. Сварка. Том 17. М. - 1989. - С. 91 - 132.

. Сердюк Г.Б. К расчету сварочной дуги в поперечном магнитном поле. // Автоматическая сварка 1960. - №11. - С. 31-38.

. Лесков Г.И., Лугин В. П. Переменному току - дорогу в сварку. // Приок. книж. изд-во. Тула, 1969, С. 59.

. Гаген Ю.Г., Таран В.Д. Сварка магнитоуправляемой дугой.// - М.: Машиностроение, 1970.- 160с.

Похожие работы на - Анализ технологии сварки униполярным модулированным током

 

Не нашли материал для своей работы?
Поможем написать уникальную работу
Без плагиата!
Без нейросетей!