Модернизация привода тележки для подачи рулонов на агрегат продольной резки листового проката
ВВЕДЕНИЕ
тележка
резка схема привод
Производством холоднокатаной стали в России
занято примерно 300 предприятий - около 100 металлургического и около 200
машиностроительного профиля.
Холодная прокатка является неотъемлемой частью
тонколистового производства. С развитием автопромышленности сильно возросла
потребность в оцинкованной холоднокатаной конструкционной тонколистовой стали
толщиной 0,5-2,5 мм, изготовляемой из качественной углеродистой стали. Эта
сталь должна иметь хорошую поверхность и быть вязкой, так как при штамповке она
подвергается глубокой вытяжке.
Тонколистовую сталь прокатывают из
конструкционной углеродистой стали обыкновенного качества толщиной 0,9-2 мм. Ее
поставляют в виде листов размерами от 600x1200 до 1250x2500 мм, а также в
рулонах.
Кроме жести и конструкционной углеродистой
стали, на станах прокатывают в холодном состоянии кровельную и декапированную
сталь. Кровельную сталь производят толщиной 0,4-0,82 мм из мягкой углеродистой
стали и поставляют в листах размерами 710×1420 мм
и 750×150
мм
и массой до 7,1 кг. Ее поставляют по массе в отожженном состоянии; испытывают
на двойной кровельный замок.
Декапированную (травленую) тонколистовую сталь
прокатывают из мягкой, мартеновской или бессемеровской (конвертерной)
углеродистой стали; ее применяют для изготовления штамповкой посуды, арматуры и
других изделий. Декапированную тонколистовую сталь прокатывают толщиной 0,25-2
мм и поставляют в листах размерами 510x710, 600x2000, 710x1420, 710x2000,
750x1500, 1000x2000 и 1250х2500мм в отожженном состоянии. Тонколистовую сталь
толщиной 0,5-1,6 мм поставляют также оцинкованной.
Холодную прокатку широко применяют при
производстве электротехнической листовой и трансформаторной сталей.
Холоднокатаную трансформаторную сталь выпускают
в листах и рулонах толщиной обычно 0,08-0,5 мм и шириной до 1000 мм.
Спрос на электротехнические и трансформаторные
стали требует от производителя увеличения темпов и объёмов производства,
расширения типоразмеров продукции. В связи с этим особую важность приобретает
окончательная отделка металла - продольная порезка рулонов на агрегатах
продольной резки. Значительно возрастают требования к надёжности агрегатов и их
основных узлов. Важнейшей задачей является обеспечение бесперебойной работы
устройств, предназначенных для задачи подката в технологическую цепочку
агрегата продольной резки - транспортёров, подъёмных столов, передаточных
тележек.
Выполнение этой задачи достигается повышением
ремонтопригодности оборудования путём увеличения степени стандартизации и
унификации узлов и деталей оборудования. В данном проекте рассмотрены вопросы
повышения надёжности транспортно-накопительной системы агрегата продольной
резки стали путём проведения реконструкции тележки для подачи рулонов на
агрегат продольной резки.
1. АНАЛИЗ СОСТОЯНИЯ ВОПРОСА. ЦЕЛИ И ЗАДАЧИ
МОДЕРНИЗАЦИИ
.1 Агрегат продольной резки
В 1981 - 1982 годах в цехе динамной стали были
установлены два агрегата продольной резки фирмы SKET (ГДР). Агрегат резки
состоит из следующих механизмов: задающий транспортёр рулонов, разматыватель с
прижимным роликом, задающее устройство, гильотинные ножницы № 1, лентосварочная
установка, механизм уборки обрези, клеть натяжения (S-образные ролики),
дисковые ножницы, кромкомоталка, тормозная клеть, гильотинные ножницы № 2,
заправочная тележка, моталка, передаточная тележка, поворотное устройство,
отводящий транспортёр рулонов.
Агрегат резки оборудован плавающим
разматывателем и моталкой, автоматизированной заправочной тележкой; качество
реза обеспечивается дисковыми ножами с твердосплавной режущей частью,
расположенными в быстросменной кассете.
.2 Система загрузки агрегата
Система подачи рулонов на агрегат продольной
резки представляет собой транспортно-накопительную систему, которая
осуществляет функции доставки заготовок, перемещения, хранения и задачи в
технологическую цепочку агрегата. Транспортируемая деталь - рулон динамной
стали. Положение при транспортировке - ось рулона параллельна оси настила.
Максимальный вес транспортируемого рулона 20 тонн. Транспортировка
осуществляется в
горизонтальной и вертикальной плоскостях.
Траектория движения тележки - прямолинейная.
Задающий транспортёр состоит из накопительного
стеллажа и передвижного подъемного стола - тележки для подачи рулонов на
агрегат продольной резки.
Приемный стеллаж предназначен для приема
очередного рулона. Вместимость приемного стеллажа - 4 рулона.
Тележка для подачи рулонов предназначена для
транспортировки рулона от приемного стеллажа к разматывателю и для установки
рулона на барабан разматывателя. Подъёмный стол состоит из механизма
передвижения тележки стола и гидравлической установки подъема стола. Рабочий
ход тележки стола -8850мм. Скорость передвижения тележки - 0,25м/с. Рабочее
давление в цилиндрах гидросистемы - 150 МПа - 16 кгс/см2.
Привод перемещения тележки приемного стола от
электродвигателя мощностью не менее 2,2 кВт через редуктор.
Механизм передвижения тележки состоит из
электродвигателя, колодочного тормоза, муфты с тормозным шкивом,
двухступенчатого цилиндрического редуктора и цепной передачи.
Достоинствами привода данной конструкции
является её простота, надежность и удобство обслуживания и ремонта.
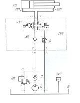
Работа системы осуществляется следующим образом
(в соответствии с рисунком 1.1): Электромостовой кран устанавливает до 4
рулонов 7 на накопительный стеллаж. Тележка для подачи рулонов 1 подъезжает под
крайний рулон и гидравлическая установка подъемного стола 2 приподнимает рулон
над стеллажом на высоту, достаточную для свободного горизонтального
перемещения. Затем включается механизм передвижения 3 и тележка, двигаясь по
рельсовому пути 4, транспортирует рулон к валу разматывателя 5 агрегата резки и
останавливается. Включается гидравлическая установка, и гидроцилиндр поднимает
подъемный стол 2 с рулоном до совмещения оси рулона с осью вала разматывателя
5. Включается механизм передвижения 3 тележки и тележка движется горизонтально,
надевая рулон на вал разматывателя до совмещения середины рулона с продольной
осью агрегата. Подъемный стол 2 опускается и тележка выезжает из-под вала
разматывателя.
Когда агрегат закончит резку заданного рулона,
тележка задаёт следующий рулон аналогичным образом.
Рисунок 1.1 - Схема работы
транспортно-накопительной системы агрегата
.3 Анализ работы самоходной тележки
для подачи рулонов на агрегат продольной резки
Транспортно - накопительная система
агрегата продольной резки способна эффективно осуществлять функции доставки
заготовок, перемещения, хранения, а также задачи рулонов в технологическую
цепочку агрегата продольной резки стали. Для выявления конструктивных
достоинств и недостатков проведём сравнительный анализ конструкции базовой
тележки для подачи рулонов на агрегат продольной резки и тележек других
конструкций.
1. Базовая самоходная тележка для подачи
рулонов оборудована индивидуальным электро-механическим приводом передвижения
расположенным на раме, тогда как тележки других конструкций перемещаются
канатной тягой от лебёдки или кабестана.
2. Расположение узлов гидропривода
(гидробака, насосной установки, блока управления) на раме самоходной тележки
для подачи рулонов позволяет значительно сократить длину трубопроводов и
снизить расход рабочей жидкости и нагрузку на насосную установку за счёт
уменьшения утечек и общей длины трубопроводов. Гидравлические подъёмные столы
других тележек питаются рабочей жидкостью от отдельностоящих (стационарных)
насосных установок через гибкие подводы.
3.
В
некоторых конструкциях тележки перемещаются горизонтально при помощи
гидравлического привода, представляющего собой длинноходовый гидроцилиндр.
Применение гидравлического привода для горизонтального перемещения тележки
позволяет значительно повысить точность позиционирования и обеспечивает
плавность передвижения. Базовая самоходная тележка оборудована
электромеханическим приводом, поэтому точность горизонтального позиционирования
несколько ниже из-за высокой инерционности. Применение же гидропривода для
горизонтального перемещения тележки в нашем случае не возможно из-за большой
длины проходимого пути.
4.
Кроме
того конструктивный недостаток базовой тележки заключается в значительном
собственном весе, в связи с тем, что механизм передвижения и гидропривод
подъёма стола смонтированы на раме тележки.
Рассмотрим работу самоходной тележки для подачи
рулонов на агрегат продольной резки.
Находясь в рабочем состоянии, и идеальных
условиях эксплуатации тележка подвергается действию нагрузок от собственного
веса конструкции; номинального веса груза; инерционных нагрузок, возникающих в
процессе пуска и торможения; вибрационных нагрузок при движении. Однако в
реальных условиях эксплуатации тележка подвергается воздействию дополнительных
нагрузок случайного характера. Эти нагрузки могут быть вызваны; экстренным
торможением, резким пуском или торможением противодвижением; внезапным
отключением электрического тока; ударными нагрузками от столкновения движущейся
тележки с тупиками или мусором на рельсовых направляющих.
Предельные значения нагрузок случайного
характера ограничиваются буксованием ходовых колёс, а так же регулировкой
тормозного момента и электрозащитой двигателя.
Работа тележки для подачи рулонов на агрегат
продольной резки связана с перемещением по рельсовым направляющим. В связи с
этим привод механизма передвижения подвергается вибрации, ударным нагрузкам,
рывкам. Вибрация и ударные нагрузки ведут к преждевременному выходу из строя
подшипников качения вала приводного ската, особенно когда тележка движется с
рулоном, т.е. под нагрузкой. Рывки и пробуксовки при движении бывают вызваны
неудовлетворительным состоянием рельсовых направляющих: наличием на них
металлического мусора, потёками смазочного материала. В результате рывков
происходит преждевременный износ звездочек цепной передачи, вытягивание цепи,
возможен внезапный обрыв цепи. Кроме того, цикл работы тележки включает в себя
частые остановки, поэтому возможны рывки, вызванные работой применённого в
приводе нормально замкнутого колодочного тормоза. Серии таких рывков могут
вызывать вытягивание и срез штифтов муфты.
Работа гидравлической установки подъёма стола
связана с перемещением и удержанием в вертикальной плоскости рулонов большой
массы. Вибрации, возникающие при движении тележки, ведут к увеличению нагрузки
на гидравлическую аппаратуру, вызывая нарушения герметичности подводов и
системы, внезапные отказы аппаратов управления, а также преждевременный износ
насосной установки.
Таким образом, понятно, что причинами износа
узлов механизмов являются условия работы тележки для подачи рулонов, а не
недостатки конструкции. Простота конструкции привода механизма передвижения, а
также кратковременный режим работы, позволяют обеспечить надежную работу
привода и гидравлической установки в межремонтный период, тем не менее, осмотры
при плановых ремонтах выявляют наличие на узлах и деталях такой степени износа,
при которой требуется их замена и восстановление. Кроме того эксплуатация
тележки показала, что надёжность цепной передачи недостаточна вследствие
значительного вытягивания цепи, что свидетельствует о том, что грузоподъемность
существующей цепной передачи недостаточна. Существует необходимость применения
цепной передачи большей грузоподъёмности. Существующая штифтовая муфта
производства ГДР недостаточно надёжна и не обеспечивает требуемой точности
центрирования. Также не достаточна прочность корпуса цилиндрического редуктора
производства ГДР - вследствие нагрузок в корпусе и на лапах появились трещины и
выкрашивания.
Так как конструкция тележки для подачи рулонов
разрабатывалась в Германии, то большинство деталей и узлов привода и
гидравлической установки производятся за рубежом. Запасы же запасных частей и
деталей из ремонтного комплекта ЗиП исчерпаны за длительный период эксплуатации
агрегата резки. В связи с этим, замена не подлежащих восстановлению импортных
узлов тележки существенно увеличивает затраты на ремонт тележки. В первую
очередь это касается узлов гидравлической установки подъёмного стола.
Применение отечественных аналогов позволило бы существенно снизить затраты на
ремонт, однако разница между габаритными и присоединительными размерами
импортных узлов и отечественных аналогов не позволяют применять последние без
проведения реконструкции.
.4 Цель проводимой реконструкции
Целью проведения реконструкции является
необходимость подготовки самоходной тележки для подачи рулонов на агрегат
продольной резки к замене узлов и деталей производства ГДР на стандартные узлы
и детали отечественного производства. Повышение надёжности привода механизма
передвижения тележки, путём замены существующего редуктора на редуктор с более
прочным корпусом, замены штифтовой муфты на фланцевую муфту, применения цепной
передачи большей грузоподъемности.
1.5 Задачи проводимой реконструкции
Особенностью привода является высокое
передаточное число, что достигается применением в его конструкции
двухступенчатого редуктора и цепной передачи.
При проектировании привода основная задача -
обеспечить небольшие габаритные размеры привода и добиться высокой надежности и
ремонтопригодности основных его узлов. Применение в конструкции привода
вертикальной цепной передачи, а так же стандартных узлов, и деталей,
изготавливаемых на территории Российской Федерации и в ремонтных цехах ОАО
«Северсталь» позволяет эффективно решить эти задачи.
Требования к приводу:
- малые габаритные размеры,
- высокий крутящий момент на приводном
скате,
высокая надежность и ремонтопригодность
привода.
Исходные данные:
скорость передвижения тележки V
= 10 м/мин = 0,2 м/с
грузоподъемность Q
= 25т
-режим работы -
кратковременный
-вес тележки и механизмов G0
= 10,11 т
-диаметр обода ходового колеса, DXK
= 400мм
Задачи проводимой реконструкции:
- модернизация гидропривода подъемного стола с
заменой импортных узлов на стандартные аналоги отечественного производства;
разработка конструкции тележки, включающая
разработку рамы для крепления узлов привода механизма перемещения и насосной
установки гидропривода подъема стола;
разработка технологического процесса
изготовления детали «звездочка»;
разработка инструмента - протяжки для выполнения
посадочного отверстия в звездочке цепной передачи.
2. КОНСТРУКТОРСКАЯ ЧАСТЬ
.1 Разработка привода тележки
.1.1 Разработка кинематической схемы привода
Механизм передвижения тележки для подачи рулонов
на агрегат продольной резки предназначен для перемещения тележки в
горизонтальной плоскости. Привод механизма передвижения тележки -
электромеханический; состоит из электродвигателя, муфты с тормозным шкивом,
колодочного тормоза, цилиндрического редуктора, цепной передачи и двух скатов.
Конструктивно привод имеет конструкцию, родственную конструкции приводов
грузовых тележек мостовых кранов малой грузоподъемности.
Электродвигатель целесообразно выбирать
трёхфазный асинхронный крановой серии, так как работа тележки связана с частыми
остановками и переменами направления движения.
Тормоз привода колодочный, короткоходовый
нормальнозамкнутый с пружинным замыканием и приводом от электромагнита.
Предназначен для плавного торможения тележки в конечный период движения.
Муфта - для уменьшения размеров привода
целесообразно применение муфты с тормозным шкивом или глухой муфты.
Редуктор, примененный в приводе цилиндрический
двухступенчатый с косозубыми колесами.
Тележка для подачи рулонов передвигается по
рельсовым направляющим, опираясь на них через два ската. Каждый скат состоит из
двух ходовых колёс, установленных на один вал. Ходовые колёса конструктивно
выполнены с цилиндрическим ободом и с одной ребордой. Из двух скатов только
один является приводным.
Передача крутящего момента от электродвигателя 1
на скат 6 осуществляется через редуктор 4 и цепную передачу 5. Приводная
звездочка напрессована непосредственно на вал редуктора по посадке с натягом и
фиксирована торцевой крышкой. Натяжение цепи осуществляется при помощи
натяжного устройства.
Работа привода происходит следующим образом
(рисунок 2.1):
Крутящий момент от электродвигателя 1 передается
на быстроходный вал цилиндрического двухступенчатого редуктора 4 через муфту 2
с тормозным шкивом. С тихоходного вала редуктора 4 крутящий момент передается
на приводной скат 6 через цепную 5 передачу. Остановка тележки достигается
работой тормоза 3.
Рисунок 2.1 - Кинематическая схема привода
механизма передвижения тележки для подачи рулонов на агрегат продольной резки:
- электродвигатель; 2 - муфта с тормозным шкивом
(глухая); 3 - тормоз; 4 - редуктор; 5 - цепная передача; 6 - приводной скат.
Привод данной конструкции отличается высокой
надежностью, а также простотой обслуживания и ремонта.
2.1.2 Расчет
мощности электродвигателя
Сопротивление передвижению от сил трения
, кгс, Н, (2.1)
где WТ -
сопротивление передвижению от сил трения, кгс;
G0 - вес
тележки и механизмов, кг (исходные данные);
Q - вес
груза, кг (исходные данные);
DXK - диаметр
обода ходового колеса, см (исходные данные);
f -
коэффициент трения в подшипниках опор вала ходового колеса, согласно
рекомендациям [24, c. 36] f=0,015;
m - плечо трения качения, согласно рекомендациям
[24, c. 36]
принимаю m = 0,06;
kp -
коэффициент дополнительного сопротивления от трения реборд и торцов ступиц
ходовых колёс о головку рельса, согласно рекомендациям [6, c. 36]
принимаю kp =2,0.
кгс = 5793,3 Н.
сопротивление от уклонов подкрановых
путей
, кг, Н, (2.2)
где a - величина уклона путей, принимаю согласно
рекомендациям [24,c.36],
a
= 0,001.
кг = 351,10 , Н.
Полное статическое сопротивление
передвижению
(2.3)
Коэффициент полезного действия
привода
(2.4)
где hпр -
коэффициент полезного действия привода;
hмуфты -
коэффициент полезного действия муфты, принимаю hпр = 0,99;
hп.к -
коэффициент полезного действия подшипников качения, принимаю
hп.к = 0,99;
hц.п -
коэффициент полезного действия цепной передачи, принимаю
hц.п =0,95;
hз.к -
коэффициент полезного действия зубчатой передачи, принимаю
h з к = 0,96.
Предварительная мощность
электродвигателя привода
, кВт, (2.5)
где N - предварительная
мощность привода, кВт;
W - полное
сопротивление передвижению, Н;
V - скорость
движения тележки с рулоном, м/мин;
Z - число
приводов, Z = 1;
hпр -
коэффициент полезного действия привода.
кВт.
Подходит электродвигатель 4А132S8
асинхронный трехфазный ГОСТ 19523 - 74 согласно [39, c. 391]
паспортные данные двигателя:
мощность - 4,0 кВт;
синхронная частота вращения ротора -
750 об/мин;
асинхронная частота вращения ротора
- 720 об/мин.
.1.3 Определение передаточного числа
привода
Угловая скорость приводного ската
, рад/с, (2.6)
где
- угловая скорость, рад/с;
V - линейная
скорость, м/с; V = 10м/мин = 0,2 м/с (исходные
данные);
D - диаметр
ходовых колёс, м (исходные данные).
рад/с.
Количество оборотов ската
, об/мин, (2.7)
где
- количество оборотов на скате,
об/мин;
- угловая скорость, рад/с;
,55 - числовой коэффициент.
об/мин.
принимаю целое значение 10 об/мин
Общее передаточное число привода

, (2.8)
где Uприв - общее
передаточное число привода;
nдв -
асинхронная частота вращения ротора выбранного электродвигателя, nдв = 720
об/мин;
n - частота
вращения приводного ската, об/мин.
Uприв =
.
Производим разбивку общего
передаточного отношения:
Uприв= Uред Uцп , (2.9)
где Uприв -
передаточное отношение привода;
Uред -
передаточное отношение редуктора;
Uцп -
передаточное отношение цепной передачи.
Передаточное отношение
двухступенчатого редуктора принимаю из стандартного ряда Uред = 31,5
Передаточное отношение цепной
передачи
Uцп =
, (2.10)
Uцп =
.
2.1.4 Определение угловых скоростей
и моментов на валах
Мощность на быстроходном валу
редуктора
Nб =
, (2.11)
где Nб - мощность
на быстроходном валу редуктора, кВт.
Nб =
Угловая скорость быстроходного вала
, рад/с, (2.12)
где
- угловая скорость быстроходного
вала, рад/с;
nб - число
оборотов на быстроходном валу, об/мин.
рад/с,
Крутящий момент на быстроходном валу
редуктора
Мб=
, Нм, (2.13)
где Мб - крутящий момент
на быстроходном валу, Н⋅м.
Mб =
Н⋅м.
Мощность на тихоходном валу
редуктора
Nт =
, (2.14)
где Nт - мощность
на тихоходном валу редуктора, кВт.
Nт =
.
Угловая скорость на тихоходном валу
редуктора, рад/с:
, рад/с, (2.15)
где
- угловая скорость, рад/с.
рад/с.
Крутящий момент на тихоходном валу
редуктора
Мт =
, Нм, (2.16)
где Мт - крутящий момент
на тихоходном валу редуктора, Н⋅м.
Mт =
Н⋅м.
Мощность на приводном скате
Nс =
, Вт, (2.17)
где Nс - мощность
на приводном скате, Вт.
Nс =
кВт.
Угловая скорость приводного ската
, рад/с, (2.18)
где
- угловая скорость, рад/с.
рад/с.
Крутящий момент на приводном скате
Мс=
,Н⋅м , (2.19)
где Мс - крутящий момент
на приводном скате, Н⋅м.
Mс =
Н⋅м.
.1.5 Выбор редуктора
Привод механизма передвижения -
редукторный. Выбор редуктора производится по мощности. Исходными данными для
выбора являются данные кинематического расчета - частота вращения вала
электродвигателя nэ, мощность
на валу электродвигателя Nэ и
передаточное число редуктора Uред.
По имеющимся данным выбираю
двухступенчатый цилиндрический редуктор типа ГД - V - 31.36 - A. [19, c. 36]
Технические данные редуктора ГД - V
- 31.36 - A:
Номинальная частота вращения
быстроходного вала: nб = 750
об/мин.
Максимальная мощность на
быстроходном валу: Nмах.б = 7,0 кВт.
Передаточное число: Uред = 31,36
Коэффициент полезного действия hред = 0,97
Диаметр шейки быстроходного вала dб = 40мм
Длина быстроходного вала lб =110мм
Диаметр шейки тихоходного вала dт = 80 мм
Длина шейки тихоходного вала lт = 170 мм
Вариант сборки - А.
Двухступенчатые цилиндрические
редукторы типа ГД - редукторы общего применения изготавливаются серийно.
Отличаются высокой надежностью и долговечностью в работе.
.2 Проектирование цепной передачи
.2.1 Выбор цепи
Цепная передача служит для передачи
крутящего момента с тихоходного вала редуктора на приводной скат. Расположение
передачи в пространстве - вертикальное с небольшим наклоном для обеспечения
самонатяжения.
Частота вращения тихоходного вала
редуктора
, об/мин, (2.20)
об/мин.
Выбираю число зубьев звездочки
согласно рекомендациям [6, c. 255]:
, (2.21)
, (2.22)
Где Z1 - число
зубьев ведущей звездочки;
Z2 - число
зубьев ведомой звездочки;
Uцп -
передаточное отношение цепной передачи.
.
.
принимаю
,
.
Фактическое передаточное число
, (2.23)
.
Отклонение в допустимых значениях.
Коэффициент, учитывающий условия
эксплуатации передачи,
Кэ = kд kа kн kсм kрег kреж (2.24)
где Кэ - коэффициент,
учитывающий условия эксплуатации передачи,
назначаю коэффициенты согласно
рекомендациям [6, c. 258];
kд -
коэффициент динамической нагрузки, kд = 1,2;
kа -
коэффициент влияния длины цепи на износ, kа = 1;
kн -
коэффициент расположения передачи, kн = 1,25;
kрег -
коэффициент монтажа передачи, kрег = 1,25;
kсм -
коэффициент смазки, kсм = 1,5;
kреж -
коэффициент режима, kреж = 1.
Кэ =
.
Шаг цепи
, мм, (2.25)
где [p]и
- допустимое давление в шарнирах, в зависимости от частоты вращения малой
звёздочки; первоначально беру равным [p]и
= 3,5кгс/мм2; [6, c. 258]
Nт - мощность
на тихоходном валу редуктора, кВт;
Z1 - число
зубьев на ведущей звёздочке, мм;
nт - частота
вращения тихоходного вала редуктора, об/мин;
Км - коэффициент, с
учотом числов рядов цепи равен Км = 2,5. [6, c. 258]
мм.
По ГОСТ 13568 - 97 беру цепь
согласно данных: [11, с. 10]
Цепь 3ПР-38,1-38100 ГОСТ 13568 - 97
шаг цепи t = 38,1 мм;
площадь опоры Fоп = 1182мм2;
разрушающая нагрузка Q = 381 кН =
38100 кгс;
масса одного метра цепи q = 16,5 кг;
допустимое давление в шарнирах [p] = 2,8МПа.
.2.2 Проверка работоспособности
выбранной цепи
Допустимое значение не превышает
выбранного, значит цепь удовлетворяет условию прочности.
Скорость цепи
, м/с, (2.26)
м/с.
при такой скорости передача способна
функционировать с периодической смазкой. [6, c. 258]
Полезная нагрузка
, Н, (2.27)
кгс = 11683,6 Н.
Проверка статической
грузоподъёмности выбранной цепи
, кгс, (2.28)
где k -
коэффициент, согласно рекомендациям [6, c. 257] k = 3 … 5;
Qmin = 38100;
, условие прочности соблюдается,
данная цепь подходит.
Амплитуда переменных напряжений
sа =
, МПа, (2.29)
где sа
- амплитуда переменных напряжений, МПа;
S - толщина
пластины, мм; [11, с. 10]
h - ширина пластины,
мм; [11, с. 10]
d - диаметр ролика,
мм. [11, с. 10]
sа =
МПа.
Запас прочности по
переменным напряжениям
ns =
≥[n], (2.30)
где ks -
эффективный коэффициент концентрации напряжений, ks = 1,46; [2,c.260]
s-1 - предел выносливости материала при
симметричном цикле изгиба, принимаю s-1 = 20 МПа.
ns =
> 3.
прочность обеспечена.
Окружная сила
, Н, (2.31)
где Ft - окружная
сила, Н;
Р - мощность на валу, Вт;
V - линейная
скорость, м/с.
.
Давление в шарнире
<
[p] ,МПа,
(2.34)
где Кц - коэффициент
качества цепи, для цепи типа ПР принимаю Кц = 0,85; согласно
рекомендациям; [6, c. 261]
Км - коэффициент,
учитывающий количество рядов цепи, Км = 2,5; [6, c. 258]
Fоп - проекция
опорной поверхности шарнира, Fоп=1182 мм2;
[19, c. 10]
[p] -
допустимое давление в шарнире, [p] = 35 Мпа. [11, c. 13]
<
[p].
Заданные нормы прочности соблюдаются,
значит, дееспособность цепи обеспечена.
2.2.3 Основные параметры цепной
передачи, конструирование звездочек
, мм, (2.35)
где а - межосевое расстояние,
предварительно принимаем а = 710 мм
(2.36)
Число звеньев цепи
(2.37)
Округляем до целого числа Lt = 83.
Уточненное межосевое расстояние
мм. (2.38)
Диаметр делительной
окружности ведущей звёздочки
, мм , (2.39)
мм
Диаметр делительной окружности
ведомой звездочки
, мм, (2.40)
мм.
Диаметры наружных окружностей
звездочек
, мм, (2.41)
312,62 мм.
, мм, (2.42)
689,52 мм.
Диаметр ступицы
ведущей звёздочки
, мм, (2.43)
где dcт - диаметр
ступицы, мм;
dв - диаметр
посадочной поверхности вала, мм.
мм.
Длина ступицы ведущей звёздочки
, мм, (2.44)
где lст - длина
ступицы, мм.
мм.
Диаметр ступицы
ведомой звёздочки
, мм, (2.45)
мм.
Длину ступицы ведомой звездочки назначаю
конструктивно, l = 169мм.
Толщина диска ведомой звездочки
, мм, (2.46)
где Ввн - расстояние
между пластинами внутреннего звена, для выбранной це-
пи Ввн=25,4мм.
мм.
Для придания конструкции ведомой
звездочки дополнительной прочности целесообразно применение симметрично
расположенных ребер жесткости.
2.2.4 Силы действующие в передаче
Силы действующие на цепь
Окружная сила Ft = 11454,5
Н;
От центробежных сил
Fv =
, кг/м,
(2.47)
Fv =
кг/м.
От провисания
Ff =
, Н, (2.48)
где kf -
коэффициент передачи, при вертикальном положении kf = 1;
Ff =
Н.
Расчетная нагрузка на валы
Fв = Ft + 2Ff, Н, (2.49)
Fв =
Н.
.3 Расчет и проектирование
приводного вала
.3.1 Ориентировочный расчет и
конструирование вала приводного ската
Конструктивно вал приводного ската
ступенчатый и состоит из ступеней: ступень 1 - для посадки ходовых колёс,
ступень 2 - для посадки подшипников качения, ступени 3 и 5 - свободная часть
вала, ступень 4 - для напрессовывания звезды цепной передачи.
Сначала рассчитываем диаметр вала
под посадку звезды цепной передачи. Применяемый материал - Сталь 45.
, мм, (2.50)
где d - диаметр
вала, мм;
Т - крутящий момент, Н/мм2;
[τк] -
допускаемое напряжение на кручение, равно [τк]=15…20 МПа
(Н/мм2). [39,c.161]
Получается что минимальный диаметр
вала приводного ската должен быть не менее 115,57мм; по ряду стандартных чисел
[39,c.161]
принимаю предварительно:
размер под ходовые колёса равен
130мм
размер шеек под посадку подшипников
качения - 140мм
размер под посадку звезды зубчатой
передачи - 155мм
размер незадействованной поверхности
вала - 175мм
По результатам конструирования
рисуем эскиз вала (см. Приложение 1).
.3.2 Предварительный выбор подшипников и
корпусов подшипниковых узлов
При работе тележки, подшипники скатов
подвергаются значительным радиальным нагрузкам от веса деталей привода,
металлоконструкций тележки и транспортируемого металла. Таким образом, основным
требованием, предъявляемым при выборе подшипников для скатов, является
способность воспринимать высокие радиальные нагрузки, а также допускать
незначительный перекос во время работы. Незначительными осевыми нагрузками,
возникающим вследствие неточности сборки привода, или монтажа рельсовых путей
при расчете можно пренебречь из-за их малой величины.
Предварительно выбираю роликовые радиальные
сферические подшипники легкой серии. Для диаметра вала 140 мм выбираю подшипник
3003128 ГОСТ 5721-75 с диаметром внутреннего кольца 140 мм. [5,c.466]
Подшипники устанавливаются в литых неразъёмных
корпусах. Смазка подшипников - периодическая закладная, осуществляется при
помощи шприца-маслёнки через отверстие для смазки. Низкая скорость вращения
ската, отсутствие нагрева подшипникового узла при работе, низкая запылённость
позволяют применить щелевые уплотнения.
.3.3 Эскизная компоновка узла приводного вала
Выполняем эскизную компоновку вала . (Приложение
2)
.3.4 Проверка долговечности выбранных
подшипников
По результатам эскизной компоновки формируем
расчетную схему вала приводного ската рисунок 2.2
Вал приводного ската несет нагрузки от половины
веса рулона Рр, половины веса металлоконструкций тележки и
установленных на ней механизмов Рм.т, и нагрузку от цепной передачи Fв.
Н,
Н,
Н,
Рисунок 2.2 - Расчетная схема вала
приводного ската
Давление от цепной передачи
разбиваем на составляющие
, Н, (2.51)
Н
Реакции опор в вертикальной
плоскости
, (2.52)
, (2.53)
, Н,(2.54)
Н.
, Н, (2.55)
Н.
Проверка
(2.56)
Условие выполнено, уравнения
составлены верно.
Строим эпюру моментов
(2.57)
Н⋅м. (2.58)
Н⋅м. (2.59)
(2.60)
Реакции опор в горизонтальной
плоскости:

(2.61)
(2.62)
, Н, (2.63)
Н.
, Н, (2.64)
Н.
Проверка:
, (2.65)
.
Уравнения рассчитаны верно.
Эпюры моментов
(2.66)
Нм (2.67)
Нм(2.68)
(2.69)
Суммарные реакции
, Н, (2.70)
Н.
, Н, (2.71)
Н
Опора А имеет наиболее большую
нагрузку, значит проверочный рассчет подшипников следует выполнять по опоре А.
Равномерная нагрузка (эквивалентная)
, Н, (2.72)
где kt -
температурный коэффициент, kt = 1; [39, c. 215]
Х - коэффициент, Х = 1; [5, c. 471]
V -
коэффициент, V = 1; [5, c. 471]
Р - нагрузка, Р = RA= 86011,75
Н;
ks -
коэффициент нагружения, ks = 1,1. [39, c. 214]
Н.
Номинальная долговечность в оборотах
, млн.об, (2.73)
где L -
номинальная долговечность, млн/об;
С - динамическая грузоподъемность
подшипника, Н;
r
- показатель степени, согласно рекомендациям [39, c. 211], для
роликоподшипников r =
.

млн.об.
Номинальная долговечность в часах
, ч, (2.74)
ч
По ГОСТ16162-85, [39,c.220]
минимальная надежность для подшипников равняется 10000 часов. Надежность
выбранных подшипников выше, значит подшипники выбраны правильно.
2.3.5 Уточненный расчет приводного вала
Определение запаса прочности для опасных
сечений.
Материал вала приводного ската - сталь 45
подверженная нормализации, с пределом выносливости равным sв
= 570 МПа,
предел выносливости при симметричном цикле
изгиба
s-1 =
, МПа, (2.75)
s-1 =
МПа.
предел выносливости при симметричном
цикле кручения
t-1=
МПа, (2.76)
t-1=
МПа.
Масштабные факторы по рекомендациям
[14, c. 166]:
es - для нормальных напряжений, es = 0,61;
et - для напряжений кручения, et = 0,52.
Сечение А - А.
Концентрация напряжений обусловлена
шпоночной канавкой.
Момент сопротивления кручению
, мм3, (2.77)
мм3
Амплитуда и напряжение от нулевого
цикла
, МПа, (2.78)
МПа.
Коэффициент запаса прочности по
касательным напряжениям
(2.79)
Амплитуда цикла нормальных
напряжений
, МПа, (2.80)
МПа.
среднее напряжение sm = 0 согласно
рекомендациям [39,c.163] коэффициент запаса прочности
по нормальным напряжениям
, (2.81)
итоговый коэффициент
(2.82)
где
- допускаемое значение коэффициента
запаса прочности,
=2,5
согласно рекомендациям [39,c.163]
условие
, прочность
сечения обеспечена.
Сечение Б - Б
Концентрация напряжений обусловлена
посадкой ведомой звездочки с натягом.
Изгибающий момент в горизонтальной
плоскости
Нм (2.83)
Изгибающий момент в вертикальной
плоскости
Нм (2.84)
Общий изгибающий момент в сечении
, Нм, (2.85)
Нм.
Осевой момент сопротивления
, мм3 (2.86)
мм3
Амплитуда нормальных напряжений
, МПа, (2.87)
МПа.
среднее напряжение sm = 0 согласно
рекомендациям [39,c.163]
Полярный момент сопротивления
, мм3, (2.88)
Амплитуда и среднее напряжение цикла
касательных напряжений
, Мпа, (2.87)
.
Коэффициент запаса по нормальным
напряжениям по формуле (2.81)
Коэффициент запаса по касательным
напряжениям по формуле (2.79)
результирующий коэффициент
(2.88)
где
- допускаемое значение коэффициента
запаса прочности,
=2,5.
условие
, прочность
гарантированна.
Сечение В - В
Концентрация напряжений обусловлена переходом от
диаметра 175мм к диаметру 165мм.
При
и
согласно рекомендациям [14, c. 164]
принимаю:
коэффициенты концентрации напряжений
ks = 1,96 и kt =1,30;
масштабные факторы: es = 0,61
и et = 0,52
Осевой момент сопротивления
, мм3, (2.89)
мм3.
Амплитуда нормальных напряжений
, МПа, (2.90)
МПа.
среднее напряжение sm = 0 согласно
рекомендациям [39,c.163]
Полярный момент сопротивления
, мм3, (2.91)
мм3
Амплитуда и среднее напряжение цикла
касательных напряжений
, МПа, (2.92)
.
коэффициент запаса по нормальным
напряжениям по формулу (2.81)
Коэффициент запаса по касательным
напряжениям по формуле (2.79)
общий коэффициент
(2.93)
где
- допускаемое значение коэффициента
запаса прочности,
=2,5
условие
, прочность
гарантирована.
Сечение Б - Б
Концентрация напряжений вызвана
шпоночной канавкой.
Момент сопротивления кручению
, мм3, (2.94)
мм3
Напряжение и амплитуда от нулевого
цикла по формуле (2.78)
Коэффициент запаса по касательным
напряжениям по формуле (2.79)
амплитуда цикла нормальных
напряжений по формуле (2.80)
МПа
среднее напряжение sm = 0 согласно
рекомендациям [39,c.163]
коэффициент запаса по нормальным
напряжениям по формуле (2.81)
общий коэффициент
(2.95)
где
- допускаемое значение коэффициента
запаса прочности,
=2,5
условие
, прочность
сечения обеспечена.
.4 Модернизация гидропривода подачи
рулонов на агрегат продольной резки
.4.1 Расчет и выбор исполнительного
гидродвигателя
Принимаю в качестве гидродвигателя поршневой
гидроциллиндр двустороннего действия с односторонним штоком.
Определение нагрузочных и скоростных
характеристик гидродвигателя.
Осевое усилие, нужное для перемещения рабочего
органа с грузом. Т.к рабочий орган и выходное звено гидродвигателя выполняют поступательное
движение, то:
(2.96)
Максимальная скорость движения рабочего органа
Т.к. рабочий орган и выходное звено
гидродвигателя выполняют поступательное движение, то:
м/с (2.97)
Анализируя характеристики привода выбираю
рабочее давление насоса
Рн = 150 кгс/см2 = 16МПа
рабочее давление в гидроцилиндре
, МПа, (2.98)
МПа
Диаметр поршня гидроцилиндра
, мм, (2.99)
где - Р1 берется равной
рабочему давлению Р1 = Р
противодавление Р2
принимается из диапазона Р2 = (0,3…0,9) МПа; принимаю Р2
= 0,3МПа.
Так как гидроцилиндр с односторонним
штоком то для обеспечения равенства скоростей быстрых ходов необходимо
использовать дифференциальную схему включения; при этом y1 = 0 и y 2 =
Из справочника [33] по полученному диаметру
поршня выбирается стандартный гидроцилиндр,
у которого Dст.>
D
Dст
= 160
мм
Диаметр штока
, (2.100)
Используя справочник [33] выбираем
стандартный шток, ближайший больший к расчетному:
dст = 125 мм
Основные параметры
гидроцилиндра по ГОСТ 6540 - 68:
Dст = 160 мм,
dст = 125 мм, гидроцилиндр с односторонним штоком;
рном. = 16 МПа.
Обозначение исполнительного
гидродвигателя:
Гидроцилиндр ГЦП
ГОСТ
6540
- 68
Диаметр поршня - 160 мм
Диаметр штока - 125мм
Ход штока - 1000 мм.
Ход поршня принимается больше конструктивно
необходимого, для предотвращения ударов поршня о верхнюю крышку в крайнем
верхнем положении. Минимальная скорость передвижения (при выдвижении штока) -
0,004м/мин.
Максимальная скорость при выдвижении штока -
7,2м/мин
.4.2 Разработка принципиальной схемы
гидропривода
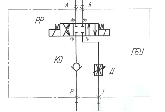
Гидропривод состоит
из: гидроцилиндра, реверсивного
распределителя, насоса, фильтра,
предохранительного клапана, обратного клапана, и дросселя.
Работа схемы происходит следующим образом.
Быстрый подвод: от поворота командного ключа
включается ЭМ 1, распределитель РР включается в поз. I.
Потоки жидкости движутся следующим образом:
Н
-
Ф
-ОК-
Р(РР)А
- ПП(ГЦ)/ШП(ГЦ) -
В(РР)Т
- Д - Б
КП
Быстрый отвод: от поворота командного ключа
включается ЭМ 2, распределитель РР включается в поз. II.
Потоки жидкости движутся следующим образом:
Н
-
Ф
-ОК-
Р(РР)В
-
ШП(ГЦ)/ПП(ГЦ) -
А(РР)Т-Д - Б
КП
Стоп: командный ключ находится в положении
«стоп». ЭМ 1 и ЭМ 2 выключены, золотник распределителя РР находится в положении
0. Потоки жидкости движутся следующим образом:
Н
-
Ф-
КП - Б
Схема гидропривода приведена на рисунке 2.3.
Рисунок 2.3 - Схема гидропривода:
Н - насосная установка; КП - клапан
предохранительный; Ф - фильтр; ФЗ - фильтр заливной; КО - обратный клапан; Д -
дроссель; ГБУ - гидроблок управления; РР - гидрораспределитель; ГЦ - гидроцилиндр.
2.4.3 Определение расчетных параметров насосной
станции
Максимальный расход жидкости нужный для питания
гидроцилиндра
, л/мин, (2.101)
, л/мин, (2.102)
где Qбп
, Qбо -
максимальные расходы жидкости, л/мин;
- максимальная скорость поршня, м3/с;
F1ст; F2ст
- эффективные площади, мм2.
, мм2,(2.103)

, мм2, (2.104)
где D - диаметр
поршня, мм;
d - диаметр
штока стандартного выбранного гидроцилиндра, мм;.
мм2.
мм2.
м3/с = 6 л/мин
м3/с = 24 л/мин
Из рассчитанных
расходов выбираем наибольший.
Номинальная подача насоса должна
превышать QП
max:
Qн > QП
max(2.105)
Значение требуемого
давления на выходе из насоса:
рн
= р1
+Δрн
,
Мпа, (2.106)
где
Δрн
- суммарные потери давления в линии, соединяющей насос с гидроцилиндром при
подъеме стола.
Потери давления могут быть рассчитаны
только после разработки гидропривода, следовательно
начальный
выбор насосной установки производится, приняв:
, (2.107)
.
На основании расчетов подбираем насосную станцию [33,
с. 351]
Основные технические характеристики:
обозначение - С160.32.45,6 УХЛ 4
ТУ2-053-1379 - 78 РМНА 32/35
- высота шкафа - 1200 мм;
наличие теплообменника - отсутствует;
насосная установка - мотор - насос тип С;
емкость бака - 160 л;
номинальное давление - 32 МПа;
максимальное давление - 40 МПа;
рабочая подача насоса - 45,6 л/мин;
мощность электродвигателя - 1,5 кВт.
рабочий объем - 32 л;
климатическое исполнение по ГОСТ 15150-69 - УХЛ,
категория 4.
Номинальная подача Qн
= 45,6 л/мин.
Частота вращения n
= 1500 об/мин.
Qн =45,6
л/мин= 0,00076 м3/с;
Подача насоса
данной
установки подходит условию:
Qн
> QП
max
45,6 л/мин
>24 л/мин
.4.4 Выбор исполнительной гидроаппаратуры
Выбор аппаратуры осуществлен по уровню расхода и
рабочего давления в той линии, где установлен гидроаппарат, таблица 2.1.
Таблица 2.1 - Гидроаппаратура привода
|
№
|
Тип,
обозначение аппарата
|
Основные
технические характеристики
|
|
1
|
Реверсивный
распределитель В10.ЕХ44.31/ОФ.В220-50Н ГОСТ 24679-81
|
управление
электрогидравлическое - ЕХ; диаметр условного прохода - 20 мм исполнение по
схеме - 44 [33]; номер конструкции - 31; без пружинного возврата с
фиксатором - исполнение ОФ; электропитание - от сети переменного тока
напряжением 220 В и частотой 50Гц - В220 - 50; Расход масла: Qном.= 20÷32 л/мин Qmax= 25÷80
л/мин
Давление: Рном = 32МПа Рслив.=15МПа Рупр.=
0,8-6 МПа Время срабатывания 0,02÷0,06 с
|
|
2
|
Фильтр
напорный типа 1ФГМ 32 - 50М по ТУ2-053-1778 - 86
|
Номинальная
пропускная способность Q = 50 л/мин. Рабочее
давление Pном=32 МПа.
|
|
3
|
Дроссель
ДР-С12 УХ3Л4
|
Максимальный
расход - 40 л/мин; Диаметр условного прохода - 12 мм; Номинальное давление -
32 МПа; Потеря давления при полностью открытом дросселе и Qном не
более 0,2МПа; Потеря давления в обратном клапане при Qном, не
более 0,2МПа.
|
|
4
|
Обратный
клапан 1МКО ТУ2-053-1841
|
Расход
номинальный - 40 л/мин; Расход максимальный - 100л/мин; Номинальное давление
- 20МПа.
|
|
5
|
Предохранительный
клапан Г 54-32М УХЛ4 по ТУ2-053-1628-83
|
Номинальное
давление - 32МПа; диаметр условного прохода - 10мм; Номинальный расход -
32л/мин; Максимальный расход - 50л/мин.
|
.4.5 Расчёт трубопроводов
Внутренний диаметр трубопровода:
, м, (2.108)
где Q -
максимальный расход жидкости в трубопроводе,м3/с;
Uрек -
рекомендуемая скорость течения жидкости в трубопроводе, м/с;
Максимально допускаемая
толщина стенки трубопровода:
Kб, мм, (2.109)
где р - максимальное давление
жидкости в трубопроводе,
МПа;
- предел прочности на растяжение
материала трубопровода:
= 340 МПа;
Кб - коэффициент
безопасности, Кб = 2…5;
Трубопроводы делим на
участки и производим расчёт для каждого участка.
Напорная
линия
1-11,
11-12:
= 32 МПа,
= 45,6
л/мин (7,6 × 10-4 м3/с)
По рекомендациям Uрек = 5
м/с:
По ГОСТ 8734-75 [2, с. 318]
выбираем
трубу 22х2,5, у
которой внутренний диаметр
мм. Проверяем условие
:
,5 мм > 2,4 мм
условие выполняется.
Напорная линия 11-4:
Рн = Рmax = 32
МПа,
= 24
л/мин (4 × 10-4 м3/с)
По рекомендациям Uрек = 4
м/с:
По ГОСТ 8734-75 [2, с. 318]
выбираем трубу
22х2,5, у
которой внутренний диаметр
мм. Проверяем условие
:
,5 мм > 2,4 мм
условие выполняется.
Сливная линия 9-10:
Рн = Рmax = 0.9
МПа,
= 24
л/мин (4 × 10-4 м3/с)
По рекомендациям
Uрек
= 2 м/с:
По ГОСТ 8734-75 [33, с. 318]
выбираем трубу
22х2.5, у
которой внутренний диаметр
мм. Проверяем условие
:
.5 мм > 0,1125 мм
условие выполняется.
Напорно - сливная
линия 5-6:
Рн = Рmax = 32
МПа,
= 24
л/мин (4 × 10-4 м3/с)
По рекомендациям Uрек
= 2 м/с:
По ГОСТ 8734-75 [33, с. 318]
выбираем
трубу 22х2,5, у
которой внутренний диаметр
мм. Проверяем условие
:
,5 мм > 1,6 мм
условие выполняется.
Сливная линия 13-14:
Рн = Рmax = 0,9
МПа,
= 45,6 л/мин
(7,6 × 10-4 м3/с)
По рекомендациям Uрек
= 2 м/с:
По ГОСТ 8734-75 [33, с. 318]
принимаем
трубу 28х1 у
которой внутренний диаметр
мм. Проверяем условие
:
мм > 0,06 мм
условие выполняется.
Рн = Рmax = 32
МПа,
= 6
л/мин (1 × 10-4 м3/с)
По рекомендациям Uрек=
2 м/с:
По ГОСТ 8734-75 [33, с. 318]
выбираем трубу
16х2 у
которой внутренний диаметр
мм. Проверяем условие
:
мм > 1,1 мм
условие выполняется.
2.5
Разработка гидроблока управления
Гидроблок управления состоит из следующих
агрегатов: реверсивный распределитель РР, дроссель Д и клапан обратный КО
(рисунок 2.4).
Рисунок 2.4 - Схема гидроблока управления:
КО - клапан обратный; РР - гидроспределитель; Д
- дроссель.
Эти аппараты монтируются
в одном
узле, связующим элементом
которого являются специально спроектированные
плиты. Для данного гидроблока
необходимо разработать
одну плиту.
Все элементы скрепляются
с
помощью стандартных крепёжных деталей. В
данном случае - это болты.
На основе расположения деталей
выполняется сборочный чертеж гидроблока управления
и рабочий
чертеж плиты.
.5.1 Определение потерь давления в аппаратах
Определение потерь
давления в гидроаппаратах на этапе цикла БП
, МПа,(2.110)
где А и В - коэффициенты
аппроксимации экспериментальной зависимости потерь давления в аппарате при
расходе жидкости через него
,
, (2.111)
,
, (2.112)
где
- потери давления в аппарате при
номинальном расходе, МПа;
- перепад давления открывания или
настройки, МПа; для обратных клапанов
принимаем по справочнику, для
распределителей, фильтров и дросселей
= 0.
Qном -
номинальный расход аппарата, м3/с;
Qбп - расход
жидкости при быстром подводе, м3/с.
Потери давления в напорной линии
Фильтр напорный типа 1ФГМ 32 - 50М
по ТУ2-053-1778 - 86
Номинальный перепад давлений -
МПа
Qном = 50 л/мин
= 0,00083м3/с;
МПа
,
,
,
,
Напор: Qmax = 45,6 л/мин
(7,6 ·10-4 м3/с):
МПа
Обратный клапан 1МКО ТУ2-053-1841
Qном = 40 л/мин
= 0,00066м3/с ;
МПа;
Qбп = 24 л/мин
= 0,0004м3/с ;
МПа.
150,001,
,
225024,75,
,
Напор: Qmax
=
24 л/мин (4 ·10-4 м3/с):
МПа
Гидрораспределитель типа
В10.ЕХ44.31/ОФ.В220-50Н ГОСТ 24679-81
Qном = 32 л/мин
= 0,00053м3/с ;
МПа
А =
188,679,
,
В =
355998 ,
,
Напор: Qmax = 24 л/мин
(4 ·10-4 м3/с):
МПа
Суммарные потери в напорной линии
МПа
Потери давления в сливной линии
Дроссель типа ДР-С12 УХЛ4
Qном = 25 л/мин
= 0,00041м3/с;
МПа;
Qбп = 6 л/мин =
0,0001 м3/с.

,

,
Слив: Qmax = 6 л/мин (
1·10-4 м3/с):
МПа
Гидрораспределитель типа
В10.ЕХ44.31/ОФ.В220-50Н ГОСТ 24679-81
Qбо = 6 л/мин =
0,0001м3/с ;
МПа.
А =
188.679 ,
,
В =
355999 ,
,
Слив: Qmax = 6 л/мин
(1·10-4 м3/с):
МПа
Суммарные потери в сливной линии
МПа
Расчет потерь давления в
гидроаппаратах сводим в таблицу 2.2 .
Таблица 2.2 - Потери давления в гидроаппаратах
|
Линия
|
Наименование
аппарата
|
Δpо
|
А
|
В
|
Qmax
|
Δpг а
|
|
|
ΜПа
|
МПа·с/м3
|
МПа·с2/м6
|
м3/с
|
ΜПа
|
|
Напор
|
Фильтр
Ф
|
|
48,192
|
58063,57
|
0,00076
|
0,0701
|
|
Клапан
обратный КО
|
0,05
|
150,001
|
225024,75
|
0,0004
|
0,096
|
|
Гидрораспределитель
РР
|
|
188,679
|
355998
|
0,0004
|
0,1324
|
|
Слив
|
Гидрораспределитель
РР
|
|
188,679
|
355998
|
0,0001
|
0,022
|
|
Дроссель
Д
|
|
243,902
|
594883,99
|
0,0001
|
0,303
|
Напорная линия:
= 0,2985
МПа
Сливная линия:
= 0,052 МПа
Суммарные потери :
= 0,3505
МПа
.5.2 Определение потерь давления в трубопроводах
Рабочей жидкостью выбираем минеральное масло
ИГП-38 ГОСТ ТУ 38101413-78 с плотность r = 890 кг/м3;
Кинематический коэффициент вязкости
= 40 · 10-6
м2/с.
Различают два режима течения жидкости:
ламинарный и турбулентный. Для каждого участка определяем число Рейнольдса (Rе),
от которого зависит режим течения жидкости.
(2.113)
где
- фактическая скорость движения
жидкости в трубопроводе;
- кинематический коэффициент
вязкости жидкости.
Затем сравниваем это число с Rекр,
если Re< Rекр,
то режим течения ламинарный.
Для гладких круглых труб, а так же
для отверстий в корпусе гидроблока
управления Rекр=2300,
для рукавов Rекр
=1600.
Расчет потерь давления производится
по участкам, имеющим равный диаметр и расход жидкости. Потери давления
на вязкое
трение:
МПа,(2.114)
где
- плотность рабочей жидкости, кг/м3;
- коэффициент гидравлического
трения на i-м участке;
- число участков.
Для гладких цилиндрических
трубопроводов коэффициент
определяет
по формулам:
- при ламинарном режиме
(2.115)
при турбулентном режиме
(2.116)
где
- число Рейнольдса на i-м участке.
Участок 1-11
(2.117)
(2.118)
(2.119)
Режим течения ламинарный.
Па (0,0698 МПа)
Оставшиеся участки трубопроводов рассчитываем
аналогично.
Расчеты сводим в таблицу 2.3
Таблица 2.3 - Потери давления по длине
|
Линия
|
Qmax,
|
Участок
|
dcт,
|
fcт,
|
U
|
Rei
|
λi
|
L
|
Δрl
|
|
м3/с
|
|
м
|
м2
|
м/с
|
|
|
м
|
МПа
|
|
Напор
|
0,00076
|
1-11
|
0,017
|
0,00022
|
3,36
|
1429,2
|
0,044
|
0,5
|
0,0698
|
|
0,0004
|
11-4
|
0,012
|
0,00011
|
3,63
|
1090
|
0,058
|
0,5
|
0,0141
|
|
0,0004
|
5-6
|
0,017
|
0,00022
|
1,81
|
772
|
0,082
|
1
|
0,0071
|
|
Слив
|
0,0001
|
7-8
|
0,012
|
0,00011
|
0,9
|
270
|
0,23
|
1
|
0,006887
|
|
0,0004
|
9-10
|
0,017
|
0,00022
|
1,81
|
722
|
0,082
|
1
|
0,0071
|
Напорная линия:
= 0,091 МПа
Сливная линия:
= 0,01398
МПа
Суммарные потери по длине:
=
0,10498МПа
2.5.3 Определение местных потерь в гидросистеме
Местные потери давления
Δpм
являются суммой потерь в различных местных
сопротивлениях (Δpmi)
и определяются по формуле:
Δpmi =
, МПа,
(2.120)
где ζj -
коэффициент j-го местного сопротивления;
nм -
число местных сопротивлений;
u -
фактическая скорость жидкости, м/с;
Коэффициент ζj определяется
по справочнику; [33, с. 390]т - площадь
внутреннего сечения трубопровода перед i-тым сопротивлением;- число местных
сопротивлений.
Участок 1-11:
резкое расширение (вход из
трубы в фильтр) do/d=0,75; ζ=0,6
(МПа)
Оставшиеся трубопроводы рассчитываем
аналогично. Итоги
сводим в таблицу
2.4
Таблица 2.4 - Местные потери в
гидросистеме
Этап цикла Линия fcт 
Учас-
|
токВид
местного сопротивленияКол-воζζQmax, м3/сD Рмj [МПа]
|
|
|
|
|
|
|
|
|
БП
|
НЛ
1-8
|
0,00022
|
1-11
|
Резкое
расширение Ф17/Ф22
|
1
|
0,6
|
0,00076
|
0,0031
|
|
|
0,00022
|
|
Резкое
сужение Ф22/Ф17
|
1
|
0,5
|
|
0,0027
|
|
|
0,00022
|
|
Тройник
|
1
|
0,3
|
|
0,0016
|
|
|
0,00022
|
11-4
|
Резкое
сужение (вход в плиту) Ф17/Ф11
|
1
|
0,24
|
0,0004
|
0,00035
|
|
|
0,00022
|
5-6
|
Резкое
расширение Ф11/Ф17
|
1
|
0,6
|
0,0004
|
0,00088
|
|
|
0,00022
|
|
Колено90
град.
|
2
|
1,2
|
|
0,00176
|
|
СЛ
|
0,000113
|
7-10
|
Колено
90 град.
|
2
|
1,2
|
0,0001
|
0,00041
|
|
|
0,000113
|
|
Резкое
сужение (вход в плиту) Ф17/Ф11
|
1
|
0,6
|
|
0,0002
|
|
|
0,00022
|
|
Резкое
расширение Ф11/Ф17
|
1
|
0,75
|
|
0,00006
|
Напорная линия:
= 0,01039
МПа.
Сливная линия:
= 0,00067
МПа.
Суммарные местные потери:
= 0,01106
МПа.
.5.4 Расчет суммарных потерь давления в
гидросистеме
Суммарные потери во
всех
линиях сводятся в таблицу
2.5
Таблица 2.5
- Суммарные потери давления
в гидросистеме
|
Линия
|
Этап цикла
|
D
pга МПа
|
D
pl МПа
|
D
pм
МПа
|
D
p
МПа
|
|
Напор
|
Подъем
|
0,2985
|
0,091
|
0,01039
|
0,39989
|
|
Слив
|
|
0,052
|
0,01398
|
0,00067
|
0,6665
|
Проверка насосной
установки по давлению:
Рнтреб
= Р1+DРн
, МПа, (2.121)
Рнтреб
=
24+0,39989=24,39989;
МПа
Рнтреб < Рн
(24,39989<32) значит насосная установка выбрана
верно.
2.6 Разработка конструкции основных узлов
агрегата продольной резки
2.6.1 Выбор муфты
Для передачи момента с вала двигателя на вал
редуктора требуется выбрать муфту. Если со осность соединяемых валов в процессе
монтажа и эксплуатации выдерживается, то допустимо использовать глухую
(закрытую) фланцевую муфту. Конструкция глухой (закрытой) фланцевой муфты
позволяет использовать её в качестве тормозного шкива.[30, c.
11]
Типоразмер муфты выбираю по диаметрам валов и
величине расчетного крутящего момента.
(2.122)
где Тр - допустимый
крутящий момент, Н⋅м;
Тном - номинальный
расчетный крутящий момент, Н⋅м;
k -
коэффициент условий эксплуатации, согласно рекомендациям [14, c. 272]
принимаю k = 1,2.
Н⋅м
Выбираю фланцевую муфту исполнения
1:
Муфта фланцевая 250-40-11-38-11 ГОСТ
20761-96.
Допустимый крутящий момент муфты [T] = 250 Н⋅м;
Диаметры отверстий полумуфт 40 и 38
мм; исполнение полумуфт 1
, условие выполняется, надежность
муфты обеспечена.
Производить проверку выбранной муфты
на прочность не требуется, т.к во первых она стандартная, а во вторых крутящий
момент выбран с большим запасом. Это позволяет утверждать, что прочность муфты
обеспечена.
2.6.2 Расчет и выбор тормоза
Тормозной момент
, Н⋅м (2.123)
где Мин - момент сил
инерции поступательно движущихся и вращающихся масс, приведенный к валу
двигателя, Н⋅м;
Мс - момент сил
сопротивления, при веденный к валу двигателя, Нм;
Для груженой тележки:
, (2.124)
где Q -
грузоподъёмность Q=25000 кг (исходные данные);
mт - масса
тележки mт=10111кг
(исходные данные);
ат - замедление при торможении,
м/с2 (ат=0,3…0,6 м/с2);
kин -
коэффициент неучтённых инерционных масс kин=1,1…1,3.
, Нм.
, (2.125)
где Wст -
статическое сопротивление движению тележки с грузом, Н.
Нм
Нм
Выбираем колодочный тормоз с
пружинным замыканием и приводом от электромагнита [14, табл. 2.7] типа ТКТ -
200, с приводным электромагнитом МО - 200Б. Параметры тормоза:
Максимальный тормозной момент Мт
мах=160 Нм при продолжительности включения ПВ 25% - 40%.
Диаметр тормозного шкива dшк=200 мм.
.6.3 Подбор шпонок и проверка
прочности шпоночных соединений
Шпоночные соединения предназначены
для соединения валов с деталями передающими вращение. В приводе механизма
передвижения шпоночные соединения применяются для передачи крутящего момента с
вала электродвигателя на полумуфту, передачи крутящего момента с полумуфты на
быстроходный вал редуктора, передачи крутящего момента с тихоходного вала
редуктора к звёздочке цепной передачи, передачи крутящего момента с ведомой
звёздочки на вал приводного ската, передачи крутящего момента с вала ската
ходовым колёсам.
Выходной конец быстроходного вала
редуктора имеет диаметр dб = 40мм и
длину lб = 110 мм.
Для передачи крутящего момента с полумуфты на вал при заданных размерах вала
выбираю шпонку призматическую со скруглёнными торцами. Материал шпонки - сталь
45 ГОСТ 1050 - 88. [40, c. 295]
Шпонка 12 ´ 8 ´ 70 ГОСТ
23360 - 78
Напряжение смятия
(2.126)
где t1 - глубина
паза вала, мм; [10,c.295]
[sсм] -
допустимое напряжение смятия, для стали 45 [sсм] = 100…200
МПа;
l - длина
шпонки, мм;
h - высота
шпонки, мм;
b - ширина
шпонки, мм;
Т - крутящий момент на валу электродвигателя,
Н⋅м.
Условие прочности выполнено,
прочность шпоночного соединения обеспечена.
Выходной конец быстроходного вала
редуктора имеет диаметр dб = 40мм и
длину lб = 110 мм.
Для передачи крутящего момента с полумуфты на вал при заданных размерах вала
выбираю шпонку призматическую со скруглёнными торцами. Материал шпонки - сталь
45 ГОСТ 1050 - 88. [40, c. 295]
Выходной конец тихоходного вала
редуктора имеет диаметр dб = 80 мм и
длину lб = 170 мм.
Для передачи крутящего момента с вала редуктора на звёздочку цепной передачи
при заданных размерах вала выбираю шпонку призматическую со скруглёнными
торцами. Материал шпонки - сталь 45 ГОСТ 1050 - 88. [40, c. 295]
Шпонка 22 ´ 14 ´ 150 ГОСТ
23360 - 78
Проверяем шпоночное соединение на
смятие.
Напряжение смятия по формуле (2.126)
Условие прочности выполнено,
прочность шпоночного соединения обеспечена.
Ступень вала приводного ската для
посадки ведомой звёздочки цепной передачи имеет диаметр dс = 165 мм и
длину lс = 170 мм.
Для передачи крутящего момента со звёздочки на вал при заданных размерах вала
выбираю шпонку призматическую со скруглёнными торцами. Материал шпонки - сталь
45 ГОСТ 1050 - 88. [40, c. 295]
Шпонка 40 ´ 22 ´ 140 ГОСТ
23360 - 78
Проверяем шпоночное соединение на
смятие.
Напряжение смятия по формуле (2.126)
Условие прочности выполнено,
прочность шпоночного соединения обеспечена.
Ступень вала приводного ската для
посадки ходового колеса имеет диаметр dхк = 130 мм и
длину lхк = 123 мм.
Для передачи крутящего момента с вала на ходовое колесо, при заданных размерах
вала выбираю шпонку призматическую со скруглёнными торцами. Материал шпонки -
сталь 45 ГОСТ 1050 - 88. [40, c. 295]
Шпонка 32 ´ 18 ´ 120 ГОСТ
23360 - 78
Проверяем шпоночное соединение на
смятие.
Напряжение смятия по формуле (2.126)
Условие прочности выполнено,
прочность шпоночного соединения обеспечена.
3. ТЕХНОЛОГИЧЕСКАЯ ЧАСТЬ
.1 Разработка технологического процесса
изготовления детали «Звездочка - ведущая»
.1.1 Описание
назначения и конструкции детали
Деталь «Звездочка ведущая» представляет собой
высокоточное и достаточно прочное изделие, предназначенное для передачи
значительного вращающего момента от вала редуктора на приводной скат при помощи
трехрядной втулочно-роликовой цепи. Деталь требует при изготовлении соблюдения
ряда технологических норм и правил для обеспечения заданного качества.
Основные элементы конструкции звёздочки, на
которые следует обратить внимание при обработке - осевое отверстие в ступице
для посадки детали на вал, шпоночный паз и зубчатый венец. Отверстие Ø80Н7
- седьмой квалитет точности с шероховатостью равной Ra2,5
мкм. Передача усилия с вала на деталь осуществляется через призматическую
шпонку, поэтому в отверстии ступицы выполняется шпоночный паз по 9 квалитету
точности, допуск симметричности 0,01. Зубчатый венец звёздочки выполняется
трёхрядным под стандартную цепь 3ПР-38,1-38100 по ГОСТ 13568-97.
Зубчатый венец подвергается воздействию силовых
нагрузок и абразивному износу, поэтому зубья упрочняются путем закалки токами
высокой частоты до твердости HRC
45-50 на глубину 1…3 мм. Звездочка изготавливается из стали марки - Сталь 45 ГОСТ
1050-88.
.1.2 Технологический контроль чертежа детали
Чертеж детали выполнен по нормам ЕСКД. Точность,
обозначение всех посадок, отклонений, шероховатостей поверхности, составляющих
детали дают возможность получить все необходимые данные для разработки
техпроцесса изготовления.
В качестве установочной базы на первых операциях
может быть использована наружная поверхность заготовки. В качестве чистовой
установочной базы на последующих операциях - центральное отверстие.
Материал, выбранный для изготовления детали,
соответствует всем требованиям, предъявляемым по прочности и износостойкости.
Исходя из вышесказанного, способов дальнейшего
упрощения детали нет.
.1.3 Анализ технологичности конструкции изделия
В месте с техническими требованиями, к
устройству изделия предъявляют такие требования как технологические и
производственные. Устройство изделия и его составляющих должно быть таким,
чтобы максимально снизить трудозатраты (трудоемкость), потраченные на его
изготовление на всех стадиях производства. Изделие отвечающее таким требованиям
называют технологичным.
Одной из главных технологических сложностей для
данной детали является получение заготовки, конфигурация которой максимально
приближена к конфигурации и размерам готовой детали.
Данная деталь является достаточно технологичной
для серийного производства при применении прогрессивных способов получения
исходной заготовки.
Основные причины, снижающие технологичность
деталей:
форма заготовки далека от конфигурации детали,
т.е. заготовка имеет большие припуски для механической обработки (увеличивается
время обработки, расход инструмента, затраты энергии);
неправильное расположение обрабатываемых
поверхностей на заготовке (например, две параллельных плоскости, расположенных
рядом, рекомендуется располагать на одном уровне);
не предусматривается возможность нормального
выхода режущего инструмента (для резцов, сверл, фрез, метчиков рекомендуется
вводить специальные канавки и т.д.);
в ступенчатых отверстиях наиболее точную ступень
рекомендуется делать сквозной; (снижение трудоемкости, упрощение обработки и
конструкции инструмента).
.1.4 Выбор способа
изготовления заготовки
Выбор того или иного вида заготовки определяется
назначением детали, ее размерами и серийностью производства.
Требуемые механические свойства материала
заготовки для звездочки цепной передачи диктуют необходимость применения
кованой заготовки. Это связано с тем, что стальная заготовка после прокатки (в
состоянии поставки с металлургического завода) имеет разные механические
характеристики вдоль и поперек прокатных волокон. Если из такой заготовки
изготовить зубчатые венцы, то возможно их разрушение при относительно малых
нагрузках в непредсказуемых местах.
Максимальный диаметр детали превышает 300 мм,
при ширине 140 мм, чистовая масса детали составляет - 58,9 кг. По заданию: тип
производства - мелкосерийное. Следовательно, по размерам и весу подходит
поковка на молотах или кривошипных прессах. Изготавливать закрытый штамп для
горячей штамповки в мелкосерийном производстве дорого. С другой стороны, при
ковке свободной ковкой, заготовка будет иметь большие припуска, на снятие
которых потребуется много станкочасов. Поэтому, из всего многообразия поковок
для данной детали наиболее целесообразным способом изготовления заготовки
является поковка методом ковки на молоте в подкладном штампе. По этому методу
затраты на оснастку минимальные, но припуски и допуски будут меньше, чем при
свободной ковке.
Для окончательного определения способа получения
заготовки рассчитаем и сравним массу заготовок по двум вариантам:
1. Поковка методом свободной ковки.
2. Поковка в подкладном штампе.
Вариант 1.
При использовании метода свободной ковки
наружный диаметр с учетом припуска Z
= 19 ± 7 [37 с. 216] принимаем D
= 332 ± 7 мм, высоту H
= 159 ± 7 мм, тогда масса заготовки:
, кг, (3.1)
где
- плотность стали;
Q =
0,25×3,14×0,3322×0,159×7,85×103=108, кг.
Вариант 2.
При использовании подкладного штампа
можно снизить припуски. В этом варианте возможна прошивка центрального
отверстия. Чертеж заготовки выполнен в графической части. Припуски и допуски
взяты по ГОСТ 7829-70 «Поковки из углеродистой и легированной стали,
изготавливаемые ковкой на молотах»:
Высота Н =140 мм;
мм; Н1=155±4
мм;
Наружный диаметр D=312;
мм; D1=
Диаметр отверстия
мм;
мм;
мм.
Подставляем значения в формулу
(3.1):
Масса без учета отверстия:1 =
0,25×3,14×0,3262×0,155×7,85×103=101,5, кг
Масса металла удаляемого из
отверстия:
Q2 =
0,25×3,14×0,062×0,155×7,85×103=3,4, кг
Окончательно масса заготовки
составит:
Q= Q1 - Q2, кг, (3.2)
Q=101,5 - 3,4
=98,1 кг
Рассчитаем стоимость изготовления
заготовки методом свободной ковки


,руб.,(3.3)
где Q - масса заготовки, - 108, кг;
q - масса готовой детали - 58,9, кг;
С - стоимость 1 т базовой заготовки, 515
руб./т;.
Коэффициенты, зависящие от:t - класса
точности поковки; принимает 1 для нормальной точности;m - материала;
для стали принимаем 1;c - сложности; для 2 группы сложности
принимаем 0,84; b - массы; для массы от 63 до 160 кг принимаем 0,7;n
- объема производства; для 2 группы серийности принимаем 1;отх -
цена отходов, принимаем 25 руб./т или 0,025 руб./кг;.
Подставляем в формулу (3.3)
Sзаг
руб.
Рассчитаем стоимость изготовления
заготовки с использованием подкладного штампа
По формуле (3.3)заг
28,7 руб.
Следовательно, выбираем заготовку, изготовленную
с помощью подкладных колец.
3.1.5 Разработка
плана обработки детали
Создаем план-маршрут обработки поверхностей
детали.
В качестве заготовки целесообразно использовать
поковку методом ковки на молоте в подкладном штампе. Этот метод позволяет
получить высокую производительность и небольшую стоимость при близкой степени
соответствия формы заготовки и формы детали.
В основе проектируемого техпроцесса используем
типовой технологический процесс [25, с. 447]. Для повышения точности нарезки
зубчатого венца необходимо на первых операциях технологического процесса
подготовить чистовую базу для нарезки зубьев. Учитывая это положение, на первой
операции с установкой по наружному диаметру проводим обработку чистовой базы -
центрового отверстия. Одновременно обрабатываем торец детали, чтобы получить
достаточную точность взаимного расположения между базовым торцом и базовым
внутренним диаметром. На второй и третьей операциях завершаем обработку
центрального отверстия и шпоночного паза в нем методом протягивания.
Для завершения обработки детали и получения
концентричного расположения наружного и внутреннего диаметров (радиальное
биение наружного диаметра относительно базового - 0,06 мм) проводим вторую
установку детали. Устанавливаем деталь на консольную разжимную оправку по
внутреннему диаметру с упором в обработанный торец и проводим черновую токарную
обработку. Протачиваем канавки между зубчатыми венцами и закругляем венцы по
радиусу. После этого обтачиваем торцы и наружный диаметр под нарезку зубьев окончательно.
Наряду с радиальным биением, при обработке следует выдержать биение торцов
относительно оси отверстия в пределах 0,05 мм.
Перед наиболее трудоемкой операцией - обработкой
зубьев - проводим технологический контроль с обязательной проверкой радиального
биения венца под нарезку зубьев, т.к. нет смысла нарезать зубья, если допущены
отклонения на предварительной стадии обработки.
Для обработки зубьев по методу обката применим
зубофрезерный станок и червячную фрезу. В связи с тем, что нам необходимо обеспечить
минимальное биение наружного диаметра относительно установочной базы,
устанавливаем деталь на оправку с базой по внутреннему диаметру. Все три венца
обрабатываем одновременно с одной установки.
После нарезки зубьев проводим зачистку заусенцев
и комплексный контроль полученных зубчатых венцов. Далее следует термическая
обработка - зубья закаливаем токами высокой частоты на глубину 1…3 мм до
твердости 45…50 НRС. Цель
обработки - повысить стойкость зубьев против истирания.
Окончательно шлифуем базовое отверстие для
повышения шероховатости.
Последним следует окончательный контроль.
Полностью технологический процесс отражен в таблице 7 и эскизах обработки
(графическая часть)
.1.6 Определение
типа производства и формы организации труда
При незначительном объеме производства (около
200 штук в год) целесообразно применять технологию изготовления разработанную
для мелкосерийного вида производства. Приближенно это можно подтвердить,
используя таблицу [15 ,с. 18];
Чистовая масса детали - 58,9 кг
Используя эти данные по таблице определяем тип
производства - мелкосерийное.
Для серийного производства применяют в основном
универсальные станки, приспособления и инструменты, иногда специализированные
для выполнения отдельных операций.
Расчет числа деталей партии для одновременного
запуска в серийное производство определяется по формуле: [15, с. 18]
(3.4)
где N - программа
выпуска в квартал, принимаем 50 шт.;
а - периодичность запуска, принимаем
равным 4;
Т - количество рабочих дней в
планируемом периоде выпуска, принимаем 254;
Таким образом, в среднем надо выпускать менее 1
детали в день. Исходя из этого ежемесячно должно изготавливаться 17 деталей.
Для данной детали форма организации производства
- по видам оборудования. Эта форма выбрана в связи с тем, что партии деталей
слишком малы для создания участков «по видам изделий» или тем более создания
поточных линий производства. Поэтому цех механической обработки разбивается на
участки.
Станки будут установлены среди аналогичных
станков: участок токарных станков, участок сверлильных, участок зуборезных
станков. Для обеспечения загрузки тяжелых деталей на станки в пролете
установлен мостовой кран. В частности наша деталь весит более 50 кг, поэтому
устанавливать и снимать ее со станков придется краном.
.1.7 Расчет припусков на обработку
Расчет припуска выполняем для отверстия - Ø80
Н7,
шероховатость - Rа2,5.
Руководствуясь рекомендациям [37, с. 17, таблица
8] применяем три технологических перехода - зенкерование, протягивание и
внутреннее шлифование.
Определение припуска: [37, с. 175]
2Z1
= 2(RZ
I-1+
T i-1
+√ ρ i-12
+ ξy2),
мкм, (3.5)
где Rzi-1
-значение высоты микронеровностей на предыдущем переходе;
T
i-1
- значение глубины дефектного слоя поверхности на предыдущем переходе;
ρ i-1
- суммарное значение пространственного отклонения на предыдущем переходе;
ξy
- погрешность установки заготовки на выполняемом переходе;.
Значения T i-1 и RZ i-1
выбираем по [37, с. 180, таблица 2]:
В нашем случае:
для заготовки (поковка) RZ i-1 = 700;
T i-1= 700;
после зенкерования чернового RZ i-1 =
50; T i-1= 50;
после протягивания RZ i-1 = 20; T
i-1= 25;
Формулу для определения пространственного
отклонения для отверстий, выполненных в поковке, выбираем [3, с. 186, таблице
13]:
ρ = √
ρкор 2
+ ρсм 2,
мм, (3.6)
где ρкор
= ΔК L - коробление
поковки;
ΔК -
удельный увод отверстия на 1 мм глубины [37, с. 192, таблица 22] - (0,7мкм);-
глубина отверстия - 140 мм;
ρсм -
смещение стержня, формирующего отверстие в поковке.
Численно равно допуску на диаметр отверстия в
поковке (по ГОСТ 2009-55 на размер детали от 120 мм до 260 мм при максимальном
габарите детали от 500 до 800 мм допуск составляет ±1
мм). Следовательно, величина допуска 2 мм.
ρ = √
(0,0007×140)2
+ 22 = 2,00 мм;
Расчет пространственных отклонения после
обработки с использованием формулы и таблицы [37 с. 202]:
ρост
= Ку ×ρзаг
, мм, (3.7)
где ρост
-
значения остаточных пространственных отклонений после механической обработки;
ρзаг
- суммарное значение пространственного отклонения заготовки; (определено выше =
2 мм);
Ку - коэффициент уточнения,
выбираемый по таблице 31; после первого технологического перехода при обработке
отверстий - 0,06; после чистовой обработки отверстий - 0,005.
ρост
= 0,06 х 2 = 0,12 мм.
ρост
= 0,005 х 2 = 0,01 мм.
Погрешность установки заготовки на выполняемом
переходе рассчитывается по формуле: [10, с. 9]
ξy =
√ ξб2
+ ξз2,
мкм, (3.8)
где ξy
- Погрешность установки заготовки;
ξб
- погрешность базирования;
ξз
- погрешность закрепления;.
Погрешность базирования при этой схеме установки
детали на станке будет равняться нулю и погрешность установки будет равняться
погрешности закрепления.
По справочнику [37, с. 66, таблице 19] находим,
что ξy
= 800 мкм (базовая поверхность - поковка, без предварительной обработки;
установка в трехкулачковом патроне).
На следующем переходе - протягивание ξy
= 0. Перед внутренним шлифованием установочная база подвергается обработке, и ξy
= 120 мкм по [37 с. 66, таблице 19]
Определяем припуски по формуле (3.5)
Припуск на шлифование после протягивания:
Z1 = 2(20+25 + √102
+ 1202) = 330 мкм.
Припуск на протягивание после зенкерования:
Z2 = 2(50+50 + √1202
+ 0) = 440 мкм.
Припуск на зенкерование:
Z1 = 2(700+700 + √20002
+ 8002) = 7108 мкм.
Определяем допуски на технологических переходах:
Допуск после шлифования (окончательный):
d1= 30 мкм
Допуск на шлифование после протягивания: [37, с.
20, таблица 9]
d2 = 46 мкм
Допуск на протягивание после зенкерования по той
же таблице 9:
d3 = 200 мкм
Допуск заготовки (прошитого отверстия) на
зенкерование (по чертежу):
d3 = ±5 мм =10000 мкм
Расчет размеров детали (необходимый для расчет
диаметра заготовки):
Максимальный
размер отверстия после шлифования:1min = 80,00 + 0,03 = 80,03 мм
Минимальный
размер отверстия:1max = 80,0 мм
Максимальные
размеры отверстия по переходам.
после
протягивания:2max = 80,03 - 0,330 = 79,7 мм
после
зенкерования:3max = 79,7 - 0,44 = 79,26мм
Заготовки4max
= 79,26 - 7,108= 72,152~72,15 мм
Минимальные
размеры детали определяем, вычитая из максимальных (округленных) размеров,
найденные допуска:2min = 79,7 - 0,046 = 79,24 мм3min =
79,26- 0,2= 79,06 мм4min = 72,15-10,0= 62,15 мм
Рассчет
предельных размеров припусков:
Z1min
=80,0 - 79,7 = 0,3 мм
Z1max
=80,03 - 79,24 = 0,79 мм
Z2min
= 79,26 - 79,24 = 0,02 мм
Z2max
=79,7 - 79,06 = 0,64 мм
Z3min
=79,06 - 72,15 = 6,91 мм
Z3max
=79,26 - 62,15 = 17,11 мм
Результаты
расчетов сводим в таблицу 3.1, на основании результатов строим схему припусков
и допусков рисунок 3.1.
Таблица
3.1 - Припуски и допуски на обработку
|
Технологич
переходы обработки поверхности
|
Элементы
припуска, мкм
|
Расчётный
припуск 2Zmin, мкм
|
Расчетный
размер.мм
|
Допуск
d, мкм
|
Предельные
размеры, мм
|
Предельные
размеры припуска, мкм
|
|
Ri-1
|
T
I-1
|
ρ I-1
|
ξy
|
|
|
|
dmin
|
dmax
|
2Zmin
|
2Zmax
|
|
Заготовка
|
700
|
700
|
2000
|
-
|
|
67,15
|
10000
|
62,15
|
72,15
|
7,88
|
17,88
|
|
Зенкерование
|
50
|
50
|
120
|
800
|
7108
|
79,16
|
200
|
79,06
|
79,24
|
6,91
|
17,11
|
|
Протягивание
|
20
|
25
|
10
|
0
|
440
|
79,47
|
46
|
79,26
|
79,7
|
0,02
|
0,64
|
|
Шлифование
|
-
|
-
|
-
|
120
|
330
|
80
|
30
|
80,0
|
80,03
|
0,03
|
0,79
|
Общий припуск17,88
Допуск на шлифование (допуск детали)
0,030 мм
Припуск на шлифование 0,33
Припуск протягивание 0,44
Допуск на зенкерование 0,2
Припуск на зенкерование 7,108
Допуск заготовки 10,0 мм
Наим. диаметр заготовки 62,15 мм
Наиб. диаметр заготовки 72,15 мм
Наим. размер после зенкерования
79,06мм
Наиб. размер после зенкерования
79,26мм
Наименьший размер после протягивания
79,24 мм
Наибольший размер после протягивания
79,7
Наименьший окончательный диаметр
отверстия 80,0 мм
Наибольший окончательный размер
отверстия 80,03 мм
Рисунок 3.1 - Схема припусков и допусков Ø
80Н7
(+0,03)
.2 Расчет и выбор режимов резания,
технологической оснастки, оборудования
.2.1 Выбор оборудования
На первой операции выбираем серийный
токарно-револьверный полуавтомат модели 1П426ПФ40 с ЧПУ.
Для протягивания центрального отверстия и
шпоночного паза применяем протяжной станок 7Б55.
Для черновой и чистовой обточки применяем
токарный станок 16К30Ф305 с ЧПУ. Данный станок выбран из условия обработки над
станиной заготовки диаметром не менее 320 мм.
Для фрезерной операции применяем зубофрезерный
станок 5В312.
Для шлифования центрального отверстия применяем
внутришлифовальный станок 3К228В.
.2.2 Выбор
приспособлений
а) Токарная
Для выполнения токарно-револьверной операции
используем стандартный трехкулачковый патрон Ø400 мм
по ГОСТ 2675-80 с пневматическим приводом зажима.
б) Протяжная
(центровое отверстие)
При протягивании отверстия применяем жесткую
опору (планшайбу) с отверстием Ø100 мм.
в) Протяжная
(шпоночный паз)
Для протяжки шпоночного паза необходима
специальная направляющая втулка (адаптер).
г) Токарная
черновая и токарная чистовая
На токарных черновой и чистовой операциях
используем оправку консольную разжимную центровую для точных работ тип
7110-0412-1 по ГОСТ 31.1066.03 - 97 с пневматическим приводом.
д) Зубофрезерная
Для установки заготовки на столе станка для
обработки зубьев используем оправку специальную с базой по внутреннему диаметру
и торцу центрального отверстия. Червячная фреза ставится на оправку, которая
входит в комплект станка.
е)
Внутришлифовальная
На внутришлифовальной операции зубчатые колеса
устанавливают в специальный мембранный патрон с базой по делительной окружности
и торцу звездочки. Для этого во впадины между зубьями закладывают ролики до
упора в пальцы патрона, затем отводят шток пневмопривода и кулачки зажимают
звездочку.
3.2.3 Выбор
режущего инструмента
а) На токарно-револьверной операции для подрезки
торцов применяем:
Резец подрезной отогнутый правый с пластинкой
Т15К6 по ГОСТ 18880-73, сечение державки 25×20, длина
- 140 мм;
Для проточки Ø170:
Резец проходной упорный правый с пластинкой
Т15К6 по ГОСТ 18879-73, сечение державки 25×20, длина
- 140 мм;
При расчете припуска определено, что в
центральном отверстии необходим значительный припуск (10 мм на сторону), поэтому
для черновой обработки отверстия применяем последовательно два зенкера:
Зенкер насадной 75, №1- I со вставными
пластинками Т15К6 ГОСТ 3231-71, исполнительный диаметр 73,5-0,06;
(глубина резания составит 6,75 мм)
Зенкер насадной 80,№1-I - Т15К6 -ГОСТ 3231-71;
исполнительный диаметр под протягивание - 78,5-0,06; (глубина
резания составит 2,5 мм)
Для проточки Ø 312
и для протачивания и растачивания фасок применяем:
Резец проходной отогнутый правый с пластинкой
Т15К6 по ГОСТ 18877-73, сечение державки 25×20, длина
- 140 мм;
б) Для выполнения протяжных операций применяем:
Для протягивания круглого отверстия
Протяжку круглую Æ80Н7
Р6М5 ГОСТ 20365-74;
Для протягивания шпоночного паза:
Протяжку шпоночную 22Js9
-Р6М5- ГОСТ 18220-73;
в) На токарной операции (черновой и чистовой
проходы) применяем:
Для подрезки торцов применяем:
Резец подрезной отогнутый правый с пластинкой
Т15К6 по ГОСТ 18880-73, сечение державки 25×20, длина
- 140 мм;
Для проточки Ø170:
Резец проходной упорный правый с пластинкой
Т15К6 по ГОСТ 18879-73, сечение державки 25×20, длина
- 140 мм;
Для обработки наружной поверхности Ø312
Резец проходной отогнутый правый Т15К6 - ГОСТ
18877-73
Для прорезки пазов шириной 18
Резец широкий В=16 мм с пластинкой Т15К6 ГОСТ
18881-73
Для обработки радиусов
Резцы специальные радиусные R25
(правый и левый)
г) Для обработки зубьев применяем червячную
фрезу для обработки зубьев звездочек к приводным втулочно-роликовым цепям Ø
200 - Р6М5
- ГОСТ 15127-69
д) На внутришлифовальной операции используем
круг абразивный на керамической связке - тип ЧЦ (чашечный цилиндрический) Ø70×50×20
ГОСТ
4785-84
.2.4 Выбор
измерительного инструмента
Для измерения размеров применяем штангенциркули
по ГОСТ 166-83: - ШЦ-III
с пределами измерения: 0-150 мм; 0-500 мм.
Центральное отверстие проверяем калибром-пробкой
ГОСТ 14815-69.
Шпоночный паз - специальный калибр пробка,
шаблон.
Для контроля фасок используем шаблон.
Равномерность шага зубьев проверяем шагомером;
профиль зуба - шаблоном.
Радиальное биение наружной поверхности перед
нарезкой зубьев можно проверить путем установки индикаторной головки с
пружинным приводом (ГОСТ 6933-82) на стойке, непосредственно на токарном станке
при проведении токарной операции.
.2.5 Технологический процесс изготовления детали
Процесс изготовления детали приведен в таблице
3.2
Таблица 3.2 - Технологический процесс
изготовления детали
|
Номер
или обозначение
|
Наименование
и содержание операции (установки, перехода)
|
Оборудование
(наименование, модель, мощность, особенности)
|
Приспособление,
вспомогательный инструмент.
|
Инструмент
|
|
Операции
|
Установки
|
Позиции
|
Переход
|
|
|
|
Режущий
(наименование, материал, размер, количество)
|
|
1
|
2
|
3
|
4
|
5
|
6
|
7
|
8
|
|
005
|
А
|
|
1
2 3 4 5 6 7
|
Токарно-револьверная
Установить в патрон по наружной поверхности - резцом с суппорта Подрезать торец
Æ170 до
размера по ширине 147,5+2 Подрезать торец Æ312 до
размера по ширине 122,5+2 Проточить Æ170 на длине L=12,5 -
зенкером с револьверной головки Зенкеровать отв. Æ80 под
протягивание в два прохода - проходным резцом с суппорта Расточить фаску 3´45 на Æ80
Проточить фаску 3´45 на Æ170
|
Токарно-револьверный
полуавтомат с ЧПУ 1П426ПФ40 (мах. Æ500, L=200 мм)
|
Патрон
трехкулачковый пневматический;
|
Резец
подрезной отогнутый правый Т15К6 ГОСТ 18880-73 Резец проходной упорный правый
Т15К6 ГОСТ 18879-73 Зенкер насадной 75,№1-I Т15К6 ГОСТ 3231-71 Зенкер
насадной 80,№1-I Т15К6 ГОСТ 3231-71 Резец проходной отогнутый правый Т30К6
ГОСТ 18877-73
|
|
010
|
|
|
|
Протяжная
Протянуть Æ80Н7 под
шлифование
|
Горизонтально-протяжной
станок 7Б55
|
Опора
жесткая
|
Протяжка
Р6М5 Æ80Н7 ГОСТ
20365-74
|
|
015
|
А
|
|
1
2 3 4 5 5 6
|
Токарная
черновая Установить на оправку с базой по обработанным отверстию и торцу
Подрезать торец Æ170,
выдерживая размер L =140 Подрезать торец Æ312, выдерживая размер L =115 Проточить Æ170 на
длине L=12,5 Точить
Æ312
начерно в два прохода Проточить два паза шириной В=16 начерно Точить три
радиуса R25 правых
предварительно Точить три радиуса R25 левых
предварительно
|
Токарно-винторезный
16К30Ф305 с ЧПУ (max. Æ320,
L=1300)
|
Оправка
консольная, разжимная, пневматическая
|
Резец
подрезной отогнутый правый Т15К6 ГОСТ 18880-73 Резец проходной отогнутый
правый Т30К6 ГОСТ 18877-73 Резец проходной упорный правый Т15К6 ГОСТ 18879-73
Резец широкий В=16 мм Т15К6 ГОСТ 18881-73 Резец специальный радиусный R25 левый
Резец специальный радиусный R25 правый
|
|
020
|
А
|
|
1.
2 3 4 5 6
|
Токарная
чистовая Установить на оправку с базой по обработанному торцу Точить Æ312h11 начисто
Точить три радиуса R25 правых окончательно
Точить три радиуса R25 левых окончательно
Проточить два паза шириной В=18 за два прохода окончательно Расточить фаску 3´45 на Æ80
Проточить фаску 3´45 на Æ170
|
Токарно-винторезный
16К30Ф305 с ЧПУ (max. Æ320,
L=1300)
|
Оправка
консольная, разжимная, пневматическая
|
Резец
проходной отогнутый правый Т30К6 ГОСТ 18879-73 Резец специальный радиусный R25 левый
Резец специальный радиусный R25 правый Резец широкий
В=16 мм Т15К6 ГОСТ 18881-73
|
|
030
|
|
|
|
Контроль
Проверить диаметр Æ312,5 под
нарезку зубьев Проверить радиальное биение Æ312,5 Проверить торцевое биение
базового торца
|
|
|
|
|
035
|
Зубофрезерный
станок 5В312 (Ø320
мм;
L=180 мм)
|
Оправка
специальная
|
Червячная
фреза ГОСТ 15127-69
|
|
040
|
|
|
|
Слесарная
Зачистить заусенцы Промыть деталь
|
|
|
|
|
045
|
|
|
|
Внутришлифовальная
Шлифовать отверстие Æ80Н7
окончательно
|
внутришлифовальный
станок 3К228В
|
Патрон
мембранный специальный
|
Круг
абразивный - ЧЦ Ø70×50×20
ГОСТ
4785-84
|
|
050
|
|
|
|
Контроль
окончательный
|
|
|
|
|
|
|
|
|
|
|
|
|
|
3.2.6 Расчёт
режимов резания
Расчет режимов резания проведем на примере
обработки наружной по-
верхности Ø312h11
в два перехода черновое и чистовое точение. Режущий инструмент - резец
проходной отогнутый правый по ГОСТ 18880-73. Пластинка твердого сплава Т15К6.
Державка 25×20, L=140
мм.
Расчет скорости
резания
Припуск на данной поверхности определен выше -
14 мм, глубину резания t
принимаем:
Для черновых проходов t1
= 6,5 мм,
чистового прохода tчист
= 1,0 мм
Выбираем подачу:
при черновом точении [34, т. 2, с. 266,
таблице11]: Sчерн =
0,7-1,3 мм/об, принимаем Sчерн
=1,0
мм/об,
при чистовом точении [34, т. 2, с. 268, таблице
14]: Sчист
= 0,29 - 0,32 мм/об, принимаем Sчист
=
0,3 мм/об,
Скорость резания при наружном продольном точении
определяем по формуле: [34, т. 2, с. 265]
, м/мин,(3.9)
где CV
- постоянная, табличное значение;
XVS,
YV
- показатели степени, табличное значение;
T - период стойкости
инструмента, мин;
t - глубина резания,
мм;
S - подача, мм/об;
KV
- поправочный коэффициент, который представляет собой произведение отдельных
коэффициентов, которые принимаются по таблицам.
Каждый из этих коэффициентов отражает влияние на
скорость резания определенных факторов.
KV= KMV×KnV×KuV×KqV×KOV
,(3.10)
где KMV-
качество обрабатываемого материала;
KnV
- состояние поверхности заготовки;
KuV
- материал режущей части;
KqV
-
поперечное сечение державки;
KOV
- вид обработки.
Период стойкости инструмента принимаем Т=60 мин.
По таблицам находим [34, т. 2, с. 269, таблице
17]
Для черновой обработки: CV=340;
XV=0,15;YV=0,45;
m=0,2;
Для чистовой : CV=420;
XV=0,15;YV=0,2;
m=0,2;
По таблицам [34, т. 2, с. 261-269, таблице 4-9]
находим:
KMV
KnV=1,4;
для черновой обработки KuV=0,83; KrV =0,94;
для чистовой обработки KuV=1,25; KrV =1,03
KqV =1;KOV=1,04.
для черновой обработки
KV= KMV×KnV×KuV×KqV×KOV×KrV=0,8×1,4×0,83×1×0,94×1,04=0,9
для чистовой обработки
KV= KMV×KnV×KuV×KqV×KOV×KrV=0,8×1,4×1,25×1×1,03×1,04=1,5
для черновой обработки
м/мин.
для чистовой обработки
м/мин.
Расчетная частота вращения шпинделя
nчерн = 1000 ××101 /3,14
× 326 =98,6 об/мин.
nчист =
1000 × 292/3,14 ××312 = 298 об/мин.
Действительная скорость резания
Уточняем по характеристике станка: nчер
=
100 об/мин, nчист =
250 об/мин.
Действительная скорость резания:
uчерн =
3,14×326×100/1000 = 102 м/мин.
uчист =
3,14×312×250/1000 = 245 м/мин.
Расчет силы резания.
Составляющие силы резания при точении
определяются по формуле, см. [1,т.2 с. 271]:
, Н, (3.11)
где Ср ,х, у, np -
коэффициенты, определяются [34, т. 2, с. 273, таблице 22];
t - глубина
резания;
S - подача;
V - скорость
резания;
Kp -
поправочный коэффициент на силу резания, учитывающий влияние следующих
факторов; [34, с. 271]
Kp= KMР×KφР×KγР×KλР×KrР, (3.12)
где KMР -
механических свойств материала;
KφР - главного
угла в плане;
KγР - переднего
угла;
KλР - угла при
вершине;
KrР - радиуса
при вершине;.
По таблицам [34, т. 2, с. 264,
таблица 9] находим:
, (3.13)
где nP=0,75 -
тогда
0,11
KφР=1; KγР=1; KλР=1,0
для составляющей
: KrР=0,93
для составляющей
: KrР=0,82
для составляющей
: KrР=1,0
для составляющей
:
Kp= KMР×KφР×KγР×KλР×KrР =
0,11×1×1×1×0,93=0,1
для составляющей
:
Kp= KMР×KφР×KγР×KλР×KrР =
0,11×1×1×1×0,82=0,09
для составляющей
:
Kp= KMР×KφР×KγР×KλР×KrР =
0,11×1×1×1×1,0=0,11
Выбираем значения из таблиц:
для составляющей
:
Ср = 300; хр=
1,0; ур = 0,75; nр =-0,15;
для составляющей
:
Ср = 243; хр=
0,9; ур = 0,6; nр =-0,3;
для составляющей
:
Ср = 339; хр=
1,0; ур = 0,5; nр =-0,4;
Для чернового точения
Н;
Н
Н
Для чистового точения:
Н
Н
Н
Для определения эффективной мощности резания
применяем формулу:

, кВт, (3.14)
где
- мощность станка, было принято для
станка
К30Ф305 -
=22 кВт;
η - КПД станка, принимаем η=0,8;
кВт.
При черновом точении
кВт.
При чистовом точении
кВт.
Результаты расчетов сводим в таблицу 3.3.
Эффективная мощность при черновом и чистовом точении не превышает мощность
двигателя станка.
Таблица 3.3 - Режимы резания по переходам
|
Технологические
переходы
|
Элементы
режимов резания
|
|
t, мм
|
S, мм/об
|
Vp, м/мин
|
nф, об/мин
|
Vф, м/мин
|
|
Подрезать
торец Æ170 до
размера по ширине 147,5+2
|
7,5
|
1,2
|
94
|
170
|
90
|
|
Подрезать
торец Æ312 до
размера по ширине 122,5+2
|
7,5
|
1,2
|
94
|
100
|
98
|
|
Проточить
Æ170 на
длине L=12,5
|
7,5
|
1,2
|
95
|
170
|
90
|
|
Зенкеровать
отв. Æ80 под
протягивание в два прохода
|
6,75
2,5
|
1,4
1,2
|
36
40
|
150
150
|
34
38
|
|
Расточить
фаску 3´45 на Æ80
|
3
|
1,2
|
95
|
400
|
100
|
|
Проточить
фаску 3´45 на Æ170
|
3
|
1,2
|
95
|
170
|
90
|
|
Протянуть
Æ80Н7 под
шлифование
|
1,0
|
-
|
2
|
-
|
2
|
|
Протянуть
шпоночный паз 22
|
5,4
|
-
|
6
|
-
|
6
|
|
Подрезать
торец Æ170,
выдерживая размер L =140
|
7,5
|
1,2
|
94
|
170
|
90
|
|
Подрезать
торец Æ312,
выдерживая размер L =115
|
7,5
|
1,2
|
94
|
100
|
98
|
|
Проточить
Æ170 на
длине L=12,5
|
7,5
|
1,2
|
95
|
170
|
90
|
|
Точить
Æ312
предварительно в два прохода
|
6,5
|
1,0
|
101
|
100
|
102
|
|
Проточить
два паза шириной В=16 предварительно
|
16
|
1,5
|
90
|
100
|
82
|
|
Точить
три радиуса R25 правых
предварительно
|
3
|
1,0
|
90
|
170
|
166
|
|
Точить
три радиуса R25 левых
предварительно
|
3
|
1,0
|
90
|
170
|
166
|
|
Точить
Æ312h11
окончательно
|
1,0
|
0,3
|
292
|
250
|
245
|
|
Точить
три радиуса R25 правых
окончательно
|
0,3
|
0,1
|
292
|
250
|
245
|
|
Точить
три радиуса R25 левых
окончательно
|
0,3
|
0,1
|
292
|
250
|
245
|
|
Проточить
два паза шириной В=18 за два прохода окончательно начисто
|
16
|
1,5
|
90
|
100
|
82
|
|
Расточить
фаску 3´45 на Æ80
|
3
|
1,2
|
95
|
400
|
100
|
|
|
|
|
|
|
|
|
|
|
.3 Техническое нормирование операций
Определение режимов резания и расчет основного
времени на обработку.
Операция 010.Токарно-револьверная. Станок
1П426Ф40
Время на установку и закрепление, раскрепление и
снятие делали в патроне с выверкой при помощи крана - 4,2 мин. [27, с. 53,
карта 3]
Переход 1. Используем резец с суппорта станка
Подрезать торец Æ170
до размера по ширине 147,5+2
Время на подвод резца - 0,12 мин [34, т. 1, с.
605, таблице 12],
Режимы резания (определены выше, см. табл.3.10):
Глубина резания t = 7,5 мм;
Подача: S= 1,2 мм/об
Скорость резания: V = 90 м/мин
Число оборотов шпинделя: n = 170 об/мин
Основное (машинное) время:
, мин, (3.15)
где l - длина обработки;
при подрезании торца с отверстием:
мм.
где l2 - перебег резца,
равен 1 мм; - подача, мм/об; - число проходов, равно 1;- число оборотов
шпинделя;
мин.
Время на отвод резца в исходное
положение - 0,12 мин
Переход 2.Подрезать торец Æ312 до
размера по ширине 127,5+2
Режимы резания аналогичны переходу
1.
Время на подвод резца - 0,12 мин
длина обработки -
мм
мин
Время на отвод резца в исходное
положение - 0,12 мин
Переход 3.Проточить Æ170 на длине
L=12,5 мм;
Режимы резания: Глубина переменная,
максимально t = 7,5 мм; подача: S= 1,2 мм/об; скорость резания: V =90 м/мин;
число оборотов шпинделя: n = 170 об/мин;
Время на поворот головки суппорта
(смена резца) - 0,07 мин.
Время на подвод резца - 0,12 мин
Основное (машинное) время (точение
до упора):
, мин, (3.16)
где l - длина обработки, при
продольном точении в упор равна длине поверхности L=5 мм;-
подача, мм/об; - число проходов, равно 1; - число оборотов шпинделя:
n = 170 об/мин.
мин.
Время на отвод резца в исходное
положение - 0,12 мин
Переход 4.Используем инструменты с
револьверной головки
Зенкеровать отв. Æ80 под
протягивание в два прохода
Первый проход - зенкер Æ73,5-0,06;
Режимы резания: Глубина резания t =
6,75 мм; подача: S= 1,4 мм/об; скорость резания: V = 34 м/мин; число оборотов
шпинделя: n = 150 об/мин; время на подвод зенкера - 0,12 мин;
Основное (машинное) время по
формуле:
, мин, (3.17)
где l - длина отверстия; l =
155 мм;1 - длина врезания; для зенкерования
мм;2
- длина перебега; l2 = 3 мм.
Принимаем
[26, с.
308, таблица 204]),
Подставляем значения в формулу
(3.17)
мин.
Время на отвод зенкера - 0,12 мин
Время на поворот револьверной
головки - 0,07 мин
Второй проход - зенкер Æ78,5-0,06;
Режимы резания: Глубина резания t =
2,5 мм; подача: S= 1,2 мм/об; скорость резания: V = 38 м/мин ; число оборотов
шпинделя: n = 150 об/мин; время на подвод зенкера - 0,12 мин;
Основное (машинное) время по формуле
(3.17):
Принимаем: l = 155 мм; l2
= 3 мм
мин
Время на отвод зенкера - 0,12 мин
Переход 4. Расточить фаску 3´45 на Æ80
Время на поворот головки суппорта-
0,07 мин.
Время на подвод резца - 0,12 мин
Режимы резания: Глубина переменная,
максимально t = 3 мм;
Подача: S= 1,2 мм/об;
Скорость резания: V =100 м/мин. ; n = 400 об/мин
Основное (машинное) время,
определяем по формуле (3.16), приняв l = 3 мм:
мин.
Время на отвод резца в исходное
положение - 0,12 мин
Переход 5.Проточить фаску 3´45 на Æ170
Используем резец тот же, что и на
предыдущем переходе.
Время на подвод резца - 0,12 мин
Режимы резания: Глубина переменная,
максимально t = 3 мм;
Подача: S= 1,2 мм/об; Скорость
резания: V =90 м/мин. ; n = 170 об/мин
Основное (машинное) время,
определяем по формуле (3.16), приняв l = 3 мм:
мин.
Время на отвод резца в исходное
положение - 0,12 мин
Определение, штучного,
подготовительно - заключительного и штучно-калькуляционного времени на операцию.
Вспомогательное и основное машинное время
определены при нормировании переходов:
То =
0,3+0,36+0,15+0,78+0,89+0,006+0,014 =2,5 мин.
Tвсп=4,2+0,12+0,12+0,12+0,12+0,07+0,12+0,12+0,07+0,12+0,07+0,12+0,12+0,12+
+0,12=7,05 мин.
Штучное время определяем по формуле:
Тшт= То +Tвсп(1+
х/100) = 2,5+7,05(1+1,1/100) = 9,62 мин.
Число деталей в партии n
= 17
Согласно [34, т. 1, с. 604]единая норма
подготовительно-заключительного времени для станков с ЧПУ - Тп.з.=
12 мин
Штучно-калькуляционное время определяем по формуле:
, мин.,(3.18)
где n - число
деталей в партии.
Подставляем значения:
мин
Аналогично проводим расчет основного
времени для остальных операций с использованием [27], результаты заносим в
таблицу 3.4.
Определение, штучного,
подготовительно - заключительного и штучно-калькуляционного времени на
технологический процесс изготовления детали.
Таблица 3.4 - Определение, штучного,
подготовительно - заключительного и штучно-калькуляционного времени на
технологический процесс изготовления детали
|
Технологические
переходы
|
Элементы
нормирования
|
|
l мм
|
S, мм/об
|
nф, об/мин
|
ТО
мин
|
Твсп
|
Тшт
мин
|
Тпз
мин
|
Тшт-кал
|
|
Подрезать
торец Æ170 до
размера по ширине 147,5+2
|
63,5
|
1,2
|
170
|
0,3
|
0,24
|
|
|
|
|
Подрезать
торец Æ312 до
размера по ширине 122,5+2
|
1,2
|
100
|
0,36
|
0,24
|
|
|
|
|
Проточить
Æ170 на
длине L=12,5
|
12,5
|
1,2
|
170
|
0,15
|
0,31
|
|
|
|
|
Зенкеровать
отв. Æ80 под
протягивание в два прохода
|
163,9
161,4
|
1,4
1,2
|
150
150
|
0,78
0,89
|
0,74
|
|
|
|
|
Расточить
фаску 3´45 на Æ80
|
3
|
1,2
|
400
|
0,006
|
0,31
|
|
|
|
|
Проточить
фаску 3´45 на Æ170
|
3
|
1,2
|
170
|
0,014
|
0,24
|
|
|
|
|
По
операции 010
|
|
|
|
2,5
|
7,05
|
9,62
|
12
|
10,33
|
|
Протянуть
Æ80Н7 под
шлифование
|
1,0
|
-
|
-
|
1,19
|
3,2
|
|
|
|
|
По
операции 015
|
|
|
|
|
|
4,42
|
24
|
5,83
|
|
Протянуть
шпоночный паз 22
|
5,4
|
-
|
-
|
0,4
|
3,2
|
|
|
|
|
По
операции 020
|
|
|
|
|
|
3,63
|
24
|
5,04
|
|
Подрезать
торец Æ170,
выдерживая размер L=140
|
63,5
|
1,2
|
170
|
0,3
|
0,24
|
|
|
|
|
Подрезать
торец Æ312,
выдерживая размер L=115
|
75
|
1,2
|
100
|
0,36
|
0,24
|
|
|
|
|
Проточить
Æ170 на
длине L=12,5
|
12,5
|
1,2
|
170
|
0,15
|
0,31
|
|
|
|
|
Точить
Æ312
предварительно в два прохода
|
115
|
1,0
|
100
|
2,44
|
0,24
|
|
|
|
|
Проточить
два паза шириной В=16 предварительно
|
25
|
1,5
|
100
|
0,37
|
0,56
|
|
|
|
|
Точить
три радиуса R25 правых
предварительно
|
3
|
1,0
|
170
|
0,05
|
0,9
|
|
|
|
|
Точить
три радиуса R25 левых
предварительно
|
3
|
1,0
|
170
|
0,05
|
0,9
|
|
|
|
|
По
операции 025
|
|
|
|
3,57
|
3,62
|
7,23
|
12
|
7,93
|
|
Технологические
переходы
|
Элементы
нормирования
|
|
l мм
|
S, мм/об
|
nф, об/мин
|
ТО
мин
|
Твсп
|
Тшт
мин
|
Тпз
мин
|
Тшт-кал
|
|
Точить
Æ 312h11
окончательно
|
115
|
0,3
|
250
|
1,68
|
0,24
|
|
|
|
|
Точить
три радиуса R25 левых
окончательно
|
3
|
0,3
|
250
|
0,2
|
0,9
|
|
|
|
|
Проточить
два паза шириной В=18 за два прохода окончательно
|
25
|
0,3
|
100
|
1,11
|
0,56
|
|
|
|
|
Расточить
фаску 3´45 на Æ80
|
3
|
0,3
|
400
|
0,02
|
0,31
|
|
|
|
|
Проточить
фаску 3´45 на Æ170
|
3
|
0,3
|
170
|
0,04
|
0,24
|
|
|
|
|
По
операции 030
|
|
|
|
3,25
|
3,15
|
6,43
|
12
|
7,13
|
|
Фрезеровать
24 зуба одновременно на трех венцах
|
-
|
1,2
|
50
|
32,8
|
4,5
|
37,35
|
14
|
38,17
|
|
Шлифовать
отверстие Æ80Н7
окончательно
|
0,3
|
0,005
|
350
|
20,1
|
4,3
|
24,61
|
16
|
25,5
|
|
Всего
|
|
|
|
|
|
93,29
|
114
|
99,93
|
|
|
|
|
|
|
|
|
|
|
Заполняется маршрутная карта ГОСТ 3.1118-82 (см
Приложение 3)
.4 Расчет и проектирование протяжки
Припуск начального диаметра
отверстия после растачивания с полем допуска Н11 необходимо взять 0,7мм. [25]
Увеличение на зуб на сторону берем SZ = 0,03 для
обработки стали 45. В промежутках режущих зубьев необходимо сделать несколько
(2 - 4) зачищающих зубьев с постоянно убывающим подъёмом на зуб. Приняв Z = 3
распределяю подъём на зуб следующим образом:
мм;
мм;
мм. [41].
Площадь сечения стружечной канавки
, мм2, (3.19)
где k
- коэффициент заполнения канавки, k
= 3мм;
Fс
- площадь сечения среза металла, снимаемого одним зубом, мм2;
Fс =
, мм2,
(3.20)
Fс =
мм2.
мм2.
Для ближайшего большего значения
мм2,
по рекомендациям справочника [41] устанавливаем следующее: форма стружечной
канавки - прямолинейная; шаг протяжки t = 10 мм;
глубина канавки h = 3,6 мм; длина задней поверхности b = 4,0 мм;
радиус закругления канавки r = 2,0 мм.
По рекомендациям [21] шаг
калибрующих зубьев круглых протяжек берем равным 0,6-0,8 шага режущих зубьев,.
, мм, (3.21)
= 8 мм.
Шаг режущих зубьев выбираю
переменным. Беру изменение шага равным ±
0,2 мм. Фаска на калибрующих зубьях возрастает от первого зуба к последнему с
0,2 до 0,6 мм. [41]
Геометрические элементы лезвия
режущих и калибрующих зубьев принимаю: g
= 15°; a = 3°30¢; ak=1°.
Выбираю число стружко разделительных
канавок:
Количество канавок n = 36,
глубина hk = 0,7 -
0,8мм; ширина m = 1,0 -
1,2мм; радиус r = 0,3 -
0,4мм. Предельное отклонение передних углов всех зубьев равно ±2°, задних углов режущих зубьев
± 30¢, задних
углов калибрующих зубьев ± 15¢.
Максимальное число одновременно
работающих зубьев
, (3.22)
Рассчитываю диаметры режущих зубьев.
Диаметр первого зуба является равным
диаметру передней направляющей части:
, мм, (3.23)
мм.
Диаметр каждого последующего зуба
возрастает на 2SZ. На крайних трех зачищающих зубьях
(предшествующих калибрующим зубьям) подъём на зуб равномерно уменьшаем по
данным пункта 2:
мм;
мм;
мм. [41].
Диаметр калибрующих зубьев
(3.24)
Результаты
сводим в таблицу 3.12.
Таблица
3.5 - Диаметры зубьев протяжки
|
№
зуба
|
Диаметр,
мм
|
№
Зуба
|
Диаметр,
мм
|
|
1
|
79,3
|
16
|
80,025
|
|
2
|
79,36
|
17
|
|
|
3
|
79,42
|
18
|
|
|
4
|
79,48
|
19
|
|
|
5
|
79,54
|
20
|
|
|
№
зуба
|
Диаметр,
мм
|
№
Зуба
|
Диаметр,
мм
|
|
6
|
79,6
|
21
|
80,025
|
|
7
|
79,66
|
|
|
|
8
|
79,72
|
|
|
|
9
|
79,78
|
|
|
|
10
|
79,84
|
|
|
|
11
|
79,9
|
|
|
|
12
|
79,96
|
|
|
|
13
|
79,99
|
|
|
|
14
|
80,01
|
|
|
|
15
|
80,02
|
|
|
Число режущих
зубьев:
(3.25)
Проверяю число режущих зубьев и беру
Zp = 12
Число калибрующих зубьев ZК
цилиндрической протяжки для отверстия 11-го квалитета принимаю ZК = 6.
Расчет длины протяжки от торца хвостовика
до первого зуба
, мм, (3.26)
где lВ - длина
входа хвостовика в патрон, мм; lВ=120мм;
lЗ - зазор
между патронам и стенкой опорной плиты станка, равных 5…20мм; принимаю lЗ=15мм;
lС - толщина
стенки опорной плиты протяжного станка, мм; принимаю lС=65мм;
lП - высота
выступающей части планшайбы, мм; принимаю lП=30мм;
lН - длина
передней направляющей (с учетом зазора D),
мм;
принимаю lН=112мм.
мм.
Проверяем длину протяжки учитывая
длину протягиваемой заготовки
l0 >
, мм,
(3.27)
мм.
Принимаю l0 = 342мм.
Конструктивные размеры хвостовой
части протяжки. По ГОСТ 4044-78, [41] выбираю хвостовик типа 2 без
предохранения от вращения с наклонной опорной поверхностью. d1=70e8 мм; d2=53c11мм; d4=70-1=69мм; c=1,5мм; l1=210мм; l2=40мм; l3=40мм; l4=25мм; r1=0,6мм; r2=4,0мм; a=30°.
Диаметр передней направляющей d5 выбираем
равным диаметру предварительного отверстия заготовки с предельным отклонением
по е8: d5 = 79,3 e8 мм. [41]
Длину переходного конуса выбираю lК= 12мм;
длину передней направляющей до первого зуба
,мм, (3.28)
мм.
Полная длина хвостовика:
,мм, (3.29)
lD=
210+12+137= 342 мм.
Расчет общей длины протяжки
, мм,(3.30)
где
мм;
- длина режущих зубьев;
- длина зачищающих зубьев;
- длина калибрующих зубьев;
- длина задней направляющей (берется
по диаметру задней направляющей Dи ).
Длина режущих зубьев
, мм, (3.31)
мм.
Длина зачищающих зубьев
, мм, (3.32)
мм.
Длина калибрующих зубьев
, мм, (3.33)
мм.
мм.
Выбираю
.
Максимально допустимая главная
составляющая силы резания, [41, с. 126]
, Н, (3.34)
где Ср - коэффициент для
обработки стали 45 круглой протяжкой, Ср =7000 МПа, показатель
степени х = 0,85;
поправочные коэффициенты на
измененные условия резания:
, для g = 150; [41, с 126]
, при условии применения
смазочно-охлаждающей жидкости;
, для зубьев протяжки со стружко
разделительными канавками.
Обработку детали нужно производить на
горизонтально - протяжном станке 7Б55 с номинальным усилием протягивания 100
тонн; [34, т. 1].
Проверка конструкции протяжки на прочность,
расчет конструкции на разрыв во впадине первого зуба [41, с. 127]
, МПа, (3.35)
где F - площадь
опасного сечения во впадине первого зуба;
- допустимое напряжение для
материала протяжки;
принимаю
МПа.
, мм2, (3.36)
мм2.
Напряжение в опасном сечении не
превышает допустимого значения.
Рассчитываю конструкцию на разрыв для сечения
хвостовика
, мм2, (3.37)
Напряжение в опасном сечении не
превышает допустимого значения.
Рассчитываем хвостовик на смятие
Опорная площадь замка
, мм2, (3.38)
мм2.
Напряжение смятия по формуле (3.64.)
кгс/мм2 =122,5 МПа.
Расчетное напряжение смятия не
выходит за рамки допустимого значения. Для выбранных условий работы режущую
часть протяжки следует изготавливать из стали Р6М5, а хвостовик из стали 40Х.
На основе технических требований
выполняется рабочий чертеж протяжки.
4. БЕЗОПАСНОСТЬ И
ЭКОЛОГИЧНОСТЬ ПРОЕКТА
4.1 Анализ опасных и вредных производственных
факторов при эксплуатации агрегата
В цехе, где расположен агрегат продольной резки,
производятся следующие виды работ: непрерывная термическая обработка холодного
проката, нанесение на поверхность металла химического покрытия, механическая
резка холодного проката, перемещение грузов кранами, работы с применением
немеханизированного труда, использование электродуговой сварки и газовой резки
металла. При упаковке готовой продукции применяется немеханизированный ручной
труд.
В цехе присутствуют следующие опасные и вредные
факторы:
) Физические : перемещающиеся в
пространстве машины и механизмы; устройства предназначенные для перемещения
грузов; незащищенные элементы внутрицехового оборудования. Электрический ток;
повышенная температура в близи оборудования. Повышенная температура воздуха
зоны непрерывных печей. Высокая влажность, шум, вибрации, ультразвук.
2) Химические: пары, газы, кислоты, щелочи.
) Психофизиологические: физические
статические и динамические перегрузки у работников занятых ручным
немеханизированным трудом; умственное перенапряжение, перенапряжение
анализаторов слуха, органов зрения.
.2 Меры по обеспечению безопасных и здоровых
условий труда при эксплуатации агрегата
Производственное помещение, где расположен
агрегат продольной резки - это многопролётный корпус ПХЛ, площадью - 182000м3.
Расположение производственного оборудования
является безопасным для его эксплуатации и ремонта. Конструкция непрерывных
линий и вспомогательных агрегатов обеспечивает доступ персонала для
обслуживания при эксплуатации и безопасной замены валков, роликов. Непрерывные
линии и вспомогательные агрегаты механизированы и автоматизированы. Рабочие
места, их оборудование и оснащение применяемые в соответствии с характером
работы, обеспечивает безопасность, охрану здоровья и работоспособность
работающих.
Механизмы управления при обслуживании не
совместимых операций сблокированы так, что исключена возможность создания
аварийных ситуаций. На рабочих местах инструменты хранятся в отведенных для
этого местах или в специальных инструментальных шкафах. Инструменты и
приспособления, используемые для обслуживания оборудования, технически исправны
и соответствуют требованиям безопасности.
Цех имеет класс В-1а по взрывоопасности. В
помещении применяется ток постоянный, переменный, а также токи высокой частоты.
Здание цеха имеет токопроводящие полы, поэтому относится к особо опасному
помещению.
Рабочие цеха получают в установленные сроки с
определенным сроком службы: костюм х/б, каску защитную, ботинки кожаные, куртку
на утепленной подкладке, рукавицы комбинированные, очки защитные, респиратор.
Большое внимание в цехе уделяется проведению мероприятий
информативного характера:
Требования ИОТ доводятся до сведения работников
под роспись работника и лица проводившего инструктаж в журнале регистрации
инструктажей или наряде- допуске. Внеплановые инструктажи проводятся при
изменении или вводе в действие новой ИОТ.
Устраивающийся персонал проходит инструктаж и
обучение на рабочих местах. До получения допуска, обучающийся не имеет право
самостоятельно выполнять какие-либо работы.
для его перевода на другую работу, а в случае
его несогласия - для увольнения в соответствии с действующим законодательством.
Периодичность проверки знаний для рабочих - один
раз в год. Итоговая оценка квалификационной комиссии является необходимым
условием допуска к самостоятельной работе. При получении неудовлетворительной
оценки, комиссией устанавливается новый срок обучения (не более месяца) и дата
повторной проверки знаний. При получении неудовлетворительной оценки при
повторной проверке знаний квалификационной комиссией делается вывод о его
непригодности к выполнению обязанностей по данному рабочему месту и служит
основанием быть проведена внеочередная проверка знаний.
Периодичность проверки знаний ИТР по технике
безопасности один раз в три года.
Режим труда и отдыха определен правилами
внутреннего трудового распорядка и графиками сменности № 1 и № 3.
В цехе имеется все необходимое для соблюдения
личной гигиены, в частности 2 туалета (женский и мужской), оборудованных
умывальниками.
.3 Расчет защитного заземления тележки
Расчёт заземления проводим для производственного
помещения, где располагается тележка. Методику расчёта принимаем по [ 12,с.
60]. Исходные данные для расчёта: длина производственного здания Lг
= 70 м
1) Определяем норму сопротивления заземления.
Максимальное сопротивление защитного заземления
исходя из таблици 6.3 [12, с. 59-60] не должно превышать Rз
= Rн
= 4 Ом
) Рассчитываем удельное сопротивление грунта, в
котором будут размещены электроды заземления, используя данные таблиц 6.4 и 6.5
[12, с. 60-61]
(4.1)