Модернизация прессовой части бумагоделательной машины БДМ-10

  • Вид работы:
    Дипломная (ВКР)
  • Предмет:
    Другое
  • Язык:
    Русский
    ,
    Формат файла:
    MS Word
    972,12 Кб
  • Опубликовано:
    2016-11-09
Вы можете узнать стоимость помощи в написании студенческой работы.
Помощь в написании работы, которую точно примут!

Модернизация прессовой части бумагоделательной машины БДМ-10

Содержание

Введение

. Литературный обзор по конструкциям БДМ

.1 Обзор конструкций бумагоделательных машин

1.2 Анализ возможностей модернизации бумагоделательной машины

2. Конструкторская часть

.1 Анализ базовой конструкции БДМ-10

.1.1 Техническая характеристика бумагоделательной машины

.1.2 Состав бумагоделательной машины

.1.3 Описание работы бумагоделательной машины

.2 Разработка конструкторских решений по модернизации

.2.1 Модернизация конструкции прессовой части БДМ-10

.2.2 Описание конструкции пресса

.2.3 Описание работы пресса

.3 Конструкторские расчеты

.3.1 Проверка вала на выносливость

.3.2 Проверочный расчет подшипников

.3.3 Выбор и расчет шпонки

.3.4 Выбор муфты

. Технологическая часть

.1 Разработка технологического процесса изготовления корпуса

.1.1 Описание назначения и конструкции детали

.1.2 Технологический контроль чертежа детали

.1.3 Анализ технологичности конструкции детали

.1.4 Выбор метода изготовления и формы заготовки

.1.5 Выбор структуры и плана технологического процесса

.1.6 Выбор типа производства

.1.7 Расчёт припуска на обработку детали

.1.8 Выбор оборудования

.1.9 Выбор режущего инструмента

.1.10 Выбор средств измерения

.1.11 Расчет режимов резания

.1.12 Техническое нормирование времени операций

3.2 Разработка технологического процесса узловой сборки и монтажа пресса

4. Безопасность и экологичность проекта

.1 Анализ условий труда прессовщика

.2 Меры по обеспечению безопасных и здоровых условий труда

.3 Расчёт вентиляции

.4 Меры по охране окружающей среды

Заключение

Список использованных источников

Введение

Одной из важнейших отраслей народного хозяйства является целлюлозно-бумажная промышленность (ЦБП). Автомобильные химические и др.области промышленности зависят от успешного развития бумагоделательных предприятий.

Сейчас стоит вопрос о совершенствовании крупных бумагоделательных машин и их структурная переналадка, механических и автоматических технологических процессов.

Наша страна владеет обширными лесными угодьями, которые расточительно и нерационально используются. На оборудовании производится бумага и картон, которое давно устарело. В результате чего ЦБП РФ не эффективно используется. Необходима установка современного оборудования, совершенствование устаревших технологий позволит снизить себестоимость выпускаемой продукции и увеличить производительность.

В связи с развитием индустрии выпускаются, новые схемы бумагоделательных машин более экономичны в использовании и с минимальным выбросом загрязняющих отходов.

БДМ представляет собой гигантский технологический конвейер. В настоящее время целлюлозно-бумажной промышленности работают машины, установленные ещё в XX века. Из-за чего большая масса машин низко производительные.

Для реконструкции необходимо подсчитать экономический эффект от её осуществления. Вложения на реконструкцию должны себя окупать. В связи с большим выпуском бумаги необходимо расширение действующих предприятий и строительства новых.

Нехватка денежных средств препятствует полной реконструкции БДФ от чего не возможна покупка современного оборудования. Самым целесообразным путем решения, в данных условиях, является поэтапная модернизация отдельных механизмов БДМ, которые более весомо влияют на производительность.

Второй наиболее важной по значимости частью бумагоделательной машины после сеточной части является прессовая часть. В прессовой части происходит обезвоживание бумажного полотна механическим отжимом под действием давления и вакуума путём пропуска полотна через несколько прессов, расположенных последовательно. При этом повышаются объёмная масса, прочностные свойства, прозрачность, снижаются пористость и впитывающая способность бумаги. Путем улучшения бумажного полотна прессового механизма повышаем характеристику, качество бумаги и производительность, что приведет к высокой прибыли. Поэтому необходимо изменить прессовую часть и добавить ещё один двухвальный пресс. В данной работе предложен один из таких вариантов улучшения производительности БДМ-10 ОАО «Сокольский ЦБК».

1. Литературный обзор по конструкциям БДМ

.1 Обзор конструкций бумагоделательных машин

Современные БДМ - сложнейшие агрегаты. Их компоновка разнообразна это новые формующие, пррессовые и сушильные устройства. Широко применяют автоматизацию управления процессами производства бумаги.

БДМ классифицируются по - обрезной ширине полотна. Вид и тип машины определяются по назначению вырабатываемой продукции, которые подразделяется на массовую, немассовую и специальную [1].

Массовые виды: писчая, газетная, мешочная, бумага для печати, оберточная, основа для гофрирования, санитарно-гигиеническая; картон для гладких слоев гофрированного картона, коробочный, хром-эрзац и кровельный; целлюлоза для выработки бумаги и картона и целлюлоза для химической переработки.

Немассовые виды: кабельная, конденсаторная, электроизоляционная, перфокарточная, билетная, папиросная, афишная, сигаретная, чертежная, этикеточная, картографическая, обойная, под пергамент, пергаминт, основа для парафинирования и другие виды бумаги; картон электроизоляционный, переплетный, фильтровальный, прессшпан, калибровочный, облицовочный, каркасный, чемоданный, термошумоизоляционный, хлопковая целлюлоза.

Специальные виды: фильтрующая химически стойкая, щелочестойкая, электроизоляционная термостойкая и химически стойкая бумага, искусственная кожа, специальная фильтрующая, стелечный целлюлозный материал, реставрационная и др.

Все новые бумагоделательные машины оснащаются многодвигательными приводами. Питание секционных электродвигателей осуществляется от индивидуальных тиристорных преобразователей [1].

Новейшие высокопроизводительные машины оснащены автоматическими системами управления технологическими процессами (АСУТП), так же электронно-вычислительными машинами (ЭВМ), различные измерительные устройства, преобразователи и вспомогательное оборудование. На рисунке 1.1. представлена схема БДМ для выработки книжно-журнальной бумаги.

Рисунок 1.1 - Бумагоделательная машина для выработки книжно-журнальной бумаги:

-напорный ящик; 2 - сеточная часть; 3 - прессовая часть; 4 - сушильная часть; 5 - каландр; 6 - накат

Бумагоделательные машины устанавливают этажностью в два яруса. Главные агрегаты машины, размещаются на втором этаже, а вспомогательное узлы на первом. Так же на первом этаже устанавливают оборудование для переработки брака и станции централизованной смазки. Основные параметры машины: ширина вырабатываемой бумаги (в мм) и скорость (в м/мин). Эти параметры, а также масса 1 м2 полотна определяют производительность машины (т/ч, т/сут. и тыс. т/год).

Первое место по производительности занимает машина для выработки газетной бумаги, несмотря на то, что масса 1 м2 газетной бумаги составляет 40 - 51 г. Скорость таких машин достигает 1000 - 1100 м/мин, а ширина сетки 9850 мм.

Металлическую сетку меняется на синтетическую. Приводным является не только отсасывающий гауч-вал, но и сеткоповоротный и некоторые сетковедущие валы. Напорные ящики гидродинамического типа, подают стабильную струю массы с высокой микро - турбулентностью. Двустороннее обезвоживание и формование существенно сокращает длину сеточной части и получить полотно с одинаковыми свойствами обеих сторон.

При скорости свыше 450 - 500 м/мин для передачи бумаги с сеточной в прессовую часть применяется вакуум-пересасывающее устройство. Прессов обычно три. У сдвоенного пресса нижний отсасывающий вал и пересасывающее устройство охватываются общим сукном, средний вал гранитный, верхний - отсасывающий или желобчатый. У новых машин применяются пресс с тремя-четырьмя зонами прессования, первая зона - между двумя сукнами. Нижний и верхние валы пресса желобчатые, второй снизу отсасывающий и за ним гранитный. Для промывки сукна пересасывающего устройства и первого пресса применяются вальцовая сукномойка с нижним отсасывающим или желобчатым валом и трубчатые сукномойки, для промывки остальных сукон - только трубчатые сукномойки.

Первая скоростная бумагоделательная машина для производства газетной бумаги приведена на рисунке 1.2.

Сушильная часть по приводу разделяется на три - пять групп, чаще на четыре группы. У машин шириной до 7 - 8 м применяются сушильные цилиндры диаметром 1500 мм (35 - 65 шт.), у более широких - 1800 мм (40 - 50 шт.). Доля сукносушильных цилиндров от всех бумагосушильных цилиндров обычно составляет 20 - 25 %. Если на машине применяются синтетические сетки, то сукносушильные цилиндры отсутствуют. Для первой сушильной группы или для первых двух сушильных групп применяется одна сушильная сетка, охватывающая как верхние, так и нижние сушильные цилиндры каждой приводной группы и проходящая вместе с бумагой в межцилиндровых пространствах.

Рисунок 1.2 - Бумагоделательная машина Б-15:

- напорный ящик; 2 - грудной вал; 3 - гидропланки; 4 - мокрый отсасывающий ящик; 5 - отсасывающий ящик; 6 - отсасывающий гауч-вал; 7 - пересасывающий вал; 8 - отсасывающий прессовый вал; 9 - гранитный вал; 10 - прессовый вал с регулируемым прогибом; 11 - сушильный цилиндр; 12 - сукноведущий вал; 13 - валы каландра с регулируемым прогибом; 14 - цилиндр наката

Некоторые машины перед последней сушильной группой имеют полусухие двухвальные каландры. В последней сушильной группе устанавливаются также один или два холодильных цилиндра, которые охватываются сушильными сукнами. Газетная бумага проходит машинное каландрирование на шести - или восьмивальном каландре (применяются валы с регулируемым прогибом). Накат периферического типа с пневмоприжимом тамбурного вала.

Первая отечественная бумагоделательная машина для выработки книжно-журнальной бумаги с формованием бумажного полотна между двумя сетками приведена на рисунке 1.3.

модернизация пресс бумагоделательный

Рисунок 1.3 - Бумагоделательная машина 827

Сеточная часть новых машин оснащается неподвижными обезвоживающими элементами - гидропланками и мокрыми отсасывающими ящиками. Обычных отсасывающих ящиков 5 - 10 шириной 300 - 610 мм. У некоторых машин над отсасывающим гауч-валом устанавливается прижимной вал. Длина сеточных столов до 22 - 23 м.

В прессовом механизме в первом прессе устанавлен отсасывающий вал, а во втором и третьем желобчатые валы и валы с подкладными синтетическими сетками. В сушильной части 56 - 58 цилиндров диаметром 1500 мм. Для широких бумагоделательных машин с шириной сетки более 8 м применяются сушильные цилиндры диаметром 1800 мм.

Для обеспечения возможности свободной усадки бумаги сушильная часть по приводу разделяется на 7 - 10 групп. Над несколькими сушильными цилиндрами в зоне наибольшей усадки полотна устанавливаются колпаки скоростной сушки.

На некоторых машинах устанавливают клеильные пресса, устройства для микрокрепирования бумаги и туннельные сушилки для сушки бумаги на воздушной подушке. Такие сушилки встраиваются между обычной цилиндровой сушильной частью и предназначены для придания бумаге максимальной прочности за счет высыхания почти без натяжения от 50 - 60 до 85 % сухости. Над сушильной частью устанавливают вентиляционный колпак закрытого типа.

Для сглаживания поверхности бумаги применяются двухвальные каландры с линейным давлением около 30 кН/м. У таких каландров нижний вал может быть покрыт стонитом, а верхний вал - обычный, чугунный с отбеленным поверхностным слоем.

Накаты применяются периферического типа с пневматическим прижимом тамбурного вала.

Первая отечественная бумагоделательная машина БП-45А для выработки мешочной бумаги обрезной шириной 6300 мм приведена на рисунке 1.4.

Рисунок 1.4 - Бумагоделательная машина БП-45А

Оберточно-упаковочная бумага вырабатывается машинной и односторонней гладкости. Скорость по приводу до 750 - 1000 м/мин, ширина сетки до 9850 мм, производительность достигает 750 т/сут.

Особенностью бумагоделательных машин БП-45А является наличие лощильного цилиндра в сушильной части. Сеточная часть может быть плоскосеточной или состоять из одного вакуум-формующего цилиндра. Для выработки бумаги массой 1 м2 свыше 60 г в сушильной части машины перед лощильным цилиндром, а иногда и после него устанавливают несколько сушильных групп из цилиндров диаметром 1500 мм. Более тонкие виды бумаги (массой 1 м2 до 60 г) вырабатываются на самосъемочных машинах с автоматической заправкой полотна. Бумажное полотно с сеточной части снимается при помощи пересасывающего устройства и одним сукном, охватывающим прессовые валы, передается в сушильную часть. Этим сукном охватывается верхний вал пресса и два отсасывающих прессовых (лощильных) вала, находящихся в контакте с лощильным цилиндром. Нижний вал первого пресса имеет свое сукно. Сушильная часть самосъемочных машин состоит из одного лощильного цилиндра большого диаметра (3,2 - 5 м). Над цилиндром устанавливают колпак скоростной сушки с прямым воздушным обогревом полотна. Накат периферического типа. Скорость машины по приводу 550 - 660 м/мин, ширина сетки до 5000 мм, производительность достигает 55 т/сут. Сушильные цилиндры, устанавливаемые перед лощильным цилиндром, должны высушивать полотно бумаги до сухости 55 - 60 %. На лощильном цилиндре бумага высыхает до сухости 75 - 85 %. Высушенная таким способом бумага менее гладкая по сравнению с бумагой, высушенной только на одном цилиндре.

.2 Анализ возможностей модернизации бумагоделательной машины

В условиях все более возрастающих требований современного рынка, все бумажники понимают, что их будущее напрямую зависит от одного простого слова: качество, независимо от того, какого сорта бумага [2].

Будь то перерабатывающие машины, копировальные машины или печатные станки, всюду стремятся поднять их производительность и иметь бумагу все лучшего качества.

Один из способов достижения этой цели - установка бумагоделательной машины нового поколения, а другой - повышение добавочной стоимости продукции за счет модернизации машины. При этом следует исходить из таких важных факторов как: проблемные места бумагоделательной машины, лимиты по габаритам существующего здания и перерабатывающего оборудования, продолжительности остановов, и др.

Кроме того, установка новой машины требует значительных капитальных затрат, а получаемое качество часто бывает недостаточным для оправдания этих затрат, в то же время одна успешная модернизация бумагоделательной машины может обеспечить повышение производительности [2].

Современные тенденции модернизации узлов БДМ: увеличение производительности; улучшение эффективности отдельных частей БДМ и всей линии; экономия энергии, энергоэффективность; уменьшение влияния на окружающую среду; снижение потребления материалов; улучшение обслуживания оборудования, снижение стоимости, улучшение безопасности; снижение инвестиционных затрат.

В качестве примера приведём различные виды модернизаций отдельных узлов бумагоделательной машины.

Формующая доска с вакуумом - увеличение обезвоживающей способности формующей части:

формующая доска с вакуумом для стабилизации ударной силы струи;

одна или более зон вакуума.

Перфорированное покрытие отсасывающего ящика с высоким вакуумом

снижение потребления энергии и снижение вакуума при стабильной производительности:

лучше обезвоживание с низким вакуумом;

увеличенный срок службы сукна и меньшая мощность привода из-за низкого трения;

специальная геометрия поверхности для снижения повторного увлажнения;

очень твердая, сопротивляемость износу/ударной нагрузке.

Модернизация прессовой части - улучшение эффективности прессов:

низкие затраты;

увеличенная сухость после прессовой части;

увеличивает производительность (8 - 15 %);

улучшение качества бумаги.

Новая концепция кондиционирования прессовых сукон - улучшение эффективности прессовой части

увеличенная сухость после прессовой части;

улучшенная гладкость бумаги;

увеличенный срок службы сукна;

требуется меньше мощности привода и вакуума.

2. Конструкторская часть

.1 Анализ базовой конструкции БДМ-10

Бумагоделательная машина БДМ-10 предназначена для выработки различных видов бумаги: обойной, печатной, для упаковки пищевых продуктов. При производстве бумаги бумагоделательная машина - самостоятельный агрегат, основные узлы которого установлены строго последовательно вдоль монтажной оси.

.1.1 Техническая характеристика бумагоделательной машины

Техническая характеристика бумагоделательной машины БДМ-10 приведена в таблице 2.1. Общая схема БДМ-10 приведена на рисунке 2.1

Таблица 2.1 - Техническая характеристика БДМ-10

Наименование параметра

Значение

Ширина полотна, мм: - на накате - обрезная ширина

 2570 2520

Продукция - бумага основа для обоев массой, г/см2

50-200

Производительность, кг/час

5000

Скорость, м/мин: - по приводу - вспомогательная

 350 20-30

Предел устойчивого регулирования электропривода

1:4

Производительность при выработке расчетного вида бумаги массой 150 г/м2, кг/час

4000

Линейная нагрузка между валами 2 пресса, кН/м

До 90

Линейная нагрузка в нижнем захвате валов каландра, кН/м: - от веса валов с вылегченными консольными частями - наибольшая при работе с дополнительным прижимом

 50 100

Минимальная длинна сеток 1 сушильной группы после модернизации, м: - верхней -нижней

 28,8 25,8

Рисунок 2.1 - Схема бумагоделательной машины БДМ-10:

- напорный ящик; 2 - сеточная часть; 3 - прессовая часть; 4 - сушильная часть; 5 - каландр; 6 - накат

.1.2 Состав бумагоделательной машины

БДМ включает: напорный ящик, сеточную, прессовую и сушильную части, каландр и накат. Так же к ней относится машинный бассейн для массы, оборудование для ее очистки, насосы для подачи воды и массы, вакуумные насосы, устройства для переработки брака, оборудование для циркуляционной смазки, приточно-вытяжная вентиляционная система, регулирующие и контрольно-измерительные приборы и др. [1]. Схема напорного ящика закрытого типа представлена на рисунке 2.2.

Рисунок 2.2 - Напорный ящик:

- коллектор-потокораспределитель; 2 - перфорированная плита; 3- перфорированные валы; 4 - корпус ящика; 5 - передняя стенка; 6 - механизмы регулирования щели; 7 - пеногаситель; 8 - воздушная подушка

Напорный ящик предназначен:

распределять поток суспензии при напуске на сетку машины с одинаковым расходом и скоростью по ширине отливаемого полотна;

передавать суспензию к выпускной щели без выпадения волокон и без появления поперечных струй;

выпускать на сетку машины струю волокнистой суспензии с определенной скоростью при высокоинтенсивной турбулентности и малом ее масштабе.

Сеточная часть предназначена для формования бумажного полотна с концентрации суспензии составляет 0,1 - 1,3 %. Процесс фильтрации волокна из суспензии и формования полотна на сеточной части происходит на сравнительно коротком участке стола и является определяющим в получении качественных показателей бумаги. Основным элементом сеточной части является одна бесконечная сетка, натянутая между валами. Сеточная часть БДМ приведена на рисунке 2.3.

Рисунок 2.3 - Сеточная часть:

- напорный ящик; 2 - грудной вал; 3 - формующий ящик; 4 - ящик гидропланок; 5 - мокрый отсасывающий ящик; 6 - регистровый вал; 7 - отсасывающий ящик; 8 - отсасывающий вал; 9 - ведущий вал; 10 - сеткоправка; 11 - сетковедущий вал; 12 - сетконатяжка; 13 - сетка

Прессовый механизм определяется по количеству удаляемой воды и равномерности влажности полотна бумаги. Обезвоживающая способность зависит от зоны контакта валов и от количества этих зон. При прессовании так же изменяется и структура полотна, увеличится прочность бумаги, изменится ее толщина, плотность, воздухопроницаемость, непрозрачность и других свойства. В прессовой части должно обеспечиваться: 1) максимальное обезвоживание полотна бумаги с получением заданных физико-механических свойств; 2) равномерная влажность полотна по ширине; 3) безобрывная проводка полотна с минимальными участками свободного хода.

Прессовая часть бумагоделательной машины приведена на рисунке 2.4.

Рисунок 2.4 - Прессовая часть бумагоделательной машины:

- желобчатый вал; 2 - отсасывающий вал; 3 - вал обрезиненный; 4 - гладкий вал; 5 - ведущий вал; 6 - отсасывающий вал; 7 - прижимной вал; 8 - сукноведущий вал; 9 - сукноправка; 10 - сукнонатяжка; 11 - сукно

Сушильная часть предназначена для обезвоживания (сушки) бумажного полотна. Сушильная часть состоит из сушильных цилиндров, нагреваемых паром. Они размещены в шахматном порядке в два яруса. По сушильным цилиндрам проходит бумажное полотно, поочередно соприкасаясь с нижними и верхними цилиндрами то одной, то другой поверхностью. Натяжение сукон и их правка осуществляются сукноведущими, сукнонатяжными и сукноправильными валиками, оснащенными необходимыми механизмами. Подсушивание сукон обеспечивается сукносушильными цилиндрами и сукнопродувными валиками.

Схема сушильной части приведена на рисунке 2.5.

Рисунок 2.5 - Сушильная часть:

- сушильный цилиндр; 2 - зубчатое колесо сушильного цилиндра; 3 - паразитные шестерни; 4 - приводная шестерня; 5 - корпус привода

Каландр предназначен для достижения требуемых показателей гладкости, плотности и равномерности толщины полотна при соблюдении прочих показателей качества в заданных пределах. Каландр состоит из: металлических валов; станины, в которых размещены корпуса подшипников и рычаги валов; привод для вращения нижнего вала; механизм подъема и устройства дополнительного прижима валов. Приводной вал передает вращательное движение смежным валам благодаря силам трения.

Ниже приведена схема каландра на рисунке 2.6.

Рисунок 2.6 - Каландр:

- механизм прижима и подъёма валов; 2 - станина; 3 - промежуточные валы; 4 - нижний (коренной) вал

Рисунок 2.7 - Накат:

- наматываемый рулон; 2 - станина; 3 - цилиндр наката; 4 - тамбурный валик; 5 - приемные рычаги; 6 - пневмоцилиндр прижима тамбура: 7 - расправочный валик; 8 - канатик заправочный; 9 - цилиндр привода поворота приемных рычагов; 10 - цилиндр привода основных рычагов; 11 - основные рычаги; 12- тормозное устройство рулона; 13 - демпфер

Накат предназначен для равномерной и плотной намотки бумажного полотна в рулоны. Чем выше качество и равномерная плотность намотки рулонов, тем лучше процесс резки на продольно-резательных станках. Схема наката приведена на рисунке 2.7.

Накат входит: цилиндр наката; тамбурные валы; приемные рычаги; рабочие рычаги, держащий тамбурный вал намотки полотна, и механизмы привода поворота приемных и рабочих рычагов.

.1.3 Описание работы бумагоделательной машины

Основные операции: аккумулирование бумажной массы; напуск массы на сетку; формование бумажного полотна на сетке; прессование; сушку; машинную отделку и намотку бумаги в рулон [3].

Подготовленная бумажная масса с концентрации 2,5 - 3,5 % подается в машинный бассейн с циркуляционным устройством. Для лучшей концентрации ее дополнительно измельчают коническими и дисковыми мельницами. Далее масса концентрацией 0,1 - 1,3 % подается в напорный ящик.

Сеточной часть служит для отлива и формования бумажного полотна, чтобы удалить излишки влаги из бумажной массы. При прохождении сетки по поддерживающим ее регистровым валикам и гидропланкам, бумажная масса обезвоживается до концентрации 2 - 4 %. Дальнейшее обезвоживание происходит на отсасывающих ящиках под действием вакуума до концентрации 8 - 1,2%. Также обезвоживание происходит на гауч-вале под действием вакуума в отсасывающей камере. Сухость бумажного полотна после сеточной части составляет 12 - 22 %.

Дальше бумажное полотно поступает в прессовую часть, где обезвоживается до сухости 30 - 42 %. Пресс состоит из двух валов, из которых нижний - отсасывающий. Между прессовыми валами проходит бесконечное, поддерживаемое сукноведущими валиками сукно, которое транспортирует бумажное полотно. Сформованное полотно автоматически вакуум-пересасывающим устройством передается на сукно прессовой части. Прессовая часть позволяет обеспечить прохождение бумаги, где сукно постоянно поддерживается, следовательно, позволяет осуществить безобрывную проводку бумаги в прессовую часть.

Дальше полотно проходит в сушильную часть машины [3].

Сушильная часть БДМ состоит из сушильных цилиндров, нагреваемых паром. Их располагают в шахматном порядке, в два яруса. При прохождении сушильной части бумажное полотно, соприкасаясь сначала с нижними цилиндром, а затем с верхним то одной, то другой поверхностью. Натяжение сукон и их правка осуществляются за счет сукноведущих, сукнонатяжных и сукноправильных валиков. Сухость после сушильной части составляет 92 - 95%, а температура 70 - 90 °С. В конце сушки установлены холодильные цилиндры. При охлаждении бумага впитывает в себя влагу и увлажняется на 1 - 2 %. Дальше бумажное полотно проходит через машинный каландр для уплотнения и повышения гладкости, состоящий из восьми валов. Каландр машины снабжён прижимным, подъемным и вылегчивающим механизмом. Дальше при прохождении каландра, бумага наматывается на тамбурные валы в рулон диаметром до 2500 мм. Перезаправка производится при помощи специальных механизмов и устройств. В дальнейшем бумага режется на специализированных станках и уаковывается.

.2 Разработка конструкторских решений по модернизации

.2.1 Модернизация конструкции прессового механизма БДМ-10

Прессовый механизм предназначен для обезвоживания бумажного полотна после сеточного стола. У многих бумагоделательных машин прессовый механизм состоит из 2 - 3х вальных прессов. БДМ-10 установлен двухвальный пресс: верхний, гранитный или стонитовый, и нижний, металлический, облицованный резиной. Качество обезвоживания в прессовом механизме регулируется давлением между валами, создаваемый прижимом. Каждый пресс имеется сукно, который охватывающее один из валов. Движение каждый из этих прессов приводится строго от индивидуального привода [4].

В рассматриваемой бумагоделательной машине прессовая часть состоит из сдвоенного отсасывающего пресса. Для улучшения качества бумаги, сухости бумажного полотна после прессов и увеличения скорости бумагоделательной машины я предлагаю модернизировать прессовую часть путём установки дополнительно двухвального пресса рисунок 2.8.

Рисунок 2.8 - Прессовая часть БДМ-10:

- станина; 2 - гранитный вал; 3 - вал обрезиненный с глухими отверстиями; 4 - установка воронки приёмки брака; 5 - желобчатый вал; 6 - отсасывающий вал; 7 - вал обрезиненный; 8 - гладкий вал; 9 - ведущий вал; 10 - отсасывающий вал; 11 - прижимной вал; 12 - сукноведущий вал; 13 - сукноправка; 14 - сукнонатяжка; 15 - сукно

За счет этой модернизации поднимутся показатели по качеству бумаги, и увеличатся объёмы производительности БДМ-10. Установленный пресс по отношению к первому является обратным. Преимущество этого заключается в следующем, что при проходе первого пресса бумажное полотно лежит на сукне и получает от него маркировку, а другой стороной - касается верхнего гладкого вала. В, следствии чего одна из сторон бумаги гладкая, а другая нет. Для получения гладкости другой поверхности и установлен обратный пресс, в результате чего происходит сглаживание той поверхности которая соприкасалась с сукном в первом прессе, контактируя с гладким валом пресса. Ещё одно преимущество от модернизации, это улучшение обезвоживания в прессовой части БДМ-10. Таким образом, бумажное полотно после прессов будет передаваться в сушильную часть большей сухости. В связи с этим при увеличении скорости БДМ-10 не возникнет проблем в не досушивании бумажного полотна в сушильной части. Исходя из выше перечисленных достоинств после установки дополнительно двухвального пресса, можно считать модернизацию прессовой части БДМ-10 благоприятным условием для увеличения объёмов и качества выпускаемой продукции.

.2.2 Описание конструкции пресса

Двухвальный пресс имеет наиболее эффективную и простую конструкцию из прессов с поперечной фильтрацией рисунок 2.9.

Нижний вал прессовой части выполнен с металлической рубашкой (стальной) с покрытием из резины, на поверхности которой просверлены глухие отверстия перфорации Ø2,5 мм, с различными длинами 6 мм, 9 мм, 12 мм. Верхний вал прессовой части - гранитный смещен в сторону на 100 мм. Для удаления воды с обрезиненного вала и из отверстий установлен нож водосъёмный. Очищают поверхность нижнего вала от загрязнений с помощью водяного спрыска при давлении воды 0,6 МПа. Спрыск, включают в работу периодически в зависимости от забиваемости отверстий. Все избытки воды поступают в корыто расположенное под нижним валом. Также для очистки вала установлен периодически включаемый воздушный спрыск [5].

Рисунок 2.9 - Схема двухвального пресса:

- нижний вал; 2 - верхний вал; 3 - сукно; 4 - бумажное полотно; 5 - корыто; 6 - нож водосъёмный; 7 - металлическая пластина; 8 - сукноведущий валик; 9 - бумаговедущий валик; 10 - шабер верхнего вала

Транспортировка сукна осуществляется с помощью сукноведущих валиков установленных на прессе. Правка и натяжка его регулируется с помощью сукноправки расположенной в средней части и сукнонатяжки установленной в нижней части пресса. Промывка сукна во время работы осуществляется с помощью сукномойки. Последующая его сушка выполняется с помощью отсасывающих ящиков, за счет вакуума создаваемого вакуумным насосом. Для очистки верхнего гранитного вала во время работы используется шабер верхнего вала. Для поддержки бумажного полотна при переходе его в сушильную часть используется бумаговедущий валик. При возникновении обрыва бумажного полотна во время работы пресса и во избежание его завала предусмотрена установка приёмки брака, откуда бумажная масса поступает на переработку.

Двухвальный пресс может использоваться в качестве второго и последующих прессов машины, вырабатывающих почти все виды продукции.

Преимущества при модернизации прессового механизма БДМ-10 следующие: сухость полотна увеличивается, стоимость установки снижается, уменьшились расходы на эксплуатацию, на создание вакуума не требуются затраты, вырабатываемая бумаги равномерной влажности по всей ширине.

.2.3 Описание работы пресса

Обезвоживание на прессе происходит механическим отжимом под действием давления. При этом повышаются объёмная масса, прочностные свойства, прозрачность, снижаются пористость и впитывающая способность бумаги. Прессование выполняется между шерстяным сукном, которое предохраняет ещё слабую бумагу от разрушения, впитывает отжатую влагу и одновременно транспортирует полотно. Четыре периода или фазы прохождения бумаги через зону контакта прессвания приведены на рисунке 2.10.

Рисунок 2.10 - Фазы удаления воды на прессе:

- гранитный вал; 2 - полотно бумаги; 3 - сукно; 4 - обрезиненный вал; I - IV - фазы прессования

В I фазе проход полотна на сукне до касания с нижним валом до входа в зону контактов валов рисунок 2.7; во II фазе - от зоны контакта валов до ее середины; в III фазе - от середины зоны контакта до выхода из нее; в IV фазе - от места выхода из зоны контакта, до точки отрыва сукна от вала. При входе в зону контакта валов бумага и сукно сжимаются. Сукно испытывает деформацию сжатия. Отжимаемая вода образует перед входом в зону контакта валов водяной клин. Перед прессованием бумажное полотно дополнительно увлажняется. При повышенном давлении прессования на прессе при высокой скорости машины вызывает раздавливание полотна.

.3 Конструкторские расчеты

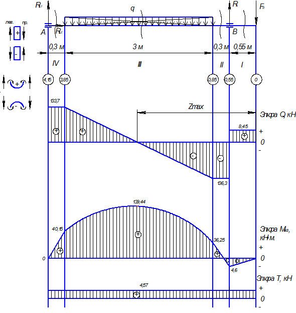
Рассмотрим более нагруженный узел. Это вал обрезиненный, который вращается на двух подшипниках. Скорость вращения составляет 350 об/мин. Испытывает статические нагрузки, когда вал неподвижно стоит и динамические, когда осуществляется вращение. Максимальные динамические нагрузки присутствуют, когда происходит прессование бумажного полотна [6].

.3.1 Проверка вала на выносливость

. Определение реакций в опорах

Определение силы от несооснасти валов:

 (2.1)

где Тп.в. - крутящий момент на приводном валу, Н·м;

Определение реакций в опорах:

Проверка:

Определим поперечные силы:

Z = 0,85 Q3 = 8,45 - 144,75 + 90(0,85 - 0,85) = - 136,3, кН·м.

Z = 3,85 Q3 = 8,45 - 144,75 + 90(3,85 - 0,85) = 133,7, кН·м.

FM - RA + q · Zmax - 0,85 · q = 0,

Определим изгибающие моменты:

Z = 0 МИ1 = 0.

Z = 0,55 МИ1 = - 8,45·0,55= - 4,6 ,кН·м.

Z = 0,55 МИ2 = - 8,45·0,55+144,75(0,55-0,55) = - 4,6 ,кН·м.

Z = 0,85 МИ2 = - 8,45·0,85+144,75(0,85-0,55) = 36,25 ,кН·м.

Z = 0,85 МИ3 = - 8,45·0,85+144,75(0,85-0,55) - 90(0,85 - 0,85) (0,85 - 0,85) / 2 = 36,25 ,кН·м.

Рисунок 2.11 - Расчётная схема

Z = 3,85 МИ3 = - 8,45·3,85+144,75(3,85-0,55) - 90(3,85 - 0,85) (3,85 - 0,85) / 2 = 40,15 ,кН·м.

Zmax = 2,35 МИ3 = - 8,45·2,35+144,75(2,35-0,55) - 90(2,35 - 0,85) (2,35 - 0,85) / 2 = 139,44 ,кН·м.

Z =3,85 МИ4 = -8,45·3,85+144,75(3,85-0,55) - 90·3(3,85 -2,35) = 40,15,кН·м.

Z = 4,15 МИ4 = - 8,45·4,15+144,75(4,15-0,55) - 90·3(4,15 - 2,35) = 0, кН·м.

По полученным данным построим расчётную схему рисунок 2.11. с эпюрами поперечных сил, изгибающих и крутящих моментов.

. Определение напряжений изгиба и кручения

Определяем осевой момент сопротивления сечения:

W = 0,1d3, мм3, (2.2)

Определение полярного момента сопротивления сечения:

Wр = 0,2d3, мм3, (2.3)

Определение напряжений изгиба:

 (2.4)

Определение напряжений кручения:

 (2.5)

где W - осевой момент сопротивления сечения вала, мм3;

WP - полярный момент сопротивления сечения вала, мм3;

σИ - напряжения изгиба, Н/мм3;

τК - напряжения кручения, Н/мм3.

Подставим значения в формулы: 2.2; 2.3; 2.4; 2.5.

W = 0,1·2003 = 800000 ,мм3.

Wр = 0,2·2003 = 1600000 ,мм3.


.3.2 Проверочный расчет подшипников

Подшипник 113640 роликовый радиальный сферический двухрядный ГОСТ 5721-75.

Проверяем пригодность подшипника в наиболее нагруженной опоре В, у которого базовая динамическая грузоподъемность Сr = 1730 кН, а статическая грузоподъемность С0r = 1510 кН.

Определяем отношение

 (2.6)

где Rа = Fк - осевая нагрузка на подшипник Rа = 4570 Н;

V - коэффициент вращения, V = 1 при вращении внутреннего кольца.

,Н.

Определяем отношение  и по таблице 9.2 [7] интерполированием находим = 0,22; Y = 1,99.

По соотношению < е выбираем формулу и определяем эквивалентную динамическую нагрузку RE:

RE = (XVRB + YRa) Kб Кт , Н, (2.7)

где Х - коэффициент радиальной нагрузки, Х = 0,56;

Y - коэффициент осевой нагрузки, Y = 1,99;

Кб - коэффициент безопасности, Кб = 1,4;

Кт - температурный коэффициент, Кт = 1

RE = (0,56·1·144750+1,99·4570) 1,3·1 = 117201 ,Н.

Определяем динамическую грузоподъемность Cгр:

 Н, (2.8)

где Lh - требуемая долговечность подшипников, Lh = 20000 ,ч;

n - частота вращения подшипника, n = 350 ,мин -1;

a1 - коэффициент надежности, a1 = 1;

a23 - коэффициент, учитывающий влияние качества подшипников и качества его эксплуатации, a23 = 0,8.

 < Сr = 1730000 ,Н.

Подшипник пригоден.

Определяем долговечность подшипника:

 (2.9)

 > Lh = 20000, ч.

.3.3 Выбор и расчет шпонки

Муфта передает крутящий момент на вал с помощью шпонки.

Основным для шпоночного соединения является условный расчёт на смятие (упругопластическое сжатие в зоне контакта).

Условие прочности:

 (2.10)

где [sсм] - допускаемое напряжение на смятие, [sсм] = 100 ,МПа;

Т - передаваемый крутящий момент, Т = 4570 ,Н∙м;

lр - рабочая длина шпонки, lр = 180 ,мм;

h - высота шпонки, мм;

d - диаметр вала, мм;

b- ширина шпонки, мм.

Определяем параметры призматической шпонки [8], исходя из посадочного диаметра равного 120 ,мм: h = 18ю,мм; b = 32 ,мм.

< [σсм] = 100 ,МПа.

Условное обозначение: Шпонка 32 ´ 18 ´ 180 ГОСТ 23360-78.

.3.4 Выбор муфты

Концевой участок вала обрезиненного соединяется с валом редуктора фланцевой муфтой. При помощи фланцевые муфты мы можем соединить отдельные части в одно целое. Фланцевые муфты просты в использовании, доказали свою надежность в работе, могут передавать большие крутящие моменты. Их широко используют в машиностроении.

Подбор муфты осуществляем в зависимости от передаваемого крутящего момента, предельной частоты, которую достигает муфта и по диаметру вала.

Назначаем фланцевую муфту [9]:

Муфта фланцевая 6300 - 120 - 21 - У3 ГОСТ 20761 - 96. Эскиз полумуфты приведен на рисунке 2.12.

Рисунок 2.12 - Эскиз полумуфты

3. Технологическая часть

Эффективность промышленности и технический процесс на прямую зависят, от внедрения новейшего оборудования, машин станков и аппаратов, от всемирного внедрения методов технико-экономического анализа, обеспечивающих решение технических вопросов и экономическую эффективность конструкторских и технологических разработок.

Механическая обработка является основным методом изготовления деталей в машиностроении. Использование типовых операций механической обработки в технологическом процессе (токарных, сверлильных, фрезерных и др.) наиболее характерно в изготовлении деталей машин.

Все вопросы технологии, и её организации, разрабатываемые в выпускной работе, должны отвечать реальным целям, стоящим перед производством. Необходимо показать сущность и значение организации труда, совершенствования технологии на основе использования новых достижений науки и техники и методы улучшения использования рабочего времени.

.1 Разработка технологического процесса изготовления корпуса

.1.1 Описание назначения и конструкции детали

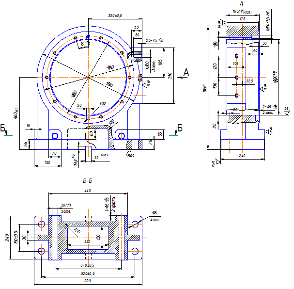
Деталь, разрабатываемая в выпускной квалификационной работе - корпус подшипника - является элементом конструкции прессового вала. Корпус служит для установки подшипниковых узлов и фиксирования положения вала в осевом направлении. Эскиз корпуса подшипника приведен на рисунке 3.1.

Данная деталь принадлежит к классу корпусных деталей с центральным сквозным отверстием. Наиболее точным является центральное отверстие Ø420 мм, для установки подшипника. На корпусе имеется 20 отверстий с резьбой М16 для крепления крышек корпуса. Для крепления корыта выполнены два сквозных отверстия Ø30 мм. С боковой стороны корпуса сделаны три отверстия с резьбой М20 для крепления бракетки сукноведущего валика. Установка и крепления корпуса подшипника выполняется за счёт шпоночного паза на подошве и четырёх отверстий Ø35 мм.

Рисунок 3.1 - Эскиз корпуса подшипника

Для изготовления детали используется чугун серый СЧ20 ГОСТ 1412-85. Этот материал используют для изготовления износостойких деталей, эксплуатируемых при больших нагрузках. Химический состав СЧ20 приведен в таблице 3.1. [10].

Таблица 3.1 - Химический состав в % материала СЧ 20

С

Si

Mn

S

P

3,3 - 3,5

1,4 - 2,4

0,7 - 1

до 0,15

до 0,2


.1.2 Технологический контроль чертежа детали

На чертеже детали указаны все необходимые сведения т. е. размеры, проекции, разрезы и сечения, требуемая шероховатость, размеры с необходимыми отклонениями, допускаемые отклонения от правильных геометрических форм.

Чертеж детали содержит необходимые сведения о материале детали, массе детали, неуказанных предельных отклонениях [11].

.1.3 Анализ технологичности конструкции детали

Анализ технологичности конструкции детали выполняется с целью уменьшения трудоемкости и металлоемкости при изготовлении детали, снизить себестоимость изготовления, в тоже время обеспечивая требуемое качество.

Технологический анализ конструкции обеспечивает улучшение технико-экономических показателей разрабатываемого технологического процесса.

При анализе технологичности конструкции детали выяснено следующее:

. Деталь имеет сложную форму, но может быть обработана на стандартном оборудовании, стандартным режущим инструментом с применением стандартных приспособлений.

. Геометрические погрешности станков позволяют получить требуемые допускаемые отклонения размеров, шероховатости, отклонения формы и расположения поверхностей на детали.

. К обрабатываемым поверхностям существует достаточно свободный доступ инструмента.

. Деталь имеет технологические базы, необходимые для получения заданной точности и шероховатости обрабатываемых поверхностей.

. На долбежной, резьбонарезной операциях нерационально применение высоко - производительных методов обработки.

. Все размеры могут быть проконтролированы стандартным измерительным инструментом.

По произведенной качественной оценке можно сделать вывод, что деталь вполне технологична.

.1.4 Выбор метода изготовления и формы заготовки

Для изготовления заготовок для детали необходимо учитывать назначение и конструкцию, количество и качество материала, технические требованиями, масштаб и серийностью выпуска, а также чтобы был экономичен в изготовлении.

отливка;

ковка в подкладном штампе;

штамповка;

металлургический прокат;

спеченные заготовки по методу порошковой металлургии.

Заготовку желательно выбирать с таким расчетом, чтобы ее форма была максимально приближена к форме готового изделия, поскольку это значительно облегчит ее последующую обработку. При этом необходимо учитывать масштабы производства. Вследствие того, что изготовляемая деталь имеет достаточно большие размеры и массу, для экономии материала и времени обработки принимаем изготовление заготовки литьём. Литьё - технологический процесс изготовления заготовок заключающийся в заполнении предварительно изготовленной литейной формы жидким материалом с последующим его затвердеванием. Выбираем метод литья в песчаные формы, метод литья металлов и сплавов, при котором расплавленный металл заливается в форму, сделанную из плотно утрамбованного песка. Для того, чтобы песчинки были крепко связаны между собой, песок смешивают с глиной, водой и другими связующими веществами.

Себестоимость заготовки можно рассчитать следующим способом:

 (3.1)

где A - себестоимость изготовления заготовки;

B - себестоимость механической обработки;- себестоимость изготовления заготовки средней сложности массой 1кг;- удельная стоимость механической обработки; b = (5 ÷ 10) · а- масса заготовки, кг; m = V · p- коэффициент сложности заготовки (1 для средней сложности);- коэффициент точности заготовки (1,5);- точность изготовления заготовки (1 для средней точности);- учет обрабатываемости материала (1);- учет точности размеров детали (1);

Среднюю стоимость СЧ20 примем 40-50 руб. за 1 кг

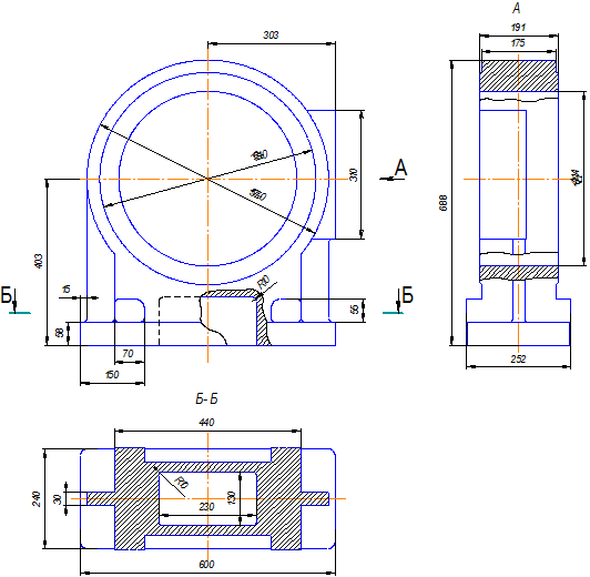
Выберем наиболее экономичную форму заготовки, полученную литьём рисунок 3.2.

Рисунок 3.2 - Эскиз заготовки корпуса подшипника

Подставим данные значения в формулу (3.1) и определим стоимость заготовки:

С = 45·204·1·1,5+225·2042/3·1·1·1 = 21712 ,руб.

.1.5 Выбор структуры и плана технологического процесса

Технологический процесс обработки детали предусматривает несколько стадий. Если рассматривать данный процесс в укрупненном плане, то необходимо выделить черновую обработку и окончательную. Каждая из этих стадий разбивается на необходимое количество технологических операций [12].

В описании технологического процесса не указываются такие операции как смазка, упаковка, нанесение специальных покрытий и т.д.

Можно предложить следующий порядок операций:

. Заготовительная.

. Фрезерная.

. Расточная.

. Фрезерная.

. Расточная.

. Слесарная.

. Контрольная.

К окончательным технологическим операциям следует отнести упаковочную операцию. В соответствии с порядком операций можно предложить следующий технологический маршрут обработки, таблица 3.2.

Таблица 3.2 - Маршрут обработки детали

№ опер.

Наименование операции или перехода

Ориентирово-чная норма времени, мин.

1

Заготовительная

-

2

Фрезерная



Фрезерная - Ι опер

10,2

2.1

Фрезеровать подошву 600х240 мм


2.2

Фрезеровать паз 32х240 мм


2.3

Фрезеровать плоскость 105х300 мм


3

Расточная



Расточная - Ι опер

45

3.1

Подрезать торец Ø414 до Ø510 мм


3.1

Расточить отверстие предварительно Ø414 до Ø418 на проход


3.2

Расточить отверстие Ø418 до Ø419,7 на проход


3.3

Расточить отверстие тонким точением от Ø419,7 до Ø420 на проход


3.4

Точить фаску



Расточная - ΙΙ опер

2,2

3.1

Подрезать торец Ø420 до Ø510 мм


3.2

Точить фаску


4

Фрезерная



Фрезерная - Ι опер

4,9

4.1

Фрезеровать 2 паза 20х25 мм


Продолжение таблицы 3.2

4.2

Фрезеровать 2 плоскости 55х70 мм



Фрезерная - ΙΙ опер

3,9

4.1

Фрезеровать паз 20х25 мм


4.2

Фрезеровать 2 плоскости 55х70 мм


5

Расточная



Расточная - Ι опер

18,3

5.1

Сверлить 10 отверстий Ø14,5 мм на L= 43 мм


5.2

Зенковать 10 фасок 2х45


5.3

Нарезать резьбу М16 в 10-ти отв. на L= 35мм


5.4

Сверлить отверстие Ø10 мм на L = 170 мм


5.5

Сверлить предварительно 2 отверстия Ø14,5 мм на L = 246 мм


5.6

Сверлить окончательно 2 отверстия Ø30 мм на L = 246 мм


5.7

Зенковать 2 фаски 2х450



Расточная - ΙΙ опер

8,8

5.1

Сверлить 10 отверстий Ø14,5 мм на L= 43 мм


5.2

Зенковать 10 фасок 2х450


5.3

Нарезать резьбу М16 в 10-ти отв. на L= 35мм


5.4

Зенковать 2 фаски 2х450


5.5

Сверлить отверстие Ø18 мм на L = 40 мм


5.6

Зенковать фаску 2х450


5.7

Нарезать резьбу М20х1,5 на L= 30 мм



Расточная - ΙΙΙ опер

3,45

5.1

Сверлить 3 отверстия Ø18 мм на L= 60 мм


5.2

Зенковать 3 фаски 2х450


5.3

Нарезать резьбу М20 в 3-х отв. на L= 50 мм



Расточная - ΙV опер

5,4

5.1

Сверлить предварительно 4 отверстия Ø10 мм на L = 55 мм


5.2

Сверлить окончательно 4 отверстия Ø35 мм на L = 55 мм


6

Слесарная - зачистить заусеницы

-

7

Контрольная

-


.1.6 Выбор типа производства

Тип производства по ГОСТ 3.1108 - 74 определяется по коэффициенту закрепления операций, выполняемых подразделением в течение месяца, к числу рабочих мест, загруженных этими операциями.

Кз.о =, мин, (3.2)

где τ - такт выпуска деталей, мин/шт;

 - среднее штучное время основных операций обработки, мин.

 ,мин.

Такт выпуска определим по формуле:

 мин/шт, (3.3)

где N - годовая программа выпуска, шт; N = 10 ,шт;

Fд - действительный годовой фонд времени работы оборудования, ч;

Fд = 4015 ч.

 = 24900 ,мин/шт.

По формуле (3.2) определим коэффициентом закрепления операций:

Кз.о =  = 2436 ,шт.

Так как коэффициент загрузки оборудования более 40, то тип производства - единичное.

.1.7 Расчёт припуска на обработку детали

Чем больше величина припуска, тем выше себестоимость изготовления детали, а при уменьшенной величине припуска также увеличивается себестоимость из-за повышения точности. Величина припусков на механическую обработку зависит от метода получения заготовки, марки материала заготовки, точности и шероховатости обрабатываемой поверхности, модели и типа оборудования, приспособления и инструмента.

На основе аналитического метода выполняется расчет припусков на обработку [13]. Припуск выберем учитывая форму заготовки и требования к качеству, внутреннюю поверхность диаметра детали Æ420мм. Технологический маршрут обработки поверхности состоит из 3-х операций:

расточить отверстие предварительно;

расточить отверстие начисто;

расточить отверстие окончательно тонким точением.

Суммарное значение пространственных отклонений для заготовки данного типа определяется по формуле:

rо = , мкм, (3.4)

Коробление отверстия следует учитывать как в диаметральном, так и в осевом его сечении, поэтому

rкор = = 321 ,мкм.

Удельное коробление отверстия находим по таблице 4.9 [2].

Учитывая, что суммарное смещение отверстия относительно наружной поверхности заготовки представляет геометрическую сумму в двух взаимно перпендикулярных плоскостях, получаем

rсм = = 534 ,мкм,

где d1 и d2 - допуски на размеры, служащие базами для обработки отверстия.

Таким образом, суммарное значение пространственного отклонения заготовки определим по формуле (3.4).

rо =  = 623 ,мкм.

Остаточное пространственное отклонение после чернового растачивания:

rост = 0,04·rо = 0,04 · 623 = 25 ,мкм.

Остаточное пространственное отклонение после чистового растачивания:

rост = 0,02·rо = 0,02 · 623 = 13 ,мкм.

Погрешность установки при черновом растачивании

e1 = , мкм, (3.5)

Погрешность закрепления заготовки eз принимаем равной 80 мкм; eб = 0.

e1 = = 80 ,мкм.

Остаточная погрешность установки при чистовом растачивании

e2 = 0,05 · e1 + eинд = 0,05 · 80 + 0 = 4 ,мкм.

Так как черновое и чистовое растачивание производится в одной установке, то eинд = 0.

Расчет минимальных значений припусков при обработке внутренних поверхностей вращения производим по формуле:

 (3.6)

Минимальный припуск под растачивание:

Черновое: = 2128 ,мкм;

Чистовое: = 825 ,мкм;

Тонкое точение: = 74 ,мкм.

Расчетный размер dp считаем, начиная с конечного (чертежного) размера путем последовательного вычитания расчетного минимального припуска каждого технологического перехода:

= 420,063 - 0,074 = 419,989 ,мм;

= 419,989 - 0,825 = 419,164 ,мм;

 = 419,164 - 2,128 = 417,036 ,мм.

Значения допусков каждого перехода принимаются по таблицам в соответствии с классом точности [13].

В графе «Предельный размер» значение  получается по расчетным размерам, округленным до точности допуска соответствующего перехода. Наименьшие предельные размеры определяются из наибольших предельных размеров вычитанием допуском соответствующих переходов:

 = 420,063 ,мм;

= 419,989 ,мм;

= 419,164 ,мм;

= 417,036 ,мм;

= 420,063 - 0,063 = 420,000 ,мм;

= 419,989 - 0,150 = 419,839 ,мм;

= 419,164 - 0,500 = 418,664 ,мм;

= 417,036 - 3,000 = 414,036 ,мм.

Предельные значения припусков.

Растачивание:

тонкое:  = 420,000 - 419,839 = 0,161 мм = 161 ,мкм;

 = 420,063 - 419,989 = 0,074 мм = 74 ,мкм;

чистовое:  = 419,839 - 418,664 = 1,175 мм = 1175 ,мкм;

 = 419,989 - 419,164 = 0,825 мм = 825 ,мкм;

черновое:  = 418,664 - 414,036 = 4,628 мм = 4628 ,мкм;

 = 419,164 - 417,036 = 2,128 мм = 2128 ,мкм.

Общие припуски  и  определяем, суммируя промежуточные:

 = 74 + 825 + 2128 = 3027 ,мкм;

 = 161 + 1175 + 4628 = 5964 ,мкм.

Общий номинальный припуск:

 = + δз - δд = 3027 + 623 - 63 = 3587 ,мкм;

 = -  = 420,000 - 3,587 = 416,413 ,мм.

Проводим проверку правильности расчетов:

-  = 3000 - 63 = 2937 ,мкм;

-  = 5964 - 3027 = 2937 ,мкм.

Для наглядности и простоты определения промежуточных припусков и промежуточных размеров составляем таблицу 3.3.

Элементы припусков Rz и Т назначаем по таблицам [13] в зависимости от метода обработки поверхностей заготовки.

По полученным данным вычерчиваем схему расположения припусков и допусков на обработку размера Æ420 Н7 (рисунок. 3.3).

Таблица 3.3 - Припуски на обработку поверхности Æ420 Н7 (+0,063)

Технологические переходы обработки корпуса подшипникаÆ420Н7

Элементы припуска, мкм

Расчетный припуск 2z min, мкм

Расчетный размер dp, мм

Допуск δ, мкм

Предельный размер, мм

Предельные значения допуска,мкм


Rz

T

ρ

ε




d min

d max

2z min

2z max

Заготовка

1500

623



417,036

3000

414,036

417,036



Растачивание черновое

100

100

25

80

2128

419,164

500

418,664

419,164

2128

5128

Растачивание чистовое

30

30

13

4

825

419,989

150

419,839

419,989

825

1325

Растачивание тонким точением

5

5


4

74

420,063

63

420,000

420,063

74

224


Рисунок 3.3 - Схема графического расположения припусков и допусков на обработку Æ420 Н7

3.1.8 Выбор оборудования

Исходными данными для выбора оборудования являются: характер технологических операций, форма и расположение обрабатываемых поверхностей; размеры обрабатываемой детали, точность обработки; количество используемых инструментов; тип производства. Выбор оборудования выполнен по методике изложенной в [11]. Выбранное оборудование с краткой технической характеристикой приведено в таблице 3.4.

Таблица 3.4 - Выбор оборудования

№ опер

Операция

Наименование и модель станка

Краткая техническая характеристика

2; 4

Фрезерная

Широкоуниверсальный фрезерный станок FUV401

Размер рабочего стола 400х1600 мм. Расстояние от оси вертикального шпинделя до рабочей поверхности стола min\max 170\630 мм. Расстояние от оси горизонтального шпинделя до рабочей поверхности стола max 490 мм. Т-образные пазы 5 шт. Ширина Т-образных пазов 18 мм. Расстояние между Т-образными пазами 80 мм. Поворот стола влево и вправо 45o гр. Продольный ход стола при механизированной подачи 1230 мм. Поперечный ход стола при механизированной подачи 340 мм. Вертикальный ход стола при механизированной подачи 440 мм. Фрезерная головка: Вращение вертикальной фрезерной головки 360o; Вращение универсальной фрезерной головки относительно 2-х осей 360o. Привод: Мощность двигателя вертикального шпинделя 4 кВт; Мощность двигателя горизонтального шпинделя 7,5 кВт; Мощность двигателя подачи 2,2 кВт. Габаритные размеры: Вес 3575 кг; Длина 27,55 мм; Высота 2000мм; Длина станка с выдвинутом вперед хоботом 27,75 мм; Ширина 35,90 мм.

3; 5

Расточная

Горизонтально расточной станок TPX6111В

Диаметр нормального выдвижного шпинделя 110 мм. Конус шпинделя: морзе № 6 (lSO 7:24 № 50 - опционально). Макс. крутящий момент выдвижного шпинделя 1225 Нм. Макс. момент на радиальном суппорте 1960 Нм. Макс. осевое усилие на шпинделе 12 250 Н. Продольное перемещение выдвижного шпинделя 600 мм. Количество ступеней скоростей шпинделя - 22. Пределы частоты вращения шпинделя 8 - 1000 об./мин. Радиальное перемещение суппорта 180 мм. Рабочая поверхность стола 1100х960 мм. Грузоподъемность поворотного стола 2500 кг. Пределы расстояния между продольной осью шпинделя и поверхностью стола 0 - 900 мм. Ускоренный ход по осям X, Y, Z, W, 2500 мм/мин. Продольное перемещение стола 1000 мм. Поперечное перемещение стола 900 мм. Пределы подачи шпинделя / шпиндельной бабки и стола за оборот шпинделя, 0.04 - 6 / 0.01 - 1.88 мм/об. Мощность электродвигателя главного привода, 7,5 кВт. Габаритные размеры станка (Д х Ш х В) 4910 х 2454 х 2750 мм. Масса станка 13000 кг.


.1.9 Выбор режущего инструмента

Выбор режущего инструмента зависит от формы и размер обрабатываемой поверхности, методе обработки, точности и шероховатости, обрабатываемого материала, периода стойкости инструментов, и заданной производительности. Режущих инструментов выбираем по методике [14]. Результаты выбора сводим в табл. 3.5

Таблица 3.5 - Режущий инструмент для обработки детали

№ опер

Наименование операции или перехода

Наименование режущего инструмента

Обозначение режущего инструмента

2; 4

Фрезерная

Фреза торцевая насадная Ø125 мм, Т5К10

Фреза 2214-0007 Т5К10 ГОСТ 24359-80



Фреза шпоночная Ø20 мм, ВК6

Фреза 2235-0057 ВК6 ГОСТ 9140-78



Фреза концевая Ø28 мм, ВК8

Фреза 2220-0228 ВК8 ГОСТ 17025-71

3; 5

Расточная

Подрезной торцовый резец, ВК8

Подрезной торцовый резец ГОСТ 9795-84



Резец расточной черновой, ВК8

Резец расточной ГОСТ9795-84



Резец расточной чистовой, Т15К6

Резец расточной ГОСТ 18878-73



Спиральное сверло с коническим хвостовиком Ø14,5 мм, Р6М5

Сверло 2301-3242 ГОСТ 12121-77



Зенковка с коническим хвостовиком, Р6М5

Зенковка 2353-0135 ГОСТ 14953-80



Машинный метчик М16, Р6М5

Метчик М16 ГОСТ3266-81



Спиральное сверло с коническим хвостовиком Ø10 мм, Р6М5

Сверло 2301-3195 ГОСТ 12121-77



Спиральное сверло с коническим хвостовиком Ø30 мм, Р6М5

Сверло 2301-3316 ГОСТ 12121-77



Зенковка с коническим хвостовиком, Р6М5

Зенковка 2353-0131 ГОСТ 14953-80



Спиральное сверло с коническим хвостовиком Ø18 мм, Р6М5

Сверло 2301-3259 ГОСТ 12121-77



Машинный метчик М20х1,5, Р6М5

Метчик М20х1,5 ГОСТ3266-81



Машинный метчик М20, Р6М5

Метчик М20 ГОСТ3266-81



Спиральное сверло с коническим хвостовиком Ø35 мм, Р6М5

Сверло 2301-3692 ГОСТ 10903-77

6

Слесарная

Напильник плоский l = 250 мм

Напильник ГОСТ 1465-80


.1.10 Выбор средств измерения

Выбор средств измерения и контроль размеров, отклонения формы и взаимного положения обрабатываемых поверхностей для каждой операции зависит главным образом от типа производства и величины допуска контролируемого параметра. Следует учитывать, что в единичном и мелкосерийном производстве используются универсальные измерительные средства. При выборе средств измерения по показателям точности необходимо, чтобы погрешность средства измерения не превышала допускаемой погрешности измерения [12].

Для измерения и контроля размеров, отклонения формы и взаимного положения обрабатываемых поверхностей детали используются:

. Штангенциркуль ШЦ - 3 с ценой деления С = 0,1 мм, с пределом измерения L = 0 - 500 мм и диапазоном показаний 0 - 1, ГОСТ 166-89, для измерения внутренних и наружных размеров детали.

. Нутромер индикаторный НИ-450 с пределом измерения L = 250 - 450 мм, с ценой деления С = 0,01 мм ГОСТ 868-82, для измерения диаметра отверстия.

. Штангенциркуль ШЦ - 1 с ценой деления С = 0,05 мм, с пределом измерения L = 0 - 125 мм и диапазоном показаний 0 - 1, ГОСТ 166-89, для измерения внутренних и наружных диаметров, длин, глубин детали.

. Глубиномер микрометрический с предельной погрешностью 20мкм.

. Линейка 2 класса точности металлическая ШП 250х5 ГОСТ 8026-75.

. Нутромер индикаторный НИ-50 по ГОСТ 868 - 82, с ценой деления С = 0,01 мм, с пределом измерения L = 18 - 50 мм, для измерения внутренних диаметров.

. Профилограф - профилометр А1, 252, ГОСТ 19299-73. Увеличение кратности 200- 100000, диапазон изменения профилографом 0,02-250 мкм, для проверки шероховатости поверхности.

.1.11 Расчет режимов резания

Назначение рационального режима резания заключается в выборе скорости резания и подачи, с учётом режущих свойств инструмента и кинематических возможностей оборудования, высокой производительности и наименьшей стоимости операции. Выбор режимов резания выполнен по методике, изложенной в [15]. Для примера разберем несколько операций и полученные результаты сведем в таблицу 3.6.

.1. Подрезка торца

Глубина резания t = 3,мм; подача s = 0,26,мм/об. Выбранную подачу сопоставляем с паспортными данными станка. Так как возможности станка позволяют использовать любую подачу в диапазоне от 0,05 до 2,8 мм/об, то принимаем расчётную подачу s = 0,26 мм/об. По принятой подаче рассчитываем скорость резания.

 (3.7)

где Т - среднее значение стойкости инструмента - 60 ,мин;

Сv - коэффициент - 290;

x, y, m - показатели степени - x=0,15, y=0,35, m=0,20;

Kv - коэффициент, Kv = Кmv · Knv · Kиv = 1,0 · 0,9 · 0,4 = 0,36

Кmv - учитывающий влияние материала заготовки - 1,0

Knv - состояние поверхности (отливка) - 0,9

Kиv - качество материала инструмента - 0,4

Скорость резания определим по формуле (3.4):

 ,м/мин.

По установленной скорости резания определяется число оборотов шпинделя:

 (3.8)


принимаем n = 100 мин-1.

Основное (технологическое) время рассчитываем по формуле:

 (3.9)

где L - длина рабочего хода;

i - число проходов с одинаковым режимом резания.

n - число оборотов в мин.

s - подача на один оборот шпинделя в мм/об.

Длина рабочего хода:

= 45+3+3+2 = 53, мм, (3.10)

где  - длина обрабатываемой поверхности детали (по чертежу);

- длина хода медленного подвода инструмента к обрабатываемой поверхности. Назначается с целью исключения возможности удара инструмента о заготовку на быстром ходу. Величина  зависит от габаритов заготовки, состояния ее поверхностей (кривизна торцов, наличие заусенцев и др. дефектов) и составляет обычно от 2 до 6 мм;

- длина хода инструмента в процессе врезания. Зависит от величины глубины резания t и главного угла в плане φ. Lвр = t · ctg φ;

- длина хода перебега инструмента в конце рабочего движения. Назначается при обработке «на проход» с целью исключения возможности сохранения на обработанной поверхности дефектов (облоя) образующихся вследствие пластического выдавливания обрабатываемого материала из зоны стружкообразования. Величина  зависит от габаритов заготовки, свойств обрабатываемого материала, геометрических параметров инструмента и составляет обычно от 1 до 4 мм;

.2. Расточить внутренний диаметр предварительно.

Глубина резания t = 2 мм; подача s = 0,4 мм/об. По принятой подаче рассчитываем скорость резания по формуле (3.7):

 ,м/мин.

По установленной скорости резания определяется число оборотов шпинделя по формуле (3.8):

.

принимаем n = 50 мин-1.

Основное (технологическое) время рассчитываем по формуле (3.9):

Длина рабочего хода: = 185+3+3+2 = 193 ,мм.

. Расточная операция

.1. Сверлить 10 отверстий Ø 14,5 ,мм

Для сверления отверстий Ø 14,5 - глубина резания t = 4,5,мм; подача s = 0,2 ,мм/об; скорость резания находим по формуле:

 (3.11)

где Т - среднее значение стойкости - 60 ,мин;

Сv - коэффициент - 7;

q, y, m, x - показатели степени - x=0,2; q=0,40, y=0,7, m=0,20;

Kv - коэффициент, Kv = 1

Скорость резания определим по формуле (3.11):

 ,м/мин.

По установленной скорости резания определяется число оборотов шпинделя по формуле (3.8):

Основное (технологическое) время рассчитываем по формуле:

 (3.12)

где l - длина обрабатываемой поверхности, мм;

l1 - величина врезания и перебега, мм;

n - число оборотов, мин;

S - подача на один оборот шпинделя, мм/об.

Общее время сверления десяти отверстий составит: 0,5 · 10 = 5 ,мин.

Все полученные расчеты сведем в таблицу 3.6

Таблица 3.6 - Режимы резания

№ опер.

Наименование операции или перехода

t, мм

t0, мин

L, мм

S, мм/об

n, мин-1

V, м/мин

1

Заготовительная

-

-

-

-

-

-

2

Фрезерная








Фрезерная - Ι опер







2.1

Фрезеровать подошву 600х240 мм

3

5,3

600

0,24

1000

210,4

2.2

Фрезеровать паз 32х240 мм

18,4

1,9

110

0,2

900

123,8

2.3

Фрезеровать плоскость 105х300 мм

3

3

300

0,24

1000

210,4

3

Расточная








Расточная - Ι опер







3.1

Подрезать торец Ø414 до Ø510 мм

3

2

53

0,26

100

62,1

3.1

Расточить отверстие предварительно Ø414 до Ø418 на проход

2

9,6

185

0,4

50

57,5

3.2

Расточить отверстие от Ø418 до Ø419,6 на проход

0,8

13,9

185

0,2

70

89,5

3.3

Расточить отверстие тонким точением от Ø419,6 до Ø420на проход

0,2

19,3

185

0,1

100

129,4

3.4

Точить фаску

-

0,25

2

0,1

80

99,2


Расточная - ΙΙ опер







3.1

Подрезать торец Ø420 до Ø510 мм

3

2

53

0,26

100

62,1

3.2

Точить фаску

-

0,25

2

0,1

80

99,2

4

Фрезерная








Фрезерная - Ι опер







4.1

Фрезеровать 2 паза 20х25 мм

20

2,1

25

0,1

315

39,2

4.2

Фрезеровать 2 плоскости 55х70 мм

3

2,8

55

0,24

900

123,4


Фрезерная - ΙΙ опер







4.1

Фрезеровать паз 20х25 мм

20

1,05

25

0,1

315

39,2

4.2

Фрезеровать 2 плоскости 55х70 мм

3

2,8

55

0,24

900

123,4

5

Расточная








Расточная - Ι опер







5.1

Сверлить 10 отверстий Ø14,5 мм на L= 43 мм

-

5

43

0,2

440

20,05

5.2

Зенковать 10 фасок 2х45

-

0,5

2

0,12

1000

29,2

5.3

Нарезать резьбу М16 в 10-ти отв. на L= 35мм

-

2,4

35

-

125

3,8

5.4

Сверлить отверстие Ø10 мм на L = 170 мм

-

1,7

170

0,1

1000

27,3

5.5

Сверлить предварительно 2 отверстия Ø14,5 мм на L = 246 мм

-

1

246

0,2

440

20,05

5.6

Сверлить окончательно 2 отверстия Ø30 мм на L = 246 мм

-

7,6

246

0,4

161

15,2

5.7

Зенковать 2 фаски 2х450

-

0,1

2

0,12

1000

29,2


Расточная - ΙΙ опер







5.1

Сверлить 10 отверстий Ø14,5 мм на L= 43 мм

-

5

43

0,2

440

20,05

5.2.

Зенковать 10 фасок 2х450

-

0,5

2

0,12

1000

29,2

5.3

Нарезать резьбу М16 в 10-ти отв. на L= 35мм

-

2,4

35

-

125

3,8

5.4

Зенковать 2 фаски 2х450

-

0,1

2

0,12

1000

29,2

5.5

Сверлить отверстие Ø18 мм на L = 40 мм

-

0,56

40

0,2

370

20,6

5.6

Зенковать фаску 2х450

-

0,05

2

0,12

1000

29,2

5.7

Нарезать резьбу М20х1,5 на L= 30 мм

-

0,2

30

-

125

3,8


Расточная - ΙΙΙ опер







5.1

Сверлить 3 отверстия Ø18 мм на L= 60 мм

-

2,4

60

0,2

370

20,6

5.2

Зенковать 3 фаски 2х450

-

0,15

2

0,12

1000

29,2

5.3

Нарезать резьбу М20 в 3-х отв. на L= 50 мм

-

0,9

50

-

125

3,8


Расточная - ΙV опер







5.1

Сверлить предварительно 4 отверстия Ø10 мм на L = 55 мм

-

2,2

170

0,1

1000

27,3

5.2

-

3,2

55

0,4

161

15,2

6

Слесарная

-

-

-

-

-

-

7

Контрольная

-

-

-

-

-

-


.1.12 Техническое нормирование времени операций

Техническое нормирование представляет собой установление технически обоснованных норм расхода производственных ресурсов. При этом, под производственными ресурсами понимается энергия, сырье, материалы, инструмент, рабочее время и т. д. В современных условиях механосборочного производства экономия производственных ресурсов приобретает важное значение. Особенно важной задачей является задача технологического нормирования рабочего времени, т. е. нормирование труда. Технологическое нормирование труда - это совокупность методов и приемов по выявлению резервов рабочего времени и улучшения организации труда. Технологическое обоснование норм времени - это время, для выполнения единицы работы, с расчетом данных условий производства труда рабочего и оборудования [11]. При техническом нормировании норма полученного времени Тшт.к рассчитывается по формуле:

Тшт-к. = tо + tв + tтех + tорг + tп + tпз , мин, (3.13)

где tо - норма основного (машинного) времени, т. е. норма времени на процесс обработки на станке;

tв - норма вспомогательного времени, т. е. норма времени на осуществление действий выполнения основной работы:

 (3.14)

tтех - норма времени технического обслуживания, т. е. время затраченное рабочим на обслуживание рабочего места:

 (3.15)

tорг - организационное время, затрачиваемое на снабжение заготовками, заточку инструмента:

 (3.16)

tп - норма времени регламентированных перерывов:

 (3.17)

tпз. - подготовительно-заключительное время, т. е. время затраченное на оснастку, наладку, пробное изготовление, запуск программы:

 мин, (3.18)

где р - размер партии;= 100 - годовая программа выпуска;- количество запусков партии в течение года.

Все полученные расчеты сведем в таблицу 3.7.

Таблица 3.7 - Нормы времени на выполнение операций (мин)

№ опер.

Наименование операции или перехода

t0

tтех

tорг

tп

tп.з

Тшт.к.

2

Фрезерная









Фрезерная - Ι опер

10,2

1,53

1,12

1,29

0,29

0,6

15,04

3

Расточная









Расточная - Ι опер

45,1

6,76

4,96

5,70

1,30

0,6

64,36


Расточная - ΙΙ опер

2,25

0,34

0,25

0,28

0,06

0,6

3,78

4

Фрезерная









Фрезерная - Ι опер

4,9

0,74

0,54

0,62

0,14

0,6

7,53


Фрезерная - ΙΙ опер

3,85

0,58

0,42

0,49

0,11

0,6

6,05

5

Расточная









Расточная - Ι опер

18,3

2,75

2,01

2,31

0,53

0,6

26,50


Расточная - ΙΙ опер

8,81

1,32

0,97

1,11

0,25

0,6

13,07


Расточная - ΙΙΙ опер

3,45

0,52

0,38

0,44

0,10

0,6

5,48


Расточная - ΙV опер

5,4

0,81

0,59

0,68

0,16

0,6

8,24

∑Тшт.к. = 150,05 мин


.2 Разработка технологического процесса узловой сборки и монтажа пресса

Последовательность сборки пресса определяется его конструктивными особенностями. Так как пресс штучное изделие, то производится непоточная (стационарная) сборка, характеризующаяся выполнением сборочных операций на постоянном рабочем месте. К сборочным работам относится процесс соединения сопрягаемых деталей с обеспечением правильного их взаимного положения и определенной посадки. В основном виды соединений: неподвижное - неразъемное, подвижное - разъемное, неподвижное разъемное. К неподвижным - неразъемным относится соединение сваркой.

Для определения последовательности сборки пресса разрабатываем технологическую схему сборки. На технологической схеме сборки все элементы узлов выделен прямоугольником, разделенный на три части. В верхней части указано наименование элемента детали и узла, в левой нижней части - номер по сборочному чертежу шпиндельного узла, в правой нижней части - число собираемых элементов [16].

Технологическую схему сборки строим по следующему правилу. В левой части схемы указываем базовую деталь, а в правой части схемы - сборочное изделие. Обе части соединяем горизонтальной линией. Над горизонтальной линией прямоугольником выделены все детали в порядке последовательности сборки, ниже - узлы, входящие в сборку. Технологическую схему сборки сопровождаем подписями, если таковые не очевидны из самой схемы (запрессовать, сварить, завинтить, окраска).

Весь процесс сборки пресса начинается с установки станины лицевой стороны поз. 1 и станины приводной стороны поз. 2, которые закрепляют на фундаменте с помощью крепёжных изделий поз. 45, 54. Для придания надёжности и прочности конструкции, на станины устанавливают балки поз. 2 закрепляя их крепежными изделиями поз. 44, 53, после чего станины соединяются между собой связью поз. 19 с помощью болтов с шайбами поз. 41, 51. По завершению установки и крепления конструкции (рамы), начинается процесс узловой сборки пресса. На станину лицевой стороны устанавливается подушка поз. 31, затем выполняется установка вала обрезиненного в собранном виде поз. 17 и производится его крепление с помощью крепежных элементов поз. 46, 54. После этого под вал обрезиненный поз. 17 заводится корыто поз. 5 и крепится к корпусам подшипников вала с помощью болтов с шайбами поз. 38, 50. Затем на корыто поз. 5 производится установка всех необходимых комплектующих поз. 26, 25, 64. Для съема избытка воды с вала обрезиненного поз. 17 на корыте крепится нож водосъемный поз. 4 с помощью болтов с шайбами поз. 38, 50. Перед тем как установить валик сукноправильный поз. 23, выполняется установка опор поз. 13 с лицевой и приводной стороны пресса. После чего на них крепятся с помощью крепежных изделий поз. 43, 52 с лицевой стороны сукноправка ручная вертикальная поз. 21, а с приводной стороны сукноправка автоматическая вертикальная поз. 22. Затем в сукноправки поз. 21, 22 ставится валик сукноправильный поз. 23 и крепится гайками с шайбами поз. 48, 50. Над валиком сукноправильным поз. 23 к корпусам подшипников вала обрезиненного поз. 17 крепятся с помощью болтов с шайбами два кронштейна поз. 8, 9. В эти кронштейны поз. 8, 9 ставится валик сукноведущий поз. 24 и крепится с помощью гаек с шайбами поз. 48, 50. По окончании сборки нижней части пресса на станины поз. 1, 2 производится установка вала гранитного поз. 18 и крепление его с помощью крепежных изделий поз. 43, 52. Для чистки поверхности вала гранитного поз. 18 во время его работы необходим шабер верхнего вала поз. 3, который крепится на станинах с помощью болтов с шайбами поз. 38, 50. Затем на станинах поз. 1, 2 крепятся с помощью крепежных изделий поз. 41, 51 два кронштейна поз. 10 с бракетками поз. 11, 12. После чего в бракетки поз. 11, 12 ставится валик сукноведущий поз. 24 и закрепляется гайками с шайбами поз. 48, 50. Для установки следующего валика используются только две бракетки поз. 11, которые также крепятся к станинам поз. 1, 2 с помощью болтов с шайбами поз. 37, 51 в которые ставится и крепится с помощью гаек с шайбами поз. 48, 50 валик сукноведущий поз. 24. Далее по всей ширине пресса укладываются и закрепляются две направляющие поз. 11, на которые затем устанавливается установка воронки приемки брака, поз. 7. Затем для удобства работы на прессе крепятся с помощью крепежных изделий поз. 37, 48, 50 мостки обслуживания поз.6. По окончании монтажа пресса производится проверка всех подвижных узлов на легкость движения, после чего можно считать процесс узловой сборки оконченным.

4. Безопасность и экологичность проекта

.1 Анализ условий труда прессовщика

При эксплуатации оборудования БДМ на прессовщика возможно воздействие следующих опасных и вредных факторов:

движущихся механизмов;

неограждённых подвижных элементов производственного оборудования;

повышенная температура и влажность;

повышенное влияние звукового воздействия;

уровень статического электричества;

неисправность лестниц и лестничных площадок;

скользкий пол;

нахождение в опасной зоне, работающих грузоподъемных машин;

неисправность изоляции электропроводов;

недостаточная освещенность рабочего места.

Наличие выше перечисленных критериев приводит к усталости прессовщика, а также может привести к травме.

Основные причины травматизма - это несоблюдение норм техники безопасности.

Характер производственного задания предусматривает работу оператора по графику с необходимостью коррекции хода технологического процесса - допустимая работа по напряженности.

Напряженность труда зависит и от числа одновременно наблюдаемых объектов. Прессовщик отвечает за работу процесса. Такой труд оценивается как оптимальный.

В воздух производственной среды постоянно осуществляется выброс опасных и вредных веществ, при работе бумагоделательной машины. К вредным выбросам относятся выделения пыли, жидких и газообразных химических веществ, избытков влаги, тепла или холода, перемещение воздушных масс. Все отмеченные факторы изменяют качество воздуха рабочей зоны, делая его неблагоприятным для протекания трудовой деятельности, и могут при определенных количественных показателях отрицательно воздействовать на здоровье человека.

Недостаточная освещенность рабочих мест ведет к высокому утомлению прессовщика апатию, и сонливость снижает зрительные функции, а яркий свет приводит к нарушению работы нервной системы, снижению трудовой деятельности.

Шум также оказывает негативное воздействие на человека, при этом страдает нервная и сердечнососудистая системы, вызывает бессонницу. Длительное воздействие шума приводит к снижению внимания, влияет на качество выполняемой работы и производительности труда.

Воздействия электрического тока на человека приводит к электротравмам, делящиеся на два вида:

местные электротравмы; общие электротравмы (электрические удары).

Причины травматизма:

при касании или нахождении вблизи опасных токоведущих частей, под напряжением;

при похождении напряжения по металлическим рабочим частям оборудования из-за поврежденной проводки;

при отключенном оборудовании возникает напряжение, где работают люди из-за, подключения рабочих частей установки;

появление шагового напряжения вследствие попадания провода на землю.

При возникновении пожаров на предприятии приводит к большим потерям, а так же приводит к возникновению различных видов ожогов и отравлениям от угарного дыма.

4.2 Меры по обеспечению безопасных и здоровых условий труда

Основные требования охраны труда, предъявляемые при работе на бумагоделательной машине, следующие: исключение опасных факторов для специалистов на рабочем месте. Меры безопасности определены стандартами безопасности труда [17]. Безопасность эксплуатации агрегатов зависят от правильного определения его действия, кинематических схем, конструктивных решений, использования различных средств защиты. Средства защиты, как правило, многофункционального типа, т.е. решают несколько задач одновременно. Конструкция бумагоделательной машины БДМ-10 обеспечена не только ограждением опасных элементов, но и снижением уровня шума и вибрации.

Установка электроприводов линии выполнена в соответствии с Правилами устройства электрических установок. Предусмотрены средства защиты от электромагнитных и ионизирующих излучений, загрязнений атмосферы парами, газами, пылями, воздействия лучистого тепла.

Выполняются мероприятия устойства места работы, выполняются правила техники безопасности и гигиены на рабочем месте. Агрегаты снабжаются надежными фиксаторами, чтобы исключить движение и самовключение.

Одним из факторов, способствующим росту производительности труда и предупреждающим травматизм на производстве, является хорошее освещение рабочего места. Искусственное освещение БДМ-10 выполнено согласно соответствии действующих норм. Для этого предусмотрена комбинированная система освещения, т.е. сочетание общего и местного освещения.

В целях снижения шума предусмотрена звукопоглощающая изоляция, а для покрытия вибрирующих поверхностей используются виброгасящие материалы (резина, фетр, битум и др.). Для исключения удара током человека при работе машины используют защитное заземление, двойную изоляцию, состоящую из рабочей и дополнительной изоляции на случай появления напряжения на корпусах, а также для осуществления защиты от касания. Токоведущие провода и линии подвода воздуха, идущие от распределительных устройств по поверхности пола и пересекающие зону прохода людей имеют оградительные устройства.

Огнестойкость цеха повышена путем облицовки металлических конструкций, оштукатуриванием деревянных конструкций. В цехе есть такие противопожарные преграды как: стены, перегородки, перекрытия, двери, ворота и окна. При проектировании цеха была предусмотрена безопасная эвакуация людей на случай возникновения пожара. В цехе находятся первичные средства тушения пожара: огнетушители (углекислотные), ведра, лопаты, ящики с песком, ломы, топоры. Существуют устройства пожарной связи и сигнализации, которые в значительной степени влияют на успешное тушение пожара [17].

При работе бумагоделательной машины происходит выделение вредных веществ, которые отводятся вентиляционными системами. Помещение цеха оборудуется общеобменной вентиляцией, для удаления загрязненного воздуха и поступление свежего воздуха, местной вентиляцией, с помощью которой возможно улавливать вредные вещества в местах их выделения. Перед выбросом в атмосферу воздух проходит мероприятия по очистке от пыли и вредных веществ.

Помещение цеха отапливается от центральной системы отопления.

Рабочее место оператора не стеснено посторонними предметами. Пол у рабочего места ровный, без выступов, выбоин и не скользкий.

Бытовые помещения для пользования в рабочее время - уборные, фонтанчики с питьевой водой, комнаты отдыха - расположены на площадях цеха. Гардеробные, душевые, столовая, здравпункт расположены вне цеха. В гардеробных, уборных, умывальных и душевых полы с нескользкой поверхностью. Для стен и перегородок облицовывают влагостойкими, светлых тонов материалами, допускающими лёгкую очистку и мытьё.

Все работники обеспечиваются: спецодеждой (рукавицы, перчатки, костюмы), обувью и другими необходимыми средствами защиты; средствами для тщательного отмывания рук перед обедом и после работы. Кроме того, для отдыха обслуживающего персонала на предприятии создаются специальные комнаты, душевые, где работники могут вымыться, переодеться и отдохнуть.

Бумагоделательный цех работает в две смены. Продолжительность рабочего дня 12 часов. В течение рабочего дня - 2 перерыва по 15 минут и часовой обеденный перерыв. Работник использует перерыв по своему усмотрению. В неделе пять рабочих дней.

.3 Расчёт вентиляции

Вентиляцию выбирают от вида используемых агрегатов их расположения и свойств степени загрязненности.

В нашем случае выбираем механическую приточно-вытяжную вентиляцию. В этой системе воздух подаётся в помещение приточной вентиляцией, а удаляется вытяжной вентиляцией, работающими одновременно.

Произведём расчёт вентиляции для бумагоделательного цеха с учетом конкретных источников тепловыделений.

В цехе установлено оборудование бумагоделательной машины:

гидроразбиватели с электродвигателями мощностью 30 кВт - 3 ,шт.;

узлоловители с электродвигателями мощностью 20 кВт - 2 ,шт.;

сеточная часть с электродвигателями мощностью 20 кВт - 3 ,шт., мощностью 12 кВт - 9 шт., и мощностью 10 кВт - 6 шт.;

прессовая часть с электродвигателями мощностью 30 кВт - 3 ,шт. и мощностью 12 кВт - 8 шт.;

сушильная часть с электродвигателями мощностью 30 ,кВт - 6 ,шт. и мощностью 10 кВт - 15 шт.;

машинный каландр с электродвигателями мощностью 30 ,кВт - 1,шт;

накат с электродвигателями мощностью 20 ,кВт - 1 ,шт. и мощностью 10,кВт - 2 ,шт.

Общая мощность установленных электродвигателей 944, кВт.

Тепловыделение определим по формуле:

 Вт, (4.1)

где Q - количество тепла, Вт;

N - установленная мощность электродвигателей, кВТ;

η1 -коэффициент использования установочной мощности, равный 0,7-0,9;

η2 - коэффициент загрузки - отношение средней потребляемой мощности к максимально необходимой, равной 0,5 - 0,8;

η3 - коэффициент одновременности работы электродвигателей, равный 0,5 - 1;

η4 - коэффициент, характеризующий долю механической энергии, превратившейся в тепло, равный 0,1.

Для приближенного определения теплопоступлений в бумагоделательных цехах значение произведений коэффициентов можно принять равным 0,2.

Тепловыделение от искусственного освещения рассчитывают, предполагая, что практически вся затрачиваемая энергия преобразуется в тепло, по формуле:

, Вт, (4.2)

где N - расходуемая мощность светильников, кВт.

С учетом того, что цех оснащен люминесцентными лампами мощностью 40 Вт в количестве 410 штук определим тепловыделения:

Количество тепла выделяемого работниками цеха, при выполнении физической работы средней тяжести при температуре окружающей среды +200С для мужчины составляет 175 Вт, для женщины 149 Вт. Зная, что в цехе работает 32 мужчины и 18 женщин определим тепловыделения:

Q = 32 · 175 + 18 · 149 = 8282 ,Вт.

Кроме рассмотренных выше различных тепловыделений, в бумагоделательном цехе так же отдача тепла происходит от сушильных цилиндров сушильной части БДМ-10, нагреваемых за счет подачи в них пара температурой 1500С. В связи с этим тепловыделение от 53х сушильных цилиндров составит Q = 875 754 ,Вт.

Следовательно, суммарные тепловыделения составят:

Q∑ = 188800 + 16400 + 8282+875754 = 1089236 ,Вт.

В цехах с высокими температурами объем приточного воздуха определяется по формуле:

 (4.3)

где Qизб - избытки теплоты, ДЖ/ч;уд и tпр - температура удаляемого и проточного воздуха, оС;- теплоемкость приточного воздуха, ДЖ/кг К;

pпр - плотность приточного воздуха, кг/м3.

Полученные значения обеспечивают удаление избыточной влаги и тепла. Следовательно, объем воздуха необходимый для удаления влаги и тепла равен 100855 м3/ч. Необходимо выбрать вытяжные вентиляционные системы в соответствии с технологической планировкой. Эффективным будет использование центробежных вентиляторов обычного исполнения для перемещения чистого или малозапылённого воздуха (до 100 мг/м3) с температурой не выше 800С, их комплектующие изготавливают стальными.

Рассчитаем вентилятор для системы вентиляции:

Установочная мощность электродвигателя для вентилятора (кВт) рассчитаем по формуле:

 кВт, (4.4)

где k3 - коэффициент запаса, (k3 = 1,05 - 1,5);

ηв - КПД вентилятора;

ηп - КПД привода, который при присоединении колеса через муфту - 0,98.

 ,кВт.

Выбираем вентилятор производительностью L=65000 м3/ч, серии - Ц9-57 и вентилятор производительностью L=45000 м3/ч, серии - Ц9-55.

С помощью выбранных вентиляторов будут обеспечены необходимые санитарно-гигиенические условия труда в цехе.

.4 Меры по охране окружающей среды

Охрана окружающей среды в наше время стала одной из наиболее важных производственных проблем. Происходит ужесточение норм на выбросы предприятиями вредных веществ в окружающую среду, увеличиваются штрафы за превышение предельно-допустимых концентраций вредных веществ в выбросах с предприятий [20].

Основными загрязняющими факторами бумажного производства являются: отходы производства, сточные воды и выбросы в атмосферу.

В бумагоделательном цеху проводятся следующие мероприятия по охране окружающей среды:

снижение выбросов в атмосферу за счет применения специальных устройств по очистке выбрасываемого воздуха;

снижение объема и вредности стоков;

применение новых технологий для уменьшения выбросов отходов от производства.

Для защиты воздушной среды на устройствах вентиляции применяются пылевые фильтры. Для проверки качества работы системы вентиляции ежемесячно проводятся контрольные замеры концентрации пыли в помещении. При повышении предельно допустимой концентрации принимаются меры для очистки вентиляционных систем и устранения неисправностей.

Основными мероприятиями по снижению выбросов вредных веществ в атмосферу являются:

совершенствование технологических процессов, включая снижение несанкционированных выбросов;

строительство новых и повышение эффективности существующих очистных устройств;

ликвидация источника загрязнения;

перепрофилирование производства.

Очистка вентиляционных выбросов от механических примесей осуществляется аппаратами мокрого и сухого пылеулавливания, волокнистыми фильтрами и электрофильтрами.

С целью сокращения количества забираемой из р. Сухоны воды и объёма сброса стоков в р. Сухону на предприятии изменена схема водопользования. Речная вода используется только на нужды теплоэнергетики - охлаждение конденсаторов турбин, маслоохладители ТЭС. После охлаждения оборудования ТЭС под остаточным давлением использованная вода направляется на фильтры станции 2 подъёма. Затем вода подаётся в производство для повторного использования. Избыток воды сбрасывается в р. Сухону (выпуск).

В цехах предприятия планомерно выполняются работы по снижению потребления технической воды и объема образования сточных вод. Через сборный бассейн часть сточной воды возвращается в производство, а избыток подается на флотоловушку для очистки и сброса в канализацию. В результате на предприятии сокращаются фактические удельные расходы воды на выработку единицы продукции, а следовательно и объемы сточных вод.

В цехе по производству бумаги проводятся работы по подбору удерживающих добавок, дозы крахмала с целью сокращения потерь волокна, а как следствие количества загрязняющих веществ в стоках.

Качественные показатели сточных вод цехов ежедневно контролируются лабораторией отдела охраны окружающей среды.

Исключительный вред для окружающей среды и населения представляют свалки промышленных отходов. На свалки поступают отходы, в состав которых имеются особенно опасные для здоровья населения.

Функционально промышленные отходы подразделяются на три основные группы: 1) отходы, которые складируются на свалках, сжигаются на открытых площадках, захоронятся, сбрасываются в водоемы, тем самым, загрязняя окружающую среду; 2) отходы, которые находят применение в народном хозяйстве; 3) отходы, которые используются на самом предприятии для получения товарной продукции [20].

Переработка отходов позволяет высвободить дефицитные земельные угодья, отводимые под отвалы, и весьма существенно уменьшить загрязнения.

В процессе производства образуется большое количество отходов, которые при соответствующей обработке могут быть вновь использованы как сырье для производства промышленной продукции.

Используемые в процессе производства расходные материалы и отходы в виде промасленной ветоши, абразивных материалов, люминесцентных ламп утилизируются в специальных контейнерах, по мере накопления отправляются в специальные подразделения завода, которые занимаются централизованным сбором, утилизацией и переработкой отходов.

На ОАО «Сокольский ЦБК» постоянно ставятся цели на улучшение мер по охране окружающей среды, что способствует меньшему выбросу производственных отходов.

Заключение

В представленной выпускной квалификационной работе, была проведена модернизация прессовой части бумагоделательной машины БДМ-10. ВКР состоит из четырех основных разделов: литературный обзор по конструкциям БДМ, конструкторская часть, технологическая часть, безопасность и экологичность проекта.

В процессе выполнения работы в конструкторской части были рассмотрены следующие задачи:

выполнен анализ базовой конструкции бумагоделательной машины БДМ-10;

разработаны конструкторские решения по модернизации пресса;

проведены необходимые расчёты.

В технологической части проекта была рассмотрена комплексная деталь, составлен маршрут её обработки, подобраны режущие инструменты, рассчитаны режимы резания, выбраны средства измерения и контроля размеров. При выборе режущего инструмента предпочтение отдавалось режущему инструменту из твердого сплава.

В разделе «Безопасность и экологичность проекта» представлен анализ условий труда при эксплуатации пресса бумагоделательной машины. Был проведен расчет вентиляции, для создания благоприятных условий труда рабочего персонала.

В заключении можно сделать вывод, что модернизация прессового механизма БДМ-10 ОАО «Сокольский ЦБК» в целом решает задачи повышения технологического уровня машиностроения, увеличения производительности и получения высоких технико-экономических показателей продукции.

Список использованных источников

1. Оборудование целлюлозно-бумажного производства: в 2 т. Т. 2.

Бумагоделательные машины / В. А. Чичаев, М. Л. Глезин, В. А Екимова

[и др.]. - Москва: Лесная промышленность, 1981. - 264 с.

. Эйдлин, И. Я. Бумагоделательные и отделочные машины. - Москва: Лесная

промышленность, 1970. - 624 с.

. Смолин, А.С. Технология формования бумаги и картона / А.С. Смолин, Г.З.

Аксельрод. - Москва: Лесная промышленность, 1984. - 120 с.

. Пожитков, В. И. Монтаж и ремонт бумагоделательных машин: учебник для

Вузов / В. И. Пожитков. - Москва: Лесная промышленность, 1973. - 312 с.

. Наумов, В. Г. Монтаж технологического оборудования целлюлозно-

бумажной промышленности: учебник для вузов / В. Г. Наумов. - Москва:

Лесная промышленность, 1971. - 191 с.

. Анурьев, В. И. Справочник конструктора-машиностроителя: [в 2кн.]. Кн.2./В.

И. Анурьев. - Изд. 5-е, перераб. и доп. К. - Москва: Машиностроение, 1996.

559 с.

. Шейнблинт, А. Е. Курсовое проектирование деталей машин: учеб. пособие /

А. Е. Шейнблинт. - Изд. 2-е, перераб. и доп. - Москва: Янтарный сказ, 2004.

454 с.

. Допуски и посадки : справочник: в 2-х ч. Ч. 1 / В. Д. Мягков, М. А. Палет, А.

Б. Романов, В. А. Брагинский. - 6-е изд. перераб. и доп. - Ленинград:

Машиностроение, 1982. - 420 с.

. Дунаев, П. Ф. Конструирование узлов и деталей машин : учеб. пособие для

вузов / П. Ф. Дунаев, О. П. Леликов . - 12-е изд., стер. - Москва : Academia ,

. - 495, [1] с.

. Марочник сталей и сплавов / В. Г. Сорокин, А. В. Волосникова, С. А.

Вяткин [и др.].; под общ. ред. В. Г.Сорокина. - Москва: Машиностроение,

. - 640 с.

. Горбацевич, А. Ф. Курсовое проектирование по технологии

машиностроения. / А. Ф. Горбацевич, В. А. Шкред. - 4-е изд., перераб. и

доп. - Минск: Высшая школа, 1983. - 256 с.

. Егоров, М. Е. Технология машиностроения: учебник для вузов. Изд. 2-е,

доп. / М. Е. Егоров, В. И. Дементьев, В. Л. Дмитриев; под ред. М. Е.

Егорова. - Изд. 2-е, доп. - Москва: Высш. школа, 1976. - 534 с.

. Аверченков, В. И. Технология машиностроения: сб. задач и

упражнений: учеб. пособие / [В. И. Аверченков, О. А. Горленко, В. Б.

Ильицкий [и др]]. - Изд. 2-е, перераб. и доп. - Москва: ИНФРА-М, 2005. -

с.

. Обработка металлов резанием: справочник технолога /А. А. Панов, В. В.

Аникин, Н. Г. Бойм [и др.].; под общ. ред. А. А. Панова. - Москва:

Машиностроение. - 1988. - 736 с.

. Барановский, Ю. В. Режимы резания металлов: справочник / Ю. В.

Барановский. - Изд. 3-е, перераб. и доп. - Москва: Машиностроение, 1972.

407 с.

. Лебедев, Л. В. Технология машиностроения: учебник для студ. высш. учеб.

заведений / Л. В. Лебедев, В.У. Мнацканян, А. А. Погонин - Москва:

Академия, 2006. - 528 с.

. Юдина, Е. Я. Охрана труда в машиностроении: учебник для

машиностроительных вузов / Е. Я. Юдина, С. В. Белова. - Москва:

Машиностроение, 1983. - 432 с.

. Белов, С. В. Охрана окружающей среды: учеб. пособие для студентов вузов

/ под ред. С. В. Белова. - Москва: Высш. шк., 1989. - 264 с.

. ГОСТ 12.1.004-91. Пожарная безопасность. Общие требования. - Взамен

ГОСТ 12.1.004-85 ; Введ. 01.07.92 . - Москва : ГУП ЦПП , [19--]. - 127 с.

. Новиков, Ю. В. Охрана окружающей среды: учеб. пособие / Ю. В. Новиков.

Москва: Высш. шк., 1987. - 287 с.

. Методические рекомендации по оформлению выпускных

квалификационных работ, курсовых проектов/работ для студентов очной,

очно - заочной (вечерней) и заочной форм обучения [Электронный ресурс].

Вып. 4 / сост.: Тритенко А. Н., Сафонова О. В., Дурягина Н. В. - Вологда:

ВоГУ , 2016 . -120с. - Режим доступа:://www.library.vstu.edu.ru/biblio/sto/2016_metod_rec_4.pdf

. Сысоев, С. К. Технология машиностроения: проектирование

технологических процессов: учебное пособие / С. К. Сысоев, А. С. Сысоев,

В. А. Левко. - Санкт-Петербург [и др.]: Лань , 2011 . - 349 с.

. Технология машиностроения : сборник задач и упражнений / [В. И.

Аверченков и др.; под общ. ред. В. И. Аверченкова и Е. А. Польского]. -

Изд. 2-е, перераб. и доп. - Москва: ИНФРА-М , 2012 . - 285, [1] с.

. Анухин, В. И. Допуски и посадки: учеб. пособие для вузов по направлению

"Технол. машины и оборудование" / В. И. Анухин. - 4-е изд. - Санкт-

Петербург [и др.]: Питер , 2008 . - 197, [9] с.

. Коновалов, А. Математическая модель процесса прессования бумажного полотна в прессах бумагоделательных машин / А. Коновалов // Известия высших учебных заведений. Лесной журнал . - 2006. - № 6 . - С. 102-108.

. Борисов, В. М. Основы технологии машиностроения [Электронный ресурс]:

учеб. пособие / В. М. Борисов. - Казань: КГТУ, 2011. - 137 с. - Режим доступа:://biblioclub.ru/index.php?page=book&id=258356

. Технология машиностроения [Электронный ресурс]: курсовое

проектирование: учеб. пособие / М. М. Кане, А. И. Медведев, И.

А. Каштальен и др. ; под ред. М. М. Кане, В. К. Шелег. - Минск: Вышэйшая

школа, 2013. - 312 с. - Режим доступа:://biblioclub.ru/index.php?page=book&id=235788

Похожие работы на - Модернизация прессовой части бумагоделательной машины БДМ-10

 

Не нашли материал для своей работы?
Поможем написать уникальную работу
Без плагиата!
Без нейросетей!