Разработка конструкции специального инструмента
ВВЕДЕНИЕ
Обеспечение гибкости и рентабельности
машиностроительного производства в условиях современного рынка может быть
обеспечена только при условии автоматизированной конструкторской и
технологической подготовки производства, направленной на конкретные задачи и
цели, с ориентированием на доступное оборудование именно конкретного
предприятия.
Заводами по производству подшипников качения
производится большой спектр продукции для автомобильной промышленности,
сельского хозяйства, железнодорожной промышленности, а также подшипники
специализированного назначения. Подшипники должны обеспечивать вращение валов и
осей без перерывов в штатных и экстремальных нагрузках. Качество подшипников
очень важно для обеспечения работы подшипника в установленный срок службы без
отказов. Производитель обязан обеспечить заданное заказчиком качество продукции
и провести все необходимые проверки и исследования предотвращена выхода брака
на рынок.
В частности, для обеспечения качества
подшипников используется метод электромагнитного контроля подшипников на ожоги.
Сущность электромагнитной проверки материала на целостность, и в частности
подшипников на ожоги, заключается в исследовании продукции методом вихревых
токов.
Принцип этого метода основан на проявлении
вихревых токов на контролируемых изделиях с последующим анализом выходного
сигнала, подаваемого вихретоковым преобразователем, основан на корреляционных
связях между электрическими характеристиками металлов и сплавов и их химическим
составом или структурным состоянием. Поэтому, на основании измерений удельной
электрической проводимости, возможно контролировать структуру, однородность
химического состава, механические свойства материала и т. п. Этот метод
контроля является высокотехнологичным и производительным.
Осуществляется при помощи специального
оборудования- вихревыми структуроскопами. Метод является
одним из способов неразрушающего контроля изделий машиностроительных
предприятий [1].
Преимущества:
- большая информативность, возможность
преобразования электрического сигнала датчика в любой другой;
- возможность автоматизации контроля.
Контроль подшипников на ожоги является одним из
возможных вариантов пассивного контроля технологического процесса изготовления
подшипников качения.
Возможность контроля микродефектов подшипников
методом вихревых токов позволяет использовать подшипники для ответственных
машин путем выборки из партии подшипников обычного качества. И кроме этого
контроль подшипников повышает конкурентоспособность и рентабельность
предприятия вследствие уменьшения брака, попавшего на рынок.
1. АНАЛИЗ СОСТОЯНИЯ ВОПРОСА. ЦЕЛИ И ЗАДАЧИ
ПРОЕКТИРОВАНИЯ
1.1 Назначение и
классификация подшипников
Подшипник - узел, поддерживающий вращение детали
типа «вал» или «ось», предназначен для фиксирования положения детали в пространстве
и восприятия нагрузок от подвижного узла. Принцип действия подшипника основам
на уменьшении трения между подвижными деталями машин.
Подшипники разделяются по природе силы трения и
воспринимаемой нагрузке.
По виду силы трения, используемой при работе
подшипника различают подшипники скольжения, у которых вал или ось скользит по
поверхности подшипника своей опорной поверхностью и подшипники качения, у
которых трение скольжением заменено трением качения при помощи использования
тел качения между двумя кольцами подшипника [2].
По воспринимаемой нагрузке подшипники
подразделяются на радиальные - воспринимают только радиальных нагрузок,
направленных перпендикулярно оси вала; упорные -
воспринимают осевые силы, направленные вдоль оси вала (радиальную нагрузку не
воспринимают); упорно - радиальные -
для восприятия осевых и небольших радиальных нагрузок, радиально-упорные
-
для восприятия радиальных и осевых нагрузок.
По форме тел качения подшипники качения
разделяют на роликовые (с цилиндрическими, витыми, игольчатыми, сферическими и
коническими телами качения) и шариковые [3].
По количеству рядов тел качения подразделяют
однорядные, двухрядные и многорядные.
По возможности устранения перекосов подшипники
делят на самоустанавливающиеся (позволяют нивелировать перекос до 3°) и
несамоустанавливающиеся. Различают подшипники с цилиндрическим или конусным
отверстием внутреннего кольца; одинарные или двойные; сдвоенные, строенные.
На рисунках 1.1 и 1.2 представлены виды
шариковых и роликовых подшипников.
Рисунок 1.1 - Виды шариковых подшипников
Рисунок 1.2 - Виды роликовых подшипников
Подшипники качения - группа изделий
машиностроения, более всего стандартизированных в международном масштабе.
Подшипники качения (рисунок 1.3) состоят из наружного и внутреннего колец, на
которых расположены дорожки качения, между которыми расположены тела качения в
виде роликов или шариков, скреплённые между собой сепаратором. В некоторых
типах подшипников сепаратор может отсутствие. Такие модели подшипников более
грузоподъёмные и имеют большое количество тел качения [4].
Рисунок 1.3 - Подшипник качения
Подшипники качения обладают следующими
преимуществами относительно подшипников скольжения:
- большее КПД;
- унификация;
- меньше пусковой момент;
- экономия смазки;
- высокий уровень стандартизации;
- небольшая ширина;
- экономия дорогих антифрикционных
материалов и цветных металлов, меньшее требование к материалам и термической
обработке валов.
Недостатки подшипников качения:
- высокая стоимость уникальных подшипников;
- чувствительность к ударам и
вибрациям вследствие большой жесткости конструкции;
- высокие габариты (особенно
радиальные) и вес;
- высокие требования к оптимизации
выбора типоразмера;
- шум при работе с высокой частотой
вращения;
- ограничение срока службы, особенно
при больших скоростях и нагрузках.
Материалом для изготовления подшипников являются
шарикоподшипниковые высокоуглеродистые хромистые стали ШХ15 и ШХ15СГ, могут
применятся цементируемые легированные стали 18ХГТ и 20Х2Н4А. Твёрдость для
колец и роликов обычно варьируется на уровне HRC 60...65, а у шариков - HRC
62... 66, так как площадка контактного шарика с поверхностью дорожки качения
меньше, чем у ролика. Для изготовления сепараторов применяют мягкие
углеродистые стали либо антифрикционные бронзы. В настоящие время широко
используются сепараторы из пластмасс, дюралюминия, металлокерамики и
текстолита. Для смазывания подшипников качения применяют жидкие и пластичные
смазывающие материалы.
Производство подшипников качения носит массовый
характер и осуществляется с жестким контролем качества. При правильных рабочих
условиях подшипники могут непрерывно эксплуатироваться в течение многих лет.
Срок службы подшипников качения также зависит соблюдения технологии
производства, условий хранения и монтажа.
Основной причиной отказа подшипников является их
усталостное выкашивание, пластические деформации или выкрашивание абразивом.
Степень влияния изнашивания абразивом можно нивелировать применением
уплотнителей и более качественной фильтрацией масла.
Основной причиной разрушения сепараторов
является действие центробежных сил. Разрушение тел качения и колец подшипника
зачастую происходит из-за работы при перекосах или сильном ударе [5].
В настоящие время качество подшипников качения
возросло. Причинами этого стали повышение качества исходного сырья, применении
нового инструмента и оснастки, совершенствование технологий изготовления, были
созданы новые методы контроля как входного сырья, так и готовой продукции.
Прогресс в технологии изготовления и контроля
позволил автоматизировать контрольно-сортировочные операции. В следствии
повышения качества поверхности дрожек качения и улучшении геометрии тел качения
повысился период службы подшипников.
Так же увеличивается модельный ряд и типоразмеры
подшипников путем создания новых и усовершенствованием старых моделей
подшипников качения, при помощи применения новых материалов, в том числе
неметаллов.
Таким образом применение новых станков,
автоматизации производства, повышение качества сырья, применение новых методов
контроля и измерений влечёт за собой увеличение темпов выпуска продукции и
повышение прибыльности производства.
заготовка деталь подшипник долбежный
1.2 Анализ существующих
технологических процессов изготовления подшипников
Все предприятия машиностроительного производства
различаются организационным типом производства: от единичного до массового.
Разделение зависит от производимой продукции, оборудованию и технологии
изготовления.
Различные машиностроительные предприятия
значительно отличаются друг от друга по характеру создаваемой продукции,
применяемому оборудованию, и технологическим процессам. В зависимости от этих
факторов предприятия подразделяются на несколько организационных типов
производства.
Для единичного производства характерно
применение универсальных станков и универсальной технологической оснастки,
применяется инструментов из каталогов, часто применяются станки с ЧПУ;
разработанный технологический процесс осуществляется по маршрутным картам, так
как на станках работает высококвалифицированный персонал. Номенклатура
выпускаемых изделий обширна, но их годовая программа незначительна; персонал
высококвалифицированный; присутствуют в большей степени ручные доводочные
операции; сборка изделий осуществляется вручную; трудоемкость изготовляемых
изделий и их материалоемкость велика; длительный срок изготовления из-за
применения низко производительных универсальных станков и применении ручного
туда.
Для серийного производства характерно
изготовление продукции небольшой номенклатуры. Можно выделить три группы:
мелкая серия, средняя серия и крупная серия. Главной чертой серийного
производства является организация рабочих мест для совершения однотипных технологических
операций. Так же, как и в единичном производстве, применяются универсальные
станки и универсальная технологическая оснастка, но также используются
специальные станки и широкое распространение получили станки с ЧПУ и станки
типа обрабатывающие центры.
Для массового производства характерно
изготовление однородной продукции одной номенклатуры в течении продолжительного
срока, высокой степенью не только механизации, но и высоким уровнем
автоматизации. Высокое распространение получили специализированные станки,
станки-автоматы и автоматические линии. Главной чертой массового производства
является унификации и стандартизация производимых изделий.
В массовом производстве рабочие места узко
специализированы, направленны на выполнение одной технологической операции.
Рабочая сила невысокой квалификации. Высокий уровень загрузки оборудования,
высокая производительность труда.
Технологический процесс производства подшипника
состоит из:
- получение колец;
- изготовление тел качения;
- производство сепараторов;
- сборочные операции;
- контроль.
Сборочные операции по сборке подшипников качения
автоматизированы.
Последовательность сборки подшипника:
- тела качения располагают на дорожке качения
наружного кольца в таком количестве, чтобы можно было произвести установку
внутреннего кольца без повреждений подшипника;
- устанавливается внутреннее кольцо
подшипника, которое центрируется благодаря опоре на точки контакта тел качения
с дорожкой качения;
- тела качения распределяются по
окружности равномерно посредствам разгонки и фиксируются при помощи змеевидного
полусепоратора;
- производится соединения двух
полусепараторов путем точечной сварки.
1.3 Дефекты подшипников
В большинстве случаев причину отказа подшипника
можно установить при помощи внешнего осмотра или путем замера зазоров.
Изнашивание рабочих поверхностей -
самый распространённый дефект подшипников качения. Мелкая пыль, стружка, песок,
частицы абразива и т.д. соединяясь со смазочным маслом вызывает абразивное
изнашивание материала подшипника и уменьшение срока его службы. Зазоры и
вибрации подшипника увеличиваются. Сопровождается утратой рабочими
поверхностями характерного блеска.
При предотвращении попадания разного рода
загрязнений в корпус подшипника качения величины допускаемых зазоров и вибраций
не увеличиваются даже при более длительном сроке службы, указанным
производителем, что свидетельствует о отсутствии абразивного износа подшипника.
Основными причинами попадания загрязнений в
подшипник качения могут быть: неточности сборки и установки, низкая культура
производства, нарушение технологии хранения масла и низкое его качество,
неправильное обслуживание.
Износ роликовых подшипников сопровождается
появлением выступа на теле качения, а также износом борта.
Коррозия так же увеличивает абразивный износ.
Продукты коррозии, которые соединяются с маслом, вызывают износ рабочих
поверхностей. По этой причине подшипники со следами коррозии даже на нерабочих
поверхностях отбраковываются.
Величины допустимых зазоров подшипников
определяются ГОСТами, нормативными актами и практикой пользования.
Усталостное выкрашивание материала дорожек
качения подшипников возникает вследствие усталости металла от многократных
нагружений от тел качения на дорожки качения подшипника. Величина выкрашивания
зависит от времени работы подшипника после возникновения очага усталости в виде
трещин. Интенсивность выкрашивания зависит от удельной нагрузки на дорожки
качения и тела качения, частоты вращения и вибраций. Подшипники, подверженные
усталостному износу к работе не допускаются.
Причинами усталостного выкрашивания могут стать:
усталость металла после отработки рассчитанного срока работы подшипника;
увеличение нагрузок вследствие погрешностей монтажа; плохое качество
подшипника.
Усталостное выкрашивание после рассчитанного
срока службы закладывается в расчеты при проектировании подшипниковых узлов и
разработке расписания плановых ремонтных работ по замене подшипников в узлах
машин.
Монтаж может привести к повышению нагрузок,
действующих на кольца и тела качения подшипников, что может привести к
увеличению износа.
Так же при монтаже подшипников могут быть
повреждены рабочие поверхности подшипника, что приводит к снижению
работоспособности.
Перекос, несосонсоть вала и посадочного места
подшипника могут стать причинами выкрашивания роликовых подшипников качения и
перекоса их колец
Причинами уменьшения срока службы подшипника
могут стать такие факторы при изготовлении:
- нарушение режима термообработки,
приводящие к изменению твердости колец подшипника, устанавливается замерами
твердости и проверкой в лаборатории структуры металла;
- шлифовочный ожог - местный отпуск
(понижение твердости) в результате кратковременного резкого повышения
температуры при шлифовке, выявляется в лаборатории травлением в 3-6%-ном водном
растворе азотной кислоты;
- несоблюдение геометрических
размеров, зазоров и биений колец; неточность в изготовлении тел качения. Замеры
проводятся в лаборатории;
- плохое качество сырья - крупные
неметаллические включения, шлаковые раковины, неоднородности материала и др.,
выходящие на рабочую поверхности деталей подшипника; выявляются
металлографическими методами исследований в лабораториях.
Изменение цвета рабочих поверхностей подшипника
может свидетельствовать о неправильном монтаже подшипника, приводящим к большим
натягам и, как следствие, к уменьшению зазоров, что в свою очередь приводит к
нагреву и повышению износа.
При нагрузках и оборотах, выше штатных, цвета
побежалости, перегрев и заклинивание подшипника могут явиться последствие
выкрашивания металла с дорожек качения и увеличению трения между телами качения
и поверхностями колец.
Следует отметить, что характер разрушения
подшипника при работе без смазки и от усталостного выкрашивания поверхности
деталей различен.
Подшипники с цветами побежалости на рабочих
поверхностях деталей к дальнейшей работе непригодны.
Разрушение сепараторов, полученных штамповкой,
происходит по следующим причинам [6]:
- от касания о кольцо из-за износа
гнезд сепаратора или некачественного его изготовления; у подшипников малых
размеров с диаметром отверстия менее 10 мм касание о кольцо допускается, но в
этом случае чистота бортов и допуска на геометрию ужесточены;
- от появления выкрашивания металла на
рабочих поверхностях дорожек колец; при появлении выкрашивания металла дорожках
качения колец нагрузки на сепаратор возрастают; поэтому, если на кольцах
имеется выкрашивание металла, то разрыв сепаратора является его следствием;
- разрушение массивных сепараторов
происходит также: из-за износа сепаратора по центрирующим поверхностям- при
этом возникают дополнительные нагрузки на сепаратор, которые с увеличением
износа возрастают; поэтому у разрушенного сепаратора необходимо внимательно
осмотреть состояние центрирующих поверхностей;
- как следствие выкрашивания на
дорожках качения колец и работы подшипника с недостаточным количеством смазки.
Подшипники с разрушившимся сепаратором
отбраковываются. Кроме того, к дальнейшей работе не допускаются подшипники,
имеющие износ сепаратора, трещины, грубые забоины, обрыв заклепок.
После осмотра подшипник проверяется на легкость
вращения. Проверка производится медленным вращением от руки наружного кольца
относительно внутреннего в горизонтальной плоскости. При заеданиях и
притормаживаниях производится повторная промывка в бензине. Если ненормальности
не устраняются, нужно тщательнее осмотреть рабочие части. Для проверки наличия
зазора между штампованным сепаратором и кольцами отверткой или другим
инструментом перемещают сепаратор из одного крайнего положения в другое.
Сепаратор не должен касаться бортов колец.
Процесс массового царапания при шлифовании,
протекающий на весьма высоких скоростях, создает в поверхностном слое
огромнейшее число высокотемпературных очагов.
Различают мгновенную температуру резания и
установившуюся температуру поверхностного слоя. Мгновенная температура возникает
в период снятия стружки абразивным зерном, резко достигает весьма большой
величины и практически мгновенно отводится в массу металла шлифуемого изделия.
Высокие мгновенные температуры могут привести к
структурным изменениям в закаленных сталях, появлению ожогов и шлифовочных
трещин, т. е. к порче поверхностного слоя. Местное изменение структуры
поверхностного слоя шлифуемой детали (ожог), образующееся в результате высоких
мгновенных температур и интенсивного выделения тепла на весьма небольших участках
поверхностного слоя детали вызывает снижение механических свойств
поверхностного слоя, главным образом снижение его твердости и
износоустойчивости.
Чрезмерный, практически мгновенный, местный
нагрев поверхностного слоя детали может быть вызван следующими причинами:
- завышенными режимами шлифования - чрезмерно
большой толщиной слоя, снимаемого одним абразивным зерном, в результате чего
развивается значительное давление абразивных зерен на шлифуемый металл и
интенсивный его нагрев;
- неправильно выбранным (слишком
твердым) шлифовальным кругом, также развивающим чрезмерно большое давление
абразивных зерен на шлифуемый металл;
- недостаточным охлаждением при
шлифовании твердых (закаленных) сталей;
- биением круга, некачественной
установкой детали в центрах станка.
В настоящие время для осуществления контроля
ожогов в подшипниковой промышленности и в частности на Вологодском
подшипниковом заводе применяются установки для контроля колец подшипников на
ожоги, однако эта установка имеет ряд недостатков:
- низкая производительность;
- неудобство закрепления.
Поэтому целью ВКР является разработка
конструкции и технологии изготовления привода установки для контроля колец
подшипников на ожоги. исходя из поставленной цели необходимо решить ряд задач:
- рассчитать и спроектировать привод;
- произвести инженерный анализ
напряженно-деформированного состояния детали;
- разработать каталог узла привода;
- разработать технологический процесс
изготовления детали;
- разработать конструкцию специального
инструмента.
2. КОНСТРУКТОРСКАЯ ЧАСТЬ
2.1 Описание работы
установки контроля подшипников качения на ожоги
Установка для контроля колец на ожоги,
технические характеристики которой приведены в таблице 1, служит для контроля
дорожек качения колец подшипников на ожоговые пятна электрофизическим методом с
помощью прибора АПС ВС-47 НД-111Е.
Таблица 1 - Техническая характеристика
|
Параметр
|
Единица
измерения
|
Значение
|
|
Наружный
диаметр наружного кольца
|
мм
|
До
130
|
|
Внутренний
диаметр наружного кольца
|
мм
|
30-110
|
|
Диаметр
отверстия внутреннего кольца
|
мм
|
Не
менее 12
|
|
Внешний
диаметр внутреннего кольца
|
мм
|
15-130
|
|
Высота
контролируемых колец
|
мм
|
6-40
|
|
Радиус
дорожки качения
|
мм
|
0-10
|
|
Угол
поворота датчика
|
град.
|
-90…+90
|
|
Частота
вращения шпинделя
|
об/мин
|
120;240;360
|
|
Напряжение
питающей сети
|
В
|
380
|
|
Частота
тока
|
Гц
|
50
|
|
Установленная
мощность
|
кВТ
|
0,16
|
|
Габаритные
размеры
|
мм
|
650×460×426
|
|
Масса
|
кг
|
48
|
Установка состоит из шпинделя, устройства
сканирования, датчика, электропривода шпинделя, электрооборудования,
электронного прибора, основания и ограждения.
На основании на стойке размещается
электропривод, состоящий из реверсивного электродвигателя РД-09
и круглоременной передачи, передающей вращение шпинделю. Шпиндель вращается в
подшипниках качения и имеет конусный хвостик для посадки оправок, базирующих
контролируемые кольца подшипников.
Устройство сканирования устанавливается на плите
основания и имеет следующую конструкцию: на стойках закреплена направляющая по
которой перемещается в направлении перпендикулярном оси шпинделя ползун. Столик
имеет возможность вращаться на оси корпуса, корпус при наладке может
перемещаться относительно ползуна параллельно оси шпинделя, для регулировки
положения щупа датчика по центру дорожки качения контролируемого кольца.
Салазки с державкой имеют возможность перемещаться по направляющим относительно
столика, что необходимо для обеспечения требуемого радиуса сканирования.
Рабочее движение - качание датчика при ощупывании поверхности дорожки качения,
обеспечивается вращением с помощью ручки, столика с державкой вокруг оси
относительно неподвижного корпуса. В салазках установлен подпружиненный валик,
на котором, с помощью кронштейна, закреплена державка. Валик имеет ручку, с
помощью которой датчик отводится от кольца и державка поворачивается на 60°
обеспечивая свободный доступ к шпинделю, при смене контролируемого кольца. На
пульте управления электрооборудования расположен вводный выключатель, тумблер
включения электродвигателя, сигнальная лампочка и предохранители. На задней
стенке электрошкафа имеются устройство для ввода металлорукава и разъем для
подключения прибора АПС ВС-47 НД-111E.
Сам прибор устанавливается на столик электрошкафа, расположенный над
электрошкафом.
Работа установки. На шпиндель устанавливается
оправка, соответствующая контролируемому кольцу. При неподвижном шпинделе на
оправке базируется кольцо, включается электропривод вращения шпинделя. Валик с
державкой и датчиком с помощью ручки подводится к кольцу и щуп датчика вводится
в контакт с дорожкой качения, электронный привод включается на измерение. С помощью
ручки меняется положение щупа датчика относительно дорожки качения кольца.
Дорожка качения проверяется в трех сечениях -
по дну желоба и двум его краям. Электронный прибор анализирует состояние
поверхности дорожки качения на наличие ожоговых пятен и в зависимости от
результатов измерения дает информацию, в виде световой индикации на передней
панели прибора "годен” или "брак" (загорается соответствующая
лампочка). Оператор выключает прибор и привод шпинделя, отводит датчик от
кольца, снимает кольцо с оправки и отправляет его в годные или бракованные.
2.2 Расчёт ремённой
передачи
Данные: мощность ведущего шкива N1=0,16
кВт; частота вращения ведущего шкива n1=76 мин-1; частота вращения ведомого
шкива n2=320 мин-1.
Для данной передачи примем
резинотканевый ремень
<#"898112.files/image004.gif"> (1)
где n1 - частота вращения ведущего
шкива, мин-1;- частота вращения ведомого шкива, мин-1.
Диаметр ведущего шкива по формуле.
мм (2)
Где N1 - мощность
ведущего шкива, кВт;
n1 - частота
вращения ведущего шкива, мин-1.
Примем d1=150 мм.
Проверим ремень по допускаемой
скорости по формуле:
м/с (3)
Где
n1 - частота вращения ведущего шкива, мин-1;- диаметр ведущего шкива, м.
Выбранный
ремень по скорости подходит.
Диаметр шкива шпинделя при относительном
скольжении ремня ξ=0,01 по
формуле:
мм (4)
Где
i - передаточное отношение;- диаметр ведущего шкива, мм.
В
соответствии с ГОСТ 17383-73 d2=100 мм
Межосевое
расстояние передачи в соответствии с формулой
мм (5)
Где
d1 - диаметр ведущего шкива, мм;- диаметр ведомого шкива, мм.
Угол
обхвата ремнём меньшего шкива по формуле:
(6)
Где
d1 - диаметр ведущего шкива, мм;- диаметр ведомого шкива, мм.
Расчётная
окружная сила по формуле:
H, (7)
Где
kд=1 - коэффициент динамической нагрузки;- мощность ведущего шкива, кВт;-
скорость ремня, м/с.
Для
расчёта ремня по тяговой способности вычислим расчётное допускаемое полезное
напряжение [k].
Значения
корректирующих коэффициентов из табл. kv=1; ka=1; kb=0,9.
Допускаемое полезное напряжение для ремня
Мпа, (8)
Требуемая по тяговой способности площадь
поперечного сечения ремня по формуле:
м2, (9)
Где Ft - окружная сила, Н;
[k] - расчётное допускаемое полезное
напряжение, Мпа.
А=0,00008101 м2=33,64 мм2
Ширина ремня:
мм, (10)
где А - площадь поперечного
сечения ремня, мм2;
d
- толщина ремня, мм.
Расчётная длина ремня по формуле:
мм (11)
Где
d1 - диаметр ведущего шкива, мм;- диаметр ведомого шкива, мм.
Принимаем
L=570 мм.
Проверим
ремень на долговечность по частоте его пробегов в секунду по формуле:
с-1, (12)
Где
v - скорость ремня, м/с;- длина ремня, м.
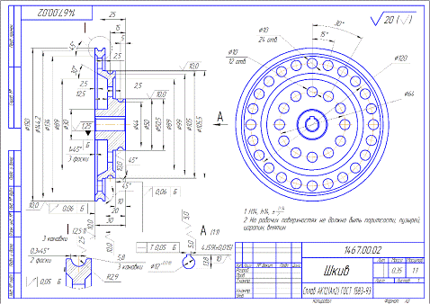
2.3 Инженерный анализ
напряжённо-деформированного состояния
Целью данного раздела анализ состояния детали
«шкив» во время действия нагрузок.
На шкив действует два вида нагрузок: нормальная
сила и крутящий момент. Чертёж детали и ее 3D модель представлены на рисунке.
Состояние шкива при нагрузках было исследовано средствами программного
обеспечения APM WinMachine. Исходные данные для расчета были взяты из паспорта
установки и чертежей деталей и узлов, а также из расчета круглоременной
передачи из пункта 2.2
Рисунок 2.1 - Шкив
Далее исходя из полученных результатов расчета
круглоременной передачи в модуле создания моделей для прочностного
(конечно-элементного) анализа APM Studio была создана модель данного шкива и
заданы такие параметра, как материал (Д16Т), закрепления и создана конечно
элементная сетка, которая в дальнейшем была предана в модуль расчета
напряженно-деформированного состояния APM Structure3D. В данном модуле были
заданы соответствующие нагрузки. Результаты расчета представлены на рисунках
2.2, 2.3 и 2.4.
Рисунок 2.2 - Эпюра коэффициента запаса по
пределу текучести
Рисунок 2.3 - Эпюра напряжений
Рисунок 2.4 - Эпюра перемещений
По полученным результатам можно сделать вывод
что шкив работоспособен, т.к. минимальный коэффициент запаса равен 23,01.
3. ТЕХНОЛОГИЧЕСКАЯ
ЧАСТЬ
.1 Разработка
технологического процесса изготовления детали «Шкив»
Разработать рабочий технологический процесс
изготовления детали «Вал» применительно условиям ВПЗ.
Исходные данные:
- Конструкторский чертёж до
модернизации (см. приложение);
- Годовая программа изготовления 50
штук;
- Сведения для проектирования (в
действующем производстве имеются):
- литейное оборудование для
изготовления ступенчатых отливок;
- металлорежущие станки: токарные
станки с ЧПУ, долбежные станки с ЧПУ, фрезерно-сверлильные станки с ЧПУ,
полировальные станки;
- термическое оборудование: закалочная
электропечь;
- слесарное оборудование для слесарных
и полировальных работ;
- станочные приспособления: тиски,
оправки;
- инструментальные приспособления:
резцедержатели;
- режущие инструменты: токарные резцы,
свёрла, деревянные бруски для полирования;
- средства измерения: биениемер;
- рабочие-станочники высокой
квалификации;
- специальная технологическая оснастка
- сборный долбежный резец для
долбежных станков с ЧПУ, состоящий из:
- твердосплавной вставки;
- державки с рифлёным пазом;
- разрезного адаптера.
3.1.1 Описание
конструкции и назначение детали
Деталь - «шкив», тело вращения с тремя ступенями
и сквозным центральным отверстиями со шпоночным пазом, тремя ручьями круглого
сечения и сквозными отверстиями по торцам, равномерно распределенными по
окружности. Имеются точные поверхности. В сборке представляет собой деталь,
которая необходима для передачи вращательного момента на шпиндель установки. На
валу привода шкив фиксируется при помощи шпонки. Шкив изготовлен из материала
Д16Т (дюралюминий, сплав алюминия с магнием и медью), химический состав
которого приведён в таблице 2, механические свойства в таблице 3.
Таблица 2 - Химический состав в % материала Д16Т
(ГОСТ 4784-97.)
|
Al
|
Si
|
Mn
|
Cr
|
Ti
|
Fe
|
Cu
|
Mg
|
Zn
|
|
90,9-94,7
|
до
0,5
|
0,3-0,9
|
до
0,1
|
до
0,15
|
До
0,5
|
3,8-4,9
|
1,2-1,8
|
до
0,25
|
Таблица 3 - Механические свойства сплава Д16Т
|
Состояние
поставки, режим термообработки
|
σ0,2
(МПа)
|
σв(МПа)
|
δ5
(%)
|
KCU
(кДж / м2)
|
HB
|
|
Закалка
и старение
|
300
|
440
|
20,0
|
250
|
105
|
Сплав Д16Т имеет лучшие технологические
свойства, чем конструкционные и легированные стали. Закалка производится для
улучшения механических и технологических свойств материала.
Возможна замена дюралюминия другими сплавами на
основе алюминия: АЛ8, АЛ26, АК5М7, а также различными пластмассами.
3.1.2 Технологический
контроль чертежа детали
Чертеж содержит всю необходимую информацию для
технологического проектирования. В соответствии с требованиями ЕСКД.
Изображение конструкции детали адекватно.
Изначальный материал детали (сплав АЛ2) заменен
на сплав Д16Т.
Конструкторский чертёж выполнен на А3 1:1 другие
масштабы дают искаженно представление.
На рабочем чертеже обрабатываемой детали указана
недопустимо низкое значения шероховатости.
Вносим в чертёж все необходимые дополнения,
дающие полное представление о детали.
После внесения дополнений на чертеже находятся
все проекции, разрезы, совершенно чётко и однозначно поясняющие её конфигурацию
и вероятные виды производства заготовки. В чертеже обозначены все параметры с
нужными отклонениями, необходимая шероховатость и точность обрабатываемых
поверхностей. Чертёж имеет всю нужную информацию о материале детали. Рабочий
чертеж отвечает актуальным на данный момент стандартам.
3.1.3 Анализ
технологичности конструкции детали
Главной задачей исследования является проработка
технологичности конструкции обрабатываемой детали, уменьшение трудоёмкости,
вероятность обработки высокопроизводительными методами.
Проведенный анализ показал:
Материал, из которого сделана деталь - сплав
Д16Т, легко обрабатывается лезвийными инструментами, требуется закалка и
старение, невозможна шлифовка, для обеспечения заданной шероховатости
необходимо полирование.
Деталь - шкив. Форма поверхностей:
цилиндрические, конические, ручьи круглого сечения.
Конструкция нежесткая.
Для контроля требуется высококачественные
средства измерения.
Необходима полировка для обеспечения необходимых
требований по точности и шероховатости.
Поскольку годовой проект выпуска нужной детали
довольно мал (мелкосерийное производство при выпуске годовом 20 - 50 шт.), то
будет лучше использование методов высокопроизводительных обработки. Особенно,
применение токарных станков с ЧПУ, долбежных станков с ЧПУ, сверлильных станков
с ЧПУ, полировальных станков.
Для обработки шпоночного паза применяется
сборный долбежный резец для долбёжных станков с ЧПУ.
В целом деталь технологична.
3.1.4 Выбор способа
изготовления заготовки
Выбор заготовки связан с исходными комплексами.
При выборе заготовки учитывается: материал,
возможные изменения материала на другой, формы поверхностей, размеры и их
соотношение, жёсткость детали, тип производства, точность детали, требуемая
точность заготовки, наличие в действующем производстве необходимого
оборудования, а вдобавок экономичностью изготовления. Варианты заготовок, это
1, 2-х, 3-х ступенчатые с центральным отверстием, выбираем более экономичный по
расходу материала [7].
Экономическое обоснование:
(13)
Где C - себестоимость заготовки;
А - изготовление заготовки;
В - механическая обработка;- масса;- сложность;-
точность;- соотношение;- точность заготовки;- точность обработки;- не
обрабатываемые участки.
(15)
(16)
Размеры заготовок представим на рисунке 3.1.

а) б) в)
Рисунок 3.1 - Эскиз заготовки:
а-одноступенчатая заготовка; б-двухступенчатая заготовка; в-трехступенчатая
заготовка с центральным отверстием
Выбираем трёхступенчатую заготовку с центральным
отверстием.
3.1.5 Выбор плана
обработки детали
Предварительно выбираем следующий
технологический маршрут обработки.
Заготовка: отливка
- Термическая обработка: закалка.
- Токарная с ЧПУ: обработать деталь по
программе.
- Токарная с ЧПУ: обработать деталь по
программе.
- Долбежная с ЧПУ: обработать деталь
по программе.
- Токарная с ЧПУ: обработать деталь по
программе.
- Сверлильная с ЧПУ: обработать деталь
по программе.
- Слесарная: зачистить деталь.
- Полировальная: полировать поверхности
ручьев до Ra 0,63.
- Контроль.
3.1.6 Выбор и расчёт
припуска на обработку
Главным значением в процессе проектирования
операций технологических механической обработки деталей обладают припуски.
Грамотный выбор припусков на обработку, включает экономию трудовых ресурсов и
материала, качество выпускаемой продукции. Размер припусков для обработки и
допуски на размеры заготовок зависят от следующих факторов:
- материала заготовки,
- конфигурации и размеров заготовки,
- вида заготовки и способов её получения,
- требований в отношении обработки
механической,
- технических условий касательно
класса и качества шероховатости плоскости, точности параметров заготовки.
Рисунок 3.2 - Схема расчётов припусков
Из этого следует, что размер общего припуска
обуславливается от толщины слоя дефектного, который снимут, припусков на
промежуточные операции, погрешности установки, шероховатости поверхности.
Общий припуск на обработку:
мм (17)
3.1.7 Предварительное
техническое нормирование
Продолжительность выполнения операций от 2 до 5
минут (максимально 10 минут) основные и холостые ходы.
3.1.8 Определение типа
производства
(18)
Где N
- годовая программа выпуска, шт;
- среднее штучное время
техпроцесса, мин;
Тип производства единичное, т.к. годовая
программа изготовления 50 штук [8].
3.1.9 Выбор
оборудования
Подбор станков проводится посредством таких
условий, как точность обработки, метод обработки, габаритных размеров
заготовки, обеспечение заданной производительности, расположение размеров
обрабатываемых поверхностей, численность инструментов в наладке станка,
эффективность работы станка по времени, мощности и др.
В ходе обработки детали применяется несколько
видов станков:
- Токарный станок
ЧПУ:
Tormach 15L Slant-PRO.
- Долбежный станок с ЧПУ: CNC-500.
- Сверлильный станок с ЧПУ: Mark Super
CNC.
- Полировальный станок: ART.94
3.1.10 Выбор режущего
инструмента
Подбор режущих инструментов происходит в
зависимости от метода обработки, формы и размеров обрабатываемой поверхности,
её точности, шероховатости, от обрабатываемого материала, заданной
производительности и периода стойкости. Режущие инструменты обязаны обладать
высокой режущей способностью (стабильной размерной стойкостью при высоких
режимах резания), обеспечить вероятность быстрой и комфортной замены, наладки в
процессе работы, формировать транспортабельную стружку и отводить её от зоны
обработки без нарушения стандартной работы оборудования [9].
В таблице 4 указаны параметры об инструменте
режущем, и применяемом при обработке детали, по данным справочным.
Таблица 4 - Выбор режущего инструмента
|
Операция
и переходы
|
Режущие
инструменты
|
Мат-ал
режущей части
|
ГОСТ
инструмента
|
|
1
|
2
|
3
|
4
|
|
Токарная
с ЧПУ
|
Резец
подрезной
|
ВК8
|
ГОСТ
20872-80
|
|
Резец
проходной
|
ВК8
|
ГОСТ
18877-73
|
|
Токарная
с ЧПУ
|
Резец
подрезной
|
ВК8
|
ГОСТ
20872-80
|
|
Резец
проходной
|
ВК8
|
ГОСТ
18877-73
|
|
Резец
проходной
|
ВК8
|
ГОСТ
18877-73
|
|
Сверло
 ,8Р6М5ГОСТ 10902-77
|
|
|
|
Расточной
резец
|
ВК8
|
ГОСТ
18882-73
|
|
Долбежная
с ЧПУ
|
Сборный
долбёжный резец с твердосплавной вставкой для долбёжных станков с ЧПУ
|
Т15К6
|
-
|
|
Токарная
с ЧПУ
|
Резец
проходной
|
ВК8
|
ГОСТ
18881-73
|
|
Резец
проходной
|
ВК8
|
ГОСТ
18881-73
|
|
Резец
контурный
|
ВК8
|
ГОСТ
18881-73
|
|
Резец
контурный
|
ВК8
|
ГОСТ
18881-73
|
|
Сверлильная
с ЧПУ
|
Сверло
 Р6М5ГОСТ 10902-77
|
|
|
|
Полировальная
|
Притир
деревянный
|
Дуб
|
-
|
3.1.11 Выбор средств
измерения
Подбираем инструмент контроля и измерения
размеров, который зависит от вида производства, размера допуска параметра,
контролируемого для каждой операции и занесём в таблицу 5.
Таблица 5 - Выбор средств измерения
|
№
|
Операция
|
Средство
измерения
|
|
1
|
Контроль
|
Биениемер
ПБ-250
|
3.1.12 Выбор
вспомогательных инструментов
К дополнительным инструментам относятся стойки
для резцов, державки, направляющие втулки. Подбор происходит в зависимости от
конструкции хвостовика режущего инструмента, конструкции посадочного места на
станке, длины обрабатываемой поверхности, требуемой жёсткости и точности
средства, требований замены и корректировки инструмента.
3.1.13 Выбор
приспособления
Приспособление станочное подбираем с
требованием, для обеспечения нужного надежного закрепления и базирования детали
на операциях, сильную жесткость поставленной на станке детали, учитывая
реальность автоматизации обработки и прочих условий.
Цанговый патрон, тиски, оправка
3.1.14 Расчёт режимов
резания
Режимы обработки были выбраны в соответствии с
рекомендациями ПО «Вертикаль». Полученные режимы резания приведены на рисунке
3.3.
Рисунок 3.3 - Режимы обработки
3.1.15 Разработка
управляющей программы для станка ЧПУ составленная с помощью программы SprutCAM.
Текст управляющей программы для токарного станка
с ЧПУ для обработки детали «Шкив» приведен в Приложении 3.
3.2 Разработка
конструкции специального инструмента
В настоящее время в машиностроении большое
развитие получили станки с числовым программным управлением. Станки с ЧПУ
позволяют производить детали очень сложных конфигураций. Для обеспечения
станков с ЧПУ необходим специализированный инструмент. В частности, одной из
групп станков, которая получает большое развитие стлали долбежные станки с ЧПУ.
Для обработки различных профилей необходим режущий инструмент разной геометрии.
Режущий инструмент - это инструмент для обработки резаньем, т.е. удаления части
материала со стружкообразованием. Новый инструмент позволяет повысить
производительность производства, повысить качество продукции. В настоящий
момент большое очень востребован твердосплавный инструмент [10].
3.2.1 Техническое
задание
Шпоночный долбёжный резец шириной 4 мм. и
вылетом 30 мм.
В процессе проектирования необходимо определить:
- Форму вставки.
- Материал режущей части и корпусных
деталей.
- Назначить геометрию вставки.
- Выбрать способ закрепления вставки в
корпусе резца.
.2.2 Литературный обзор
Долбежный резец - это режущий инструмент,
применяемый на долбежных станках. Во время обработки долблением главное
движение резание- поступательное движение резца, движение подачи совершает стол
станка. движение подачи может быть поступательным и вращательным. Крепление
долбежных резцов на долбежных станках ЧПУ отличается от способа крепления на
универсальных долбежных станках. Этим и обусловлена разница в контракции
долбежных резцов для станков с ЧПУ и без ЧПУ.
Долбёжные резцы подразделяются на:
- шпоночные;
- проходные односторонние или
двухсторонние;
- прорезные;
- для долбежных станков с ЧПУ
распространение получили контурные долбёжные резцы;
- долбежные резцы для обработки
зубчатых колес.
Шпоночный долбежный резец - это инструмент,
предназначенный для обработки шпоночных пазов на долбежных станках. Данный вид
долбежного резца узко специализирован. Конструкция шпоночного долбежного резца
приведена на рисунке 3.4. Ширина шпоночного долбежного резца должна совпадать
точно совпадать, а вылет резца зависит от длины паза. форма хвостовика
прямоугольная. В разрабатываемом резце для крепления твердосплавной вставки в
корпус резца используется принцип заклинивания в пазу с рифлениями. Данный метод
выбран исходя из условий работы резца. Во время долбления на резец девствуют
силы, направленные вдоль направления долбления под небольшим углом.
Заклинивание позволяет без применения дополнительных крепежных элементов
достаточно точно и надежно зафиксировать положение вставки из твердого сплава
относительно корпуса резца и обрабатываемой детали.
Рисунок 3.4 - Шпоночный
долбежный резец
.2.3 Техническое
проектирование
При разработке инструмента предусматривались
последующие положения:
. Резец должен устанавливаться на все
модели долбежных станков с ЧПУ без дополнительной острастки.
2. Установка вставки производится в
клиновой паз с рифлениями.
. В связи большим спектром обрабатываем
типоразмеров пазов необходимо обеспечение возможности установки вставок
различных размеров и форм, в том числе и не шпоночных.
. Корпус резца должен быть досочно
жестким и простым в изготовлении.
Рассмотрим данную конструкцию более подробно:
- Твёрдосплавная режущая вставка (см.
рисунок 3.5).
- Стержень-державка.
- Твёрдосплавная режущая вставка.
- Матрица для изготовления
твёрдосплавной вставки
Предлагаю вставку из твёрдого сплава для
обработки шпоночных пазов.
Вставка можно разделить на три части: рабочая
часть в форме пирамиды; переходная часть, обеспечивающая достаточный вылет;
заделка, представляющая из себя самотормозящий клин с углом в 6° с рифлениями
на одной плоскости. Вставка по периметру ограничена взаимно параллельными
плоскостями для облегчения их производства методом порошковой металлургии.
Линейные и угловые размеры вставки обеспечивают достаточный вылет резца и в
целом работу инструмента.
Рисунок 3.5 - Твердосплавная
вставка
Державка представляет собой стержень круглого
сечения с поперечным пазом и поперечным овальным отверстием, смещенным от оси
для обеспечения расклинивания вставки и державки. Державка представлена на
рисунке 3.6. Длина державки обеспечивает необходимую глубину обработки. На
поверхности, лежащей на оси стержня, нанесены рифления. Рифления сделаны по
всей ширине паза для возможности установки вставок различной ширины. Посадка
державки в отверстие адаптера осуществляется с натягом.
Рисунок 3.6 - Стержень-державка
Адаптер представляет собой разрезной
параллелепипед с центральным продольным отверстием с обнижением. Обнижение
служит для сбора возможных загрязнений, попавших на поверхность отверстия во
время сборки. Разрезы предназначены для создания необходимой прижимной силы без
больших пластических деформаций самого адаптера и сохранения точности
позиционирования. Прямоугольная форма адаптера выбрана для облегчения установки
резца на станке. Конструкция адаптера представлена на рисунке 3.7.
Рисунок 3.7 - Разрезной адаптер
Державка и адаптер изготовлены из
конструкционной стали. Возможна установка не только твердосплавных пластин, но
и ножей из быстрорежущей или легированной инструментальной сталей. Стальные
ножи производятся обработкой резанием.
Твердосплавные пластины изготавливаются методом
порошковой металлургии с прессованием в жесткой пресс-форме из твердых сплавов
марки Т5К10 и Т5К12. Пресс-форма представлена на рисунке 3.8. Пресс-форма
состоит из сборной матрицы, нижнего и верхнего пуансонов.
Рифления, поверхности и углы формируются
торцевыми поверхностями пуансонов. Пуансоны могут быть извлечены из матрицы для
обработки (создание поверхностей и нанесение рифлений) и иметь цельную или
сборную конструкцию (для разных форм вставок). Для упрощения производства
режущей пластины, она ограничена по периметру взаимно параллельными плоскостями
[11].
Рисунок 3.8 - Матрица для
изготовления твёрдосплавной вставки
Вставка в корпус резца устанавливается при
помощи небольшого усилия без применения специальной оснастки. Штатное
извлечение долбежной вставки осуществляется при помощи клина рычага оператором
станка. Для этого в корпусе резца предусмотрено овальное отверстие, в которое
вставляется клин и при помощи небольшого удара медным молотком извлекается
вставка.
.2.4 Применение
долбежного резца
Данный шпоночный резец узкоспециализирован для
обработки именно такого размера шпоночного паза. Однако сам корпус может
использоваться для проведения самых различных обработок долбления при помощи
замены твердосплавных вставок на другие, такие как контурные, проходные,
долбяки для обработки зубчатых колес. Благодаря форме лезвия шпоночная вставка
способна обрабатывать не только шпоночное пазы, но и простые прямоугольные
формы отверстий и профилей.
3.2.5 Практическая
ценность
Предложенный унифицированный корпус и
твердосплавная вставка для обеспечит долбежные станки с ЧПУ необходимым
инструментом, уменьшит трудоемкость обработки долблением. Простая конструкция
универсального корпуса долбежного резца может быть произведена на большинстве
машиностроительных предприятий и позволяет использовать один и тот же корпус
для обработки различным долбежным инструментом при помощи замены вставок.
ЗАКЛЮЧЕНИЕ
В ходе работы над проектом были решены следующие
задачи:
- был произведен расчет круглоременной передачи и
спроектирован шкив привода установки для контроля колец подшипников качения на
ожоги d1=150 мм, d2=30
мм;
- был проведён инженерный анализ напряжённо-деформированного
состояния детали «Шкив»;
- был разработан каталог приводного
узла;
- был создан технологический процесс
изготовления детали «Шкив»;
- была спроектирована конструкция
инструмента специального назначения.
После проведения модернизации привода были
внесены следующие изменения:
- заменён материал шкива на более технологичный
(сплав Д16Т);
- изменена конструкция шкива привода;
Благодаря этому увеличена производительность
установки, точность контроля.
Описание применимости.
Современный рынок диктует выпуск продукции,
снабжённой электронной документацией и обладающей средствами интегрированной
логистической поддержки всех производственных стадий. Заказчики выдвигают
требования, удовлетворение которых невозможно без внедрения CALS-технологий:
- представления конструкторской и технологической
документации в электронной форме;
- представления эксплуатационной и
ремонтной документации в форме интерактивных электронных руководств, снабжённых
иллюстрированными электронными каталогами запасных частей и вспомогательных
материалов, а также средствами дистанционного заказа запчастей и материалов;
- организации системы интегрированной
логистической поддержки изделий на стадиях жизненного цикла изделий;
- наличия и функционирования
электронной системы каталогизации продукции;
- наличия на предприятиях соответствия
стандартам ИСО 9000 системы менеджмента качества.
Выполнение списка требований с одной стороны
повышает конкурентоспособность всех (и малых в том числе) предприятий, с другой
стороны делает необходимостью подготовку кадров, обученных и способных решать
поставленные задачи. Конечными пользователями установки для контроля
подшипников качения на ожоги могут быть лаборатории контроля подшипников, а
также машиностроительные предприятия.
Список использованных источников
1. Анурьев,
В.И. Справочник конструктора-машиностроителя в 3 т. / В.И Анурьев. - Москва:
Машиностроение, 2006. - Т.1 - 937 с.; Т.2 - 969 с.; Т.3 - 937 с.
. Гузенков,
П.Г. Детали машин. Учебник для вузов. - 4-е издание, исправленное / П.Г.
Гузенков. - Москва: Высшая школа, 1986. - 359 с.: ил.
. Дунаев,
П.Ф. Конструирование узлов и деталей машин / Дунаев П.Ф., Леликов О.П. -
Москва: Высшая школа, 2008. - 447 с.
. Полетаев,
В.П. Детали машин: Методические указания к курсовому проекту. Расчёт и
конструирование валов / В.П. Полетаев, А.А. Усов- Вологда: ВПИ, 2012. - 23 с.
. Подшипники
качения. Справочник-каталог. Вологодский подшипниковый завод, 2012. - 188 с.
. Костюков,
В.Н. Основы виброакустической диагностики и мониторинга машин. Учебное пособие
/ В.Н. Костюков, А.П. Науменко - Омск: ОмГТУ, 2011. - 360 с.: ил.
. Монахов,
Г. А. Обработка металлов резанием. Справочник технолога / Г.А. Монахов. -
Москва: Машиностроение, 1974. - 600 с.
. Егоров,
М.Е. Технология машиностроения. Учебник для машиностроительных вузов / М.Е.
Егоров. - Москва: Высшая школа, 1976. - 534 с.
. Режущий
инструмент. Учебник для вузов / под редакцией Кирсанова С. В, 2-е издание,
дополнено. - Москва: Машиностроение, 2005. - 528 с.: ил.
. Автоматизация
выбора режущего инструмента для станков с ЧПУ: монография / В. И. Аверченков,
А. В. Аверченков, М. В. Терехов, Е. Ю. Кукло. - 2-е издание, стереотип. -
Москва: ФЛИНТА, 2011. - 151 с.
. Макаров,
А.Г. Разработка конструкции унифицированного долбежного резца со сменной
заклиниваемой рабочей частью/ А.Г. Макаров, С.В. Яняк // Поколение будущего:
взгляд молодых ученых. Сборник научных статей 5-й Международной молодежной
научной конференции. - Курск, 2016. -Т3. - С. 215-219