Модернизация конструкции станка для торцевания и центрования валков

  • Вид работы:
    Дипломная (ВКР)
  • Предмет:
    Другое
  • Язык:
    Русский
    ,
    Формат файла:
    MS Word
    1,42 Мб
  • Опубликовано:
    2016-12-09
Вы можете узнать стоимость помощи в написании студенческой работы.
Помощь в написании работы, которую точно примут!

Модернизация конструкции станка для торцевания и центрования валков

Введение

Машиностроение является основой научно-технического прогресса в различных отраслях народного хозяйства. Непрерывное совершенствование и развитие машиностроения связано с прогрессом станкостроения, поскольку металлорежущие станки вместе с некоторыми другими видами технологических машин обеспечивают изготовление любых новых видов оборудования.

Предприятие ОАО «ССМ-Тяжмаш» занимается ремонтом металлургического оборудования предприятия ОАО «Северсталь». В кузнечно-прессовом цеху (КПЦ) предприятия ОАО «ССМ-Тяжмаш» изготавливают валки, используемые в прокатных станах предприятия ОАО «Северсталь». В настоящее время в КПЦ заготовки валков получают методом ковки. С увеличением объемов проката, выпуск валков увеличился, что привело к загруженности горизонтально-расточных станков, на которых обрабатывались валки (фрезеровались торцы и центровались отверстия). Перед предприятием встала задача в покупке дополнительного оборудования.

В данном дипломном проекте предлагается сконструировать станок для обработки центровых отверстий в валках прокатного стана. Разрабатываемый станок будет обрабатывать центровые отверстия после ленточнопильного станка, на котором будут отрезаться торцы валков. Таким образом, потребность в обработке валков на горизонтально-расточных станках отпадет.

Разрабатываемый станок будет сконструирован на базе неиспользуемого стенда для определения твердости роликов. От существующего стенда будет использоваться станина и большой стол.

Тема дипломного проекта актуальна для предприятия ОАО «ССМ-Тяжмаш», так как при создании разрабатываемого станка для обработки центровых отверстий будут решаться сразу несколько задач, а именно: 1. использование свободной площади кузнечно-прессового цеха. 2. использование деталей неработающего оборудования 3. снятие нагрузки с горизонтально-расточных станков и вследствие чего - сокращение затрат предприятия, связанное с покупкой дорогостоящего оборудования.

станок машиностроение прокатный

1. Литературный обзор технологических методов изготовления валков прокатного стана

Валки являются основным рабочим инструментом прокатного стана, в них непосредственно осуществляется деформация металла. Прокатные валки классифицируют по назначению, форме бочки валка, конструкции, материалу. По назначению валки бывают сортовые и листовые, кантующие, разрезные, правильные и т.д. По форме бочки валки бывают гладкие или цилиндрические, с калибрами. По конструкции различают валки стальные, чугунные и из твердых сплавов.

Одной из важнейших мер, способствующих увеличению выпуска проката, улучшению качества металлопродукции и снижению расходов по переделу, является повышение стойкости прокатных валков - основного рабочего инструмента прокатных станов. Статистические данные, полученные как в нашей стране, так и за рубежом, достаточно красноречивы: 6 % всей стоимости прокатного стана составляет стоимость прокатных валков; 20÷25 % времени работы стана уходит на перевалки валков; в общих расходах по переделу затраты на валки по стану горячей прокатки составляют примерно 15÷17 %.

Требования, предъявляемые к прокатным валкам, разнообразны и касаются не только их эксплуатации, но и процесса изготовления. Прокатный валок работает при одновременном воздействии на него усилия прокатки, крутящего момента, температуры в очаге деформации и т.п., поэтому одними из главных требований являются высокая износостойкость и термоусталостная прочность, обуславливающие малый и равномерный износ валков. Твердость валков составляет 375-555 HB, чистота обработки бочки и шеек Ra 0,8, глубина закаленного слоя достигает 70мм. В процессе эксплуатации цилиндрическая поверхность валков испытывает на себе в месте контакта с торцом горячего листа интенсивный абразивный износ и значительные удельные давления сжимающих усилий. Изучение характера и динамики износа показали, что износ происходит в результате окисления и отрывания частичек окисленного металла с поверхности валков торцами горячего листа с температурой поверхности 1100-900оС, частично покрытых тонким слоем окалины. При этом поверхность валков в месте контакта с прокатываемым листом разогревается до температуры 400-500оС.

Рабочие валки изнашиваются, на их поверхности появляются микродефекты. Развиваясь, они могут приводить к сколам (рисунок 1.1) или к полному разрушению валка (рисунок 1.2). Рабочие валки, являясь инструментом, от которого зависит производительность прокатного стана, оказывают большое влияние на качество поверхности и профиль проката.

 

Рисунок 1.

Рисунок 1.2

Кованные стальные валки.

Для изготовления кованых валков используют доэвтектоидную сталь марок 75ХМ, 60ХН и др. В Европе, Японии, США в 90-х г.г. наряду с традиционными материалами (чугун, сталь типа адамит - 1,2... 1,7% С; 1,4... 1,7% Сг; 0,5... 1,5% Ni; 0,1...0,8% (W+2Mo)) для изготовления валков начали применять новые - инструментальную сталь типа HP (0,8% С, 3,00% Сг, 0,55% Мо, 0,50% V, 0,05% Nb), «полубыстрорежущую» сталь Semi-HSS [0,6... 1,0% С, 6,5...8,5% Сг, 4... 10% (W+2Mo), 0,1...3% (V, Ti, Nb, Та)], износостойкую «быстрорежущую» сталь HSS [1,2...1,8% С, 4,0...6,0% Сг, 8...12% (W+2Mo), З...6% (V, Ti, Nb, Та)] и другие. Эти материалы наряду с некоторыми преимуществами имеют и недостатки. Например, сталь HSS имеет однородную литую структуру, но по сравнению с чугуном характеризуется весьма низкой теплопроводностью. Из-за малой теплопроводности рабочего слоя валков наблюдается значительное (до 100°С) повышение температуры поверхности в очаге деформации, в то время как в зоне охлаждения температура валка остается, практически неизменной. Это приводит к росту напряжений и образованию на рабочей поверхности валка сетки трещин разгара. Кроме того, эти материалы содержат значительное количество дорогих легирующих элементов - хрома, вольфрама, молибдена, ванадия, титана, ниобия и тантала, что делает не всегда оправданным их использование.

Выплавка стали производится в электропечах с последующим рафинированием на комплексе внепечной обработки жидкой стали. При разливке производится глубокое вакуумирование с использованием пароэжекторных насосов. В результате этого содержание водорода не превышает 1,5 %, кислорода и азота - 3% и 8% соответственно, количество неметаллических включений снижается на 50%, суммарное содержание серы и фосфора не превышает 0,02%.

Нагрев слитков и заготовок под ковку производится в нагревательных печах с выкатным подом. Параметры современных печей позволяют производить нагрев слитков и заготовок массой до 170 т и длиной до 10 метров. Ковка производится на автоматизированных ковочных комплексах.

Вторичная термическая обработка осуществляется в автоматизированных термических печах с выкатным подом. С целью обеспечения высокого уровня физико-механических свойств охлаждение валков производится водой и водо-воздушной смесью на специальных установках регулируемого охлаждения.

Закалка бочек прокатных валков осуществляется на автоматизированной установке индукционной закалки с нагревом токами промышленной частоты. В результате обеспечивается повторяемость результатов закалки.

Литые чугунные валки.Для изготовления чугунных валков используют чугун марок СПХН, СШХН и др. Чугунные валки термической обработке не подвергают, поэтому заданные прочностные параметры получают литьем. Структура литого валка - биметаллическая: твердый рабочий слой - из отбеленного чугуна, вязкая сердцевина - из серого или высокопрочного чугуна. Для литья используют нелегированный чугун следующего химического состава (мас. %): углерод 2,7...2,8, кремний 0,3...0,8, марганец 0,3.. .0,8, фосфор не более 0,5, сера не более 0,1. Также применяют низколегированные (<1,3 % Ni, <1,2 % Сг, <1,5 % Мп), средне- и высоколегированные (2...4,5% Ni, 0,5...1,5% Сг) чугуны.

Углерод в составе чугуна увеличивает количество ледебурита в его структуре, тем самым, повышая способность чугуна к истиранию. Кремний в чугуне предназначен для компенсации влияния окисленности отдельных составляющих расплава и неметаллических центров графитизации. Марганец позволяет произвести обессеривание и раскисление чугуна. Присадка в ковш 0,01... 0,05 % серы за 3...10 мин до заливки приводит к заметному увеличению переходной зоны в валках. Фосфор повышает износостойкость рабочего слоя валков вследствие образования фосфидной эвтектики. Легирующие элементы позволяют изменять металлическую матрицу, тем самым, улучшая те или иные рабочие свойства валков. Кроме того, они также могут влиять на графитизацию валков.

Изготавливать валки можно 3-мя способами: обычным, методом «полупромывки» и методом «промывки». Первый заключается в заливке серым чугуном формы для отливки валков, состоящей из трех частей: верхняя и нижняя трефы расположены в песчано-глинистых полуформах, средняя рабочая часть формируется в кокиле. Второй состоит в модифицировании при заливке внутреннего слоя валка для получения серого чугуна. Третий метод включает заливку внутренней части валка серым нелегированным чугуном.

Бандажированные валки. Одним из путей повышения стойкости прокатных валков и снижения их металлоемкости является использование бандажированных валков. Применение бандажей из высокопрочных материалов, возможность замены изношенных бандажей при многократном использовании оси дает большой экономический эффект. Бандажированные валки бывают составными и наплавочными.

Материалом для бандажа составного валка служат теплоустойчивые стали, такие как 150ХНМ или 35Х5НМФ и др. В качестве осей чаще всего используют отработанные цельнокованые валки. Опыт эксплуатации валков из подобных материалов свидетельствует, что их износостойкость в 2-2,5 раза выше, чем кованых. Соединение бандажа с осью осуществляется по посадке с гарантированным натягом. С целью увеличения передаваемого крутящего момента на посадочную поверхность оси наносят металлическое покрытие, значительно увеличивающее коэффициент трения, площадь фактического контакта оси и бандажа и его теплопроводность.

Основные достоинства составных валков:

возможность изготавливать бандаж и ось из материалов с различными механическими и теплофизическими свойствами;

возможность замены изношенного бандажа при многократном использовании оси валка;

термическую обработку бандажа оси можно производить раздельно, что позволяет увеличить прокаливаемость, получить одинаковую твердость по всей толщине бандажа и снизить градиент остаточных напряжений, который в сплошном валке большой массы весьма высок.

Выпуск бандажированных опорных валков листовых станов освоили еще в 70-х годах прошлого века. Бандаж и ось соединяются, как правило, тепловым способом по посадке с гарантированным натягом; бандажи изготавливаются кованые или литые, оси кованные, для их изготовления обычно используют списанные валки. Отверстие в бандаже чаще всего цилиндрическое, посадочное место оси может быть цилиндрическим (рисунок 1.3), бочкообразным (рисунок 1.4) или близким к нему по форме для уменьшения концентрации напряжений у торцов бандажа после сборки. Также посадочные места оси под бандаж изготавливают вогнутыми (рисунок 1.5) и конусообразными с буртом (рисунок 1.6).

Рисунок 1.3- Цилиндрическое посадочное место оси

Рисунок 1.4- бочкообразное посадочное место оси

Рисунок 1.5- вогнутое посадочное место оси

Рисунок 1.6 конусообразное посадочное место оси

Наплавочные бандажированные прокатные валки (композитные) получают методом электрошлаковой наплавки жидким металлом (ЭШН ЖМ) рабочего поверхностного слоя. В качестве материала наплавки используют износостойкие наплавочные композиционные материалы (КМ), успешно работающие в условиях высокотемпературного абразивного износа. Среди известных КМ наибольшее применение получил сплав на основе релита (WC+W2C). Однако, дефицитность, дороговизна релита (820960 руб./кг) и технологические затруднения наплавки КМ релит + сплав на основе железа, ввиду высокой растворимости релита в сплаве-связке, побудили исследователей искать новые безвольфрамовые КМ. Поэтому разработка электрошлаковых процессов упрочнения безвольфрамовыми КМ (спеченными твердыми сплавами на основе карбидов титана типа ТН 20) деталей оборудования, работающих в тяжелых условиях высокотемпературного износа, является весьма актуальной задачей, повышающей конкурентоспособность продукции.

Спеченные твердые сплавы обладают рядом весьма ценных свойств: высокая твердость 8692 HRA; высокая микротвердость H =19,522,0 ГПа; величина модуля упругости составляет 445 ГПа; высокий предел прочности при сжатии до сж= 6,0 ГПа, с достаточной прочностью на изгиб изг =1,22,5 ГПа и на растяжение в = 0,5изг. И самое благоприятное свойство среди известных карбидов  высокая ударная вязкость 0,81,2 МДж/м2. Способность спеченных твердых сплавов сохранять в значительной степени указанные свойства при повышенных температурах является чрезвычайно важной характеристикой при высокотемпературном абразивном износе.

По оценкам специалистов ведущих машиностроительных и металлургических фирм использование композитных валков является одним из главных направлений в области развития металлургического производства, так как они обладают значительно более высоким ресурсом и обеспечивают производство проката высокого качества.

На предприятии ОАО ССМ «Тяжмаш» изготавливают (и восстанавливают после износа) кованные стальные валки из стали 24ХН1Ф. Достоинством производства данного типа валков является простота их изготовления, восстановления после износа, низкая себестоимость. К недостаткам можно отнести неравномерность прокаливаемого слоя, вследствие чего неравномерный износ и невысокий срок службы.

2. Конструкторская часть

.1 Кинематическая схема станка

Технологический процесс, положенный в основу станка, определяет те относительные движения, которые необходимо совершать инструменту и заготовке для процесса формообразования. Характер этих движений и методы их осуществления оказывают существенное влияние на конструкцию станка.

Обработка изделий любой формы простейшим и кратчайшим путем приводит к тому, что принципиальные кинематические схемы резания получаются основанными на сочетании двух элементарных движений - прямолинейного и вращательного.

В станках все движения в зависимости от того назначения, которое они выполняют при снятии стружки, разбивают на главное движение - вращение шпинделя в токарных, сверлильных, расточных и других станках - и движение подачи - подача суппортов у токарных станков, столов у расточных станков.

Приводы металлорежущих станков предназначены для осуществления рабочих, вспомогательных и установочных перемещений инструментов и заготовки. Их делят на приводы главного движения, приводы подач, координатных перемещений и вспомогательных перемещений. К каждому виду привода, с учетом служебного назначения станка, предъявляют свои специфические требования по передаче силы, обеспечению постоянства скорости, ее изменения и настройки, точности перемещения и погрешности позиционирования узла, быстродействию, надежности, стоимости, габаритным размерам.

В связи с развитием станков каждое движение чаще всего осуществляется от своего отдельного источника - электрического или гидравлического двигателей различных типов, обладающих своими особенностями, определяющими области рационального применения.

При разработке приводов станков следует учитывать, что имеющиеся системы электро- и гидроприводов позволяют решить многие задачи, связанные с регулированием и изменением скорости и направления движения, которые раньше решали лишь с помощью механических устройств. В итоге существенно упрощается механическая часть привода, укорачиваются кинематические цепи, что способствует повышению жесткости привода и точности перемещения, упрощается автоматическое дистанционное управление приводом, расширяются возможности унификации приводов и выполнения их виде отдельных агрегатов (модулей).

2.1.1 Расчет режима центрования валков и определение параметров главного движения

Важнейшими исходными данными для проектирования привода главного движения являются диапазон регулирования частоты Rn и мощность Р, передаваемая приводом. Эти технические характеристики зависят от служебного назначения станка. Их определяют на основе анализа технологических процессов обработки множества деталей и соответствующей номенклатуры режущего инструмента.

При этом

  (2.1)

На разрабатываемом станке будет производиться только центрование валков прокатного стана, т.о. для существенного упрощения механической части привода главного движения на станке будет одна единственная частота вращения шпинделя. К тому же небольшой диапазон диаметров валков, обрабатываемых на данном станке, позволяет нам принять данное решение.

Для приводов с главным вращательным движением n - частота вращения шпинделя, определяемая по предельной скорости резания υmax и наименьшему размеру обработки Dmin.

мин-1 (2.2)

Для определения скорости резания υmax необходимо назначить подачу на оборот шпинделя станка S в мм/об. Согласно [6] при центровании отверстий подачу принимают:

S=0,01d мм/об  (2.3)

где d - диаметр меньшего центровочного отверстия.

По ГОСТ 14034-74 для валка ø270 d=20 мм, для валка ø380 d=25 мм.

S270=0,01·20=0,20 мм/об,

S380=0,01·25=0,25 мм/об.

Скорость резания при сверлении центрового отверстия центровочным сверлом принимают [7]:

υ=8…15 м/мин  (2.4)

Определяем частоту вращения шпинделя

n270 =191,08 мин-1,

n380 =152,82 мин-1

Т.к. мы не предусматриваем в станке диапазон регулирования частоты вращения шпинделя, то выбираем среднюю частоту вращения между получившимися значениями n270 и n380

n,  (2.5)

n =171,975 мин-1

Фактическая скорость резания при центровании

υф,  (2.6)

=10,8 м/мин,

 м/мин

Определяем по нормативам осевую силу резания Р при центровании отверстий [6]. Дальнейшие расчеты ведем по этому же источнику.

Р=РтаблКð ,  (2.7)

где Ртабл - табличное значение осевой силы резания при центровании;

Kр - коэффициент, зависящий от обрабатываемого материала, для стали 24ХН1Ф Кр=1.

Р=8500·1=8500 Н

Мощность резания при центровании

Nрез=NтаблКN ,  (2.8)

где Nтабл - мощность резания, определяемая по таблице, зависящая от подачи и диаметра обрабатываемого отверстия;

КN - коэффициент, зависящий от обрабатываемого материала, для стали 24ХН1Ф КN=1.

Nрез=12,6·1 =2,71 кВт

Крутящий момент при центровании можно принять равным

Мкр= NтаблКN,  (2.9)

Мкр=12,6·1=12,6 Н·м

Для обеспечения процессов резания с учетом потерь в приводе мощность двигателя NД станка следует определять по формуле [1].

NД=NЭ+NТ,  (2.10)

где NЭ - эффективная мощность резания;

NТ - мощность, расходуемая на преодоление вредных сопротивлений.

Однако в станках, в которых режим нагрузки изменяется и носит повторно-кратковременный характер (сверлильные, токарно-револьверные), можно допускать значительную перегрузку электродвигателя. Исходя из этого, номинальная мощность электродвигателя может быть принята равной эффективной мощности на шпинделе станка, т.е.

NД=NЭ

Для упрощения конструкции станка выбираем в качестве привода шпинделя мотор-редуктор. Мотор редуктор представляет собой электродвигатель и редуктор, соединенный в единый агрегат (в некоторых странах его называют редукторным электродвигателем). Мотор редуктор более компактен по сравнению с приводом на базе редуктора, его монтаж значительно проще, кроме того, уменьшается материалоемкость фундаментной рамы, а для механизма с фланцевым исполнением не требуется никаких рамных конструкций.

По полученным результатам частоты вращения, мощности и крутящего момента выбираем новый мотор-редуктор 4МЦ2С-63-180-3-G310-ЦУЗ, по способу монтажа на фланце,

где 4МЦ2С - тип мотор-редуктора;

- межосевое расстояние, мм;

- частота вращения выходного вала, мин-1;

- мощность электродвигателя, кВт;- вариант размещения в пространстве;

Ц - цилиндрический конец выходного вала;

У - климатическое исполнение;

- категория размещения.

2.1.2 Определение параметров движения подачи

Для обеспечения рассчитанного выше режима центрования валков необходимо обеспечить движение рабочей подачи SР=0,25 мм/об. Для быстрого подвода и отвода инструмента из зоны резания также необходимо предусмотреть вспомогательную подачу Sв , мм/об.

Приводом горизонтальной подачи будет служить мотор-редуктор, который выбрали исходя из тех же соображений, что и для привода главного движения. Для реализации вспомогательной подачи Sв, мм/об необходимо спроектировать коробку подач, с помощью которой будет осуществляться переключение рабочей подачи на вспомогательную. Для упрощения расчетов и упрощения проектирования и изготовления зубчатых колес примем передаточное отношение повышающей и понижающей передачи равными. В качестве механизма, преобразующего вращательное движение в возвратно-поступательное, будем использовать пару винт-гайка.

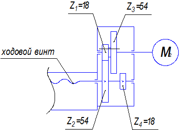
Подробный расчет параметров механизма перемещения приведен в пункте 2.3. Согласно рассчитанным параметрам кинематическая схема станка для обработки центровых отверстий в валках прокатного стана будет следующей (рисунок 2.1).

Рисунок 2.1- Кинематическая схема станка

2.2 Модернизация конструкции механизма главного движения

.2.1 Модернизация конструкции шпинделя

Шпиндель, являющийся конечным звеном привода главного движения и предназначенный для крепления инструмента или заготовки, оказывает существенное, часто лимитирующее, влияние на точность, производительность и надежность всего станка. Шпиндельные узлы станков в соответствии с предъявляемыми к ним требованиями должны обеспечить следующее.

. Передачу на инструмент расчетных режимов для заданных технологических операций.

. Точность вращения, оцениваемую радиальным и осевым биением переднего конца шпинделя.

. Жесткость (радиальная и осевая), определяемая по деформации шпинделя под нагрузкой.

. Высокие динамические качества (виброустойчивость).

. Минимальные тепловыделения и температурные деформации.

. Долговечность.

. Быстрое и точное закрепление инструмента.

. Минимальные затраты на изготовление.

Конфигурацию переднего конца шпинделя выбирают в зависимости от способа крепления инструмента или заготовки. Так как для их крепления применяют стандартные приспособления, то передние концы шпинделей для большинства типов станков стандартизованы. Центрирование обеспечивается конусным сопряжением типа конуса Морзе при сравнительно редкой ручной смене инструмента, конусами конусностью 7/24 при автоматической смене инструмента в станках с ЧПУ и конусами конусностью 1/3. [1]

Конфигурация заднего конца шпинделя, в нашем случае, определяется по выходному валу мотор-редуктора, т.к. шпиндель будет на него насаживаться.

Минимальный диаметр ,мм шпинделя со сплошным сечением определяется по формуле [4]:

 мм (2.11)

где Тк - крутящий момент на шпинделе, Нм;

=20-25 МПа - допускаемое напряжение при кручении.

=29,3 мм

Так как передний и задний концы шпинделя полые, то целесообразно сделать весь шпиндель полым. Тогда момент сопротивления полого шпинделя , мм3 должен быть не меньше момента сопротивления шпинделя со сплошным сечением , мм3 диаметром 29,3 мм.


Момент сопротивления шпинделя сплошного сечения будет равен [5]:

,  (2.12)

2,93 мм3

Внутренний диаметр полого шпинделя принимаем равным диаметру выходного вала мотор-редуктора dо=28 мм, внешний диаметр первоначально принимаем d=50 мм (посадочный диаметр под подшипники качения). Тогда момент сопротивления полого шпинделя определится

 мм3 , (2.13)

3,43 мм3

Момент сопротивления полого шпинделя больше, чем со сплошным сечением - 3,43 ≥2,93 - условие  выполняется. Принимаем окончательно внешний диаметр d=50 мм.

Конструкцию шпинделя проектируем ступенчатую, состоящую из IV участков.

I участок: передний конец шпинделя. Внутренний отверстие - конус Морзе №4, внешний диаметр dI=80 мм, длина участка lI=155 мм.

II участок: посадочный диаметр под упорный подшипник качения. Внутренний диаметр dIIвнут=26 мм, внешний диаметр dII=60 мм, длина участка lII=27 мм.

III участок: посадочный диаметр под пару радиальных подшипников качения. Внутренний диаметр dIIIвнут=28 мм, внешний диаметр dIII=50 мм, длина участка lIII=100 мм.

IV участок: задний конец шпинделя - резьба М48 - для жесткой фиксации всего подшипникового узла гайкой и контргайкой. Внутренний диаметр dIVвнут=80 мм, длина участка lIV=20 мм.

Эскиз шпинделя приведен на рисунок 2.2.

Рисунок. 2.2- эскиз шпинделя

2.2.2 Выбор подшипников качения

Выбор подшипников качения осуществляем с учетом следующих факторов:

. посадочного диаметра на вал

. с учетом характера действующих сил передающихся на вал и п/к

. с учетом спец. требований к конструкции подшипниковых узлов

С учетом выше перечисленных факторов подбираем шариковый упорный подшипник 8212, который будет воспринимать осевую нагрузку. Данный подшипник выдерживает осевую динамическую нагрузку 62000Н (осевая сила при центровании составляет 8500Н). И два шариковых радиальных однорядных подшипника 80210.

.2.3 Расчет шпинделя на жесткость

Шпиндели металлорежущих станков, как правило, рассчитывают на жесткость и лишь для тяжело нагруженных шпинделей производят проверочный расчет на прочность. [1]

Шпиндель - тело сложной формы, а опоры шпинделей в зависимости от их типа создают различные условия для поворота шпинделя при его изгибе. Поэтому при расчете на жесткость шпиндель заменяют балкой на двух опорах, причем тип опоры выбирают в зависимости от типа подшипника. В передней опоре проектируемого шпинделя стоят упорный и шариковый радиальный однорядный подшипники качения, в задней опоре стоит один шариковый радиальный однорядный подшипник. В этом случае расчетную схему в первом приближении принимают виде балки на двух ножевых опорах (рисунок 2.3) с силой F, приложенной на консоли, т.е на расстоянии а от середины передней опоры.

Рисунок 2.3- Расчетная схема

Радиальное перемещение переднего конца шпинделя должно быть меньше, либо равно допустимому перемещению конца шпинделя, которое установлено из практического опыта эксплуатации станков:

 мкм,

где =0,0002l, мкм, =0,0002∙80=0,016 мкм.

Радиальное перемещение , мкм переднего конца шпинделя

,  (2.14)

где  - перемещение, вызванное изгибом тела шпинделя, мкм;

 - перемещение, вызванное податливостью (нежесткостью) вызванное податливостью опора от середины передней опоры опор, мкм.

Применяя известные формулы сопротивления материалов, можем записать [1]

, (2.15)

где F=8500 Н - сила, приложенная к переднему концу шпинделя;

Е - модуль упругости материала шпинделя, Н/мм2, для стали 40 Х Е=2,1∙105 Н/мм2териала шпинделяу шпинделяия материалов

а - вылет шпинделя, мм;

l - расстояние между опорами, мм;

 и  - осевые моменты инерции сечения шпинделя соответственно на консольной части и между опорами, мм4;

 - коэффициент, учитывающий наличие в передней опоре защемляющего момента, если в ней расположено несколько рядов тел качения, для нашей конструктивной схемы =0,7;

 и  - соответственно коэффициент податливости передней и задней опор шпинделя, в нашем случае ==0,004.

Осевой момент инерции  сечения шпинделя консольной части

,  (2.16)

31,4∙106 мм4

Осевой момент инерции  сечения шпинделя между опорами

0,28∙106 мм4

Подставляя рассчитанные моменты инерции и значения коэффициентов в формулу (2.15) получим

0,0069 мкм

,0069≤0,016

Таким образом данный шпиндель при заданных условиях резания будет достаточно жестким.

.2.4. Проектирование стакана

Конструкцию стакана определяет схема расположения подшипников. Толщину δ, мм стенки, диаметр d, мм и число z винтов крепления стакана к ползуну назначают в зависимости от диаметра D, мм отверстия под подшипники качения. Принимаем согласно [4] δ=8мм, d=8мм, z=4.

Толщина фланца δ2, мм стакана

,

=9,6≈10мм

Высоту t, мм упорного заплечика согласовывают с размером фаски наружного кольца подшипника качения и возможности его демонтажа винтовым съемником. Принимаем

t=2r,

t=2∙2=4 мм

Минимальный диаметр фланца, мм

 мм,

=138мм.

Для крепления стакана к ползуну выбираем болт М8х30.58 ГОСТ 7798-70. Для забивки подшипникового узла консистентной смазкой предусматриваем в стакане отверстие диаметром 6мм, закрываемое винтом М6х8.58 ГОСТ 7798-70. На переднем конце шпинделя ставим манжету, крепим ее к стакану крышкой 4 винтами М6х8.58 ГОСТ 17473-80. Эскиз стакана приведен на рисунке 2.3.

Рисунок 2.3- Эскиз стакана

2.3 Разработка конструкции механизма перемещения головки

Регулирование скорости подачи в металлорежущих станках осуществляется при постоянном максимально допустимом моменте, поэтому в основу выбора электродвигателя положена не мощность, а момент сил сопротивления Мс в механизме подачи.[3]

В кинематической схеме механизма перемещения движение от электродвигателя через коробку подач с передаточным отношением u передается на тяговое устройство и далее на исполнительный орган станка - стол. Параметры кинематической схемы определяются как диапазоном регулирования, так и возможностями двигателя. При расчете режима центрования в пункте 2.1. была принята рабочая подача SР=0,25 мм/об. Для быстрого подвода инструмента к заготовке необходимо предусмотреть и вспомогательную подачу Sв, осуществляемую при уменьшенном моменте сил сопротивления.

Таким образом, в приводе подачи необходим следующий диапазон регулирования:

D=,  (2.17)

D== 9,072

2.3.1 Проектирование тягового устройства

Тяговые устройства служат для перемещения подвижных узлов станка по направляющим прямолинейного или вращательного движения. Они являются последним звеном кинематической цепи привода подач, вспомогательных движений или главного привода.

Наиболее распространенными механизмами для преобразования вращательного движения в возвратно-поступательное движение являются ходовой винт-гайка и рейка с реечной шестерней. Ходовой винт-гайка применяется для медленных точных перемещений в качестве последнего звена цепи привода столов и суппортов многих станков.

Достоинством передачи винт-гайка является самоторможение, способствующее надежной фиксации подвижного узла. Основные требования, предъявляемые к паре винт-гайка - высокая точность и износостойкость.

В качестве тягового устройства применяем пара винт-гайка скольжения, а именно однозаходный ходовой винт с шагом t=3 мм. Наиболее часто применяют трапецеидальный профиль резьбы с углом 30º, который более технологичен и допускает использование маточных гаек. Для изготовления ходовых винтов используют закаленные легированные стали 40Х, У10 или У12.

Расчет пары ходовой винт-гайка производят в первую очередь по удельным давлениям в витках, так как необходимо обеспечить высокую износостойкость пары. [2]

Внутренний диаметр винта d1 определяется [5]

d1≥ мм, (2.18)

где Q =8500 H - осевая сила при центровании;

 - допускаемое напряжение при растяжении, для стали 40Х =215 Н/мм2.

Подставляя значения в формулу, получим

d1==23,28 мм

По справочнику [5] для трапецеидальной резьбы с шагом t=3 мм примем внутренний диаметр d1=30 мм.

Удельное давление р не должно превышать допускаемых значений рдоп, взятых из практики станкостроения [2]

р=рдоп ,  (2.19)

где d2 - средний диаметр резьбы;

h - рабочая высота витка;

z - число витков в гайке;

рдоп=500…1200 Н/см2 для винтов нормальной точности, примем рдоп=800 Н/см2.

р==517,65 Н/см2,

,65≥800

Условие р≥ рдоп выполняется.

Частота вращения ходового винта nх.в.определится по формуле

nх.в= мин-1  (2.20)

Подставляя значения, получим

nх.в==20,83 мин-1

Крутящий момент Мкр, Н∙м на винте определяется, как

Мкр= Н∙м  (2.21)

где  - угол подъема винтовой линии резьбы, лежащий на среднем диаметре;

 = 3…11º - угол трения в резьбе.

Мкр==41,17 Н·м

Гайки ходовых винтов должны обеспечить постоянство контакта с витками винта и возможность компенсировать зазор, возникающий при износе. Гайки к ходовым винтам изготавливают из оловянистых бронз ОЦС6-6-3 и др., а также из безоловянистых алюминиевожелезистых бронз Бр. АЖ 9-4.

Долговечность передачи винт-гайка скольжения в значительной мере зависит от тщательности их защиты от загрязнения.

2.3.2 Проектирование коробки подач и выбор электродвигателя

Характерными требованиями, предъявляемыми к передачам коробок подач по сравнению с коробками скоростей, являются тихоходность передач и большая редукция. Поэтому в коробках подач применяются элементарные двухваловые передачи, из которых образуются коробки подач. Эти передачи, как правило, более тихоходны, обладают более низким к. п. д. и малой жесткостью.

В коробках подач металлорежущих станков используются следующие типы передач:

. передачи со ступенчатым конусом шестерен.

. передачи с передвижными блоками шестерен.

. передачи типа меандр.

В проектируемой коробке подач предпочтение отдадим второму типу передач, т.е. передаче с передвижным блоком шестерен.

Для изготовления зубчатых колёс выбираем сталь 45Х, которая подвергается термической обработке - улучшению или закалке ТВЧ. Выбор стали 45Х обусловлен тем, что производство мелкосерийное. Чистовое нарезание зубьев производится после термической обработки. Колёса этой группы быстро прирабатываются и не подвержены хрупкому излому.

Для уменьшения габаритов коробки подач и упрощения расчетов зубчатых колес принимаем передаточные отношения повышающей и понижающей передачи одинаковыми и равными u=3. Причем сумма чисел зубьев z1+z2 равна сумме чисел зубьев z3+z4. Схема коробки передач показана на рисунке 2.4.

Рисунке 2.4- Схема коробки передач

Для реализации рабочей подачи =0,25 мм/об выходной вал электродвигателя должен вращаться с частотой nэ.дв., которая определяется с учетом передаточного отношения коробки подач, как

nэ.дв = nх.в. ·u мин-1

Подставляя значения, получим

nэ.дв= 20,83·3 = 62,5 мин-1

Необходимый вращающий момент электродвигателя

Мкр.э.дв. =  Н·м (2.22)

где  =0,97 - к. п. д. цилиндрической передачи;

=0,98 - к. п. д. муфты;

=0,99 - к. п. д. пары подшипников качения.

Мкр.э.дв. = =14,73 Н·м

В качестве электродвигателя выбираем мотор-редуктор, по таким же соображениям, как и при выборе мотор-редуктора для привода главного движения. По полученным результатам частоты вращения и крутящего момента выбираем мотор-редуктор 4МЦ2С-50-63-0,55-G310-ЦУЗ, по способу монтажа на фланце,

где 4МЦ2С - тип мотор-редуктора;

- межосевое расстояние, мм;

- частота вращения выходного вала, мин-1;

,55 - мощность электродвигателя, кВт;- вариант размещения в пространстве;

Ц - цилиндрический конец выходного вала;

У - климатическое исполнение;

- категория размещения.

После окончательного выбора электродвигателя уточняем частоту вращения ходового винта nх.в и подачу S при рабочем ходе и быстром подводе инструмента. Значения заносим в таблицу 2.1

Таблица 2.1 - Частота вращения ходового винта nх.в и подача S


nх.в, мин-1

S, мм/об

S, мм/мин

Рабочий ход

21

0,252

63

Быстрый подвод инструмента

189

2,268

567


2.3.3 Расчет цилиндрических зубчатых передач

1. Межосевое расстояние. Определяем предварительное значение межосевого расстояния , мм [4]

 мм, (2.23)

где T1 - вращающий момент на шестерне;

- передаточное число;

К - коэффициент, зависящий от поверхностной твердости зубьев шестерни и колеса.

=96 мм

Допускаемое контактное напряжение , МПа

 МПа,  (2.24)

где = 400 МПа - предел контактной выносливости, вычисляемый по эмпирическим формулам в зависимости от материала колеса;

 - коэффициенты, учитывающие влияние ресурса, шероховатости и окружной скорости соответственно;

 - коэффициент, учитывающий запас прочности.

=345,5 МПа

Окружную скорость , м/с вычисляют по формуле

 м/с  (2.25)

где  - частота вращения шестерни, мин-1.

=0,158 м/с

По полученному значению скорости по таблице для прямозубых колес назначаем 8 степень точности зубчатой передачи.

Уточняем предварительно найденное межосевое расстояние по формуле:

, (2.26)

где Ка = 450 МПа - для прямозубых колес;

Кн - коэффициент нагрузки в расчетах на контактную прочность;

 - коэффициент ширины зуба для коробок передач, определяется по таблице;

 - допускаемое контактное напряжение, МПа.

,  (2.27)

где=1,0138 -коэффициент, учитывающий неравномерность распределения нагрузки;

=1 - коэффициент, учитывающий внутреннюю динамику напряжения;

=1,0827 - коэффициент, учитывающий плавность зацепления.

=1,097

Подставляя значения в формулу (2.26) получим

=91,58 мм

Вычисленное значение межосевого расстояния округляем до ближайшего стандартного значения: =90 мм.

. Предварительные основные размеры колеса.

Делительный диаметр, мм:

,

мм

Ширина, мм:

,

 мм

. Модуль передачи. Максимально допустимый модуль mmax, мм определяют из условия неподрезания зубьев у основания

mmax = мм (2.28)

mmax ==2,64 мм

Минимальное значение модуля mmin, мм определяют из условия прочности:

mmin = мм, (2.29)

где = 3,4∙103 для прямозубых передач;

 - коэффициент нагрузки при расчете по напряжениям изгиба;

=287 МПа - допускаемое напряжение изгиба зубьев.

mmin ==2,13 мм

ент (ления нагрузки;

Из полученного диапазона (mmin…mmax) модулей принимают меньшее значение m, согласуя его со стандартным. Принимаем m=2,5.

. Суммарное число зубьев

,

где β - угол наклона зубьев колес.

=72

. Число зубьев шестерни и колеса. Число зубьев шестерни

,

=18

Число зубьев колеса

,

=54

6. Фактическое передаточное число

,

=3

. Диаметры колес. Делительные диаметры d:

шестерни, мм

,

=45 мм

колеса, мм

,

=135 мм

Коэффициент смещения  определяется

,

Диаметры da и df окружностей вершин и впадин зубьев:

шестерен, мм

,

где у=0 - коэффициент воспринимаемого смещения.

=49,71 мм ≈ 50 мм,

,

=39,04 мм ≈ 39 мм

колеса, мм

,

=140,29 мм ≈ 140 мм,

,

=129,04 мм ≈ 129 мм

2.3.4 Расчет зубчатой передачи на прочность и выносливость

Расчет зубчатой передачи на прочность и выносливость выполняем на ЭВМ в программе KOMPAS 3D V8plus в приложении GEAR_EXC. Результаты расчета на прочность приведены в распечатке 1, на выносливость в распечатке 2. Из распечаток видно, что условие прочности зубчатой передачи выполняется, ресурс работы зубчатой передачи более 1 миллиона часов, что превышает заданный ресурс работы.

2.3.5 Расчет и конструирование ведущего вала коробки подач

Для определения диаметра вала , мм выполняют расчет его на кручение по допускаемому напряжению  без учета влияния изгиба

, мм  (2.30)

где Т - крутящий момент на валу, Нм;

=20-25 МПа - для быстроходного и тихоходного валов.

Остальные диаметры принимаем конструктивно с учетом формул [4].

 мм

I участок: посадочное диаметр под муфту. Выходной вал мотор-редуктора имеет диаметр =22 мм, т.о. принимаем d1=22мм, l1 - определится при выборе муфты.

II участок: посадочный диаметр под подшипник качения.

d2= d1+2t,

где t=1,5 - высота 1 ступени вала.

d2= 22+2∙1,5=25мм

l2 - определится при конструировании подшипникового узла.

III участок: посадочный диаметр под блок зубчатых шестерен.

d3= d2+2t,

где t=1,5 - высота 2 ступени вала.

d2= 25+2∙1,5=28мм

l3 - определится при конструировании блока зубчатых шестерен.

IV участок: посадочный диаметр под подшипник качения, принимаем такой же как и для первого подшипника d4= 25мм, l4 - определится при конструировании подшипникового узла. Эскиз ведущего вала приведен на рисунке 2.5.

Рисунок 2.5- эскиз ведущего вала

2.3.6 Выбор подшипников качения

Выбор подшипников качения осуществляем с учетом следующих факторов:

. посадочного диаметра на вал

. с учетом характера действующих сил передающихся на вал и п/к

. с учетом спец. требований к конструкции подшипниковых узлов

С учетом выше перечисленных факторов подбираем 205 п/к.

2.3.7 Расчет элементов и конструирование деталей передач

.3.7.1 Зубчатое колесо понижающей передачи

При расчете зубчатой передачи нам известны следующие диаметры окружностей вершин, впадин и делительных окружностей, а так же ширина венца колеса:

df=129 мм;

d=135 мм;

da=140 мм;

b=36 мм;

m=2,5 мм.

Остальные размеры принимаем конструктивно с учетом формул [4].

Ширина S, мм определяется

S=2,2m+0,05b,

S=2,2∙2,5+0,05∙36=9,1 мм ≈ 9мм

Диаметр ступицы dст , мм

dст=1,6dотв,

dст =1,5∙28=42 мм

Толщина с, мм диска колеса

с=0,5(S+ Sст),

где Sст =7 мм - ширина ступицы.

с =0,5∙(9,1+7)=8 мм

Параметры фаски f, мм

f =0,5m,

f =0,5∙2,5=1,25 мм

Длина ступицы lст, мм

lст= lшп +,  (2.31)

где lшп - длина шпонки, мм;

=3…5мм.

lшп= lр + b,

где lр - длина рабочей части шпонки;

b=8 мм - ширина шпонки, определяется по таблице.

,мм (2.32)

где =7 мм - высота шпонки, определяется по таблице;

=100 МПа - допускаемое напряжение на смятие.

lр =8,59 мм

По таблице подбираем стандартную длину шпонки lр =18 мм.

Подставляя полученные значения в формулу (2.31) получим длину ступицы равной

lст= 26+4=30 мм

Ýñêèç êîëåñà ïðèâåäåí íà ðèñóíêå 2.6.

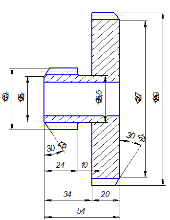
Çóá÷àòîå êîëåñî ïîâûøàþùåé ïåðåäà÷è áóäåì êðåïèòü ê êîëåñó ïîíèæàþùåé ïåðåäà÷è, äëÿ ýòîãî ïðåäóñìàòðèâàåì óãëóáëåíèå â äèñêå êîëåñà ïîíèæåííîé ïåðåäà÷è è 4 ðåçüáîâûõ îòâåðñòèÿ ïîä âèíòû Ì10. Ýòî ïîçâîëèò ñíèçèòü ìåòàëëîåìêîñòü îáîèõ êîëåñ è õîäîâîãî âèíòà, íà êîòîðûé áóäåò íàñàæåíî êîëåñî ïîíèæàþùåé ïåðåäà÷è.

Ðèñóíîê 2.6- ýñêèç êîëåñà

2.3.7.2 Çóá÷àòîå êîëåñî ïîâûøàþùåé ïåðåäà÷è

Ïðè ðàñ÷åòå çóá÷àòîé ïåðåäà÷è íàì èçâåñòíû ñëåäóþùèå äèàìåòðû îêðóæíîñòåé âåðøèí, âïàäèí è äåëèòåëüíûé äèàìåòð, à òàê æå øèðèíà âåíöà êîëåñà:

df=39 ìì;

d=45 ìì;

da=50 ìì;

b=24 ìì;

m=2,5 ìì.

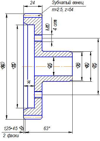
Çóá÷àòîå êîëåñî ïîâûøàþùåé ïåðåäà÷è âûïîëíÿåì ïîëûì äëÿ âîçìîæíîñòè ïðîõîäà ÷åðåç íåãî ãàéêè Ì16. Ñ ïîìîùüþ ýòîé ãàéêè êîëåñî ïîíèæàþùåé ïåðåäà÷è áóäåò êðåïèòüñÿ ê õîäîâîìó âèíòó. Äëèíó êîëåñà ïîâûøàþùåé ïåðåäà÷è îïðåäåëÿåì òàê, ÷òîáû áëîê çóá÷àòûõ øåñòåðåí âõîäèë â çàöåïëåíèå òîëüêî ëèáî ñ êîëåñîì ïîíèæàþùåé ïåðåäà÷è, ëèáî ñ êîëåñîì ïîâûøàþùåé ïåðåäà÷è. Äëèíà êîëåñà îêîí÷àòåëüíî îïðåäåëèòñÿ ïðè êîíñòðóèðîâàíèè áëîêà çóá÷àòûõ øåñòåðåí. Ýñêèç êîëåñà ïîâûøàþùåé ïåðåäà÷è ïðèâåäåí íà ðèñóíêå 2.7.

Ðèñóíîê 2.7- Ýñêèç êîëåñà ïîâûøàþùåé ïåðåäà÷è

2.3.7.3 Êîíñòðóèðîâàíèå áëîêà çóá÷àòûõ øåñòåðåí

 êîíñòðóêöèÿõ êîðîáîê ïîäà÷ ìåòàëëîðåæóùèõ ñòàíêîâ ïðèìåíÿþòñÿ çóá÷àòûå øåñòåðíè, èìåþùèå äâà, òðè èëè ÷åòûðå çóá÷àòûõ âåíöà. Òàêèå êîíñòðóêöèè íàçûâàþò áëîêàìè çóá÷àòûõ øåñòåðåí. Ò. ê. ïåðåäàòî÷íûå îòíîøåíèÿ, ÷èñëà çóáüåâ øåñòåðåí è êîëåñ ïîâûøàþùåé è ïîíèæàþùåé ïåðåäà÷è îäèíàêîâûå, òî îñíîâíûå ðàçìåðû ýëåìåíòîâ êîíñòðóêöèè áëîêà øåñòåðåí áóäóò òàêèìè æå, êàê ó êîëåñ. Ò.î. ðàñ÷åò ýòèõ ýëåìåíòîâ íå òðåáóåòñÿ. Çóáüÿ âåíöîâ áëîêîâ ñî ñòîðîíû âõîäà â çàöåïëåíèå ñêàøèâàþò ôàñêîé f, ìì è ïîä óãëîì 30° è çàêðóãëÿþò. [4]

f =0,5m,

f =0,5∙2,5=1,25 ìì

Äðóãèå ýëåìåíòû áëîêà çóá÷àòûõ øåñòåðåí ïîä÷èíÿþòñÿ îáùèì ïðàâèëàì êîíñòðóèðîâàíèÿ çóá÷àòûõ øåñòåðåí. Ýñêèç áëîêà çóá÷àòûõ øåñòåðåí ïîêàçàí íà ðèñóíêå 2.8.

Ïåðåìåùåíèå áëîêà îñóùåñòâëÿåòñÿ ñ ïîìîùüþ ðåå÷íîãî ìåõàíèçìà (ðèñóíîê 2.9). Ïðè âðàùåíèÿ ìàõîâèêà 1, íàñàæåííîãî íà âàë 2, ñ ïîìîùüþ âèíòà 4, íà÷èíàåò âðàùàòüñÿ øåñòåðíÿ 3, âñëåäñòâèå ÷åãî ðåéêà 5 íà÷èíàåò ïîñòóïàòåëüíî ïåðåìåùàòüñÿ ïî íàïðàâëÿþùèì îñÿì 6 âìåñòå ñ áëîêîì çóá÷àòûõ øåñòåðåí 7.

Ðèñóíîê 2.8- Ýñêèç áëîêà çóá÷àòûõ øåñòåðåí

Ðèñóíîê 2.9 Ïåðåìåùåíèå áëîêà:

-Ìàõîâèê ; 2-Âàë ; 3-Âèíò;4-Øåñòåðíÿ;5-Ðåéêà;6-Íàïðàâëÿþùèå îñè;7- áëîê çóá÷àòûõ øåñòåðåí

2.3.8 Êîíñòðóèðîâàíèå êîðïóñà êîðîáêè ïîäà÷

Ïðè åäèíè÷íîì ïðîèçâîäñòâå ýêîíîìè÷åñêè âûãîäíåå êîðïóñíûå äåòàëè âûïîëíÿòü ñâàðíûìè. Òîëùèíó ñòåíîê ñâàðíîãî êîðïóñà ïðèíèìàþò

8 ìì,

ìì

Ïðèíèìàåì òîëùèíó ñòåíêè 8 ìì.

Êîðïóñ è êðûøêó ñâàðèâàþò èç ýëåìåíòîâ, èçãîòîâëåííûõ èç ïðîêàòà (ëèñò, ïîëîñà, ïðóòîê êðóãëîãî ñå÷åíèÿ è äð.). Ïîñëå ñâàðêè êîðïóñ è êðûøêó îòæèãàþò è èíîãäà ïðàâÿò (ðèõòóþò). Çàòåì ïðîèçâîäÿò îáðàáîòêó ðåçàíèåì ïëîñêîñòåé è îòâåðñòèé äåòàëè. Êîíñòðóèðîâàíèå îòäåëüíûõ ýëåìåíòîâ ñâàðíîãî êîðïóñà (ïîäøèïíèêîâûõ ãíåçä, ìåñò êðåïëåíèÿ êðûøêè è êîðïóñà, îïîðíûõ ôëàíöåâ è äð.) ïîä÷èíÿåòñÿ îáùèì ïðàâèëàì êîíñòðóèðîâàíèÿ êîðïóñîâ êîðîáîê ïîäà÷.

Ïëîñêîñòè ñòåíîê, âñòðå÷àþùèåñÿ ïîä ïðÿìûìè óãëàìè, ñîïðÿãàþòñÿ ðàäèóñàìè r, ìì, îïðåäåëÿåìûìè ïî ôîðìóëàì:

r=1,5d,

r =1,5×8=12ìì

×òîáû âðàùàþùèåñÿ äåòàëè ðåäóêòîðà íå çàäåâàëè çà âíóòðåííþþ ïîâåðõíîñòü êîðïóñà, ìåæäó íèìè ïðåäóñìàòðèâàåòñÿ çàçîð

= 3…8 ìì

Äëÿ ñîåäèíåíèÿ êîðïóñà è êðûøêè óâåëè÷èâàåì òîëùèíó áîêîâûõ ñòåíîê â 1,5 ðàçà. Äëÿ ñîåäèíåíèÿ êðûøêè ñ êîðïóñîì èñïîëüçóþò áîëòû êëàññà ïðî÷íîñòè íå ìåíåå 6.6. ñ íàðóæíîé øåñòèãðàííîé óìåíüøåííîé ãîëîâêîé. Äèàìåòðû áîëòîâ Dá, ìì íàõîäèì ïî ôîðìóëå:

á=1,258 ìì,á=1,25×=4,3 ìì

Ïî ÃÎÑÒ 7808 ïðèíèìàåì Dá =8 ìì.

Äëÿ íàäåæíîãî êðåïëåíèÿ êîðîáêè ïîäà÷ ê ñòîëó èñïîëüçóåì áîëòû Ì16, äëÿ óêðåïëåíèÿ ìåñòà ââèí÷èâàíèÿ áîëòà â êîðïóñ ïðèâàðèâàåì ê êîðïóñó ïëàòèêè.

Äëÿ ñíèæåíèÿ ïîòåðü ìîùíîñòè íà òðåíèå, ñíèæåíèÿ èíòåíñèâíîñòè èçíîñà, ïðåäîõðàíåíèÿ îò çàåäàíèÿ, çàäèðîâ, êîððîçèè, äëÿ ëó÷øåãî îòâîäà òåïëîòû òðóùèõñÿ ïîâåðõíîñòåé â êîðîáêå ïîäà÷ ïðåäóñìàòðèâàåì êàðòåðíîå ñìàçûâàíèå. Äëÿ ñìàçêè ïðèíèìàåì ìàñëÿíóþ âàííó.  êîðïóñ ðåäóêòîðà íåîáõîäèìî çàëèòü ìàñëî òàê, ÷òîáû âåíöû êîëåñ áûëè ïîãðóæåíû â íåãî. Ïðè èõ âðàùåíèè ìàñëî áóäåò ðàçáðûçãèâàòüñÿ, â ðåçóëüòàòå ÷åãî âíóòðè ðåäóêòîðà îáðàçóåòñÿ ìàñëÿíûé òóìàí (âçâåñü ÷àñòèö ìàñëà). Äàííûé ñïîñîá òðåáóåò ãåðìåòè÷íûõ óïëîòíåíèé. Âûáèðàåì ìàñëî È-30À ÃÎÑÒ 20799-88. Äëÿ ñëèâà ìàñëà â êðûøêå êîðïóñà ïðåäóñìàòðèâàåì ñëèâíîå îòâåðñòèå, çàêðûâàåìîå ðåçüáîâîé ïðîáêîé. Äëÿ íàáëþäåíèÿ çà óðîâíåì ìàñëà â êîðïóñå óñòàíàâëèâàåì æåçëîâîé ìàñëîóêàçàòåëü. Äëÿ ñîîáùåíèÿ âíóòðåííåé ïîëîñòè ñ âíåøíåé ñðåäîé â âåðõíèõ òî÷êàõ êîðïóñà óñòàíàâëèâàåì îòäóøèíó.

2.3.9 Êîíñòðóèðîâàíèå êðûøêè ïîäøèïíèêîâîãî óçëà

Ôîðìà êðûøêè çàâèñèò îò êîíñòðóêöèè îïîðû âàëà.  íàøåì ñëó÷àå êðûøêà ÿâëÿåòñÿ ïîñàäî÷íûì ìåñòîì äëÿ ï/ê (ðèñóíîê 2.10). Äëÿ äèàìåòðà D=52ìì, ñîãëàñíî [4], òàáëè÷íî îïðåäåëÿåì òîëùèíó ñòåíêè =7 ìì, äèàìåòðû îòâåðñòèé ïîä âèíòû =6 ìì, êîëè÷åñòâî âèíòîâ =4. Îñòàëüíûå ðàçìåðû ýëåìåíòîâ êðûøêè îïðåäåëÿþòñÿ êîíñòðóêòèâíî.

Ðèñóíîê 2.10- ôîðìà êðûøêè

2.3.10 Îôîðìëåíèå ìåñòà ñîåäèíåíèÿ êîðïóñà ñ ôëàíöåì ìîòîð-ðåäóêòîðà

Äëÿ ïðèñîåäèíåíèÿ ìîòîð-ðåäóêòîðà ôëàíöåâîãî èñïîëíåíèÿ ê êîðïóñó êîðîáêè ïîäà÷ íåîáõîäèìî ñêîíñòðóèðîâàòü îïîðíûé ôëàíåö. Äëÿ óïðîùåíèÿ êîíñòðóêöèè ïîäøèïíèêîâîãî óçëà îïîðíûé ôëàíåö áóäåò òàêæå âûïîëíÿòü ôóíêöèþ êðûøêè.

Òîëùèíà ñòåíêè îïîðíîãî ôëàíöà ïðèíèìàåòñÿ ðàâíîé òîëùèíå êðûøêè ïîäøèïíèêîâîãî óçëà.

Òîëùèíà îïîðíîãî ôëàíöà Sôë, ìì

,

ãäå =10 ìì - äèàìåòð âèíòà êðåïëåíèÿ ìîòîð-ðåäóêòîðà ê îïîðíîìó ôëàíöó.

ìì

Âàë ìîòîð-ðåäóêòîðà ñîåäèíÿåì ñ âåäóùèì âàëîì êîðîáêè ïîäà÷ ñ ïîìîùüþ óïðóãîé ìóôòû ñ òîðîîáðàçíîé îáîëî÷êîé (ÃÎÑÒ 20884 -75). Äàííàÿ ìóôòà êîìïåíñèðóåò ñìåùåíèå âàëîâ - îñåâîå äî 1°, ðàäèàëüíîå äî 1 ìì. Öåíòðèðóþùèé áóðòèê ôëàíöà ìîòîð-ðåäóêòîðà ñîïðÿãàþò ñ öåíòðèðóþùèì îòâåðñòèåì îïîðíîãî ôëàíöà ïî ïîñàäêå Í7/j6. Äëÿ ïîâûøåíèÿ ïðî÷íîñòè îïîðíîãî ôëàíöà, íà åãî âíåøíåé ñòîðîíå ïðåäóñìàòðèâàþò ðåáðà æåñòêîñòè.

2.4 Ðàçðàáîòêà îáùåãî âèäà ñòàíêà è îïèñàíèå åãî ðàáîòû

.4.1 Ðàçðàáîòêà îáùåãî âèäà òàíêà

Ïðè ïðîåêòèðîâàíèè ñòàíêà, êðîìå ðàñ÷åòà è êîíñòðóèðîâàíèÿ îòäåëüíûõ óçëîâ è ìåõàíèçìîâ, ðåøàþò âîïðîñû ñèíòåçà - îáúåäèíåíèÿ èõ â îäíîé ìàøèíå. Îòäåëüíûå óçëû íåîáõîäèìî óâÿçàòü è ñêîìïîíîâàòü òàêèì îáðàçîì, ÷òîáû ñòàíîê â íàèáîëüøåé ñòåïåíè îòâå÷àë óñëîâèÿì íàèáîëüøåé òî÷íîñòè, ïðîèçâîäèòåëüíîñòè, ýêîíîìè÷íîñòè è óäîáñòâà îáñëóæèâàíèÿ; ÷òîáû àðõèòåêòóðíûå ôîðìû ñòàíêà ñîîòâåòñòâîâàëè ýñòåòè÷åñêèì òðåáîâàíèÿì, ïðåäúÿâëÿåìûì ê ñîâðåìåííûì ìàøèíàì.

Õàðàêòåð è íàïðàâëåíèå äâèæåíèé èíñòðóìåíòà è çàãîòîâêè îêàçûâàþò íåïîñðåäñòâåííîå âëèÿíèå íà êîìïîíîâêó âñåãî ñòàíêà, òàê êàê îíè îïðåäåëÿþò äâèæåíèå ñóïïîðòîâ, ñòîëîâ, øïèíäåëåé è äðóãèõ îñíîâíûõ ìåõàíèçìîâ ñòàíêà.

Áîëüøîå âëèÿíèå íà êîíñòðóêòèâíîå îôîðìëåíèå ñòàíêà îêàçûâàþò è ñïîñîáû îñóùåñòâëåíèÿ äâèæåíèé èñïîëíèòåëüíûõ ìåõàíèçìîâ è äëÿ óïðàâëåíèÿ öèêëîì (âêëþ÷åíèå, âûêëþ÷åíèå è èçìåíåíèå ñêîðîñòè îòäåëüíûõ ìåõàíèçìîâ è ñîãëàñîâàíèå èõ äâèæåíèé ïî âðåìåíè).

Äëÿ ïðèâåäåíèÿ â äâèæåíèå îòäåëüíûõ ìåõàíèçìîâ ïðèìåíÿþò ìåõàíè÷åñêèé ñïîñîá, ãèäðàâëè÷åñêèé ñïîñîá, ïíåâìàòè÷åñêèé è ïíåâìîãèäðàâëè÷åñêèé ñïîñîá. Ïðè ïðîåêòèðîâàíèè äâèæåíèé â ðàçðàáàòûâàåìîì ñòàíêå îòäàåì ïðåäïî÷òåíèå ìåõàíè÷åñêîìó ñïîñîáó, êîòîðûé ÿâëÿåòñÿ íàèáîëåå ðàñïðîñòðàíåííûì â ñòàíêàõ; ïðè ýòîì ìû èñïîëüçîâàëè òàêèå ìåõàíèçìû, êàê çóá÷àòîå çàöåïëåíèå, ïåðåäà÷ó âèíò - ãàéêà.

Ïðè êîíñòðóèðîâàíèè ñòàíêîâ ñëåäóåò èñïîëüçîâàòü ìèíèìàëüíóþ íîìåíêëàòóðó ìàðîê ìàòåðèàëîâ, îáîñíîâàííî ïðèìåíÿòü òåðìîîáðàáîòêó, ëåãèðîâàííûå ìàòåðèàëû è öâåòíûå ñïëàâû, ó÷èòûâàòü âñå óñëîâèÿ ðàáîòû ìàòåðèàëà äåòàëè.

Êîðïóñíûå äåòàëè ñòàíêà.Ê ýòîé ãðóïïå îòíîñÿò ñòàíèíû, ñòîéêè, òðàâåðñû, êîðïóñà êîðîáîê ñêîðîñòåé è ïîäà÷, ñóïïîðòîâ, ñòîëîâ. Îíè çàíèìàþò äî 75% âåñà âñåõ äåòàëåé ñòàíêà.

Îñíîâíûå òðåáîâàíèÿ, ïðåäúÿâëÿåìûå ê êîðïóñíûì äåòàëÿì ñòàíêîâ, - èõ ïðî÷íîñòü, ìàëîå êîðîáëåíèå ñî âðåìåíåì, æåñòêîñòü, à äëÿ ïîäâèæíûõ êîðïóñíûõ äåòàëåé, èìåþùèõ íàïðàâëÿþùèå, - è èçíîñîñòîéêîñòü.

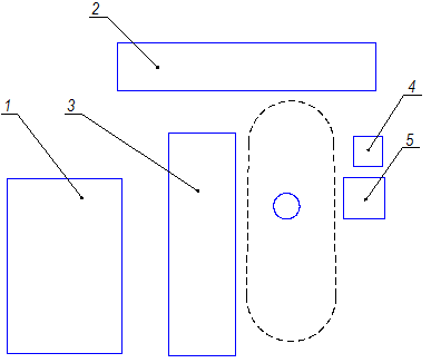
Ñòàíèíà ÿâëÿåòñÿ îäíîé èç íàèáîëåå îòâåòñòâåííûõ äåòàëåé ñòàíêà, êîòîðàÿ îïðåäåëÿåò ìíîãèå åãî ýêñïëóàòàöèîííûå êà÷åñòâà.  íàøåì ñëó÷àå ìû èñïîëüçóåì ñòàíèíó îò ñòåíäà äëÿ îïðåäåëåíèÿ òâåðäîñòè ðîëèêîâ, êîòîðàÿ èìååò ñëåäóþùóþ ôîðìó (ðèñóíîê 2.11).

Ðèñóíîê 2.11- Ñòàíèíà

Òàêæå îò ñòåíäà îñòàâëÿåì áîëüøîé ñòîë, êîòîðûé ïåðåìåùàëñÿ âäîëü ñòàíèíû (ðèñóíîê 2.12). Íà áîëüøîì ñòîëå áóäóò óñòàíàâëèâàòüñÿ è çàêðåïëÿòüñÿ âàëêè. Ò.î. íåîáõîäèìî ñïðîåêòèðîâàòü ìàëûé ñòîë, íà êîòîðûé áóäåò óñòàíîâëåíà ñâåðëèëüíàÿ ãîëîâêà, êîòîðàÿ áóäåò ïåðåìåùàòüñÿ ïî íàïðàâëÿþùèì. Ìàëûé ñòîë â ñâîþ î÷åðåäü áóäåò óñòàíîâëåí íà ïëèòó îñíîâàíèÿ, êîòîðàÿ ïðèõâàòàìè áóäåò êðåïèòüñÿ ê ñòàíèíå.

Ðèñóíîê 2.12- áîëüøîé ñòîë

Ìàëûé ñòîë âûïîëíÿåì êîðîá÷àòîé ôîðìû, ñ îäíèì èç ðàçìåðîâ, çíà÷èòåëüíî ìåíüøèì äâóõ äðóãèõ, è íàëè÷èåì ïëîñêîñòè ñ ïàçàìè äëÿ óñòàíîâêè è çàêðåïëåíèÿ â íèõ íàïðàâëÿþùèõ (ðèñóíîê 2.13). Òàêæå âíóòðè ñòîëà ïðåäóñìàòðèâàåì ïðîäîëüíóþ ïîëîñòü, äëÿ óñòàíîâêè â íåå õîäîâîãî âèíòà.

Ðèñóíîê 2.13- Ìàëûé ñòîë

Íàïðàâëÿþùèå ñêîëüæåíèÿ. Íàïðàâëÿþùèå ñëóæàò äëÿ ïåðåìåùåíèÿ ïîäâèæíûõ óçëîâ ñòàíêà. Îò òî÷íîñòè èõ èçãîòîâëåíèÿ è èçíîñîñòîéêîñòè âî ìíîãîì çàâèñèò òî÷íîñòü ðàáîòû âñåãî ñòàíêà. Ìàòåðèàë íàïðàâëÿþùåé äîëæåí îáåñïå÷èâàòü ìèíèìàëüíóþ ñêîðîñòü èçíàøèâàíèÿ â äàííûõ óñëîâèÿõ ðàáîòû äåòàëåé è íå äîïóñêàòü ìîëåêóëÿðíîå ñõâàòûâàíèå, êîòîðîå âûçûâàåò çàäèðû ïîâåðõíîñòåé. Ñëîæíîñòü âûáîðà èçíîñîñòîéêèõ ìàòåðèàëîâ çàêëþ÷àåòñÿ â òîì, ÷òî, âî-ïåðâûõ, íàäî ïîäáèðàòü íå îäèí ìàòåðèàë, à ïàðó ìàòåðèàëîâ è, âî-âòîðûõ, ó÷èòûâàòü, ÷òî ýòà ïàðà ìàòåðèàëîâ â îäíèõ óñëîâèÿõ ðàáîòû ìîæåò áûòü èçíîñîñòîéêîé, à â äðóãèõ íåò.

 áîëüøèíñòâå ñëó÷àåâ íàïðàâëÿþùèå èçãîòàâëèâàþò èç ÷óãóíà, ïðè÷åì äëÿ ïîâûøåíèÿ èçíîñîñòîéêîñòè èõ ñëåäóåò çàêàëèâàòü òîêàìè âûñîêîé ÷àñòîòû èëè äðóãèì ñïîñîáîì.  ñòàíêàõ ïðèìåíÿþò òàêæå çàêàëåííûå ñòàëüíûå íàïðàâëÿþùèå (ñòàëü 20Õ, ñòàëü 40Õ), âûïîëíåííûå â âèäå ïëàíîê, êîòîðûå ïðèêðåïëÿþò ê ñòàíèíàì. Äëÿ ãîðèçîíòàëüíûõ íàïðàâëÿþùèõ âûáèðàåì ìàòåðèàë - ñåðûé ÷óãóí. Âûïîëíÿåì ãîðèçîíòàëüíûå íàïðàâëÿþùèå â âèäå ïëàíîê. Äëÿ ïîâûøåíèÿ èçíîñîñòîéêîñòè çàêàëèâàåì èõ òîêàìè âûñîêîé ÷àñòîòû. Äëÿ âåðòèêàëüíûõ íàïðàâëÿþùèõ âûáèðàåì ìàòåðèàë - ñòàëü 45, îäíàêî, äåòàëü (ïîëçóí), ðàáîòàþùóþ â ýòîé ïàðå ñêîëüæåíèÿ, èçãîòàâëèâàåì èç çàêàëåííîé ñòàëè 40Õ. Ê ïîëçóíó ñ îäíîé ñòîðîíû áóäåò êðåïèòüñÿ øïèíäåëüíûé óçåë, ñ äðóãîé ñòîðîíû ìîòîð-ðåäóêòîð, ïîýòîìó äëÿ äîñòèæåíèÿ íåîáõîäèìîé æåñòêîñòè è èçíîñîñòîéêîñòè ìû âûáðàëè èìåííî ñòàëü 40Õ.

Äëÿ íåñóùåé ñèñòåìû âåðòèêàëüíûõ íàïðàâëÿþùèõ èçãîòàâëèâàåì ñâàðíóþ êîíñòðóêöèþ èç ëèñòîâîé ñòàëè ñò. 3 òîëùèíû 16 ìì. Ñòàëü èìååò ìîäóëü óïðóãîñòè â 2-2,4 ðàçà áîëüøèé, ÷åì ó ÷óãóíà, ïîýòîìó ïðèìåíåíèå ñòàëüíîé êîíñòðóêöèè îáåñïå÷èâàåò ïðè òîé æå æåñòêîñòè ýêîíîìèþ ìàòåðèàëà äî 30-50% ïî ñðàâíåíèþ ñ îòëèâêîé èç ÷óãóíà.

Ðàçðàáîòàííûé ñòàíîê äîñòàòî÷íî ïðîñòîé êîíñòðóêöèè, ÷òî ïîçâîëèëî â íåì ïðèìåíèòü ñòàíäàðòíûå è óíèôèöèðîâàííûå óçëû, ïîâûñèòü åãî òåõíîëîãè÷íîñòü, ñîêðàòèòü çàíèìàåìóþ ïëîùàäü, óëó÷øèòü óñëîâèÿ ýêñïëóàòàöèè, ïîâûñèòü ê. ï. ä. ñòàíêà, ñíèçèòü ìåòàëëîåìêîñòü.

Ê ýêñïëóàòàöèîííûì ïîêàçàòåëÿì ìîæíî îòíåñòè: óäîáñòâî îáñëóæèâàíèÿ, áåçîïàñíîñòü ðàáîòû íà ñòàíêå, áûñòðîòó è óäîáñòâî ðåãóëèðîâêè, çàìåíû è ðåìîíòà óçëîâ, õîðîøèé îòâîä ñòðóæêè èç çîíû öåíòðîâàíèÿ.

2.4.2 Îïèñàíèå ðàáîòû ñòàíêà

Ðàñïîëîæåíèå îñíîâíûõ óçëîâ ñòàíêà äîëæíî íå òîëüêî ñïîñîáñòâîâàòü ïîëó÷åíèþ çàäàííûõ òåõíè÷åñêèõ õàðàêòåðèñòèê, íî è áûòü óäîáíûì äëÿ óïðàâëåíèÿ, îáñëóæèâàíèÿ è íàáëþäåíèÿ çà ñòàíêîì. Ïîýòîìó âñå óçëû ñòàíêà ðàñïîëàãàþò ñ ó÷åòîì ïîëîæåíèÿ îïåðàòîðà èëè íàëàä÷èêà.

Ïðè ðàáîòå íà ðàçðàáàòûâàåìîì ñòàíêå, ðàáî÷èé áóäåò ñòîÿòü ïåðåä ñòàíêîì. Çàãîòîâêà âñåãäà áóäåò íàõîäèòüñÿ â öåíòðå âíèìàíèÿ ðàáî÷åãî â ïðîöåññå îáðàáîòêè. Ïîýòîìó ïóëüò óïðàâëåíèÿ ñòàíêîì ðàñïîëîæèì íà ìîòîð-ðåäóêòîðå ïðèâîäà ãëàâíîãî äâèæåíèÿ.

Îáðàáîòêà öåíòðîâûõ îòâåðñòèé íà ðàçðàáàòûâàåìîì ñòàíêå áóäåò ïðîèçâîäèòüñÿ ïîñëå îáðàáîòêè âàëêîâ íà ëåíòî÷íîïèëüíîì ñòàíêå, êîòîðûé ðàñïîëîæåí ðÿäîì ñî ñòåíäîì äëÿ îïðåäåëåíèÿ òâåðäîñòè ðîëèêîâ (ò.å. ñ áóäóùèì ñòàíêîì äëÿ öåíòðîâàíèÿ îòâåðñòèé).

Èíñòðóìåíò íàõîäèòñÿ â êðàéíåì ïðàâîì ïîëîæåíèè.

. Ðàáî÷èé (ñ ïîìîùüþ êðàí-áàëêè) ñíèìàåò âàëîê ñ ëåíòî÷íîïèëüíîãî ñòàíêà è óñòàíàâëèâàåò åãî íà áîëüøîé ñòîë â çàæèìíûå ïðèñïîñîáëåíèÿ ðàçðàáàòûâàåìîãî ñòàíêà òàê, ÷òîáû ðàññòîÿíèå äî ñâåðëà ñîñòàâèëî íå áîëåå 150 ìì (èíà÷å ðàáî÷åãî õîäà áóäåò íåäîñòàòî÷íî äëÿ ñâåðëåíèÿ îòâåðñòèÿ) è íå ìåíåå 80 ìì (áåçîïàñíîå ðàññòîÿíèå äëÿ èíñòðóìåíòà ïðè óñòàíîâêå âàëêà).

. Çàæèìàåò çàãîòîâêó.

. Ðàáî÷åìó íåîáõîäèìî íàñòðîèòü êîðîáêó ïîäà÷ ðàçðàáàòûâàåìîãî ñòàíêà íà ðåæèì áûñòðîãî ïîäâîäà èíñòðóìåíòà ê çàãîòîâêå, äëÿ ýòîãî ðóêîÿòêó êîðîáêè ïîäà÷ íóæíî ïîâåðíóòü ïðîòèâ ÷àñîâîé ñòðåëêè äî óïîðà.

. Âêëþ÷åíèåì êíîïêè 1 âêëþ÷àåòñÿ ìîòîð-ðåäóêòîð ïðèâîäà ïîäà÷è, ïðîèçâîäèòñÿ áûñòðûé ïîäâîä èíñòðóìåíòà ê çàãîòîâêå. Ñ ïîìîùüþ êîíå÷íîãî âûêëþ÷àòåëÿ 1, ïèòàíèå îò ìîòîð-ðåäóêòîðà ïðèâîäà ïîäà÷è îòêëþ÷àåòñÿ, è èíñòðóìåíò îñòàíàâëèâàåòñÿ íà ðàññòîÿíèè 10 ìì îò çàãîòîâêè.

. Îïåðàòîð íàñòðàèâàåò êîðîáêó ïîäà÷ íà ðåæèì ðàáî÷åãî õîäà, äëÿ ÷åãî ïîâîðà÷èâàåò ðóêîÿòêó êîðîáêè ïîäà÷ ïî ÷àñîâîé ñòðåëêå äî óïîðà.

. Âêëþ÷åíèåì êíîïêè 2 âêëþ÷àþòñÿ îáà ìîòîð-ðåäóêòîðà, ïðîèçâîäèòñÿ ðàáî÷èé õîä - ñâåðëåíèå öåíòðîâîãî îòâåðñòèÿ. Ñ ïîìîùüþ êîíå÷íîãî âûêëþ÷àòåëÿ 2, ïèòàíèå ìîòîð-ðåäóêòîðà ïðèâîäà ïîäà÷è îòêëþ÷àåòñÿ, èíñòðóìåíò ïðîäîëæàåò âðàùàòüñÿ.

. Îïåðàòîð íàñòðàèâàåò êîðîáêó ïîäà÷ íà ðåæèì áûñòðîãî îòâîäà, äëÿ ýòîãî ïîâîðà÷èâàåò ðóêîÿòêó êîðîáêè ïîäà÷ ïðîòèâ ÷àñîâîé ñòðåëêè äî óïîðà.         8. Âêëþ÷åíèåì êíîïêè 3 âêëþ÷àåòñÿ ìîòîð-ðåäóêòîð ïðèâîäà ïîäà÷è, ïðîèçâîäèòñÿ áûñòðûé îòâîä èíñòðóìåíòà èç çîíû ðåçàíèÿ. Ñ ïîìîùüþ êîíå÷íîãî âûêëþ÷àòåëÿ 3, ïèòàíèå îáîèõ ìîòîð-ðåäóêòîðîâ îòêëþ÷àåòñÿ.

Èíñòðóìåíò íàõîäèòñÿ â êðàéíåì ïðàâîì ïîëîæåíèè.

Ðàáî÷èé îñâîáîæäàåò çàãîòîâêó, ïåðåóñòàíàâëèâàåò åå (ñ ïîìîùüþ êðàí-áàëêè). Çàæèìàåò. Âûïîëíÿåò äåéñòâèÿ 1-8. Îñâîáîæäàåò çàãîòîâêó, ñíèìàåò ñî ñòîëà (ñ ïîìîùüþ êðàí-áàëêè), ñêëàäèðóåò íà ïðåäóñìîòðåííóþ äëÿ ýòîãî ïëîùàäü.

3. Òåõíîëîãè÷åñêàÿ ÷àñòü

.1 Ðàçðàáîòêà òåõíîëîãèè èçãîòîâëåíèÿ âèíòà ìåõàíèçìà ïîäà÷è

 

.1.1 Íàçíà÷åíèå è êîíñòðóêöèÿ äåòàëè

Äåòàëü, ðàçðàáàòûâàåìàÿ â äèïëîìíîì ïðîåêòå - õîäîâîé âèíò, ÿâëÿåòñÿ ñîñòàâíîé ÷àñòüþ ìåõàíèçìà õîäîâîé âèíò - ãàéêà. Ýñêèç äåòàëè ïðèâåäåí íà ðèñóíêå 3.1 Ìåõàíèçì õîäîâîé âèíò - ãàéêà ïðåîáðàçóåò âðàùàòåëüíîå äâèæåíèå â âîçâðàòíî-ïîñòóïàòåëüíîå.

Êà÷åñòâî èçãîòîâëåíèÿ äåòàëè çàâèñèò îò ìàòåðèàëà çàãîòîâêè, îò ïðàâèëüíîé ïðîñòàíîâêè ðàçìåðîâ íà ðàáî÷åì ÷åðòåæå, òàê êàê îáû÷íî îòäåëüíûå ðàçìåðû íàõîäÿòñÿ âî âçàèìîñâÿçè äðóã ñ äðóãîì.

Õîäîâîé âèíò èçãîòàâëèâàåòñÿ èç ëåãèðîâàííîé êîíñòðóêöèîííîé ñòàëè 40Õ. Õèìè÷åñêèé ñîñòàâ è ìåõàíè÷åñêèå ñâîéñòâà ìàòåðèàëà ïðèâåäåíû â òàáëèöàõ 3.1., 3.2 ñîîòâåòñòâåííî.

Òàáëèöà 3.1- Õèìè÷åñêèé ñîñòàâ

C

Si

Mn

S

P

Ni

Cr




Íå áîëåå



0,41-0,49

0,17-0,37

0,50-0,80

0,035

0,035

0,30

0,8-1,1

 
 
 
 
Òàáëèöà 3.2- ìåõàíè÷åñêèå ñâîéñòâà

sò , ÌÏà

sâ , ÌÏà

d5 , %

y, %

àí , Äæ/ñì2

HB

íå ìåíåå



882

1078

10

40-50

60

230-280

 

3.1.2 Àíàëèç òåõíîëîãè÷íîñòè êîíñòðóêöèè äåòàëè

Òåõíîëîãè÷åñêèé àíàëèç êîíñòðóêöèè îáåñïå÷èâàåò óëó÷øåíèå òåõíèêî-ýêîíîìè÷åñêèõ ïîêàçàòåëåé ðàçðàáàòûâàåìîãî òåõíîëîãè÷åñêîãî ïðîöåññà. Ïîýòîìó òåõíîëîãè÷åñêèé àíàëèç - îäèí èç âàæíåéøèõ ýòàïîâ òåõíîëîãè÷åñêîé ðàçðàáîòêè, â òîì ÷èñëå è äèïëîìíîãî ïðîåêòèðîâàíèÿ.

Îñíîâíûå çàäà÷è, ðåøàåìûå ïðè àíàëèçå òåõíîëîãè÷íîñòè êîíñòðóêöèè îáðàáàòûâàåìîé äåòàëè, ñâîäÿòñÿ ê âîçìîæíîìó óìåíüøåíèþ òðóäîåìêîñòè è ìåòàëëîåìêîñòè, âîçìîæíîñòè îáðàáîòêè äåòàëè âûñîêîïðîèçâîäèòåëüíûìè ìåòîäàìè. Òàêèì îáðàçîì, óëó÷øåíèå òåõíîëîãè÷íîñòè êîíñòðóêöèè ïîçâîëÿåò ñíèçèòü ñåáåñòîèìîñòü åå èçãîòîâëåíèÿ áåç óùåðáà äëÿ åå ñëóæåáíîãî íàçíà÷åíèÿ.

Äåòàëü õîäîâîé âèíò èçãîòàâëèâàåòñÿ èç ñòàëè 40Õ ÃÎÑÒ 4543-71, èñïîëüçóåìîé äëÿ äåòàëåé ñ ïîâûøåííîé èçíîñîñòîéêîñòüþ ïîâåðõíîñòè è ìàëîé äåôîðìàöèåé.

Ðàáî÷èé ÷åðòåæ ñîäåðæèò âñå íåîáõîäèìûå ñâåäåíèÿ, äàþùèå ïîëíîå ïðåäñòàâëåíèå î äåòàëè. Íà ÷åðòåæå óêàçàíû âñå ðàçìåðû ñ íåîáõîäèìûìè îòêëîíåíèÿìè è òðåáóåìàÿ øåðîõîâàòîñòü îáðàáàòûâàåìûõ ïîâåðõíîñòåé. Êîíôèãóðàöèÿ íàðóæíîãî êîíòóðà è âíóòðåííèõ ïîâåðõíîñòåé íå âûçûâàåò çíà÷èòåëüíûõ òðóäíîñòåé ïðè îáðàáîòêå çàãîòîâêè.

 êîíñòðóêöèè äåòàëè èìåþòñÿ äîñòàòî÷íûå ïî ðàçìåðàì è ðàññòîÿíèþ áàçîâûå ïîâåðõíîñòè. Øåðîõîâàòîñòü Ra 2,5 - èñïîëüçóþòñÿ äëÿ îáåñïå÷åíèÿ êîíñòðóêòèâíûõ îñîáåííîñòåé è òî÷íîñòè, à òàêæå äëÿ áîëåå òî÷íîãî è ïëîòíîãî ñîïðÿæåíèÿ ñ ñîáèðàåìûìè óçëàìè. Òðàïåöåèäàëüíàÿ ðåçüáà Tr 28õ3 äîëæíà áûòü âûïîëíåíà â ïðåäåëàõ óêàçàííûõ îòêëîíåíèé è ñ òî÷íîñòüþ äî 0,04 ìì.

 öåëîì, äåòàëü äîñòàòî÷íî òåõíîëîãè÷íà, äîïóñêàåò ïðèìåíåíèå âûñîêîïðîèçâîäèòåëüíûõ ðåæèìîâ îáðàáîòêè, èìååò õîðîøèå áàçîâûå ïîâåðõíîñòè äëÿ ïåðâîíà÷àëüíûõ îïåðàöèé è äîâîëüíî ïðîñòà ïî êîíñòðóêöèè. [8]

 

3.1.3 Âûáîð òèïà ïðîèçâîäñòâà

Òèï ïðîèçâîäñòâà âûáèðàåì ïî òàáëèöå 3.3 [11] â çàâèñèìîñòè îò ìàññû äåòàëè, m = 3,3 êã è ãîäîâîé ïðîãðàììû âûïóñêà Nã = 1 øò.

Òàáëèöà 3.3 - Çàâèñèìîñòü òèïà ïðîèçâîäñòâà îò îáúåìà âûïóñêà è ìàññû äåòàëè

Ìàññà äåòàëè, êã

Òèï ïðîèçâîäñòâà


åäèíè÷íîå

ìåëêî-ñåðèéíîå

ñðåäíå- ñåðèéíîå

êðóïíî- ñåðèéíîå

ìàññîâîå

<1,0 1,0¸2,5 2,5¸5,0 5,0¸10,0 >10,0

<10 <10 <10 <10 <10

10¸2000 10¸1000 10¸500 10¸300 10¸200

1500¸100000 1000¸50000 500¸35000 300¸25000 200¸10000

75000¸200000 50000¸100000 35000¸75000 25000¸50000 10000¸25000

>200000 >100000 >75000 >50000 >25000


Òåõíîëîãè÷åñêèå ïðîöåññû îáðàáîòêè äåòàëåé è ñáîðêè ìàøèí â åäèíè÷íîì ïðîèçâîäñòâå ðàçðàáàòûâàþòñÿ óêðóïíåíî. Ýòî îáúÿñíÿåòñÿ òåì, ÷òî âûïîëíÿåìûå çàêàçû îáû÷íî íå ïîâòîðÿþòñÿ, ïîýòîìó çàòðàòû íà äåòàëüíóþ ðàçðàáîòêó òåõíîëîãè÷åñêèõ ïðîöåññîâ ýêîíîìè÷åñêè íå îïðàâäàíû. Èñõîäÿ èç ýòèõ æå ñîîáðàæåíèé, îáû÷íî ñòðåìÿòñÿ ñîêðàòèòü êîëè÷åñòâî ñïåöèàëüíîé îñíàñòêè, èñïîëüçóÿ óíèâåðñàëüíûå ïðèñïîñîáëåíèÿ è óíèâåðñàëüíûé ðåæóùèé èíñòðóìåíò.  åäèíè÷íîì ïðîèçâîäñòâå øèðîêî ïðèìåíÿþòñÿ óíèâåðñàëüíî-ñáîðíûå ïðèñïîñîáëåíèÿ (ÓÑÏ), êîòîðûå ñîáèðàþò èç íîðìàëèçîâàííûõ ýëåìåíòîâ, à ïîñëå èñïîëüçîâàíèÿ ðàñ÷ëåíÿþò íà ýëåìåíòàðíûå äåòàëè. Ìíîãîêðàòíîå èñïîëüçîâàíèå ýëåìåíòîâ ÓÑÏ ýêîíîìè÷åñêè ýôôåêòèâíî.

 

3.1.4 Âûáîð çàãîòîâêè

Ïðè âûáîðå çàãîòîâêè äëÿ çàäàííîé äåòàëè ãëàâíûì êðèòåðèåì ÿâëÿåòñÿ îáåñïå÷åíèå çàäàííîãî êà÷åñòâà ãîòîâîãî èçäåëèÿ ïðè åãî ìèíèìàëüíîé ñåáåñòîèìîñòè.

Íà âûáîð ôîðìû, ðàçìåðîâ è ñïîñîáà ïîëó÷åíèÿ çàãîòîâêè áîëüøîå âëèÿíèå îêàçûâàþò êîíñòðóêöèÿ è ìàòåðèàë äåòàëè, õàðàêòåð òåõíîëîãèè ïðîèçâîäñòâà, òðóäîåìêîñòü è ýêîíîìè÷íîñòü îáðàáîòêè.

Ðóêîâîäñòâóÿñü âûøå ïåðå÷èñëåííûìè ôàêòîðàìè, âûáèðàåì çàãîòîâêó èç ñîðòîâîãî ïðîêàòà: . Ýòîò ñïîñîá ïîëó÷åíèÿ çàãîòîâêè ÿâëÿåòñÿ íàèáîëåå ýêîíîìè÷íûì ïðè çàäàííîì îáúåìå âûïóñêà äåòàëåé. Ïðèíèìàåì ìàññó çàãîòîâêè 7,3 êã, ìàññó äåòàëè - 3,3 êã. Êîýôôèöèåíò èñïîëüçîâàíèÿ ìàòåðèàëà - ýòî îòíîøåíèå ìàññû äåòàëè ê ìàññå çàãîòîâêè. Ïîëó÷èì êîýôôèöèåíò èñïîëüçîâàíèÿ ìàòåðèàëà, ðàâíûé 0,452.

 

3.1.5 Ðàñ÷åò ïðèïóñêîâ íà ìåõàíè÷åñêóþ îáðàáîòêó

Ïðèïóñêè èìåþò î÷åíü áîëüøîå çíà÷åíèå â ïðîöåññå ðàçðàáîòêè òåõíîëîãè÷åñêèõ îïåðàöèé ìåõàíè÷åñêîé îáðàáîòêè äåòàëåé. Ïðàâèëüíîå íàçíà÷åíèå ïðèïóñêîâ íà îáðàáîòêó çàãîòîâêè îáåñïå÷èâàåò ýêîíîìèþ ìàòåðèàëà è òðóäîâûõ ðåñóðñîâ, êà÷åñòâî âûïóñêàåìîé ïðîäóêöèè è ñíèæåíèå ñåáåñòîèìîñòè ãîòîâîãî èçäåëèÿ. Ñóùåñòâóåò äâà ìåòîäà ðàñ÷åòà ïðèïóñêîâ àíàëèòè÷åñêèé (ðàñ÷åòíûé) è ñïðàâî÷íûé (òàáëè÷íûé).

Äëÿ îïðåäåëåíèÿ îïòèìàëüíîãî ðàçìåðà çàãîòîâêè èç ïðóòêà ïðîèçâåäåì ðàñ÷åò ïðèïóñêîâ äëÿ ïîâåðõíîñòè Æ28å7 àíàëèòè÷åñêèì ìåòîäîì.

Ðàñ÷åò ïðèïóñêîâ íà îáðàáîòêó ïðèâåäåí â òàáëèöå. 3.4, â êîòîðîé ïîñëåäîâàòåëüíî çàïèñàí òåõíîëîãè÷åñêèé ìàðøðóò îáðàáîòêè ýòîãî ðàçìåðà è âñå çíà÷åíèÿ ýëåìåíòîâ ïðèïóñêà.

Òàáëèöà 3.4 - Ðàñ÷åò ïðèïóñêîâ è ïðåäåëüíûõ ðàçìåðîâ ïî òåõíîëîãè÷åñêèì ïåðåõîäàì íà îáðàáîòêó ïîâåðõíîñòè Æ  ìì.

Òåõíîëîãè÷åñêèå ïåðåõîäû îáðàáîòêè ðàçìåðà Æ  ìì

Ýëåìåíòû ïðèïóñêà, ìêì

Ðàñ÷åòíûé ïðèïóñê 2Zmin, ìêì

Ðàñ÷åòíûé ðàçìåð dð, ìì

Äîïóñê d, ìêì

Ïðåäåëüíûé ðàçìåð, ìêì

Ïðåäåëüíûå çíà÷åíèÿ ïðèïóñêîâ, ìêì


Rz

T

r

e




dmin

dmax

Çàãîòîâêà

150

250

48

270

-

29,354

1200

29,354

30,6

-

-

Òî÷åíèå ÷åðíîâîå

50

50

19,8

70

28,004

350

28,004

28,4

1350

2200

Òî÷åíèå ÷èñòîâîå

30

30

3

14

27,764

236

27,764

28,036

240

364

Èòîãî

-

1590

2564


Âñå ðàñ÷åòû âåäåì ïî ðåêîìåíäàöèÿì [11].

Çíà÷åíèÿ Rz è Ò, õàðàêòåðèçóþùèå êà÷åñòâî ïîâåðõíîñòè çàãîòîâêè, ñîñòàâëÿþò ñîîòâåòñòâåííî 150 è 250 ìêì. Äàëåå äëÿ òåõíîëîãè÷åñêîãî ïåðåõîäà çàïèñûâàåì ñîîòâåòñòâóþùèå çíà÷åíèÿ Rz è Ò.

Îïðåäåëÿåì ñóììàðíîå çíà÷åíèå ïðîñòðàíñòâåííûõ îòêëîíåíèé , ìêì ïî ôîðìóëå:

l, ìêì         (3.1)

ãäå Dê = 1,3 - óäåëüíàÿ êðèâèçíà çàãîòîâêè;

l - äëèíà çàãîòîâêè.

 ìêì

Îñòàòî÷íûå ïðîñòðàíñòâåííûå îòêëîíåíèÿ , ìêì íà îáðàáîòàííûõ ïîâåðõíîñòÿõ, èìåâøèõ èñõîäíûå îòêëîíåíèÿ, ÿâëÿþòñÿ ñëåäñòâèåì êîïèðîâàíèÿ ïîãðåøíîñòåé ïðè îáðàáîòêå. Ïðè âûïîëíåíèè äèïëîìíîãî ïðîåêòà äëÿ îïðåäåëåíèÿ çíà÷åíèé ïðèïóñêîâ íà ìåõàíè÷åñêóþ îáðàáîòêó âîñïîëüçóåìñÿ ýìïèðè÷åñêîé ôîðìóëîé:

, ìêì

ãäå Êó - êîýôôèöèåíò óòî÷íåíèÿ ôîðìû, çàâèñÿùèé îò òèïà îáðàáîòêè.

ìêì,

 ìêì

Ïîãðåøíîñòü çàêðåïëåíèÿ çàãîòîâêè eç ïðèíèìàåì ðàâíîé 270 ìêì. Òîãäà îñòàòî÷íàÿ ïîãðåøíîñòü óñòàíîâêè ïðè ÷èñòîâîì òî÷åíèè:

 ìêì  (3.3)

Íà îñíîâàíèè çàïèñàííûõ â òàáëèöå äàííûõ ïðîèçâîäèì ðàñ÷åò ìèíèìàëüíîãî çíà÷åíèÿ ïðèïóñêà ïî îñíîâíîé ôîðìóëå:

, (3.4)

ãäå Rz - âûñîòà ìèêðîíåðîâíîñòåé, ìêì;

Ò - ãëóáèíà äåôåêòíîãî ñëîÿ, ìêì;

r - ïðîñòðàíñòâåííîå îòêëîíåíèå, ìêì;

e - ïîãðåøíîñòü óñòàíîâêè, ìêì.

Ìèíèìàëüíûé ïðèïóñê íà ÷åðíîâîå òî÷åíèå:

 ìêì

Ìèíèìàëüíûé ïðèïóñê íà ÷èñòîâîå òî÷åíèå:

 ìêì

Îïðåäåëÿåì ðàñ÷åòíûé ðàçìåð, íà÷èíàÿ çàïîëíåíèå ñîîòâåòñòâóþùåé ãðàôû ñ êîíå÷íîãî (÷åðòåæíîãî) ðàçìåðà, ïóòåì ïðèáàâëåíèÿ ðàñ÷åòíîãî ìèíèìàëüíîãî ïðèïóñêà:

,  (3.5)

 ìì,

ìì

Íàèáîëüøèå ïðåäåëüíûå ðàçìåðû âû÷èñëÿåì ïóòåì ïðèáàâëåíèÿ äîïóñêà ê îêðóãëåííîìó íàèìåíüøåìó ïðåäåëüíîìó ðàçìåðó:

,  (3.6)

ãäå di - äîïóñê.

Çíà÷åíèå äîïóñêîâ äëÿ êàæäîãî ïåðåõîäà ïðèíèìàåì â ñîîòâåòñòâèè ñ êâàëèòåòîì òîãî èëè èíîãî âèäà îáðàáîòêè.

 ìì,

 ìì,

ìì

Ïðåäåëüíûå çíà÷åíèÿ ïðèïóñêîâ  ðàâíû ðàçíîñòè íàèáîëüøèõ ïðåäåëüíûõ ðàçìåðîâ, à çíà÷åíèÿ  - ðàçíîñòè íàèìåíüøèõ ïðåäåëüíûõ ðàçìåðîâ ïðåäøåñòâóþùåãî è âûïîëíÿåìîãî ïåðåõîäîâ.

Îïðåäåëÿåì ïðåäåëüíûå çíà÷åíèÿ ïðèïóñêîâ:

, (3.7)

 ìì,

ìì,

, (3.8)

ìì,

 ìì

Ïðîèçâîäèì ïðîâåðêó ïðàâèëüíîñòè âûïîëíåííûõ ðàñ÷åòîâ:

,  (3.9)

 ìêì,

 ìêì.

3.1.6 Âûáîð îáîðóäîâàíèÿ è ðåæóùåãî èíñòðóìåíòà

Âûáîð îáîðóäîâàíèÿ îñóùåñòâëÿåòñÿ íà îñíîâàíèè òàêèõ äàííûõ, êàê ìåòîä îáðàáîòêè, òî÷íîñòü îáðàáîòêè, ðàñïîëîæåíèå ðàçìåðîâ îáðàáàòûâàåìûõ ïîâåðõíîñòåé, ãàáàðèòíûõ ðàçìåðîâ çàãîòîâêè, êîëè÷åñòâî èíñòðóìåíòîâ â íàëàäêå ñòàíêà, îáåñïå÷åíèå çàäàííîé ïðîèçâîäèòåëüíîñòè, ýôôåêòèâíîñòü èñïîëüçîâàíèÿ ñòàíêà ïî âðåìåíè, ìîùíîñòè è äð. [11]

Äëÿ îáðàáîòêè äåòàëè èñïîëüçóåòñÿ íåñêîëüêî âèäîâ ñòàíêîâ, êðàòêàÿ õàðàêòåðèñòèêà êîòîðûõ ïðèâåäåíà â òàáëèöå 3.5.

Âûáîð ðåæóùèõ èíñòðóìåíòîâ îñóùåñòâëÿåòñÿ â çàâèñèìîñòè îò ìåòîäà îáðàáîòêè, ôîðìû è ðàçìåðîâ îáðàáàòûâàåìîé ïîâåðõíîñòè, åå òî÷íîñòè, øåðîõîâàòîñòè, îò îáðàáàòûâàåìîãî ìàòåðèàëà, çàäàííîé ïðîèçâîäèòåëüíîñòè è ïåðèîäà ñòîéêîñòè. Ðåæóùèå èíñòðóìåíòû, äîëæíû îáëàäàòü âûñîêîé ðåæóùåé ñïîñîáíîñòüþ (ñòàáèëüíîé ðàçìåðíîé ñòîéêîñòüþ ïðè âûñîêèõ ðåæèìàõ ðåçàíèÿ), îáåñïå÷èòü âîçìîæíîñòü áûñòðîé è óäîáíîé çàìåíû, íàëàäêè â ïðîöåññå ðàáîòû, ôîðìèðîâàòü òðàíñïîðòàáåëüíóþ ñòðóæêó è îòâîäèòü åå îò çîíû îáðàáîòêè áåç íàðóøåíèÿ íîðìàëüíîé ðàáîòû îáîðóäîâàíèÿ.

Òàáëèöà 3.5 - Ìåòàëëîðåæóùèå ñòàíêè è èíñòðóìåíòû


3.1.7 Âûáîð ñðåäñòâ èçìåðåíèÿ è êîíòðîëÿ ðàçìåðîâ

Ñ öåëüþ îáåñïå÷åíèÿ çàäàííûõ ïàðàìåòðîâ ðàáîòû íàçíà÷àþò ìåòîäû êîíòðîëÿ è ñðåäñòâà èçìåðåíèÿ ðàçìåðîâ. Äëÿ ìåæîïåðàöèîííîãî è îêîí÷àòåëüíîãî êîíòðîëÿ îáðàáàòûâàåìûõ ïîâåðõíîñòåé öåëåñîîáðàçíî èñïîëüçîâàòü ñòàíäàðòíûé èçìåðèòåëüíûé èíñòðóìåíò, ó÷èòûâàÿ òèï ïðîèçâîäñòâà, íî âìåñòå ñ òåì, êîãäà íåîáõîäèìî ñëåäóåò ïðèìåíÿòü ñïåöèàëüíûé êîíòðîëüíî-èçìåðèòåëüíûé èíñòðóìåíò èëè êîíòðîëüíî-èçìåðèòåëüíîå ïðèñïîñîáëåíèå.

Âûáîð ñðåäñòâ èçìåðåíèÿ çàâèñèò îò õàðàêòåðà è ìàññîâîñòè ïðîèçâîäñòâà (ãîäîâîé ïðîãðàììû âûïóñêà).  äàííîé ðàáîòå, ïðè åäèíè÷íîì ïðîèçâîäñòâå ðàöèîíàëüíåå èñïîëüçîâàòü óíèâåðñàëüíûå ñðåäñòâà èçìåðåíèÿ (øòàíãåíöèðêóëü, øòàíãåíãëóáèíîìåð, íóòðîìåð è äð.).

Ðåçóëüòàòû âûáîðà ñðåäñòâ èçìåðåíèÿ çàíîñèì â òàáëèöó 3.6

Òàáëèöà 3.6 - Âûáîð ñðåäñòâ èçìåðåíèÿ

Îáðàáàòûâàåìàÿ ïîâåðõíîñòü è èçìåðÿåìûé èëè êîíòðîëèðóåìûé ðàçìåð, ìì

Íàèìåíîâàíèå ñðåäñòâà èçìåðåíèÿ

Ìåòðîëîãè÷åñêèå õàðàêòåðèñòèêè ñðåäñòâà èçìåðåíèÿ



Öåíà äåëåíèÿ, ìì

Ïðåäåëû, ìì

 ìêì




Èçìåðåíèÿ

Ïîêàçàíèé ïî øêàëå, äèàïàçîí ïîêàçàíèé


1. ø16h7 2. ø20h7 3. ø22,5 4. ø25h7 5. ø28h7 6. Øïîíî÷íûé ïàç b=8H10

Øòàíãåíöèðêóëü ØÖ-II ñ äâóõñòîðîííèì ðàñïîëîæåíèå ãóáîê

0 - 200

0 - 1

 


3.1.8 Íàçíà÷åíèå ðåæèìîâ ðåçàíèÿ

Ïðè âûáîðå ðåæèìîâ îáðàáîòêè ïðèäåðæèâàþòñÿ îïðåäåëåííîãî ïîðÿäêà, ò.å. ïðè ðàñ÷åòå è íàçíà÷åíèè ðåæèìà ðåçàíèÿ ó÷èòûâàþò òèï è ðàçìåðû ðåæóùåãî èíñòðóìåíòà, ìàòåðèàë åãî ðåæóùåé ÷àñòè, ìàòåðèàë çàãîòîâêè, òèï îáîðóäîâàíèÿ.

Ðåæèì ðåçàíèÿ ìåòàëëîâ îïðåäåëÿåòñÿ ñëåäóþùèìè îñíîâíûìè ïàðàìåòðàìè: ãëóáèíîé ðåçàíèÿ t (ìì), ïîäà÷åé S (ìì/îá) è ñêîðîñòüþ ðåçàíèÿ  (ì/ìèí).

Âûáèðàåìûå ðåæèìû ðåçàíèÿ äîëæíû îáåñïå÷èâàòü íàèáîëüøóþ ïðîèçâîäèòåëüíîñòü òðóäà ïðè íàèìåíüøåé ñåáåñòîèìîñòè òåõíîëîãè÷åñêîé îïåðàöèè.

Ïðèâîäèì ðàñ÷åò äëÿ òîêàðíîé ÷åðíîâîé, ÷èñòîâîé îáðàáîòêè çàãîòîâêè äî ðàçìåðà ø28 ìì ðàñ÷åòíî-àíàëèòè÷åñêèì ìåòîäîì.

Ðàñ÷åò âåäåì ïî ìåòîäèêå, îïèñàííîé â [6], îòêóäà áåðåì âñå íåîáõîäèìûå òàáëè÷íûå çíà÷åíèÿ äëÿ ðàñ÷åòà ðåæèìîâ ðåçàíèÿ.

Ðàñ÷åò ñêîðîñòè ðåçàíèÿ ïðîâîäèòñÿ â çàâèñèìîñòè îò âèäà èíñòðóìåíòà è èíñòðóìåíòàëüíîãî ìàòåðèàëà, îáðàáàòûâàåìîãî ìåòàëëà è åãî òâåðäîñòè, ãëóáèíû ðåçàíèÿ t, ïîäà÷è S, óãëà â ïëàíå φ, ïðèíÿòîé ñòîéêîñòè èíñòðóìåíòà Òð.

Ïðèíèìàåì äëÿ ÷åðíîâîãî òî÷åíèÿ ïîäà÷ó S÷åðí=0,45 ìì/îá, ãëóáèíó ðåçàíèÿ t÷åðí=1,5 ìì, äëÿ ÷èñòîâîãî òî÷åíèÿ S÷èñò=0,1 ìì/îá, t÷èñò=0,5 ìì.

Îïðåäåëÿåì ðåêîìåíäóåìóþ ñêîðîñòü ðåçàíèÿ , ì/ìèí ïî íîðìàòèâàì:

,  (3.10)

ãäå - òàáëè÷íîå çíà÷åíèå ñêîðîñòè ðåçàíèÿ;

 - êîýôôèöèåíò, çàâèñÿùèé îò îáðàáàòûâàåìîãî ìàòåðèàëà;

 - êîýôôèöèåíò, çàâèñÿùèé îò ñòîéêîñòè è ìàðêè òâåðäîãî ñïëàâà èíñòðóìåíòà;

 - êîýôôèöèåíò, çàâèñÿùèé îò âèäà îáðàáîòêè.

 ì/ìèí,

 ì/ìèí

×àñòîòà âðàùåíèÿ , ìèí-1 çàãîòîâêè îïðåäåëÿåòñÿ ïî ôîðìóëå:

 ìèí-1

ãäå V - ñêîðîñòü ðåçàíèÿ, ïîñ÷èòàííàÿ âûøå, ì/ìèí;

d - äèàìåòð îáðàáàòûâàåìîé ïîâåðõíîñòè, ìì.

Ïîäñòàâëÿÿ çíà÷åíèÿ â ôîðìóëó (3.12) ïîëó÷àåì:

883 ìèí-1,

1295 ìèí-1

Ìàêñèìàëüíî äîïóñòèìàÿ ÷àñòîòà âðàùåíèÿ øïèíäåëÿ äàííîãî ñòàíêà n=1600 ìèí-1,  è  îêðóãëÿåì äî ñòàíäàðòíûõ çíà÷åíèé 800 ìèí-1 è 1250ìèí-1.

Êîððåêòèðóåì çíà÷åíèå ñêîðîñòè ðåçàíèÿ , ì/ìèí ÷åðíîâîãî è ÷èñòîâîãî òî÷åíèÿ, ó÷èòûâàÿ çíà÷åíèÿ ÷àñòîòû âðàùåíèÿ ïî ôîðìóëå:

 ì/ìèí

Ïîäñòàâëÿåì çíà÷åíèÿ:

80,4 ì/ìèí,

113,8 ì/ìèí

Èòàê, ïîëó÷åíû ñêîðîñòè ðåçàíèÿ äëÿ ÷åðíîâîãî -  ì/ìèí è ÷èñòîâîãî -  ì/ìèí òî÷åíèÿ.

Ïîëó÷åííûå çíà÷åíèÿ ñêîðîñòåé è ÷àñòîò âðàùåíèÿ øïèíäåëÿ, à òàêæå çíà÷åíèÿ ãëóáèíû ðåçàíèÿ è ïîäà÷ äàííîé è âñåõ îñòàëüíûõ ïîâåðõíîñòåé çàíîñèì â òàáëèöó 3.7.

Òàáëèöà 3.7 - Ðåæèìû ðåçàíèÿ


Ñèëà ðåçàíèÿ , Í ðàññ÷èòûâàåòñÿ ïî ôîðìóëå [12]:

 ,

ãäå ìì ;  ìì ; ìì/îá;  ìì/îá;

, ,  - äëÿ äàííûõ óñëîâèé ðåçàíèÿ èç òàáë. 20 [12]

- îáùèé ïîïðàâî÷íûé êîýôôèöèåíò, ïðåäñòàâëÿþùèé ñîáîé ïðîèçâåäåíèå èç ðÿäà êîýôôèöèåíòîâ:


Êàæäûé êîýôôèöèåíò ó÷èòûâàåò èçìåíåíèå ïðîòèâ òàáëè÷íûõ óñëîâèé ðåçàíèÿ.

 äàííîì ñëó÷àå, ó÷èòûâàÿ, ÷òî äëÿ äàííîé ïîâåðõíîñòè âûáðàí ðåçåö ïðîõîäíîé, îáðàáàòûâàåìûé ìàòåðèàë - 40Õ ïîëó÷àåì = 1.

Ïîäñòàâëÿÿ ÷èñëîâûå çíà÷åíèÿ â ôîðìóëó (3.15) ðàñ÷åòà ñèëû ðåçàíèÿ ïðè ÷åðíîâîì è ÷èñòîâîì òî÷åíèè, ïîëó÷àåì:

Í;

 Í

Ìîùíîñòü ðåçàíèÿ N, êÂò íà ðåçöå ðàâíà:

 êÂò

Ïîäñòàâëÿÿ çíà÷åíèÿ â ôîðìóëó (3,16) ïîëó÷àåì:

êÂò,

 êÂò.

Íåîáõîäèìàÿ ìîùíîñòü , êÂò íà ïðèâîäå ñòàíêà:

, êÂò

ãäå  - ê. ï. ä. ñòàíêà.

 êÂò;

 êÂò;

Ìîùíîñòü ñòàíêà N = 10 êÂò - îáðàáîòêà âîçìîæíà.

3.1.9 Òåõíè÷åñêîå íîðìèðîâàíèå âðåìåíè îïåðàöèé

Âðåìÿ îáðàáîòêè äåòàëåé íà êàæäîé îïåðàöèè çàâèñèò îò âûáðàííûõ ðåæèìîâ, äëèíû îáðàáàòûâàåìîé ïîâåðõíîñòè è äð.

Òåõíè÷åñêîå íîðìèðîâàíèå âðåìåíè îïåðàöèé ìîæíî âûïîëíèòü ðàñ÷åòíî-àíàëèòè÷åñêèì ìåòîäîì.  íàøåì ñëó÷àå, â åäèíè÷íîì ïðîèçâîäñòâå, êàê è â ìåëêîñåðèéíîì, ðàññ÷èòûâàåòñÿ íîðìà øòó÷íî-êàëüêóëÿöèîííîãî âðåìåíè.

Äëÿ ïðèìåðà ïðèâåäåì ðàñ÷åò âðåìåíè äëÿ òîêàðíîé îïåðàöèè - ïîäðåçêà òîðöà.

Øòó÷íîå âðåìÿ , ìèí:

 

Ãäå - îñíîâíîå (ìàøèííîå) âðåìÿ, âû÷èñëÿåìîå êàê îòíîøåíèå äëèíû ðàáî÷åãî õîäà èíñòðóìåíòà ê ïîäà÷å (â ìèíóòàõ) åãî ïåðåìåùåíèÿ, ìèí

 ìèí,

ìèí

 - âñïîìîãàòåëüíîå âðåìÿ, âêëþ÷àåò â ñåáÿ ïðîäîëæèòåëüíîñòü âñåõ âñïîìîãàòåëüíûõ õîäîâ èíñòðóìåíòà, âêëþ÷åíèé, ïåðåêëþ÷åíèé ñòàíêà, óñòàíîâêè è ñíÿòèÿ çàãîòîâêè, ìèí

 ìèí  (3.20)

ãäå =1,63 ìèí - óñòàíîâî÷íîå âðåìÿ;

=0,12 ìèí - âðåìÿ íà çàêðåïëåíèå è îòêðåïëåíèå äåòàëè (çàãîòîâêè);

= 0,083 ìèí - âðåìÿ íà óïðàâëåíèå ñòàíêîì;

=0,086 ìèí - âðåìÿ íà èçìåðåíèå (20% êîíòðîëü).

Âñïîìîãàòåëüíîå âðåìÿ

= 1,919 ìèí

Îïåðàòèâíîå âðåìÿ , ìèí

 ìèí,

 ìèí

, ìèí - âðåìÿ òåõíè÷åñêîãî îáñëóæèâàíèÿ

 ìèí,

 ìèí

 , ìèí - âðåìÿ îðãàíèçàöèîííîãî îáñëóæèâàíèÿ

 ìèí,

, ìèí

 , ìèí - âðåìÿ ðåãëàìåíòèðîâàííûõ ïåðåðûâîâ

 ìèí,

 ìèí

Ïîäãîòîâèòåëüíî-çàêëþ÷èòåëüíîå âðåìÿ , ìèí

 ìèí

= 6 ìèí - ïîäãîòîâèòåëüíî-çàêëþ÷èòåëüíîå âðåìÿ ïðè ðàáîòå íà òîêàðíîì ñòàíêå, âêëþ÷àþùåå â ñåáÿ íàëàäêó ñòàíêà, èíñòðóìåíòà è ïðèñïîñîáëåíèé.

Èòàê, øòó÷íîå âðåìÿ ïî âûøå îïèñàííîé ôîðìóëå:

=4,52 ìèí

Äëÿ îñòàëüíûõ îïåðàöèé ðàñ÷åò âåäåì àíàëîãè÷íî ýòîìó.

Ïîëó÷åííûå íîðìû âðåìåíè ïî äàííîé è äðóãèì îïåðàöèÿì ñóììèðóåì è ñãðóïïèðîâûâàåì ïî ÷åòûðåì óñòàíîâàì, ïðèâåäåííûì â òàáëèöå 3.10

Òàáëèöà 3.10 - Íîðìû âðåìåíè â ìèí.

Íàèìåíîâàíèå îïåðàöèè

Îñíîâíîå âðåìÿ, Òî

Âñïîìîãàòåëüíîå âðåìÿ, Òâ

Âðåìÿ òåõíè÷åñêîãî îáñëóæèâàíèÿ , Òòåõ.

Âðåìÿ îðãàíèçàöèîííîãî îáñëóæèâíèÿ, Òîðã.

Âðåìÿ ïåðåðûâîâ, Òï

Ïîäãîòîâèòåëüíî-çàêëþ÷èòåëüíîå âðåìÿ, Òï-ç

Øòó÷íîå âðåìÿ, Òøò

Ïîäðåçàòü òîðåö

0, 38

1,919

2,046

0,122

0,051

0,315

4,52

Öåíòðîâàòü òîðåö

0,16

1,919

1,654

0,103

0,065

0,315

4,11









Íàèìåíîâàíèå îïåðàöèè

Îñíîâíîå âðåìÿ, Òî

Âñïîìîãàòåëüíîå âðåìÿ, Òâ

 Âðåìÿ òåõíè÷åñêîãî îáñëóæèâàíèÿ , Òòåõ.

Âðåìÿ îðãàíèçàöèîííîãî îáñëóæèâíèÿ, Òîðã.

Âðåìÿ ïåðåðûâîâ, Òï

Ïîäãîòîâèòåëüíî-çàêëþ÷èòåëüíîå âðåìÿ, Òï-ç

Øòó÷íîå âðåìÿ, Òøò

Òî÷èòü ø29 ìì

1,25

1,919

1,95

0,083

0,048

0,315

5,56

Òî÷èòü ïîä ðåçüáó Tr28õ3

1,44

1,919

1,87

0,098

0,068

0,315

5,71

Òî÷èòü çàíèæåíèå ø22,5 ìì, l=40ìì

0,56

1,919

1,62

0,103

0,048

0,315

4,11

Ñíÿòü ôàñêè 45°

0,24

1,919

1,85

0,122

0,051

0,315

4,27

Òî÷èòü ø25h7 ìì, l=83ìì

0,23

1,919

1,63

0,128

0,068

0,315

4,29

Òî÷èòü ïîä ðåçüáó Ì16õ1,5, l=15ìì

0,39

1,919

1,47

0,103

0,041

0,315

3,88

Òî÷èòü êàíàâêó

0,17

1,919

1,23

0,083

0,073

0,315

3,63

Íàðåçàòü ðåçüáó Ì16õ1,5, l=15ìì

0,31

1,919

1,35

0,103

0,048

0,315

4,35

Ïîäðåçàòü òîðåö

0,38

1,919

2,046

0,122

0,051

0,315

4,52

Öåíòðîâàòü òîðåö

0,56

1,919

1,654

0,1032

0,065

0,315

4,11

Òî÷èòü ø28ìì

1,25

1,919

1,62

0,098

0,051

0,315

5,25

Òî÷èòü ø25ìì

1,25

1,919

1,62

0,098

0,051

0,315

5,25

Òî÷èòü çàíèæåíèå ø22,5 ìì, l=391ìì

1,22

1,919

1,62

0,122

0,048

0,315

5,24

Ñíÿòü ôàñêè 45°

0,24

1,919

1,85

0,131

0,031

0,315

4,26

Òî÷èòü ø20h7 ìì

1,42

1,919

1,49

0,131

0,058

0,315

5,33

Òî÷èòü ø16h9 ìì

1,42

1,919

1,47

0,083

0,073

0,315

5,28

Íàðåçàòü ðåçüáó Tr28õ3, l=300ìì

1,25

1,919

1,47

0,103

0,041

0,315

5,29

Íàðåçàòü ðåçüáó Ì16õ1,5, l=25ìì

0,53

1,919

1,35

0,103

0,048

0,315

4,57

Ñíÿòü 3 ôàñêè 45°

0,24

1,919

1,85

0,083

0,051

0,315

4,23

Ôðåçåðîâàòü øïîíî÷íûé ïàç b=8H10, l=40

1,66

1,45

0,85

0,25

0,09

0,28

3,2

3.2 Ðàçðàáîòêà òåõíîëîãè÷åñêîãî ïðîöåññà ñáîðêè óñòðîéñòâà

Ïðåäâàðèòåëüíî, äî íà÷àëà ðàçðàáîòêè òåõíîëîãè÷åñêîãî ïðîöåññà ñáîðêè, íåîáõîäèìî èçó÷èòü êîíñòðóêöèþ ñîáèðàåìîãî ñòàíêà, óñëîâèÿ åãî ðàáîòû è òåõíè÷åñêèå óñëîâèÿ åãî ïðèåìêè è èñïûòàíèÿ.

Íà îñíîâå èçó÷åíèÿ êîíñòðóêöèé ñîáèðàåìûõ ñáîðî÷íûõ åäèíèö è öåëîãî óñòðîéñòâà ñîñòàâëÿåòñÿ ñõåìà ñáîðêè ñîåäèíåíèé, îïðåäåëÿþùàÿ âçàèìíóþ ñâÿçü è ïîñëåäîâàòåëüíîñòü ñîåäèíåíèé îòäåëüíûõ ýëåìåíòîâ, ñáîðî÷íûõ åäèíèö àãðåãàòîâ (ìåõàíèçìîâ) è öåëîãî èçäåëèÿ.

Òåõíîëîãè÷åñêèé ïðîöåññ ñáîðêè çàêëþ÷àåòñÿ â ñîåäèíåíèè äåòàëåé è óçëîâ â ìåõàíèçìû (àãðåãàòû) è â öåëûé ñòàíîê.  ñâÿçè ñ ýòèì âñå ðàáîòû ñáîðî÷íîãî ïðîöåññà ðàçáèâàþòñÿ íà îòäåëüíûå ïîñëåäîâàòåëüíûå ñòàäèè (ñáîðêà óçëîâ, ñáîðêà àãðåãàòîâ, ìåõàíèçìîâ, îáùàÿ ñáîðêà), êîòîðûå äàëåå ðàñ÷ëåíÿþòñÿ íà îòäåëüíûå ïîñëåäîâàòåëüíûå îïåðàöèè, ïåðåõîäû, ïðèåìû. Îïåðàöèÿ ìîæåò âûïîëíÿòüñÿ ïðè íåñêîëüêèõ óñòàíîâêàõ.

Ñáîðî÷íûé ïðîöåññ ñîñòîèò èç ñëåäóþùèõ ÷àñòåé:

·   ðó÷íàÿ ñëåñàðíàÿ îáðàáîòêà è ïîäãîíêà, êîòîðàÿ ïðèìåíÿåòñÿ ïðåèìóùåñòâåííî â åäèíè÷íîì è ìåëêîñåðèéíîì ïðîèçâîäñòâå;

·   ïðåäâàðèòåëüíàÿ ñáîðêà - ñîåäèíåíèå äåòàëåé â àãðåãàòû, ìåõàíèçìû;

·   îáùàÿ (èëè îêîí÷àòåëüíàÿ ñáîðêà) - ñáîðêà âñåãî óñòðîéñòâà;

·   ðåãóëèðîâêà - óñòàíîâêà è âûâåðêà ïðàâèëüíîñòè âçàèìîäåéñòâèÿ ÷àñòåé ìàøèíû.

 îáùóþ ñáîðêó ìîãóò âõîäèòü ñëåäóþùèå îñíîâíûå îïåðàöèè:

·   êðåïëåíèå äåòàëåé;

·   ñáîðêà äåòàëåé íåïîäâèæíûõ;

·   ñáîðêà äåòàëåé äâèæóùèõñÿ;

·   ñáîðêà äåòàëåé âðàùàþùèõñÿ;

·   ñáîðêà äåòàëåé, ïåðåäàþùèõ äâèæåíèå;

·   ðàçìåòêà äëÿ ñáîðêè;

·   áàëàíñèðîâàíèå óçëîâ äåòàëåé;

Ïðîöåññ ñáîðêè ïðîåêòèðóåìîãî ñòàíêà äëÿ îáðàáîòêè öåíòðîâûõ îòâåðñòèé ñîñòîèò èç äâóõ îñíîâíûõ ÷àñòåé: ïîäãîòîâêà äåòàëåé ê ñáîðêå è ñîáñòâåííî ñáîðî÷íûå îïåðàöèè.

Ê ïîäãîòîâèòåëüíûì ðàáîòàì îòíîñÿòñÿ ðàçëè÷íûå ñëåñàðíî-ïðèãîíî÷íûå îïåðàöèè (ïðèòóïëåíèå îñòðûõ êðîìîê íà ðàáî÷èõ ÷àñòÿõ äåòàëåé, ïðèòèðêà ñîïðÿãàåìûõ â ïðîöåññå ðàáîòû ðàáî÷èõ ïîâåðõíîñòåé, è ò.ä.)

Ïðè ñáîðêå íåîáõîäèìî ñîáëþäàòü ñëåäóþùèå òåõíè÷åñêèå òðåáîâàíèÿ.

1. Îáåñïå÷èòü âîçìîæíîñòü ïðîâîðà÷èâàíèÿ øïèíäåëÿ îò ðóêè.

2. Îòðåãóëèðîâàòü çàöåïëåíèå öèëèíäðè÷åñêèõ êîëåñ.

3. Ñîïðÿãàåìûå ïîâåðõíîñòè êîðïóñà è êðûøêè êîðîáêè ïîäà÷ ïîêðûòü ñëîåì ãåðìåòèêà ÓÒ-34.

4. Îñåâîé ëþôò â ïîäøèïíèêàõ (ïîç. 38) óñòðàíèòü ïðîêëàäêîé.

5. Ïîäøèïíèêîâûå óçëû íàáèòü êîíñèñòåíòíîé ñìàçêîé Ëèòîë-24, â êîðîáêó ïîäà÷è çàëèòü 0,2 ë ìàñëà È-30À.

Òàê êàê ïðîåêòèðóåìûé ñòàíîê øòó÷íîå èçäåëèå, òî ïðîèçâîäèòñÿ íåïîòî÷íàÿ (ñòàöèîíàðíàÿ) ñáîðêà, õàðàêòåðèçóþùàÿñÿ âûïîëíåíèåì ñáîðî÷íûõ îïåðàöèé íà ïîñòîÿííîì ðàáî÷åì ìåñòå.

Ê ñîáñòâåííî ñáîðî÷íûì ðàáîòàì îòíîñèòñÿ ïðîöåññ ñîåäèíåíèÿ ñîïðÿãàåìûõ äåòàëåé ñ îáåñïå÷åíèåì ïðàâèëüíîãî èõ âçàèìíîãî ïîëîæåíèÿ è îïðåäåëåííîé ïîñàäêè.

 îñíîâíîì âèäû ñîåäèíåíèé: íåïîäâèæíîå-ðàçúåìíîå è ïîäâèæíîå-ðàçúåìíîå. Ê íåïîäâèæíûì - íåðàçúåìíûì îòíîñèòñÿ ñîåäèíåíèå ñâàðêîé íàïðàâëÿþùåé ñ íèæíåé ïëèòîé è äâóìÿ óãëàìè.

Äëÿ îïðåäåëåíèÿ ïîñëåäîâàòåëüíîñòè ñáîðêè èçäåëèÿ è åãî óçëà ðàçðàáàòûâàåì òåõíîëîãè÷åñêóþ ñõåìó ñáîðêè ñòàíêà.

Íà òåõíîëîãè÷åñêîé ñõåìå ñáîðêè ñòàíêà êàæäûé ýëåìåíò óçëà îáîçíà÷åí ïðÿìîóãîëüíèêîì, ðàçäåëåííûì íà òðè ÷àñòè (ðèñóíîê 4.6.).  âåðõíåé ÷àñòè óêàçàíî íàèìåíîâàíèå ýëåìåíòà äåòàëè è óçëà, â ëåâîé íèæíåé ÷àñòè - íîìåð ïî ñáîðî÷íîìó ÷åðòåæó ïèòàòåëÿ, â ïðàâîé íèæíåé ÷àñòè - ÷èñëî ñîáèðàåìûõ ýëåìåíòîâ.

Ðèñóíîê 4.6- òåõíîëîãè÷åñêàÿ ñõåìå ñáîðêè ñòàíêà

Áàçîâûì íàçûâàåòñÿ ýëåìåíò (äåòàëü), ñ êîòîðîãî íà÷èíàåòñÿ ñáîðêà. Óçëó è ïîäóçëó ïðèñâàèâàåì íîìåð åãî áàçîâîé äåòàëè.

Òåõíîëîãè÷åñêóþ ñõåìó ñáîðêè ñòðîèì ïî ñëåäóþùåìó ïðàâèëó.  ëåâîé ÷àñòè ñõåìû óêàçûâàåì áàçîâóþ äåòàëü, à â ïðàâîé ÷àñòè ñõåìû - èçäåëèå (ïèòàòåëü) â ñáîðå. Ýòè äâå ÷àñòè ñîåäèíÿåì ãîðèçîíòàëüíîé ëèíèåé. Âûøå ýòîé ëèíèè ïðÿìîóãîëüíèêàìè îáîçíà÷åíû âñå äåòàëè â ïîðÿäêå ïîñëåäîâàòåëüíîñòè ñáîðêè. Òåõíîëîãè÷åñêóþ ñõåìó ñáîðêè ñîïðîâîæäàåì ïîäïèñÿìè, åñëè òàêîâûå íå î÷åâèäíû èç ñàìîé ñõåìû (çàôèêñèðîâàòü, ñâàðèòü, ïðèïàÿòü).

Òåõíîëîãè÷åñêàÿ ñõåìà çíà÷èòåëüíî óïðîùàåò ðàçðàáîòêó ñáîðî÷íûõ ïðîöåññîâ è îáëåã÷àåò îöåíêó êîíñòðóêöèè ñòàíêà ñ òî÷êè çðåíèÿ åå òåõíîëîãè÷íîñòè.

Ñáîðî÷íûå îïåðàöèè ïðîåêòèðóþò íà îñíîâå òåõíîëîãè÷åñêîé ñõåìû ñáîðêè. Ïðè ðàçðàáîòêå ó÷èòûâàåì, ÷òî êàæäàÿ îïåðàöèÿ äîëæíà èìåòü îïåðàöèîííóþ òåõíîëîãè÷åñêóþ çàêîíîìåðíîñòü.

Ïðîåêòèðóÿ ñáîðî÷íûå îïåðàöèè, óòî÷íÿåì ñîäåðæàíèå òåõíîëîãè÷åñêèõ ïåðåõîäîâ, âûáèðàåì òåõíîëîãè÷åñêîå îáîðóäîâàíèå è ðàáî÷èé èíñòðóìåíò.

Òåõíîëîãè÷åñêàÿ äîêóìåíòàöèÿ ñáîðî÷íîãî ïðîöåññà âêëþ÷àåò îáùèé âèä ñòàíêà, ñáîðî÷íûé ÷åðòåæ ñâåðëèëüíîé ãîëîâêè, ñáîðî÷íûé ÷åðòåæ çàæèìíîãî ïðèñïîñîáëåíèÿ, òåõíîëîãè÷åñêóþ ñõåìó óçëîâîé è îáùåé ñáîðêè. Óìåíüøåíèå òðóäîåìêîñòè ñáîðêè óñòðîéñòâà íà ñáîðî÷íîì ìåñòå äîñòèãàåòñÿ:

·   îáðàáîòêîé äåòàëåé ïî ïðèíöèïó âçàèìîçàìåíÿåìîñòè, èñêëþ÷àþùåé ðó÷íóþ ñëåñàðíóþ îáðàáîòêó è ïîäãîíêó ðàçìåðîâ äåòàëåé ïî ìåñòó;

·   ïðèìåíåíèåì â âîçìîæíî áîëüøåé ñòåïåíè ïðåäâàðèòåëüíîé ñáîðêè äåòàëåé â óçëû è óçëîâ â àãðåãàòû âíå ìåñòà îáùåé ñáîðêè âñåãî óñòðîéñòâà;

·   îáåñïå÷åíèåì ñáîðùèêîâ âî èçáåæàíèå ïðîñòîÿ ñâîåâðåìåííîé ïîäà÷åé äåòàëåé, óçëîâ, ìàòåðèàëîâ, èíñòðóìåíòà è ïðèñïîñîáëåíèé ê ñáîðî÷íîìó ìåñòó;

·   âîçìîæíî áîëåå øèðîêîå ïðèìåíåíèå ñïåöèàëüíûõ ïðèñïîñîáëåíèé è èíñòðóìåíòîâ â öåëÿõ óìåíüøåíèÿ çàòðàò âðåìåíè íà âûïîëíåíèå ñáîðî÷íûõ îïåðàöèé è îáëåã÷åíèÿ ðàáîòû;

·   íàèáîëåå òî÷íûì óñòàíîâëåíèåì íîðì âðåìåíè íà âñå ñáîðî÷íûå ðàáîòû â çàâèñèìîñòè îò õàðàêòåðà è ìåòîäà âûïîëíåíèÿ ñáîðî÷íûõ îïåðàöèé.

4. Îðãàíèçàöèîííî-ýêîíîìè÷åñêàÿ ÷àñòü

.1 Îöåíêà ïðåäåëüíî - íåîáõîäèìûõ çàòðàò íà èçãîòîâëåíèå ñòàíêà

 îñíîâå îïðåäåëåíèÿ ñòîèìîñòè ìàòåðèàëüíûõ îáúåêòîâ ëåæèò ïðèíöèï çàìåùåíèÿ, ñîãëàñíî êîòîðîìó ðàñ÷åòëèâûé ïîêóïàòåëü íå çàïëàòèò çà èìóùåñòâî öåíó, ïðåâûøàþùóþ çàòðàòû, òðåáóþùèåñÿ äëÿ ïðèîáðåòåíèÿ íà ðûíêå íåêîòîðîãî ðàçóìíîãî àíàëîãà.

Äëÿ îöåíêè ìåòàëëîðåæóùåãî îáîðóäîâàíèÿ, ñîãëàñíî ñòàíäàðòàì îöåíêè (Ïîñòàíîâëåíèå Ïðàâèòåëüñòâà ÐÔ îò 06.07.2001 ã. ¹ 519 «Îá óòâåðæäåíèè ñòàíäàðòîâ îöåíêè») îöåíùèê, ïðè ïðîâåäåíèè îöåíêè, îáÿçàí èñïîëüçîâàòü çàòðàòíûé, ñðàâíèòåëüíûé èëè äîõîäíûé ïîäõîäû ê îöåíêå. Îöåíùèê âïðàâå ñàìîñòîÿòåëüíî îïðåäåëÿòü â ðàìêàõ êàæäîãî èç ïîäõîäîâ ê îöåíêå êîíêðåòíûå ìåòîäû îöåíêè.

Çàòðàòíûé ïîäõîä. Ïðåäïîñûëêà äàííîãî ïîäõîäà çàêëþ÷àåòñÿ â òîì, ÷òî ñòîèìîñòü ëþáîãî èìóùåñòâà çàâèñèò îò çàòðàò íà âîñïðîèçâîäñòâî àíàëîãè÷íîãî èìóùåñòâà. Ïîñëåäîâàòåëüíîñòü ïðîâåäåíèÿ ðàñ÷åòîâ ïî çàòðàòíîìó ïîäõîäó äîëæíà îòðàæàòü äâà îñíîâíûõ ýòàïà - îïðåäåëåíèå âåëè÷èíû ïîëíîé ñòîèìîñòè çàìåùåíèÿ è ïîñëåäóþùèé ðàñ÷åò óñòðàíèìîãî/ íåóñòðàíèìîãî îáåñöåíåíèÿ.

Êàê ïðàâèëî, ïðèìåíåíèå ïîäõîäà öåëåñîîáðàçíî, åñëè äîñòàòî÷íî òî÷íîé îöåíêå ïîääàåòñÿ îïðåäåëåíèå âåëè÷èíû âñåõ ôîðì èçíîñà, îáåñöåíåíèÿ è óñòàðåâàíèÿ, êîòîðóþ íåîáõîäèìî âû÷åñòü èç ðàñ÷åòíîãî ïîêàçàòåëÿ ïîëíîé âîññòàíîâèòåëüíîé ñòîèìîñòè (ñòîèìîñòü âîñïðîèçâîäñòâà òî÷íîé êîïèè) èëè ñòîèìîñòè çàìåùåíèÿ (òåêóùàÿ ñòîèìîñòü áëèçêîãî àíàëîãà). Åñëè îáúåêòèâíî îòñóòñòâóþò ðûíî÷íûå äàííûå äëÿ òàêîãî ðàñ÷åòà, â ÷àñòíîñòè, îòíîñèòåëüíî ìîðàëüíîãî óñòàðåâàíèÿ îáúåêòà, ðûíî÷íóþ ñòîèìîñòü îïðåäåëÿþò ñ ïðèìåíåíèåì äðóãèõ ïîäõîäîâ îöåíêè.

Äîõîäíûé ïîäõîä. Ïðåäïîëàãàåò ðàñ÷åò òåêóùåé ñòîèìîñòè ýêîíîìè÷åñêèõ âûãîä, îæèäàåìûõ îò âëàäåíèÿ îöåíèâàåìûìè àêòèâàìè. Ïðè îöåíêå ìàøèí è îáîðóäîâàíèÿ â ýòîì ñëó÷àå èìåþò ìåñòî ñëåäóþùèå âõîäíûå ïàðàìåòðû: íàëè÷íûé ïîòîê èëè ïîòîê ïðèáûëè, àññîöèèðîâàííûé ñ îöåíèâàåìûìè àêòèâàìè, ñòàâêà äèñêîíòà, èëè ñòàâêà êàïèòàëèçàöèè, ñîîòâåòñòâóþùàÿ ñòåïåíè ðèñêà, ñâÿçàííîãî ñ ðàññìàòðèâàåìûì íàëè÷íûì ïîòîêîì, è îñòàòî÷íûé ýêîíîìè÷åñêèé ñðîê ñëóæáû àêòèâîâ.

Ñðàâíèòåëüíûé ïîäõîä. Ïîñòðîåí íà ïðåäïîëîæåíèè, ÷òî ñóáúåêòû íà ðûíêå îñóùåñòâëÿþò ñäåëêè êóïëè-ïðîäàæè, îñíîâûâàÿñü íà èíôîðìàöèè îá àíàëîãè÷íûõ ñäåëêàõ. Äàííûé ïîäõîä âêëþ÷àåò ñáîð äàííûõ î ðûíêå ïðîäàæ è ïðåäëîæåíèé ïî îáúåêòàì, ñõîäíûì ñ îöåíèâàåìûì. Öåíû íà îáúåêòû àíàëîãè çàòåì êîððåêòèðóþòñÿ ñ ó÷åòîì ïàðàìåòðîâ, ó÷èòûâàþùèõ âðåìÿ, ìåñòî, óñëîâèÿ ôèíàíñèðîâàíèÿ è ïðîäàæè, ôèçè÷åñêèå õàðàêòåðèñòèêè îáúåêòà îöåíêè è íàéäåííûõ àíàëîãîâ. Ïîñëå êîððåêòèðîâêè öåí èõ ìîæíî èñïîëüçîâàòü äëÿ îïðåäåëåíèÿ ðûíî÷íîé ñòîèìîñòè îöåíèâàåìîãî îáúåêòà.

Âûáîð êîíêðåòíîãî ïîäõîäà â îñíîâíîì îáóñëîâëåí õàðàêòåðîì äîñòóïíîé èíôîðìàöèè, îñîáåííîñòÿìè ðûíêà è ñïåöèôèêîé ñàìîãî îöåíèâàåìîãî îáúåêòà. Äëÿ êàæäîé ïðîáëåìû îöåíêè âñåãäà íàéäóòñÿ îäèí-äâà ïîäõîäà, êàê ïðàâèëî, ëó÷øå äðóãèõ îòðàæàþùèõ ñèòóàöèþ íà îòêðûòîì ðûíêå. Îöåíèì ðàçðàáàòûâàåìûé ñòàíîê çàòðàòíûì ïîäõîäîì, ìåòîäîì ðàñ÷åòà ñåáåñòîèìîñòè ïî óêðóïíåííûì íîðìàòèâàì.  äàííîì ñëó÷àå ýòîò ìåòîä íàèáîëåå ðàöèîíàëüíî ïðèìåíèòü, ò.ê. èìåþòñÿ êîíñòðóêòîðñêèå äîêóìåíòû íà îáúåêò îöåíêè. Ïîä íîðìàòèâàìè çàòðàò ïîíèìàþò îòíîñèòåëüíûå èëè óäåëüíûå ïîêàçàòåëè õàðàêòåðèçóþùèå ðàñõîä êàêîãî-ëèáî ðåñóðñà íà åäèíèöó âëèÿþùåãî ôàêòîðà. Ñòîèìîñòü íåñòàíäàðòíîãî îáîðóäîâàíèÿ óêðóïíåíî ìîæíî ðàññ÷èòàòü ïî ñðåäíåñòàòèñòè÷åñêîé ñòîèìîñòè 1 êã ìàññû ñòàíêà äàííîãî êëàññà è òèïà èëè ïî ÷èñëó îðèãèíàëüíûõ äåòàëåé è ïî ìàññå îáîðóäîâàíèÿ. [1]  òàáëèöå 4.1 ïðèâåäåíû öåíû íà ñòàíêè ñðåäíèõ ðàçìåðîâ.

Òàáëèöà 4.1 Öåíû íà ñòàíêè ñðåäíèõ ðàçìåðîâ

Ñòàíîê

Öåíà, ðóá/êã

Òîêàðíûé

30-32

Ñâåðëèëüíûé

25-35

Ôðåçåðíûé

35-50

Àâòîìàò è ïîëóàâòîìàò

Ãîðèçîíòàëüíî-ðàñòî÷íîé

200-360


Ïðîåêòèðóåìûé ñòàíîê îáðàáàòûâàåò öåíòðîâûå îòâåðñòèÿ öåíòðîâî÷íûìè ñâåðëàìè â òîðöàõ âàëêîâ, ïîýòîìó åãî ñëåäóåò îòíåñòè ê ãðóïïå ñâåðëèëüíûõ.

Öåíà îñíîâíûõ ìàòåðèàëîâ.

Ìàòåðèàëàìè äëÿ èçãîòîâëåíèÿ áîëüøèíñòâà äåòàëåé ñòàíêà ÿâëÿþòñÿ ñòàëè: Ñò.3, ñòàëü 45, 40Õ è 45Õ. Äëÿ èçãîòîâëåíèÿ ãàåê ðàáîòàþùèõ â ïàðå ñ õîäîâûìè âèíòàìè èñïîëüçóåì îëîâÿíèñòûå áðîíçû ÎÖÑ6-6-3. Ñðåäíÿÿ ñòîèìîñòü äàííûõ ìàòåðèàëîâ çà òîííó ñîñòàâëÿåò:

Ñò.3 - 40000 ðóáëåé;

ñòàëü 45 - 52000 ðóáëåé;

Õ è 45Õ - 55000 ðóáëåé;

ÎÖÑ6-6-3 - 260000 ðóáëåé.

Öåíà è ðàñõîä îñíîâíûõ ìàòåðèàëîâ âñåõ äåòàëåé ïðèâåäåíû â òàáëèöå. 4.2. Äëÿ óïðîùåíèÿ ðàñ÷åòîâ ïðèíèìàåì ìàññó çàãîòîâêè ðàâíîé ìàññå äåòàëè.  çíàìåíàòåëå äðîáè ïðèâåäåíà ìàññà çàãîòîâîê ñ ó÷åòîì èõ êîëè÷åñòâà.

Òàáëèöà 4.2- Öåíà è ðàñõîä îñíîâíûõ ìàòåðèàëîâ âñåõ äåòàëåé

Íàèìåíîâàíèå äåòàëè

Ìàòåðèàë çàãîòîâêè

Ìàññà çàãîòîâêè, êã

Öåíà, ðóá./êã

Öåíà çàãîòîâêè, ðóá.

Êîë-âî äåòàëåé,øò.

Âñåãî, ðóá.

Øïèíäåëü

40Õ

2,6

55

41,6

1

143

Ñòîë

Ñòàëü 45

218,5

52

2840,5

1

11362

Ïëèòà

Ñòàëü 45

14,1

52

183,3

1

733,2

Êîðïóñ ðåäóêòîðà

Ñòàëü 45

5

52

65

1

260

Êðûøêà ðåäóêòîðà

Ñòàëü 45

1,6

52

20,8

1

83,2

Óãîëüíèê

Ñòàëü 45

12,5/25

52

650

2

1300

Ñòàêàí øïèíäåëÿ

Ñòàëü 45

2,3

52

29,9

1

119,6

Ïëàíêà

Ñòàëü 45

4,8/9,6

52

249,6

2

499,2

Âèíò ðó÷êè

40Õ

1,1

55

17,6

1

60,5

Ïëàíêà ðó÷êè

Ñòàëü 45

0,8

52

10,4

1

41,6

Ðó÷êà

Ñòàëü 45

0,3

52

3,9

1

15,6

Ãàéêà ðó÷êè

ñò.3

0,8

40

8,8

1

32

Íàïðàâëÿþùàÿ

Ñòàëü 45

9,8

52

127,4

1

509,6

Ïëàíêà âåðõíÿÿ

Ñòàëü 45

2,9/5,8

52

150,8

2

301,6

Ïëàíêà íèæíÿÿ

Ñòàëü 45

3,3/6,6

52

171,6

2

383,2

Ïëèòà îñíîâàíèÿ

Ñòàëü 45

197,5

52

2567,5

1

10270

Ãàéêà õîäîâîãî âèíòà

ÎÖÑ6-6-3

1,2

260

16,2

1

312

Âèíò õîäîâîé

40Õ

3,3

55

52,8

1

181,5

Ñòàêàí

Ñòàëü 45

0,45

52

5,85

1

23,4

Êðûøêà

ñò.3

0,4

40

4,4

1

16

Ïëèòà íèæíÿÿ

Ñòàëü 45

68

52

884

1

3536

Çóá÷àòîå êîëåñî

45Õ

2

55

32

1

110

Øåñòåðíÿ

45Õ

1,8

55

28,8

1

99

Áëîê çóá÷àòûõ øåñòåðåí

45Õ

4,1

55

65,6

1

225,5

Âàë øåñòåðíÿ

Ñòàëü 45

1,8

52

23,4

1

93,6

Ðåéêà çóá÷àòàÿ

Ñòàëü 45

1,2

52

15,6

1

62,4

Âòóëêà ðàñïîðíàÿ

ñò.3

0,05/0,15

40

2

3

4

Êðûøêà

ñò.3

0,7

40

0,77

1

28

Êðûøêà ïðèæèìíàÿ

ñò.3

0,28

40

3,08

1

11,2

Øòèôò

Ñòàëü 45

0,03/0,06

52

1,56

2

3,12

Îòáîéíèê

Ñòàëü 45

1

52

6,5

2

52

Èòîãî: 587,84



30872


Òàáëèöà 4.3 Öåíà ñòàíäàðòíûõ èçäåëèé

Íàèìåíîâàíèå èçäåëèÿ

Êîë-âî

Ìàññà èçäåëèÿ, êã

Âñåãî, êã

Öåíà çà åäèíèöó èçäåëèÿ, ðóá

Âñåãî, ðóá.

Áîëò Ì6õ60.58 ÃÎÑÒ 7798-70

2

0,004

0,008

0,342

0,684

Áîëò Ì8õ16.58 ÃÎÑÒ 7798-70

13

0,011

0,143

0,239

3,107

Áîëò Ì8õ20.58 ÃÎÑÒ 7798-70

4

0,012

0,048

0,246

0,984

Áîëò Ì8õ22.58 ÃÎÑÒ 7798-70

7

0,013

0,091

0,283

1,981

Áîëò Ì8õ32.58 ÃÎÑÒ 7798-70

6

0,015

0,090

0,307

1,842

Áîëò Ì8õ60.58 ÃÎÑÒ 7798-70

14

0,025

0,35

0,39

5,46

Áîëò Ì10õ30.58 ÃÎÑÒ 7798-70

10

0,026

0,26

0,453

4,53

Áîëò Ì10õ35.58 ÃÎÑÒ 7798-70

2

0,029

0,056

0,559

1,118

Áîëò Ì12õ25.58 ÃÎÑÒ 7798-70

20

0,034

0,68

0,658

13,16

Áîëò Ì16õ40.58 ÃÎÑÒ 7798-70

4

0,092

0,368

1,359

5,436

Áîëò Ì20õ40.58 ÃÎÑÒ 7798-70

6

0,155

0,93

2,945

17,67

Øàéáà 6 65Ã 02 9 ÃÎÑÒ 6402-70

2

0,0008

0,0016

0,18

0,36

Øàéáà 8 65Ã 02 9 ÃÎÑÒ 6402-70

44

0,0016

0,0704

0,18

7,92

Øàéáà 10 65Ã 02 9 ÃÎÑÒ 6402-70

12

0,0025

0,03

0,21

2,52

Øàéáà 12 65Ã 02 9 ÃÎÑÒ 6402-70

22

0,0038

0,0836

0,21

4,62

Øàéáà 16 65Ã 02 9 ÃÎÑÒ 6402-70

4

0,0089

0,0356

0,24

0,96

Øàéáà 20 65Ã 02 9 ÃÎÑÒ 6402-70

6

0,015

0,090

0,26

1,56

Ãàéêà Ì6.5 ÃÎÑÒ 5915-70

2

0,002

0,004

0,11

Ãàéêà Ì8.5 ÃÎÑÒ 5915-70

60

0,005

0,30

0,12

7,2

Ãàéêà Ì10.5 ÃÎÑÒ 5915-70

16

0,011

0,176

0,12

1,92

Ãàéêà Ì12.5 ÃÎÑÒ 5915-70

24

0,017

0,408

0,12

2,88

Ãàéêà Ì16.5 ÃÎÑÒ 5915-70

8

0,033

0,264

0,14

1,12

Ãàéêà Ì20.5 ÃÎÑÒ 5915-70

6

0,064

0,384

0,16

0,96

Øòèôò 2Ãõ40 ÃÎÑÒ 3128-70

2

0,030

0,060

1,4

2,8

Ìàíæåòà ðåçèíîâàÿ àðìèðîâàííàÿ ÃÎÑÒ 8752-79

2

0,230

0,460

11,8

23,6

Ìóôòà óïðóãàÿ âòóëî÷íî-ïàëüöåâàÿ ÃÎÑÒ 21424-75

1

1,2

1,2

187,62

187,62

Ïîäøèïíèê 205 ÃÎÑÒ 8338-75

1

0,14

0,14

24

24

Ïîäøèïíèê 8112 ÃÎÑÒ 7872-89

1

0,3

0,3

54

54

Ïîäøèïíèê 8105Í ÃÎÑÒ 7872-89

2

0,06

0,12

32

64

Ïîäøèïíèê 80205 ÃÎÑÒ 7242-81

1

0,13

0,13

28

28

Ïîäøèïíèê 80210 ÃÎÑÒ 8338-75

2

0,5

1

86

172

Ïîäøèïíèê 80304 ÃÎÑÒ 7242-81

1

0,2

0,2

29

29

Ìîòîð-ðåäóêòîð 4ÌÖ2Ñ-63-180-3-G310-ÖÓ3 ÃÎÑÒ 20721-75

1

32

32

Íåñòàíäàðòíûå èçäåëèÿ (ïðèìåíÿåì èõ èç íåèñïîëüçóåìîãî ñòàíêà)

Ìîòîð-ðåäóêòîð 4ÌÖ2Ñ-50-63-0,55-G310-ÖÓ3 ÃÎÑÒ 20721-75

1

21

21


Èòîãî:

61,48


673,2

Ìàññà ñòàíêà ñîñòàâèëà - 590 + 60 = 650 êã.

Çàòðàòû íà ïîêóïêó ñòàíäàðòíûõ èçäåëèé - 673 ðóáëÿ.

Ñòîèìîñòü ðàçðàáàòûâàåìîãî ñòàíêà ñ, ðóáëåé îïðåäåëèòñÿ

Ç = ñîñí.ì. + ññò.ä + Çýë. + Çîïë.òð. + Çñîö.í. + Çïð.ì. + Çàì.îáîð. ðóá (4.1)

ãäå ññò.ä - ñòîèìîñòü ñòàíäàðòíûõ äåòàëåé, óçëîâ è ìåõàíèçìîâ, ðóáëåé;

Çýë. - çàòðàòû íà ýëåêòðîýíåðãèþ â ìåñÿö, ðóáëåé;

Çîïë.òð. - çàòðàòû íà îïëàòó òðóäà 2 ðàáî÷èì â ìåñÿö, ðóáëåé;

Çñîö.í. - çàòðàòû íà ñîöèàëüíûå íóæäû, ðóáëåé;

Çïð.ì. - çàòðàòû íà ïðî÷èå ìàòåðèàëû, êîñòþì, ïåð÷àòêè, ðóáëåé;

Çàì.îáîð - àìîðòèçàöèÿ íà èñïîëüçóåìîå îáîðóäîâàíèå

Çýë. = Ñýë * Ð óñò * t ðóá  (4.2)

ãäå Ñýë - òàðèô íà ýëåêòðîýíåðãèþ; Ñýë = 1,7 êÂò/÷àñ

Ð óñò - ìîùíîñòü îáîðóäîâàíèÿ, êÂò; Ð óñò = 3 êÂò

t - âðåìÿ, ÷àñ; t - 1 ìåñÿö (24 ðàáî÷èõ äíÿ, â äâå ñìåíû).

Çýë. = 1,7 * 3 * 384 = 1958,4 ðóá,

Çîïë.òð. = 2 * 18000 = 36000 ðóá,

Çñîö.í. =36000 * 0,3 = 9800 ðóá,

Çïð.ì. = Ñêîñò + Ñ ïåð÷;

Ñêîñò - öåíà ðàáî÷åé ôîðìû, ðóá; Ñêîñò - 3000 ðóáëåé (êîñòþì, îáóâü)

Ñ ïåð÷ - öåíà ïåð÷àòîê, ñ ó÷åòîì èçíîñà çà ìåñÿö, ðóáëåé; Ñ ïåð÷ = 15 ðóáëåé;

Çïð.ì. = (2 * 3000) + (10 * 15) = 6150 ðóá;

Çàì.îáîð. = Uîáîð * t/T,

Uîáîð - ñòîèìîñòü îáîðóäîâàíèÿ; Uîáîð - 7000 ðóáëåé

t - îñòàâøååñÿ ÷èñëî ëåò ñðîêà ïîëåçíîãî èñïîëüçîâàíèÿ;

T - ñóììà ÷èñåë ëåò ñðîêà ïîëåçíîãî èñïîëüçîâàíèÿ.

T = 1 + 2 = 3 óñë. Ëåò

Çàòðàòû íà àìîðòèçàöèþ çà ïåðâûé ãîä ðàáîòû îáîðóäîâàíèÿ ñîñòàâÿò:

Çàì.îáîð. = 7000 * 2/3 = 4666,6 ðóá.,

Ïîäñòàâëÿÿ ïîëó÷åííîå çíà÷åíèå â ôîðìóëó (4.1), ïîëó÷èì îêîí÷àòåëüíóþ ñòîèìîñòü ðàçðàáàòûâàåìîãî ñòàíêà

ñ =30872+1958,4+36000+9800+6150+4666,6=89500 ðóáëåé

4.2 Îïðåäåëåíèå çàòðàò íà îáðàáîòêó öåíòðîâûõ îòâåðñòèé íà êîîðäèíàòíî-ðàñòî÷íûõ ñòàíêàõ è íà ðàçðàáàòûâàåìîì ñòàíêå

Ïðè îáðàáîòêå öåíòðîâûõ îòâåðñòèé íà ðàçðàáàòûâàåìîì ñòàíêå èçìåíèòñÿ ÷àñòü ìàðøðóòà èçãîòîâëåíèÿ âàëêîâ ïðîêàòíîãî ñòàíà.

Íà ðèñ. 4.1 ïðèâåäåíà ÷àñòü ìàðøðóòà èçãîòîâëåíèÿ âàëêîâ ïðè ñóùåñòâóþùåé îáðàáîòêå íà ãîðèçîíòàëüíî-ðàñòî÷íûõ ñòàíêàõ (áàçîâûé ìàðøðóò) è ïðè îáðàáîòêå íà ðàçðàáàòûâàåìîì ñòàíêå (ïðåäëàãàåìûé ìàðøðóò).

Îïðåäåëèì çàòðàòû ïðè îáðàáîòêå öåíòðîâûõ îòâåðñòèé íà ðàçðàáàòûâàåìîì ñòàíêå.

Ìàòåðèàëüíûå çàòðàòû

Çàòðàòû íà ýëåêòðîýíåðãèþ

 ðàçðàáàòûâàåìîì ñòàíêå èñïîëüçóþòñÿ äâà ìîòîð-ðåäóêòîðà ìîùíîñòüþ 3 êÂò è 0,55 êÂò. Ñóììàðíàÿ ìîùíîñòü îáîèõ ñîñòàâèò 3,55 êÂò. Íåîáõîäèìàÿ ìîùíîñòü îñâåùåíèÿ äëÿ ðàáîòû íà ðàçðàáàòûâàåìîì ñòàíêå îïðåäåëÿåòñÿ èñõîäÿ èç çàíèìàåìîé èì ïëîùàäè. Äëÿ îñâåùåíèÿ 1 êâ.ì íåîáõîäèìî 50 Âò ýíåðãèè. Ðàçðàáàòûâàåìûé ñòàíîê çàíèìàåò ïëîùàäü 6 êâ.ì, ò.î. íåîáõîäèìî 300 Âò ìîùíîñòè íà îñâåùåíèå. Íåîáõîäèìîå êîëè÷åñòâî ýëåêòðîýíåðãèè äëÿ ïðîèçâîäèòåëüíîé ðàáîòû ñòàíêà ñîñòàâèò 3,85 êÂò â ÷àñ. Ïî äåéñòâóþùèì öåíàì ñòîèìîñòü 1 êÂò ýëåêòðîýíåðãèè ñîñòàâëÿåò 1,7 ðóá. ( íà òåððèòîðèè çàâîäà «ÒÿæÌàø» íàõîäèòüñÿ ñâîÿ ýëåêòðîñòàíöèÿ )

Ðèñóíîê 4.1 - ÷àñòü ìàðøðóòà èçãîòîâëåíèÿ âàëêîâ ïðè ñóùåñòâóþùåé îáðàáîòêå íà ñòàíêå è ïðè îáðàáîòêå íà ðàçðàáàòûâàåìîì ñòàíêå

Çàòðàòû íà ýëåêòðîýíåðãèþ Çýë., ðóáëåé â ÷àñ ñîñòàâÿò:

Çýë.=1,7∙3,85=6,54 ðóáëåé

Ïðè äâóõñìåííîì âîñüìè÷àñîâîì ðàáî÷åì äíå çàòðàòû íà ýëåêòðîýíåðãèþ çà ãîä ñîñòàâÿò Çýë.=29322 ðóáëåé.

Çàòðàòû íà ðåìîíò îáîðóäîâàíèÿ Çðåì., ðóáëåé

Çðåì.=ñ∙êðåì

ãäå ñ - ñòîèìîñòü ñòàíêà, ðóáëåé;

êðåì - êîýôôèöèåíò ó÷èòûâàþùèé çàòðàòû íà ðåìîíò îáîðóäîâàíèÿ

â ãîä.

Çàòðàòû íà ðåìîíò ìåòàëëîðåæóùèõ ñòàíêîâ ïðèíèìàþò â çàâèñèìîñòè îò ñëîæíîñòè ñòàíêà, ïðîèçâîäèòåëüíîñòè, çàãðóæåííîñòè. Äëÿ ðàçðàáàòûâàåìîãî ñòàíêà ïðèìåì çàòðàòû íà ðåìîíò 3% â ãîä. Òîãäà

Çðåì.=89500∙0,03=2685 ðóáëåé

Çàòðàòû íà èíñòðóìåíò.

Ñòîèìîñòü öåíòðîâî÷íîãî ñâåðëà ñîñòàâëÿåò 173 ðóáëÿ. Ïî ÃÎÑÒ 14952-75 äàííûì ñâåðëîì ïðåäóñìîòðåíà îáðàáîòêà (äî èçíîñà ðåæóùèõ êðîìîê ñâåðëà) íå ìåíåå 130 îòâåðñòèé. Êîëè÷åñòâî ïåðåòî÷åê ñâåðëà 15-25.

Âðåìÿ öåíòðîâêè îäíîãî îòâåðñòèÿ τîòâ, ìèí

τîòâ =,

ãäå l=54 ìì - äëèíà öåíòðîâîãî îòâåðñòèÿ;

S=63ìì/ìèí - ìèíóòíàÿ ïîäà÷à ïðè öåíòðîâàíèè.

τîòâ ==0,85 ìèí

Âñïîìîãàòåëüíîå âðåìÿ, òðåáóåìîå äëÿ óñòàíîâêè âàëêà â çàæèìíîå ïðèñïîñîáëåíèå, ïåðåóñòàíîâêè è ñíÿòèÿ îïðåäåëÿåì ïî òàáëèöå [1], τâñï =5,9 ìèí.

Òîãäà âðåìÿ τ, ìèí òðåáóåìîå íà çàöåíòðîâêó îäíîãî âàëêà îïðåäåëèòñÿ:

τ=2 τîòâ +3 τâñï,

τ=2∙0,85 +3∙5,9=19,4 ìèí ≈ 20 ìèí

Ò.î. çà ÷àñ ìîæíî çàöåíòðîâàòü 3 âàëêà (6 îòâåðñòèé), çà ãîä 13440 âàëêîâ (26880 îòâåðñòèé), ò.å â ãîä ïîòðåáóåòñÿ 42 öåíòðîâî÷íûõ ñâåðëà.

Çàòðàòû íà èíñòðóìåíò ñîñòàâÿò:

Çèíñò.=42∙173=7266 ðóáëåé

 

Ðàñ÷åò çàòðàò íà âñïîìîãàòåëüíûå ìàòåðèàëû.

Ïðè ñáîðêè ñòàíêà äëÿ ñìàçûâàíèÿ ìåõàíèçìîâ íåîáõîäèìî ìàñëî È-30À. (ñòîèìîñòü 1 ëèòðà ñîñòàâëÿåò 56 ðóá). Ïðè óñòàíîâêè ïîäøèïíèêîâ èñïîëüçóåòñÿ êîíñèñòåíòíàÿ ñìàçêà Ëèòîë-24 (ñòîèìîñòü 289 ðóáëåé),à òàê æå ãåðìåòèê ÓÒ-34 (ñòîèìîñòü 260 ðóáëåé) äëÿ ñîäåíåíèÿ êðûøêè ñ êîðïóñîì.

Çâñï.ì. = 56 + 289 + 260 = 605 ðóáëåé;

Çàòðàòû íà îïëàòó òðóäà.

Çàðàáîòíàÿ ïëàòà ðàáî÷èì.

Çàðàáîòíàÿ ïëàòà ðàáî÷åãî ñîñòàâëÿåò 18000 ðóáëåé â ìåñÿö (ñòàâêà ðàáî÷åãî ïî äîãîâîðó ñ çàâîäîì «ÒÿæÌàø»). Ðàáî÷èé áóäåò îáñëóæèâàòü ëåíòî÷íîïèëüíûé ñòàíîê è ðàçðàáàòûâàåìûé ñòàíîê, ò.î. çàðàáîòíàÿ ïëàòà çà îäèí ñòàíîê ñîñòàâèò 9000 ðóáëåé â ìåñÿö.

Çàðàáîòíàÿ ïëàòà çà ãîä ñîñòàâèò

Çîïë.òð.=9000∙12=108000 ðóáëåé

Îò÷èñëåíèÿ íà ñîöèàëüíûå íóæäû

Îò÷èñëåíèÿ íà ñîöèàëüíûå íóæäû ñîñòàâëÿþò 30% îò çàðàáîòíîé ïëàòû.  íîâîì ãîäó ñíèæàþòñÿ òàðèôû ñòðàõîâûõ âçíîñîâ â ãîñóäàðñòâåííûå âíåáþäæåòíûå ôîíäû.  ñîîòâåòñòâèè ñ Ôåäåðàëüíûì çàêîíîì ¹ 379-ÔÇ îò 03.12.2011 íà ïåðèîä 2012-2013 ãîäîâ óñòàíàâëèâàåòñÿ ìàêñèìàëüíûé òàðèô ñòðàõîâûõ âçíîñîâ â ãîñóäàðñòâåííûå ôîíäû â ðàçìåðå 30%.  Ïåíñèîííûé ôîíä ÐÔ - 22%, â ÔÑÑ - 2,9%, â Ôîíä îáÿçàòåëüíîãî ìåäèöèíñêîãî ñòðàõîâàíèÿ - 5,1%.

Çîïë.òð.=108000∙0,3=32400 ðóáëåé;

. Ïðî÷èå çàòðàòû.

1)       Êîììóíàëüíûå óñëóãè (õîëîäíàÿ âîäà).

 ñðåäíåì äëÿ ñáîðêè ñòàíêà çà ìåñÿö (ñ ïëîùàäüþ 6 ì2) íàì ïîòðåáóåòñÿ 20 ì3HYPERLINK "#"898063.files/image276.gif">  (4.3)

ãäå ÇÀÎ - çàòðàòû íà àìîðòèçàöèþ ñòàíêà;

UÒÑ - ñòîèìîñòü ñòàíêà;

t - îñòàâøååñÿ ÷èñëî ëåò ñðîêà ïîëåçíîãî èñïîëüçîâàíèÿ;

T - ñóììà ÷èñåë ëåò ñðîêà ïîëåçíîãî èñïîëüçîâàíèÿ.

Ò=1+2+3+4+5+6+7=28

Çàòðàòû íà àìîðòèçàöèþ çà ïåðâûé ãîä ðàáîòû ñòàíêà ñîñòàâÿò:

ðóá.,

Àíàëîãè÷íî ñ÷èòàåì çàòðàòû íà àìîðòèçàöèþ çà ïîñëåäóþùèå 6 ëåò, ðåçóëüòàòû âû÷èñëåíèé çàíîñèì â òàáëèöó 4.5. Ôîðìèðîâàíèå àìîðòèçàöèîííîãî ôîíäà ïîêàçàíî íà ðèñóíêå 4.2.

Òàáëèöà 4.5-Çàòðàòû íà àìîðòèçàöèþ

Ãîä

 - ñòîèìîñòü ñòàíêà, ðóá.

 - êîýô., âûð. óñêîðåíèå

ÇÀÎ - çàòðàòû íà àìîðò. ñòàíêà, ðóá.

ÀÔ - àìîðòèç. ôîíä, ðóá.

1

89500

0,2500

22375

22375

2

67125

0,2143

19180

41555

3

47945

0,1785

15976

57531

4

31969

0,1428

12781

70312

5

19188

0,1071

9585

79897

6

9603

0,0714

6390

86287

7

3213

0,0357

3195

89482


Ðèñóíîê 1.2 - Ôîðìèðîâàíèå àìîðòèçàöèîííîãî ôîíäà

Ðàññ÷èòàííûå çíà÷åíèÿ çàòðàò çàíîñèì â òàáëèöó 4.4. Àíàëîãè÷íî ðàññ÷èòûâàåì çàòðàòû ïðè îáðàáîòêå âàëêîâ íà ëåíòî÷íîïèëüíîì ñòàíêå è ãîðèçîíòàëüíî-ðàñòî÷íîì ñòàíêå. Ðåçóëüòàòû çàíîñèì â òàáëèöó 4.4.

Òàáëèöà 4.4 - Çàòðàòû ïðè îáðàáîòêå âàëêîâ


Áàçîâûé ìàðøðóò

Ïðåäëàãàåìûé ìàðøðóò


Îáðàáîòêà íà ãîðèçîíòàëüíî-ðàñòî÷íîì ñòàíêå, ðóáëåé â ãîä

Îáðàáîòêà íà ëåíòî÷íîï. ñòàíêå, ðóáëåé â ãîä

Îáðàáîòêà íà ðàçðàáàòûâàåìîì ñòàíêå, ðóáëåé â ãîä

Èòîãî ïî ïðåäëàãàåìîìó ìàðøðóòó, ðóáëåé â ãîä

Ìàòåðèàëüíûå çàòðàòû:

134520

57093

39273

96366

1. Îïëàòà ýëåêòðîýíåðãèè

88704

37721

29322

67043

2. Ðåìîíò îáîðóäîâàíèÿ

27000

7500

2685

10185

3. Èíñòðóìåíò

18816

11872

7266

19138

Çàòðàòû íà îïëàòó òðóäà:

362880

136080

140400

276480

1. Çàðàáîòíàÿ ïëàòà ðàáî÷èì

288000

108000

108000

216000

2.Îò÷èñëåíèÿ íà ñîö.íóæäû

74880

28080

32400

60480

Çàòðàòû íà àìîðòèçàöèþ

60000

25000

22375

47375

Ïðî÷èå çàòðàòû

12000

5300

1730

7030


569400

198473

203778

402251


4.3 Òåõíèêî-ýêîíîìè÷åñêîå îáîñíîâàíèå ïðîåêòà

Òåõíèêî-ýêîíîìè÷åñêîå îáîñíîâàíèå èñïîëüçóåòñÿ äëÿ êðàòêîãî îïèñàíèÿ íåîáõîäèìîñòè è öåëåñîîáðàçíîñòè îñóùåñòâëåíèÿ êàêèõ-òî çàòðàò. Îñíîâíûå çàäà÷è òåõíèêî-ýêîíîìè÷åñêîãî îáîñíîâàíèÿ: ïîêàçàòü, ÷òî äàííûå çàòðàòû èëè äàííûå ðåøåíèÿ íóæíû ïðåäïðèÿòèþ, îïðåäåëèòü íàñêîëüêî ïðîåêò ðåàëèçóåì ñ òåõíè÷åñêîé òî÷êè çðåíèÿ. Òåõíèêî-ýêîíîìè÷åñêîå îáîñíîâàíèå ðàñêðûâàåò òåõíè÷åñêóþ îñóùåñòâèìîñòü ïðîåêòà.

Ýêîíîìè÷åñêèå è ýêñïëóàòàöèîííûå ïîêàçàòåëè ñòàíêà.

Ðàçðàáîòàííûé ñòàíîê äîñòàòî÷íî ïðîñòîé êîíñòðóêöèè, ÷òî ïîçâîëèëî â íåì ïðèìåíèòü ñòàíäàðòíûå è óíèôèöèðîâàííûå óçëû, óìåíüøèòü ñòîèìîñòü åãî èçãîòîâëåíèÿ è ýêñïëóàòàöèè, ïîâûñèòü òåõíîëîãè÷íîñòü, ñîêðàòèòü çàíèìàåìóþ ïëîùàäü, óëó÷øèòü óñëîâèÿ ýêñïëóàòàöèè, ïîâûñèòü ê. ï. ä. ñòàíêà, ñíèçèòü ìåòàëëîåìêîñòü.

Ïîëîæåííûé â îñíîâó ñòàíêà òåõíîëîãè÷åñêèé ïðîöåññ öåíòðîâàíèÿ îòâåðñòèé â òîðöàõ âàëêîâ ïðîêàòíîãî ñòàíà ýôôåêòèâåí è ó÷èòûâàåò ïîñëåäíèå äîñòèæåíèÿ òåõíîëîãèè.

Ê ýêñïëóàòàöèîííûì ïîêàçàòåëÿì ìîæíî îòíåñòè: óäîáñòâî îáñëóæèâàíèÿ, áåçîïàñíîñòü ðàáîòû íà ñòàíêå, áûñòðîòó è óäîáñòâî ðåãóëèðîâêè, çàìåíû è ðåìîíòà óçëîâ, õîðîøèé îòâîä ñòðóæêè èç çîíû öåíòðîâàíèÿ, ÷òî õàðàêòåðíî äëÿ ñîâðåìåííûõ ìåòàëëîðåæóùèõ ñòàíêîâ. Ïðè ðàçðàáîòêå ñòàíêà áûë ó÷òåí ðîñò è ïîëîæåíèå ðàáî÷åãî.

Íåäîñòàòêîì ðàçðàáîòàííîãî ñòàíêà ÿâëÿåòñÿ îòñóòñòâèå äèàïàçîíà ðåãóëèðîâàíèÿ ÷àñòîòû âðàùåíèÿ øïèíäåëÿ, ò. å. îáðàáîòêà îòâåðñòèé â âàëêàõ äèàìåòðàìè ìåíåå 270 ìì è áîëåå 380 ìì áóäåò ýêîíîìè÷åñêè íå ýôôåêòèâíà, ò.ê. ñòàíîê ñ äàííûìè ðåæèìàìè öåíòðîâàíèÿ áóäåò ðàáîòàòü ëèáî ñ ìàëîé ïðîèçâîäèòåëüíîñòüþ, ëèáî ðåæóùèé èíñòðóìåíò âûéäåò èç ñòðîÿ. Îäíàêî ïåðåä íàìè íå ñòîÿëî çàäà÷è â îáðàáîòêå òàêîãî ìíîæåñòâà äèàìåòðîâ âàëêîâ.

Âàëêè äèàìåòðàìè îò 270 ìì äî 380 ìì â óñëîâèÿõ ñóùåñòâóþùåãî ïðîèçâîäñòâà ìîæíî çàöåíòðîâàòü òîëüêî íà ðàñòî÷íûõ ñòàíêàõ, êîòîðûå íàõîäÿòñÿ â ÊÌÖ. Ïðè÷åì ïðåæäå ó âàëêîâ ôðåçåðóþò òîðöû íà ýòèõ æå ñòàíêàõ, à çàòåì òîëüêî öåíòðóþò îòâåðñòèÿ.

Ïîâûøåíèå îáúåìîâ âûïóñêà âàëêîâ è äðóãèõ çàãîòîâîê, îáðàáàòûâàåìûõ íà ðàñòî÷íûõ ñòàíêàõ, ñòàëî ñïîñîáñòâîâàòü èõ çàãðóæåííîñòè. Ðàçðàáîòàííûé ñòàíîê ïîçâîëèë ñíÿòü íåêîòîðóþ íàãðóçêó íà ðàñòî÷íûå ñòàíêè, ò.å. ïðåäïðèÿòèþ íå ïðèøëîñü ïîêóïàòü äîïîëíèòåëüíîå îáîðóäîâàíèå, ââèäå ðàñòî÷íûõ ñòàíêîâ. Ñðåäíÿÿ ñòîèìîñòü ãîðèçîíòàëüíî-ðàñòî÷íîãî ñòàíêà äëÿ îáðàáîòêè âàëêîâ äèàìåòðàìè îò 270ìì äî 380 ìì ñîñòàâëÿåò 900000 ðóáëåé. Ñòîèìîñòü èçãîòîâëåíèÿ ðàçðàáîòàííîãî ñòàíêà ñîñòàâèëà ïðèìåðíî 89500 ðóáëåé (îöåíêà ñòîèìîñòè ñòàíêà ïðèâåäåíà â ïóíêòå 4.1). Ò.î. ïðåäïðèÿòèå ñýêîíîìèëî 800500 ðóáëåé.

5. Áåçîïàñíîñòü è ýêîëîãè÷íîñòü ïðîåêòà

.1 Àíàëèç îïàñíûõ è âðåäíûõ ïðîèçâîäñòâåííûõ ôàêòîðîâ ïðè èçãîòîâëåíèè îòâåðñòèé

Ðàçðàáàòûâàåìûé ñòàíîê äëÿ öåíòðîâàíèÿ îòâåðñòèé â òîðöàõ âàëêîâ ïðîêàòíîãî ñòàíà áóäåò óñòàíîâëåí â êóçíå÷íî-ïðåññîâîì öåõå (ÊÏÖ) ïðåäïðèÿòèÿ «ÎÎÎ ÑÑÌ-Òÿæìàø». Ïðè èñïîëüçîâàíèè íîâûõ ïðîöåññîâ, àãðåãàòîâ, óçëîâ ïðåäâàðèòåëüíî ðàçðàáàòûâàþòñÿ ñîîòâåòñòâóþùèå ìåðû ïî îáåñïå÷åíèþ áåçîïàñíûõ è çäîðîâûõ óñëîâèé òðóäà äëÿ îáñëóæèâàþùåãî ïåðñîíàëà.

Òåõíîëîãè÷åñêèé ïðîöåññ ïîëó÷åíèÿ öåíòðîâûõ îòâåðñòèé íå ÿâëÿåòñÿ áåçîïàñíûì è áåçâðåäíûì ïðîèçâîäñòâîì.

 äàííîì ïðîöåññå, âîçíèêàþò îïàñíûå è âðåäíûå ïðîèçâîäñòâåííûå ôàêòîðû.

Äâèæóùèåñÿ ìàøèíû è ìåõàíèçìû.

Ïðè ðàáîòå âîçíèêàåò îïàñíîñòü ïîðàæåíèÿ ðàáî÷åãî äâèæóùèìèñÿ ÷àñòÿìè ñòàíêà, êðàí-áàëêîé, àâòîêàðàìè.

Ïîâûøåííàÿ òåìïåðàòóðà ïîâåðõíîñòåé îáîðóäîâàíèÿ è çàãîòîâêè.

Ïðè ýêñïëóàòàöèè îáîðóäîâàíèÿ èíñòðóìåíò è çàãîòîâêà íàãðåâàþòñÿ, è ó ðàáî÷åãî âîçíèêàåò îïàñíîñòü ïîëó÷åíèÿ îæîãîâ ïðè ñîïðèêîñíîâåíèè ñ íàãðåòûìè ïðåäìåòàìè (çàãîòîâêà, èíñòðóìåíò, îòäåëüíûå ÷àñòè ñòàíêà).

Íàïðÿæåíèÿ â ýëåêòðîîáîðóäîâàíèè òîêàðíîãî àâòîìàòà.

Ïðè âûïîëíåíèè ðàáîò íà ñòàíêå, ýëåêòðîîáîðóäîâàíèå êîòîðîãî íàõîäèòñÿ ïîä íàïðÿæåíèåì, à ÷åëîâåê ðàñïîëàãàåòñÿ âáëèçè îò åãî òîêîâåäóùèõ ÷àñòåé, äëÿ ðàáî÷åãî ñóùåñòâóåò îïàñíîñòü ïîðàæåíèÿ ýëåêòðè÷åñêèì òîêîì.

Ïîâûøåííàÿ çàïûëåííîñòü è çàãàçîâàííîñòü âîçäóõà ðàáî÷åé çîíû.

 ðàçðàáàòûâàåìîì ñòàíêå íå ïðåäóñìîòðåíî èñïîëüçîâàíèå ÑÎÆ, íî â ÊÏÖ íàõîäèòñÿ è äðóãîå îáîðóäîâàíèå, â ðåçóëüòàòå ðàáîòû êîòîðîãî ïðîèñõîäèò ðàçëîæåíèå òåõíè÷åñêèõ ñìàçîê.

Íåäîñòàòîê åñòåñòâåííîãî îñâåùåíèÿ.

Òàê êàê â ÊÏÖ, ãäå óñòàíîâëåí ñòàíîê, íåäîñòàòî÷íî åñòåñòâåííîãî îñâåùåíèÿ, òî äëÿ ðàáîòíèêà âîçíèêàåò îïàñíîñòü óõóäøåíèÿ çðåíèÿ.

Ïîâûøåííûé óðîâåíü øóìà è âèáðàöèè íà ðàáî÷åì ìåñòå.

Ïðè ðàáîòå íà ñòàíêå äëÿ öåíòðîâàíèÿ îòâåðñòèé óðîâåíü øóìà è âèáðàöèè íå çíà÷èòåëåí, íî îí áóäåò ïîÿâëÿòüñÿ ïðè ðàáîòå ìåõàíè÷åñêèõ ïðåññîâ è ìîëîòîâ, ðàñïîëîæåííûõ âáëèçè ñòàíêà.

Âîçäåéñòâèå ýòèõ ôàêòîðîâ íà ðàáî÷èõ ìîæåò ïðèâåñòè ê ïîâûøåííîé óòîìëÿåìîñòè, ñíèæåíèþ ïðîèçâîäèòåëüíîñòè òðóäà, ïðîèçâîäñòâåííûì çàáîëåâàíèÿì è òðàâìàì. ×òîáû èñêëþ÷èòü âëèÿíèå âûøå ïåðå÷èñëåííûõ ôàêòîðîâ íà ÷åëîâåêà, íåîáõîäèìî ðàçðàáîòàòü ìåðîïðèÿòèÿ ïî îáåñïå÷åíèþ áåçîïàñíûõ è çäîðîâûõ óñëîâèé òðóäà ïðè ðàáîòå íà ñòàíêàõ.

5.2 Ìåðû ïî îáåñïå÷åíèþ áåçîïàñíûõ è çäîðîâûõ óñëîâèé òðóäà

ÊÏÖ - ýòî ïðîèçâîäñòâåííîå çäàíèå, â êîòîðîì âûïîëíÿþòñÿ êóçíå÷íî-ïðåññîâûå ðàáîòû. Îñíîâíûì îáîðóäîâàíèåì ÊÏÖ ÿâëÿþòñÿ òåðìè÷åñêèå ïå÷è (äëÿ ðàçîãðåâà çàãîòîâîê äî òðåáóåìîé òåìïåðàòóðû), êóçíå÷íûå ïðåññû è ìîëîòû. Ðàçðàáàòûâàåìûé ñòàíîê äëÿ öåíòðîâàíèÿ îòâåðñòèé áóäåò óñòàíîâëåí ðÿäîì ñ ëåíòî÷íîïèëüíûì ñòàíêîì â ÊÏÖ, ò.î. çàãîòîâêè âàëêîâ, îáðàáîòàííûå íà ëåíòî÷íîïèëüíîì ñòàíêå, áóäóò ñðàçó óñòàíàâëèâàòüñÿ íà ðàçðàáàòûâàåìûé ñòàíîê, áåç íåîáõîäèìîñòè â ïðîìåæóòî÷íîì ñêëàäèðîâàíèè. Óñòàíîâêà çàãîòîâîê íà ñòàíêè îñóùåñòâëÿåòñÿ ñ ïðèìåíåíèåì êðàí-áàëêè. Ñõåìà ðàáî÷åãî ìåñòà ïðèâåäåíà íà ðèñóíêå 5.1, ãäå 1 - ïëîùàäü äëÿ ñêëàäèðîâàíèÿ çàãîòîâîê, 2 - ðàçðàáàòûâàåìûé ñòàíîê, 3 - ëåíòî÷íîïèëüíûé ñòàíîê, 4 - óðíà, 5 - èíñòðóìåíòàëüíàÿ òóìáî÷êà, 6 - ðàáî÷åå ìåñòî.

Íà ðàáî÷èõ ìåñòàõ êóçíå÷íî-ïðåññîâûõ öåõîâ ïðèìåíÿòñÿ ñèñòåìà êîìáèíèðîâàííîãî îñâåùåíèÿ (îáùåå è ìåñòíîå), êîòîðàÿ îáåñïå÷èâàåò õîðîøóþ âèäèìîñòü äåëåíèé íà îòñ÷åòíûõ è êîíòðîëüíî-èçìåðèòåëüíûõ óñòðîéñòâàõ èíôîðìàöèîííûõ òàáëî è ïðèáîðàõ, à òàêæå îáðàáàòûâàåìûõ äåòàëåé.  ïîìåùåíèÿõ ñ íåäîñòàòî÷íûì åñòåñòâåííûì ñâåòîì èëè áåç åñòåñòâåííîãî ñâåòà â óñëîâèÿõ ñåâåðà ñëåäóåò ïðèìåíÿòü óñòàíîâêè èñêóññòâåííîãî óëüòðàôèîëåòîâîãî îáëó÷åíèÿ. Òàêæå äîëæíà îñóùåñòâëÿòüñÿ ÷èñòêà îêîííûõ ïðîåìîâ, ôîíàðåé è ñâåòèëüíèêîâ ïî ãðàôèêó, óòâåðæäåííîìó â óñòàíîâëåííîì ïîðÿäêå.

Ðèñóíîê 5.1- Ñõåìà ðàáî÷åãî ìåñòà

Íà ó÷àñòêàõ ÊÏÖ ïðåäóñìîòðåííà îáùåîáìåííàÿ âåíòèëÿöèÿ è ìåñòíûå îòñàñûâàþùèå óñòðîéñòâà. Âîçäóõ, óäàëÿåìûé èç ïîìåùåíèé êóçíå÷íî-ïðåññîâûõ öåõîâ, ïåðåä âûáðîñîì â àòìîñôåðó î÷èùàåòñÿ äî óðîâíåé, ïðåäóñìîòðåííûõ íîðìàòèâíî-òåõíè÷åñêîé äîêóìåíòàöèåé

Ïîìåùåíèå, ãäå íàõîäÿòñÿ ñòàíêè, îòàïëèâàåòñÿ îò öåíòðàëüíîé ñèñòåìû îòîïëåíèÿ.

Äëÿ çàùèòû ÷åëîâåêà îò ïîðàæåíèÿ ýëåêòðè÷åñêèì òîêîì ïðè ðàáîòå íà ñòàíêå èñïîëüçóþò çàùèòíîå çàçåìëåíèå, äâîéíóþ èçîëÿöèþ, ñîñòîÿùóþ èç ðàáî÷åé è äîïîëíèòåëüíîé èçîëÿöèè íà ñëó÷àé ïîÿâëåíèÿ íàïðÿæåíèÿ íà êîðïóñàõ, à òàêæå äëÿ îñóùåñòâëåíèÿ íåäîñòóïíîñòè òîêîâåäóùèõ ÷àñòåé, íàõîäÿùèõñÿ ïîä íàïðÿæåíèåì, äëÿ ñëó÷àéíîãî ïðèêîñíîâåíèÿ.

 öåõå ñóùåñòâóåò âåðîÿòíîñòü âîçíèêíîâåíèÿ ïîæàðà, ò.ê. â íåì íàõîäÿòñÿ ïå÷è äëÿ íàãðåâà çàãîòîâîê è ìàçóòíûå áàêè. Áàêè íóæíî óñòàíàâëèâàòü â íèçêèå ìåñòà öåõà.  öåëÿõ îáåñïå÷åíèÿ ïîæàðíîé áåçîïàñíîñòè â öåõå ïðåäóñìîòðåí ïîæàðíûé êðàí, ùèò ïðîòèâîïîæàðíîãî èíâåíòàðÿ. Ïðè âîçíèêíîâåíèè ïîæàðà, ëþäè äîëæíû ïîêèíóòü öåõ â êðàò÷àéøèå ñðîêè, ñîãëàñíî ïëàíà ýâàêóàöèè.

Äëÿ îáåñïå÷åíèÿ íîðìàëüíûõ è çäîðîâûõ óñëîâèé òðóäà ðàáî÷åå ìåñòî ïðàâèëüíî îðãàíèçîâàòü, ñîäåðæàòü åãî â ÷èñòîòå è ïîðÿäêå, íå çàãðîìîæäàòü ïîñòîðîííèìè ïðåäìåòàìè ïðîõîäû, ïðîåçäû.

Ïðè ðàáîòå íà ñòàíêå ðàáî÷èå èñïîëüçîâàòü ñïåöîäåæäó è èíäèâèäóàëüíûå ñðåäñòâà çàùèòû (ðóêàâèöû, áåðóøè, çàùèòíûå î÷êè è ò.ï.). Ðàáî÷èé íå äîëæåí êàñàòüñÿ âðàùàþùèõñÿ ÷àñòåé ñòàíêà ðóêàìè èëè äðóãèìè ÷àñòÿìè òåëà. Çàïðåùàåòñÿ äîïóñê íà ðàáî÷åå ìåñòî ëèö, íå èìåþùèõ îòíîøåíèÿ ê äàííîé ðàáîòå.

 ñëó÷àå âîçíèêíîâåíèÿ àâàðèéíîé ñèòóàöèè (ïðè ïîëó÷åíèè òðàâìû, âíåçàïíîì çàáîëåâàíèè, îòðàâëåíèè, çàãîðàíèè è äð.) ðàáîòó ïðåêðàòèòü, î ïðîèñøåäøåì äîëîæèòü ðóêîâîäèòåëþ ðàáîò è ïðèíÿòü ìåðû ïî ëèêâèäàöèè àâàðèéíîé ñèòóàöèè.

Äëÿ îáåñïå÷åíèÿ çäîðîâûõ óñëîâèé òðóäà ïðåäóñìîòðåíû: áûòîâîå ïîìåùåíèå ñ ðàçäåâàëêîé, äóøåâàÿ, ðÿä óìûâàëüíèêîâ è òóàëåò.  ÊÏÖ ðàáîòàþò âåíòèëÿòîðû è êîíäèöèîíåðû, äëÿ îòäûõà îáñëóæèâàþùåãî ïåðñîíàëà âûäåëÿþòñÿ ýñòåòè÷åñêè îôîðìëåííûå ñïåöèàëüíûå êîìíàòû è óãîëêè.  îñíîâíûõ ïðîåìàõ èìåþòñÿ ïèòüåâûå òî÷êè ñ ãàçèðîâàííîé è îõëàæäåííîé âîäîé.

Ðàáîòíèêàì ïðåäîñòàâëÿåòñÿ ïåðåðûâ äëÿ îòäûõà è ïèòàíèÿ ïðîäîëæèòåëüíîñòüþ òðèäöàòü ìèíóò. Ïåðåðûâ íå âêëþ÷àåòñÿ â ðàáî÷åå âðåìÿ. Âðåìÿ íà÷àëà è îêîí÷àíèÿ ïåðåðûâà îïðåäåëÿåòñÿ ïðàâèëàìè âíóòðåííåãî òðóäîâîãî ðàñïîðÿäêà. ×åðåç îäèííàäöàòü ìåñÿöåâ ðàáîòíèêàì ïðåäîñòàâëÿåòñÿ î÷åðåäíîé îòïóñê 24 ðàáî÷èõ äíÿ.

5.3 Ðàñ÷åò çàçåìëåíèÿ

Çàùèòíîå çàçåìëåíèå ïðåäíàçíà÷åíî äëÿ óñòðàíåíèÿ îïàñíîñòè ïîðàæåíèÿ ýëåêòðè÷åñêèì òîêîì â ñëó÷àå ïðèêîñíîâåíèÿ ê êîðïóñó è äðóãèì íåòîêîâåäóùèì ìåòàëëè÷åñêèì ÷àñòÿì, îêàçàâøèìñÿ ïîä íàïðÿæåíèåì âñëåäñòâèå çàìûêàíèÿ íà êîðïóñ è ïî äðóãèì ïðè÷èíàì.

Ñîåäèíåíèå ìåòàëëè÷åñêèõ íåòîêîâåäóùèõ ÷àñòåé îáîðóäîâàíèÿ ñ çåìëåé îñóùåñòâëÿåòñÿ ñ ïîìîùüþ çàçåìëÿþùèõ ïðîâîäíèêîâ è çàçåìëèòåëÿ. Ýëåêòðè÷åñêîå ñîïðîòèâëåíèå òàêîãî ñîåäèíåíèÿ äîëæíî áûòü ìèíèìàëüíûì (íå áîëåå 4 Îì äëÿ ñåòåé ñ íàïðÿæåíèåì äî 1000  è íå áîëåå 10 Îì äëÿ îñòàëüíûõ). Ïðè ýòîì êîðïóñ ýëåêòðîóñòàíîâêè è îáñëóæèâàþùèé åå ïåðñîíàë áóäóò íàõîäèòüñÿ ïîä ðàâíûìè, áëèçêèìè ê íóëþ, ïîòåíöèàëàìè äàæå ïðè ïðîáîå èçîëÿöèè è çàìûêàíèè ôàç íà êîðïóñ.

Çàçåìëåíèþ ïîäëåæèò ðàçðàáàòûâàåìûé ñòàíîê äëÿ öåíòðîâàíèÿ îòâåðñòèé, ðàáîòàþùèé ïîä íàïðÿæåíèåì 380 Â. Ãðóíò - ñóãëèíîê. Èçìåðåíèÿ ïðîèçâîäèëèñü ïðè ñóõîì ãðóíòå. Óäåëüíîå ñîïðîòèâëåíèå ãðóíòà rèçì = 100 Îì×ì. Çàçåìëÿþùåå óñòðîéñòâî ïðåäñòàâëÿåò ñîáîé ïðÿìîóãîëüíèê ðàçìåðîì 12500õ12500 ñì. Ïîáëèçîñòè íåò åñòåñòâåííûõ çàçåìëèòåëåé.  êà÷åñòâå âåðòèêàëüíûõ ñòåðæíåé ïðèìåíÿþòñÿ òðóáû Æ 50 ìì äëèíîé 3 ì.  êà÷åñòâå ñîåäèíèòåëüíîé ïîëîñû èñïîëüçóåòñÿ ñòàëüíàÿ ïîëîñà ñå÷åíèåì 4´40 ìì.

Öåëü ðàñ÷åòà çàçåìëåíèÿ - îïðåäåëèòü ÷èñëî è äëèíó âåðòèêàëüíûõ ýëåìåíòîâ (ñîåäèíèòåëüíûõ øèí) è ðàçìåñòèòü çàçåìëèòåëü íà ïëàíå ýëåêòðîóñòàíîâêè, èñõîäÿ èç ðåãëàìåíòèðîâàííûõ Ïðàâèë çíà÷åíèé äîïóñòèìûõ ñîïðîòèâëåíèé çàçåìëåíèÿ, íàïðÿæåíèÿ ïðèêîñíîâåíèÿ è øàãà ìàêñèìàëüíîãî ïîòåíöèàëà çàçåìëèòåëÿ èëè âñåõ óêàçàííûõ âåëè÷èí.

Ðàñ÷åò çàçåìëèòåëåé ïðîèçâîäèòñÿ â ñëåäóþùåì ïîðÿäêå [1-7]:

. Ñîãëàñíî ÏÓÝ äîïóñòèìîå ñîïðîòèâëåíèå çàçåìëÿþùåãî óñòðîéñòâà  , Îì ñ ó÷åòîì óäåëüíîãî ñîïðîòèâëåíèÿ ãðóíòà rèçì , Îì×ì ðàâíî [10]:

Îì  (5.1)

ãäå Rí - íîðìèðóåìîå ñîïðîòèâëåíèå çàçåìëÿþùåãî óñòðîéñòâà.

 Îì

. Îïðåäåëÿåòñÿ ðàñ÷åòíîå óäåëüíîå ñîïðîòèâëåíèå ãðóíòà rðàñ÷, Îì×ì ñ ó÷åòîì êëèìàòè÷åñêîãî êîýôôèöèåíòà ïî ôîðìóëå:

,  (5.2.)

ãäå rèçì - óäåëüíîå ñîïðîòèâëåíèå ãðóíòà, Îì×ì;

j - êëèìàòè÷åñêèé êîýôôèöèåíò.

Ïðåäïðèÿòèå ÎÎÎ «ÑÑÌ-Òÿæìàø» ðàñïîëîæåíî â ã. ×åðåïîâöå, Âîëîãîäñêîé îáëàñòè, äëÿ äàííîé êëèìàòè÷åñêîé çîíû êîýôôèöèåíò j = 1,5.

 Îì×ì.

. Îïðåäåëÿåòñÿ ñîïðîòèâëåíèå îäèíî÷íîãî âåðòèêàëüíîãî çàçåìëèòåëÿ Rñò.îä. , Îì ñ ó÷åòîì ðàñ÷åòíîãî óäåëüíîãî ñîïðîòèâëåíèÿ ãðóíòà (ððàñ÷).

Ñõåìà ðàñïîëîæåíèÿ îäèíî÷íîãî âåðòèêàëüíîãî çàçåìëèòåëÿ â ãðóíòå ïîêàçàíà íà ðèñóíêå 5.2. Ñîïðîòèâëåíèå îäèíî÷íîãî âåðòèêàëüíîãî çàçåìëèòåëÿ îïðåäåëÿåì ïî ôîðìóëå:

, (5.5)

 Îì.

Ðèñóíîê 5.2 - Ñõåìà ðàñïîëîæåíèÿ îäèíî÷íîãî âåðòèêàëüíîãî çàçåìëèòåëÿ â ãðóíòå

. Ïðåäâàðèòåëüíî ðàçìåñòèâ çàçåìëèòåëè íà ïëàíå, îïðåäåëÿþò (çàäàþò) ÷èñëî âåðòèêàëüíûõ çàçåìëèòåëåé è ðàññòîÿíèå ìåæäó íèìè. Ñ ó÷åòîì ýòèõ äàííûõ îïðåäåëÿþò êîýôôèöèåíò èñïîëüçîâàíèÿ âåðòèêàëüíûõ ñòåðæíåé.

Ïðèìåì ÷èñëî âåðòèêàëüíûõ ñòåðæíåé ðàâíûì 20, à ðàññòîÿíèå ìåæäó íèìè 2,5 ì. Òîãäà êîýôôèöèåíò èñïîëüçîâàíèÿ âåðòèêàëüíûõ ñòåðæíåé hñò = 0,52.

. Îïðåäåëÿåòñÿ ñîïðîòèâëåíèå ñîåäèíåííûõ ïîëîñ Rï, Îì.

Ñîïðîòèâëåíèå ñîåäèíèòåëüíîé ïîëîñû â ãðóíòå îïðåäåëÿåì ïî ôîðìóëå:

, Îì  (5.6)

ãäå b - øèðèíà ïîëîñû, ì.

 Îì.


,  (5.7.)

 Îì.

Ñõåìà ðàçìåùåíèÿ ñîåäèíèòåëüíîé ïîëîñû â ãðóíòå ïîêàçàíà íà ðèñóíêå 5.3.

Ðèñóíîê 5.3 - Ñõåìà ðàçìåùåíèÿ ñîåäèíèòåëüíîé ïîëîñû â ãðóíòå

. Îïðåäåëÿåòñÿ ñîïðîòèâëåíèå çàçåìëèòåëåé  , Îì ñ ó÷åòîì ñîïðîòèâëåíèÿ ãîðèçîíòàëüíîãî çàçåìëèòåëÿ:

,  (5.8.)

 Îì.

1. Ó÷èòûâàÿ êîýôôèöèåíò èñïîëüçîâàíèÿ âåðòèêàëüíûõ çàçåìëèòåëåé, îêîí÷àòåëüíî îïðåäåëÿþò èõ ÷èñëî ïî ôîðìóëå:

,  (5.9)

 øò.

Òàêèì îáðàçîì, äëÿ íàäåæíîãî çàçåìëåíèÿ íåîáõîäèìî 20 ñòåðæíåé êðóãëîãî ñå÷åíèÿ Æ50 ìì è äëèíîé 3 ì, ñîåäèíåííûõ ñòàëüíîé ïîëîñîé ñå÷åíèåì 4´40 ìì ïî ïåðèìåòðó. Ôàêòè÷åñêîå ñîïðîòèâëåíèå çàçåìëÿþùåãî óñòðîéñòâà äîëæíî ïðîâåðÿòüñÿ èçìåðåíèåì íà îáúåêòå.  ñëó÷àå íåîáõîäèìîñòè ê êîíòóðó ïðèñîåäèíÿþòñÿ äîïîëíèòåëüíûå çàçåìëèòåëè. Ñõåìà ðàñïîëîæåíèÿ âåðòèêàëüíûõ ñòåðæíåé íà ðèñóíêå 5.4.

Ðèñóíîê 5.4 - Ñõåìà ðàñïîëîæåíèÿ âåðòèêàëüíûõ ñòåðæíåé

 ñîîòâåòñòâèè ñ òðåáîâàíèÿìè ÏÝÓ êîíòðîëü çàçåìëåíèÿ òðåáóåòñÿ âûïîëíÿòü ïðè ïðèåìå â ýêñïëóàòàöèþ îáîðóäîâàíèÿ, ïðè ïåðåñòàíîâêå è ïîñëå ðåìîíòà îáîðóäîâàíèÿ ñ ïåðèîäè÷íîñòüþ íå ðåæå 1 ðàçà â ãîä. Òàêæå âûïîëíÿåòñÿ âíåøíèé îñìîòð çàçåìëÿþùèõ óñòðîéñòâ.

Äëÿ èçìåðåíèÿ ñîïðîòèâëåíèÿ çàçåìëåíèÿ ïðèìåíÿþòñÿ ïðèáîðû - èçìåðèòåëè çàçåìëåíèÿ (ÌÑ - 08, Ì - 416 è äð.). Èçìåðåíèå ñîïðîòèâëåíèÿ çàçåìëÿþùèõ óñòðîéñòâ ìîæíî ïðîèçâîäèòü ëþáûì ïðèáîðîì äëÿ èçìåðåíèÿ ìàëûõ ñîïðîòèâëåíèé.

5.4 Ìåðû ïî îõðàíå îêðóæàþùåé ñðåäû

Îñíîâíûìè ìåðîïðèÿòèÿìè ïî ñíèæåíèþ âûáðîñîâ âðåäíûõ âåùåñòâ â àòìîñôåðó ÿâëÿþòñÿ:

1 ñîâåðøåíñòâîâàíèå òåõíîëîãè÷åñêèõ ïðîöåññîâ, âêëþ÷àÿ ñíèæåíèå íåîðãàíèçîâàííûõ âûáðîñîâ;

2 ñòðîèòåëüñòâî íîâûõ è ïîâûøåíèå ýôôåêòèâíîñòè ñóùåñòâóþùèõ î÷èñòíûõ óñòðîéñòâ;

3 ëèêâèäàöèÿ èñòî÷íèêà çàãðÿçíåíèÿ;

4 ïåðåïðîôèëèðîâàíèå ïðîèçâîäñòâà.

Ïðèìåíèòåëüíî ê ïðåäïðèÿòèÿì ìåòàëëóðãè÷åñêîãî ïðîèçâîäñòâà íàèáîëåå çíà÷èìûì ïðåäñòàâëÿåòñÿ ãàçî- è ïûëåóëàâëèâàíèå âåíòèëÿöèîííûõ âûáðîñîâ, à òàêæå ïðîâåäåíèå ìåðîïðèÿòèé ïî ñíèæåíèþ äîëè íåîðãàíèçîâàííûõ âûáðîñîâ.

Î÷èñòêó è îáåçâðåæèâàíèå ãàçîâûõ ñîñòàâëÿþùèõ âûáðîñîâ ïðîìûøëåííûõ ïðîèçâîäñòâ îñóùåñòâëÿþò ìåòîäàìè, âûáîð êîòîðûõ îïðåäåëÿåòñÿ ñîñòàâîì, êîíöåíòðàöèåé çàãðÿçíÿþùèõ âåùåñòâ, òèïîì ïðîèçâîäñòâà, óñëîâèÿìè âûáðîñà.  íàñòîÿùåå âðåìÿ èñïîëüçóþò ñëåäóþùèå ìåòîäû îáåçâðåæèâàíèÿ ãàçîîáðàçíûõ âûáðîñîâ:

êîíäåíñàöèîííûé, çàêëþ÷àþùèéñÿ â îõëàæäåíèè ïàðîâîçäóøíîé ñìåñè íèæå òî÷êè ðîñû â ñïåöèàëüíûõ òåïëîîáìåííèêàõ - êîíäåíñàòîðàõ;

êîìïðåññèîííûé - ñæàòèå îáåçâðåæèâàåìîãî ãàçà è åãî ïîñëåäóþùåå îõëàæäåíèå;

äèôôóçèîííûé, îñíîâàííûé íà äèôôóçèè ãàçîîáðàçíûõ ïðèìåñåé, íà ïîâåðõíîñòè ðàçäåëà ãàç-æèäêîñòü ñ ïåðåõîäîì ãàçà â æèäêóþ ôàçó;

àäñîðáöèîííûé, îñíîâàííûé íà ôèçè÷åñêèõ ñâîéñòâàì íåêîòîðûõ òâåðäûõ òåë ñ óëüòðàñêîïè÷åñêîé ñòðóêòóðîé âûáîðî÷íî èçâëåêàòü îòäåëüíûå êîìïîíåíòû èç ãàçîâîé ñìåñè è óäåðæèâàòü èõ íà ñâîåé ïîâåðõíîñòè;

ýëåêòðîñòàòè÷åñêèé, ïðèíöèï äåéñòâèÿ, êîòîðîãî ñîñòîèò â óëàâëèâàíèè â ïîëå ýëåêòðè÷åñêèõ ñèë âåùåñòâ, íàõîäÿùèõñÿ âî âçâåøåííîì ñîñòîÿíèè â âèäå ïûëè èëè òóìàíà;

îêèñëèòåëüíûé, çàêëþ÷àþùèéñÿ â îêèñëåíèè âåùåñòâ äî ìåíåå òîêñè÷íûõ ñîåäèíåíèé; ïðè ýòîì ðàçëè÷àþò íèçêîòåìïåðàòóðíîå êàòàëèòè÷åñêîå îêèñëåíèå (ñ óòèëèçàöèåé èëè áåç óòèëèçàöèè òåïëà) è âûñîêîòåìïåðàòóðíîå äîçæèãàíèå (ñ óòèëèçàöèåé èëè áåç óòèëèçàöèè òåïëà).

Î÷èñòêó âåíòèëÿöèîííûõ âûáðîñîâ îò ìåõàíè÷åñêèõ ïðèìåñåé îñóùåñòâëÿþò àïïàðàòàìè ìîêðîãî è ñóõîãî ïûëåóëàâëèâàíèÿ, âîëîêíèñòûìè ôèëüòðàìè è ýëåêòðîôèëüòðàìè. Ê àïïàðàòàì ñóõîé èíåðöèîííîé î÷èñòêè îòíîñÿò ïûëåîñàäèòåëüíûå êàìåðû, öèêëîíû (ïðÿìîòî÷íûå è áàòàðåéíûå), öåíòðîáåæíûå ïûëåóëîâèòåëè ðîòàöèîííîãî äåéñòâèÿ; ê àïïàðàòàì ìîêðîé è î÷èñòêè - íàñàäî÷íûå è ïîëûå ãàçîïðîìûâàòåëè, òàðåëü÷àòûå, áàðáîòàæíûå è ïåííûå àïïàðàòû, à òàêæå ãàçîïðîìûâàòåëè ñ ïîäâèæíîé íàñàäêîé, óäàðíî-èíåðöèîííîãî è öåíòðîáåæíîãî äåéñòâèÿ.

 êà÷åñòâå ôèëüòðîâ èñïîëüçóþò ðàçëè÷íûå ôèëüòðóþùèå, òîíêî- è ãðóáîâîëîêíèñòûå ìàòåðèàëû. Êðîìå òîãî, íà ïðåäïðèÿòèÿõ ìåòàëëóðãèè øèðîêîå ïðèìåíåíèå íàøëè ýëåêòðîôèëüòðû, êîòîðûå â çàâèñèìîñòè îò ñïîñîáà óäàëåíèÿ îñàæäåííûõ íà ýëåêòðîäàõ ÷àñòèö ïîäðàçäåëÿþòñÿ íà ñóõèå è ìîêðûå.

Äëÿ ïðîâåðêè êà÷åñòâà ðàáîòû ñèñòåìû âåíòèëÿöèè åæåìåñÿ÷íî ïðîâîäÿò êîíòðîëüíûå çàìåðû êîíöåíòðàöèè ïûëè è ôòîðèñòûõ ñîåäèíåíèé íà ðàáî÷èõ ìåñòàõ îïåðàòîðîâ, â êàáèíàõ ýëåêòðîìîñòîâûõ êðàíîâ è äðóãèõ ó÷àñòêàõ öåõà. Ïðè ïðåâûøåíèè ïðåäåëüíî äîïóñòèìîé êîíöåíòðàöèè ïðèíèìàþò ìåðû äëÿ î÷èñòêè âåíòèëÿöèîííûõ ñèñòåì è óñòðàíåíèÿ íåèñïðàâíîñòåé èõ ðàáîò.

Òàêæå ïðîèçâîäèòñÿ îçåëåíåíèå êàê âíóòðè, òàê è íà òåððèòîðèè ïðåäïðèÿòèÿ. Ðàñòåíèÿ îêàçûâàþò áëàãîïðèÿòíîå âîçäåéñòâèå íà ïñèõîôèçè÷åñêîå ñîñòîÿíèå ÷åëîâåêà, ñòèìóëèðóþò ìèêðîêëèìàò.

 

.5 Ìåðû ïî îáåñïå÷åíèþ óñòîé÷èâîñòè ðàáîòû ÊÏÖ â óñëîâèÿõ ÷ðåçâû÷àéíîé ñèòóàöèè


Ê ôàêòîðàì, âëèÿþùèì íà óñòîé÷èâîñòü ðàáîòû îáúåêòîâ, îòíîñÿòñÿ: ðàéîí ðàñïîëîæåíèÿ îáúåêòà, ïëàíèðîâêà è çàñòðîéêà òåððèòîðèè îáúåêòà, ñèñòåìû ýëåêòðîñíàáæåíèÿ, òåõíîëîãèÿ, ïðîèçâîäñòâåííûå ñâÿçè îáúåêòà, ñèñòåìà óïðàâëåíèÿ, ïîäãîòîâëåííîñòü îáúåêòà ê âîññòàíîâëåíèþ.

Ïðîèçâîäñòâåííûå àâàðèè êîòîðûå ìîãóò ïðîèçîéòè â ÊÏÖ.

. Ïîòåðÿ ïðî÷íîñòè, äåôîðìàöèè, îáðóøåíèå çäàíèé è ñîîðóæåíèé.

Îñíîâíûå ïðè÷èíû îáðóøåíèÿ çäàíèÿ: ÷ðåçìåðíûå íàãðóçêè, îøèáêè ïðè êîíñòðóèðîâàíèè, íèçêîå êà÷åñòâî ðàáîò, äåéñòâèå àãðåññèâíûõ ñðåä.

. Ïîâðåæäåíèå ýíåðãîñèñòåì, èíæåíåðíûõ è òåõíîëîãè÷åñêèõ ñèñòåì.

Îñíîâíûå ïðè÷èíû: ãðîçû, âçðûâû, ïîæàðû, ñàìîñòîÿòåëüíûå àâàðèè.

.Óòå÷êè, âûáðîñû.

. Çàòîïëåíèå.

Îñíîâíûå ïðè÷èíû: ðàçðóøåíèå ãèäðîòåõíè÷åñêèõ ñîîðóæåíèé, ðàçðûâ òðóáîïðîâîäîâ.

. Àâàðèè íà òðàíñïîðòíûõ êîììóíèêàöèÿõ.

. Ïîæàðû è âçðûâû.

Îñíîâíûå ïðè÷èíû: íåèñïðàâíîñòü ýëåêòðîñåòè è ýëåêòðîïðèáîðîâ; óòå÷êà ãàçà; âîçãîðàíèå ýëåêòðîïðèáîðîâ, îñòàâëåííûõ ïîä íàïðÿæåíèåì áåç ïðèñìîòðà; íåîñòîðîæíîå îáðàùåíèå ñ îãíåì (áðîøåííûå ãîðÿùàÿ ñïè÷êà, îêóðîê); èñïîëüçîâàíèå íåèñïðàâíûõ èëè ñàìîäåëüíûõ îòîïèòåëüíûõ ïðèáîðîâ; îñòàâëåííûå îòêðûòûìè äâåðè òîïîê (ïå÷åé, êàìèíîâ); âûáðîñ ãîðÿùåé çîëû âáëèçè ñòðîåíèé; áåñïå÷íîñòü è íåáðåæíîñòü â îáðàùåíèè ñ îãíåì.

Óñòîé÷èâîñòü ôóíêöèîíèðîâàíèÿ îáúåêòà îáåñïå÷èâàåòñÿ âûïîëíåíèåì ñëåäóþùèõ ìåðîïðèÿòèé:

. Çàùèòà ðàáî÷èõ è ñëóæàùèõ.

Îáåñïå÷èâàåòñÿ óñòðîéñòâîì çàùèòíûõ ñîîðóæåíèé, ðàçðàáîòêîé ìåðîïðèÿòèé ïî ðàññðåäîòî÷åíèþ è ýâàêóàöèè ðàáîòàþùèõ è ñëóæàùèõ, îáó÷åíèåì ðàáîòàþùèõ è ñëóæàùèõ äåéñòâèÿì â ÷ðåçâû÷àéíûõ ñèòóàöèÿõ.

. Ïîâûøåíèå ïðî÷íîñòè è íàäåæíîñòè âàæíåéøèõ ýëåìåíòîâ îáúåêòà.

îáåñïå÷èâàåòñÿ ïîâûøåíèåì ïðî÷íîñòè çäàíèé è ñîîðóæåíèé (ðàññðåäîòî÷åíèå, óñòðîéñòâî ïîæàðíûõ ðàçðûâîâ, îáâàëîâêà åìêîñòåé ñ ëåãêî âîñïëàìåíÿþùåéñÿ æèäêîñòüþ è ò.ä.);

òåõíîëîãè÷åñêîå îáîðóäîâàíèå çàêðåïëÿåòñÿ íà ôóíäàìåíòàõ, íàä öåííûì îáîðóäîâàíèåì óñòàíàâëèâàåòñÿ çàùèòíûå óñòðîéñòâà, öåííîå îáîðóäîâàíèå ìîæåò áûòü ðàçìåùåíî â ïîäâàëüíîì ïîìåùåíèè;

ýíåðãîñèñòåìû ïðåäóñìàòðèâàþò àâàðèéíûå èñòî÷íèêè ýíåðãèè; ñèñòåìû ãàçîñíàáæåíèÿ, òåïëîñíàáæåíèÿ çàêîëüöîâûâàþò, à ïàðîïðîâîäû ðàñïîëàãàþò ïîä çåìëåé.

. Ïîâûøåíèå óñòîé÷èâîñòè ìàòåðèàëüíî-òåõíè÷åñêîãî ñíàáæåíèÿ.

Óñòîé÷èâîñòü îáåñïå÷èâàåòñÿ ïóòåì ñîçäàíèÿ çàïàñîâ ñûðüÿ ñ ïåðåõîäîì íà ìåñòíûå èñòî÷íèêè ñûðüÿ, çàáëàãîâðåìåííîé ïîäãîòîâêîé ñêëàäîâ.

. Ïîâûøåíèå óñòîé÷èâîñòè íàäåæíîãî óïðàâëåíèÿ îáúåêòîì.

Äëÿ îáåñïå÷åíèÿ íàäåæíîãî óïðàâëåíèÿ îáúåêòîì îáîðóäóþò ïóëüòû óïðàâëåíèÿ îáúåêòîì; äèñïåò÷åðñêèå ïóíêòû ðàñïîëàãàþò â íàèáîëåå ïðî÷íûõ ïîìåùåíèÿõ; âîçäóøíûå ëèíèè ñâÿçè ïåðåâîäÿò íà êàáåëüíûå.

. Ðàçðàáîòêà ìåðîïðèÿòèé ïî ñíèæåíèþ âåðîÿòíîñòè âîçíèêíîâåíèÿ âòîðè÷íûõ ïîðàæàþùèõ ôàêòîðîâ.

Ýòî äîñòèãàåòñÿ:

ñâåäåíèåì ê ìèíèìóìó çàïàñîâ ãîðþ÷èõ è ÿäîâèòûõ âåùåñòâ íà òåððèòîðèè ïðåäïðèÿòèé;

âûâîäîì íà áåçîïàñíîå ðàññòîÿíèå ñâåðõíîðìàòèâíûõ çàïàñîâ.

. Ïîäãîòîâêà ê âîññòàíîâëåíèþ ïðîèçâîäñòâà.

Íà îáúåêòå ñëåäóåò ðàçðàáàòûâàòü ïëàíû íà âîññòàíîâëåíèå ïðåäïðèÿòèé. Ñîõðàííîñòü òåõíè÷åñêîé äîêóìåíòàöèè îáåñïå÷èâàåòñÿ ïóòåì êîïèðîâàíèÿ äîêóìåíòàöèè â âèäå ìèêðîôèëüìîâ è õðàíåíèÿ êîïèé â çàãîðîäíîé çîíå.

Çàêëþ÷åíèå

 ÂÊÐ áûëà ìîäåðíèçèðîâàíà êîíñòðóêöèÿ è ðàçðàáîòàíà òåõíîëîãèÿ èçãîòîâëåíèÿ ñòàíêà äëÿ îáðàáîòêè öåíòðîâûõ îòâåðñòèé â òîðöàõ âàëêîâ ïðîêàòíîãî ñòàíà.

 ïðîöåññå âûïîëíåíèÿ ÂÊÐ ïî ìîäåðíèçàöèè êîíñòðóêöèè è òåõíîëîãèè èçãîòîâëåíèÿ ñòàíêà áûë ïðîâåäåí ñëåäóþùèé êîìïëåêñ ìåðîïðèÿòèé.

 ëèòåðàòóðíîì îáçîðå ðàññìîòðåíû òåõíîëîãè÷åñêèå ìåòîäû èçãîòîâëåíèÿ âàëêîâ ïðîêàòíîãî ñòàíà è âûÿâëåíî, ÷òî èñïîëüçîâàíèå êîìïîçèòíûõ âàëêîâ ÿâëÿåòñÿ îäíèì èç ãëàâíûõ íàïðàâëåíèé â îáëàñòè ðàçâèòèÿ ìåòàëëóðãè÷åñêîãî ïðîèçâîäñòâà.

 êîíñòðóêòîðñêîé ÷àñòè ìîäåðíèçèðîâàíà êîíñòðóêöèÿ ìåõàíèçìà ãëàâíîãî äâèæåíèÿ, ïîäîáðàí ìîòîð-ðåäóêòîð âçàìåí ñóùåñòâóþùåé êëèíîðåìåííîé ïåðåäà÷è, ïðèâåäåí ðàñ÷åò øïèíäåëÿ ñòàíêà íà æåñòêîñòü, ñîãëàñíî êîòîðîìó, ïðè çàäàííûõ óñëîâèÿõ öåíòðîâàíèÿ øïèíäåëü áóäåò äîñòàòî÷íî æåñòêèì. Ðàçðàáîòàíà êîíñòðóêöèÿ ìåõàíèçìà ïåðåìåùåíèÿ, ïðèâåäåí ðàñ÷åò çóá÷àòûõ ïåðåäà÷ íà ïðî÷íîñòü è âûíîñëèâîñòü. Ðàçðàáîòàí îáùèé âèä ñòàíêà è ïðèâåäåíî îïèñàíèå åãî ðàáîòû.

 òåõíîëîãè÷åñêîé ÷àñòè ðàññìîòðåíà òåõíîëîãèÿ èçãîòîâëåíèÿ õîäîâîãî âèíòà ìåõàíèçìà ïåðåìåùåíèÿ. Ïðîèçâåäåí àíàëèç òåõíîëîãè÷íîñòè âèíòà. Ïîäîáðàíî îáîðóäîâàíèå è ðàññ÷èòàíû ðåæèìû ðåçàíèÿ ïðè èçãîòîâëåíèè âèíòà. Ðàçðàáîòàí òåõíîëîãè÷åñêèé ïðîöåññ ñáîðêè ñòàíêà.

 îðãàíèçàöèîííî-ýêîíîìè÷åñêîé ÷àñòè ïðèâåäåíî òåõíèêî-ýêîíîìè÷åñêîå îáîñíîâàíèå ïðîåêòà. Îïðåäåëåíà ñòîèìîñòü ñòàíêà çàòðàòíûì ïîäõîäîì, ñòîèìîñòü ñòàíêà ñîñòàâèëà 43000 ðóáëåé. Ïðèâåäåíî ñðàâíåíèå çàòðàò ïî áàçîâîìó è ïðåäëàãàåìîìó ìàðøðóòó îáðàáîòêè, çàòðàòû ïî ïðåäëàãàåìîìó ìàðøðóòó ìåíüøå ÷åì çàòðàòû ïî áàçîâîìó íà 189331 ðóáëåé â ãîä. Ðàññ÷èòàíû àìîðòèçàöèîííûå îò÷èñëåíèÿ óñêîðåííûì ìåòîäîì.

 ÷àñòè áåçîïàñíîñòè è ýêîëîãè÷íîñòè ïðîåêòà ïðîèçâåäåí àíàëèç îïàñíûõ è âðåäíûõ ïðîèçâîäñòâåííûõ ôàêòîðîâ ïðè ðàáîòå íà ðàçðàáîòàííîì ñòàíêå. Ðàçðàáîòàíû ìåðû ïî îáåñïå÷åíèþ áåçîïàñíûõ è çäîðîâûõ óñëîâèé òðóäà. Ðàññ÷èòàíî çàùèòíîå çàçåìëåíèå. Ðàçðàáîòàíû ìåðû ïî îáåñïå÷åíèþ óñòîé÷èâîñòè ðàáîòû ÊÏÖ â óñëîâèÿõ ÷ðåçâû÷àéíîé ñèòóàöèè.

Ñïèñîê èñïîëüçîâàííûõ èñòî÷íèêîâ

1       Ìåòàëëîðåæóùèå ñòàíêè: ó÷åáíèê äëÿ ìàøèíîñòðîèòåëüíûõ âòóçîâ / ïîä ðåä. Â. Ý. Ïóøà. - Ìîñêâà: Ìàøèíîñòðîåíèå, 1985. - 256ñ.: èë.

         Ïóø, Â. Ý. Êîíñòðóèðîâàíèå ìåòàëëîðåæóùèõ ñòàíêîâ / Â. Ý. Ïóø. - Ìîñêâà: Ìàøèíîñòðîåíèå, 1977. - 390 ñ.

         Ïðîíèêîâ, À. Ñ. Ðàñ÷åò è êîíñòðóèðîâàíèå ìåòàëëîðåæóùèõ ñòàíêîâ / À. Ñ. Ïðîíèêîâ. - 2-å èçä. - Ìîñêâà: Âûñøàÿ øêîëà, 1986. - 431 ñ.

         Äóíàåâ, Ï. Ô. Êîíñòðóèðîâàíèå óçëîâ è äåòàëåé ìàøèí: ó÷åáíîå ïîñîáèå / Ï. Ô. Äóíàåâ, Î. Ï. Ëåëèêîâ. - Ìîñêâà: Âûñøàÿ øêîëà, 1998. - 447 ñ.

         Ñïðàâî÷íèê êîíñòðóêòîðà ìàøèíîñòðîèòåëÿ: â 3-õ ò. Ò. 1 / Â. È. Àíóðüåâ. - 5-å èçä., ïåðåðàá. è äîï. - Ìîñêâà: Ìàøèíîñòðîåíèå, 1978. - 728 ñ.

         Ðåæèìû ðåçàíèÿ ìåòàëëîâ: ñïðàâî÷íèê / Þ. Â. Áàðàíîâñêèé, Ë. À. Áðàõìàí, Ö. Ç. Áðîäñêèé [è äð.]; ïîä ðåä. Þ. Â. Áàðàíîâñêîãî. - Ìîñêâà: Ìàøèíîñòðîåíèå, 1972. - 363 ñ.

         Ñïðàâî÷íèê ìîëîäîãî òîêàðÿ / Á. Ã. Çàéöåâ. - Ìîñêâà: Âûñøàÿ øêîëà, 1979. - 367 ñ.

         Ñïðàâî÷íèê òåõíîëîãà ìàøèíîñòðîèòåëÿ: â 2-õ ò. Ò.1 / Â. Á. Áîðèñîâ, Å. À. Áîðèñîâ, Â. Í. Âàñèëüåâ [è äð.]; ïîä ðåä. À. Ã. Êîñèëîâîé. - 4-å èçä., ïåðåðàá. è äîï. - Ìîñêâà: Ìàøèíîñòðîåíèå, 1986. - 657 ñ.

         Ñïðàâî÷íèê êîíñòðóêòîðà ìàøèíîñòðîèòåëÿ: â 3-õ ò. Ò. 2 / Â. È. Àíóðüåâ. - 5-å èçä., ïåðåðàá. è äîï. - Ìîñêâà: Ìàøèíîñòðîåíèå, 1978. - 559 ñ.

         Ñïðàâî÷íèê êîíñòðóêòîðà ìàøèíîñòðîèòåëÿ: â 3-õ ò. Ò. 3. / Â. È. Àíóðüåâ. - 5-å èçä., ïåðåðàá. è äîï. - Ìîñêâà: Ìàøèíîñòðîåíèå, 1978. - 557 ñ.

Ïðèëîæåíèå 1

 

Ñïåöèôèêàöèè


Òàáëèöà 5

Òàáëèöà 6

Òàáëèöà 7

Òàáëèöà 8

Ðàçìåùåíî íà Allbest.ru

Похожие работы на - Модернизация конструкции станка для торцевания и центрования валков

 

Не нашли материал для своей работы?
Поможем написать уникальную работу
Без плагиата!
Без нейросетей!