Модернизация конструкции и технология изготовления, механизма смены увеличения визира оптического устройства

  • Вид работы:
    Дипломная (ВКР)
  • Предмет:
    Другое
  • Язык:
    Русский
    ,
    Формат файла:
    MS Word
    1,76 Мб
  • Опубликовано:
    2017-10-27
Вы можете узнать стоимость помощи в написании студенческой работы.
Помощь в написании работы, которую точно примут!

Модернизация конструкции и технология изготовления, механизма смены увеличения визира оптического устройства

Содержание

Введение

. Анализ состояния вопроса. Цели и задачи проектирования ВКР

. Конструкторская часть

.1 Описание работы визира оптического устройства

.2 Разработка конструкции механизма смены увеличениявизира оптического устройства

.3 Разработка каталога и разнесённой сборки

.4 Автоматизированный инженерный анализ стойки методом конечных элементов

.5 Использование трёхмерной модели для расчёта изделия методами имитационного моделирования

.6 Расчет напряженно - деформированного состояния детали в среде SolidWorksSimulation

. Технологическая часть

.1 Разработка технологического процесса детали «Стойка»

.2 Технологический контроль чертежа

.3 Анализ технологичности конструкции

.4 Выбор заготовки

.5 Выбор структуры и плана технологического процесса

.6 Выбор типа производства

.7 Расчет припуска на обработку

.8 Выбор оборудования

.9 Выбор станочных приспособлений

.10 Выбор режущего инструмента

.11 Выбор режимов резания

.12 Выбор инструментальных приспособлений

.12.1 Выбор средств измерения и контроля

.13 Уточненное техническое нормирование

.14 Разработка программы для обрабатывающего центра

Заключение

Список использованных источников

Введение

оптический имитационный деталь резание

В настоящее время оптические приборы нашли широкое применение не только в военном деле, но и в повседневной жизни. Для эффективного ведения огня из танков и боевых машин пехоты (БМП), они оснащаются совершенными системами управления огнем (СУО). Современные СУО включают в себя оптические прицелы (дневного и ночного типа) с тепловизионными камерами и дальномерами, баллистические вычислители, стабилизаторы вооружения и датчики условий, позволяющие подстраиваться под определенные условия стрельбы. Поэтому конструкция и технология должна отвечать высоким требованиям точности и качества [1, 10].

Основной целью выпускной квалификационной работы является модернизация конструкции и технология изготовления, механизма смены увеличения визира оптического устройства.

Представляемый дипломный проект выполнен на базе ОАО «Вологодский оптико-механический завод». Специфической продукцией предприятия являются прицельные приспособления различного назначения, как военного, так и гражданского. Предприятие выпускает комплектующие к СУО конструкция и технология которых разработана в 80-х годах 20 века. Исходя из этого, представляется рациональной модернизация конструкции и технологии изготовления, механизма смены увеличения визира оптического устройства [16].

Механизм смены увеличения - это устройство позволяющее уменьшать или увеличивать угол зрения оптического блока [16].

Со временем детали и узлы теряют свою эффективность в выполнении поставленных перед ними задач, а так же с появлением новых технологий детали и узлы подвергают модернизации для улучшения работоспособности всего механизма, что приводит к более высокой точности и долговечности.

Тема данной выпускной квалификационной работы актуальна, так как модернизируя какую-либо часть механизма, мы улучшаем качество всего устройства в целом.

1. Анализ состояния вопроса. Цели и задачи проектирования ВКР

Оптический прицел - это оптический набор, предназначенный для точной наводки оружия на цель. Может быть также использован для наблюдения за местностью и для аналитического расчета расстояний до предметов [1].

Первый прицел, который употреблял человек, стал кольцевой прицел, состоящий из кольца, укрепленного на ложе стрелкового оружия и мушки укрепленной возле места вылета снаряда. Такими изобретенными заграницей прицелами еще в средние века снабжались самострелы и арбалеты. Кольцевые прицелы особенно хороши для установки на гладкоствольные ружья. Их устанавливают на шейке ложи на сравнительно небольшом расстоянии от глаза охотника, что удлиняет прицельную линию почти в два раза. Чем ближе к глазу поставлен сквозной прицел, тем лучше, поскольку глаз не должен рассматривать отверстие кольца (диска), к глазу попадает меньше посторонних световых лучей, и одновременно удлиняется прицельная линия. Пределом приближения кольца прицела к глазу есть минимальное расстояние, при котором кольцо может ударить глаз при отдаче. Кольцевой прицел изображён на рисунке 1 [1].

Рисунок 1 - Кольцевой прицел

Следующим изобретением стали диоптрические прицелы - это улучшенный вариант сквозных кольцевых прицелов, хотя и они применялись еще на средневековых иностранных арбалетах. Главное отличие диоптров от кольцевых прицелов это размер отверстия в диске и иногда больший, чем в кольцевых прицелах диаметр диска. Диск диоптра делают диаметром от 10мм до 50мм, диаметр отверстия в диске от 0,5 до 1мм и более, смотря по тому, на каком расстоянии привык стрелок держать глаз от диоптра. Имеются сложные немецкие прицелы с быстрой переустановкой центрального отверстия на один из пяти различных диаметров выбираемых стрелком. На диск диоптра так же как и на кольцевой прицел устанавливают резиновый наглазник, который во первых не допускает к глазу посторонние световые лучи и предохранят глаз от удара при отдаче оружия. Диоптрический прицел изображён на рисунке 2 [1].

Рисунок 2 - Примеры диоптрических прицелов

Большое применение и развитие прицелы получили чуть более 100 лет тому назад. На винтовки устанавливались телескопические прицелы, длинна которых иногда была больше длинны ствола.Телескопический прицел - оптический прибор для обеспечения стрельбы прямой наводкой [1].

Телескопический прицел представляет собой зрительную трубу с шарнирным соединением подвижной качающейся, связанной с пушкой и неподвижной, связанной с башней (окулярной) частей, снабженную сетками с прицельными, дистанционными и угломерными шкалами. Такой вид прицелов изображен на рисунке 3 [1].

А

Б

Рисунок 3 - Телескопические прицелы:

А - виды телескопических винтовок; Б - винтовка Стивенса

Одним из следующих этапов развития военной оптики стали оптические прицелы (ночного и дневного типа). Особо быстрое развитие снайперских оптических прицелов началось после первой мировой войны, и в 1949 году были разработаны первые прицелы, которые могли, менять кратность увеличения. Оптический прицел времен второй мировой войны изображен на рисунке 4 [4].

Рисунок 4 - Оптический прицел на винтовке SMLEMk.III

Современные оптические прицелы состоят из объектива (системой из двух и более линз), оборачивающей системы, прицельной сетки, окуляра, механизма корректировки горизонтальной и вертикальной поправки, и корпуса. Также существуют различные модификации, включающие в себя установку дальномера, телевизионной камеры и подсветки. Несколько видов современных оптических прицелов изображены на рисунке 5 [2].

Рисунок 5 - Цифровой оптический прицел дневного видения

Дальнейшее развитие цифровых технологий привело к созданию уникально нового прицела, который позволял целиться обоими глазами, при этом увеличивая углы обзора. В основу конструкции заложен принцип коллимации света, за что и получили данные прицелы название коллиматорные. Коллиматор представляет собой длиннофокусный объектив, в котором установлена марка, подсвечиваемая специальным устройством. Она имеет вид точечной диафрагмы или сетки с необходимой служебной информацией. Для коллиматорных прицелов, устанавливаемых на стрелковое оружие, марка представляет собой диафрагму, образующую светящуюся прицельную точку [4].

Коллиматорные прицелы бывают закрытого и открытого типов. Все элементы закрытых коллиматорных прицелов расположены вдоль оптической оси линии визирования и при формировании точки в пространстве, по которой производится прицеливание, незначительно ограничивают область наблюдения. Коллиматор открытых коллиматорных прицелов выведен из поля зрения стрелка, и сформированная прицельная марка проецируется на наблюдаемое пространство. Все коллиматорные прицелы имеют однократное увеличение и неограниченный вынос зрачка. Правда, однократное увеличение ограничивает применение таких прицелов на дистанции прямого выстрела. Размер светящейся прицельной точки в различных прицелах составляет от одной до пятнадцати угловых минут. Коллиматорные прицелы изображены на рисунке 6 [4].

Рисунок 6 - Коллиматорный прицел

С развитием прицелов военная оптика стала применяться на боевых машинах. Начиная от обычных танковых прицелов времен второй мировой войны и заканчивая целыми системами основанных на законах оптики. Одной из таких систем называется «Система управления огнем». Это комплекс приборов, устройств и датчиков, качество изготовления и сборки которых напрямую влияет на эффективность ведения стрельбы и выживаемости танка (боевой машины) в бою. Один из вариантов системы изображен на рисунке 7 [4].

Рисунок 7 - Схема системы управления огнем

Целью выпускной квалификационной работы является-модернизация конструкции и технологии изготовления механизма смены увеличения визира оптического устройства.

Исходя из данной цели, необходимо решить ряд следующих задач:

·        Модернизировать конструкцию «Механизма смены увеличения визира оптического устройства».

·        Разработать модели, чертежи и каталоги “Компонентов механизма смены увеличения оптического устройства.

·        Разработать технологический процесс изготовления детали «Стойка».

·        Рассчитать на прочность и провести исследование напряженно-деформированного состояния детали в системе SolidWorksSimulation.

2. Конструкторская часть

2.1 Описание работы визира оптического устройства

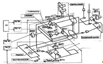
Прицел-дальномерприбора наведения (ПДПН) 1Г46 является основным прибором управления огнем из танка, с ним работает наводчик при стрельбе из пушки, спаренного с ней пулемета, а также при запуске и наведении на цель управляемой ракеты. Он представляет собой перископический дневной прицел-дальномер с независимой стабилизацией поля зрения в двух плоскостях и плавно регулируемым от 2,7 до 12хувеличением [2].

ПДПН 1Г46 отвечает за нaведение и независимую от пушки стабилизацию поля зрения и оси информационного лазерного луча в двух плоскостях, измерение и индикацию дaльности до цели, а также выработку электрического сигнала, соответствующего измеренной или вводимой вручную дальности, определение углов рассогласования в вертикальной и горизонтальной плоскостях между линией прицеливания и осью капала ствола пушки и выработку пропорциональных им электрических сигналов управления приводами наведения пушки и башни [2].

Прицел 1Г46 (рисунок 8) имеет несколько частей, каждая из которых является функционально законченным блоком.

Главная частьприцела - корпус визира, к нему с помощью винтов крепятся корпуса других составляющих: оптического блока,блока лазерного дальномера (блок Д),блока измерителя временных интервалов (блок ИВИ), стабилизирующего блока,информационного блока лазерно-лучевого канала управления, головки и пульта управления [2].

Стабилизирующий блок и пульт управления закрепляются на нижней части корпуса визиря, а головка, блок Д и информационный блок - к верху.








Рисунок 8 - Схема прицела 1Г46

В оптическом блоке расположены оптические детали визуального канала, часть органов управления, а также электрическая схема, с помощью которойработают электромеханические устройстваи осуществляющая передачу электрических сигналов [2].

В стабилизирующем блоке (рисунок 9) расположены: гиростабилизатор, узел нижнего зеркала, которым производится наведения в горизонтальной плоскости, привод верхнего зеркала, осуществляет связь гиростабилизатора сзеркалом, закрепленным в головке и механизмы выверки прицела-дальномера по направлению и высоте, а также электронные реле системы обогрева [2].

Рисунок 9 - Стабилизирующий блок изделия 1Г46: 1 - корпус; 2 - блок зеркал; 3 - платформа; 4 - привод верхнего зеркала; 5 - правый рычаг; 6 - механизм выверки «Г»; 7 - рукоятка арретира «ЗАСТОП-РАССТОП»

Стабилизирующий блок (рисунок 9) - силовой двухосный гиростабилизатор на поплавковых гироскопах. Стабилизирующий блок совместно с главным зеркалом головки, электроблоками, пультом управления наводчика образуют замкнутую цепь регулирования, обеспечивает независимую от вооружения (пушки) стабилизацию поля зрения и наведения стабилизированной линии прицеливания в горизонтальной и продольно-вертикальной плоскостях [2].

Стабилизация поля зрения по высоте происходит за счет вращения вокруг горизонтальной оси с помощью главного зеркала головки, которое кинематически связано с параллелограммным приводом 4 и с платформой 3 гиростабилизатора [2].

Стабилизация поля зрения по направлению осуществляется за счет вращения вокруг вертикальной оси блока зеркал 2, расположенного на корпусе стабилизирующего блока, и кинематическисвязанного с осью вращения (шкив 7 на рисунке 10) внешней рамы гиростабилизатора. Блок зеркал - целостный блок с зеркала (снизу) и светораспозновательной пластины (сверху). Ленточная передача в виде восьмерки выполнена для обеспечения вращения блока зеркал в сторону, противоположную вращению внешней рамы гиростабилизатора [2].

Функционально-кинематическая схема стабилизирующего блока приведена на рисунке 10 [2].

Двухосныйгиростабилизатор - система из двух одноосных гиростабилизаторов, имеющих две взаимоперпендикулярные оси стабилизации: первая - по оси вращения внутренней рамы (по высоте), вторая - по оси вращения наружной рамы карданного подвеса (по направлению) [2].

В каждом канале присутствует чувствительный элемент - поплавковый гироскоп, датчик угла прецессии, датчик момента, усилитель, двигатель стабилизации [2].

Рама двухосного гиростабилизатора (стабилизирующего блока) - расположена относительно двух осей, платформа 3 (рисунок 10), выполненная в виде прямоугольного параллелепипеда. В корпусе платформы 3 установлены два двухступенчатых поплавковых гироскопа 2 и 4 таким образом, что в начальном (зааретованом) положении гиростабилизатораизмерительная ось каждого гироскопа параллельна определенной оси карданного подвеса гиростабилизатора [2].

Ось чувствительности двухступенчатого поплавкового гироскопа расположена перпендикулярно осям ротора (главная ось гироскопа, по которой направлен вектор собственного кинетического момента Н) и камеры (поплавка). Вследствие чего векторы собственных кинетических моментов (Н) двухступенчатых поплавковых гироскопов 2 и 4 направлены друг против друга [2].

Рисунок 10 - Функционально-кинематическая схема стабилизирующего блока 1Г46

Гироскоп 2 - это чувствительный элемент канала стабилизации по оси вращения наружной рамы карданного подвеса гиростабилизатора (по направлению), то есть он обеспечивает стабилизацию поля зрения и наведения линии прицеливания в горизонтальной плоскости, именно поэтому в обозначении его элементов, так же как и элементов канала стабилизации, присутствует буква «Г». Гироскоп 4 является чувствительным элементом канала стабилизации по оси вращения внутренней рамы (платформы), которая на схеме (рисунок 11) называется «гирорама», то есть обеспечивает стабилизацию поля зрения и наведения линии прицеливания по высоте (в продольно-вертикальной плоскости), в связи, с чем в обозначении его элементов и элементов канала стабилизации присутствует буква «В» (ДУВР, ДМВН) [2].

Каждый из гироскопов имеет датчик угла процессии, который через свой канал усилителя стабилизации электрически взаимосвязан с управляющими обмотками двигателя стабилизации по оси, совпадающей с осью чувствительности данного гироскопа [2].

Согласно функционально-кинематической схемы (рисунок 11) канал стабилизации по направлению (горизонтали) включает датчик угла процессии поплавкового гироскопа 2 (рисунок 11) - ДУГР (датчик угла горизонтального разгрузки), усилитель разгрузки - УМГР (усилитель мощности горизонтального разгрузки) и двигатель стабилизации - ДМГР (моментный двигатель горизонтального разгрузки) [2].

Рисунок 11 - Рама с платформой гиростабилизатора прицела 1Г46: 1 - кулачок арретира (по Г) 2 - гироскоп ГН; 3 - корпус платформы; 4 - гироскоп ВН; 5 - корпуса наружной рамы; 6 - ротор ДМГР (АДФМ-1000); 7 - шкив ленточной передачи

Канал стабилизации по высоте (продольно-вертикальная плоскость) включает датчик угла процессии поплавкового гироскопа 4 (рисунок 11) -ДУВР (датчик угла вертикального разгрузки), усилитель разгрузки - УМВР (усилитель мощности вертикального разгрузки) и двигатель стабилизации - ДМВР (моментный двигатель вертикального разгрузки). Усилители разгрузки УМГР и УМВР расположены в электроблоке прицела [2].

Наведение линии прицеливания (визирования) по высоте и направлению производится с помощью пульта управления - ПУ. Наведение по высоте проводится разворотом рукояток пульта управления вокруг горизонтальной оси («на себя», «от себя»), а наведение по направлению - разворотом всего пульта управления вокруг вертикальной оси (по ходу часовой стрелки и против часовой стрелки) [2].

Для того, что бы этот механизм привести вдвижение, в пульте управления расположены потенциометры,от величины угла поворота которых зависят значения электрических сигналов, поступающих на соответствующие усилители наведения - УМВН (усилитель мощности вертикального наведения) и УМГН (усилитель мощности горизонтального наведения), находящихся в составе электроблока прицела. Усиленные в усилителях электрические сигналы наведения поступают на обмотки управления датчиков момента - ДМВН (моментный двигатель вертикального наведения), который находится на оси процессии поплавкового гироскопа 4 (рисунок 11) и ДМГН (моментный двигатель горизонтального наведения), находится на оси процессии поплавкового гироскопа 2 [2].

С осями карданного подвеса гиростабилизатора связанны роторы датчиков углов наведения линии прицеливания (визирования). На оси вращения наружной рамы находится ротор датчика угла горизонтального наведения - ДУГН, статор которого связан с корпусом стабилизирующего блока, а через него и корпус прибора с башней танка. На горизонтальной оси вращения платформы (гирорамы) расположен ротор датчика угла вертикального наведения - ДУВН, статор которого смонтирован в корпусе правого рычага 5, который через параллелограмный привод связан с пушкой [2].

Обозначенные датчики производят электрические сигналы Uдугн и Uдувн, пропорциональные углам рассогласования между линией прицеливания (визирования) и осью канала ствола пушки в горизонтальной и продольно - вертикальной плоскостях [2].

Сигналы через цепи коммутации поступают на сумматор танкового баллистического вычислителя, где суммируются (с учетом фазы) с выработанными электрическими сигналами Uβи Uа, пропорциональными углам предубеждения (β) и прицеливания (а) [2].

В качестве чувствительных элементов данного двухосного гиростабилизатора, взяты двухступенчатые поплавковые гироскопы. Элементы комплектации: гиромотор ГМА-4 применен в качестве датчика угла процессии, индукционный датчик типа 15Д-32 - датчик моментa (двигателя наводнения), моментный двигатель переменного токa АДФМ-250. Таким обрaзом, элементами обозначенными на схеме 1.5 ДУВР и ДУГР, есть индукционные датчики 15Д32. Они применены в качестве датчиков углов наведения линии прицеливания ДУВН и Дугна [2].

ДМВН и ДМГН являются двигатели наведения АДФМ-250, а векторами Н обозначены направления собственных кинетических моментов роторов гиромотора ГМА-4, находятся в поплавках [2].

В качестве безредукторного двигателя стабилизации ДМГР, который установлен на оси наружной рамы карданного подвеса гиростабилизатора, применяется двухфазный асинхронный моментный двигатель переменного тока АДФМ-1000. Его ротор 6 (рисунок 12) связан с корпусом 5 внешней рамы, а статор установлен в днище корпуса 1 (рисунок 11) стабилизирующего блока [2].

В качестве безредукторного двигателя стабилизации ДМВР, который установлен на оси внутренней рамы (платформы) карданного подвеса гиростабилизатора, применяется двухфазный асинхронный моментный двигатель переменного тока АДФМ-800. Его ротор связан с платформой, а статор установлен в корпусе правого рычага 5 [2].

Процессы стабилизации поля зрения и стабилизированного наведения линии прицеливания 1Г46, которые соединены со стабилизацией платформы и ее стабилизированными поворотами в горизонтальной и продольно-вертикальной плоскостях, принципиально такие же, что и в гиростабилизаторе на поплавковому гироскопе [16].

Рассмотрим, как происходит стабилизация по оси наружной рамы, то есть стабилизация поля зрения по направлению. При появлении начального момента относительно оси наружной рамы процесса является поплавок, поплавкового гироскопа 2, и датчик угла процессии ДУГР выдает сигнал управления на усилитель УМГР. С выхода усилителя напряжение поступает на управляющие обмотки двигателя стабилизации ДМГР, который создаёт момент, противоположный по направлению и равный по величине начальному моменту [16].

Аналогично происходит стабилизация поля зрения по высоте. При этом задействована цепочка ДУВР-УМВР-ДМВР [16].

Наведение стабилизированной линии прицеливания (визирования) 1Г46 по направлению, то есть стабилизированный поворот платформы (вместе с внешней рамой карданного подвеса) по горизонтали осуществляется двигателем наведения (датчиком момента) ДМГН при подаче на его обмотку управляющего электрического сигнала с усилителя наводнения УМГН. Возникающий при этом относительно оси процессии (параллельной оси внутренней рамы гиростабилизатора) поплавкового гироскопа 2 электромагнитный момент определяет величину и направление угловой скорости поворота (процессии) платформы вокруг вертикальной оси (по горизонтали) [16].

Наведение стабилизированной линии прицеливания (визирования) по высоте происходит аналогичным образом, но сигнал с усилителя наводнения УМВН поступает на двигатель наводнения ДМВН, который создает момент относительно оси процессии (параллельной оси наружной рамы гиростабилизатора) поплавкового гироскопа 4 [16].

Этот момент вызывает движение внутренней рамы (платформы) карданного подвеса гиростабилизатора вокруг своей оси, то есть осуществляется поворот платформы в вертикальной плоскости (по высоте) [16].

В результате поворота корпуса пульта управления вокруг вертикальной оси по или против часовой стрелки до углов 25 - 27°С относительно нулевого положения, а рукояток пульта управления вокруг горизонтальной оси (на себя или от себя) к углам 27 - 29 °С относительно среднего положения происходит плавное изменение угловой скорости наведения стабилизированной линии прицеливания по направлению и по высоте от 0,05 до 1°С. При увеличением указанных углов происходит скачкообразное изменение угловой скорости наведения линии прицеливания по направлению и высоте до значения максимальной угловой скорости наведения 3 °С. При дальнейшем повороте корпуса (рукояток) пульта управления упоров цепи наведения электроблока формируют электрический сигнал «27В перебросом», и происходит скачкообразное изменение угловой скорости наведения стабилизированной линии прицеливания в скорости переброски 16 - 24 °С [16].

При повороте корпуса пульта управления к упорам порогового устройства в составе электроблока производит электрический сигнал «27В перебросом», по которому на вход усилителя УМГР подается дополнительный электрический сигнал, который после усиления поступает на ДМГР. ДМГР создает по оси наружной рамы карданного подвеса гиростабилизатора момент, под действием которого поплавок поплавкового гироскопа 2 отклоняется (процесса является) в сторону одного из двух подпружиненных упоров в корпусе поплавкового гироскопа. Дугрей при этом выдает электрический сигнал, равный дополнительном, но обратная связь по фазе. При уравнивании на входе УМГР дополнительного сигнала и сигнала Дугрей момент ДМГР снимается, и гироузел (поплавок) поплавкового гироскопа 2 воспринимает влияние упругой силы сжатой пружины одного из упоров. Указанная действие вызывает появление гироскопического момента, который приложен к корпусу поплавкового гироскопа 2, то есть проявляется в виде пары сил, приложенных к подшипникам опоры гироузла поплавкового гироскопа 2. Данная пара сил стремится вращать корпус поплавкового гироскопа, что приводит к вращению (поворота) платформы, в которой он установлен, вокруг вертикальной оси, то есть вокруг оси наружной рамы. Через разнообразную ленточную передачу в указанный поворот платформы (вместе с внешней рамой) передается на блок зеркал 2, что приводит к перемещению по горизонтали (по направлению) стабилизированной линии прицеливания (визирования) прицела 1Г46 со скоростью опрокидывания [16].

В стабилизирующем блоке, также расположены рукоятка 7, «ЗАСТОП - РАССТОП» привода арретирного устройства и механизмы выверки линии прицеливания по высоте и направлению, (на рисунке 9 видно механизм выверки 6 по направлению (Г). По принятой классификации стабилизирующий блок является арретирным устройством совмещенного действия с ручным управлением [16].

Арретирная платформа (на рисунке 11 - гирорамы) проводится для обеспечения жесткой связи платформы и, соответственно, линии прицеливания прибора с пушкой и башней танка при ее согласованном положении. Для арретирной платформы по ее осям вращения (собственная ось вращения - горизонтальная, ось наружной рамы - вертикальная), является кулачком со специальным профилем и пазом (на рисунке 12 видно кулачок 1 арретира по направлению (Г), механизмы вертикального и горизонтального арретире, штоки которых в момент арретирования заходят в пазы соответствующих кулачков [16].

Шток каждого арретира выдвигается при повороте рукоятки 7 «ЗАСТОП -РАССТОП». При повороте рукоятки вращательное движение передается через зубчатый редуктор и карданные валики и соответствующим рычагом каждого арретира превращается в поступательное движение штока [16].

Вертикальный арретир через механизм выверки линии прицеливания по высоте и параллелограммный привод жестко связаны с пушкой. При закреплённом положении платформы линия прицеливания 1Г46 жестко связана параллелограммным приводом с пушкой.Горизонтальный арретир через механизм выверки линии прицеливания по направлению (Г) жестко связан с корпусом стабилизирующего блока, следовательно - с башней танка [16].

Механизмами выверки линии прицеливания прибора по высоте и направлению проводится компенсация рассогласования линии прицеливания с осью канала ствола пушки, возникает после монтажа 1Г46 в танк и в процессе эксплуатации [16].

Цель согласования - развороты главного зеркала головки и нижнего зеркала (блока зеркал) стабилизирующего блока достигается разворотом закреплённой платформы (гирорамы) по горизонтали и по высоте. Для этого механизмы вертикального и горизонтального арретира установлены непосредственно в корпусах правого рычага 5 и стабилизирующего блока 1, на поворотных кронштейнах, которые проворачиваются при вращении ключом выверки соответствующего механизма [16].

В состав каждого механизма выверки входит червячная передача, червячное колесо, которой имеет эксцентриковый поводок [16].

При вращении червячного колеса эксцентриковый поводок разворачивает кронштейн с механизмом соответствующего арретира [16].

Двухосный гироскопический стабилизатор 1Г46 обеспечивает независимую от вооружения стабилизацию поля зрения и наведения стабилизированной линии прицеливания в диапазоне углов от -15 до + 20°С в продольно-вертикальной плоскости, и от -8 до + 8 °С в горизонтальной плоскости (по направлению) [2].

Погрешность стабилизации линии прицеливания (визирования) при движении танка по пересеченной местности не превышает 0,7 угловых минут (0,2 мрад), а угловая скорость ухода линии прицеливания (центральной прицельной марки) при стабилизированном наблюдении в условиях колебания танка на пересеченной местности не превышает 0,7°С/мин. [2].

Пульт управлениязадает направление и скорость наведения линии визирования в пространстве.На рукоятках пульта расположены кнопки: измерения дальности, выстрела из пушки и выстрела с пулемета [2].

Блок Д предназначен для формирования и выдачи импульса излучения передатчика и приема импульса, отраженного от цели. Блок ИВИ предназначен для преобразования интервала времени (между импульсом передатчика и импульсом, отраженным от цели) код дальности. В блок ИВИ также входит цифровой индикатор, который позволяет наводчику одновременно с целью видеть измеренную дальность в метрах. Наблюдения за полем боя и прицеливания осуществляются через визуальный канал прибора наведения прицела-дальномера [16].

Для удобства наблюдения визуальный канал имеет плавное изменение кратности увеличения окуляра. Кроме того, в поле зрения прицела-дальномера может вводиться светофильтр, предотвращающийглаз наблюдателя от солнечного и лазерного излучения [2].

Дальность до выбранной цели измеряется прицелом-дальномером. Управление ведется с кнопки на рукоятке пульта управления. Временной интервал между моментом излучения передатчика и импульсом, отраженным от цели превратится измерителем временных интервалов (блоком ИВИ) для введения вбаллистический вычислитель и для высвечивания дальности в поле зрения наводчика [2].

В режиме «Аварийный», когда не работает баллистический вычислитель, дальность вводится вручную перемещением сетки с прицельными шкалами и шкалой боковых поправок от пульта управления.Разделение шкалы дальности выбранного снаряда, соответствует его измеренной дальности, подводится к горизонтальному штриху неподвижной сетки [2].

Прицеливание производится сочетанием с целью пересечения вертикального штриха с горизонтальным штрихом шкалы боковых поправок.

Вид поля зрения прицела показан на рисунке 14.

В центре поля зрения находится центральная прицельная марка в виде угольника.

Вниз от центральной прицельной марки идет вертикальный штрих с делениями - шкала углов прицеливания для пулемета. От центральной прицельной марки вправо отходит кривая штриховая линия с делениями, также шкала прицеливания для пулемета, учитывает базу установки пулемета прицела на танке по высоте и направлению. Цена одной малой деления шкалы соответствует дальности 100 м, цифры соответствуют дальностям в сотнях метров [2].

В стороны от центральной прицельной марки идут шкалы углов бокового предубеждения, состоящие из штрихов и угольников для прицеливания при стрельбе с боковым предубеждением при отсутствии автоматического выработки его в системе [2].

В верхней части поля зрения расположены: горизонтальный штрих и прицельные шкалы для каждого типа снаряда (бронебойного - Б, осколочно - фугасного - О, кумулятивного - К) [2].

Цена одной малой деления - 200 м для бронебойного и 100 м - для остальных типов снарядов. Цифры соответствуют дальности в сотнях метров.

Слева от вертикального штриха расположена дальномерная шкала с базой по цели 2,5 м [2].

В нижней части поля зрения расположены светоиндикатор: слева зеленый - сигнал готовности орудия к стрельбе; красный - сигнал целеуказания, дублированного управления командиром или включения тумблера «Аварийный ПОВОРОТ» механиком-водителем. В центре нижней части поля зрения высвечивается тип снаряда и измеренная дальность [2].

При работе прицела в аварийном режиме (ручной ввод дальности вращением маховика пульта управления) шкалы углов прицеливания, а также шкала углов бокового предупреждения, расположенные на подвижной сетке, перемещаются в поле зрения прицела относительно неподвижных горизонтального штриха и центральной прицельной марки [2].

Рисунок 12 - Вид поля зрения прицела наводчика 1Г46

При этом точка пересечения горизонтального штриха, шкалы углов бокового предубеждения с вертикальным штрихом, образуют точку наведения при стрельбе из пушки [2].

С учетом углов бокового предубеждения точка наведения переносится на соответствующий штрих или угольник шкалы углов бокового предубеждения.

Органы управления, сигнализации и регулирования прицела 1Г46. На прицеле (рисунки 13, 14, 15) расположены [2]:

·        индикатор 13 «обогрев очки», сигнализирующий о включении обогрева окуляра;

·        индикатор 15 «РАССТОП», сигнализирующий о розстопореннягирорамы стабилизирующего блока;

·        маховичок 12 «подсветка СЕТКИ» для регулирования подсветки шкал и сеток в поле зрения прицела при плохой освещенности;

·        тумблер 16 «Контроль Д» для включения режима контроля дальномера. Тумблер включается только после открытия крышки «КОНТРОЛЬ Д»;

·        тумблер 18 «обогрев ГОЛОВКИ» для включения обогрева защитных стекол головки прицела. При его включении загорается индикатор 17 «обогрев ГОЛОВКИ»;

·        крышка 19 «КОНТРОЛЬ ЦЕПЕЙ Д», которой закрываются тумблер 21 «ПОРОГ-РАБОТА» и резистор 20 «РАБ. Направление », для регулирования рабочего напряжения;

·        втулка 1 «Г» для выверки дальномера в горизонтальной плоскости;

·        втулка 2 «В» для выверки дальномера в вертикальной плоскости.

Рисунок 13 - Прицел наводчика (лицевая панель): 1 - втулка «Г» выверки по направлению; 2 - втулка «В» выверки по высоте; 3 - рукоятка; 4 - реагент; 5 - окуляр; 6 - крышка контрольного разъема Ш16; 7 - рукоятка «баллистики»; 8 - кнопка «МЗ»; 9 - маховичок ручного ввода дальности; 10 - пульт управления; 11 - кнопка проведения измерения дальности; 12 - маховичок «Подсветка СЕТКИ»; 13 - светодиод «обогрев очки»; 14 - рукоятка «УВЕЛИЧЕНИЕ»; 15 - светодиод «РАССТОП»; 16 - переключатель «КОНТРОЛЬ Д»; 17 - светодиод «обогрев ГОЛОВКИ»; 19 - крышка «КОНТРОЛЬ ЦЕПЕЙ»; 20 - резистор «РАБОЧЕЕ НАПРЯЖЕНИЕ»; 21 - переключатель «ПОРОГ- РАБОТА».

Рисунок 14 - Прицел наводчика (вид слева): 1,5,11 - реагент; 2 - редуктор выверки УВКВ; 3 - головка; 4 - блок Д; 6 - осветитель «подсветка СЕТКИ»; 7 - гайка диоптрийного наводнения; 8 - налобник; 9 - кнопка стрельбы из пулемета; 10 - рукоятка кратности; 12 - рукоятка светофильтра; 13 - рукоятка арретира «ЗАСТОП - РАССТОП»; 14 - осветитель подсветки пленки.

Рисунок 15 - Прицел наводчика (вид справа): 1 - реагент; 2 - рычаг привода призмы; 3 - рычаг; 4 - рукоятка; 5 - втулка "выверка В»; 6 - втулка "выверка Г»; 7 - кнопка стрельбы из пушки; 8 - плавка вставка Пр2; 9 - плавка вставка Пр1.

·        рукоятка 3 для закрепления налобника;

·        переключатель 7 «баллистики» для выбора необходимого типа баллистики;

·        кнопка 8 «МЗ» для включения цикла автоматической подзарядки пушки;

·        маховичок 9 для ручного ввода дальности;

·        кнопка 11 для измерения дальности (на левой рукоятке пульта управления 10).

На правом боку расположены:

·        кнопка для стрельбы из пушки (на правой рукоятке пульта управления);

·        втулка "выверка В» для выверки линии визирования прицела с осью канала ствола пушки в вертикальной плоскости;

·        втулка "выверка Г» для выверки линии визирования прицела с осью канала ствола пушки в горизонтальной плоскости.

На левой стороне расположены:

·        рукоятка «светофильтры» для включения светофильтров;

·        ручка «УВЕЛИЧЕНИЕ» для плавного изменения увеличения визиря;

·        кнопка для стрельбы из пулемета (на левой рукоятке пульта управления);

·        осветитель «подсветка пленки» для подсветки прожига на пленке встроенного прицел;

·        рукоятка «ЗАСТОП-РАССТОП» для расстопориваниястабилизатора прицела и включения стабилизатора вооружения танка.

При расстопоривании стабилизатора включается индикатор 14 (рисунок 13) «РАССТОП».

Измерение дальности до цели производится с помощью дальномера при нажатии на кнопку измерения дальности, которая расположена на пульте управления прицела, или методом «с базой по цели» [2].

Принцип измерения дальности квантовым дальномером основан на методе световой локации, суть которого заключается в том, что определение дальности осуществляется посредством измерения интервала времени, за который световой импульс проходит путь от прицела до цели и обратно [2].

Сигнал от кнопки измерения дальности поступает в дальномер, который формирует световой импульс и одновременно выдает в измеритель временного интервала (ИВИ) сигнал. Отраженное от цели излучение оптической системой прицела-дальномера направляется на приемное устройство дальномера, где осуществляется амплитудно-временная селекция импульса цели и его преобразование в электрический сигнал, который поступает в ИВИ. В ИВИ осуществляется измерение временного интервала между этими сигналами и преобразования его в сигналы «Д» и «Код Д». Сигнал «Д» подается в цифровой индикатор, где измеренная дальность в метрах высвечивается в виде цифр в нижней части поля зрения прицела. Сигнал «Код Д» поступает через электроблок прицела 1Г46 в танковый баллистический вычислитель [2].

В прицеле 1Г46 предусмотрено также введение дальности в цифровой индикатор и танковый баллистический вычислитель поворотом маховичка 9 (рисунок 13) ручного ввода дальности.При выходе из строя дальномера измерения дальности наводчиком проводится методом «с базой по цели с помощью дальномерной шкалы (рисунок 13), которая рассчитана для целей высотой 2,5 м [2].

2.2 Разработка конструкции механизма смены увеличениявизира оптического устройства

Автоматизированное проектирование конструкций можно выполнить в программах «КОМПАС 3D» и «SolidWorks».

В данном случае для конструирования механизма я воспользовался программой «КОМПАС 3D».

«Компас 3D» - программа системы моделирования изделий, которая замалый промежуток времени позволяет конструировать и запускать изделия в производство. Цели и задачи, достигаемые программой «Компас 3D» - составление конструкторской и технологической документации выпуска изделий, например сборочных чертежей, деталировок, спецификаций. Так же проектирование изображений изделия, к примеру, составление каталога, создание иллюстраций к технической документации [12].

Составляющая «Компас 3d» - чертёжно-графический редактор, система трёхмерного твердотельного моделирования и проектирование спецификаций. Система3d моделирования твёрдых тел служит для создания параметрических 3d макетов деталей и сборок, в которых содержатся как уникальные, так и стандартные элементы. Для быстрого получения модели изделия служит параметрическая технология, которая действует на принципе однажды спроектированного прототипа [12].

Для простейшего обслуживания и проектировки производства существуют многочисленные сервисные функции. Для автоматизации проектно-конструкторских работ существует чертёжно-графический редактор, который удачно работает в машиностроении, строительстве, архитектуре, так же в работе и составлении планов и схем, и участвуют в выпуске текстовых и графических документов [12].

Компас 3D совместим в работе и с другими системами, где используется проектировочная спецификация, которая помогает выпускать ведомости, табличные документы, разнообразные спецификации. Документ-спецификация включает в себя трёхмерную модель сборки, сборочный чертёж, состоящий как из одного, так и нескольких листов [12].

Для начала мы создаём трехмерную модель детали, для этого необходимо кликнуть в верхнем левом углу меню «Файл» команду «Создать деталь», затем кнопку «Новая деталь» на «Панели управления». Пример представлен на рисунке 16.

Рисунок 16 -команда «Создать деталь»

После нажатия кнопки «создать», появляется окно с выбором нужного нам документа [12]:

·        чертеж (расширение файла.cdw) - основной графический документ. Можно создавать чертежи, как из готовой 3D модели, так и «с нуля». Причём конструктор выбирает толькоформат чертежа (А0, А1, А2, А3, А4, А5), а элементы оформления, например основная надпись, рамка создаются автоматически;

·        фрагмент(расширение файла.frw) - это также графический документ, который отличается от чертежа тем, что здесь нет ни рамки, ни основной надписи;

·        деталь (расширение файла.m3d) - трехмерный документ Компас. 3D модель создается с помощью последовательно выполненных различных операций (выдавливание, вращение), для создания которых является неотъемлемой частью наличие 2D эскиза;

·        текстовый документ (расширение файла.kdw) - в нем обычно оформляют различные пояснительные записки. Но нам удобней оформлять РПЗ вMicrosoftWord;

·        спецификация (расширение файла.spw) - этот вид документа используется для создания спецификаций. Спецификация, кстати, может быть ассоциативно связана с 2d или 3d сборкой, когда изменения, производимые в чертеже или 3d сборке, автоматически корректируются в спецификации;

·        сборка (расширение файла.a3d) - 3D сборка должна содержать более одной 3d детали, между которыми существуют различные сопряжения (связи). Количество деталей в сборке может исчисляться тысячами - примером может служить 3D сборка автомобиля, здания.

В данном случае нам нужно выбрать «деталь». Пример «Нового документа» приведен на рисунке 17.

Рисунок 17 - Создание «Нового документа»

После нажатия на кнопку «Деталь» появляется пустой лист с трёхмерной системой координат, справа отображается дерево модели и панелью инструментов. Изображение приведено на рисунке 18.

Рисунок 18 - Окно создания детали

В окне новой детали находится «Дерево построений» (рисунок 19), в котором видна последовательность построения трехмерной модели.

Рисунок 19 - Дерево построений

После того как создали файл документа - деталь мы начали построение трёх мерной детали. Построение трехмерной модели детали начинается с вычерчивания контура основания детали основными линиями в режиме эскиза. В качестве основания можно использовать любой из четырех типов формообразующих элементов-элемент выдавливания, элемент вращения, кинематический элемент и элемент по сечениям. За основание принимают самый большой или главный элемент детали. За основание часто принимают: квадрат, цилиндр, описанный вокруг проектируемой детали (или ее части).

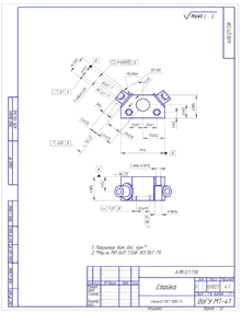
В виде примера приведен эскиз детали «стойка» из ВКР. Изображение приведено на рисунке 20.

Рисунок 20 - Эскиз детали «стойка»

Когда создание эскиза закончено, нужно перейти в режим трехмерных построений. Выходим из последней использовавшейся в режиме эскиза команды. Для этого используем клавишу «Esc» или из контекстного меню команду «Прервать команду» или кнопку «Прервать команду» на «Панели специального управления». Затем из контекстного меню команду «Закончить эскиз» или кнопку «Закончить эскиз» на «Панели управления». Система вернется в режим трехмерных построений. После этого необходимо указать, каким способом требуется перемещать эскиз в пространстве для получения основания нужного типа, то есть выбрать вид формообразующей операции (рисунок 21). Это могут быть: операции выдавливания, вращения, кинематическая операция, вырезание выдавливанием.

Рисунок 21 - Виды операций

Это могут быть: операции выдавливания, вращения, кинематическая операция, вырезание выдавливанием.

В данном случае мы выбираем элемент вращения, в результате чего у нас получилась трехмерная модель детали стойка, пример приведен на рисунке 22.

Рисунок 22 - Операция вращения

В результате мы получаем готовое основание трёхмерной детали, над которой нужно будет выполнить ещё некоторые операции, которые будут указаны ниже. Основание детали приведено на рисунке 23.

Рисунок 23 - Основание детали «Стойка»

Далее заходим в эскиз и выполняем команду «скругление». Команда «скругление» приведена на рисунке 24.

Рисунок 24 - Команда «скругление»

Затем, нам необходимо вырезать паз под отвёртку. Для начала заходим в эскиз с нужного нам вида и чертим прямоугольник по заданным размерам. Эскиз вычерчивания прямоугольника, приведён на рисунке 25.

Рисунок 25 - Эскиз вычерчивания прямоугольника

После того, как начертили прямоугольник, используем команду выдавливание. Команда выдавливание, приведена на рисунке 26.

Рисунок 26 - Операция «выдавливание»

Так же на детали стойка присутствует резьба, для этого необходимо кликнуть в верхнем левом углу меню «Операции» команду «Элементы оформления», затем кнопку «Условное изображение резьбы». Команда условное изображение резьбы, приведено на рисунке 27.

Рисунок 27 - Операция условного изображения резьбы

Начиная с версии 5.11, в системе КОМПАС имеется возможность создания ассоциативных чертежей трехмерных моделей (рисунок 28).

Рисунок 28 - Создание чертежа из модели

Ассоциативное изображение формируется в обычном чертеже КОМПАС. В нем создаются выбранные пользователем ассоциативные виды трехмерной модели (детали или сборки):

стандартный вид: (спереди, сзади, сверху, снизу, справа, слева);

проекционный вид (вид по направлению, указанному относительно другого вида);

вид по стрелке;

разрез/сечение (простой, ступенчатый, ломаный);

местный вид;

выносной элемент.

Ниже приведен пример, создания чертежа из трехмерной модели детали «Стойка», рисунок 29 [4].

Рисунок 29 - Чертеж из трехмерной модели

Можно отрегулировать параметры листа. Для этого открываем вкладку «Сервис» и выбираем «Менеджер документа». Там мы можем выбрать необходимый формат, расположение листа, и оформление. Пример «Менеджера документа» приведен на рисунке 30 [4].

Рисунок 30 - Менеджер документа

Так же присутствует техническое требование для выполнения операций (рисунок 31) [4].

Рисунок 31 - Техническое требование

На окончательно оформленном чертеже детали «Стойка» представлен вид спереди (рисунок 32). Проставлены все необходимые размеры, шероховатости, отклонения, заполнена основная рамка [4].

Рисунок 32 - Готовый чертеж детали «Стойка»

Конструкторская документация, представлена в ПРИЛОЖЕНИИ 1.

2.3 Разработка каталога и разнесённой сборки

На начальном этапе, когда механизм полностью собран, отсоединению от корпуса подлежит Винт (АЛ6,328,194СБ) (рисунок 33). При отвинчивании винтов используется отвертка 0,8×5,5 (Т1) и выколотка (Т2) для удаления штифтов.

Рисунок 33 - Отсоединение винта

На следующем этапе происходит отсоединение вилки (рисунок 34).

Рисунок 34 - Отсоединение винта (АЛ6.328.196СБ)

На третьем этапе происходит отделение кольца от корпуса пластины. Все действия выполняются вручную при помощи стандартной отвертки с прямым шлицем. На рисунке 35 показана процедура отсоединения объектива (АЛ5.920.205СБ).

Рисунок 35 - Отсоединение объектива от корпуса

На четвертой стадии также происходит отсоединение объектива (АЛ5.920.201). Данная операция изображена на рисунке 36.

Рисунок 36 - Отсоединение объектива

В конечном итоге механизм должен быть полностью разобран на отдельные сборки или на отдельные компоненты. Разнесенная сборка механизма представлена на рисунке 37 [5].

Рисунок 37 - Разнесенная сборка механизма

После того как механизм полностью разнесен на детали, создается его каркасное изображение для каталога (рисунок 38).

Рисунок 38 - Каркасное изображение механизма

2.4 Автоматизированный инженерный анализ стойки методом конечных элементов

Анализ напряженно - деформированного состояния будем производить для детали «Стойка».

Точное аналитическое решение возможно только для очень ограниченного круга задач теории упругости. Поэтому для инженерной практики огромное значение имеют приближенные методы. Важность этих методов особенно возрастает в связи с активным внедрением в теорию и практику проектирования вычислительной техники и новейших информационных технологий [4].

В данной главе мы рассмотрим метод конечных элементов (МКЭ), имеющий наибольшее применение для решения прикладных инженерных задач.

Характерной особенностью метода конечных элементов, относящегося к так называемым прямым методам, является то, что процедуры для отыскания числовых полей неизвестных функций в теле (таких как перемещения, напряжения, силы), строятся на основе вариационных принципов механики упругого тела, без непосредственного использования дифференциальных уравнений. Заметим, что в настоящее время метод конечных элементов считается самым эффективным прямым методом приближенного решения прикладных задач механики [13].

В основе метода конечных элементов лежит представление объекта исследования в виде набора некоторых простых с геометрической точки зрения фигур, называемых конечными элементами, взаимодействующими между собой только в узлах. Расположенные определенным образом (в зависимости от конструкции объекта) и закрепленные в соответствии с граничными условиями конечные элементы, форма которых определяется особенностями моделируемого объекта, позволяют описать все многообразие механически конструкций и деталей.

Например, плоскую форменную конструкцию можно смоделировать набором плоских стержневых фигур, рамную - набором объемных стержневых элементов, различного рода пластины и оболочки - множеством плоских треугольников или прямоугольников. Геометрически объемные тела удобно представлять в виде совокупности элементарных пирамид, параллелепипедов и призм, и другие.

Рамные конструкции, как правило, моделируются набором стержневых конечных элементов. Различного рода пластины и оболочки удобно моделировать набором плоских треугольных, либо прямоугольных элементов, а в отдельных случаях и набором более сложных элементов. Геометрически объемные тела удобно представлять в виде совокупности элементарных пирамид, параллелепипедов и призм [13].

Такое представление рассматриваемого объекта позволяет решать задачи расчета напряженного и деформированного состояний тела, устойчивости и динамики, нахождения частот и амплитуд собственных и вынужденных колебаний. Кроме того, МКЭ можно с успехом использовать для решения задач стационарной и нестационарной теплопроводности, расчета полей статического электричества и скоростей безвихревого течения жидкости, и другие.

Практическое использование этого метода во многом зависит от уровня развития компьютерной техники и качества программного обеспечения, реализующего этот метод. Программное обеспечение для решения задач методом МКЭ должно включать в себя следующие элементы: редактор разбивки на конечные элементы, ядро, непосредственно обеспечивающее решение, и визуализатор для демонстрации полученных результатов.

Следует отметить, что метод конечного элемента - это достаточно самостоятельный раздел механики сплошной среды, который динамично развивается и совершенствуется. Для подробного ознакомления с ним можно воспользоваться специальной литературой. Здесь же будут рассмотрены лишь физические основы этого метода на примере решения плоской задачи теории упругости - расчета напряженного состояния тонкой пластины произвольной формы. В качестве конечного элемента примем плоский элемент треугольной геометрической формы [13].

2.5 Использование трёхмерной модели для расчёта изделия методами имитационного моделирования

Имитационное моделирование-создание электронной модели проектируемого объекта и экспериментирование с ней при заданных ограничениях. Цель таких экспериментов-это определение оптимальных параметров модели [13].

Различают два метода имитации [13]:

1. Кинематическая-имитация процесса движения элемента объекта с целью определения столкновений (коллизий).

2.      Динамическая-имитация процесса исследования поведения объекта при изменении действующих нагрузок и температур. В этом случае определяется теплонапряжённое состояние объекта, а также определение напряжённо-деформированного состояния объекта.

Последняя задача была решена давно. Для определения напряжённо-деформированного состояния могут использоваться методы имитационной физики, достаточно хорошо разработана теория метода математической физики. Эти методы позволяют получить достаточно точные результаты, только лишь при достаточно простой конфигурации объекта. При сложной конфигурации объекта в САПР используется метод конечных элементов (МКЭ) [13].

2.6 Расчет напряженно - деформированного состояния детали в среде SolidWorksSimulation

Прежде всего, необходимо создать твердотельную модель детали в среде SolidWorks.Проводим исследование напряженно - деформированного состояния, имитируя работу стойки под действием сил, действующих со стороны корпуса обьектива.

Расчет детали «стойка» производится с использованием модуля Simulation. Модуль предназначен для расчета напряженно-деформированного состояния стержневых, пластинчатых, оболочечных и твердотельных конструкций, а также их произвольных комбинаций. Модуль Simulation организован таким образом, что в его рамках можно рассчитать все многообразие существующих конструкций, собирая их из вышеперечисленных макроэлементов. Внешняя нагрузка, так же как и условия закрепления конструкции, могут быть произвольными как по характеру, так и по местоположению.

Данный модуль позволяет решать следующие задачи [13]:

Тип анализа и их особенности;

·        Линейный динамический: модальный; случайные колебания; гармонический;

·        Нелинейный динамический;

·        Нелинейный с учетом физической и геометрической нелинейности.

Свойства материалов:

·        в нелинейном динамическом анализе для тел и оболочек: пластические по Мизесу, гиперупругие по Муни-Ривлину и Огдену, вязкоупругие, с эффектом памяти формы;

·        в статическом нелинейном анализе - те же, плюс материалы с ползучестью. Поддерживается модель больших перемещений и больших пластических деформаций;

·        в линейных динамических моделях можно определить коэффициенты демпфирования материалов.

Граничные и начальные условия, параметры настройки:

·        для статического нелинейного анализа - история нагружения;

·        для динамической модели в дополнение к статической и в зависимости от типа динамического анализа - перемещения, скорости, ускорения, спектр возбуждения, параметры гармонических нагрузок;

В зависимости от типа анализа тип и параметр модели демпфирования: модальное и Рэлеевское. Виртуальные соединители:

·        болты с предварительным натягом, соединяющие как тела, оболочки;

·        штифты с конечной бесконечной жесткостью;

·        пружины, "сосредоточенные" и "распределенные", в том числе и с предварительным натягом. Пружины, соединяющие концентрические грани с радиальной и тангенциальной жесткостью;

·        шариковые и роликовые подшипники;

·        точки контактной сварки;

·        жесткая связь граней;

·        жесткий стержень.

Виды сеток [13]:

·        многослойные анизотропные плоские и криволинейные оболочки с назначенным углом армирования для каждого слоя;

·        трехслойные сэндвич-панели.

Доступны параметры, присущие динамическим эффектам: скорости, ускорения, спектральные характеристики. Абсолютное большинство результатов доступно в зависимости от времени.Для большинства всех типов можно получить кривые отклика. Анимация динамических эффектов.

Выбирая тип расчетной опоры, необходимо учитывать, что деформативные перемещения стойки - малы, и если конструкция действительной опоры допускает хотя бы небольшой поворот или перемещение, то этого достаточно чтобы считать ее неподвижной или подвижной.

Приступая к расчету, предварительно намечаем опасные сечения стойки, которые подлежат расчету. При этом учитывается характер эпюр изгибающих и крутящих моментов, структурная форма стойки и места концентрации напряжений.

Теперь проведем расчет и анализ напряженно - деформированного состояния стойки в программной среде SolidWorksSimulation (рисунок 39).

Рисунок 39 - Трехмерная модель стойки

На бобышки стойки приложим давление, создаваемое нормальной силой Fn.Фланец при расчете заменим жесткой заделкой (рисунок 40).

Рисунок 40 - Стойка с приложенной нагрузкой и заделкой

Для расчета стойки создаем сетку конечных элементов (рисунок 41).

Рисунок 41 - Сетка конечных элементов

На рисунке 42 показано максимальное напряжение, а на рисунке 43 изображено максимальное перемещение.

Рисунок 42 - Стойка и эпюра нормальных напряжений

Рисунок 43 - Стойка и эпюра перемещений

По цветной легенде, находящейся около рисунка, можно определить максимальные значения того или иного параметра и сделать следующие выводы о прочностных характеристиках детали.

По диаграмме нормальных напряжений видно, что напряжения в месте давления корпуса объектива на бобышки стойки не значительны. А по диаграмме перемещений ясно, что перемещения бобышек стойки очень малы.

В ходе расчетов, проведенных методом имитационного моделирования, были получены аппроксимированные результаты: наибольшие значения статического напряжения и деформационного растяжения, определенных разработчиком как допустимые при указанных нагрузках, деталь имеет необходимый запас прочности, требуемый для безопасного использования изделия в целом.

3. Технологическая часть

3.1 Разработка технологического процесса детали «Стойка»

Для разработки технологического процесса была выбрана деталь Стойка, представляющая собой трапецию с симметрично расположенными осями, на которые одеваются подшипники, служащие для перемещения объектива по штангам. Сборочная конструкция крепиться на корпусе оправы объектива, передвижение которого позволяет менять кратность визира оптической системы танка. Конструкция детали выполнена в виде трапеции с двумя осями. Поскольку деталь легкая, малых размеров, сложной формы и не испытывает значительных нагрузок было решено выполнить ее из Стали 45.

3.2 Технологический контроль чертежа

Деталь стойка представлена на формате А3 в двух проекциях - главный вид и вид сверху.

На данном чертеже нет полной информации о размерах детали. Устарели некоторые обозначения предельных отклонений и посадок на необходимые размеры. Шероховатость указана по устаревшим ГОСТам. Технические характеристики указаны не полностью.

Чертеж стойки необходимо выполнить согласно с нормами и правилами ЕСКД с учетом исправлений и замечаний на формате А3 (рисунок 44).

Рисунок 44 - Чертеж детали «Стойка»

3.3 Анализ технологичности конструкции

Одной из основных функций единой системы технологической подготовки производства является обеспечение технологичности конструкции изделия. Анализ технологичности требуется как для изделия в целом, так и для отдельных деталей [5].

Деталь изготовляется из стали 45, относящейся к классу качественных конструкционных сталей, которые удовлетворительно обрабатываются резанием в нетермообработанном состоянии. Материал детали имеет как отрицательные, так и положительные качества. Сталь 45 имеет максимальную прочность, надежность и износостойкость так же не обладает отпускной способностью, но считается одним из самых трудно свариваемых материалов [7]:

·        Форма детали представляет собой множество прямолинейных и криволинейных плоскостей, а также имеющая отверстия.

·        Жесткость детали, даже при различных модификациях, повышающие прочность, не велика, в виду малых размеров детали.

·        Деталь в целом технологична.

3.4 Выбор заготовки

Исходные данные необходимые для выбора вида заготовки и способа ее получения [9, 25]:

·        материал заготовки - Сталь45 ГОСТ 1050-74;

·        плотность материала - 7826 кг/м3;

·        масса детали - 0,0023 кг;

·        годовая программа - 2000 шт.

Метод выполнения заготовок для детали определяется назначением и конструкцией детали, материалом, техническими требованиями, масштабом и серийностью выпуска, а также экономичностью ее изготовления [1].

Для изготовления детали, были рассмотрены 4 метода получения заготовок: из прутка, ковка-штамповка, литью по выплавляемым моделям и литье под давлением. Каждый из методов в своем роде уникален [5].

Заготовки из прутка не требуют больших затрат на изготовление, как правило их можно купить с любыми размерами в сечении. Но при механической обработке уходит много материала в стружку. Для деталей малых размеров такой метод получения заготовки будет не рационален.

Заготовки, получаемые ковкой или штамповкой, приобретают очертания детали, что снижает расход материала. Поскольку деталь ответственная данный метод получения не может удовлетворять требованиям по точности размеров и шероховатости. Так же требуются затраты на изготовление штампа, что не экономично, поскольку годовая программа составляет 1500 шт. [5].

Литье по выплавляемым моделям, является одним из новых видов получения заготовок литьем. Но он требует большие временные и финансовые затраты, а так же не имеет нужной точности по размерам и шероховатости [16].

Материал детали, имеет хорошие литейные свойства, поэтому было решено остановиться на методе литья под давлением. Такой способ получения заготовки удовлетворяет требованиям качества поверхности [5].

3.5 Выбор структуры и плана технологического процесса

В связи с маленькими размерами детали и точности поверхностей, выполняется сразу чистовая обработка [15].

В описании технологического процесса не указывают такие операции как смазка, упаковка, нанесение специальных покрытий и другие [15].

Выберем предварительно последовательность операций и технологических переходов. Технологический маршрут обработки детали: стойка приведён в таблице 3.1

Таблица 3.1 - Технологический маршрут обработки стойки

Наименование операций

Состав переходов

1

2

3

005

Фрезерная с ЧПУфрезеровать поверхность (базообразующая)

1.Установить, выверить и закрепить заготовку. 2.Фрезеровать поверхность, выдерживая размеры согласно чертежу.

010

Фрезерная с ЧПУфрезеровать 2 боковые поверхности последовательно

1.Установить, выверить и закрепить деталь. 2.Фрезеровать боковые поверхности последовательно, выдерживая размеры согласно чертежу.

015

Фрезерная с ЧПУ

1.Установить, выверить и закрепить деталь. 2. Фрезеровать боковые торцы последовательно

020

Фрезерная с ЧПУ

1. фрезеровать верхнюю плоскость

025

Вертикально-сверлильная с ЧПУ

2. Центровать отв. ⌀1мм 3. Сверлить отв. ⌀3мм 4. Зенковать отв.⌀3.3мм 5. Развернуть отв.⌀3.4мм 6. Сверлить 2 отв. ⌀1.3мм 7. Рассверлить 2 отв. ⌀1.8мм

030

Фрезерная с ЧПУ

1. Фрезеровать последовательно два торца торца 2. Фрезеровать последовательно два ступенчатых контура 3. Сверлить последовательно два отверстия

035

Слесарная

1.зачистить заусенцы 2.маркировать

040

Гальваническая

-

045

Контрольная

1. Геометрическая точность размеров


Маршрутные и операционные карты, представлены в приложении 2,3.

3.6 Выбор типа производства

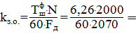
Выбор типа производства характеризуется коэффициентом закрепления операций kз.о. его значение определяем по формуле (3.1) [1].

(3.1),

- где Тсршт- среднее штучное время основных операций обработки, мин;

Тсршт=6,26 мин.

N - годовая программа выпуска, шт; N= 2000 шт;

- действительный годовой фонд времени работы оборудования, ч;

=2070 ч.

Рассчитаем коэффициент, подставив значения в формулу (3.1)

0,1(3.1),

Исходя из коэффициента загрузки оборудование, был выбран мелкосерийный тип производства.

3.7 Расчет припуска на обработку

Существует два метода расчета припусков: аналитический (расчетный) и справочный (табличный). Для заданной поверхности детали производим расчет припусков аналитическим методом, а для остальных размеров припуски назначаем табличным методом [16].

Заготовка - отливка, материал Сталь 45. Масса заготовки 0,0053 кг. Расчет припуска на отверстие Ø3,4 мм выполняется аналитическим методом. Припуск на остальные поверхности будут выбраны табличным методом. Исходные данные для расчета были занесены в таблицу 3.2 [9].

Таблица 3.2 - Исходные данные для расчета припуска

Технологические переходы обработки отверстия Ø3,4H8.

Элементы припуска, мкм

Допуск δ,мкм


Rz

T

p


Отливка

40

100

10,5

250

Чистовая фрезерная

5

5

0

27


Выбор и расчёт припусков на обработку производится расчётно-аналитическим методом профессора Кована, формула (3.2) [16].

(3.2),

где Zmin- минимальный (гарантированный) припуск на обработку, мм;

Rz - высота микронеровностей, мм;

Т - глубина дефектного поверхностного слоя, мм;

ρ - пространственные отклонения заготовки, мм;

ε - погрешность закрепления заготовки, мм.

Используя исходные данные рассчитаем Zmin для нашего случая.

Рассчитаем минимальные и максимальные диаметры для детали и заготовки.

По исходным данным

, .

Минимальный диаметр заготовки рассчитывается по формуле (3.3).

(3.3)

Подставим значения в формулу


Максимальный диаметр заготовки рассчитывается по формуле (3.4).

(3.4)

Подставим значения и рассчитаем максимальный диаметр заготовки.


Расчет максимального и минимального припуска выполняем по формуле (3.5).

(3.5)


Рассчитаем припуски.


Занесем данные в таблицу 3.3.

Таблица 3.3 - Расчетные данные по припуску

Технологические переходы обработки отверстия Ø12H8.

Расчетные данные


Расчетный припуск 2RZmin,мкм

Расчетный размер Dmin,мм

Dmin,мм

Dmax,мм

2RZmin,мкм

2RZmax,мкм

Отливка


12.449

12.449

12.669



Чистовая фрезерная

301

12

12

12.027

301

578


Начертим схему расположения припусков и полей допусков при обработке отверстия Ø12 мм рисунке 45 [7].

Рисунок 45 - схема расположения припусков полей допусков при обработке отверстия Ø12 мм

Припуски на остальные поверхности выбираем из таблицы и принимаем равными 1мм.

3.8 Выбор оборудования

Распишем исходные данные для выбора станка для обработки детали.

При изготовлении детали основной вид обработки занимает фрезерование, но так же присутствует обработка отверстий.

У детали присутствуют плоские и цилиндрические поверхности сложной формы, качество которых достигает 8 квалитета точности.

Габаритные размеры заготовки очень малы 11х6,5х7,6 мм. Деталь изготавливается в условиях мелкосерийного производства.

Исходя из выше перечисленный данных, был выбран Вертикальный Обрабатывающий Центр с ЧПУ LEADWELL модель V-22i. Система ЧПУ Fanuc

Технические характеристики станка перечислены в таблице 3.4 [3].

Таблица 3.4 - Технические характеристики Matsuura H.Plus-300

Максимальный размер заготовки

мм

Ø 890 x 500

Максимальный вес заготовки

кг

300

Перемещение по осям X/Y/Z

мм

760 / 510 / 610

Размер стола

мм

890 x 500

Скорость вращения шпинделя

об/мин

8000

Быстрый ход по осям X/Y/Z

м/мин

60

Система ЧПУ


Fanuc (Siemens)


3.9 Выбор станочных приспособлений

Исходные данные для выбора станочных приспособлений [16]:

вид обработки;

габаритные размеры станка;

материал обрабатываемой детали;

способ настройки на размер режущего инструмента;

количество одновременно устанавливаемых деталей;

тип силового привода;

точность обработки;

тип производства.

На станке имеется паллета, на которую будет устанавливаться деталь с помощью приспособлений. На операции базообразования, деталь устанавливается на плиту с помощью пальцев и зажимается гидроприжимом.

На последующих операциях, деталь устанавливается на обработанные поверхности (базовые) и прижимается прихватом. Дальнейшая обработка сторон детали выполняется с помощью поворота паллеты. Так же для сверления отверстий и нарезании резьб, деталь устанавливается на пальцы и прижимается прихватом.

3.10 Выбор режущего инструмента

Выбор режущих инструментов для основных переходов при обработке детали выполнен из исходных данных (таблица 3.5) [16]:

вид обработки;

форма и размеры обрабатываемой поверхности;

точность обрабатываемой поверхности;

марка и свойства обрабатываемого материала;

материал режущей части.

Таблица 3.5 - Инструменты для обработки

№ перехода

Наименование перехода

Наименование инструмента

Материал режущей части

Примечания

1

Фрезерование торцев и поверхностей

Фреза торцевая01.2.0234.000-00 ТУ 2-035-910-83

Р6М5

D=6мм L=57мм L=13мм

2

Фрезерование поверхностей и торцев

Фреза концевая 2223-0001 ГОСТ 17026-71

Р6М5

D=2мм L=39мм L=7мм

3

Центровать отверстия

Центровочное сверло 2317-0101 ГОСТ 14952-75

Р6М5

d=1 мм D=3.15 мм L=33.5 мм l=1.9 мм

4

Сверлить отверстие Ø3,4мм

Сверло спиральное 2301-3797 ГОСТ 10903-77

Р18

D=2мм L=49мм L=24мм

5

Сверлить 2 глухих отверстия Ø2.4мм

Сверло спиральное 2301-3797 ГОСТ 10903-77ё

Р18

D=2.9мм L=61мм L=33мм


3.11 Выбор режимов резания

Максимальное количество оборотов шпинделя выбранного станка равно 8000 об/мин. В связи с тем, что деталь и инструменты имеют малые размеры, принимаем для всех режимов n=2000 об/мин. Поскольку припуск на обработку выбран равным 1 мм, то и глубина резанья тоже будет равна 1 мм [16].

Приведем расчет режима резания для фрезерования базовой поверхности. 11h14x6.5h14. Остальные значения режимов резания будут сведены в таблицу 3.7.

Поверхность фрезеруется торцевой фрезой D=7 мм. Рассчитаем скорость резания по формуле (3.6) [16].

(3.6)

- где n- число оборотов шпинделя, об/мин

D- Диаметр фрезы, мм

Подставим значения в формулу

Подачу на зуб примем равной Sz=0.05 мм/зуб.

Расчет полной подачи выполняется по формуле (3.7).

(3.7)

- где Z-число зубьев

Подставив значения в формулу, полная подача будет равна:


Определим минутную подачу по формуле (3.8).

(3.8)

Найдем значение подачи


Сведем все значения по всем переходам в таблицу 3.6

Таблица 3.6 - Режимы резания

Операция

Переход

n

t

V

S0

F

1

2

3

4

5

6

7

005

2

2000

1

28

0.2

400

010

2

2000

1

28

0.2

400


3



28

0.2

400


4



28

0.2

400


5


-

6

0,02

40


6


-

12

0,038

76


7


-





8

2000

1

28

0.2

400


9



28

0.2

400


10



13

0.2

400

015

2

2000

-

6

0,02

40


3


-

18

0.058

116


4


-

12

0,038

76


5


-





6

2000

-

6

0,02

40


7


-

12

0,038

76


8


-




030

2

2000


314

2.8

5600


3



314

2.8

5600

035

2

2000


314

2.8

5600

3.12 Выбор инструментальных приспособлений

Для адаптации инструментов к посадочному месту станка используют обрывы, втулки и различные патроны. Для обработки детали были выбраны инструментальные приспособления, перечисленные в таблице 3.7 [16].

Таблица 3.7 - Инструментальные приспособления

Номер операции

Переходы

Инструментальная оснастка

005

2

010

2,3,4,8,9,10

Патрон 1-30-6-90 ГОСТ 26532-85


5,6,7

Патрон 4-B10 ГОСТ 8522-76

015

2,3,4,5,6,7,8

Патрон 4-B10 ГОСТ 8522-76

030

2,3

Оправа 6222-0111 ГОСТ 13039-83

035

2

Оправа 6222-0111 ГОСТ 13039-83


3.12.1 Выбор средств измерения и контроля

Средства измерения и контроля выбраны для операции приёмочного контроля. Контроль осуществляется для наиболее ответственных поверхностей, отверстий, элементов конструкции деталей.

Исходные данные [16]:

- тип контролируемой поверхности и размера;

масса детали и её габаритные размеры;

размеры контролируемой поверхности;

точность;

метрологические характеристики средства измерения;

тип производства.

Выбранные средства измерения и их метрологические характеристики приведены в таблице 3.8.

Таблица 3.8 - Средства измерения и их метрологические характеристики

Контролируемый размер или параметр

Наименование средства контроля или измерения

Метрологические характеристики



Предельная погрешность измерений ±Δlim, мм

Цена деления, мм

Диапазон измерения,мм

Ø12+0,027

ГОСТ 14810-69 Калибр-пробка 8133-0926

-

-

-

Ø10+0,027

ГОСТ 14810-69 Калибр-пробка 8133-0922

-

-

-

Ø8+0,027

ГОСТ 14810-69 Калибр-пробка 8133-0918

-

-

-

Проверка параллельности породностей размера 6.5h8

Измерительная головка 1ИГМ ГОСТ 18833-73

-

0,001

0-125


3.13 Уточненное техническое нормирование

Рассчитаем штучное время для операций и занесем в таблицу 3.9

Таблица 3.9 - Штучное время для операций

Операция

Переход

Tо,сек

Тв,сек

Ттех,сек

Торг,сек

Тпер,сек

Тп-з,сек

Тшт,мин

005

2

87

27

8,7

11,4

2,9

9

2,4

010

2

120

24

12

14,4

3,6

9

3


3

17

33

1,7

5

1,25

9

1,1


4

83,4

20

8,34

10,34

2,858

9

2,2


5

10

20

1

3

0,75

9

0,7


6

15

25

1,5

3,5

0,875

9

0,8


7

25

30

2,5

5,5

1,375

9

1,2


8

11

24

1,1

3,5

0,87

9

0,8


9

95,4

35

9,54

13,4

3,26

9

2,75


10

11

20

1,1

3,1

0,75

9

0,7

015

2

5

10

0,5

2,5

0,65

9

0,6


3

15

17

1,5

3,5

0,8

9

0,8


4

15

25

1,5

3,5

0,875

9

0,8


5

25

30

2,5

5,5

1,375

9

1,2


6

5

10

0,5

2,5

0,65

9

0,6


7

15

25

1,5

3,5

0,875

9

0,8


8

25

30

2,5

5,5

1,375

9

1,2

030

2

18

30

1,8

4,8

1,2

9

1,1


3

12

15

1,2

2,7

0,,67

9

0,6

035

2

19

31

1,9

5

1,25

9

1,1

3.14 Разработка программы для обрабатывающего центра

В созданном нами маршруте обработки детали предусмотрены операции, которые выполнялись на вертикальном обрабатывающем центре с ЧПУ.

Разработка управляющей программы для обработки стойки на Вертикальном Обрабатывающем Центре с ЧПУ LEADWELL модель V-22i. С системой ЧПУ Fanuc [3].

Представленфрагмент управляющей программы, полученной для обрабатывающего центра в программе «SprutCAM»:

(FREZEROVAT BAZOOBRAZUYUSHHUYU POVERXNOST)Z0.X0.Y0.M6 (2MM ENDMILL)M3G43H1X-6.196Y2.164Z12.B0..5G94Z0.F200M8X-5.498Y3.564I-1.052J1.399X-1.644Y7.049I3.5J0.003X-1.279Y7.017X3.377Y6.811I5.872J79.799.604Y6.766I5.282J296.251X8.674Y6.745I0.184J-18.619.408Y6.626I-0.066J-2.732.56Y5.37I-0.551J-1.66.947Y2.894I-18.736J-4.199.984Y2.444I-16.269J-1.565.962Y1.647I-3.043J-0.314.515Y0.237I-1.721J0.318.584Y-0.06I-4.706J31.876.513Y-0.189I-4.761J85.633.637Y-0.098I-0.097J3.302.416Y1.124I0.466J1.68701X0.217Y1.795

G00Z12.

M9

M5

G49

M1

Весь код управляющей программы представлен в ПРИЛОЖЕНИИ 4.

Заключение

В выполненной мной выпускной квалификационной работе была проведена модернизация конструкции и технологии изготовления, механизма смены увеличения визира оптического устройства.

В соответствии с планом был произведен ряд следующих работ:

.        Анализ состояния вопроса и поставлены цель и задачи выпускной квалификационной работы.

.        Описание работы визира оптического устройства.

.        Разработка конструкции механизма смены увеличения визира оптического устройства.

.        Разработка каталога и разнесённой сборки.

.        Автоматизированный инженерный анализ стойки методом конечных элементов. Минимальный коэффициент запаса прочности равен 39, максимальное напряжение - 7 МПа, а максимальное перемещение - 1,75∙10-4мм.

.        Разработка технологического процесса детали «стойка».

.        Разработка программы на обрабатывающем центре.

Конструкторская часть состоит из описания конструкции и принципа работы визира оптического устройства, разработки трехмерных моделей и чертежей компонентов механизма, а также создания сборок узлов и всего механизма в целом. Затем выполнили разнесенную сборку и её каталог.

В технологической части выбран станок, составлен маршрут обработки, подобраны режущие инструменты, рассчитаны режимы резания, выбраны станочные и инструментальные приспособления, средства измерения и контроля размеров при изготовлении детали «стойка».

С помощью программы SprutCAM мы выполнили обработку детали стойка, в результате чего получили код управляющей программы. Режущий инструмент выбрали из твердого сплава.

В разделе имитационное моделирование был выполнен расчет сил в опасном сечении стойки и его анализ на прочность с помощью системы автоматизированного расчета и проектирования - «SolidWorksSimulation».

Список использованных источников

1.      Блюм, М.Н. Коллиматорные прицелы на охоте /М.Н. Блюм // Охота и охотничье хозяйство, 2006. - №7. - 21 c.

.        Вологодский оптико-механический завод [Электронный ресурс]: Офиц сайт. - Режим доступа http://www.shvabe.com/about/company/vologodskiy-optiko-mekhanicheskiy-zavod/about-vomz/.

.        ГОСТ 12.2.009-99.Станки металлообрабатывающие. Общие требования безопасности. - Введ. 08.03.2006. - Москва: Стандартинформ, 2006. - 37 с.

.        ГОСТ 2.610-2006. Единая система конструкторской документации. Правила выполнения эксплуатационных документов. - Введ. 01.09.2006. - Москва: Стандартинформ, 2006. - 35 с.

.        Ермолаев, В.В. Технологическая оснастка : учебник для вузов / В.В. Ермолаев. - Москва: Академия, 2013. - 256 с.

.        Кожевников, Д. В. Режущий инструмент: учебник /Д. В.Кожевников, В. А. Гречишников, С. В. Кирсанов. - Москва: Машиностроение, 2014. - 520 с.

.        Кондаков, А.И. Курсовое проектирование по технологии машиностроения / А.И. Кондаков// изд., доп.- М.: Кнорукс, 2012. - 400 с.

.        Кудряшов, А.П. Оптический прицел на гладкоствольном ружье / А.П. Кудряшов // Основной инстинкт, 2006. - 3 с.

.        Марочник сталей и сплавов / под ред. Ю. Г. Драгунова; А.С. Зубченко. - 4-е изд., перераб. и доп. - Москва: Машиностроение, 2015. - 1201 с.

.        Методические рекомендации по оформлению выпускных квалификационных работ, курсовых проектов / работ для очной, очно-заочной (вечерней) и заочной форм обучения. - Вологда: ВоГУ, 2016. - 120 с.

.        Морозов, И.М. Техническое нормирование операций механической обработки деталей: учеб.пособие / И.М. Морозов, И.И. Гузеев. - Челябинск: ЮУрГУ, 2003. - 65 с.

.        Основные составляющие системы КОМПАС АСКОН [Электронный ресурс] Офиц.сайт. - Режим доступа http://www.ixbt.com/soft/sapr-askon-kompas.shtml.

13.    Присекин, В.Л. Основы метода конечных элементов в механике деформируемых тел: учебник для вузов / В.Л. Присекин, Расторгуев Г.И. - Новосибирск: НГТУ, 2010. - 238 с.

14.    Справочник технолога-машиностроителя. В 2Т. Т.1. Под ред. А.Г. Косиловой и Р.К., Мещерякова - Москва: Машиностроение, 2012. - 656 с.

15.    Федин, Е.И. Проектирование схем технологических наладок на операции механической обработки резанием: учеб.пособие / Е.И. Федин, В.П. Кузнецов, А.С. Ямников. - Тула: ТулГУ, 2003. - 116 с.

.        Шкарин, Б.А. Основы систем автоматизированного проектирования машиностроительных конструкций и технологических процессов: учеб.пособие / Б.А. Шкарин. - Вологда: ВоГУ, 2011. - 127 с.

Похожие работы на - Модернизация конструкции и технология изготовления, механизма смены увеличения визира оптического устройства

 

Не нашли материал для своей работы?
Поможем написать уникальную работу
Без плагиата!
Без нейросетей!