Модернизация конструкции и технологии изготовления шпинделя установки виброакустического контроля крупногабаритных подшипников
Оглавление
Введение
. Анализ состояния вопроса. Цели и
задачи проектирования
. Конструкторская часть
.1 Описание работы установки
виброакустического контроля
.2 Расчёт ремённой передачи
.3 Инженерный анализ
напряжённо-деформированного состояния
. Технологическая часть
.1 Разработка технологического
процесса изготовления детали
.1.1 Описание конструкции и
назначение детали
.1.2 Технологический контроль
чертежа детали
.1.3 Анализ технологичности
конструкции детали
.1.4 Выбор способа изготовления
заготовки
.1.5 Выбор плана обработки детали
.1.6 Выбор и расчёт припуска на
обработку
.1.7 Предварительное техническое
нормирование
.1.8 Определение типа производства
.1.9 Выбор оборудования
.1.10 Выбор режущего инструмента
.1.11 Выбор средств измерения
.1.12 Выбор вспомогательных
инструментов
.1.13 Выбор приспособления
.1.14 Расчёт режимов резания
.1.15 Разработка управляющей
программы для станка ЧПУ составленная с помощью программы SprutCAM
.2 Разработка конструкции
специального инструмента
.2.1 Техническое задание
.2.2 Литературный обзор
.2.3 Техническое проектирование
.2.4 Применение фрезы
.2.5 Практическая ценность
Заключение
Список использованных источников
Введение
виброакустический подшипник деталь
конструкция
Гибкость производства в условиях малых
машиностроительных предприятий может быть гарантирована только при условии
автоматизированной подготовки производства, направленной на конкретное
оборудование.
Подшипниковыми заводами производится большой
ассортимент продукции для автопромышленности, аграрной техники, жд дивизиона и
для специального назначения. Подшипники должны гарантировать бесперебойную
работу вращающихся деталей в различных ситуациях как нормальных, так и
агрессивных. По этой причине от качества подшипников зависит его годность в
применении по назначению, безусловно, себестоимость. Производитель обязан
гарантировать требуемое качество продукции. Провести необходимые мероприятия по
контролю качества.
Для определения состояния подшипников
применяется метод виброакустической диагностики.
Сущность виброакустической диагностики состоит в
последующем. Работа механизмов сопутствуется волновыми колебательными
процессами, которые появляются из-за неуравновешенности и износа
передвигающихся частей, взаимодействие структурных компонентов, перемена
нагрузки и т.д. Эти волновые колебательные процессы считаются источниками
вибраций и шума, которые несут полезную данные.
Виброакустическая диагностика содержит контроль
единого уровня виброакустических сигналов аппарата и их спектральный анализ.
Контроль за единым уровнем даёт возможность проводить оценку единого
технического состояния и индикацию его предельного состояния с целью избегания
аварийных ситуаций. Спектральный анализ даёт возможность уточнить место и
характер образовавшегося дефекта.
Преимущества:
) значительная информативность, лёгкость
преобразования в электрический сигнал;
) вероятность автоматизации данного процесса.
Вибрационная диагностика подшипников качения
считается одной из наиболее значимых практических функций сферы диагностики.
Согласно данному фактору правильный подбор оборудования для этой цели в
значительной мере определяет эффективность и важность диагностической сферы
предприятия.
Благодаря досрочному обнаружению дефектов и
неисправностей даёт возможность устранить отказы в ходе технического
обслуживания, что повышает надёжность и эффективность эксплуатации, а кроме
того предоставляет возможность эксплуатации в ответственных системах.
1. Анализ состояния вопроса. Цели и задачи
проектирования
Подшипники качения считаются основным видом подшипников,
применяемых во вращающемся оборудовании.
Подшипники качения состоят из пары колец, тел
качения и сепаратора, отделяющего тела качения друг от друга, удерживающего на
равном расстоянии и направляющего их движение. Дорожки качения - желоба, выполняются
по наружной поверхности внутреннего кольца и внутренней поверхности наружного
кольца, по которым при работе подшипника двигаются тела качения (рисунок 1).
Рисунок 1 Устройство подшипника качения
Подшипники качения работают в большей степени на
трение качения по этой причине согласно сопоставлению с подшипниками
скольжения, уменьшаются потери энергии на трение и снижается износ. Закрытые
подшипники качения почти не требуют обслуживания (замены смазки), открытые -
восприимчивы к попаданию посторонних тел, что способно послужить причиной к
стремительному разрушению подшипника.
Классификация по конструктивным признакам.
Подшипники качения классифицируют согласно
следующим признакам:
- по форме тел качения: шариковые и
роликовые, причём минувшие могут быть цилиндрическими короткими, длинными и
игольчатыми, а кроме того бочкообразными, коническими и витыми - полыми;
- по направлению воспринимаемой
нагрузки - радиальные, радиально-упорные, упорные, упорно-радиальные;
- по числу рядов тел качения - одно,
2-ух и четырёхрядные;
- по восприимчивости к перекосам -
самоустанавливающиеся и несамоустанавливающиеся;
- сдвоенные и др.
Кроме того, подшипники можно классифицировать на
последующие основные типы:
- шариковые <#"898052.files/image002.jpg">
Рисунок 2 Шариковый подшипник
По воспринимаемой нагрузки шариковые подшипники
классифицируются на:
- радиальные;
- радиально-упорные и
упорно-радиальные;
- упорные;
- с четырёхточечным контактом.
Примеры представлены на рисунках 3,4.
а) б) в) г)
Рисунок 3 Некоторые конструкции шариковых
радиальных подшипников: а - открытый однорядный подшипник стандартной
конструкции, б - открытый однорядный подшипник со сферическим наружным кольцом,
в - открытый однорядный подшипник с утолщённым наружным кольцом, г - открытый
двухрядный подшипник стандартной конструкции
а) б) в) г)
Рисунок 4 Некоторые конструкции шариковых
радиально-упорных подшипников: а - однорядный радиально-упорный подшипник
стандартной конструкции, б - однорядный подшипник с четырёхточечным контактом,
в - двухрядный радиально-упорный подшипник, г - двухрядный радиально-упорный
подшипник типа HUB
Применение:
- радиальные шариковые подшипники - в
электродвигателях, малых высокоскоростных редукторах;
- радиально-упорные шариковые
подшипники - в станочных шпинделях, электродвигателях, насосах;
- с четырёхточечным контактом - в
редукторах.
Роликовые цилиндрические подшипники
Характерной особенностью этого типа подшипников
является использование в качестве тел качения цилиндрических роликов,
заключённых в сепараторы. Специализированы для несения значительных радиальных
нагрузок при неимении осевых. Высокая несущая способность роликовых
цилиндрических подшипников обусловлена линейным контактом ролика и жёлоба
(рисунок 5).
Рисунок 5 Роликовый цилиндрический подшипник
Роликовые цилиндрические подшипники могут
включать один или пару рядов тел качения (при этом грузоподъёмность
увеличивается) (рисунок 6).
а) б)
Рисунок 6 Некоторые конструкции роликовых
цилиндрических подшипников: а - однорядный роликовый цилиндрический подшипник,
б - двухрядный роликовый цилиндрический подшипник
Применяются в:
- больших электродвигателях;
- гильотинах;
- мощных редукторах;
- насосах;
- шпинделе металлорежущих станков.
Роликовые конические подшипники
Вследствие использования конических роликов,
находящихся под определённым углом к оси вращения подшипника, этот тип
подшипников воспринимает комбинированные нагрузки (общее действие радиальных и
осевых сил) (рисунок 7).
Рисунок 7 Роликовый конический подшипник
В связи с обстоятельствами использования,
конические подшипники выпускаются разной конструкции. К примеру, с целью
несения больших нагрузок используются двухрядные конические роликоподшипники.
Примеры представлены на рисунке 8.
а) б) в)
Рисунок 8 Некоторые конструкции роликовых
конических подшипников: а - однорядный роликовый конический подшипник, б -
двухрядный роликовый конический подшипник, в - двухрядный роликовый конический
подшипник типа HUB
Применяются в:
- косозубых механических передачах;
- осевых буксах железнодорожного
транспорта;
- ступицах легкового и коммерческого
автотранспорта.
Двухрядные самоустанавливающиеся подшипники
У данных подшипников внутренняя поверхность
наружного кольца исполнена по сфере, сообщая способность самоустанавливаться,
это даёт возможность работать при существенном перекосе внутреннего кольца
сравнительно наружного, спровоцированным несоосностью посадочных мест либо
прогибом вала от воздействия нагрузок. Двойной ряд тел качения гарантирует
повышенную грузоподъёмность и возместит отрицательные конструктивные
особенности (рисунок 9).
Рисунок 9 Двухрядный самоустанавливающийся
подшипник
Выпускаются в двух вариантах:
- двухрядные шариковые;
- двухрядные роликовые.
Примеры представлены на рисунке 10.
а) б)
Рисунок 10 Некоторые конструкции двухрядных
самоустанавливающихся подшипников: а - двухрядный самоустанавливающийся
роликовый подшипник, б - двухрядный самоустанавливающийся шариковый подшипник
Применяются в:
- бумагоделательных машинах;
- металлургических прокатных станах;
- опорах ветряных электрогенераторов.
Игольчатые подшипники
Использование тонких цилиндрических тел качения
в игольчатых подшипниках, даёт возможность уменьшить радиальные размеры
сравнительно с простыми роликовыми цилиндрическими подшипниками и сократить
себестоимость, с сохранением приблизительно аналогичной несущей способности,
тем не менее, имеют лимит на скорость вращения (рисунок 11).
Рисунок 11 Игольчатый подшипник
На сегодняшний день игольчатые подшипники,
являются одним из наиболее востребованных типов подшипников, производятся в
разных исполнениях. Например, если на узел воздействуют одновременно несколько
нагрузок, используются комбинированные подшипники, в их игольчатый подшипник
сочетается с иным типом подшипников.
Примеры представлены на рисунке 12.
а) б)
Рисунок 12 Некоторые конструкции игольчатых
подшипников: а - однорядный игольчатый подшипник, б - комбинированный
игольчатый подшипник
Применяются в:
- редукторах;
- двигателях внутреннего сгорания;
- системах рулевого колеса;
- тормозных системах;
- опорах осей;
- электроинструментах.
Упорные шариковые подшипники
Считаются разновидностью шариковых
подшипников <#"898052.files/image024.jpg">
Рисунок 13 Упорный шариковый подшипник
Чтобы воспринимать осевую нагрузку в одном
направлении - используются однорядные шариковые упорные подшипники, если
воздействуют двухсторонние осевые усилия - двухрядные шариковые упорные.
Примеры представлены на рисунке 14.

а) б)
Рисунок 14 Некоторые конструкции упорных
шариковых подшипников: а - однорядный шариковый упорный подшипник, б -
двухрядный шариковый упорный подшипник
Применяются в:
- вертикальных валах;
- домкратах.
Упорные роликовые подшипники
Применяются тогда, когда действуют очень высокие
осевые нагрузки.
Пример представлен на рисунке 15.
Рисунок 15 Упорный роликовый подшипник
Эти подшипники выпускаются в трёх видах:
- с цилиндрическими роликами;
- с коническими роликами;
- с сфероконическими роликами.
Примеры представлены на рисунке 16.

а) б)
Рисунок 16 Некоторые конструкции упорных
роликовых подшипников: а - упорный сферический роликовый подшипник, б - упорный
цилиндрический роликовый подшипник
Применяются в:
- тяжело нагруженных вертикальных
валах;
- генераторах переменного тока;
- поворотных узлах металлургического
оборудования.
Нагружающие подшипник силы подразделяют на:
радиальную, действующую в направлении, перпендикулярном оси подшипника, осевую,
действующую в направлении, параллельном оси подшипника [5].
Контроль состояния подшипников качения способен
осуществляться абсолютно на всех стадиях их жизненного цикла: при производстве,
сборке и выходном контроле на подшипниковых заводах, при входном контроле, на этапе
монтажа и выходном контроле оборудования на машиностроительных и ремонтных
заводах, при монтаже и во время эксплуатации оборудования, а также, перед
ремонтом и после ремонта на месте эксплуатации или на ремонтном предприятии.
Контролировать могут состав и свойства материала, геометрию элементов
подшипника, состав и свойства смазки, величину и форму зазоров в подшипнике,
его электрические свойства, температура, вибрация, воздушный шум и другие
параметры. Анализ состояния подшипника в сборе чаще всего производится по его
вибрации, температуре и, в частности, подшипников с принудительной смазкой, по
количеству продуктов износа в смазке.
Вибрационные технологии диагностики подшипников
качения дают крупнейшее количество информации, в особенности в случаях, когда
существует возможность контроля вибрации при непосредственном контакте датчика
с неподвижными элементами подшипника, по этой причине зачастую в подобных
случаях единственным контролируемым процессом в подшипнике становится его
вибрация [6].
В настоящий период времени для реализации
замеров в ручном режиме уровня вибрации подшипников с наружным диаметром от 110
до 250 мм. в подшипниковой промышленности и в частности «ВПЗ» применяется
установка виброакустического контроля крупногабаритных подшипников.
Однако эта установка имеет ряд существенных
недостатков:
- Низкая производительность;
- Высокий уровень вибрации на валу
шпинделя.
Поэтому целью данной работы является
модернизация конструкции шпинделя.
Исходя из поставленной цели, необходимо решить
ряд задач:
- рассчитать и спроектировать
шпиндель;
- произвести инженерный анализ
напряжённо-деформированного состояния детали;
- разработать каталог узла шпинделя;
- разработать технологический процесс
изготовления детали;
- разработать конструкцию специального
инструмента - фрезы для обработки шпоночного паза.
2. Конструкторская часть
.1 Описание работы установки виброакустического
контроля
Установка виброакустического контроля
крупногабаритных подшипников, предназначена для измерения в ручном режиме
уровня вибрации подшипников наружным диаметром от 110 до 250 мм.
Может эксплуатироваться в цехах основных
производств, а также в лабораториях виброконтроля подшипников.
Техническая характеристика установки
виброакустического контроля подшипников занесена в таблицу 1.
Таблица 1
Техническая характеристика
|
Показатель
|
Единица измерения
|
Значение показателя
|
|
Диаметр контролируемых подшипников
|
мм
|
110-250;
|
|
Длительность измерительного цикла
|
с
|
10-60;
|
|
Высота оси шпинделя
|
мм
|
200;
|
|
Направление вращения шпинделя
|
|
правое;
|
|
Обороты шпинделя
|
об/мин
|
1800 (±50);
|
|
Осевая нагрузка: величина ход
нагрузки
|
Н мм
|
100…1200; 55;
|
|
Радиальная нагрузка: величина ход
нагрузки
|
Н мм
|
30…1200; 5;
|
|
Общий уровень помех по
виброускорению
|
дБ
|
45…60;
|
|
Собственные помехи по полосам
частот, Гц по виброскорости
|
дБ
|
30…300 Гц ----50 дБ; 300…1800 Гц
----45 дБ; 1800…10000 Гц ----50 дБ;
|
|
Смазка шпинделя
|
|
принудительная;
|
|
Ёмкость системы смазки
|
л
|
2,8;
|
|
Ёмкость масляного бака
|
л
|
2,5;
|
|
Масло для смазки шпинделя
|
|
И-5А(Велосит) ГОСТ 20799
|
|
Электросеть
|
В Гц
|
220/380; 50;
|
|
Установленная мощность
|
кВт
|
1,5;
|
|
Электродвигатель
|
|
4А80А4У3;
|
|
Пневмосеть
|
кг/см2
|
3…6;
|
|
Расходы сжатого воздуха
|
м3/час
|
0,05;
|
|
Измерительная система
|
|
измерительная система заказчика;
|
|
Температура окружающей среды
|
С°
|
25±5;
|
|
Атмосферное давление
|
мм ртутного столба
|
750±30;
|
|
Габариты установки: Длина Ширина
(с открытой дверцей) Высота
|
мм
|
1015; 950 (1060); 1473;
|
|
Масса
|
кг
|
600
|
Принцип работы: измерение вибрации подшипника
основан на преобразовании радиальных перемещений наружного кольца, возникающих
при вращении внутреннего, в электрические колебания, пропорциональные скорости
этих перемещений. Обработка результатов замеров осуществляется измерительной
системой заказчика.
Организация цикла измерения осуществляется в
ручном режиме работы.
Работа установки. В случае использования
измерительной системы у заказчика, все перемещения рабочих механизмов установки
осуществляется переключением соответствующих тумблеров и кнопок в «ручном
режиме».
Для выполнения измерений выполняются следующие
действия:
- включите вводной выключатель на
боковой стенке электрошкафа. Должна загореться сигнальная лампа «СЕТЬ»;
- установите подшипник на оправку
шпинделя;
- включите вращение шпинделя нажатием
чёрной кнопки SB1 «ШПИНДЕЛЬ» на пульте установки. Внимание: Перед включением
шпинделя убедитесь в том, что съёмник оправок снят!
- тумблерами с пульта управления
установите механизмы в рабочее положение;
- тумблером SA1 - «НАГРУЗКА ОСЕВАЯ»
включите осевую нагрузку подшипника;
- тумблером SA2 - «НАГРУЗКА
РАДИАЛЬНАЯ» включите радиальную нагрузку подшипника;
- тумблером SA3 - «ДАТЧИК» - опустите
измерительный датчик в положение измерения;
- проведите необходимые измерения в
соответствии с указаниями по эксплуатации имеющейся измерительной системы;
- отключите вращение шпинделя нажатием
чёрной кнопки SB2 - «ШПИНДЕЛЬ» «СТОП» на пульте установки;
- тумблером SA3 - «ДАТЧИК» - поднимите
измерительный датчик в исходное положение;
- тумблером SA1 - «НАГРУЗКА ОСЕВАЯ»
снимите осевую нагрузку подшипника;
- тумблером SA2 - «НАГРУЗКА
РАДИАЛЬНАЯ» снимите радиальную нагрузку подшипника;
- При нажатии кнопки SB3 - «АВАРИЙНЫЙ
ОСТАНОВ» отключаются электромагниты пневмораспределителей - механизмы установки
возвращаются в исходное положение. Шпиндель отключается.
.2 Расчёт ремённой передачи
Данные: мощность ведущего шкива N1=1,1
кВт; частота вращения ведущего шкива n1=1420 мин-1;
частота вращения ведомого шкива n2=1800 мин-1.
Для данной передачи примем
резинотканевый ремень
<#"898052.files/image030.gif"> (1)
где n1 - частота
вращения ведущего шкива, мин-1;2 - частота вращения
ведомого шкива, мин-1
Диаметр ведущего шкива по формуле.
мм (2)
где N1 - мощность
ведущего шкива, кВт;1 - частота вращения ведущего шкива, мин-1
Примем d1=126,8 мм
Допускаемая скорость ремня по
формуле:
м/с (3)
где n1
- частота вращения ведущего шкива, мин-1;1 - диаметр
ведущего шкива, м
Данный
ремень подходит по скорости.
Диаметр
шкива шпинделя при относительном скольжении ремня ξ=0,01 по формуле:
мм (4)
где i
- передаточное отношение;1 - диаметр ведущего шкива, мм
В
соответствии с ГОСТ 17383-73 d2=100 мм
Межосевое
расстояние передачи в соответствии с формулой
мм (5)
где d1
- диаметр ведущего шкива, мм;2 - диаметр ведомого шкива, мм
Угол
обхвата ремнём меньшего шкива по формуле:
(6)
где d1
- диаметр ведущего шкива, мм;2 - диаметр ведомого шкива, мм
Расчётная
окружная сила по формуле:
Н (7)
где kд=1
- коэффициент динамической нагрузки;1 - мощность ведущего шкива,
кВт;- скорость ремня, м/с
Для
расчёта ремня по тяговой способности вычислим расчётное допускаемое полезное
напряжение [k].
Значения
корректирующих коэффициентов из табл. kv=1; ka=1; kb=0,9. Допускаемое полезное
напряжение для ремня
МПа (8)
Требуемая
по тяговой способности площадь поперечного сечения ремня по формуле:
м2 (9)
где Ft
- окружная сила, Н;
[k] - расчётное допускаемое полезное
напряжение, МПа
А=0,00008101 м2=81,01 мм2
Ширина ремня:
мм (10)
где А - площадь поперечного
сечения ремня, мм2;
d
- толщина ремня, мм
Расчётная длина ремня по формуле:
мм (11)
где d1
- диаметр ведущего шкива, мм;2 - диаметр ведомого шкива, мм
Принимаем
L=760 мм
Проверим
ремень на долговечность по частоте его пробегов в секунду по формуле:
с-1 (12)
где v - скорость ремня, м/с;-
длина ремня, м
.3 Инженерный анализ напряжённо-деформированного
состояния
Целью данного раздела является проверка
работоспособности (прочности) шпиндельного вала.
Данный вал вращается на паре подшипников
скольжения. Консольно на валу установлены оправка и шкив. От осевого
перемещения шкив закреплён болтом посредством торцовой шайбы. На посадочном
участке под шкивом предусмотрено шпоночное соединение, посредством которого
производится передача крутящего момента. Далее на валу предусмотрено два
участка под посадку подшипников скольжения и упорный буртик. Посадочный диаметр
вала под шкивом d1 = 22 к6, под подшипниками d2 = 50 h6, под оправкой d3 =
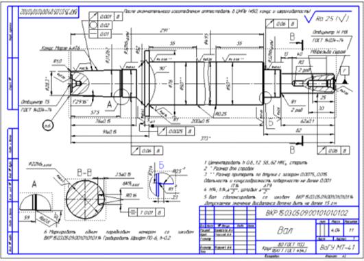
31,267, диаметр упорного буртика d4 = 76. Чертёж вала и 3D модель представлены
на рисунке 17 и 18.
Рисунок 17 Чертёж вала
Рисунок 18 3D модель вала
Расчёт напряжённо-деформированного состояния был
произведён средствами программного обеспечения APM WinMachine. Расчёт
круглоременной передачи был произведён ранее. Исходные данные для расчёта были
взяты из паспорта установки и чертежей деталей и узлов.
Далее исходя из полученных данных в модуле APM
Shaft была создана модель данного вала и заданы такие параметра, как материал
(18ХГТ), закрепления и соответствующие нагрузки (рисунок 19). Результаты
расчёта представлены на рисунках 20 и 21.
Рисунок 19 Схема вала
Рисунок 20 Коэффициент запаса по усталостной
прочности
Рисунок 21 Момент кручения
По полученным результатам можно сделать вывод,
что вал работоспособен, так как минимальный коэффициент запаса равен 6,62.
3. Технологическая часть
.1 Разработка технологического процесса
изготовления детали
Техническое задание на разработку
технологического процесса изготовления детали «Вал».
Разработать рабочий технологический процесс
изготовления детали «Вал» применительно условиям ВПЗ.
Исходные данные:
. Конструкторский чертёж до модернизации
(см. приложение 1);
. Годовая программа изготовления 50 шт;
. Сведения для проектирования (в
действующем производстве имеются:
- кузнечно-прессовое оборудование для
изготовления ступенчатых заготовок;
- металлорежущее оборудование:
токарно-фрезерные, вертикально-сверлильные, шлифовальные станки;
- термическое оборудование: закалочная
электропечь, соленные ванны;
- слесарное оборудование для
притирочных работ;
- станочные приспособления: тиски;
- инструментальные приспособления:
резцедержатели, оправки шлифовальных кругов;
- режущие инструменты: токарные резцы,
свёрла, метчик, шлифовальные круги;
- средства измерения: биениемер,
микрокаторные приборы;
- рабочие-станочники высокой
квалификации.
- специальная технологическая оснастка
- разрезная втулка;
- специальная фреза;
- конусошлифовальный круг.
.1.1 Описание конструкции и назначение детали
Таблица 2
Химический состав в % материала 18ХГТ
(ГОСТ 4543 <#"898052.files/image048.gif"> (13)
где C - себестоимость заготовки;
А - изготовление заготовки;
В - механическая обработка;- масса; 1
- сложность;2 - точность;- соотношение;3 - точность
заготовки;4 - точность обработки;5 - не обрабатываемые
участки.
(14)
(15)
(16)
Размеры заготовок представим на
рисунке 22.
а)
б)
в)
Рисунок 22 Эскиз заготовки (а - одноступенчатая
заготовка, б - двухступенчатая заготовка, в - четырёхступенчатая заготовка)
Выбираем четырёхступенчатую заготовку.
.1.5 Выбор плана обработки детали
Предварительно выбираем следующий
технологический маршрут обработки:
Заготовка: поковка;
. фрезерно-центровальная:
- фрезеровать торцы 1 и 2 с
равномерным съёмом металла в размер;
- центровать отверстия, выдерживая
размеры согласно эскизу;
. токарно-фрезерная:
- токарная ЧПУ: обработать деталь по
программе;
- фрезерная: фрезеровать шпоночный
паз, выдерживая размер b6; h2,8; L40;
. вертикально-сверлильная:
- сверлить глухое отверстие Æ6,7х30;
- нарезать резьбу М8х25;
. слесарная: зачистить деталь;
. химико-термическая: цементация:
h0,8…1,2;
. закалка: в масле 58…62 HRC;
. внутришлифовальная: шлифование конусов
центровых отверстий;
. круглошлифовальная:
- шлифование цилиндрического конца Æ22х62(В40);
- шлифование конического конца Æ28,3х57,5(В40);
- шлифование цилиндрической
поверхности под манжеты Æ32х20(В10);
- шлифование цилиндрической
поверхности под подшипники Æ50х200(В40);
- шлифование конуса Æ52х14(В10);
. универсально-шлифовальная: шлифование
буртика Æ76х52(ЧК10)
. слесарно-пригоночная: притереть вал по
втулке с зазором 0,0075 … 0,015, овальность и конусообразность поверхности не
более 0,001;
. Контроль: проверить требования согласно
чертежу.
В - ширина шлифовального круга.
ЧК - ширина чашечного круга.
.1.6 Выбор и расчёт припуска на обработку
Главным значением в процессе проектирования
операций технологических механической обработки деталей обладают припуски.
Грамотный выбор припусков на обработку, включает экономию трудовых ресурсов и
материала, качество выпускаемой продукции. Размер припусков для обработки и допуски
на размеры заготовок зависят от следующих факторов:
- материала заготовки;
- конфигурации и размеров заготовки;
- вида заготовки и способов её
получения;
- требований в отношении обработки
механической;
- технических условий касательно
класса и качества шероховатости плоскости, точности параметров заготовки.
Схема расчётов припусков изображена на рисунке
23.
Рисунок 23 Схема расчётов припусков
Из этого следует, что размер общего припуска
обуславливается от толщины слоя дефектного, который снимут, припусков на
промежуточные операции, погрешности установки, шероховатости поверхности.
Общий припуск на обработку:
мм (17)
3.1.7 Предварительное техническое нормирование
Продолжительность выполнения операций от 2 до 5
минут (максимально 10 минут) основные и холостые ходы.
.1.8 Определение типа производства
(18)
Тип производства единичное, т.к.
годовая программа изготовления 50 шт.
3.1.9 Выбор оборудования
Подбор станков проводится посредством таких
условий, как точность обработки, метод обработки, габаритных размеров
заготовки, обеспечение заданной производительности, расположение размеров
обрабатываемых поверхностей, численность инструментов в наладке станка,
эффективность работы станка по времени, мощности и др.
В ходе обработки детали применяется несколько
видов станков:
- фрезерно-центровальный станок: Traub
TNC 65 EG/DG;
- токарно-фрезерный станок ЧПУ: M60
MILLTURN;
- внутришлифовальный станок: 3К227А;
- шлифовальный станок: 3М151Ф2.
.1.10 Выбор режущего инструмента
Выбор режущих инструментов совершается в
зависимости от способа обработки, формы и размеров обрабатываемой детали, её
точности, шероховатости, от обрабатываемого материала, установленной
производительности и периода стойкости. Режущие инструменты должны обладать
значительной режущей способностью, предоставить вероятность быстрой и удобной
замены, наладки в ходе работы, сформировать транспортабельную стружку и удалять
её от зоны обработки без нарушения стандартной работы оборудования [9].
В таблице 4 указаны параметры об инструменте
режущем, и применяемом при обработке детали, по данным справочным.
Таблица 4
Выбор режущего инструмента
|
Операция и переходы
|
Режущие инструменты
|
Мат-ал режущей части
|
ГОСТ инструмента
|
|
Фрезерно-центровальная
|
Фреза торцевая Æ100
правая
|
ВК8
|
ГОСТ 9473-80
|
|
Фреза торцевая Æ100
левая
|
ВК8
|
ГОСТ 9473-80
|
|
Сверло центровочное Æ8
|
Р6М5
|
ГОСТ 14952-75
|
|
Сверло центровочное Æ5
|
Р6М5
|
ГОСТ 14952-75
|
|
Токарно-фрезерная ЧПУ
|
Резец проходной
|
ВК6
|
ГОСТ 18881-73
|
|
Резец проходной
|
ВК6
|
ГОСТ 18879-73
|
|
Резец проходной
|
ВК6
|
ГОСТ 18881-73
|
|
Специальная фреза
|
ВК8
|
|
|
Вертикально-сверлильная
|
Сверло
|
ВК8
|
ГОСТ 14274-71
|
|
Метчик М8
|
|
ГОСТ 17927-72
|
|
Внутришлифо-вальная
|
Головка
|
|
ГОСТ 2447-82
|
|
Круглошлифо-вальная
|
Абразивный круг ПП350х40х127
|
|
ГОСТ 2424-83
|
|
Абразивный круг ПП300х10х127
|
|
ГОСТ 2424-83
|
|
Универсально-шлифовальная
|
Абразивный круг ЧК
|
|
ГОСТ 2424-83
|
.1.11 Выбор средств измерения
Подбираем инструмент контроля и измерения
размеров, который зависит от вида производства, размера допуска параметра,
контролируемого для каждой операции и занесём в таблицу 5.
Таблица 5
Выбор средств измерения
|
№
|
Операция
|
Средство измерения
|
|
1
|
Контроль
|
Микрометр МК 100 ГОСТ 6507-60,
ШЦ-I-125-0,1 штангельциркуль ГОСТ 166-89, индикатор 1 МИГ-1 ГОСТ 9696-82
|
.1.12 Выбор вспомогательных инструментов
К дополнительным инструментам относятся стойки
для резцов, державки, направляющие втулки. Подбор происходит в зависимости от
конструкции хвостовика режущего инструмента, конструкции посадочного места на
станке, длины обрабатываемой поверхности, требуемой жёсткости и точности
средства, требований замены и подналадки инструмента.
Разрезная втулка для внутришлифовальной
операции.
.1.13 Выбор приспособления
Приспособление станочное подбираем с
требованием, для обеспечения нужного надёжного закрепления и базирования детали
на операциях, сильную жёсткость поставленной на станке детали, учитывая
реальность автоматизации обработки и прочих условий.
Центра, тиски, подвижная призма.
3.1.14 Расчёт режимов резания
Расчёт производится при помощи программного
продукта «Вертикаль».
Расчёт режимов резания при фрезеровании торцов
изображён на рисунке 24.
Рисунок 24 Режимы резания при фрезеровании
поверхностей
Расчёт режимов резания при центрованнии
отверстий показан на рисунке 25.
Рисунок 25 Режимы резания при центрованнии
отверстий
Расчёт режимов резания при точении поверхностей
представлен на рисунке 26.
а)
б)
Рисунок 26 Режимы резания при точении (а -
установ I, б - установ II)
Расчёт режимов резания при сверлении и нарезании
резьбы показан на рисунке 27.
Рисунок 27 Режимы резания при сверлении и
нарезании резьбы
Расчёт режимов резания при фрезеровании
шпоночного паза показан на рисунке 28.
Рисунок 28 Режим резания при фрезеровании
шпоночного паза
.1.15 Разработка управляющей программы для
станка ЧПУ составленная с помощью программы SprutCAM.
Управляющая программа для токарно-фрезерного станка
с ЧПУ для обработки детали «Вал» представлена в приложении 2.
.2 Разработка конструкции специального
инструмента
Проектирование металлорежущих инструментов
является одной из основных дисциплин при подготовке инженеров. Благодаря ей
возможны разработки современных технологических процессов и проектировании
станков и инструментов. Режущий инструмент - инструмент для обработки резанием,
то есть инструмент для формирования новых поверхностей отделением поверхностных
слоёв материала с образованием стружки. Если усовершенствовать уже имеющиеся
инструменты или создавать совершенно новые, как следствие будут появляться
новые формы, улучшится качество. Данные инструменты очень востребованы в
современной металлообработке, тем более в твёрдосплавном исполнении.
.2.1 Техническое задание
Шпоночная фреза с овальной твёрдосплавной
вставкой диаметром 6 мм, радиусом 0,16 мм, вылетом 20 мм.
В процессе проектирования необходимо определить:
. форму лезвий;
. материал режущей части и корпуса;
. назначить геометрические параметры;
. выбрать способ крепления овальной
твёрдосплавной вставки.
.2.2 Литературный обзор
Концевая фреза - режущий инструмент, применяемый
в индустриальных фрезерных станках. Она различается с сверлом использованием,
геометрией и изготовлением. В тот момент как сверло способно работать только
лишь в осевом направлении, концевые фрезы способны работать всесторонне,
несмотря на это некоторые из них не имеют возможности работать в осевом
направлении. Концевые фрезы различаются креплением в шпинделе фрезерного
станка. Прикрепление фрез в шпиндель станка совершается при помощи
цилиндрического или конического хвоста [10].
Концевые фрезы подразделяют на:
- концевые обыкновенные с
неравномерным окружным шагом зубьев, с цилиндрическим и коническим
хвостовиками;
- концевые, оснащённые коронками и
винтовыми пластинками из твёрдого сплава;
- концевые шпоночные с цилиндрическим
и коническим хвостовиками;
- шпоночные, оснащённые твёрдым
сплавом;
- концевые для Т-образных пазов;
- концевые для сегментных шпонок.
Шпоночная фреза - это инструмент подобный
лезвию, предназначенный для обрабатывания болванок в металлообработке. По
другому его называют пилой. Характерной чертой данной этой фрезы считается то,
что обработка паза совершается за несколько проходов в направлениях подачи и
возвратном, к тому же после любого прохода совершается вращательная подача.
Фрезы выпускаются с канавками прямыми и винтовыми, с хвостовиками
цилиндрическими и коническими, с двумя зубьями.
Шпоночные фрезы по типу хвостовика следует
изготовлять в соответствии с исполнениями:
- с гладким цилиндрическим
хвостовиком;
- с цилиндрическим хвостовиком с
лыской;
- с цилиндрическим хвостовиком с
резьбой;
- с коническим хвостовиком Морзе;
- с коническим хвостовиком Морзе
жёсткой передачи;
- с коническим хвостовиком 7:24 для
ручной смены.
Фрезы изготовляют двух серий длин: короткой и
нормальной.
Используют универсальные патроны,
предназначенные для крепления концевых фрез как с цилиндрическим, так и с
коническим хвостовиком.
<#"898052.files/image066.jpg">
Рисунок 30 Фреза для станка с ЧПУ с
унифицированным хвостовиком, сменной рабочей частью и крепёжной втулкой
При разработке инструмента предусматривались
последующие положения:
. привязка к определённому станку.
Станки, произведённые различными фирмами, обладают строго определённой
конструкцией посадочного места и присоединительные размеры. Предлагаемое
решение может быть адаптировано к различной форме хвостовика;
. в корпусе хвостовика (вне зависимости
от его конструкции) производится посадочное место: коническое отверстие под
унифицированную втулку;
. в связи с многообразием рабочих
размеров инструментов-вставок производится комплект унифицированных вставок,
различающихся друг от друга диаметром отверстия;
. в зависимости от требуемого характера
контакта форма рабочего отверстия может быть разной [12].
Рассмотрим данную конструкцию более подробно:
- корпус (см. рисунок 31);
- разрезная втулка (см. рисунок 32);
- твёрдосплавная вставка (см. рисунок
33);
- матрица с помощью, которой
изготавливают твёрдосплавную вставку (см. рисунок 34).
Рисунок 31 Корпус
Рисунок 32 Разрезные втулки с различными формами
контактной связи
Предлагаю особую форму твёрдосплавной вставки с
эксцентричным углублением для создания одного полного лезвия (до оси инструмента).
Другие лезвия становятся укороченными. Такая форма вставки позволяет работать
как с боковым, так и с осевым движением подачи.
Рисунок 33 Твёрдосплавная вставка с
эксцентричным углублением
Рисунок 34 Матрица
Вставка устанавливается с помощью разрезной
конической втулки, забиваемой в коническое центральное отверстие корпуса.
Центральное отверстие сквозное (для нештатного выбивания вставки). Штатное
извлечение вставки и разрезной втулки выполняется с помощью изогнутого рычага,
заводимого под упорный буртик втулки. Для облегчения и правильности установки
инструмента предлагаем приспособление для сборки-разборки фрезы (рисунок
35,36).
Рисунок 35 3D модель приспособления для
сборки-разборки фрезы
Рисунок 36 3D модель приспособления для
сборки-разборки фрезы в разрезе
3.2.4 Применение фрезы
Многообразие операций, выполняемых на фрезерных
станках, обусловило разнообразность типов, форм и размеров фрез. Фреза концевая
создана специально для качественной обработки: плоскостей; уступов; пазов.
Встречаются детали со сложным профилем, обработка которых осуществляется
методом сканирования. Для этого требуется инструмент с радиусом при вершине и
способностью к врезанию. Один из примеров обработки представлен на рисунке 37.
Рисунок 37 Обработка шпоночного паза
.2.5 Практическая ценность
Практическая ценность разработанной конструкции
инструмента: простота и надёжность конструкции (небольшое количество деталей,
небольшое количество сопряжённых поверхностей); адаптация к станкам с ЧПУ;
повышенная жёсткость конструкции; разные вставки позволяют обрабатывать разные
по форме поверхности; расширенные технологические возможности (обработка наружных
и внутренних поверхностей, гладких и негладких), возможность точной установки
вылета инструмента.
Заключение
В ходе работы над проектом были решены следующие
задачи:
- был рассчитан и спроектирован
шпиндель;
- был проведён инженерный анализ
напряжённо-деформированного состояния детали «Вал» в программе APM
WinMachin
Shaft. В результате
расчёта следует вывод, что вал работоспособен, так как минимальный коэффициент
запаса равен 6,62;
- был разработан каталог шпиндельного
узла;
- был разработан технологический
процесс изготовления детали «Вал» в программе «Вертикаль». В результате был
получен комплект документов на технологический процесс (приложение 4);
- была разработана конструкция
специального инструмента. Данный инструмент может работать как с боковым, так и
с осевым движением подачи.
После проведения модернизации шпиндельного узла
внесены следующие изменения:
- замена подшипников качения на
подшипники скольжения, которые монтируются на вал шпинделя;
Исходя из этого были произведено: увеличена
скорость вращения, точность установки геометрической оси вала, снижены
вибрации, уровень шума при работе.
Описание применимости.
Современный рынок диктует выпуск продукции,
снабжённой электронной документацией и обладающей средствами интегрированной
логистической поддержки всех производственных стадий. Заказчики выдвигают
требования, удовлетворение которых невозможно без внедрения CALS-технологий:
- представления конструкторской и
технологической документации в электронной форме;
- представления эксплуатационной и
ремонтной документации в форме интерактивных электронных руководств, снабжённых
иллюстрированными электронными каталогами запасных частей и вспомогательных
материалов, а также средствами дистанционного заказа запчастей и материалов;
- организации системы интегрированной
логистической поддержки изделий на стадиях жизненного цикла изделий;
- наличия и функционирования
электронной системы каталогизации продукции;
- наличия на предприятиях соответствия
стандартам ИСО 9000 системы менеджмента качества.
Выполнение списка требований с одной стороны
повышает конкурентоспособность всех (и малых в том числе) предприятий, с другой
стороны делает необходимостью подготовку кадров, обученных и способных решать
поставленные задачи.
Конечными пользователями установки виброакустического
контроля крупногабаритных подшипников могут быть лаборатории виброконтроля
подшипников, а также в цехах основных производств.
Список использованных источников
1. Анурьев, В.И. Справочник
конструктора-машиностроителя в 3 т. / В.И Анурьев. Москва: Машиностроение,
2006. Т.1 - 937 с.; Т.2. 969 с.; Т.3. 937 с.
. Гузенков, П.Г. Детали
машин. Учебник для вузов. 4-е издание, исправленное / П.Г. Гузенков. Москва:
Высшая школа, 1986. 359 с.: ил.
. Дунаев, П.Ф.
Конструирование узлов и деталей машин / Дунаев П.Ф., Леликов О.П. Москва:
Высшая школа, 2008. 447 с.
. Полетаев, В.П. Детали
машин: Методические указания к курсовому проекту. Расчёт и конструирование
валов / В.П. Полетаев, А.А. Усов. Вологда: ВПИ, 2012. 23 с.
. Подшипники качения.
Справочник-каталог. Вологодский подшипниковый завод, 2012. 188 с.
. Костюков, В.Н. Основы
виброакустической диагностики и мониторинга машин. Учебное пособие / В.Н.
Костюков, А.П. Науменко. Омск: ОмГТУ, 2011. 360 с.: ил.
. Монахов, Г. А. Обработка
металлов резанием. Справочник технолога. Москва: Машиностроение, 1974. 600 с.
. Егоров, М.Е. Технология
машиностроения. Учебник для машиностроительных вузов. Москва: Высшая школа,
1976. 534 с.
. Режущий инструмент. Учебник
для вузов / под редакцией Кирсанова С. В, 2-е издание, дополнено. Москва:
Машиностроение, 2005. 528 с.: ил.
. Автоматизация выбора
режущего инструмента для станков с ЧПУ: монография / В. И. Аверченков, А. В.
Аверченков, М. В. Терехов, Е. Ю. Кукло. 2-е издание, стереотип. Москва: ФЛИНТА,
2011. 151 с.
. Барбашов, Ф. А. Фрезерное
дело. Учебное пособие для учебных заведений профтехобразования / Ф.А. Барбашов.
Москва: «Высшая школа», 1973. 280 с.: ил.
. Залесова, И.А. Обработка
наружных и внутренних профилей специальной фрезой на станках с ЧПУ / И.А.
Залесова, С.В. Яняк // Международная научная конференция перспективных
разработок молодых учёных «Наука молодых - будущее России». Том3. Курск, 2016.
219-223 с.