Разработка конструкции и технологии изготовления регулируемого поршневого насоса для привода металлорежущих станков

  • Вид работы:
    Дипломная (ВКР)
  • Предмет:
    Другое
  • Язык:
    Русский
    ,
    Формат файла:
    MS Word
    2,19 Мб
  • Опубликовано:
    2017-08-12
Вы можете узнать стоимость помощи в написании студенческой работы.
Помощь в написании работы, которую точно примут!

Разработка конструкции и технологии изготовления регулируемого поршневого насоса для привода металлорежущих станков

Введение

Из существующих видов силовых систем машин и механического оборудования наибольшее распространение получили электрические и объемные гидравлические системы, причем в силовых устройствах используют в основном гидравлические системы. Гидравлические приводы получили широкое применение в самых различных отраслях машиностроения: в металлорежущих станках, в станках для холодной прокатки труб, рольгангах, тяжелом горном оборудовании, в экскаваторах, на транспорте. Широкое применение гидравлических приводов обусловлено относительно малыми габаритами и весом, которые приходятся на единицу мощности. Гидравлические приводы просты в изготовлении, обладают высокой надежностью и долговечностью. Преимуществом является простота бесступенчатого регулирования скорости, плавность и устойчивость движения. Учитывая преимущества объемного гидропривода, в настоящее время ведутся разработки новых вариантов объемных гидроприводов.

Одним из направлений исследований является применение сверх выcоких (70 МПа и более) давлений. Преимущество гидравлического привода по сравнению с электрическими как раз заключается в возможности работы при высоких давлениях. Рабочие давления в современном гидроприводе достигают 20 - 100 МПа, а удельные силы электрических машин не превышают 2 МПа. В данном дипломном работе предлагается новая поршневая гидромашина работающая при давлениях 70 - 100 МПа, которая имеет клапанное раcпределение рабочей жидкости, в которой управление клапанами осуществляется кулачком, который расположен в полости рабочего давления на валике, синхронно вращающимся с валом машины. Темой работы является разработка конструкции и технологии изготовления регулируемого поршневого насоса для привода металлорежущих станков.

1.Литературный обзор способов регулирования скорости и конструкций насосов для гидроприводов главного движения металлорежущих станков

Объемные гидромашины обычно выполняются многокамерными и рассчитываются с целью снижения габаритов и массы гидросистемы, для работы под высокими давлениями (до 70 МПа и выше).

При выборе скорости вращения насоса учитывают ряд факторов. При малой скорости повышается надежность и срок службы насоса, однако при этом увеличиваются его габариты и уменьшается объемный к. п. д. При увеличении скорости уменьшаются габариты, однако при этом снижается его долговечность вследствие интенсивного износа деталей, а также повышаются гидравлические потери в каналах машины. Тенденция повышения частоты вращения гидравлических машин и давлений рабочей жидкости противоречит требованиям повышения надежности и ресурса этих машин.

В данной дипломной работе основной задачей является разработка конструкции и технологии изготовления регулируемого радикально - поршневого насоса, управляемого по давлению для привода главного движения металлорежущего станка.

Необходимость разработки конструкции данного вида насоса обусловлена применением сверхвысоких (70 МПа и более) давлений, что является одним из направлений в современной технике. Преимущество гидравлического привода по сравнению с электрическими машинами как раз и заключается в возможности работы при высоких давлениях. Рабочие давления в современном гидроприводе достигают 20 - 100 МПа, а удельные силы электрических машин не превышают 2 МПа. Как следствие, гидропривод обладает большой мощностью, имеет меньшие габариты, большее быстродействие.

Установлено, что применение сверхвысоких давлений в гидравлическом приводе главного движения станков расширяет диапазон регулирования скорости вращения при постоянной мощности, сократить габаритные размеры и массу.

Объемный насос гидравлического привода служит для преобразования механической энергии, прилагаемой к приводному валу (входному звену) в энергию жидкости потока. У насоса входным параметром является скорость вала и выходным - расход жидкости.

Для бесступенчатого регулирования скорости вращения вала гидромотора в объемном гидроприводе используется два способа: дроссельное регулирование; объемное регулирование.

Дроссельный способ регулирования скорости гидроприводов базирован на том, что часть жидкости, подаваемой насосом, отводится в сливную гидролиниию и не совершает в дальнейшем полезной работы. Скорость вращения гидромотора регулируется дроссельными устройствами, исключенными на входе или выходе рабочей жидкости из гидромотора, а так же в ответвление от нагнетательной линии. Дроссельное регулирование отличается простотой, но имеет ряд недостатков. Основным недостатком гидроприводов с нерегулируемым насосом и дроссельным регулированием скорости является низкий к. п. д., обусловленный самим принципом дроссельного регулирования [2]. Этот недостаток ограничивает область применения дроссельного регулирования приводами малой мощности.

В гидроприводах большой мощности, важную роль в которых играют энергетические показатели, применяют объемный способ регулирования скорости. К.П.Д. гидроприводов с объемным регулированием определен соотношением:

,

где    - к.п.д. насоса;

 - к.п.д. гидродвигателя;

 - к.п.д. гидролинии, который достигает 0,65…0,75, оказывается существенно выше, чем в гидроприводах с дроссельным регулированием. Нагрев рабочей жидкости в гидравлических приводах с объемным регулированием гораздо меньше, чем в гидроприводах при дроссельном регулировании, благодаря отсутствию дросселирования потока.

Обеспечивается более плавное реверсирование и торможение гидродвигателя при таком способе регулирования, чем при распределении потока с помощью гидрораспределителей. При объемном способе регулирования диапазон регулирования скорости значительно выше, чем при дроссельном регулировании.

Благодаря приведенным преимуществам гидравлические приводы с объемным регулированием применяются в качестве приводов средней и большей мощности. Привод главного движения станка относится к приводам средней мощности, следовательно, для него наиболее применим способ объемного регулировании скорости вращения вала гидромотора.

Объемное регулирование скорости осуществляется изменением рабочего объема насоса, гидродвигателя или насоса и гидродвигателя.

В зависимости от циркуляции рабочей жидкости гидравлические схемы подразделяются на разомкнутые и замкнутые. Достоинства гидропривода с замкнутым потоком:

·        Уменьшен объем рабочей жидкости, так как потребность в ней определяется рабочими объемами гидромоторов, а размеры бака определяются исходя из подачи насоса системы подпитки, которая компенсирует объемные потери насоса и гидромотора.

·        Избыточное давление на входе в наcоc обеспечивает его работу при наибольшей частоте вращения, что позволяет применять насос меньшего рабочего объема (т.е. меньших типоразмеров, массы и стоимости).

·        Отсутствие контакта рабочей жидкости с окружающей средой позволит исключить загрязнение гидросистемы, увеличить ресурс гидропривода и периодичность замены рабочей жидкости.

На рисунке 1.1 представлены три схемы объемного регулирования скорости.

На рисунке 1.1 а представлена принципиальная схема гидропривода вращательного движения с зaмкнутoй циркуляцией/ жидкoсти, в котором регулирование скорости вращения вала гидромотора 1 осуществляется за счет изменения подачи насоса 2.

Такое регулирование называется регулированием с постоянным крутящим моментом, т.к. имеется в виду, что давление в гидропередаче постоянно. Диапазон регулирования с постоянным крутящим моментом зависит от минимального устойчивого значения скорости вращения вала гидромотора.

На рисунке 1.1 б представлена принципиальная схема гидропривода, в котором регулирование скорости вращения вала гидромотора осуществляется за счет изменения рабочего объема самого гидромотора.

Такое регулирование условно называется регулированием с постоянной мощностью, т.к. уменьшение рабочего объема гидромотора увеличивает скорость входного звена гидромотора и соответственно уменьшает крутящий момент развиваемый на выходном звене. Принципиальная схема гидропривода с регулируемым насосом и гидромотором приведена на рисунке 1.1 в. Наиболее предпочтительной является схема на рисунке 1.1 а с регулированием скорости с помощью изменения рабочего объема насоса. Достоинством данного способа регулирования является удобство регулирования, т.к. местонахождение насоса не оказывает существенного влияния на компоновку станка; низкая стоимость, простота конструкции, малые габаритные размеры и масса нерегулируемого гидромотора, что особенно важно в приводах со встроенным гидродвигаелем.

Но данная схема не позволяет регулировать скорость вращения вала гидромотора при постоянной мощности, не обеспечивает необходимый силовой диапазон.

Рисунок 1.1. Принципиальные схемы гидропривода

В этом случае получение силового диапазона достигается за счет ограничения нагрузки гидропередачи, т.е. недогрузки гидропередачи.

В зависимости от вида распределения рабочей жидкости насосы подразделяются на насосы с бесклапанным распределением и клапанным распределением.

По расположению цилиндров такие машины подразделятся на роторные радиально-поршневые с радиальным, относительно оси вращения ротора, расположением цилиндров и на роторные аксиально-поршневые с аксиальным, относительно оси вращения цилиндрического блока, расположением цилиндров.

Роторной гидромашиной называют машину, у которой подвижные элементы, образующие рабочую камеру, совершают вращательное движение.

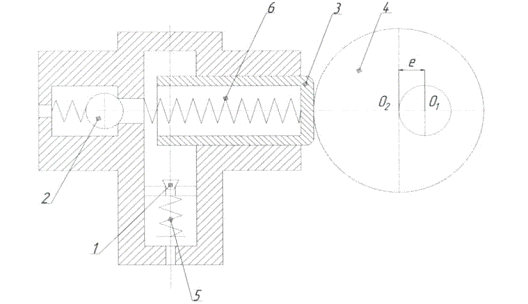
Роторные насосы с цапфовым распределение обычно применяют до давлений 25 МПа, при более высоких давлениях применяют нероторные радиально-поршневые насосы с распределением с помощью свободно-посаженных клапанов; насосы выпускаются для работы на давления до 100 МПА и выше. Клапанное распределение применяется преимущественно в поршневых насосах с кулачковым (эксцентриковым) приводным механизмом поршней [3]. Cхема элемента такого насоса представлена на рисунке 1.2.

Рисунок 1.2 Схема эксцентрикового насоса с клапанным распределителем

Насос заполняется жидкостью через всасывающий клапан 1, а процесс вытеснения из цилиндра (нагнетание) - через нагнетательный клапан 2. Привод поршня осуществляется эксцентриковым кулачком (диском) 4, поршень 3 к которому прижимается пружиной или иными средствами. Ось О1 вокруг которой вращается кулачок, смещена относительно его геометрической оси О2 на величину эксцентриситета е, в соответствии с чем геометрическая ось (центр) О2 кулачка описывает при его вращении вокруг оси О1 окружность радиусом, равным эксцентриситетом е. Поршень 3 при этом совершает в цилиндре возвратно - поступательные движения на величину пути 2е. При вращении эксцентричного кулачка 4 вокруг оси О1 приводного вала, жестко с которым соединен кулачок, геометрическая ось (центр) О2 кулачка будет описывать окружность радиусом r = e вокруг оси вала О1. При этом поршень 3 насоса, прижимаемый к эксцентрику пружиной 6 (или иными средствами), будет перемещаться возвратно-поступательно в цилиндре, совершая за один оборот два хода, каждый их них равен h = 2e. При движении поршня 3 влево (соответствует для данного направления вращения верхней половине эксцентрика) объем цилиндровой камеры уменьшается и жидкость, которая заполняет ее, вытесняется через клапан 2 в нагнетательную полость. При обратном движении поршня (соответствует нижней половине окружности эксцентрика) объем цилиндровой камеры будет увеличиваться и жидкость, преодолев усилие пружины 5 и открыв всасывающий клапан 1, будет поступать в камеру насоса.

С целью устранения недостатков простого клапанного распределения, а именно невозможность работы в двигательном режиме, в мощных гидравлических машинах применяют клапанное распределение, приводимое в движение принудительно. Подробное распределение в гидромоторе, осуществляемое при помощи тарельчатых клапанов, приводимых в движении механически, представлено на рисунке 1.3. Рабочий поршень 3 и клапаны 2 и 4 приводятся в движении общим эксцентриковым валом 1 с соответственно смещенными кулачками. Схема представлена на рисунке 1.3.

Рисунок 1.3 Эксцентриковый насос принудительным клапанным распределением жидкости

С целью снижения напряжения по месту контакта поршня и эксцентрика применяют, в частности при высоких давлениях (350 МПа и выше), гидромашины с полыми поршнями, называемыми часто гидромашинами с жидкостными поршнями.

Недостатком известных поршневых гидравлических машин является наличие дополнительных подвижных герметичных соединений, что снижает их гидравлические и механические характеристики. С целью повышения герметичности полости высокого давления на базе ВоГУ была создана новая поршневая машина с повышенной герметичностью полости высокого давления. За счет чего повышается механические и гидравлические характеристики поршневых машин, работающих в насосном и двигательном режимах. Схема представлена на рисунке 1.4. Работа насоса осуществляется следующим образом. При вращении эксцентрикового вала 4 обойма 1 совершает сканирующее движении, заставляя совершать качательные движения рычага вокруг точки контакта последних с роликами. Благодаря этому поршни 5 совершают возвратно-поступательное движение.

Рисунок 1.4 Сдвоенный радиально-плунжерный насос

При обратном движении поршней, осуществляемыми пружинами 2, происходит всасывание масла через всасывающие клапаны 6 из общей сливной полости.

Основной особенностью конструкции насоса является возможность регулирования геометрической подачи двух независимых друг от друга потоков в широком диапазоне. Применение подвижных опор рычагов в виде двух роликов позволит уменьшить мощность, затрачиваемую на регулирование за счет устранения трения скольжения.

Данный механизм позволяет повысить объемный к.п.д. машины, предельные значения давления и скорости, снизить вес, приходящийся на единицу мощности момента. Однако недостатком этого механизма является сложность в изготовлении и сборке.

С целью упрощения изготовления и сборки была разработана конструкция насоса, которая предусматривает расчленение его на отдельные конструктивно-технологические сборочные единицы. В предлагаемом насосе по сравнению с существующим упрощена конструкция механизма привода поршней. Это, а также выполнение основных узлов в виде отдельных конструктивно-технологических сборочных единиц позволяет упростить и снизить трудоемкость изготовления и сборки насоса.

2.Конструкторская часть

2.1 Разработка конструкции насоса

С целью упрощения изготовления и сборки насоса и снижения ее трудоемкости конструкция насоса предусматривает расчленение его на отдельные конструктивно-технологические сборочные единицы.

Насос состоит из корпуса и следующих сборочных единиц: поршень 1 (10 шт.), клапан всасывающий 2 (10шт.), клапан нагнетательный 3 (10шт.), сепаратор 4 (2 шт.), вал 5 и плунжер управляющий 6 (2 шт.).

Корпус насоса соответственно состоит из двух блоков цилиндров 7, двух внутренних 8 и двух наружных 9 и 21 крышек и оберчайки 10.

В блоках цилиндров имеется десять радиальных отверстий, в которых установлены гильзы 11. Внутри гильз установлены поршни 1,которые через установленные в них на осях подшипники качения и бандажи контактируют с рычагами сепаратора.

На вторых концах рычагов установлены оси, а на них - подшипники качения, которые контактируют с бандажом, установленном на эксцентрично расположенной шейке вала насоса.

Оси вращения рычагов установлены в отверстиях сепаратора с помощью подшипников качения. Прижим поршней с рычагами и рычагов к бандажу осуществляется пружинами 12. Полости всех цилиндров соединяются через нагнетательные клапаны 3 с полостями давления соответствующей секции через всасывающие каналы 2 - с общей линией всасывания.

Клапаны открываются и закрываются с помощью гидравлического управления при соответствующем изменении давления в полостях цилиндров. Вместе с тем, наряду с гидравлическим управлением они имеют и механическое управление от кулачков 13, 14, 15, 16, которые обеспечивают необходимый закон движения клапанов в открытом состоянии. Это позволяет работать машине как в насосном, так и в двигательном режиме, а также устранить стук клапанов.

Кулачки установлены на шейках вала насоса. Работа насоса осуществляется следующим образом: при вращении эксцентрикового вала 5 рычаги совершают качательное движение относительно своих осей, благодаря чему поршни 1 совершают возвратно-поступательное движение в цилиндрах.

При движении поршней вовнутрь цилиндров масло вытесняется через нагнетательные клапаны 3 в одну из двух нагнетательных полостей. При обратном движении поршней осуществляемом пружинами 12, происходит всасывание масла через всасывающие клапаны 2 и общей линией всасывания.

В насосе предусмотрены два сепаратора с пятью рычагами каждый, которые приводят в движение поршни соответствующей секции. Сепараторы могут совершать качательное движение относительно оси вращения вала машины с помощью управляющих плунжеров 6, установленных в расточках наружных крышек 9 и 21, через винты 18, входящие в пазы сепараторов. Сепараторы базируются на внутренней поверхности обечайки 10 с помощью подшипников качения.

Величина хода поршней, и следовательно, производительность насоса зависит от соотношения плеч рычагов, которые регулируются с помощью поворота сепараторов. Угловое положение сепараторов определяется усилием пружин плунжеров и величиной давления в напорных давлениях. Таким образом, осуществляется автоматическое управление насосом по давлению.

Конструкция насоса позволяет устранить трение в приводе поршней и за счет этого повысить КПД насоса. Кроме того, обеспечивается регулирование производительности двух независимых друг от друга потоков жидкости в широком диапазоне. Так как сепараторы контактируют с внутренней цилиндрической поверхностью обечайки 10 через подшипники качения, в процессе регулирования производительности также устраняется сухое трение, что позволяет уменьшить инерционность и повысить быстродействие механизма регулирования.

Применение клапанного распределения, отличающегося герметичностью, позволяет создать высокие давления в напорных линиях. Кроме того оно, а так же автоматическое управление производительностью насоса по давлению позволяет повысить объемный КПД привода.

В предлагаемом насосе по сравнению с существующим упрощена конструкция механизма привода поршней. Это, а также выполнение основных узлов в виде отдельных конструктивно-технологических сборочных единиц позволяет упростить и снизить трудоемкость изготовления и сборки насоса.

2.2 Гидравлические расчеты насоса

2.2.1 Расчет геометрических параметров

Исходные данные:

Производительность насоса Q = 1330 см3 / c;

Диаметр поршня d = 30 мм;

Рабочее давление Р = 100 МПа.

, см3/c; (2.1)

см3; (2.2)

где     Q - производительность насоса, см3/c;

d - диаметр поршня, мм;

z - число поршней, z = 10;

h - длина поршня, h = 2е;

примем скорость вращения вала n = 1500 об/мин (25с-1).

, см3;

, см3.

Из формулы 2.2 следует

 см;

.

2.2.2 Гидравлический расчет клапанов

Должно выполняться условие:

 см/с; (2.2)

где     - максимальная скорость истечения жидкости, см/с;

 - площадь проходного сечении клапана, см2;

 - максимальный расход жидкости через клапан, см3/c;

 - максимально допустимая скорость истечения жидкости, см/с.

По данным работ [3, 4] скорость движения масла в клапанах управления не должно превышать следующих значений:

для нагнетательного клапана


-для всасывающего клапана


Здесь и в дальнейших расчетах параметры с индексом «н» относятся к нагнетательному клапану, а с индексом «вс» - к всасывающему клапану.

Максимальный расход жидкости:

 см3/с, (2.3)

где     - максимальная скорость поршня, см/с;

 - площадь поршня, см2;


где     ω - угловая скорость вращения приводного вала, рад/с;

е - величина эксцентриситета шейки вала, см; е = 0,375 см;

следовательно,


Минимальная площадь проходных сечений клапанов:


Минимальная высота подъема клапанов:

 (2.4)

где     - диаметр клапана, см;

Исходя из конструктивных соображений, принимаем:


следовательно,


Окончательно принимаем hн = 1,75 мм; hвс = 2,5 мм.

2.3 Прочностные расчеты насоса

2.3.1 Расчет усилий пружин клапанов

Расход через клапан определяется выражением [5]:

 см3/с; (2.5)

где     - расход, см3/с;

 - коэффициент расхода щели;

 - площадь проходного сечения щели, см2;

 - площадь седла клапана, см2;

 - плотность жидкости, кг/см3;

 - вес клапана, Н;

 - сила начального поджатия пружины, Н.

Тогда

 (2.6)

Для всасывающего клапана:

;

.

(из конструктивных соображений)


Для нагнетательного клапана:

;

;

.

Принимаем


2.3.2 Расчет усилия пружины возврата поршня

При работе поршня в режиме всасывания пружина должна преодолевать силу разрежения жидкости в рабочей клетке и инерционные силы:

 Н; (2.7)

где     - усилие пружины возврата поршня, Н;

 - сила разрежения жидкости в рабочей клетке, Н;

 - сила инерции подвижных частей, Н.

Сила разрежения жидкости в рабочей клетке определяется как

 Н; (2.8)

где     - величина разрежения в рабочей клетке цилиндра, МПа;

 - площадь рабочей поверхности поршня, см2.

Учитывая, что давление жидкости в линии всасывания равно атмосферному, величина разрежения жидкости в цилиндре будет численно равна перепаду давления в клапане, которое определяется по формулам [5].

, МПа (2.9)

Подставляя численные значения, находим

;

следовательно,

Площадь рабочей поверхности поршня

Тогда,


Силы инерции подвижных частей:


где     - масса подвижных частей, приведенная к поршню, кг;

 - максимальное ускорение поршня, м/с2.

кг; (2.10)

где     - масса поршня, кг;

 - момент инерции рычага относительно оси поворота,

 - угловая скорость рычага, рад/с;

 - скорость поршня, м/с;

 - масса ролика, кг;

 - скорость движения ролика , м/с.

Учитывая, что  где  - длина плеча рычага, контактирующего с поршнем, в м, а также то, что , где  - длина плеча рычага, контактирующего с роликом, в м, получаем:

кг. (2.11)

Момент инерции рычага относительно оси повтора определяется зависимостью:

 (2.12)

где     - масса рычага, кг;;

 - расстояние от центра масс рычага до центра вращения рычага;

 - момент инерции рычага относительно оси CZ, проходящей через центр массы системы и перпендикулярной к плоскости OXY, кг/м2;

 - масса башмака.

При максимальной производительности насоса d = 0, и, следовательно:


Учитывая, что при этом  окончательно находим:



Ускорение поршня определяется зависимостью:

 (2.13)

где     - соотношение плеч рычага.

Ускорение поршня принимает свое максимальное значение при  и :


Тогда


2.4 Разработка гидропривода главного движения токарного станка

В качестве базового принимаем токарно-револьверный станок 1Е340, который предназначен для токарной обработки деталей, из прутка штучных заготовок в условиях мелкосерийного и серийного производства. Класс точности станка - Н.

На станке можно производить следующие виды токарной обработки: обточку, расточку, сверление, зенкерование, развертывание, нарезание резьбы метчиками и плашками, подрезку, прорезку канавок и др.

Станок имеет шестипозиционную револьверную головку с вертикальной осью вращения, установленную на револьверном суппорте, перемещающемся непосредственно по направляющим станины.

Для поперечной обработки на станке имеется поперечный суппорт мостового типа.

При повороте револьверной головки с одной позиции на другую происходит автоматическое переключение чисел оборотов шпинделя и подач суппортов в соответствие с программой, заданной на штекерной панели пульта управления.

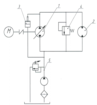
Гидропривод (рисунок 2.1) состоит из регулируемого поршневого насоса 1, радикально-поршневого мотора 2, мультипликатора 3, предохранительного клапана 4, станции подпитки 5.

Насос и электродвигатель имеют фланцевое исполнение, крепятся к кронштейну и соединяются муфтой. Гидромотор устанавливается на заднем конце шпинделя станка. Все гидроаппараты соединены стальным трубопроводом и соединениями с шаровым ниппелем 14-К1/2” ГОСТ 8734 - 75 [6].

Принцип работы объемного гидропривода основан на законе Паскаля, при котором всякое изменение давления в любой точке покоящейся жидкости, не нарушающее ее равновесия, передается и в ее остальные точки без изменения.

Через насос 1 рабочая жидкость попадает в напорную гидролиниию и далее гидронапором во всасывающую гидролиниию насоса.

На рисунке 2.1 приведена принципиальная схема гидропривода вращательного движения с замкнутой циркуляцией, в котором регулирование скорости движения вала гидромотора 2 происходит за счет изменения подачи насоса 1.

Рисунок 2.1 Принципиальная схема гидропривода

Для компенсации утечек в гидроприводе с замкнутой системой циркуляции, а также для исключения возможности кавитации на входе в насос применяется специальный подпитывающий насос 5, который осуществляет подачу paбочей жидкости в систему гидропривода. Усилие, при таком способе регулирования скорости, которое развивается выходным звеном гидропривода, от скорости движения не зависит. В таком случае диапазон регулирования определяется объемным КПД гидропривода и максимальной подачей насоса, определяемый его рабочим объемом. Защита гидросистемы от чрезмерного повышения давления обеспечивается предохранительным клапаном 4, которые настраиваются на максимально допустимое давление. Если нагрузка на гидромотор возрастает выше установленной, то весь поток рабочей жидкости будет проходить через предохранительный клапан, минуя гидромотор.

Данный гидропривод имеет преимущество по сравнению с другими типами приводов там, где требуется создание значительной мощности, быстродействие, позиционная точность исполнительных механизмов, компактность, малая масса, высокая надежность работы и разветвленность привода.

3.Технологическая часть. Разработка технологического процесса изготовления эксцентрикового вала

3.1 Описание конструкции и детали

Одной из основных деталей насоса является вал эксцентриковый. Изготовлен из стали конструкционной легированной 40Х ГОСТ4543-88. Используется данная сталь в промышленности для изготовления следующих изделий: коленчатые и кулачковые валы, валы, вал.-.шестерни, оси, плунжеры, штоки, кольца, шпиндели, губчатые венцы, болты, полуоси, втулки и другие улучшенные детали с повышенной прочностью.

Химический состав в % материала сталь 40Х ГОСТ 4543 <#"898012.files/image103.gif">, руб; (3.1)

где     M - затраты на материал для заготовки, руб.;

 - технологическая стоимость операций правки прутков, резки на штучные заготовки и сварки:

 руб.; (3.2)

где     - приведенные затраты на рабочем месте, руб/ч;

 - штучное время выполнения заготовительной операции, мин.

Затраты на материал определяются по массе проката, идущего на изготовление и массе полученной стружки:

 руб; (3.3)

где     Q - масса заготовки, кг;

S - цена за 1 кг материала заготовки, руб.;

q - масса готовой детали, кг;

 - цена 1 т отходов, руб.;

S - цена за 1 кг стали 45 ГОСТ 1050 - 88; S = 38 руб.;

Q - масса заготовки; Q = 0,5 кг;

q - масса готовой детали; q = 0,3 кг;

 - стоимость 1 т отходов стали 45;  = 6000 руб.

Определим затраты на материал:


Приведенные затраты приходящиеся на 1 час работы абразивно - отрезного станка 200 руб./час.

Тогда технологическая себестоимость операции составит:


Определим стоимость заготовки:

руб; (3.4)

где     - базовая стоимость 1 т заготовок, руб.;

 - коэффициенты, зависящие от класса точности, группы сложности, массы, марки материала и объема производства заготовок.

руб. - базовая стоимость 1 т заготовок;

Q = 0,45 кг - масса заготовки;

q = 0,3 кг - масса готовой детали;

 = 6000 руб. - стоимость 1 т отходов стали 45;


В данном случае в качестве исходной заготовки принимаем заготовку, выполненную методом горячей штамповки, которая по сравнению с заготовкой из крупного проката горячая штамповка в данном случае имеет значительно больший коэффициент использования материала заготовки за счет малых припусков на механическую обработку, большую производительность процесса изготовления заготовки и меньшую себестоимость.

Заготовка эксцентрикового вала представлена на рисунке 3.1.

Рисунок 3.1 Заготовка эксцентрикового вала

3.5 Выбор типа производства

Количество изготавливаемых деталей 5000 штук.

Используем коэффициент загрузки оборудования для определения выбора типа производства [9].

 (3.5)

где     - среднее время обработки (средняя норма времени),

N - норма выпуска в год,

FД - действительный годовой фонд времени, FД = 4029 ч;


При таком коэффициенте загрузки выбираем серийное производство.

3.6 Выбор маршрута обработки детали

Выбор маршрута обработки зависит от требований, предоставляемых к классу точности и классу шероховатости обработки данной детали [8].

Для заданной детали заготовка выполняется штамповкой. Термообработка проводится.

Технологический процесс изготовления детали «вал эксцентриковый» приводим в таблице 3.2.

Таблица 3.2 Технологический процесс изготовления детали «вал эксцентриковый»

№ п/п

Наименование и содержание операции

Модель оборудования

005

Фрезерно-центровальная: -фрезеровать 2 торца Ø19

МР-71М

010

Токарная: - центрировать эксцентрик - точить эксцентрик Ø35 - точить канавку шириной 3 мм - точить фаску 2х450

16К20

015

Токарная с ЧПУ: - точить наружный контур - точить фаску 1х450 - точить канавку шириной 3 мм

16К20Ф3С5

№ п/п

Наименование и содержание операции

Модель оборудования

020

Шпоночно-фрезерная: - фрезеровать шпоночный паз

6Д92

025

Термическая


030

Круглошлифовальная: - шлифовать Ø15-0,011 - шлифовать Ø35-0,002

3Е12

035

Круглошлифовальная: - шлифовать эксцентрик Ø35-0,002

3Е12

040

Промывка

Ванна УЗВ-16М

045

Контрольная

Стол контролера

050

Транспортная

АЩВ-062


3.7 Выбор металлорежущего оборудования

Выбор металлорежущего оборудования для основных станочных операций технического процесса выполняем согласно методике [1].

Выбор оборудования зависит от:

-    вида обработки;

-        размера обрабатываемой поверхности;

         формы обрабатываемых поверхностей;

         формы применяемого инструмента;

         точности обработки;

         шероховатости поверхности;

         типа производства.

Выбранное оборудование с краткой технической характеристикой приводится в таблицах 3.3 - 3.7.

Таблица 3.3 Полувтомат фрезерно-сверлильный МР-71М

Наименование параметра

Величина параметра

Габариты, мм

3140х630х1740

Наименование параметра

Величина параметра

Вес, кг

6100

Максимальная длина обрабатываемых деталей, мм

200 - 500

Максимальный диаметр обрабатываемых деталей, мм

25 - 125

Подача фрезерного суппорта, мм/мин:

20 - 300

Ход сверлильной головки

75

Мощность электродвигателя привода, кВт

7,5


Таблица 3.4 Токарно-винторезный станок

Наименование параметра

Величина параметра

Наибольший диаметр обрабатываемой детали, мм

400

Наибольшая длина продольного перемещения, мм

900

Наибольшая длина поперечного перемещения, мм

250

Диапазон частот вращения, об/мин

12,5 - 2000

Дискретность перемещения, мм - продольная подача - поперечная подача

 0,01 0,005

Диапазон скоростей, устанавливаемых вручную, мм/мин

12,5 - 200, 50 - 800, 125 - 200

Диапазон скоростей подачи, мм/мин - продольная подача - поперечная подача

 3 - 1200 1,5 - 600

Наибольший шаг нарезаемой резьбы, мм

20

10



Таблица 3.5 Токарно-винторезный станок с ЧПУ модели 16К20Ф3С5

Наименование параметра

Величина параметра

Наибольший диаметр обрабатываемых деталей, мм - над станиной - над суппортом

 400 200

Диапазон частот вращения, об/мин

12,5 - 2000

Дискретность перемещения, мм - продольная подача

 0,01

Наименование параметра

Величина параметра

- поперечная подача

0,005

Диапазон скоростей подачи, мм/мин - продольная подача - поперечная подача

 3 - 1200 1,5 - 600

Наибольший шаг нарезаемой резьбы, мм

20

Мощность электродвигателя, кВт

22

ЧПУ

Н22 - 1М

Габаритные размеры, мм

5545х2010х1545


Таблица 3.6 Шпоночно-фрезерный станок 6Д92

Наименование параметра

Величина параметра

Размеры рабочей поверхности вертикального стола, мм

250х1000

Наибольший диаметр устанавливаемой заготовки, мм

75

Ширина обрабатываемого паза, мм

4 - 25

Максимальная глубина паза, мм

26

Продольное перемещение фрезерной головки, мм

5 - 400

Продольное перемещение гильзы шпинделя, мм

100

Наибольшее перемещение стола, мм - продольное - вертикальное

 650 350

Величина разбивки обрабатываемого паза при калибровке, мм

0,01 - 1,0

Пределы рабочих подач фрезерной головки, мм/мин - продольной - вертикальной при однопроходном цикле - вертикальной при маятниковом цикле

 20 - 1400 16 - 140 0,05 - 0,5

Пределы частот вращения шпинделя, мин-1

400 - 400

Мощность электродвигателей приводов установленных на станке, кВт - шпинделя - гидропривода

 2,2 1,1

Габаритные размеры, мм

1510х1900х2210

Наименование параметра

Величина параметра

Масса станка, кг

2250


Таблица 3.7 Круглошлифовальный станок 3Е12

Наименование параметра

Величина параметра

Наибольший диаметр обрабатываемой детали, мм

200

Наибольшая длина обрабатываемой детали, мм

500

Габаритные размеры, мм

2300х2300х1600

Мощность электродвигателя, кВт

3

Масса станка, кг

3500


3.8 Выбор режущего инструмента

Выбор режущего инструмента осуществляется в зависимости от метода обработки, формы и размеров обрабатываемой поверхности, ее точности, шероховатости, от обрабатываемого материала, заданной производительности и периода стойкости.

Таблица 3.8 Режущий инструмент

Наименование операции

Режущий инструмент

Фрезерно-центровальная - фрезеровать 2 торца Ø19

 Фреза торцовая 2210-0063 ГОСТ 9304-69

Токарная - центрировать эксцентрик - точить эксцентрик Ø35 - точить фаску 2х450

 Сверло 2317-0018 ГОСТ 14952-75 Р6М5 Резец 2101-0009 ГОСТ 18879-73 Резец 2103-0067 ГОСТ 18879-73

Токарная с ЧПУ - точить наружный контур

 Резец 2101-0009 ГОСТ 18879-73

Наименование операции

Режущий инструмент

- точить фаску 1х450 - точить канавку шириной 3 мм

Резец 2101-0007 ГОСТ 18879-73 Резец 2103-0067 ГОСТ 18879-73

- шлифовать Ø15-0,011 - шлифовать Ø35-0,002

Круг шлифовальный ПП150х10х32 ГОСТ 2424-83

Круглошлифовальная: - шлифовать эксцентрик Ø35-0,002

Круг шлифовальный ПП150х10х32 ГОСТ 2424-83


3.9 Выбор станочных приспособлений

Выбор приспособлений осуществляется, по возможности, из числа стандартных или типовых конструкций станочных приспособлений, обычно универсальных. Станочное приспособление должно обеспечивать базирование заготовки в соответствии с выбранной схемой базирования, надежное закрепление заготовки.

Выбор станочных и инструментальных приспособлений выполнен по методике. Исходные данные, которые учитывались при выборе приспособлений: вид обработки, размеры заготовки; форма и расположение поверхностей детали; схема базирования, точность обработки; тип силового привода.

Станочные и инструментальные приспособления с краткой технической характеристикой приведены в таблице 3.9.

Таблица 3.9 Станочные и инструментальные приспособления

Наименование операции

Наименование приспособления

Фрезерно-центровальная

7200-0152 Тиски ГОСТ 21167-75


Опора неподвижная

Токарная

7203-009 Тиски ГОСТ 3890-72


Опора неподвижная

Наименование операции

Наименование приспособления


Державка SVGBR 2020 K11

Токарная с ЧПУ:

7203-009 Тиски ГОСТ 3890-72


Державка SVGBR 2020 K11


Стойка C-IV-8-160х100 ГОСТ 10197-70


Державка для осевого инструмента

Шпоночно-фрезерная:

7200-0151 Тиски ГОСТ 21167-75


Опора неподвижная

Круглошлифовальная:

7162-0059 Центр ГОСТ 18257-72


7107-0061 Хомутик ГОСТ 16488-70

Круглошлифовальная:

7162-0059 Центр ГОСТ 18257-72


7107-0061 Хомутик ГОСТ 16488-70


3.10 Расчет припусков на обработку детали

Расчет припусков производится расчетно-аналитическим методом и по таблицам. На основе полученных результатов определения припусков строится графическая схема расположения общих и межоперационных припусков и допусков.

Расчет припуска выполним на наиболее характерный размер, для вала, это диаметр. Рассчитываем припуски на обработку поверхности с размером Ø15-0,011.

Технологический маршрут обработки детали состоит из трех этапов:

- черновое точение; - чистовое точение; - шлифование.

Точение производится в центрах.

Суммарное значение пространственных отклонений при точении [8]:

 мкм; (3.6)

где     - идеальная кривизна заготовки в мкм на l мм длины,

 - длина заготовки,


При обработке в центрах:

, мкм; (3.7)

где     - суммарное значение пространственных отклонений, мкм;

 - величина кривизны,

 - величина смещения оси заготовки в результате погрешности центровки.

, мкм; (3.8)

где     δ - допуск в мкм на диаметр базовой поверхности заготовки, используемой при зацентровке, δ = 11 мкм;

.

Так как в данном случае обработка ведется в центрах то погрешность установки в радиальном направлении.

Остаточное пространственное отклонение после чистового точения:

, мкм; (3.9)

где     - коэффициент уточнения формы,

.

Величина припуска при обработке наружного диаметра тел вращения определяется по формуле:

 (3.10)

Минимальный припуск под чистовое обтачивание:


где    


Определяем расчетный размер по переходам:


Округлим расчетные размеры:


Определяем наибольшие предельные размеры dimax: δ2 = 0,2 мм - для чистового обтачивания; δзаг = 1,4 мм - для заготовки.

Наибольший предельный размер:



Определяем предельные размеры припусков  и:


Определим общие припуски  и :


Проводим проверку правильности выполнения расчетов:

 (3.11)

0,37 - 0,2 = 0,2 - 0,03

0,17 = 0,17;

0,4 - 0,2 = 0,4 - 0,2

,2 = 0,2;

2,8 - 1,8 = 1,4 - 0,4

= 1.

Расчеты проведены верно.

Данные сводим в таблицу 3.10 и на основании проведенных расчетов строим схему графического расположения припусков и допусков при обработке поверхности Ø15-0,011.

Схема графического расположения припусков и допусков при обработке поверхности Ø15-0,011 представлена на рисунке 3.2.

Таблица 3.10. Расчет припусков и предельных размеров по технологическим переходам при обработку поверхности Ø15-0,011


На основе расчета выбираем 19 по ГОСТ 6636 - 69.

Рисунок 3.2 Схема графического расположения припусков и допусков на обработку поверхности Ø15-0,011

3.11 Выбор режимов резания

Режимы резания выбраны с учетом серийного типа производства, автоматизированного оборудования (станки с ЧПУ).

Выбор режимов резания завиcит от обрабатываемого материала, его структурного cостояния, от материала режущей части инструмента, от шероховатости и конфигурации обрабатываемой поверхности, от требуемой производительности операций, от режима замены и перехода режущего инструмента [12].

Скорость резания при обтачивании определяем по формуле:

 м/мин (3.12)

где     - коэффициенты, зависящие от обрабатываемого материала и вида обработки;

Т - период стойкости инструмента (среднее значение принимаем равным 40 мин);

t - глубина резания;

S - подача.

Рассчитываем режимы резания для токарной операции с ЧПУ.

При наружном продольном точении проходными резцами, с материалом режущей части Т15К6 по справочным таблицам назначаем:


Тогда


Частота вращения шпинделя станка равна:

; (3.13)

(назначаем n = 800 мин-1).

С учетом реальных частот вращения шпинделя станка находим:


Режимы резания для каждой операции при обработке детали представлены в таблице 3.11.

Таблица 3.11 Режимы резания

Операции/переходы

Режимы резания

F, мм/мин

T0, мин


V, м/мин (м/с)

n, мин-1

S, мм/об (мм/зуб)

t, мм



Фрезерно-центровальная - фрезеровать 2 торца Ø19

 81,64

 497

 0,2

 2

 99,4

 0,19

Токарная - центрировать эксцентрик - точить эксцентрик Ø35 - точить канавку шириной 3 мм - точить фаску 2х450

 4 80,3 92,63 106,76

 800 630 1000 1000

 0,05 0,4 0,4 0,075

 2 3 0,25 1

 40 252 400 75

 0,1 0,075 0,0125 0,04

Токарная с ЧПУ: - точить наружный контур - точить фаску 1х450 - точить канавку шириной 3 мм

 85,41 84,58 96,16

 800 1250 1250

 0,2 0,075 0,2

 2,5 1 0,25

 160 94 250

 0,65 0,0683 0,04

Шпоночно-фрезерная: - фрезеровать шпоночный паз

 8,65

 1250

 0,2

 0,3

 375

 0,083

Круглошлифовальная: - шлифовать Ø15-0,011 - шлифовать Ø35-0,002

 35 35

 3300 3300

 0,04 0,04

 0,13 0,1

 132 132

 0,21 0,51

Круглошлифовальная: - шлифовать эксцентрик Ø35-0,002

 35

 3300

 0,04

 0,13

 132

 0,51


3.12 Уточненное нормирование операций

Операция 010 заключается в обработке вала эксцентрикового:

- центрировать эксцентрик;

- точить эксцентрик Ø35;

- точить канавку шириной 3 мм; - точить фаску 2х450.

Обработка проводится на токарно - винторезном станке 16К20.

Нормирование данной операции заключается в определении нормы штучно-калькуляционного времени [8]:

 мин (3.14)

где     Тп-з - подготовительное время, мин;

n - количество деталей в партии шт.;

То - технологические время, мин;

Тв - вспомогательное время, мин;

Тоб - время на обслуживание рабочего места, мин;

Тот - время переходов на отдых и личные надобности, мин.

Технологическое (основное) время определяется по формуле:

 мин; (3.15)

где     - расчетная длина обработки, мм;

 - число переходов.

, мм; (3.16)

где     - длина поверхности, обтачиваемая резцом, мм;

 - величина резания резца, мм;

 - величина пробега резца, мм;

 - медленный подвод резца, мм;

Рассчитываем время на обработку детали:


.

Вспомогательное время состоит из времени на холостые хода, времени на закрепление заготовки, подвод инструмента, разжим детали, измерение детали.

Время на холостые хода:

, мин; (3.17)

где     - длина холостого хода, мм;

 - скорость холостого хода, м/мин;

 (3.18)


Для серийного производства:

мин; (3.19)


Время на обслуживание:

 мин; (3.20)

где     - время организационного обслуживания, мин.

 мин; (3.21)


Время на техническое обслуживание:

 мин; (3.22)


Время на отдых:

, мин; (3.23)


Подготовительное время Тп-з = 10 мин.

Штучно-калькуляционное время:


На остальные операции нормы времени сведены в таблице 3.12.

Таблица 3.12 Штучно-калькуляционное время операций

Операция

Тшт-к, мин

005

Фрезерно-центровальная

0,491

010

Токарная

0,398

015

Токарная с ЧПУ

1,12

020

Шпоночно-фрезерная

0,165

030

Круглошлифовальная

1,2

035

Круглошлифовальная

1,2


3.13 Разработка управляющей программы для станка с ЧПУ

В маршруте обработки детали представлена операция, которая выполняется на станке с ЧПУ. Операция является токарной. Токарная обработка производится на станке модели 16К20Ф3С5 с системой ЧПУ Н22 - 1М.

Коды, которые используются для составления программы [12]:

% - начало работы;

NØØØ - начало кадра;

Т101 - вывод первого инструмента;

S046 - установление скорости вращения шпинделя в 800 об/мин;

M104 - вспомогательная функция, включение шпинделя;

G58 - подготовительная функция, смещение нуля;

F70000 - быстрые перемещения;

X±ØØØØØØ, Z±ØØØØØØ - перемещение вдоль осей координат;

G26 - подготовительная функция, обнуление погрешности;

G01 - подготовительная функция, линейная интерполяция;

L31 - коррекция по трем направлениям первого инструмента;

G40 - подготовительная функция, отмена коррекции;

F10060 - подача величиной 60 мм/мин;

G25 - подготовительная функция, возврат в абсолютный ноль;

M105 - вспомогательная функция, остановка шпинделя;

M002 - вспомогательная функция, конец программы.

Управляющая программа для операции: 015 Токарная с ЧПУ

%G27 S047 M104 T101G58 Z+000000 F70000Z+000000

N004 G26

N005 G01 F10160 L31

N006 X-46500 F70000

N007 Z-30000

N008 Z-26000 F10160

N009 X-05500

N010 Z-70000

N011 X+11000X+30000 F10600G40 F10160 L31T102G26G01 F10250 L32X-30000 F70000Z-56000X-16250 F10250X+16250Z-70000X-10750 F10250X+40750 F10600G40 F10250 L32S046 T103

N026 G26

N027 G01 F10094 L33

N028 X-46500 F70000

N029 Z-30000

N030 X-01000 F100294X+06500Z-30000X-01000X+42000 F10600G40 F10094 L33G25 X+999999 F70000037 M105

N038 G25 X+999999 F70000

N039 M002

Заключение

поршневой насос вал

В данной выпускной квалификационной работе была разработана конструкция поршневого насоса для привода главного движения токарно-револьверного станка.

В первой части выпускной квалификационной работы был сделан обзор способов регулирования скорости вращения вала гидромотора, выбрана наиболее предпочтительная схема с регулированием скорости с помощью изменения рабочего объема насоca; рассмотрены конструкции насосов для привода главного движения, на основании которых предпочтение было отдано регулируемому поршневому насосу с клапанным распределением, так как он более прост в изготовлении и сборке, во всех механизмах насоса трение качения, что повышает к.п.д.

Конструкторская часть выпускной квалификационной работы состоит из разработки конструкции насоса; гидравлических расчетов насоса, где рассчитаны диаметры поршней, проведен гидравлический расчет клапанов, заключающийся в расчете минимальной площади проходных сечений клапанов и минимальной высоты подъема клапанов. Также проведены прочностные расчеты, помощью которых определены усилия пружин клапанов и усилия пружины возврата поршня. Разработан гидропривод главного движения токарно-револьверного станка, имеющий преимущества по сравнению с другими типами приводов.

В технологической части выпускной квалификационной работы была разработана технология изготовления эксцентрикового вала насоса, составлен маршрут его обработки, а именно выбраны определенные операции, переходы к этим операциям, рассчитаны и выбраны режимы резания, время обработки заготовки, подобраны режущие инструменты, выбраны инструментальные приспособления. Выбор режущего инструмента отдавался с предпочтением режущему инструменту из твердого сплава.

В заключении можно сделать вывод, что разработанный регулируемый радиально-поршневой насос для привода главного движения токарно-револьверного станка решает задачи применения сверхвысоких (70 МПа и более) давлений, что позволяет расширить диапазон регулирования скорости вращения при постоянной мощности, и, как следствие, гидропривод обладает большей мощностью, имеет меньшие габариты и массу, большее быстродействие, что также способствует увеличению производительности повышению технико-экономической эффективно продукции.

Список использованных источников

1.      Осипов, А.Ф. О максимальном давлении объемного насоса/ А.Ф. Осипов //Вестник машиностроения. - 1965. - №3. - с. 46 - 49.

.        Справочное пособие по гидравлике, гидромашинам и приводам: учебное пособие / под ред. Б.Б. Некрасова. - Минск: Высшая школа, 1976.

.        Башта, Т.М. Объемные насосы и гидравлические двигатели гидросистем/ Т.М. Башта. - Москва: Машиностроение, 1974. - 608 с.

.        Башта, Т.М. Объемные гидравлические приводы/ Т.М. Башта. - Москва: Машиностроение, 1974. - 628 с.

.        Лабораторный курс гидравлики, насосов и гидропередач. под ред. Руднева С.С. - Москва: Машиностроение, 1974 - 608 с.

.        Свешников, В.К. Станочные гидроприводы: справочник / В.К. Свешников, А.В. Усов. - 2-е изд., перераб. и доп. - Москва: Машиностроение, 1988. - 464 с.

.        Горбацевич, А.Ф. Курсовое проектирование по технологии машиностроения: учебное пособие / А.Ф. Горбацевич, В.А. Шкред. - 5-е изд. - Москва: ООО ИД «Альянс», 2007. - 256 с.

.        Справочник технолога-машиностроителя: в 2 т. Т. 2/ под ред. А. Н. Малова. - 3-е изд., перераб. - Москва: Машиностроение, 1973. - 568 с.

9.      Обработка металлов резанием: справ. технолога / под ред. Г. А. Монахова. - 3-е изд. - Москва: Машиностроение, 1974 . - 598 с.

10.    Ансеров, М.А. Приспособления для металлорежущих станков / М. А. Ансеров. - Изд. 4-е, исправл. и доп. - Л.: Машиностроение (Ленингр. отд-ие), 1975. - 656 с.

11.    Режимы резания металлов: справочник / под ред. Ю. В. Барановского. - 3-е изд., перераб. и доп. - Москва: Машиностроение, 1972. - 407 с.

12.    Попов, С.А. Заточка и доводка режущего инструмента: учеб. для сред. ПТУ / С.А. Попов. - 2-е издание, перераб. и доп. / Москва: Высшая школа, 1986. - 223 с.

.        Экономика машиностроительного производства: учебник для машиностроит. специальностей вузов / Ю. А. Абрамов, И. Э. Берзинь, Н. Н. Застрожнова и др.; под ред. И. Э. Берзиня, В. К. Калинина. - Москва: Высшая школа, 1988. - 304 с.

14.    Белов, С. В. Безопасность жизнедеятельности и защита окружающей среды (техносферная безопасность): учебник для вузов / С. В. Белов . - Москва : Юрайт, 2010 . - 670, [1] с.

15.    Охрана труда в машиностроении: учебник для машиностроительных вузов / под ред. Е.Я. Юдина, С.В. Белова. - Москва: Машиностроение, 1983. - 432 с.

.        Справочная книга по светотехнике / под ред. Ю. Б. Айзенберга. - Москва: Энергоатомиздат, 1983. - 472 с.

17.    Дунаев, П. Ф. Конструирование узлов и деталей машин: учебное пособие для техн. специальностей вузов / П. Ф. Дунаев, О. П. Леликов. - 8-е изд., перераб. и доп. - Москва: Academia, 2004. - 496 с.

18.    Корсилова, А.Г. Справочник технолога машиностроителя/А.Г. Корсилова. - Москва: Машиностроение, 1985. - 656с.

.        Анурьев, В. И. Справочник конструктора-машиностроителя: в 3 т. . Т. 1 / В. И. Анурьев. - 6-е изд., перераб. и доп. - Москва: Машиностроение, 1982. - 729, [7] с.

20.    Анурьев, В. И. Справочник конструктора-машиностроителя : в 3 т. . Т. 2 / В. И. Анурьев. - 6-е изд., перераб. и доп. - Москва: Машиностроение, 1982. - 584 с.

21.    Анурьев, В. И. Справочник конструктора-машиностроителя : в 3 т. . Т. 3 / В. И. Анурьев. - 6-е изд., перераб. и доп. - Москва: Машиностроение, 1982. - 576 с.

Похожие работы на - Разработка конструкции и технологии изготовления регулируемого поршневого насоса для привода металлорежущих станков

 

Не нашли материал для своей работы?
Поможем написать уникальную работу
Без плагиата!
Без нейросетей!