Модернизация конструкции и разработка элементов технологии изготовления охладителя прокатного стана
ВВЕДЕНИЕ
ПАО «Северсталь» - одна из самых крупнейших в мире интегрированных
сталелитейных и горнодобывающих компаний c активами в России, Белоруссии,
Украине, Латвии, Польше, Италии и Либерии. Акции компании котируются на
российской торговой площадке ММВБ-РТС, глобальные депозитарные расписки
представлены на Лондонской фондовой бирже. В 2014 году выручка компании
составила $6,396 млн., EBITDA достигла $2,096 млн. В 2015 году было произведено
11.45 млн. тонн стали.
Компания
выпускает горячекатаный и холоднокатаный стальной прокат, гнутые профили и
трубы, сортовой прокат и т. п. Основные сталелитейные предприятия,
принадлежащие компании: Череповецкий металлургический комбинат в России
(мощность 11,6 млн т в год) .Горнорудный сегмент компании представлен в России
двумя горнообогатительными комбинатами (ГОК): «Карельский окатыш
<https://ru.wikipedia.org/wiki/%D0%9A%D0%B0%D1%80%D0%B5%D0%BB%D1%8C%D1%81%D0%BA%D0%B8%D0%B9_%D0%BE%D0%BA%D0%B0%D1%82%D1%8B%D1%88>»
и «Олкон <https://ru.wikipedia.org/wiki/%D0%9E%D0%BB%D0%B5%D0%BD%D0%B5%D0%B3%D0%BE%D1%80%D1%81%D0%BA%D0%B8%D0%B9_%D0%93%D0%9E%D0%9A>»,
ежегодно выпускающими 15 млн т железорудного концентрата, угольной компанией
«Воркутауголь
<https://ru.wikipedia.org/wiki/%D0%92%D0%BE%D1%80%D0%BA%D1%83%D1%82%D0%B0%D1%83%D0%B3%D0%BE%D0%BB%D1%8C>»
(республика Коми
<https://ru.wikipedia.org/wiki/%D0%A0%D0%B5%D1%81%D0%BF%D1%83%D0%B1%D0%BB%D0%B8%D0%BA%D0%B0_%D0%9A%D0%BE%D0%BC%D0%B8>),
угольной компанией PBS Coals (США) и рядом перспективных горнодобывающих
лицензий в развивающихся странах мира.
Компания
состоит из дивизионов «Северсталь Российская Сталь» и «Северсталь Ресурс».
Дивизион
«Северсталь Российская Сталь» является одним из ведущих производителей стали в
России и специализируется на производстве металлопроката с высокой добавленной
стоимостью. Дивизион стремится к росту продаж продукции дальнейшего передела.
Ведущее предприятие дивизиона - Череповецкий металлургический комбинат - имеет
выгодное географическое положение, гарантирующее доступ к сырью, транспортным
сетям и конечным потребителям. Производством метизных изделий в составе
дивизиона занимается предприятие «Северсталь Метиз» - один из лидеров по
производству метизной продукции на рынке СНГ.
Дивизион
«Северсталь Ресурс» управляет всеми горнодобывающими активами ПАО «Северсталь»
в России и за рубежом. Это два железорудных комбината «Карельский окатыш» и
«Олкон», угледобывающая компания «Воркутауголь» и проектный институт
«СПб-Гипрошахт» в России и ряд перспективных проектов в других странах.
Машиностроительный
центр «ССМ-Тяжмаш» входит в состав международной горно-металлургической
компании ПАО «Северсталь». МЦ «ССМ-Тяжмаш» обладает потенциалом и мощностями
крупного машиностроительного предприятия.
История развития предприятия неразрывно связана с историей «Северстали».
Запуски важнейших агрегатов металлургического комбината являются вехами на
трудовом пути основных цехов МЦ.
МЦ «ССМ-Тяжмаш» - подразделение метеллургическое с полным циклом: от
заготовительного до механообрабатывающего и сборочного производств. В настоящее
время МЦ специализируется на выпуске машиностроительной продукции для ведущих
металлургических предприятий России и Европы, а также производит продукцию для
нефтегазовой и горнодобывающей отраслей.
На протяжении всей своей деятельности компания остается верной качеству
выпускаемой продукции и гарантирует выполнение любых работ на неизменно высоком
уровне.
Сплав знаний и опыта персонала с возможностями современного оборудования
и общая нацеленность на результат позволяют нам изготавливать детали и узлы,
машины и агрегаты любой сложности для многих отраслей промышленности.
Основная
специализация «ССМ-Тяжмаш»:
· изготовление и ремонт деталей, узлов высокой сложности,
предназначенных для проведения текущих и капитальных ремонтов механического
оборудования,изготовление широкого спектра деталей и узлов для модернизации
оборудования, изготовление нового технологического оборудования для различных
отраслей промышленности по чертежам заказчика или привлекаемых проектных
организаций.
Преимущества
работы с «ССМ-Тяжмаш»:
· оснащенность производства, позволяющая размещать комплексные
заказы клиента в одном месте, оптимизируя при этом стоимость заказа;
· высокое качество изготавливаемых изделий, возможность
контроля клиентом этапов изготовления непосредственно в процессе производства;
· возможность управления заказом в ходе его выполнения, меняя
приоритеты по отдельным позициям;
· высокая надежность поставок.
Барабанные охладители являются важнейшим оборудованием
предприятия, так как охлаждают агломерат, который являеться основным сырьем для
получения чугуна.
Целью работы является модернизация и разработка конструкции барабанного
охладителя, предназначенного для охлаждения водой возврата агломерата с
агломашины.
1. ЛИТЕРАТУРНЫЙ ОБЗОР. ОХЛАДИТЕЛИ АГЛОМЕРАТА В МЕТАЛУРГИИ
.1 Агломерация
Агломерат-окускованный рудный концентрат, полученный в процессе
агломерации.Спекшаяся в куски мелкая (часто пылевидная) руда размерами 5-100 мм
с незначительным содержанием мелочи. Агломерат получают при обжиге железных и
свинцовых руд, цинковых концентратов и других. В чёрной металлургии является
основным железорудным сырьём для получения чугуна в доменной печи. Охлаждение
агломерата необходимо для обеспечения его удобной и безопасной перевозки и
загрузке в доменную печь, так как транспортировка раскаленного агломерата
вызывает быструю порчу вагонов, бункеров и другой аппаратуры, кроме того,
загрузка горячего агломерата в плавильные печи поднимает температуру отходящих
газов, ухудшаются санитарно-гигиенические условия труда и т. д. Выдача горячего
свинцового агломерата приводит к вытеканию металлического свинца и связанным с
этим неприятностям.
Проблемы связанные при охлаждении агломерата связаны с его прочностными
характеристиками. Это обусловлено тем, что для стабильной работы доменной печи
необходимо загружать в нее материалы, обладающие высокими прочностными
характеристиками. Прочность агломерата зависит от скорости его охлаждения.
Излишнее ускоренное охлаждение ведет к созданию термических напряжений, отчего
агломерат получается хрупким, поэтому образует повышенное содержание мелочи при
транспортировке и опускании в доменной печи, что ухудшает газопроницаемость
шихты, сопровождающееся снижением производительности и увеличением удельного
расхода кокса. При излишне медленном охлаждении агломерата существенно
повышается его окисленность, вследствие чего он интенсивнее разрушается в
верхней части доменной печи при дполнительном восстановлении, увеличивая
коэффициент сопротивления шихты, потери напора газа и степень уравновешивания
шихты подъемной силой газового потока. Такой агломерат ограничивает
интенсификацию доменного ппроцесса и повышает удельный расход кокса. Поэтому
подбор оптимального оборудования, для решения конкретной задачи является не
простым делом.
1.2 Охладители агломерата
Для охлаждения агломерата в металлургической промышленности используются
охладители. Применяемые в настоящее время охладители агломерата отличаются не
столько технологией охлаждения, сколько конструкцией. По своей конструкции они
разделяются на прямолинейные, кольцевые, чашевые и барабанные.
1.2.1 Прямолинейные охладители
Прямолинейные охладители предназначены для снижения температуры
агломерата 50-60°С.На охладителях прямолинейного типа процесс загрузки,
охлаждения и разгрузки агломерата непрерывен. Охлаждение осуществляется путем
продувания или прососа воздуха через слой агломерата, лежащего на полотне
охладителя. Используют в цветной металлургии. Горячий агломерат, сходящий с
агломашины 1, пройдя дробилку 2 и грохот 3, попадает в питатель 4, которым
агломерат подается на охладитель, представляющий собой конвейер 5 с движущимся
полотном, состоящим из двух бесконечных цепей и прикрепленных к их звеньям,
колосниковых решеток. Под рабочей ветвью полотна расположены дутьевые камеры.
Воздух продувают через слой агломерата, лежащего на решетках, и отводят через
трубы 6.Конвейер закрыт кожухом 7. Охлажденный агломерат, сходящий с
конвейера, направляют на грохот 8 и далее на конвейер 9.Высота
слоя агломерата на полотне достигает 1000 мм. Рабочая площадь в 1,3-1,5 раза
превышает площадь спекания агломерационной машины. Расход воздуха составляет от
3500 до 7000 м3/т агломерата. Продолжительность цикла охлаждения -
20-30 мин. Недостатком прямолинейных охладителей низкое использование площади
колосникового полотна для охлаждения (< 50 %). Схема прямолинейного
охладителя агломерата представлена на рисунке 1.1.
Рисунок 1.1 - Схема прямолинейного охладителя агломерата: 1-агломашина;
2-дробилка; 3-грохот; 4-питатель;5-конвейер; 6-трубы; 7-кожух; 8-грохот;
9-конвейер
1.2.2 Чашевые охладители
Чашевые охладители агломерата имеют кольцевой бункер, внутренняя и
наружная стенки которого выполнены в виде жалюзей. Через щели жалюзей
продувается или просасывается охлаждающий воздух. Высота бункера значительно
больше его ширины. Как отмечалось, различаются два типа бункеров чашевых
охладителей: секционный (ячеистый) и кольцевой.
В секционном охладителе кольцо бункера в радиальном направлении разделено
на несколько ячеек вертикальными стенками. Секции неподвижно закреплены на
каркасе охладителя. Днища секций выполнены в виде сегментных шиберов, которые
автоматически открываются в зоне разгрузки, агломерат при этом сбрасывается в
бункер, из которого поступает на ленточный конвейер. После разгрузки днище
закрывается и секция бункера вновь поступает под загрузку горячим агломератом.
Каждая секция имеет отдельные каналы для подвода охлаждающего воздуха и опорную
тележку с двумя опорными роликами, которые двигаются по круговым рельсам. Часть
опорных тележек оборудована электроприводами. Охладитель центрируется с помощью
опорной пяты, расположенной в центре охладителя. Питание электродвигателей
приводов тележек осуществляется через кольцевой токоприемник
.
Секции охладителя последовательно полностью заполняются горячим
агломератом. Охлаждающий воздух подается во внутреннюю полость охладителя и
продувается через слой агломерата в горизонтальном направлении. В зоне загрузки
и разгрузки агломерата установлен кожух, снижающий поступление в эти зоны
охлаждающего воздуха и вынос пыли. Кожух перекрывает также некоторую зону
охлаждения в направлении вращения охладителя. Запыленный воздух из-под кожуха
отсасывается системой вытяжной вентиляции.
В чашевом охладителе с кольцевым бункером, не имеющем радиальных
разделительных стенок, загрузка и выгрузка агломерата осуществляются непрерывно
послойно. Агломерат в нижней части бункера высыпается на вращающуюсятарель. С
тарели агломерат сбрасывается разгрузочным ножом.На риcунке 1.2 показан чашевый охладитель агломерата с кольцевым
бункером 1, который установлен на восьми радиальных балках 2, внутренние концы
которых в центре охладителя шарнирно опираются на вращающийся корпус 3
центральной опоры, а наружные объединены кольцевой тарелыю 4 и на восьми тягах
5 подвешены к верхней части вращающегося корпуса
.
.2.3 Барабанные охладители
Наибольшее распространение получили барабанные охладители, так как они
просты в обслуживании и имеют высокую производительность. Для охлаждения водой
возврата агломерата и окатышей, а также годного агломерата некоторых цветных
металлов, который не разрушается при охлаждении водой, применяют барабанные
охладители.Обычно они представляют собой цилиндрические стальные вращающиеся
барабаны, рама которых установлена горизонтально или с небольшим наклоном в
сторону разгрузки; внутри имеются спирали и ребра для перемешивания возврата и
агломерата при охлаждении водой. Отечественная промышленность выпускает
охладители типов ОВ2-2,8х10 и ОБ-1,8х4,8. Первый из них имеет зубчатый привод и
используется для охлаждения агломерата водой.
Рисунок 1.2 - Чашевый охладитель агломерата с кольцевым бункером:
1-кольцевой бункер; 2-радиальные балки (8 штук); 3- корпус; 4-кольцевая тарель;
5-тяги; 6-венец; 7-направляющие; 8- электродвигатель; 9- цилиндрический
редуктор; 10-выдвижная рама; 11- бункеры (8штук); 12-усеченный конус; 13-
купол; 14-цилендрический патрубок; 15-уплотнение; 16-разгрузочный нож
Центральная опора состоит из вертикальной колонны, установленной на
фундаменте, вокруг которой на подшипниках качения вращается корпус 3. Вращение
кольцевому бункеру и тарели передается от привода через открытую зубчатую
передачу, венец 6 которой закреплен на вращающемся корпусе центральной опоры и
на радиальных балках.
Привод, состоящий из электродвигателя 8 и цилиндроконического редуктора
9, установлен на выдвижной раме 10. Для проведения ремонтов и осмотров рама
вместе с приводом по направляющим 7 с помощью каната и блоков может быть
вытащена за пределы габарита тарели охладителя на рисунке 1.2.
К внутренней жалюзийной стенке бункера примыкают внизу усеченный конус
12, а вверху купол 13, образующие кольцевой коллектор для отсоса охлаждающего
воздуха. Вверху по центру охладителя установлен цилиндрический патрубок 14,
верхняя часть которого неподвижна и закреплена на трубопроводе дымососа, а
нижняя вращающаяся часть установлена на куполе коллектора. Между подвижной и
неподвижной частями патрубка имеется уплотнение 15. Горячий агломерат после
дробления равномерно загружается во вращающийся кольцевой бункер. Изменением
величины заглубления разгрузочного ножа 16 в слой агломерата и скорости
вращения бункера поддерживается постоянный уровень загрузки агломерата.
Через агломерат, находящийся в бункере, постоянно просасывается
охлаждающий воздух. По мере опускания агломерата сверху вниз он охлаждается. К
моменту выгрузки температура агломерата снижается до 100°С. По периферии
кольцевого коллектора расположёно восемь бункеров 11, в которых скапливается
пыль и осыпь агломерата и через двухклапанные затворы высыпается на сборный
транспортер
.
1.2.4 Кольцевые охладители
Рисунок 1.3 - Схема кольцевого охладителя: 1-кольцевой желоб; 2-секции;
3-лекальное устройство; 4-бункер
Охладитель агломерата кольцевого типа представляет собой кольцевой желоб
с жалюзийным днищем, на который укладывается горячий агломерат. Агломерат
охлаждается продувом или прососом воздуха. Вращающийся кольцевой желоб состоит
из сварных наружной и внутренней боковых стенок, соединённых радиальными
балками, на которых шарнирно подвешены откидные секции жалюзийного днища.
Кольцевые охладители выполняются с прососом или продувом охлаждающего воздуха.
Охладитель имеет вращающийся в горизонтальной плоскости по замкнутому
рельсовому пути кольцевой желоб 1 с колосниковым днищем, состоящим из отдельных
секций 2. На колосниковую решетку с помощью питателей загружают агломерат.
Желоб укрыт кольцевым кожухом. Охлажденный агломерат выгружают в бункер 4,
наклоняя тележки-секции в месте разгрузки с помощью лекального устройства 3.
Схема кольцевого охладителя представлена на рисунке 1.3.
Наибольшее распространение получили барабанные охладители. Они имеют
высокую производительность и относительно простую констркуции. Также
утилизованое тепло в процессе охлаждения можно использовать в хозяйственных и
технологических целях.
Для охлаждения водой возврата агломерата и окатышей, а также годного
агломерата некоторых цветных металлов, который не разрушается при охлаждекмя
водой, применяют барабаннме охладители.Обычно они представляют собой
цилиндрические стальные вращающиеся барабаны, рама которых установлена
горизонтально или с небольшим наклоном в сторону разгрузки; внутри имеются
спирали и ребра для перемешивания возврата и агломерата при охлаждении водой.
Отечественная промышленность выпускает охладители типов ОВ2-2,8х10 и
ОБ-1,8х4,8. Первый из них имеет зубчатый привод и используется для охлаждения
агломерата водой.
После дробления от агломерата отделяется мелочь - горячий возврат,
который охлаждается водой в агрегатах барабанного типа и направляется на
повторное спекание. Охлаждение возврата производится с целью возможности
транспортировки его на ленточных конвейерах и улучшения условий работы
обслуживающего персонала.
На металлургических заводах применяются барабанные охладители возврата
двух типоразмеров: ОБ-2,8 X 10 и ОВ-1,8 X 4,9.
Ниже приведены технические характеристики этих агрегатов.
Тип охладителя ОБ-2.8Х10;
Производительность, т/ч 250;
Диаметр барабана, мм 2800;
Длина барабана, мм 10000;
Частота вращения барабана, об/мин 6;
Расход воды на охлаждение возврата, м3/ч 80.
На рисунке 1.4 показан барабанный охладитель возврата ОБ-2,8 X 10, устанавливаемый в
технологических линиях с агломашинами АКМ-312. Горячий агломерат загружается в
барабан 5, вращающийся на четырех опор-шх роликах 10.Привод вращения барабана
состоит из электродвигателя постоянного тока 11, двухступенчатого
цилиндрического редуктора 12 и открытой зубчатой передачи, венец 4 которой
закреплен на барабане.
Барабан сварной из листовой стали, торец которого со стороны загрузки
закрыт кольцевой стенкой с отверстием для установки загрузочной воронки.
Внутренняя поверхность барабана футерована листами из углеродистой стали, к
которым на длине 0,8 м от загрузочного торца приварена двухзаходная спираль,
предназначенная для предотвращения скопления агломерата. На остальной части к
внутренней поверхности барабана приварены продольные ребра, способствующие
хорошему перемешиванию охлаждаемого материала. Между спиралью и поверхностью
барабана имеются щели для прохода воды. Барабан двумя бандажами 3 опирается на
четыре стальных опорных ролика 10. Ролики насажены на оси, каждая из которых
опирается на два сферических подшипника, установленных в чугунных корпусах.
Бандажи на барабан посажены с зазором, необходимым для компенсации увеличения
диаметра барабана при его нагреве во время работы. С этой же целью зубчатый
венец 4 открытой передачи крепится к барабану при помощи стальных пластин.
Для облегчения движения охлаждаемого агломерата в сторону разгрузки
барабан установлен под углом 4°. Охлажденный агломерат разгружается из барабана
через разгрузочную сварную камеру 7, в нижней части футерованную стальными
листами. Круговой зазор между барабаном и стенкой камеры закрыт пластинчатой
резиной 6, исключающей выброс пара, образующегося при охлаждении агломерата
водой. В верхней части разгрузочной камеры имеется фланец для присоединения к
системе отвода пара.
Все узлы охладителя установлены на общей сварной раме 9.
Охлаждающая вода в барабан подается тремя трубопроводами 8, на которых
установлены форсунки для разбрызгивания воды.
При работе охладителя возврат агломерата с температурой до 800°С подается
в барабан, куда одновременно подается и вода. При вращении барабана лопасти
спирали захватывают материал и перемещают его в направлении разгрузочной
камеры. Температура возврата на выходе из барабана не превышает 70°С.
Рисунок 1.4 - Барабанный охладитель: 1-загрузочная воронка; 2-кольцевая
стенка; 3-бандажи; 4-венец; 5-барабан; 6-пластинчатая резина; 7-разгрузочная
сварная камера; 8-трубопроводы; 9-общая сварная рама; 10- опорные ролики;
11-электродвигатель постоянного тока; 12-двухступенчатый цилиндрический
редуктор
2. КОНСТРУКТОРСКАЯ ЧАСТЬ
2.1 Разработка привода барабанного охладителя
2.1.1 Разработка кинематической схемы
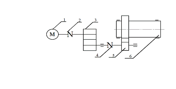
Кинематическая схема представлена на рисунке 2.1.
Рисунок 2.1 - Кинематическая схема: 1-Электродвигатель; 2-Муфта зубчатая;
3-Редуктор; 4-Муфта упругая; 5-Вал привода; 6-Барабан охладителя
После разработки кинематической схемы привода роторной корорубки можно
приступать к энергокинематическому расчету.
2.1.2 Энергокинематический расчет привода
Примем с учетом схемы КПД муфт
КПД стандартного двухступенчатого цилиндрического редуктора
;
КПД подшипников приводного вала
;
КПД открытой зубчатой передачи
Общий КПД привода определяется по формуле:
(2.1)
После того, как рассчитали общий КПД данного привода можно приступать к
подбору электродвигателя.
2.1.3 Подбор электродвигателя
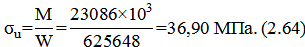
Мощность на валу охладителя агломерата:
(2.2)
Требуемая мощность электродвигателя:
Частота вращения вала охладителя:
С учетом требуемой мощности рассмотрим 4 варианта электродвигателей,
которым будут соответствовать различные передаточные отношения привода. Расчет
сведем в таблицу1.
Таблица 1 - Выбор электродвигателя
|
№
|
Марка электродвигателя
|
кВт
|
об/мин
|
об/мин
|
|
|
1
|
АДЧР 280 М2
|
132
|
2965
|
6,2
|
478,2
|
|
2
|
АДЧР 280 М4
|
132
|
1485
|
6,2
|
239,5
|
|
3
|
АДЧР 315 М6
|
132
|
990
|
6,2
|
159,7
|
|
4
|
АДЧР355 S8
|
132
|
745
|
6,2
|
120,2
|
Наиболее употребляемые значения передаточных чисел для каждой ступени
привода:
) Для стандартного двухступенчатого цилиндрического редуктора
2) Для открытой зубчатой цилиндрической передачи
.
Передаточное отношение данного привода может изменяться в интервале
=(8…50)
(4…8)=32…40.
C
учетом того, что в ходе модернизации желательно сохранить параметры открытой
зубчатой цилиндрической передачи от предыдущей установки охладителя с
для экономии (из-за дороговизны
изготовления зубчатых колес большого диаметра).Примем к дальнейшей разработке
двигатель под номером 3, так как вариант 1 не подходит по передаточному
отношению привода, для варианта 2 с учетом
будет необходим редуктор с U=30(такого в сортаменте стандартных
редукторов нет, а близкие к нему будут более габаритными, чем у варианта
3).Вариант 4 имеет электродвигатель значительно больший, чем вариант 3 по
габаритам, что увеличит общие габариты привода, а это может вызвать проблемы в
условиях модернизации установки на месте прежнего привода.
Окончательно принимаем электродвигатель АДЧР 315 М6
с
Вт,
,
90 мм,
Существующая открытая цилиндрическая
зубчатая передача имеет передаточное число
, тогда для привода необходим
стандартный редуктор с передаточным числом:
2.1.4 Выбор редуктора
Для подбора стандартного редуктора находим необходимые параметры:
Частоты вращения валов:
. (2.7)
Угловые скорости валов:
Вращающиеся моменты:

(2.14)
(2.15)
В ходе расчета эти величины могут незначительно корректироваться.
По полученным данным принимаем для модернизации привода барабанного
охладителя стандартный двухступенчатый горизонтальный цилиндрический редуктор
марки Ц2-1000-20-12-
-
по ГОСТ 15150 с суммарным межосевым
расстоянием 1000 мм ( частные межосевые расстояния 400 мм и 600 мм
соответственно для быстроходной и тихоходной ступеней), общим передаточным
числом U=20, в исполнении 12, с коническим
концом входного вала и цилиндрическим концом выходного вала соответственно с
диаметром 100 мм и конусностью 1:10 и диаметром вала 220 мм.
Данный редуктор рассчитан на максимальный момент на выходе 4800÷5800
Н
м.
2.1.5 Расчет открытой зубчатой цилиндрической передачи
Учитывая повышенный износ зубьев открытых передач значения модуля
рекомендуется увеличивать в 1,5, 2 раза, чем для закрытых передач тех же
размеров.
Принимаем для шестерни сталь 45, термическая обработка-улучшение,
твердость HB 230.Для коле-сталь 45,
термообработка-улучшение, но твердость HB 200(твердость шестерни принимаем больше, чем у колеса. Так
как износ зубьев у шестерни выше,чем у колеса из-за большего числа контактов).
Допускаемые контактные напряжения
МПа, (2.16)
где
- передел контактной выносливости.
Предел контактной выносливости для шестерни
(2.17)
Предел контактной выносливости для колеса:
(2.18)
Для расчета принимаем меньшее из значений
.
Допускаемы напряжения для расчета на изгиб:
(2.19)
где
-предел выносливости при изгибе.
(2.20)
(2.21)
Предварительное значение межосевого расстояния находим по формуле:

где U=7,89;
;
-коэффициент, учитывающий суммарную длину контактных линий
для прямозубых передач;
-вращающийся момент на ведомом валу;
0,15-коэффициент ширины зубчатых колес относительно опор;
=1,0-коэффициент, учитывающий распределение нагрузки между
зубьями для прямозубых передач;
=1,0-коэффициент, учитывающий динамическую нагрузку,
возникающую в зацеплении для прямозубых передач;
1,0-
нагрузки по ширине венца при расчете на контактную
выносливость для прямозубых передач при постоянной нагрузке.
Тогда получается:
С учетом размеров барабана охладителя принимаем
, так как диаметр барабана 2800 мм,
чтобы была возможность разместить зубчатое колесо на его наружной стороне по
технологическим условиям работы.
Рабочая ширина колеса:
(2.24)
Ширина шестерни:
, (2.25)
принимаем
из-за больших размеров зубчатой передачи
Модуль передачи при твердости ≤ HB 350
(2.26)
принимаем m=30
мм-стандартное значение.
Суммарное число зубьев при
и m=30 мм находиться по формуле:
Число зубьев шестерни:
Принимаем
Число зубьев колеса:
(2.29)
Принимаем
Фактическоеt значение
передаточного числа:
Геометрические параметры передачи:
Диаметры делительных окружностей:
(2.31)
(2.32)
Диаметры окружностей вершин:
(2.32)
(2.33)
Диаметры окружностей впадин:
(2.34)
(2.35)
Межосевое расстояние:
Передача рассчитана правильно, все параметры совпадают с предварительно
выбранными
cпараметрами
сохраняемой передачи, существовавшей до модернизации привода.
Окружная скорость колес:
где
-диаметр делительной окружности шестерни
-частота вращения вала шестерни
Условие
для открытой зубчатой передачи выполняется.
Выполняем проверку передачи на контактную выносливость:

где U=7,89;
;
- коэффициент, учитывающий суммарную длину контактных линий
для прямозубых передач;
- вращающийся момент на ведомом валу;
0,15- коэффициент ширины зубчатых колес относительно опор;
=1,0- коэффициент, учитывающий распределение нагрузки между
зубьями для прямозубых передач;
=1,0-коэффициент, учитывающий динамическую нагрузку,
возникающую в зацеплении для прямозубых передач;
1,0-
нагрузки по ширине венца при расчете на контактную
выносливость для прямозубых передач при постоянной нагрузке.
Недонапряжение
связано с тем, что мы увеличили размеры передачи по
сравнению срасчетными, чтобы создать возможность монтажа зубчатого колеса на
барабан охладителя по конструктивным и технологическим требованиям.
Силы действующие в зубчатом цилиндрическом прямозубом зацеплении:
Окружная сила:
Радиальная сила:
(2.40)
Осевая сила:
(2.41)
2.1.6 Предварительный расчет приводного вала
Расчет выполним на кручение по пониженным допускаемым напряжениям
.
Диаметр выходного конца вала:
Принимаем
Диаметр вала под подшипники с учетом необходимого буртика для упора
полумуфты
.
Диаметр вала под колесо
.
Диаметр упорного буртика
.
Диаметр ступицы колеса:
(2.43)
Длина ступицы:
(2.44)
Принимаем
2.1.7 Расчет долговечности подшипников приводного вала
Для приводного вала примем подшипники радиальные сферические двухрядные
22236 с диаметром под вал
, внешним диаметром
, шириной
грузоподъемностью
Ранее полученные силы в зацеплении
,
.
Сила от несоосности валов в месте установки полумуфты определяеться по
формуле:
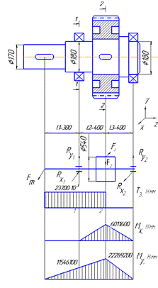
Строим расчетную схему вала, составляем уравнения равновесия
и определяем реакции опор. Расчетная схема представлена на рисунке 2.2.
Рисунок 2.2 - Расчетная схема вала
Силу
направим противоположно силе
, чтобы увеличить нагрузку на вал.

где
.
(2.49)
Проверка:
(2.51)
Строим эпюры моментов изгиба
и
а также крутящих моментов
по правилам сопротивления
материалов.
(2.52)
(2.53)
(2.54)
Суммарные реакции опор:
(2.55)
Эквивалентная нагрузка на более нагруженной опоре:
(2.57)
где
-скорость вращения внутреннего кольца подшипника;
-коэффициент безопасности;
-температурный коэффициент.
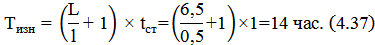
Расчетные долговечности подшипников:

где
- частота вращения вала;
-требуемая долговечность работы механизма.
Долговечность подшипников «22236» обеспечена.
2.1.8 Уточненный расчет вала на выносливость
Расчет вала на выносливость является основным проверочным расчетом валов,
проводится в форме проверки коэффициента запаса прочности. Из анализа эпюр
напряжений наиболее опасным представляется сечение 2-2, где сосредоточены
максимальные нагрузки.
Материал вала - сталь 45,
,
,
.
Эффективные коэффициенты концентраци инапряжениий:
Крутящий момент
Изгибающий момент:
(2.60)
Шпонка призматическая со скругленными концами сечением
.
Осевой момент сопротивления:
Полярный момент сопротивления:
где - высота сечения шпонки, мм
-ширина сечения шпонки, мм;
-глубина канавки в валу, мм.
Амплитуда и среднее напряжение цикла касательных напряжений:
Амплитуда нормальных напряжений изгиба:
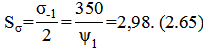
Коэффициент запаса прочности сечения 2-2:

2,78
Условие прочности сечения 2-2 выполнено.
Остальные сечения имеют еще больший запас прочности.
3. ТЕХНОЛОГИЧЕСКАЯ ЧАСТЬ
.1 Описание конструкции и назначение детали
Деталь «венец зубчатый» имеет наружный диаметр Ø4320мм, число зубьев z=142, m=30, делительный диаметр Ø4260мм, толщина венца 400 мм.
В большинстве случаев зубчатые венцы применяются в горном оборудовании,
цементных мельницах и печах, обжиговых печах и холодильниках, подъемном
оборудовании, металлургическом машиностроении и другом оборудовании с малой
скоростью вращения и тяжелых условиях эксплуатации. В представленной работе
зубчатый венец является одной из деталей охладителя барабанного. Охладитель
барабанный предназначен для охлаждения водой возврата агломерата поступающего с
агломашины. Венец зубчатый с наружным зацеплением, изготовлен раздельным.
Производство зубчатого венца начинается с изготовления литейной модельной
оснастки. Далее модельный комплект передается в литейное производство, где с
его помощью формуется литейная форма. Далее модель венца вытаскивается из песчаной
формы и в образовавшееся пространство заливается металл. Отливка зубчатого
венца после обрезки прибылей и литниковой системы далее подается на
термообработку, где происходит улучшение структуры металла и снятие внутренних
напряжений. Дробеструйная очистка отливки - завершающая стадия получения
заготовки «зубчатый венец». Заготовка-отливка состоит из 2-х частей.
Далее на каждой из частей механически обрабатываются соединительные торцы
и растачиваются крепежные отверстия. После этого венец собирается и выполняется
мехобработка диаметров и торцов зубчатого венца. Окончательная обработка -
зубонарезка выполняется на зубофрезерном станке червячными или модульными
фрезами в зависимости от модуля зуба и имеющегося оборудования. Зубчатый венец
рекомендуется окрашивать для защиты от коррозии и обозначения рабочих
поверхностей.
3.2 Анализ технологичности детали венца зубчатого
Венец зубчатый выполнен из стали 45Л по ГОСТ977-88. Сталь 45Л
предназначена для отливок, нелегированная.
Химический состав:Si Mn S P
.42 - 0.5 0.2 - 0.52 0.45 - 0.9 до 0.06 до 0.06
Технологический анализ конструкции обеспечивает улучшение
технико-экономических показателей разрабатываемого технического процесса.
Поэтому технологический анализ - один из важнейших этапов технологической разработки.
Основные задачи, решаемые при анализе технологичности конструкции
обрабатываемой детали, сводятся к возможному уменьшению трудоемкости и
металлоемкости, возможности обработки высокопроизводительными методами. В целом
конструкция детали технологична. Это подтверждается:
деталь изготовлена из технологичного материала Сталь 45Л;
возможно использование заготовки близкой по форме к детали.
Виды обработки:
1) Фрезерная;
2) Радиально-сверлильная (соединительные отверстия);
) Слесарно-сборочная;
) Токарно-карусельная;
) Зубофрезерная;
) Контрольная.
Деталь имеет большие размеры, деталь неудобная, некомпактная, является
неудобной для выполнения ручных приемов.
Возможность использования стандартных режущих инструментов.
В основном станочная обработка, хотя и слесарной обработки достаточно
много. Трудоемкость детали высокая. Можно сделать вывод, что данная деталь
нетехнологична.
3.3 Выбор способа изготовления заготовки
Выбор вида заготовки зависит от конструктивных форм деталей, их
назначения, условий их работы в собранной машине, испытываемых напряжений.
Существует несколько способов получения заготовки: пруток (прокат),
поковка, штучная заготовка. Исходными данными для выбора метода изготовления
являются: материал, размеры, соотношения, тип производства, конкретные
производственные сведения, наличие собственного заготовительного производства.
Кроме всего прочего учитывается форма детали. Выбираем штучную заготовку
оливку, которых потребуется 2 шт., рисунок заготовки представлен на рисунке
3.1.
Рисунок 3.1 - 3аготовка отливка
Стоимость заготовок, получаемых такими методами, как литье в обычные
земляные формы и кокили, литье по выплавляемым моделям, литье под давлением,
горячая штамповка на молотах, прессах, ГКМ, а также электровысадкой, можно
определить по формуле:
руб,
(3.1)
где Q - масса заготовки 3600 кг/2шт;- масса готовой детали, 3490кг;
Сi- базовая стоимость 1 т заготовок, 150000 руб. [1];т,
kc, kв, kм, kп- коэффициенты,
зависящие от класса точности, группы сложности, массы, марки материала и объема
производства заготовок.
kт= 1, kc= 1, kв= 0,74, kм=1,12 kп=1.
(3.2)
3.4 Выбор маршрута изготовления детали
агломерат металлургия привод редуктор
Технологический процесс обработки детали предусматривает несколько
стадий. Если рассматривать данный процесс в укрупненном плане, то необходимо
выделить черновую обработку и окончательную (абразивными инструментами). Каждая
из этих стадий разбивается на необходимое количество технологических операций.
В описании технологического процесса не указываются такие операции как
смазка, упаковка, нанесение специальных покрытий и т. д.
На стадии эскизного проектирования выбираем схему технологического
процесса: заготовка - отливка (2шт.)
Можно предложить следующий порядок операций:
1) Фрезерная;
2) Радиально-сверлильная (соединительные отверстия);
) Слесарно-сборочная;
) Токарно-карусельная;
) Зубофрезерная;
) Контрольная.
В соответствии с порядком операций можно предложить технологический
маршрут обработки, приведенный в таблице 2 с предварительным нормированием
переходов.
Таблица 2 - Маршрут обработки
|
№ п/п
|
Наименование перехода
|
Формула
|
Время, мин
|
|
005
|
|
|
|
Фрезеровать 1 торец S=106х400 в р-р 2160
|
6l·10 -3
|
6,5
|
|
Фрезерная 2
установ
|
|
|
|
Фрезеровать 2 торец S=106х400 в р-р 2160
|
6l·10 -3
|
8
|
|
010
|
Радиально-сверлильная
|
|
|
|
Сверлить присоединительные сквозные отверстия Ø10
L=90 8шт.
|
0,52dl·10 -3
|
3,75
|
|
Сверлить присоединительные сквозные отверстия Ø25
L=90 8шт.
|
0,52dl·10 -3
|
9,36
|
|
Сверлить присоединительные сквозные отверстия Ø44
L=90 8шт.
|
0,52dl·10 -3
|
16,47
|
|
Повторить операции 005 и 010 для второй половины заготовки
|
|
34,38
|
|
015
|
Слесарно-сборочная
|
|
|
|
Собрать 2 полузаготовки на болтовое соединение
|
-
|
60
|
|
020
|
Токарно-карусельная 1 установ
|
|
|
|
Подрезать торец Ø4340 L=395мм t=2.5 i=4
|
0,037(D2—d2)·10 -3
|
7
|
|
Подрезать торец Ø3960 L=186мм t=4 i=2
|
0,037(D2—d2)·10 -3
|
7
|
|
Подрезать торец Ø3908 L=160мм t=3 i=4
|
0,037(D2—d2)·10 -3
|
7
|
|
|
Точить поверхность Ø4340 L=410мм t=2,5 i=4
|
0,17dl·10 -3
|
302
|
|
|
Точить фаску Ø4320 10х45°
|
0,17dl·10 -3
|
7,34
|
|
|
Сверлить 2 отв. Ø20 L=210мм
|
0,52dl·10 -3
|
4,37
|
|
|
Сверлить 2 отв. Ø33 L=210мм
|
0,31dl·10 -3
|
4,29
|
|
п/п
|
Наименование перехода
|
Формула
|
Время, мин
|
|
Точить 2 фаски 2х45° Ø 33
|
0, 18dl·10
|
1
|
|
Точить 2 фаски 3х45° Ø 63
|
0, 18dl·10
|
1
|
|
Токарно-карусельная 2 установ
|
|
|
|
Подрезать торец Ø4320 L=385мм t=2.5 i=4
|
0,037(D2—d2)·10 -3
|
6
|
|
Подрезать торец Ø3960 L=176мм t=4 i=2
|
0,037(D2—d2)·10 -3
|
9
|
|
Подрезать торец Ø3908 L=150мм t=3 i=4
|
0,037(D2—d2)·10 -3
|
5
|
|
Точить фаску Ø4320 10х45°
|
0,17dl·10 -3
|
7,34
|
|
Сверлить 2 отв. Ø20 L=200мм
|
0,52dl·10 -3
|
4,16
|
|
Сверлить 2 отв. Ø33 L=200мм
|
0,31dl·10 -3
|
4,09
|
|
Расточить 2 отв. Ø33 до Ø63Н8(+0,046)
|
0, 18dl·10 -3
|
1,81
|
|
Точить фаску 2х45° Ø 33
|
0, 18dl·10 -3
|
1,2
|
|
Точить фаску 3х45° Ø 63
|
0, 18dl·10 -3
|
0,07
|
|
025
|
Слесарная
|
|
|
|
Шлифовать 8 поверхностей выдерживая р-р 3180мм
|
-
|
80
|
|
Шлифовать 8 поверхностей выдерживая р-р 48мм
|
-
|
50
|
|
Шлифовать 4 поверхности выдерживая р-р 90мм
|
-
|
30
|
|
Сверлить 16 отв. Ø35 L=48мм
|
-
|
20
|
|
030
|
Зубофрезерная
|
|
|
|
Нарезать червячной фрезой 142 зуба m=30
|
2bz·10 -3
|
102
|
|
|
ИТОГО:
|
748,51
|
3.5 Выбор типа производства
Количество изготавливаемых деталей 100 штук.
Выбор типа производства выполнен по среднему коэффициенту загрузки
оборудования.
, (3.3)
средняя продолжительность операций 124 мин.
. (3.4)
При
таком
выбираем среднесерийное производство.
В
этом типе производства наиболее рационально применение станков с ЧПУ.
3.6 Организации технологического процесса
Для изготовления деталей «рычаг» могут быть выбраны или рекомендованы
следующие формы организации технологического процесса:
)Участки станков по видам обработки;
)Специализированный участок;
)Предметный участок;
)Групповой участок;
)Гибкая производственная система.
Из этих форм организации выбрана форма специализированного участка, т.к.
– это более компактная программа, она требует меньше производственных
площадей, меньше служащего персонала, оборудования , снижающего производства;
– размещения оборудования приближенному к технологическому потоку;
– более эффективное руководство;
– возможность эффективно использовать средства автоматизации.
3.7 Расчет припусков на обработку
Расчет
припуска выполнен для характерного размера заготовки (внутренний диаметр ø
)
Расчет
припуска произведен по методике Кована:
, мкм,
(3.5)
где
Zmin - min гарантийный припуск;
Rz -
высота микронеровностей;
τ - 300мкм;
ρ - отклонение, искажение формы;
ε - погрешность установа, закрепления.
Rz+ τ = 600 мкм, ρ = 300 мкм,
ε
= 300÷320 мкм.
мкм.
(3.6)
Расчетная схема для определения припусков представлена на рисунке 3.2.
Рисунок
3.2 - Расчетная схема определения припусков
δ=63Н8
=46 мкм
δзаг.=63Н15-1.600=1600
мкм
На
остальные поверхности детали установлена такая же величина припуска.
.8 Выбор оборудования
Выбор металлорежущих станков для основных станочных операций технического
процесса выполним по методике, изложенной в [3].
Исходные данные для выбора:
- вид обработки;
- гарантийные размеры заготовки;
размер обрабатываемой поверхности;
форма обрабатываемых поверхностей и применяемый инструмент;
точность обработки;
шероховатость поверхности;
тип производства.
Выбранное оборудование с краткой технической характеристикой
приводится в таблице 3.
Таблица 3 - Выбор оборудования
|
№ п/п
|
Наименование операции
|
Наименование и модель станка
|
Краткая техническая характеристика
|
|
005
|
Фрезерная
|
Фрезерный станок UDM-5221
|
Артикул UC UDM 5221 Тип фрезерного станка Портальный
обрабатывающий центр Наличие ЧПУ С ЧПУ Контроллер Fanuc Oi MD Тип ограждения
Закрытого типа Диапазон перемещений X/Y/Z 5200/2100/800 мм Длина стола 5000
мм Ширина стола 1800 мм Конус шпинделя BT-50 Максимальная мощность шпинделя
18,5 кВт Максимальная частота вращение шпинделя..4000 об/мин
|
|
010
|
Радиально-сверлильная
|
BO 130 - Горизонтальный сверлильно-фрезерный станок
|
Рабочая зона технол. ход, ось X 2000 мм технол. ход, ось Y 1800 мм технол. ход, ось Z 900 мм технол. ход, ось W 2000 мм ход поперечных салазок суппорта 250
мм зажимная поверхность стола
1600x1800 мм допуст. нагрузка стола 10000 кг расстояние ось шпинделя/стол 0 -
1800 мм скорость поворота поворотного стола 1,2 об/мин
|
|
015
|
Слесарно-сборочная
|
Электрогайковерт 1/2" 400 Н/м АКБ
|
Технические характеристики: - привод: 1/2"; -
развиваемое усилие: 400 Нм; - частота вращения: 2000 об/мин; - габаритные
размеры: 270х250х80мм.
|
|
020
|
Токарно-карусельная
|
Токарно-карусельные станки типа SENQ 5000
|
Рабочие параметры Тип SENQ 5000 Макс. диаметр обточки 5000 мм Диаметр стола 4000/ 4500 мм Макс. высота заготовки 2000~3150 мм
Макс. вес заготовки 32~63 т Горизонтальный ход суппорта
-20~2765 мм Макс. усилие резания правого суппорта 40/ 50 кН Макс. усилие резания левого суппорта
35 кН Макс. крутящий момент стола 80 /
100 кН·м Диапазон скоростей стола (16 ступеней) 1.6~50 / 0.63 - 63 об/мин Ускоренный ход суппорта 4000/ 6000/
8000 мм/мин Вращающий момент двигателя подачи 42 кН·м Мощность главного двигателя AC:55
кВт / DC:75 кВт Размер суппорта 240~280 мм2 Вертикальный ход (вертикального)
суппорта 1250 / 1400 / 1600 / 2000 мм 1 пара направляющих стола
гидростатика/ скольжение Система ЧПУ Siemens
|
|
025
|
Слесарная
|
УШМ '(болгарка) MAKITA BGA452Z аккумуляторная Сверлильный
станок на магнитном основании MAB 485
|
Обороты 10000 об/мин Диаметр круга 115 мм Резьба шпинделя
М14 Защита от непреднамеренного пуска + Тип исполнения переносной Тип привода
перемещения шпинделя сервопривод Ход 160 мм Размер магнита 84 x 168 x 41.5 мм
Ступень редуктора 1 50 - 250 об/мин Ступень редуктора 2 100 - 450 об/мин
Корончатое сверло, короткое, 30 мм 12 - 40 мм Корончатое сверло, длинное, 55
мм 12 - 40 мм
|
|
030
|
Зубофрезер-ная
|
Зубофрезерный станок модуль 30/40 LIEBHERR LC 6000
|
Максимальный диаметр заготовки 6500 мм Номинальный модуль
нарезки (червячной фрезой/ фасонной фрезой) 30/40 Диаметр планшайбы 3000 мм
Размеры отверстия в столе (диаметр/глубина) 1000 мм/ сквозное Минимальное и
максимальное расстояние между осью фрезы и осью детали 710/3410 мм Максимальный
продольный ход осевых салазок 1200 мм Максимальная нагрузка на стол 520 кН
Максимальные размеры фрезы (диаметр/длина) 450/700 мм Угол поворота оси
шпинделя фрезы +45° -45° Точность нарезаемых зубчатых колес.
|
|
|
|
|
|
3.9 Выбор станочных приспособлений
Выбор приспособлений осуществляется, по возможности, из числа стандартных
или типовых конструкций станочных приспособлений, обычно универсальных.
Станочное приспособление должно обеспечивать базирование заготовки в
соответствии с выбранной схемой базирования, надежное закрепление заготовки.
Выбор станочных и инструментальных приспособлений выполнен по методике,
изложенной в [4] .
Исходные данные, которые учитывались при выборе приспособлений:
Вид обработки, размеры заготовки; форма и расположение поверхностей
детали; схема базирования, точность обработки; тип силового привода.
Станочные и инструментальные приспособления с краткой технической
характеристикой приведены в таблице 4.
Таблица 4- Станочные и инструментальные приспособления
|
№ п/п
|
Наименование операции
|
Наименование приспособлений
|
Обозначение приспособления
|
|
1
|
Фрезерная
|
Универсальные машинные тиски со сменной наладкой
|
Станочные тиски ГОСТ 4045-57
|
|
2
|
Радиально-сверлильная
|
Универсальные машинные тиски со сменной наладкой
|
Станочные тиски ГОСТ 4045-57
|
|
3
|
Слесарно-сборочная
|
Сборочный стол
|
-
|
|
4
|
Токарно-карусельная
|
Планшайба
|
-
|
|
5
|
Слесарная
|
Сборочный стол
|
-
|
|
6
|
Зубофрезерная
|
Оправка
|
-
|
3.10 Выбор режущих инструментов
Согласно методике, приведенной в [1]. Выбор режима инструментов
производится в несколько стадий с учётом их данных.
Исходные данные:
Вид обработки, форма обработки поверхности, расположение обрабатываемой
поверхности, размеры обрабатываемой поверхности, точность, шероховатость,
обрабатываемый материал, тип производства.
Для изготовления режущего инструмента применяют
следующие инструментальные материалы углеродистые, легированные, быстрорежущие
стали; твердые сплавы; минералокерамику; искусственные алмазы; синтетические
материалы (композиты, гек-сомиты) и др.
Резцы. Наиболее распространенным видом режущего
инструмента, применяемым на токарных станках, являются резцы. По конструкции
резцы разделяют на прямые правые и левые и отогнутые. Для определения
направления режущей кромки резца кладут ладонь на его поверхность так, чтобы
пальцы были направлены к вершине резца. Левым называют резец, главная режущая
кромка которого окажется со стороны большого пальца левой руки, а правым,
режущая кромка которого окажется со стороны большого пальца правой руки.
Наименование и краткая техническая характеристика инструментов приведены
в таблице 5.
Таблица 5 - Режущие инструменты
|
№ п/п
|
Наименование перехода
|
Наименование инструмента
|
Материал
|
|
005
|
Фрезерная 1 установ
|
|
|
|
Фрезеровать 1 торец S=106х400 в р-р 2160
|
Фреза торцевая 100 Z=80
|
Р6М5
|
|
Фрезерная 2
установ
|
|
|
|
Фрезеровать 2 торец S=106х400 в р-р 2160
|
Фреза торцевая 100 Z=80
|
Р6М5
|
|
010
|
Радиально-сверлильная
|
|
|
|
Сверлить присоединительные сквозные отверстия Ø10
L=90 8шт.
|
Сверло спиральное Ø10
|
Р6М5
|
|
Сверлить присоединительные сквозные отверстия Ø25
L=90 8шт.
|
Сверло спиральное Ø25
|
Р6М5
|
|
Сверлить присоединительные сквозные отверстия Ø44
L=90 8шт.
|
Сверло спиральное Ø44
|
Р6М5
|
|
|
Повторить операции 005 и 010 для второй половины заготовки
|
|
|
|
015
|
Слесарно-сборочная
|
|
|
|
Собрать 2 полузаготовки на болтовое соединение
|
-
|
-
|
|
020
|
Токарно-карусельная 1 установ
|
|
|
|
Подрезать торец Ø4340 L=395мм t=2.5 i=4
|
Резец проходной упорный
|
Т15К6
|
|
Подрезать торец Ø3960 L=186мм t=4 i=2
|
Резец проходной упорный
|
Т15К6
|
|
Подрезать торец Ø3908 L=160мм t=3 i=4
|
Резец проходной упорный
|
Т15К6
|
|
|
Точить поверхность Ø4340 L=410мм t=2,5 i=4
|
Резец проходной упорный
|
Т15К6
|
|
Точить 2 фаски 2х45° Ø 33
|
Резец расточной
|
Т15К6
|
|
Точить 2 фаски 3х45° Ø 63
|
Резец расточной
|
Т15К6
|
|
Токарно-карусельная 2 установ
|
|
|
|
Подрезать торец Ø4320 L=385мм t=2.5 i=4
|
Резец проходной упорный
|
Т15К6
|
|
Подрезать торец Ø3960 L=176мм t=4 i=2
|
Резец проходной упорный
|
Т15К6
|
|
Подрезать торец Ø3908 L=150мм t=3 i=4
|
Резец проходной упорный
|
Т15К6
|
|
Точить фаску Ø4320 10х45°
|
Резец проходной упорный
|
Т15К6
|
|
Сверлить 2 отв. Ø20 L=200мм
|
Сверло спиральное Ø20
|
Р6М5
|
|
Сверлить 2 отв. Ø33 L=200мм
|
Сверло спиральное Ø33
|
Р6М5
|
|
Рассверлить 2 отв. Ø33 до Ø63Н8(+0,046) L=80мм
|
Резец расточной
|
Т15К6
|
|
Точить фаску 2х45° Ø 33
|
Резец расточной
|
Т15К6
|
|
Точить фаску 3х45° Ø 63
|
Резец расточной
|
Т15К6
|
|
025
|
Слесарная
|
|
|
|
Шлифовать 8 поверхностей выдерживая р-р 3180мм
|
Круг лепестковый
|
|
|
Шлифовать 8 поверхностей выдерживая р-р 48мм
|
Круг лепестковый
|
|
|
Шлифовать 4 поверхности выдерживая р-р 90мм
|
Круг лепестковый
|
|
|
Сверлить 16 отв. Ø35 L=48мм
|
Сверло спиральное Ø35
|
Р6М5
|
|
030
|
Зубофрезерная
|
|
|
|
Нарезать червячной фрезой 142 зуба m=30
|
Червячная фреза m=30
|
Р6М5
|
3.11 Выбор режимов резания
Типовые режимы резания для основных станочных приспособлений и переходов
выбраны по материалам [4].
Режимы резания выбраны с учетом МС, СС производства, автоматизированного
оборудования (станки с ЧПУ): скорость резания, подача, глубина, длина рабочего
хода и др.
Они приведены в таблице 6.
Таблица 6 - Режимы резания
|
№ п/п
|
Наименование операций и переходов
|
Режимы резания
|
|
|
t, мм
|
S, мм/об
|
V, м/мин
|
n, об/мин
|
F, мм/мин
|
|
005
|
Фрезерная 1 установ
|
|
|
|
|
|
|
Фрезеровать 1 торец S=106х400 в р-р 2160
|
2,5
|
0,2
|
22
|
70
|
14
|
|
Фрезерная 2
установ
|
|
|
|
|
|
|
Фрезеровать 2 торец S=106х400 в р-р 2160
|
2,5
|
0,2
|
22
|
70
|
14
|
|
010
|
Радиально-сверлильная
|
|
|
|
|
|
|
Сверлить присоединительные сквозные отверстия Ø10
L=90 8шт.
|
0,1
|
18,8
|
600
|
60
|
|
Сверлить присоединительные сквозные отверстия Ø25
L=90 8шт.
|
12,5
|
0,2
|
19,6
|
250
|
50
|
|
Сверлить присоединительные сквозные отверстия Ø44
L=90 8шт.
|
22
|
0,2
|
13,8
|
100
|
20
|
|
|
Повторить операции 005 и 010 для второй половины заготовки
|
|
|
|
|
|
|
015
|
Слесарно-сборочная
|
|
|
|
|
|
|
Собрать 2 полузаготовки на болтовое соединение
|
|
|
|
|
|
|
020
|
Токарно-карусельная 1 установ
|
|
|
|
|
|
|
Подрезать торец Ø4340 L=395мм t=2.5 i=4
|
2,5
|
0,5
|
136
|
10
|
5
|
|
Подрезать торец Ø3960 L=186мм t=4 i=2
|
4
|
0,5
|
124
|
10
|
5
|
|
Подрезать торец Ø3908 L=160мм t=3 i=4
|
3
|
0,5
|
123
|
10
|
5
|
|
|
Точить поверхность Ø4340 L=410мм t=2,5 i=4
|
2,5
|
0,4
|
136
|
10
|
4
|
|
|
Точить фаску Ø4320 10х45°
|
2,5
|
0,4
|
136
|
10
|
4
|
|
|
Сверлить 2 отв. Ø20 L=210мм
|
10
|
0,2
|
12,6
|
200
|
40
|
|
|
Сверлить 2 отв. Ø33 L=210мм
|
16,5
|
0,2
|
15,5
|
150
|
30
|
|
|
Расточить 2 отв. Ø33 до Ø63Н8(+0,046) L=80мм
|
31,5
|
0,4
|
79,1
|
400
|
160
|
|
Точить 2 фаски 2х45° Ø 33
|
2
|
0,4
|
77,7
|
750
|
300
|
|
Точить 2 фаски 3х45° Ø 63
|
3
|
0,4
|
79,1
|
400
|
160
|
|
Токарно-карусельная 2 установ
|
|
|
|
|
|
|
Подрезать торец Ø4320 L=385мм t=2.5 i=4
|
2,5
|
0,5
|
136
|
10
|
5
|
|
Подрезать торец Ø3960 L=176мм t=4 i=2
|
4
|
0,5
|
124
|
10
|
5
|
|
Подрезать торец Ø3908 L=150мм t=3 i=4
|
3
|
0,5
|
123
|
10
|
5
|
|
Точить фаску Ø4320 10х45°
|
2,5
|
0,4
|
136
|
10
|
4
|
|
Сверлить 2 отв. Ø20 L=200мм
|
10
|
0,2
|
12,6
|
200
|
40
|
|
Сверлить 2 отв. Ø33 L=200мм
|
16,5
|
0,2
|
15,5
|
150
|
30
|
|
Рассверлить 2 отв. Ø33 до Ø63Н8(+0,046) L=80мм
|
31,5
|
0,4
|
79,1
|
400
|
160
|
|
Точить фаску 2х45° Ø 33
|
2
|
0,4
|
77,7
|
750
|
300
|
|
Точить фаску 3х45° Ø 63
|
3
|
0,4
|
79,1
|
400
|
160
|
|
025
|
Слесарная
|
|
|
|
|
|
|
Шлифовать 8 поверхностей выдерживая р-р 3180мм
|
|
|
|
|
|
|
Шлифовать 8 поверхностей выдерживая р-р 48мм
|
|
|
|
|
|
|
|
|
|
|
|
|
|
|
|
|
|
|
3.12 Выбор средств измерения и контроля
Средства измерения и контроля приведены для контрольной операции.
Контрольные размеры, средства измерения и их метрологические
характеристики приведены в таблице 7.
Таблица 7 - Средства измерения и контроля
|
№ п/п
|
Средства измерения и контроля
|
Наименование средства измерения
|
Метрологические характеристики
|
|
1
|
Штангенциркуь 250-630
|
360мм
|
С = 0,01 D = ±10
|
|
2
|
Штангенциркуль ШЦ-l-0-150
|
Ø180 20мм
|
С = 0,01 D = ±10
|
|
3
|
Нутромер индикаторный Пробка Æ8Н7, Æ10Н7
|
Æ63Н8
|
С = 0,01 D = ±10D=8,
точность 8 квалитет
|
|
Калибр
пробка Æ35, Æ44
|
Æ35, Æ44
|
|
3.13 Уточненное нормирование
Расчет технической нормы времени
Основное время:
Tо=Lр.х·i /S·n. мин, (3..7)
где Lр.х - длина рабочего хода, мм;
i-число
проходов;
S -значение подач, мм/мин.;
n-частота
вращения детали.
Норма штучно-калькуляционного времени Тш-к:
Тшт-к= Тп-з / n+Тшт, мин (3.8)
Тшт=То+Тв=Тоб=Тот, мин, (3.9)
где Тпз- подготовительное время, мин;
n-количество
деталей, шт;
То- технологическое время, мин;
Тв- вспомогательное время.
Тот- время перерывов на отдых и личные надобности, мин.
Тв = Ту.с.+Тз.о.+Туп+Тиз,
v, мин, (3.10)
где: Тз.о - время на закрепление и открепление детали, мин;
Туп - время на приемы управления, мин;
Тиз - время на измерение детали, мин;
Тоб - время на обслуживание рабочего места, мин.
Время на техническое обслуживание рабочего места:
Тоб=Ттех+ Торг, мин, (3.11)
где Тоб- время на обслуживание рабочего места, мин;
Торг- организационное обслуживание, мин.
В серийном производстве время на техническое обслуживание рабочего
определяется формулам:
для токарных, фрезерных и сверлильных операций:
Ттех= Тоtсм/Т, (3.12)
для остальных операций:
Ттех = ТоПтех/Т, (3.13)
где То - основное время, мин;
tсм
- время на смену
инструментов и подналадку станка, мин;
tп - время на одну правку шлифовального
круга, мин;
Птех - затраты на техническое обслуживание рабочего места .
Т - период стойкости при работе одним инструментом.
Технические нормы представлены в таблице 8.
Таблица 8 - Технические нормы времени по операциям, мин
|
Номер и наименование операции
|
То
|
Тв
|
Ттех
|
Тоб
|
Тот
|
Тп-з
|
Тш-к
|
|
|
Ту.с.+Тз.о.
|
Туп
|
Тиз
|
|
Ттех
|
Торг
|
|
|
|
|
Фрезерная
|
45,72
|
0,21
|
0,12
|
0,45
|
4,1
|
0,18
|
0,4
|
0,1
|
18,288
|
69,56
|
|
Радиально-сверлильная (соединительные отверстия)
|
124,8
|
0,23
|
0,1
|
0,5
|
3,7
|
0,13
|
0,37
|
0,14
|
49,92
|
179,8
|
|
Токарно-карусельная
|
1497,1
|
0,27
|
0,14
|
0,1
|
1,1
|
0,1
|
0,14
|
0,07
|
598,84
|
2097,86
|
|
Зубофрезерная
|
511,2
|
0,23
|
0,1
|
0,5
|
3,7
|
0,13
|
0,37
|
0,14
|
204,48
|
720,8
|
|
ИТОГО:
|
2178,8
|
0,94
|
0,46
|
1,55
|
12,6
|
0,54
|
1,28
|
0,45
|
871,53
|
3068,2
|
4. БЕЗОПАСТНОСТЬ И ЭКОЛОГИЧНОСТЬ ПРОЕКТА
.1 Определение количества основного оборудования
механического цеха
Технологический процесс изготовления детали «Вал» представлен в таблице
9.
Таблица 9 - Технологический процесс изготовления детали «Вал»
|
Номер операции
|
Наименование операции
|
Тип и модель оборудования
|
Время, мин
|
Инструмент
|
|
|
|
tо
|
tв
|
tшт
|
tпз
|
tшк
|
режущий
|
мерительны
|
|
005
|
Токарная
|
Токарный станокcЧПУ 16К20Ф3 Н22-1М
|
-
|
-
|
-
|
-
|
12
|
Резец для черновой и резец для чистовой обработки
|
Штангенциркуль
|
|
|
|
|
|
|
|
8
|
|
|
|
010
|
Шпоночно-Фрезерная
|
Шпоночно-Фрезерный станок6Д92
|
-
|
-
|
-
|
-
|
10
|
Шпоночная фреза
|
Штангенглубиномер
|
|
015
|
Круглошлифовальная
|
Круглошлифовальный станок 3М150
|
-
|
-
|
-
|
-
|
10
|
Шлифовальный круг
|
Индикатор
|
Технологический процесс изготовления детали «Звездочка» представлен в
таблице 10.
Таблица 10 - Технологический процесс изготовления детали «Звездочка»
|
Номер операции
|
Наименование операции
|
Тип и модель оборудования
|
Время, мин
|
Инструмент
|
|
|
|
tо
|
tв
|
tшт
|
tпз
|
tшк
|
режущий
|
мерительный
|
|
005
|
Токарная
|
Токарный станокcЧПУ 16К20Ф3 Н22-1М
|
-
|
-
|
-
|
-
|
3
|
Резец для черновой и резец для чистовой обработки
|
Штангенциркуль
|
|
|
|
|
|
|
|
1
|
|
|
|
010
|
Протяжная-горизонтальная
|
Горизонтально-протяжной полуавтомат 7Б55У
|
|
|
|
|
2
|
Цельные внутренние протяжки всевозможных запроектированных
профилей.
|
Штангенциркуль
|
|
015
|
Зубофрезерная
|
Зубофрезерный станок 5К310
|
|
|
|
|
16
|
Штангенциркуль
|
|
020
|
Внутришлифовальная
|
станок внутришлифовальный универсальный особо высокой
точности3К228А
|
|
|
|
|
10
|
шлифовальный круг
|
Штангенциркуль
|
Технологический процесс изготовления детали «Корпус» представлен в
таблице 11.
Таблица 11- Технологический процесс изготовления детали «Корпус»
|
Номер операции
|
Наименование операции
|
Тип и модель оборудования
|
Время, мин
|
Инструмент
|
|
|
|
tо
|
tв
|
tшт
|
tпз
|
tшк
|
режущий
|
мерительный
|
|
005
|
Токарная
|
Токарный станокcЧПУ 16К20Ф3 Н22-1М
|
-
|
-
|
-
|
-
|
2,16
|
Резец для черновой и резец для чистовой обработки
|
Штангенциркуль
|
|
|
|
|
|
|
|
1,14
|
|
|
|
010
|
Сверлильная
|
Вертикально-сверлильный станок модели 2P135Ф2-1
|
-
|
-
|
-
|
-
|
1,5
|
сверло
|
Штангенциркуль
|
|
015
|
Расточная
|
Расточной станок 2622А
|
|
|
|
|
6
|
Зенкер
|
Штангенциркуль
|
Фд-действительный годовой фонд времени работы единицы
оборудования в часах.
Определяется количество производственных участков цеха:
2) Годовая программа проектируемого цеха распределяется
поровну между производственными участками.
Годовая программа основных участков в нормо-часах составит:
Распределение по операциям участка изготовления деталей типа
«Вал» представлено в таблице 12.
Таблица 12 - Распределение по операциям оборудования участка изготовления
деталей типа «Вал»
|
Номер операции
|
Наименование операции
|
Тип и модель оборудования
|
tо мин
|
tв мин
|
tшт мин
|
tпз мин
|
tшк мин
|
Т∑к мин
|
δТпр ч/мин
|
ΔТпр ч
|
Фд ч
|
Ср
|
|
005
|
Токарная с ЧПУ
|
Токарный станок c ЧПУ 16К20Ф3С5
|
|
|
|
|
20
|
33
|
363
|
7272
|
40
|
18,18
|
|
010
|
Кругло-шлифовальная
|
Кругло-шлифовальный станок 3М150
|
|
|
|
|
10
|
|
|
3636
|
40
|
9,1
|
|
015
|
Сверлильная
|
Сверлильный станок Z5140А
|
|
|
|
|
3
|
|
|
1090
|
40
|
2,7
|
|
ИТОГО
|
120000
|
|
30
|
Распределение по операциям участка изготовления деталей типа «Звездочка»
представлено в таблице 13.
Таблица 13 - Распределение оборудования по участкам изготовления деталей
типа «Звездочка»
|
Наименование операции
|
Тип и модель оборудования
|
tо мин
|
tв мин
|
tшт мин
|
tпз мин
|
tшк мин
|
Т∑к мин
|
δТпр ч/мин
|
ΔТпр ч
|
Фд ч
|
Ср
|
|
005
|
Токарная
|
Токарный станокcЧПУ 16К20Ф3 Н22-1М
|
|
|
|
|
3
|
32
|
3750
|
11250
|
40
|
2,
|
|
|
|
|
|
|
|
1
|
|
|
3750
|
|
94
|
|
010
|
Горизонтпльно-протяжная
|
Горизонтально-протяжной полуавтомат 7Б55У
|
|
|
|
|
2
|
|
|
7500
|
40
|
88
|
|
015
|
Зубофрезерная
|
|
|
|
|
|
|
|
|
|
|
|
Распределение по операциям участка изготовления деталей типа «Корпус»
представлено в таблице 14.
Таблица 14 - Распределение оборудования по участкам изготовления деталей
типа «Корпус»
|
Номер операции
|
Наименование операции
|
Тип и модель оборудования
|
tо мин
|
tв мин
|
tшт мин
|
tпз мин
|
tшк мин
|
Т∑к мин
|
δТпр ч/мин
|
ΔТпр
|
Фд ч
|
Ср
|
|
005
|
Токарная
|
Токарный станокcЧПУ 16К20Ф3 Н22-1М
|
|
|
|
|
2,16
|
10,78
|
11131,73
|
240
|
40
|
6
|
|
|
|
|
|
|
|
1,12
|
|
|
124
|
|
3
|
|
010
|
Сверлильная
|
Вертикально-сверлильный станок модели 2P135Ф2-1
|
|
|
|
|
1,5
|
|
|
160
|
40
|
4
|
|
015
|
Расточная
|
Расточной станок 2622А
|
|
|
|
|
6
|
|
|
66790,38
|
4000
|
6
|
Штучно - калькуляционное время, суммированное по всем операциям:

где Nпр - количество операций
технологического процесса.
Число нормо-часов заданной годовой программы участка, приходящейся на
одну минуту суммарного штучно - калькуляционного времени:
Часть годовой производственной программы, приходящаяся на оборудование,
выполняющее эту операцию:
24044,54
(4.11)
Расчетное количество оборудования, необходимого для выполнения каждой
операции:
,
Ведомость оборудования производственного участка «Вал» представлена в
таблице 15.
Таблица 15 - Ведомость оборудования производственного участка «Вал»
|
№ п/п
|
Тип оборудования
|
Модель
|
Расчетное количество оборудования
|
Принятое количество оборудования
|
Коэффициент загрузки
|
|
|
|
∑Ср
|
Спр
|
Кз
|
|
1
|
Станок токарныйс ЧПУ
|
16К20Ф3 Н22-1М
|
9
|
9
|
1
|
|
|
|
6
|
6
|
1
|
|
2
|
Станок фрезерный
|
6Д92
|
7,5
|
8
|
0,94
|
|
3
|
Станок круглошлифовальный
|
3М150
|
7,5
|
8
|
0,94
|
|
ИТОГО
|
30
|
31
|
0,97
|
Ведомость оборудования производственного участка «Звездочка» представлена
в таблице 16.
Таблица 16 - Ведомость оборудования производственного участка «Звездочка»
|
№ п/п
|
Тип оборудования
|
Модель
|
Расчетное количество оборудования
|
Принятое количество оборудования
|
Коэффициент загрузки
|
|
|
|
∑Ср
|
Спр
|
Кз
|
|
1
|
Станок токарныйс ЧПУ
|
16К20Ф3 Н22-1М
|
2,81
|
3
|
0.94
|
|
|
|
0,94
|
1
|
0,94
|
|
2
|
Горизонтально-протяжной полуавтомат
|
7Б55У
|
1,88
|
2
|
0,94
|
|
3
|
Зубофрезерный станок
|
5К310
|
15
|
15
|
1
|
|
4
|
Внутришлифовальный станок
|
3К228А
|
9,38
|
10
|
0,94
|
|
ИТОГО
|
30
|
31
|
0,97
|
Ведомость оборудования производственного участка «Корпус» представлена в
таблице 17.
Таблица 17 - Ведомость оборудования производственного участка «Корпус»
|
№ п/п
|
Тип оборудования
|
Модель
|
Расчетное количество оборудования
|
Принятое количество оборудования
|
Коэффициент загрузки
|
|
|
|
∑Ср
|
Спр
|
Кз
|
|
1
|
Станок токарныйс ЧПУ
|
16К20Ф3 Н22-1М
|
6,01
|
7
|
0,86
|
|
|
|
3,12
|
4
|
0,79
|
|
2
|
Станок сверлильный с ЧПУ
|
2Р135Ф2-1
|
4,17
|
5
|
0,83
|
|
3
|
Станок расточной
|
2622А
|
16,70
|
17
|
0,98
|
|
ИТОГО
|
30
|
33
|
0,91
|
Суммарные расчетные значения ∑Срдля каждой модели
округляются до большего целого - принятого количества Спр.
Полученное значение принимается как средний коэффициент загрузки по цеху.
Пересчитывается общее количество производственного оборудования цеха.
Распределение найденного оборудования представлено в таблице 18.
Таблица 18 - Распределение найденного количества оборудования
|
№ п/п
|
Наименование участка
|
Количество единиц оборудования на участке
|
|
1
|
Участок по изготовлению Вала
|
31
|
|
2
|
Участок по изготовлению Звездочки
|
31
|
|
3
|
Участок по изготовлению Корпуса
|
33
|
|
Всего
|
95
|
Ведомость производственного оборудования участка изготовления деталей
«Вал » представлена в таблице 19.
Таблица 19 - Ведомость производственного оборудования участка
изготовления деталей «Вал »
|
№ п/п
|
Наименование оборудования
|
Модель
|
Количество оборудования
|
|
1
|
Токарный станок
|
16К20Ф3 Н22-1М
|
9
|
|
|
|
6
|
|
2
|
Шпоночно-фрезерный
|
6Д92
|
8
|
|
3
|
Круглошлифовальный
|
3М150
|
8
|
|
Итого
|
31
|
Ведомость производственного оборудования участка изготовления деталей
«Звездочка» представлена в таблице 20.
Таблица 20 - Ведомость производственного оборудования участка
изготовления деталей «Звездочка»
|
№ п/п
|
Наименование оборудования
|
Модель
|
Количество оборуд.
|
Токарный станок
|
16К20Ф3 Н22-1М
|
3
|
|
|
|
1
|
|
2
|
Горизонтально-протяжной полуавтомат
|
7Б55У
|
2
|
|
3
|
Зубофрезерный станок
|
5К310
|
15
|
|
4
|
Внутришлифовальный станок
|
3К228А
|
10
|
Ведомость производственного оборудования участка изготовления деталей
«Корпус» представлена в таблице 21.
Таблица 21 - Ведомость производственного оборудования участка
изготовления деталей «Звездочка»
|
№ п/п
|
Наименование оборудования
|
Модель
|
Количество оборудования
|
|
1
|
Токарный станок
|
16К20Ф3 Н22-1М
|
7
|
|
|
|
4
|
|
2
|
Станок сверлильный с ЧПУ
|
2Р135Ф2-1
|
5
|
|
3
|
Станок расточной
|
2622А
|
17
|
|
Итого
|
33
|
Окончательно количество оборудования на участках определяется с учетом
того, что в общих производственных помещениях, участках цеха типа вал левый,
вал правый и вал средний располагаются станки: Токарные 16К20Ф3, Станки
шпоночно-фрезерные 6Д92 и станки Круглошлифовальные 3М150.
Суммарное количество оборудования на всех производственных участках и в
отделениях должно соответствовать принятому количеству основного
технологического оборудования цеха С1пр.ц.=95
4.1.1 Определение состава и количества производственных
рабочих механического цеха
При детальных расчетах численность производственных рабочих
рассчитывается по принятому количеству единиц оборудования:

где Фд- действительный годовой фонд времени работы одной
единицы оборудования, ч;
Спр ч- принятое количество единиц оборудования данной модели;
Кз- коэффициент загрузки оборудования. Принимается расчетное
значение для соответствующего типа оборудования, а если его нет, то среднее
значение по цеху.
Количество наладчиков:

Где ∑Спр - принятое количество станков данной группы;
Нобсл - норма обслуживания станков одним наладчиком, мин.
Ведомость работающих в цехе представлена в таблице 22.
Таблица 22 - Ведомость работающих в цехе
|
№
|
Должность (профессия)
|
Количество работающих
|
Всего
|
|
|
в первую смену
|
во вторую смену
|
|
|
1
|
Производственные рабочие По изготовлению: Вала Звездочки
Корпуса ИТОГО
|
35 33 33 101
|
30 32 33 95
|
65 65 66 196
|
|
2
|
Вспомогательные рабочие: - наладчик - распределитель работ
- кладовщик - кладовщик - раздатчик - станочник (РЕМПРИ) - водитель - уборщик
помещений ИТОГО
|
6 1 1 1 4 1 1 15
|
3 1 1 1 1 7
|
9 1 2 2 4 2
2 22
|
|
3
|
Служащие: - секретарь - табельщик - нарядчик - старший
кладовщик ИРС ИТОГО
|
1 1 1 1 4
|
1 1
|
1 1 1 2 5
|
|
4
|
Специалисты: - инженер - технолог - плановик - инженер -
нормировщик - бухгалтер - экономист - диспетчер ИТОГО
|
10 2 8 2 1 23
|
|
10 2 8 2 1 23
|
|
ВСЕГО РАБОТНИКОВ
|
159
|
116
|
273
|
4.1.2 Предварительное определение производственной площади
цеха (участка)
Площадь цеха делится на производственную, вспомогательную и площадь
служебно-бытовых помещений. Сумма производственной и вспомогательной дает общую
площадь цеха.
Производственная площадь цеха:
где Sуд.пр - площадь, приходящаяся на единицу
оборудования, м2.
4.1.3 Определение количества производственного оборудования
сборочного производства
Количество рабочих мест для сборочного отделения:
где Мф- количество рабочих мест
обшей (узловой) сборки цеха или отделения;
Тсб - суммарная усредненная трудоемкость сборочного
цеха (отделения), ч;=3000 нормо∙час
Фд- действительный годовой фонд времени работы единицы
сборочного оборудования в часах; принимается аналогично фонду времени для
оборудования механических цехов (участков) мин;
Рср- средняя плотность работы при определении количества
рабочих мест по сборочному цеху (отделению).Pср может быть принята в пределах 1,2÷1,8.
Осб- количество сборочного оборудования данного типа
(столов), шт.
Т сб- годовая трудоемкость выполнения операции
на оборудовании данноготипа, ч;
Фд- действительный годовой фонд времени работы
оборудования при принятом числе смен нормо
4.1.4 Определение состава и количества производственных
рабочих сборочного цеха (участка)
Потребное количество сборщиков определяется:
4.2 Проектирование вспомогательного производства
механосборочного цеха
.2.1 Определение расхода инструмента
Методы расчета расхода инструментальной оснастки различаются в
зависимости от типа производства.
Для токарных черновых резцов:
Для токарных чистовых резцов:
Для шпоночно-фрезерной:
Для круглошлифовальной:
где N - годовая программа выпуска деталей
определенного типоразмера, шт.;
tм - машинное время работы данного
инструмента при обработке данной детали, мин;
При практических расчетах расхода инструмента данного типоразмера вместо
выражения N
tм можно использовать значение ΔТпр. для каждой операции.
Tизн- машинное время работы данного
инструмента до полного его износа, час;
kу - коэффициент случайной убыли
инструмента.
Машинное время работы инструмента до полного его износа рассчитывается по
формуле:
Для резцов:
Для Шлифовальных кругов:
Для зенкеров:
Ведомость расхода инструмента представлена в таблице 23.
Таблица 23 - Ведомость расхода инструмента
|
№
|
Операция
|
Инструмент
|
Вид инструмента
|
Годовой расход, шт.
|
Оборотный фонд инструмента, шт.
|
|
005
|
Токарная
|
Режущий
|
Резец черновой
|
|
34
|
|
|
|
Резец чистовой
|
|
34
|
|
|
Мерительный
|
Штангельцыркуль
|
-
|
-
|
|
010
|
Шпоночно-фрезерная
|
Режущий
|
Фреза шпоночная
|
|
18
|
|
|
Мерительный
|
Штангенглубинометр
|
-
|
-
|
|
015
|
Кругло-шлифовальная
|
Режущий
|
Шлифовальный круг
|
331
|
29
|
|
|
Мерительный
|
Индикатор
|
-
|
-
|
|
020
|
Горизонтально-протяжная
|
Режущий
|
Протяжки
|
35
|
36
|
|
|
Мерительный
|
Штангенциркуль
|
-
|
-
|
|
025
|
Зубофрезерная
|
Режущий
|
Дисковая фасонная фреза
|
4511
|
34
|
|
|
Мерительеый
|
Штангенциркуль
|
-
|
-
|
|
030
|
Внутришлифовалная
|
Режущий
|
Шлифовальный круг
|
29
|
114
|
|
|
|
|
|
|
|
|
Мерительный
|
Штангенциркуль
|
-
|
-
|
.2.2 Инструментально - раздаточный склад
Общая площадь ИРС механического цеха подсчитывается путем суммирования
площадей:
где Sин - площадь для складирования режущего
и вспомогательного инструмента, м2;
Sосн- площадь для складирования
инструментальной оснастки, м2;
Sабр - площадь для складирования
шлифовальных и полировальных кругов, м2 ;
SУСП- площадь для складирования
универсальных приспособлений, м2 (должна быть не менее 20 м2).
.2.3
Определение площади ЦРБ
где Sуд - удельная площадь, составляющая от
22 до 28 м2 в зависимости от оборудования базы. Чем меньше
оборудования устанавливается в ЦРБ, тем большей принимается величина удельной
площади.
.2.4 Склад материалов и заготовок
где Qз - общая масса заготовок, проходящих через склад за
год, т:
Мз- масса заготовки детали- представителя, кг;
Nпр- годовая программа цеха, нормо-час;
Т∑к- суммарное штучно-калькуляционное время,
затрачиваемое на изготовление детали - представителя, мин;
tз - запас хранения заготовок, дни;
Фг = 365 - число дней в году;
q -
средняя грузонапряженность площади склада (т / м2;
Ки = 0,4 -
коэффициент использования площади склада, учитывающий наличие проходов и
проездов.
.2.5
Межоперационный склад
Площадь межоперационного склада определяется по формуле:
где М - среднее число операций обработки заготовок.
.2.6 Склад
готовых деталей
Площадь склада определяется как:
где Qд - масса деталей, проходящих через склад за год, т.
ЗАКЛЮЧЕНИЕ
В соответствии с заданием был разработан и модернизирован барабанны
охладитель, предназначенный для охлаждения возврата агломерата, поступающего с
агломашины. Сырьем служит агломерат - спекшаяся в куски мелкая (часто
пылевидная) руда размерами 5-100 мм с незначительным содержанием мелочи.
Агломерат получают при обжиге железных и свинцовых руд, цинковых концентратов и
других. Охлаждение агломерата осуществляется в непосредственно в барабане, куда
поступает агломерат вместе с охлаждающей водой. Вода в барабан подается тремя
трубопроводами, на которых установлены форсунки для разбрызгивания воды.
В процессе ВКР было выполнено следующее:
- произведён анализ литературных
данных, который и определил основные направления работ по
проектированию барабанного
охладителя;
- разработан барабан охладителя;
разработана технология изготовления зубчатого венца;
- разработка и модернизация привода охладителя
- разработаны мероприятия, позволяющие обеспечить безопасность и экологичность барабанного охладителя.
СПИСОК
ИСПОЛЬЗОВАННЫХ ИСТОЧНИКОВ
1. Дунаев, П.Ф. Конструирование
узлов деталей и машин:Учебное пособие для машиностроит. спец. вузов - 8-е изд.,
перераб. идоп. /П.Ф.Дунаев, О.П. Леликов. - 8-е изд., перераб. идоп. - М.: Высш.
школа, 2004. - 496 с.
2. Свирщевский, Ю.И. Расчёт и
конструирование коробок скоростей и подач/Ю.И. Свирщевский, Н.Н. Макейчик-
Минск: Вышейш. школа, 1976. - 593 с.
3. Анурьев, В.И. Справочник
конструктора-машиностроителя. В 3-х т./ В.И. Анурьев. - М.: Машиностроение,
1979. - 1844 с.
4. Иванов, М.Н. Детали машин: Учеб.
для студентов высш. техн. учеб. заведений. - 4-е изд., перераб/ М.Н.Иванов.-
М.: Высш. шк., 1991. - 383 с.
. Дементьев,
В.И.Технологиямашиностроения: Учеб. Для ВТУЗов/В.И. Дементьев, В.Л.Дмитриев. -
М.: Высш. шк., 1976. - 536 с.
6. Горбацевич, А.Ф. Курсовое
проектирование по технологиимашиностроения /А.Ф. Горбацевич, В.А. Шкред.- Минск: Вышэйш.
школа, 1983. - 256 с.
. Обработка металлов резанием: Справочник
технолога/А.А. Панов, В.В. Аникин, Н.Г. Бойм и др.; под ред. А А. Панова. - М.:
Машиностроение, 1988. - 736 с.
8. Справочник технолога
машиностроителя. Под ред. А.Н. Малова. - М.: Машиностроение, 1972. - 1052 с.
. Филлипов, Г.В. Режущий
инструмент / Г.В. Филлипов.- Л.: Машиностроение, 1981. - 392 с.
. Аршинов, В.А.Резание металлов и
режущий инструмент/В.А. Аршинов, Г. А.Алексеев. - М.: Машиностроение, 1967. -
500 с.
. Металлорежущие инструменты:
Учебник для ВУЗов по специальностям “Технология машиностроения”,
“Металлорежущие станки и инструменты”/ Г.Н. Сахаров, О.Б. Арбузов, Ю.Л. Боровой
[и др.] - М.: Машиностроение, 1989. - 327 с.
. Ансеров, М.А. Приспособления для
металлорежущих станков/ М.А.Ансеров.- М.: МАШГИЗ, 1960. - 625 с.
. Горошкин, А.К.Приспособления для
металлорежущих станков: Справочник/ А.К. Горошкин. - М.: Машиностроение, 1971.
- 384 с.
. Экономика предприятия: Учебное
пособие/Г.А. Симунина, Е.Н. Симунин,
. Г.А. Краюшкина - Вологда: РИО
ВоГТУ, 2002. - 203 с.
16. Копосова, Т.В. Организация, планирование и
управление предприятием: Методические указания к выполнению курсовой работы для
студентов специальности 120100. - Вологда: ВоПИ, 1996. - 32 с.