Модернизация компрессора установки валоповорота паровой турбины
ВВЕДЕНИЕ
Производство электроэнергии в России
осуществляется на электростанциях. В состав электростанции входят
турбогенераторы, котлы, котлы водогрейные, турбокомпрессоры.
Котлы вырабатывают пар, который вращает ротор
турбин и генераторов, преобразуя пар в электрический ток.
Электростанции бывают: тепловыми (ТЭС),
конденсационными (КЭС) и промышленные теплоцентрали (ТЭЦ). Электростанции
использующие ядерное топливо называются атомными (АЭС).
Гидроэлектростанции используют в качестве
рабочей среды природные ресурсы (воду) - реки, водохранилища.
Конденсационные электростанции вырабатывают
только электрическую энергию.
Тепловые электростанции помимо энергии
вырабатывают тепло.
Для нужд промышленности используют
теплоэнергоцентрали, выработка электричества, отопления, дутья для
технологических процессов.
В состав ТЭЦ входит следующие основные
сооружения: главный корпус, центральная водоподготовительная установка,
водогрейная котельная, склад промпродукта с трактами топливоподачи, система
оборотного водоснабжения с башенными градильнями.
ТЭЦ-ЭВС-2 - теплоэлектроцентраль
электровоздуходувная станция № 2, является структурным подразделением ПАО
"Северсталь" и входит в состав управления главного энергетика
дирекции по производству.
Строительство первой очереди тепловой
электрической станции осуществлялось в пусковом комплексе первой очереди
доменной печи № 5 по проекту, выполненному Ювэнергочерметом совместно с другими
проектными организациями. Пуск 1-ой очереди ТЭЦ-ЭВС-2 осуществлен в 1986 году.
Строительство ТЭЦ-ЭВС-2 определялось необходимостью:
обеспечения тепловых (в горячей воде и
промышленном паре) и электрических нагрузок объектов комплекса ДП № 5, вводимых
в связи со строительством ДП № 5, покрытия дефицита энергоресурсов как
действующих потребителей, так и вводимых в перспективе объектов;
обеспечения третьего независимого и надежного
источника питания электроэнергией для потребителей особой группы 1-ой категории
надежности (электрокомпрессора доменного дутья для ДП № 5, доменные насосные
станции водоснабжения, пульты управления и др.);
использования избытков вторичных топливных
ресурсов (доменный и коксовый газы, промпродукт) действующих и вводимых в
перспективе производств.
ТЭЦ-ЭВС-2 расположена на территории ПАО
"Северсталь", г. Череповец, Вологодской области и входит в состав
объектов теплосилового хозяйства.
На ТЭЦ-ЭВС-2 установлено следующее основное
оборудование:
два энергетических котла типа ТПГЕ-431
производительностью по 500 т/час давлением 140 ата, температурой 560 ˚С
каждый;
два водогрейных котла типа КВГМ-100
производительностью по 100 Гкал/час каждый;
две паровые турбины типа ПТ-80-130/13 с
турбогенераторами типа ТВФ-110 и ТВФ-120 номинальной мощностью по 80 МВт
каждый;
три электрокомпрессора фирмы
"Зульцер", Швейцария типа АV-90(100)-14 + R125-4 производительностью
5500 нм3/час.
Установленная электрическая мощность составляет
160 МВт, тепловая: по пару - 370 т/час, по горячей воде - 360 Гкал/час.
Топливом для энергетических котлов ТЭЦ-ЭВС-2
являются доменный и коксовый газы и промпродукт, для водогрейных котлов -
природный газ.
Основной задачей ТЭЦ-ЭВС-2 является выработка
электроэнергии, пара, тепла с горячей водой и химочищенной воды для цехов ПАО
"Северсталь" и сторонних потребителей, использование (утилизация)
горючих отходов металлургического производства - доменного и коксового газов,
промпродукта, а также обеспечение дутьем необходимых параметров доменной печи №
5.
Тепловая схема электростанции типовая, с
поперечными связями. Режим работы агрегатов ТЭЦ-ЭВС-2 круглосуточный. Схема
выработки электрической и тепловой энергии комбинированная. Все виды
производимой продукции ТЭЦ-ЭВС-2 соответствуют ГОСТам, ТУ и другим требованиям
для данных видов продукции.
ТЭЦ-ЭВС-2 обеспечивает технологические нужды ПАО
"Северсталь" тепло- и электроэнергией и другими энергоресурсами,
позволяет избежать глубоких ограничений в электроэнергии от системы, которые
постоянно имеют место, возможность ввода новых объектов, развитие,
реконструкцию и расширение действующих производств.
Продукция ТЭЦ-ЭВС-2 имеет высокое качество и
поэтому дополнительных затрат на корректировку, преобразование и стабилизацию
параметров при использовании не требуется.
Технологическая схема ТЭЦ-ЭВС-2 представляет
собой сложный процесс. В главном корпусе установлено 2 паровых котла и 2
паровые турбины.
Котлы работают на совместном и раздельном
сжигании доменного, коксового газов и промпродукте. Резервным топливом является
природный газ.
Топливоподача с системой конвейеров и
перегрузочных узлов предназначена для подачи промпродукта на котлы.
Для системы гидрозолоудаления котлов
используется осветленная вода с золошламонакопителя, а отвод жидких
производственных отходов станции осуществляется через багерную насосную станцию
на золошламонакопитель.
Для отпуска тепла с горячей водой в зимнее время
в пиковой водогрейной котельной установлено 2 водогрейных котла типа КВГМ-100.
Для охлаждения конденсаторов турбин и промежуточных холодильников компрессоров
ЭВС принята оборотная система водоснабжения.
Для восполнения потерь пара предназначена
центральная водоподготовительная установка станции, в состав которой входит
обессоливающая установка с предочисткой и деаэраторной установкой, установка
подпитки теплосети и установка конденсатоочистки.
. АНАЛИЗ СОСТОЯНИЯ ВОПРОСА, ЦЕЛЬ И ЗАДАЧИ
ВЫПУСКНОЙ КВАЛИФИКАЦИОННОЙ РАБОТЫ
Паровая турбина - это установка, преобразующая
тепловую энергию в движение ротора.
Турбина представляет собой одновальный
одноцилиндровый агрегат, который имеет сопловое парораспределение, регулирующие
клапана, расположенные в паровых коробках, цилиндр высокого давления литой
конструкции жаропрочной стали.
Для работы турбины необходимы следующие
параметры:
давление свежего пара;
температура свежего пара;
расход охлаждающей воды;
расход острого пара;
мощность турбины;
давление и расход отборов пара.
Под надежностью паровых турбин понимают ее
особенность к выработке предусмотренной мощности при заданных условиях и
режимах эксплуатации. Компрессор необходим для подачи дутья на доменное
производство для обеспечения технологического процесса горения.
Давление подающей смеси осуществляется за счет
нагружения турбоагрегата.
К компрессорам предъявляются следующие
требования:
устойчивая работа;
высокий КПД на всех рабочих режимах;
равномерность потока на входе и на выходе из
компрессора;
простота и надежность.
Осецентробежный компрессор одновальный,
двухцилиндровый с промежуточным охладителем и электродвигателем типа WX14L-056
фирмы «ВВС» предназначен для сжатия воздуха с объемной долей кислорода в дутье
до 40 %, необходимого доменному цеху.
Компрессор приводится в движение паровой
турбиной (далее по тексту главный двигатель). Соединение вала компрессора с
валом главного двигателя осуществляется с помощью муфтового соединения. Смазка
подшипников компрессора, главного двигателя и возбудителя осуществляется принудительной
циркуляционной масляной системой, состоящей из установки смазочного масла и
системы смазки высокого давления, используемой для подъема вала при пуске. В
качестве рабочей среды для привода отсечной и регулирующей арматуры
используется сухой азот давлением 3 бар, а для привода серводвигателей -
силовое масло с давление 120 бар. Силовое масло подается от специальной
установки силового масла. Сухой азот подается от автономной установки осушки
азота (далее по тексту УОА).
Компрессор оснащен системой автоматического
управления и регулирования Freelance
2000, обеспечивающей автоматический пуск и останов воздуходувки (далее по
тексту ЭВД), поддержание заданного давления дутья или расхода и содержания
кислорода в дутье, а также отражение состояния технологического оборудования и
сигнализацию об отклонениях в его работе.
Цилиндр низкого давления (далее по тексту ЦНД).
ЦНД - четырнадцатиступенчатый осевой компрессор.
Каждая ступень ЦНД состоит из ряда рабочих лопаток, расположенных по окружности
ротора, и ряда поворотных направляющих лопаток, собранных на статоре. Ротор ЦНД
состоит из полностью кованого цилиндра постоянного диаметра с собранными на нем
четырнадцатью рядами рабочих лопаток. В торцах вала расположены откованные
заодно с ним поршни для уравновешивания осевых усилий. Кольцевая камера за
разгрузочным поршнем со стороны всасывания сообщена выравнивающим трубопроводом
с диффузором ЦНД, а кольцевая камера за поршнем со стороны нагнетания сообщена
выравнивающим трубопроводом с входом ЦНД. Ротор покоится на двух выносных
опорных подшипниках скольжения со смазкой, подаваемой под давлением.
Цилиндрические регулируемые вкладыши подшипников
установлены на колодках (подушках), которые прикреплены к вкладышу винтами и
служат для установки под них стальных прокладок при необходимости смещения
вкладыша и изменения радиальной установки ротора. Наружные поверхности колодок
обработаны концентрично с расточками корпусов и установлены с натягом. Для
предотвращения проворачивания вкладыши стопорятся в корпусах штифтами.
В одном корпусе с опорным подшипником со стороны
нагнетания расположен упорный подшипник балансирного типа. Упорные сегменты с
баббитовой заливкой, расположенные с обеих сторон упорного диска вала,
упираются в два ряда уравнительных сегментов, установленных в виде замкнутой
цепи по окружности и заключенных в обоймы.
Осевой разбег в подшипнике может регулироваться
за счет изменения толщины установочных колец.
Для предотвращения утечек масла из камеры
упорного подшипника служат 2 кольцевые выточки в обоймах со вставленными в них
уплотнительными кольцами.
На смазку опорных и упорного подшипников
подается масло из системы смазки давлением 1,5 бар через дроссельные шайбы
Через специальные штуцеры в корпусе опорных
подшипников в их нижние половины подается масло высокого давления до 600 бар
для подъема вала компрессора во время пуска. Отработанное масло сливается в
картер и далее через маслоотводящую трубу в бак смазочного масла
Для замера температуры подшипников используются
специальные гибкие термопары.
Концевые уплотнения по валу - лабиринтовые.
Уплотнительные гребни зачеканены проволокой в канавках, выточенных на валу. В
корпусе лабиринтовых уплотнений имеются 3 кольцевых камеры для подпора и отсоса
газа, служащие для предотвращения утечек дутья и попадания масла в проточную
часть компрессора
Во внешнюю камеру подпора IV
со стороны всасывания и нагнетания подается сухой азот давлением 0,2 бар,
поддерживающим с помощью пневматического регулятора "после себя".
Камеры подпора II
сообщаются трубопроводом с камерами отсоса II
концевых уплотнений цилиндра высокого давления (далее по тексту ЦВД). Удаление
газовой смеси в атмосферу производится из средних камер III.
Перепад давлений на уплотнениях:
азот - атмосфера - 20 - 30 мбар;
дутьё - атмосфера - 50 - 70 мбар.
Статор компрессора представляет собой обойму
переменного диаметра с собранными на ней пятнадцатью рядами направляющих
поворотных лопаток. Статор имеет горизонтальный разъем и вставлен в
соответствующие расточки корпуса. Точность взаимного расположения двух половин
статора обеспечивается коническими штифтами. Оси поворотных лопаток вставлены
во втулки обоймы с угольными подшипниками. С внешней стороны обоймы на оси
лопаток насажены рычаги с ползунами. Снаружи обоймы статора концентрично
расположены приводной цилиндр направляющего аппарата с расположенными по ее
длине (на его внутренней стороне) кольцами, в пазы которых вставлены ползуны
рычагов направляющих лопаток.
Приводной цилиндр со стороны всасывания и
нагнетания имеет по паре (слева - справа) направляющих штанг, движущихся в
направляющих, закрепленных на четырех приливных плоскостях нижней части
корпуса. Направляющие штанги слева по ходу воздуха перемещаются в осевом
направлении, а направляющие штанги справа имеют возможность осевого и
поперечного перемещения. Поступательное движение приводного цилиндра
посредством рычагов преобразовывается во вращательное движение направляющих
лопаток.
Корпус ЦНД литой (материал - серый чугун)
состоит из двух половин с горизонтальным разъемом между ними. Верхняя и нижняя
половины корпуса имеют фланцы, которые стягиваются болтами. Точность взаимного
расположения половин корпуса обеспечивается 4 коническими штифтами с гайками,
плотно поставленными в обе половины корпуса.
Нижняя часть корпуса крепится к фундаментной
раме с помощью 6 опор:
а) 2 фиксирующих опоры со стороны нагнетания;
б) 2 опоры со стороны всасывания, по которым
осуществляется перемещение корпуса от теплового расширения;
в) 2 промежуточные опоры, предотвращающие прогиб
корпуса.
За прямолинейным безлопаточным участком
проточной части ЦНД расположен криволинейный диффузор. Со стороны нагнетания в
приливах корпуса для соединения с рамой вставлены две прямоугольные шпонки,
уложенные в шпоночных канавках, которые допускают температурные расширения
корпуса в направлении, перпендикулярном оси компрессора. Входной и выходной
патрубки ЦНД направлены вниз и отлиты заодно с соответствующими частями нижней
половины корпуса. Осевое перемещение корпуса ЦНД и фиксирование взаимного
осевого положения корпуса ЦНД и подшипников осуществляется с помощью двух
шпоночных соединений, расположенных в торцевых плоскостях корпуса по оси ЦНД.
Для привода поворотных направляющих лопаток
имеется 2 гидравлических серводвигателя .
Серводвигатели крепятся к нижней части корпуса
ЦНД с двух сторон с помощью цапф.
Движение поршня серводвигателя на приводной
цилиндр направляющего аппарата передается через приводную штангу с шаровидной
деталью на конце, которая с помощью двух резьбовых втулок и гаек соединяется с
толкателем приводного цилиндра.
ЦВД - четырехступенчатый радиальный компрессор
одностороннего всасывания.
Всасывающий и нагнетательный патрубки
расположены в нижней части корпуса.
Корпус ЦВД литой с горизонтальным разъемом.
Внутренняя расточка корпуса, по которой осуществляется радиальная посадка диафрагм
и диффузоров, выполнена одним диаметром.
Неподвижная опора корпуса находится со стороны
ЦНД.
Корпусы опорных подшипников являются съемными и
крепятся к корпусу ЦВД при помощи шпилек.
В нижней части корпуса ЦВД имеется прилив для
перепускного трубопровода из задуммисной камеры I
в нагнетательную линию ЦНД.
Вал ЦВД опирается на два опорных подшипника
скольжения со смазкой под давлением, конструкция которых аналогична конструкции
опорных подшипников ЦНД. Диффузоры ЦВД - безлопаточные, обратные направляющие
аппараты - лопаточные. После диффузора четвертой ступени расположена улитка,
отлитая заодно с корпусом. Компрессор снабжен внутренними (по покрывающим
дискам, думмису и валу) лабиринтовыми уплотнениями и концевыми уплотнениями. В
корпусах концевых уплотнений имеются 3 кольцевых камеры для создания газового
затвора. Воздух протечек из внутренних камер II
ЦВД отсасывается в камеру II
подпора концевых уплотнений ЦНД.
Ротор состоит из кованого вала, четырех
запрессованных в горячем состоянии рабочих колес и думмиса. Колеса застопорены
на валу штифтами. Центробежные колеса: два диаметром 1400 мм и два диаметром
1250 мм состоят из втулок, основных и покрывных дисков и приварных
пространственных лопаток, загнутых назад. Приварка лопаток осуществляется
автоматической сваркой.
Протечки дутья через уплотнения думмиса из
задуммисной камеры I ЦВД
направляются в нагнетательную линию ЦНД. Оба конца вала выполнены в виде
полумуфт.
Соединение валов ЦВД, ЦНД, главного двигателя
осуществляется с помощью жестких муфтовых соединений. Полумуфты соединены
призонными болтами, точно без слабины подогнанными к поверхностям
соответствующих болтовых отверстий в полумуфтах.
Вал ЦВД соединен с валами ЦНД и главного
двигателя через промежуточные валы с полумуфтами на их концах, выполненных
заодно с валами.
Промежуточный воздухоохладитель.
Охлаждение воздуха после сжатия в ЦНД
осуществляется в промежуточном воздухоохладителе фирмы "GEA"
(Германия).
Промежуточный воздухоохладитель состоит из двух
секций охлаждающих элементов и водоотделителя, расположенных последовательно по
ходу воздуха и вертикально вставленных в общий резервуар.
Охлаждающий элемент состоит из ребристых труб,
которые завальцованы в трубные доски, ребристые трубы состоят из круглых труб
специального сплава CuNi10Fe
и круглых, намотанных спиралеобразно, медных ребер. Сливы из пучков труб
выведены наружу промежуточного воздухоохладителя в самых низких местах
резервуара в трубопровод безнапорного слива ливневой канализации.
Водоотделитель состоит из листовых профилей,
расположенных друг за другом в несколько рядов. Отбираемое от воздуха тепло
отводится двумя потоками охлаждающей воды, которая подается в охлаждающие
элементы по параллельной схеме. Каждый охлаждающий элемент имеет восемь рядов
труб - два хода по воде.
При охлаждении воздуха влага, содержащаяся в
нем, при достижении температуры точки росы выпадает и сепарируется в
водоотделителе, находящемся на стороне выхода воздуха. Выпавшая влага
непрерывно удаляется из промежуточного воздухоохладителя с помощью поплавкового
конденсатоотводчика в трубопровод безнапорного слива ливневой канализации.
ПАО "СеверСталь" является одним из
ведущих металлургических производств в России. Наряду с другими цехами ТЭЦ
ЭВС-2 входит в состав ПАО "СеверСталь" и выполняет функцию поставщика
кислородной смеси на доменное производство.
Для работы на ТЭЦ ЭВС - 2 используются:
паровые турбины К-12-35-3 (рисунок 1);
компрессоры К-3250-42-1.
В ходе работы данного оборудование имеются
следующие недостатки:
изгиб ротора из-за неравномерного остывания;
вибрация;
при охлаждении ротора, изгиб и задевание о
крышки цилиндров.
Данные факторы могут привести к аварии.
Для исключения вышеперечисленных недостатков
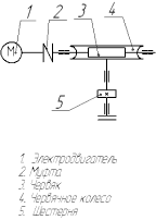
используется валоповоротное устройство (ВПУ), которое служит для медленного
вращения валопровода турбины при пуске для создания разряжения внутри нее и в
конденсаторе.
ВПУ представляет собой электродвигатель и
понижающий редуктор, соединенный муфтой. В состав понижающего редуктора входят:
червяк;
зубчатая пара.
шпонка полумуфта подшипник привод
Рисунок 1 - Турбина паровая
Ведущая шестерня имеет два положения: левое и
правое. В левом положении шестерня находится в нейтральном положении и
электродвигатель крутится на холостом ходу. В правом положении шестерня находится
в зацеплении с ротором турбины.
При подаче пара турбина вращается за счет
энергии пара. При повышении поворотов турбины, валоповоротное устройство
выходит из зацепления и встает в нейтральное положение.
Данная выпускная квалификационная работа позволит
устранить вышеперечисленные недостатки и обеспечить бесперебойную и долговечную
работу оборудования.
Цель проекта - модернизация компрессора для
улучшения работы оборудования.
На основе поставленной цели требуется решить
следующие задачи:
спроектировать и рассчитать привод;
спроектировать и рассчитать гидропривод;
разработать конструкцию ВПУ;
разработать технологию изготовления.
. КОНСТРУКТОРСКАЯ ЧАСТЬ
2.1 Проектирование и
расчет привода валоповоротного устройства
Валоповоротное устройство служит для вращения
ротора центробежной воздуходувной машины при пуске и останове.
Вращение от вала электродвигателя передается
через муфту на червячную пару.
Червячное колесо передает вращение через
предохранительный кулачковый механизм на вал, соосный с ротором нагнетателя. На
этом валу насажена подвижная кулачковая полумуфта, которая сцепляется с
кулачковой полумуфтой на валу ротора турбовоздуходувки. Соединение кулачковых
полумуфт осуществляется посредством механического рычажного досылающего
пружинного механизма.
2.1.1 Разработка и
описание принципиальной схемы устройства привода
Данные:
крутящий момент (вал, шестерни) - 180 Н*м;
темп вращения (вал, шестерни) - 120 об/мин;
делительный диаметр шестерни - 132 мм.
Принципиальная кинематическая схема устройства
показана на рисунке 2.
Рисунок 2 - Принципиальная схема устройства
привода
2.1.2 Расчет устройства
привода энергокинематический; определение КПД.
Общий КПД привода определяем по формуле:
hобщ=hч.* hпш.ск* ηпш.кач. * ηм, (1)
где hч - КПД червячной передачи, hч =0,85;
hпш.кач
- КПД пары подшипников качения, hпш.кач.=0,995;
ηпш.ск - КПД пары подшипников
скольжения, ηпш.ск.=0,99;
ηм - КПД муфты, ηм = 0,98;
hобщ=0,85*0,99*0,995*0,98=0,82.
Находим силу мощности, необходимую
для запуска механизма:
, Вт (2)
где Nвых - необходимый крутящий
момент на приводном механизме, Вт;
Т - крутящий момент на валу, Н м;
ω - угловая
скорость вала, с-1.
Вт
По справочным данным выбираем
асинхронный двигатель с короткозамкнутым ротором марки АИР90L2:
мощность электродвигателя 3.00 кВт;
напряжение питания 380 В;
номинальная частота вращения 2840.0
мин-1.
Передаточное число привода:
Uобщ=Uред*Uвн.пр, (3)
где Uред - передаточное число
редуктора;вн.пр. - передаточное число внешней передачи.
Передаточное число внешней передачи
произведем расчет по следующей формуле:
(4)
где nэл - скорость вращения
электродвигателя, мин-1;в - скорость поворота, nч = 120 мин-1.
Подставим значения в формулы:ред =
2840/120 = 23,7общ.=23,7*4=94,8
Определяем силовые и кинематические
параметры привода:
номинальная частота вращения n1 =
2840.0 мин-1;
номинальная частота вращения ротора
n2 = 120.0 мин-1;
возможное отклонение частоты
вращения ±5 процентов.
Определим угловую скорость:
, с-1. (5)
с-1;
с-1.
Определяем мощность на роторе:
, кВт (6)
Мощность электродвигателя N1 = 3,0 кВт.
кВт
Определяем крутящий момент:
, Н*м (7)
Н*м;
Н*м
2.1.3
Расчет червячной передачи
Передаточное отношение червячной
передачи Uред=23,7;
на валу ведущем N1 мощность =
3.0 кВт;
на валу ведомом N2 мощность =
2.4 кВт;
момент на червячной передаче Т1
крутящий =10.1 Нм;
момент на шестерне Т2 крутящий
=190.5 Нм.
Венец зубчатого колеса производят из
бронзы марки БРО5Ц5С5, а червяк из стали 40Х, с твердостью <320НВ.
Определяем скорость скольжения исходя из зависимости:
(8)
Определим напряжения допустимые:
расчет ведем по звену, зубу червяка, прочность которого устанавливает
износостойкость. Критерий данной прочности - контактное напряжение. Витки
червяка не рассчитывают, так как они изготовлены из стали и значительно прочнее
бронзовых зубьев колеса. Определим допустимые напряжения [σ]Н, Н/мм2 по
формуле:
, Н/мм2 (9)
где КHL -
долговечности коэффициент;
СV -
коэффициент, учитывающий износ материала, СV=1,33.
Расчет коэффициента долговечности:
, (10)
где ω2 - угловая
скорость червяка, с-1;
Lh -ресурс, ч.
Н/мм2.
С учетом верхнего расположения червяка
(вне масляной ванны) допустимые напряжения уменьшаем на 15%:
Н/мм2.
Находим возможные напряжения изгиба
зубьев [σ]F, Н/мм2 по
формуле:
, (11)
где σТ - грань
текучести материала, Н/мм2;
КFL -
коэффициент долговечности при расчете на изгиб.
Коэффициент долговечности при
расчете на изгиб определяют из зависимости:
. (12)
Н/мм2.
Определяем межосевое расстояние:
, мм. (13)
мм.
Значение 101.5 мм округлим до
ближайшего большего значения по ГОСТ 2144-76, примем расстояние между осями.
Исходя из предполагаемых габаритов
узла и механизмов управления, принимаем межцентровое расстояние равное 180 мм.
Определим число зубьев червяка и
колеса. При передаточном числе передачи червячной
количество
зубьев червяка принимаем Z1 = 2.
Число зубьев в шестерне :
(14)
Полученное значение округлим в
меньшую сторону и принимаем
.
Определим модуль зацепления:
, мм (15)
Округлим значение модуля по ГОСТ
19672-74 до стандартного ряда, примем m=6,3 мм.
Коэффициент диаметра червяка можно
определить по формуле:
(16)
Округляем в большую сторону значение
до стандартного ряда, принимаем q = 10.
Коэффициент смещения инструмента
определяют по формуле:
. (17)
При этом выполняют условие не
подрезания и не заострения зубьев колеса [-1<X<1].
Условие выполняется [-1<0,1<1].
Фактическое межосевое расстояние
определяют по формуле:
, мм. (18)
мм.
Определим основные геометрические
размеры передачи и основные размеры червяка:
Диаметр делительный:
, мм. (19)
мм.
Диаметр начальный:
, мм. (20)
мм.
Вершин витков диаметр:
, мм. (21)
мм.
Впадин витков диаметр:
, мм. (22)
мм.
Угол подъема делительный, витков
линии:
, рад. (23)
рад (11,31 град.).
Червячное колесо основные размеры:
диаметр делительный :
, мм. (24)
мм;
вершин зубьев диаметр:
, мм. (25)
мм;
диаметр колеса наибольший :
, мм. (26)
мм;
впадин зубьев диаметр:
, мм. (27)
мм;
венца ширина:
, мм. (28)
мм;
червяк, угол обхвата венцом
<<2δ>>:
, рад. (29)
рад. (63,8 град.).
Выполним проверочный расчет
червячной передачи, рассчитаем коэффициент полезного действия. Формула для КПД:
. (30)
.
Проверочно рассчитаем передачу на
прочность контактную. Проверочный расчет контактных напряжений зубьев колеса
выполняем по формуле:
, Н/мм2 (31)
где Ft2 - сила на
колесе окружная, Н
К - нагрузки коэффициент К=1.
Сила окружная на колесе:
Ft2=2*T2*103/d2, Н. (32)
Ft2=2*190,5*103/296,1=1287
Н
Н/мм2
Разрешенная перегрузка передачи до
5% и недогруз не больше 15%. (193,6-203,5)/203,5*100= - 4,87%. При этом
выполняется условие прочности.
Проверочно рассчитаем передачу на
прочность изгиба. Напряжение изгиба зубьев, по которым производится проверка,
рассчитываем по формуле:
, Н/мм2. (33)
где [σ]F -Изгиб
колеса, допустимые напряжения Н/мм2;
YF2 - формы
зуба колеса коэффициент YF2=1,55.
Н/мм2.
Исходя из вышеприведенного расчета,
условие выполняется.
Произведем расчет червяка тепловой.
Допустимая температура масла в корпусе червячной передачи [t]м=60…75°.
При непрерывной работе червяка без искусственного охлаждения температура масла
в корпусе определяем по формуле:
, °С, (34)
где tв -
температура воздуха tв=20°;
N1 -
допустимая на быстроходном валу мощность, Вт;
η - редуктора КПД фактический;
Кt -
теплоотдачи коэффициент Кt=13;
А - S корпуса
редуктора (теплоотдающей поверхности) , м2.
Площадь корпуса редуктора
(теплоотдающей поверхности) можно ориентировочно рассчитать по формуле:
А=20*αw1,7, м2, (35)
*0,181,7=1,08 м2.
°С.
Определим силы в зацеплении
червячной передачи. Осевая сила на колесе равна окружной силе на червяке :
, Н. (36)
Осевая сила на колесе равна окружной
силе на червяке:
Н.
Сила радиальная, надвигающая червяк
и колесо:
, Н. (37)
где α - угол
зацепления, α=20°.
Н.
2.1.4
Примерный расчет и конструирование вала приводного
Исходные данные:
момент на валу - 190,5 Нм;
материал вала - сталь 45.
Определим минимальный возможный
диаметр вала, используя только крутящий момент по формуле:
, мм, (38)
где
- момент крутящий на валу, Н·м;
- при кручении допустимое
напряжение, Н/мм2.
При кручении допустимое напряжение
определяем равным
=20 Н/мм2.
мм.
Размер округляем в большую сторону, кратную
5 - 40 мм.
Из расчета на кручение, оценив
предварительно диаметр, выполняем конструирование вала. Червячное колесо
устанавливается на шейку вала с минимальным диаметром. Шейки длина - 78,0 мм
(участок №1). Диаметр опор вала - 47,0 мм. Длину шейки, где размещается
подшипник скольжения, берем 72,0 мм. Основной диаметр вала - 56,0 мм.
Призматическая шпонка предназначена
для передачи вращающего момента. Подшипники скольжения устанавливаются на
шейках вала и крепятся крышками корпусов, что изображено рисунке 3.
Цилиндрические регулируемые вкладыши
подшипников установлены на колодках (подушках), которые прикреплены к вкладышу
винтами и служат для установки под них стальных прокладок при необходимости
смещения вкладыша и изменения радиальной установки ротора.
Рисунок 3 - Вал приводной
2.1.5 Предварительный
выбор подшипников и корпуса подшипников
В период установившегося режима нагрузки для
опор вала приводного выбираем подшипниковые вкладыши скольжения.
Размеры подшипников принимаем следующие:
левый подшипник d
= 47, L = 70;
правый подшипник d
= 56, L = 70.
Материал вкладышей подшипника - АЧС-1 ГОСТ
1585-85.
Посадку для подшипников скольжения принимаем H8/е8.
Для восприятия осевой нагрузки на вал от
червячной передачи используем упорный шариковый подшипник №8108 ГОСТ 7872-89.
Его устанавливаем с левой стороны вала, зазор в подшипнике выставляем с помощью
регулировочной гайки. Проверим предварительно выбранные подшипники.
Для проверки подшипниковых вкладышей скольжения
требуется:
расчетная схема вала приводного;
назначить нагрузки, применяемые к данному валу.
Для того, чтобы составить расчетную схему вала
необходимо составить схему опор, нагрузок и формы вала. Приводной вал будем
принимать за балку, которая установлена на двух опорах и заменим подшипники на
шарнирно-подвижные опоры.
Схема вала (расчетная) изображена на рисунке 4.
Рисунок 4 - схема вала (расчетная)
Рассмотрим силы, действующие на вал:
- сила на колесе осевая:
Н;
сила на колесе окружная:
Н;
сила на колесе радиальная:
Н.
Окружное усилие на приводной
шестерне:
, Н. (39)
Н.
Радиальная сила на шестерне:
, Н, (40)
где α - угол
зацепления, α=20°.
Н.
Рассмотрим реакции опор.
Горизонтальная плоскость:
Н
Н
Вертикальную плоскость рассчитываем
аналогично.
Реакции опор суммарные:
, Н; (41)
Проверим долговечность подшипников
произведем по опоре В (более нагруженной). В качестве опор вала предварительно
выбраны подшипниковые вкладыши скольжения, которые в период установившегося
режима нагрузки работают с принудительной подачей смазки. Шейка, скорость
окружная:
где d - диаметр шейки,
м;
n - число
оборотов вала, мин-1.
м/с.
Определяем давление на подшипник:
, МПа, (43)
где F
- на подшипник нагрузка, Н;
d - диаметр цапфы,
мм;
l - рабочая длина
подшипника, мм.
МПа.
При изготовлении вкладыша из чугуна
типа АЧС-1 ГОСТ 1585-85 значения
,
и
располагаются в допускаемых
пределах. Упорные сегменты с баббитовой заливкой, расположенные с обеих сторон
упорного диска вала, упираются в два ряда уравнительных сегментов,
установленных в виде замкнутой цепи по окружности и заключенных в обоймы.
Это дает возможность работы без
подачи смазки на кратковременные отрезки времени при останове и пуске агрегата.
Вычислим в подшипнике относительный
зазор:
(44)
Относительный зазор равен:
мм.
При этом применяется посадка в
подшипнике скольжения
H8/e8 d=
, D=
.
Предельные вероятностные значения
относительного зазора:
, мм. (45)
мм;
мм.
Назначаем масло индустриальное 30 и
среднюю температуру t = 60°С. Вязкость
.
Рассчитаем коэффициент нагруженности
подшипника:
, (46)
где ω - скорость
цапфы угловая.
Определим относительный
эксцентриситет χ=0,06 по
графику зависимости и толщину масляного слоя:
, мм. (47)
мм.
Исходя из полученных расчетных
результатов подшипник скольжения с применением вкладышей из антифрикционного
чугуна марки АСЧ-1 проверку проходит.
2.1.6
Уточненный расчет приводного вала
Схема вала расчетная приведена на
рисунке 5.
Построим эпюр изгибающих и крутящих
моментов. Изгибающие моменты плоскость Х и Y:
H·м;
На одном валу всегда равны численно
крутящие моменты.
Mк = Т = 190,5
H·м.
Определяем суммарные изгибающие
моменты в наиболее нагруженном сечении т.2.
Суммарные изгибающие моменты:
, H·м; + (48)
H·м;
Рисунок 5 - Изгибающие и крутящие
моменты
Определим коэффициент запаса
усталостной прочности вала. Исходя из изгибающих и крутящих моментов на валу,
находим опасное сечение, которое находится на зубчатой шестерни т.2
Н·м.
Минимальный диаметр вала винтовой нарезки d = 52 мм.
В опасном сечении нормальные
напряжения:
, Н·мм2, (49)
где М - момент изгибающий, Н·м;
W - момент
осевой, мм3.
Момент осевой:
, мм3 (50)
где d - вала
диаметр, мм.
мм3
В опасном сечении напряжения
нормальные:
Н/мм2
Концентрации нормальных напряжений
коэффициент:
, (51)
где
- концентрации напряжений
эффективный коэффициент,
= 2,15;
- поперечного сечения коэффициент
влияния абсолютных размеров;
= 0,7;
- влияния шероховатости
коэффициент,
= 1,0.
По нормальным напряжениям предел
выносливости:
, Н/мм2 (52)
где
- при симметричном цикле изгиба
предел выносливости, Н/мм2.
При симметричном цикле изгиба для
Стали 45 предел выносливости
Н/мм2.
Н/мм2
По нормальным напряжениям определяем
коэффициент запаса:
(53)
В опасном сечении определяем
касательные напряжения:
, Н/мм2 (54)
где Т - в рассматриваемом сечении
крутящий момент, Н·м; - сечения вала полярный момент инерции сопротивления,
мм3.
Сечения вала полярный момент инерции
сопротивления:
, мм3 (55)
мм3
В опасном сечении касательные
напряжения:
Н/мм2
Нормальных напряжений коэффициент
концентрации:
, (56)
где
- эффективный коэффициент
концентрации,
= 2,3;
- влияния абсолютных размеров
сечения коэффициент;
- влияния шероховатости
коэффициент;
Касательные напряжения. Предел
выносливости:
, Н/мм2 (57)
где
- при симметричном цикле предел
выносливости, Н/мм2.
Для Стали 45 :
Н/мм2.
Н/мм2
По касательным напряжениям определим
запаса коэффициент:
(58)
Запаса прочности коэффициент
расчетный:
(59)
где
- допустимый коэффициент запаса
прочности.
При данных расчетах условие
прочности выполнимо.
2.1.7
Подбор муфты
Подбор муфты производится по
вращательному моменту на валу и по диаметрам валов редуктора и электродвигателя.
Требуемый подаваемый крутящий момент
муфтой:
, Н·м (60)
где
- зависящий от характера нагрузки
коэффициент,
[9];
- крутящий момент на валу, Н·м.
Н·м
Выбираем упругую втулочно-пальцевую
муфту исходя из имеющихся данных:
Муфта 125-I-25-II-12-У2 ГОСТ
21424-93.
У которой 125:
передаваемый крутящий момент
максимальный (Н·м), I и II ;
под вал (цилиндрическое и коническое)
исполнение места посадочного, 25 и 32;
диаметры валов (мм) редуктора и
электродвигателя посадочные.
2.1.8 Подбор шпонок и
проверка на прочность шпоночных соединений
Расчет на смятие - главное условие при
соединении призматическими шпонками:
, H/мм2 (61)
где
- шпонки длина рабочая, мм;
t - глубина
шпоночного паза в вал, мм;
- смятия допускаемое напряжение,
H/мм2.
Шпонка для посадки червячного колеса
на вал 16х10х75 ГОСТ 23360-78
d = 50 мм, t = 6 мм.
Длина шпонки рабочая:
мм.
2.2 Расчет
и проектирование гидросистемы смазки подшипников
Разработаем гидросистему жидкой
смазки подшипника скольжения валоповоротного устройства турбокомпрессора.
Основные характеристики системы:
подшипник скольжения:
диаметр d = 56 мм;
длина l = 72 мм;
средний зазор в подшипнике Ψ=0,014 мм.
Вала подшипника частота вращения n = 120
об/мин.
Расчетное значение давления подачи
жидкости в подшипник p = 0,4МПа.
2.2.1
Определение расхода жидкости через подшипник
Для определения требуемого расхода
жидкости для подшипника скольжения воспользуемся следующей формулой:
, м3/с (62)
где d, l - диаметр и
длина подшипника соответственно, м;
Ψ - средний
зазор в подшипнике, мм;
nс -
секундная частота вращения вала подшипника, об/с;
р - расчетное значение подачи
жидкости в подшипник, Па.
Секундная частота вращения вала
подшипника:
, об/c (63)
где n -вращения
частота подшипника вала, об/мин.
м3/с (0,194 л/мин)
2.2.2
Составление принципиальной схемы гидропривода
Валоповортное устройство турбокомпрессора
это ответственный узел. С помощью него проводят подготовку турбокомпрессора к
запуску (разогрев и промасливание) и остановку. Периоды запуска и остановки
занимают довольно значительное время в связи с необходимостью постепенного
разогрева или охлаждения узлов для обеспечения требуемых рабочих температурных
зазоров в турбине. Резкая остановка компрессора при запуске или преждевременная
при остановке приведет к выходу из строя основных дорогостоящих узлов
турбокомпрессора.
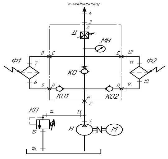
Для обеспечения надежной работы
валоповоротного устройства в схеме смазки используем два потока жидкости от
насоса Н. Первый поток идет через клапан обратный КО1 и фильтр Ф1, второй поток
через клапан обратный КО2 и фильтр Ф2. Оба фильтра снабжены сигнализацией
засорения с выводом сигнала на пульт оператора. В крайнем случае, при засорении
обоих фильтров, жидкость проходит напрямую к подшипнику компрессора через КО
клапан обратный.
КП предохранительный клапан защищает
систему от перегрузок. Дроссель Д обеспечивает необходимый расход жидкости в
подшипник. Манометр МН показывает действующее давление в системе.
Принципиальная схема смазки
изображена на рисунке 6.
Схема движения жидкости:
- - КО1 - - Ф1- - -
| |
Н - - - - - - - - - - КО - - - - - -
- - - - Д - - - - -> к подшипнику
| | |
КП - - - КО2 - - Ф2 - - -
|
БАК
Рисунок 6 - Схема гидравлическая
2.2.3 Расчет и выбор
насосной установки
Исходя из требуемых расходов жидкости выберем
насосную установку.
На основании полученных расчетных данных из
справочной литературы выбираем шестеренный насос типа НМШФ 0,6-25-0,25/10Ю,
параметры насоса показаны в таблице 1.
Таблица 1 - Параметры насоса
|
Параметр
|
Значение
|
|
Давление
нагнетания номинальное, МПа
|
0,63
|
|
Давление
нагнетания максимальное, МПа
|
0,8
|
|
Подача
поминальная, л/мин (м3/с)
|
3
(0,00005)
|
2.2.4 Расчет и выбор
гидроаппаратуры и трубопроводов
Производим выбор гидроаппаратуры из справочной
литературы по рабочему давления и расходу жидкости. Способ установки
встраиваемый.
Фильтр напорный Ф типа 1-16 ГОСТ 21329-75:
Обратный клапан КО типа МКОВ 16/3Ф3 УХЛ4 ТУ
2-053-1736-85:
Обратные клапана КО1, КО2 типа МКОВ 16/3Ф1 УХЛ4
ТУ 2-053-1736-85.
Клапан предохранительный типа МКПВ16/3ФВ УХЛ4
ТУ2-053-1737-85.
Дроссель Д типа МДКВ 16/3Ф2П УХЛ 4 ТУ2-053-1888-88.
Манометр МН типа МТ-1-1 ТУ25-02.72-75:
При выборе трубопроводов в данном случае
перемещение отсутствует, трубопроводы применяются бесшовные
холоднодеформированные стальные по ГОСТ 8734-75. Для стальных труб применяем
монтаж развальцовкой соединения.
Трубопроводы диаметр внутренний определяем по
формуле:
, м (64)
где Qmax - в трубопроводе жидкости
расход максимальный , м3/с;рек - в трубопроводе течение жидкости рекомендуемая
скорость.
Исходя из максимального давления в
трубопроводе толщина стенки допустимая минимально растяжение трубопровода
предел прочности материала
труб определяется по формуле:
, мм (65)
где Р - в трубопроводе жидкости давление
максимальное, МПа;
σпр - растяжение
трубопровода предел прочности материала.
Принимаем для стали σпр=340
МПа;
кб - безопасности коэффициент (кб=2…8).
В системах жидкой смазки скорость движения
жидкости в трубопроводах согласно рекомендаций принимаем равной uрек=0,5
м/с.
Напорный трубопровод, участки: 1-13, 13-14:
= Qн = 0,00005 м3/с =3 л/мин; Pmax
= 0,8 МПа.
трубопровода диаметр внутренний:
м (11,3 мм)
Выбор бесшовных труб стальных для
участка 14х1 по ГОСТ 8734-75.
диаметр внутренний:
dвн = 14 -
2*1 = 12 мм.
Условие проверяем
:
мм
мм > 0,07 мм условие выполняется.
Трубопровод напорный, участки: 13-2,
3-4, 5-6, 7-8, 9-10, 11-12= 0,00000324 м3/с=0,193 л/мин; Pmax = 0,8 МПа.
Трубопровод диметр внутренний:
м (2,8 мм)
Выбор бесшовных труб стальных для
участка 6х0,6 по ГОСТ 8734-75.
Диаметр внутренний:
dвн = 6 - 2*0,6 =
4,8 мм.
Условие проверяем
:
мм
,6 мм > 0,028 мм условие
выполняется.
Сливной трубопровод, участок: 15-16:
= Qн = 0,00005 м3/с =3 л/мин; Pmax = 0,8 МПа.
Трубопровод диметр внутренний:
м (11,3 мм)
Выбор бесшовных труб стальных для
участка 14х1 по ГОСТ 8734-75.
Диаметр внутренний:
вн
= 14 - 2*1 = 12 мм.
Условие
проверяем
:
мм
мм
> 0,07 мм условие выполняется.
2.2.5 Определение потерь давления в аппаратах и
трубопроводах
Рассчитаем
потери давления , выполним для одной линии подачи смазки проходящей через
фильтр Ф1 и клапан обратный КО1.
Исходя
из расходов, определяем перепад давления, на которое разработана аппаратура.
Справочные перепады давления отличны от действительных, которые взяты для
расчета
Их
значения необходимо уточнить в аппаратах потери давления:
,МПа (66)
где
Δp0 - перепад
давления открывания или настройки аппарата, МПа;
A и B -
коэффициенты аппроксимации экспериментальной;
зависимости
потерь давления от расхода через гидроаппарат;
Qmax - максимальный расход
рабочей жидкости через гидроаппарат, МПа.
Коэффициенты
аппроксимации экспериментальной зависимости потерь давления найдем по формулам:
, МПа * с/м3 (67)
, МПа * с2 /
м6 (68)
где
Δp0 - перепад
давления открывания или настройки аппарата, МПа;
Δpном - потери
давления при номинальном расходе, МПа;
Qном - номинальный расход
гидроаппарата, МПа.
В
паспорте гидроаппаратуры приведены главные настройки и характеристики, такие
как расход, давление открывания, настройки аппарата и потери давления.
В
обратном клапане давления потери КО1:
л/мин
(0,00105 м3/с);
МПа;
МПа.
Аппроксимации
коэффициенты:
МПа · с/м3
МПа · с2/м6
Расход максимальный
м3/с.
МПа
В фильтре давления потери Ф1:
л/мин (0,000267 м3/с);
МПа;
МПа.
Расчеты на потери в дросселе Д
производим аналогичным способом. Основные потери давления в аппаратах приведены
в таблице 2.
Таблица 2 - Потери давления в
аппаратах (расчетные значения)
|
Линия
|
Наименование
гидроаппарата
|
Δp0,
МПа
|
A, МПа · с/м3
|
B, МПа · с2 м6
|
Qmax, м3/с
|
ΔpГА,
Мпа
|
|
Напор
|
Клапан
обратный КО1
|
0,05
|
47,6
|
45351,5
|
0,0000032
|
0,0502
|
|
Фильтр
Ф
|
|
168,5
|
631233,4
|
0,0000032
|
0,0006
|
|
Дросель
Д
|
|
67,7
|
50879,1
|
0,0000032
|
0,0002
|
Итого потери в гидроаппаратах: линия
напорная
МПа.
Высчитаем числа Рейнолдса исходя из
потерь давления и длины труб:
(69)
где u - фактическая скорость течения
жидкости в трубопроводе, м/с;
- кинематический коэффициент
вязкости жидкости, м2/с.
Потери давления на вязкое трение:
, МПа (70)
где r - плотность рабочей жидкости, кг/м3;-
максимальный расход жидкости в линии, м3/с;
li -
коэффициент гидравлического трения на i
- том участке;- длина i - го участка трубопровода, м;ст - внутренний диаметр i
- го участка трубопровода, м;- площадь внутреннего сечения i - го участка, м.
Для
гладких цилиндрических трубопроводов коэффициент li :
(71)
Расчет
потерь давления приведем для трубопровода на участке 1-13 при максимальных
значениях расхода жидкости. На данном участке используется труба 14х1 ГОСТ
8734-75:
длинна
трубопровода
м;
внутренний
диаметр трубопровода
м;
максимальный
расход жидкости
м3/с.
Рабочая
жидкость И-30А ГОСТ 20799-75 :
плотность
рабочей жидкости
кг/м3;
кинематический
коэффициент вязкости
м2/с.
Площадь
внутреннего сечения трубопровода определим по формуле:
, м2. (72)
м2.
Фактическая скорость движения
рабочей жидкости в трубопроводе:
, м/с. (73)
м/с.
Число Рейнольдса:
- поток
ламинарный.
Коэффициент гидравлического трения:
Па (0,0003 МПа)
Значения потерь на остальных
участках представлены в таблице 3.
Таблица 3 - Потери давления по длине
трубопроводов
|
Линия
|
Участок
по схеме
|
Qmax,
м3/с
|
dТi,
м
|
Li,
м
|
fТi,
м2
|
ui,
м/с
|
Rei
|
λi
|
ΔpТi,
|
|
Напорная
|
1-13
|
0,00005
|
0,012
|
0,10
|
0,000113
|
0,4
|
132,6
|
0,4825
|
0,0003
|
|
13-2
|
0,00000324
|
0,0048
|
0,10
|
0,000018
|
0,2
|
21,5
|
2,9787
|
0,0009
|
|
5-6
|
0,00000324
|
0,0048
|
0,15
|
0,000018
|
0,2
|
21,5
|
2,9787
|
0,0013
|
|
7-8
|
0,00000324
|
0,0048
|
0,15
|
0,000018
|
0,2
|
21,5
|
2,9787
|
0,0013
|
|
3-4
|
0,00000324
|
0,0048
|
5,00
|
0,2
|
21,5
|
2,9787
|
0,0443
|
Итого потери по длине трубопроводов:
напорная линия
МПа.
Местные потери складываются из
потерь в различных местных сопротивлениях (углы, тройники, изменение диаметра и
т.д.) и определяются по формуле:
, Па (74)
где ζj - коэффициент
j-го местного сопротивления;н - число местных сопротивлений;Мj - площадь
внутреннего сечения трубопровода
Полный расчет местных потерь
произведем для местного сопротивления типа «тройник» на участке 1-2:
количество местных сопротивлений n =
1;
коэффициент местного сопротивления ζ = 0,3 ;
Па (0,000026 МПа)
Остальные рассчитанные местные
потери для тройников, расширений, сужений, колена, сопла приведены в таблице 4.
Таблица 4 - Результаты расчетов
местных потерь давления
|
Линия
|
Участок
|
Вид
местного сопротивления
|
Параметры
|
Кол-во
сопрот.
|
Qmaxj,
м3/с
|
ζj
|
fмj,
м2
|
ΔPмj,
Мпа
|
|
Напорная
|
1-13
|
Тройник
Ф12
|
|
1
|
0,00005000
|
0,3
|
0,000113
|
0,000026
|
|
1-13
|
Резкое
сужение Ф12/Ф4,8
|
d0/d=0,4
|
1
|
0,00005
|
0,58
|
0,000018
|
0,001971
|
|
13-2
|
Резое
расширение Ф4,8/Ф6 (вход в плиту)
|
d0/d=0,88
|
1
|
0,00000324
|
0,38
|
0,000018
|
0,000005
|
|
2-5
|
Тройник
Ф6
|
|
1
|
0,00000324
|
1,5
|
0,000028
|
0,000009
|
|
5-6
|
Резкое
сужение Ф6/Ф4,8 (выход из плиты)
|
d0/d=0,88
|
1
|
0,00000324
|
0,17
|
0,000018
|
0,000002
|
|
5-6
|
Колено
Ф4,8
|
90
град.
|
1
|
0,00000324
|
1,2
|
0,000018
|
0,000017
|
|
5-6
|
Резкое
расширение Ф4,8/Ф8 (Ф)
|
d0/d=0,6
|
1
|
0,00000324
|
1,16
|
0,000018
|
0,000017
|
|
7-8
|
Резкое
сужение Ф8/Ф4,8 (Ф)
|
d0/d=0,6
|
1
|
0,00000324
|
0,41
|
0,000018
|
0,000006
|
|
7-8
|
Колено
Ф4,8
|
90
град.
|
1
|
0,00000324
|
1,2
|
0,000018
|
0,000017
|
|
7-8
|
Резкое
расширение Ф4,8/Ф6 (вход в плиту)
|
d0/d=0,88
|
1
|
0,00000324
|
0,38
|
0,000018
|
0,000005
|
|
8-3
|
Тройник
Ф6
|
|
1
|
0,00000324
|
2
|
0,000028
|
0,000012
|
|
8-3
|
Тройник
Ф6
|
|
1
|
0,00000324
|
0,3
|
0,000028
|
0,000002
|
|
3-4
|
Резкое
сужение Ф6/Ф4,8 (выход из плиты)
|
d0/d=0,88
|
1
|
0,00000324
|
0,17
|
0,000018
|
0,000002
|
|
3-4
|
Сопло
(выход из трубы на подшипник) [1]
|
|
1
|
|
|
|
0,06
|
Итого местные потери давления:
напорная линия
МПа.
2.2.6
Проверка насосной установки
Вычислим суммарные потери давления
для линии напорной из вышеприведенных расчетов для определения насосной
установки обеспечения объемов системы смазки и занесем их в таблицу 5.
Таблица 5 - Суммарные потери
давления
|
Линия
|
Δрга
МПа
|
Δрi
МПа
|
Δрн
МПа
|
Δр∑
МПа
|
|
Напорная
|
0,0509
|
0,0604
|
0,0621
|
0,1734
|
Выбор насосной установки и уточненный расчет
определим из расчета потерь давления в гидроприводе. Произведем проверочный
расчет по формуле:
Δрн.т.=Δр1+Δр∑ (75)
Δрн.т.=0,4+0,1734=0,573
МПА.
Рассчитанное давление в системе Δрн.т.=0,573
МПа не превышает создаваемого давления насосом рн=0,63 МПа, поэтому, согласно
рассчитанным давлениям оставим выбранную предварительно насосную установку.
Выбранная насосная установка обеспечит в полном объеме систему смазки
подшипников валоповоротного устройства рабочей жидкостью для бесперебойной
работы.
Смазка подшипников компрессора, главного
двигателя и возбудителя осуществляется принудительной циркуляционной масляной
системой, состоящей из установки смазочного масла и системы смазки высокого
давления, используемой для подъема вала при пуске.
Цилиндрические регулируемые вкладыши подшипников
установлены на колодках (подушках), которые прикреплены к вкладышу винтами и
служат для установки под них стальных прокладок при необходимости смещения
вкладыша и изменения радиальной установки ротора. Наружные поверхности колодок
обработаны концентрично с расточками корпусов и установлены с натягом. Для
предотвращения проворачивания вкладыши стопорятся в корпусах штифтами. В одном
корпусе с опорным подшипником со стороны нагнетания расположен упорный
подшипник балансирного типа. Упорные сегменты с баббитовой заливкой,
расположенные с обеих сторон упорного диска вала, упираются в два ряда
уравнительных сегментов, установленных в виде замкнутой цепи по окружности и
заключенных в обоймы. Осевой разбег в подшипнике может регулироваться за счет
изменения толщины установочных колец. Для предотвращения утечек масла из камеры
упорного подшипника служат две кольцевые выточки в обоймах со вставленными в
них уплотнительными кольцами. На смазку опорных и упорного подшипников подается
масло из системы смазки давлением 1,5 бар через дроссельные шайбы. Через
специальные штуцеры в корпусе опорных подшипников в их нижние половины подается
масло для подъема вала компрессора во время пуска. Отработанное масло сливается
в картер и далее через маслоотводящую трубу в бак смазочного масла.
. ТЕХНОЛОГИЧЕСКАЯ ЧАСТЬ
3.1 Разработка
технологического процесса изготовления полумуфты
.1.1 Описание
конструкции и назначения детали
Полумуфта служит для соединения вала
валоповоротного устройства с электродвигателем. Также она служит для соединения
ротора паровой турбины и промышленной вставки.
Деталь - цилиндрическое зубчатое колесо.
Колесо имеет зубчатую часть, основные параметры
которой : нормальный модуль m
= 0,5 мм, число зубьев z
= 72шт.
Длина зубчатой части b
= 1388 мм, шаг Р = 19,28 мм, высота зуба h
= 20 мм.
Для крепления к промышленной вставке просверлены
16 отверстий d = 28 мм, а также
муфта имеет шпоночный паз глубиной 16 мм и шириной 32 мм.
Более трудные для отделки и точные плоскости -
зубья (имеют ступень точности 8-В; шероховатость плоскости Ra=2,5
мкм; пульсирование 0,06 условно А), осевое отверстие (владеет Ø86h7
- седьмой квалитет точности; шероховатость 25 мкм), а еще шпоночный паз (9
квалитет точности, допуск симметричности 0,01).
Марка материала которая была использована для
производства представленной детали - сталь 35Л ГОСТ 977-88.
Механические характеристики стали 35Л приведены
в таблице 6.
Таблица 6 - Механические свойства стали 35Л (
ГОСТ 977-88 )
|
σт,
МПа
|
σв,
МП
|
НВ
|
|
168
|
203
|
312-530
|
Деталь изготавливается из стали 35Л ГОСТ 977-88.
Назначению детали соответствуют материал, шероховатость и точность, указанные
на чертеже.
3.1.2 Анализ
технологичности конструкции детали
Зубчатые колеса - это массово выпускаемые детали
в машиностроении, поэтому вопросы по технологии изготовления имеют особо важное
значение.
Заменять материал на более дешевый не
желательно. Сталь 35Л - дешевый и доступный материал, который способен
обеспечить комплекс свойств, требуемых для колеса.
У данной детали нет труднодоступных мест для
измерений и обработки. Её можно обрабатывать на типовом оборудовании, обычным
режущим инструментом. Так же деталь можно обрабатывать «на проход».
3.1.3 Выбор способа
изготовления заготовки
Изготовление заготовки (Рисунок 7) выполняется
способом литьем в земляную или песчано-глиняную форму. Из-за особенностей
размеров этот способ является самым оптимальным. В экономическом плане данный
способ изготовления является самым не затратным. Поэтому в качестве заготовки
выбираем литье в земляную форму.
Рисунок 7 - Заготовка полумуфты
3.1.4 Разработка
маршрута обработки детали
Операции для изготовления детали:
заготовительная, токарная, протяжная, зубонарезная, шлифовальная, слесарная.
Операция заготовительная:
литье в земляную форму
Операция токарная выполняется за два установа:
I установ:
Торец подрезать Ø=188
до Ø86;
Торец подрезать Ø466
до Ø264;
Точить Ø=280
до Ø
=162;
Торец подрезать Ø454
до Ø280
II установ:
Торец подрезать Ø466
до Ø85;
Торец подрезать Ø406
до Ø86;
Точить фаску на Ø=466
на 3*45;
Точить Ø=466
на L=47;
Точить фаску на Ø=466
на 3*45;
Фаску снять на Ø=86
, 3*45;
Отверстие расточить Ø=86;
Снять фаску на Ø=86
, 3*45;
Развернуть отверстие Ø86;
Операция протяжная:
Протянуть шпоночный паз.
Операция зубонарезная:
зубья фрезеровать.
Операция сверлильная:
Сверлить 16 отверстий Ø=28
Операция шлифовальная:
Шлифовать зубья.
3.1.5 Расчет припуска
на обработку
Припуск рассчитываем по методу Кована для одного
размера, устанавливающего форму заготовки - 220h14
(ширина зубчатого колеса).
По ГОСТ 7829-70 определяются
предельные
отклонения и размеры заготовки.
3.1.6
Предварительное нормирование операций
Обработку нормирования производим с
учетом продуктивности. С помощью приближенных формул таблицы № 8 выбираем метод
обработки и величину снимаемого припуска.
Штучно-калькуляционное время
определяем по формуле:
Тш.к. = φк * То (75)
где jк-коэффициент, учитывающий вспомогательное и
дополнительное время.
Штучно-калькуляционное время для
всех операций сведено в таблицу №7.
Таблица 7 - Штучно-калькуляционное
время
|
Операция
|
То,
мин
|
φк
|
Тш.к.,
мин
|
|
Токарная
|
10,1
|
1,98
|
20
|
|
Токарная
|
40,1
|
1,98
|
79,4
|
|
Протяжная
|
0,8
|
1,84
|
1,47
|
|
Зубонарезная
|
29
|
1,66
|
48,14
|
|
Сверлильная
|
9,6
|
1,72
|
16,5
|
|
Шлифовальная
|
95
|
2,1
|
199,5
|
|
|
|
365,01
|
Таблица 8 - Определение основного времени
|
Наименование
операции
|
Диаметр
участка, мм
|
Глубина
резания, мм
|
Длина
обр-ки,
мм
|
Формула
для расчета основного времени, мин
|
То,
мин
|
|
До
обр-ки
|
после
обр-ки
|
|
|
|
|
|
Токарная
операция I установ
|
|
|
Подрезать
торец
|
164
|
86
|
6
|
190
|
0,037*(D2-d2)*10-3
|
0,7
|
|
Точить
поверхность
|
164
|
162
|
1
|
97
|
0,17*(d*l)*10-3
|
2,6
|
|
Подрезать
торец
|
454
|
280
|
3
|
87
|
0,037*(D2-d2)*10-3
|
4,7
|
|
Точить
галтель
|
280
|
162
|
3
|
76
|
0,037*(D2-d2)*10-3
|
2,1
|
|
|
|
|
|
|
10,1
|
|
Токарная
операция I
I установ
|
|
Подрезать
торец
|
466
|
85
|
2
|
190,5
|
0,037*(D2-d2)*10-3
|
7,8
|
|
Подрезать
торец
|
406
|
86
|
2
|
160
|
0,037*(D2-d2)*10-3
|
5,8
|
|
Точить
фаску
|
466
|
460
|
3
|
6
|
0,037*(D2-d2)*10-3
|
0,2
|
|
Точение
наружной поверхности
|
468
|
466
|
2
|
47
|
0,17*(d*l)*10-3
|
3,8
|
|
Снять
фаску
|
466
|
460
|
3
|
6
|
0,037*(D2-d2)*10-3
|
0,2
|
|
Снять
фаску
|
86
|
92
|
3
|
6
|
0,037*(D2-d2)*10-3
|
0,2
|
|
Расточить
отверстие
|
80
|
85
|
2,5
|
220
|
0,3*d*l*10-3
|
5,6
|
|
Снять
фаску
|
86
|
92
|
3
|
6
|
0,037*(D2-d2)*10-3
|
0,2
|
|
Развернуть
отверстие
|
85
|
86
|
0,5
|
220
|
0,86*d*l10-3
|
16,3
|
|
|
|
|
|
|
40,1
|
|
ИТОГО
токарной
|
|
|
|
|
|
50,2
|
|
|
Протянуть
шпоночный паз
|
186
|
202
|
16
|
220
|
0,8*10-3
|
0,8
|
|
ИТОГО
протяжной
|
|
0,8
|
|
Зубонарезная
операция
|
|
|
Фрезеровать
зубья
|
|
|
|
|
2,2DВ*10-3
|
29
|
|
Сверлильная
операция
|
|
|
Сверление
отверстий
|
-
|
28
|
|
41
|
0,52*d*l*10-3
|
9,6
|
|
Шлифовальная
операция
|
|
Шлифование
поверхности
|
-
|
Z=107
|
|
|
9lz*10-3
|
95
|
3.1.7 Выбор типового
оборудования и типовых универсальных приспособлений
Для изготовления разрабатываемой детали
(зубчатое колесо) нужно выбрать металлорежущее оборудование. Характеристики
металлообрабатывающих станков и комплексов приведены в таблице № 9. Режущий
инструмент приведен в таблице № 10. Выбор средства измерения приведен в таблице
№ 11.
Таблица 9 - Выбор оборудования
|
Операция
|
Модель
станка
|
Характеристика
|
|
Токарная
|
Токарный
станок с ЧПУ ДИП-500 Ф3С5
|
Наибольший
диаметр обработки детали 500 мм; наибольшая длина обрабатываемой детали 400
мм; мощность двигателя 17кВт; устройство ЧПУ У22-1М
|
|
Протяжная
|
Вертикально-протяжной
станок 7Б64
|
Номинальное
тяговое усилие 5 кг, наибольший ход ползуна 1000 мм; скорость рабочего хода
1,5÷11,5
м/мин
|
|
Зубонарезная
|
Вертикальный
зубофрезерный станок 5Б312
|
Диаметр
обрабатываемой детали 500 мм; наибольший модуль 4; ширина колеса 250 мм;
мощность 7,5кВт.
|
|
Сверлильная
|
Вертикально-сверлильный
станок 2Н150
|
Наибольший
диаметр устанавливаемой детали 500мм; наибольший диаметр сверления 50мм;
подача шпинделя 0,05-2,24мм/об. Мощность эл.двигателя 7,5 кВт;
|
|
Шлифовальная
|
Зубошлифовальный
полуавтомат 58П70В
|
Наибольший
диаметр устанавливаемой детали 550мм; наибольший модуль 6; мощность
эл.двигателя 4кВт
|
Таблица 10 - Выбор режущего инструмента
|
Операция
и переходы
|
Режущие
инструменты
|
режущая
часть
|
ГОСТ
инструмента
|
|
Токарная
|
Резец
токарный контурный
|
Т15К6
|
ГОСТ
18877-73
|
|
Резец
токарный расточной
|
Т5К10
|
ГОСТ
18879-73
|
|
Резец
токарный проходной
|
Т5К10
|
ГОСТ
18879-73
|
|
Токарная
|
Резец
токарный проходной
|
Т15К6
|
ГОСТ
18877-73
|
|
Резец
токарный контурный
|
Т5К10
|
ГОСТ
18879-73
|
|
Резец
токарный контурный
|
Т15К6
|
ГОСТ
18877-73
|
|
Протяжная
|
Протяжка
|
Р6М5
|
ГОСТ
16491-80
|
|
Зубонарезная
|
Фреза
дисковая модульная
|
Р6М5
|
ТУ-035-526-6
|
|
Сверлильная
|
Сверло
спиральное
|
Р6М5
|
ГОСТ
2092-77
|
|
Шлифовальная
|
Тарельчатый
круг
|
АТ
|
ГОСТ
16175-90
|
Таблица 11 - Выбор средства измерения
|
Контролируемый
параметр
|
Средство
измерения
|
Контролируемый
параметр
|
Средство
измерения
|
|
Ø86Н7
|
Калибр
пробка
|
Все
размеры Н14, h14(1T14/2)
|
Штангенциркуль
|
|
Шпоночный
паз
|
Специальный
калибр пробка, шаблон
|
Шероховатость
Ra 2,5; 5; 5,5
|
Эталон
поверхности
|
|
Фаска
3х45о
|
Шаблон
|
Равномерность
шага зубьев
|
Индикаторная
скоба, шагомер
|
3.1.8 Выбор режимов
резания
Технологический процесс выполняется с ведением
операционных и маршрутных карт. Исходя из обрабатываемой поверхности детали
устанавливаем режим резания и выбора станков, комплексов и режущего
инструмента. Результаты показаны в таблице № 12. Примером расчета является
подрезка торца Ø466 до Ø
86. Для этого выбирается резец с устанавливаемой на него режущей частью из
твердого сплава Т15К6 с углом в плане f=45Å.
Глубина резания:
=(D-d)/2,мм (75)
где
D- диаметр заготовки наибольший, мм;диаметр заготовки наименьший, мм;=(164-162)/2=1
мм;
Назначим
подачу:о=0,6 мм/об.;
Прием
из стандартного ряда станка: Sо=0,6 мм/об..
Рассчитаем
скорость резания:
=CV·КV/Tm tx SyК3, м/мин. (76)
где
CV
-коэффициент скорости резания; CV =350
x, y, m -
показатели степени скорости резания;
КV -
коэффициент качества обработки;
КV = КmV КnV КMV КfV КOV (77)
КmV-коэффициент
качества материала - 1;
КnV-коэффициент
состояния поверхности заготовки - 0,8;
КMV-коэффициент
материала режущей части - 1;
КfV-коэффициент
параметров резца - 1;
КOV-коэффициент
вида обработки - 1,18;
КV
=1·0,8·1·1·1,18=0,944;
Период
стойкости инструмента T=60мин;=350·0,944/600,2·20,15 ·0,60,35=147,5м/мин;
Определим
частоту вращения:
=1000*V/π*d, об./мин (78)
гдеV-
скорость резания, м/мин.;диаметр заготовки наибольший,
мм;=1000*133,15/3,14*164=258 об./мин.
Примем
по паспорту станка: n=230 об./мин.;
Рассчитаем
действительную скорость резания:
=π*d*n/1000,м/мин. (79)
где
d- диаметр заготовки наибольший, мм;частоту вращения,
об./мин.;=3,14*164*230/1000=118,44м/мин.
Минутная
подача:
Smin = S·nф=0,6·230=138мм/мин.
Длина
рабочего хода:
р.х=.
Lрез.+ у + Lдоп., мм (80)
где
Lрез- длина резания, мм;
у-
подвод, врезание, перебег инструмента, мм;доп.- ход и его дополнительная длина,
определенная в некоторых случаях особенностями конфигурации детали и наладки и,
мм;р.х=191+5=196мм.
Рассчитаем
время основное:
о=Lр.х
/Sмин., мин. (81)
где
Lр.х - длина рабочего хода, мм;мин - подача минутная, мм/мин.о=195/138=1,41мин.
Таблица
12 - Режимы резания
|
Элементы
режимов резания
|
|
Технологические
переходы
|
Lpx,мм
|
t, мм
|
S, мм об
|
Vp, м мин
|
nф, об мин
|
Vф, м мин
|
Sми Мм мин
|
Tо, мин
|
|
|
|
|
|
|
|
|
|
|
1
|
2
|
3
|
4
|
5
|
6
|
7
|
8
|
9
|
|
Токарная
1 установ
|
|
Подрезать
торец
|
195
|
6
|
0,6
|
133,15
|
230
|
118,44
|
138
|
1,41
|
|
Точить
поверхность
|
102
|
1
|
0,6
|
174,20
|
321
|
165,3
|
192,6
|
0,53
|
|
Подрезать
торец
|
92
|
3
|
0,6
|
147,74
|
94
|
134
|
56,4
|
1,63
|
|
Точить
галтель
|
81
|
3
|
0,1
|
276,59
|
314
|
276,07
|
31,4
|
2,58
|
|
Токарная
2 установ
|
|
Подрезать
торец
|
195
|
4
|
0,6
|
157,00
|
94
|
137,54
|
56,4
|
3,46
|
|
Подрезать
торец
|
165
|
6
|
0,6
|
157,00
|
114
|
145,33
|
68,4
|
2,41
|
|
Точить
фаску
|
10
|
3
|
0,1
|
276,59
|
160
|
234,12
|
16
|
0,63
|
|
Точить
поверхность
|
54
|
4
|
0,6
|
157,00
|
94
|
138,13
|
56,4
|
0,96
|
|
Точить
фаску
|
10
|
3
|
2,5
|
89,65
|
57
|
83,405
|
142,5
|
0,07
|
|
Точить
фаску
|
10
|
3
|
0,6
|
147,74
|
375
|
108,33
|
225
|
0,04
|
|
Расточить
отверстие
|
220
|
2,5
|
0,1
|
284,26
|
230
|
61,387
|
23
|
9,57
|
|
Снять
фаску
|
10
|
3
|
0,3
|
188,30
|
94
|
27,155
|
28,2
|
0,35
|
|
Развернуть
отверстие
|
230
|
0,5
|
0,6
|
193,29
|
536
|
144,74
|
321,6
|
0,72
|
|
Протяжная
операция
|
|
Протянуть
шпоночный паз.
|
102
|
16
|
-
|
7
|
-
|
-
|
-
|
0,28
|
|
Зубонарезная
операция
|
|
Фрезеровать
зубья.
|
50
|
2
|
1,8
|
25
|
3,1
|
26,6
|
5,58
|
8,96
|
|
Шлифовальная
операция
|
|
Шлифовать
зубья
|
50
|
12
|
2,3
|
28
|
32,3
|
27,9
|
74,3
|
0,67
|
|
Сверлильная
операция
|
|
Сверлить
отверстия
|
50
|
50
|
0,5
|
19
|
200
|
17,5
|
100
|
0,5
|
3.2 Проектирование
шпоночной протяжки
Произведем расчет шпоночной протяжки для
обработки шпоночного паза b32Js9
по ГОСТ 23360-78. Деталь «Полумуфта» представлена на рисунке 8.
Рисунок 8 - Полумуфта
3.2.1 Расчет протяжки
Спроектируем чистовую шпоночную протяжку для
обработки шпоночного паза 32Js9
работающую за один проход, после предварительного фрезерования или долбления.
При протяжке используется 10% СОЖ.
Материал детали - сталь 35Л ГОСТ
977-88 с
;
Размеры:
ширина паза S0=32 мм.
Допуск - Js9
(+/-0,018). Нижнее наибольшее отклонение - 0,018 мм, верхнее отклонение + 0,018
мм;
длина шпоночного паза L = 220 мм;
диаметр внутреннего отверстия детали
d=120Н7.
Готовое отверстие с шпоночным пазом
изображено на рисунке 9.
Рисунок 9 - Готовое отверстие со
шпоночным пазом
Выберем тип протяжки и формы
хвостовика. Шпоночные протяжки для обработки шпоночных канавок в отверстиях,
(см. рисунок 10), бывают трех типов: плоские с утолщенным телом; плоские с
телом равным ширине зуба; с цилиндрическим телом, диаметр при этом равен
диаметру обрабатываемого отверстия.
Рисунок 10 - Формы поперечного
сечения шпоночных протяжек
Режущая часть может быть монолитной
с корпусом протяжки или со вставкой.
Основные конструктивные элементы
шпоночной протяжки представлены на рисунке 11:
- хвостовик (передняя замковая
часть);
- направляющая передняя часть;
- часть режущая ;
-часть калибрующая ;
- направляющая задняя часть;
- гладкая часть;
- общая длина протяжки.
Рисунок 11 - Основные элементы
шпоночных протяжек
Передняя замковая часть протяжки
служит для соединения протяжки посредством протяжки с тяговым устройством
протяжного станка. Форма этой части зависит от типа протяжки и средств
соединения с тяговым устройством станка. Основные формы передней замковой части
показаны на рисунке 12.

б - ручное присоединение протяжки к
тяговому органу станка
Рисунок 12- Форма передней замковой
части шпоночных протяжек
Принимаем для разработки второй
вариант конструкции - плоская с телом равным ширине зуба. Материал режущей
части - сталь; материал хвостовика сталь 40Х.
Форму хвостовика принимаем по ГОСТ
4043-70 -тип I -плоская.
Определяем припуск на сторону А под
шпоночную протяжку расчет произведем по формуле :
А=tI‘макс-Dмин+f0, мм (82)
где t1 - высота
отверстия со шпоночным пазом, мм;
D - диаметр
отверстия, мм;
f0 - величина
стрелки, зависящая от ширины шпоночной канавки.
, мм (83)
Согласуем с ГОСТ 18217-90, при
известных t1=7,4+0,2мм,
L=220мм, D=120мм.
Принимаем максимальный припуск на протягивание по высоте А=10,10мм; припуск на
шлифование
=0,6мм; S1=0,6мм;
число проходов - 3; толщина подкладки на втором проходе S=3,18мм;
толщина подкладки на третьем проходе S=6,37мм.
Определим ширину тела протяжки:
=b+(2 ... 6) мм
=32+4=36мм
допуск по посадке ГОСТ 1012.
Определим ширину режущей части
п=bмакс-dв, мм (84)
где dв - запас на разбивание и допуск на ширину bп
Выберем величину подачи на зуб.
Подача на зуб или толщина срезаемого слоя металла Sz также
заложена в конструкции протяжки и равна размерному перепаду между соседними
режущими зубьями.
Определяем в зависимости от
обрабатываемого материала и типа протяжки толщину стружки 0,02-0,1мм и
принимаем максимально допустимую для данной марки стали заготовки:
Определим параметры зубьев протяжки.
Рассмотрим элементы зубьев и их обозначение см. таблица 14. Форма канавки
(зуба) определяется шагом зубьев t, шириной задней грани g, передним
углом, радиусом задней спинки R, углом спинки зуба и радиусом
переходной дуги r.
Таблица 14 - Элементы зубьев и их
обозначение
|
1,
2 - передняя и задняя поверхности зуба; 3 - спинка зуба; 4, 5 - главная
режущая и вспомогательные кромки; 6 - переходная кромка; 7 -
стружкоделительная канавка
|
|
Элементы
зубьев и стружки
|
Обозначение
|
Элементы
зубьев и стружки
|
Обозначение
|
|
Длина
протягивания
|
L
|
Глубина
канавки
|
h0
|
|
Толщина
стружки
|
a
|
Ширина
затылка
|
g
|
|
Ширина
канавки
|
b
|
Ширина
ленточки
|
fк
|
|
Передний
угол
|
γ
|
Радиус
канавки
|
r
|
|
Вспомогательный
угол в плане
|
Задний
угол режущие зубья
|
|
|
|
Шаг
зубьев
|
t
|
Задний
угол калибрующие зубья
|
|
Определим число режущих зубьев протяжки:
(85)
где n -
количество проходов протяжки при обработке паза.
принимаем
.
Определим глубину стружечных
канавок. При конструировании протяжек необходимо рассчитать стружечную канавку
на объем срезаемой стружки. Приближённо рабочая площадь стружечной канавки в
осевом сечении равна площади круга , что изображено на рисунке 14.
Рисунок 14- Определение глубины канавки
Величину глубины канавки h0 определяем
из условия нахождения стружки в стружечных канавках учитываем с величины подачи
на зуб предпоследней ступени:
, мм (86)
где К - коэффициент заполнения
канав стружечных ,
принимаем по при подъеме зуба а=0,1
- К = 3,5;
L - длина
протягиваемой поверхности, мм;
принимаем
Определим шаг зубьев режущих . Шаг
зубьев режущих для группового резания
Размер t округляем и окончательно
принимаем по ГОСТ 18217-90 для паза b=32мм и L=220мм:t =
26 мм.
Основным вопросом расчета режущей
части протяжки является определение формы и размеров режущих зубьев протяжки.
Они определяются из условий центрирования и направления протяжки в процессе
работы, заполнения впадины зуба стружкой и прочности протяжки. Основные формы
зубьев протяжек по казаны на рисунке 15. Форма на рисунке 15а имеет
прямолинейное очертание спинки и отличается простотой изготовления. Форма
рисунке 15б имеет криволинейное очертание спинки зуба и применяется при
обработке вязких металлов. Форма рисунке 14в в удлиненная и применяется при обработке
глубоких и прерывистых отверстий с уступами.
Рисунок 15 - Форма зуба шпоночной
протяжки
По ГОСТ 16491-70 принимаем форму с
вогнутой спинкой на рисунке 16.
Рисунок 16- Размеры стружечных
канавок
Определяем размеры стружечной
канавки:
= (0,3…0,35)t, мм (87)
= (0,3…0,35)26 = 7,8-9,1мм
принимаем g =10 мм
r = (0,5…0,6)h, мм (88)
= (0,5…0,6)10 = 5,0-6,0ммм
принимаем r =5,0 мм
R =
(0,65…0,8)t, мм (89)
R=
(0,65…0,8)26 = 16,9-20,8 мм
принимаем R =16 мм
Передние углы γ всех зубьев
инструмента выбираются от состава материала заготовки. γ = 150
Следующие задние углы зубьев
протяжки:
зубьев режущих
;
зубьев калибрующих
Шаг калибрующих зубьев tк принимаем
одинаковым шагу
режущих зубьев.
tк = 26 мм
Определим усилие протягивания. Для
шпоночных протяжек сила резания рассчитывается по формуле:
<Qдоп, Н (90)
где Ср - постоянная величина,
зависит от состава обрабатываемого материала, принимаем Ср=177;
x -
показатель степени при величине подачи, принимаем x=0,85;
- толщина стружки, мм;
- ширина шпоночной канавки, мм;
Zmax -
максимальное число зубьев работающих одновременно ;
KγKcKи
-коэффициенты поправочные , учитывающие влияние переднего угла, состав СОЖ,
износ зубьев,
принимаем
;
;
.
Теперь сила резания:
=8541,3 Н
Определяем высоту протяжки по
первому зубу из условия прочности на растяжение силой Р и допускаемого
напряжения
:
, мм (91)
где Р - расчетное усилие
протягивания, Н;
[s]в-величина
допускаемого напряжения для материала протяжки, принимаем по
кг/мм2;
b - ширина
протяжки в рассматриваемом сечении, мм;
h0-принятая
величину глубины канавки, мм
Определить высоту протяжки по
последнему режущему зубцу
п=h1 +åDh/n, мм (92)
hп=
60+10,10/3=63,3мм
заполняем таблицу высот зуба h по всей
длине , что указано в таблице 15.
Таблица 15 - Параметры зубьев
протяжки по длине
Определим размеры калибрующей части.
Число калибрующих зубьев Zк выбирается от точности обрабатываемой поверхности
см. рисунок 17.
Принимаем Zк = 4, при
этом стружечная канавка как у режущих зубцов; фаска fк=0,8 мм.

Рисунок 17 - Расположение ленточки
зуба
Длина калибрующей части для шпоночной протяжки
определяется по формуле:
, мм (93)
Высоту калибрующей части принимаем с
учетом возможной деформации - разбиения канавки со знаком минус.
, мм (94)
Величину разбиения принимаем равной
0,01мм, тогда
С целью уменьшения трения на плоских
сторонах зубьев исполняет задний угол 10, который располагается позади лент
шириной 0,8 мм.
Выбираем форму, количество и размеры
стружкоразделительных канавок. При профильной (одинарной) схеме резания припуск
на всей заготовке срезается по всей ширине плоскости В. При В > 12 мм на
зубьях протяжек делают стружкоделительные канавки в шахматном порядке (при
обработке материалов, дающих сливную стружку). Отделяющие стружку канавки
служат для разделения обрезаемого слоя по ширине и выполняются на всех участках
режущих кромок длиной более 6 мм. Число стружечных канавок и фасок см. рисунок
18 определяют по формуле:
(95)
где Р1 - шаг или расстояние между
канавками, выбирают от 5 до 8 мм, тогда минимальное количество канавок.
Рисунок 18 - Размеры и расположение
стружкоразделительных канавок и фасок
На прерывистых краях канавки
надлежит располагать на расстоянии не менее 2 мм и не более 10 мм от края .
Принимаем по ГОСТ 18217-90 для паза
шириной b=32мм:
Р=5,0мм; Р1=9мм.
Примем угловую конфигурацию
расположения стружкоделительных канавок:
угол профиля: θ = 900 ;
ширина канавки: m = 1 мм;
радиус дна канавки: rc = 0,4 мм.
Канавки располагаем в шахматном
порядке. На калибрующих зубьях и на конечном режущем зубе действие не
производим.
Определим параметры задней
направляющей части:
высота Н6=Н=60;
длина l6=70мм.
Определим длину протяжки до первого
зуба по ГОСТ 18217-90
Определим общую длину протяжки:
Lп=l1+l+l5+l6, мм (96)
Lп=513+884+117+60=1574мм
Проверяем толщину тела оправки по
условию:
определяем наибольшую глубину паза Н
из условия:
, мм (97)
условие выполнено.
Определяем высоту установки
подкладки относительно центра, см. рисунок 19.
Рисунок 19 - Для определения высоты
установки подкладки по проходам
, мм (98)
где А - максимальный припуск на
протягивание, мм;
- припуск на шлифование отверстия,
мм;
Si- толщина
подкладки по проходам, мм;
t1 - глубина
паза, мм.
Н - высота хвостовика, мм. (принимаем
при t=26мм, по
ГОСТ 18217-90 Н=60мм)
Результаты расчетов основных
конструктивных элементов шпоночной протяжки представлены в таблице 16.
Таблица 16 - Результаты расчетов
шпоночной протяжки
|
Элемент
протяжки
|
Обозначение
|
Значение
|
Элементы
протяжки
|
Обозначение
|
Значение
|
|
Хвостовик
|
220/60Калибющая
часть 117/59,99
|
|
|
|
|
|
Направляющая
передняя часть
|
270/60Направляющая
задняя часть 60/70
|
|
|
|
|
|
Часть
режущая
|
884/60/63,3Гладкая
часть 490
|
|
|
|
|
|
Длина
протягивания
|
L
|
1574
|
Глубина
канавки
|
h0
|
10
мм
|
|
Толщина
стружки
|
a
|
0,1
мм
|
Ширина
затылка
|
g
|
10
мм
|
|
Ширина
канавки
|
b
|
32
мм
|
Ширина
ленточки
|
fк
|
0,8
мм
|
|
Передний
угол
|
γ
|
150
|
Радиус
канавки
|
r
|
5
мм
|
|
Вспомогательный
угол в плане
|
10Радиус
спинкиR16 мм
|
|
|
|
|
Шаг зубьев t 26
мм Задний угол

ЗАКЛЮЧЕНИЕ
Валоповортное устройство это ответственный узел.
С помощью него проводят подготовку турбокомпрессора к запуску (разогрев и
промасливание) и остановку.
Периоды запуска и остановки занимают довольно
значительное время в связи с необходимостью постепенного разогрева или
охлаждения узлов для обеспечения требуемых рабочих температурных зазоров в
турбине.
Резкая остановка компрессора при запуске или
преждевременная при остановке приведет к выходу из строя основных дорогостоящих
узлов турбокомпрессора.
Модернизация компрессора и установка
валоповорота на паровую турбину позволит сократить время прогрева турбины при
пуске, устранить ряд недостатков, таких как прогиб и неравномерный прогиб
ротора.
А так же длительное остывание паровой турбины, а
так же позволит исключить полную остановку паровоздуходувки при прекращении
подачи острого пара в полости паровой турбины.
Данные меры помогут предотвратить экономические
потери и выход из строя оборудования.
В ходе проделанной работы мы разработали главные
узлы валоповоротной установки, рассчитали ведомый и ведущий валы понижающего
редуктора.
Выбрали электродвигатель, разработали
принудительную систему смазки подшипников, выбрали главное защитное
оборудование, маслонасосы, предохранительные обратные клапаны, маслофильтры, а
так же определили тип смазывающих материалов.
Произвели выбор станочного оборудования,
разработали числовое программное обеспечение комплексов и станков для
определенного инструмента.
Разработали схему технологических наладок,
технологические карты.
Выбрали и рассчитали режущий инструмент для
изготовления главных узлов редуктора ВПУ.
Графически изобразили схему участка
паровоздуходувной станции, валоповоротное устройство и исполнительный механизм,
систему смазки, технологические наладки и режущий инструмент.
СПИСОК ИСПОЛЬЗОВАННЫХ ИСТОЧНИКОВ
1. Антонюк,
Л.М. Теория газотурбинных двигателей: учеб. пособие / Л.М. Антонюк, В.С.
Марусенко. - Москва: Машиностроение, 2000. - 163 с.
. Анурьев,
В.И. Справочник конструктора машиностроителя: в 3 т. Т. 3 / В.И. Анурьев. -
Москва: Машиностроение, 1978. - 577 с.
. Атлас
конструкций. Детали машин: учебное пособие для вузов / под ред. Н.Д. Решетова.
- Москва: Машиностроение, 1979. - 205 с.
. Вавилов,
М.П. Смазка металлургического оборудования: учеб. пособие М.П. Вавилов. -
Москва: МАШГИЗ, 1954. - 176 с.
. Горбацевич,
А.Ф. Курсовое проектирование по технологии машиностроения: учебное пособие для
машиностроительных спец. вузов / А.Ф. Горбацевич, В.А. Шкред. - Минск: Высшая школа,
1983. - 256 с.
. ГОСТ
16491-70. Протяжки шпоночные. Конструкция. - Введ. 01.02.1990. - Москва:
Издательство стандартов, 1980. - 56 с.
. ГОСТ
18220-90. Протяжки шпоночные для пазов повышенной чистоты. Конструкция. - Введ.
01.01.1991. - Москва: Издательство стандартов, 1990. - 38с.
. ГОСТ
4043-70. Хвостовики плоские для протяжек. - Введ. 01.07.1971. Москва:
Издательство стандартов, 1991. - 110 с.
. ГОСТ
16491-70. Протяжки шпоночные. Технические требования. - Введ. 01.01.1981. -
Москва: Издательство стандартов, 1999. - 7 с.
. Егоров,
М.Е. Технология машиностроения: учебник для машиностроительных вузов / М.Е.
Егоров. - Москва: Высшая школа, 1976. - 534 с.
. Иванов,
М.Н. Детали машин: учебник для машиностроительных специальностей вузов / М.Н.
Иванов, В.А. Финагенов. - Москва: Высшая школа, 2002. - 408с.
. Малов,
А.Н. Справочник металлиста: в 3 т. Т. 5 / А.Н. Малов. - Москва: Машиностроение,
1960. - 1164 с.
. Ряховский,
О.А. Детали машин: учебник для вузов / О.А. Ряховский. - Москва: МГТУ им.
Баумана Н.Э, 2002. - 388 с.
. Шатин,
В.П. Справочник конструктора-инструментальщика: справочник / В.П. Шатин, Ю.В.
Шатин. - Москва: Машиностроение, 1975. - 456 с.
. Шейнблит,
А.Е. Курсовое проектирование деталей машин: учеб. пособие / А.Е. Шейнблит. -
Москва: Высшая школа, 1991. - 433с.