Модернизация кольцераскатного автомата кузнечно-прессового цеха
Введение
Важнейшим достижением научно-технического
прогресса является комплексная автоматизация промышленного производства. В
своей высшей форме - гибком автоматизированном производстве (ГАП) -
автоматизация предполагает функционирование многочисленных взаимосвязанных
технических средств на основе программного управления и групповой организации
производства.
В связи с созданием и использованием гибких
производственных комплексов механической обработки резанием особое значение
приобретают станки с числовым программным управлением (ЧПУ), выпуск которых в
нашей стране постоянно возрастает.
В результате замены универсального
неавтоматизированного оборудования станками ЧПУ трудоемкость изготовления
деталей оказалось возможным сократить в несколько раз.
Обработка резанием является основным
технологическим приемом изготовления точных деталей машин и механизмов.
Трудоемкость механосборочного производства в большинстве отраслей
машиностроения значительно превышает трудоемкость литейных, ковочных и
штамповочных процессов вместе взятых. Обработка резанием имеет достаточно
высокую производительность и отличается исключительной точностью.
Технический прогресс выражается в росте мощности
и технических возможностей оборудования.
Эффективность производства возможно повысить
путем улучшения организации производства, с помощью расстановки оборудования по
потоку движения предметов труда в производственном процессе.
1.
Состояние вопроса и задачи проектирования
.1 Анализ состояния вопроса
Современный уровень технологического процесса
изготовления колец подшипников требует получения более качественной, точной
заготовки при минимальной себестоимости.
Наиболее прогрессивным методом получения
заготовки является получение заготовки холодной раскаткой. Получение
цилиндрической заготовки, так называемого бублика, уже отработано внедрено для
практически всех типов подшипников и широко используется на предприятии.
Основная цель внедрения современных методов
производства - снижение себестоимости, повышение качества и снижение при этом трудоемкости.
Анализ транспортной задачи показывает, что
первым шагом к уменьшению трудоемкости и необходимо провести модернизацию
действующего оборудования под требования получения точной полнопрофильной
заготовки. Однако при получении бублика припуск на дальнейшую обработку
значителен и после получения цилиндрической заготовки необходимо заготовку
транспортировать в другое производство - токарное, где производится съем
максимального припуска и заготовка принимает форму максимально приближенную к
окончательному профилю кольца.
Наиболее перспективными является получение
заготовки как можно ближе к готовой детали - с минимальными припусками. Таким
образом, речь идет о получении полнопрофильной заготовки, т.е. форма заготовки
максимально напоминала окончательную форму готового кольца. Первоначально речь
шла о получении на операции "раскатка" дорожки качения, а в
дальнейшем и канавки.
Основная проблема возникла в контроле основных
параметров заготовки при непосредственном процессе раскатки.
.2 Цель и задачи разработки
Первоочередной задачей конструкторской части
является модернизация кольцераскатного автомата. Модернизировать необходимо
следующие узы и механизмы: привод главного движения; гидропривода загрузочного
устройства; узел раскатки; разработка раскатника; разработку системы активного
контроля.
Привод главного движения. Необходимо увеличить
мощность привода главного движения, провести расчеты по результатам которых
назначить электродвигатель, стандартный редуктор. Провести проверочные расчеты
на прочность.
Гидропривод загрузочного устройства. Цель -
является разработка гидропривода автоматического устройства для
загрузки-выгрузки колец подшипников на кольце раскатной автомат. в
разработанном приводе должна применяться стандартная гидроаппаратура. При создании
работы использовались документы из области физики, основ конструирования машин,
высшей математики, технического черчения, и математического моделирования.
Узел раскатки. Необходимо разработать компоновку
расположения основных узлов, входящих в узел раскатки.
Разработка системы активного контроля.
Разработка активной системы управления процессом раскатки, т.е. получение более
точной заготовки. При разработке активной системы увеличивается процент
точности параметров заготовки, при этом возможно добиться снижение припусков на
дальнейшую обработку и получение стабильно качественной поверхности заготовки.
Это все влияет на технологичность получения качественной заготовки.
Задачи при разработке активной системы вытекают
следующие. Уточнить каков объем проектных работ - для этого необходимо изучить
работу раскатного автомата, технологию раскатки, основные недостатки,
отклонения формы и неточности полученных заготовок, влияние параметров исходной
заготовки на качество раскатанной. Разработать основные узлы и скомпоновать их
на раскатной машине.
Произвести необходимую доработку бабки машины
(обработаны дополнительные отверстия). Смонтировано вновь изготовленные узлы и
детали.
Следующей немаловажной частью проекта является
разработка специального режущего инструмента - сверла для обработки отверстия
вала.
Далее необходимо разработать технологический
процесс лезвийной обработки изготовления вала с оформлением комплекта
технологической документации.
2. Конструкторская часть
.1 Модернизация привода вращения бандажа
.1.1 Исходные данные
Исходные данные для расчета - технические
характеристики и базовые чертежи исполнительной машины:
Частота вращения вала исполнительной машины,
мин-1 70;
Мощность на шпиндельном валу, кВт 35.
.1.2 Разработка кинематической схемы
Привод автомата состоит из электродвигателя,
клиноременной передачи, и муфты соединительной. Применяется двигатель
асинхронный с постоянной частотой вращения вала. Так же применяем
втулочно-пальцевую муфту.
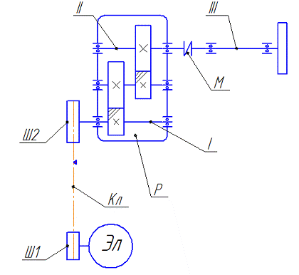
На валу электродвигателя крепится ведущий шкив
(Ш1) клиноременной передачи. На ведущий (быстроходный) вал редуктора (I)
устанавливается ведомый шкив (Ш2) клиноременной передачи. Крутящий момент от
электродвигателя передается на быстроходный вал редуктора посредством
клиноременной передачи, с которого передается на тихоходный вал (II).
Тихоходный вал редуктора и шпиндельный вал (III) соединяются муфтой (М).
Приводной вал (III) вращается на паре конических подшипников. На кинематической
схеме рисунок 1, обозначается: Эл - электродвигатель; М - соединительная муфта;
Кл - клиноременная передача; Ш1 - ведущий шкив ременной передачи; Ш2 - ведомый
шкив ременной передачи; Р - редуктор; I - ведущий (быстроходный) вал редуктора;
II - выходной (тихоходный) вал редуктора; III - приводной вал.
Рисунок 1 - Кинематическая схема привода
.1.3 Энерго - кинематический расчет привода
Общий к.п.д. привода определяется по формуле:
ηо
= ηрем
´
η4пк
´
η2цил
´
ηм.,
(1)
где ηо
- общий к.п.д.;
hпк = 0,99 ¸ 0,995 - к.п.д.
пары подшипников качения, (назначаем hпк = 0,995);
ηрем = 0,94 ¸
0,96 к.п.д. ременной передачи, (назначаем ηрем
= 0,96);
ηм = 0,98 ¸
0,99 - к.п.д. муфты соединительной муфты (назначаем
ηм
= 0,99);
hцил = 0,96 ¸ 0,98 - к.п.д.
зубчатой цилиндрической закрытой передачи, (назначаем hцил
= 0,98).
Тогда, к.п.д. привода:
ηо = 0,96´0,9954´0,99´0,982
= 0,899.
После определения к.п.д привода и требуемую
мощность на приводном валу находим требуемую мощность электродвигателя:
, кВт, (2)
где
- требуемая мощность
электродвигателя, кВт;
- требуемая мощность на приводном
валу, которая согласно техническому заданию определена
кВт.
37,432 кВт (3)
По справочным таблицам находим
электродвигатель с мощностьюэлст = 37 кВт.
Двигатель асинхронный АИР 200 М2 У2
380 В,50 Гц, IM1081 ТУ16-526.621
Двигатель асинхронный АИР 200 М4 У2
380 В,50 Гц,IM1081 ТУ16-526.621-85
Передаточное отношение привода
автомата будет включать а себя следующее:
, (4)
где Uпр - передаточное отношение
привода;рем - передаточное число клиноременной передачи;цил - передаточное
число цилиндрического редуктора.
Корректное передаточное число
передачи находится в диапазоне Uрем рек = 2 ÷ 4.
По технической характеристике на
двухступенчатые цилиндрические редуктора Ц2У-100 - Ц2У250 допустимые
номинальные передаточные числа: 8; 12,5; 16; 20; 25; 31,5; 40. Выбираем
электродвигатель марки АИР 200 M2 У2 ТУ16-526.621-85 с частотой вращения вала n
= 3000 об/мин нельзя применять в качестве привода.
Передаточное отношение
цилиндрического редуктора находим по формуле:
(5)
При эксплуатации привода с
двигателем АИР 200 М4 У2 получаем:
Окончательно назначаем:
Электродвигатель АИР 200 М4 У2 380
В,50 Гц, IM1081 ТУ16-526.621-85 с частотой вращения вала nЭл = 1470 об/мин;
Редуктор с передаточным числом Uцил
= 10.
Эскиз с основными присоединительными
и габаритными размерами электродвигателя рисунок 2.
Уточняем передаточное число ременной
передачи:
.
Рисунок 2 - Присоединительные и
габаритные размеры электродвигателя
Определяем частоты вращения валов:Эл
= 1470 мин-1 - частота вращения вала электродвигателя;- частота вращения
быстроходного вала редуктора; = nЭл/Uрем = 1470/2 = 735 мин-1- частота вращения
выходного вала редуктора;= nI/Uцил = 735 / 10,5 = 70 мин-1= nII - частота
вращения приводного вала.
Циклические частоты вращения
определяем по формуле:
(6)
где wЭл - циклическая частота вращения вала
электродвигателя, сек -1.
сек -1.
Дальнейший расчет сводим в таблицу
1.
С учетом механических потерь
максимальная мощность на валах принимается по мощности электродвигателя. Исходя
из этого, максимальное значение мощности на каждом валу, определяем по формуле
[5]:
, кВт, (7)
где N1 - мощность на валу, кВт;
N(1-1) - мощность на предыдущем
валу, кВт;
hi
- кпд механической пары.
Определяем мощность на каждом валу
привода.
Вал электродвигателя
эл = 35 кВт.
вал
= Nэл × ηрем ´ ηпк = 35´0,96´0,995 =
33,432 кВт.
вал (тихоходный вал редуктора)
= NI ´ ηпк2 ´ hцил2 = 33,432 ´0,9952 ´ 0,982 =
31,787 кВт.
вал (приводной вал )
= NII ´ ηпк ´ hм = 31,787 ´0,995 ´ 0,99 =
31,311 кВт.
По мощности находим максимальные
крутящие моменты по формуле:
, Нм (8)
Находим на валу электродвигателя
крутящий момент
Н´м.
Результаты энергокинематического
расчета сводим в таблицу 1
Таблица 1 - Параметры привода
|
Вал
|
Максимальная
мощность, кВт
|
Частота
вращения, об/мин
|
Частота
вращения, рад/сек
|
Максимальный
крутящий момент, Н*м
|
|
Вал
эл.
|
35
|
1470
|
153,86
|
227,479
|
|
I
вал
|
33,432
|
735
|
76,93
|
454,959
|
|
II
вал
|
31,787
|
70,01
|
7,326
|
4777,504
|
|
III
вал
|
31,311
|
70,01
|
7,326
|
4777,504
|
.1.4 Выбор стандартного редуктора
Окончательно назначаем стандартный
цилиндрический двухступенчатый редуктор Ц2У-250-10-21У1.
Редукторы зубчатые цилиндрические двуступенчатые
узкие горизонтальные общемашиностроительного назначения предназначены чтобы
уменьшить частоту вращения либо увеличить крутящий момент.
Размеры редуктора приведены на рисунке 3.
Редуктор назначаем типа Ц2У-250-10-21У1
ТУ2-056-243-86. Техническая характеристика редуктора:
Крутящий момент на выходном валу, Нм 5000;
Передаточное число 10;
КПД редуктора, не менее, % 97;
Масса, кг 310;
Параметры тихоходного вала (1:10) (DxL) 90х170.
2.1.5 Расчет и проектирование клиноременной
передачи
Сечение ремня и диаметр малого шкива,
назначается в зависимости от передающего момента, выбираем сечение ремня “Б” по
ГОСТ 1284.3-96 [6].
Характеристика клинового ремня сечения Б:р = 14
мм -ширина ремня;= 17 мм - ширина большего основания ремня;= 0,18 кг/м - масса
1-го погонного метра ремня;= 10,50 мм - высота ремня;
А = 138 мм2 - площадь поперечного сечения
ремня;р = 800 ÷ 6300 мм - длина ремня;р
= 125 мм - минимальный диаметр малого шкива.
Рисунок 3 - Габаритные и
присоединительные размеры редуктора
Исходя из расчета, выбираем диаметр
малого шкива:
≈
(3 ¸ 4) ×
, мм, (9)
где
Тi - вращающий момент на валу ведущего шкива, Н×м.
Т1
=
197,672×103
Н×м.= (3¸4) ×
мм.
Выбираем
шкив диаметром d1 = 180 мм.
Определение
диаметра ведомого шкива.
Значение
диаметра большего шкива находим по формуле:
=
d1×U× (1-Еγ), мм, (10)
где
Еγ
-
коэффициент скольжения ремня Еγ = 0,01…0,02;
U
- передаточное число клиноременной передачи.
=
180 × 1,933 × (1-0,01) = 344,461 мм.
Назначаем
d2 = 355 мм (по ряду стандартных размеров диаметров шкивов). Исходя из этого
передаточное число клиноременной передачи будет равно:
ф
=
; Uф =
1,992
Чтобы
предварительно определить межосевое расстояние применяем зависимости:= 0,55´(d1+d2)+h,
мм; awmax = 2´(d1+d2), мм
(11)= 0,55´(180+355)+8
= 304,755 мм;= 2´(180+355) =
1070 мм;
Межосевое
расстояние располагается в передлах aw= 305 ¸ 1070 мм. Выбираем межосевое расстояние
клиноременной передачи aw = 600 мм.
Расчетная
длина ремня определяется по формуле:
=
2 ´ ap+
, (12)= 2 ´ 600 +
2053,136
мм.
По
ГОСТ 1284.3-96 межосевое расстояние будет равно:
=
(13)
= 0,5´p´(d1 + d2); у
= (d2 - d1)2
= 0,5´ p ´ (180 + 355)
= 840,376; у = (355 - 180)2 = 30625=
= 633,772. Назначаем aw = 635 мм.
Для
эксплуатации ремней уменьшаем межосевое расстояние на 2%, получаем:
(635´2)/100 =
12,68 » 13 мм
Межосевое
расстояние выбирается из расчета длины ремня, увеличенном до 5,5%:
Конструкция
натяжного устройства обеспечивает разные межосевые расстояния, в пределах: aw =
621 ¸ 692 мм.
Угол
малого шкива находим по формуле:
a = 180° - 57,3°×(d2 - d1)/aw
(14)
a = 180° - 57,3° × (355 - 180) / 634 =
165,177.
Долговечность
передачи должна удовлетворять условию:
,с-1
-
скорость, найденная по формуле:
, м/с, (15)
где
hр - длина ремня по ГОСТ 1284.3-96, м;
[i]
- число пробегов, для клиноременной передачи равно 10 … 20.
, м/с;
6,446 с-1
Расчетную
мощность, для одного ремня, находят по зависимости:
Рр
= (Ро´Сα´Сh´Сu)/Ср, кВт,
(16)
где
Рр - мощность, типовой передачи, кВт, Ро = 5,14 кВт;
Сu
- коэффициент передаточного отношения, Сu = 1,12;
Сα -
коэффициент угла, Сα
=
0,98;
Сh
- коэффициент длины ремня, Сh = 0,93;
Ср
- коэффициент режима работы.
Тогда:
Рр = 5,14´0,98´1,10´0,93/1,2 =
4,765 кВт.
Рассчитанное
число ремней в передаче по ГОСТ 1284.3-96:
=
, (17)
где
Р1 - мощность на ведущем валу передачи, кВт;
Рр
- расчетная мощность, передаваемая одним ремнем;
Сz
- коэффициент числа ремней при Z = 0,96 (2 - 3 ремня).
Получаем:
=
Назначаем
Z = 7.
Силу
натяжения одного ремня, находим по формуле:
=
, Н, (18)
где
V -скорость, м/с;
Р1
- мощность, кВт;
θ
- коэффициент,
учитывающий центробежные силы на сечения.
θ
= 0,10
; =
322.530Н
Сила,
действующая на валы:
≈
2´Fo´Z´sin (α/2), (19)≈
2´1153,189´7´sin
(165,177/2) = 4477.698 Н.
.1.6
Ориентировочный расчет выходного вала
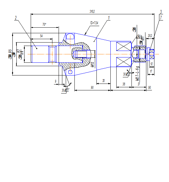
Необходимо
определить параметры выходного вала кольцераскатного автомата - шпиндельного
вала. На данном валу предусмотрен посадочный участок под установку оснастки - с
одной стороны, подшипников качения и посадка под соединительную муфту.
На
валу дожны быть несколько участков под посадку: шейка (d1) - для установки
полумуфты соединительной муфты; шейка под установку подшипников качения (d2);
посадочный диаметр под установку специальной оснастки для раскатки (d3). Расчет
испытываем на кручение по заниженным допускаемым напряжениям.
Эскиз
предварительной конструкции вала рисунок 4.
Расчет
проводим из условия прочностных характеристик на кручение, согласно следующей
формуле:
, мм, (20)
где
- момент на
валу, Т = 4267,016 Н´м;
МПа -
допускаемые напряжения при кручении.
101,755 …
94,973 мм
Минимальный
диаметр приводного вала служит для крепления соединительной муфты, поэтому
выходной участок вала необходимо согласовать с концевым участком тихоходного
вала редуктора.
Параметры
тихоходного конического вала редуктора (1:10) (DxL) = 90х130.
Выходной
конец приводного вала назначаем коническим d1 х l1 = 100 х 100 мм. Посадочный
диаметр под подшипники d3 = 110 мм. Диаметр упора подшипников находим по
формуле:
=
d3
+ 2×r,
мм, (21)
где
r - радиус скругления на внутреннем кольце подшипника.
Диаметр
упорного буртика подшипников качения:
=
110 + 2×3,5 = 117 мм.
Принимаем
окончательно d4 = 120 мм.
Посадочный
диаметр технологической спец оснастки (бандаж) назначаем таким же как и для
установки соединительной муфты - конусный (1:10), т.е d2 х l2 = 100 х 125 мм.
На
валу устанавливаются две шпонки: одна под полумуфтой соединительной муфты
вторая под ступицей оснастки.
Рисунок
4 - Эскиз предварительной конструкции вала
.1.7
Подбор подшипников и корпусов для них
Осевые
усилия на приводном валу конвейера незначительные, основная нагрузка,
воспринимаемая подшипниками - радиальная. Таким образом, назначаем подшипники
шариковые радиальные однорядные с двумя уплотнениями. Такая конструкция
подшипника значительно упрощает обслуживание и конструкцию подшипникового узла.
Предварительно назначаем шариковые радиальные подшипники легкой серии.
Подшипник
80222 - ГОСТ 7242-81. Параметры подшипника [6]:
диаметр
посадки подшипника на вал, d, мм 110;
радиус
скругления R, мм 3,5;
максимально
допустимая частота вращения, мин-1 3000;
диаметр
посадки подшипника в корпус, D, мм 200;
высота
подшипника Н, мм 38;
грузоподъемность
статическая, кН 157,0;
грузоподъемность
динамическая, кН 125,5.
Вал
вращается на двух шариковых опорах, в качестве которых используются шариковые
радиальные подшипники качения. Подшипники устанавливаются в расточки корпуса,
который устанавливается в расточку литой чугунной станины автомата и крепится
болтами к задней стенке. От осевого перемещения корпус закрепляется болтами.
Так как приводной вал вращается на шариковых радиальных подшипниках с
уплотнительными шайбами, то нет необходимости использовать стандартные крышки с
уплотнениями. Такая конструкция значительно упрощает сборку и обслуживание.
.1.8
Эскизная компоновка приводного вала
Приводной
вал кольце раскатного автомата вращается на паре шариковых радиальных подшипниках
легкой серии. Наружные кольца подшипников установлены в оригинальный корпус,
который крепится к станине автомата болтами.
Первая
со стороны оснастки опора - фиксированная. Подшипник одним торцем упирается в
разрезное кольцо, которое установлено в проточку корпуса шпинделя, а второй
поджимается через втулку торцовой крышкой.
Вторая
опора - плавающая. Внутренние кольца подшипников стянуты через втулку гайкой,
она стопорится стопорной шайбой. Предусмотрен резьбовой участок на выходе вала.
.1.9
Проверка долговечности подшипников
Работоспособность
подшипников качения заключается в динамической и статической грузоподъемности.
Ресурс
подшипника находится по формуле [6]:
, млн/об,
(22)
где
С - грузоподъемность подшипника по каталогу;
Р
- эквивалентная нагрузка;
р
- показатель степени: для шарикоподшипников р = 3, для роликоподшипников р =
10/3.
Номинальная
долговечность в часах определяется по формуле:
, млн/об,
(23)
где
n - частота вращения вала.
Для
радиально-упорных однорядных шарикоподшипников неравносильная нагрузка
находится по формулам:
При
Р
= (X×V×Fr + Y×Fa)×Kб×Кт, (24)
При
Р
= V×Fr×Kб×Кт , (25)
где
V - коэффициент вращения, для внутреннего кольца V=1, а при вращении наружного
V=1,2;- радиальная нагрузка; - осевая нагрузка;б - коэффициент безопасности;
Кт
- температурный коэффициент.
В
данном случае отсутствует осевое нагружение подшипников, нагрузка строго
радиальная, поэтому эквивалентную нагрузку определяем по формуле:
Р
= V×Fr×Kб×Кт (26)
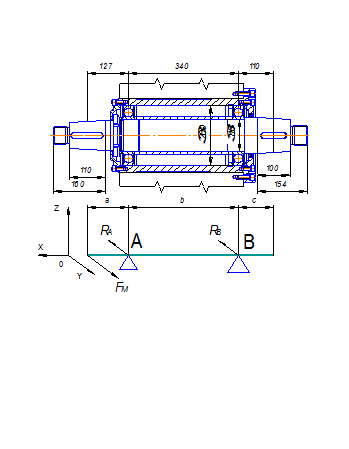
Создаем
расчетную схему. Расчетная схема изображена на рисунке 5.
На
схеме принято обозначать:
А,
В - опоры приводного вала конвейера;, RВ, - реакции в опорах А и В;м - усилие
от муфты, определяемое по формуле:
м
=
, Н, (27)м =
= 8171,037
Н.
а,
b, c - длины участков: а = 0,127 м; b = 0,340 м; с = 0,110 м.
Определим
реакции, возникающие в опорах Для этого необходимо составить уравнения статики:
S МА = 0 Н×м; S МА = -FМ×a - RВ×b = 0 Н×м, (28)
S МВ = 0 Н×м; S МВ = -FМ×(a+b)+RА×b = 0 Н×м, (29)
S F = 0 Н; S F = -FМ + RА + RВ = 0 Н.
(30)
Рисунок
5 - Расчетная схема
Из
уравнений выражаем неизвестные:
А
=
, RВ =
(31)
Находим
неизвестные:
А
=
= 11224,156
Н,В =
= -
3052,123 Н
Проверка:
S F =
-8151,034 + 11224,156 + (-3052,123) = 0 Н.
Уравнение
верно.
Найдем
нагрузку на подшипники в опоре А (RА = 11224,156 Н):
РэА
= 1×11224,156
×1,2×1 = 13467,791 Н.
Установим
ресурс подшипников в А и В по формуле:
=
(С/Рэ)р, млн/об (32)= (157000/13467,791)3 = 1484,169 млн/об
Долговечность
подшипников в часах:
h=
(33)h=
439982,03 ч
Подшипники
пригодны, обеспечивают требуемый ресурс.
.1.10
Уточненный расчет вала
Стойкость
вала зависит от действия габаритов и его конструкции в местах перехода между
ступенями. В них создается скопление напряжений кручения и изгиба. Поэтому
конструкция и величины вала должны быть оптимальны. Расчет на стойкость
осуществляется после проектирования и окончательной компоновки рассчитываемого
вала, расчета подшипников качения, выбора и расчета шпонок.
Определим
изгибающие моменты, возникающие в опорах. Расчетная схема нагрузки вала и эпюра
изгибающих моментов рисунок 7. Уравнение статики для горизонтальной плоскости:
S МА = 0 Н×м; S МА = -FМ×a - RВ×b = 0 Н×м;
S МВ = 0 Н×м; S МВ = -FМ×(a+b)+RА×b = 0 Н×м;
S F = 0 Н; S F = -FМ + RА + RВ = 0 Н;А =
11223,159 Н, RВ = -3052,123 Н; а = 0,127 м; b = 0,34 м; с = 0,11 м; М =
8171,037 Н.
Рассмотрим
первый участок: 0 £ Х1 £ a; a =
0,127 м.
Уравнение
моментов: Ми10 = - FМ ´ Х1
При
Х1 = 0 м: Ми10 = -8171,037 ´
0 = 0 Нм;
При
Х1 = 0,127 м: Ми11 Y = -8171,037 ´ 0,127 = - 1037,72 Нм;
Рассмотрим
второй участок: 0 £ Х2 £ b; b =
0,340 м.
Уравнение
моментов: Ми2 = - FМ ´(a+Х2) + RA ´Х2;
При
Х2 = 0 м;
Ми20
Y = -8171,037 ´(0,127+0) -
11223,159´0 = -1037,72
Нм
При
Х2 = 0,340 м;
Ми21
Y = -8171,037 ´(0,127+0,34)
- 11223,159´0,34 = 0 Нм.
Наиболее
опасным сечением для данного вала является место в опоре А (сечение А-А) -
переход посадочного диаметра подшипника на резьбовой участок d = 102 мм.
Концентратор напряжения - проточка под резьбу d = 102 мм - галтель (r = 1 мм).
Общие
сведения для расчета. Коэффициент запаса прочности определяется по формуле:
=
, (34)
где
Sσ -
коэффициент запаса прочности по нормальным напряжениям;
Sτ -
коэффициент запаса прочности по касательным напряжениям;
[S]
- допускаемый коэффициент запаса прочности [S]=2,5.
Коэффициент
запаса прочности находим исходя из формулы:
, (35)
где
σ-1 - предел
выносливости стали при симметричном цикле изгиба,
для
углеродистых конструкционных сталей σ-1= 0,43´σ в;
σ
в
- предел прочности материала вала. σ в = 780 МПа;
Кσ -
эффективный коэффициент концентрации нормальных напряжений;
Еσ - масштабный
фактор;
β
- коэффициент,
учитывающий влияние шероховатости поверхности;
σv -
амплитуда цикла нормальных напряжений, равная наибольшему напряжению привода σ u в
рассматриваемом сечении.
Коэффициент
запаса прочности по напряжениям кручения устанавливаем согласно формуле:
, (36)
где
τ-1- предел
выносливости стали при симметричном цикле кручения, τ-1= 0,58´σ-1 МПа
Рисунок
6 - Эпюры изгибающего и крутящего моментов
Определение
коэффициента запаса прочности в сечении. Коэффициенты концентрации напряжений:
Кσ = 1,8; Кt = 1,7; Еσ = 0,82; Еt = 0,70; β = 0,96; σm = 0Н; yσ = 0,2; yt = 0,1.
σ-1= 0,43´σ в = 0,43´780 = 335,4
МПа;
t-1= 0,58´σ в = 0,58´780 =
194,532 МПа;
=
104183,852 мм3;
= 208367,704
мм3.
Амплитуда
и среднее напряжение цикла касательных напряжений:
10,254 МПа
9,96 МПа
Тогда:
;
=
³ [S] = 1,5 …
2,5.
Прочность
вала обеспечена.
2.1.11
Подбор муфты
В
данном приводе применяется муфта упругая втулочно-пальцевая, очень легкая в
эксплуатации. Назначаем муфту упругую втулочно-пальцевую типа: 4000-90-1У3 ГОСТ
21424-93. [11] Характеристика муфты:
номинальный
крутящий момент, Н*м 4000,0;
радиальное,
мм 0,6;
сдвиг
валов, не более
угловое
0°30';
масса,
кг, не более 70,64.
.2
Модернизация гидропривода загрузочного устройства
.2.1
Разработка принципиальной схемы гидропривода
Разрабатывал
гидропривод автоматического устройства для загрузки-выгрузки колец подшипников
на кольце раскатной автомат, со следующими техническими характеристиками,
которые приняты по базовой установке:
Способ
регулирования скорости - дроссельный на выходе;
Осевое
усилие на исполнительном гидроцилиндре, Н 3500;
Тип
гидродвигателя - поступательного движения;
Максимальное
перемещение валка, мм 50;
Наибольшая
линейная скорость, м/мин 5;
Монтаж
аппаратуры блока управления модульный.
Гидропривод
обеспечивает поступательное передвижение главных элементов устройства питателя
и кантователя. Рабочим органом устройства является три гидравлических цилиндра,
которые выполняют передвижение своего исполнительного механизма, два цилиндра -
привод собачек отсекателя, а один - для перемещения кулисы, в которой
расположен захват для транспортирования колец из лотка закрузки в рабочую зону
автомата, и обработанного кольца - в лоток выгрузки.
Принципиальная
схема гидропривода изображена на рисунке 7.
.2.2
Описание работы гидропривода
Описание
работы гидрооборудования.
Цикл
“ОСТАНОВ”
Н
- Ф -КП - Б
Отсутствие
напряжения на магнитах Э1 и Э2. В среднем положении находится золотник
распределителя (РР), перекрыты каналы. Через переливной клапан (КП) рабочая
жидкость сливается в бак.
.2.3
Расчет и выбор исполнительного гидроцилиндра
Назначим
основной гидроцилиндр ГЦ.
, м, (37)
где
R - усилие на штоке, Н;
p2
- давление в сливной полости, p
= 0,3 ¸ 0,9 МПа;
p
- давление
в напорной полости, МПа;
;
коэффициент
отношения диаметра поршня к диаметру штока.
;
;,d2 - диаметры штоков
соответственно в напорной и сливной полостях цилиндра.
Должно
выполняться соотношение:
р1 = (2/3) ×рН, МПа,
(38)
где
рН - давление насоса.
Определяем
рН = 6,3 МПа.
Тогда
р1
= (2/3) ×6,3 = 4,2 МПа.
Получаем р1 = 4 МПа.
р2
= 0,09 МПа - противодавление.
Тогда
33,663 мм
Из
таблицы диаметров определяем D = 40 мм. Получаем два стереотипных
гидроцилиндра: ЦРГ 40´20´50 ОСТ2
Г29-1-77 (ТУ2-053-1652-83Е) [8]= 40 мм - диаметр поршня;= 50 мм - рабочий ход
цилиндра;= 20 мм - диаметр штока.
Для
перемещения кулисы: Установим стандартный гидроцилиндр: ЦРГ 40´20´300 ОСТ2
Г29-1-77 (ТУ2-053-1652-83Е)= 40 мм - диаметр поршня;= 300 мм - Рабочий ход
цилиндра;= 20 мм - диаметр штока.
.2.4
Выбор стандартной гидроаппаратуры
Найдем
минимальные и максимальные расходы гидроцилиндра. Находим расход цилиндра:
=
Vmax ´ F, Н, (39)
где
Vmax - скорость поршня гидроцилиндра, Vmax = 5 м/мин (0,083 м/сек);
F
- эффективная площадь поршня, м.
Площадь
I полости гидроцилиндра находится по формуле:=
, м2, (40)
где
D - диаметр поршня цилиндра, м2;
d
- диаметр штока цилиндра, м2.
Площадь
II полости гидроцилиндра устанавливается по формуле:
=
, м2 (41)
.2.1
Выбор насосного агрегата
Выбираем
насос типа Г12-32М ГОСТ 13167-82.
Основные
параметры насосного агрегата:
Давление
на выходе из насоса, МПа
Номинальное
12,5;
Предельное
14;
Рабочий
объем, см3 25;
Номинальная
подача, л/мин 21,1.
Ставим
насосную установку типа [8]:
Б
Г48-9 4 УХЛ
.
Обозначается:
-
исполнение по высоте гидрошкафа;
-
вместимость бака - 160 л;
Б
- с теплообменником;
Г48-9
- обозначение насосной установки;
;
Г49
- 42 - номер насосного агрегата.
Выбор
направляющей аппаратуры. К направляющей аппаратуре относятся гидравлические
распределители и обратные клапаны.
Распределитель
(РР) устанавливаем гидравлический с электромагнитным управлением типа ВЕ 10. 44
41/ В36-50 Н Д ГОСТ 24679-81.
Клапан
обратный - модульного монтажа - входит в состав блока управления.
Назначаем
обратный клапан типа КОМ 10/3 ТУ2-053-1829-87.
Определение
регулирующей аппаратуры. Выбор дросселя ДР.
Выбираем
дроссель типа: ДКМ 10/3А ТУ2-053-1799-86.
В
качестве переливного клапана назначаем гидроклапан давления типа МКПВ - 10/3М
ТУ2-053-1758-85.
.2.5
Разработка блока управления
Согласно
техническому заданию в состав блока управления входят следующие аппараты:
Модульного
исполнения:
Обратный
клапан МКПВ - 10/3М ТУ2-053-1758-85
Дроссель
ДКМ 10/3А ТУ2-053-1799-86
Гидроклапан
КОМ 102-2 ТУ2-053-1679-84
Стыкового
исполнения:
Реверсивный
распределитель типа ВЕ 10. 44 41/ В36-50 Н Д ГОСТ 24679-81.
Принципиальная
схема блока управления приведена на рисунке 8.
Аппараты
стыкового монтажа имеют одну стыковочную плоскость с координатами
присоединительных отверстий, расположенных снизу корпуса. Аппараты
устанавливается и закрепляется на плитах, в них есть отверстия для крепления
аппаратов и подвода жидкости к нему, снизу - отверстия для подключения
трубопроводов, связывающих пакет с насосной установкой или гидродвигателем.
Для
уплотнения стыков аппаратов используются резиновые кольца 012-016-25-2-2 ГОСТ
9833-73.
Рисунок
8 - Схема гидравлическая принципиальная блока управления
.2.6
Расчет трубопроводов
Найдем
внутренний диаметр трубопровода по формуле:
у=
, мм, (42)
где
dу - диаметр условного прохода трубопровода, мм;
[V]
- скорость направления жидкости в трубопроводе, м/сек;- расход жидкости в
трубопроводе максимальный, л/мин.
Устанавливаем
толщину стенки по параметрам прочности, выраженной формулой:
´кσ, мм, (43)
где
p - давление жидкости в трубопроводе максимальное;
σпр - предел
прочности на растяжение материала трубопровода, МПа;у - диаметр условного
прохода трубопровода;
кσ -
коэффициент безопасности, кσ=2.
Трубопроводы
разбиваем на участки по давлению в них и расходу жидкости в линии. Учитываем
рекомендации СЭВ РС 3644-72, при определении диаметра трубопровода. Значения
скорости [V] смотри таблицу 2.
Таблица
2 - Значения скорости течения жидкости
|
Рном,
МПа
|
2,5
|
6,3
|
16
|
32
|
|
V
м/с, не более
|
2
|
3
|
5
|
6
|
|
Сливная
линия V м/с, не более
|
1,5
¸ 4
|
|
Всасывающая
линия V м/с, не более
|
1,6
¸ 2
|
Установим, для участка 3-6 напорной линии,
внутренний диаметр.
Найдем внутренний диаметр трубопровода:
dу=
мм,
Толщину стенки находим из условия
жесткости, выраженной формулой:
´4 = 0,465 мм,
Выбираем стандартный трубопровод
служащий для работы с давлениями р = 6,3 МПа. Трубопровод стальной 14х1 ГОСТ
8734-75
ст=12
мм
´4 = 0,5 мм
(44)
Расчет
для остальных участков сводим в таблицу 3.
.2.7
Установка потерь давления в аппаратах и трубопроводах
Потери
давления в гидроаппаратахΔрГА
находятся по формуле:
ΔрГА =
р0+АQ+ВQ2, (45)
где
Δр0 - перепад
давления;
А
и В - коэффициенты зависимости потерь давления в аппарате;- расход жидкости
через аппарат.
А
и В коэффициенты находятся по формулам:
А=
; В =
, (46)
где
QНОМ - номинальный расход аппарата.
Таблица 3 - Расчет основных параметров сечения
трубопроводов
Определение потерь давления для распределителя
Р1:
Напорная линия: Δр0
= 0 МПа; QНОМ = 33 л/мин (5,5×10-4
м3/с);
ΔрНОМ = 0,15 МПа;
QРХ = 16,35 л/мин (0,00031 м3/с).
А=
МПа´с/м3
В =
МПа´с2/м6
ΔрРр1= 0+136,364´0,00031+(0,00031)
2´247934=
0,06731 МПа
Весь расчет представлен в таблице 4.
Течение жидкости обусловливается
числом Рейнольдса. Для каналов круглого сечения:
= 21200 ´
, (47)
где Q - фактический расход жидкости
в трубопроводе, л/мин;
dст - диаметр условного прохода, мм;
ν - коэффициент вязкости
жидкости, мм2/с.
Таблица 4 - Определение потерь в
гидроаппаратах
Если порядок течения ламинарный, то
потери давления (МПа):
Dр
= 0,62´(n´Q´L/d4) (48)
Если режим течения турбулентный:
Dр
= 7,85´(Q2´L/d5) (49)
Расчет для всех участков сведен в
таблице 5.
Местные потери (ΔрМ)
находятся по формуле:
ΔрМ=
, (50)
где d - диаметр прохода, мм;
ξj - коэффициент местного
сопротивления;- расход жидкости в трубопроводе, л/мин.
Расчет для всех участков
трубопроводов приведен в таблице 6, виды местных сопротивлений представлены в таблице
7.
Рассмотрим участок 5-6 (напорная
линия)= 5,8 л/мин (9,667×10-5 м3/сек);
d = 0,012 м. На данном участке несколько видов сопротивлений: одно резкое
расширение, резкое сужения, два изгиба трубы, один тройник.
ΔрМ =
Па
Установка суммарных потерь давления
в линиях это заключительный пункт расчета потерь давления. Расчет в таблице 8.
Таблица 5 - Потери в трубопроводах
по длине
Таблица 6 - Определение местных
потерь
Таблица 7 - Виды местных
сопротивлений
∆рмн = 0,0156 МПа; ∆рмс=
0,0019 МПа; ∑рм = 0,0175 МПа
Суммарные потери в линиях сводим в
таблицу 8
Таблица 8 - Суммарные потери в
линиях
|
∆рГАн,
МПа
|
∆рГАс
, МПа
|
∆рДн
, МПа
|
∆рДс
, МПа
|
∆рМн
, МПа
|
∆рМс
, МПа
|
|
0,061
|
0,0429
|
0,0281
|
0,0278
|
0,0156
|
0,0019
|
Проссумируем потери в напорной и сливной линиях:
∆рн = 0.1047 МПа, ∆рс = 0,0726 МПа.
По результатам расчета уточняется расчет и выбор
насосной установки по давлению по следующей формуле:
рн. треб = р1 + ∆р∑н ≤ рн
(51)
рн. треб = р1 + ∆р∑н = 10 + 0,1773 =
10,1773 МПа ≤ 12,5 МПа
Условие выполняется, значит принятая ранее
насосная установка обеспечивает требуемое давление.
.3 Модернизация конструкции узла раскатки
Описание конструкции узла. Узел раскатки
предназначен для формирования параметров заготовки размеры наружного,
внутреннего диаметров, параметров канавок и желоба, а также высоты заготовки и
радиусов скругления. Эскиз узла раскатки приведен на рисунке 10.
Узел раскатки состоит из нескольких сборочных
единиц:
Опора промежуточная поз. 1;
Раскатник поз. 3;
Ролик упорный поз. 2;
Бандаж (деталь) поз. 6.
По каждой из сборочной единице необходимо
провести детальную проработку.
Описание конструкции опоры промежуточной. Опора
промежуточная устанавливается в расточку поворачивающегося кронштейна и
предназначена для создания опоры для раскатника. Опора исключает консольную
нагрузку на раскатник при процессе формообразования.
Конструкция промежуточной опоры приведена на
рисунке 11. Конструкция включает в себя следующие элементы:
Корпус поз. 1;
Компенсатор поз. 2;
Крышка поз. 3;
Ось поз. 4.
Подшипники роликовые 7310 А ГОСТ 27365-87 поз.
16.
Рисунок 11 - Конструкция
промежуточной опоры
Описание конструкция промежуточной
опоры. Корпус поз. 1 крепится винтами к кронштейну кольцераскаткого автомата
соосно с раскатником. В корпусе выполнена расточка под роликовые
радиально-упорные подшипники поз. 16. Подшипники установлены по схеме
“враспор”. Внутренние кольца подшипников упираются в упорный буртик ступенчатой
оси поз. 4. Ось пустотелая - с центральным отверстием.
Наружные кольца подшипников
стягиваются торцовой проходной крышкой поз. 3, которая крепится к торцу корпуса
поз. 1 винтами. Между корпусом поз. 1 и крышкой поз. 3 установлен компенсатор
для регулировки натяга в подшипниках качения.
Внутри полости корпуса необходимо
заложить консистентную смазку. Утечки смазки наружу и попадание пыли внутрь
корпуса блокируют манжетные уплотнители поз. 14.
Рисунок 10 - Узел раскатки
2.4 Проектирование раскатника
Конструкция раскатника приведена на рисунке 12.
Раскатник устанавливается в кронштейн кулисы, которая осуществляет подачу при
процессе раскатки. Конструкция включает в себя следующие элементы:
Корпус раскатника поз. 1
Болт поз.2;
Вставка поз.3;
Штифт поз.4.
Описание конструкция
Корпус раскатника поз.1 с центральным посадочным
отверстием. В отверстие по переходной посадке устанавливается вставка поз.3
которая крепится проходным болтом поз.3 от осевого перемещения.
От проворота вставки относительно корпуса
предусмотрен штифт поз.4.
На оси нанесен профиль получаемой заготовки при
раскатке.
Рисунок 12 - Конструкция раскатника
Описание конструкции опорного ролика
Ролик предназначен для поддержания кольца во
время раскатки.
Конструкция ролика включает следующие элементы:
Корпус поз. 1;
Ролик поз. 2;
Ось поз. 3;
Кольцо поз. 4;
Гайка поз. 5;
Подшипник В7003С ТРА поз. 8.
Конструкция ролика приведена на рисунке 13.
Ролик устанавливается на шток цилиндра.
Описание конструкции ролика. В корпус поз. 1 на
оси поз. 3. установлен ролик поз. 2. На оси устанавливается на двух подшипниках
ролик. Смазка внутри ролика удерживается двумя защитными шайбами. Внутренние
кольца подшипников через дистанционную втулку (кольца защитные) стягиваются
гайкой. Наружные кольца подшипников установлены в ступенчатую расточку.
Рисунок 13 - Конструкция ролика
.5 Разработка системы активного
контроля
.5.1 Разработка принципиальной схемы
Прежде чем начинать проектирование
необходимо разработать принципиальную схему системы активного контроля установки.
Принципиальная схема системы автоматического активного контроля приведена на
рисунке 14.
Рисунок 14 - Схема принципиальная
.5.2 Устройство и работа системы
контроля
Устройство системы контроля
внутреннего диаметра кольца
Система активного контроля для
раскатки состоит из следующих основных узлов и элементов:
пневмоэлектроконтактный
преобразователь поз. 8 - прибор, серийно выпускаемый промышленностью;
пневмоконтактные головки поз. 4 и
поз. 5;
рычаг поз. 7;
кронштейны поз. 9.
Пневмоконтактные головки специально
разработаны для раскатной машины - обеспечивают требуемую точность и
необходимые характеристики. Пневмоконтактные головки поз. 4, поз. 5 с помощью
кронштейнов поз. 9 установлены на бабке раскатника поз. 2. Выходные отверстия
пневмоэлектроконтактного преобразователя поз.8 соединены пневматическими
трубками пневмоконтактных головок поз. 4, поз. 5 по дифференциальной схеме, при
этом перед началом процесса раскатки стрелка преобразователя должна находится в
левой части шкалы.
Установку пневмоконтактных головок
производить по эталонному кольцу поз.3 и при установленном на нем раскатнике
поз. 1. При приближении к эталонному кольцу сопло головки поз. 4 должно
перекрываться, а сопло головки поз.5 открываться. Стрелка преобразователя
должна устанавливаться в среднее положение и контакт преобразователя
замыкаться. Контакт преобразователя подключить в схему раскатной машины взамен
демонтированного преобразователя окончательного контроля наружного диаметра.
Подобрать входные сопла: для
повышения чувствительности преобразователя входные сопла устанавливаются
меньшего диаметра, для увеличения скорости срабатывания - большего.
Окончательную настройку произвести в процессе работы.
.5.3 Описание работы головки
электроконтактной
Эскиз электроконтактной головки
приведен на рисунке 15. Электроконтактная головка служит своего рода
бесконтактным датчиком положения, чувствительность которого позволяет работать
с точным перемешением при незначительной точности и сложности узла измерения.
Головка смонтирована в круглом
корпусе поз.3 диаметром 28 мм.
Измерительный щуп поз. 4
перемещается по скользящей посадке внутри цилиндра по напраляющей. На конце
измерительного наконечника выполнен точный запорный конус, который при
перемещении перекрывает конусное отверстие сопла поз. 5. При этом меняется
проходное сечение, и следовательно изменяется расход воздуха.
На изменение расхода воздуха
реагирует пневмопреобразователь, который отображает изменение в относительных
единицах. При тарировке возможно согласование, как линейных величин, так и
угловых перемещений.
Сопло поз. 5 через прокладку поз. 12
поджимается к корпусу штуцером поз. 1. Штуцер поз. 1 предназначен для подвода
воздуха к пневмоголовке.
На конце щупа поз. 4 выполнена
сферическая поверхность, которая подкалена и шлифована.
Щуп подпружинен и в нормальном
состоянии всегда выдвинут из корпуса на максимальное расстояние.
Максимальное перемещение щупа
ограничивает стопорное колечко - предохранительный элемент, который блокирует
перемещение щупа при ходе превышающем максимально возможное, указанное в
технической характеристике на головку.
.5.4 Работа системы контроля
Контроль наружного диаметра при
включенной подаче осуществляется имеющейся на раскатной машине пневмоконтактной
головке и системы управления циклом раскатки и формообразования.
При выключении подачи осуществляется
контроль внутреннего диаметра, вновь установленным оборудованием.
пневмоконтактная головка поз. 4
измеряет размер L = D1+h;
пневмоконтактная головка поз. 5
измеряет размер L1=h
преобразователь поз. 8, производит
расчет внутреннего диаметра кольца L - L1 =D1+h - h =D1, при достижении этого
размера происходит замыкание контакта преобразователя и подача сигнала на
остановку процесса раскатки.
Конструкция системы автоматического
активного контроля для раскатки заготовки приведена на рисунке 16.
2.6 Проектирование сверла для
обработки отверстия вала 1
.6.1 Обзор технологичности детали
Итогом работы над курсовым проектом
по режущему инструменту является спиральное сверло для обработки
цилиндрического отверстия вала. В качестве материала для изготовления вала
используется качественная конструкционная сталь - Сталь 45 ГОСТ 1050-88. На
автомате используется патрон быстросменный автоматический по ГОСТ 16885-71.
Сталь 45 хорошо обрабатывается лезвийным инструментом. В качестве
смазочно-охлаждающей жидкости назначаем сульфофрезол.
Рисунок 15 - Эскиз электроконтактной головки
Рисунок 16 - Конструкция системы активного
контроля
Рассчитать и сконструировать спиральное сверло
из быстрорежущей стали для сверления под последующую технологическую операцию.
Обрабатываемый материал: сталь 45.
Предел прочности: σв
=680 МПа.
Глубина глухого отверстия: l = 30 мм.
Назначение сверления: нарезание резьбы М8.
Решение:
Материал рабочей части сверла принимаем
быстрорежущую сталь Р18, материал хвостовика принимаем сталь 45.
.6.2 Определение наружного диаметра D
При нарезании резьбы М8 согласно ГОСТ 8724-81
стандартный шаг резьбы будет 1,2 мм. Следовательно, диаметр отверстия будет 6,8
мм [12], принимаем диаметр сверла равным D = 6,8 мм ГОСТ 10903-77.
2.6.3 Определяем режим резания
При сверлении углеродистой стали с пределом
прочности σв = 680 МПа подачу
на оборот принимаем равной: Sо = 0,2-0,25 мм/об [10].
Скорость главного движения резания, допускаемая
режущими свойствами сверла:
(52)
где Сv - постоянная, значение берется из
справочника;
D - диаметр сверла;
q, у, m - показатели степени для конкретных
условий обработки;
Т- средний период стойкости, мин;
S - подача, мм/об;
Kv - суммарный поправочный коэффициент,
учитывает фактические условия резания, данные берутся из таблиц.= 9,8; qv =
0,4; yv = 0,5; m = 0,2 - при Sо > 0,2 мм/об и без охлаждения;- период
стойкости сверла, для сверла диаметром D = 6,8 мм при обработке углеродистой
стали сверлом из быстрорежущей стали принимаем T=25 мин [12];
Общий поправочный коэффициент:
= KМv ∙ KИv∙ Klv, (53)
где KМv -поправочный коэффициент, учитывающий
обрабатываемый материал;
KИv - поправочный коэффициент, учитывающий
материал инструмента;
Klv - поправочный коэффициент, учитывающий
глубину сверления.
, (54)
где nv - показатель степени;
σB = 680 Н/мм2 - предел прочности
обрабатываемого материала, МПа;
nv = 0,9; σв = 680 МПа.
,
Иv - поправочный коэффициент,
учитывающий материал инструмента, для сверла из быстрорежущей стали Р18
принимаем KИv = 1,0;- поправочный коэффициент, учитывающий развертывание,
принимаем Klv = 1,0;
,
.
.6.4 Определяем осевую составляющую
силы резания по формуле:
(55)
где Ср - постоянная, значение
берется из справочника;
х, у- показатели степени для
конкретных условий обработки для каждой из составляющих силы резания;- подача,
мм/об;- диаметр сверла, м/с;р - суммарный поправочный коэффициент, учитывает
фактические условия сверления, данные берутся из таблиц;= 68; qP = 1,0; yP =
0,7; - поправочный коэффициент осевой составляющей силы резания
, (56)
где np - показатель степени;
σB = 680 Н/мм2 - предел
прочности обрабатываемого материала, МПа;= 0,75.
,
,
.
.6.5 Определение момента сил
сопротивления резанию
Момент определяем по формуле:
(57)
где Сm - постоянная, значение
берется из справочника;
х, у - показатели степени для
конкретных условий обработки для каждой из составляющих крутящего момента;-
подача, мм/об;- диаметр сверла, мм;- поправочный коэффициент на осевую
составляющую силы резания.= 0,0345; qm = 2,0; ym = 0,8 - для углеродистой стали
с пределом прочности σв = 680МПа;
.
.
.6.6 Определяем номер конуса Морзе
хвостовика
Момент трения между хвостовиком и
втулкой определяется по формуле:

(58)
где Рх - осевая сила, Н;
μ - коэффициент трения стали
по стали;
θ - половина угла конуса;, d2
- диаметры конуса хвостовика, мм.
Момент трения увеличивается до 3 раз
по сравнению с моментом, принятым для нормальной работы сверла.
Следовательно, 3×Мс.р. = Мтр.
Средний диаметр конуса хвостовика
определяется по формуле:
ср
= (D1 + d2)/2,
(59)
где
Мс.р. - момент сопротивления сил резанию, Н·м;
Θ
= 1о26'16''
- половина угла конуса (конусность равна 0,05020; sin Θ =
0,0251);
Рх
- осевая сила, Н;
μ
= 0,095 - коэффициент
трения стали по стали;
∆Θ = 5' - отклонение
угла конуса.
По
ГОСТ 25557 - 82 выбираем конус Морзе № 0
.6.7
Определяем длину сверла
Общую
длину сверла L, длину рабочей части lо, длину хвостовика lх и длину шейки l2
принимаем по ГОСТ 2092 - 77:
=
lо + lх + l2 = 69 + 56,5+ 4,5 = 130 мм, (60)
где
L - общая длина сверла, мм;о - длина рабочей части, мм;х - длину хвостовика lх,
мм;- длину шейки, мм.
.6.8
Геометрические и конструктивные параметры рабочей части сверла
Форму
заточки принимаем Н (нормальная). Принимаем данный вид заточки, т.к
обрабатываемый материал - сталь, а Н используется для обработки поверхностей
стальных деталей после предшествующей обработки этой детали резанием.Угол
наклона винтовой канавки ω
= 31°. Углы между
режущими кромками: 2φ
= 118°; 2φо = 70°, b = 2,5 мм. Задний угол α = 12°. Угол наклона поперечной
кромки ψ
= 55°. Размеры
подточенной части перемычки: a = 1,0 мм; l = 2,0 мм. Шаг винтовой канавки:
=
π × D/tg ω = 3,14 × 6,8/tg30° = 46,252 мм, (61)
где
H - шаг винтовой канавки, мм;- диаметр сверла, мм;
ω
- угол
наклона винтовой канавки, °.
Толщину
сердцевины сверла выбираем в зависимости от диаметра сверла.
Для
сверла диаметром D = 6,8 мм толщину сердцевины у переднего конца принимаем:
с
= 0,14 × D = 0,14 × 6,8 = 0,952
мм , (62)
где
D - диаметр сверла, мм;
dс
- толщина сердцевины сверла, мм.
Принимаем
это утолщение равным 1 мм.
Обратную
конусность сверла (уменьшение диаметра по направлению к хвостовику) на 100 мм
длины рабочей части для сверла диаметром D = 6,8 мм принимаем равной 0,03 мм.
3.
Технологическая часть
.1
Описание конструкции детали и ее назначение
Начиная
разработку технологического процесса необходимо ознакомиться с конструкцией
детали, ее назначением и условиями работы в узле или механизме. Деталь - вал
является основной частью узла управления подачей автомата. Данный вал вращается
на двух шариковых опорах (шариковые радиально-упорные подшипники). В опорах
установлено по два шариковых радиально-упорных подшипника собранных по схеме
"враспор". Внутренние кольца подшипников стянуты специальной шайбой.
На
выходных концах шпиндельного вала предусмотрено конструктивно конические
посадочные поверхности. На один выходной конец устанавливается шкив зубчатой
ременной передачи, а на второй - специальная оправка. От осевого перемещения
оправка и шкив фиксируются болтами.
.2
Нормоконтроль детали и анализ технологичности
Чертеж
детали выполнен в соответствии ЕСКД. Для полного представления конструкции
детали информации достаточно. Информация представлена на главном виде шпинделя,
разрезах и местных видах.
Посадки
и отклонения соответствуют действительным нормам. Отклонения формы поверхностей
детали соответствуют требованиям назначения данного посадочного участка.
Отклонения указаны там, где необходимо, лишнего на чертеже нет. Допуски на
отклонения жестковаты, но это необходимо для работы шпиндельного узла.
Шпиндельный узел должен обеспечить высокую скорость резания и точность хода (в
качестве опор применены точные подшипники 5 класса точности). Частота вращения
шпиндельного вала n = 6000 об/мин.
Анализ
технологичности конструкции детали. Вал технологичен. Материал детали хорошо
обрабатывается. Конструкция и материал оптимальны для данного вала. Наиболее
технологична обработка данного вала в центах [11].
.3
Выбор заготовки и способа ее получения
Данные
для выбора вида заготовки:
материал
детали - Сталь 40Х ГОСТ 4543-71;
масса
детали, кг - 0,55 кг;
плотность
материала - 7825 кг/м3;
годовая
программа - 15 000 шт.
.3.1
Себестоимость получения заготовки из проката
Использование
проката снижает припуски и объем механической обработки. Стоимость заготовок из
проката найдем по формуле [13]:
заг=
М + åСо.з., (67)
где
М - расходы на материал заготовки, руб
åСо.з -
технологическая себестоимость операций правки, калибрования прутков, разрезки
их на штучные заготовки.
Установим
стоимость материала, нужного на изготовление партии заготовок.
Предварительно
штучная заготовка нарезается дисковой пилой (толщина полотна пилы 2 мм) из
стандартного проката по следующим размерам:
масса
отрезанной заготовки, кг 0,79;
диаметр
заготовки, мм 24h12.
Далее
на специализированном фрезерно-центровальном станке производится окончательная
подрезка торцов (в размер детали) и центровка с двух сторон.
Найдем
число заготовок из одного прутка длиной l = 6 м:
=
6000 / (268+2) = 22,222 назначим n = 22 шт.
Количество
прутков чтобы сделать партии заготовок в количестве N = 15000 шт., определяемое
по формуле:
=
N/n (71)= 15000/22 = 681,818
Получается,
что необходимо Z = 682 прутков.
Требуемая
масса металла:
мет=
(p×D2×lå×r)/4, (72)
где
r = 7820
кг/м3 - плотность металла;- диаметр проката, м;å = l×Z - общая длина проката, м.
Получаем:
мет=
(p×0,0242×(6×682)×7820)/4 =
14476.206 кг (14.5 т);
Установим
общую массу партии деталей.
Масса
деталей партии
Qдет
= Q×N = 15000×0,55 = 8250
кг.
Масса
отходов (концевые, стружка)
отх
= Qмет - Qдет = 14476,206 - 8250 = 6226,206 кг
Определяем
стоимость металла, необходимого чтобы сделать партии валов.
Стоимость
тонны материала по данным прейскуранта цен 01-08, 01-13, 02-07, 02-10, 1981 г.
(Сталь 40Х ГОСТ 4345-71) S = 141 ¸ 168 руб.
Принимаем
окончательно S = 165 руб.
Стоимость
тонны стружки (прейскурант 01-03 и 02-05 за 1981 г.)
=
22,6 ¸ 28,1 руб.
Принимаем для расчета Sотх = 25 руб.
М
= (14476,206×165)/1000-(6226,206×25)/1000 =
2232,919 руб.
Стоимость
металла для одной детали с учетом отходов
М1=
2232,919/15000 = 0,149 руб.
Технологическая
себестоимость содержит стоимость отрезки на станке работающем дисковой пилой.
Тшт
= 0,19×D2×10-3 (73)
Тшт
= 0,19×242×10-3 = 0,109
мин.
Со.з.=
(121×0,109)/(60×100) = 0,002
руб.
Стоимость
заготовки из проката составит:
Sпр
= 0,149+0,002 = 0,151 = 0,15 руб.
.3.2
Определение стоимости получения заготовки методом штамповки на ГКМ
Стоимость
заготовок штамповкой на ГКМ, а также электровысадкой, найдем по формуле:
заг=
((Сi×Qз×kt×kc×kb×km×kn)/1000)-(Qз-Q)Sотх/1000;
(74)
где
Сi - стоимость 1т заготовок, руб;
kt,kc,kb,km,kn
- коэффициенты зависящие от класса точности, массы, марки материала и объема
производства заготовок.
Стоимость
горячештампованных устанавливается следующим образом. Принимается стоимость 1
тоны штамповок С = 373 руб. Прейскурант № 25-01, 1981г.). Значение
коэффициентов:- коэффициент зависящий от точности (при нормальной точности kt =
1);- коэффициент материала из которого изготавливается деталь (для легированных
сталей 15Х - 50Х km = 1,13); - коэффициент зависящий от сложности заготовки
(при II группе сложности для легированных сталей kc = 0,87);- коэффициент
зависящий от массы штамповки (при массе заготовки Q = 0,85 кг коэффициент kb =
1,29); = 1,0.
Масса
штампованной заготовки составляет Qзаг = 0,64 кг.
Стоимость
заготовки получаемой на ГКМ определим исходя из себестоимости:
штамп
= (373×0,64×1×1,13×0,87×1,29×1,0/1000)-(0,87-0,55)×25/1000штамп
= 0,264 руб.
Экономический
эффект при использовании в качестве заготовки стандартного проката установим по
формуле:
Э
= (Sпрок - Sштамп) × N (75)
Э
= (0,264 - 0,151) × 15000 =
1695 руб.
Стоимость
одной заготовки, сделанной штамповкой на ГКМ (или электровысадкой), дороже, чем
заготовка из проката примерно в 1,751 раза.
.4
Расчет припуска на обработку
Найдем
припуск на обработку поверхности Æ 17 js6 (±
0.0055). Построим следующий состав технологических операций: обтачивание
предварительное; обтачивание чистовое; шлифование предварительное; шлифование
чистовое.
В
такой последовательности технологических операций получается точность обработки
поверхности по 6 квалитету. Процесс обработки поверхности Æ 17 js6 (± 0.0055) включает в себя
обтачивание предварительное и чистовое, шлифование предварительное и шлифование
окончательное. Технологический маршрут изготовления данного вала вносим в
таблицу 9. Суммарное отклонение находим по формуле:
, (76)
где Δк = 2 -
прокат калиброванный 12-й квалитет
l
= 74 - длина от торца заготовки до конца участка.
ρкор = Δкl = 2∙74
= 148 мкм.
(77)
Допуск
на поверхности, установим по ГОСТ 7505-74 для горячекатаного проката:
δ3 = 210 мкм;
мкм;
» 182 мм.
Расчет
минимальных значений припусков считаем, пользуясь основной формулой:
(78)
Минимальный
припуск под предварительное обтачивание:
мкм;
под
окончательное обтачивание
мкм;
под
предварительное шлифование
мкм;
под
окончательное шлифование
мкм.
Так
же производим расчет по остальным графам таблицы.
Наибольшие
предельные размеры находим прибавлением допуска к округленному наименьшему предельному
размеру:
мм;
мм;
мм;
мм;
мм.
.5
Разработка маршрутно-операционной технологии
Основные
операции: заготовительная операция; токарная операция; фрезерная операция;
сверлильная операция; шлифовальная операция.
.5.1
Заготовительная
Нарезать
заготовки длиной l = 268 ± 0,5 мм;
Подрезать
торцы в размер l = 266 ± 0,1 мм;
Центровать
с двух сторон (оба торца).
Таблица
9 - Расчет припусков и предельных размеров на обработку поверхности 17js6
|
Технологические
переходы обработки поверхности 17js6
|
Элементы
припуска, мкм
|
Расчетный
припуск 2zmin
|
Расчетный
размер dp, мм
|
Допуск
δ,
мкм
|
Предельный
размер, мм
|
Предельные
значения припусков, мкм
|
|
Rz
|
Т
|
ρ
|
|
|
|
dmin
|
dmax
|

|
|
|
Заготовка
- прокат
|
150
|
250
|
182
|
|
18,5825
|
210
|
18,58
|
18,79
|
|
|
|
Обтачивание
|
|
|
|
|
|
|
|
|
|
|
|
предварительное
|
50
|
50
|
11
|
2·582
|
17,4185
|
100
|
17,42
|
17,52
|
1160
|
1270
|
|
окончательное
|
30
|
30
|
7
|
2·111
|
17,1965
|
70
|
17,20
|
17,27
|
220
|
250
|
|
Шлифование
|
|
|
|
|
|
|
|
|
|
|
|
предварительное
|
10
|
20
|
4
|
2·67
|
17,0625
|
18
|
17,063
|
17,081
|
137
|
189
|
|
окончательное
|
5
|
55
|
5
|
2·34
|
16,9945
|
11
|
16,9945
|
17,005
|
68.5
|
75.5
|
|
ИТОГО
|
|
|
|
|
|
|
|
|
1585,5
|
1784,5
|
.5.2 Токарная операция
Токарная операция производится за два установа
на токарном станке с системой ЧПУ.установ (заготовка закрепляется в трех
кулачковом патроне с упором вращающимся центром)
Точить предварительно цилиндрический участок Æ
18 h14 на длину 67 мм;
Точить окончательно цилиндрический участок: Æ
22 h14 на длину 129 мм; Æ 14 h14 на длину 30 мм;
Точить предварительно конус с припуском под
чистовое точение и шлифование (предварительное и окончательное);
Точить чистовым цилиндрический участок: Æ
16 на длину 15 мм; Æ 17,4 на длину 23 мм (припуск
под окончательную обработку);
Точить конус чистовым (припуск под окончательную
обработку).
Снять фаски с учетом припуска.
Точить канавку под выход инструмента при
нарезании резьбы.
Обработка резьбового участка М16х1,0-6g на длину
13 мм.установ (заготовка закрепляется в трех кулачковом патроне с упором
вращающимся центром)
Точить предварительно цилиндрический участок Æ
18 h14 на длину 73 мм;
Точить окончательно цилиндрический участок Æ
14 h14 на длину 35 мм;
Точить предварительно конус с припуском под
чистовое точение и шлифование (предварительное и окончательное);
Точить цилиндрический участок чистовым: Æ
16 на длину 15 мм; Æ 17,4 на длину 23 мм (припуск
под окончательную обработку);
Точить конус чистовым (припуск под окончательную
обработку).
Снять фаски с учетом припуска.
Точить канавку под выход инструмента при
нарезании резьбы.
Обработка резьбового участка М16х1,0-6g на длину
13 мм.
.5.3 Сверлильная операция
Сверлильная операция включает в себя следующие
технологические переходы:
сверление двух глухих отверстий (с торцев) Æ
6,8 мм на глубину l = 29 мм под резьбу М8-7Н;
обработка двух резьбовых отверстий М8-7Н на
глубину l = 26 мм.
.5.4 Кругло шлифовальная операция
Круглошлифовальная операция включает в себя
следующие технологические переходы выполняемые за два установа:
Предварительное и окончательное шлифование
цилиндрических участков;
Предварительное и окончательное шлифование
конусных участков.
Обработка двух цилиндрических участков с
переустановкой вала
Предварительно шлифовать Æ17±0,0055
с припуском под чистовое шлифование на длину 23;
Шлифовать Æ17±0,0055
с подшлифовкой торца окончательно.
Обработка двух конусных участков с
переустановкой вала
Предварительно шлифовать конус с припуском под
чистовое шлифование,
Шлифовать конус окончательно.
.6 Выбор типа и формы организации производства
Для серийного производства рассчитать количество
деталей в партии. Выбрать форму организации производства.
.6.1 Выбор типа производства
Расчет коэффициента закрепления операций:
= (N×Tшт)/(60×Fд×hз.н.),
(79)
где N - годовая программа, шт;д - годовой фонд
рабочего времени, час;шт - штучно-калькуляционное время, мин;
hз.н - нормативный коэффициент загрузки
оборудования;
hз.н= 0,7; N=10 000; Fд = 3987 часа.
На основании определения расчетного числа
станков по каждой операции определяем коэффициент закрепления операций согласно
формуле:
Кз.о.=åО/åР,
(80)
где åО- количество
операций выполняемых на рабочем мест;
åР - установленное число рабочих
мест.
О = hз.н./hз.р.
(81)
.6.2 Находим основное технологическое время
Установим нормирование операций, с помощью
формул.
Токарная операция:установ
Точить предварительно Æ
18 h14 на длину 67 мм
То = 0,17×18×67×10-3
= 0,205 мин;
Точить окончательно Æ
22 h14 на длину 129 мм
То = 0,17×22×129×10-3
= 0,482 мин;
Для всех остальных переходов и операций вносим в
таблицу 10.
.6.3 Определение штучно-калькуляционного времени
Штучно-калькуляционное время определяем по
формуле:
Тш.к. = φк×То
, (82)
где φк
- коэффициент;
φк = 1,35 -
токарная;
φк = 1,30 -
вертикально-сверлильная;
φк = 1,51 -
фрезерная;
φк = 1,55 - кругло
шлифовальная.
Последовательность расчета на примере токарной
операции:
=
(83)
Тш.к. = 1,35×9,358 = 12,633 мин
mpI =
принимаем рI = 1 станок, ηз.ф.= 1,131
О =
Определяем
КЗ.О.=
Тип производства - серийное.
Таблица 10 - Выбор оборудования
3.7 Выбор типового оборудования
.7.1 Токарная операция
Оборудование. Токарная операция
осуществляется на токарно-винторезном станке с ЧПУ мод. 16к20ф3с5.
Техническая характеристика данного
станка
наибольшая длина поперечного
перемещения суппорта, мм 250;
диапазон скоростей вращения
шпинделя, об/мин 12,5-2000;
наибольший диаметр обрабатываемой
детали, мм 300;
наибольшая длина продольного
перемещения, мм 800;
число скоростей 20;
наибольшая скорость продольной
подачи, мм/мин 1250;
мощность электродвигателя главного
движения, кВт 10;
Оснастка:
Токарный самоцентрирующий
трехкулачковый патрон; вращающийся центр.
.7.2 Сверлильная операция
Назначаем вертикально-сверлильный
станок модели 2Н125-1. Основные параметры станка:
Частота вращения шпинделя, мин-1
40-2000
Величина подачи, мм/об 0,1…0,6
Корпус Морзе шпинделя № 2
Наибольший диаметр сверления по
стали, мм 25
Количество операций частот вращения
шпинделя 10
Количество ступеней подач 9
Мощность электродвигателя, кВт 2,2
.7.3 Фрезерная операция
Фрезерование производится на
фрезерном станке модели 6Д91 (шпоночно-фрезерный). Станок для обработки
шпоночных пазов концевыми и шпоночными фрезами. Класс точности станков П.
Основные параметры станка:
ширина фрезеруемого паза, мм 6…30;
наибольшая длина фрезеруемого паза,
мм 500;
наибольшая разбивка паза, мм 1,0;
частота вращения шпинделя, мин-1:
250; 315; 400; 500; 630; 800; 1000; 1250; 1600; 2000; 3150;
количество поперечных подач
фрезерной головки 18;
мощность электродвигателя, кВт:
главного движения 2,2;
привода подач 1,5.
Оснастка: Приспособление на станке
(тиски, делительная головка).
.7.4 Круглошлифовальная операция
Круглошлифовальная операция
осуществляется на круглошлифовальном станке модели 3Е12 (3У10В).
Оснастка: Поводковый патрон,
вращающийся центр.
.8 Выбор режущих инструментов
.8.1 Заготовительная операция
Режущий инструмент: Подрезка -
торцевой фрезой с вставными ножами. Одна фреза праворежущая торцевая 2214-0155
ГОСТ 3473-80. Вторая среда леворежущая торцевая 2214-0156 ГОСТ 3473-80.
Основные параметры:
посадочный диаметр, мм 40;
наружный диаметр, мм 125;
высота, мм 42;
число зубьев 12;
сплав ножей Вк6;
Центровое сверло: F6
Материал - быстрорежущая сталь
(Р6М5).
Нарезка на штучные заготовки
дисковой пилой оснащенной пластинками из твердого сплава (ВК6-ВК8).
Измерительный инструмент:
Линейка 2 класса точности металлическая
ШП 250х5 ГОСТ 8026-75.
Штангенциркуль ШЦ (0-150) ГОСТ
164-80.
.8.2 Токарная операция
Применяем стандартный режущий
инструмент для станков с ЧПУ. Применение чернового и чистового резца. Все
инструменты оснащены пластинками твердого сплава Т15К6.
Проходной упорный левый с
шестигранной твердосплавной пластиной ГОСТ 21151-75;
Проходной упорный правый с
шестигранной твердосплавной пластиной ГОСТ 21151-75;
Резьбовой наружный ГОСТ 18885-73.
Мерительный инструмент:
Штангенциркуль ШЦ 0-150- ГОСТ 164-80.
.8.3 Сверлильная операция
Режущий инструмент: Сверло 2300-0061
ГОСТ 886-77
Диаметр сверла, мм 4,9;
Длина спиральной части сверла, мм
87;
Длина сверла, мм 132;
Материал режущей части Р6М5
Метчик 2640-0053 Н2 ГОСТ 1604-71
Номинальный размер, мм М8-6g;
Шаг резьбы, мм 1,2;
Длина резьбовой части, мм 20;
Степень точности Н2;
Исполнение резьбового участка,
правый;
Материал режущей части Р6М5.
Мерительный инструмент: Линейка ШП-2
250х5 ГОСТ 8026-75.
Штангенциркуль ШЦ-1 0-150 ГОСТ
164-80.
.8.4 Фрезерная операция
Режущий инструмент
Шпоночная фреза Æ 8 мм, из
быстрорежущего материала Р6М5.
Мерительный инструмент
Линейка ШП-2 250х5 ГОСТ 8026-75.
Штангенциркуль ШЦ-1 0-150 ГОСТ
164-80.
.8.5 Кругло шлифовальная операция
Мерительный инструмент: Настроенный
на размер микрометр.
Возможно применение скобы рычажной
(СРП 0-100 ТУ 2-044-366-82).
.9 Режимы резания
.9.1 Токарная операция
Черновое точение. При черновом
(предварительном) точение устанавливаем подачу S = 0,5 мм/об. Допускаемая
скорость резания составляет V= 90-110 м/мин
Чистовое точение. При чистовом
точение устанавливаем подачу S = 0,25 мм/об. Допускаемая скорость резания
составляет V=120-160 м/мин
Точение канавки. Подача S = 0,11
мм/об. Скорость резания V = 100 - 120 м/мин
Обработка резьбовой части. Подача S
= 1 мм/об. Скорость резания V = 40-60 м/мин
3.9.2 Сверлильная операция
Сверление глухих отверстий.
Подача S0 = 0,08 мм/об;
Глубина резания t = 2,45 мм;
Скорость резания находится в
диапазоне V = 22 м/мин (до 54 м/мин при твердом сплаве)
.9.3 Фрезерная операция
Фрезерование лысок осуществляется
шпоночной (торцовой) фрезой.
Подача на зуб Sz = 0,31 мм/зуб
Скорость резания находится в
диапазоне V = 12 - 16 м/мин (до 40 м/мин)
Глубина резания t = 3 мм
.9.4 Кругло шлифовальная операция
Скорость круга Vкр= 30-35 м/с
Скорость заготовки Vз = 15 - 55
м/мин
Устанавливаем: Vкр = 35 м/с;Vз = 50
м/мин= 0,015 мм
(Дкр = 400 мм; В = 60 ПП) -
характеристика абразивного кругапрод= (0,2 ¸ 0,4)×В = 0,3×60 = 1,8 м/мин
=
(84)
для шлифования посадки 17js6
=
=
об/минст = 2000 об/мин=
м/мин
Режимы резания сводим в таблицу 11.
Таблица 11 - Режимы резания
Заключение
Результатом работы - является
модернизация кольцераскатного автомата под новую, более прогрессивную и
современную технологию. В результате - получение более точной и качественной
полно профильной заготовки кольца.
При модернизации разработаны
следующие узлы: привод главного движения; гидропривода загрузочного устройства;
узел раскатки; разработка раскатника; разработку системы активного контроля.
Привод главного движения.
Увеличена мощность привода главного
движения, проведены расчеты по результатам которых выбран стандартный
электродвигатель, стандартный редуктор. Проведены проверочные расчеты,
подтверждающие прочность и работоспособность узлов и кинематических элементов.
Разработана конструкция шпиндельного узла и общая компоновка привода.
Гидропривод загрузочного устройства.
Проведена разработка гидропривода
автоматического устройства для загрузки-выгрузки колец подшипников на кольце
раскатной автомат. Разработана гидравлическая схема. При выполнении работы
определены основные параметры гидропривода, выбраны по расчетным величинам
стандартный гидроцилиндр и гидроаппаратура. Проведен выбор трубопроводов.
Определены потери и окончательно назначена насосная установка. Спроектирован
блок управления.
Узел раскатки. кольцераскатный автомат подшипник ролик
Разработана компоновка расположения
основных узлов, входящих в узел раскатки, таких как раскатник, опорный ролик,
промежуточная опора.
Разработка системы активного
контроля.
Разработана активная система
управления процессом раскатки, т.е. возможность получения более точной
заготовки. При разработке активной системы увеличивается процент точности
параметров заготовки, при этом возможно добиться снижение припусков на
дальнейшую обработку и получение стабильно качественной поверхности заготовки.
Это все влияет на технологичность получения качественной заготовки.
Разработана компоновка расположения
основных элементов системы и измерительная (пневмоконтактная) головка.
Разработан режущий инструмент -
спиральное сверло для обработки цилиндрического отверстия. Оформлен чертеж.
Проведены все необходимые расчеты подтверждающие прочность.
Разработан технологический процесс
лезвийной обработки изготовления вала с оформлением комплекта технологической
документации. Выбрана заготовка. Разработан технологический процесс, маршрут
обработки, назначены режимы резания, выбрано технологическое оборудование и
режущий инструмент.
Список использованных источников
Корсаков,
В.С. Автоматизация производственных процессов: учебник для вузов / В.С.
Корсаков. - Москва: Высшая школа, 1978. - 295 с.
Григорьев,
Н.С. Автоматизация процессов в машиностроении: учеб. пособие / Григорьев. Н.С.
- Вологда: 2000. - 145 с.
Шаумен,
Г.А. Комплексная автоматизация производственных процессов: учебник для вузов /
Г.А. Шаумен. - Москва: Машиностроение, 1983. - 364 с.
Дунаев,
П.Ф. Конструирование узлов и деталей машин: учебник для вузов / П.Ф. Дунаев,
О.П. Леликов. - Москва: Высшая школа, 2000. - 447 с.
Чернавский,
С.А.. Курсовое проектирование деталей машин: учеб. пособие / С.А.Чернавский,
К.Н.Боков. - Москва: Машиностроение, 1988. - 416 с.
Кузнецов,
М.М. Автоматизация производственных процессов: учебник для вузов / М.М.
Кузнецов, Л.И. Волчкевич, Ю.П. Замчалов. - Москва: Высшая школа, 1978. - 431 с.
Свешников,
В.К. Станочные гидроприводы: справочник / В.К Свешников, А.А Усов. - 2е изд.,
перераб. доп. - Москва: Машиностроение, 1988. - 512с.
Гидропривод
и гидропневмоавтоматика станочного оборудования: Методические указания к
выполнению курсовой работы. Часть 1. Статистический расчет и конструирование
гидропривода. - Вологда: ВоГУ, 2011. - 38 с.
Алексеев,
Г.А. Конструирование инструмента: учебник для вузов / Г.А. Алексеев, В.А.
Аршинов, Р.М Кричевская. - Москва: Машиностроение, 1980. - 384 с.
Орлов,
П.Н. Краткий справочник металлиста: справочник / П.Н. Орлов. - 3-е изд. -
Москва: Машиностроение, 1986. - 960 с .
Малов,
А.Н. Справочник технолога машиностроителя: Т. 2: / А.Н. Малов. - Москва:
Машиностроение, 1972. - Т. 1. - 568 с.; т. 2. - 471 с.
Горбацевич,
А.Ф. Курсовое проектирование по технологии машиностроения: учебник для вузов /
А.Ф.Горбацевич, В.А.Шкред. - 4-е изд. перераб. и доп. - Минск: Высшая школа,
1983. - 256 с.
Справочник
технолога машиностроителя: справочник / Под ред. А.Г. Косиловой,
Р.К.Мещерякова. - 4-е изд., перераб.. и доп. - Москва: Машиностроение, 1985.
Орлов,
П.Н. Краткий справочник металлиста: справочник / П.Н. Орлов. 3-е изд. - Москва:
Машиностроение, 1986. - 960 с.
Копосова,
Т.Б. Организация производства и менеджмент в промышленности. Рабочая программа,
методические указания и контрольные задания для студентов всех форм обучения:
учебное пособие / Т.Б. Копосова, О.А. Грибанова. - Вологда: ВоГУ, 2001. - 31с.
Управление
машиностроительным предприятием: учебник для машиностроительных специальностей
вузов / Под ред. С.Г.Пуртова, С.В. Смирнов. - Москва: Высшая школа, 1989. - 240
с.
Ипатов,
М.И. Организация и планирование машиностроительного производства: учебник для
машиностроительных специальностей вузов / М.И. Ипатов, М.К. Захаров, К.А.
Грачев. - Москва: Высшая школа, 1988. - 367 с.
Кожекин,
Г.Я. Организация производства: учеб. пособие / Г.Я Кожекин, Л.М. Синица. -
Минск: ИП Экоперспектива, 1998. - 334 с.