Реконструкция участка погрузки сульфата аммония в цехе улавливания химических продуктов
BBЕДЕНИЕ
Химикат сульфат аммония или аммоний сернокислый
обладает достаточно широким диапазоном применения.
В состав сульфата аммония входят такие
химические элементы как азот и сера. Данное минеральное удобрение достаточно
распространено, оно хорошо усваивается растениями. Одним из отличающих свойств
сульфата аммония считается его относительная безопасность для человека. Поэтому
сульфат аммония используют в пищевой промышленности, при хлорировании воды.
Одним из самых крупных
предприятием-производителем аммонийной соли серной кислоты в России и, в
частности на Северо-западе, является коксохимическое производство Компании ПАО
«Северсталь». При сухой перегонке каменного угля при получении кокса в
коксохимическом производстве Компании получается побочный продукт-аммиак,
применяемый для производства удобрения.
В этапы производства удобрения входят:
Поглощения серной кислотой аммиака из коксового
газа; вакуумной кристаллизации; центрифугирования; сушки влажной соли;
транспортировки на склад; складирования.
Со склада готовой продукции сульфат аммония
поступает на участок упаковки и погрузки цеха.
Сеть ленточных транспортеров установлена в
многоуровневом помещении. Ленточные транспортеры распределяют потоки
поступающего аммония сернокислого к участку упаковки (аммоний упаковывается в
мешки вместимостью по 50кг), либо на погрузку в железнодорожные вагоны.
1. АНАЛИЗ СОСТОЯНИЯ ВОПРОСА. ЦЕЛИ И ЗАДАЧИ
ПРОЕКТИРОВАНИЯ
В состав цеха улавливания химических продуктов
№2 коксохимического производства Компании ПАО «Северсталь» входит несколько
отделений:
сульфатное;
конденсации и охлаждения коксового газа;
машинное отделение с электрофильтрами;
аммиачное;
бензольное;
отделение для складирования смолы;
помещение для складирования сульфата аммония;
установка упаковки и загрузки в железнодорожные
вагоны.
В процессе коксования и получения кокса для
доменных печей коксовый газ, который имеет в своем составе аммиак, проходя
через машинный зал, поступает в сульфатное отделение. В сульфатном отделении в
абсорбере происходит его смачивание 2-10 процентным раствором серной кислоты
путем распыления раствора. На следующем этапе раствор, насыщенный аммиаком
проходит в испаритель. Далее происходит выпаривание маточного раствора при
температуре 750С и увеличение размеров кристаллов соли аммония. В центрифугу
поступает с концентрацией 50-60% твердой фазы раствор и происходит
отфуговывание. Отфугованное удобрение попадает на ленточные транспортёры,
которые транспортируют его до сушек, где происходит сушка сульфата аммония в
кипящем слое при температуре 120 градусов. После сушек сульфат аммония циклами
поступает в бункер накопитель, после чего грейферным краном транспортируется на
склад. Со склада готовой продукции сульфат аммония по мере необходимости
поступает на участок упаковки и отгрузки.
Цех улавливания химических продуктов №2 пущен в
эксплуатацию в 1972 году. Цех улавливания рентабелен и приносит прибыль, но
основные фонды изношены, устарели морально, и нуждаются в мероприятиях по
реконструкции оборудования производства и модернизации оборудования. Участок
упаковки и погрузки сульфата аммония коксохимического производства Компании
требует реконструкции, где процесс погрузки сульфата аммония осуществляется
транспортёром производительностью 40т/час, имеющий механический привод
передвижения тележки не обеспечивающего равномерное распределение груза в
вагоне. Погрузка сульфата аммония осуществляется в вагоны типа «теплушка».
Данный тип погрузки низкопроизводителен и трудоемок, так как для погрузки
используется ручной труд. Бригада грузчиков вручную с помощью лопат
распределяет отгружаемое удобрение по вагону.
Целью реконструкции участка упаковки и отгрузки
является:
повышение производительности труда;
увеличение объема погрузки выпускаемой
продукции;
проектирование новой технологической схеме производства;
соответствие нового производства требованиям мер
безопасности и экономической деятельности Компании ПАО «Северсталь».
Исходя из выше указанных целей, одной из задач
проектирования является разработка ряда направлений вопросов связанных с
внедрением новой технологией, проектированием и расчетом оборудования
производства, методами обработки деталей и их изготовления. Для этого
необходимо спроектировать и рассчитать установку для загрузки полувагонов,
хопперов и минераловозов производительностью 60т/час, рассмотреть её основные
узлы и характер работы. Транспортер поднимается на отметку +5,5 метров, что
позволяет грузить открытые полувагоны и минераловозы, а также заменяется
механический привод передвижения тележки на гидравлический, что позволит плавно
перемещать ленточный транспортер. В результате проведения реконструкции при
погрузке вагонов обеспечивается равномерная, качественная погрузка удобрения в
вагон.
Одним из ключевых показателей эффективности
Компании ПАО «Северсталь» является повышение уровня безопасности. Поэтому
важной задачей является изучение вопроса о безопасности нового технологического
процесса и его экономической целесообразности. После проведения анализа
основных недостатков рассматриваемого участка цеха предлагается провести его реконструкцию.
Реконструкция позволит увеличить производительность труда, за счет установки
дополнительного оборудования погрузки сульфата, повысит эффективность
производства и улучшит условия труда в цехе улавливания химических продуктов
Компании.
После рассмотрения новой технологии необходимо
спроектировать и рассчитать соответствующее оборудование, то есть, то основное
оборудование, которое будет установлено в цехе. Основное производственное
оборудование включает ленточный конвейер (транспортер погрузки навалом).
Машина-автомат для затаривания сыпучего сульфата в мешки после проведения
реконструкции будет являться вспомогательным оборудованием. Таким образом,
следует рассмотреть основные узлы и детали установки для загрузки
железнодорожных вагонов, особенности её конструкции, системы приводов.
Конструкция и работа установка для загрузки
полувагонов, хопперов и минераловозов производительностью 60 т/час.
1 Приемный бункер.
Приемный бункер служит для приема аммиачной
селитры с технологии на установку, в течение работы должен быть заполнен до
верхнего уровня, а по окончании работы - опорожнен.
2 Питатель.
Питатель расположен сразу после приёмного
бункера, выполняет дозирование подачи сульфата аммония на транспортер погрузки.
3 Основной рабочий шибер с пневматическим
приводом.
Основной рабочий шибер с пневматическим приводом
расположен сразу после ручного шибера и предназначен для отсекания потока
сульфата аммония с установки при загрузке одного из отсеков хоппера или
минераловоза. В состав пневматический привода входят пневматический цилиндр и
трехходовой кран, расположенные непосредственно на месте загрузки полувагонов,
хоппера или минераловоза.
4 Транспортёр подачи сульфата аммония в
полувагон, хоппер или минераловоз.
5 Площадка обслуживания.
Площадка обслуживания хоппера смонтирована между
колоннами рампы. На высоте крыши хоппера и вдоль движения хоппера, имеют
откидные мостики для перехода на крышу хоппера. В нерабочем состоянии они
должны быть зафиксированы. На площадке расположен пульт управления передвижения
маневрового устройства.
6 Маневровое устройство.
Маневровые устройства расположены соответственно
на железнодорожных путях и предназначаются для перестановки полувагонов,
хопперов и крытых железнодорожных вагонов под погрузку.
Маневровое устройство состоит из приводной
тележки и толкателей ТМ-16. Также имеются лотки для укладки силового и
оперативного кабелей маневрового устройства. Пульты дистанционного управления
маневрового устройства расположены непосредственно на местах загрузки
полувагонов и хопперов.
Грейферным краном сульфат аммония отправляется в
приемный бункер на участок погрузки в железнодорожные вагоны, откуда через
питатель попадает на ленточный транспортёр и далее в железнодорожный вагон.
ленточный конвейер червячный фреза
2.
KОНСТРУКТОРСКАЯ
ЧАСТЬ
2.1 Расчет и
проектирование привода ленточного транспортера
.1.1 Назначение,
устройство и принцип действия ленточного конвейера
Одним из требований к конвейеру
является обеспечение заданной производительности и перемещение минеральных
удобрений от бункера загрузки до места погрузки в железнодорожные вагоны.
Несущим органом ленточного
конвейера является гибкая транспортерная лента, опирающаяся своей рабочей и
холостой частями на роликовые опоры, огибающая приводной и натяжной барабаны.
Движение ленты осуществляется от приводного барабана фрикционным способом
(трением). При помощи натяжника создается необходимое первоначальное натяжение
на сбегающей ветви ленты конвейера.
Диаметр барабана должен
соответствовать стандарту ГОСТ 18974-87. Подбор диаметра ролика зависит от
размеров ширины ленты, скорости движения, рода и размеров груза. Ролики
конвейеров изготавливают из стальных труб, чугуна и пластмасс. Величина хода
натяжного устройства конвейера зависит от длины и вида трассы конвейера.
Обеспечивается компенсация удлинения ленты (от нагрузки, изменения температур и
от износа).
К конвейерной ленте
предъявляется ряд требований:
·
высокая
продольная точность;
·
гибкость
в продольном (на барабанах) и поперечном (на роликах) направлениях;
·
высокая
сопротивляемость изнашиванию и расслаиванию при многократных перегибах;
·
малые
упругие и остаточные удлинения;
·
высокая
влаго и теплостойкость.
Чем больше достигает диаметр
барабана, тем меньше напряжение изгиба ленты и больше ее срок службы.
Для централизации обеих частей
ленты и исключение ее сильного поперечного смещения устанавливают центрирующие
роликовые опоры разных конструкций. В привод барабана ленточного конвейера
входит электродвигатель и редуктор с соединительными муфтами. На поворотных
участках ветвей трассы устанавливают роликовые батареи. Роликовые батареи
необходимы для обеспечения плавного перегиба ленты. Взамен роликовых батарей
могут устанавливаться поворотные ролики.
Все части и элементы конвейера
монтируются на передвижной тележке, установленной на рельсы. Для выполнения
очистки от оставшихся частиц груза с рабочей стороны ленты устанавливают
вращающиеся ролики.
На рисунке 1 представлен общий
вид погрузчика.
Рисунок 1 - Схема погрузчика: 1
-грейферный кран; 2 - грейфер; 3 - бункер загрузки; 4 - питатель; 5 -
транспортёр погрузки навалом
2.1.2 Расчет ленточного
транспортера
Исходные данные:
Производительность конвейера: Q
= 60т/час.
Плотность материала ленты: g
= 1,22 т/м3.
Максимальный размер гранулы удобрения: аmax
= 4 мм.
Длина ленточного конвейера: l
= 12м.
Расчет ширины ленты.
Определяем ширину ленты:
м, (1)
где V
- скорость движения ленты, м/с, V=
1,0 м/с;
g - плотность материала ленты, g
= 1,22 т/м3 (исходные данные);
k - значение
коэффициента, зависящего от угла естественного откоса груза k
= 550 [25, с.55];
kb - коэффициент,
зависящий от угла наклона конвейера, kb
= 1.
м
По рассчитанному значению ширины ленты подбираю
транспортерную ленту общего назначения типа 2, имеющую ширину 400мм с 4мя
прокладками из бельтинга марки Б 820 с двусторонней резиновой обкладкой
толщиной 3мм на рабочей поверхности 1мм на нерабочей поверхности: лента Л2 -
400- 4Б -820 - 3 - 1,5 ГОСТ 20 - 85 [25, с.56].
Расчет погонных нагрузок.
Определяем погонную нагрузку от массы груза:
(2)
где Q
- производительность конвейера, т/час, Q=60т/час
(исходные данные);
V - скорость
движения ленты, м/с, V=1,0
м/с.
Определяем погонную нагрузку от
массы ленты:
(3)
где γ -плотность
резинотканевой ленты, ρ=1220 кг/м3;
В - ширина ленты, м;
δ - толщина ленты,
м.
мм, (4)
где dпр. -толщина
прокладки, dпр.= 1,5 мм;
dр - толщина резиновой обкладки рабочей стороны
ленты, dр=3
мм;
dн - толщина резиновой обкладки нерабочей стороны
ленты, dн=1
мм;
i - число прокладок,
i =4 .
мм,
Принимаю диаметр роликов роликовых
опор равным 108 мм [25, с.57].
Принимаю расстояние между роликовыми
опорами на рабочей ветви конвейера lр = 1400 мм,
холостой ветви lх = 2400 мм [25, с.56].
Принимаю массу вращающихся частей
желобчатой роликовой опоры Gp = 23 кг [25, с.57].
Определяем погонную величину нагрузки от
вращающихся частей роликов. На нагруженной ветви:
(5)
где Gp
- масса одной роликовой опоры, Н;
lр - расстояние между
роликовыми опорами на рабочей ветви, м.
На холостой ветви:
(6)
где lх
- расстояние между между роликовыми опорами на холостой ветви, м.
Определяем погонную нагрузку от движущихся
частей конвейера:
(7)
Для определения тяговой силы
конвейера определяем коэффициент сопротивления w = 0,04 [25, с.57].
Длина проекции конвейера на
горизонтальную плоскость:
Lг - длина
ленточного конвейера, Lг=12 м (по исходным данным);
Н= 0 м - высота конвейера.
Определяем тяговую силу
транспортера:
(8)
где m
-масса груза,m = 1,57 Н.
Коэффициент сцепления между
прорезиненной лентой и стальным барабаном для влажной атмосферы m = 0,25.
Приняв угол обхвата 1800 ,
коэффициент кs = 1,85.
Определяем максимальное статическое
натяжение ленты:
Н, (9)
Значение номинального запаса
прочности, по справочным данным, конвейерной ленты no = 10.
Предел прочности прокладок выбранной
ленты kр = 550 Н.
Определяем требуемое количество
прокладок:
(10)
,
условие выполнено.
Требуемый диаметр приводного
барабана а=125…130.
По ГОСТ 10624-63 Dп.б. ³ а * i = 125 * 4 =
400мм.
Определяем диаметр натяжного
барабана:
(11)

Принимаю Dп.б.=300 мм.
Определяем длину приводного и
натяжного барабанов:

(12)
Разобьем конвейер на несколько
участков. Границы участков пронумеровываем (рисунок 2).
Рисунок 2 - Участки транспортера
Определяю величину нагрузки на ленту
в отдельных точках транспортера при помощи метода обхода по контуру.
Направление обхода начинаем с точки 1. В точке 1 натяжение пока неизвестно. Значение
сопротивления на поворотных пунктах в зависимости от их диаметров и условий
работы при расчётах принимают:
(13)
где S1
- величина натяга в точке 1, Н;
Sнаб - величина
натяга тягового органа конвейера на поворотном пункте, Н;
kп - коэффициент
увеличения натяжения тягового органа на поворотном пункте, Н. При угле обхвата
тяговым органом kп =
1,03…1,05.
Натяжение в точке 2:
(14)
, (15)
Сопротивление на участке 2-3:
(16)
Натяжение в точке 3:
(17)
Натяжение в точке 4:
(18)
Натяжение в точке 5:
(19)
Сопротивление на погрузочном органе:
(20)
Сопротивление от направляющих бортов
загрузочного лотка:
(21)
Сопротивление на участке 5-6:
(22)
Натяжение в точке 6:
(23)
Сопротивление на участке 6-7:
(24)
Натяжение в точке 7:
(25)
Подставив это соотношение в
полученное выше выражение:


По полученным значениям натяжений строим
диаграмму натяжений ленты, представленную на рисунке 3.
Рисунок 3 - Диаграмма натяжений ленты
Выполняем проверочный расчёт конвейера.
Определяем минимальное количество необходимых
прокладок:
(26)
Проводим проверку правильности
выбора диаметра приводного барабана:
(27)
где рср - допустимое давление ленты на барабан,
рср = 100000 Н/м2;
a - угол обхвата лентой барабана,
a
= 1800;
W0 - сопротивление
барабана, Н;
m - коэффициент сцепления между
прорезиненной лентой и стальным барабаном для влажной атмосферы, m
= 0,25 [25, с.58].
(28)
Определяем КПД приводного барабана:
(29)
где wб - коэффициент
сопротивления барабана, wб = 0,04.
(30)
2.1.3 Энергокинематический
расчёт привода и выбор электродвигателя
Расчет проводим по кинематической схеме привода
ленточного конвейера (рисунок 4).
Рисунок 4 -Схема привода конвейера: 1-
двигатель; 2-упругая втулочно-пальцевая муфта; 3-коническо - цилиндрический
редуктор; 4- упругая втулочно-пальцевая муфта; 5- приводной барабан
Определяем значение мощности на приводном валу
транспортера N0 кВт:
(31)
где W0
- сопротивление барабана, Н;
V - скорость перемещения
ленты, м/с;
ηбар - коэффициент
полезного действия барабана, ηбар=0,87.
В состав привода входит электродвигатель,
коническо - цилиндрического редуктора, двух муфт, приводного барабана.
В приводе имеются элементы снижения мощности при
её передаче от двигателя к приводному барабану.
Муфта - 2шт.
Цилиндрическая передача - 1шт.
Коническая передача - 1шт.
Подшипники качения - 3пары.
Определяем общий коэффициент полезного действия
привода:
(32)
где h1 - КПД,
учитывающее потери на муфте, h1=0,98 [29, с.42];
h2 - КПД, учитывающее потери в паре подшипников, h2
=0,99 [29, с.42];
h3- КПД, учитывающее потери в конической
передаче, h3=0,97 [29, с.42];
h4 - КПД, учитывающее потери в цилиндрической
передаче, h4=0,95[29, с.42].
Определяем потребную мощность
электродвигателя:
(33)
Подбор электродвигателя происходит по условию:
(34)
Таблица 1 - Выбор электродвигателя
|
Марка
двигателя
|
Номинальная
мощность двигателя, кВт
|
Номинальная
частота вращения, об/мин
|
Синхронная
частота вращения, об/мин
|
|
4А132М2У3
|
11
|
2900
|
3000
|
|
4А132М4У3
|
11
|
1460
|
1500
|
|
4А160S6У3
|
11
|
975
|
1000
|
|
4А160М8У3
|
11
|
730
|
750
|
Определяем частоту вращения выходного вала:
(35)
Для выбора оптимального варианта
проводим сравнение общего передаточного число, в соответствии с выбранными
электродвигателями.
Таблица 2 - Определение
передаточного числа ступеней привода конвейера
|
Передаточное
число привода
|
Передаточное
число редуктора
|
|

|
|
|
 =4,4
|
|
|
 =4,55
|
|
|
|
|
Принимаем стандартное передаточное число
редуктора u=20. Производим
разбивку по ступеням.
Для обеспечения равного погружения колес обоих
ступеней коническо - цилиндрического редуктора принимаем передаточное число
быстроходной ступени большим, чем тихоходной.
Выбираем стандартные значения передаточных
чисел: uб=5, uт=4.
Выбираем двигатель общего назначения марки 4А160S6У3,
номинальной мощности РНОМ=11кВт, номинальной частоты вращения NНОМ=
975 об/мин.
Определяем мощность электродвигателя, кВт: Рном=
11 кВт;
Определяем мощность на быстроходном валу
редуктора, кВт:
(36)
Определяем мощность на промежуточном
валу редуктора, кВт:
(37)
Определяем мощность на тихоходном
валу редуктора:
(38)
Определяем мощность на приводном
валу рабочей машины, кВт:
(39)
Определяем частоту вращения
электродвигателя, об/мин:
Определяем частоту вращения
быстроходного вала редуктора, об/мин:
(40)
Определяем частоту вращения
промежуточного вала редуктора, об/мин:
(41)
Определяем частоту вращения
тихоходного вала редуктора, об/мин:
(42)
Определяем частоту вращения
приводного вала рабочей машины, об/мин:
, (43)
Определяем угловую скорость
электродвигателя, с-1:
(44)
Определяем угловую скорость
быстроходного вала редуктора, с-1:
(45)
Определяем угловую скорость
промежуточного вала редуктора, с-1:
(46)
Определяем угловую скорость
тихоходного вала, с-1:
(47)
Определяем угловую скорость
приводного вала исполнительного механизма, с-1:
(48)
Определение крутящих моментов на
валах коническо-цилиндрического редуктора.
Определяем крутящий момент на
выходном валу электродвигателя, Н·м:
(49)
Определяем крутящий момент на
быстроходном валу редуктора, Н∙м:
(50)
Крутящий момент на промежуточном
валу редуктора, Н·м:
(51)
Крутящий момент на тихоходном валу
редуктора, Н·м:
(52)
Крутящий момент на приводном валу исполнительного
механизма, Н·м:
(53)
По рассчитанному передаточному числу
привода и передаваемым крутящим моментам выбираем коническо - цилиндрический
редуктор КЦ-1-400-20 - 41Ц-УЗ, передаточное число uном=20,
передаваемый крутящий момент на выходном валу 4780 Н·м.
2.1.4 Подбор
стандартных узлов привода
Уточняю скорость ленты:
(54)
Скорость незначительно отличается от
значения взятой при расчете ширины ленты.
Определяем фактическую
производительность конвейера:
т/час, (55)
где В- ширина ленты, м;
V - скорость, м/с;
γ - удельный вес
транспортируемого материала, т/м3;
k- коэффициенты
производительности.
т/час
Определяем усилие натяжного
устройства:
(56)
Выбираем натяжное винтовое устройство
40315,5-50-50 для ленты В=400мм, с диаметром 315 мм.
Приводной барабан 4040 - 60 [25, с.60].
2.1.5 Ориентировочный
расчет и конструирование приводного вала
Для определения размеров приводного вала
выделяем исходные данные:
передаваемый момент на валу -1295,5 Нм;
вал изготовлен конструкционной легированной
стали 40Х.
Определяем минимально возможный диаметр вала с
учетом передаваемого крутящего момента по формуле:
(57)
где Тпр - крутящий момент на валу,
Н·м;
[τк] - допускаемое
напряжение при кручении, МПа, принимаем равными 20 Н/мм2.
Принимаем конструктивно размер, округленный до
большего d=65 мм.
Длина первой ступени вала, мм:
, мм, (58)
- я под уплотнение крышки с
отверстием и подшипник:
Диаметр второй ступени вала, мм:

(59)
Принимаем d=70мм.
Длина второй ступени вала, мм:
(60)
- я ступень вала под барабан:
Диаметр ступени под барабан, мм:
(61)
где r-
радиус скругления, r=5мм.
Длина третьей ступени вала
определяется конструктивно.
-я ступень вала под опору:
длина 4-й ступени равна ширине
подшипника.
Конструирование вала в соответствии с рисунком 5
ведем на основании выполненных расчетов и требуемой конструкции деталей на валу
и расположением опор (подшипниковых узлов). При конструировании принимаем
значение предварительно рассчитанного диаметра, в качестве минимального
диаметра вала - это хвостовик с полумуфтой для соединения вал с редуктором.
Длина шейки вала составляет 100 мм. Для установки подшипников на валу принимаем
размер диаметра 70 мм. Значение длины шейки со стороны привода транспортера для
размещения подшипникового узла, принимаем 35 мм, а с противоположной стороны
вала 30мм. Длина вала под барабан выбирается конструктивно. Диаметр основной
части вала привода принимаем конструктивно 86 мм. В конструкции вала
предусматриваем шпоночное соединение (шпонку). Шпонка служит для передачи
вращающего движения и фиксации на валу вращающихся деталей (зубчатых колес,
муфт). На валу подшипники качения устанавливаются в корпусах. Фиксация
подшипников осуществляется крышками.
К корпусу крепятся крышки при помощи резьбового
соединения, болтов.
Рисунок 5 - Эскиз вала
2.1.6 Предварительный
подбор подшипников вала
Для опор вала предпочтение отдаем сферическому
двурядному роликоподшипнику. Данные подшипники работают в условиях действия
радиальных нагрузок, обладают значительно более высокой грузоподъемностью. В
результате расчетов частота вращения вала относительная мала, поэтому
применение данного типа роликоподшипника допустимо по сравнению с подшипниками
с короткими цилиндрическими роликами, которые выдерживают более высокие скорости
вращения.
Роликоподшипники данного типа применяются для
двух опорных валов (как в нашем случае) воспринимаемым значительные прогибы под
действием внешних нагрузок.
Подшипники данного типа применяются также для
узлов, в которых технологически не происходит обеспечения строгой сносности
посадочных мест.
Внутренний диаметр вала при его конструировании
принят 70 мм.
Согласно стандарта ГОСТ 28428-90 для опор
конвейера приводного вала подбираем подшипник номер 1214.
Подшипник 1214 обладает техническими характеристиками:
внутренний диаметр подшипника d=70
мм;
наружный диаметр подшипника D=125
мм;
ширина колец подшипника B=35
мм. [1]
Сборочный чертеж вала представлен на рисунке 6.
Рисунок 6 - Сборочный чертеж вала и подшипникового
узла
2.1.7 Проверка
долговечности подшипников
Определение величины грузоподъемности и ресурса
позволяет судить об обеспечении работоспособности оборудования.
Ресурс, полученный в результате расчета, должен
превышать требуемый.
Далее составляем расчетную схему приводного вала
и определяем нагрузки, приложенные к данному валу.
Определяем окружную силу F:
(62)
где Тпр - крутящий момент на валу, Тпр=1842,4 Н·м;
Dб - диаметр
барабана, м.
Определяем изгибающее усилие от
муфты:
(63)
где FM
- усилие, возникающее от воздействия муфты на вал, Н;
Ft -
тангенциальное усилие, возникающее на валу, Н.
По причине того, что усилие от
действия муфты возникает из-за неточностей изготовления, монтажа и его
направление не может быть точно определено. Поэтому это усилие считаем
действующим в плоскости максимальной нагрузки. Выполняя расчетную схему вала в
соответствии с рисунком 7 производим схематизация нагрузок, опор, формы вала.
Вал представляет собой балку, установленную на двух опорах. На схеме подшипники
заменяем шарнирно-подвижными опорами.
Рисунок 7 - Схема нагружения вала
Определяем реакции опор А и В из
уравнения моментов равновесия. Реакции опор в плоскости XOУ:
ΣМА=0,
Н
ΣМА=0,
Н
Проверка:
0=0
Условие выполнено
Определяем реакции опор в плоскости XOХ:
Н,
Н
Проверка:
,
,67+1426,67+4600=0,
=0
условие выполнено
Определяем суммарные реакции опор А
и В:
кН, (64)
кН,
кН, (65)
кН
Проверка долговечности подшипников
производится по наиболее нагруженной опоре А.
Нагрузка в опоре А RA=7,6 кН.
Коэффициент осевого нагружения
подшипника е=0,17.
Определяем эквивалентную
динамическую нагрузку на подшипник:
,Н, (66)
где V
- коэффициент вращения, V=1-для
подшипников;
Kσ -
динамический коэффициент (коэффициент безопасности), учитывает влияние
динамических условий работы, характерных для различных машин, на долговечность
подшипников, Kσ =1,2;
KТ - коэффициент,
учитывающий влияние температурного режима работы на долговечность подшипника, KТ
=1,05.
Н
Определяем расчетный ресурс
подшипника номер 1214:
, час, (67)
где n
- частота вращения подшипника, мин-1;
С - динамическая грузоподъемность подшипника, Н;
P -эквивалентная
нагрузка, Н;
р- степенной показатель, для роликовых
подшипников, р=3,333;
Р - эквивалентная нагрузка, Н.
час
После определения расчетной
долговечности подшипника, ее сравнивают с рекомендуемым значением долговечности
подшипников.
Подшипник пригоден к эксплуатации,
если выполняется условие:

(68)
где Lтреб
- рекомендуемое значение долговечности подшипника в зависимости от оборудования
и условий эксплуатации, Lтреб
=25000 час (машины для односменной работы, эксплуатируемые не всегда с полной
нагрузкой).
,
Следовательно, для проектируемого
вала выбираем подшипник номер 1214 ГОСТ 28428-90 с внутренним диаметром d=70 мм,
наружным D=125 мм,
шириной колец В=35 мм [1].
Расчетную динамическую грузоподъемность и
долговечность определяем для подшипника с большей эквивалентной динамической
нагрузкой.
Расчетная динамическая грузоподъемность, Н:
час, (69)
Подшипник №1214 пригоден по
грузоподъемности.
2.1.8 Уточнённый
расчёт приводного вала
Для проведения проверочного расчета приводного
вала необходимо определить коэффициент запаса прочности в опасных сечениях
вала.
В опасном сечении вала действует крутящий и
изгибающий момент.
При расчете вала необходимо определить
конструкцию и размеры вала, материал вала.
Определяем значение передаваемого крутящего
момента, значение и направление сил действующих на вал.
В приведенных выше расчетах были определены
реакции опор в двух плоскостях.
Определяем изгибающие моменты в вертикальной
плоскости:
Мх1=0,
Мх2=0,
Мх3=Rby·0,345=4,6·0,345=1,587
кН·м,
Мх4=0,
Эпюры изгибов моментов в горизонтальной
плоскости:
Му1=0,=Fм·l,=4,6·0,214=0,9844
кH·м,=
Rbx·0,345=0,49
кН·м,=0.
Суммарные изгибающиеся моменты в опасном сечении
вала, H·м:
, кН·м, (70)
кН·м
, кН·м, (71)
кН·м
Определяем крутящий момент, Н·м:
, Н·м, (72)
Н·м=1,84 кН·м
Схема нагружения вала представлена
на рисунке 8.
Рисунок 8 - Схема нагружения
приводного вала
Из построенных эпюр делаем вывод, что опасным
сечением является сечение в районе посадки барабана. Обозначим это сечение С.
Определяем приведенный момент в опасном сечении
С по формуле:
, Н·м, (73)
где Ми - изгибающий момент в
опасном сечении вала,
;
Мкр - крутящий момент в опасном
сечении вала,
;
α - коэффициент, при
реверсивной нагрузке α=1.
кН·м
Определяем минимально возможный диаметр вала в
опасном сечении:
, мм, (74)
где [σи]
- допускаемое напряжение по изгибу, определяемое по формуле (75).
, Па, (75)
где σ-1
- предел усталости материала по изгибу, Па;
- коэффициент для предварительных
расчетов, принимаем k
=2,8;
[n] -
допускаемый запас прочности, [n]=1,5.
Определяем предел усталости материала по изгибу:
, Па, (76)
где σВ
- предел прочности, Па, для стали 40Х, σВ=9,8·108
Па.
Па
Па
Определяем коэффициент запаса
усталостной прочности в опасном сечении вала:
(77)
где nσ
- коэффициент запаса сопротивления по изгибу;
nτ -
коэффициент запаса по кручению;
[n]
- допускаемый коэффициент запаса прочности, 1,5..2,5.
Определяем коэффициент запаса сопротивления по
изгибу:
(78)
где σ
-1 -предел усталости материала по изгибу, Па;
kσ -
эффективный коэффициент концентрации напряжений при изгибе, kσ=1,7;
εm
- масштабный фактор, εm=0,75;
εn
-фактор шероховатости, εn=0,95;
ψσ - поправочный
коэффициент, учитывающий свойства материала ψσ=0,1[15,
с.271];
σт - постоянная
составляющая циклов напряжений σт
=0 [15, с.271];
σа - переменная
составляющая циклов напряжений, определяемая по формуле (79).
Определяем переменную составляющую циклов
напряжений:
, МПа, (79)
где Ми -изгибающий момент в опасном сечении Н·мм,
Ми = 1,66 кНм;
d - диаметр вала в
опасном сечении, м, d=112мм.
Определяем коэффициент запаса
прочности по кручению:
(80)
где τк - предел
усталости по кручению, τк =1,5
Па;
kτ -
эффективный коэффициент концентрации напряжений при кручении, Кτ =1,4;
τа - переменная
составляющая циклов напряжений, Па;
ψτ - поправочный
коэффициент, учитывающий свойства материала, ψτ=0,05;
τm
- постоянная составляющая циклов напряжений, Па.
, Па, (81)
Па
,7>1,5
условие выполнено
2.1.9 Расчет муфты
Муфту на вал подбираем по расчетному диаметру
вала и передаваемому расчетному крутящему моменту.
Расчетный момент, с которым муфта действует на
вал, определяется по формуле:
Н·м, (82)
где Кр - коэффициент режима нагрузки, табличное
значение, для нашего проекта Кр.= 1,5; [29, с.250]
Т1.- вращающий момент на валу, Н·м.
Для ленточного конвейера рекомендуется Кр
=1,25-1,5 [29, с.251].
Для соединения выходного конца вала барабана и
вала редуктора подбираем упругую втулочно-пальцевую муфту со следующими
параметрами:
Момент: Т = 4000 Н·м;
угловая скорость вала: не более ω
= 240 с-1;
посадочное отверстие: d
= 90 мм;
общая длина: L
= 350 мм;
наибольший диаметр муфты: D
= 320 мм;
смещение осей валов: радиальное: не более Δr
= 0,5 мм;
угловое: не более Δg
= 0˚30´.
Муфта 4000-90-1-У3 ГОСТ 21424-93. [29, с.424]
Для соединения вала двигателя с редуктором
выбираем упругую втулочно-пальцевую муфту с параметрами:
Момент: Т = 1000 Н·м;
угловая скорость вала: не более ω
= 300 с-1;
посадочное отверстие: d
= 60 мм;
общая длина: L
= 170 мм;
наибольший диаметр муфты: D
= 220 мм;
смещение осей валов: радиальное: не более Δr
= 0,4 мм;
угловое: не более Δg
= 1˚;
Муфты МУВП обладают достаточными упругими
свойствами и малым моментом инерции для уменьшения пусковых нагрузок на
соединяемые валы.
Муфта 1000-60-1-48-1-У3 ГОСТ 21424-93 [29,
с.424].
2.1.10 Подбор и
проверка прочности шпоночных соединений
Применяются призматические шпонки. Они
предназначены для передачи вращающего момента от электродвигателя через муфту
на вал редуктора, от вала редуктора на приводной вал барабана.
Шпонки также предназначены для фиксации зубчатых
колес на валах редуктора, для фиксации барабана на приводном валу.
Выполняем расчет шпоночных соединений
проектируемого приводного вала.
Для фиксации барабана на валу в зависимости от
диаметра вала (Ø112 мм)
подбираем призматическую шпонку со скругленными концами, изготовленную из стали
45.
Шпонка 32×18×90
ГОСТ
23360-78, где 32 мм - это ширина шпонки (b), 18 мм-
высота шпонки (h), 125 мм - длина шпонки (
).
Проверяем шпоночное соединение на
прочность по величине напряжения смятия на боковой стенке призматической шпонки
по условию для вала:
, МПа, (83)
где
- напряжение смятия, МПа;
Т - передаваемый момент, Н·мм,
Т=1842400 Н·мм;
d - диаметр
вала, мм;
h - высота
шпонки, мм;
[σ]см -допустимое напряжение
смятия, МПа, [σ]см =100…120
МПа.
- рабочая длина шпонки,
определяемая по формуле:
мм, (84)
где
- длина шпонки, мм;
- ширина шпонки, мм
мм
МПа
,3 МПа<120 МПа
По ГОСТ 23360-78 [29, с.449] для
фиксации муфты в зависимости от диаметра вала (Ø90 мм)
подбираем призматическую шпонку 22×14×140 со
скругленными концами, изготовленную из стали 45, где 22 мм - это ширина шпонки
(b), 14 мм-
высота шпонки (h), 55 мм - длина шпонки (
).
Аналогично проверяем шпоночное соединение на
прочность по деформации напряжения смятия на боковой стенке призматической
шпонки по условию для вала:
мм
МПа
,86 МПа<120 МПа
2.1.11
Выбор смазочных материалов
Трущиеся части механизмов с течением времени
изнашиваются и требуют периодической смазки узлов.
Выбор смазочного материала зависит от условий
работы оборудования и конструкции оборудования.
Смазка в механизме выполняет функции:
уменьшение силы трения между трущимися
поверхностями;
снижать износ трущихся поверхностей;
защищать металл от коррозионного воздействия
окружающей среды;
уплотнять зазоры между сопряженными деталями;
снижать шум и вибрацию.
Таблица 3 -Карта смазки
|
Узел
смазки
|
Сорт
смазки
|
Метод
смазки
|
|
Зубчатое
зацепление в редукторе
|
И-Т-Д-68
ГОСТ 174794-87
|
Погружение
в ванну с маслом (картерный способ)
|
|
Подшипники
качения редуктора
|
И-Т-Д-68
ГОСТ 174794-87
|
Смазка
осуществляется разбрызгиванием
|
|
Подшипники
приводного барабана
|
Литол
24 ГОСТ 7 163-84
|
Закладка
и добавление через пресс-масленку
|
|
Подшипники
роликов
|
Литол
24 ГОСТ 7 163-84
|
Механическая
индивидуальная смазка
|
|
Подшипники
натяжного барабана
|
Литол
24 ГОСТ 7 163-84
|
Закладка
и добавление через пресс-масленку
|
Таким образом, для проектирования транспортера
были рассчитаны его основные характеристики и параметры, определена система
привода.
При проведении расчетов основных узлов и деталей
барабана были определены геометрические параметры вала в соответствии с
прилагаемой нагрузкой на каждый барабан.
Определены размер и тип подшипника с расчетной
долговечностью отвечающей требованиям надежности транспортера.
Предусмотрена система смазывания элементов
конвейера.
.2 Расчёт и
проектирование гидропривода передвижения тележки ленточного транспортёра
.2.1 Расчет и выбор
гидравлического двигателя
.2.1.1 Определение
нагрузочных и скоростных параметров гидравлического двигателя
Расчет производим на основании представленных в
задании скоростных и нагрузочных параметров гидравлического привода, а также
кинематической схемы передаточного механизма между рабочим органом установки и
выходным звеном гидравлического двигателя.
Исходными данными для проектирования являются:
гидравлический двигатель вращательного движения;
движение приводной шестерни, вращательное;
максимальная осевая нагрузка 2000 Н (паспортные
данные);
наибольшая линейная скорость погрузчика Vmax=0,15
м/с (паспортные данные).
В данном случае приводная шестерня и выходное
звено гидравлического двигателя совершают вращательное движение.
.2.1.2 Определение
геометрических параметров и выбор гидравлического двигателя
В качестве рабочего гидравлического двигателя
выбираем гидромотор реверсивный.
Рабочий объём q
гидромотора определяется по формуле:
Р, см3, (85)
где М¶max
- крутящий момент гидродвигателя, Н·м;
DР - перепад давления, МПа.
Крутящий момент гидродвигателя определяется по
формуле:
, Н·м,
(86)
где Тр - тяговое усилие на приводной шестерне,
Тр = 2000 Н;
Dр - диаметр
приводной шестерни, Dр = 200мм.
Н·м
Перепад давления определяется по
формуле:
DР = Р1 - Р2, МПа, (87)
DР = 6,3 - 0,5 = 5,8 МПа,
q = 2×
3,14× 200 / 5,8×
106 = 217× 10 -6 м3 = 217 см3
Выбираем гидромотор радиально -
поршневой высокомоментный МРФ-250/25М ТУ2-053-1480-80 [24,с.65], в обозначении
которого МР - гидромотор радиально - поршневой; Ф - фланцевое крепление.
Характеристики гидромотора:
q - рабочий
объём, см3 250
Рном - давление на входе номинальное, мПа 25
Qном -
номинальный расход, л / мин 127
Мном - крутящий момент, Н×м 932
nном - частота
вращения номинальная, мин-1 480
nмин - частота
вращения минимальная, мин-1 8
h - КПД гидромотора не
менее 0,9
Эффективная мощность - Nном
= 45,9 кВт.
Число оборотов гидромотора:
, об/мин, (88)
об/мин
Расход масла в гидромоторе:
, м3/мин, (89)
где nр
- число оборотов привода приводной шестерни, об/мин.
м3/мин= 0,00006 л/с
2.2.2 Составление
принципиальной схемы гидропривода
Составление принципиальной гидравлической схемы
привода выполняем от гидромотора, то есть на схеме наносим гидравлический
мотор, а далее на его гидравлические линии вводим регулирующие и направляющие
гидравлические аппараты в соответствии с циклограммой работы гидропривода и
способом регулирования скорости.
Далее объединим напорную, сливную, дренажную
линии отдельных участков гидравлической схемы.
Заключительным этапом является нанесение на
гидравлическую схему насосного агрегата (Н), фильтра (Ф), предохранительного
клапана (КП), обратного клапана (КО), дросселя (Д).
Выбираем модель насосной установки и
окончательно определяем ее схему. В схеме предусматриваем разгрузку насоса в
положении «стоп», что можно достичь выбором соответствующей схемы реверсивного
распределителя.
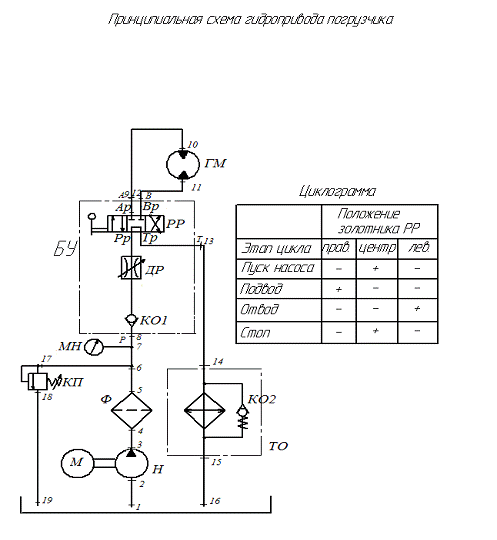
На рисунке 9 показан гидравлический привод
механизма передвижения погрузчика сульфата - аммония в железнодорожные вагоны
производительностью 50 т/час.
В состав основных узлов привода входят:
Н - насос;
М - электродвигатель;
Ф - фильтр;
МН - манометр;
КП - клапан предохранительный;
КО - клапан обратный;
РР - реверсивный распределитель;
ТО - теплообменник;
ДР - дроссель;
БУ - блок управления;
ГМ - гидравлический мотор;
НЛ - линия напорная;
СЛ - линия сливная;
ГБ - гидравлический бак.
Рисунок 9 - Схема работы гидравлического привода
Гидравлический мотор получает питание от
насосного агрегата (НМ). От перегрузок систему предохраняет (защищает)
предохранительный гидравлический клапан ПК.
Система управления установкой обеспечивает
выполнение определенного перечня операций:
1 Перемещение вперёд (подвод) погрузчика
сульфата - аммония в железнодорожные вагоны производительностью 50 т/час.
2 Перемещение назад - отвод погрузчика
сульфата - аммония в железнодорожные вагоны производительностью 50 т/час.
Подъём траверсы.
3 Стоп.
Приводим описание схемы
гидропривода.
Привод перемещения погрузчика осуществляется
гидромотором «ГМ». Давление в гидравлической системе создаётся насосом «Н»,
который включается в работу электродвигателем «М». В фильтре «Ф» выполняется
очистка рабочей жидкости от механических примесей. Слив рабочей жидкости в
гидравлический бак «ГБ» из напорной линии при остановке насоса предотвращается
обратным клапаном «КО». Рабочее давление в гидравлической системе
контролируется манометром «МН».
Рабочая жидкость проходя через гидравлический
блок управления, состоящий на входе из обратного клапана «КО», дросселя «ДР»
(который обеспечивает регулируемый ход) и гидравлического распределителя «РР»
поступает в гидромотор «ГМ». Гидравлический распределитель выполняет реверс передвижения
погрузчика, изменяет направление потоков рабочей жидкости в камерах
гидромотора. При установке золотника гидравлического распределителя в
нейтральную позицию - совершается холостой ход, гидромотор стоит. Утечка масла
из гидромотора по дренажной линии сбрасывается в гидробак.
Схема работы гидропривода:
Золотник распределителя перемещен в правое
положение.
Подвод: Н-Ф-ОК-ДР-Р(РР)А-ГМ-В(РР)Т-ТО-бак
ПК
Золотник распределителя перемещен в левое
положение.
Отвод: Н-Ф-ОК-ДР-Р(РР)В-ГМ-А(РР)Т-ТО-бак
ПК
Золотник распределителя перемещен в среднее
положение.
Стоп: Н-Ф-ДР-Р(РР)Т
-ТО-бак
ПК
2.2.3 Расчет и выбор
насосной установки
Устанавливаем требуемый расход рабочей жидкости
и давление в гидравлическом приводе и выполняем выбор насосной установки.
Потребный расход жидкости Qн
=3,6 л/мин.
Давление насоса:
, МПа, (90)
МПа
Выбираем установку насосную
5,3-2,2Г48-1УХЛ4 [24, с.40].
Характеристика насосной установки:
Марка электрического двигателя (исп.
1М3081) 4АМ80А4
Номинальная мощность
электродвигателя N - кВт 2,2
Частота вращения вала, n - об/мин 1500
Марка насоса: НПл5/16
ТУ2-053-1826-82
Рабочий объём насоса, Vо
- см3 5
Номинальная подача насоса, Qн
- л / мин 5,3
Давление на выходе насоса, Рн - МПа 16
Номинальный объём бака, л 63
Масса насосной установки, кг не
более 175
Проверяем пластинчатый насос на допустимое
давление.
Допустимое давление пластинчатого насоса:
, МПа, (91)
где N
- номинальная мощность двигателя, кВт;
Q - подача
пластинчатого насоса, л/мин;
η - полный КПД
пластинчатого насоса.
МПа
2.2.4 Расчет и выбор
гидравлической аппаратуры и трубопроводов
.2.4.1 Выбор
гидравлической аппаратуры
Исходными данными для подбора гидравлической
аппаратуры являются значение расхода жидкости и рабочего давления в той линии,
где установлен аппарат. Номинальные значения давления и расхода - ближайшие
большие к расчетным значениям параметров. Подобранные гидравлические аппараты
должны соответствовать требуемому способу монтажа, в данном случае - резьбового
способа, а для гидравлического блока управления стыкового и встраиваемого
способа. Подбор аппаратуры производим из справочника.
Выбираем фильтр напорного типа 1ФГМ16-10 ТУ
2.053.022 5228.030-90 [24, с.265] с параметрами:
- обозначает условный проход, 12мм;
ФГМ - обозначает фильтр гидравлический
механический;
16 - обозначает номинальное давление, 16МПа;
- обозначает номинальную тонкость фильтрации, 5
мкм;
Qном - обозначает
номинальную пропускную способность, 15,5 л/мин;
Dрном - обозначает номинальный перепад давления,
0,08 МПа;
Выбираем клапан предохранительный непрямого
действия 10-20-11-1В
ТУ-053-1748-85 с параметрами:
- обозначает диаметр условного прохода, мм;
- обозначает исполнение по номинальному давлению
настройки;
- обозначает тип управления, по управлению с
ручным управлением;
В - обозначает исполнение по присоединению,
резьбовое с конической резьбой;
Qном - обозначает
номинальный расход жидкости, 32 л/мин;
Dрном - обозначает номинальный перепад давления,
0,4 МПа;
Рmax
- обозначает максимальное давление настройки, 25МПа.
Манометр МПТ100М-30-4 ТУ25-02,72-75 с
параметрами:
МПТ - обозначает манометр показывающий
технический;
- обозначает диаметр корпуса в мм;
М - обозначает материал корпуса металл;
- обозначает верхний предел измерений, 10МПа;
- обозначает класс точности.
Обратный гидроклапан МКОВ 16/3
ТУ2-053-1829-87 с параметрами:
16 - обозначает диаметр условного прохода, dу,
мм;
- обозначает номинальное давление, Рном, МПа;
В - обозначает тип исполнения, встраиваемого
исполнения;
Qном - обозначает
номинальный расход жидкости, 32 л/мин;
Dрном - обозначает номинальный перепад давления,
0,3 МПа;
Dро - обозначает давление открывания клапана,
0,05 МПа.
Дроссель МДВ-16/3 В 2Р УХЛ4 ТУ2-053-1738-85 с
параметрами:
М - обозначает присоединительные размеры
принятые в международной практике;
ДВ - обозначает дроссель встраиваемый;
- обозначает условный проход 10 мм;
- обозначает номинальное давление 32 МПа;
В - обозначает способ монтажа, встраиваемый;
- обозначает с дросселированием потока
подводимого с боку;
Р - обозначает тип регулировки, регулировка
производится рукояткой со шкалой;
УХЛ - обозначает вид климатического исполнения,
для районов с умеренным и холодным климатом;
- обозначает категорию размещения;
Qном - обозначает
номинальный расход жидкости 63 л/мин;
Dрном - обозначает номинальный перепад давления
0,025 МПа.
Гидравлический распределитель ВМР6 64А УХЛ4 с
параметрамии:
В - обозначает гидрораспределитель золотниковый;
МР - обозначает управление ручное;
- обозначает диаметр условного прохода, мм;
- обозначает исполнение по схеме 64;
УХЛ - обозначает вид климатического исполнения,
для районов с умеренным и холодным климатом;
- обозначает категорию размещения;
Qном - обозначает
номинальный расход жидкости, 12,5…16 л/мин;
Рном - обозначает номинальное давление 32 МПа;
Dрном - обозначает перепад давления 0,3 МПа;
Теплообменник Г44-23 с обратным клапаном КО:
Qном - обозначает
номинальный расход жидкости, 35 л/мин;
Qмин - обозначает
минимальный расход жидкости, 3 л/мин;
Рном - обозначает номинальное давление, 12,5
МПа;
Dрном - обозначает номинальный перепад давления
0,2 МПа.
2.2.4.2 Расчёт и выбор
трубопроводов
Внутренний диаметр трубопровода находится по
формуле:
, мм, (92)
где Q
- расход рабочей жидкости через трубопровод;
Uр - рекомендуемая
скорость рабочей жидкости в трубопроводе, м / с; при Р = 16 МПа, Uр=
4м/с.
Во всасывающем трубопроводе скорость Uв=1,6м/с.
В сливном трубопроводе скорость Uс
=2м/с.
Для участка 1 (1-2), всасывающая линия:
, мм,
мм
Для участка 2 (3-6)(6-17) , напорная линия:
, мм,
мм
Для участка 3 (6-8-Рр), напорная линия:
мм
Для участка 4 (Ар-9-10) (11-12-Вр),
напорно-сливная линия:
, мм,
мм
Для участка 5 (Тр-13-16), сливная
линия:
, мм,
, мм
Для участка 6 (18-19), сливная
линия:
, мм,
мм
Максимально допускаемая толщина
стенки трубопровода определяется по формуле:
, мм, (93)
Где Р - максимальное давление рабочей жидкости в
трубопроводе МПа;
σвр - величина предела прочности
на растяжение материала трубопровода,
;
КБ - коэффициент безопасности,
принимаем
.
Трубопроводы разбиваем на участки и
проводим расчёт для каждого участка.
Для участка 1(1-2), всасывающая
линия:
мм
Для участка 2 (3-6)(6-17), напорная
линия:
мм
Для участка 3 (6-8-Рр), напорная
линия:
мм
Для участка 4 (Ар-9-10) (11-12-Вр),
напорно-сливная линия:
мм
Для участка 5 (Тр-13-16), сливная линия:
мм
Для участка 6 (18-19), сливная
линия:
мм
В результате расчетов участков
трубопроводов выполняем выбор стальных бесшовных холоднодеформированных
толстостенных труб по ГОСТ8734-75 из конструкционной стали 10 ГОСТ8733-79.
Применяем соединение участков
трубопроводов с шаровым ниппелем, так как расчетное давление превышает 6,3МПа.
Участок 1 (1-2) труба 14х2.
Участок 2 (3-6)(6-17) труба 10х2.
Участок 3 (6-8-Рр) труба 10х2.
Участок 4 (Ар-9-10) (11-12-Вр) труба 12х2.
Участок 5(Тр-13-16) труба 12х2.
Участок 6 (18-19) труба 10х2.
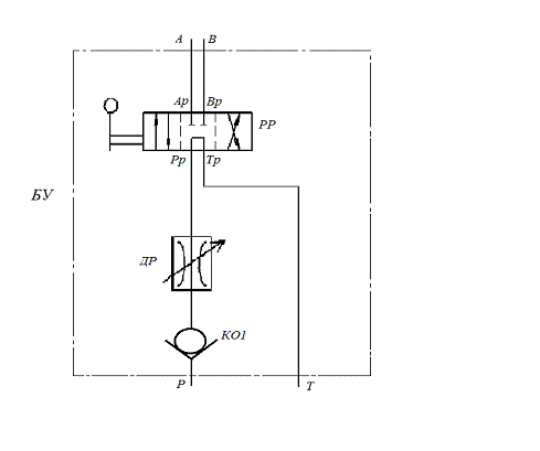
2.2.5 Разработка
конструкции гидравлического блока управления
Гидравлический блок управления включает
аппараты:
реверсивный гидравлический распределитель PP
(ВМР6 64А УХЛ4 ГОСТ 24679-81);
дроссель ДР встраиваемого исполнения (МДВ-16/3 В
2Р УХЛ4 ТУ2-053-1738-85).
Указанные аппараты компонуются на специальном
корпусе, конструкцию которого необходимо разработать.
Принципиальная схема гидравлического
блока управления выполнена на рисунке 10.
Рисунок 10 - Принципиальная схема гидроблока
управления
Крепление аппаратов к корпусу выполняется с
помощью стандартных крепёжных деталей, таких как винты. При проектировании
корпуса гидравлического блока управления, необходимо стремиться обеспечить
компактность, простоту, технологичность конструкции, удобство сборки, а также
предусмотреть способ его установки на оборудование (на задней стенке корпуса
расположены крепёжные отверстия M10).
Диаметры крепежных отверстий в корпусе
соответствуют диаметрам отверстий в аппаратах, которые присоединяются к нему.
Толщина перемычек между отверстиями не превышает значения 3...5мм.
На основании компоновки выполняется сборочный
чертеж гидравлического блока управления, на котором указываются установочные,
габаритные и присоединительные размеры. По сборочному чертежу блока управления
выполняется рабочий чертеж корпуса. Так как конструкция корпуса сложна,
необходимо предусмотреть маркировку отверстий (обозначение).
Размеры отверстий представлены в таблице 4.
Таблица 4 -Параметры отверстий корпуса
гидроблока управления
|
№
отверстия
|
Диаметр
отверстия
|
Резьба
|
Глубина
сверления
|
Номера
соединяемых отверстий
|
|
P
|
6
|
K ¼”
|
16
|
PP
|
|
A
|
6
|
K ¼”
|
24,2
|
AP
|
|
T
|
6
|
K ¼”
|
32
|
TP
|
|
PP
|
6
|
-
|
45
|
P
|
|
BP
|
6
|
-
|
17
|
B
|
|
TP
|
6
|
-
|
28
|
T
|
2.2.6 Определение
потерь давления
.2.6.1 Определение
потерь давления в гидравлических аппаратах
Потери давления
в
гидравлических аппаратах определяются по формуле:
МПа, (94)
где Dро - величина
давления открывания и настройки аппаратов, МПа;
Qmax -
максимальный расход рабочей жидкости через гидроаппаратуру, м3/с;
А и В - коэффициенты апроксимизации
экспериментальной зависимости потерь давления от расхода рабочей жидкости.
Величина DРо для обратных
клапанов приводится в справочнике [24,с.100]. Для напорных, редукционных и
переливных клапанов величина DРо выбирается при расчете
гидравлического двигателя и насосной установки.
Для распределителей, фильтров и дросселей
значение Dро=0.
Коэффициенты А и В определяются по формулам:
МПа× с / м3, (95)
МПа× с 2/ м6, (96)
Расчёт потери в фильтре:
DРо=0; Qном=15,5л/мин;
Qном=0,00026м3/с; DРном=0,08
МПа; Qмах=5,3 л/мин; Qмах
= 0,00009 м3/с.
МПа× с / м3,
МПа× с2 / м6,
МПа
Расчёт потери в обратном клапане:
DРо = 0,05 МПа; Qном
= 32 л/мин; Qном = 0,00053 м3 /
с; DРном
= 0,3 МПа;
Qмах = 3,6 л/мин; Qмах
= 0,00006 м3/с
МПа× с / м3,
МПа× с2 / м6,
МПа
Расчёт потери в дросселе:
DРо = 0; Qном
= 63 л/мин; Qном = 0,00105 м3 /
с; DРном
= 0,25 МПа; Qмах = 3,6 л/мин; Qмах
= 0,00006 м3/с.
А = 0,25 - 0 / 2×
0,00105 = 119,04 МПа× с / м3
В = 0,25 - 0 / 2×
0,001052 = 113378,7 МПа× с2 / м6
Dрга = 0 + 119,04×
0,00006 + 113378,7× 0,000062 = 0,008 МПа
Расчёт потери в гидравлическом распределителе: DРо=0;
Qном=12,5 л/мин; Qном=0,00021м3
/с; DРном
= 0,3 МПа; Qмах = 3,6 л/мин; Qмах=
0,00006 м3/с.
А = 0,3 - 0 / 2×
0,00021 = 714,29 МПа× с / м3
В = 0,3 - 0 / 2×
0,000212 = 3401360,5 МПа× с2 / м6
Dрга = 0 + 714,29×
0,00006 + 3401360,5× 0,000062 = 0,055 МПа
Расчёт потери в теплообменнике: DРо
= 0; Qном = 35 л/мин; Qном
= 0,00058м3 / с; DРном = 0,2 МПа; Qмах
= 3,6 л/мин; Qмах = 0,00006 м3/с
А = 0,2 - 0 / 2×
0,00058 = 172,4 МПа× с / м3
В = 0,2 - 0 / 2×
0,000582 = 297265,2 МПа× с2 / м6
Dрга = 0 + 172,4×
0,00006 + 297265,2× 0,000062 = 0,0114 МПа
Расчет значений потерь давления в гидравлических
аппаратах представлен в таблице 5.
Таблица 5- Проверка давления во всех
гидроаппаратах
|
Наименование
и модель гидроаппарата
|
DRо, МПа
|
А,
МПа×с/м3
|
В,
МПа×с2/м6
|
Этап
цикла
|
Qmax, м3/с
|
DRга, МПа
|
|
Фильтр
1ФГМ32-5
|
0
|
153,8
|
591716
|
Подвод
отвод
|
0,00009
|
0,019
|
|
Обратный
гидроклапан МКОВ 16/3
|
0,05
|
235,8
|
444998,2
|
Подвод
отвод
|
0,00006
|
0,066
|
|
Дроссель
МДВ-16/3 В 2Р УХЛ4
|
0
|
119,04
|
113378,7
|
Подвод
отвод
|
0,00006
|
0,058
|
|
Гидрораспределитель
ВМР6 64А УХЛ4
|
0
|
714,29
|
3401360,5
|
Подвод
отвод
|
0,00006
|
0,055
|
|
Теплообменник
Г44-23
|
0
|
172,4
|
297665
|
Подвод
отвод
|
0,00006
|
0,0114
|
Потери давления в напорной линий Dрга.н
= 0,198 МПа.
Потери давления в сливной линий Dрга.с.
= 0,0664 МПа.
.2.6.2 Определение
потерь давления в трубопроводах
.2.6.2.1 Потери
давления по длине
В результате течения рабочей жидкости по
трубопроводу, возникают потери давления по его длине.
Потери вызваны вязким трением рабочей жидкости
при ее течении в трубопроводе.
Значительное влияние на значение этих потерь
оказывает режим течения рабочей жидкости.
Выделяют два режима течения: ламинарный и
турбулентный. При этом переход из одного режима в другой (переходный)
происходит при критическом значении числа Рейнольдса (Rекр).
Определяем для каждого трубопровода значение
числа Рейнольдса, Rе:
(97)
где Rei
-
критерии Рейнольда для i-го
участка трубопровода;
Qi - расход
рабочей жидкости i-го участка
трубопровода;
di -
внутренний диаметр i-го участка
трубопровода;
v -
кинематическая вязкость масла, мм2/с.
В качестве рабочей жидкости выбираем
минеральное масло ИГП-30 ГОСТ ТУ 38101413-78 классом вязкости по ISO 3448-68,
группа по ISO6743/4-1981-НМ.
Масло обладает антикоррозионными, антиокислительными и противоизносными
свойствами, вязкость
, плотность
. Для
гладких круглых труб, а так же для отверстий в корпусе гидроблока управления
значение критического числа Рейнольдса Rекр=2300,
для рукавов Rекр =1600.
Для определения потерь давления трубопроводы разбиваются на участки одинакового
диаметра и расхода рабочей жидкости.
Потери давления Δрi
на вязкое трение составят:
МПа, (98)
где к - значение коэффициента гидравлического
трения на i-м участке, при ламинарном режиме к = 0,62, при турбулентном режиме
к = 7,85,
L
i - длина участка
трубопровода на i-м участке, м;
Q
i - расход рабочей
жидкости i-го участка
трубопровода, м3/с;
di -
внутренний диаметр i-го участка
трубопровода, м.
Расчет выполняем для подвода погрузчика.
Участок 1-2:
МПа,
,
<2300
Режим течения ламинарный. Для
остальных участков трубопровода расчет производим аналогично. Результаты
расчетов представлены в таблице 6.
Таблица 6 -Потери давления по длине
|
Этап
цикла
|
Линия
|
Qmax, м3/с
|
Учас-ток
|
dст, м
|
fст, м2
|
U, м/с
|
Rei
|
Li, м
|
ΔPi, МПа
|
ΔPl, МПа
|
|
Подвод
погрузчика
|
Н
|
9×10-5
|
3-6
|
0,006
|
2,8×10-5
|
3,21
|
624
|
0,5
|
0,038
|
0,124
|
|
Н
|
6×10-5
|
7-12
|
0,006
|
2,8×10-5
|
2,14
|
424
|
0,4
|
0,021
|
|
|
Н
|
6×10-5
|
13-14
|
0,008
|
5
×10-5
|
1,2
|
318
|
4
|
0,065
|
|
|
С
|
6×10-5
|
0,008
|
5
×10-5
|
1,2
|
318
|
4
|
0,065
|
0,081
|
|
С
|
6×10-5
|
17-21
|
0,008
|
5
×10-5
|
1,2
|
318
|
1
|
0,016
|
|
Потери
давления на длине напорного трубопровода DРlн=0,124
МПа. Потери давления на длине сливного трубопровода DРlc=0,081
МПа.
2.2.6.2.2 Местные потери
давления
Местные потери давления DРм
в трубопроводе учитывают потери в различных местных сопротивлениях и
определяются по формуле:
, МПа, (99)
гдеQ
i - расход рабочей
жидкости i-го участка
трубопровода, м3/с;
di -
внутренний диаметр i-го участка
трубопровода, м;
ån -
количество однотипных местных сопротивлений;
xI
- коэффициент i -го местного
сопротивления.
Расчет выполняем для подвода погрузчика.
Участок 1-2: вход в трубу
=0,5, изгиб
трубы r=5d
=0,5, резкое
сужение
=0,5.
МПа
Для остальных местных сопротивлений
расчет выполняем аналогично.
Результаты расчетов представлены в таблице
7.
Таблица 7 - Результаты расчета
местных сопротивлений
|
Этап
цикла
|
Линия
|
Qmax,л/мин
|
Участок
|
D,мм
|
Вид
местного сопротивления
|
Количество
|
 ΔPмj, МПа
|
ΔPм, МПа
|
|
|
|
Подвод
погрузчика
|
ВС
|
5,3
|
1-2
|
10
|
вход
в трубу Ø10
|
1
|
0,5
|
0,5
|
0,0003
|
0,00951
|
|
|
|
|
|
изгиб
трубы на 900
|
1
|
0,5
|
0,5
|
0,0003
|
|
|
|
|
|
|
резкое
расширение Ø10/Ø18
|
1
|
0,6
|
0,6
|
0,00035
|
|
|
Н
|
5,3
|
3-6
|
6
|
резкое
сужение Ø14/Ø6
|
1
|
0,5
|
0,5
|
0,0023
|
|
|
|
|
|
|
тройник
на проход Ø6/Ø6/Ø6 ┤↑
|
1
|
0,3
|
0,3
|
0,0014
|
|
|
Н
|
3,6
|
7-12
|
6
|
тройник
на проход Ø6/Ø6/Ø6 ┤↑
|
1
|
0,1
|
0,3
|
0,00063
|
|
|
|
|
|
|
изгиб
трубы на 900
|
2
|
0,5
|
1
|
0,0021
|
|
|
Н
|
3,6
|
13-14
|
8
|
резкое
расширение Ø6/Ø8
|
1
|
0,6
|
0,6
|
0,0004
|
|
|
|
|
|
|
изгиб
трубы на 900
|
4
|
0,5
|
2
|
0,00133
|
|
|
|
|
|
|
резкое
расширение Ø8/Ø18
|
1
|
0,6
|
0,6
|
0,0004
|
|
|
С
|
3,6
|
15-16
|
8
|
резкое
сужение Ø18/Ø8
|
1
|
0,5
|
0,5
|
0,0003
|
0,0046
|
|
|
|
|
|
изгиб
трубы на 900
|
4
|
0,5
|
2
|
0,0013
|
|
|
|
|
|
|
резкое
сужение Ø8/Ø6
|
1
|
0,5
|
0,5
|
0,0003
|
|
|
С
|
3,6
|
17-21
|
8
|
резкое
расширение Ø8/Ø18
|
1
|
0,6
|
0,6
|
0,0004
|
|
|
|
|
|
|
изгиб
трубы на 900
|
2
|
0,5
|
1
|
0,00067
|
|
|
|
|
|
|
резкое
сужение Ø18/Ø8
|
1
|
0,5
|
0,5
|
0,0003
|
|
|
|
|
|
|
выход
в ёмкость
|
1
|
2
|
2
|
0,00133
|
|
Потери давления от местного сопротивления
составят в напорном трубопроводе D РМН = 0,00951 МПа,
в сливном - D РМС = 0,0046 МПа.
По результатам расчетов значений потерь давления
в гидравлических аппаратах, значений потерь по длине, местных потерь
рассчитываются суммарные потери в напорной и сливной линиях трубопроводов.
Результаты представлены в таблице 8.
Таблица 8- Суммарные потери давления
|
Линия
|
Этап
цикла
|
, МПа , МПа , МПа Σ, МПа
|
|
|
|
|
Н
|
П
|
0,198
|
0,124
|
0,00951
|
0,3315
|
|
С
|
П
|
0,0664
|
0,081
|
0,0046
|
0,152
|
По полученным значениям уточняем расчет насосной
установки по давлению:
,МПа, (100)
МПа,
МПа > 6,6315 МПа
Выбранная насосная установка соответствует
заданной схеме.
Таким образом, при выполнении выше приведенных
расчетов был полностью разработан гидропривод механизма передвижения погрузчика
сульфата - аммония в железнодорожные вагоны производительностью 50 т/час.
Исполнительным гидравлическим двигателем является гидромотор.
В результате составления принципиальной схемы
гидропривода определен расход рабочей жидкости, значение которого составило при
передвижении погрузчика Qmax=6·10-5
м3/c= 3,6 л/мин.
По величине расхода рабочей жидкости подобраны
гидроаппараты и значения диаметров трубопроводов. Далее определены потери
давления в гидроаппаратах, потери по длине, местные потери давления. Расчет
произведен для закрытия шибера.
Суммарные потери давления в трубопроводе
составили ΔPΣ=
0,4835 МПа. В том числе в напорной линии ΔPН
= 0,3315 МПа.
По найденному значению уточнен расчет
необходимой насосной установки PНтреб=
6,6315 МПа.
3. ТЕХНОЛОГИЧЕСКАЯ ЧАСТЬ
3.1 Технологическое
проектирование процесса изготовления «корпуса подшипника»
.1.1 Описание
конструкции и назначения «корпуса подшипника»
Деталь «Корпус подшипника» - это фасонное
изделие из серого чугуна, содержащее отверстие для запрессовки подшипника
качения по наружному кольцу и элемента крепления корпуса к какой либо раме.
Т.е. деталь служит опорой для валов и вращающихся осей с насаженными на них
подшипниками качения и позволяет сохранить заданное положение оси вращения
вала.
Выбираем подшипник опоры вала приводного
барабана. В соответствии с ГОСТ 3189 - 89 подшипник с номером 3514
характеризуется следующими размерами: внутренним диаметром подшипника d1
= 70 мм; диаметром наружного кольца D
= 125 мм; шириной подшипника В = 31 мм.
По значению диаметра наружного кольца D
= 125 мм в ГОСТ 2701 - 71 для данного подшипника подбираем деталь ''корпус
подшипника'' не разъёмного исполнения рисунке 11.
По сложности деталь относится к группе 2, как
деталь, сочетающая простые геометрические тела, плоские, круглые и
полусферические, открытой коробчатой формы. Наружные поверхности плоские и
криволинейные с наличием ребер, буртов, кронштейнов, бобышек и углублений
простой конфигурации. Внутренние полости простые, большой протяжённости.
Деталь не подвергается ударным нагрузкам,
действию растяжения и изгиба, работает при повышенных статических и
динамических нагрузках.
Материал который следует использовать при
изготовлении изделия - серый чугун СЧ 20. Чугун данной марки обладает следующими
свойствами: износостойкость, хорошие литейные свойства, легко поддается
обработке металлорежущим инструментом.
Отверстие размером Æ125Н7
относится к наиболее сложной для обработки, точной и ответственной поверхностью
подшипника. Шероховатость поверхности в отверстии Æ125
- Ra1,25. Точность Н7 -
7 квалитет, допуск Æ125+0,04.
Рисунок 11 - Корпус подшипника
3.1.2 Анализ
технологичности конструкции
Производство конструкции фасонной детали
''Корпус подшипника'' возможно в исполнении цельной (неразъемной) или разъёмной
конструкции. Выбираем для нашей конструкции неразъёмное исполнение. Такая
конструкция имеет следующие характеристики:
плюсы: простота конструкции, высокая прочность,
низкие затраты на производство заготовки и снижение времени на обработку
резанием;
минусы: увеличение времени на монтаж вала в
опору, восстановление размеров при помощи установки втулки.
В рассматриваемой детали в качестве материала
изготовления заложен серый чугун СЧ 20 - этот чугун наиболее дешёвый из всего
перечня материалов, используемых для изготовления корпусов подшипников, поэтому
применение другого материала (сталь, цветные металлы) приведёт к удорожанию
изделия.
Уменьшение припусков на механическую обработку.
Деталь данной формы чаще всего изготавливается
путём отливки заготовки.
Уменьшения припусков можно добиться
использованием различных способов изготовления отливки.
При выборе способа необходимо руководствоваться
несколькими факторами:
технико-экономические показатели: стоимость
изготовления отливки и детали, коэффициент использования материала;
сложность конструкции и наличие различных
элементов в ней;
стоимость оборудования и технологической
оснастки;
серийность производства.
Учитывая требования на поставку детали ''Корпус
подшипника'' и потребность в таких изделиях различных потребителей 30000 шт/год
выбираем среднесерийное производство.
Для среднесерийного производства характерными
являются два способа литья:
- в песчаные формы;
по выплавляемым моделям.
Наиболее экономически выгодным является первый
способ получения отливок, так как он значительно дешевле, но точность
изготовления снижается.
В машиностроении применяют три основных вида
заготовок: отливки (чугунные, стальные, цветных металлов), поковки и штамповки;
прокат стали и цветных металлов.
Для нашего случая определили, что деталь
целесообразно изготавливать из чугуна СЧ 20 способом отливки.
Отливки из чугуна по себестоимости изготовления
значительно дешевле, чем поковки и штамповки; хорошая жидкотекучесть чугуна и
способность к образованию малой усадочной раковины позволяет получать
высококачественные отливки.
В качестве метода изготовления отливки в
среднесерийном производстве выберем способ отливки в песчаные формы.
После выбора способа получения
заготовки определяем для среднесерийного производства класс точности
изготовления отливок.
Для нашей детали, учитывая
геометрическую форму и сложность конструкции, принимаем отливки 2 класса
точности.
Определяем допускаемые отклонения
для размеров (таблица 9).
Таблица 9 -Допускаемые отклонения
|
Поверхность,
№
|
Размер
|
Припуск,
мкм
|
Допуск,
мкм (предельные отклонения размеров заготовки)
|
|
|
табличный
|
расчетный
|
|
|
1
|
5±1,5
|
|
|
|
|
2,3
|
4,5±0,8
|
|
|
|
|
4
|
6±1,5
|
|
|
|
|
5,6
|
4,5±0,5
|
|
|
|
|
7
|
-------
|
|
|
|
|
8
|
5+2±1
|
|
|
|
|
9
|
---------
|
|
|
|
Припуски на механическую обработку и допускаемые
отклонения по размерам отливок даны по 2 классу точности ГОСТ 1855 - 55.
Допуски на линейные размеры даны согласно
стандарту СЭВ 302-76. Произведем расчет припуска размера Æ125Н7,
как самого сложно обрабатываемого элемента, по методу профессора Кована.
Материал СЧ20 , вид обработки внутренней
поверхности - растачивание.
Рассчитываем припуски на обработку детали по
формуле:
мкм, (101)
где Rz
i-1 - шероховатость
поверхности после предшествующей обработки, мкм;
Ti-1 - глубина
дефектного слоя после предшествующей обработки, мкм;
ρi-1
- пространственное отклонение предшествующей обработки, мкм;
ei - погрешность
установки.
Для отливок в песчаные формы 2
класса точности: для заготовки Rz
= 250 мкм и Т = 300 мкм, при черновом точении - Rz
= 150 мкм.
Определяем суммарное значение пространственного
отклонения отлитой заготовки:
мкм, (102)
где ρкор
- коробление отверстий, которое учитывается как в осевом так и в диаметральном
сечении.
мкм, (103)
где
ρк - удельная
коробление отливок, ρк = 0,7
мкм/мм;- диаметр обрабатываемого отверстия, d = 125 мм;
l - глубина отверстия, l=90 мм.
мкм
ρсм - точность
расположения базовых поверхностей. Так как при обработке базовой поверхности
''1'' базой служила внешняя поверхность, то суммарное смещение отверстия Æ125Н7
в отливке представляет геометрическую сумму в двух взаимно-перпендикулярных
плоскостях.
Точность расположения базовых поверхностей
определяется:
, мкм, (104)
где dА , dБ
- допуски на размеры А и Б по классу точности, соответствующему данной отливки
(2 класс). Устанавливаем dА (100) = ±1,5
мм = 1500 мкм, dБ (140) = ±1,5
мм = 1500 мкм.
мкм
Суммарное отклонение заготовки
составляет:
мкм
Определяем остаточное пространственное
отклонение после чернового точения:
, мкм, (105)
мкм
Определим погрешность установки при черновом
растачивании:
, мкм, (106)
где eб - погрешность
базирования заготовки, в рассматриваемом случае погрешность не учитываем, так
как заготовку выставляем по индикатору;
eзак - погрешность закрепления заготовки,
принимаем eзак = 120 мкм.
мкм
Остаточная погрешность
установки при чистовом растачивании:
, мкм, (107)
где eинд = 0, так как
черновое и чистовое растачивание производится за одну установку.
мкм
Определяем минимальные припуски на
обработку детали (растачивание):
черновое:
мкм
чистовое:
мкм
Определяем расчётные размеры для изготовления
детали:
готовый 12,04 мм;
для чернового растачивания:
dР1 = 125,05 - 0,406
= 124,634 мм
для заготовки:
dР3 = 124,634 - 3,244
= 121,39 мм
Определим значения допусков по каждому переходу.
Допуски по каждому переходу принимаем по
таблицам учитывая квалитет того или иного вида обработки детали:
- для чистового растачивания d
= 0,04 мм = 40 мкм;
для чернового точения d2
= 1000 мкм;
допуск на отверстие в отливке 2 класса по ГОСТ
1855-55 dЗ=
4000 мкм.
Рассчитаем предельные размеры:
для чистового растачивания
dmax2 = 125,04
мм; dmin2 = 125 мм.
для чернового растачивания
dmax1 = 124,634 мм;=
dmax1- d2
= 124,634-1=123,634 мм.
- для заготовки
dmax3 = dр3=121,39
мм;
dminЗ = dmaxЗ-
d3=121,39
- 4 = 117,39 мм.
Рассчитаем фактические максимальные и
минимальные припуски:
, мкм (108)
, мкм (109)
для чистового растачивания:
мм=406 мкм
мм=1,366 мкм
для чернового растачивания:
мм=3244 мкм
мм=6244мкм
Рассчитаем общие припуски на
обработку:
, мкм, (110)
мкм,
, мкм, (111)
мкм,
Определим номинальный припуск и
диаметр заготовки:
, мкм, (112)
мкм=5,61 мм
, мм, (113)
мм
Проведём проверку правильности
расчетов по формуле:
, мкм, (114)
-3650=4000-40,
=0
Расчеты выполнены правильно.
Систематизируем полученные данные при помощи
таблицы 10.
Таблица 10 - Расчет припусков и допусков на
обработку отверстия Ø125Н7
|
Технологические
переходы обработки поверхности 120Н7
|
Элементы
припуска, мкм
|
Расчетный
минимальный припуск 2·Z, мкм
|
Расчетный
размер dp , мм
|
Допуск
, мкм
|
Предельный
размер, мм
|
Предельные
значения припусков, мм
|
|
.
|
|
|
|
|
|
|
Rz
|
T
|
P
|
δ
|
|
|
|
dmin
|
dmax
|
2Z min
|
2Zmax
|
|
|
|
|
|
|
|
|
|
|
|
|
|
Заготовка
|
250
|
300
|
1065
|
|
|
121,39
|
4000
|
117,39
|
121,39
|
|
|
|
Растачивание
черновое
|
150
|
|
53
|
2·1622
|
124,634
|
1000
|
123,63
|
124,63
|
3244
|
6244
|
|
Растачивание
чистовое
|
25
|
|
|
6
|
2·203
|
125,04
|
40
|
125
|
125,04
|
406
|
1366
|
|
Итого
|
|
|
|
|
|
|
|
|
|
3650
|
7610
|
Составление плана (маршрута) изготовления детали.
Для изготовления детали «корпус подшипника»
выделяем следующие операции:
изготовление заготовки;
разметочная;
станочная;
слесарная.
Строим схему графического расположения припусков
и допусков на обработку отверстия Æ125Н7 (рисунок 12).
Рисунок 12 - Графическое расположение припусков
и допусков на обработку отверстия
Для обработки детали нам необходимы только три
последние операции.
На стадии обработки на станках потребуются
следующие технологические операции:
фрезерование;
растачивание;
сверление;
нарезание резьбы.
3.1.3 Выбор типового
оборудования и типовых универсальных приспособлений
Серийное производство характеризуется
ограниченной номенклатурой изделий, изготовляемых периодически повторяющимися
партиями.
При серийном производстве используются
универсальные станки, специализированные станки, оснащенные как специальными
приспособлениями, так и универсальными и унифицированными приспособлениями.
Для обработки детали выберем следующие станки.
Токарный станок модели 16К20Ф3С5 (с
ЧПУ)
Техническая характеристика станка:
Стойка типа Н22-IМ
Значения размеров обрабатываемой детали:
диаметр величиной 500 мм,
длина величиной 1000 мм.
Размер рабочего стола, мм: 1620×1200.
Частота вращения шпинделя, об/мин: 12,5-2000.
Подача, мм/мин: 0,3-2000.
Мощность главного привода станка, кВт: 22.
Фрезерно-центровальный полуавтомат модели
2983Ф2.
Техническая характеристика станка:
Размеры обрабатываемой детали:
диаметр до 250мм,
длина 10-800 мм.
Размер рабочего стола, мм: 900×1100.
Частота вращения шпинделя, об/мин: 100-2000.
Подача, мм/мин: 0,05-10.
Мощность станка, кВт: 25.
Вертикально-сверлильный станок полуавтомат
модели 2Р115К.
Техническая характеристика станка:
Размеры обрабатываемого отверстия:
диаметр до 34 мм,
нарезаемая резьба до М24,
длина до 360 мм.
Размер рабочего стола, мм: 700×910.
Частота вращения шпинделя, об/мин: 16-2000.
Мощность главного привода станка, кВт: 4,7.
Типовые универсальные приспособления:
прихваты 7011-0165 ГОСТ 12940-67;
болты 7002 - 2604 ГОСТ 13152 - 67;
оправка 6222-0040 ГОСТ 13785-68.
3.1.4 Составление
маршрутной и операционной карты
По полученным данным составим маршрутную карту
обработки детали ''Корпус подшипника'' (таблица 11) и маршрутно-операционная
карту обработки детали (таблица 12).
Таблица 11 - Маршрутная
технологическая карта
|
Номер
операции
|
Название
операции
|
Используемое
оборудование
|
|
1
|
2
|
3
|
|
0001
|
Разметочная
|
Измерительный
инструмент
|
|
0002
|
Фрезерно-центровальная
|
Фрезерно-центровальный
полуавтомат модели 2983Ф2
|
|
0003
|
Токарно-расточная
|
Токарный
станок с числовым программным управлением 16К20Ф3С5.
|
|
0004
|
Сверлильная
|
Вертикально-сверлильный
полуавтомат модели 2Р115К.
|
|
0005
|
Слесарная
|
Измерительный
инструмент
|
Таблица 12 - Маршрутно-операционная карта
обработки детали «Корпус подшипника»
|
№
|
Операция
|
Содержание
операции
|
Станочное
оборудование
|
Станочное
приспособление
|
Измерительный
инструмент
|
|
5
|
Разметочная
|
Разметить
базовую плоскость в размер 195 Разметить осевые отверстия Ø125Н7
|
----------
|
Прихваты
7011-0165 ГОСТ 12940-67
|
---------
|
|
10
|
Фрезерная
|
Фрезеровать
базовую поверхность в размер 195
|
Фрезерно-центровальный
полуавтомат модели 2983Ф2
|
Фреза
2214-0261 ВКВ ГОСТ 20861-75 Оправка 6222-0040 ГОСТ 13785-68
|
Штангенциркуль
ШЦ-111-400-0.1 ГОСТ166-80
|
|
Переустановка
|
|
|
|
|
|
15
|
Фрезерная
|
Фрезеровать
торец с 1 стороны в размер 280 выдерживать размер 140 относительно оси
отверстия
|
Фрезерно-центровальный
полуавтомат модели 2983Ф2
|
Фреза
2214-0261 ВКВ ГОСТ 20861-75 Оправка 6222-0040 ГОСТ 13785-68
|
Штангенциркуль
ШЦ-111-400-0.1 ГОСТ166-80
|
|
переустановка
|
|
|
|
|
|
20
|
Фрезерная
|
Фрезеровать
с переустановкой платики ''6'' и ''5'' в размер 35 L = 80 мм
|
Фрезерно-центровальный
полуавтомат модели 2983Ф2
|
Фреза
2223-0025 ВКВ ГОСТ 17026-71 Оправка 6222-0040 ГОСТ 13785-68
|
Штангенциркуль
ШЦ-1-125-0.10-1 ГОСТ166-80
|
|
25
|
Фрезерная
|
Фрезеровать
фаску 3×45º
|
Фрезерно-центровальный
полуавтомат модели 2983Ф2
|
Специальная
фреза угловая 90º ГОСТ
21074-75 Оправка 6222-0040 ГОСТ 13785-68
|
Угломер
с нониусом УМ ГОСТ 5378-88
|
|
переустановка
|
|
|
|
|
|
730
|
Токарная
|
Подрезать
торец плоскости ''3''
|
Токарный
станок с числовым программным управлением 16К20Ф3С5
|
Резец
проходной ГОСТ 18879-73 Патрон самоцентрирующийся трехкулачковый 7100 - 0162
ГОСТ 2675-80
|
Штангенциркуль
ШЦ-111-400-0.1 ГОСТ166-80
|
|
35
|
Токарная
|
Расточить
отверстие Ø125Н7
|
Токарный
станок с числовым программным управлением 16К20Ф3С5
|
Резец
2100-0409 ВК6 ГОСТ 18878 - 73 Патрон самоцентрирующийся трехкулачковый 7100 -
0162 ГОСТ 2675-80
|
Нутрометр
НМ 175 ГОСТ 4502-75
|
|
40
|
Токарная
|
Расточить
фаску 3×45º
|
Токарный
станок с числовым программным управлением 16К20Ф3С5
|
Резец
расточной К02-567-000 ГОСТ 18883-73 Патрон трехкулачковый 7100 - 0162 ГОСТ
2675 - 80
|
Угломер
с нонисусом УН ГОСТ 5378-88
|
|
Переустановка
|
|
|
|
|
|
45
|
Токарная
|
Подрезать
торец плоскости ''2''
|
Токарный
станок с числовым программным управлением 16К20Ф3С5
|
Резец
проходной ГОСТ 18879-73 Патрон трехкулачковый 7100 - 0162 ГОСТ 2675 - 80
|
Штангенциркуль
ШЦ-111-400-0.1 ГОСТ166-80
|
|
50
|
Токарная
|
Расточить
фаску 3×45º
|
Токарный
станок с числовым программным управлением 16К20Ф3С5
|
Резец
расточной К02-567-000 ГОСТ 18883-73 Патрон трехкулачковый 7100 - 0162 ГОСТ
2675 - 80
|
Угломер
с нониусом УН ГОСТ 5378-88
|
|
Переустановка
|
|
|
|
|
|
55
|
Сверлильная
|
Сверлить
2 сквозных отверстия Æ8 мм
|
Вертикально-сверлильный
полуавтомат модели 2Р115К.
|
Сверло
2301-0076 ГОСТ 10903-77 Втулка 6100-0143 ГОСТ 13598-85 Прихваты 7011-0165
ГОСТ 12940-67
|
Калибр-пробка
ГОСТ 14827-69 Штангенциркуль ШЦ-1-125-0.10-1 ГОСТ166-80
|
|
60
|
Сверлильная
|
Цековать
площадку Æ.30 мм
|
Вертикально-сверлильный
полуавтомат модели 2Р115К.
|
Сверло
2607-0102 ГОСТ 10903-77 Втулка 6950-0494 ГОСТ 13598-85 Прихваты 7011-0165
ГОСТ 12940-67
|
Калибр
- пробка ГОСТ 14917 - 69 Штангенциркуль ШЦ 1 125 0.10-1 ГОСТ 166-80
|
|
Переустановка
|
|
|
|
|
|
65
|
Сверлильная
|
Сверлить
8 отверстий Ø6,8
мм
|
Вертикально-сверлильный
полуавтомат модели 2Р115К.
|
Сверло
2301-57 ГОСТ 10903-77 Прихваты 7011-0165 ГОСТ 12940-67
|
Калибр-пробка
ГОСТ 14827-69 Глубиномер микрометрический ГОСТ 7470-78
|
|
70
|
Сверлильная
|
Нарезать
в отверстиях резьбу М8
|
Вертикально-сверлильный
полуавтомат модели 2Р115К.
|
Метчик
2581-0112 ГОСТ 6150-80 Прихваты 7011-0165 ГОСТ 12940-67
|
Калибр-пробка
резьбовая ГОСТ 17756-72
|
|
80
|
Слесарная
|
Контроль
окончательный.
|
|
|
|
|
|
|
|
|
|
|
3.1.5 Предварительное
нормирование времени операции
Предварительно определим время затрачиваемое на
обработку детали механизмом под наблюдением рабочего (машинное время) по
формуле:
ТМ = k×L×B×D,
мин, (115)
где ТМ - машинное время, мин;
K - коэффициент,
зависящий от наименования операции;
L, B
, D - обрабатываемый
размер детали, мм.
Подрезание торцов поверхности ''2'' и ''3'' в
размер 90:
Черновое:
ТМ = 0,0000224×(1902
-1202)×2=
0,911 мин
Чистовое:
ТМ =0,000011×(1902
-1252)×2
= 0,451 мин
Растачивание отверстия Æ125Н7,
поверхность ''8'':
ТМ =0,000134×125×90
= 1,508 мин
Фрезерование поверхности ''1'' в размер 195:
ТМ =0,0059×280=1,681 мин
Фрезерование поверхности ''4'' в размер 280:
ТМ =0,0059× 80 =0,472 мин
Фрезерование фаски 3´45°:
ТМ =0,00666×80 = 0,399 мин
Фрезерование поверхности ''6'' и ''5'' в размер
35:
ТМ =0,00666×80×2
=1,066 мин
Сверление отверстия Æ18
мм:
ТМ =0,00056×18×35×2
= 0,706 мин
Сверление отверстия Æ16
мм:
ТМ =0,00056×16×32,5=0,291
мин
Нарезание резьбы конической 1/4”:
ТМ =0,000319×16×12
= 0,101 мин
Сверление отверстия Æ
6,8 мм:
ТМ =0,00056×6,8×15×8
= 0,527 мин
Нарезание резьбы М8:
ТМ =0,000319×8×15×8
= 0,455 мин
Суммарное время на обработку детали SТМ
= 10,058 мин.
Операционное технологическое проектирование.
Для полученных данных о переходах и условиях
обработки детали осуществим технологическое проектирование, т.е. определим
основные параметры технологии, организации и времени на обработку детали.
1 Выбор типа и формы организации производства.
Выбираю среднесерийный вид производства. Так как производство среднесерийное,
то форму организации работы выберем ''по ходу технологического процесса''. Для
нашего постоянно-поточного производства станки следует расположить в порядке
выполнения операций таким образом, чтобы не было возвратных движений.
2 Выбор состава технологических переходов
(данные в таблице технологических переходов, выбора режущего инструмента и
режимов резания) и рассмотрим схемы установки детали при операциях.
3 Выбор режущих инструментов (данные в таблице
технологических переходов, выбора режущего инструмента и режимов резания).
Выбор схемы базирования детали (данные
представлены в графическом материале на листе А1).
5 Выбор режимов резания (t,
S, V).
Результаты выбора схем базирования, режущего
инструмента и результаты расчетов представлены в графическом материале.
В качестве примера рассмотрим расчет режимов
резания при производстве одной операции:
Операция 3. Установка “А”. Переход 1.
Протачивание торца поверхности ''3''.
Черновой проход.
Глубина резания t=2,5
мм, подача S=1,4 мм/об,
скорость движения V= =147
м/мин.
Определяем частоту вращения:
(116)
об/мин
По паспорту выбираем ближайшее
значение n= 160
об/мин.
Подсчитаем действительную скорость
резания:
(117)
Чистовой проход.
Глубина резания t = 0,5 мм,
подача S = 0,8
мм/об, скорость движения V = 192 м/мин.
об/мин
По паспорту выбираем ближайшее
значение n= 200
об/мин.
Уточнённое нормирование время операций:
операция разметочная;
операция обработки на токарном станке.
В серийном производстве определяется значение
нормы штучно-калькуляционного времени:
(118)
где ТП - З - подготовительно-заключительное
время - время затрачиваемое на подготовку и наладку станка для обработки данной
партии деталей, получение необходимой технологической оснастки и документации;
а также на сдачу обработанных деталей, документации и оснастки;
n - число
обрабатываемых деталей в партии, шт.
Число обрабатываемых деталей в партии
определяется по формуле:
(119)
где N
- годовая программа выпуска деталей, N
= 30000 шт/год;
а - периодичность запуска в днях (рекомендуется
следующая периодичность запуска изделий: 3,6,12,24).
шт
Штучное время определяется по формуле:
ТШ = ТО + ТВ + ТОРГ , мин, (120)
где ТОРГ - время на обслуживание, на отдых и
естественные надобности, мин;
ТО - основное время обработки, мин;
ТВ - вспомогательное время обработки, мин.
Определим время затрачиваемое непосредственно на
измерение размера и формы заготовки ТО (основное время):
, мин, (121)
где L
- полный путь, проходящий инструментом при обработке детали во время выполнения
операции, мм.
Полный путь определяется по формуле:
L = LP
+ l1 + l2
+ l3 ,мм, (122)
где LP
- длина резания, мм;
l1 -длина подвода
режущего инструмента к обрабатываемой детали «корпус подшипника», мм;
l2 - длина врезания
инструмента, мм;
l3 - длина перебега
режущего инструмента, мм;
i - количество
проходов;
S - подача, мм/об;
n - число оборотов
шпинделя станка, об/мин.
Вспомогательное время определяется по формуле:
ТВ = (ТУС + ТЗО + ТУП + ТИЗ)×
k , мин, (123)
где ТУС - время на установку и снятие корпуса
подшипника, мин;
ТЗО - время на закрепление и открепление корпуса
подшипника, мин;
ТУП - время на приемы управления, мин;
ТИЗ - время на измерение корпуса подшипника,
k - поправочный
коэффициент, для серийного производства и количества деталей в партии более 300
шт, k= 1,15.
В серийном производстве величина времени на
обслуживание рабочего места, отдых и естественные надобности устанавливается в
% к оперативному времени. В нашем случае 8%.
Оперативное время определяется по формуле:
ТОПЕР = ТО + ТВ, мин, (124)
Организационное время определяется по формуле:
ТОРГ = 0,08× ТОПЕР , мин, (125)
Рассчитаем нормы времени для каждой операции.
На примере одной из операций все параметры
рассчитаем подробнее, для остальных приведём только необходимые расчёты. В
качестве примера возьмем операцию фрезерования поверхности ''1'' в размер 195.
Операция 2. Установка «А».Переход 1.
Фрезерование поверхности ''1''в размер 195.
Длина резания LР
= 280 мм.
длина подвода l1
= 5 мм; длина врезания l2
= 5 мм;
длина перебега l3
= 120 мм;
Тогда, L
= 280 + 5 + 5 + 120 = 410 мм.
Следовательно, основное время операции равно:
мин
ТУС = 1,55 мин; ТЗО=0,235 мин;
ТУП=0,28 мин; ТИЗ = 0,2 мин.
Определим вспомогательное время:
ТВ = (1,55 + 0,235 + 0,28 + 0,2)×1,15=2,6 мин
Таким образом, можно определить
оперативное время:
ТОПЕР =2,6 + 4,1=6,7 мин
Определяем время на отдых:
ТОРГ = 0,08×6,7 = 0,536
мин
Находим штучное время:
ТШ =4,1 + 2,6 + 0,536 = 7,236 мин
Определим общее время на обработку
одной заготовки:
7,29 мин
Для остальных операций время
затрачиваемое на обработку определяется аналогично.
Общее время необходимое для изготовления детали
«корпус подшипника» Тобщ = 119,739 мин.
3.1.6 Программа
обработки детали на токарном станке
На основе полученных данных о режимах резания
составим программу обработки отдельных элементов детали на токарном станке
модели 16К20ФЗС5 с устройством ЧПУ (стойка типа Н22 - IМ).
Установ А
% ''нуль'' 106 от 159 от оси шпинделя
№ 001 G27 S 046 M 104 T101
№ 002 G58 Z + 000000 F 70000
№ 003 X + 000000
№ 004 G26
№ 005 G10 F 10200 L 31
№ 006 X
- 002000 F 10600
№ 007 Z
- 001250
№ 008 X
- 029800 F 10250 (при S
= 1,4 мм/об; n = 180 об/мин)
черновая подрезка торца
№ 009 X
+ 031800 F 10600
№ 010 Z
+ 001250 F 70000
№ 011 G
40 F 10200 L
31
№ 012 T
102
№ 013 G
26
№ 014 G
10 F 10200 L
32
№ 015 X
- 002000 F 10600
№ 016 Z
- 001300
№ 017 X
- 029800 F 10160 (S
= 0,5мм/об; n = 200об/мин)
чистовая подрезка торца
№ 018 X
+ 031800 F 10600
№ 019 Z
+ 001300 F 70000
№ 020 G
40 F 10200 L
32
№ 021 T
103
№ 022 G
26
№ 023 G
10 F 10200 L
33
№ 024 X
- 019400 F 10600
№ 025 Z
- 000800
№ 026 Z
- 009800 F 10140 (при S
= 0,25мм/об; n = 560об/мин)
черновое растачивание отверстия
№ 028 X
+ 019400 F 10600
№ 029 G
40 F 10200 L
33
№ 030 T
104
№ 031 G
26
№ 032 G
10 F 10200 L
34
№ 033 X
- 019300 F 10600
№ 034 Z
- 000800
№ 035 Z
- 009800 F 10100 при S
= 0,15мм/об, n = 710об/мин)
чистовое растачивание отверстия
№ 036 Z
+ 010600 F 70000
№ 037 X
+ 019300 F 10600
№ 038 G
40 F 10200 L
34
№ 039 T
105
№ 040 G
26
№ 041 G
10 F 10200 L
35
№ 042 X
- 019300 F 10600
№ 043 Z
- 001600
№ 044 X
+ 000600 Z + 000300 F
10140
№ 045 X
+ 018700 F 10600
(при S
=0,25мм/об, n = 0об/мин)
снятие фаски
№ 046 Z
+ 001300 F 70000
№ 047 G
40 F 10200
L 35
№ 048 G
25 X + 999999 F
70000
№ 049 M
105
№ 050 G
25 Z + 999999
№ 051 M
002
Установ Б.
% ''нуль'' 106 от 159 от оси шпинделя
№ 001 G27
S 046 M
104 T101
№ 002 G58
Z + 000000 F
70000
№ 003 X
+ 000000
№ 004 G26
№ 005 G10
F 10200 L
31
№ 006 X
- 002000 F 10600
№ 007 Z
- 001250
№ 008 X
- 029800 F 10250 черновая
подрезка торца
№ 009 X
+ 031800 F 10600
№ 010 Z
+ 001250 F 70000
№ 011 G
40 F 10200 L
31
№ 012 T
102
№ 013 G
26
№ 014 G
10 F 10200 L
32
№ 015 X
- 002000 F 10600
№ 016 Z
- 001300
№ 017 X
- 029800 F 10160 чистовая
подрезка торца
№ 018 X
+ 031800 F 10600
№ 019 Z
+ 001300 F 70000
№ 020 G
40 F 10200 L
32
№ 021 T
103
№ 022 G
26
№ 023 G
10 F 10200 L
33
№ 024 X
- 019300 F 10600
№ 025 Z
- 001600
№ 026 Х + 000600 Z
+09800 F 10140
№ 027 Х+ 018700 F
10600 снятие фаски
№ 028 Z+
01300 F 70000
№ 029 G
40 F 10200 L
33
№ 030 G
25 X + 999999 F
70000
№ 031 M
105
№ 032 G
25 Z+999999
№ 033 M
002
Составим сводную таблицу по режимам резания и
программе по обработке детали на токарном станке с ЧПУ (таблица 13).
Таблица 13 -Таблица программы переходов и
режимов резания
|
Инструмент
|
Наименование
перехода
|
t, мм
|
S, мм/об
|
V, м/мин
|
n, об/мин
|
|
Т
101
|
Подрезка
торцов предварительно
|
2,5
|
1,4
|
162,8
|
180
|
|
Т
102
|
Подрезка
торцов окончательно
|
0,5
|
0,8
|
180,9
|
200
|
|
Т
103
|
Расточка
отв. Æ125Н7
предварительно
|
3,5
|
0,25
|
219,8
|
560
|
|
Т
104
|
Расточка
отверстия окончательная.
|
0,5
|
0,15
|
278,7
|
710
|
|
Т
105
|
Снятие
фаски 3´45°
|
3
|
0,25
|
219,8
|
560
|
Составим таблицу перемещения инструментов для
каждого перехода и установок (таблица 14).
Таблица 14 -Таблица перемещений
инструментов
|
Адрес
инструмента
|
№
участка, траектории, знак и величина перемещения
|
|
1
|
2
|
|
Установ
''А''
|
|
Т101
|
1
|
Х
- 10
|
2
|
|
3
|
X-149
|
4
|
X + 159
|
5
|
|
|
|
|
|
Z-12,5
|
|
|
|
|
|
Z +12,5
|
|
Т
102
|
1
|
Х
- 10
|
2
|
|
3
|
X - 149
|
4
|
X + 159
|
5
|
|
|
|
|
|
Z - 13
|
|
|
|
|
|
Z +13
|
|
Т
103
|
1
|
Х
- 97
|
2
|
|
3
|
|
4
|
|
5
|
X + 97
|
|
|
|
|
Z - 8
|
|
Z - 98
|
|
Z +106
|
|
|
|
Т
104
|
1
|
Х
- 96,5
|
2
|
|
3
|
|
4
|
|
5
|
X+96,5
|
|
|
|
|
Z - 8
|
|
Z - 98
|
|
Z +106
|
|
|
|
Т
105
|
1
|
Х
- 96,5
|
2
|
|
3
|
X + 3
|
4
|
X + 93,5
|
5
|
|
|
|
|
|
Z - 16
|
|
Z +3
|
|
|
|
Z +13
|
|
Установ
''Б''
|
|
Т
101
|
1
|
Х
- 10
|
2
|
|
3
|
X -149
|
4
|
X + 159
|
5
|
|
|
|
|
|
Z - 12,5
|
|
|
|
|
|
Z +12,5
|
|
Т
102
|
1
|
Х
- 10
|
2
|
|
3
|
X -149
|
4
|
X + 159
|
5
|
|
|
|
|
|
Z - 13
|
|
|
|
|
|
Z +13
|
|
Т
103
|
1
|
Х-
96,5
|
2
|
|
3
|
X + 3
|
4
|
X+93,5
|
5
|
|
|
|
|
|
Z - 16
|
|
Z +3
|
|
|
|
Z +13
|
Таким образом, при проектировании детали «корпус
подшипника» были рассмотрены вопросы связанные с методами расчетов припусков и
допусков размеров при обработке детали, проектированием и способами обработки
детали и выбором станков и оборудования, инструмента и приспособлений. Были
произведены расчеты размера заготовки, методов обработки, режимов обработки
детали на различных металлорежущих станках и время обработки. На основе
полученных данных была спроектирован техпроцесс обработки детали от получения
заготовки до получения готового продукта.
Данная технология опирается на применение
передовых знаний и новейших технологий в области обработки деталей.
3.2 Расчет и
проектирование червячной фрезы
.2.1
Способы зубообработки
Для нарезания зубьев колёс
применяют такие методы как метод копирования зубьев колес и метод огибания.
Основным методом в производстве
зубчатых колес является метод огибания (обкатки).
С помощью метода обкатки
выполняется образование зубьев следующими способами: холодным и горячим
накатыванием; фрезерованием при помощи червячных фрез; исполнение долбления
зубьев долбяками и строгание зубьев гребёнками.
Существенные плюсы имеет способ
обкатки при нарезании эвольвентных профилей зубьев перед способом копирования,
потому что выполнение операции проходит с использованием одинакового прибора.
Помимо прочего имеют все шансы нарезаться зубчатые колёса с хоть каким числом
зубьев, включая и зубчатые рейки. При помощи этого прибора (кроме долбяков),
можно нарезать как прямые, так и косые зубья.
Операции по методу копирования
зубьев колес выполняется с помощью горизонтально-фрезерных станков с применением
дисковых или пальчиковых фрез. Профиль режущей кромки фрез соответствует
профилю впадин зуба колеса. Также для изготовления открытых венцов с прямыми
зубьями могут использоваться протяжки.
Предварительная и чистовая
обработка червячными фрезами при операции зубофрезерования является основным
способом обработки поверхности зубьев. Применяя червячные фрезы можно
изготовить зубчатые колёса высокой степени точности, например, 5-6 степеней
точности. При выполнении нарезания зубчатых колёс применяют червячные фрезы при
модуле до 5,5 мм -цельные. Если модуль фрезы от 6 мм до 15 мм, то применяют
цельные фрезы и со вставными ножами, а при модуле от 16 мм используют фрезы
только со вставными ножами.
Чистовые однозаходные червячные
фрезы избирают для чистовой отделки прямозубых и косозубых цилиндрических
зубчатых колес с эвольвентным профилем. Червячная фреза, приводимая в
предоставленной работе специализированна для чистовой отделки зубчатых колес,
класса А по ГОСТ 9324-60. Червячная фреза это инструмент с конструктивным
движением обката.
Червячная фреза изготавливаются
на базе червяка, в котором для образования зубьев прорезаны стружечные канавки.
Способ производства зубчатой
втулки является определяющим при отборе профиля вырезки зуба, потому выбор
червячной фрезы в качестве инструмента изготовления зубчатой втулки неслучаен.
При схожем качестве производства профиль зуба колеса может различаться.
При нарезании зубьев колеса
базовыми поверхностями являются поверхность центрального отверстия и торцы
зубчатого венца колеса. Повышению производительности способствует нарезание
зубьев в пакете из 2-х колес и больше.
3.2.2
Выбор конструктивных характеристик фрезы
По справочным сведениям
избираем червячную фрезу всеобщего назначения согласно эталону ГОСТ 9324-80 II
типа, класса точности А, по конструктивному выполнению - фреза целостная для
технологического процесса производства зубчатого колеса с 8-й ступенью
точности. Инструмент используем для чистовой обработки. Фрезу будем
изготавливать на основе архимедова исходного червя. Червяк в осевом сечении
имеет трапециидальный профиль и представляет собой обыкновенный огболт.
Конструкция червяка в торцевом сечении имеет профиль архимедовой спирали.
Ради повышения точности
обрабатываемых деталей угол профиля нарезки чистовых фрез нужно корректировать.
3.2.3
Расчёт червячной фрезы
Задаемся исходными данными
зубчатого колеса: нормальный модуль - 8, диаметр окружности выступов колеса- da=216
мм, диаметр окружности впадин колеса - df=184
мм, делительный диаметр колеса- dw=200мм,
ширина колеса bw=110 мм,
число зубьев - z=25.
Габаритными размерами фрезы
являются: при mn=8 - диаметр
фрезы dao=140 мм,
диаметр отверстия dOTB.=50
мм, количество зубьев фрезы zo=9,
длина фрезы L=180 мм.
Расчет параметров начальной
инструментальной рейки ведем в следующей последовательности.
Шаг зубьев фрезы определяется
по формуле:
P0=π·mn
, мм, (126)
где P0
- шаг зубьев фрезы, мм;
mn
- нормальный модуль фрезы, мм.
P0=3,142·8=25,136
мм
Угол профиля фрезы α0
равен
углу профиля зубьев рейки:
α0=α=20°
Высота головки зуба фрезы
рассчитывается по формуле:
ha0=(ha*+c*)·mn
, мм, (127)
где ha*
- коэффициент высоты головки зуба фрезы;
c*
- коэффициент радиального зазора.
(ha*+c*)=1,25,
ha0=1,25·8=10
мм
Высота шейки зуба фрезы
находится из равенства:
hf0=ha0
, мм, (128)
отсюда hf0=10
мм.
Высота зуба фрезы
рассчитывается по формуле:
h0=ha0+hf0
,мм, (129)
h0=10+10=20
мм
Радиус закругления головки зуба
фрезы рассчитывается по формуле:
ra0=0,25·mn
, мм, (130)
ra0=0,25·8=2
мм
Радиус закругления ножки зуба
фрезы рассчитывается по формуле:
rf0=0,3·mn
,мм, (131)
rf0=0,3·8=2,4
мм
Толщина зуба фрезы
рассчитывается по формуле:
, мм, (132)
мм
Определяем геометрические параметры
режущей части конструкции фрезы.
Для чистовых фрез принимаем передний
угол γa=0°,
а
задний угол αa=11°.
Падение затылка для шлифованного
участка рассчитывается по формуле:
, мм (133)
где Zo
- число стружечных канавок.
мм
Принимаю Кш=9 мм.
Падение затылка для шлифованного
участка:
, мм, (134)
мм
Принимаю Кнш=16 мм.
Глубина стружечных канавок
рассчитывается по формуле:
, мм, (135)
где r
- радиус закругления для стружечной канавки (для фрез средних модулей, r=0,5
- 2 мм).
мм
Радиус закругления канавки
мм.
Диаметр расчетного цилиндра фрезы
рассчитывается по формуле:
, мм, (136)
где σ
- величина для фрез со шлифовальным профилем, σ=0,1мм.
мм
Принимаю Dсрф=118,20
мм.
Для чистовых фрез количество заходов
n0=1, для
прямозубых колес направление нарезки фрезы правое.
Размеры канавки для облегчения
шлифования:
Глубина канавки hk=1-2 мм;
Радиус скругления канавки rk=0,5…1,2 мм;
Ширина канавки bk=0,4×mn0=3,2 мм.
Затылованию резцом при помощи
кулачка подвергают не шлифованную часть зуба фрезы (рисунок 13), значение спада
которого Кнш делается примерно в 1,5-1,8 раза больше значения спада Кш кулачка
для шлифованной части.
Значение затылования Кнш должно быть
отнесено к диаметру d1, несколько большему, чем диаметр
фрезы D. Например,
если шлифованная часть составляет половину ширины зуба колеса, то D1=D+2a, где a=b=(Kнш-Kш)/2. Перед
началом операции затылования резец находится в точке А и начинает обработку
только в точке В, срезая при этом часть спинки зуба по кривой ВС.
В нашем случае:
А=(16-9)/2=3,5 мм;
D=140+2×3,5=147 мм.
Рисунок 13 - Зуб с двойным
затылованием
Определяем основные угля фрезы.
Угол подъема нарезки фрезы на
расчетном цилиндре определяется по формуле:
(137)
Принимаем угол наклона стружечных
канавок равным углу подъема нарезки фрезы:
Принимаем левое направление винтовых
стружечных канавок, так как оно должно быть направлено противоположно виткам
нарезки.
Угол профиля стружечных канавок
рассчитывается по формуле:
(138)
Округляем полученное значение до
ближайшего стандартного значения:
.
Шаг винтовых стружечных канавок
рассчитывается по формуле:
мм, (139)
мм
Проводим расчет размеров профиля
нарезки фрезы в осевом сечении в следующей последовательности.
Осевой шаг нарезки фрезы
рассчитывается по формуле:
мм, (140)
мм
Ход витков фрезы рассчитывается по
формуле:
мм, (141)
мм
Расчетный профильный угол фрезы
рассчитывается:
,
Значения углов профиля зубьев
червячной фрезы с винтовыми канавками определяются по формуле:
Для правой стороны:
, рад, (142)
рад ,
Для левой стороны:
, рад, (143)
рад,
Значения размеров профиля по высоте
и радиусы закругления у ножки зуба принимаются такие же, как и для исходной
инструментальной рейки.
При выполнении нарезания зубчатых
колес на станке, угол установки фрезы рассчитывается по формуле:
, град, (144)
где β
- угол наклона зубьев, β=9°.
Проводим расчет конструктивных
размеров фрезы.
Наименьшая длина нарезки фрезы
рассчитывается по формуле:
,мм, (145)
мм
Принятая длина нарезки фрезы L=180 мм
удовлетворяет условие L > Lmin.
Определяем размеры шпоночного паза в
зависимости от принятого диаметра: Dотв=50 мм, b=
мм, t=3,5+0,3 мм.
Для изготовления фрезы выбираем
быстрорежущую сталь марки Р6М5 по ГОСТ 1955 - 73 с термообработкой токами
высокой частоты ТВЧ до твердости HRC 62…65. Выбираем
зубофрезерный станок модели 5А326 для нарезки зубчатого колеса [20, с.17]:
Техническая характеристика станка:
1
Наибольший
диаметр обрабатываемых зубчатых колес, мм 750
2
Наибольший
модуль зубьев обрабатываемых колес, мм 10
3
Наибольшая
ширина обрабатываемых колес, мм 300
4
Наибольший
угол наклона зуба обрабатываемого колеса, градусы ± 20
5
диаметр
стола, мм 650
6
наибольший
диаметр червячной фрезы, мм 200
7
количество
ступеней чисел скоростей шпинделя фрезы 7
- наименьшее и
наибольшее число оборотов шпинделя фрезы, мин 37,5-157
8
мощность
электродвигателя привода, кВт 7
- вес станка, кг 8300
9
габаритные
размеры станка, мм
длина станка 3195
ширина станка 1605
высота станка 2235
4. БЕЗОПАСНОСТЬ И ЭКОЛОГИЧНОСТЬ ПРОЕКТА
РЕКОНСТРУКЦИИ
4.1
Анализ опасных и вредных производственных факторов
В условиях промышленного
производства в общей системе безопасности труда безопасность оборудования
производства и производственного процесса, то есть материальный или технический
фактор безопасности играют решающую роль.
Основополагающие принципы в
области охраны здоровья, труда персонала Компании и окружающей среды указаны в
общекорпоративных политиках - Политике в области охраны труда и промышленной
безопасности Компании и Политике в области охраны окружающей среды Компании.
Системы управления
безопасностью труда персонала и охраной окружающей среды в Компании включают
проведение качественной экспертизы промышленной безопасности специальной оценки
условий труда персонала, проведение независимых экологических оценок и
внутренних аудитов системы управления Компании ПАО «Северсталь», направленных
на превентивное выявление рисков и разработку эффективных корректирующих
действий.
В состав коксохимического
производства ПАО «Северсталь» входит сложное по конструкции, устройству,
принципу работы механическое оборудование.
На производстве используются
химически активные вещества, в связи с этим в производственном процессе
необходимо учесть ряд опасных физических факторов, а также физико-химических
факторов.
В коксоаглодоменном
производстве Компании при выдаче кокса происходит образование воздушных масс
пыли, в которых содержатся также различные газы.
С целью предотвращения
получения травм персоналом нужно четко руководствоваться технологическими
инструкциями, применять средства защиты и придерживаться правил техники
безопасности.
Для обеспечения защищенности работников, работа
которых сопряжена с превышением значения шума, необходимо пользоваться
индивидуальными средствами защиты (шлемы, вкладыши, наушники).
Опасными факторами производства являются
вращающиеся механизмы оборудования, падение персонала с высоты, попадание
спецодежды работающего в полость машин и т.д.
К вредоносным факторам
производства относятся перепады температур, плохая освещенность рабочего места,
высокая концентрация запыленных веществ в атмосферном воздухе, вибрации при
работе оборудования, загазованность.
Объединяем технологические
операции в таблицу 15 с указанием их характеристики.
|
Технологическая
операция
|
Тип
опасного фактора
|
Характер
воздействия на персонал
|
|
1
|
2
|
3
|
|
1
Работающий транспортер.
|
Механизмы,
вращаясь (например, между роликами и полосой транспортера) создают условия
для захвата конечностей человека, его одежды.
|
Захват
конечностей и спецодежды ведет к последующему травмированию.
|
|
2
Ручная уборка просыпей.
|
Проникновение
за ограждение транспортера. Работа на высоте.
|
Травмирование
персонала, физические перегрузки.
|
|
3
Выполнение работ по обслуживанию производственного оборудования на
транспортёре расположенного сверху.
|
Падение
с высотной отметки.
|
Травмирование
персонала.
|
|
4
Работа механизма упаковки и затарки.
|
Возможность
попадания конечностей человека или спецодежды в рабочую полость.
|
Травмирование
персонала.
|
|
5
Разрыв соединительных муфт.
|
Поражение
летящими частями элементов оборудования.
|
Механическое
травмирование персонала.
|
|
6
Разрыв участков трубопровода, газопровода, паропровода.
|
Поражение
человека газом, паром, растворами, маслом. Отравление человека газом, парами
масла.
|
Травмирование
персонала.
|
|
7
Электрическое оборудование.
|
Высокое
значение напряжения, появление электрической дуги.
|
Поражение
электрическим током персонала и ожоги электрической дугой персонала.
|
4.2 Меры по обеспечению
безопасных условий труда
Проблематика промышленной безопасности в
Компании ПАО «Северсталь» это обеспечение безопасных условий труда персонала,
профилактика профессиональных заболеваний, обучение персонала, вовлечение
сотрудников Компании и внедрение лучших практик, сотрудничество с профсоюзами,
повышение ответственности подрядчиков, готовность к чрезвычайным ситуациям.
Компания «Северсталь» проводит свою работу с
учетом требований законодательства, нормативных правовых актов и корпоративных
стандартов предприятия в области охраны труда и промышленной безопасности.
Проекты в сфере охраны труда, промышленной
безопасности и защиты окружающей среды объединены в «Бизнес-систему
«Северстали».
В производствах ПАО «Северсталь» внедрен и
используется программный комплекс «Поведенческий аудит безопасности».
Программный комплекс поведенческого аудита безопасности в Компании направлен на
выявление причин опасных действий со стороны персонала и предусматривает
разработку необходимых мероприятий по корректировке его работы.
Компания решает ряд крупных задач и направлений,
реализуя целевые программы в сфере охраны труда и промышленной безопасности,
уменьшения доли нагрузки на окружающую среду, энергосбережения.
Персонал Компании активно и целенаправленно
участвуют в работе по обеспечению мероприятий безопасности труда через такие
механизмы, как комитеты (комиссии) по охране труда и институт уполномоченных
(или доверенных) лиц по охране труда. Комитеты (комиссии) по охране труда
формируются на началах равенства сторон из числа представителей работодателя,
профессиональных союзов и непосредственных представителей трудового коллектива.
В коксохимическом производстве общества на
участке упаковки и погрузки сульфата аммония с целью создания не опасных и
здоровых условий работы труда персонала следует предпринять систему мер по
безопасности зданий, промышленных сооружений, оборудования, и персональной
защите работающих.
Производственное оборудование,
применяемое для получения и обработки сульфата аммония, должно соответствовать
требованиям ГОСТ. Используемые приспособления также должны соответствовать ряду
требований. Используемое электрическое оборудование и электрические приборы,
эксплуатация установок должно отвечать требованиям ГОСТ, правилам установки,
эксплуатации электрических приборов и техники безопасности при их эксплуатации.
Проектирование системы водоснабжения производства, приборы питьевого
водоснабжения участка должны соответствовать условиям и требованиям своду
правил СП 32.13330.2012 <http://sniprf.ru/sp32-13330-2012>.
Устройства и приспособления в
проемах стен производственных помещений коридоров, тамбуров должны быть должны
исключать сквозняки и распространение пожара, то есть предусматриваются
автоматические закрывающиеся двери, заслонки. В цеховом помещении имеются не
менее двух выходов обслуживающего персонала, они оборудуются соответствующими
знаками (табличками, сигнальными световыми лампами). При входе в помещение, на
дверях и въездных воротах зданий указывается категория помещения по взрывной,
пожарной и газоопасности. Должны быть вывешены знаки безопасности в
соответствии с ГОСТ, знаки о предупреждении наличия негативных вредных веществ
или газа, о возможной опасности возникновения пожара или взрыва.
В помещениях необходимо
контролировать состав воздуха в помещениях для предотвращения образования
взрывоопасных смесей и пожароопасных смесей, а так же достижения предельно-допустимой
концентрации по газу. Для этого используются стационарные и переносные
автоматические и ручные газоанализаторы. Автоматические газоанализаторы
срабатывают при достижении концентрации веществ равной 0,5% от взрывоопасной
концентрации и 1 - 1,2 от предельной концентрации газа. Ручными
газоанализаторами проводим проверку состояния ПДК самостоятельно вручную.
Для локализации и удаления пыли
сульфата аммония, испарения масла, смазочно-охлаждающих жидкостей, газовых
соединений, выделяющихся при получении и обработке сульфата аммония в
атмосферный воздух рабочей зоны и превышающих предельную концентрацию,
производственные участки Компании дополнительно оснащаются комплексами
вентиляции.
Зданию коксохимического цеха, где
установлен транспортёр присвоена категория В по пожароопасности и
взрывоопасности, II степень огнестойкости.
Для снижения случаев возникновения
пожара в цехе предусмотрен щит пожарный, тара с песком в объеме 0,5 м3 с
лопатой и 2 ведрами; емкости с водой по 250 литров; расположены пожарные краны
с рукавами; огнетушители ОУ5, ОП10 и ОУ 50.
Гидросистема оборудуется
автоматическим задвижками, затворами, защитной арматурой (обратным клапаном).
При работе оборудования необходимо контролировать нормы технологического режима
для исключения взрыва.
Механические вращающиеся части
оборудования создают условия для травмирования, поэтому механизмы
сконструированы с ограждающими устройствами по ГОСТ различной конструкции.
Ограждающие устройства обладают достаточной прочностью и оснащены устройствами,
если это необходимо, для удобного и безопасного их открывания.
Для обеспечения освещения цеха,
предусмотрено искусственное освещение и естественное (окна по всем стенам
здания).
Источником шума являются:
производственное оборудование, энергетическое оборудование, вентиляторные. Для
снижения шума от работы оборудования применяются звукоизолирующие средства,
кабины, пульты управления, кожуха и акустические экраны. При наличии источника
шма на рабочем месте для его снижения используется средство звукопоглощения (звукопоглощающие
облицовки).
Помещение участка упаковки и
погрузки по поражению рабочих электротоком относится к помещениям с категорией
повышенной опасности. Данное помещение характеризуется наличием в них условий с
токопроводящим металлическим полом, повышенной температурой в летний период. На
участке упаковки и погрузке возможно одновременное соприкосновение работающего
к имеющим соединение с землей металлическим конструкциям сооружений, механизмам
и к металлическим корпусам электрических машин цеха.
4.3 Меры по
охране окружающей среды
Природоохранная деятельность
Компании «Северсталь» базируется на убеждении, что улучшение экологических
показателей способствует повышению качества жизни людей и повышает
конкурентоспособность Компании. Экологические ориентиры включаются в программы
строительства и модернизации производства предприятия.
Компания ПАО «Северсталь» реализует
масштабную программу мероприятий, которые направлены на уменьшение
отрицательного влияния деятельности предприятия на окружающую среду и увеличение
уровня эффективности использованием ресурсов.
Основными направлениями в области
природоохранной деятельности Компания «Северсталь» относит воздух, воду и
твердые отходы. Эти направления реализуются через ряд крупных проектов программ
Компании.
Компания стремится сократить выброс
пыли неорганической и сероводорода в воздушный бассейн.
В коксоаглодоменном производстве
Компании осуществлена модернизация мощностей цеха улавливания химпродуктов №1.
В результате производится очистка коксового газа установок, после чего он
поступает обратно на обогрев коксовых батарей производства.
Природоохранная деятельность
«Северстали» базируется на убеждении, что улучшение экологических показателей
способствует повышению качества жизни людей и повышает конкурентоспособность
Компании. Экологические ориентиры включаются в программы строительства и
модернизации производства. Компания целенаправленно развивает программы по
снижению техногенной нагрузки на окружающую среду, вовлекая в эту работу всех
сотрудников.
Ключевыми составляющими
экологической ответственности Компания относит предупреждение загрязнения
окружающей среды и содействие в постановке проблемы выбросов парниковых газов,
бережливое и рациональное применение энергии и природных ресурсов,
результативное управление образующимися производственными отходами.
При производстве сульфата аммония в
коксохимическом производстве вероятно получение ряда отходов производства и
выбросов:
продукты отработки нефтепродуктов
(таких как смазочное масло и производственное масло);
загрязненный кристаллический
нафталин, шлам от очистки установок и лотка;
стоки производственных вод;
маточный раствор сульфата аммония;
стружка и металлический лом черных и
цветных металлов, остатки разных использованных материалов (паронит, резиновые
изделия);
промасляная ветошь и бытовой мусор.
На производстве для сбора, хранения
отходов предусматривается их временное накопление путем размещения в специально
оборудованных помещениях цехов и в непроницаемых металлических емкостях. В них
накапливаются отработанные промышленные нефтепродукты и эмульсия, замасляная
ветошь, некондиция. Производственный мусор, металлические изделия, стружка,
шлак от очистки установок и оборудования, строительный мусор, обрезь
материалов, бытовые отходы хранятся в контейнерах и коробах.
С целью изоляции попадания
загрязняющих веществ, выполняется утилизация, складирование и размещение
отходов.
Основным принципом согласно
деятельности по обращению с отходами считается установление количества
образования, размещения, хранения отходов на конкретных объектах и других
условий. Данные условия обеспечивают охрану окружающей среды и здоровье людей,
при этом учитываются установленные лимиты на нахождение и размещение отходов
производства.
При работе коксохимического цеха
вероятен ряд выбросов вредных веществ: пыль, различные соединения, дым, газы.
Установка фильтров очистки воздуха в
вентиляционных системах исключает появление пыли и газообразных веществ или
снижение выброса их количества в атмосферный воздух. Фильтровальные материалы и
конструкция фильтров различны. К фильтрующим элементам предъявляется ряд
требований.
На практике целесообразнее применять
фильтры: водные, электрические, комбинированные.
На Череповецкой промплощадке в ПАО
«Северсталь» эксплуатируется единый оборотный комплекс водоснабжения, который
включает единую фильтровальную станцию (ЕФС), пруды-осветлители и несколько
десятков локальных оборотных циклов в производственных подразделениях
предприятия. Создание такой системы к 2013 году позволило ликвидировать семь из
девяти постоянно действующих выпусков сточных вод.
Для очистки загрязненных вод
производства в системе водоснабжении Компании ПАО «Северсталь» предусмотрена
система очистки перед сброс их в речные ресурсы, пущена в эксплуатацию
фильтровальная станция.
В коксоаглодоменном производстве
Компании установлен новый реактор для повышения качества очистки сточных вод.
Новый реактор расположен в третьей ступени биологической очистки стока( воды).
Реактор оснащен 48 аэраторами и имеет вместимость 3200 м3. Оборудование позволяет
повысить степень эффективности нитрификации и денитрификации, так как система
имеет встроенное гидроперемешивание.
В 2015 году ПАО «Северсталь»
завершило выполнение плана мероприятий по проекту нормативов предельно
допустимой концентрации выбросов по реконструкции устаревших и строительству
новых газоочистных установок.
В коксоаглодоменном производстве
Компании реконструирована коксовая батарея №7. Реконструкция батареи проведена
с учетом последних достижений и наработок в области защиты окружающей среды.
Коксовые батареи оборудуются установками беспылевой выдачи кокса. Проводимые
мероприятия, установка современных систем аспирации позволят сократить выбросы
пыли в атмосферный воздух на двадцать процентов.
В 2017 году Компания ПАО
«Северсталь» планирует достичь установленные нормативы сбросов сточных вод.
Также на 2017 год запланированы
природоохранные мероприятия на ресурсных предприятиях Компании ПАО
«Северсталь». Они призваны на уменьшение отрицательного действия на атмосферу,
почву и поверхностные воды.
Таким образом, соблюдение правил
безопасности, разработки и внедрение организационных и технических мероприятиях
обеспечивает безопасность производства для персонала. Улучшение экологических
показателей способствует повышению качества жизни людей. Экологические факторы
учитываются при планировании развития производства, в том числе на ПАО
«Северсталь». Внесение изменений в конструкцию оборудования способствует
улучшению состояния охраны труда и безопасности работы в производственных цехах
предприятия.
ЗАКЛЮЧЕНИЕ
Ленточный конвейер в коксохимическом
производстве Компании ПАО «Северсталь» относится к основному оборудованию, от
работы которого зависит производительность участка погрузки сульфата аммония
цеха улавливания химическим продуктов №2 и предприятия в целом. В выпускной
квалификационной работе предложена к внедрению реконструкция транспортера путем
замены механического привода на гидравлический и предлагается установка для
загрузки полувагонов, хопперов и минераловозов.
В результате проведения реконструкции при
погрузке вагонов обеспечивается равномерная, качественная погрузка удобрения в
вагон.
В работе выполнен pасчёт
и проектирование гидропривода передвижения тележки ленточного транспортёра. В
результате расчета гидропривода выбрана насосная установка 5,3-2,2Г48-1УХЛ4 4АМ80А4,
состоящая из электродвигателя общего назначения мощностью 2,2 кВт и
пластинчатого насоса марки НПл5/16. Составлена гидравлическая схема привода.
Выбор состав гидроаппаратов системы.
В работе представлены необходимые технологические
расчеты по проекту.
На ПАО «Северсталь» уделяется пристальное
внимание вопросам обеспечения безопасности производства. Поэтому в работе
представлены мероприятия по обеспечению безопасности технологического процесса
производства и охране окружающей среды.
Реконструкция позволит увеличить
производительность труда, за счет установки дополнительного оборудования
погрузки сульфата, повысит эффективность производства и улучшит условия труда в
цехе улавливания химических продуктов Компании.
СПИСОК ИСПОЛЬЗОВАННЫХ ИСТОЧНИКОВ
1. ГОСТ
28428-90. (СТ СЭВ 144-75) Подшипники радиальные шариковые сферические
двухрядные. - Введ. 01.01.91. -Москва: Стандартинформ, 2005.- 11 с.
. Абрамов,
Е. И. Элементы гидропривода. Справочник, 2-е издание, переработанное и дополненное
/ Е.И. Абрамов, К.А. Колесниченко, В.Г. Маслов. - Техника, 1977. - 320 с.
. Алексеев,
Г.А. Конструирование инструмента / Г.А. Алексеев, В.А. Аршинов, Р.М.Кричевская.
- Москва: Машиностроение, 1979. - 384 с.
4. Анурьев,
В.И. Справочник конструктора машиностроителя / В.И. Анурьев Том 3.-М.:
Машиностроение, 1978. - 557 с.
. Аршинов,
В.А. Резание металлов и режущий инструмент / В.А. Аршинов Москва:
Машиностроение, 1976. - 440 с.
. Атлас
конструкций. Детали машин: учебное пособие для вузов/ под ред. Н.Д. Решетова. -
М.: Машиностроение, 1979. - 352 с.
. Балабанов,
А.И. Краткий справочник технолога- машиностроителя / А.И. Балабанов. - М.:
Издательство стандартов, 1992. - 464 с.
. Башта,
Т. М. Гидропривод и гидроавтоматика. Учебник для ВУЗов / Т.М. Башта. - М.:
Машиностроение, 1972. - 320 с.
9. Белов,
С.В. Безопасность жизнедеятельности. Учебник для вузов /С.В. Белов. - М.:
Металлургия, 2002. - 195 с.
. Белов,
С.В. Средства защиты в машиностроении / С.В. Белов. - М.: Машиностроение, 1989.
- 380 с.
. Габов,
В.С. Охрана труда в коксохимическом производстве / В.С. Габов, А.Н. Сорбин. -
М.: Металлургия, 2001. - 210 с.
. Иванов,
М.Н. Детали машин. Учебник для машиностроительных специальностей вузов / М.Н.
Иванов, В.А. Финагенов. - М.: Высшая школа, 2002. - 408 с.
. Казак,
С.А. Курсовое проектирование грузоподъемных машин / С.А. Казак. - Москва:
Высшая школа, 1989 г. -319 с.
. Кукин,
П.П., Безопасность технологических процессов и производств. Охрана труда. /
П.П. Кукин, Т.И. Кузьмина. - М.: Машиностроение, 1985. - 301 с.
. Кузьмин,
А.В. Расчеты деталей машин./ А.В. Кузьмин. - Минск.: Высшая школа, 1986. - 402
с.
16. Курсовое
проектирование деталей машин/ под ред.В.Н. Кудрявцева. Учебное пособие для
студентов машиностроительных специальностей вузов. Л.: Машиностроение, 1984. -
400 с.
. Марон,
Ф.Л. Справочник по расчетам подъемно-транспортных машин / Ф.Л. Марон, А.В.
Кузьмин. - Минск, Издательство «Высшая школа», 1983г. - 350с.
. Малов,
А.Н. Справочник технолога-машиностроителя, т.2./ А.Н. Малов. Москва:
Машиностроение, 1972г. - 695 с.
19. Методические
рекомендации по оформлению выпускных квалификационных работ, курсовых
проектов/работ для очной, очно-заочной (вечерней) и заочной форм обучения
/сост. А.Н. Тритенко, О.В. Сафонова, Н.В. Дурягина. - Вологда: ВоГУ, 2016. - 95
с.
20. Нефедов, Н.А. Сборник задач и примеров по
резанию металлов и режущему инструменту / Н.А. Нефедов, К.А.Осипов. - Москва,
Машиностроение, 1990. - 448 с.
21. Ножненко,
А.В. Выбор и эксплуатация редукторов на металлургических предприятиях:
Справочник / А.В. Ножненко. - М.: Металлургия, 1983 423 с.
22. Рябинин, С.С. Методические указания к
выполнению курсовой работы. Фрезы. / С.С. Рябинин. -Вологда: ВоГТУ, 2003. - 28
с.
23. Ряховский,
О.А. Детали машин. / О.А. Ряховский. - М.: МГТУ им. Баумана Н.Э, 2002. - 388 с.
24. Свешников,
В. К. Станочные гидроприводы. Справочник / В. К. Свешников, А.А. Усов. - М.:
Машиностроение, 2008.-640 с.
25. Спиваковский,
А.О. Транспортирующие машины / А.О. Спиваковский, В.К. Дъяков. - Москва:
Машиностроение, 1983. - 487 с.
. Ушаков,
К.З. Экологическая безопасность промышленности / К.З. Ушаков.- М.: Стройиздат,
1998. - 127 с.
27. Хван,
Т.А. Основы безопасности жизнедеятельности / Т.А. Хван, П.А., Хван. - М.:
Металлургия, 2002. - 297 с.
28. Чуб,
Е.Ф. Крупногабаритные подшипники качения / Е.Ф. Чуб. - М.: Машиностроение,
1976. -271 с.
29. Шейнблит,
А.Е. Курсовое проектирование деталей машин / А.Е. Шейнблит. М.: Высшая школа,
1991. - 433 с.
30. Яняк
С.В. Методические указания по предмету «Основы технологии машиностроения».
/С.В. Яняк, Вологда, 2001. - 29 с.