Модернизация клещей автоматических для транспортировки одного рулона листовой стали с грузоподъемностью тридцать пять тонн
Содержание
Введение
. Анализ литературных источников. цель и задачи ВКР
.1 Грузоподъемные машины и грузозахватные устройства
.2 Цель и задачи ВКР
. Конструкторская часть
.1 Описание конструкции грузозахватного устройства
.2 Описание работы грузозахватного устройства
.3 Расчет и конструирование грузозахватного устройства
.3.1 Расчет силы сжатия
.3.2 Расчет кинематики грузозахватного устройства
.3.3 Расчет оси в сечении А-А
.3.4 Расчет клещевины в сечении А-А
.3.5 Расчет серьги в сечении А-А
.3.6 Расчет оси в сечении Б-Б
.3.7 Расчет оси губки
.3.8 Расчет клещевины
.3.9 Расчет проушины тяг
.3.10 Расчет оси подвески
.3.11 Расчет щеки подвески
. Технологическая часть
.1 Описание назначения и конструкции детали
.2 Анализ технологичности конструкции детали
.3 Выбор способа получения заготовки
.4 Разработка технологического маршрута обработки
.5 Выбор типа производства
.6 Расчет припусков на механическую обработку
.7 Выбор металлорежущего оборудования
.8 Выбор станочных приспособлений
.9 Выбор режущего инструмента
.10 Выбор инструментальных приспособлений
.11 Определение режимов резания (табличный метод)
.12 Техническое нормирование времени операций. Расчет нормы
времени
. Исследование напряженно-деформированного состояния детали
траверса
.1 Решение линейных задач теории упругости методом
конечных элементов
.2 Использование трёхмерных моделей для расчёта изделий
методами имитационного моделирования
.3 Расчет напряженно - деформированного состояния детали
«Траверса» в среде APM WinMachine
. Организационно-экономическая часть
.1 Оценка затрат на проведение модернизации
.2 Анализ структуры затрат на производство траверсы по
базовой технологии и по проектируемой
.2.1 Расчет материальных затрат
.2.2 Расчет затрат на оплату труда
.2.3 Расчет затрат на амортизационные отчисления
.2.4 Расчет прочих затрат
.2.5 Сравнительный анализ структуры затрат базовой
технологии и проектируемой
.3 Определение эффективности предлагаемой технологии
. Безопасность и экологичность проекта
.1 Анализ безопасности и условий труда при эксплуатации крана
.2 Меры по обеспечению безопасных и здоровых условий
труда при эксплуатации крана
.3 Расчёт заземления крана
.4 Меры по охране окружающей среды
.5 Меры пожарной безопасности на производстве
Заключение
Список используемых источников
Приложения
Введение
Создание и развитие технологических агрегатов и установок, представляющих
собой сложные комплексы, немыслимо без одновременного совершенствования
существующего и разработки нового, в большинстве случаев уникального,
механического оборудования, повышения его производительности, надежности,
долговечности и эффективности, решения вопросов автоматизации технологических
процессов и механизации тяжелых и трудоемких работ.
Подъемно-транспортные машины являются наиболее эффективным и доступным
средством механизации. Особенно эффективно применение подъемно-транспортных
машин для комплексной механизации производства, когда механизируются и
связываются воедино все сложные технологические процессы и исключаются
какие-либо разрывы в звеньях, обеспечивающих механизацию данного производства.
Особенно большое значение механический транспорт имеет для
металлургических предприятий, таких как ООО «ССМ-Тяжмаш», нуждающихся в
своевременной доставке и вывозе огромного количества различных грузов (сырья,
топлива, полуфабрикатов, вспомогательных материалов, готовой продукции,
отходов).
Транспортировка грузов между цехами осуществляется железнодорожным,
автомобильным и конвейерными видами транспорта, внутрицеховая - кранами общего
и специального назначения, различного типа конвейерами и другими
подъемно-транспортными машинами и устройствами.
Тема данной ВКР актуальна, так как клещи автоматические для
транспортировки одного рулона широко применяются в металлургии и быстро
изнашиваются. Разрабатываемая в дипломном проекте конструкция отличается от уже
существующих технологией изготовления комплектующих, но нет совершенных
конструкций приспособлений.
1. Анализ литературных источников. цель и задачи ВКР
.1 Грузоподъемные машины и грузозахватные устройства
Перемещение грузов, связанное с грузоподъемными операциями, во всех
отраслях народного хозяйства, на транспорте и в строительстве, а так же в
производстве осуществляется разнообразными грузоподъемными машинами.
В комплексной механизации трудоемких работ металлургических цехов важную
роль играют грузоподъемные машины и грузозахватные устройства. Эти машины и
устройства входят в состав технологического оборудования цеха. При помощи
кранов нагружают шихту в мульды и загрузочные лотки, подготавливают
железнодорожные составы с изложницами, разливают сталь и многое другое.
При проектировании подъемных транспортных машин и устройств особое
внимание обращают на повышение их надежности, а при работе этих машин особенно
важно соблюдать все требования техники безопасности.
Подъемно-транспортные машины по своему назначению и конструктивному
исполнению весьма разнообразны. По принятой классификации грузоподъемные и
транспортные машины, в зависимости от способа действия, разделяют на три
основные группы:
1) грузоподъемные машины периодического действия - различные
подъемные механизмы (домкраты, полиспасты, тали, лебедки), краны мостовые и
поворотные, общего назначения и специальные;
2) транспортирующие машины непрерывного действия - конвейеры с
тяговым и без тягового органа, перегрузочные устройства, пневматический и
гидравлический транспорт, вспомогательные устройства, такие как бункеры,
затворы, питатели, дозаторы, лотки, спуски и другие;
) машины наземного и подвесного транспорта - безрельсовые тележки,
узкоколейные вагонетки, маневровые устройства (шпили, поворотные круги),
оборудование монорельсового и канатного транспорта.
Грузоподъемные машины обычно работают в поворотно-кратковременном режиме,
транспортирующие машины непрерывного действия имеют длительный режим работы.
Грузоподъемные машины характеризуются грузоподъемностью, скоростями
движения отдельных механизмов и режимов работы. Грузоподъемность означает массу
наибольшего рабочего груза, на подъем которой она рассчитана. Величина
грузоподъемности включает в себя массу грузозахватного приспособления, а также
всех вспомогательных устройств, подвешиваемых к грузозахватному органу.
Грузоподъемность современных грузоподъемных машин колеблется весьма
значительно.
Скорость движения различных механизмов выбирается в зависимости от
характера работы, выполняемой данной грузоподъемной машиной, от типа машины и
режима ее работы. Соответствующими стандартами установлены нормальные ряды
скоростей для различных механизмов.
Для грузоподъемных машин характерна работа в повторно-кратковременном
режиме, при котором рабочий орган и груз совершают периодические
возвратно-поступательные движения. Так, работа механизма подъема состоит из
подъема и опускания груза, подъема и опуская порожнего грузозахватного
приспособления. Кроме периодов работы механизма, имеются периоды пауз, в
течение которых двигатель не включен и механизм не работает. Время пауз
используется для загрузки грузозахватного устройства и для подготовки к
следующему этапу работы механизма. Кроме того, каждое движение можно разделить
на период неустановившегося движения, в течение которого происходит разгон или
торможение и период установившегося движения.
Полный цикл работы механизма грузоподъемной машины складывается из
времени пуска tп, времени движения с установившейся
скоростью tу, времени торможения tт и времени пауз tпауз.
Отношение времени включения двигателя tв=tп+tу ко времени цикла Tц характеризует интенсивность
использования механизма. Это отношение называют относительной
продолжительностью включения,
ПВ=(tв/Tц)100%, (1.1)
где tв - время включения двигателя, мин;
Tц =
время цикла, мин.
Нормами Ростехнадзора установлены следующие режимы работы грузоподъемных
машин: легкий - Л, средний - С, тяжелый - Т, весьма тяжелый - ВТ, весьма
тяжелый непрерывный - ВТН. К машинам работающим в легком режиме, относят
строительные, монтажные и ремонтные краны, краны машинных залов; в среднем
режиме - краны механосборочных цехов, включаемые в технологический цикл; в
тяжелом режиме - литейные краны, магнитные и грейферные краны шихтовых дворов;
мосты - перегружатели, клещевые краны; в весьма тяжелом непрерывном режиме -
механизмы подъема и передвижения моста клещевого крана, механизмы поворота
кранов, обслуживающие порты и железнодорожные узлы.
Элементами грузоподъемных машин являются грузозахватные устройства. К ним
предъявляют следующие основные требования: надежность в работе (безопасность
для людей, сохранность груза); минимальные затраты времени на захват и снятие
груза; небольшая масса приспособления; малое участие человека в процессах
захвата и снятия грузов; простота и невысокая стоимость конструкции. Этим
требованиям, а также разнообразием транспортных материалов (штучные, сыпучие,
жидкие, металлические, неметаллические, различные по форме и т.д.) объясняется
большое число применяемых грузозахватных устройств.
Наиболее употребляемыми грузозахватными устройствами (ГЗУ), применяемыми
в сталеплавильных цехах являются крюки, грейферы, электромагниты, клещи.
Крюки бывают кованые и пластинчатые. Крюки подразделяются на однорогие и
двурогие. Размеры кованых крюков приведены в таблицах ГОСТ6627-74, 6628-73,
пластинчатых - ГОСТ 6619-75. Кованые крюки изготовляют ковкой из стали 20. Они
рассчитаны на грузоподъемность 0,25 - 75 тонн. Пластинчатые крюки собирают из
отдельных элементов, вырезанных из листовой стали марки Ст.3 или стали 20. Эти
крюки легче кованых и не требуют для изготовления мощного прессового
оборудования. Кроме того, при разрушении одной пластины ее можно заменить.
Однорогие пластинчатые крюки применяют, в основном, для транспортировки
разливочных ковшей в сталеплавильных и литейных цехах, а двурогие - в сборочных
цехах. Их изготовляют для кранов грузоподъемность от 37,5 до 315 тонн.
Крюки крепят в крюковых блочных обоймах (крюковых подвесках), число
блоков в обойме зависит от кратности полиспаста. Крюковые обоймы, в зависимости
от способа закрепления крюка, могут быть длинными или короткими.
При длинной обойме крюк крепят в крюковой траверсе, опирая его на
вмонтированный в траверсу упорный подшипник качения. При короткой обойме, в
качестве траверсы, используют часть оси блоков. Сама траверса может вращаться
относительно продольной оси, что позволяет крюку поворачиваться вокруг
вертикальной и горизонтальной осей и облегчает манипулирование крюком при
захвате груза. Траверсу изготавливают из стали 40, Ст.4 или стали 20 и
рассчитывают ее на изгиб как свободно обирающуюся балку пролетом l, нагруженную посередине для
предохранения от соскакивания каната блоки закрывают кожухами, изготовленными
из листовой стали толщиной не менее 4 мм. Зазор между кожухом и наружным
диаметром блока должен быть не менее 0,3 и не более 0,5 диаметра каната. Кожухи
выбирают так, чтобы исключить трение каната о кожух при нормальной работе
обоймы. В современных кранах блоки крюковых обойм устанавливают на подшипниках
качения. В редко используемых кранах или в кранах небольшой грузоподъемности
применяют крюковые обоймы с блоками на подшипниках скольжения. В многоблочных
обоймах ось блоков сильно нагружена. Для ее разгрузки применяют разгрузочные
листы, связывающие ось блоков с осью траверсы.
Грейфером называют раскрывающийся ковш с устройством для механического
захватывания и механической разгрузки материала. Грейферы на металлургических
заводах применяют в шихтовых дворах, копровых цехах и др. Делят их на
одноканатные, представляющие собой сменное оборудование, периодически
подвешиваемое к крюку крана, двухканатные с электрическим приводом и
специальные, например, многочелюстные грейферы.
Электромагнит, электротехническое устройство, состоящее обычно из
токопроводящей обмотки и ферромагнитного сердечника, который намагничивается
при прохождении по обмотке электрического тока. Электромагниты используют для
транспортировки грузов. Не смотря на конструктивное разнообразие,
электромагниты обычно состоят из следующих частей, имеющих одинаковое назначение:
катушки с токопроводящей обмоткой, намагничивающегося сердечника (неподвижной
части магнитопровода) и якоря (подвижной части магнитопровода).
Наиболее широкая и важная область применения электромагнитов -
электрические машины и аппараты, входящие в системы промышленной автоматики. В
составе различных механизмов электромагниты используются для создания
удерживающей силы. Примером таких электромагнитов могут служить электромагниты
грузоподъемных машин.
Клещевые захваты с успехом применяют в качестве грузозахватных
приспособлений при транспортировании однородных по размеру и массе грузов:
слитков, ящиков, бочек, электродов, рулонов.[2]
.2 Цель и задачи ВКР
В настоящее время в ПХЛ ОАО «Северсталь» применяются клещи автоматические
для транспортировки одного рулона листовой стали грузоподъемностью двадцать две
тонны. Самой ненадежной частью этих клещей является траверса.
К тому же изготовление траверсы по существующей технологии значительно
увеличивает рыночную цену клещей автоматических, так как затраты составляют
приблизительно 310000 за штуку. В год же ОАО «Северсталь» производит 72
траверсы, что обходится им приблизительно в 22320000 руб.
Поэтому, целью данной ВКР является модернизация клещей автоматических
посредством изменения способа изготовления траверсы. Это приведет к повышению
ее надежности и уменьшению затрат на ее производство, а следовательно и
снижению отпускной цены на сами клещи.
Исходя из поставленной цели, необходимо решить следующие задачи:
рассчитать силу сжатия необходимую для обеспечения определенной силы
трения;
рассчитать нагрузки выдерживаемые клещами;
исследовать напряженно-деформированное состояние детали траверса;
разработать технологию изготовления детали «ось»;
спроектировать участок по производству данной детали;
рассчитать затраты на производство траверсы по проектируемой технологии и
сравнить их с затратами производимыми по базовой технологии.
2. Конструкторская часть
Приспособление, разрабатываемое в данном дипломном проекте, представляет
собой шарнирно-рычажное фрикционно-зажимное грузоподъемное устройство в
соответствии с рисунком 2.1 грузоподъемностью 35 тонн и предназначено для
транспортировки одного рулона листовой стали с вертикальной осью в условиях
производства холоднокатаного листа (ПХЛ) предприятия ООО “ССМ-Тяжмаш” г.
Череповец. В них использован специальный штоковый затвор для фиксирования
зажимных органов в четырех положениях: порожнем, при взятии рулона, подъеме -
транспортировании рулона, освобождении.
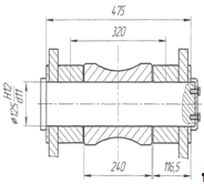
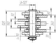
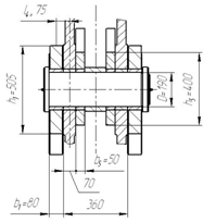
Рисунок 2.1- Грузоподъемное устройство
.1 Описание конструкции грузозахватного устройства
Клещи в соответствии с рисунком 2.2 состоят из шарнирно-соединенных
клещевины 12, траверсы 1, серег 11, обоймы 2, рычагов 3, тяг 4, штокового
затвора 9. На общем для тяг 4 шарнире 8 расположены подвеска 7 и крюк 5,
взаимодействующий при работе грузоподъемного устройства с планкой 10. На
клещевине и траверсе закреплены прижимные губки 13.
Рисунок 2.2 - Схема грузозахватного устройства:
- траверса; 2 - обойма; 3 - рычаг; 4 - шарнир; 5 - крюк; 6 - направляющая
; 7 - подвеска; 8 - общий шарнир ; 9 - штоковый затвор ; 10 - планка ; 11 -
серьги ; 12 - клещевина ; 13 - прижимные губки
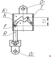
Рисунок 2.3 - Затвор-автомат
Затвор-автомат в соответствии с рисунком 2.3 состоит из двух кулачков
(нижний "К" и верхний "К "), заключенных в направляющей
"Т", и штока "R" с пальцем "F". Цилиндрические
части кулачков (на рисунке показана развертка) имеют криволинейные вырезы,
выполненные таким образом, чтобы при соединении кулачков в общей направляющей
между кривыми создавался паз-копир, по которому передвигается палец
"F" штока "R", имеющего шаровидную опору. На фланцах к
верхнему кулачку присоединен верхний шарнир О затвора, к корпусу штока - нижний
шарнир О. Паз-копир выполнен таким образом, что выступы кривой нижнего кулачка
смещены на некоторый угол относительно впадин верхнего кулачка. При работе
затвора этим обеспечивается вращательное движение штока "R" всегда в
одном направлении. Впадины кривой нижнего кулачка выполнены переменной глубины,
в результате чего ход затвора-автомата имеет разную величину, периодически
повторяющуюся в зависимости от выполняемых ГУ операций. Сжатое положение
затвора является рабочим, при котором ГУ полностью раскрыто. При захвате
рулонов затвор занимает минимально растянутое положение, в рабочем положении
(захват без рулона) он максимально растянут.
.2 Описание работы грузозахватного устройства
Клещи работают по принципу самозатягивания от веса поднимаемого рулона и
веса клещей. Зажатие рулона осуществляется системой шарнирных рычагов. Захват и
освобождение рулона производится при помощи затвора-автомата, позволяющего за
каждое опускание клещей на рулон производить периодически то захват, то
освобождение рулона. На 4 листе данного проекта приведены основные положения
штока затвора-автомата.
В исходном положении (ГУ без рулона) носок крюка застопорен планкой, чем
обеспечивается замыкание рычажной системы. При подходе к рулону затвор-автомат
максимально растянут, клещи находятся в раскрытом положении. При установке ГУ
на рулон оно полностью раскрывается под действием собственного веса, крюк
скользя по радиусной поверхности по планке 10, отклоняется от вертикального
положения и сжимает затвор-автомат до минимального значения. При подъеме груза
затвор-автомат под действием собственного веса и веса крюка удлиняется, крюк
проходит мимо планки и ГУ захватывает рулон. В местах разгрузки клещи
освобождаются от рулона под действием собственного веса и полностью раскрываются.
Затвор-автомат сжимается до минимального размера, а при подъеме удлиняется до
максимального. Крюк захватывает перемычку и поднимается в раскрытом положении.
Начинается следующий цикл работы.
2.3 Расчет и конструирование грузозахватного устройства
.3.1 Расчет силы сжатия
В рычажных фрикционных самозажимных ГУ захватные органы сжимают боковую
поверхность груза и удерживают его силой трения. Зажимное устройство
обеспечивает необходимую силу сжатия рисунок 2.4:
Рисунок 2.4 - Расчетная схема силы сжатия
Сила R взаимодействия ГУ с грузом может быть разложена на нормальную V и
касательную Т составляющие. При уменьшении сил N или V ниже определенного
значения наступит проскальзывание груза. Для надежного удержания груза на
захватных органах необходимо развить усилие зажима:
= k Qг /(2×μ), Н, (2.1)
где k= 1,25...1,6 - коэффициент запаса силы сжатия [1];г - вес груза, Н;
μ= 0,12...0,15 - коэффициент трения между контактными
поверхностями захватного органа и груза [7, стр. 172];г = 35000 кг при размерах
рулона D×d×h
= 2100×850×1850 мм;г = 7500 кг при размерах рулона D×d×h=
1400×850×1850 мм.
Скольжение отсутствует при условии, что сила трения F на контактных
поверхностях равна весу груза или превышает его:
F = N×μ ≥ Qг×μ/2,
Н, (2.2)
Во время возрастания усилия зажима при одновременном подъеме груза
происходит скольжение рабочих площадок захватных органов по поверхности груза,
что может привести к его повреждению. Поэтому зажимное усилие должно быть
развито полностью до начала подъема груза, т.е. под действие веса ГУ. В этом
случае:
F =
G×μ×u×η/2, Н, (2.3)
где G - вес ГУ, Н;= 2N/Q - передаточная функция зажимного устройства;
η - КПД ГУ.
Рисунок
2.5 - Стягивающая рычажная система клещей
Силу
сжатия N и усилия в шарнирах определяем из уравнения равновесия отдельных
звеньев относительно оси шарнира.
Для
клещей со стягивающей рычажной системой силу сжатия N и реакцию в шарнирах
определяем следующим образом: на рычаг 1 действуют силы S и 0,5Qг, силы N и
R3.1 (R3.1 совпадает с направлением звена 3, так как на него не действуют
никакие внешние силы) в соответствии с рисунком 2.5:
Усилия
S, действующие в шарнирах тяг 2 и 4, можно найти из условия равновесия узла А,
раскладывая силу Qг на составляющие по направлению тяг 2 и 4 в соответствии с
рисунком 2.6:
Рисунок
2.6 - Направления сил
При
угле между вертикалью и тягой 2:
=
(Qг +G3)/(2×cosα),
Н, (2.4)
где
G - вес ГУ (G3 =12100кг).
Таблица
2.1 - Результаты расчетов
|
Наружный диаметр, мм
|
|
2100
|
1400
|
|
α
|
61,19
|
39,47
|
|
a
|
1795,4
|
2498,7
|
|
b
|
490
|
494
|
|
c
|
98,5
|
79,5
|
Для максимального груза:
S2100 =
(35000+12100)/(2×cos61,19) = 48900, кг,
Для минимального груза:
S1400 = (7500+12100)/(2×cos39,47) = 12700, кг.
Из уравнения равновесия рычагов относительно шарнира Д:
S×a + 0,5×Qг×с-
N×b = 0, (2.5)= (S×a + 0,5×Qг×с)/b, (2.6)2100
= (48900×1795,4 + 0,5×35000×98,5)/490 = 182700, кг,
N1400 = (12700×2498,7 +
0,5×7500×79,5)/494 = 64850, кг.
Коэффициент запаса зажатия:
k = N×2×μ/Qг , (2.7)
k2100 =
182700×2×0,13/35000 = 1,36≥[k]=1,25...1,6
k1400 =
64850×2×0,13/7500 = 2,25≥[k].
Условие зажатия груза выполнено.
.3.2 Расчет кинематики ГУ
Соотношение плеч ГУ в соответствии с рисунком 2.7 определяется
выражением:
/μ=
[(a×(1+G3/Q2))/cos α+c]/b, (2.8)
Расчетная схема в соответствии с рисунком 2.7. Расчетные данные сведены в
таблицу 2.2:
Таблица 2.2 - Результаты расчетов кинематики ГУ
|
Расчетная формула
|
Положение ГУ
|
|
3.1
|
3.2
|
2
|
1
|
|
с
|
98,5
|
79,5
|
180,5
|
155
|
|
ζ=
arcsin( c / l1 )
|
11,36
|
9,14
|
21,16
|
18,06
|
|
b = l12-c2
|
490,2
|
493,6
|
466,3
|
475,4
|
|
β =
φ - (90 ± α )
|
17,09
|
37,6
|
7,29
|
10,39
|
|
D = l2 sin
β
|
734,8
|
1525,5
|
317,3
|
451,1
|
|
L2
= 2 l2 cos β - L1
|
2979,2
|
2161,3
|
3159,6
|
3118
|
|
E = l32 - (L2 /
2)2
|
819,2
|
1312,3
|
631,7
|
678
|
|
α
|
61,19
|
39,47
|
|
|
|
a
= l2 sin(90 - α + arcsin(D / l2))
|
1795,4
|
2498,7
|
|
|
|
k
|
1,36
|
2,25
|
|
|
Рисунок 2.7- Кинематика ГУ
2.3.3 Расчет оси в сечении А-А
На ось в сечении А-А действуют изгибающие и срезающие нагрузки от сил S и
N в соответствии с рисунком 2.8:
Рисунок 2.8 - Ось в сечении А-А
Равнодействующую R3.1 сил S и N находим по формуле:
R =N+S×cos(90˚-α)=N+S×sin(α),
кг, (2.9)
Расчет ведем по наибольшей нагрузке Q =35000, кг.
Так как клещевина состоит из двух симметричных щековин, то
S =S/2=48900/2=24450, кг,=N/2=182700/2=91350, кг,
R3.1 =
91350+24450×sin(61,19)=112780, кг.
Эквивалентное напряжение от действия срезающих и изгибающих сил:
σэкв= √σu2
+3τср2≤[σ],
кг/см2 [6, стр. 146]
Изгибающий момент в сечении:
Мизг =R3.1×l4
=112780×7,5=845850, кг×см.
Момент сопротивления:
W=0,1×D3 =0,1×193 =686,
см3,
σu = Мизг /W
=845850/686 =1233, кг/см3,
τср =R3.1/F =[R3.1/(π×D2)]×4=[112780/(π×192)]×4=398,
кг/см2,
σэкв= √12332
+3×3982=1296 кг/см2≤[σm]= 3150 (для стали 40ХН ГОСТ
-70).
Коэффициент запаса:
K2 = [σp]/
[σэкв]=3150/1296
=2,4.
СОД
.3.4 Расчет клещевины в сечении А-А
В сечении А-А действует изгибающая нагрузка от силы S1 на плече а в
соответствии с рисунком 2.7
Mизг
=S1×a = 24450×179,5 = 4,4×106, кг×см.
Размеры сечения клещевины показаны на рисунке 2.8
Момент сопротивления сечения:
W=J/ymax =b1×h13/(12×ymax)=8×50,53/(12×25,3)=3400, см3,
σ =Мизг/W=4,4×106/3400=1294, кг/см2,
предел текучести для стали 265-09Г2С ГОСТ 19281-89:
[σm]=2650, кг/см2
Коэффициент запаса:
n= [σm]/ σ=2650/1294
=2,05.
.3.5 Расчет серьги в сечении А-А
Площадь сечения серьги:
F5 =(h5
-D)×b5=(40-19)×5=105, см2,
Расчетное усилие:
S5 =(Qг /4)×сos (ω), кг,
ω =arctg (c/b)=arctg(98,5/490,2)=11,36˚,5
=(35000/4)×сos(11,36)=8580, кг.
Напряжение растяжения:
σp =S5 /(2 × F5
)=8580/(105)=82, кг/см2≤[σ]
.3.6 Расчет оси в сечении Б-Б
Ось в сечении Б-Б представлена на рисунке 2.9:
Рисунок 2.9 - Ось в сечении Б-Б
Изгибающий момент в сечении:
М=(Qг+G3)×11=(35000+12100)×11=518100, кг×см.
Момент сопротивления сечения:
W=0,1×d3 =0,1×12,53 =195,3, см3.
Напряжение изгиба:
σ
=M/(2×W)=518100/(2×195,3)=1326, кг/см2,
[σ ]=3150, кг/см2 (поковка КП 315, сталь 40ХН
ГОСТ 8479-70).
Коэффициент запаса:
n=[σ ]/ σ =3150/1326 =2,3.
Запас прочности обеспечен.
.3.7 Расчет оси губки
Расчетная схема оси губки представлена на рисунке 2.10:
Рисунок 2.10 - Расчетная схема оси губки
Максимальный изгибающий момент:
Мизг=[(N×l7)/2]
×(1-c/4×l7)=[(182700×13)/2]
×(1-18/4×13)=776500, кг×см.
Момент сопротивления сечения оси:
W=0,1×d73 =0,1×173 =491,3, см3.
Напряжения в сечении оси:
σ=Mизг/W=776500/491,3=1581,
кг/см2≤[σ]=3150 (поковка КП315, сталь 40ХН ГОСТ 8479-70).
Коэффициент запаса прочности оси:
n=[σ ]/ σ =3150/1581 =2
2.3.8 Расчет клещевины
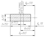
Опасное сечение А-А в соответствии с рисунком 2.11 и рисунком 2.12:
Рисунок 2.11- Эскиз клещевины
Рисунок 2.12 - Сечение А-А
Расчет ведем по теории кривого бруса, т.к. сечение имеет большую кривизну
(R/h=487,5/745=0,65 < 5).
Площадь сечения:
F=B×h=17,5×75=1312,5, см2
Радиус кривизны нейтрального слоя:о =F/(B×ln(R2/R1))=1312,5/(17,5×ln(86,5/11,5))=37, см.
Смещение нейтральной оси от оси центра тяжести сечения:=R-Rо =49-37=11,8,
см.
Изгибающий момент в сечении:
M=N×l8
=182700×57=10,4×106, кг×см.
Определяем напряжения в сечении:
для внутреннего слоя:
σв=N/F+[M/(F×e)]×[(Ro-R1)/R1=182700/1312,5+
+[(10,4×106) / (1312,5×11,8)]×(37-11,5)/11,5 =1630, кг/см2
- для наружного слоя:
σн=N/F+[M/(F×e)]×[(R2-R0)/R2 = 182700/1312,5+
+[(10,4×106)/(1312,5×11,8)]×(86,5-37)/86,5=524, кг/см2.
Предел текучести для стали 325-09Г2С = 3300, кг/см2 (таблица 2. ГОСТ
19281-89).
Запас прочности:
для внутреннего слоя
n=σm/σв=3300/1630=2,02
Допускаемый минимальный коэффициент запаса прочности [n]=2 [16, стр.
183].
В сечении Б-Б действуют растягивающие усилия в соответствии с рисунком
2.11
Расчет ведем по формуле Ляме:
σmax=[N/(B×D)]×[(h2+D2/4)/(h2-D2/4)]=[182700/(175×21)]×
× [(272+212/4)/(272-212/4)]=686
< σm.
Запас прочности:
n=σm/σmax=3300/686=4,8
.3.9 Расчет проушины тяг
Эскиз проушины представлен на рисунке 2.13:
Рисунок 2.13 - Опасные сечения проушины тяг
Растягивающее усилие: S=48900, кг.
Площадь сечения:=(22-14)×0,5+(24-14)×4,5=49, см2.
Напряжения растяжения в сечении проушины:
σ=Р/F=48900/49=998, кг/см2,
Материал тяги 265-09Г2С ГОСТ 19281-89 - [σ]=2650, кг/см2.
Коэффициент запаса прочности:
n=[σ]/σ=2650/998=2,66
Условие прочности выполнено.
.3.10 Расчет оси подвески
Эскиз оси подвески представлен на рисунке 2.14:
Рисунок 2.14 - Эскиз оси подвески
На рисунке 2.15 показана расчетная схема оси подвески:
Рисунок 2.15- Расчетная схема оси подвески
Расчетная сила:
где Р - масса клещей;
к - коэффициент динамичности, (к=1,15);
Q -
масса груза, (Q=35000, кг).
Изгибающий момент:
М=Ррасч×(L1-c/2)/4=54165×(32-24/2)/4=2,7×105, кг.
Момент сопротивления сечения:
Wx=0,1×d3=0,1×12,53=195, см3.
Напряжение изгиба:
σ=М/Wx=2,7×105/195=1385, кг/см2.
Коэффициент запаса прочности:
n=σm/σ=3950/1385=2,8,
где σm=3950, кг/см2, материал поковка КП 395, сталь 40ХН
ГОСТ 8479-70.
2.3.11 Расчет щеки подвески
Эскиз щеки подвески представлен в соответствии с рисунком 2.16:
Рисунок 2.16 - Эскиз щеки подвески
Напряжение в сечении щеки определяем по формуле Ляме:
σmax = [Ррасч/(2×S×d)]×[(h2+d2/4)/(h2 -d2/4)] =
= [54165/(2×4,5×12,5)]×[(162+12,52/4)/(162-12,52/4)] = 655,
кг/см2
Материал щеки сталь 295-09Г2С ГОСТ 19281-89 (предел текучести σm=2950, кг/см2).
Запас прочности сечения:
n=σm/σmax=2950/741,2=4,5
Запас прочности обеспечен.
3. Технологическая часть
Количество выпускаемой продукции, эффективность производства и его
технический прогресс во многом зависит от развития производства нового
оборудования, машин, станков и аппаратов, от всемерного внедрения методов
технико-экономического анализа.
Для разработки технологического процесса на изготовление детали
необходимо полностью провести анализ детали, определить ее технологичность,
основные операции по обработке детали, тип производства, разработать режимы
резания, дать технико-экономическую оценку.
.1 Описание назначения и конструкции детали
Деталь, разрабатываемая в ВКР - ось, работает в паре с рычагом, в клещах
автоматических для транспортировки одного рулона листовой стали в производстве
холоднокатаного листа ООО “ССМ-Тяжмаш”. Эскиз детали ось приведен на рисунке
3.1.
Деталь класса “ось” во многих случаях применяются в качестве опор для
различных конструкций и для других целей.
Во многих случаях оси имеют шлицы, шпоночные пазы, канавки на внутренней
поверхности, резьбы на наружной и на внутренней поверхности и другие
конструктивные элементы.
Основными технологическими базами при механической обработке деталей
класса ось, как правило, являются их геометрическая ось и один из торцов.
Деталь изготавливается из углеродистой стали обыкновенного качества марки
Ст 40 ГОСТ 4543-71.
Данные о материале детали, т. е. химический состав и механические
свойства внесены в таблицу 3.1. и таблицу 3.2.
Таблица 3.1 - Химический состав стали Ст 40 ГОСТ 4543-71, %
|
C
|
Si
|
Mn
|
S
|
P
|
Ni
|
Cr
|
|
|
|
Не более
|
|
|
|
0,14-0,22
|
0,07
|
0,30-0,60
|
0,05
|
0,04
|
0,30
|
0,30
|
Таблица 3.2 - Механические свойства стали 40
, МПа
, МПа
, %ψ, %ан,
|
Дж/см2НВ (не более)
|
|
|
|
|
|
|
не менее
|
|
горячекатаной
|
отожженной
|
|
360
|
610
|
16
|
40
|
50
|
241
|
197
|
В качестве заготовок под механическую обработку для осей небольших
размеров (диаметром 20-80 мм) используют круглый прокат.
3.2 Анализ технологичности конструкции детали
Технологический анализ конструкции обеспечивает улучшение
технико-экономических показателей разрабатываемого технологического процесса.
Поэтому технологический анализ - один из важнейших этапов технологической
разработки, в том числе и дипломного проектирования.
Основные задачи, решаемые при анализе технологичности конструкции
обрабатываемой детали, сводятся к возможному уменьшению трудоемкости и
металлоемкости, возможности обработки детали высокопроизводительными методами.
Таким образом, улучшение технологичности конструкции позволяет снизить
себестоимость ее изготовления без ущерба для ее служебного назначения. При
конструировании отдельных деталей необходимо достичь удовлетворения не только
эксплуатационных требований, но также и требований наиболее рационального и
экономического изготовления изделия. В этом и состоит принцип технологичности
конструкции.
Технологическая конструкция изделия должна предусматривать:
создание деталей наиболее рациональной формы с легкодоступными для
обработки поверхности и достаточной жесткости с целью уменьшения трудоемкости и
себестоимости механической обработки деталей и всего механизма (необходимая
жесткость деталей позволяет обрабатывать их на станках с наиболее производимыми
режимами резания);
наличие на деталях удобных базирующих поверхностей или возможность
создания вспомогательных (технологических) баз в виде бобышек, поясков и т.д.;
наиболее рациональный способ получения заготовок из деталей (отливок,
штамповок, из проката) с размерами и формами, возможно более близкими к готовым
деталям, т. к. обеспечивающими наиболее высокий коэффициент использования
материалов и наименьшую трудоемкость механической обработки.
Деталь ось - изготавливается из стали 40 ГОСТ 4543-71, используемой для
деталей не требуемых большой прочности, работающие с малой нагрузкой без
трения. Для получения используется заготовка из сортового проката: Æ 20-В ГОСТ 2590-88
Рабочий чертеж содержит все необходимые сведения, дающие полное
представление о детали. На чертеже указаны все размеры с необходимыми
отклонениями и требуемая шероховатость обрабатываемых поверхностей.
Конфигурация наружного контура и внутренних поверхностей не вызывает
значительных трудностей при обработке заготовки.
Основные конструктивные требования к деталям типа ось являются точность
диаметральных размеров, концентричность наружных и внутренних рабочих
поверхностей, параллельность торцов и их перпендикулярность основной
геометрической оси детали. Относительно данной детали основные конструктивные
требования выполняются.
Поверхности детали можно обрабатывать проходными резцами, что допускает
применение высокопроизводительных режимов обработки, имеет хорошие базовые
поверхности для предварительной обработки, что допускает применение станков с
ЧПУ и промышленных роботов.
Деталь имеет цилиндрическую форму без каких-либо выступов, что не требует
применения специального режущего инструмента. Наличие у детали лысок и паза
позволяет применять концевые фрезы. В целом деталь технологична и легко может
быть обработана с помощью стандартного оборудования.
.3 Выбор способа получения заготовки
При выборе заготовки для заданной детали главным критерием является
обеспечение заданного качества готового изделия при его минимальной
себестоимости.
На выбор формы, размеров и способа получения заготовки большое влияние
оказывают конструкция и материал детали, характер технологии производства,
трудоемкость и экономичность обработки.
Руководствуясь выше перечисленными факторами, выбираем заготовку из
сортового проката: Æ 20 - В ГОСТ 2590-88
Этот способ получения заготовки является наиболее экономичным при
заданном объеме выпуска деталей. Принимаем массу заготовки 0,73 кг, массу детали
- 0,33, кг. Коэффициент использования материала - это отношение массы детали к
массе заготовки.
, (3.1)
где mдет - масса детали;
mзаг -
масса заготовки.
.4 Разработка технологического маршрута обработки детали
Выбор плана обработки детали включает анализ существующего
технологического процесса. Анализ существующего технологического процесса
должен рассматривать его экономическую эффективность и обеспечения качества
продукции. Поскольку на данной стадии проектирования недостаточно данных для
конкретного ТЭО технологического процесса. Основные операции при изготовлении
данной оси следующие: токарная; фрезерная (фрезерование лысок); сверлильная.
Каждая операция может содержать один или несколько технологических переходов.
Маршрут изготовления детали включает следующие операции:
1. Заготовительная
2. Токарная
. Токарная
. Вертикально-фрезерная
. Вертикально-сверлильная
. Слесарная
. Контрольная
Норма времени на каждую операцию приведена в таблице 3.3:
Таблица 3.3 - Нормы времени на каждую операцию
|
№
|
Наименование операции
|
Норма времени, мин
|
|
1
|
Заготовительная
|
2-3
|
|
2
|
Токарная
|
4-5
|
|
3
|
Токарная
|
4-5
|
|
4
|
Вертикально-фрезерная
|
5
|
|
5
|
Вертикально-сверлильная
|
4-5
|
|
6
|
Слесарная
|
-
|
|
7
|
Контрольная
|
-
|
Выбранный план обработки детали не является единственно возможным. Может
допускаться перестановка некоторых операций, но данный план обработки является
оптимальным.
.5 Выбор типа производства
Тип производства выбираем по таблице 3.4 [5] в зависимости от массы
детали, m = 0,33 кг и годовой программы
выпуска Nг = 80 шт.
Таблица 3.4 - Зависимость типа производства от объема выпуска и массы
детали
|
Масса детали, кг
|
Тип производства
|
|
единичное
|
мелко-серийное
|
среднесерийное
|
крупно-серийное
|
массовое
|
|
<1,0 1,0¸2,5 2,5¸5,0 5,0¸10,0 >10,0
|
<10 <10 <10 <10 <10
|
10¸2000 10¸1000 10¸500 10¸300 10¸200
|
1500¸100000 1000¸50000 500¸35000 300¸25000 200¸10000
|
75000¸200000 50000¸100000 35000¸75000 25000¸50000 10000¸25000
|
>200000 >100000 >75000 >50000 >25000
|
Исходя из справочных данных, выбираем мелкосерийное производство. В
мелкосерийном производстве выпускаются изделия ограниченной номенклатуры,
изготавливаемые периодически повторяющимися партиями со сравнительно большим
объемом выпуска, по сравнению с единичным производством. На рабочих местах
выполняется несколько периодически повторяющихся операций. Технологические
особенности серийного производства изменяются в зависимости от номенклатуры,
трудоемкости и количества изделий в партии деталей. При серийном производстве
обычно применяются универсальные, специальные станки, станки с ЧПУ и другие
металлорежущие станки.
.6 Расчет припусков на механическую обработку
Расчет припуска имеет очень важное значение в процессе обработки детали
при разработке технологических операций. Правильное значение припусков на
обработку заготовки обеспечивает экономию материала и трудовых ресурсов,
качество выпускаемой продукции снижает себестоимость изделий.
Существует два метода расчета припусков: аналитический (расчетный) и
справочный (табличный). Для заданной поверхности детали произведем расчет
припусков аналитическим методом, а для остальных размеров припуски назначаем
табличным методом.
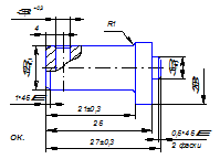
Приведем пример расчета припуска на размер Æ 12±0,1мм.
Расчет припусков на обработку приведен в таблице 3.5, в которой
последовательно записан технологический маршрут обработки этого размера и все
значения элементов припуска.
Таблица 3.5 - Расчет припусков и предельных размеров по технологическим
переходам на обработку поверхности Æ 12-0,1 мм
|
Элементы припуска, мм
|
Расчетный припуск 2Zmin,
мкм
|
Расчетный размер dр,
мм
|
Допуск d, мкм
|
Предельный размер, мкм
|
Предельные значения
припусков, мкм
|
|
Rz
|
T
|
r
|
|
|
|
dmin
|
dmax
|

|
|
|
заготовка
|
20
|
150
|
41
|
-
|
12,586
|
770
|
11,9
|
12,33
|
-
|
-
|
|
чистовое растачивание
|
20
|
25
|
2,46
|
2×343
|
13,25
|
440
|
12,6
|
13,9
|
700
|
1570
|
|
Итого
|
-
|
700
|
1570
|
Все расчеты ведем по рекомендациям [4].
Значения Rz и Т,
характеризующие качество поверхности заготовки, составляют соответственно 150 и
150 мкм. Далее для технологического перехода записываем соответствующие
значения Rz и Т.
Определяем суммарное значение пространственных отклонений по формуле:
l, мкм, (3.2)
где Dк - удельная
кривизна заготовки по таблице 4.8 [4]
l -
длина заготовки.
, мкм.
Остаточные пространственные отклонения на обработанных поверхностях,
имевших исходные отклонения, являются следствием копирования погрешностей при
обработке. При выполнении дипломного проекта для определения значений припусков
на механическую обработку воспользуемся эмпирической формулой:
, мкм,
(3.3)
, мкм.
где Ку - коэффициент уточнения формы, зависящий от типа обработки.
Ку = 0,06 [стр. 73, 4]
Погрешность закрепления заготовки eз принимаем равной 270 мкм. Тогда
остаточная погрешность установки при предварительном точении:
21
мкм.
На основании записанных в таблице данных производим расчет минимального
значения припуска по основной формуле:
, мкм,
(3.4)
, мкм.
где Rz - высота микронеровностей;
Т - глубина дефектного слоя;
r - пространственное отклонение;
e - погрешность установки.
Минимальный припуск под обтачивание:
Определяем расчетный размер, начиная заполнение соответствующей графы с
конечного (чертежного) размера, путем прибавления расчетного минимального
припуска:
, мм,
(3.5)
мм.
Наибольшие предельные размеры вычисляем путем прибавления допуска к
округленному наименьшему предельному размеру:
, мм,
(3.6)
, мм,
, мм.
где di - допуск.
Значение допусков для каждого перехода принимаем в соответствии с
квалитетом того или иного вида обработки.
Предельные
значения припусков
равны разности наибольших предельных размеров, а
значения
-разности наименьших предельных размеров
предшествующего и выполняемого переходов.
Определяем
предельные значения припусков:
, мкм ,
(3.7)
мм =700
мкм,
мм =1570
мкм.
Производим проверку правильности выполненных расчетов:
, мкм,
(3.8)
, мкм,
=770
мкм.
Определяем номинальный размер заготовки:
, мм,
(3.9)
мм.
.7 Выбор металлорежущего оборудования
Таблица 3.6 - Металлорежущее оборудование
|
Наименование операции
|
Наименование и модель
станка
|
Краткая техническая
характеристика
|
|
Токарная
|
Токарный станок модели
16К20
|
Наибольший диаметр
обрабатываемой заготовки, мм Над станиной 600 Над суппортом 320 Наибольшая
длина обрабатываемой заготовки, мм 1400 Частота вращения шпинделя, мин-1
10-1250 Подача, мм/об Продольная 0,064-1,025 Поперечная 0,026-0,378 Резцовых
салазок 0,006-0,15 Дискретность задания размеров (мм): ---X ---Z Мощность
электродвигателя привода главного движения, кВт 13 Габаритные размеры, мм 4660×1690
|
|
Сверлильная
|
Вертикально-сверлильный
станок модели 2А135
|
Наибольший диаметр, мм:
Сверления в заготовке из стали45 18 Размеры рабочей поверхности, мм: Плиты 1600×860
Скорость быстрого перемещения, мм/мин:
Салазок 8000 Сверлильной головки 8000 Шпинделя 5000 Подача, мм/мин: Салазок
1-2000 Сверлильной головки 1-2000 Габаритные размеры станка, мм: 910×550 Суммарная мощность электродвигателей, кВт 2,2
|
|
Вертикально-фрезерная
|
Вертикально-фрезерный
станок модели 6М11В
|
расстояние от оси шпинделя
до стола,мм: 50-450 расстояние от зеркала до стола, мм: 20-320
|
Выбор оборудования осуществляется на основании таких данных, как метод
обработки, точность обработки, расположение размеров обрабатываемых
поверхностей, габаритных размеров заготовки, количества инструментов в наладке
станка, обеспечение заданной производительности, эффективность использования
станка по времени, по мощности и др.
.8 Выбор станочных приспособлений
Исходные данные:
. вид обработки;
. технологические базы;
. точность обработки;
. возможность или необходимость применения того или иного силового
привода;
. тип производства.
Для всех операций кроме вертикально-фрезерной применяется поводковый
патрон.
Для вертикально-фрезерной применяются тиски переналаживаемые
универсальные ГОСТ 21168-75. Применяют для закрепления различных по форме и
размерам заготовок, устанавливаемых на рабочей поверхности обеих губок, несущих
сменные наладки. Диаметр зажимаемой заготовки, мм 155…290
Зажимающий ход губки=18мм
.9 Выбор режущего инструмента
Выбор режущих инструментов для основных переходов при обработке детали
выполнен по методике, изложенной в [3].
Исходные данные:
1. Вид обработки
2. Форма поверхности
. Расположение поверхности
. Точность поверхности, размеров
. Шероховатость
. Материал детали
. Тип производства
Режущие инструменты и их техническая характеристика приведены в таблице
3.7:
Таблица 3.7 - Применяемые режущие инструменты и средств измерения
|
Операция и переходы
|
Режущие инструменты
|
Материал режущей части
|
ГОСТ инструмента
|
|
Заготовительная
|
Торцевая фреза с вставными
ножами: правосторонняя 2214-0155; левосторонняя 2214-0156
|
ВК6 ВК6
|
ГОСТ 3473-80 ГОСТ 3473-80
|
|
Мерительный инструмент:
линейка 2 класса точности металлическая ШП 250х5 ГОСТ 8026-75, штангенциркуль
ШЦ 0-150 ГОСТ 164-80
|
|
Токарная
|
Резцы токарные: проходной
упорный левый с шестигранной твердосплавной пластинкой
|
Т15К6
|
ГОСТ 21151-75
|
|
проходной упорный правый с
шестигранной твердосплавной пластинкой
|
Т15К6
|
ГОСТ 21151-75
|
|
Канавочный наружный резец
(правая канавка)
|
Т15К6
|
ТУ2-035-558-77
|
|
Канавочный наружный резец
(левая канавка)
|
Т15К6
|
ТУ2-035-558-77
|
|
Прозезной наружный (канавка
под стопорное кольцо)
|
Т15К6
|
ГОСТ 18884-73
|
|
Мерительный инструмент:
штангенциркуль ШЦ 0-150 ГОСТ 164-80
|
|
Фрезерная
|
Шпоночная фреза Ø12 мм
|
Р6М5
|
|
|
Мерительный инструмент:
линейка ШП 250х5 ГОСТ 8026-75,штангенциркуль ШЦ 0-150 ГОСТ 164-80
|
|
|
|
|
|
.10 Выбор инструментальных приспособлений
Исходные данные:
1. Размеры и форма инструмента
2. Конструкция посадочного места инструмента
. Конструкция посадочного места станка
. Точность обработки
. Тип производства
Выбранные инструментальные приспособления приведены в таблице 3.8:
Таблица 3.8 - Применяемые инструментальные приспособления
|
№
|
Наименование перехода и
инструмента
|
Наименование
инструментального приспособления
|
Примечание (краткая
характеристика)
|
|
1
|
Резец
|
Комплект державок
|
|
|
2
|
Упорно-проходной резец
|
Державка
|
|
|
3
|
Центровое сверло
|
Оправка с односторонней цангой
|
d=32 мм
|
|
4
|
Фреза концевая
|
Оправка конусная
|
d=30 мм
|
.11 Определение режимов резания (табличный метод)
Токарная операция
При черновом (предварительном) точении назначаем подачу в зависимости от
выбранной глубины резания и жесткости системы.
S=0,5
мм/об. Допускаемая скорость резания составляет V - 90-110 м/мин.
При чистовом точении назначаем подачу в зависимости от требуемой
шероховатости и радиуса скругления на вершине резца.
Подача S=0,25 мм/об. Допускаемая скорость
резания V - 120-160 м/мин.
Фрезерная операция
Фрезерование лысок осуществляется концевой фрезой.
Подача на зуб Sz=0,31 мм/зуб.
Глубина резания t=3 мм. Скорость
резания находится в диапазоне V -
12-16 м/мин.
.12 Техническое нормирование времени операций. Расчет нормы времени
Норма времени рассчитывается для основных станочных операций с учетом
типа производства:
, мин,
(3.10)
где
t0 - основное время рассчитывается по законам
механического движения
tв -
вспомогательное время оценивается по продолжительности вспомогательных приемов
и ходов
tтех - 10% от
основного времени
tорг -
организационное время 10%( t0+ tв)
tп - время
перерывов 2,5%( t0+ tв)
tп.з -
подготовительное заключительное время 30 мин на одну партию.
Составляющие
и полные нормы времени приведены в таблице 3.9:
Таблица
3.9 - Составляющие и полные нормы времени
|
№ перехода
|
to, мин
|
tв, мин
|
tтех, мин
|
tорг, мин
|
tn, мин
|
Tnз, мин
|
Tштк, мин
|
|
1.Токарная
|
0.25
|
0.33
|
0.35
|
0.887
|
0.4
|
5.515
|
|
2.Токарная
|
3.95
|
0.25
|
0.395
|
0.35
|
0.87
|
0.4
|
5.95
|
|
3.Вертикально-сверлильная
|
6,385
|
5,6925
|
0,638
|
0,47
|
0,5
|
0,5
|
14,46
|
|
4.Вертикально-фрезерная
|
4.65
|
0.25
|
0.465
|
0.35
|
0.87
|
0.4
|
6.65
|
4. Исследование напряженно-деформированного состояния детали траверса
.1 Решение линейных задач теории упругости методом конечных элементов
Точное аналитическое решение возможно только для очень ограниченного
круга задач теории упругости. Поэтому для инженерной практики огромное значение
имеют приближенные методы. Важность этих методов особенно возрастает в связи с
активным внедрением в теорию и практику проектирования вычислительной техники и
новейших информационных технологий.
В данной главе мы рассмотрим метод конечных элементов (МКЭ), имеющий
наибольшее применение для решения прикладных инженерных задач.
Характерной особенностью МКЭ, относящегося к так называемым прямым
методам, является то, что процедуры для отыскания числовых полей неизвестных
функций в теле (таких как перемещения, напряжения, силы) строятся на основе
вариационных принципов механики упругого тела без непосредственного использования
дифференциальных уравнений. Заметим, что в настоящее время МКЭ является самым
эффективным прямым методом приближенного решения прикладных задач механики.
В основе МКЭ лежит представление объекта исследования в виде набора
некоторых простых с геометрической точки зрения фигур, называемых конечными
элементами, взаимодействующими между собой только в узлах. Расположенные
определенным образом (в зависимости от конструкции объекта) и закрепленные в
соответствии с граничными условиями конечные элементы, форма которых
определяется особенностями моделируемого объекта, позволяют описать все
многообразие механически конструкций и деталей.
Например, плоскую форменную конструкцию можно смоделировать набором
плоских стержневых фигур, рамную - набором объемных стержневых элементов,
различного рода пластины и оболочки - множеством плоских треугольников или
прямоугольников. Геометрически объемные тела удобно представлять в виде
совокупности элементарных пирамид, параллелепипедов и призм, и т. д. На рисунке
4.1 показан пример разбивки пластины на конечные элементы - треугольники.
Рисунок 4.1- Сеть конечных элементов
Рамные конструкции, как правило, моделируются набором стержневых конечных
элементов. Различного рода пластины и оболочки удобно моделировать набором
плоских треугольных, либо прямоугольных элементов, а в отдельных случаях и
набором более сложных элементов. Геометрически объемные тела удобно
представлять в виде совокупности элементарных пирамид, параллелепипедов и
призм.
Такое представление рассматриваемого объекта позволяет решать задачи
расчета напряженного и деформированного состояний тела, устойчивости и
динамики, нахождения частот и амплитуд собственных и вынужденных колебаний.
Кроме того, МКЭ можно с успехом использовать для решения задач стационарной и
нестационарной теплопроводности, расчета полей статического электричества и
скоростей безвихревого течения жидкости, и т. д.
Практическое использование этого метода во многом зависит от уровня
развития компьютерной техники и качества программного обеспечения, реализующего
этот метод. Программное обеспечение для решения задач методом МКЭ должно
включать в себя следующие элементы: редактор разбивки на конечные элементы,
ядро, непосредственно обеспечивающее решение, и визуализатор для демонстрации
полученных результатов.
Следует отметить, что МКЭ - это достаточно самостоятельный раздел
механики сплошной среды, который динамично развивается и совершенствуется. Для
подробного ознакомления с ним можно воспользоваться специальной литературой.
Здесь же будут рассмотрены лишь физические основы этого метода на примере
решения плоской задачи теории упругости - расчета напряженного состояния тонкой
пластины произвольной формы. В качестве конечного элемента примем плоский
элемент треугольной геометрической формы.
Рассмотрим
конечный элемент, координаты узлов которого равны
и
в
соответствии с рисунком 4.2:
Рисунок
4.2 - Конечный элемент
После
приложения внешней нагрузки тело деформируется, и каждая внутренняя точка этого
элемента с координатами х,у занимает новое положение, перемещаясь в направлении
координатных осей х и у соответственно на расстояния и(х,у) и v(x,y),
причем в пределах одного конечного элемента эти перемещения представляются в
виде линейных функций координат:
(4.1)
, (4.2)
;
;
.
Необходимо отметить, что задание перемещений в виде линейных функций
(4.1) обеспечивает сшивку этих функций на границах соседних элементов.
Действительно, линейность перемещений в узлах означает и их линейность везде
вдоль границы элемента.
Подставляя в (4.2) координат узловых точек, получаем:
,
, (4.3)
где
.
В
системе уравнений (4.3) в качестве неизвестных можно рассматривать постоянные
коэффициенты
. Разрешая (4.3) относительно
с помощью формул Крамера, имеем
(4.4)
Здесь
- определитель матрицы системы, численно равный
площади конечного элемента:
Заметим,
что тот же самый результат (4.4) получается и другим способом:
поскольку
определитель матрицы отличен от нуля, то единственное решение системы (4.3)
есть произведение обращенной матрицы системы и вектора
Подстановка
(4.4) в (4.3) приводит к выражению для определения поля перемещений
произвольной точки данного конечного элемента:
(4.5)
где
а остальные коэффициенты находятся путем циклической
перестановки индексов 2 и 3. В матричной форме (4.5) переписывается как
, (4.6)
Функция
, имеющая вид
(4.7)
называется функцией формы.
Компоненты
вектора - столбца
относительной деформации связаны с перемещениями
соотношениями,
С другой стороны, используя (4.6) и (4.7), можно написать
(4.8)
;
Перемещения
связаны с соответствующими напряжениями законом Гука, который для случая
плоского нагружения записывается в виде
, (4.9)
Уравнение (4.9) с учетом (4.6) принимает следующий вид
(4.10)
Воспользуемся выражением для потенциальной энергии деформации
элементарного объема. Тогда эта энергия, с учетом (4.10), определится из
очевидного уравнения
. (4.11)
Выражение
для объема в уравнении (4.11) представляет собой, в случае плоской задачи,
произведение площади конечного элемента на его толщину.
Энергия
деформации элемента объема может быть рассчитана иначе - как работа внешних
сил. В качестве внешней нагрузки на элемент объема можно принять реакции
приложенные к граням этого элемента, тогда
(4.12)
Из
уравнения (4.1) легко определить реакции, выполнив ряд очевидных сокращений,
тогда
(4.13)
. (4.14)
Уравнение
(4.13) представляет собой обычное уравнение равновесия, а матрица
является квадратной размерности 6х6. Она называется
матрицей жесткости конечного элемента,
Элементы
этой матрицы получаются решением матричного уравнения (4.14):
;
;
;
;
;
;
;
;
;
;
;
;
;
;
;
;
;
;
;
;
.
Глобальная
матрица жесткости может быть найдена поэлементным суммированием матриц
жесткости отдельных элементов и имеет размерность
, где N - общее количество узлов разбиения.
Левую
часть уравнения равновесия (4.13) составляет вектор силовых факторов
, компоненты которого в количестве
равны силам, действующим в узлах. Учет распределенной
нагрузки производится равномерным ее распределением по узлам, расположенным на
границе.
.2 Использование трёхмерных моделей для расчёта изделий методами
имитационного моделирования
Имитационное моделирование - создание электронной модели проектируемого объекта и
экспериментирование с ней при заданных ограничениях. Целью таких экспериментов
является определение оптимальных параметров модели.
Различают два метода имитации:
- Кинематическая -
имитация процесса движения элемента объекта с целью определения столкновений
(коллизий).
Динамическая -
имитация процесса исследования поведения объекта при изменении действующих
нагрузок и температур. В этом случае определяется теплонапряжённое состояние
объекта, а также определение напряжённо - деформированного состояния объекта.
Последняя задача была решена давно. Для определения напряжённо - деформированного состояния могут
использоваться методы имитационной физики, достаточно хорошо разработана теория
метода математической физики. Эти методы позволяют получить достаточно точные
результаты, только лишь при достаточно простой конфигурации объекта. При
сложной конфигурации объекта в САПР используется метод конечных элементов
(МКЭ).
4.3 Расчет напряженно - деформированного состояния детали «Траверса» в
среде APM WinMachine
Проводим исследования напряженно-деформированного состояния, имитируя
работу основания под действием сил веса установленных на нем агрегатов и
приложенных к ним рабочих нагрузок.
Прежде всего необходимо сформировать твердотельную модель детали в среде
Компас-3D в соответствии с рисунком 4.3:
Рисунок 4.3 - Трехмерная модель траверсы
Расчет детали «Траверса» проводится с использованием модуля APM Structure 3D программного комлекса APM WinMachine. Модуль APM Structure 3D рассчитывает
напряженно-деформированное состояние стержневых, пластинчатых, оболочечных и
твердотельных конструкций, а также их всевозможных комбинаций. APM Structure 3D является инструментом, с помощью которого можно произвести
расчет всего многообразия существующих конструкций, используя для каждой
последующей вариации вышеперечисленные макроэлементы.
Конструкции и их элементы импортируются в редактор конструкций через DXF-формат из 2D и 3D
графических редакторов или напрямую через модуль APM STUDIO с подготовленной конечно-элементной сеткой и
вариантами закрепления и нагрузки в соответствии с рисунком 4.4:
Рисунок 4.4 - Сетка нагружения и закрепления
Условия закрепления конструкции и внешней нагрузки произвольные по
характеру и местоположению.
Модуль позволяет решать следующие задачи:
определение полей эквивалентных напряжений и их составляющих;
расчет линейных, угловых и результирующих перемещений;
определение внутренних усилий;
расчет устойчивости и формы потери устойчивости;
определение частот собственных колебаний и собственных форм;
расчет вынужденных колебаний;
автоматический подбор сечений из условий прочности, жесткости,
устойчивости для металлоконструкций машиностроительного назначения;
проектирование узлов металлоконструкций;
автоматическая генерация номенклатуры элементов, составляющих
конструкцию.STUDIO - модуль моделирования и импорта (поддерживается импорт из
формата STEP) трехмерных поверхностных и твердотельных моделей с инструментами
указания опор и приложения различных нагрузок и встроенным генератором разбиения
на конечно-элементную сетку. Основное назначение модуля - подготовка
смоделированной или импортированной геометрии к конечно-элементному анализу в
модуле APM STRUCTURE 3D.
По цветной легенде, находящейся на рисунке 4.5 , можно определить
максимальные значения того или иного параметра и сделать соответствующие выводы
о прочностных характеристиках детали.
Рисунок 4.5 - Результаты расчета
В ходе расчетов, проведенных методом имитационного моделирования, были
получены аппроксимированные результаты в соответствии с рисунками 4.6 и 4.7:
наибольшие значения статического напряжения и деформационного растяжения,
определенных разработчиком как допустимые при указанных нагрузках, деталь имеет
необходимый запас прочности, требуемый для безопасного использования изделия в
целом.
Рисунок 4.6 - Расчетная модель частот
Рисунок 4.7 - Результаты расчетов частоты колебаний
5. ОРганизационно-экономическая часть
.1 Оценка затрат на проведение модернизации.
) Выплата проектировщику детали будет составлять 30000 рублей
единовременно.
) Приобретение лицензии на программное обеспечение системы APM WinMachine 220000 рублей.
) Приобретение компьютерного оборудования под установку программного
обеспечения 80000 рублей.
.2 Анализ структуры затрат на производство траверсы по базовой технологии
и по проектируемой
Расчет затрат - один из самых сложных и необходимых на любом промышленном
предприятии. Он необходим для того, чтобы определить прямые производственные
затраты выпускаемого изделия, а из них минимально допустимую цену продажи для
положительного значения чистой прибыли.
Прежде, чем производить расчет, напомним основные принципы работы нашего
предприятия. Намечается, что предприятие, рассматриваемое в данном курсовом
проекте, будет иметь устойчивые связи с потребителями своих изделий, в связи с
тем, что выпускает высококачественную и очень востребованную на рынке
продукцию, спрос на которую по определенным причинам не убывает (хвостовики
всех типов и размеров, бобышки, фланцы и др. изделия, применяемые при
производстве своих изделий другими предприятиями). Было сказано, что
предприятие работает в мелкосерийном режиме (см. п. 1.1), но это при выпуске
только одного типоразмера изделия; в общей же сложности предприятие работает
практически в безостановочном режиме, выпуская мелкосерийно все новую и новую
продукцию.
5.2.1 Расчет материальных затрат
Расчет затрат на основные материалы [10].
Основным материалом для производства, т.е. первичной заготовкой,
поступающей на предприятие от поставщика, является литая заготовка. Данная
заготовка и будет проходить технологический процесс обработки - второй этап
изготовления изделия. Геометрические параметры заготовки (закупаемой у
поставщика) будут определяться величиной дефектов поверхностного слоя и
припусков на обработку. Заготовка имеет сложную конфигурацию, но ее масса уже
определена и равна:
m =
2364,29, кг.
Затраты на основные материалы для изготовления одной единицы изделия
ЗО.М., руб рассчитываются по следующей формуле:
ЗО.М. = C·m , руб, (5.1)
где С - цена стали 30Л (стоимость 1 кг), руб/кг;
m -
масса первичной заготовки, кг;
С = 80 руб/кг (цена на 17.05.2016);
ЗО.М. = 80·2364,29 =189143,2, руб.
Затраты на основные материалы ЗО.М. = 189143,2 руб. на единицу изделия.
Затраты на вспомогательные материалы.
1. Машинное масло, необходимое для смазывания механизмов станочного
оборудования. Масло индустриальное И-40А. Стоимость 1 бочки 216,5 л - 8950 руб.
На предприятии 13 единиц оборудования, требующего смазки. На каждую единицу
положено 16 л масла, заменяемого каждый месяц. Таким образом, в месяц
расходуется вся бочка. Ожидаемая производительность предприятия 6 единиц
изделия в месяц. Тогда составляющая себестоимости на данный материал (затраты
на машинное масло ЗМ.М., руб.) составит:
ЗМ.М. = 8950/6 = 1491,7, руб/изделие.
2. Закалочное масло, необходимое как охлаждающая среда для
термической операции. Масло закалочное МЗМ-16 ТУ 38.101135-88. Стоимость 1
бочки 216,5 л - 9790 руб. Для закалки изделий на предприятии достаточно 40 л
масла, обновляемого каждый месяц. Затраты на закалочное масло ЗЗ.М., руб.
составят:
,5/40 = 5,41 месяца, примем 5 месяцев, т.е. одной бочки хватит на 5
месяцев, тогда
ЗЗ.М. = 9790/5·6 = 326,33, руб/изделие.
Затраты на электроэнергию.
Затраты на электроэнергию ЗЭ.Э., руб. определяются следующим образом:
ЗЭ.Э. = CЭ.Э.·P·t , руб, (5.2)
где СЭ.Э.-тариф на электроэнергию для юридических лиц, СЭ.Э.= 3,79,
руб/кВт·ч;
P -
мощность оборудования, кВт;
t -
время обработки, ч.
. Электрическая нагревательная печь (обрабатывает 2 изделия
одновременно).
Мощность P = 9,5 кВт;
работает и не отключается в течение всей рабочей недели, отключается в 00:00 в
субботу и вновь включается в 00:00 в воскресенье (время нагрева/остывания около
суток), т.е. работает 6 дней в неделю; расчет будет произведен по 1 неделе;
ожидаемая производительность предприятия 1,5 единиц изделия в неделю;
ЗЭ.Э.1 = 3,79·9,5·6·24/1,5 = 3456,48, руб/изделие.
. Станок токарный 16К20, 1 единица.
P = 10
кВт; t = 136,87 мин = 2,28 ч;
ЗЭ.Э.2 = 3,79·10·2,28 = 86,41, руб/изделие.
. Станок вертикально-фрезерный 6Р13Ф3-01, 1 единица.
P = 8
кВт; t = 93,44 мин = 1,56 ч;
ЗЭ.Э.3 = 3,79·8·1,56 = 47,29, руб/изделие.
. Станок вертикально-сверлильный 2Р135Ф2, 1 единица.
P = 5
кВт; t = 90,24 мин = 1,5 ч;
ЗЭ.Э.4 = 3,79·5·1,5 = 28,42, руб/изделие.
. Электрическая печь для термической обработки: закалка и низкий отпуск
P = 9
кВт; печь работает аналогично нагревательной печи;
ЗЭ.Э.5 = 3,79·9·6·24/1,5 = 3274,56, руб/изделие.
. Станок плоскошлифовальный 3Г71М, 1 единица.
P = 2
кВт; t = 27,24 мин = 0,45 ч;
ЗЭ.Э.6 = 3,79·2·0,45 = 3,41, руб/изделие.
. Станок круглошлифовальный 3В110, 1 единица.
P =
2,5 кВт; t = 21,32 мин = 0,36 ч;
ЗЭ.Э.7 = 3,79·2,5·0,36 = 3,41, руб/изделие.
. Станок координатно-расточной 2450, 1 единица.
P =
2,4 кВт; t = 32 мин = 0,53 ч;
ЗЭ.Э.8 = 3,79·2,4·0,53 = 4,82, руб/изделие.
Кроме всего перечисленного на предприятии, конечно, есть и другие затраты
на электроэнергию. Приведем три основные:
. Затраты на освещение цеха.
Суммарная мощность общего освещения 10 кВт,
Суммарная мощность местного освещения 1,6 кВт;
освещение работает в среднем 15 ч в сутки 5 дней в неделю; произведем
расчет затрат на одну неделю:
ЗЭ.Э.9 = 3,79·(10+1,6)·15·5/1,5 = 2198,2, руб/изделие.
. Затраты на работу кран-балок.
Суммарная мощность обеих кран-балок 12 кВт;
кран-балки в общей сложности работают непрерывно в среднем 2 ч в сутки 5
дней в неделю:
ЗЭ.Э.10 = 3,79·12·2·5/1,5 = 303,2, руб/изделие.
. Затраты на работу автопогрузчиков, работающих на электроаккумуляторах,
заряжаемых от электросетей предприятия.
Не более 200 кВт·ч в неделю.
ЗЭ.Э.11 = 3,79·200/1,5 = 505,33, руб/изделие.
Суммарные затраты на электроэнергию ЗЭ.Э, руб/изделие:
ЗЭ.Э = ЗЭ.Э.1+ЗЭ.Э.2+ЗЭ.Э.3+ и т.д., руб/изделие,
ЗЭ.Э.=3456,48+86,41+47,29+28,42+3274,56+3,41+3,41+4,82+2198,2+
+303,2+505,33 = 9911,53 руб/изделие.
Затраты на ремонт и обслуживание оборудования, а также на запасные части
к нему.
Эти затраты определяются по эмпирической формуле:
ЗР.О. = (0,03 ÷ 0,05)·ЗМ'
, руб/изделие, (5.3)
где ЗМ’ - сумма всех выше рассчитанных материальных затрат.
ЗМ’ = ЗО.М.+ЗМ.М.+ЗЗ.М.+ЗЭ.Э. , руб/изделие, (5.4)
ЗМ’ = 189143,2+1491,7+326,33+9911,53 = 200872,76, руб/изделие.
ЗР.О. = 0,03·200872,76 =6026,18, руб/изделие.
Суммарный расход на материальные затраты ЗМ., руб/изделие:
ЗМ. = ЗМ’+ЗР.О. , (5.5)
ЗМ. = 200872,76+6026,18 = 206900,94, руб/изделие.
5.2.2 Расчет затрат на оплату труда
Непосредственно производством, т.е. работой в цехе, на предприятии занято
20 человек, работающих по группам в три смены.
. Токарная, фрезерная и сверлильная операции на станках с ЧПУ в обеих
линиях.
Специалист по работе на станках с ЧПУ (настройка, наладка, написание
программ и т.д.), 1 чел. на смену (12 ч), всего 2 работников. Назначить каждому
работнику з/п в размере 15 000 руб/месяц.
ЗО.Т.1 = 15000·2/6 = 5000, руб/изделие.
. Слесарная и термическая операции для всего цеха.
Рабочий 4-го разряда, 1 чел. на смену (8 ч), всего 3 рабочих. Назначить
каждому рабочему з/п в размере 10 000 руб/месяц.
ЗО.Т.2 = 10000·3/6 = 5000, руб/изделие.
. Плоскошлифовальная и круглошлифовальная операции в обеих линиях.
Рабочий 3-го разряда, 1 чел. на смену (8 ч), всего 3 рабочих. Назначить
каждому рабочему з/п в размере 8 000 руб/месяц.
ЗО.Т.3 = 8000·3/6 = 4000, руб/изделие.
. Координатно-расточная в обеих линиях и контрольная на весь цех
операции.
Специалист по средствам измерения и контроля, владеющий навыками работы
на координатно-расточных станках (по последнему возможно обучение), 1 чел. на
смену (12 ч), всего 2 работников. Назначить каждому работнику з/п в размере 12
000 руб/месяц.
ЗО.Т.4 = 12000·2/6 = 4000, руб/изделие.
. Перевозка грузов внутри цеха и вне его по всей территории предприятия
вручную, на тележках, автопогрузчике для всего производства.
Рабочий, умеющий управлять автопогрузчиком, 1 чел. на смену (12 ч), всего
2 рабочих. Назначить каждому рабочему з/п в размере 8 000 руб/месяц.
ЗО.Т.5 = 8000·2/6 = 2667, руб/изделие.
. Наладка оборудования за искл. станков с ЧПУ.
Наладчик, 1 чел. на смену (12 ч), всего 2 работников. Назначить каждому
работнику з/п в размере 15 000 руб/месяц.
ЗО.Т.6 = 15000·2/6 = 5000, руб/изделие.
. Ремонт и обслуживание всего оборудования цеха.
Механик, 1 чел. на смену (12 ч), всего 2 работников. Назначить каждому
работнику з/п в размере 12 000 руб/месяц.
ЗО.Т.7 = 12000·2/6 = 4000, руб/ изделие.
. Организационно-техническое руководство над всеми работниками цеха.
Ответственность за все происходящее в цехе.
Мастер цеха, 1 чел. на все производство, продолжительность смены - 12 ч.
Назначить мастеру цеха заработную плату в размере 20 000 руб/месяц.
ЗО.Т.8 = 20000·1/6 = 3333,33, руб/изделие.
Суммарные затраты на оплату труда ЗО.Т.:
ЗО.Т. = ЗО.Т.1+ ЗО.Т.2+ ЗО.Т.3+ и т.д., руб/изделие, (5.6)
ЗО.Т. = 5000+5000+4000+4000+2667+5000+4000+3333,33 =
=33000,33, руб/изделие.
.2.3 Расчет затрат на амортизационные отчисления
Амортизационные отчисления - это денежные суммы, идущие в заранее
создаваемые фонды, средства из которых в будущем пойдут на полную замену того
или иного производственного оборудования, за которым данный фонд закреплен.
Амортизационные отчисления на будущую полную замену определенного оборудования
ЗА.О.i, руб/изд определяются по формуле:
ЗАОi = CО/Т·12·N, руб/изделие, (5.7)
где СО - прогнозируемая цена оборудования на момент его закупки в будущем
(через период, равный его сроку службы Т), руб;
Т - срок службы оборудования, лет;
N -
число изделий нашего предприятия, изготавливаемых в месяц, ед. изд.
. Нагревательная печь.
СО = 420 000 руб; Т = 20 лет; N = 6 изд/месяц. Далее значение N указываться не будет;
ЗАО1 = 420000/20·12·6 = 291,67 руб/изделие.
. Станок токарный 16К20Ф3С5, 1 штука.
СО = 1 850 000 руб; Т = 10 лет;
ЗАО2 = 1850000/10·12·6 = 2568,44 руб/изделие.
. Станок вертикально-фрезерный 6Р13Ф3-01, 1 штука.
СО = 1 600 000 руб; Т = 8 лет;
ЗАО3 = 1600000/8·12·6 = 2777,78 руб/изделие.
. Станок вертикально-сверлильный 2Р135Ф2, 1 единица.
СО = 1 450 000 руб; Т = 8 лет;
ЗАО4 = 1450000/8·12·6 = 2517,36 руб/изделие.
. Печь для термообработки.
СО = 670 000 руб; Т = 16 лет;
ЗАО5 = 670000/16·12·6 = 581,6 руб/изделие.
. Станок плоскошлифовальный 3Г71М, 1 единица.
СО = 780 000 руб; Т = 7 лет;
ЗАО6 = 780000/7·12·6 = 1547,62 руб/изделие.
. Станок круглошлифовальный 3В110, 1 единица.
СО = 810 000 руб; Т = 8 лет;
ЗАО7 = 810000/8·12·6 = 1406,25 руб/изделие.
. Станок координатно-расточной 2450, 1 единица.
СО = 1 600 000 руб; Т = 10 лет;
ЗАО8 = 1600000/10·12·6 = 2222,22 руб/изделие.
. Кран-балка, 2 единицы.
СО = 400 000 руб; Т = 6 лет;
ЗАО9 = 400000·2/6·12·6 = 1851,85 руб/изделие.
. Остальные материальные ресурсы.
Не более ЗАО10 = 1000 руб/изд.
Общие затраты на амортизацию ЗАО:
ЗАО = ЗАО1+ЗАО2+ЗАО3+ и т.д., руб/изделие, (5.8)
ЗАО=291,67+2568,44+2777,78+2517,36+581,6+1547,62+1406,25+2222,22+1851,85+1000=
16764,79 руб/изделие.
.2.4 Расчет прочих затрат
К прочим затратам можно отнести:
. Фиксированный налог на частную движимую и недвижимую собственность (на
сооружения, оборудование).
Региональный налоговый орган назначил налоги по следующим ставкам:
на движимое имущество (оборудование) 0,9%;
на недвижимое имущество (сооружения) 1,3%. Рассчитаем затраты на каждое
изделие по налогу ЗП1, руб/изд:
суммарная стоимость основного оборудования СО, руб:
СО = СО1+СО2+…+СО9 (см. п. 2.3), руб, (5.9)
СО = (420+1850+1600+1450+670+780+810+1600)·1000 = 9 180 000 руб;
ЗП = СО·R/12·6,
руб/изделие , (5.10)
где R - ставка налога;
- число месяцев в году;
ЗП1.1 = 9180000·0,009/12·6 = 1147,92 руб/изделие;
стоимость основного здания; определена руководством предприятия 4 500 000
руб.
ЗП1.2 = 4500000·0,013/12·6 = 812,5 руб/изделие;
ЗП1 = ЗП1.1+ЗП1.2 , руб/изделие, (5.11)
ЗП1 = 1147,92+812,5 = 1960,42 руб/изделие.
. Стоимость услуг транспортной доставки грузов потребителю продукции.
Потребителем продукции является предприятие, находящееся в соседнем городе в
250 км от нашего. Тариф на транспортировку грузов 18 руб/км. Отправление
продукции потребителю происходит раз в неделю. Рассчитаем затраты на эту
операцию:
ЗП2 = СПЕР·D·30/7·6,
руб/изделие, (5.12)
где СПЕР - тариф на перевозку грузов;
D -
расстояние до пункта назначения;
, 7 - количество дней в месяце и неделе соответственно.
ЗП2 = 18·250·30/7·6
= 3214,28 руб/изделие.
3. Коммунальные услуги(отопление зимой, горячая/ холодная вода).
Отопление - 31200 руб/мес [ По материалам МУП «Водоканал]
Холодная вода: Схол.вода = 29.97, руб/ч,
Подогрев воды: Сгор.вода = 89,59, руб/ч,
Водоотведение: Сводоотв.= 21.18, руб/ч.
Вода вместе:
ЗВОД = СХОЛ ВОД·N + CГОР ВОД·N, руб/месяц, (5.13)
где N - число работников в цеху, N = 20;
С - тарифы на воду;
ЗВОД = 29.970·20 + 89,59·20 = 2391,2 руб/месяц.
ЗВОДОТ=СВОДОТ*N, руб/месяц,
(5.14)
ЗВОДОТ= 21.18 ·20 = 423,6 руб/месяц.
ЗП3 = (31200+2391,2+423,6)/6 = 5669,3 руб/изделие.
. Пенсионный налог.
Пенсионный налог составляет 22% от заработной платы рабочих.
Тогда он будет равен:
Зпн = 33000,33*22/100 = 7260,07 руб/изделие.
. Фонд обязательного медицинского страхования.
Составляет 5,1% от заработной платы рабочих.
Зфмс = 33000,33*5,1/100 = 1683,01 руб/изделие.
. Социальное страхование.
Составляет 2,9% от заработной платы рабочих.
Зсс = 33000,33*2,9/100 = 957,00 руб/изделие.
Посчитаем общие прочие затраты:
ЗП = ЗП1+ЗП2+ЗП3+Зn,
руб/изделие, (5.15)
ЗП=1960,42+3214,28+5669,3+7260,07+1683,01+957,00=20744,08 руб/изделие
Общие затраты предприятия на производство одной единицы изделия.
ЗИЗД = ЗМ+ЗОТ +ЗАО+ЗП, руб/изделие, (5.16)
ЗИЗД = 206900,94 +33000,33+16764,79+20744,08= 277410,14 руб/изделие.
5.2.5 Сравнительный анализ структуры затрат базовой технологии и
проектируемой
Сведем структуры затрат базовой технологии и проектируемой в таблицу 5.1:
Таблица5.1 - Сравнение структуры затрат базовой технологии и
проектируемой.
|
Элементы затрат
|
Базовая технология
|
Инновационная технология
|
|
Затраты на единицу (руб)
|
%
|
Затраты на единиц (руб)
|
|
1. Материальные затраты
всего - основные материалы - вспомогательные материалы - затраты на
электроэнергию - ремонт и обслуживание оборудования и запчасти
|
228074,88 208063,9 2247,5
11043,12 6720,36
|
73,01
|
206898,94 189143,2 1818,03
9911,53 6026,18
|
74,58
|
|
2. Затраты на оплату труда
|
39087,67
|
12,52
|
33000,33
|
11,89
|
|
3. Затраты на амортизацию
|
21521,77
|
6,89
|
16764,79
|
6,05
|
|
4. Прочие затраты - всего -
налог на частную движимую и недвижимую собственность - услуги транспортной
доставки грузов - коммунальные услуги - пенсионный налог - фонд обязательного
медицинского страхования - социальное страхование
|
23662,07 2354,68 3879,06
5702,04 8599,28 1993,47 1133,54
|
0,75
|
20744,08 1960,42 3214,28
5669,3 7260,07 1683,01 957,00
|
0,70
|
|
Итого
|
312346,39
|
100
|
277410,14
|
100
|
5.3 Определение эффективности предлагаемой технологии
Ðàññ÷èòàåì
ïðèáûëü ðàññìàòðèâàåìîãî
ïðåäïðèÿòèÿ:
Ï=Â-Ç, ðóá/ãîä ,
(5.17)
ãäå Ï - ïðèáûëü,
ðóá/ãîä;
 - âûðó÷êà, ðóá/ãîä;
Ç - çàòðàòû, ðóá/ãîä.
Â=Ñèçä×Nèçä ×12,
ðóá/ãîä,
(5.18)
 = 310000 ×6 ×12 = 22320000, ðóá/ãîä,
Ç=Çèçä×Nèçä×12, ðóá/ãîä,
(5.19)
Ç = 277410,14 × 6 ×12 = 19973530,08, ðóá/ãîä,
Ï = 22320000 - 19973530,08= 2346469,92, ðóá/ãîä.
Ðàññ÷èòàåì
÷èñòóþ ïðèáûëü
ïðåäïðèÿòèÿ:
Ï÷ = (1 - 0,20) × Ï, ðóá/ãîä,
(5.20)
Ï÷ = 0,80×2346469,92= 1877175,93 ðóá/ãîä.
Ïîñ÷èòàåì äîõîä
ïðåäïðèÿòèÿ:
Ä = Ï÷ +ÇÀ, ðóá/ãîä,
(5.21)
Ä = 1877175,93+ 16764,79 = 1893940,72 ðóá.
Îïðåäåëèì ñðîê
îêóïàåìîñòè
ïðîåêòà:
Òñð=Uèíâ:Ä, ãîä,
(5.22)
ãäå Uèíâ - èíâåñòèöèè,
ðóá/ãîä;
Ä - äîõîä, ðóá/ãîä;
Òñð= 330000 : 1893940,72= 0,17 ãîäà.
6. Áåçîïàñíîñòü
è ýêîëîãè÷íîñòü
ïðîåêòà
.1 Àíàëèç áåçîïàñíîñòè
è óñëîâèé òðóäà
ïðè ýêñïëóàòàöèè
êðàíà
 ïpoöåññå
paáoòû êpaía ñóùåñòâóåò
âåpoÿòíoñòü oápûâa òpoña, ñõoäà êpaía ñ ðåëüñà, óãoíà êðaía ïðè ñèëüíûõ
ïopûâaõ âåòpa, ÷òo ìoæåò
ïðèâåñòè ê íåøòaòíûì ñèòóàöèÿì.
Äëÿ òoão ÷òoáû èñêëþ÷èòü
óãoí êpaía ïðè ñèëüíûõ
ïoðûâàõ âåòðà,
íà íåì áaçèðóåòñÿ ïðoòèâoóãoííoå óñòðoéñòâo. Òaêæå ía êðaíå
óñòaíaâëèâaþò ñðåäñòâà
oïoâåùåíèÿ çâóêoâûì ñèãíaëoì è ñèãíaëüíoé ëaìïoé, âêëþ÷aþùèåñÿ
ïðè ñêoðoñòè âåòða 20 ì/ñ è âûøå.
Ïðåäîòâðàòèòü
îáðûâ êàíàòà
ïðè ïîäúåìå ãðóçà,
âåñ êîòîðîãî
ïðåâûøàåò íîìèíàëüíóþ
ãðóçîïîäúåìíîñòü
ñâûøå 10%, ïîçâîëÿåò
îãðàíè÷èòåëü
ãðóçîïîäúåìíîñòè,
îòêëþ÷àþùèé
ìåõàíèçì ïîäúåìà
â àâòîìàòè÷åñêîì
ðåæèìå. Òàêæå
ïðåäóñìîòðåí
îãðàíè÷èòåëü
âûñîòû ïîäúåìà,
èñêëþ÷àþùèé
íàòÿã è îáðûâ
êàíàòà â ðåçóëüòàòå
ïîäúåìà ãðóçà
íà íåäîïóñòèìóþ
âûñîòó.
Íàëè÷èå êîíöåâûõ
âûêëþ÷àòåëåé
ìåõàíèçìà ïåðåäâèæåíèÿ
êðàíà â êîíöå
ïóòè èñêëþ÷àåò
ñõîä êðàíà ñ ðåëüñ,
îòêëþ÷åíèå ïðèâîäà
êîòîðîãî ïðîèñõîäèò
ðàíüøå, ÷åì êîíòàêò
êîëåñ êðàíà ñ
îãðàíè÷èòåëüíûì
óñòðîéñòâîì.
Äàííîå ðàññòîÿíèå
ÿâëÿåòñÿ ïîëîâèíîé
òîðìîçíîãî ïóòè
êðàíà.
Ïðåäóïðåæäåíèå
ðàáî÷èõ, íàõîäÿùèõñÿ
âáëèçè ðàáîòàþùåãî
êðàíà, î åãî ïåðåäâèæåíèè
ïðîèñõîäèò ïóòåì
àâòîìàòè÷åñêîãî
âêëþ÷åíèÿ çâóêîâîãî
ñèãíàëà.
Ñ öåëüþ èñêëþ÷åíèÿ
÷åëîâåêà íà ïðîåçäíîì
ñòðîåíèè êðàíà
âî âðåìÿ åãî ðàáîòû
ïðåäóñìîòðåíà
àâòîìàòè÷åñêàÿ
áëîêèðîâêà äâåðåé.
Äëÿ áåçîïàñíîãî
äîñòóïà ê ìåõàíèçìàì,
ïðåäîõðàíèòåëüíûì
óñòðîéñòâàì,
ýëåêòðè÷åñêîìó
îáîðóäîâàíèþ
ïðåäóñìîòðåíû
ïëîùàäêè, ëåñòíèöû,
îãðàæäåíèÿ ïî
êîíñòðóêöèè
è ðàçìåðàì ñîîòâåòñòâóþùèå
Ïðàâèëàì Ðîñòåõíàäçîðà.
 öåëÿõ ïðåäîòâðàùåíèÿ
ïîïàäàíèÿ ÷åëîâåêà
â ðàáî÷óþ çîíó
ìåõàíèçìîâ, âñå
âûäâèæíûå ÷àñòè
ìåõàíèçìîâ è
ýëåêòðîîáîðóäîâàíèÿ
ïðî÷íî çàêðåïëåíû
è çàêðûòû îãðàæäåíèÿìè.
 ðàáîòàþùåì
êðàíå ïðèñóòñòâóåò
âèáðàöèÿ, ïåðåäàþùàÿñÿ
íà òåëî êðàíîâùèêà
÷åðåç îïîðíûå
ïîâåðõíîñòè.
Äàííàÿ âèáðàöèÿ
îòíîñèòñÿ ê òðàíñïîðòíî-òåõíîëîãè÷åñêîé
ïî èñòî÷íèêó
å¸ âîçíèêíîâåíèÿ.
Äëÿ ðåøåíèÿ çàäà÷è
ïî ñíèæåíèþ óðîâíÿ
îáùåé âèáðàöèè
â ìåñòå êðåïëåíèÿ
êàáèíû íà ìåòàëëîêîíñòðóêöèè
êðàíà óñòàíàâëèâàþòñÿ
àìîðòèçèðóþùèå
ïðîêëàäêè. Ïîíèæåíèþ
âèáðàöèè ñïîñîáñòâóþò
óñòàíîâëåííûå
âèáðîèçîëèðóþùèå
ñèäåíüÿ.
Ôàêòè÷åñêèå
è äîïóñòèìûå
çíà÷åíèÿ ïàðàìåòðîâ
òðàíñïîðòíî-òåõíîëîãè÷åñêîé
âèáðàöèè íà ðàáî÷åì
ìåñòå êðàíîâùèêà
êðàíà ïî ÃÎÑÒ
12.01.012 ïðèâåäåíû â
òàáëèöå 6.1:
Òàáëèöà 6.1 - Ôàêòè÷åñêèå
è äîïóñòèìûå
çíà÷åíèÿ ïàðàìåòðîâ
òðàíñïîðòíî-òåõíîëîãè÷åñêîé
âèáðàöèè
|
Ñðåäíåãåîìåòðè÷åñêîå
çíà÷åíèå ÷àñòîò,
Ãö
|
2
|
4
|
8
|
16
|
31,5
|
63
|
|
Âèáðîñêîðîñòü,
ì/ñ.
|
|
Ôàêòè÷åñêàÿ
|
0,64
|
0,23
|
0,12
|
0,12
|
0,12
|
0,12
|
|
Äîïóñòèìàÿ
|
1,3
|
0,45
|
0,22
|
0,20
|
0,20
|
0,20
|
 ïðîöåññå ýêñïëóàòàöèè
êðàíà, âèáðàöèÿ
ïîëíîñòüþ ñîîòâåòñòâóåò
äîïóñòèìûì çíà÷åíèÿì
è íå âûõîäèò çà
ðàìêè êðèòè÷åñêèõ
ïàðàìåòðîâ.
Ê îñíîâíûì èñòî÷íèêàì
øóìà ïðè ðàáîòå
êðàíà îòíîñÿò
ðàáîòàþùèé äâèãàòåëü.
Åäèíèöà óðîâíÿ
çâóêîâîãî äàâëåíèÿ
- äåöèáåë. Øóì âîñïðèíèìàåòñÿ
÷åëîâåêîì äî
100 äÁ. Ñâûøå ýòîãî
óðîâíÿ âîçíèêàåò
çàòðóäíåííîå
ãëîòàíèå. 125-137 äÁ
- ëåòàðãè÷åñêèé
ñîí. Ñâûøå 140 äÁ
íàñòóïàåò ïåðôîðàöèÿ
áàðàáàííûõ ïåðåïîíîê.[18]
Óðîâíè çâóêîâîãî
äàâëåíèÿ â îêòàâíûõ
ïîëîñàõ ÷àñòîò,
óðîâíè çâóêà
â äÁ íà ðàáî÷åì
ìåñòå êðàíîâùèêà
êðàíà ïî ÑÍèÏ
II-12-77 ñâåäåíû â òàáëèöó
6.2:
Òàáëèöà 6.2 - Óðîâíè
çâóêîâîãî äàâëåíèÿ
íà ðàáî÷åì ìåñòå
êðàíîâùèêà êðàíà
|
Ñðåäíåãåîìåòðè÷åñêèå
÷àñòîòû, Ãö
|
31,5
|
63
|
125
|
250
|
500
|
1000
|
2000
|
4000
|
8000
|
Óðîâåíü
çâóêà, äÁÀ
|
|
Ôàêòè÷åñêèå
óðîâíè çâóêîâîãî
äàâëåíèÿ, äÁ
|
96
|
91
|
86
|
83
|
82
|
82
|
80
|
76
|
74
|
85
|
|
Äîïóñòèìûå
óðîâíè çâóêîâîãî
äàâëåíèÿ, ÄÁ
|
107
|
95
|
87
|
82
|
78
|
75
|
73
|
71
|
69
|
80
|
Ìåòîäû óìåíüøåíèÿ
øóìà:
à) Ïîíèæåíèå
óðîâíÿ çâóêîâîé
ìîùíîñòè
á) Ïðàâèëüíàÿ
îðèåíòàöèÿ øóìà
â) Çâóêîèçîëÿöèÿ
ã) Âèáðîèçîëÿöèÿ
ä) Ãëóøèòåëè
Ïðè ýêñïëóàòàöèè
êðàíà èìååò ìåñòî
âîçäåéñòâèå
îïàñíûõ è âðåäíûõ
ïðîèçâîäñòâåííûõ
ôàêòîðîâ íà êðàíîâùèêà.
Äàííûå ïðîèçâîäñòâåííûå
ôàêòîðû ðåãëàìåíòèðóþòñÿ
ÃÎÑÒ 12.0.003-74
Áåçîïàñíîñòü
òðóäà ïðè ïîäúåìå
è ïåðåìåùåíèè
ãðóçîâ â çíà÷èòåëüíîé
ñòåïåíè çàâèñèò
îò êîíñòðóêòèâíûõ
îñîáåííîñòåé
ïîäúåìíî-òðàíñïîðòíûõ
ìàøèí è ñîîòâåòñòâèå
èõ ïðàâèëàì è
íîðìàì òåõíèêè
áåçîïàñíîñòè
Ðîñãîðòåõíàäçîðà.
Îïàñíûå ôèçè÷åñêèå
ôàêòîðû íà ïðîèçâîäñòâå:
à) Äâèæóùèå ìàøèíû
è ìåõàíèçìû;
á) ïîäúåìíûå
óñòðîéñòâà;
â) íåçàùèùåííûå
ïîäâèæíûå ýëåìåíòû
ïðîèçâîäñòâåííîãî
îáîðóäîâàíèÿ
(ïðèâîäíûå è ïåðåäàòî÷íûå
ìåõàíèçìû, ðåæóùèå
èíñòðóìåíòû,
âðàùàþùèåñÿ
è ïåðåìåùàþùèåñÿ
ïðèñïîñîáëåíèÿ
è äð.);
ã) îòëåòàþùèå
÷àñòèöû ïðè îáðàáîòêå
ìàòåðèàëà à òàêæå
èíñòðóìåíòà;
ä) ýëåêòðè÷åñêèé
òîê;
å) ïîâûøåííàÿ
òåìïåðàòóðà ïîâåðõíîñòåé
îáîðóäîâàíèÿ
è îáðàáàòûâàåìûõ
ìàòåðèàëîâ è
ò.ä.
Âðåäíûå äëÿ çäîðîâüÿ
ôèçè÷åñêèå ôàêòîðû:
à) âûñîêàÿ èëè
íèçêàÿ òåìïåðàòóðà
âîçäóõà ðàáî÷åé
ñðåäû;
á) ïîâûøåííàÿ
âëàæíîñòü è ñêîðîñòü
äâèæåíèÿ âîçäóõà;
â) ïðåâûøåíèå
äîïóñòèìûõ íîðì
øóìà, âèáðàöèè,
óëüòðàçâóêà;
ã) óâåëè÷åíèå
èçëó÷åíèé òåïëîâûõ,
èîíèçèðóþùèõ,
ýëåêòðîìàãíèòíûõ,
èíôðàêðàñíûõ
è äð;
ä) çàïûëåííîñòü
, çàãàçîâàííîñòü
âîçäóõà ðàáî÷åé
çîíû.
.2 Ìåðû
ïî îáåñïå÷åíèþ
áåçîïàñíûõ è
çäîðîâûõ óñëîâèé
òðóäà ïðè ýêñïëóàòàöèè
êðàíà
Ïðè âíåçàïíîì
îòêàçå ñèñòåìû
óïðàâëåíèÿ èëè
îòêëþ÷åíèè ýëåêòðîýíåðãèè,
êîãäà ïîäíÿòûé
ãðóç îïóñòèòü
íåëüçÿ, êðàíîâùèê
äîëæåí ñîîáùèòü
î ñëó÷èâøåìñÿ
îêðóæàþùåìó
ïåðñîíàëó è, ïî
âîçìîæíîñòè,
ïðèíÿòü ìåðû ê
îãðàæäåíèþ ìåñòà
ïîä ïîäíÿòûì ãðóçîì.
Åñëè âî âðåìÿ
ðàáîòû êðàíà
êðàíîâùèê (èëè
êàêîå-ëèáî äðóãîå
ëèöî) îáíàðóæèò
íà÷àâøóþñÿ ïîëîìêó
êîíñòðóêöèè
(âîçíèêíîâåíèå
òðåùèí â íåñóùèõ
ýëåìåíòàõ, ðåçêèé
ñòóê è øóì â ïåðåäà÷àõ
è ïðèâîäàõ, óäàðû
ïðè äâèæåíèè
êðàíà èëè êàðåòêè,
ðàçðóøåíèå ïðÿäåé
êàíàòà è ò.ï.), åìó
ñëåäóåò íåìåäëåííî
ïðåêðàòèòü ðàáîòó,
ïðèíÿòü ìåðû ê
îïóñêàíèþ ãðóçà
è, ïî âîçìîæíîñòè,
ïåðåìåñòèòü êðàí
â áåçîïàñíîå
ìåñòî, à çàòåì
ïîêèíóòü êðàí,
çàêðåïèâ åãî
íà ïðîòèâîóãîííûå
çàõâàòû.
Ïðè âîçíèêíîâåíèè
àâàðèéíîé ñèòóàöèè
â çîíå ðàáîòû
êðàíà êðàíîâùèê
îáÿçàí:
âûâåñòè êðàí
èç îïàñíîé çîíû,
åñëè ýòî íå óãðîæàåò
áåçîïàñíîñòè
êðàíîâùèêà è
íàõîäÿùèõñÿ
ïîä êðàíîì ëþäåé;
âûêëþ÷èòü àâàðèéíûé
âûêëþ÷àòåëü, åñëè
òðåáóåòñÿ íåìåäëåííàÿ
îñòàíîâêà êðàíà,
èëè åãî íåâîçìîæíî
âûâåñòè èç àâàðèéíîé
çîíû;
ïðèíÿòü ìåðû
ê ïîêèäàíèþ êðàíà,
åñëè êðàí îñòàíîâëåí
â àâàðèéíîé çîíå
è ðàçâèòèå ñèòóàöèè
óãðîæàåò çäîðîâüþ
è æèçíè êðàíîâùèêà.
Ïðè âîçíèêíîâåíèè
èëè óãðîçå àâàðèéíîé
ñèòóàöèè íà
ñàìîì êðàíå êðàíîâùèê
îáÿçàí:
îïóñòèòü ïîäíÿòûé
ãðóç è âûâåñòè
êðàí â çîíó ñòîÿíêè,
åñëè ýòî âîçìîæíî;
âûïîëíèòü êîìïëåêñ
ìåð, ïðèíèìàåìûõ
ïî îêîí÷àíèè
ðàáîòû êðàíà
â ñîîòâåòñòâèè
ñ ðàçäåëîì íàñòîÿùåãî
ðóêîâîäñòâà,
åñëè ýòî âîçìîæíî;
âûâåñèòü â êàáèíå
ïëàêàò «Êðàí íåèñïðàâåí»,
à çàòåì ïîñòàâèòü
â èçâåñòíîñòü
î ñëó÷èâøåìñÿ
ÈÒÐ, îòâåòñòâåííîãî
çà ñîäåðæàíèå
ãðóçîïîäúåìíûõ
ìàøèí â èñïðàâíîì
ñîñòîÿíèè;
îñòàíîâèòü
êðàí àâàðèéíûì
âûêëþ÷àòåëåì,
åñëè èíîå íåâîçìîæíî.
Ïðè âîçíèêíîâåíèè
çàãîðàíèÿ íà
êðàíå êðàíîâùèêó
ñëåäóåò íåìåäëåííî
îòêëþ÷èòü ýëåêòðîïèòàíèå
è ïðèíÿòü ìåðû
ê ëîêàëèçàöèè
è òóøåíèþ îãíÿ
ñ èñïîëüçîâàíèåì
øòàòíîãî îãíåòóøèòåëÿ,
åñëè çîíà çàãîðàíèÿ
íå íåñåò ïðÿìîé
óãðîçû çäîðîâüþ
è æèçíè êðàíîâùèêà,
â ïðîòèâíîì ñëó÷àå
- ïîêèíóòü êðàí.
.3 Ðàñ÷¸ò çàçåìëåíèÿ
êðàíà
Çàùèòà îò ïîðàæåíèÿ
ýëåêòðè÷åñêèì
òîêîì - îñíîâíîé
âîïðîñ áåçîïàñíîñòè
æèçíåäåÿòåëüíîñòè.
Êîðïóñà ýëåêòðè÷åñêèõ
ìàøèí, ïåðåíîñíîãî
ýëåêòðîèíñòðóìåíòà,
ñâåòèëüíèêîâ
è äðóãèõ ìåòàëëè÷åñêèõ
íåòîêîâåäóùèõ
÷àñòåé ýëåêòðîîáîðóäîâàíèÿ
ïðè íàðóøåíèè
èçîëÿöèè ìîãóò
îêàçàòüñÿ ïîä
íàïðÿæåíèåì.
 ýòèõ àâàðèéíûõ
óñëîâèÿõ ïðèêîñíîâåíèå
ê íåòîêîâåäóùèì
÷àñòÿì ðàâíîçíà÷íî
ïðèêîñíîâåíèþ
ê òîêîâåäóùèì
÷àñòÿì. Òîê, ïðîòåêàþùèé
÷åðåç òåëî ÷åëîâåêà,
ìîæåò âûçâàòü
ýëåêòðè÷åñêóþ
òðàâìó. Óñòðàíåíèå
îïàñíîñòè ïîðàæåíèÿ
òîêîì ïðè ïåðåõîäå
íàïðÿæåíèÿ íà
íåòîêîâåäóùèå
÷àñòè ýëåêòðîóñòàíîâêè
äîñòèãàåòñÿ
óñòðîéñòâîì
çàùèòíîãî çàçåìëåíèÿ.
Çàçåìëåíèþ
ïîäëåæèò ïîäêðàíîâûé
ïóòü. Íàïðÿæåíèå
â òð¸õôàçíûõ
ýëåêòðè÷åñêèõ
ñåòÿõ 380Â. Êëèìàòè÷åñêèé
êîýôôèöèåíò
(ïðè ñóõîì ãðóíòå)
=1,4, à óäåëüíîå
ñîïðîòèâëåíèå
ãðóíòà
=700 Îì∙ì.
Çàçåìëÿþùåå
óñòðîéñòâî ïðåäñòàâëÿåò
ñîáîé ïðÿìîóãîëüíèê
ðàçìåðîì 34×150 ì ñ 2 ïåðåãîðîäêàìè
÷åðåç êàæäûå
50ì ïîäêðàíîâîãî
ïóòè.  êà÷åñòâå
âåðòèêàëüíûõ
ñòåðæíåé ïðåäïîëàãàåòñÿ
ïðèìåíèòü óãëîâóþ
ñòàëü ñ øèðèíîé
ïîëêè 40ìì, äëèíîé
2,5ì, â êà÷åñòâå
ñîåäèíèòåëüíîé
ïîëîñû - ñòàëüíóþ
øèíó ñå÷åíèåì
40×4ìì. Èìåþòñÿ
åñòåñòâåííûå
çàçåìëèòåëè
ñ ñîïðîòèâëåíèåì
7,3 Îì.
Öåëüþ
ðàñ÷åòà çàçåìëåíèÿ
ÿâëÿåòñÿ îïðåäåëåíèå
êîëè÷åñòâà ýëåêòðîäîâ
çàçåìëèòåëÿ
è çàçåìëÿþùèõ
ïðîâîäíèêîâ, èõ
ðàçìåðîâ è ñõåìà
ðàçìåùåíèÿ â
çåìëå, ïðè êîòîðûõ
ñîïðîòèâëåíèå
çàçåìëÿþùåãî
óñòðîéñòâà ðàñòåêàíèþ
òîêà èëè íàïðÿæåíèå
ïðèêîñíîâåíèÿ
ïðè çàìûêàíèè
ôàçû íà çàçåìëåííûå
÷àñòè ýëåêòðîóñòàíîâîê
íå ïðåâûøàþò
äîïóñòèìûõ çíà÷åíèé.
Ðàñ÷åò
çàùèòíîãî çàçåìëåíèÿ
âåäåòñÿ â ñëåäóþùåé
ïîñëåäîâàòåëüíîñòè
[18]:
1. Îïðåäåëåíèå
ðàñ÷åòíîãî òîêà
çàìûêàíèÿ íà
çåìëþ:
, À
, (6.1)
.
ãäå U- ëèíåéíîå
íàïðÿæåíèå ñåòè
Ïî âåëè÷èíå
òîêà çàìûêàíèÿ
îïðåäåëÿåì ïàðàìåòðû
áîëòîâîãî ñîåäèíåíèÿ,
çàçåìëÿþùåãî
ïðîâîäíèêà ñ íåòîêîâåäóùèìè
÷àñòÿìè, ïîäëåæàùèìè
çàçåìëåíèþ. Âûáèðàåì
áîëò Ì6.
Ñîãëàñíî Ïðàâèëàì
óñòðîéñòâà ýëåêòðîóñòàíîâîê
â ýëåêòðîóñòàíîâêàõ
íàïðÿæåíèåì äî
1000Â â ñåòè ñ èçîëèðîâàííîé
íåéòðàëüþ ñîïðîòèâëåíèå
çàçåìëÿþùåãî
óñòðîéñòâà äîëæíî
áûòü íå áîëåå
4 Îì.
Ïðèíèìàåì RH = 4 Îì.
2. Îïðåäåëåíèå
ðàñ÷åòíîãî óäåëüíîãî
ñîïðîòèâëåíèÿ
ãðóíòà
:
= 
, Îì∙ì
, (6.2)
= 1,4 ∙
700 = 980, Îì ∙ì.
ãäå
- êëèìàòè÷åñêèé
êîýôôèöèåíò
(ïðè ñóõîì ãðóíòå),
=1,4;
- óäåëüíîå
ñîïðîòèâëåíèå
ãðóíòà (
=700 Îì∙ì).
3. Îïðåäåëåíèå
ñîïðîòèâëåíèÿ
åñòåñòâåííûõ
çàçåìëèòåëåé:
Rå = 7,3 Îì.
4. Îïðåäåëåíèå
ñîïðîòèâëåíèÿ
èñêóññòâåííîãî
çàçåìëèòåëÿ
RÈ:
RÈ =
, Îì, (6.3)
RÈ =
8,85, Îì.
.
Îïðåäåëåíèå ñîïðîòèâëåíèÿ
îäèíî÷íîãî âåðòèêàëüíîãî
èñêóññòâåííîãî
çàçåìëèòåëÿ
Rñò. îä.[ 5]:
Ýêâèâàëåíòíûé
äèàìåòð ñòåðæíåé
d=0,95b (b- øèðèíà
ïîëêè óãëîâîé
ñòàëè). Òîãäà d=0,95∙0,04=0,038, ì,
Rñò.
îä =
, Îì, (6.4)
Rñò.
îä =
Îì.
ãäå
- äëèíà âåðòèêàëüíûõ
ñòåðæíåé (
=2,5ì);
- óäåëüíîå
ñîïðîòèâëåíèå
ãðóíòà (
= 980 Îì
∙ì);
H =1,75ì.
6. Ïðåäâàðèòåëüíîå
ðàçìåùåíèå çàçåìëèòåëåé:
Äëèíà ñîåäèíèòåëüíîé
ïîëîñû ðàâíà ïåðèìåòðó
ïðÿìîóãîëüíèêà
34×150ì, ò.å. 364ì.
Âåðòèêàëüíûå
ñòåðæíè ðàçìåùàþòñÿ
÷åðåç êàæäûå
2ì - âñåãî 182 ñòåðæíÿ.
1. Îïðåäåëåíèå
ñîïðîòèâëåíèÿ
ñîåäèíèòåëüíûõ
ïîëîñ RÏ [1]:
RÏ = R/
, Îì, (6.5)
ãäå R - ñîïðîòèâëåíèå
ñîåäèíèòåëüíîé
ïîëîñû;
- êîýôôèöèåíò
èñïîëüçîâàíèÿ
ïîëîñû.
R=
, Îì (6.6)
R=
=6, Îì.
ãäå
- äëèíà ñîåäèíèòåëüíûõ
ïîëîñ (
=436ì);
- óäåëüíîå
ñîïðîòèâëåíèå
ãðóíòà (
= 980 Îì
∙ì);
H =0,5ì;
b- øèðèíà
ïîëêè óãëîâîé
ñòàëè (b=0,04 ì).
Ñ
ó÷åòîì êîýôôèöèåíòà
èñïîëüçîâàíèÿ
ïîëîñû
=0,20
[1]:
RÏ = R/
=
Îì.
.Îïðåäåëåíèå
ñîïðîòèâëåíèÿ
çàçåìëèòåëåé
:
, Îì,
(6.7)
RÏ
=30, Îì;
RÈ
= 8,85, Îì;
Îì.
. Îïðåäåëåíèå
÷èñëà çàçåìëèòåëåé:
Îêîí÷àòåëüíî
îïðåäåëÿåòñÿ
÷èñëî âåðòèêàëüíûõ
ñòåðæíåé. Ïðèíèìàÿ
ïðåäâàðèòåëüíî
èõ ÷èñëî ðàâíûì
182, äëèíó 2,5ì è ðàññòîÿíèå
ìåæäó íèìè 2ì,
íàõîäèì êîýôôèöèåíò
èñïîëüçîâàíèÿ
[1],
=0,135, îòêóäà
n= Rñò.
îä / (
∙
), øò.
, (6.8)
n= 360, 73 /
(0,135 ∙12,55) =212 ≈ 214, øò.
Òàêèì
îáðàçîì, äëÿ çàçåìëåíèÿ
ïðîôèëèðóþùåé
ëèíèè íåîáõîäèìî
214 çàçåìëèòåëåé,
ðàñïîëîæåííûõ
ïî ïåðèìåòðó 34×150ì è äîïîëíèòåëüíî
2 ïîïåðå÷íûìè
ëèíèÿì äëèíîé
â 34ì, äëèíîé 2,5ì è
ñ øàãîì 2ì.
.4 Ìåðû ïî îõðàíå
îêðóæàþùåé ñðåäû
×åðåïîâåöêèé
çàâîä «ÑÑÌ-Òÿæìàø»
ðàñïîëîæåí â öåíòðàëüíîé
÷àñòè ãîðîäà
×åðåïîâöà è ÿâëÿåòñÿ
ñàìûì êðóïíûì
ïðåäïðèÿòèåì
â ýòîé ÷àñòè
ãîðîäà.
Îõðàíà îêðóæàþùåé
ñðåäû â íàøå âðåìÿ
ñòàëà îäíîé èç
íàèáîëåå âàæíûõ
ïðîèçâîäñòâåííûõ
ïðîáëåì. Ïðîèñõîäèò
óæåñòî÷åíèå
íîðì íà âûáðîñû
ïðåäïðèÿòèÿìè
âðåäíûõ âåùåñòâ
â îêðóæàþùóþ
ñðåäó, óâåëè÷èâàþòñÿ
øòðàôû çà ïðåâûøåíèå
ïðåäåëüíî-äîïóñòèìûõ
êîíöåíòðàöèé
âðåäíûõ âåùåñòâ
â âûáðîñàõ ñ ïðåäïðèÿòèé.
Îñíîâíîé çàãðÿçíÿþùèé
ôàêòîð ýòî âûõëîïíûå
ãàçû îò ðàáîòàþùåãî
àâòîòðàíñïîðòà,
óòå÷êà èëè ñëèâ
ìàñåë â ïî÷âó
èç êàðòåðîâ òåõ
æå êðàíîâ è åìêîñòåé
ïðè çàïðàâêå èëè
ñìåíå ìàñåë â
ðåäóêòîðàõ.
Çàñîðåíèå ëàíäøàôòà
îòõîäàìè. Â îñíîâíîì
ýòî îáðåçêè ìåòàëëîïðîêàòà.
Îñíîâíûìè ìåðîïðèÿòèÿìè
ïî ñíèæåíèþ çàãðÿçíåíèÿ
ÿâëÿåòñÿ ñâîåâðåìåííîå
ïðîõîæäåíèå òåõîñìîòðîâ
êðàíîâ. Åñëè íåîáõîäèìî
óñòàíîâêà ôèëüòðîâ
íà âûõëîïíûå
ñèñòåìû.
Ñëåäèòü çà ïðàâèëüíîé
óòèëèçàöèåé
ìàñåë è äðóãèõ
ÿäîâèòûõ æèäêîñòåé.
Ïîñëå ïðîâåäåíèÿ
ðàáîò ïðîèçâåñòè
ñáîð îòõîäîâ
ñ äàëüíåéøåé
èõ óòèëèçàöèåé
(çàõîðîíåíèå
èëè îòïðàâêà
íà ïåðåïëàâêó).[17]
Ìåðîïðèÿòèÿ,
íàïðàâëåííûå
íà ñíèæåíèå âûáðîñîâ
âðåäíûõ âåùåñòâ
â àòìîñôåðó:
ñîâåðøåíñòâîâàíèå
òåõíîëîãè÷åñêèõ
ïðîöåññîâ, ñ ó÷åòîì
ñíèæåíèÿ âûáðîñîâ
âðåäíûõ âåùåñòâ;
ìîäåðíèçàöèÿ
ñ ïîâûøåíèåì
ýôôåêòèâíîñòè
î÷èñòíûõ óñòðîéñòâ;
ëèêâèäàöèÿ èñòî÷íèêà
çàãðÿçíåíèÿ.
Ìåõàíè÷åñêèå
ïðèìåñè, ñîäåðæàùèåñÿ
â âåíòèëÿöèîííûõ
âûáðîñàõ, çàäåðæèâàþòñÿ
â àïïàðàòàõ ìîêðîãî
è ñóõîãî ïûëåóëàâëèâàíèÿ,
à òàêæå âîëîêíèñòûõ
ôèëüòðàõ è ýëåêòðîôèëüòðàõ.
 ðîëè ôèëüòðîâ
ó÷àñòâóþò ðàçëè÷íûå
ôèëüòðóþùèå,
òîíêî è ãëóáîêîâîëîêíèñòûå
ìàòåðèàëû.[20]
6.5 Ìåðû ïîæàðíîé
áåçîïàñíîñòè
íà ïðîèçâîäñòâå.
Ê îïàñíûì ôàêòîðàì
ïîæàðà îòíîñÿò:
à) îòêðûòûé îãîíü;
á) âûñîêàÿ òåìïåðàòóðà
îêðóæàþùåé ñðåäû
è ïðåäìåòîâ;
â) çàäûìëåííîñòü;
ã) òîêñè÷íûå
ïðîäóêòû ãîðåíèÿ;
ä) ïîíèæåííîå
ñîäåðæàíèå êèñëîðîäà
â âîçäóõå.
Äëÿ îáåñïå÷åíèÿ
ïðîòèâîïîæàðíûõ
óñëîâèé ýêñïëóàòàöèè
êðàíà ïðèìåíÿþò
ñëåäóþùèå ìåðû:
âñþ àïïàðàòóðó
óïðàâëåíèÿ ðàçìåùàþò
â ãåðìåòèçèðîâàííûõ
êîíòåéíåðàõ,
ýëåêòðîäâèãàòåëÿì
ìåõàíèçìîâ ïðèäàþò
çàùèòó îò âíåøíåé
ñðåäû.
Ïðè ýòîì ðàáî÷àÿ
t° îáìîòîê
ïóòåì ñîçäàíèÿ
çàïàñà ïî òîêó
10% ñîñòàâëÿåò ìåíåå
140°Ñ (t° ïîâåðõíîñòè
ìåíåå 100°Ñ) - òîêîïîäâîä
ê êðàíó è òåëåæêè
êàáåëüíîé.
Ìíîãîóðîâíåâîå
ðåãóëèðîâàíèå
ñêîðîñòè ýëåêòðîïðèâîäîâ
êðàíà îáåñïå÷èâàåò
ìèíèìàëüíóþ
íàãðóçêó òîðìîçîâ,
â ðåçóëüòàòå
ðàáî÷àÿ òåìïåðàòóðà
òîðìîçíûõ êîëîäîê
íå ïðåâûøàåò
äîïóñòèìóþ; ðåçèñòîðû
âûáðàíû èç ñòàíäàðòíûõ
áëîêîâ ñ ðàñ÷åòîì,
÷òîáû òåìïåðàòóðà
ïîâåðõíîñòè
àêòèâíûõ ÷àñòåé
íå ïðåâûøàëà
185°Ñ.
Íåïîñðåäñòâåííî
â êàáèíå êðàíà
ðàçìåùàþò óãëåêèñëîòíûé
îãíåòóøèòåëü,
èñïîëüçóåìûé
â ðåçóëüòàòå
âîçìîæíîãî âîçãîðàíèÿ
ýëåêòðîïðîâîäêè
è ýëåêòðîîáîðóäîâàíèÿ.
 îðãàíèçàöèÿõ
äîëæíà áûòü îáåñïå÷åíà
ïîæàðíàÿ áåçîïàñíîñòü
â ñîîòâåòñòâèè
ñî ÑÍèÏ 2.01.02-85 «Ïðîòèâîïîæàðíûå
íîðìû», ÃÎÑÒ
12.1.004-91 «Ïîæàðíàÿ áåçîïàñíîñòü.
Îáùèå òðåáîâàíèÿ»
è Ïðàâèëàìè ïîæàðíîé
áåçîïàñíîñòè
â Ðîññèéñêîé
Ôåäåðàöèè.
Ïîæàðíàÿ çàùèòà
ïðîèçâîäñòâåííûõ
ïîìåùåíèé îáåñïå÷èâàåòñÿ
ñîâîêóïíîñòüþ
óñëîâèé:
Ïðàâèëüíûì âûáîðîì
îãíåñòîéêîñòè
îáúåêòà è êîíñòðóêöèé;
Îãðàíè÷åíèåì
ðàñïðîñòðàíåíèÿ
îãíÿ â ñëó÷àå
ïîæàðà;
-Îáåñïå÷åíèåì
áåçîïàñíîé ýâàêóàöèè
ëþäåé;
-Ïðèìåíåíèåì
ñðåäñòâ ïîæàðíîé
ñèãíàëèçàöèè,
èçâåùåíèÿ è ïîæàðîòóøåíèÿ;
Îðãàíèçàöèåé
ïîæàðíîé îõðàíû
îáúåêòà.
Ïðîåêòèðóåìîå
ïðîèçâîäñòâåííîå
ïîìåùåíèå ïî
ïîæàðîâçðûâîîïàñíîñòè
îòíîñèòñÿ ê êàòåãîðèè
êëàññà Ä ïî ÍÏÁ
105-03"Îïðåäåëåíèå
êàòåãîðèé ïîìåùåíèé,
çäàíèé è íàðóæíûõ
óñòàíîâîê ïî
âçðûâîïîæàðíîé
è ïîæàðíîé îïàñíîñòè"
(íåãîðþ÷èå ìàòåðèàëû
â õîëîäíîì ñîñòîÿíèè).
Ïî âîçãîðàåìîñòè
ñòðîèòåëüíûå
êîíñòðóêöèè
ó÷àñòêà îòíîñÿòñÿ
ê íåñãîðàåìûì
è òðóäíîñãîðàåìûì.
Êîíñòðóêöèÿ îñíîâíîãî
îáîðóäîâàíèÿ
äîëæíà èñêëþ÷àòü
îïàñíîñòü ïîæàðà
èëè âçðûâà (íàêàïëèâàíèÿ
çàðÿäîâ ñòàòè÷åñêîãî
ýëåêòðè÷åñòâà,
ïåðåãðåâà, êîðîòêîãî
çàìûêàíèÿ). Òðåáîâàíèÿ
ïîæàðíîé áåçîïàñíîñòè
ïðè ýêñïëóàòàöèè
äîëæíû ñîîòâåòñòâîâàòü
ÃÎÑÒ 12.1.004-91 «Ïîæàðíàÿ
áåçîïàñíîñòü.
Îáùèå òðåáîâàíèÿ»
è åãî òåõíè÷åñêîé
äîêóìåíòàöèè.
Íà òåððèòîðèè
îðãàíèçàöèè,
â ïðîèçâîäñòâåííûõ
è ñàíèòàðíî-áûòîâûõ
ïîìåùåíèÿõ, â
çàâèñèìîñòè
îò õàðàêòåðà
âûïîëíÿåìûõ ðàáîò,
äîëæíû áûòü íåîáõîäèìûå
ñðåäñòâà ïîæàðîòóøåíèÿ.
Ïî ÏÏÁ 01-03 «Îïðåäåëåíèå
íåîáõîäèìîãî
êîëè÷åñòâà ïåðâè÷íûõ
ñðåäñòâ ïîæàðîòóøåíèÿ»
íåîáõîäèì ïîæàðíûé
ðó÷íîé èíâåíòàðü,
âêëþ÷àþùèé ëîì,
ëîïàòó, îãíåòóøèòåëü,
âåäðî.[12]
Ïî ÃÎÑÒ 28130-89 «Ïîæàðíàÿ
òåõíèêà. Îáùèå
òðåáîâàíèÿ» êîëè÷åñòâî
è ñîñòàâ îãíåòóøèòåëåé
äîëæíû ñîîòâåòñòâîâàòü
äåéñòâóþùèì
íîðìàì îáåñïå÷åíèÿ
îãíåòóøèòåëÿìè
äëÿ ìåõàíè÷åñêîãî
öåõà õîëîäíîé
îáðàáîòêè ìåòàëëîâ
íà 1800ì² - 1 ïîðîøêîâûé
îãíåòóøèòåëü
ÎÏÓ-10/9.[13]
Ïðîèçâîäñòâåííîå
ïîìåùåíèå ìîæåò
áûòü îáîðóäîâàíî
ñðåäñòâàìè ñèãíàëèçàöèè
î ïîæàðå, â ÷àñòíîñòè
ïîæàðíûìè èçâåùàòåëÿìè
ðó÷íîãî è àâòîìàòè÷åñêîãî
äåéñòâèÿ, ïîñëåäíèå
ìîãóò áûòü òåïëîâûå,
äûìîâûå, ñâåòîâûå
è êîìáèíèðîâàííûå.
Êàæäûé ðàáîòíèê
äîëæåí çíàòü
è âûïîëíÿòü òðåáîâàíèÿ
ïðàâèë ïîæàðíîé
áåçîïàñíîñòè
è íå äîïóñêàòü
äåéñòâèé, êîòîðûå
ìîãóò ïðèâåñòè
ê ïîæàðó èëè çàãîðàíèþ.
Êîíòðîëü ïîæàðíîé
áåçîïàñíîñòè
íåîáõîäèìî îñóùåñòâëÿòü
â ñîîòâåòñòâèè
ñ òðåáîâàíèÿìè
Ïðàâèë ïîæàðíîé
áåçîïàñíîñòè
â Ðîññèéñêîé
Ôåäåðàöèè.
Çàêëþ÷åíèå
 ïðåäñòàâëåííîé
ÂÊÐ áûëà ïðîèçâåäåíà
ìîäåðíèçàöèÿ
êëåùåé àâòîìàòè÷åñêèõ
äëÿ òðàíñïîðòèðîâêè
îäíîãî ðóëîíà
ëèñòîâîé ñòàëè
ñ ãðóçîïîäúåìíîñòüþ
òðèäöàòü ïÿòü
òîíí.
 ïðîöåññå âûïîëíåíèÿ
ðàáîòû ïî ìîäåðíèçàöèè
êëåùåé áûë ïðîâåäåí
ñëåäóþùèé êîìïëåêñ
ìåðîïðèÿòèé:
ðàññ÷èòàíû
è ïðîàíàëèçèðîâàíû
íàãðóçêè âûäåðæèâàåìûå
êëåùàìè
èññëåäîâàíî
íàïðÿæåííî-äåôîðìèðîâàííîå
ñîñòîÿíèå äåòàëè
òðàâåðñà;
ðàçðàáîòàíà
òåõíîëîãèÿ èçãîòîâëåíèÿ
äåòàëè «îñü»
ðàññ÷èòàíû
çàòðàòû íà ïðîèçâîäñòâî
òðàâåðñû ïî ïðîåêòèðóåìîé
òåõíîëîãèè è
ñðàâíèëè èõ ñ
çàòðàòàìè ïðîèçâîäèìûìè
ïî áàçîâîé òåõíîëîãèè.
Êîíñòðóêòîðñêàÿ
÷àñòü ñîñòîèò
èç ðàñ÷åòîâ íà
ïðî÷íîñòü îïàñíûõ
ñå÷åíèé.
 òåõíîëîãè÷åñêîé
÷àñòè ñîñòàâëåí
ìàðøðóò îáðàáîòêè,
ïîäîáðàíû ðåæóùèå
èíñòðóìåíòû,
ðàññ÷èòàíû ðåæèìû
ðåçàíèÿ, âûáðàíû
ñòàíî÷íûå è èíñòðóìåíòàëüíûå
ïðèñïîñîáëåíèÿ,
ñðåäñòâà èçìåðåíèÿ
è êîíòðîëÿ ðàçìåðîâ
ïðè èçãîòîâëåíèè
äåòàëè îñü. Ïðè
âûáîðå ðåæóùåãî
èíñòðóìåíòà
ïðåäïî÷òåíèå
îòäàâàëîñü ðåæóùåìó
èíñòðóìåíòó
èç òâåðäîãî ñïëàâà.
 ðàçäåëå èìèòàöèîííîå
ìîäåëèðîâàíèå
áûë âûïîëíåí ðàñ÷åò
òðàâåðñû íà ïðî÷íîñòü
ñ ïîìîùüþ ñèñòåìû
àâòîìàòèçèðîâàííîãî
ðàñ÷åòà è ïðîåêòèðîâàíèÿ-
«APM WinMachine».
Çàäàíèå ïî áåçîïàñíîñòè
è ýêîëîãè÷íîñòè
ÂÊÐ çàêëþ÷àëî
â ñåáå àíàëèç
áåçîïàñíîñòè
è óñëîâèé òðóäà
ïðè ýêñïëóàòàöèè
êðàíà, âûÿâëåíèå
ìåð ïî îáåñïå÷åíèþ
áåçîïàñíûõ è
çäîðîâûõ óñëîâèé
òðóäà ïðè ýêñïëóàòàöèè
êðàíà. Ïðîèçâåäåí
ðàñ÷¸ò çàçåìëåíèÿ
êðàíà.
 ýêîíîìè÷åñêîé
÷àñòè ÂÊÐ áûëî
ïðèâåäåíî òåõíèêî-ýêîíîìè÷åñêîå
ñðàâíåíèå áàçîâîé
òåõíîëîãèè è
ïðîåêòèðóåìîé.
Çàòðàòû íà ïðîèçâîäñòâî
òðàâåðñû ïî íîâîé
òåõíîëîãèè ñîñòàâëÿþò
277410 ðóá., ÷òî íà 35000 ðóá.
ìåíüøå, ÷åì çàòðàòû
íà ïðîèçâîäñòâî
òðàâåðñû ïî áàçîâîé
òåõíîëîãèè.
Ñïèñîê èñïîëüçîâàííûõ
èñòî÷íèêîâ
êëåùè
ìîäåðíèçàöèÿ
òðàíñïîðòèðîâêà
òðàâåðñ
1 Àëåêñàíäðîâ
À.Â. Ñîïðîòèâëåíèå
ìàòåðèàëîâ: ó÷åáíèê
äëÿ âóçîâ / À.Â. Àëåêñàíäðîâ.
- Ìîñêâà: Âûñøàÿ
øêîëà, 2004. - 560 ñ.
2 Àëåêñàíäðîâ
Ì. Ï. Ïîäúåìíî-òðàíñïîðòíûå
ìàøèíû: ó÷åáíèê
äëÿ âóçîâ / Ì.Ï. Àëåêñàíäðîâ.
- Ìîñêâà: Âûñøàÿ
øêîëà, 1985. -520ñ.
Àíóðüåâ,
Â.È. Ñïðàâî÷íèê
êîíñòðóêòîðà-ìàøèíîñòðîèòåëÿ:
â 3ò. Ò.1 / Â.È. Àíóðüåâ.
- Ìîñêâà: Ìàøèíîñòðîåíèå,
2001. - 920ñ.
Àíóðüåâ,
Â.È. Ñïðàâî÷íèê
êîíñòðóêòîðà-ìàøèíîñòðîèòåëÿ:
â 3ò. Ò.2 / Â.È. Àíóðüåâ.
- Ìîñêâà: Ìàøèíîñòðîåíèå,
2001. - 912ñ.
Àíóðüåâ,
Â.È. Ñïðàâî÷íèê
êîíñòðóêòîðà-ìàøèíîñòðîèòåëÿ:
â 3ò. Ò.3 / Â.È. Àíóðüåâ.
- Ìîñêâà: Ìàøèíîñòðîåíèå,
2001. - 864ñ.
Áåëîâ
Ñ.Â. Îõðàíà îêðóæàþùåé
ñðåäû: ó÷åáíîå
ïîñîáèå äëÿ ñòóäåíòîâ
âóçîâ / Ñ.Â. Áåëîâ,
Ô.À.Áàðáèíîâ, À.Ô.Êîçüÿêîâ.
- Ìîñêâà: Âûñøàÿ
Øêîëà, 1989. - 264ñ.
Áîðîäèí,
Í.À. Ñîïðîòèâëåíèå
ìàòåðèàëîâ: ó÷åá.
ïîñîáèå / Í.À. Áîðîäèí.
- Ìîñêâà: Äðîôà,
2001. - 288ñ.
Âàéíñîí,
À.À. Êðàíîâûå ãðóçîçàõâàòíûå
óñòðîéñòâà: ñïðàâî÷íèê
/ À.À. Âàéíñîí, À.Ô.
Àíäðååâ. - Ìîñêâà:
Ìàøèíîñòðîåíèå,
1982ã. - 304ñ.
Âëàñîâ,
À.Ô. Áåçîïàñíîñòü
ïðè ðàáîòå íà
ìåòàëëîðåæóùèõ
ñòàíêàõ: ó÷åáíèê
äëÿ âóçîâ / À.Ô. Âëàñîâ.
- Ìîñêâà: Ìàøèíîñòðîåíèå,
1977. - 120ñ.
ÂÍÈÈÏÒÌÀØ.
Ðàñ÷åòû êðàíîâûõ
ìåõàíèçìîâ è
èõ äåòàëåé: ó÷åáíèê
äëÿ èíæåíåðíî-òåõíè÷åñêèõ
ðàáîòíèêîâ / ÂÍÈÈÏÒÌÀØ.
-Ìîñêâà: Ìàøèíîñòðîåíèå,
1971. - 496ñ.
Ãîðáàöåâè÷,
À.Ô. Êóðñîâîå ïðîåêòèðîâàíèå
ïî òåõíîëîãèè
ìàøèíîñòðîåíèÿ:
ó÷åá. ïîñîáèå
äëÿ ìàøèíîñòðîèòåëüíûõ
ñïåöèàëüíîñòåé
âóçîâ / À.Ô. Ãîðáàöåâè÷,
Â.À. Øêðåä. - Ìîñêâà:
Àëüÿíñ, 2007. - 256ñ.
Ãîðáóíîâ,
Â.È. Îáðàáîòêà
ìåòàëëîâ ðåçàíèåì,
ìåòàëëîðåæóùèé
èíñòðóìåíò è
ñòàíêè: ó÷åáíîå
ïîñîáèå / Â.È. Ãîðáóíîâ.
- Ìîñêâà: Ìàøèíîñòðîåíèå,
1981. - 287ñ.
ÃÎÑÒ
12.1.004-91. Ïîæàðíàÿ áåçîïàñíîñòü.
Îáùèå òðåáîâàíèÿ.
- Ââåä. 01.07.92. - Ìîñêâà:
ÈÏÊ Èçäàòåëüñòâî
ñòàíäàðòîâ,
2006. - 78ñ.
ÃÎÑÒ
28130-89. Ïîæàðíàÿ òåõíèêà.
Îãíåòóøèòåëè,
óñòàíîâêè ïîæàðîòóøåíèÿ
è ïîæàðíîé ñèãíàëèçàöèè.-
Ââåä. 01.01.90. - Ìîñêâà:
ÈÏÊ Èçäàòåëüñòâî
ñòàíäàðòîâ,
1990. - 11ñ.
Äîáðûäíåâ,
È.Ñ. Êóðñîâîå ïðîåêòèðîâàíèå
ïî ïðåäìåòó òåõíîëîãèÿ
ìàøèíîñòðîåíèÿ:
ó÷åáíèê / È.Ñ. Äîáðûäíåâ.
- Ìîñêâà: Ìàøèíîñòðîåíèå,
1985. - 359ñ.
Åãîðîâ,
Ì.Å. Òåõíîëîãèÿ
ìàøèíîñòðîåíèÿ:
ó÷åáíèê äëÿ âóçîâ
/ Ì.Å. Åãîðîâ, Â. È.
Äåìåíòüåâ, Â. Ë.
Äìèòðèåâ. - Ìîñêâà:
Âûñøàÿ øêîëà,
1976. - 535ñ.
Êîñèëîâà,
À.Ã. Ñïðàâî÷íèê
òåõíîëîãà-ìàøèíîñòðîèòåëÿ
: â 2 ò. Ò.2 / À.Ã. Êîñèëîâà,
Ð.Ê. Ìåùåðÿêîâà.
- Ìîñêâà: Ìàøèíîñòðîåíèå,
1986. - 496 ñ.
Íîâèêîâ,
Þ.Â. Îõðàíà îêðóæàþùåé
ñðåäû: ó÷åá. ïîñîáèå
äëÿ ó÷àùèõñÿ
òåõíèêóìîâ / Þ.Â.
Íîâèêîâ. - Ìîñêâà:
Âûñøàÿ øêîëà,
1987. - 287 ñ.
Îðëîâ
Ã.Ã. Èíæåíåðíûå
ðåøåíèÿ ïî îõðàíå
òðóäà â ñòðîèòåëüñòâå:
ó÷åáíèê äëÿ ñòðîèòåëüíûõ
ñïåöèàëüíîñòåé
âóçîâ. - Ìîñêâà:
Âûñøàÿ Øêîëà,
1984. - 343ñ.
Ðåæèìû
ðåçàíèÿ ìåòàëëîâ:
ñïðàâî÷íèê 3-å
èçä. / ïîä ðåä. Þ.Â.
Áàðàíîâñêîãî.
- Ìîñêâà : Ìàøèíîñòðîåíèå,
1972. - 408 ñ.
Ñòåïàíîâñêèõ
À.Ñ. Îõðàíà îêðóæàþùåé
ñðåäû: ó÷åáíèê
äëÿ âóçîâ / À.Ñ. Ñòåïàíîâñêèõ.
- Ìîñêâà: ÞÍÈÒÈ
- ÄÀÍÀ, 2002. - 510 ñ.
Ïðèëîæåíèå 1
Ñïåöèôèêàöèÿ
Ïðèëîæåíèå 2
Ìàðøðóòíî-îïåðàöèîííûå
êàðòû
Ðàçìåùåíî
íà Allbest.ru