Модернизация зубофрезерного станка 5А342П для фрезерования внутреннего зацепления пальцевой модульной фрезой
Введение
Череповецкий металлургический завод самый большой производитель и
поставщик металлопроката большинства машиностроительных компаний, как на
территории РФ, так и за пределами РФ. В 2016 году упал спрос на листовой прокат
с основными партнерами которые занимаются машиностроением и строительством. Так
же за пределами РФ стало больше развиваться переработка металлопроката, тем
самым стали развивать собственную металлургию. Из-за этого стали снижать
экспортные цены на все виды металлопродукции. Чтобы в данной ситуации, стать
главным российским экспортером за пределами РФ рынке черных металлов. ПАО
Северсталь внедряет новые технологии и технику для производства новой продукции
и для улучшения качества при выпуске традиционных видов металлопроката. В цехах
проведена реконструкция широкополосного стана и сделаны капитальные ремонты
основных сталеплавильных агрегатов.
На комбинате постоянно нужно делать качественный ремонт оборудования и
своевременное техническое обслуживание. Чаще всего ремонтные службы предприятия
не в силах справится с ремонтами самостоятельно. Для этого существует ремонтный
комплекс CCM-Тяжмаш, который состоит из девяти
цехов различной технологической направленности. Сотрудники и оборудование
ремонтного комплекса выполняют различные работы качественно и в короткое время.
Так как в ремонтном комплексе большое количество технологического оборудования
с разными характеристикам и возможностями. В основном оборудование производства
произведено в разное время и на разных предприятиях.
Для ремонта стало необходимо изготовление обойм различного диаметра с
внутренним зубом для этого нужен специальный станок.
Для решения этого вопроса, модернизировали станок 5A342П который представлен в данной
работе.
1. ЗАДАЧИ ВКР
Зубчатые передачи широко применяются в машиностроении и механизмах для
подачи вращательного движения и крутящего момента в скорости, мощности и
преобразования вращательного движения в поступательное и наоборот. Достоинство
зубчатой передачи: простота в ремонте и обслуживании.
Основными в машиностроении используют такие виды зубчатых передач как:
цилиндрические - это когда валы расположены параллельно, конические - это когда
валы пересекаются и перекрашены, винтовые - это когда валя просто пересекаются.
Так же их различают по профилю зубьев колес зацепления два основных вида:
. Эвольвентное - это эвольвентами построен профиль зуба.
. Циклоидальное - это циклоидальными кривыми построен профиль зуба.
Производстве в большинстве случаев используют зубчатые передачи с
эвольвентным зацеплением, имеющие отличительные черты в лучшую сторону.
Поверхность зубчатых колес обрабатывают:
Цилиндрические
Конические
Червячные.
Самые распространены это цилиндрические выполняют их одно - и
многовенцовыми.
Создание надежных машин позволяет изготовлять детали хорошего качества.
Необходимо своевременно развивать и совершенствовать технологические методы
механической обработки деталей. В ПАО Северсталь определилась необходимость в
изготовлении обойм различного диаметра с внутренним зубом, для основного и
вспомогательного оборудования металлургического производства.
Путем изменения процесса изготовления обоймы стало заметно увеличение
производства и улучшение качества произошло за счет автоматической разметкой с
помощью угловой зубчатой головки в РМЦ - 1 что позволило сократить время на
разметку.
И поэтому разработка выше указанного проекта, позволяет без значительных
вложений и с быстрой окупаемостью, изготовить и внедрить в производство данную
головку, тем самым позволило расширить новый вид продукции для нужд ремонтных
цехов и производств ПАО Северсталь.
Предлагаемые мероприятия позволяют сделать:
выполнять программу выпуска;
обновление и переоборудование производственных приспособлений;
улучшить долговечность оборудованию;
сократить время простоя.
Необходимо предусмотреть и сделать:
вычислить и разработать нужную приводную систему для данного проекта;
вычислить и разработать нужную гидравлическую систему для данного
проекта;
вычислить и разработать изготовление детали - «обойма»;
вычислить и разработать нужный инструмент для данного проекта;
рассказать о причине улучшения;
спроектировать безопасный проект и наносящий минимальный ущерб природе.
фреза
деталь заготовка гидропривод
2. КОНСТРУКТОРСКАЯ ЧАСТЬ
Вертикальный зубофрезерный станок нужен для фрезерования цилиндрических
зубчатых колес при помощи обкатки при этом используют червячную фрезу и
единичное деление дисковой или пальцевой фрезами. При этом используются разные
головки которые присоединяются к приводу.
Движение фрезы пальчиковой идет от электродвигателя на вал два с помощью
передачи клиноременной, затем на третий вал с помощью скоростей сменные колеса
гитары, затем на четвертый вал с помощью передачи конической, далее с помощью
конической передачи на пятый вал, где с помощью передачи конической на шестой
вал где находится фреза пальчиковая. Состав головки угловой зубофрезерной:
прямозубая цилиндрическая передача, коническая передача, коническая передача,
вал.
Для каждой обработки материала выбирается конкретная операция.
Проектируем привод для резания, U - 150 об/мин., N -
4,51 кВт.
Первоначальные показатели:
Nвых =
4,51 кВт - на выходе мощность;
nвых =
150 об/мин - на выходе частота вращения.
2.1 Расчет основных параметров привода
Первоначальные показатели: материал изготовления конструкционная
легированная сталь CT34XH1M, Gвр = 655 МПа, НВ
= 210-246
Берем фрезу с диаметром B = D = 40 мм.
Для расчета U резания, берем в
справочнике глубину резания tmax и tmin, а так же подачи Smax и Smin.
Расчитываем мах U резания:
где СV - постоянная;
D -
фреза с диаметром в мм;
Т - стойкость измеряется мин;
t -
резания с глубиной мм;
SZ -
подача мм/об;
В - фрезерование с шириной мм;
Z -
количество у фрезы зубьев;
КV - скоростной коэффициент.
Считаем придельные частоты вращения шпинделя:
Мах частота вращения равна мах U резания Vmax , а так же min dmin. Max
частота вращения равна min U резания Vmin , а так же мах dmax
Расчитаем при фрезеровании количество силы:
где D - фреза с диаметром, D =40 мм;
n -
фреза с количеством оборотов, мин-1;
z -
фреза с количеством зубьев, z = 2;
Kр -
коэффициент поправочный.
Разчитаем резание с мощностью.
Таблица 1 - Расчеты режима резания
|
Выполняемые операции и
характер обработки
|
Обрабатываемый матер. и его
механические характеристики
|
Вид и материал режущего
инструмента
|
Предельные значения
диаметров детали или инструмента
|
|
|
|
Наименьший диаметр, D = 6
мм
|
Наибольший диаметр, D = 40
мм
|
|
|
|
режимы резания
|
|
Фрезерование профиля зуба
|
СТ34ХН1М
|
Фреза модульная торцевая Р6
М5
|
t, мм
|
S, мм/об.
|
U, м/мин
|
n, мин
|
N, кВт
|
t, мм
|
S, мм/об
|
U, м/мин
|
n, мин
|
N, кВт
|
|
|
|
1
|
0,15
|
10,3
|
43,8
|
15,1
|
5
|
0,5
|
31,5
|
534
|
3,4
|
Для проектирования нужно знать Rn , N, привода передаваемого.
Рассчитаем регулировочный диапазон:
= nmax/nmin (5)
где nmax - мах частота;min -
мin частота.
Расчитаем раз вращения частот Z :
где j - число в ряде
геометрическом.
Чаще всего используют j = 1,26 и j
=1,41. Берем j = 1,26 и Z = 16.
Берем графико-аналитический метод изображенный на рисунке 1.
Рисунок 1. - Структурная сетка
Рассчитываем N привода:
где Nэ - резанье с эффективной мощность;
h - КПД привода;хх - холостой ход с мощностью.
где d - диаметр;о - шпинделя
диаметр;
Sn - промежуточные валы частота вращения;о - мах
частота шпинделя;
K1,K2 - коэффициенты.
.
Берем электродвигатель где: Nдв £ Nдв.ст.. Так же берем асинхронный электродвигатель 4А200М5У3
с Nэл = 22 кВт , n = 975 мин-1.
Строим график в основании которого структурная сетка привода, так же
учитывается пределы 0,25 £ i £ 2.
Рисунок 2 - График оборотов
Рассчитанные передаточные отношения не превышают допустимые значения
значит график построен правильно.
Так же переноси данные в таблицу 2.
Таблица 2 - Число зубьев колес
|
Z1
|
Z2
|
Z3
|
Z4
|
Z5
|
Z6
|
Z7
|
Z8
|
Z9
|
Z10
|
Z11
|
Z12
|
Z13
|
Z14
|
Z15
|
Z16
|
|
32
|
50
|
37
|
45
|
27
|
54
|
36
|
45
|
45
|
36
|
23
|
57
|
49
|
31
|
26
|
26
|
Установленные пределы ± 2, 6, частоты не превышают значит расчеты правильны так же заносим их в
таблицу 3.
Таблица 3 - Действительная частота вращения шпинделя
|
n1
|
n2
|
n3
|
n4
|
n5
|
n6
|
n7
|
n8
|
n9
|
n10
|
n11
|
n12
|
|
n. ст., мин-1
|
80
|
100
|
125
|
160
|
200
|
250
|
320
|
400
|
500
|
630
|
800
|
1000
|
|
n.дейст., мин-1
|
80
|
102
|
127
|
160
|
200
|
250
|
316
|
395
|
504
|
631
|
789
|
986
|
|
Dn, %
|
0
|
+2
|
+1,6
|
0
|
0
|
0
|
-1,25
|
-1,25
|
+0,8
|
+0,2
|
-1,4
|
-1,4
|
|
Dn доп., %
|
±2,6
|
2.2 Расчет и конструирование приводного вала
Рассчитываем на валах мощность:
= Nдв hрем = 22 0,96 =
21,12 кВт,= Nдв hрем
hп/ш hзуб = 22 0,96 0,99 0,97 = 20,28 кВт,= Nдв hрем hп/ш2 hзуб2 = 22 0,96 0,992 0,972 = 19,46 кВт,= Nдв hрем hп/ш4 hзуб3 hм = 22 0,96
0,994 0,973 0,99 = 18,3 кВ= Nдв hк hп/ш2
= 17,3кВт.
Рассчитываем на валах крутящий момент:
Рассчитываем у вала диаметр
где M - момент крутящий, H м;
[t] - напряжение на кручение 15-25MПa.
Берем из ряда чисел диаметры валов: d1 = 45 мм., d2 = 50 мм., d3 = 65
мм., d4 = 85 мм., d5 = 85 мм.
Рассчитаем расстояние у валов.
На рисунке 3 показана кинематическая схема привода.
Рисунок 3 - Кинематическая схема
Выбираем для расчета общего КПД привода данные утраты мощности с помощью
кинематической схемы.
. передача клиноременная ηКР = 0,95;
. передача цилиндрическая ηЦИЛ = 0,97;
. передача коническая ηКОН = 0,96;
. подшипники ηКОН = 0,99;
. муфта ηМ = 0,99.
Состав КПД привода:
Для нужной мощности на выходе берем электродвигатель.
Для выбора электродвигателя необходимо соблюдать Nэл ≥ Np.
Таким образом ищем из источников Np и видим для нашего привода можно взять четыре
электродвигателя, которые предоставлены в таблице 3.
Таблица.3 - Электродвигатели
|
№ п/п
|
Марка электродвигателя
|
Nэл , кВт
|
nэл , об/мин
|
|
1
|
4А132М2У3
|
11,0
|
2900
|
|
2
|
4А132М4У3
|
11,0
|
1460
|
|
3
|
4А1606У3
|
11,0
|
975
|
|
4
|
4А160М8
|
11,0
|
730
|
Чтобы выбрать двигатель с определенными параметрами сравниваем общие
характеристики в таблице 4.
Таблица 4 - Выбор электродвигателей
|
Электродвигатель
|
Передача
|
.
|
.
|
|
В данном приводе можно применить 1 электродвигатель 4А132М2У3 с nэл = 2900 об/мин Nэл = 11,0 кВт.
Производим выбор из стандартов:
ступень - Uкр = 3;
ступень - Uцил = 2,5;
ступень - Uкон = 1,6;
ступень - Uкон = 1,6;
ступень - Uкон = 1;
ступень - Uцил = 1;
ступень - Uкон = 1;
ступень - Uкон = 1;
Uо =
19,2.
nвых =
150 об/мин (выбраное), nвых =
151 об/мин (рассчитанное),отклонение составляет + 0,6% при норме ± 5%.
Рассчитываем мощность на валах:
, (11)
Рассчитываем угловую скорость:
, (12)
Рассчитываем
и полученные данные переносим в таблицу 5:
Таблица 5 - Результаты кинематического расчета
|
Расчетные параметры
|
Номер вала
|
|
I
|
II
|
III
|
IV
|
V
|
VI
|
VII
|
IX
|
|
Передаточное число ступени
|
|
3
|
2,5
|
1,6
|
1
|
|
Мощность N,
кВт
|
11,0
|
10,2
|
9,7
|
9,2
|
8,6
|
7,9
|
7,5
|
6,9
|
6,5
|
|
Обороты n,
об/мин
|
2900
|
966,67
|
386,67
|
241,67
|
151
|
|
Угловая скорость, рад/с
|
303,53
|
101,18
|
40,47
|
25,29
|
15,8
|
|
Момент Т, Н×м
|
36,2
|
100,8
|
239,7
|
363,8
|
544,3
|
500
|
474,7
|
436,7
|
411,4
|
2.3 Проектирование муфты
Во время когда с вала передается крутящий момент с электрического
двигателя на 1 вал станка применяют передачу клиноременную.
Для принятия параметров клиноременной передачи пользуемся ГОСТОМ
1285.1-81.
Шкив с min диаметром рассчитывают:
где T1 - момент вращения, Н·мм.
Делаем целым число стандартных значений и берем его:
= 140 мм. Рассчитываем скорость
окружную ремня
где d1 - вычитанный диаметр min шкива, м.
Рассчитываем число передаточное:
где n2 - шкив большой его частота
вращения, мин-1.
Рассчитываем диаметр шкива ведомого:
где ξ -скольжение ремня относительное, ξ = 0,02.
Делаем число целым до стандартных значений и берем:
= 400 мм.
где ТО - ремни с сечением с высотой сечения ремня.
Выбираем a = 400 mm.
Рассчитываем длину ремня:
Берем Lр = 1700 мм
Рассчитываем у min
шкива угол обхвата:
Рассчитываем количество ремней нужное для передачи заданной мощности P:
где РО - одним ремнем передаваемая мощность, РО = 3,83 кВт;
СL - коэффициент, СL = 1,00;
СР - коэффициент часы работы, СР = 1,2;
Сα - коэффициент угол обхвата, Сα = 0,89;
СZ - коэффициент, число ремней в
передаче, СZ = 0,95.
Выбираем: z = 4.
Выбираем в проектируемом приводе передачу прямозубую. Сталь 40Х и о
закалка HRC 45 - 55 берем для шестерни и
зубчатого колеса.
Рассчитываем
напряжения контактные:
где σн limb -
предел выносливости зуба,
σн limb =
18 НHRC + 150 = 18 46 + 150 = 978 МПа;
SH -
безлопастный коэффициент, SH =
1,25;
NHO -
количество циклов при перемене напряжений, NHO = 80·106;
NHE -
количество циклов при изменении напряжения.
где NΣ - количество циклов при изменении напряжения;
KHE =
1, постоянная нагрузка.
где n - частота, n = 151 об/мин.;
t -
количество времени, ч;
nз -
число, nз = 1.
где Ксут - коэффициент передачи за сутки;
Ксут = 0,3;
Кгод - коэффициент передачи в год;
Кгод = 0,22;
L -
передача со сроком службы, годы, L = 10
лет.
Расчет для колес и шестерен:
Рассчитываем
напряжение при изгибе:
где σF limb - выносливость зуба на изгиб σн · limb = 550 МПа;
SF -
безопасный коэффициент, SF =
1,35;
NFO -
количество циклов при изменении напряжения, NFO = 4·106;
Берем m = 9;
NFE -
количество циклов при изменения напряжений на изгибе
где NΣ - количество циклов при изменении напряжения;
KFE -
коэффициент выносливости, KFE =
1, NFE > NFO, берем NFE = NFO.
где u - количество передач, u = 1;
[σ]н -напряжение вычисленное, МПа;
Zε - коэффициент длины;
Т2 - вал колесa min крутящий момент, Т2 = 474,8 Н·м;
Кнα - коэффициент, зубья с нагрузкой, Кнα = 1;
Кнβ - коэффициент, при разделении нагрузки Кнβ = 1,26;
где Ψва - коэффициент, Ψва = 0,25.
где εα - коэффициент, εα = 1,6.
Берем: аW = 160 мм.
Рассчитываем
рабочую ширину венца:
Выбираем: в2 = 45мм.
в1 = в2 + 3 = 45 + 3 = 48 мм
Выбираем: в1 = 45 мм.
Рассчитываем:
m =
0,015 · 160 = 2,4
Выбираем: m =2,5.
Рассчитываем прямозубую передачу
Рассчитываем
количество зубьев шестеренок и колес:
z2 = zΣ - z1 = 128 - 64 = 64
Рассчитываем
передаточное число:
Рассчитываем
характеристики передач:
Рассчитываем вершины зубьев и их диаметр:= d1 + 2 • m = 160 + 2 • 2,5 =
165 мм= d2 + 2 • m = 160 + 2 • 2,5 = 165 мм
Рассчитываем
у колес с внешними зубьями диаметры впадин зубьев
df1 = d1 - 2,5 • m = 160 - 2,5 • 2,5 = 153,75 мм;= d2 - 2,5 • m = 160 -
2,5 • 2,5 = 153,75 мм.
Рассчитываем
у колес окружную скорость:
Проверяем на
выносливость передачи:
Проверяем на изгиб и выносливость зубья:
где Т2 - момент передачи кручения на вал колес, Т2 = 474,7 Н·м;
КFα - коэффициент, который разделяет нагрузку на зубьях,
КFα = 0,91;
КFβ - коэффициент, разделение нагрузки на всей ширине
венца, КFβ = 1;
КFv - коэффициент, динамическая нагрузка
при зацеплении Кнv = 1,05;
YF2 -
коэффициент, форма зубов колеса YF2 =
3,63;
Yβ - коэффициент, наклона зубов, Yβ = 1.
Испытание при кратковременной пиковой нагрузке на передачу:
где σн - вычисленное напряжение, σн = 629,2 МПа;
[σ]н max - мах разрешенное напряжение [σ]н max = 2100 МПа;
Т2пик - при запуске двигателя происходит крутящий момент на колесе
разрабатываемой передачи, Н·м.
Т2пик = Тэл max • u • η = 101,47 • 19,2 • 0,73 =
1422,3 Н•м
Рассчитаем на
зубьях зубчатых колес мах напряжение при изгибе:
где σF -
вычисленное U,
σF = 180,8 МПа;
[σ]F max - max
допустимое U [σ]н max = 1400 МПа
Действующие
силы:
Сила окружная
Сила
радиальная
Разрабатываемом приводе используется закрытая коническая передача с
круговыми зубьями. Берем сталь 40Х для производства зубчатых колес и шестерен
40Х. Так же используем закалку HRC 45
- 50 при термической обработки.
Рассчитываем
напряжения контактные допущенные:
где σн limb -
max выносливость поверхность зуба;
σн · limb = 17 · НHRC + 150 = 18 · 47 + 150 = 978 МПа;
SH -
безопасный коэффициент, SH =
1,25;
NHO - max напряжения, при длительной
выносливости, NHO = 80·106;
NHE -
количество напряжений.
где NΣ - изменения напряжения при количестве циклов;
KHE -
коэффициент при выносливости, KHE =
1, при полной нагрузке.
где n - частота вращения, выбрано n = 151 об/мин.;
t -
количество время, ч;
nз -
количество зацепления зубьев, nз =
1.
Расчет колесу и шестерни:
Рассчитываем
допустимых напряжений на изгиб
(26)
где σF limb - мах выносливость зуба на изгиб, σн · limb = 550 МПа;
SF -
безопасный коэффициент, SF =
1,36;
NFO -
количество изменения напряжения, NFO =
4·106;
NFE -
количество напряжений на изгибе при вычислении на выносливость.
где NΣ - количество изменений напряжения;
KFE -
коэффициент на выносливость, KFE =
1,постоянная нагрузка NFE
> NFO, NFE = NFO.
Примерное значение диаметра внешней делительной окружности колеса:
(27)
где Т2 -вычисляемая передача, Т2 = 426,8 Н·м;
u -
количество передач, u = 1;
Кнβ - коэффициент, Кнβ = 1;
Кнv - коэффициент, знающий динамическую
нагрузку, вступивщую в зацеплении, Кнv = 1,03;
[σ]н - количество напряжения, МПа;
Uн -
коэффициент, передачи конической, Uн = 1,26.
Берем: dl2 = 160 мм.
Примерное определение шестерни ее окружности диаметр.
Выбираем: Z1 = 25.
Определяем конструкцию вала, при помощи деталей размещенных на нашем
вале. Выбираем dmin = 46 мм и d = 55 мм.
Под действием кратковременных перегрузок валы разрушаются существует два
вида разрушения это статическое и так же усталостное. Расчет для вала основным
считается на сопротевление усталости, при этом проверочным считается вычисления
на прочность статическую все показано на рисунке 4.
Рис. 4 - Схема вала
Изображаем
эпюры изгибающих моментов
Для горизонтальной плоскости:
М (64) = 5933,75 · 0,064 = 379,76 Н·м;
М (81) = - 6369,6 · 0,081 = - 515,94 Н·м.
Для вертикальной плоскости:
М (64) = 2159,89 · 0,064 = 138,23 Н·м;
М (81) = 5095,7 · 0,081 - 1146,5 · 0,13712/2 = 334,15 Н·м.
Опасные сечения согласно эпюрам.
Рассчитываем моменты изгибающие:
Рассчитываем крутящий момент:
№ 604112 данный подшипник берем для опоры А.
№ 2008113 данный подшипник берем для опоры В.
Определяем реакцию в подшипниках: для горизонтальной плоскости
для вертикальной плоскости
Для
подшипника левой опоры А производим расчет.
Таким образом подшипник пригоден.
Для
подшипника левой опоры В производим расчет:
где Kб - безопасный коэффициент, Kб = 1,2;
KT -
коэффициент t, KT = 1;
РВ = 8057,7·1,2 = 9679,24 Н.
Таким образом годен подшипник.
Берем - сталь 45.
Берем термообработку - улучшения.
Выбираем σВ = 900 МПа
Рассчитываем при изгибе max
выносливость:
Вычисляем max выносливость
при касательном напряжении:
На опорах А и В опасное сечение.
Рассчитаем на опоре А:
.
Сопротивление осевого момента:
По всем расчетам допускается.
Производим испытания соединения шпоночного под колесом коническим. Данные
шпонки изготовлены из нормализованной стали 45.
Условие прочности и напряжения смятия рассчитывается:
где Т - в вале момент, Т = 474,7 ·103 Н·мм;
d -
вал диаметр, d = 45 мм;
h -
шпоночная высота, h = 9 мм;
lр
-шпонки длина работы, lр =
101 мм.
р = l - b, мм.,
где l - шпонка с длиной , мм;
b -
шпонка с шириной, мм.
Выполнено условие прочности.
2.3 Проектирование муфты
Первоначальные данные :
Т = 500 Н×м - на вале момент вращения;
n =
151 об/мин - количество оборотов вала .
Выбираем: dM = 80 мм.
2.4 Принцип действия привода
Данный станок 5А342П используется для изготовления зубьев на крупных
цилиндрических колесах и червячных.
Для этого используют пальцевые, червячные, дисковые фрезы для
изготовления прямозубых, косозубых колес наружного зацепления; так же
червячные, дисковые, пальцевые фрезы используют изготовления колес внутреннего
зацепления. В состав станка 5А342П входит: станина на которой устанавливается
настроечная коробка и есть стол. На станине в направляющих передвигается стойка
в горизонтальном направлении, на которой установлены салазки. У пульта рядом
установлена штанга со шкалой, которая информирует о расстоянии центра суппорта
к вершине стола. Располагаем сзади коробку гитары скоростей а так же
электродвигатель. В центральной оси поворачивается главный суппорт, так же
главный подшипник передвигается вдоль оси шпинделя для того чтобы установить
фрезу в нужном положении.
Цепью соединяют вращение инструмента с движением электродвигателя.
Зубчатыми колесами регулируется цепь. При обкатке настраивается кинематическая
цепь. А так же кинематическая цепь подачи соединяет вращение электродвигателя с
движением суппорта каретки фрезерного.
2.5 Разработка принципиальной схемы гидропривода
Расчеты делаем на показании основных показаний привода и за счет схемы.
Данной ситуации рабочий орган и выходное звено гидродвигателя производят
поступательное движение.
Определяем максимальную скорость:
При требуемом осевом усилии гидроцилиндра R = 8400 Н, выбираем напор p1 = 6,3 МПа.
Выбираем гидродвигатель и гидроцилиндр с двухсторонним движением.
Характеристика гидроцилиндра: диаметр штока, диаметр поршня, ход и рабочее давление.
Рассчитываем диаметр поршня гидроцилиндра:
, (39)
где
и
- давление;

- параметры.
Выбираем давление насосной установки Рн = 10 МПа.
Выбираем противодавление в сливной полости цилиндра p2 = 0,5 МПа.
Принципиальная схема начинается с ГЦ, затем идут гидролинии рабочие
которые контролируют скорость и движение смотря какой выбран режим. После чего
объединяются напорная, сливная линии участков схемы. Следующим изображаем
насос, дальше фильтр и предохранительный клапан.
Не предусматриваем тормозное устройство потому что движение штока очень
маленькое. Конечные выключатели предназначены для предельных положений. Под
действием пружины в исходное положение возвращается ГЦ.
Принципиальная схема изображена на рисунке 5.
Схема движения жидкости при разжатии:
Н - Ф - КО - Р(РР)А - Д - Ад- ПП(ГЦ)/ШП(ГЦ) - В(РР)Т - БАК
| |
- - - - - - - - - - - - - - - КН - - - - - - - - - - - - -
Схема движения жидкости при сжатии:
Н - Ф - КО - Д - Р(РР)В - ШП(ГЦ)/ПП(ГЦ) - Д - А(РР)Т - БАК
| |
- - - - - - - - - - - - - - - КН - - - - - - - - - - - - -
Рисунок 5
2.6 Выбор насосной установки гидропривода
Насос берем исходя из его характеристики и показателей.
Расчет гидроцилиндра с односторонним штокам одностороннего движения:
(40)
где
- мах потребление жидкости, м3/с;
- площадь гидроцилиндра в поршневой полости, м2;
-
мах скорость,
, м2,
(41)
.
Рассчитываем мах потребление жидкости:
min
потребление насоса
:
Количество p в насосе при
выходе:
где
- утрата p в
трубопроводе, МПа
Из полученных значений выбираем насос БГ11-31A TY2-054-1343-77
Количество
жидкости подаваемое насосом:
min p: 10 МПа;
max p: 14 МПа.
Выбираем модель насоса:
СВ-M1-40-H1-3-6 YXL4 TY2-053-1703-84
СВ-M - вид насоса;
- номер схемы насоса;
- размер бака в дм3;
H1 -
вид;
- мощность электродвигателя в кВт;
- отдача л/мин;
YXL4 -
изготовление.
2.7 Расчет и выбор гидроаппаратуры и трубопроводов
При выборе гидроаппаратуры учитывается количество расхода жидкости и
рабочего давления. Минимальные значения расхода и давления - берутся ближайшие
к расчетным значениям. У данных аппаратов способ монтажа - стыковой.
Направляющую аппаратуру выбираем типа В, она отличается меньшими габаритами и
металлоёмкостью.
Ф - напорный фильтр
Фильтр марки 2ФГМ33-5М УХЛ5 ТУ2-054-1878-86
Qном=25
л/мин (0,000417 м3/с); pном=32
МПа; Dрном=0,1 МПа
- размер;
ФГМ - масляный гидравлический фильтр;
- тонкость фильтрации;
УХЛ4 - исполнение климатическое
PP - pacтределитель реверсивный
Pacпределитель
peверсивный BE6.33.31.B210-50Н
ГОСТ 25679-81
Qном=12,5
л/мин (0,000208 м3/с); pном=32
МПа; Dрном=0,21 МПа
В - золотниковый гидрораспределитель;
Е - электрогидравлическое управление;
- проход условного диаметра, мм;
- изображение по схеме 54
- конструкционный номер;
В220-50 - переменный ток;
Н - имеется кнопка для переключения с ручного на электромагнитное;
КО - обратный клапан
КОМ 6/3
Qном=25
л/мин (0,000333 м3/с); pном=32
МПа: Dрном=0,32 МПа
- конструкция клапана,
М - модульный,
КО - обратный клапан,
- условный проход, мм,
- min p, МПа.
КП - клапан предохранительный
КПМ 6/3
Qном=12,5
л/мин (0,000223 м3/с); pном=2,0
МПа; Dрном=0,2 МПа
- условный проход, мм,
М - модульный монтаж,
Д - регулировочный дроссель
ДКМ 6/3
Qном=25
л/мин (0,000333 м3/с); pном=32
МПа: Dрном=0,32 МПа
ДК - клапан дроссельный,
М- монтаж модульный,
- проход условный, мм,
- min давление, МПа.
Рассчитываем внутренний диаметр трубопровода:
,мм, (43)
где
- в трубопроводе max расход жидкости, м3/с;
- оптимальное движение, м/с.
Мах ширина трубопровода:
где
- трубопроводе мах давление жидкости;
- прочность материала трубопровода
;
- безопасный коэффициент;
Для каждого участка выбираем трубопроводы, делаем расчёт и соединяем их
шаровым ниппелем расчитанный на давление до 16 МПа.
Трубы напорные.
Участки 1-2, 3-Р;
л/мин (0,0001 м3/с),
м/с.
Используем ближайшее стандартное значение трубы:10х2 ГОСТ 8743-74.
Диаметр внутренний
мм.
Перепроверяем условие
(Рmax =
12,5 МПа):
мм,
мм > 0,44 мм.
Соответствует условиям.
Трубы напорно-сливные.
Участок А-4;
л/мин (0,0000982 м3/с),
м/с.
Используем ближайшее значение трубы:12х2 ГОСТ 8643-76.
(Рmax = 12,5 МПа)
мм > 0,58 мм.
Соответствует условиям.
Используем ближайшее значение трубы:16х2 ГОСТ 8643-76.
Диаметр внутренний 12мм. (Рmax =
0,9 МПа):
2 мм > 0,064 мм.
Соответствует условиям.
2.8 Расчет потерь давления в гидроаппаратах и трубопроводах
Определяем потери давления
в гидроаппаратах .
(45)
где
- давление открывания, МПа;
А и В - коэффициенты аппроксимации;
- расход
жидкости аппарата, м3/с.
Напор:
л/мин (0,0001 м3/с):
МПа.
Обратный
клапан:
Результаты расчетов вносим в таблицу 6.
Таблица 6 - В гидроапаратах утрата давления
|
Линия
|
Qmax,
|
Участок
|
dcт,
|
fcт,
|
U
|
Rei
|
λi
|
L
|
Δрl
|
|
м3/с
|
|
м
|
м2
|
м/с
|
|
|
м
|
МПа
|
|
Напор
|
0,0001
|
1-2
|
0,006
|
0,000028
|
3,50
|
1116,9
|
0,0573
|
0,1
|
0,00526
|
|
0,0001
|
З-Р
|
0,008
|
0,000050
|
1,99
|
837,7
|
0,0764
|
0,1
|
0,00166
|
|
0,0000982
|
А-4
|
0,012
|
0,000113
|
0,87
|
548,4
|
0,1167
|
3,0
|
0,00968
|
|
|
|
|
|
|
|
|
ИТОГО
|
0,01660
|
Величина потерь зависит от количества движения жидкости. Бывают:
ламинарный и турбулентный, переключение режимов при пиковом числе «Рейнольдса».
Рассчитываем количество «Рейнольдса».
где
- с какой скоростью движется жидкость;
- вязкостной коэффициент.
Анализируем Rекр, т.к. Re< Rекр, и видим что течение ламинарное.
Ламинарный режим течения.
Аналогично производим для остальных участков трубопровода расчет.
Результаты расчетов переносим в тaблицу 7.
Таблица 7 - Утраты P по
всей L
|
Линия
|
Qmax,
|
Участок
|
dcт,
|
fcт,
|
U
|
Rei
|
λi
|
L
|
Δрl
|
|
м3/с
|
|
м
|
м2
|
м/с
|
|
|
м
|
МПа
|
|
Напор
|
0,0001
|
1-2
|
0,006
|
0,000028
|
3,50
|
1116,9
|
0,0573
|
0,1
|
0,00526
|
|
0,0001
|
З-Р
|
0,008
|
0,000050
|
1,99
|
837,7
|
0,0764
|
0,1
|
0,00166
|
|
0,0000982
|
А-4
|
0,012
|
0,000113
|
0,87
|
548,4
|
0,1167
|
3,0
|
0,00968
|
|
|
|
|
|
|
|
|
ИТОГО
|
0,01660
|
Утраты
плюсуются из сопротивлений
расчитываются по формуле:
(47)
где
- коэффициент j сопротивления местного;
- количество сопротивлений местных;
- S j
сопротивлением.
Коэффициент
выбирается в справочнике.
Расчет местных сопротивлений на участке 1-2: - резкое расширение do/d = 6/10 = 0,6
=1,2
Таблица 8 - Местные потери
Па (0,0066 МПа)
Аналогично производим расчет для остальных участков трубопровода.
Таблица 8
|
Линия
|
Участок
|
Qmax,
|
fстi,
|
Вид местного сопротивления
|
Параметр мест. сопротив.
|
Кол-во мест. сопрот.
|
ξ
|
Δрмi
|
|
|
м3/с
|
м2
|
|
|
|
|
МПа
|
|
Напор
|
1-2
|
0,000100
|
0,000028
|
Резкое расширение Ф6/Ф10
(Ф)
|
d0/d=0,6
|
1
|
1,20
|
0,0066
|
|
3-Р
|
0,000100
|
0,000028
|
Резкое сужение Ф10/Ф6 (Ф)
|
d0/d=0,6
|
1
|
0,41
|
0,0023
|
|
Р-А
|
0,000100
|
0,000028
|
Тройник Ф6
|
|
1
|
0,30
|
0,0017
|
|
Р-А
|
0,000098
|
0,000028
|
Колено Ф6
|
90 град.
|
2
|
1,20
|
0,0127
|
|
А-4
|
0,000098
|
0,000028
|
Резкое расширение Ф6/Ф8
|
d0/d=0,75
|
1
|
0,74
|
0,0039
|
|
А-4
|
0,000098
|
0,000050
|
Колено Ф8
|
90 град.
|
2
|
1,20
|
0,0040
|
|
А-4
|
0,000098
|
0,000050
|
Вход в емкость Ф8
|
|
1
|
2,00
|
0,0034
|
|
|
|
|
|
|
|
ИТОГО
|
0,0346
|
Заносим
расчеты в таблицу 9.
Таблица 9 - Потери суммарного давления
|
Линия
|
, МПа
|
, МПа
|
, МПа
|
, МПа
|
|
Н
|
0,2103
|
0,0166
|
0,0346
|
0,2615
|
Рн = 6,3+0,2615=6,5615<10
Все соответствует, насосная установка взята правильно.
3.
ТЕХНОЛОГИЧЕСКАЯ ЧАСТЬ
3.1 Анализ технологичности детали «обойма пальцевой модульной фрезы»
Обойма
изготовлена из легированной стали конструкционная СТ34ХН1М с механическими
свойствами: σв = 655 МПа, НВ 212-248. Масса - 1080 кг.
3.2 Выбор заготовки
Обойма предает вращающий момент с электродвигателя манипулятору обжимного
цеха. Так же ее используют муфту так как выглядит как втулка с двумя венцами
зацепления.
Таблица 10 - Химический состав 34ХН1М
|
С
|
Si
|
Mn
|
Cr
|
Мо
|
Ni
|
S
|
P
|
|
0,3-0,4
|
0,17-0,37
|
0,5-0,8
|
1,3-1,7
|
0,2-0,3
|
1,3-1,7
|
≤0,035
|
≤0,030
|
По чертежу детали выяснили, что имеется все данные для производства
детали.
Оцениваем деталь по ее технологичности ее конструкции и элементам. Обойма
может быть обработана с применением стандартного оборудования, режущих
инструментов и приспособлений. Все размеры контролируются с помощью контрольных
и стандартных измерительных инструментов. Материал для изготовления заготовки
СТ34ХН2М по ГОСТ 7063-90. Выбор заготовки производиться обычно несколькими
методами. Мы выбрали - поковка. Подводим итог: деталь отвечает требованиям
данных стандартов.
3.3 Разработка технологического процесса
изготовления детали «обойма пальцевой модульной фрезы»
За год выпущено деталей - 375 шт.
Разрабатываемый технологический процесс для серийного производства
деталей с механической обработкой. Детали изготавливают в большом количестве
для бесперебойной сборки расчитываем достаточный запас деталей на складах
промежуточного времени с производством 2 дня.
Расчитываем сколько в партии деталей:
где Д - количество изготовленых изделий по нормам;- количество;
Ф - количество дней рабочих в год.
Изготовление заготовки производится с помощью пресса ПА1343. Заготовка
изготовлена из: 34ХН2М
Состав технологического процесса:
. обдирка;
. обработка черновая;
. обработка термическая;
. обработка получистовая.
Рассчитываем припуск:
где
- высота микронеровностей;
- глубина дефектного поверхностного слоя;
- суммарное отклонение расположение поверхности;
- погрешность при установке.
Рассчитываем min припуск при
точении:
Рассчитываем суммарное отклонение расположение поверхности:
, (51)
Рассчитываем допуск при точении:
Аналогично производим расчет допуска при черном точении и при
получистовой обработке.
Рассчитываем отклонения при обработке термической:
Рассчитываем при перемещении заготовки ее погрешность:
Рассчитываем обработку с припуском
Перепроверим min припуск
По ГОСТу выбираем min
припуск 41 мм.
Габарит получистового точения:
(53)
Операционный размер чернового точения:
Операционный размер обдирочного точения:
Заносим полученные расчеты в таблицу 11 и делаем схему (рисунок 6) допуск
полей.
Таблица 11 - Сводная таблица припусков и допусков
|
Технологический маршрут
обработки поверхности Ø
1100
|
Диаметр D,
мм
|
Диаметр Dном,
мм
|
Расчетный припуск 2Zmin, мм
|
Допуск, мм
|
Предельные размеры
|
|
|
|
Rz
|
h
|
Δ1
|
Δ2
|
ΔΣ
|
ξ
|
|
|
min
|
max
|
|
Поковка
|
1100
|
1100
|
2,0
|
|
|
|
|
|
30
|
|
|
|
Обтачивание: обдирочное;
черновое; получистовое
|
|
|
1,25 0,25
|
0,35 0,24
|
1,1
|
45
|
4,7 0,28 0,28
|
1,6 0,24 0,24
|
13,8 3,5 1,3
|
2,6 2,6 2,6
|
110711011097
|
1110 11031100
|
Рисунок 6 - Схема полей допусков
. Материал заготовки 34ХН1М изготавливается с помощью пресса модификации
ПА1343
Рисунок 7 - Эскиз заготовки
). Устанавливаем деталь на планшайбу и закрепляем.
). Подрезаем торец Ø 1140.
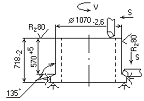
). Протачиваем поверхность, Ø 1070-2,6 с длиной 570 мм под углом 1350.
). Растачиваем отверстие до Ø 896+2 на длине 370 мм.
). Растачиваем отверстие до Ø 960+0,17.
). В отверстии Ø 896 снимаем фаску 9х450.
). В отверстии Ø 960 снимаем фаску 9х450.
Следующий этап 1). Переустанавливаем деталь, на планшайбе пользуясь
мерными пластинами, измерить.
). Отрезаем торец Ø 1140.
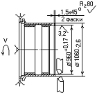
). Подтачиваем Ø 1106-2 и 120-1.
). Подтачиваем канавку Ø 1040-2,6, 40+0,62 и 41-0,5.
). Растачиваем Ø 896+2 с длинной 400 мм.
). Растачиваем сквозное отверстие Ø 902,4+1,1.
7). Растачиваем отверстие Ø 960+0,17, в размер 101.
). Растачиваем отверстие Ø 992+1,1, в размер 45±0,31.
). Точим фаску 3,5х450.
). Растачиваем отверстие Ø 961+2,3, в размеры 150+1 и 220-1,15.
Горизонтально-расточная.
). Устанавливаем измеряем и закрепляем.
). 12 отв. сверлим Ø 17,5, с глубиной 41 мм.
). Делаем М20 - 7Н в тех же 12 отверстиях.
). Делаем отверстие Ø 26,5 с глубиной 21 мм.
). Растачиваем Ø 48+0,62, с глубиной 25 мм.
). Делаем резьбу М30 - 7Н.
Делаем разметку.
Размечаем.. Следующая операция зубафрезерная.
). Устанавливаем деталь и закрепляем.
). Корректируем зубы m = 16, z = 58.
). Устанавливаем деталь и закрепляем по разметке.
). Корректируем зубы m = 16, z = 58.. Следящая обработка термическая.
Далее идет обработка токарно-винторезная.
). Устанавливаем, закрепляем.
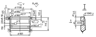
). Подтачиваем торец Ø 1108 мм.
). Подтачиваем Ø 1100-2,6 мм.
). Испытываем поверхность Ø 992+1,1, Ø
960+0,17, Ø 902+1,1.
Следующая операция.
). Переустанавливаем, закреплям.
). Подтачиваем Ø 1070 с размером 711-0,5.
). Подтачиваем, с размером Ø 1060-2,6.
Далее идет операция слесарная.
Производим калибровку 12 отв. М20 и в отв. М30.
Операция карусельно-токарная:
). Подрезаем торец и точим Ø 1070 мм., рисунок 8
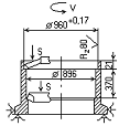
). Расточим отверстия Ø 960 мм и Ø
896 мм., рисунок 9
). Точение фасок, рисунок 10
). Подрезаем торец Ø1140, точим Ø1106, растачиваем отв. Ø960,
Ø992, Ø902,4 Ø961, протачиваем канавки в размер 40. Рис.11.
Рисунок 8 - Подбираем торец Ø 1070 мм
Рисунок 9 -Производим расточку Ø 960 мм и Ø 896 мм
Рисунок 10 - Точение фасок
Рисунок 11 - Подрезка торца
Далее идет операция Зубофрезерная:
). Обрабатываем зуб 1-го венца, рис. 12
). Обрабатываем зуб 2-го венца, рис.13
Рисунок 12 - Фрезеруем зуб первого венца
Рисунок 13 - Фрезеруем зуб второго венца
Далее идет операция винторезно-такарная:
).Точим Ø1100, обрабатываем Ø992, Ø960, рис. 14.
). Точим Ø1060, обрабатываем
Ø960, снимаем
фаску 1,5х45, рис. 15.
Рисунок 14 - Точим деталь
Рисунок 15 - Точим деталь
3.3.1 Выбор технологического оборудования и средств технологического
оснащения
1. Пресс ПА1343;
. Станок 1532;
. Станок 2А637Ф1;
. Станок 5А342П;
. Печь ПВП 3100х1500х1200 tmax = 9000C;
. Станок токарно-винторезный S1600/6000 (ДиП 800).
Далее выбираем резцы разных модификаций:
. Резец подрезной 2112-0063 Т5К10 III ГОСТ 18880-73
. Резец проходной 2103-0057 Т5К10 III ГОСТ 18879
. Резец прорезной 2130-0013 Т5К10 ГОСТ 18884-73;
. Резец расточной 2140-0058 Т5К10 ГОСТ 18882-73;
. Сверло 2301-0092 ГОСТ 10903-77;
. 2621-1832.3 ГОСТ 3266-81 -метчик;
. Модульная пальцивая фреза ИР-4-7435;
. Штангенглубинамер ШГ-400 ГОСТ 163-80;
9. Штангенциркуль ЩЦ-III-1601-0.10-1 ГОСТ 176-70;
. Штангенциркуль ЩЦ-III-640-0.10-1 ГОСТ 164-80;
. Индикатор ИЧ 10 кл. ГОСТ 578-67.
Выбираем приспособления:
. Шаблоны для точения фрез ИМ-1-3023/1;
. Расточная оправка 6301-0926 ГОСТ 21324-76;
. Угловая головка ТМ-7-239;
. Берем пробку 8321-0070 8Н ГОСТ 17656-73;
. Берем пробку 8321-1070 8Н ГОСТ 17657-73;
. Берем калибр - пробку Н-120.108;
. Штатив Ш-IIН-7 ГОСТ 10698-80.
3.3.2 Расчет припусков на механическую обработку
детали
По размерам припуска на обработку 20 мм выставляют 4,5 мм глубина резанья
при черновой обработке при этом учитывают и чистовую 2 мм. Для данной обработки
берем подачу
Рассчитываем количество вращений шпинделя при обработке черновой
Рассчитываем во время чистовой обработки количество поворотов шпинделя
Результат сравниваем с паспортом станка, выбираем:
Выбираем при черновой обработке действительную U:
Выбираем при чистовой обработке действительную U:
Техническое t:
где l - длина;- величина;- подачи, мм/мин.
Операция токарно-карусельная.
Далее идет операция расточно-горизонтальная
3.3.3 Расчет режимов резания
где lo -нарезаемая резьба ее длина, мм;вр - длина нарезания метчиком,
мм;- длина метчика;- резьбовой шаг, мм;- рабочий ход метчика об/мин;- обратный
ход метчика;- без отверстия;отверстие сквозное.
Нарезаем резьбу в 12 отв. Ø17,5:
Нарезаем резьбы в отв. Ø26,5:
Операция Разметочная
Операция Зубофрезерная
где lo - обрабатываемая длина, мм;; l2 - фреза с длиной, мм;м - временная
подача, мм/мин;ох - быстрая временная, мм/мин.
Далее операция термическая
Рассчитываем точение торца:
Рассчитываем точение Ø1100:
Рассчитываем точение Ø992:
Аналогично производим расчет для остальных видов точения.
Дальше идет слесарная операция
Калибровка резьбы в 12 отв. М20 и в отв. М30:
где tуст - время на снятие и одевание заготовки;пер - время на
переход;изм -время итоговое расчет.
Время для обслуживания детали занесены в таблицу 12,а так же в таблицу 13
занесена карта технологического маршрута.
Таблица 12 - Количество времени по операциям на обработку деталь
|
Наименование операции
|
То, мин
|
Тв, мин
|
Тоб, мин
|
Тп.з., мин
|
Тшт.к., мин
|
|
Токарно-карусельная
Горизонтально-расточная Зубофрезерная Токарно-винторезная
|
569,8 42,1 2341,9 284,5
|
39,4 31,7 43,2 38,4
|
34,2 1,9 105,4 15,6
|
8,7 12,3 15,3 10,7
|
652,1 88,0 2505,8 349,2
|
Таблица 13 - Карта маршрутно технологическая
|
Наименование операции
|
Оборудование
|
Приспособление
|
Норма времени
|
|
1
|
2
|
3
|
4
|
|
I. Токарно-карусельная.
|
Токарно-карусельный станок
1532
|
Резец 2112-0063 Т5К10 III,
резец 2103-0057 Т5К10-III, резец 2130-0013 Т5К10, резец 2140-0058 Т5К10,
резец 2141-0030 Т5К10, резец 2112-0063 Т5К10 III, штангенглубиномер ШГ-400,
штангенциркуль ЩЦ-III-1600-0.10-1, индикатор ИЧ 10 кл.1, штатив Ш-IIН-8.
|
569,84 мин
|
|
II.
Горизонтально-расточная.
|
Горизонтально-расточной
станок 2А637Ф1
|
Сверло 2301-0092, метчик
2620-1731.3, оправка расточная 6300-0825, метчик 2620-1955.3, пробка
8221-0080 7Н, пробка 8221-1080 7Н, калибр-пробка Н-130.080, пробка 8221-0109
7Н, пробка 8221-1109 7Н, калибр-пробка Н-130.109, штангенциркуль
ЩЦ-I-125-0.10-1.
|
42,1 мин
|
|
III. Разметочная
|
Разметочная плита
|
|
80 мин
|
|
IV. Зубофрезерная.
|
Зубофрезерный станок 5А342П
|
Фреза пальцевая модульная
ИР-3-7135, шаблон для заточки фрезы ИМ-1-3033, головка угловая ТМ-6-229.
|
2341,9 мин
|
|
V. Термическая.
|
Термическая печь с выкатным
подом
|
|
150 мин
|
|
VI. Токарно-винторезная.
|
Токарно-винторезный станок
S1600/6000 (ДиП 800).
|
резец 2103-0057 Т5К10-III,
резец 2130-0013 Т5К10, резец 2141-0030 Т5К10, штангенглубиномер ШГ-400,
штангенциркуль ЩЦ-III-1600-0.10-1, штангенциркуль ЩЦ-III-630-0.10-1,
индикатор ИЧ 10 кл.1, штатив Ш-IIН-8.
|
284,5 мин
|
|
VII. Слесарная.
|
|
Метчик 2620-1955.3.
|
60 мин
|
3.3.4 Техническое нормирование операций
Изготовление детали нужной формы и соответствующего качества делаем 7
операций состоящие из:
. Операция токарно-карусельная.
. Операция горизонтально-расточная.
. Разметочная операция.
. Зубофрезерная операция.
. Термическая операция.
. Операция токарно-винторезная.
. Слесарная операция.
3.4 Расчет и проектирование пальцевой модульной фрезы
Данную фрезу используют: 1) в станках горизонтальных
зубофрезерных, используемые изготовления зубьев данными фрезами; 2) в
разновидных зубофрезерных станках изготовления зубьев с помощью дисковых,
пальцевых и червячных фрез; 3) в станках зубофрезерных вертикальных с помощью
разных специализированных головок.
Единичным делением нарезают зубья. По окончанию
изготовления оборудование перемещают от изделия, супорт возвращается в исходное
положение, заготовка разворачивается. Заготовка неподвижна в это время
фрезерный суппорт двигается вдоль оси заготовки. Во время нарезания шевронных и
косозубых колес делается создается маленький поворот изделия одновременно с
движением супорта. Профиль зубьев совпадает с профилем впадины нарезаемого
прямозубого колеса.
Кривую профиля фрезы изготавливают затылованием. Для изготовления фрезы
используют быстрорежущую сталь с зубьями.
Колеса меньше 40 мм нарезают фрезой пальцевой двумя проходами:
первоначальный черновая, второстепенные чистовая. Cвыше 40 мм тоже за прохода. Два основных способа нарезания
зубьев колес: 1.методом огибания 2.методом копирования. Данные фрезы
используется при нарезании фаского профиля детали, который совпадает с профилем
впадины зубьев изделия. Профиль этих фрез - это профиль впадины зуба
прямозубого эвальвентного колеса. Значит, рассчитаем профиль данных фрез
относится к расчету впадин зуба прямозубого колеса.
Показано на рис. 18 профель впадин зуба колеса, окружности узловых точек
располагаются так Rе1 > Rх > ri1 ; чем больше точек взято в качестве
узловых, значит точнее построен профиль фрезы.
Профиль фрезы в основном состоит эвальвентной, rо1 £ ri1 или из эвальвентной и
неэвальвентной, rо1 > ri1. Неэвальвентный обозначается форме прямого
отрезка.
Рисунок 16 - Определение профиля пальцевой и дисковой фрез
Первоначальные исходные данные:
Выбирается произвольно угол α.
Все расчеты переносим в таб.14
Таблица 14 - Координаты точек эвольвентного участка зуба фрезы
|
Угол в град.
|
inv
|
A
|
SIN(w)
|
(w)
|
COS(w)
|
Rфрезы
|
Yфрезы
|
h фрезы
|
|
15
|
0,00615
|
7,687264924
|
0,258819045
|
0,261799
|
0,965926
|
7,4253277
|
449,4088
|
1,4088
|
|
16
|
0,007493
|
8,272793011
|
0,275637356
|
0,279253
|
0,961262
|
7,952319
|
451,3083
|
3,3083
|
|
17
|
0,009025
|
8,940773017
|
0,292371705
|
0,296706
|
0,956305
|
8,5501038
|
453,3257
|
5,3257
|
|
18
|
0,01076
|
9,69757808
|
0,309016994
|
0,314159
|
0,951057
|
9,2229448
|
455,4591
|
7,4591
|
|
19
|
0,012715
|
10,54982834
|
0,325568154
|
0,331613
|
0,945519
|
9,9750587
|
457,7063
|
9,7063
|
|
20
|
0,014904
|
11,50441359
|
0,342020143
|
0,349066
|
0,939693
|
10,810613
|
460,0653
|
12,0653
|
|
21
|
0,017345
|
12,56851759
|
0,35836795
|
0,366519
|
0,93358
|
11,733722
|
14,5337
|
|
22
|
0,020054
|
13,74964431
|
0,374606593
|
0,383972
|
0,927184
|
12,748448
|
465,1092
|
17,1092
|
|
23
|
0,023049
|
15,05564622
|
0,390731128
|
0,401426
|
0,920505
|
13,858795
|
467,7893
|
19,7893
|
|
24
|
0,02635
|
16,49475496
|
0,406736643
|
0,418879
|
0,913545
|
15,068708
|
470,5714
|
22,5714
|
|
25
|
0,029975
|
18,07561459
|
0,422618262
|
0,436332
|
0,906308
|
16,38207
|
473,4529
|
25,4529
|
|
26
|
0,033947
|
19,80731772
|
0,438371147
|
0,453786
|
0,898794
|
17,802699
|
476,4308
|
28,4308
|
|
27
|
0,038287
|
21,69944495
|
0,4539905
|
0,471239
|
0,891007
|
19,334347
|
479,5024
|
31,5024
|
Рисунок 17 - Профиль эвольвентного участка зуба фрезы
4. РАЗРАБОТКА
КОМПАНОВОЧНОЙ СХЕМЫ РАСПОЛОЖЕНИЯ ОБОРУДОВАНИЯ В ЦЕХЕ
Изготовление детали заданной формы и соответствующего качества
поверхности производим 7 операции:
. Операция токарно-карусельная.
. Операция горизонтально-расточная.
. Операция разметочная.
. Операция зубофрезерная.
. Операция термическая.
. Операция токарно-винторезная.
. Операция слесарная.
Делаем операцию токарную.
А. I. Устанавливаем деталь на планшайбу и
закрепляем.
II).
Подрезаем торец Ø 1140, в размер 718-2.). Точим поверхность,
в размер Ø 1070-2,6 на длину 570 мм с углом 1350.
IV).
Растачиваем отверстие до Ø 896+2 с длиной 370 мм.
V).
Расточаем отверстие до Ø 960+0,17 в размер 21±0,2 мм.
VI). В
отверстии Ø 896 точим фаску 9х450.
VII).
В отверстии Ø 960 точим фаску 9х450.
Следующее. I). Переносим
заготовку, с помощью мерных пластин и закрепляем.
II).
Подрезаем торец Ø 1140, в размер 714 мм.
III).
Точим поверхность, в размеры Ø 1106-2 и 120-1.
IV).
Точим канавку, в размеры Ø 1040-2,6, 40+0,62 и 41-0,5.
V).
Расточим отверстие до Ø 896+2 по длине 400 мм.
VI).
Расточим сквозное отверстие Ø 902,4+1,1.
VII).
Расточим отверстие Ø 960+0,17, в размер 101.
VIII).
Расточим отверстие Ø 992+1,1, в размер 45±0,31.
IX).
Точим фаску 3,5х450.
X).
Расточим отверстие Ø 961+2,3, в размеры 150+1 и 220-1,15.
Следующая операция горизонтальная - расточка.
I).
Сверлим 12 отверстий Ø 17,5, с глубиной 41 мм.
II).
Нарезаем резьбу М20 - 7Н в 12 отверстиях.
III).
Сверлим отверстие Ø 26,5 с глубиной 21 мм.
IV).
Растачиваем Ø 48+0,62, с глубиной 25 мм.
V).
Нарезаем резьбу в отверстии М30 - 7Н.
Делаем разметку.
Размечаем осевую линию зуба на торцах зубчатых венцов.
Следующая операция зубофрезерная
I).
Устанавливаем деталь и закрепляем.
II).
Фрезеруем зуб m = 16, z = 58.
III).
Переустанавливаем заготовку.
Следующая операция термическая.
Далее операция токарно-винторезная
А. I). Закрепляем заготовку в 4-х
кулачковом патроне.
II).
Далее точим торец Ø 1108 мм.
III).
Точить Ø
1100-2,6 мм.
IV).
Делаем проверку Ø 992+1,1, Ø 960+0,17,
Ø 902+1,1,
1,5х450.
Б. I). Закрепляем заготовку в 4-х
кулачковом патроне.
II).
Производим точение тореца Ø 1070 в размер 711-0,5, в биение 0,7 мм.
III).
Точим поверхность, в размеры Ø 1060-2,6.
IV).
Точим поверхности Ø 960+0,17
Следующая операция слесарная.
Калибруем резьбу в 12 отверстиях М20, М30.
Выбираем
оборудование.
Для обработки выбранной детали берем оборудование:
. Пресс гидравлический ковочный ПА1343;
. Станок токарно-карусельный модель1532;
. Станок горизонтально-расточной модель 2А637Ф1;
. Станок зубофрезерный модель 5А342П;
. Печка модель ПВП 3100х1500х1200 tmax = 9000C;
. Станок токарно-винторезный модель S1600/6000 (ДиП 800).
Для
изготовления обоймы планируем оборудование
Состав автоматического производства показывает пространственное
расположение станов и дополнительного оборудования и связь с транспортной
системой потока деталей.
В комплекс входят станки, автоматический склад готовой продукции и
заготовок, промежуточные накопители, транспортные устройства и устройства
загрузки оборудования.
В транспортировку деталей входит передвижение деталей через рабочие
позиции. Для этого транспортировка делится на: транспорт внутренний и устройств
загрузочных для доставки деталей, которые берут с измерительных устройств, с
позиций подготовки станков, а внутренний транспорт перемещает детали между
внутренними накопителями, складом перегружателями.
Необходимо знать число оборудования для выпуска деталей данной программы
при разработке автоматического производственного.
Рассчитываем количество основного оборудования:
, (66)
где N - количество в год в шт.;- годовой фонд времени, час;
η - коэффициент;
ТШТ.К - калькуляционное время.
Выбираем количество рабочих мест:
Станков токарно-карусельных 2 шт.;
Станков горизонтально-расточных 1 шт.;
Станков зубофрезерных 5 шт.;
Станков токарно-винторезных 1 шт.
Компонуем участок
Чтобы обоймы необходимо скомпоновать оборудование и станки.
Станок карусельно-токарный, станок винторезно-токарный, станок
расточный-горизонтальный, станок зубофрезерный, склад для заготовок и
выпущенной продукции, слесарный стол и разметочный стол установлены на
расстоянии двух метров от стены.
После того как нарезали зуб в термическом участке передвижение происходит
с помощью обоймы, предназначена тележка передаточная Q = 10 т.
Габаритные размеры участка составляют:
L - 50
м;
B - 20
м;
S -
1000 м2.
На этой территории распологаются 14 станков которые производят обоймы.
Данный участок должен соответствовать схеме которая показана на рисунке 20.
Рисунок 18. Расположение оборудования для изготовления
5. БЕЗОПАСНОСТЬ ЖИЗНЕДЕЯТЕЛЬНОСТИ В ЦЕХЕ
РМЦ-1 является производственным комплексом, который состоит из различных
главных и второстипеных механизмов, механических и электрических станков с
техническим обслуживанием, требующие своевременного пользоваться правилами
техники безопасности, требований и правила соблюдать технических указаний.
Своевременное исполнение работ это значит сразу выполняют несколько работ
одновременно. Для того чтобы персонал цеха не получил травм от вращающихся
частей оборудования ставят защитные кожухи, а так же высокие заборы с сеткой
места выполнения особо опасных работ. Защитными экранами оборудованы места
сварки и резки. Автоматическими выключателями оборудованы все механическое
оборудования. В цехе есть схемы передвижения персонала по территории, где
нарисованы пешеходные дорожки. Звуковыми сигналами снабжены все передаточные
тележки, подъемно-транспортное оборудование что движется и перемещается.
Образуются опасные и вредные факторы при запуске станка
вертикально-зубофрезерного на месте где данный станок установлен, а так же у
рабочих на своих местах: удар током; от станка с вращающимися частями можно
получить травму; так же вреден пар керосина которые находятся в составе СОЖ при
работе на станке. Так же в цехе проходят трубы с газа природного Р-6 кг/см2, а
так же кислород техническийР-16 кг/см2.
5.1 Мероприятия по обеспечению здоровых и
безопасных условий труда
Для этого делается:
Проводят обучения, а так же проверка знаний;
круглосуточно в цехе работает медицинский пункт с целью оказания первой
медицинской помощи в результате получения травмы;
по окончанию смены сотрудники ходят в душевые и сауны для санитарной
обработки;
организована стирка и ремонт спецодежды;
сотрудники цеха могут проходить профилактическое лечение в санаториях и
пансионатах комбината.
Данные условия соблюдаются при проектировании вертикально-зубофрезерного
станка, а так же строительно-монтажных, наладочных работ при эксплуатации
станка.
Время труда и отдыха:
В цехе рабочий день 24 часас в сутки, одна смена составляет 12 часов. Так
же есть перерывы 20-минутные через каждые 2 часа. Часы работы: первая смена
07.00-19.00;вторая смена 19.00-07.00.
Персонал который обслуживает работает по дневному графику.
5.2 Меры по обеспечению безопасности персонала
при авариях и ЧС
ЧС такие как пожар, взрыв газа, вредные выбросы.
Все сотрудники должны сообщить своему руководителю о ЧС. Так же обязан
оказать первую доврачебную помощь пострадавшему при травмировании.
При аварийной ситуации которая может привести к неизбежным последствиям,
сотрудники должны действовать с учетом плана ликвидации аварий цеха. В который
входят такие положения как:
«Количество сотрудников их обязанности и порядок действий в ликвидации
аварий».
«Количество добровольцев газоспасательной дружины».
«Тренировки по плану ликвидации аварий».
«Состав аварийного шкафа».
«Правила ликвидации аварий в действие».
5.3 Меры, обеспечивающие охрану окружающей среды
на производстве
В данном цехе есть факторы которые опасны, для окружающей среды, так и
для здоровья людей которые работают в данном цехе. Данные факторы влияют на
экологическую ситуация на производстве. Тем самым разрабатывают и утверждают в
установленном порядке, меры воздействия на последствия.
ЗАКЛЮЧЕНИЕ
В данной ВКР рассмотрены следующие задачи: в конструкторской части,
сделал расчет основных параметров привода, расчет и конструирование приводного
вала, проектирование муфты, принцип действия привода, разработал принципиальную
схему, выбрал насосную установку гидропривода, сделал расчет и выбрал
гидроаппаратуру, сделал расчет потерь давления в гидроаппаратах и тубопроводах.
В
технологической части сделал анализ технологичности детали «обойма пальцевой
модульной фрезы», выбрал заготовку, разработал технологический процесс
изготовления детали «обойма пальцевой модульной фрезы», выбрал технологическое
оборудование и средства технологического оснащения, сделал расчет припусков на
механическую обработку детали, расчет режимов резания, техническое нормирование
операций, расчет и проектирование пальцевой модульной фрезы. Так же разработал
компоновочную схему расположения оборудования в цехе.
Рассмотрен вопрос безопасность жизнедеятельности в цехе, мероприятия по
обеспечению здоровых и безопасных условий труда, меры по обеспечению
безопасности персонала при авариях и ЧС, меры обеспечивающие охрану окружающей
среды на производстве.
СПИСОК ИСПОЛЬЗОВАННЫХ ИСТОЧНИКОВ
1. Адам,
Я. И. Справочник зубореза: учеб. пособие / Я.И. Адам. - Москва: Машиностроение,
2006. - 232 с.
2. Анурьев,
В. И. Справочник конструктора-машиностроителя: в 3 т. Т.2. / В.И. Анурьев. -
Москва: Машиностроение, 2006. - 560 с.
. Балакшин,
Б. С. Основы технологии машиностроения: учеб. пособие / Б.С. Балакшин. -
Москва: Машиностроение, 2000. - 358 с.
. Башта,
Т. М. Гидравлика, гидромашины и гидроприводы: 2-е издание, перераб. / Т. М.
Башта, С. С. Руднев, Б. Б. Некрасов - Москва: Машиностроение, 2004. - 423 с.
. Башта,
Т. М. Машиностроительная гидравлика / Т. М. Башта. - Москва: Машиностроение,
2005. - 672 с.
. Белов,
С. В. Безопасность производственных процессов / С. В. Белов. - Москва:
Машиностроение, 1998. -215 с.
. Белов,
С. В. Средства защиты в машиностроении / С. В. Белов. - Москва: Машиностроение,
1999. -380 с.
. Бурцев,
В. М. Основы технологии машиностроения / В. М. Бурцев, А. С. Васильев, А. М. Дальский.
- Москва: МГТУ, 2009. - 583 с.
. Горбацевич,
А. Ф. Курсовое проектирование по технологии машиностроения / А. Ф. Горбацевич,
В. А. Шкред. - Минск: Высш. школа, 1983. - 256 с. с ил.
. Гуляев,
А. П. Металловедение А. П. Гуляев Москва: Металлургия, 1986.
. Егоров,
М. Е. Технология машиностроения / М.Е. Егоров, В. И. Дементьев, В. Л. Дмитриев.
Москва: Высшая школа, 2001. 534 с.
. Егоров,
М. Е. Технология машиностроения / М. Е. Егоров. - Львов: Машиностроение, 2003.
- 426 с.
. Свешников,
В. К. Станочные гидроприводы / В. К. Свешников, А. А. - Москва: Машиностроение,
2005. - 448 с.