Модернизация деревообрабатывающего кромкообрезного двухпильного станка
Содержание
Введение
.
Обзор литературы, постановка цели и задач проекта
.1
Состояние вопроса
.1.1
Отечественные станки
.1.2
Зарубежные станки
.2
Применение лазерных систем видения в деревообработке
.3
Патентный обзор
.4
Постановка цели и задач проекта
.
Модернизация деревообрабатывающего кромкообрезного двухпильного станка
.1
Описание станка, принцип работы, кинематическая схема
.1.1
Краткое описание конструкции
.1.2
Кинематическая схема станка
.1.3
Станина
.1.4
Механизм пильный
.1.5
Вальцы подающие
.1.6
Механизм подъема вальцов
.1.7
Приводы пильных валов и подающих вальцов
.1.8
Когтевая защита
.1.9
Ограждения станка
.1.10
Лазерная система видения
.1.11
Организация работы
.1.12
Меры безопасности к основным элементам конструкции станка и системам управления
.1.13
Средства защиты, предусмотренные в станке
.1.14
Меры безопасности при монтажных и ремонтных работах
.1.15
Порядок установки
.2
Построение структурной схемы автоматизации с помощью лазерной системы видения
.3
Ознакомление с программой Automation Studio
.4
Разработка гидравлической схемы с помощью программы Automation Studio
.5
Разработка логической схемы с помощью программы Automation Studio
.6
Расчет привода главного движения
.6.1
Кинематический расчет
.6.2
Мощность резания
.7
Расчет привода подачи
.7.1
Кинематический расчет
.7.2
Мощность привода подачи
.7.3
Эквивалентная мощность привода
.7.4
Расчет вала верхнего подающего вальца
.
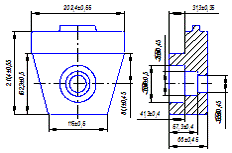
Разработка технологии изготовления детали «Опора»
.1
Описание конструкции и назначения детали
.2
Анализ технологичности конструкции детали и технологический контроль чертежа
.3
Выбор метода изготовления заготовки
.4
Технологический маршрут обработки детали (рисунок 26)
.5
Расчёт припусков на механическую обработку
.6
Выбор оборудования
.7
Выбор режущих инструментов
.8
Выбор режимов резания
.9
Техническое нормирование времени операций
.10
Проектирование станочного приспособления
Заключение
Список
использованных источников
привод пильный вал лазерный
Введение
Лесной комплекс является одним из ведущих секторов
российской экономики. На долю России приходится более 24% запасов древесины
всей планеты, в том числе более половины мировых запасов наиболее ценных
хвойных пород. Без ущерба для природы и экономики в стране можно производить и
перерабатывать до 600 млн. куб. м древесины в год. Однако большая часть
имеющихся запасов используется неэффективно.
В итоге в России заготавливается не более 120
млн куб. м (это уровень 1913 года), а из всего вырубаемого леса
перерабатывается не более 20%. Общий объем продаж в лесной отрасли достигает
более $4,5 млрд в год, что составляет 2,9% валового внутреннего продукта
России.
Лесоперерабатывающий комплекс (ЛПК) - одна из
самых экспортно-ориентированных отраслей экономики России. По объемам экспорта
ЛПК занимает 5-е место среди российских отраслей промышленности, после экспорта
газа, нефти, черных и цветных металлов.
В настоящее время основные проблемы ЛПК связаны
прежде всего с необходимостью реконструкции и полного технического
перевооружения предприятий отрасли. По статистике средний возраст оборудования
в промышленности - 25 лет. При этом лишь 10% основных производственных фондов
можно считать современными. Проблема усугубляется, с одной стороны, отсутствием
в России современного лесозаготовительного и целлюлозно-бумажного машиностроения,
способного производить технику, соответствующую мировым стандартам, с другой -
тем, что значительные импортные пошлины на лесные машины и оборудование в
совокупности с высокими ценами на них не позволяют российским лесопромышленным
предприятиям конкурировать с развитыми странами. Производительность труда в ЛПК
России почти в 10 раз ниже, чем в Финляндии. Отсутствие нового современного
оборудования крайне негативно отражается на конкурентоспособности российской
лесопродукции.
При самом высоком в мире качестве сырьевой базы
(особенно ценными являются леса Урала и Сибири), из-за низкого качества
обработки, цены на продукцию отечественных производителей на 30-40% ниже
среднемировых. Кроме того, за годы рыночных преобразований в России практически
полностью утрачен научно-технический потенциал отрасли, что также снижает
конкурентоспособность российской продукции на мировом рынке. А это прежде всего
влияет на поступления экспортных доходов в бюджет страны. По оценкам экспертов,
российская казна теряет более $1 млрд. в год.
В сложившихся условиях возникает другая важная
проблема лесопромышленного комплекса - недостаток инвестиций. За 10 лет
финансирование отрасли сократилось почти в 15 раз. Лесная отрасль
малопривлекательна для инвестиций в силу большого числа некоммерческих рисков,
связанных с политической нестабильностью России, несовершенством «лесного»
законодательства страны и отсутствием четкой государственной политики в
отношении ЛПК. Проблема осложняется неустойчивыми показателями финансово-экономической
деятельности предприятий лесной промышленности, около половины которых являются
убыточными и находятся на грани разорения.
Сегодня лесопромышленной деятельностью
занимаются более 22 тыс. предприятий, на которых работает около 1,4 млн.
человек. На долю частных предприятий приходится почти половина всей выпускаемой
продукции. Первичной заготовкой леса в России занимаются множество небольших
леспромхозов и лесозаготовительных участков. Обороты этих лесных хозяйств
достаточно малы и составляют не более $300-400 тыс. в год. Более половины
лесхозов убыточны и мало отличаются от российских колхозов со всеми вытекающими
проблемами. Для типичных лесхозов характерны недостаток денежных средств,
морально устаревшее и изношенное оборудование, а также низкий уровень
менеджмента предприятия.
В сфере неглубокой переработки леса
функционируют лесдревзаводы и деревообрабатывающие комбинаты, среди которых
крупные предприятия отсутствуют, а их объединение малоэффективно и требует
больших инвестиций. Реальным шансом выжить для большинства предприятий
российской лесной промышленности являются консолидация и укрупнение с целью
формирования вокруг них крупных лесоперерабатывающих комплексов или
целлюлозно-бумажных комбинатов. За счет интеграции крупнейшие ЦБК и ЛПК в состоянии
дотировать убыточные леспромхозы и поднимать общий уровень эксплуатации
лесосеки.
Крупнейшим холдингом такого типа в России
является группа Ilim Pulp Enterprise (IPE), созданная в 1992 году в
Санкт-Петербурге. На сегодняшний день холдинг входит в десятку крупнейших
компаний в мире по производству целлюлозы, уровню собственных запасов и
лесозаготовки. Ilim Pulp Enterprise объединяет предприятия по заготовке и
переработке леса, макулатуры, целлюлозные комбинаты, бумажные и полиграфические
фабрики, трейдинговую компанию. В конце 2001 года было принято решение об
объединении с другим крупнейшим лесоперерабатывающим холдингом - группой
«Титан».
Также крупными российскими лесоперерабатывающими
компаниями являются: Санкт-Петербургский холдинг Alcem UK, объединение
«Папирус», Северо-Западная лесопромышленная компания, группа «Фокс». В
последнее время значительную активность в консолидации предприятий лесной
промышленности стали проявлять крупнейшие российские финансово-промышленные
группы - «Базовый элемент» (бывшая ИПГ «Сибал»), «Альфа-групп» и «Северсталь».
Также на российский рынок лесного комплекса вышли крупнейшие иностранные
инвесторы. Так, комбинат «Светогорск» в 1998 году вошел в состав мирового
целлюлозо-бумажного концерна International Paper, а Сыктывкарский ЛПК в начале
2002 года приобрел крупнейший концерн Anglo-American.
Наряду с вышеперечисленными компаниями в России
успешно функционируют крупные лесопромышленные предприятия, контролируемые
собственным менеджментом. Такими предприятиями являются «Кондопога»,
«Соликамскбумпром», Калининградский ЦБК «Цепрусс», Соломбальский и Сегежский
ЦБК.
В настоящее время лесная отрасль России,
важнейшая составляющая экономики страны, находится в неблагоприятном состоянии,
что подтверждают результаты исследования средних показателей
финансово-хозяйственной деятельности предприятий отрасли. Прежде всего в
сложившейся ситуации необходимы усиление государственного регулирования в
области «лесной» сферы и разработка четкой законодательной базы.
Первые шаги в этом направлении уже сделаны:
Правительством РФ рассмотрены и одобрены предложения по «Основным направлениям
развития лесной промышленности». Предложенная концепция развития должна
повысить конкурентоспособность отечественной лесопродукции на российском и мировом
рынках, а также увеличить инвестиционную привлекательность отрасли. Основной
целью правительства является увеличение объемов производства лесной отрасли за
последующие 10 лет.
1. Обзор литературы, постановка цели и задач
проекта
.1 Состояние вопроса
Из группы двухпильных обрезных станков
отечественного и зарубежного производства в настоящей записке рассмотрены
станки ДКО-55 (Россия); круглопильные станки моделей Ц2Д-5А, Ц2Д-7, Ц2Д-9,
Ц2Д-У, Ц3Д-7 Вологодского станкостроительного завода; RM HCY-1 (Турция);
OPTIMAT-100 (Украина); оптимизационные комплексы для автоматизированных
обрезных станков фирмы «ESTERER» (Германия); обрезные станки фирмы
«SODERHAMN+ERIKSSON» Soderhamn Eriksson AB (Швеция).
.1.1 Отечественные станки
Кромкообрезной станок ДКО-55 (рисунок 1)
предназначен для продольной обрезки кромки и раскроя необрезных досок с целью
получения максимального выхода обрезных пиломатериалов. Применяется на
лесопильных и деревообрабатывающих предприятиях высокой и средней мощности.
Чаще всего используется в механизированных линиях лесопиления за станками
первого ряда и на участках доработки горбыля. Возможно применение станка на
сортировочных линиях для повышения сортности пиломатериала (доработки обзольной
доски). Данный станок является высокопроизводительным (72 куб.м в смену
реальной производительности) станком проходного типа с вальцовой подачей.
Регулировку пилы осуществляет оператор специальным механизмом в виде
револьверной головки с градацией, соответствующей стандартам обрезной доски. На
нерегулируемой части пильного вала устанавливаются от одной до трёх пил с
фиксированной наладкой на размеры, что и обеспечивает быструю переналадку в
зависимости от ширины поступаемой необрезной доски. Это позволяет при
сохранении высокой производительности добиться максимального выхода обрезных
пиломатериалов. Система механической переналадки на необходимый типоразмер и
отсутствие в станке гидравлики позволяет использовать станок в неотапливаемых
помещениях. Надежная конструкция станка не требует высокой квалификации
обслуживающего персонала. Для установки станка не требуется изготовление
специального фундамента, достаточно ровной бетонной площадки. Станок изготовлен
в соответствии с мировыми стандартами по технике безопасности, обеспечиваемой
надежной системой специальной когтевой защиты.
Рисунок 1 - Общий вид станка ДКО-55
Подача доски в зону пиления осуществляется
верхней и нижней парами приводных вальцов. Привод осуществляется ременной
передачей. Расположенные на консольном валу две неподвижные и одна плавающая
пила распиливают заготовку в соответствии с ГОСТом [2] на обрезной
пиломатериал. Настройка расстояния между пилами осуществляется оператором
дискретно с фиксацией размера на лимбе штурвала. Приемными гладкими роликами
доски и горбыльная рейка отводятся на склад готовой продукции. В таблице 1
приведена техническая характеристика станка ДКО-55.
Таблица 1 - Техническая характеристика станка
ДКО-55
|
Основные
параметры
|
Характеристика
|
|
Размеры
обрабатываемого материала, мм - толщина - ширина - длина
|
19-70
до 700 850-7000
|
|
Ширина
выпиливаемой доски, мм - между неподвижными пилами - между неподвижной и
подвижной пилой
|
до
116 80 - 243
|
|
Количество
пил, шт: - неподвижных - подвижных
|
2(3)
1
|
|
Диаметр
пил, мм
|
360
|
|
Скорость
подачи, м/мин
|
12;
16; 24
|
|
Частота
вращения пил, об/мин
|
2950
|
|
Количество
электродвигателей, шт
|
2
|
|
Установленная
мощность, кВт
|
23,5
|
|
Габариты,
мм
|
1450 1150 1300
|
|
Масса,
кг
|
1040
|
Конструкция позволяет производить следующие
варианты раскроя:
при работе одной подвижной и одной неподвижной
пилами выпиливание стандартных обрезных досок разного размера с последующей
сортировкой;
при работе одной подвижной и двумя неподвижными
пилами получение стандартных обрезных досок одного размера и обрезных досок или
брусков разных размеров.
Вологодский станкостроительный завод производит
обрезные круглопильные станки моделей Ц2Д-5А, Ц2Д-7, Ц2Д-9, Ц2Д-У, Ц3Д-7.
Станок двухпильный обрезной Ц2Д-5А предназначен
для получения чистообрезного пиломатериала путем двухсторонней параллельной
обрезки кромок.
Основными узлами этого станка являются: станина,
пильный механизм, подающие вальцы, механизм перемещения пилы, пульт управления.
Станок Ц2Д-5А (рисунок 2) снабжен
гидромеханической преселективной системой управления перемещением пилы,
когтевой защитой, упором перед вальцами, устраняющим возможность поломки пил.
Подачу необрезной доски обеспечивают пять
приводных вальцов.
Прижим доски осуществляется собственной массой
верхних вальцов.
Рисунок 2 - Общий вид станка Ц2Д-5А
Станок двухпильный обрезной Ц2Д-7 (рисунок 3)
предназначен для обрезки и раскроя необрезных пиломатериалов. Станок
выпускается в левом и правом исполнении.
В зависимости от ширины досок поступающих к
станку, он может эксплуатироваться как в двухпильном, так и в трехпильном
варианте. Приспособление для установки третьей пилы позволяет расширить
технологические возможности станка, увеличивая наибольшую ширину обработанного
материала до 500 мм.
Рисунок 3 - Общий вид станка Ц2Д-7
На литой станине станка установлены основные
узлы и механизмы: механизм подачи, пильный механизм, когтевая защита,
ограждения.
Станок двухпильный обрезной модели Ц2Д-У
предназначен для продольной обрезки и раскроя необрезных досок с целью
получения чистообрезных пиломатериалов в условиях предприятий малой мощности.
В таблице 2 приведены технические характеристики
обрезных круглопильных станков.
Таблица 2 - Технические характеристики обрезных
круглопильных станков
|
Основные
параметры
|
Наименование
модели
|
|
Ц2Д-5А
|
Ц2Д-7
|
ЦЗД-7
|
Ц2Д-9
|
Ц2Д-У
|
|
Просвет,
мм
|
710
|
450
|
800
|
800
|
630
|
|
Ширина
выпиливаемой доски, мм
|
60-300
|
60-200
|
60
- 500
|
60-300
|
75-200
|
|
Размеры
заготовки, мм: макс, ширина мин. длина толщина
|
630
1500 13-100
|
350
1400 13- 100
|
-
- -
|
-
1500 13-100
|
-
1500 13-80
|
|
Диаметр
пил, мм
|
400
|
400
|
420-500
|
400
|
315
|
|
Количество
пил, шт.
|
2
|
2(3)
|
3
|
2
|
2
|
|
Частота
вращения пильного вала, об/мин
|
2860
|
2860
|
2560
|
2500
|
2850
|
|
Скорость
подачи, м/мин
|
80;
120; или 100 и 150
|
100
|
80-150
|
40;
80; 130; 225
|
17;
30
|
|
Мощность
привода. кВт: установленная механизма резания остальных
|
-
40 6
|
-
25 3
|
65.2
- -
|
38,6
- -
|
11
- -
|
|
Габариты,
мм: длина ширина высота
|
1940
1560 1400
|
1800
1600 1250
|
-
- -
|
2400
1860 1250
|
1560
1570 1290
|
|
Масса,
кг
|
2100
|
2000
|
3200
|
4000
|
1430
|
.1.2 Зарубежные станки
Станок RM HCY-1 (Турция) (рисунок 4)
предназначен для получения из необрезного пиломатериала обрезных досок
требуемых размеров. Применяется на лесопильных и деревообрабатывающих предприятиях
высокой и средней мощности.
На станке устанавливается одна неподвижная и две
подвижные пилы. Установка ширины получаемой доски (перемещение подвижных пил)
производиться с пульта управления при помощи гидравлики. Толщина доски
устанавливается при помощи рычага подъема прижимных вальцов, подъем вальцов
производиться гидроцилиндром. Ширина отпиливаемой доски отслеживается по
линейке установленной на передней панели станка. Положение пил отслеживается по
отвесу или лазеру. Станок оснащен откидывающейся базовой линейкой, с помощью
которой можно распиливать полуобрезной материал на заготовки разного размера.
В таблице 3 приведена техническая характеристика
станка RM HCY-1.
Рисунок 4 - Общий вид станка RM HCY-1
Таблица 3 - Техническая характеристика станка RM
HCY-1
|
Основные
параметры
|
Характеристика
|
|
Размеры
обрабатываемого материала, мм - толщина - ширина
|
120
700
|
|
Наибольшая
ширина обработки, мм
|
600
|
|
Диаметр
пил, мм
|
400
|
|
Диаметр
вала, мм
|
75
|
|
Количество
пил, шт.
|
3
|
|
Скорость
подачи , м/мин
|
0
- 60
|
|
Частота
вращения пил, об/мин
|
3
000
|
|
Количество
эл. двигателей, шт
|
2
|
|
Мощность
электромоторов (3000 об/мин), кВт
|
22
|
|
Габариты,
мм
|
3300 1300 1200
|
|
Масса,
кг
|
1460
|
Кромкообрезной станок OPTIMAT-100 (Украина)
(рисунок 5) предназначен для продольного раскроя необрезной доски толщиной до
100 мм и шириной до 750 мм. Станок также может использоваться для кормления
горбыля.
Станок смонтирован на массивной жесткой станине,
полностью гасящей вибрации. Пильный механизм оборудован валом диаметром 50 мм,
изготавливаемым из специальной стали и прошедшим термообработку. На валу установлены
две пильные муфты полезной шириной 180 мм, одна из которых фиксирована, а
вторая перемещается посредством электропривода и зубчато-реечного механизма. На
каждую муфту может быть смонтировано до 3 пил, регулировка рабочей ширины
осуществляется дистанционно с пульта оператора.
Рисунок 5 - Общий вид станка OPTIMAT-100
В конструкции станка использованы комплектующие
ведущих европейских фирм (подшипники SKF, мотор-редукторы CSM Motori, электрика
Control Technics). В качестве опции предусмотрена установка 15 мВт лазерного
указателя с фокусировкой линии пропила и лазерным диодом MITSUBISHI.
Рекомендуется монтаж двух лазерных линеек: для определения базы (положения
фиксированной пилы) и позиционирования подвижной пильной муфты, в данном случае
последний лазер крепится на подвижном суппорте с электрическим приводом,
повторяющим перемещение пилы.
Усиленные подшипниковые узлы пильного вала
оснащены высокоточными подшипниками в пылезащитном исполнении. На панели
управления предусмотрен нагрузочный амперметр для выбора оптимальных рабочих
режимов.
В таблице 4 приведена техническая характеристика
станка OPTIMAT-100.
Таблица 4 - Техническая характеристика станка
OPTIMAT-100
|
Параметры
|
Характеристика
|
|
Размеры
распиливаемой заготовки, мм: - толщина - длина, - ширина,
|
до
100 600 750
|
|
Размеры
выпиливаемого изделия: - толщина, мм - допускаемое отклонение при распиле
6000 мм, не более
|
10
÷ 100 1,0
|
|
Количество
устанавливаемых пил, шт.
|
до
6
|
|
Диаметр
устанавливаемых пил, мм
|
350
|
|
Максимальное
расстояние между крайними пилами, мм
|
620
|
|
Скорость
подачи, м/мин
|
6
÷ 30
|
|
Номинальная
частота вращения пилы, об./мин
|
2
480
|
|
Производительность,
м3/ч,
|
4
|
|
Количество
электродвигателей, шт.
|
3
|
|
Суммарная
номинальная мощность электродвигателей , кВт, не более
|
22
|
|
Габаритные
размеры, мм, не более - длина - ширина - высота
|
1750
1550 1440
|
|
Масса
станка, кг,
|
2
050
|
|
Количество
основного обслуживающего персонала, чел.
|
2
|
Фирма «Эстерер» (Германия) производит [1]:
оптимизационные комплексы для автоматических
обрезных станков типа «OPTIMES» (рисунок 6); ширина необрезных досок от 70 до
750 мм, ширина обрезных досок 48-500 мм, толщина досок 15-180 мм,
производительность автоматической обрезки (для досок толщиной 24 мм, длиной 4,0
м) до 26 досок/минуту;
Рисунок 6 - Общий вид конструкции узла обрезки
досок на оптимизационном комплексе типа «OPTIMES»
оптимизационные комплексы для автоматических
обрезных (многопильных) станков типа «OPTIMSAW» ВК 50/100; ширина необрезных досок
от 80 до 750 мм, ширина обрезных досок 48-500 мм, толщина досок 15-50 мм
(модель ВК 50) и от 15-100 мм (модель ВК 100), скорость подачи трехступенчатая
105/160/210 м/мин или бесступенчатая от 60 до 220 м/мин, диаметр пил 350 мм
(модель ВК 50) и 450 мм (модель ВК 100);
оптимизационные комплексы для автоматических
обрезных (многопильных) станков типа «OPTIMSAW» BNK 160 (рисунок 7); ширина
необрезных досок от 80 до 750 мм, ширина обрезных досок 46-500 мм, толщина
досок (брусьев) 17-160 мм, скорость подачи 22 - 180 м/мин, диаметр пил 560 мм;
Рисунок 7 - Общий вид конструкции узла обрезки
досок на оптимизационном комплексе типа «OPTIMSAW» BNK
В таблице 5 приведены технические характеристики
оптимизационных комплексов для автоматизированных обрезных станков фирмы
«ESTERER».
Таблица 5 - Технические характеристики
оптимизационных комплексов
|
Основные
параметры
|
Наименование
модели
|
|
BNK
160
|
ВК50
|
ВК100
|
DK90
|
|
Просвет
станка, мм
|
-
|
-
|
_
|
800
или 1000
|
|
Толщина
обрезаемых досок, мм
|
17-160
|
15-50
|
15-100
|
60-160
|
|
Мин.
длина досок, м
|
1,0
|
1.0
|
1,0
|
1,0
|
|
Ширина
досок, мм: необрезных обрезных
|
50-750
46-500
|
80
- 750 48 - 500
|
80
- 750 48 - 500
|
430
(П=800мм) 630 (П=1000мм)
|
|
Частота
вращения пильных валов, об/мин
|
2400
|
4500
|
3800
|
3000-3800
|
|
Диаметр
пил, мм
|
560
|
350
|
450
|
500
|
|
Скорость
подачи, м/мин: 3-х ступенчатая бесступенчатая
|
22,5/45/90/180
(4 ступени)
|
105/160/210
60 - 220
|
105/160/210
60-220
|
15-150
|
|
Мощность
привода. кВт: механизма резания механизма подачи
|
2
х(75-90) 25
|
45-110
11
|
45-110
11
|
110
|
|
Масса,
кг
|
7500
|
3500
|
3500
|
_
|
установки автоматизированной обрезки и торцовки
досок типа «СОМ-BIMES»; ширина необрезных досок 80-750 мм, ширина обрезных
досок 48-500 мм, толщина досок 15-100 мм, макс, производительность (для досок
толщиной 24 мм, длиной 4,0 м) до 18 досок/минуту (при скорости подачи 180
м/мин);
обрезные многопильные станки типа «DK 90»;
высота пропила 60/125/160 мм, просвет 800/1000 мм, ширина обрезных досок
430/630 мм, скорость подачи при ручной загрузке 15-100 м/мин, при автоматической
загрузке 15-150 м/мин, диаметр пил 500 мм;
Фирма « SODERHAMN+ERIKSSON» (Германия) Soderhamn
Eriksson AB входит в концерн «SAWTEC».
Производит обрезной станок, оснащенный системой
«Автопос», предназначенный для обрезки досок толщиной от 12 до 100 мм, шириной
от 75 до 500 мм и длиной от 1,0 до 6,3 м. Это полностью автоматизированный
станок, управляемый ЭВМ, осуществляющий измерение и оценку параметров каждой
доски, назначающий величину обрезки кромок для получения максимального
полезного выхода из каждой доски и устанавливает круглые обрезные пилы в
заданное ЭВМ положение (рисунок 8).
Рисунок 8 - Общий вид участка загрузки и
центрирования досок
Обрезной станок «Автопос» представляет собой
компактную систему для высокопроизводительной (до 30 досок/минуту) обрезки
досок при поштучной выдаче и центровке без участия рабочего, но с условием
расположения досок «обзолом» вверх.
Подающий конвейер - цепной - состоит из цепей с
упорами для поштучной выдачи досок на измерение и на загрузку в обрезной узел.
Центрирующий узел, ориентирующий каждую доску по
оси станка, выполнен в виде вертикальных кронштейнов, шарнирное соединение
которых позволяет им фиксировать доску по оси постава.
Загрузочный конвейер - цепной, срабатывает
совместно с прижимом уже измеренной и сцентрированной доски верхними подающими
вальцами. Обеспечивает загрузку необрезной доски в станок со скоростью подачи
до 180 м/мин. Участок измерения необрезных досок. Каждая необрезная доска,
поштучно выданная на участок загрузки в обрезной станок, проходит точные
измерения при помощи лазерного сканирования. Для обеспечения плотной загрузки
системы 3 сканера обычно работают одновременно и полностью измеряют ширину и
длину доски. Сканеры работают в комплекте с боковыми детекторами (рисунок 9).
Рисунок 9 - Схема измерения при помощи лазерного
сканирования
Измерение происходит следующим образом:
узкий луч лазера нацелен на вращающееся двойное
зеркало, при вращении которого луч перемещается по параболической отражающей
поверхности;
эта поверхность отражает луч вниз в параллельных
лучах, как фары автомобиля, и они сканируют доску с 2-х сторон и могут охватить
4 угла доски;
по мере продвижения доски угловые величины будут
меняться и все эти изменения будут записываться специальным компьютером,
включая длину доски;
одновременно измеряется толщина доски при помощи
прижима верхнего подающего вальца, снабженного специальным потенциометром;
в соответствии с толщиной измеренной доски
компьютером назначается соответствующая скорость подачи;
компьютер вычисляет зону обрезки у необрезной
доски;
по команде компьютера в электронную систему
«Сервопос», подключаемую к системе «Автопос», производится установка обрезных
пил на рассчитанный компьютером размер обрезки;
установка обрезных пил осуществляется в
положение, обеспечивающее максимальный полезный выход с учетом оптимизации
параметров, т.е. цены или объема. Электроника системы «Сервопос» может снизить
время регулировки-установки пил до долей секунды (0,3-0,5 с) и с точностью до ±
0,05 мм.
В качестве измеряющего света здесь применяется
модулированный инфракрасный свет, невидимый для глаза и нечувствительный к
пыли, освещению и вибрациям. Вся система измерения не имеет оптических
устройств и поэтому точность измерений не меняется в зависимости от толщины
досок.
В таблице 6 приведена техническая характеристика
станков.
Таблица 6 - Техническая характеристика станков
|
Основные
параметры
|
Наименование
модели
|
|
«Автопос»
|
«Оптимальный»
|
5100
|
«Оптимизатор»
|
|
Размеры
необрезных досок, мм: ширина толщина длина
|
75
- 500 12- 100 1000 - 6300
|
75
- 500 12- 100 1000-6300
|
до
700 15- 100 1000-6300
|
80
- 500 12-50 2000-6300
|
|
Ширина
обрезных досок, мм: минимальная максимальная
|
-
-
|
-
-
|
-
-
|
|
Диаметр
пил, мм
|
|
-
|
350-450
|
-
|
|
Ширина
пропила, мм
|
-
|
-
|
5,0
|
-
|
|
Скорость
подачи, м/мин
|
180
|
134-230
|
60-250
|
134-200
|
|
Частота
вращения пильного вала, об/мин
|
-
|
-
|
2920
|
-
|
|
Производительность,
шт./мин
|
до
30
|
до
35
|
-
|
35
|
|
Мощность
привода, кВт
|
-
|
-
|
75-100
|
-
|
|
Потребность
в сжатом воздухе (Ро = 6 атм), л/доску
|
35
|
-
|
-
|
21
|
|
Расход
масла в гидросистеме, л/мин
|
|
-
|
24
|
30
|
|
Габариты,
мм: длина ширина высота
|
12000
4950 2650
|
7800
5800 2650
|
1775
2845 1100
|
7775
3605 2030
|
|
Масса,
кг
|
4500
|
-
|
4000
|
5600
|
Фирма «SODERHAMN+ERIKSSON» производит обрезной
станок «Эдгар». Его особенностью является оптимизатор, принцип действия
которого основан на уникальном (оригинальном) методе измерения с использованием
невидимого инфракрасного света (рисунок 10).
Рисунок 10 - Участок измерения необрезных досок
Доски поставляются кантующим конвейером поштучно
и выровненные по торцу. Они могут быть пропущены через сканирующую секцию и без
точного параллельного выравнивания. Изменение скорости движения конвейера не
влияет на точность измерения. Кривизна досок и неровность их ориентации также
не влияют на измерения. При этом обзол необрезных досок может быть ориентирован
вверх или вниз. Доски по всей длине проходят через двойные, пересекающиеся
инфракрасные лучи, а невидимое для глаза инфракрасное сканирование
нечувствительно к пыли в воздухе, освещению и к опилкам.
Система, управляемая точными сигналами от
фотоэлементов или от пульта управления кантующего конвейера, рассчитывает
габаритные размеры досок, включая и их толщину. Чтобы облегчить обслуживание,
измерительное устройство основано на включенных модулях. В этой системе
сканирование, подача на загрузку станка, питание, операции установки на размер,
обрезка кромок досок - это полностью взаимосвязанные функции, гарантирующие
точность обрезки каждой доски без отклонений. Здесь отсутствуют оптические
приборы. Устройства с фотоэлементами устанавливаются по всей ширине кантующего
конвейера. Поэтому измеряется вся длина доски (с интервалами в 10 см) и
результат поступает в компьютер, который выполняет все расчеты, основанные на
полном описании формы доски, обеспечивая оптимальный выход из данной доски.
Важным преимуществом этой системы измерения
является то, что доски не нужно поворачивать для измерения, а можно всегда
ожидать максимальный выход продукции. Система данного эджера (обрезного станка)
включает в себя электронное регулирующее устройство типа «Сервопос» для точной
и быстрой настройки пил на требуемый размер.
Компьютер выдает необходимые сведения о размерах
обрезки, необходимых смещениях обрезных пил, а также полные таблицы расчетов. В
случае поступления срочного заказа на определенные сечения пиломатериалов
имеется быстрый способ распределения размеров с наименьшими потерями. При этом
компьютер может быть подключен к другому оборудованию или связан с главным
компьютером фирмы «Содерхамн» для корректировки программ, перепрограммирования
и т.д.
.2 Применение лазерных систем видения в
деревообработке
Во всех странах мира на деревообрабатывающих
предприятиях особое внимание уделяется системам измерения длины, ширины, высоты
пиломатериалов. Кроме того, такие системы, особенно на основе лазерных
измерительных датчиков, оказывают серьезное влияние на разработку
деревообрабатывающего оборудования, так как позволяют автоматизировать большинство
процессов.
Деревообработка - гораздо более сложный процесс,
чем обработка остальных материалов. Связано это в первую очередь с высокой
изменчивостью свойств и характеристик большей части пиломатериалов, включая и
геометрические параметры. Это приводит к необходимости индивидуального подхода
буквально к каждой единице, что значительно затрудняет автоматизацию и повышает
трудозатраты.
Измерение длины, ширины, высоты пиломатериалов
при помощи лазерных систем видения, включенных в системы автоматизации технологических
процессов, позволяет каждый раз подстраивать деревообрабатывающее оборудование
под особенности каждой единицы пиломатериалов, что значительно снижает долю
ручного труда, повышает производительность и эффективность производства.
Точное измерение геометрических параметров -
длины, ширины, высоты - играет ведущую роль в сортировке любых пиломатериалов
вне зависимости от сортимента. Поэтому такие лазерные системы видения находят
самое широкое применение и весьма востребованы практически на всех предприятиях
деревообрабатывающей промышленности.
Схемы работы обрезных и многопильных станков во
многом однотипны, поэтому способы применения лазерных систем видения для этих
типов станков также похожи.
Для достижения высокой производительности и
максимального выхода готовой продукции на этих станках необходимо правильно и
оперативно сориентировать подаваемую в станок заготовку. Также, если позволяет
конструкция станка, необходимо оперативно оценить максимальную ширину (толщину)
доски или постава досок, которую можно получить из подаваемой заготовки, для
перемещения подвижных пил. Вышеперечисленные операции очень трудно произвести с
высокой точностью и минимальными затратами времени без применения лазерных
систем видения.
Специальными компаниями разработаны эффективные
и надежные лазерные системы для автоматического измерения длины, ширины, высоты
пиломатериалов, которые нашли широкое применение и зарекомендовали себя в
условиях действующего деревообрабатывающего производства, как весьма
экономичное и повышающее полезный выход продукции оборудование. Обработка
информации и управление системой лазерного измерения (включая и формирование
команд для исполнительных механизмов) производится при помощи специального
программного обеспечения, которое также разрабатывается в этих же компаниях.
Без современной системы автоматического
измерения длины, ширины, высоты пиломатериалов на основе лазерных систем
видения ни одно предприятие деревообрабатывающей промышленности не может
считаться оснащенным должным образом и соответствующим международным
стандартам.
Для сортировки сырых пиломатериалов важно
определение размеров досок. Прибор BoardMaster-GS (Finscan, Финляндия)
разработан для сортировки сырых пиломатериалов с измерениями одной, двух или
четырех сторон досок; производительность 60-100 досок в минуту.от Microtec
(рисунок 11) - это система для измерения длины, ширины и толщины досок на
поперечном конвейере; производительность - до 240 досок в минуту. Инфракрасная
балка в этой системе работает с разрешением до 5 мм, светоприемная камера - с
точностью до 0,75 мм.
Рисунок 11 - Схема работы прибора BoardScan
Современная видеоэлектроника и развитые
программные средства позволяют создавать системы, цены на которые находится на
вполне приемлемом для потребителей уровне. Одна из них - эффективная система
оптимизации обрезки обзола, которая производится компанией «Автоматика-Вектор».
Программа Boards Scanner рассчитывает установку обрезных пил, исходя из
размеров обзола в пиломатериале и возможной последующей торцовки пиломатериала
до стандартной длины, с учетом стоимости пиломатериалов различных длин и
сечений.
Лазерный сенсор Chroma+scan 3350 3D multi-point
laser sensor with colour vision (рисунок 12) компании LMI Technologies обладает
высокой скоростью, высокой плотностью трехмерной сети, просматривая размеры
вместе с полностью синхронизированной высокой плотностью красит представление
для приложений просмотра сети. Компланарные лазерные точки достигают узкой зоны
просмотра. Просмотр насыщенности цвета 3350 семей являются модульными, где
многократные датчики объединены, чтобы соответствовать ширину сети.
Дополнительно, эти датчики могут быть установлены выше и ниже материала сети,
чтобы измерить истинную отличительную вершину толщины / основание. Просмотр
насыщенности цвета 3350 имеет трехмерные копировальные из 3150 с дополнением
полного цветного измерения с решением пиксела 1mm x 0.5mm.
Рисунок 12 - Лазерный
сенсор
Chroma+scan 3350 3D multi-point laser sensor with colour vision
1.3 Патентный обзор
В работе произведен патентный обзор по
автоматизации деревообрабатывающего оборудования. Обзор осуществлялся по
странам Россия, США, Евросоюз, Япония. Класс поиска по международному
классификатору G06F 19/00, B26 D, на глубину 25 лет. Наиболее близкими по
технической сути и достигаемому эффекту является патент № US 5,201,258 [6]
(рисунок 13) и патент № US 7,426,422 В2 [7] (рисунок 14). Полное описание
патентов содержится в приложении.
Рисунок 13 - Изобразительная часть патента № US
5,201,258
Рисунок 14 - Изобразительная часть патента № US
7,426,422 В2
В полученных патентах описана автоматизация
станков на основе систем машинного видения с применением видеокамер, а в
последние годы лазерных сенсоров. Как показывает практика наиболее точным и
быстродействующими являются лазерные сенсоры для определения физических и
геометрических параметров заготовок.
Мною в работе была выбрана система на основе
лазерных сенсоров и применения компьютерных технологий обработки сигналов.
.4 Постановка цели и задач проекта
Тема проекта: «Модернизация
деревообрабатывающего кромкообрезного двухпильного станка».
Целью данного проекта является расширение
технологических возможностей станка, установка лазерного сенсора для увеличения
производительности станка, эффективности работы на станке и исключения рабочей
единицы, автоматизация механизма перемещения пил для повышения точности установки
пил.
Задачами проекта являются:
Произвести анализ отечественного и зарубежного
оборудования по техническому уровню автоматизации.
Произвести патентный обзор.
Произвести технико-экономическое обоснование
проекта.
Установить две дополнительные пилы.
Разработать кинематическую схему.
Разработать конструкцию механизма пильного вала.
Разработать проект автоматизации станка на
основе лазерной системы видения.
Разработать электрогидравлическую схему
управления на основе программы Automation Studio.
Разработать технологию изготовления детали
«Опора».
Разработать вопросы безопасности
жизнедеятельности проекта.
2. Модернизация деревообрабатывающего
кромкообрезного двухпильного станка
.1 Описание станка, принцип работы,
кинематическая схема
.1.1 Краткое описание конструкции
Станок состоит из следующих основных узлов:
станины, пильного механизма с гидроцилиндрами, подающих вальцов, когтевой
защиты, механизмов подъема прижимных вальцов, различного рода ограждений,
приводов пильных валов и приводов подающих вальцов. В состав станка входит
электро - и гидрооборудование.
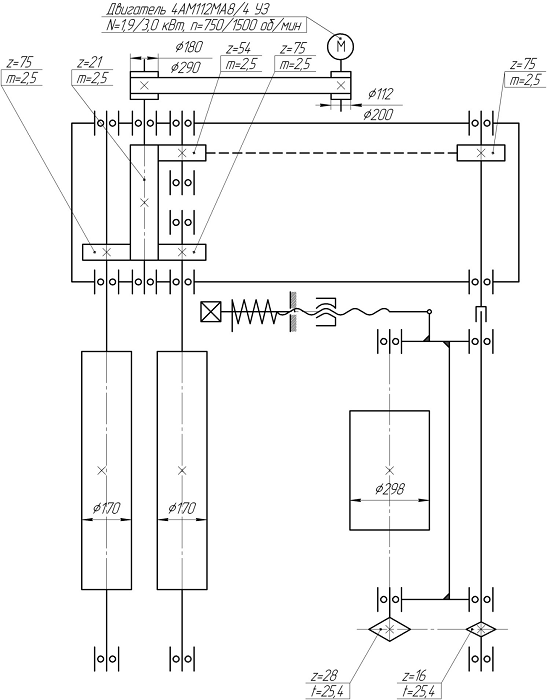
.1.2 Кинематическая схема станка
Пильные диски приводятся независимо отдельными
электродвигателями АМУ200L4 с мощностью N = 30 кВт и числом оборотов n = 1470
об/мин через повышающие клиноременные передачи 315/180 3-мя ремнями сечения
«Б». Ведомый шкив передачи не перемещается вместе с пилами, вращается на
подшипниках, установленных на стакане пильного узла. Вал, передающий крутящий
момент от ведомого шкива на пустотелый вал пильного диска через шлицевую втулку
и шлицевую крышку имеет два шлицевых конца. Подшипниковый узел (пиноль)
перемещается вместе с пилой на направляющих с помощью гидроцилиндра.
Подающие передние и задние группы вальцов
приводятся независимо отдельными двухскоростными электродвигателями 4AM112МА
8/473 с мощностью N = 1.9/3,0 кВт с число оборотов n = 710/1420 об/мин через
клиноременные передачи со сменными шкивами (ведущие диаметром 185 и 290 мм;
ведомые - 112 и 200 мм). Далее привод вальцов осуществляется через редуктора
(по одному редуктору на каждую группу вальцов): нижних вальцов с передаточным
числом i = 3,57; верхних - с передаточным числом i = 6,25. Усилие прижима
верхних вальцов осуществляется пружинами.
.1.3 Станина
Станина может изготовляться в двух вариантах:
сварной и литой. На станине предусмотрены базовые поверхности для установки
узлов пильного механизма, подающих вальцов, когтевой защиты, а также места
крепления приводов подачи, ограждений и ниши под крепежные болты установки
станка на фундамент.
.1.4 Механизм пильный
Механизм состоит из двух независимых пильных
блоков, отличающихся друг от друга только направлением резьбы гаек, крепящих
пильные диски и месторасположением расточек в корпусах пильных блоков.
Пустотелый пильный вал со шлицевой втулкой на
одном конце и закрепленной круглой пилой на втором конце смонтирован в
подшипниках качения, установленных в пиноли и закрытых крышками. Пиноль вместе
с пилой помещена в калиброванной втулке, фиксированной в корпусе, который
базируется на верхней плоскости станины. Калиброванная втулка дает направление
опоре, связанной с пинолью. Опора вместе с пинолью и пилой перемещается по
текстолитовым направляющим гидроцилиндром. Гильза гидроцилиндра установлена в
шаровом подшипнике, закрепленном в корпусе. Конец штока гидроцилиндра соединен
с опорой также посредством шарового подшипника. Такая конструкция установки
гидроцилиндра исключает какой-либо перекос штока и дает более точную установку
пил на размер.
При установке размера обработки пильные диски
перемещаются симметрично относительно оси просвета станка, причем подвижными
являются только пильные диски и их подшипниковые узлы, а ведомые шкивы со
своими опорами - неподвижны.
В каждом пильном блоке за пилами установлены
разделительные ножи для отделения реек от обрезной доски. При переточке пил
ножи могут быть выставлены с зазором между зубьями пилы и кромкой ножа равным
10 мм
за счет пазов, имеющихся в ножах.
Между пилами расположен столик для поддержки
доски при ее обрезке.
.1.5 Вальцы подающие
Подача доски на пилы осуществляется пятью
приводными вальцами. Нижние вальцы образуют уровень стола, на который опирается
доска при пилении. Нижние приводные вальцы насажены на валы и крепятся на них с
помощью клиновых шпонок. Верхние вальцы закреплены на валах с помощью зажимных
колец. Крутящий момент с вала на верхний валец передается через призматическую
шпонку. Валы нижних и валы подвески верхних прижимных вальцов своими шлицевыми
концами введены в полые втулки приводных редукторов оригинальной конструкции, а
противоположные концы опираются на подшипники, установленные в расточках
базовых стенок. Подвеска верхних вальцов представляет собой жесткую сварную
конструкцию из трубы и рычагов. Скорости подачи 40, 80, 130 и 225 м/мин
достигаются за счет двух скоростей электродвигателей и двух сменных шкивов на
валу ведомой шестерни редукторов.
.1.6 Механизм подъема вальцов
Подъем и опускание верхних вальцов на
определенную высоту, соответствующую толщине обрабатываемой доски производится
вручную с помощью передачи винт - гайка. Верхний прижимной валец удерживается
винтом, ввернутым одним концом в палец с резьбой, который закреплен в проушине
подвески. В своей средней части при подъеме или опускании прижимного вальца
винт может вращаться в упорных шариковых подшипниках усилием съемной рукоятки, надеваемой
на второй квадратный конец винта.
Упорные шариковые подшипники насажены на втулку,
которая установлена по напряженной посадке в цапфе каждого механизма подъема
вальцов (переднего и заднего).
Усилие прижима осуществляется за счет пружины,
установленной на винте и регулируется гайками.
При соскоке прижимного вальца с заднего торца
доски для смягчения удара в механизме прижима имеется резиновый амортизатор.
На торце пальца, соединяющего подвеску вальца с
винтом, закреплен указатель высоты установки вальца.
.1.7 Приводы пильных валов и подающих вальцов
Электродвигатели пильных валов закреплены на Г -
образных кронштейнах, установленных на салазках, и размещены в нишах, имеющихся
в передней части станины.
Электродвигатель передних подающих нижних и верхних
прижимных вальцов установлен на подмоторной сварной плите, подвешенной на
кронштейнах, закрепленных на правой стенке когтевой защиты. Двигатель задних
вальцов установлен подобно переднему на задней стенке станины. Клиноременные
передачи к пильным узлам и подающим вальцам закрыты ограждениями
.1.8 Когтевая защита
Когтевая защита служит для предотвращения
выброса доски, реек и срезков из станка. Под действием подаваемой в станок
доски когти свободно отклоняются в сторону подачи. Когтевая защита представляет
собой два ряда длинных и коротких когтей, висящих шарнирно на валах,
закреплённых в боковых стенках и перекрывающих весь просвет станка по ширине.
Конфигурация и длина когтей обеспечивают оптимальные узлы заклинивания от 55°
до 65° на всем диапазоне толщины досок от 13 до 100 мм. При необходимости когти
защиты поднимаются с помощью гидроцилиндра командой с пульта управления, что
позволяет в аварийной ситуации при включении подачи назад удалить доску из
станка.
.1.9 Ограждения станка
Установленные на станке подвижные и вращающиеся
узлы и детали имеют различной конструкции ограждения как съемные, так и
открываемы на шарнирах.
Ограждения (за исключением ограждений
клиноременных передач) имеют слой материалов, которые поглощают звуки и шумы
станка, производимые механизмами. На входе станка имеется специальный кожух,
предохраняющий оператора станка от повышенного шума. Доступ к пилам
осуществляется через проемы между редукторами и стенками для подвески и привода
подающих вальцов, закрытые дверками.
.1.10 Лазерная система видения
В качестве лазера, установленного перед подающим
рольгангом на специальной стойке, служит лазерный сенсор Chroma+scan 3350 3D
multi-point laser sensor with colour vision компании LMI Technologies. Сенсор
обладает высокой скоростью, высокой плотностью трехмерной сети, просматривая
размеры вместе с полностью синхронизированной высокой плотностью красит
представление для приложений просмотра сети. Компланарные лазерные точки
достигают узкой зоны просмотра. Просмотр насыщенности цвета 3350 семей являются
модульными, где многократные датчики объединены, чтобы соответствовать ширину
сети. Дополнительно, эти датчики могут быть установлены выше и ниже материала
сети, чтобы измерить истинную отличительную вершину толщины/основание. Просмотр
насыщенности цвета 3350 имеет трехмерные копировальные из 3150 с дополнением
полного цветного измерения с решением пиксела 1mm x 0.5mm.
.1.11 Организация работы
Станок рассчитан на эксплуатацию в две смены с
остановками в выходные и праздничные дни, профилактическое обслуживание и на
капитальный ремонт по установленным нормам.
Перед началом работы на станке необходимо
передние и задние верхние вальцы выставить на определенную высоту в
соответствии с толщиной поступающих на станок досок и указателем механизма подъема
вальцов.
При работе на станке оператор выполняет
следующие функции:
подает доску в зону ожидания;
центрирует доску по оси подачи станка;
оценивает доску (выбирает рациональный вариант
раскроя с целью получения максимальных объемного и ценностного выхода
пиломатериалов) с учетом установки постава на партию заказа и лазерного
разметчика;
нажатием кнопки на пульте управления
устанавливает пилы на определенный размер;
подает доску в станок до того момента, когда она
зайдет в передние вальцы станка.
.1.12 Меры безопасности к основным элементам
конструкции станка и системам управления
В нижней части станины для удаления опилок из
зон обработки предусмотрены окна.
Уровень шума при работе станка под нагрузкой на
рабочем месте оператора не превышает 80 дБ, а величина вибрации не превышает
требований «санитарных норм проектирования промышленных предприятий» СН245-71.
Система управления станком дистанционная.
.1.13 Средства защиты, предусмотренные в станке
Все вращающиеся части станка закрыты
ограждениями.
Для обеспечения условий электробезопасности
металлические части электрооборудования и станка, которые могут оказаться под
напряжением вследствие нарушения изоляции, заземлены.
Все токоведущие провода заключены в защитные
оболочки, которые заземлены.
Станок оборудован блокирующими и защитными
устройствами, исключающими возможность пуска при снятых ограждениях и открытых
дверках.
У всех кнопок и рукояток управления станком
имеются указания об их назначении.
.1.14 Меры безопасности при монтажных и
ремонтных работах
Монтаж станка производят по узлам. Узлы и
крупногабаритные тяжелые детали имеют для зачаливания специальные отверстия и
рым-болты.
Монтаж оборудования станка производится
персоналом, допущенным к производству монтажных работ и ознакомленным с правилами
эксплуатации станка.
При проведении ремонтных работ необходимо
убедиться в том что станок обесточен и отсутствует давление в гидросистеме, а
также повесить табличку:
«НЕ ВКЛЮЧАТЬ - РАБОТАЮТ ЛЮДИ!»
При обслуживании станка ЗАПРЕЩАЕТСЯ:
пускать в работу неисправные, неподготовленные,
не вычищенные от отходов обработки и не отрегулированные механизмы;
производить какие-либо работы до полной
остановки всех механизмов и отключения электродвигателей;
работать без установленных ограждений или с
выключенными блокировками;
производить ремонтные и наладочные работы при
недостаточном освещении и без установки таблички:
«НЕ ВКЛЮЧАТЬ - РАБОТАЮТ ЛЮДИ!»
оставлять работающий станок без присмотра;
передавать управление станком посторонним лицам,
даже на короткое время;
включать механизмы станка при нахождении людей в
рабочей зоне;
производить обработку материала затупленным или
некачественно подготовленным инструментом.
.1.15 Порядок установки
Распаковка.
Станок к месту установки доставляют упакованным
в деревянные ящики.
Не допускается: кантование, наклоны в стороны,
удары, рывки при подъеме и опускании ящиков.
Необходимо следить за тем, чтобы не повредить
механизмы станка.
Транспортирование.
Транспортирование производят грузозахватными
приспособлениями, подобранными соответственно массе груза с соблюдением правил
строповки и техники безопасности. Во избежание повреждения выступающих частей в
соответствующих местах под канат устанавливают деревянные подкладки.
Перед установкой станок тщательно очистить от
антикоррозийного покрытия.
Монтаж.
При установке на втором этаже станок монтируют
на балках перекрытия.
При установке на первом этаже станок монтируют
на бетонном фундаменте.
Глубину закладки фундамента принимают в
зависимости от категории грунта, но не менее 1000 мм.
Для фундаментных болтов оставляют специальные
колодцы.
Для облегчения монтажа станка следует
пользоваться его сборочными чертежами.
Монтаж станка производят в следующей
последовательности:
Основные части станка устанавливают на фундамент
(фундаментные болты должны быть заранее установлены в колодцы).
Проверяют горизонтальность станка в поперечном и
продольном направлениях с точностью 0,1 мм на длине 1000 мм по уровню,
установленному на базовые горизонтальные плоскости станины.
Проверяют соответствие установки отдельных узлов
станка нормам точности.
Монтируют пневморазводку, гидроразводку и
электрооборудование. При этом необходимо заземлить станок подключением к
цеховой системе заземления.
Подключают электрооборудование станка к
электросети.
Подготовка к первоначальному пуску.
Снять антикоррозийную смазку, протереть насухо
наружные поверхности узлов и деталей, смазать станок.
Проверить натяжение ремней приводов.
Проверить крепление пил и расклинивающих ножей.
Закрыть все ограждения и проверить их крепление.
Первоначальный пуск.
Пуск станка производят в рабочем режиме при
скорости подачи 40 м/мин.
На пульте управления переключатель режимов
устанавливают в положение «Работа», после этого включают в работу
последовательно:
электродвигатель насоса гидростанции;
электродвигатели приводов левого и правого
пильных валов;
электродвигатели приводов подачи.
После пуска станка проверяют правильность
направления вращения пил. Пилы должны вращаться встречно направлению подачи.
Станок должен работать спокойно, без ударов и
толчков.
Если при испытании на холостом ходу в течение
двух часов избыточная температура нагрева подшипников пильных валов не
превышает 55°С, нет каких-либо неполадок в узлах, можно
приступить к испытанию станка под нагрузкой.
.2 Построение структурной схемы автоматизации с
помощью лазерной системы видения
Специфика построения лазерной системы видения
как одного из классов лазерных локационных систем обусловлена главным образом
уникальными свойствами лазерного излучения, которые проявляются в виде
различных эффектов при распространении излучения в рассеивающей и
случайно-неоднородной среде, а также в процессе формирования изображения
приемным каналом.
Учет многообразия реальных объектов и
особенностей восприятия их изображений оператором способствовал разработке
большого числа структурных ЛСВ различного типа и назначения. Это затрудняет их
сравнительный анализ и создание общей, унифицированной методики проектирования
целесообразно иметь обобщенную структурную схему ЛСВ, дающую достаточно полное
представление о работе всей ЛСВ и определенных ее блоков с учетом характеристик
канала распространения излучения, свойств лоцируемых объектов и особенностей
зрительного анализатора человека-оператора.
Передающий канал формирует зондирующее лазерное
излучение. Основными его элементами являются лазер 1, формирующая оптическая
система 3 для изменения угловой расходимости лазерного излучения, устройство
управления излучением 2 для модуляции и сканирования лазерного пучка.
Сформированное передатчиком зондирующее излучение сканирует объект 4, имеющий
некоторое пространственное распределение коэффициента отражения по
интенсивности ρλ(х, у) для излучения
данного спектрального состава.
Отраженное излучение оказывается
промодулированным по интенсивности в соответствии с двухмерным распределением ρλ(х,
у) регистрируется приемным каналом, содержащим приемную оптическую систему 5 и
усилитель-преобразователь 6 (например, ЭОП) и фотоприемным устройством 7 (ФПУ).
Помимо фотоприемника ФПУ может содержать сканирующее устройство, перемещающее в
пространстве синхронно с лазерным пучком угловую приемную диаграмму ФПУ,
осуществляя тем самым эффективную пространственную селекцию.
Центральное устройство управления содержит блок
обработки данных 8 и контроллер управления 9. Блок управления данных предназначен
для приема, цифрового преобразования и обработки входного сигнала с ФПУ, а
также для формирования одного аналогового сигнала на входе монитора. Контроллер
управления осуществляет формирование синхронизирующих и управленческих
импульсов, индикацию режимов работы ЛСВ. Центральное устройство управления
посылает обрабатываемую картину на ТВ-монитор 10, за которым может наблюдать
оператор-наладчик 11, периодически следящий за правильной работой программы, и
при сбоях настраивает его.
Специальная программа обрабатывает информацию,
вычисляет ширину годного материала и посылает сигнал на программируемый
логический контроллер, а также на мотор-редуктор, который управляет работой
рольганга. Контроллер дает команду на блок управления распределителем. Блок управления
распределителем передает команду на электромагнит пропорционально
распределителя, который выдает команду на перемещение пильных дисков
(перемещение пильных дисков осуществляется симметрично относительно оси станка
с помощью электрогидропривода электронным управлением), при этом линейный
датчик обратной связи контролирует фактическое расположение штоков в цилиндре,
а также дает команду на контроллер для остановки цилиндров.
На рисунке 15 изображена структурная схема ЛСВ
для автоматической работы кромкообрезного двухпильного станка.
Рисунок 15 - Структурная схема лазерной системы
видения
.3 Ознакомление с программой Automation Studio
Гидравлическая схема управления разработана с
помощью программы Automation Studio.Studio - пакет программ моделирования, в
который могут быть включены различные модули.
Каждый модуль, также называемый семинаром,
включает составляющую библиотеку, с которой Вы можете создать различные типы
схем, такие как гидравлические, пневматические, электрические, и т.д. Они могут
быть созданы отдельно или объединены с другими типами схем.Studio держит в
руках редактирование, моделирование, файл и управление диаграммы, печатая и
функционируя показ.
Документация пользователя Automation Studio
имеет модульную структуру. Текущая Automation Studio - Гид Пользователя сдержит
информацию относительно главных функций Проектного Исследователя, Исследователя
Библиотеки, Редактор Диаграммы для стандартных семинаров (Гидравлические,
Пневматические, Электрические Средства управления, Числовые, Диаграммы
Масштаба) и способ Моделирования. Для каждого нестандартного семинара Вы
найдете обеспечение Гида Пользователя определенной информацией, включая
Быстрого Гида Начала, чтобы быстро помочь Вам ознакомиться с различными
функциями, связанными с тем семинаром.Studio - дизайн, анимация и моделирование
программного обеспечения. Она была создана для автоматизации промышленности, в
частности для выполнения инженерии, обучения и требования к тестированию.
Семинары, связанные с программным обеспечением отражают преобладающее
использование в промышленности, так тесно, кА это возможно. Моделирование
утилиты делает Automation Studio эффективным инструментом для сертификации
автоматизированных процессов и программ. В Automation Studio ядро системы
содержит три утилиты: Редактор Диаграмм, Проектный Исследователь и
Исследователь Библиотеки. Редактор Диаграмм позволяет создавать и моделировать
схемы и создавать отчеты, в то время как Проектный Исследователь обрабатывает
файл управления и классификации всех документов, связанных с моделированием
проекта. Исследователь Библиотеки поставляет символы библиотеки, необходимые
для создания диаграмм, которые составляют ваши проекты.
Наконец, эта программа позволяет документировать
ваш проект. Вы можете печатать и экспортировать ваши диаграммы вместе с
различными связанными списками и отчетами, чтобы собрать полный рабочий файл.
.4 Разработка гидравлической схемы с помощью
программы Automation Studio
Разработка гидравлической схемы управления осуществляется
с помощью программы Automation Studio из имеющихся библиотек утилит. Покажем на
примере конструктора цилиндра (рисунок 16) как осуществляется подбор элементов
оборудования.
Физические параметры используются в графическом
или аналоговом шаблоне компонента. Их значения вычисляются и включаются в
расчет системы диаграмм для имитации.
Рисунок 16 - Конструктор цилиндра
Основные Данные (таблица 7) соответствуют
установленным или размерным параметрам компонента. Это позволяет настроить
графический или аналоговый шаблон компонента. Пользователь может изменить эти
данные.
Таблица 7 - Основные данные
|
Зона
|
Описание
|
|
А
Тип цилиндра
|
Позволяет
пользователю выбрать один из следующих типов: Одностороннее Действие (Отвод);
Одностороннее Действие (Расширение); Двухместный эффект; мини-Двойной эффект;
Двойной эффект; Двойной Род; Пневмоцилиндры. Изменяя тип цилиндра, из главной
библиотеки должен быть выбран другой цилиндр
|
|
В
Тип поршня
|
Позволяет
пользователю выбрать один из следующих типов поршней: Магнитный или
немагнитный
|
|
С
Тип подушки
|
Это
позволяет пользователю выбрать один из следующих типов подушки: Нет, Влево,
Вправо, Влево и Вправо, Левая переменная, Правая переменная, Левые и правые
переменные, Левая и правая переменная, Левая переменная и правая, Левая и
правая переменные
|
|
D
Перевозки
|
Позволяет
пользователю указать наличие или отсутствие перевозки
|
|
Е
Порт Входа-выхода
|
Позволяет
пользователю выбрать один из следующих порт Входа/Выхода: выхлоп или входной
порт
|
|
F
Выхлопной порт
|
Позволяет
пользователю выбрать вытяжную систему
|
|
G
Адаптер
|
Позволяет
пользователю выбрать один из 10 адаптеров
|
|
Н
Тормоз
|
Позволяет
пользователю выбрать один из следующих видов тормоза: (4 вариантов, Ни один,
Двойной Эффект)
|
|
I
Перемещение штока
|
Позволяет
пользователю выбрать один из следующих видов движения: (4 варианта: Вращения,
Без Вращения). Символично
|
|
J
Пружина
|
Позволяет
включать или выключать пружину
|
|
K
Диаметр Штока
|
Позволяет
пользователю выбрать один из следующих видов Диаметра: (целое значение типа
0, 1, 2 или 3)
|
|
L
Длина корпуса
|
Позволяет
пользователю определить Длину корпуса: (целое число значений между 2 и 15).
|
|
М
Датчики
|
Эта
кнопка открывает датчики цилиндра (рисунок 17). Имеются 3 датчика: положение,
скорость и сила
|
Некоторые расширенные данные будут
использоваться в экстремальных значениях физических параметров, поддерживаемых
компонентом и представленных только для информационных целей (максимальная
емкость и т.д.). Другие данные используются для определения места промежутков характеристик
(полное дифференциальное давление, максимальная мощность, и т.д.). Некоторые
параметры конкретных компонентов более расширены, такие как внутренние утечки,
трение и т.д.
Расчетные данные автоматически рассчитываются на
основе базовых данных и дополнительных данных. Пользователь не может изменить
расчетные данные. Датчики цилиндра показаны на рисунке 17.
Рисунок 17 - Датчики цилиндра
Когда датчик не установлен (проверено) новая
переменная создается в менеджере переменных. Каждая переменная может быть
использована с помощью контроллера (пропорциональная гидравлика), как
внутренняя переменная (SFC, Ladder Logic), или с другими типами рецепторов
компонентов (команда распределителя). Для каждого датчика быть указан интервал
выходного сигнала (минимальное и максимальное значение).
.5 Разработка логической схемы с помощью
программы Automation Studio
Программный продукт Automation Studio позволяет
разработать логическую схему управления автоматизации объектами. Она включает в
себя определение последовательностей в цепи. Эта последовательность должна быть
запрограммирована в программируемом логическом контроллере (ПЛК).
Использование Automation Studio позволяет
установить связь между моделированием компонентов и реальными устройствами.
Можно проверить цепь, подключив его к реальному компоненту или проверить ПЛК
программы, подключив его к моделированию цепи.
Когда цепь моделируется, выходные сигналы,
испускаемые моделируемой схемой, передаются через интерфейс Ввода/Вывода карты
внешние компоненты, с которыми она связана. Все компоненты, которые имеют имена
тегов, сопоставленные с выходом в интерфейс для передачи сигнала на внешнее
устройство, когда оно включено. В том же порядке, все компоненты, которые имеют
имя тега разводятся на вход интерфейса, активируется сигнал, излучаемый из
периферийного устройства.
Для предотвращения передачи ошибочных сигналов
для периферийных устройств, рекомендуется сначала проверить цепь в Automation
Studio без установления связи и интерфейсом Ввода/Вывода. Чтобы удалить связь
между картой и программным обеспечением необходимо снять флажок активации в
диалоговом окне свойств.
Для моделирования схемы:
Выбрать вариант Активации в диалоговом окне
свойств.
Запустить моделирование.
Активировать кнопки, что позволяет запустить
схемы моделирования, щелкнув по нему.
Выход из режима Имитации и возврат в режим
Редактирования.
Шаг 1: На шаге 1, с помощью активизации
соленоидов (А1 и А2), выдвигаются цилиндры.
Шаг 2: Как только нажата кнопка и оба цилиндра
входят в последовательность запуска (А1_0 и А2_0 датчики). В этот момент
переход 1 очищается, 2 активируется. После этого 2 включен, электромагнит А1+
находится под напряжением, поэтому выдвигается А1 шток цилиндра. После того,
как шток полностью выдвинут, А1_1 датчик активизируется.
Шаг 3: Переход 2 очищается и шаг 3 активирован.
С активацией 3 шага, электромагнит А2+ находится под напряжением; будет открыт
шток цилиндра А2. После того как шток полностью выдвинут, А2_1 датчик
активизируется.
Шаг 4: Переход 3 очищается и шаг 4 активирован.
Электромагнит А2 замыкает и А2 шток цилиндра втянут. После того как шток будет
полностью убран, датчик А2_0 активирован.
Шаг 5: Переход 4 очищается и шаг 5 активирован.
Электромагнит А1 активизируется и А1 шток цилиндра втянут. После того как шток
будет полностью убран, датчик А1_0 срабатывает. Шаг 5 закончен и начинается
возврат на первый шаг. Автоматизм готов к другому циклу.
На рисунке 18 представлен алгоритм
последовательности.
Рисунок 18 - Алгоритм последовательности
.6 Расчет привода главного движения
Кинематическая схема (рисунок 19).
Рисунок 19 - Схема кинематическая механизма
пильного
.6.1 Кинематический расчет
Требуемая угловая скорость вращения пильного
вала
рад/с (2500
об/мин).
Требуемое передаточное число передачи
(1)
где,
-
угловая скорость вращения двигателя,
рад/с (1465
об/мин).
Принята клиноременная передача
(2)
где,
-
диаметры шкивов ведущего и ведомого,
мм,
мм;
- коэффициент
проскальзывания ремня,
Расчетная угловая скорость вращения пильного
вала
рад/с (2513
об/мин). (3)
Расчетная скорость резания
, м/с, (4)
где,
-
диаметр пилы,
мм (0,28 м)
м/с;
мм (0,315 м)
м/с;
мм (0,36 м)
м/с;
мм (0,4 м)
м/с;
.6.2 Мощность резания
Мощность, затрачиваемая на резание всем поставом
из i пил:
, кВт. (5)
Касательная составляющая силы резания:
, Н, (6)
где,
-
удельное сопротивление резанию:
, МПа, (7)
где,
-
давление стружки на переднюю грань зубьев, Мпа;
- удельное
сопротивление резанию от трения стружки о стенки пропила,
Мпа;
- высота пропила,
мм;
- ширина пропила,
мм;
- коэффициент,
учитывающий затупление зубьев,
;
- фиктивная
удельная касательная сила резания по задней грани зубьев;
- подача на зуб,
мм.
,МПа (8)
где,
-
средний кинематический угол встречи,
;
- угол резания,
;
- скорость резания,
м/с.
=4,99 МПа,
, Н/мм, (9)
,
МПа.
Касательная составляющая силы резания:
, Н.
Мощность, затрачиваемая на резание всем поставом
из 2-х пил:
, кВт.
Мощность электродвигателя:
, кВт , (10)
где,
-
к.п.д. привода механизма резания,
;
, кВт.
Принимаем двигатель АМУ200L4:
кВт,
об/мин.
.7 Расчет привода подачи
.7.1 Кинематический расчет
Требуемая скорость подачи
м/мин.
Требуемая угловая скорость вращения нижнего
вальца
, рад/с, (11)
верхнего вальца
, рад/с, (12)
где,
-
диаметры верхнего и нижнего вальцов,
м,
м.
Кинематическая схема показана на рисунке 20.
Рисунок 20 - Схема кинематическая
Требуемое передаточное число передачи от вала
двигателя до нижнего вальца
(13)
верхнего вальца
(14)
где,
-
угловая скорость двигателя,
рад/с (710
об/мин),
рад/с (1420
об/мин).
Разбивка передаточного числа:
Передаточное число зубчатой цилиндрической передачи
на нижний валец:
;
на верхний валец:
,
где,
-
передаточное число цепной передачи.
Требуемое передаточное число клиноременной
передачи:
, (16)
Принимаем диаметр ведущего шкива
мм,
диаметр ведомого
мм.
Действительное передаточное число клиноременной
передачи:
, (17)
Действительная угловая скорость вращения нижнего
и верхнего вальцов:
, рад/с, (18)
, рад/с, (19)
Действительная окружная скорость вальцов:
м/мин, (20)
м/мин.
м/мин.
Скорость подачи пиломатериала:
м/мин.
Результаты расчета сведены в таблицу 8
Таблица 8 - Результаты расчета
|
Число
оборотов двигателя, об/мин
|
Угловая
скорость двигателя, град/с
|
Диаметр
ведущего шкива, D1, мм
|
Диаметр
ведомого шкива, D2, мм
|
Окружная
скорость нижнего вальца, Vн.в, м/мин
|
Окружная
скорость верхнего вальца, Vв.в, м/мин
|
|
710
|
74,31
|
112
|
290
|
40,1
|
40,2
|
|
1420
|
148,6
|
112
|
290
|
80,2
|
80,4
|
|
1420
|
148,6
|
200
|
185
|
225
|
225,2
|
|
1420
|
148,6
|
112
|
185
|
126
|
126,1
|
.7.2 Мощность привода подачи
Мощность привода при подаче доски h = 25 мм и U
= 225 м/мин.
передней группой вальцов
Общее сопротивление подаче:
, Н, (21)
где,
-
коэффициент запаса тягового усилия;
- сопротивление
подаче от верхних прижимных вальцов,
- сопротивление
подаче от перемещения доски по нижним вальцам и столу;
- горизонтальная
составляющая сил резания.
, Н, (22)
(23)
где,
-
усилие прижима;
- вес максимальной
доски;
- коэффициент
трения качения вальца по древесине;
- коэффициент
трения качения в подшипниках;
- диаметр цапфы
нижнего вальца;
- диаметр нижнего
вальца;
- вертикальная составляющая
сил резания;
- коэффициент
трения скольжения доски по столу.
Мощность привода:
, кВт, (24)
Мощность привода при подаче доски h = 25 мм и U
= 225 м/мин.
передней и задней группой вальцов
, Н,
, Н, (25)
(26)
Мощность привода
, кВт.
Мощность привода при подаче доски h = 100 мм и U
= 40 м/мин.
, Н, (27)
Мощность привода:
, кВт.
.7.3 Эквивалентная мощность привода
(28)
где,
-
мощность при подаче доски передней группой вальцов,
кВт;
- время подачи
доски передней группой вальцов,
с;
- мощность
холостого хода,
кВт;
- время холостого
хода;
- общее время
нахождения доски в передней группе вальцов.
, с, (29)
, с, (30)
где,
-
время нахождения доски в передних и задних вальцах,
с;
, с, (31)
где, П - производительность станка при скорости
подачи U = 225 м/мин для досок длиной L = 5 м, П = 18 дос/мин;
Номинальная мощность двигателя должна быть:
а)
,
условие выполняется, т. к. 3,0 кВт > 1,67 кВт;
б)
где,
-
коэффициент допустимой перегрузки двигателя,
(32)
, кВт, (33)
,0 кВт > 2,72 кВт, условие
б) выполняется.
Принимаем двигатель 4АМ112А8/4УЗ:
кВт,
об/мин.
.7.4 Расчет вала верхнего подающего вальца
Расчетные нагрузки:
Усилие прижима доски вальцом
Н.
Окружное усилие на вальце:
, Н. (34)
Усилие, действующее на вал от приводной цепи,
, Н, (35)
где,
-
мощность, передаваемая цепью,
кВт;
- скорость цепи,
м/с.
Крутящий момент на валу:
, Нм. (36)
Реакции опор и изгибающие моменты в вертикальной
плоскости:
, Н, (37)
, Нм, (38)
Реакции опор и изгибающие моменты в
горизонтальной плоскости:
, Н, (39)
, Н, (40)
, Нм, (41)
, Нм, (42)
Расчетная схема показана на рисунке 21.
Рисунок 21 - Схема расчетная
Суммарные реакции опор и изгибающие моменты
, Н, (43)
, Н, (44)
Нм.
, Нм.
Требуемый диаметр вала в сечении «1» (шпонка
крепления вальца):
, мм, (45)
где,
-
приведенный момент;
- допускаемое напряжение
изгиба, для стали 45,
= 70 МПа.
Принят диаметр вала d = 60 мм.
, Нм, (46)
3. Разработка технологии изготовления детали
«Опора»
.1 Описание конструкции и назначения детали
Деталь «Опора» изготавливается из углеродистой
качественной конструкционной стали 35 ГОСТ 1050 - 74.
Технологические свойства для этой стали:
обработка давлением - высокая;
обрабатываемость резанием - высокая.
Химический состав и механические свойства стали
35 ГОСТ 1050 - 74 приведены в таблице 9.
Таблица 9 - Химический состав и механические
свойства стали 35
|
Марка
|
Массовая
доля элемента
|
Механические
свойства
|
|
35
|
С
, %
|
Мn
,%
|
S
i , %
|
Бв
, мПа
|
б
,%
|
Ударная
вязкость
|
Твёрдость,
НВ
|
|
0,2
- 0,4
|
0,4
- 0,9
|
0,2
- 0,52
|
500
|
15
|
35
|
137
- 166
|
Опора предназначена для фиксирования вала с
подшипником в конструкции. В опоре имеется выточка под наружное кольцо
подшипника Æ100 Н7, осевое отверстие для выхода
вала, выточка для манжеты. Также имеется 3 крепёжных отверстия Æ17
и 6 крепёжных глухих резьбовых отверстий М10 - 7Н. Отверстие Æ
3 предназначено для смазки подшипника. Глухое отверстие предназначено М10
1 - 7Н - для
пробки, которая закрывает отверстие для смазки.
.2 Анализ технологичности конструкции детали и
технологический контроль чертежа
В данной детали нетехнологично отверстие Æ
3, так как оно находится под углом 45° к другим
поверхностям и требуется специальный инструмент (сверло спиральное с удлинённым
хвостовиком) для изготовления отверстия.
В остальном деталь достаточно технологична,
допускает применение высокопроизводительных режимов обработки, имеет хорошие
базовые поверхности для первоначальных операций и довольно проста по
конструкции. Обрабатываемые поверхности с точки зрения обеспечения точности и
шероховатости не представляют технологических трудностей.
На чертеже в технических требованиях отсутствуют
неуказанные предельные отклонения.
Не проставлен осевой размер глухого отверстия
М10
1-7Н.
.3 Выбор метода изготовления заготовки
Для рационального выбора заготовки сравним 2
варианта её получения и применим наиболее экономически и технологически
выгодный из них по норме расхода материала.
Вариант №1: заготовка из листа 1,5
6 м,
толщиной d = 60 мм (рисунок 22).
Рисунок 22 - Эскиз заготовки №1
Определим, сколько заготовок получится из одного
листа.
Здесь возможно два варианта раскроя материала
(рисунок 23):
Рисунок 23 - Варианты раскроя материала
В первом случае получается количество заготовок
n = 7
26 = 182
шт.
Во втором: n = 6
27 = 162
шт.
Следовательно, выбираем первый вариант.
Определим норму расхода материала Н1 на одну
заготовку:
Н1 = r
, кг, (47)
где, V - объём листа проката;
r - плотность стали, r
=7,85 г/см3;- количество заготовок, получаемых из одного листа.
Н1 = 7,85
= 27173 г = 27,173
кг.
Норма расхода материала с учётом потерь на
настройку и брак:
Нзаг 1 = Н1
,
кг, (48)
где, П1 - неизбежные потери, связанные с
настройкой, П1 = 1,5%;
П2 - неизбежные потери, связанные с настройкой,
П2 = 0,5%.
Нзаг 1 = 27,173
= 27,717, кг.
Определим стоимость заготовки S1:
= С1
Нзаг 1, руб. (49)
где, С1 - стоимость 1 кг листового проката, С1 =
11 руб/кг.= 11
27,717 = 304,89
руб.
Вариант №2: заготовка, изготавливаемая литьём по
выплавляемым моделям (рисунок 24).
Рисунок 24 - Эскиз заготовки №2
Определим норму расхода материала Н1 на одну
заготовку:
Н1 = r
V, кг (50)
Разбиваем деталь на простые по форме
геометрические элементы, удобные для расчёта объёма V (рисунок 25).
= V1 + V2 + V3 - V4 - V5 -V6, (51)
= 162,3
202,4
´66
- (202,4 - 115)/2
162,3´66
= 1699963 мм3;= 220,4
(211,4 - 162,3)
(66 - 31,3)
= 344843 мм3;= 60
5
5 = 1500
мм3;= 0,25
p
1082 = 8825 мм3;=
0,25
p
812 = 4902
мм3;= 0,25
p
652 = 3117 мм3.=
1699963+344843 + 1500 - 8825 - 4902-3117 =
мм3 =2029,462 см3.
Н1 = 7,85
2029,462 =
15931,28 г = 15,931, кг.
Рисунок 25 - Разбивка детали на простые по форме
геометрические элементы
Норма расхода материала с учётом потерь на
настройку и брак:
Нзаг 2 = 15,931
= 16,250, кг.
Определим стоимость заготовки S2:
= С2
Нзаг 2, руб. (52)
где, С2 - стоимость 1 кг отливки, С1 = 18
руб/кг.= 18
16,250 = 292,5 ,
руб.
Хотя стоимость заготовок по двум вариантам
приблизительно одинакова (S1 = 304,89 руб., S2 = 292,5 руб.), выберем отливку,
т.к. трудоёмкость её обработки значительно ниже, чем у заготовки из листового
проката.
3.4 Технологический маршрут обработки детали
(рисунок 26)
Рисунок 26 - Маршрут обработки детали
Литьё, обрубка, очистка.
Фрезерная операция:
. фрезеровать поверхность 1 на проход;
. фрезеровать поверхность 2 на проход.
Для нормирования операций воспользуемся данными
из:
шт = 0,004
l
jк= 0,004
(202,4+116)
1,51 = 1,92
мин.
Фрезерная операция:
. фрезеровать поверхность 3 на проход;
. фрезеровать поверхность 4 на проход.шт = 0,004
(200+209)
1,51 = 2,47
мин.
Фрезерная операция:
. фрезеровать уступ 5;
. фрезеровать уступ 5 окончательно;
. фрезеровать поверхность 6 на проход;
. фрезеровать поверхность 7 на проход. шт =
0,004
(200+200+49+49)
1,51 = 3,01 мин.
Слесарная операция:
зачистить заусеницы после фрезерных операций.
Сверлильно-расточная операция с ЧПУ:
. расточить поверхности 14, 11, 12, 10, 13, 9,
8;
. расточить поверхности 11 и 9 окончательно;
. центровать и сверлить 6 отверстий 16;
. зенковать 6 отверстий 16;
. нарезать резьбу в 6 отверстиях 16;
. сверлить отверстие 17.шт=0,000134
(115
2,5+109,5
33+111
8+95
3+82,5
13+
+68
7+109,9
33+85
13)
1,36+0,00052
(8,5
24+10
1,6+10
9+3
20)
1,3
6=2,97 мин.
Сверлильно-расточная операция с ЧПУ:
. сверлить 3 отверстия 15 на проход;
. сверлить отверстие 18;
. зенковать отверстие 18;
. нарезать резьбу в отверстии 18.шт = 0,00052
(17
32
3+9
12+10
9+1,6
10)
1,3 = 1,25,
мин.
Термообработка:
закалка ТВЧ поверхности 11.
Токарная операция:
расточить поверхность 11. шт = 0,00018
110
41 = 0,81,
мин.
Гальваника:
покрытие Хим. Окисл. поверхности 11.
Контроль
Найдём среднее штучное время:
=
=
1,58, мин.
3.5 Расчёт припусков на механическую обработку
Для одной поверхности Æ110Н7(+0,035)
припуски определим аналитическим методом, а для остальных - выберем по таблицам
справочников.
Для наглядности и простоты определения промежуточных
припусков и промежуточных размеров составляем таблицу 10.
Таблица 10 - Промежуточные припуски и
промежуточные размеры
|
Вид
заготовки и технологическая операция
|
Точность
заготовки и обрабатываемой поверхности
|
Допуск
на размер d,мм
|
Элементы
припуска, мкм
|
Предельный
размер, мм
|
Предельные
значения припусков мкм
|
|
|
|
Rz
|
Т
|
rо
|
e
|
Dmin
|
Dmax
|
2zmin
|
2zmax
|
|
Заготовка-литьё
|
|
1,000
|
30
|
170
|
364
|
-
|
107,400
|
108,400
|
-
|
-
|
|
Растачивание:
черновое Чистовое
|
Н12
Н10
|
0,350
0,140
|
50
20
|
50
25
|
18
-
|
70
3,5
|
109,190
109,749
|
109,540
109,889
|
1140
349
|
179
559
|
|
Термообработка
|
|
|
|
|
|
|
|
|
|
|
|
Растачивание
тонкое
|
Н
7
|
0,035
|
3
|
-
|
-
|
70
|
110,000
|
110,035
|
146
|
241
|
Точность и качество поверхности после
механической обработки устанавливаем по таблице приложения 2.
Элементы припусков Rz и Т назначаем по таблицам
4.3 и 4.6 в зависимости от метода обработки поверхностей заготовки.
Суммарное значение пространственных отклонений
для заготовки данного типа определим по формуле:
rо =
,
мкм (53)
Коробление отверстия следует учитывать как в
диаметральном, так и в осевом его сечении, поэтому
rкор =
=
82, мкм.
Удельное коробление отливок находим по таблице
4.8.
Учитывая, что суммарное смещение отверстия в
отливке относительно наружной её поверхности представляет геометрическую сумму
в двух взаимно перпендикулярных плоскостях, получаем
rсм =
=
355, мкм
где, d1 и d2
- допуски на размеры, служащие базами для обработки отверстия, по ГОСТ 26645 -
85.
Таким образом, суммарное значение
пространственного отклонения заготовки:
rо =
=
364 мкм.
Остаточное пространственное отклонение после
чернового растачивания:
r1 = 0,05
rо = 18 мкм.
Погрешность установки при черновом растачивании:
e1 =
,
мкм (54)
Погрешность закрепления заготовки eз
принимаем по таблице 4.13;
eз = 70 мкм; eб = 0.
e1 =
=
70, мкм.
Остаточная погрешность установки при чистовом
растачивании:
e2 = 0,05
e1+eинд
= 3,5 мкм, (55)
Так как черновое и чистовое растачивание
производится в одной установке, то eинд =0.
Погрешность закрепления заготовки для тонкого
растачивания e3 = 70 мкм.
Минимальный припуск под черновое растачивание:
zmin = 2(Rz + Т +
)
= 2 (30+170+
) = 1141, мкм, (56)
Расчётный минимальный припуски под чистовое
растачивание:
zmin = 2(50+50+
)
= 349, мкм.
Минимальный припуск под тонкое растачивание:
zmin = 2(3+
)
= 146, мкм.
По полученным данным вычерчиваем схему
расположения припусков и допусков на обработку размера Æ110Н7
(рисунок 27).
Рисунок 27 - Схема графического расположения
припусков и допусков на обработку Æ110Н7
На остальные обрабатываемые поверхности опоры
припуски и допуски выбираем по ГОСТ 26645 - 85 записываем их значения в таблицу
11.
Таблица 11 - Припуски и допуски
|
Размер,
мм
|
Припуск,
мм
|
Допуск,
мм
|
|
200,
209
|
2,40
|
±
0,55
|
|
160
|
2,30
|
±
0,45
|
|
Æ85
|
4,00
|
±
0,40
|
|
Æ68
|
3,00
|
±
0,40
|
|
М10
- 7Н
|
±
0,30
|
|
64
|
2,00
|
±
0,45
|
|
41,
57
|
0,70
|
±
0,40
|
|
32
|
1,70
|
±
0,35
|
.6 Выбор оборудования
Модели станков и их технические характеристики
сводим в таблице 12.
Таблица 12 - Модели станков и их технические
характеристики
|
Операция
|
Модель
станка
|
Параметр
|
Значение
|
|
Фрезерная
|
Вертикально-фрезерный
станок 6Т13
|
Площадь
рабочей поверхности стола, мм Мощность двигателя, кВт КПД станка Частота
вращения шпинделя, мин-1 Скорости продольного и поперечного движения подачи
стола, мм/мин Скорости вертикального движения подачи стола, мм/мин
Максимальная сила резания, допускаемая механизмом движения подачи, Н:
продольного поперечного вертикального
|
400´1600
11 0,8 16…1600 12,5…1250 4,1…400 20000 12000 8000
|
|
Сверлильно
- расточная с ЧПУ
|
Многооперационный
станок СМ400Ф4.5
|
Наибольшие
размеры обрабатываемой заготовки (длина ширина высота),
мм Число управляемых координат: линейных угловых Точность перемещения по
координатам X,Y, Z, мм Скорость установочных перемещений, м/мин Мощность
привода шпинделя, кВт Частота вращения шпинделя, мин-1 Число инструментальных
гнёзд в магазине Время автоматической смены инструмента, с Система ЧПУ Масса
станка, кг
|
400 400 350
4 2 ±0,015 4,8 8,0 9…2240 60 10 Н55 - 2Л 16000
|
|
Токарная
|
16К20
|
Наибольший
диаметр обрабатываемой заготовки, мм: над станиной над суппортом Наибольшая
длина обрабатываемого изделия, мм Высота резца, устанавливаемого в
резцедержателе, мм Мощность двигателя, кВт КПД станка Частота вращения
шпинделя, мин-1 Продольная подача, мм/об Поперечная подача, мм/ об
|
400
200 2000 25 10 0,075 12,5…1600 0,05…2,8 0,025…1,4
|
|
|
|
|
|
|
3.7 Выбор режущих инструментов
Режущий инструмент выбираем в зависимости от
метода обработки, формы и размеров обрабатываемой поверхности, её точности и
шероховатости, обрабатываемого материала, заданной производительности и периода
стойкости (замены) инструментов.
Для наглядности, результаты выбора сводим в
таблице 13.
Таблица 13 - Результаты выбора режущих
инструментов
|
№
операции
|
Операция
|
Режущий
инструмент
|
|
005
|
Фрезерная
1. фрезеровать поверхность 1 2. фрезеровать поверхность 2
|
Торцовая
сборная фреза с вставными ножами с мелкими зубьями, Æ100
мм ГОСТ 9473 - 80
|
|
010
|
Фрезерная
1. фрезеровать поверхность 3 2. фрезеровать поверхность 4
|
Торцовая
сборная фреза с вставными ножами с мелкими зубьями Т15К6, Æ250
мм ГОСТ 9473 - 80
|
|
015
|
Фрезерная
1. фрезеровать уступ 5 2. фрезеровать уступ 5 окончательно 3. фрезеровать
поверхность 6 4. фрезеровать поверхность 7
|
Концевая
фреза с коническим хвостовиком, Æ63 мм
ГОСТ 17026 - 71
|
|
025
|
Сверлильно-расточная
с ЧПУ 1. расточить поверхности 14, 11, 12, 10, 13, 9, 8 2. расточить
поверхности 11 и 9 окончательно 3. центровать и сверлить отверстие 16 4.
зенковать отверстие 16
|
Расточной
сборный резец с механическим креплением ромбической твердосплавной пластинки
Т15К6 ГОСТ 20874 - 75 Сверло центровочное комбинированное 4 типа ГОСТ 14952 -
75 Зенковка коническая Р6М5 ГОСТ 12489 - 71
|
|
5.
нарезать резьбу в отверстии 16 6. сверлить отверстие 17
|
Метчик
машинный М10 ГОСТ 3266 - 81 Сверло спиральное Æ3
ГОСТ 886 - 77
|
|
030
|
Сверлильно-расточная
с ЧПУ 1. сверлить отверстие 15 2. сверлить отверстие 18 3. зенковать
отверстие 18 4. нарезать резьбу в отверстии 18
|
Сверла
спиральные Æ17 и Æ9
ГОСТ 10903 - 77 Зенковка коническая Р6М5 ГОСТ 12489 - 71 Метчик машинный М10
´
1 ГОСТ 3266 - 81
|
|
040
|
Токарная
Расточить поверхность 11
|
Расточной
сборный резец с механи-ческим креплением ромбической твердосплавной пластинки
Т30К4 ГОСТ 20874 - 75
|
.8 Выбор режимов резания
Для одного перехода - фрезерование в размер
209-0,5, произведём аналитический расчёт.
Устанавливаем глубину резания. Припуск снимаем
за один рабочий ход, следовательно, t = h = 1,2 мм.
Назначаем подачу на зуб фрезы. Принимаем Sz =
0,2 мм/зуб.
Назначаем период стойкости фрезы Т = 180 мин.
Определяем скорость резания по формуле:
=
,
м/мин. (57)
Выписываем коэффициенты, и показатели степеней
формулы для углеродистой стали, торцовой фрезы и материала режущей части - сплава
Т15К6: Cv =445; qv = 0,2; xv = 0,15; yv = 0,35; uv = 0,2; Pv = 0; m = 0,32.
Учитываем поправочные коэффициенты на скорость
резания:
Км=
=
=
1,34; Кп = 0,8; Ки = 0,83.
=
=
140, м/мин.
Частота вращения шпинделя, соответствующая
найденной скорости главного движения резания:
=
,
мин-1, (58)
Корректируем частоту вращения шпинделя по станку
и устанавливаем действительную частоту вращения: nд = 400 мин-1.
Действительная скорость главного движения
резания:
д =
,
м/мин, (59)
Определяем скорость движения подачи (минутная
подача Sм) Vs = Sм = =Szznд = 0,2
8
400 = 640
мм/мин. Корректируем величину Vs по данным станка и устанавливаем её
действительное значение: Vs = 630 мм/мин.
Действительное значение подачи на зуб фрезы:д =
,
мм/зуб.
Определяем главную составляющую силы резания
(окружную силу):
Рz =
,
Н,
(60)
= 54,4; xp = 0,9; yp = 0,74; up = 1;
wp
= 0; qp = 1;
Kмp =
=
0,79;
Рz =
Н.
Определяем мощность, затрачиваемую на резание:
рез =
,
кВт. (61)
Проверяем, достаточна ли мощность привода
станка. Необходимо, чтобы Nрез £ Nшп; Nшп = Nдh.
У станка 6Т13 Nшп = 11
0,8 = 8,8 кВт; 1,6 <
8,8, следовательно, обработка возможна.
Режимы резания по остальным переходам выбираем
по таблицам справочников, и результаты выбора сводим в таблицу 14.
Таблица 14 - Режимы резания
|
Переходы
и операции
|
t,
мм
|
S,
мм/об (мм/зуб)
|
n,
мин-1
|
V,м/мин
(мм/мин)
|
|
005
|
1,2
|
0,19
|
400
|
630
|
|
010
|
1,0
|
0,20
|
250
|
400
|
|
015
1. 2. 3. 4.
|
0,7
0,5 1,2
|
0,29
0,29 0,20
|
630
800 630
|
630
800 630
|
|
025
1. 2. 3. 4. 5. 6.
|
1,5
0,5 - - 0,75 -
|
0,45
0,25 0,20 0,20 0,20 0,20
|
500
500 710 1000 355 1000
|
157,2
171,1 18,9 5,0 11,1 9,4
|
|
030
1. 2. 3. 4.
|
-
- - 0,5
|
0,20
0,20 0,20 0,20
|
500
710 1000 355
|
26,7
20,1 5,0 11,1
|
|
040
|
0,2
|
0,20
|
800
|
276,3
|
.9 Техническое нормирование времени операций
Фрезерная операция. Основное время То для
фрезерной операции определяем по формуле:
То =
,
мин, (62)
где,
-
длина рабочего хода;- скорость движения подачи.
То1 =
=
0,37 , мин;
То2 =
,
мин;
То = 0,37 + 0,24 , мин.
Вспомогательное время определяем по формуле:
Тв = Ту.с + Тз.о + Туп + Тиз, (63)
где, Ту.с - время на установку и снятие детали,
мин;
Тз.о - время на закрепление и открепление
детали, мин;
Туп - время на приёмы управления, мин;
Тиз - время на измерение детали, мин.
Нормативы вспомогательного времени выбираем по
приложению 5, применяя коэффициент k в среднесерийном производстве = 1,85.
Тв = (0,14+0,024+0,23+0,11)
1,85 = 0,93,
мин.
Норма времени на техническое и организационное
обслуживание и отдых:
Тоб + Тот = 5% от (То+ Тв);
Тоб + Тот =
=
0,06, мин.
Норма штучного времени:
Тшт = То+ Тв + Тоб + Тот = 0,24+0,93+0,06 =
1,23, мин.
.10 Проектирование станочного приспособления
Для токарной операции рассчитаем силу зажима W
винтового комбинированного зажима.
Для исходных данных необходимо знать главную
составляющую силы резания Рz:
Рz = Рz таблКv = 90
0,95 = 85,5
кгс. В СИ Рz = 9,81
85,5 = 838, Н, (64)
Схема силового зажима изображена на рисунке 28
Рисунок 28 - Схема силового зажима
Определим силу зажима W, создаваемую винтом М10.
Сила, приложенную к рукоятке ключа, принимаем Q = 140 Н.
Определим крутящий момент, приложенный к головке
винта:
Мкр = Q L = 140
140 = 19600
Н, (65)
где, L = 14D = 14
10 = 140 мм.
Сила зажима, создаваемая винтом:
=
,
Н, (66)
где, rср средний радиус резьбы, rср = 4,59 мм;
aп - угол подъёма витка резьбы, aп
= 2°
30¢;
jт - угол трения в резьбовом соединении, jт
= 6°
34¢;
Кф = 0,24;т - коэффициент трения, fт = 0,16.=
=
25454 Н. Рz < W
Заключение
Результатом проделанной работы является
разработка варианта модернизации деревообрабатывающего кромкообрезного
двухпильного станка. Для повышения технического уровня станка в проекте предлагается:
Произвести патентный обзор.
Разработать кинематическую схему привода
главного движения для 4-х пил, включая пильный вал.
Разработать проект автоматизации станка на
основе лазерной системы видения.
Разработать гидравлическую схему управления.
Разработать технологию изготовления детали
«Опора».
Таким образом, модернизация существующей
конструкции деревообрабатывающего кромкообрезного двухпильного станка является
актуальной и значимой. Она позволит, во-первых, расширить технологические
возможности, во-вторых, повысить стабильность выхода доски 1 сорта, в-третьих,
увеличить производительность.
Предлагаемая модернизация конструкции
деревообрабатывающего кромкообрезного двухпильного станка обоснована путем
проведения сравнительного анализа его основных технических характеристик
станков отечественного и зарубежного производства. База сравнения выбрана из
соображений конструктивной схожести станков. Произведен кинематический расчет,
расчет мощности резания и подачи, расчет на прочность вала верхнего подающего
вальца. Результаты расчетов свидетельствуют о работоспособности станка.
Для выполнения требований безопасности и
экологичности проекта проведен анализ опасных и вредных производственных
факторов, разработаны меры по обеспечению безопасных и здоровых условий труда,
по обеспечению устойчивости работы персонала в условиях чрезвычайных ситуаций,
произведен расчет защитного заземления, а так же разработаны меры по охране
окружающей среды.
Модернизация деревообрабатывающего
кромкообрезного двухпильного станка повысила стабильность выхода обрезной доски
1 сорта на 15%. А установка лазерного сенсора повысила производительность на
50%. Эти данные говорят о том, что модернизация является экономически
эффективной, целесообразной и выгодной.
Список использованных источников
1. Веселков,
В. И. Лесопиление: между прошлым и будущим / В. И. Веселков, А. В. Сметанин. -
Москва: ДоМира, 2005. - 544 с.
. ГОСТ
24454-80. Пиломатериалы хвойных пород. Размеры [Электронный ресурс]. - Введ.
01.01.1981; взамен ГОСТ 8486-66 // Техэксперт: инф.-справ. система / Консорциум
«Кодекс».
. Маковский,
Н. В. Теория и конструкция деревообрабатывающих машин / Н. В. Маковский, В. В.
Амалицкий. - Москва: Лесная промышленность, 1975. - 528 с.
. Леспроминформ
[Электронный ресурс]: журнал профессионалов ЛПК: офиц. сайт. - Режим доступа:
http://www.lesprominform.ru.
. LMI
Technologies [Электронный ресурс]: офиц. сайт. - Режим доступа:
http://www.lmi3d.com.
. Пат.
US005201258A Италия. Automated
cutting station for wood blanks / Frank T. Yost, Kenneth E. Peterson; заявитель
и
правообладатель
Keck, Mahin & Cate. - № 5,201,258; заявл.
20.02.1992,
опубл. 13.04.1993.
. Пат.
US007426422В2 США.
Wood tracking by identification of surface characteristics / George M. Carman,
Patrick S. Freeman, Ofer Heyman, William J. Briskey; заявитель
и
правообладатель
Stoel Rives LLP. - № 7,426,422 В2;
заявл.
12.12.2006,
опубл. 16.09.2008.
. Петровский,
В. С. Автоматизация лесопромышленных предприятий: учебное пособие для студентов
сред. проф. образования / В. С. Петровский; под ред. В. С. Втюрина. - Москва:
Академия, 2005. - 304 с.
. Петровский,
В. С. Автоматизация производственных процессов лесопромышленных предприятий:
учебник для вузов / В. С. Петровский, В. В. Харитонов. - Москва: Лесная
промышленность, 1990. - 472 с.
. Руководство
пользователя для программы Automation Studio [Электронный ресурс] // Famic
Technologies Inc.: сайт. - Режим доступа: http://www.famictech.com/
. Бершадский,
А. Л. Справочник по расчету режимов резания древесины / А. Л. Бершадский. -
Москва: Наука, 1962. - 176 с.
. Феодосьев,
В. И. Сопротивление материалов: учебник для вузов / В. И. Феодосьев. - Москва:
Наука, 1970. - 544 с.
. Балабанов,
А. Н. Краткий справочник технолога - машиностроителя / А. Н. Балабанов. -
Москва: Издательство стандартов, 1992. - 464 с.
. Горбацевич,
А. Ф. Курсовое проектирование по технологии машиностроения: учеб. пособие для
машиностроит. спец. вузов / А. Ф. Горбацевич, В. А. Шкред. - 4-е изд., перераб.
и доп. - Москва: Высшая школа, 1983. - 256 с.
. Добрыднев,
И. С. Курсовое проектирование по предмету «Технология машиностроения»: учеб.
пособие для техникумов по специальности «Обработка металлов резанием» / И. С.
Добрыднев. - Москва: Машиностроение, 1985. - 184 с.
. Нефедов,
Н. А. Сборник задач и примеров по резанию металлов и режущему инструменту:
учеб. пособие для техникумов по предмету «Основы учения о резании металлов и
режущий инструмент» / Н. А. Нефедов, К. А. Осипов. - 5-е изд., перераб. и доп.
- Москва: Машиностроение, 1990. - 448 с.
. Станки
с числовым программным управлением (специализированные) / В. А. Лещенко, Н. А.
Богданов, И. В. Вайнштейн и др.; под общ. ред. В. А. Лещенко. - 2-е изд.,
перераб. и доп. - Москва: Машиностроение, 1988. - 568 с.
. Режимы
резания металлов: справочник / Л. А. Брахман, Ц. З. Бродский, Л. А. Быков и
др.; под ред. Ю. В. Барановского. - Изд. 3-е. - Москва: Машиностроение, 1972. -
407 с.
. Охрана
труда в электроустановках / под ред. Б. А. Князевского. - Москва:
Энергоатомиздат, 1983. - 338 с.
. Долин,
П. А. Справочник по технике безопасности / П. А. Долин. - Москва:
Энергоатомиздат, 1984. - 824 с.
. Дунаев,
П. Ф. Конструирование узлов и деталей машин / П. Ф. Дунаев, О. П. Леликов. -
Москва: Высшая школа, 1989. - 187 с.
. Бургсдорф,
В. В. Заземляющие устройства электроустановок / В. В. Бургсдорф. - Москва:
Энергоатомиздат, 1987. - 400 с.
. ПилорамСервис
[Электронный ресурс]: сайт. - Режим доступа: http://www.piloramservis.ru.
. Авиаперевозки
грузов [Электронный ресурс]: сайт. - Режим доступа: http://www.aviaservies.ru.
. Система
[Электронный ресурс]: интернет-магазин. - Режим доступа:
http://www.sistema-market.ru.
. Equipnet.ru
[Электронный ресурс]: бизнес-портал. - Режим доступа: http://www.equipnet.ru.
. Пиломатериалы:
продажа оптом и в разницу [Электронный ресурс]: сайт. - Режим доступа:
http://www.les-stroy.ru.
. ГЭП
Вологдаоблкоммунэнерго [Электронный ресурс]: офиц. сайт. - Режим доступа:
http://www.voce.ru.
. Налоговый
кодекс Российской Федерации [Электронный ресурс]: Ч. 1, Ч. 2 // Консультант
Плюс: правовая система. - Режим доступа: http://www.consultant.ru.
. МУП
Вологдагортеплосеть [Электронный ресурс]: офиц. сайт. - Режим доступа:
http://vologdagorteploset.ru.