Модернизация привода машины подачи кислорода конвертерного цеха
Дипломная
работа
Модернизация
привода машины подачи кислорода конвертного цеха
СОДЕРЖАНИЕ
ВВЕДЕНИЕ
АНАЛИЗ СОСТОЯНИЯ ВОПРОСА, ПОСТАНОВКА
ЦЕЛЕЙ И ЗАДАЧ
.1 Состав оборудования цеха выплавки
стали. Последовательность технологического процесса
.1.1 Назначение и устройство машины
подачи кислорода
.1.2 Описание
работы машины подачи кислорода
КОНСТРУКЦИОННАЯ ЧАСТЬ
.1 Назначение, конструкция и принцип
действия машины подачи кислорода
.2 Расчет проектирования привода
машины подачи кислорода
.2.1 Энерго-кинематический расчет
механизма привода машины подачи кислорода
.2.2 Расчет и выбор стандартного
редуктора привода
.2.3 Ориентировочный расчет и
конструирование приводного вала машины подачи кислорода
.2.4 Выбор подшипников приводного
вала редуктора
.2.5 Выбор муфты
.2.6 Подбор шпонок
.3 Расчет и проектирование
гидропривода подъема платформы
.3.1 Разработка гидропривода
платформы машины подачи кислорода
ТЕХНОЛОГИЧЕСКАЯ ЧАСТЬ
.1 Разработка технологического
процесса изготовления вал-шестерни
.1.1 Назначение детали и описание ее
конструкции
.1.2 Технологический контроль
чертежа
.1.3 Анализ технологичности
конструкции детали «Вал-шестерня»
.1.4 Выбора заготовки
.1.5 Разработка поэтапного маршрута
обработки поверхности вала-шестерни
.1.6 Подбор оборудования для каждой
операции изготовления вала-шестерни
.1.7 Подбор приспособлений для
каждой операции изготовления вала-шестерни
.1.8 Выбор режущего инструмента для
каждой операции изготовления вала-шестерни
.2 Проектирование
червячной модульной фрезы
.2.1Основные технические требования
к фрезам
.2.2 Расчет
размеров фрезы
ЗАКЛЮЧЕНИЕ
СПИСОК ИСПОЛЬЗОВАННЫХ ИСТОЧНИКОВ
выплавка сталь машина гидропривод кислород
ВВЕДЕНИЕ
Из всего объёма стали металлургической
промышленности, произведённой в 2016 году, примерно 90% - на счету шести
крупных компаний: Евразхолдинг, ММК, «Северсталь», НЛМК, «Уральская сталь»,
стальная группа Мечел. Численность промышленно - производственного персонала в
металлургии приближается к 1,3 млн человек. На производство продукции
металлургического комплекса расходуется от общего объёма промышленного
потребления: 14% топлива, 35% электроэнергии, 40% сырьевых ресурсов. На
металлургию приходится 25% грузов, перевозимых железнодорожным транспортом.
Металлургический комплекс страны обеспечивает 14% налоговых платежей
промышленности в консолидированный бюджет, 15% общероссийского объёма валютной
выручки, 95% потребляемых конструкционных материалов, что в своем большинстве
определяет степень загруженности производственных мощностей основных отраслей в
экономике РФ. Значительная часть металлургических предприятий являются
градообразующими, и результаты их работы определяют социальную стабильность
многих регионов.
В условиях избытка мощностей (175 млн.т.) на
мировом рынке стали получили развитие протекционистские меры разных государств
по защите национальных производителей, участились случаи нарушения принципов
международной торговли сталью. В связи с этим по инициативе США и ряда других
западных стран в рамках ОЭСР был организован форум многосторонних переговоров о
сокращении неэффективных мощностей. В результате конвертерное и
электросталеплавильное производство стали увеличилось, а доля мартеновского
производства уменьшилась. Доля непрерывной разливки стали возросла с 23,1 до
63,0%.
Объём мартеновского производства в России всё
ещё остаётся максимальным по сравнению с другими странами. В соответствии со
стратегией развития черной металлургии России до 2010г. предусматривается
ужесточение мер, касающихся вывода из эксплуатации мартеновских печей, в том
числе: нормирование экологических выбросов на основе прогрессивной технологии,
разработка технологических регламентов. В частности, экологические выбросы
загрязняющих веществ при мартеновском производстве почти в 2 раза выше, чем при
электросталеплавильном. Минпромнауки России представило предложения в
Минприроды России по размеру технологических нормативов для сталеплавильного
производства на уровне электросталеплавильного производства с прогрессивной
шкалой платежей до 5 лет, с последующим закрытием мартеновского производства в
случае необеспечения установленных нормативов.
Инвестиционная программа ПАО «Северсталь» на
10-летний период составляет порядка 1,5 млрд. долларов США. В результате её
реализации компания планирует существенное наращивание объёмов производства и
доведение выплавки конвертерной стали до 9,5 млн. тонн в год, электростали - до
2,1 млн. тонн. К 2013 году производство проката должно достигнуть уровня 10,7
млн. тонн, стали - 11,6 млн. тонн в год. В 2010 году выведены из эксплуатации
мартеновские печи, обжимные и заготовочные станы.
Мощности по выплавке стали в России составляют
69 млн. т., производство прокатной стали достигло 65 млн. т. в том числе:
конвертерная сталь - 70%; электросталь - 30%. Доля непрерывной разливки
возрасла с 50% в 2010 г. до 80% в 2016 г. Выпуск проката составил 50 млн.т., из
них: на внутренний рынок - 30 млн. т., на внешний - 20 млн.т. (40% объёма
производства). Значительная часть металлургических предприятий являются
градообразующими, и результаты их работы определяют социальную стабильность
многих регионов. Таким же предприятием является и ПАО «Северсталь».
День рождения Череповецкого металлургического
комбината считается 24 августа 1955 года, когда был получен первый череповецкий
чугун на построенной домне №1. Для того чтобы производственный процесс был
полным построены различные цеха и производства. Сегодня комбинат это мощное
предприятие имеющее в своём составе агло-доменное производство, заключающее в
себе 2 аглофабрики и 5 домен, в том числе самую мощную во всём мире «Северянку».
Сталеплавильное производство, состоящее из конвертерного производства,
мартеновского и электросталеплавильного цехов.
Прокатного производства в которое входят
обжимной и сортопрокатный цеха а также листопрокатные станы. Для изготовления и
ремонта оборудования основных производств построены ремонтные цеха: РМЦ-1 и 2,
КМЦ, ФЛЦ, ЦРМО-1 и 2, ЦРПО и ЦРСО. Для обеспечения металлургического цикла
материалами, перевозок созданы мощные АТЦ и УЖДТ. Так же построены несколько
вспомогательных цехов.
1
АНАЛИЗ СОСТОЯНИЯ ВОПРОСА, ПОСТАНОВКА ЦЕЛЕЙ И ЗАДАЧ
1.1
Состав оборудования цеха выплавки стали. Последовательность технологического
процесса
Самым крупным из сталеплавильных цехов является
конвертерное производство, днём рождения которого считается 6 ноября 1980 года.
В производство входят 4 цеха:
цех по переработке металлургических шлаков,
шихты и миксеровозов;
цех разливки стали;
цех выплавки стали;
цех экзотермических шлакообразующих смесей.
На долю конвертерного производства приходится
примерно 80% стали выплавленной на комбинате за год.
Цех выплавки стали состоит из отделения
конвертеров, имеющего в своём составе 3 конвертера ёмкостью 350-400тн. и
участка футеровки и подготовки сталеразливочных ковшей. Выплавку стали в
конвертере и его транспортировку для разливки обеспечивает блок механического
оборудования состоящий из машины подачи кислорода, вертикального тракта подачи
сыпучих материалов, конвертера, подвижной муфты, сталевоза и шлаковоза.
В конвертерном производстве осуществляется
обработка жидкого чугуна в результате чего он переходит в сталь. Сталь
разделяют на следующие группы марок:
рядовая углеродистая,
конструкционная качественная,
качественная малоуглеродистая,
низколегированная,
электротехническая.
Основные этапы технологического процесса
конвертерного производства:
выплавка стали в конвертерных печах;
внепечная обработка стали, с целью повысить ее
свойства;
непрерывная разливка выплавляемой стали;
порезка слябов в размер и обработка их
поверхности.
Транспортировку металлического лома в скрапное
отделение №1 и скрапное отделение №2 КП осуществляют автомобильным транспортом,
в ж/д полувагонах и в совках. Подготовленный к плавке м/лом в совках объёмом
100 куб.м передают из скрапного отделения №1 в загрузочный пролёт двумя
скраповозами, а из отделения №2 мостовыми кранами Q=200
тонн. Чугун из доменного цеха передают при помощи передвижных миксеров по двум
специальным железнодорожным путям со стандартной колеей, в отделение перелива
чугуна КП. Чугун из миксера сливается в специальный чугуновозный ковш, после
чего взвешивается, производится замер его температуры, отбор проб. Затем Чугун
в самоходном чугуновозе транспортируется в загрузочный пролет под заливочный
кран Q=450-100/20 тонн.
Конвертерный процесс плавки сопровождается образованием шлака.
Шлакообразующими материалами конвертерной плавки
являются присаживаемые в конвертер известь, доломит, плавиковый шпат,
агломерат, известняк, холодный конвертерный шлак и т.д. а также продукты
окисления примесей жидкого металла. Кроме того, в шлак поступают оксиды
растворяющейся футеровки, небольшое количество миксерного шлака, оксиды железа
из ржавчины стального лома и составляющие флюсы.
Шлаковый режим предназначен для полного удаления
вредных примесей (фосфор и сера) из металла в процессе продувки плавки в
конверторе. Засыпаемая в конвертерную печь кусковая известь и доломит,
растворяясь с первых секунд продувки формирует основной шлак (SiO2;
MnO; FeO; Fe2О3). Для этого применяют мягко обожжённую
известь и обожжённый доломит, которые поступают в отделение приёма сыпучих и
ферросплавов конвертерного производства из известково - доломитного цеха
автомобильным транспортом. В качестве раскислителей и легирующих добавок
используют твёрдые прокаленные кусковые ферросплавы, чушковый алюминий,
алюминевую проволоку и брикеты из алюминевого лома. Подачу сыпучих и
ферросплавов в соответствующее отделение конвертерного производства привозят
большегрузным транспортом. Сыпучие материалы из приёмных бункеров с помощью
конвейеров передают в расходные бункера бункерной эстакады, снабжённой системой
вибропитателей, весов-дозаторов, течек тракта подачи материалов в конвертер и
сталеразливочный ковш. В качестве газообразных энергоносителей используют
кислород, азот, аргон.
Конвертера емкостью 350-400 тонн оборудованы для
продувки плавки кислородом сверху.
Металлический лом совками объемом 100 м3
высыпают в конвертер при помощи мостового загрузочного крана грузоподъемностью
200 тонн. Сразу же после засыпки лома в конвертер заваливают шлакообразующие
материалы в объеме 40-60% от их общего расхода на каждую плавку. Затем при
помощи заливочного крана из чугуновозочного ковша объемом 350 тонн в конвертер
заливается жидкий чугун. Далее конвертер устанавливают вертикально, после чего
вводят конвертерную форму и начинают подавать кислород, начинается процесс
продувки. Фурма в процессе продувки расположена на уровне 4.8-1.8 метра от
уровня ванны в спокойном состоянии, для убыстрения образования шлака продувку
начинают при верхнем расположении фурмы, а через четыре или пять минут она опускается
до оптимального положения.
В период продувки в конвертер порционально
загружают оставшиеся флюсующиеся добавки. В период продувки в конверторе
происходят одновременно: окисление углерода, марганца, железа и кремния,
образование шлака, дефосфация и десульфурация, расплавление металлолома, нагрев
стали до необходимой перед выпуском температуры. По объему израсходованного
кислорода определяется необходимость остановки продувки, после чего делается
забор проб металла и шлака и замер температуры. Если анализ показывает
удовлетворительные результаты, то плавку можно выпускать, если анализы не
обеспечивают требуемые параметры плавку додувают кислородом. Затем повторно
делается забор проб и замер температуры. Если требуется, то плавку охлаждают.
После получения требуемых результатов плавку выпускают, выпуск осуществляют в
сталеразливочный ковш через летку (Q=385
тн), с целью довести плавку до необходимого хим.состава в момент выпуска
добавляют (присаживают) легирующие элементы и раскислители. Произведя наклон
конвертера производят слив шлака в специальные чаши, стоящие под конвертером на
шлаковозах. Наполненные шлаком чаши отправляют в отделение переработки шлака
конвертерного производства, где их кантуют, шлак высыпается и затем остывает.
Остывший шлак проходит переработку и транспортируется самосвалами на
шлакоотвал. Пустые шлаковые чаши транспортируют обратно к конвертеру. В среднем
продолжительность одной плавки около 40 минут.
После выпуска стали из конвертера,
сталеразливочный ковш на сталевозе транспортируют на установку доводки металла
(УДМ), где корректируют температуру и химический состав стали перед отправкой
на машину непрерывного литья заготовок (МНЛЗ). Сталеразливочный ковш с
металлом, доведённым до требуемого состава и температуры на УДМ, сталевозом
передают из пролёта внепечной обработки в передаточный пролёт. Затем ковш
краном грузоподъёмностью 500-100/20 тонн поднимают на разливочную площадку МНЛЗ
и ставят на разливочный подъёмно-поворотный стенд, находящийся в резервной
позиции. После разворота стенда в рабочую позицию начинают разливку.
Оборудование МНЛЗ обеспечивает разливку стали из
385-тонных сталеразливочных ковшей в слябы сечением 250-275 на 1020-1850 мм.
Порезанные на мерные слябы поступают на участок приёма. Часть слябов, если
плавка сделана без нарушения технологии, транзитом отправляется в прокатные
цеха другая часть после остывания осматривается при помощи магнитных кранов
грузоподъёмностью 50/10 тонн. При необходимости производят зачистку дефектов
(трещин, неметаллические включения и т.д.) ручными огневыми резаками или
зачистным станком а затем также отправляют в прокатные цеха.
1.1.1
Назначение и устройство машины подачи кислорода
Машина подачи кислорода (МПК) предназначена для
введения кислорода в конвертер сверху через водоохлаждаемую фурму, для
вертикальных и горизонтальных перемещений, связанных с подачей фурмы внутрь
конвертера, и заменой вышедшей из строя фурмы резервной. Торкретирования
конвертера во время ухода за его футеровкой.
В настоящее время в мире применяются четыре основных
типа машин подачи кислорода: машина для подачи кислорода в конвертер с
поворотной платформой; машина для подачи кислорода в конвертер без платформы;
машина для подачи кислорода в конвертер с передвижной платформой и неподвижной
направляющей и машина для подачи кислорода в конвертер с передвижной платформой
и двумя подвижными направляющими.
В конвертерном производстве на ОАО «Северсталь»
применяются два вида машин подачи кислорода. На первом и втором конвертерах
применены с передвижной платформой и неподвижной направляющей (МПК-1,2), на
третьем конвертере с передвижной платформой и двумя подвижными направляющими
(МПК-3).
Машина подачи кислорода с передвижной платформой
и неподвижной направляющей, установленной на конвертерах №1 и 2, состоит из:
) Платформы, перемещающейся на двух парах
ходовых колёс.
2) Рамы с механизмом передвижения.
) Подвески.
) Двух кареток с фурмами и
металлорукавами для подвода кислорода и воды для охлаждения.
) Двух небольших подвижных направляющих
кареток закреплённых к передвижной платформе.
) Одной неподвижной направляющей кареток
закреплённой к металлоконструкциям цеха.
) Комплекта электрического оборудования и
контролирующей электроаппаратуры - установки командоаппаратов.
Платформа представляет собой тележку опирающуюся
на четыре ходовых колеса, на которой расположены два механизма вертикального
перемещения фурмы. Каждый механизм перемещения фурмы состоит из двух
электрических двигателей, соединительных муфт, тормоза ТКП-600, редуктора
Ц2-1000, барабана, канатной системы с подвижным и неподвижным блоками,
тахогенератора, командоаппарата, блокировки обрыва троса.
Рама представляет собой металлоконструкцию,
закреплённую к рабочей площадке цеха. На ней установлены опорные и контропорные
рельсы КР-120, по которым перемещается платформа с закреплённой на ней рейкой.
На раме расположен реечный механизм горизонтального перемещения платформы,
состоящий из электродвигателя, тормоза, редуктора, муфт, одноступенчатого
редуктора и командоаппарата.
Каретка выполнена в виде сварной рамы и снабжена
восемью ходовыми роликами - четырьмя опорными и четырьмя упорными, опирающимися
на беговые дорожки направляющих. В каретке установлен ловитель, стопорящий её в
направляющих в случае обрыва каната. При обрыве каната штанга под действием
усилий пружины опускается и увлекает за собой через систему рычагов кулачки до
тех пор, пока их зубья не захватят шину, расположенную по всей длине подвижных
и неподвижной направляющих кареток. После предварительного захвата под
действием силы тяжести каретки кулачки окончательно зажимают шину.
Направляющая служит для направления перемещения
каретки. Состоит из двух частей - подвижной, которая закреплена на
перемещающейся платформе, и неподвижной, закреплённой к металлоконструкции
цеха.
Фурма состоит из трёх концентрично скреплённых
стальных труб, заканчивающихся медным наконечником с соплами Лаваля. В верхней
части фурма имеет три патрубка, соединяющихся с гибкими рукавами, через которые
подаётся кислород и охлаждающая вода. Кислород подаётся по центральной трубе и
через сопла наконечника поступает в ванну конвертера. Положение фурмы по
вертикали контролируется сельсином. Ход фурмы регулируется командоаппаратом.
Машина подачи кислорода с передвижной платформой
и двумя подвижными направляющими, установленной на конвертере № 3, состоит из:
1) Платформы, перемещающейся на двух парах
ходовых колёс.
2) Рамы с механизмом передвижения.
) Подвески.
) Двух кареток с фурмами и
металлорукавами для подвода кислорода и воды для охлаждения.
) Двух контргрузов соединённых с
каретками пластинчатыми цепями проходящими через приводные и обводные блоки.
) Двух подвижных направляющих кареток
закреплённых к передвижной платформе.
) Комплекта электрического оборудования и
контролирующей электроаппаратуры - установки командоаппаратов.
Платформа представляет собой тележку опирающуюся
на четыре ходовых колеса, на которой расположены два механизма вертикального
перемещения фурмы. Каждый механизм перемещения фурмы состоит из двух
электрических двигателей, соединительных муфт, двух тормозов ТКП-400, редуктора
Ц2-650, блока приводных звёздочек, блока обводных звёздочек, пластинчатых цепей
привода подъёма или опускания фурм, тахогенератора, командоаппарата.
Рама представляет собой металлоконструкцию,
закреплённую к рабочей площадке цеха. На ней установлены опорные и контропорные
рельсы КР-120, по которым перемещается платформа с закреплённым на ней
кронштейном для соединения с корпусом гайки. На раме в опорах расположен винт с
трапециидальной резьбой длиной 5000 мм. На нём в корпусе установлена бронзовая гайка
двухзаходной резьбой горизонтального перемещения платформы. Привод состоид из
электродвигателя, тормоза, редуктора, муфт и командоаппарата.
Каретка выполнена в виде сварной рамы и снабжена
восемью ходовыми роликами - четырьмя опорными и четырьмя упорными, опирающимися
на беговые дорожки направляющих. В каретке установлен ловитель, стопорящий её в
направляющих в случае обрыва цепей. При обрыве цепи штанга под действием усилий
пружины опускается и увлекает за собой через рычаги экцентрики до тех пор, пока
они поворачиваясь не прижмутся к тормозным планкам, расположенные по всей длине
направляющих кареток. После предварительного прижатия под действием силы
тяжести каретки экцентрики поворачиваются и окончательно затормаживают каретку
в направляющей.
Контргруз выполнен из толстого листа металла и
снабжен четырьмя упорными роликами, опирающимися на беговые дорожки
направляющей. На контргрузе установлен ловитель, стопорящий его в направляющей
в случае обрыва цепей. При обрыве цепи штанга под действием усилий пружины
опускается и увлекает за собой через рычаги экцентрики до тех пор, пока они
поворачиваясь не прижмутся к планкам, расположенные по всей длине направляющей.
После предварительного прижатия под действием силы тяжести контргруза
экцентрики поворачиваются и окончательно затормаживают его в направляющей.
Направляющая по вертикали разделена на две части
и служит для направления перемещения каретки по одной стороне направляющей и
контргруза по другой. Направляющая закреплена верхней частью к перемещающейся
платформе и имеет внизу направляющие ролики для исключения отклонения её от
вертикальной оси и облегчения смещения во время передвижения платформы.
Фурма состоит из трёх концентрично скреплённых
стальных труб, заканчивающихся медным наконечником с соплами Лаваля.
В верхней части фурма имеет три патрубка,
соединяющихся с гибкими рукавами, через которые подаётся кислород и охлаждающая
вода. Кислород подаётся по центральной трубе и через сопла наконечника
поступает в ванну конвертера. Положение фурмы по вертикали контролируется
сельсином. Ход фурмы регулируется командоаппаратом.
1.1.2
Описание работы машины подачи кислорода
Существует две схемы работы МПК в зависимости от
состояния футеровки конвертера.
Схема №1 (при хорошем состоянии футеровки
конвертера):
В обе каретки МПК ставятся рабочие фурмы.
После завалки м/лома в конвертер и заливки
чугуна, конвертер ставится вертикально. Машинист дистрибутора с главного поста
управления (ГПУ) опускает фурму через фурменное окно в конвертер и открывает
подачу кислорода для продувки плавки. После того как плавка продута фурму
приподнимают до уровня фурменного окна для осмотра на предмет течи или
«закозления». Если замечаний нет, фурма остаётся в работе на продувку следующей
плавки. Если по какой-либо из причин необходима замена то машинист дистрибутора
с ГПУ перегоняет платформу, ставя запасную фурму в рабочую позицию а вышедшую
из строя в резервную для замены.
Схема №2 (при плохом состоянии футеровки
конвертера):
В правую каретку МПК ставится рабочая фурма а в
левую каретку торкрет-фурма. После продувки плавки рабочая фурма поднимается
вверх до исходного. Машинист дистрибутора с ГПУ перегоняет платформу, ставя
торкрет- фурму в рабочую позицию. После слива плавки из конвертера в
сталеразливочный ковш он ставится вертикально. Машинист дистрибутора опускает
фурму в конвертер, включает подачу торкрет-массы в сопла фурмы и торкретирует
конвертер т.е. на футеровку наносит защитный слой. После окончания работы по
уходу за футеровкой торкрет-фурма поднимается вверх до исходного. Машинист
дистрибутора опять перегоняет платформу, ставя рабочую фурму в положение для
продувки плавок.
В цехе находится несколько торкрет-фурм с разным
углом расположения сопел. В зависимости от расположения места наибольшего
износа футеровки в конвертере, куда необходимо нанести огнеупорную массу и
выбирается фурма, затем поднимается на МПК и ставится в каретку.
Необходимость переезда МПК для работы другой
фурмой может быть по причине неисправности одного из приводов подъёма фурм по
механической части, электрической части или энергетической части.
Недостатки привода
При анализе простоев механического оборудования
машин подач кислорода цеха выплавки стали Конвертерного производства за
последние три года выявлено, что основные простои повлиявшие на выплавку стали
принадлежат машине подачи кислорода конвертера №3 которая по конструкции
отличается от МПК установленных на конвертерах №1; 2. Самая частая
неисправность это невозможность переезда платформы с фурмами для различных
операций, таких как продувка плавки, торкретирование конвертера, замена фурм.
Среднегодовые простои конвертера по устранению причин неисправностей составили
часов 42 минуты.
Основными причинами простоев являются:
. Попадание пыли в зазор между трапециидальной
резьбой ходового винта и двухзаходной бронзовой гайкой, вследствие чего
происходит заклинивание передачи.
. Срезание витков резьбы бронзовой гайки от их
интенсивного износа который происходит по причине прогиба винта из-за его длины
(ход платформы 5 метров).
. Трудоёмкость обслуживания и ремонта механизма
из-за его конструкции.
. Отсутствие взаимозаменяемости оборудования и
деталей с других машин подачи кислорода, установленных в цехе.
В связи с вышесказанным, целью данного
дипломного проекта будет являться модернизация привода машины подачи кислорода
№3. Включающая замену ходового винта и гайки на привод с одноступенчатым
редуктором и рейкой, который в условиях повышенной запылённости более надёжен.
Учитывая поставленную цель в процессе выполнения
диплома будут решены ряд вопросов:
рассчитан и спроектирован привод машины подачи
кислорода;
разработана общая компоновка привода;
рассчитана экономическая целесообразность
модернизации.
2
КОНСТРУКЦИОННАЯ ЧАСТЬ
2.1
Назначение, конструкция и принцип действия машины подачи кислорода
Машина подачи кислорода (МПК) предназначена для
введения кислорода в конвертер сверху через водоохлаждаемую фурму, для
вертикальных и горизонтальных перемещений, связанных с подачей фурмы внутрь
конвертера, и заменой вышедшей из строя фурмы резервной.
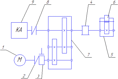
На рисунке 1 изображен механизм привода
передвижения платформы машины подачи кислорода представляет собой зубчатую
рейку (7), закреплённую к металлоконструкциям платформы по центру снизу. Для
взаимодействия с ней выполнена прямозубая передача, состоящая из вал-шестерни (m
= 10, z = 14) и зубчатого
колеса (6) (m = 10, z
= 25) установленных на подшипниках качения, в металлическом корпусе
нестандартного одноступенчатого редуктора (5), закреплённого к
металлоконструкциям площадки на отметке +55,6 метра.
Механизм приводится в движение стандартным
приводом, состоящим из двухступенчатого редуктора (3) и электродвигателя (1) с
колодочным тормозом (8). Между электродвигателем и двухступенчатым редуктором
привод передаётся через муфту МУВП (2), между двухступенчатым редуктором и
нестандартным одноступенчатым редуктором через муфту зубчатую (4). Крайние
положения платформы машины подачи кислорода (ход платформы) контролирует
командоаппарат 10, включенный в электросхему привода и конечные выключатели.
Привод на командоаппарат от редуктора осуществляется через муфту кулачковую
(9).
Ход платформы машины подачи кислорода S
=5,0 метров.
Скорость передвижения платформы ν
= 0,13 м/с, что определено технологическим процессом.
Рисунок 1 - Механизм привода передвижения
платформы машины подачи кислорода
2.2
Расчет проектирования привода машины подачи кислорода
Кинематическая схема привода платформы машины
подачи кислорода представлена на рисунке 2.
Исходные данные представлены в таблице 1.
Таблица 1 - Исходные данные
|
Диаметр
приводного колеса, мм
|
Скорость
движения рейки v,
м/с
|
Сила
сопротивления движению, кН
|
Долговечность,
Lh, часов
|
|
250
|
0,13
|
18
|
15000
|
Рисунок 2 - Кинематическая схема привода
платформы машины подачи кислорода:
- электродвигатель; 2 - муфта МУВП; 3 - тормоз
ТКП-200; 4 - муфта зубчатая;
- редуктор нестандартный; 6 - приводное колесо;
7 - редуктор стандартный; 8 - муфта кулачковая; 9 - командоаппарат.
2.2.1
Энерго - кинематический расчет механизма привода машины подачи кислорода
Определяем коэффициент полезного действия
привода:
η
= ηм.2
ηп.
п.5
ηзуб.2
ηзуб.откр.
(1)
где ηм
- коэффициент полезного действия муфты, ηм
= 0,98…0,99;
ηп.
п. - коэффициент полезного действия двух подшипников,
ηп.
п.
= 0,99…0,995;
ηзуб
- коэффициент полезного действия зубчатых передач, ηзуб
= 0,96…0,98;
ηзуб.откр
- коэффициент полезного действия зубчатой открытой передачи, ηзуб.откр
= 0,92…0,95.
η = 0,982
0,995
0,962
0,92
= 0,774.
Определяю необходимую мощность приводного
электродвигателя:
. (2)
где N
- мощность на приводном валу, кВт;
η -
коэффициент полезного действия привода.
Определяю частоту вращения выходного вала:
об/мин, (3)
об/мин.
Произвожу подбор электродвигателя МТКН 111-6
с мощностью 3 кВт, и частотой вращения
В таблице 2 приведены данные полученные в ходе
расчетов.
Таблица 2 - Энерго - кинематические данные
2.2.2
Расчет и выбор стандартного редуктора привода
Выбор редуктора производим, основываясь на его
особенностях, а именно, габаритах и кратковременных перегрузках. Останавливаем
выбор на двухступенчатом цилиндрическом редукторе.
Необходимо сделать расчет допускаемого крутящего
момента на тихоходном валу редуктора, а также допускаемую частоту вращения
быстроходного вала:
М кр.тих=1381 Нм,
nвр.быст.в = 18,2 об/мин.
При выборе редуктора учитываем требования к
допускаемому моменту и допускаемой частоте вращения, которые должны быть:
[М] ≥ Мтреб,
[n]
≥ nфакт.
Выбираем редуктор 2Ц-350-50-24Ц, с
номинальным моментом на тихоходном валу 3150 Нм, и передаточным числом равным
50, при этом диаметры: - выходного конца быстроходного вала - 40,0мм;
выходного конца тихоходного вала - 85,0мм.
2.2.3
Ориентировочный расчет и конструирование приводного вала машины подачи
кислорода
Для изготовления детали выбираем конструкционную
легированную сталь 40X
по ГОСТ 4543-71. Сталь 40X нашла широкое применение в машиностроении для
изготовления деталей зубчатых зацеплений и показала достаточно хорошие
эксплуатационные качества.
Определяем диаметр вала:
мм (4)
где Т - крутящий момент на валу, Н∙мм;
[τ
] = 20…30 МПа - допустимое касательное напряжение для вала. входной
диаметр:
, мм.
Диаметры валов под подшипники:
dП
= d + 2t ,мм,
(5) dП
= 65+ 2
3 = 71 мм.
принимаем одинаковые подшипники dП
= 75мм. Диаметры валов под буртик подшипника:
dБП
= dП
+ 3,2r ,мм,
(6) dБП
= 75 + 3,2
3,5 = 86,2 мм.
принимаем dБП
= 86мм.
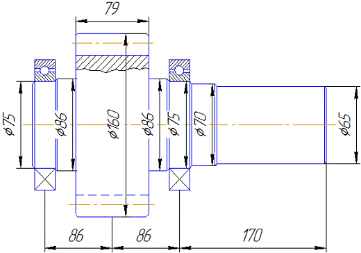
На рисунке 3 изображен эскиз приводного вала.
Рисунок 3 - Приводной вал
2.2.4
Выбор подшипников приводного вала редуктора
Для приводного вала подходят радиальные
шарикоподшипники легкой серии из ГОСТ 8338.
В таблице 3 указаны характеристики привода вала.
Таблица 3 - характеристики приводного вала
|
№
|
d, мм
|
D, мм
|
В,
мм
|
Сr,
H
|
C0r,
H
|
|
216
|
75
|
130
|
25
|
66300
|
41000
|
Эскизная компоновка устанавливает взаимное
положение вала - шестерни и подшипников. Приводной вал в корпус редуктора устанавливается
на двух шариковых радиальных подшипниках. Ось вращения вала - горизонтальная.
На рисунке 4 изображена эскизная компоновка
вала.
Рисунок 4 - Эскизная компоновка приводного вала
2.2.5
Выбор муфты
Произведем выбор муфты.
Передаваемый муфтой необходимый крутящий момент
определим по формуле:
, Н·, (7)
где
-коэффициент, зависящий от
характера нагрузки,
;
- крутящий момент вала муфты, Н·м.
Выбираем быстроходную муфту:
Н·м По справочнику останавливаю
выбор на муфте упругой втулочно-пальцевой с тормозным шкивом: 250-I-40-II-40-У2
ГОСТ 21424-93. В данной муфте 250 - это максимальный крутящий момент (Н·м), I и
II - номер исполнения посадочного места под вал, 40 и 40 - это посадочные
диаметры вала электродвигателя и вала редуктора.
Произведем выбор тихоходной муфты:
Н·м
По справочнику останавливаю выбор на зубчатой
муфте: 2500-I-85-I-65-У2 ГОСТ Р 50895-96. В данной муфте 2500 - это
максимальный крутящий момент (Н•м), I и I - номер исполнения посадочного места
под вал, 65 и 85 - посадочные диаметры стандартного вала и нестандартного вала
редуктора.
2.2.6
Подбор шпонок
Поскольку диаметр вала подобран согласно ГОСТ
23360-78 для шпонок, выбираю призматическую шпонку с шириной 18 мм, высотой 12
мм, глубиной паза 7,0 мм, и рабочей длиной шпонки 90мм.
2.3
Расчеты и проектирование гидропривода подъема платформы
2.3.1
Разработка гидропривода платформы машины подачи кислорода
Исходные данные указаны в таблице 4.
Таблица 4 - Основные параметры гидропривода
машины подачи кислорода
|
Параметр
|
Значение
|
|
Тип
гидродвигателя
|
вращательного
движения
|
|
Осевое
усилие R
|
12
400Н
|
|
Наибольшая
линейная скорость поднятия фурмы v
|
0,1
м/с
|
|
Регулирование
скорости
|
Дроссельное,
параллельно
|
|
Число
зубьев звездочки Z
|
8
|
|
Шаг
тяговой цепи P
|
100
|
Подъем и опускание производится посредством двух
замкнутых пластинчатых цепей через звездочки. Звездочки приводятся в движение в
свою очередь гидромотором через понижающий редуктор. Кинематическая схема
привода машины подачи кислорода приведена на рисунке 5.
|
|
|
Рисунок
5 - Кинематическая схема привода: 1 - гидромотор; 2 - упругая муфта; 3 -
редуктор; 4 - зубчатая муфта; 5 - подшипниковые опоры; 6 - звездочки с
приводным валом; 7 - тормоз.
|
Обоснование и выбор гидравлической схемы
привода.
В схеме используется гидрораспределитель РР с
соединением напорной линии со сливной в закрытом положении, что позволяет
насосу работать постоянно. Это обусловлено тем, что механизм должен быть готов
в любое время вывести фурму из конвертера.
Согласно техническому заданию регулирование
скорости осуществляется параллельным включением дросселя.
Нейтральное положение:
Рабочая жидкость с помощью насоса (Н) через
фильтр (Ф) и обратный клапан (КО) попадает в гидрораспределитель (РР). При
среднем (нейтральном) положении гидрораспределителя (РР) рабочая жидкость
подается в обратном направлении в бак. Предохранительный клапан (КП) защищает
гидросистему от перегрузок.
Н - Ф - КО - Р(РР)Т - ГБ
Вращение вправо:
При переводе гидрораспределителя в левое
положение идет подача рабочей жидкости через гидрораспределитель РР в
гидромотор ГМ и обратно в БАК. Происходит вращение вправо. Регулирование
скорости осуществляется через параллельно включенный дроссель Д.
Н - Ф - КО - Р(РР)А - ГМ - В(РР)Т - ГБ
Вращение влево:
При переводе гидрораспределителя в правое
положение идет подача рабочей жидкости через гидрораспределитель РР в гидромотр
ГМ и обратно в БАК. Происходит вращение влево. Регулирование скорости
осуществляется через параллельно включенный дроссель Д.
Н - Ф - КО - Р(РР)В - ГМ - А(РР)Т - ГБ
Произведем расчет геометрических размеров
гидродвигателя и выбор гидродвигателя.
В механизме подъема используется гидродвигатель
вращательного движения.
Рассчитаем требуемую мощность привода:
, Вт, (8)
где Q - масса поднимаемого груза, кг;
k = 1.05 -
коэффициент учитывающий вес подвеса;
Vг
- скорость подъема, м/с;
ηмех
- коэффициент полезного действия всех механизмов от вала двигателя до блоков
включительно. Для проектных расчетов принимаем ηмех
= 0.85.
Вт,
, мин-1, (9)
где v
- максимальная скорость подъема/опускания, м/с;
z
-число зубьев звездочки;
P
-шаг тяговой цепи, мм.
мин-1
На рисунке 6 изображена гидравлическая схема
привода разматывателя.
Рисунок 6 - Гидравлическая схема привода
разматывателя
Исходя из данных полученных ходе
расчета выбираем высокомоментный радиально-поршневой гидромотор типа МРФ-400/25М1
ТУ2-053-1801-86 с объемом рабочей полости
см3.
Основные характеристики гидромотора
представлены в таблице 5.
Таблица 5 - Параметры гидромотора
|
№
п/п
|
Параметр
|
Значение
|
|
1
|
Номинальное
давление, МПа
|
25
|
|
2
|
Максимальное
давление, МПа
|
32
|
|
3
|
Объемом
рабочей полости, см3
|
400
|
|
4
|
Максимальный
крутящий момент, Н·м
|
1492
|
|
5
|
Число
оборотов, мин-1:
|
|
|
-
минимальное
|
5
|
|
-
максимальное
|
450
|
Рассчитаем насосную установку и осуществим ее
выбор.
Требуемый расход жидкости для гидромотора найдем
по формуле:
, м3/с, (10)
где
- требуемая максимальная угловая
скорость гидромотора, с-1,
- стандартный объем выбранного
гидромотора, м3.
Отсюда расход рабочей жидкости:
м3/с (120л/мин)
Для выбора насосной установки примем
требуемое давление насоса
16 МПа.
По рассчитанным ранее параметрам
выберем двухпоточный насос типа НПл56-56/16 ТУ2-053-1899-88 с общей
подачей Q=142 л/мин
(0.0024 м3/с). Характеристики насоса представлены в таблице 6.
Таблица 6 - Характеристики насоса
|
№
п/п
|
Параметр
|
Значение
|
|
1
|
Номинальная
подача,л/мин (м3/с)
|
71+71
(0,0012+0,0012)
|
|
2
|
Номинальное
давление,МПа
|
16
|
|
3
|
Максимальное
давление,МПа
|
17,5
|
В качестве насосной установки выберем по
справочнику
.
По данным полученным в ходе расчетов подбираем
гидроаппаратуру привода разматывателя.
Выбираем гидроаппаратуру по величине
ориентировочного расхода давления. Согласно ТЗ, применим аппаратуру модульного
монтажа.
Фильтр 3ФГМ 32 ТУ 2-053-1778-86:
Предохранительный клапан МКПМ 16/ЗМР ТУ
2-053-1758-85:
тип монтажа - модульный
Обратный клапан МКОМ 16/3МР ТУ 2-053-1829-87:
тип монтажа - модульный
Дроссель МДКМ 16/3МА ТУ 2-053-1799-86:
тип монтажа - модульный
Реверсивный распределитель ВЕX16X.64.В220E
УХЛ4 по ГОСТ 24679-81:
Значения полученные в ходе расчета отображены в
таблице 7.
Таблица 7 - Расчетные значения потерь давления в
гидроаппаратах
|
Наименование
гидроаппарата
|
Δp0,
МПа
|
A, МПа×с/м3
|
B, МПа×с2/м6
|
Этап
цикла
|
Qmax,
м3/с
|
ΔpГА,
Мпа
|
|
Вращение
вправо
|
|
|
|
|
|
|
|
Фильтр
Ф
|
|
12
|
3600
|
Напор
|
0,0024
|
0,050
|
|
Клапан
обратный КО
|
0,15
|
7031,3
|
|
0,0024
|
0,216
|
|
Гидрораспределитель
РР
|
|
96
|
46080
|
|
0,002
|
0,376
|
|
Гидрораспределитель
РР
|
|
96
|
46080
|
Слив
|
0,002
|
0,376
|
Все данные местных потерь давления и потерь по
длине полученные в ходе расчета приведены в таблицу 8 и в таблицу 9.
Таблица 8 - Потери давления по длине
трубопроводов
|
Этап
цикла
|
Линия
|
Участок
по схеме
|
Qmax,
м3/с
|
dТi,
м
|
Li,
м
|
fТi
·10-4,
м2
|
ui,
м/с
|
Rei
|
Δi
|
ΔpТi,
|
|
Вращение
вправо
|
|
Вращение
влево
|
Напорная
|
1-2
|
0,0024
|
0,028
|
0,1
|
0,000616
|
3,90
|
2728,4
|
0,0438
|
0,0011
|
|
|
3-4
|
0,0024
|
0,028
|
0,1
|
0,000616
|
3,90
|
2728,4
|
0,0438
|
0,0011
|
|
|
5-6
|
0,002
|
0,036
|
3,8
|
0,001018
|
1,96
|
1768,4
|
0,0362
|
0,0066
|
|
Слив
|
7-8
|
0,002
|
0,036
|
3,9
|
0,001018
|
1,96
|
1768,4
|
0,0362
|
0,0068
|
|
|
9-10
|
0,0024
|
0,039
|
0,2
|
0,001195
|
2,00
|
1958,8
|
0,0327
|
0,0003
|
Таблица 9 - Местные потери давления
|
Цикл
|
Линия
|
Участок
|
Qmax, м3/с
|
fстi,
м2
|
Вид
местного сопротивления
|
Параметр
мест. сопротив
|
Кол-во
мест. сопрот
|
ξ
|
Δрмi
МПа
|
|
1
|
2
|
3
|
4
|
5
|
6
|
7
|
8
|
9
|
10
|
|
Вращение
вправо
|
напорная
|
1-2
|
2,4×103
|
6,16×104
|
Резкое
расширение Ø 28/
Ø 32 (Ф)
|
d0/d
= 0,8750
|
1,0
|
0,39
|
0,0026
|
|
|
3-4
|
2,4×103
|
6,16×104
|
Резкое
сужение Ø 32/ Ø 28 (Ф)
|
d0/d
= 0,875
|
1,0
|
0,18
|
0,0012
|
|
|
3-4
|
2,4×103
|
2,01×104
|
Резкое
сужение Ø 28/ Ø 16 (Вход
в плиту)
|
d0/d
= 0,570
|
1,0
|
0,43
|
0,0273
|
|
|
4-5
|
2,4×103
|
2,01×104
|
Тройник
Ф16
|
|
2,0
|
0,30
|
0,0380
|
|
|
5-6
|
2,0×103
|
2,01×104
|
Резкое
расширение Ø 16/Ф36 (Выход из
плиты)
|
d0/d
= 0,50
|
1,0
|
1,44
|
0,0634
|
|
|
5-6
|
2,0×103
|
10,18×104
|
Колено
Ø36
|
90
град.
|
2,0
|
1,20
|
0,0041
|
|
|
5-6
|
2,0×103
|
10,18×104
|
Вход
в емкость
|
|
1,0
|
20
|
0,0034
|
|
сливная
|
7-8
|
2,0×103
|
10,18×104
|
Колено
Ø
36
|
90
град.
|
2,0
|
1,20
|
0,0041
|
|
|
7-8
|
2,0×103
|
2,01×104
|
Резкое
сужение Ø 36/ Ø 16 (Вход
в плиту)
|
d0/d
= 0,50
|
1,0
|
0,49
|
0,0216
|
|
|
8-9
|
2,0×103
|
2,01×104
|
Колено
Ø
16
|
90
град.
|
2,0
|
1,20
|
0,1057
|
|
|
8-9
|
2,0×103
|
2,01×104
|
Тройник
Ø
16
|
|
1
|
0,9
|
0,0396
|
|
|
9-10
|
2,4×103
|
2,01×104
|
Резкое
расширение Ø 16/ Ø 36 (Выход
из плиты)
|
d0/d
= 0,5
|
1
|
1,44
|
0,0634
|
Местные потери в трубопроводах:
Вращение вправо: напорная линия
МПа,
- сливная линия
МПа.
Суммарные потери давления
Общие суммарные потери давления сведены в
таблицу 10.
Таблица 10 - Общие суммарные потери в
гидросистеме привода разматывателя
|
Этап
цикла
|
Линии
|
  
|
|
|
|
|
Вращение
вправо
|
Напорная
Сливная
|
0,641
0,376
|
0,0087
0,0071
|
0,1401
0,2344
|
0,7898
0,6175
|
Общие потери из рассчитанных данных:
Вращение вправо:
- напорная линия
- сливная линия
Произведем проверку насосной установки
Определим давление насосной установки:
,МПа, (11)
Максимальные потери в напорной
линии:
МПа,
Номинальное давление насосной
установки:
МПа.
МПа.
Подобранная насосная установка
удовлетворяет условиям гидропривода.
3
ТЕХНОЛОГИЧЕСКАЯ ЧАСТЬ
3.1
Разработка технологического процесса изготовления вал - шестерни
Обработка резанием - это технологический процесс
изготовления деталей, который состоит из механического отделения поверхностного
слоя заготовки с образованием стружки. В зоне соприкосновения режущего
инструмента и срезаемого слоя заготовки происходит сложный процесс
пластического деформирования и разрушения металла. Как правило, обработанные
поверхности получаются в результате сочетания отдельных элементарных движений
детали и режущего инструмента.
Тех. процесс изготовления вала-шестерни разделяется
на отдельные части, т.е. операции.
Каждая операция производится на одном рабочем
месте или одном станке. При проектировании технологического процесса
изготовления детали необходимо разработать последовательность и содержание
операций, определить оборудование на котором они будут проводиться, определить
приспособления и инструмент необходимый для выполнения операций. При выполнении
операций необходимо сделать расчет нормы времени на выполнение каждой операции.
На чертеже детали отражены технические требования к изделию, но при
проектировании технологического процесса необходимо также учитывать и
технологические особенности производства. Таким образом, конструкция изделия
должна быть выполнима с наименьшими трудозатратами на всех операциях. Если данное
условие соблюдено, то изделие будет считаться технологичным. Важным критерием
при оценке технологичности изделия является расчет технико-экономических
показателей. Необходимо стремится их минимизировать. В большинстве предприятия
машиностроения предпочитают серийное производство, это выгодно, поскольку не
требуется постоянной переналадки оборудования для перехода на другой тип
изготовления изделий.
В выпускной квалификационной работе необходимо
спроектировать деталь «Вал-шестерня» с малой программой выпуска. В связи с этим
необходимо использовать методы мелкосерийного производства, применять
универсальное оборудование, приспособления и инструмент.
3.1.1
Назначение детали и описание ее конструкции
Деталь «Вал - шестерня» представляет собой часть
современной высокоточной машины и требует при изготовлении соблюдения многих
норм и правил для обеспечения требуемого качества. «Вал - шестерня» входит в
состав механических передач и предназначена для передачи крутящего момента.
Деталь устанавливается на опорах (подшипниках качения) и, в процессе работы,
вращается вокруг своей оси. Основной рабочей частью вала-шестерни является
зубчатое эвольвентное зацепление с прямыми зубьями. Число зубьев равно 14,
модуль 10. Зубья шестерни испытывают максимальные нагрузки при работе
зацепления. Нагрузка подаётся на полумуфту, которая устанавливается на
поверхности диаметром 65мм. Передача вращающего момента от полумуфты на вал
осуществляется через шпонку, установленную на этой поверхности. Для этого
выполнен шпоночный паз длиной 90мм, шириной 18мм и глубиной 7мм. Следовательно,
конструкция детали и качество поверхностей, полученное при изготовлении, должны
обеспечить надёжную работу детали без заедания и поломок. В связи со сказанным
выше, наиболее ответственными поверхностями на детали являются шейки диаметром
75мм под установку подшипников, посадочная поверхность под полумуфту и зубчатое
зацепление. Для изготовления детали выбрана конструкционная легированная сталь
40X по ГОСТ 4543-71.
Данная сталь широко применяется в машиностроении для изготовления деталей
зубчатых зацеплений и на практике показала высокие эксплуатационные качества.
Хим. состав стали марки 40Х представлен в
таблице 11.
Таблица 11 - Химический состав стали марки 40Х
|
С
|
Si
|
Mn
|
S
|
P
|
Ni
|
Cr
|
|
|
|
Не
более
|
|
|
|
0,36
- 0,44
|
0,17-
0,37
|
0,2-
0,5
|
0,025
|
0,025
|
0,3
|
0,3-1,1
|
Механические свойства стали марки 40Х приведены
в таблице 12.
Таблица 12 - Механические свойства стали марки
40Х
|
σ
т МПа
|
σвр
МПа
|
δ
s
%
|
Ψ
%
|
Дж/см3
|
HB
|
|
не
менее
|
|
|
|
800
|
1000
|
10
|
45
|
60
|
230…260
|
3.1.2
Технологический контроль чертежа вал - шестерни
В соответствии с заданием деталь мелкосерийного
производства. Перед разработкой технологического процесса для вала-шестерни
произведем технологический контроль чертежа детали.
Проверку производим по рабочему чертежу детали,
который должен содержать такие сведения как точность взаимного расположения
поверхностей, точность формы поверхностей и точность выполнения размеров.
Произведя оценку чертежа по приведенным выше
критериям можно увидеть, что:
‒ шероховатость после механической
обработки указана для всех поверхностей;
‒ оговорен материал и его качество;
‒ отклонения формы и взаимного
расположения поверхностей находятся в стандартных пределах.
Однако по чертежу изготавливаемой детали можно
увидеть, что не все размеры на чертеже имеют конкретные предельные отклонения.
В связи с вышесказанным технические условия
чертежа дополняем надписью:
«Неуказанные предельные отклонения
линейных размеров: охватывающих по H14;
охватываемых - по h14; остальных - в пределах
».
Дальше упрощать деталь невозможно.
3.1.3
Анализ технологичности детали «Вал-шестерня»
На чертеже детали отражены технические
требования к изделию, но при проектировании технологического процесса
необходимо также учитывать и технологические особенности производства. Таким
образом, конструкция изделия должна быть выполнима с наименьшими трудозатратами
на всех операциях. Если данное условие соблюдено, то изделие будет считаться
технологичным. Перед принятием решения по возможности производства детали
проводят тщательный анализ технологичности конструкции детали и самого
технологического процесса ее изготовления. Анализ проводят поэлементно для
каждой конструкции изделия, выполняют анализ каждой детали, сборочных элементов
на возможность изготовления и техническую целесообразность выполнения,
транспортирования. В результате анализа технологичности конструкции детали
«Вал-шестерня» делаем заключение, что все свойства вала взаимосвязаны, и
совместно определяют ее качественную характеристику. Однако данная деталь не
достаточно технологична, для выбранного по заданию, мелкосерийного
производства, поскольку на изготовление заготовки необходимы будут большие
припуски, что потребует большого объема времени и энергии при ее обработке на
металлорежущих станках, а это повлечет увеличение себестоимости готового
изделия. Уменьшить припуски у заготовки не представляется возможным, поскольку
заготовкой является поковка (если использовать в качестве заготовки прокатный
пруток, то припуски будут еще больше). А технология свободной ковки с
применением подкладных штампов может обеспечить только большие припуски. Таким
образом, для создания высокотехнологичной детали необходима полная
конструкторская переработка всей сборочной единицы с тем, чтобы уменьшить
механическую обработку.
3.1.4
Выбор заготовки
Для изготовления данной детали выбираем
заготовку из горячекатаного проката по ГОСТ 2590-80.
Эскиз заготовки из проката представлен на
рисунке 7.
Рисунок 7 - Эскиз заготовки из проката
При использовании заготовки из горячекатаного
проката наружный диаметр с учётом припуска принимаем 170мм, длину 304мм.
В таблице 13 указаны припуски и допуски на
обработку детали.
Таблица 13 - Припуски и допуска на обработку
вал-шестерни - Ø75К6
|
Технол-е
переходы обработки поверхностей
|
Элементы
припуска, мкм
|
Расч-й
припуск 2Zmin
мкм
|
Расч-й
Размер dp,
мм
|
Доп
кδ
мкм
|
Предельные
размеры, мм
|
Предельные
значения припусков, мкм
|
|
Rzi-1
|
Ti-1
|
ρi-1
|
ξy
|
|
|
|
dmin
|
dmax
|
пр
2Zmin
|
пр
2Zmах
|
|
1
|
2
|
3
|
4
|
5
|
6
|
7
|
8
|
9
|
10
|
11
|
12
|
|
Заготовка
|
150
|
250
|
1630
|
-
|
5762
|
80,882
|
620,0
|
80,882
|
81,502
|
5,593
|
6,33
|
|
Черновое
точение
|
50,0
|
50,0
|
98,0
|
140
|
4072
|
76,64
|
170
|
76,64
|
76,81
|
4,072
|
4,692
|
|
Чистовое
точение
|
30,0
|
30,0
|
65,0
|
140
|
742
|
75,848
|
50
|
75,848
|
75,898
|
0,724
|
0,792
|
|
Шлифование
черн.
|
10,0
|
20,0
|
32,0
|
140
|
429
|
75,389
|
75,389
|
75,419
|
0,429
|
0,459
|
|
Шлифование
чист.
|
5,0
|
15,0
|
-
|
140
|
368
|
75,002
|
19,0
|
75,002
|
75,021
|
0,368
|
0,387
|
На рисенке 8 изображена схема
припусков и допусков на изготовление детали.
Рисунок 8 - Схема припусков и допуков
3.1.5
Разработка поэтапного маршрута обработки поверхности вала-шестерни
В данном разделе необходимо составить поэтапный
маршрут обработки поверхности вала-шестерни.
Заготовкой является поковка, выполненная
свободной ковкой с применением подкладных штампов. Свободная ковка с
применением подкладных штампов показывает высокую производительность при
относительном приближении формы заготовки к форме изделия.
В качестве общих принципов в построении
технологического процесса будем руководствоваться следующими критериями:
Для того чтобы не процесс был наиболее
производительным, необходимо иметь общую базу при выполнении всех токарных
операций, также это позволит получить максимальную точность изделия. Для
достижения этого на первой операции надо провести обработку центровых
отверстий, которые являются чистовой базой. Данную операцию оптимально
осуществить на фрезерно-центровальном полуавтомате, что позволит сократить
время обработки детали, и увеличить производительность.
Во второй операции производится черновое и
чистовое растачивание наружных поверхностей детали, данную операцию можно
осуществить на обычном токарном станке.
Затем необходимо произвести обработку зубьев
вала-шестерни, эту операцию оптимально производить на зубофрезерном станке.
Деталь закрепляется вертикально в центрах, зубья шестерни обрабатываются все
одновременно червячной фрезой.
После обработки зубьев необходимо обработать
шпоночную канавку, данную операцию произведем на вертикально-фрезерном станке.
Данный станок позволяет получить высокую точность и полностью исключает ручную
подгонку детали в процессе ее сборки.
Для достижения твердости вала-шестерни согласно
требований чертежа (HB=230…260),
необходимо провести его термическую обработку.
После окончания термообработки деталь шлифуют на
круглошлифовальном станке до шероховатости заданной по чертежу (Ra=3,2).
3.1.6
Подбор оборудования для каждой операции изготовления вала-шестерни
На фрезерно-центровальной операции выбираем
серийный станок, фрезерно-центровальный модели ЕМ 535М, имеющий следующие
технические характеристики представленные в таблице 14.
Таблица 14 - Технические характеристики станка
ЕМ 535М
|
Класс
точности
|
Н
|
|
Размеры
обработки штучных заготовок: Максимальный Ø, мм
Длина, мм
|
100,0
1000,0
|
|
Частота
вращения шпинделя, об/мин
|
12,5
- 2000,0
|
|
Продольная
подача суппорта, мм/мин
|
0,05
- 2,80
|
|
Поперечная
подача суппорта, мм/мин
|
0,025
- 1,40
|
|
Мощность
электродвигателя главного привода
|
10,0
кВт
|
|
Габаритные
размеры: длина, мм ширина, мм высота, мм
|
3200,0
2160,0 2400,0
|
На токарной черновой и чистовой операциях
применяем токарно-винторезный станок 16К20Ф3 со следующими техническими
характеристиками представлено в таблице 15:
Таблица 15 - Технические характеристики станка
16К20Ф3
|
Класс
точности
|
Н
|
|
Наибольшие
размеры обработки штучных заготовок: Наибольший диаметр изделия,
устанавливаемого над станиной Наибольший диаметр обрабатываемого изделия над
суппортом Наибольшая длина устанавливаемого изделия в центрах
|
500,0
220,0 1000,0
|
|
Частота
вращения шпинделя, об/мин
|
12,5
- 2000,0
|
|
Продольная
подача суппорта, мм/мин
|
3
- 1200,0
|
|
Поперечная
подача суппорта, мм/мин
|
1,5
- 600,0
|
|
Мощность
электродвигателя главного привода
|
10,0
кВт
|
|
Габаритные
размеры: длина, мм ширина, мм высота, мм
|
3360,0
1710,0 1750,0
|
На зубо-фрезерной операции применяем станок
зубо-фрезерный вертикальный для цилиндрических колёс 5К32 со следующими
техническими характеристиками представленными в таблице 16.
Таблица 16 - Технические характеристики станка
5К32
|
Класс
точности
|
Н
|
|
Наибольший
Ø
обрабатываемой
заготовки, мм
|
800,0
|
|
Наибольший
модуль обрабатываемых колёс
|
10,0
|
|
Длина
зуба нарезаемого колеса, мм
|
350
|
|
Частота
вращения фрезы, об/мин
|
40,0
- 310,0
|
|
Подача
суппорта, мм/об осевая радиальная тангенциальная
|
0,80
- 5,00 0,25 - 1,50 0,15 - 2,90
|
|
Мощность
электродвигателя главного привода
|
7,5
кВт
|
|
Габаритные
размеры: длина, мм ширина, мм высота, мм
|
2660,0
1450,0 2000,0
|
На фрезерной операции применяем
вертикально-фрезерный станок 6Р12 со следующими техническими характеристиками
представленными в таблице 17.
Таблица 17 - Технические характеристики станка
6Р12
|
Класс
точности
|
Н
|
|
Размеры
рабочей поверхности стола: длина, мм ширина, мм
|
1250,0
400,0
|
|
Частота
вращения шпинделя, об/мин
|
50,0
- 2500,0
|
|
Поворот
фрезерной головки, град.
|
±45,0
|
|
Рабочая
подача стола, мм/об (мм/мин) продольная поперечная
|
40,0
- 2000,0 8,0 - 400,0
|
|
Мощность
электродвигателя главного привода
|
10,0
кВт
|
|
Габаритные
размеры: длина, мм ширина, мм высота, мм
|
2395,0
1745,0 2000,0
|
Для шлифовки наружных поверхностей применяем
кругло-шлифовальный станок 3М132, имеющий следующие технические характеристики
указанными в таблице 18.
Таблица 18 - Технические характеристики станка
3М132
|
Класс
точности
|
Н
|
|
Система
ЧПУ
|
Позиционная
|
|
Диаметр
наружного шлифования, мм
|
8,0
- 280,0
|
|
Наибольшая
длина наружного шлифования, мм
|
630,0
|
|
Мощность
электродвигателя главного привода
|
7,50
кВт
|
|
Габаритные
размеры: длина, мм ширина, мм
|
3500,0
3300,0
|
3.1.7
Подбор приспособлений для каждой операции изготовления вала-шестерни
На фрезерно-центровальной операции используются
установочные элементы станка (призмы), которые позволяют устанавливать
заготовки во всём диапазоне обрабатываемых размеров.
Для выполнения черновой токарной операции
выбираем патрон трёхкулачковый, самоцентрирующий, рычажный с пневматическим
приводом зажима по ГОСТ 16682-71. Патрон является универсальным
приспособлением, в тоже время имеет сменные кулачки, которые могут быть
спроектированы и изготовлены для закрепления конкретной детали.
Патрон имеет следующие технические
характеристики представленные в таблице 19.
Таблица 19 - Технические характеристики патрона
|
Пределы
регулирования хода кулачков, мм
|
10,0
- 280,0
|
|
Величина
хода подвижной губки при пневматическом зажиме, мм
|
6,0
|
|
Усилие
зажима, при рабочем давлении воздуха в сети 4 атм., кг
|
800,0
|
|
Габариты:
диаметр наружный высота
|
350,0
170,0
|
Для базирования используем гладкие центра по
ГОСТ 8742-82.
Для выполнения чистовой токарной операции
используем поводковый патрон по ГОСТ 2572 - 72 и гладкие центра по ГОСТ
8742-82.
На фрезерной операции применяем специальное
приспособление для установки детали на столе станка. Возможно использование
сборки из комплекта универсально-сборных приспособлений.
На зубофрезерной операции применяем для
установки детали гладкие центра по ГОСТ 8742-82.
На шлифовальной операции аналогично чистовой
токарной - поводковый патрон по ГОСТ 2572 - 72 и гладкие центра по ГОСТ
8742-82.
3.1.8
Выбор режущего инструмента для каждой операции изготовления вала-шестерни
Для выполнения фрезерно-центровальной операции
применяем следующий режущий инструмент:
Фреза торцевая насадная со вставными ножами
диаметром 200 мм T15K6
ГОСТ 9473-71
Сверло центровочное Р18 ГОСТ 14952-77
На токарных операциях (черновой и чистовой)
применяем однотипный инструмент:
Резец упорный отогнутый правый Т15К10 ГОСТ
18870-73
Резец проходной отогнутый правый Т30К4 ГОСТ
18870-73
Для фрезерования шпоночной канавки применяем
фрезу концевую шпоночную с режущей частью из твёрдого сплава ВК-6 по ГОСТ
6396-88
На зубофрезерной операции применяем фрезу
червячную однозаходную по ГОСТ 9324-80;
Для обработки на шлифовальной операции применяем
круг шлифовальный электрокорундовый на керамической связке Ø
300; Ширина
Н=25 ГОСТ 19202-80. Марка ПП 300х25х127 - Э95-К-СМ1 - по ГОСТ 4785-64
Технологический процесс изготовления детали
представлен в таблице 20.
Таблица 20 - Технологический процесс
изготовления детали
|
Номер
или обозначение
|
Наименование
и содержание операции (установка, переход)
|
Оборудование
(наименование, модель, мощность, особенности)
|
Приспособление,
вспомогательный инструмент.
|
Режущий
Инструмент (наименование, материал, размер, количество)
|
|
|
операции
|
установки
|
позиции
|
переход
|
|
|
|
|
|
|
1
|
2
|
3
|
4
|
5
|
6
|
7
|
8
|
|
|
00
|
|
|
1
|
Заготовительная
Заготовка-
поковка
|
|
|
|
|
|
00
|
|
|
|
Термическая
Нормализация
|
|
|
|
|
|
0100
|
А
|
1 2
|
|
Фрезерно-центровальная
Установить
в призмах по чёрной базе (Ø) Фрезеровать
одновременно оба торца заготовки, выдерживая размер 298±1 мм Сверлить
одновременно два центровых отверстия; глубина сверления 10 мм Снять деталь со
станка
|
Фрезерно-центровальный
станок ЕМ535М (max
(Ø)75, max
L=1000); мощность
8,5/9,5 кВт
|
Установочные
Призмы с пневматическим зажимом
|
Фреза
торцевая Насадная со вставными ножами Ø200 Т15К6
ГОСТ 9473-71 Сверло центровочное ГОСТ 14952-77
|
|
|
0
015
|
А
Б
|
|
1
2 3 4 5 6 7
|
Токарная
черновая Установить в центрах с базой на
центровые отверстия, закрепить в патроне Точить начерно пов. 1 Ø70
до
Ø66
на
длине L=105;
Точить начерно пов. 2 Ø75 до
Ø71
на
длине L=28;
Точить начерно пов. 3 Ø80 до
Ø76
на
длине L=25;
Точить окончательно пов. 4 Ø90 в
размер Ø85-0,5
на длине L=18-0,4;
Точить начерно пов. 5 Ø165 до
Ø161 на длине L=80;
Открепить, перевернуть деталь на 1800, установить в центрах,
закрепить в патроне Точить начерно пов. 6 Ø80 до
Ø76
на
длине L=25;
Точить окончательно пов. 7 Ø90 в
размер Ø85-0,5
на длине L=18-0,4;
Снять деталь со станка
|
Токарно-
винторезный станок 16К20Ф3 (max
(Ø)400, max
L=1000); мощность
10 кВт
|
Патрон
трёхкулачковый пневматически, центра гладкие
|
Резец
упорный отогнутый правый Т15К10 ГОСТ 18870-73
|
|
|
1
|
2
|
3
|
4
|
5
|
6
|
7
|
8
|
|
0
020
|
А
|
|
1 2 3 4 5 6 7
|
Токарная
чистовая Установить в центрах с базой на
центровые отверстия Точить начисто пов. Ø66 до
размера Ø65,5 на длине L=105;
Подрезать фаску 1×45 на
Ø66
Точить
начисто пов. Ø71 до
размера Ø70,5 на длине L=27;
Точить начисто Ø76 до
размера Ø75,5 на длине L=25;
Подрезать фаску 1×45 на
Ø75,5
Точить
начисто пов.5 Ø161 до
Ø160,5
на
длине L=80;
Подрезать две фаски 1×45 на
Ø160,5
|
Токарно-
винторезный станок 16К20Ф3 (max
(Ø)400, max
L=1000); мощность
10 кВт
|
Патрон
поводковый центра гладкие
|
Резец
проходной отогнутый правый Т30К4 ГОСТ 18870-73
|
|
Б
|
|
8
9
|
Открепить,
перевернуть деталь на 1800, установить в центрах, закрепить в
патроне Точить начисто Ø76 до
размера Ø75,5 на длине L=25;
Подрезать фаску 1×45 на
Ø75,5
Снять
деталь со станка
|
|
|
|
|
025
|
А
|
|
|
Фрезерная
Установить
в специальное приспособление с базой на центровые отверстия Фрезеровать
шпоночный паз 18 на длине L=90-0,87
Снять деталь со станка
|
Вертикально
- фрезерный станок 6Р12
|
Специальное
приспособление для установки детали
|
Фреза
концевая шпоночная ВК-6 Ø 18 ГОСТ
6396-88
|
|
030
|
А
|
1
|
|
Зубофрезерная
Установить
вертикально в центрах с базой на центровые отверстия Фрезеровать зубья Z=14,
m=10 Снять деталь
со станка
|
Зубофрезерный
станок 5К32
|
Центра
гладкие
|
Фреза
червячная
|
|
035
|
|
|
|
Термическая
Термообработка
HRC38…43; h=2…3
мм
|
|
|
|
|
040
|
А
|
|
1
2 3 4
|
Круглошлифовальная
Установить
в центрах с базой на центровые отверстия Шлифовать Ø65е8
L=105; Шлифовать Ø75К6
L=25; Шлифовать Ø70f8
L=27; Шлифовать Ø75К6
L=25. Снять деталь
со станка
|
Круглошлифовальный
станок 3М132 мощность 7,5 кВт
|
Патрон
поводковый центра гладкие
|
Круг
шлифовальный электрокорундовый на керамической связке Ø300
ширина
H=25 ГОСТ 19202-80
|
|
045
|
|
|
|
Контрольная
|
Стол
контрольный
|
|
|
|
|
|
|
|
|
|
|
|
|
|
|
|
|
|
|
3.2
Проектирование червячной модульной фрезы
Исходные данные к расчету:
Выбор инструмента выполняем на основании
размеров детали и точности обработки.
Модуль нормальный:
Угол зацепления:
.
Диаметр делительной окружности
колеса:
Исходный контур по ГОСТ 13755-81 -
коэффициент высоты головки зуба ha*
= 1,0;
коэффициент высоты ножки hf*=1,25;
коэффициент радиального зазора с*
= 0,25.
Толщина зуба по нормали на
делительной окружности:
.
Высота зуба колеса:
.
Степень точности по ГОСТ 9178-72: 7я
Тип фрезы - однозаходная.
Материал заготовки - сталь 40Х ГОСТ
4543-71.
Нарезание производим на станке
53А50.
3.2.1
Основные технические требования к фрезам
Фрезы должны изготовляться в соответствии с
требованиями ГОСТ 9324-81 по рабочим чертежам.
Цельные фрезы должны изготовляться из
быстрорежущей стали по ГОСТ 19265-73.
Твердость фрез типов 1 и 2 - 63…66 HRCэ. Для
фрез, изготовленных из быстрорежущей стали с содержанием ванадия 3% и более и
кобальта 5% и более, твердость должна быть 64…66 HRCэ. У фрез типа 3 твердость
поверхности посадочного отверстия и торцов должна быть не менее 37…40 HRCэ.
Шлифованная часть фрез, обеспечивающая требуемую
точность профиля, должна быть не менее 1/3 длины зуба - для фрез модулей свыше
4 мм.
Шпоночный паз - по ГОСТ 9472-83. Допускается
изготовлять шпоночный паз по ширине В с полем допуска В12, по высоте d- Н14.
Предельные отклонения по наружному диаметру фрез
типа 3 - по h17; предельные отклонения размеров с неуказанными допусками: ,
Н16, ±t3/2
.2.2 Расчет размеров фрезы
Шаг зубьев фрезы по нормали:
Шаг между соседними профилями см. рисунке 9,
равен шагу нарезаемого колеса по делительной окружности для фрезы:
, (12)
,мм.
Рисунок 9 - Габаритные размеры червячных
зуборезных фрез
Профильный угол по нормали см. рисунке 10:
принимаем равным углу зацепления на колесе
Рисунок 10- Элементы профиля фрезы по нормали
Толщина зуба по нормали для фрез:
,мм, (13)
, мм.
Высота головки зуба:
Назначаем равной высоте ножки зуба нарезаемого
колеса с учетом радиального зазора или допуска на внутренний диаметр колеса
,мм, (14)
где
- коэффициент высоты головки зуба;
с - радиальный зазор, мм,
, мм, (15)
, мм,
, мм.
принимаем
мм.
Высота ножки зуба фрезы:
Принимаем равной высоте головки зуба
нарезаемого колеса плюс величина перекрытия
, мм, (16)
, мм,
Полная высота профиля:
, мм, (17)
мм,
или
, мм, (18)
мм,
принимаем
.
Радиус закругления у головки и ножки зуба:
, (19)
мм.
Наружный диаметр фрезы: принимаем в
зависимости от модуля m:
.
Число зубьев:
для чистовых фрез определяем по
формуле
, (20)
, (21)
,
.
принимаем
.
Для фрез со шлифованным зубом на дне
впадины предусматриваем канавку для улучшения условий процесса шлифования
изображенном на рисунке 11.
Глубина канавки для выхода
шлифовального круга
с радиусом
.
ширина канавки-принимаем конструктивно
В=5мм.
Рисунок 11 - Канавка для фрез со шлифованным
зубом
Задний угол на вершине зуба:
Задний угол, рисунок 4, для чистовых
фрез принимается из интервала
принимаем
Величина затылования: при заднем
угле на вершине зуба
:
, мм, (22)
мм.
Величина дополнительного затылования у фрез со
шлифованным профилем:
, (23)
мм.
принимаем
.
Средний расчетный диаметр делительной окружности
фрезы:
для уменьшения отклонений
фактических величин угла подъема витков
и угла наклона канавок
от расчетных
средний диаметр фрезы изображен на рисунке 12 (с учетом погрешности профиля при
переточках) определяем в сечении, отстоящем от передней плоскости зуба на
0,1-0,25 окружного шага.
, (24)
где К -величина затылования, мм
- высота головки профиля зуба
фрезы, мм;
- коэффициент.
Для фрез со шлифованным зубом
принимаем
.
Рисунок 12 - Расчетное сечение фрезы
Угол подъема винтовой линии фрезы:
, (25)
.
Шаг по оси между витками:
, (26)
Осевой шаг винтовой стружечной канавки:
, (27)
,
Глубина канавки у фрез со шлифованным профилем:
, (28)
.
Шлифованная часть зуба:
окружного шага.
.
Минимальный диаметр шлифовального круга:
, (29)
где
- посадочный диаметр круга, мм,
мм.
принимаем
90мм.
Радиус закругления у основания
канавки:
, (30)
мм.
принимаем
.
Угол профиля канавки выбираем
конструктивно из интервала:
, принимаем
.
Диаметр отверстия фрезы под оправку
предварительно:
, (31)
принимаем, округляя по ГОСТ 9472-70:
.
Проверяем условие:
, (32)
мм,
принимаем окончательно
.
Диаметр выточки:
, (33)
мм,
принимаем
.
принимаем по ГОСТ 9324-60
.
Длина выточки:
, (34)
принимаем
.
Диаметр буртиков:
, (35)
принимаем
.
Длина буртиков:
принимаем при m>8мм
Размеры шпоночного паза назначаем по
ГОСТ 9472-83, при диаметре
:B × H = 14 × 9;
tm = 53,8 мм.
В ходе проделанной работы был произведен расчет
и проектирование червячной фрезы, разработаны их рабочие чертежи, приведенные в
приложении с указанием предельных отклонений размеров деталей и шероховатостей
на поверхности инструмента.
Фрезы должны изготовляться в соответствии с
требованиями ГОСТ 9324-81 по рабочим чертежам.
Цельные фрезы должны изготовляться из
быстрорежущей стали по ГОСТ 19265-73.
Твердость фрез типов 1 и 2 - 63…66 HRCэ. Для
фрез, изготовленных из быстрорежущей стали с содержанием ванадия 3% и более и
кобальта 5% и более, твердость должна быть 64…66 HRCэ.
У фрез типа 3 твердость поверхности посадочного
отверстия и торцов должна быть не менее 37…40 HRCэ.
Шлифованная часть фрез, обеспечивающая требуемую
точность профиля, должна быть не менее 1/3 длины зуба - для фрез модулей свыше
4 мм.
ЗАКЛЮЧЕНИЕ
Модернизация привода передвижения платформы МПК
№3 за счёт снижения аварийных простоев конвертера и увеличения межремонтного
периода позволит увеличить выпуск стали, а также сократить затраты на покупку
оборудования в неснижаемый запас. Всё это позволит получить максимальную
прибыль для предприятия.
Затраты на проведение модернизации составить
454285 руб.
Из них:
т.руб - стоимость оборудования;
.7 т.руб - транспортные расходы;
.019 т.руб - заработная плата;
.831 т.руб - социальные нужды;
.713 т.руб - накладные расходы;
Общий экономический эффект от модернизации
составляет 3460802 руб.
Был проведен расчет прибыли, налоговых ,
амортизационных, доходов, критериев инвестиционного, это:
NPV - чистый
приведенный доход от модернизации, 19863158 руб.
Индекс NPV
отражает увеличение стоимости технологической системы. PI-
рассчитан индекс рентабельности, 44,72 среднегодовое значение индекса
рентабельности PIср.г=
447,2
IRR- норма
рентабельности, норма доходности 129,2
РР - срок окупаемости 2 месяца.
ARR-
коэффициент эффективности инвестиций 8,61
Все критерии инвестиционного процесса показывают
на эффективность проекта, кроме этого они являются более обоснованными, так как
они учитывают временную компоновку денежных потоков.
Проект модернизации для предприятия является
целесообразным.
СПИСОК
ИСПОЛЬЗОВАННЫХ ИСТОЧНИКОВ
1. Анурьев, В.И. Справочник
конструктора-машиностроителя: в 3т. / В.И. Анурьев. - М.: Машиностроение, 1979.
- Т. 1. - 730 с.
2. Белов, С.В. Безопасность
жизнедеятельности: учебное пособие / С.В. Белов. - М.: Госэнергоиздат, 1999. -
290 с.
3. Горошкин, А.К. Приспособления для
металлорежущих станков: справочник / А.К. Горошкин. - М.: Машиностроение, 1971.
- 303с.
4. Дунаев, П.Ф. Детали машин:
курсовое проектирование / П.Ф. Дунаев. - М.: В.Ш., 1984. - 335 с.
. Егоров, М.Е. Технология
машиностроения: учебник для вузов / М.Е. Егоров. - М.: Высшая школа, 1976г. -
535с.
. Кован, В.М. Расчёт припусков на
обработку в машиностроении: справочное пособие / В.М. Кован. - М.: Машгиз,
1953г. - 208с.
. Романов, В.Ф. Расчёты зуборезных
инструментов: учебник для вузов / В.Ф. Романов. - М.: Машиностроение, 1969. -
251с.
. Чернавский, С.А. Проектирование
механических передач: учебно-справочное пособие для вузов / C.А.
Чернавский. - М.: Машиностроение, 1984. - 560 с.
. Чернилевский, Д.В. Детали машин:
учебное пособие для вузов / Д.В. Чернилевский - М.: Машиностроение, 2001. - 560
с.
. Шейнблит, А.Е. Детали машин:
курсовое проектирование деталей машин / А.Е. Шейнблит. - М.: В.Ш., 1991. - 432
с.
. Справочник технолога -
машиностроителя: в 2 т. / под ред. А.Г. Косилова, Р.К. Мещерякова. - М.:
Машиностроение, 1985. - Т. 1. - 327с.; т. 2. - 324с.
. Точность обработки, заготовки и
припуски в машиностроении: справочник технолога / под ред. А.Г. Косилова, Р.К.
Мещерякова, М.А. Калинина. - М.: Машиностроение, 1976. - 288с.
. Обработка металлов резанием:
справочник технолога / под ред. Г.А. Монахова. - М.: Машиностроение, 1974. -
600 с.
. Руководство к дипломному
проектированию по технологии машиностроения, металлорежущим станкам и
инструментам / под ред. Л.В. Худобина. - М.: Машиностроение, 1986. -228 с.
. Организация, планирование и
управление машиностроительным предприятием: в 2 т. / под ред. В.А. Летенко,
В.Н. Родионова. - М.: Высшая школа, 1979. - 296 с.
. Сетевые графики в планировании:
Учебное пособие / под ред. И.М. Разумова [и др.]. - Изд. 3-е. перераб. и доп. -
М.: Высшая школа, 1981. - 168с.