Конструкторско-технологическая подготовка производства коллиматорного прицела
Содержание
Введение
. Анализ состояния вопроса
. Разработка методики автоматизированной разработки
конструкции и технологии изготовления узла коллиматора встроенного визира
оптического устройства
.1 Описание работы визира оптического устройства
. Автоматизированная разработка конструкции узла коллиматора
встроенного визира оптического устройства
.1 Разработка трехмерных геометрических моделей коллиматора
встроенного визира оптического устройства
.2 Разработка конструкторской документации коллиматора встроенного
визира оптического устройства
. Автоматизированный инженерный анализ элементов конструкции
коллиматора встроенного визира оптического устройства
. Автоматизированная разработка технологии изготовления и
сборки коллиматора встроенного визира оптического устройства
.1 Анализ конструкции и назначения детали
.2 Технологический контроль чертежа
.3 Анализ технологичности конструкции детали
.4 Выбор метода изготовления и формы заготовки
.5 Разработка технологического маршрута обработки детали
.6 Выбор и расчет припусков на обработку
.7 Выбор типа производства и технологического процесса
.8 Выбор оборудования
.9 Выбор режущего инструмента
.10 Выбор вспомогательных инструментов
.11 Выбор приспособлений
.12 Выбор средств измерения и контроля
.13 Выбор режимов резания
.14 Техническое нормирование времени операций
. Автоматизированная разработка обработки детали на станке с
ЧПУ
Заключение
Список использованных источников
Приложения
Введение
Представляемая
квалификационная работа на базе «Вологодский оптико-механический завод».
Будучи машиностроительным предприятием, осуществляет производство
оптико-электронной, тепловизионной оптико-электронных приборов и гражданского
назначения. Специфической предприятия являются приспособления различного как
военного, и гражданского [1].
На
внедрена и широко система автоматизированного SolidWorks. В результате
существенно сократились времени при на производство изделий. Кроме с
помощью программы можно увидеть изделие со сторон в объеме и ему
реалистичное в соответствии с выбранным для предварительной дизайна. Также
предприятии внедрена «КОМПАС - Автопроект», для автоматизации
маршрутно-операционных технологических механической обработки
машиностроительного и приборостроительного производства. «КОМПАС -
обеспечивает эффективное техпроцессов, формирование документации, а также
информации для управления технологической производства.
На
огневой эффективности и боевых машин (БМП) большое оказывает обеспечение
совершенными системами огнем (СУО). Сегодняшние содержат комбинированные и
ночные) оптические с тепловизионными камерами и лазерными дальномерами,
вооружения, баллистические и различные датчики позволяющие достаточно
учитывать отличие условий стрельбы нормальных. Все танки и БМП дублированные
системы огнем [2].
Коллиматорный
дает высокое скорости прицеливания - в 2-3 раза чем классические так как
прицеливании необходимо всего две красную светящуюся которую видно и саму
цель, этом глаз аккомодируется на до цели . Главная задача изготовлении
данных поставлена сотрудникам на разработку прицельного ведения
сверхбыстрого и сверхточного оружия, прицеливания в незначительной видимости.
В прицелы используются для на цель небольших расстояниях и хороших погодных
когда цель подвижной, либо нет времени очень точного выстрела.
Тема
квалификационной работы потому что в мире идет вооружений.
Целью
работы является подготовка производства встроенного визира устройства.
.
Анализ состояния вопроса
Прицельные
подразделяются на основных: прицелы дробовой стрельбы с прицельной планкой
и прицелы кольцевые для стрельбы и пулями, открытые для стрельбы (мушка и
целик), оптического, диоптрические коллиматорные прицелы и (лазерные
целеуказатели).
Первое
оптики в военном началось с кольцевых которые устанавливались арбалеты и
самострелы в средние века. Он из кольца на ложе оружия и сушки на другом
ствола. Таким прицельная линия более чем в 2 раза. Кольцевой изображён на
1.
Рисунок
1 - прицел
Одной
разновидностей таких являются открытые и подъемные), данный прицелов
используется и время на видах стрелкового оружия. Прицел из мушки, на
ствол, и разомкнутого сверху. Наглядный такого прицела на рисунке 2. При
механического прицела испытывает определенные неудобства. Глаза устают.
Прорезь планки или видны расплывчато, потому что не в состоянии наблюдать
одновременно мушку и прорезь, как они от него. Глаз перестраивает
зрительное для четкого этих точек, и появляются слезы. Малейшая неточность
в прицеливании к плохой стрельбе.
Рисунок
2 - приспособления А-101
Большое
и развитие прицелы чуть более лет тому назад. На устанавливались
телескопические длинна которых была больше ствола. Телескопические
представляли собой трубку с линзами, прицельными сетками, и угловыми
шкалами. Такой прицелов изображен рисунке 3.
автоматизированный коллиматор визир
Рисунок
3 - Стивенс с телескопическими
Одним
из этапов развития оптики стали прицелы (ночного и типа). Особо развитие
снайперских прицелов началось первой мировой и уже в 1949 были разработаны
прицелы, которые менять кратность увеличения. Оптический времен второй войны
изображен рисунке 4. Оптические имеют ряд особенностей. В ограниченное поле
(что затрудняет и постоянный диаметр зрачка. Размеры должны быть меньше
размеров глаза, который в от условий изменяется от 2 8 мм. Кроме при
наблюдении оптический прицел глаза необходимо с выходным зрачком иначе
могут ошибки в прицеливании.
Рисунок
4 - прицел на SMLE Mk.III
Современные
прицелы состоят объектива (системой двух и более оборачивающей системы,
сетки, окуляра, корректировки горизонтальной и поправки, и корпуса. Также
различные модификации, в себя установку телевизионной камеры и подсветки.
Один видов современного прицела изображён рисунке 5. Дальнейшее цифровых
технологий к созданию уникально прицела, который целиться обоими при этом
углы обзора.
Рисунок
5 - оптический прицел
В
конструкции заложен коллимации света, что и получили прицелы название
коллиматорные. Общей всех коллиматоров отсутствие фокусировки им просто
нужна) и возмо расположить его любом расстоянии глаза стрелка. Коллиматоры
обладать сменными метками, что прицеливание и ввод на расстояние упреждение
(в движущейся цели) . Коллиматор представляет длиннофокусный объектив, в
установлена марка, специальным устройством. Она вид точечной или сетки с
бходимой служебной информацией. Коллиматоры на 2 вида: и закрытого типа.
Коллиматорные изображены на 6. С развитием военная оптика применяться на
машинах. Начиная обычных танковых времен второй войны и заканчивая
системами, включающие в многочисленные электрические и автоматические
приборы.
Рисунок
6 - прицелы открытого (сверху) и закрытого (снизу)
Рисунок 7
Одой
таких систем “Система управления огнем”. Они в себя оптические (дневного и
ночного с тепловизионными камерами и баллистические
вычислители, ы вооружения и датчики конструкция и технология должна отвечать
требованиям точности и которые напрямую на эффективность стрельбы и
выживаемости в бою. Целью ВКР автоматизация конструкторско-технологической
производства коллиматора визира оптического устройства. Из цели выделим
задачи работы. Разработка автоматизированной разработки и технологии
изготовления коллиматора встроенного оптического устройства.
Автоматизированная
конструкций узла встроенного визира устройства;
· разработка геометрических моделей и коллиматора встроенного
оптического устройства;
· разработка документации коллиматора визира оптического устройства.
Автоматизированный
анализ элементов коллиматора встроенного оптического устройства:
· использование моделей для изделий методами моделирования;
· расчет состояния в системе /works.
Автоматизированная
технологии изготовления и коллиматора встроенного оптического устройства:
· привести конструкции и назначения
· провести анализ конструкции детали;
· обосновать изготовления и форму
· разработать план обработки;
· выбрать технологическое оборудование и универсальных приспособлений;
· провести нормирование времени операций.
Автоматизированная
обработки детали станке с ЧПУ.
. Разработка методики автоматизированной разработки конструкции и
технологии изготовления узла коллиматора встроенного визира оптического
устройства
2.1
Описание визира оптического
Прицел
1Г46 из нескольких каждая из является функционально блоком [5].
Основой
является корпус к которому при винтов крепятся других составляющих: блока,
блока дальномера (блока блока измерителя интервалов (блока стабилизирующего
блока, блока лазерно-лучевого управления (конструктивно в приборе, но в
состав комплекса вооружения), головки и управления.
Стабилизирующий
и пульт управления к нижней части визира, а головка, Д и информационный блок
- в верхнюю.
В
блоке размещены детали визуального часть органов а также электрическая что
обеспечивает электромеханических устройств и электрических сигналов.
В
блоке закреплены узел нижнего которым проводится в горизонтальной плоскости,
верхнего зеркала, связь гиростабилизатора с закрепленным в головке, и
выверки прицела-дальномера направлению и высоте. А электронные реле
обогрева.
Стабилизирующий
- двухосный силовой на поплавковых гироскопах. Стабилизирующий совместно с
главным головки, электроблоком и управления наводчика замкнутую цепь что
обеспечивает от вооружения и спаренного пулемета) поля зрения и
стабилизированной линии в горизонтальной и продольно-вертикальной плоскостях.
Стабилизирующий приведен на 8.
Рисунок
8 - блок
Стабилизация
зрения по происходит за вращения вокруг оси с помощью зеркала головки,
кинематически связано с приводом и с платформой гиростабилизатора.
Стабилизация
зрения по происходит за вращения вокруг оси блока расположенного на
стабилизирующего блока, и связанного с осью внешней рамы гиростабилизатора.
Блок - цельный блок зеркала (снизу) и (сверху). Ленточная выполнена в виде
для обеспечения блока зеркал в противоположную вращению рамы
гиростабилизатора .
Двухосный
гиростабилизатор из двух гиростабилизаторов, что две взаимоперпендикулярных
стабилизации: первая - оси вращения рамы (по вторая - по вращения на рамы
карданового подвеса.
Каждый
или точнее, содержащий чувствительный - поплавковый гироскоп, угла
прецессии, момента, усилитель, стабилизации.
Рама
гиростабилизатора (стабилизирующего - стабилизирована относительно осей.
Платформа в виде прямоугольного параллелепипеда. На (конкретнее, в
платформы) установлено двухступенчатые гироскопы, таким что в исходном
гиростабилизатора ось (измерительная ось) гироскопа параллельна оси
карданового гиростабилизатора.
Осью
двухступенчатого поплавкового является ось, осям ротора ось гироскопа,
которой направлен собственного кинетического Н) и камеры (поплавка). При
векторы собственных моментов (Н) поплавковых гироскопов навстречу друг
другу. Гироскоп чувствительным элементом стабилизации по вращения наружной
карданового подвеса (по направлению), есть обеспечивает поля зрения и линии
прицеливания в плоскости, в связи с в обозначении его так же, и элементов
канала присутствует буква (ДУГН, ДМГН подобное). Гироскоп чувствительным
элементом стабилизации по вращения внутренней (платформы), которая
«гирорама», то обеспечивает стабилизацию зрения и наведения прицеливания по
(в продольно-вертикальной в связи с чем в его элементов и канала
стабилизации буква «В» ДМВН)
Каждый
гироскопов имеет угла процессии, через свой усилителя стабилизации связан с
управляющими двигателя стабилизации оси, которая с осью чувствительности
гироскопа.
Согласно
схемы, канал по направлению включает датчик процессии поплавкового гироскопа
- ДУГР (датчик угла горизонтального разгрузки - обозначения элементов в
соответствии с эксплуатационной документацией), усилитель разгрузки - УМГР
(усилитель мощности горизонтального разгрузки) и двигатель стабилизации - ДМГР
(моментный двигатель горизонтального разгрузки). Рама прицела 1Г46 изображена
на рисунке 9.
Рисунок 9 - Рама прицела 1Г46
Канал стабилизации по высоте (продольно-вертикальная плоскость) включает
датчик угла процессии поплавкового гироскопа - ДУВР (датчик угла вертикального
разгрузки), усилитель разгрузки - УМВР. (усилитель мощности вертикального
разгрузки) и двигатель стабилизации - ДМВР (моментный двигатель вертикального
разгрузки). Усилители разгрузки УМГР и УМВР находятся в электроблоке.
Наведение линии прицеливания (визирования) по высоте и направлению
осуществляется с помощью пульта управления - ПУ. Наведение по высоте
производится поворотом рукояток пульта управления вокруг горизонтальной оси
(«на себя», «от себя»), а наведение по направлению - разворотом всего пульта
управления вокруг вертикальной оси.
При этом вращаются расположенные в пульте управления потенциометры, от
величины угла поворота которых зависят значения электрических сигналов, которые
поступают на соответствующие усилители наведения - УМВН (усилитель мощности
вертикального наведения) и УМГН (усилитель мощности горизонтального наведения),
которые находятся в составе электроблока прицела. Усиленные в соответствующих
усилителях электрические сигналы наведения поступают на обмотки управления
датчиков момента - ДМВН (моментный двигатель вертикального наведения), что
находится на оси процессии поплавкового гироскопа и ДМГН (моментный двигатель
горизонтального наведения), что находится на оси процессии поплавкового
гироскопа.
С
осями карданового подвеса гиростабилизатора связанные роторы датчиков углов
наведения линии прицеливания (визирования). На оси вращения наружной рамы
находится ротор датчика угла горизонтального наведения - ДУГН, которого связан
с стабилизирующего блока, а него и корпус - с башней танка. На оси
вращения (гирорамы) находится датчика угла наведения - ДУВН, которого
установлен в правого рычага, через параллелограмный связан с пушкой.
Указанные
вырабатывают электрические Uдугн и Uдувн, углам рассогласования линией
прицеливания и осью канала пушки в горизонтальной и - вертикальной
плоскостях .
Эти
сигналы цепи коммутации на сумматор баллистического вычислителя,
суммируются (с фазы) с производимыми сигналами Uβ и пропорциональны углам (β) и прицеливание (а).
Как
элементы данного гиростабилизатора, использованы поплавковые гироскопы.
Элементы гиромотор ГМА-4 в качестве датчика процессии; индукционный типа
15Д-32 - момента (двигателя ; моментный двигатель тока АДФМ-250. Таким
элементами, ДУВР и есть индукционные 15Д-32. Они применены как углов
наведения прицеливания ДУВН и ДУГН.
ДМВН
и есть двигатели АДФМ-250, а векторами Н направления собственных моментов
роторов ГМА-4, находящихся в (поплавках).
В
качестве двигателя стабилизации который установлен оси внешней карданового
подвесагиростабилизатора, двухфазный асинхронный двигатель переменного
АДФМ-1000. Его связан с корпусом рамы, а статор в днище корпуса блока.
В
качестве двигателя стабилизации который установлен оси внутренней
(платформы) карданового гиростабилизатора, применяется асинхронный моментный
переменного тока АДФМ-800. Его связан с платформой, а установлен в корпусе
рычага.
Процессы
поля зрения и наведения линии 1Г46, связанные стабилизацией платформы и
стабилизированными поворотами в и продольно-вертикальной плоскостях.
Рассмотрим,
происходит стабилизация оси наружной то есть поля зрения направлению. При
начального момента оси внешней поплавок, поплавкового и датчик угла ДУГР
выдает управления на УМГР. С выхода напряжение поступает управляющие
обмотки стабилизации ДМГР, развивает момент, по направлению и по величине
момента.
Аналогично
стабилизация поля по высоте. При задействован цепочку ДУВР-УМВР. - ДМВР.
Наведения
линии прицеливания 1Г46 по то есть поворот платформы с внешней рамой
подвеса) по осуществляется двигателем (датчиком момента) при подаче его
обмотку электрического сигнала с наведения УМГН. Возникающий этом
относительно процессии (параллельной внутренней рамы поплавкового гироскопа
момент определяет и направление угловой поворота (процессии) вокруг
вертикальной (по горизонтали).
Наведения
линии прицеливания по высоте аналогичным образом, сигнал с усилителя УМВН
поступает двигатель наведение который создает относительно оси
(параллельной оси рамы гиростабилизатора) гироскопа.
Этот
вызывает процессионный внутренней рамы карданового подвеса вокруг своей
оси, то происходит поворот в вертикальной плоскости высоте).
При
корпуса пульта вокруг вертикальной по или часовой стрелки углов 25-27°
среднего (нулевого) а рукояток пульта вокруг горизонтальной (на себя от
себя) углов 27-29° среднего положения. Происходит изменение угловой
наведения стабилизированной прицеливания по и по высоте 0,05 до 1 °/сек. С
указанных углов скачкообразное изменение скорости наведения прицеливания по
и высоте до максимальной угловой наведения 3°/сек. При повороте корпуса
пульта управления упоров цепи электроблока формируют сигнал «27В и
происходит скачкообразное угловой скорости стабилизированной линии до
скорости 16-24°/сек [5].
При
корпуса пульта к упорам пороговый в составе электроблока электрический
сигнал Переброс», по на вход УМГР подается электрический сигнал, после
усиления на ДМГР. ДМГР по оси рамы карданового гиростабилизатора момент,
действием которого поплавкового гироскопа в сторону одного двух
подпружиненных в корпусе поплавкового гироскопа. ДУГР этом выдает сигнал,
который дополнительному, но по фазе. При на входе дополнительного сигнала
и ДУГР момент снимается, и поплавок гироскопа воспринимает упругой силы
пружины одного упоров. Указанное вызывает появление момента, который к
корпусу поплавкового то есть в виде пары приложенных к подшипникам
поплавкового гироскопа. Данная сил стремится корпус поплавкового что
приводит к (поворота) платформы, в он установлен, вертикальной оси, есть
вокруг наружной рамы. Через передачу указанный платформы (вместе с рамой)
передается блок зеркал, приводит к перемещению горизонтали (по стабилизированной
линии (визирования) прицела со скоростью опрокидывания.
В
блоке также рукоятка, привода устройства и механизмы линии прицеливания
высоте и направлению. По классификации стабилизирующий является
арретированым совмещенной действия с управлением.
Арретирование
проводится для жесткой связи и, соответственно, прицеливания прибора с и
башней танка ее согласованном положении. Для на ее вращения (собственная
вращения - горизонтальная, внешней рамы - есть кулачки специальным профилем
и механизмы вертикального и штоки которых в арретирования заходят в
соответствующих кулачков.
Шток
арретира выдвигается повороте рукоятки. При рукоятки вращательное передается
через редуктор и карданные и соответствующим рычагом арретира превращается
в движение штока.
Вертикальный
через механизм линии прицеливания высоте и параллелограмный жестко связан с
пушкой.
При
положении платформы прицеливания 1Г46 связана параллелограммным с пушкой.
Горизонтальный
через механизм линии прицеливания направлению (Г) связан с корпусом блока,
а следовательно - с танка.
Вертикальный
через механизм линии прицеливания высоте и параллелограмный жестко связан с
пушкой.
При
положении платформы прицеливания 1Г46 связана параллелограммным с пушкой.
Горизонтальный
через механизм линии прицеливания направлению (Г) связан с корпусом блока,
а, с башней танка.
Механизмами
линии прицеливания по высоте и производится компенсация линии прицеливания
с канала ствола который возникает монтажа 1Г46 в и в процессе эксплуатации.
Цель
- развороты главного головки и нижнего (блока зеркал) блока достигается
гирорамы по и по высоте. Для механизмы вертикального и установлены не в
корпусах правого и стабилизирующего блока, а поворотных кронштейнах,
проворачиваются при ключом выверки механизма.
В
состав механизма выверки червячная передача, колесо которой эксцентриковый
поводок.
При
червячного колеса поводок разворачивает с механизмом соответствующего
арретира.
Двухосный
стабилизатор 1Г46 независимую от стабилизацию поля и наведения
стабилизированной прицеливания в диапазоне от -15° +20° в
продольно-вертикальной и от -8° +8° в горизонтальной (по направлению).
Погрешность
линии прицеливания при движении по пересеченной не превышает угловых минут
мрад), а угловая ухода линии (центральной прицельной при стабилизированном
в условиях колебания на пересеченной не превышает 0,7°/мин.
Пульт
задает направление и наведения линии в пространстве. На пульта расположены
измерения дальности, из пушки и из пулемета.
Блок
Д для формирования и импульса излучения и приема импульса, от цели.
Блок
предназначен для интервала времени импульсом передатчика и отраженным от на
код дальности.
В
ИВИ также цифровой индикатор, позволяет наводчику с целью видеть дальность
в метрах. Наблюдение полем боя, и осуществляются через канал прибора
прицела-дальномера.
Для
наблюдения визуальный имеет плавное кратности увеличения, имеющий
диоптрийная по глазу наблюдателя. Кроме в поле зрения может вводиться
предохраняющий глаз от солнечного и излучения.
Дальность
выбранной цели прицелом-дальномером. Управление от кнопки рукоятке пульта
управления. Временной между моментом передатчика и импульсом, от цели, измерителем
временных (блоком ИВИ) ввода в баллистический и для высвечивания в поле
зрения наводчика.
В
«Аварийный», когда работает баллистический дальность вводится перемещением
сетки с шкалами и шкалой поправок от пульта управления.
Деление
дальности выбранного соответствует измеренному поднимается до штриха
неподвижной [5].
Прицеливание
соединением с целью вертикального штриха с штрихом шкалы поправок.
В
центре зрения находится прицельная марка в угольника.
Вниз
центральной прицельной идет вертикальный с делениями - шкала прицеливания
для пулемета.
От
прицельной марки отходит кривая линия с делениями, также шкале для
пулемета, базу установки относительно прицела танке по и направлению.
Цена
малого деления соответствует дальности цифры соответствуют в сотнях метров.
В
от центральной марки идут углов бокового состоящие из и угольников для при
стрельбе с упреждением в случае автоматического выработки в системе.
В
верхней поля зрения горизонтальный штрих и шкалы для типа снаряда
осколочно-фугасного - кумулятивного - К).
Цена
малого деления - м для бронебойного и м - для остальных снарядов. Цифры
дальности в сотнях метров.
Слева
вертикального штриха дальномерная шкала с по цели м.
В
нижней части зрения расположены слева зеленый - готовности пушки к справа
красный - целеуказания, дублированного командиром или тумблера «АВАРИЙНЫЙ
механиком-водителем.
В
центре части поля высвечивается тип и измеренная дальность .
При
работе в аварийном режиме ввод дальности маховика пульта шкалы углов а
также шкала бокового упреждения, на подвижной перемещаются в поле прицела
относительно горизонтального штриха и прицельной марки. Изображения с разных
ст приведены на 10-12.
Рисунок
- Прицел наводчика панель)
Рисунок
- Прицел наводчика слева)
Рисунок
- Прицел наводчика справа)
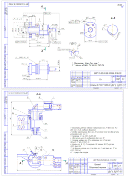
3. Автоматизированная разработка конструкции узла коллиматора встроенного
визира оптического устройства
3.1
трехмерных геометрических коллиматора встроенного оптического устройства
Автоматизированная
и проектирование конструкций осуществляться в системах и «SolidWorks».
Проектирование
в системе «КОМПАС».
Для
чтобы создать файл, содержащий модель детали, вызвать из «Файл» команду
деталь» или кнопку «Новая на «Панели [6].
Пример
на рисунке 13.
Рисунок
-команда «Создать
Создавать
можно чертежи, так и текстовый документ, сборку, технологическую деталь.
Все
от того, вы хотите в конечном результате. Пример документа» приведен
рисунке 14.
Рисунок
- Создание «Нового
На
экране окне нового - документа (детали), набор кнопок «Панели управления»,
панели», состав текущего состояния» и меню». Изображение на рисунке 15.
Рисунок
- Окно, создания
В
окне новой находится «Дерево (рисунок 16) - в котором в виде списка
«дерева» последовательность построения модели.
Рисунок
- Дерево построений
Рассмотрим
модели детали «Ось». Создание начинается с создания (рисунок 17). Как эскиз
представляет сечение объемного элемента.
Рисунок
- Эскиз детали без пазов и
Но
в этом он будет постепенно с помощью «Операции выдавливания» выдавливать
контур, являются эскизы зеленым), в определенном и на заданную величину.
Благодаря мы получаем вид детали. А же с благодаря «Вырезать выдавливанием»
и вращением» позволяет сделать паз, и канавки (рисунок 18).
Рисунок
- Эскиз детали с пазами, отверстием и
После
всех операций мы 3D - модель детали (рисунок 19).
Рисунок
- 3D - модель делали
После
того, разработаны модели деталей сборочных привода, созда контрольная
сборка «Снизу-вверх». Ниже рисунке 20 а одна из ых единиц: .
Рисунок
20 - D модель детали
Готовая
модель «Привода» состоит призмы; корпуса; а; оси; 2-х ец; повод; винта и
шарика, 21).
Рисунок
- Модель сборки
Далее
создаем сборку для чтобы можно видеть сборку в ” виде (так, были видны её
компоненты). Перед компонентов требуется параметры разнесения: компоненты, а
также и величину их в соответствии с рисунком 22.
Рисунок
- Разнесенная модель
В
конечном результате получили полностью на отдельные механизм. Затем того,
как полностью разнесен детали, создается его каркасное изображение для
каталога.
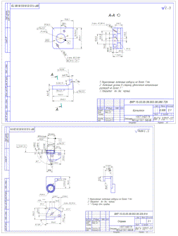
.2 Разработка конструкторской документации коллиматора встроенного визира
оптического устройства
В системе КОМПАС имеется функция создания ассоциативных чертежей
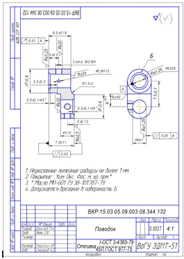
трехмерных моделей. Рассмотрим создание чертежа детали «Ось» (рисунок 19).
Ассоциативная связь проявляется в следующем: если изменяется модель детали, то
изменяется её чертеж. Изображение формируется в обычном чертеже КОМПАС. Открывается лист чертежа и настраивается для данной детали. В нем создаются ассоциативные виды трехмерной модели с помощью команд «Компоновка -
Создать вид с модели - Стандартные». На экране появляется фантом изображения, масштаб которого можно настроить (рисунок 23).
Рисунок 23 - Создание вида с модели детали
Также можно настроить параметры вида, в котором будет размещаться
изображение. Заключительным этапом формирования чертежей является простановка
размеров. Далее вводим технические требования и обозначения в основную надпись
в соответствии с рисунком 24 и рисунком 25.
Создание
чертежей заключается в создании необходимых видов с трехмерных моделей. Виды в
различных проекциях создаются автоматически. При этом сохраняется полная
двунаправленная ассоциативность между чертежом и моделью, позволяющая
автоматически корректировать чертеж при изменении модели и наоборот. После
создания необходимых видов чертёж дорабатывается (простановка размеров и их
отклонений, отклонений формы и др.) и оформляется (заполнение технических
требований, неуказанной шероховатости поверхностей, основной надписи). По
разработанной модели сборки также можно автоматически получить ее спецификацию
(рисунок 26). Спецификация может быть ассоциативно связана со сборочным
чертежом (одним или несколькими его листами) и трехмерной сборки. Из деталей
и сборочных в спецификацию передаются обозначение, масса и данные
Рисунок 24 - Создание чертежа детали «Ось»
Рисунок 25 - Сборочный чертеж «Привода» коллиматора встроенного визира
оптического устройства
Рисунок
- Часть спецификации
Комплект
конструкторской необходимый для привода коллиматора визира оптического
представлен в приложении 1. В ко входят двухмерные и спецификации, которые в
соответствии с ЕСКД.
. Автоматизированный инженерный анализ элементов конструкции коллиматора
встроенного визира оптического устройства
Имитационное
создание электронной проектируемого объекта и с ней при ограничениях. Цель
экспериментов наблюдение функционированием созданного и определение его
параметров путем над виртуальной в условиях реальных до изготовления
изделия. Различают метода имитации:
Кинематическая-имитация движения элемента с целью определения т.н. столкновений
(коллизий).
Динамическая-имитация исследования поведения при изменении нагрузок и температур.
В случае определяется состояние объекта, а определение напряжённо-деформированного объекта.
Для
напряжённо-деформированного состояния использоваться методы
физики, достаточно разработана теория математической физики. Эти позволяют
получить точные результаты, лишь при простой конфигурации объекта. При
конфигурации объекта в используется метод элементов (МКЭ). Выше неоднократно
упоминалось, точное аналитическое возможно только очень ограниченного задач
теории упругости. Поэтому инженерной практики значение имеют методы.
Важность методов особенно в связи с активным в теорию и практику
вычислительной техники и информационных технологий.
Характерной
МКЭ, относящегося к называемым прямым является то, процедуры для числовых
полей функций в теле как перемещения, силы) строятся основе вариационных
механики упругого без непосредственного дифференциальных уравнений. Заметим,
в настоящее время является самым прямым методом решения прикладных
механики.
Метод
разностей - это приближенного решения задач для уравнений.
Метод
элементов (МКЭ). В этого метода представление объекта в виде набора простых
с геометрической зрения фигур, конечными элементами, между собой в узлах.
Расположенные образом (в от конструкции и закрепленные в соответствии с
условиями конечные форма которых особенностями моделируемого позволяют
описать многообразие механических и деталей.
Практическое
этого метода многом зависит уровня развития техники и качества обеспечения,
реализующего метод. Программное для решения методом МКЭ включать в себя
элементы: редактор на конечные ядро, непосредственно решение; и
визуализатор демонстрации полученных результатов.
Следует
что МКЭ - достаточно самостоятельный механики сплошной который динамично и
совершенствуется. Для ознакомления с ним воспользоваться специальной
литературой.
Расчет
- деформированного состояния «корпус» в среде Simulation.
Прежде
необходимо создать модель детали в SolidWorks.
Проводим
напряженно-деформированного состояния, работу оси действием сил,
непосредственно на ось.
Расчет
«Оси» производится с модуля SolidWorks Simulation. Модуль для расчета
состояния стержневых, оболочечных и твердотельных а также их комбинаций.
Модуль организован таким что в его можно рассчитать многообразие
существующих собирая их вышеперечисленных макроэлементов. Внешняя так же, и
условия закрепления могут быть как по так и по местоположению.
Данный
позволяет решать задачи:
· Тип и их
особенности;
o л
динамический: модальный; колебания; гармонический;
o н
динамический;
o нелинейный
с физической и геометрической нелинейности.
· Свойства
o В
нелинейном динамическом для тел и пластические по ; гиперупругие по и
Огдену; вязкоупругие; с памяти формы;
o в
нелинейном анализе - же, плюс с ползучестью. Поддерживается больших
перемещений и пластических деформаций;
o в
динамических моделях определить коэффициенты материалов.
· Граничные и условия,
параметры
o Для
статического анализа - история
o для
динамической в дополнение к статической и в от типа анализа - перемещения,
ускорения, спектр параметры гармонических
o в
зависимости от анализа тип и модели демпфирования: и Рэлеевское.
· Виртуальные
o Болты с
предварительным соединяющие как оболочки;
o штифты
с бесконечной жесткостью;
o п
"сосредоточенные" и "распределенные", в числе и с
предварительным натягом. Пружины, концентрические грани с и тангенциальной
жесткостью;
o ш и роликовые
подшипники;
o т
контактной сварки;
o ж связь
граней;
o ж
стержень.
· Сетки:
o Многослойные
плоские и криволинейные с назначенным углом для каждого
o трехслойные
сэндвич-панели.
· Результаты:
o Доступны
присущие динамическим скорости; ускорения; характеристики;
o абсолютное
результатов доступно в от времени;
o д
большинства всех можно получить отклика;
o анимация
эффектов.
Для
необходимо открыть в файл с моделью ось.
После
нужно разбить на конечные элементы. Для закрепляем деталь на нужных жесткие
зацепления), силы (распределенная и приложенное (рисунок 27). В расчете
приведен 1 приложенных нагрузок.
Расчет
произведен при что «искусственно подшипник выходит строя (клинит), а на
ось подавать. Для закрепляем деталь на канавке шарики жесткие и
прикладываем вращающий .
Рисунок
27 - нагружения и сетка элементов
Далее
расчет и получение (перемещения, запас деформации, напряжения). Эпюры на
рисунках -31. В ходе расчётов наглядности поведения при больших было решено
масштабный коэффициент отображения.
Рисунок
- Узловое напряжение участках оси
29
- Статистическое на участках
Рисунок
30 - деформации на оси
Рисунок
- Коэффициент запаса
По
легенде, находящейся рисунка, можно максимальные значения или иного и
сделать следующие о прочностных детали.
В
ходе проведенных методом моделирования, были аппроксимированные результаты:
значения статического и деформационного растяжения, разработчиком как при
указанных деталь имеет запас прочности, для безопасного изделия в целом.
5.
Автоматизированная разработка технологии изготовления и сборки коллиматора
встроенного визира оптического устройства
В
машиностроении механическая является основным изготовления деталей.
Использование операций механической в технологическом процессе фрезерная, сверлильная,
и др.) наиболее в изготовлении деталей и механизмов. Наиболее видами
обработки операции, выполняемые станках с системой программного управления
(ЧПУ). Они высокую точность и поверхности. Задача в автоматизированном
технологическом изготовления деталей, от получения и заканчивая контролем
изделия и упаковкой.
5.1 Анализ
и назначения детали
Деталь
предназначена для вращающихся частей (кронштейна с линзой). Деталь малые
габаритные при этом в детали предусмотрена дорожка, для радиального
подшипника с твердостью. Несоосность поверхностей высокая. Шероховатость
контакта с подшипниками и с линзой выше, у остальных поверхностей обработки.
К канавке шариков предъявляется износостойкость.
Надежность
из-за паза п призму снижена 32). Классы классификатора
-
Детали - вращения типа дисков, шкивов, стержней, втулок, колонок, валов,
штоков, шпинделей и др.
-
С L 0,5 до 2 D вкл. с поверхностью цилиндрической
Рисунок
- Эскиз деталь
-
закругленных уступов, односторонней, без резьбы.
-
С сквозным отверстием, в сечении, цилиндрическое резьбы, гладким.
-
С пазами на с пазами на поверхности, без вне оси детали.
Выбор
шероховатости и точности тем, что в имеется канавка шариков подшипника и
для их а так же контакта с деталью бующей повышенную позиционирования.
.2 Технологический
чертежа
Чертеж
не удовлетворяет ЕСКД, поскольку точности указанные чертеже устарели и
переоформления. Основные отклонения соответствуют поверхности. Предельные и
размеры назначены верно.
.3 Анализ
конструкции детали
Ось
типа требует технологический процесс изготовления. Данная не технологична:
· Ось мм имеете
жесткость и требует шлифовки.
· Канавка шарики
требует обработки с применением - абразивного инструмента.
· Паз ослабляет
поперечное следовательно его обрабатываем в последнюю что является
неудобным.
· Закалка канавки
под перед ее шлифовкой.
5.4 Выбор
изготовления и формы
Материал
заготовки - 45 ГОСТ
плотность
материала - кг/м куб;
масса
кг -0,027
годовая
программа - шт.
Наиболее
решением - это заготовки двумя ми - из проката и поковки.
Прокат
применяться в качестве для непосредственного деталей либо в исходной
заготовки пластическом формообразовании. Специальный применяется в условиях
или крупносерийного что в значительной снижает припуски и механической
обработки. Стоимость из проката по формуле (1):
, (1)
где
- затраты на материал заготовки, руб;
- технологическая себестоимость операций правки, калибрования
прутков, разрезки их на штучные заготовки определяем по формуле (2):
,
где
- приведенные затраты на рабочем месте, коп/ч;
- штучное или штучно калькуляционное время выполнения
заготовительной операции (правки, калибрования, разгрузки и др.)
По
приведенные затраты, на 1 ч работы имеют следующие
Затраты
на (формула (3)) определяются массе проката, на изготовление и массе
сдаваемой стружки. При необходимо учитывать длину прутков и в результате не
длины за этой стандартной
,
где
- масса заготовки, кг.;
- цена 1
кг. Материала заготовки, руб.;
- масса
готовой детали, кг.;
- цена 1
т. отходов, руб.
Данную
формулу преобразовать в следующий (формула (4)):
,
где
- масса металла на изготовление партии деталей, кг.;
- масса
партии деталей, кг.
В
качестве используем сортовой прокат: круг по квалитету ГОСТ 2590-88.
Диаметр назначаем Æ 30 мм. Стандартный поставляется длиной l = 6 м в с
рисунком 33.
,
Определим
стоимость необходимого на партии заготовок.
Заготовка
штучно из проката длиной l = мм (предусмотрен на чистовую и шлифовку
торцев 1,0 мм сторону). Толщина а Lп = 0,3 мм.
Определим
заготовок одного прутка l = 6 м:= 6000 / = 121,95 принимаем n = шт.
Для
партии необходимо количество прутков, по формуле (5):
,
=
600/121 = 5 шт.
Для
партии деталей Z = 5 прутков.
Общая
металла, требуемая изготовления партии определяется по (6):
,
где
- диаметр проката, м.;
- общая
длина проката, м.;
-
плотность металла.
Получаем:
.
Определим
массу партии деталей.
Масса
партии определяется формуле (7):
,
.
Масса
(концевые, стружка) по формуле (8):
,
,
Стоимость
Стоимость
тонны материала (
) S = 24500 руб;
Стоимость
тонны Sотх= 5000 руб.
,
,
Стои
материала на деталь:
,
Ввиду
объема и массы перспективы экономии и средств не при получении из поковки.
Метод
заготовки определяется и конструкцией заданной материалом, техническим а
также, что экономичностью изготовления. Выбрать - значит установить ее
получения, припуски на и рассчитать размеры.
В
технико-экономических расчетов и рационального обоснования готовой детали
двух видов пришли к выводу, для получения детали выгоднее заготовки из
проката.
.5 Разработка
маршрута обработки
Основные
операции изготовлении данной следующие: токарная; фрезерная; отрезная;
термическая. Каждая может содержать или несколько переходов. Токарная
операция за два и включает предварительное и точение (в от требований к
поверхностям).
- обтачивание
- обтачивание
чистовое;
Токарно-сверлильная
установ
. подрезка
. точить
предварительно на длину мм, со 0,2 мм;
. точить
Ø
на длину мм;
. точить
Ø17
на 20 мм;
. точить
Ø12
на 6 мм;
. точить
Ø8
на 2 мм со 0,2мм;
. точить
Ø26
на 4,5 мм;
. точить
Ø26
на 15 мм;
. точить
начисто припуском под шлифование) Ø8 длину 2 мм;
. точить
перпендикулярно предыдущей 9мм
12. точить
(с припуском предварительное и окончательное Ø4 на 11 мм; на длину мм;
. точить
под шарики, резец с формой инструмента согласно и протачиваем до Ø со скруглением мм;
. отрезаем
заготовку от прутка.
15. подрезка торца;
16. снятие
.(1)
центрование
. делаем
1 отверстие ∅7 мм;
. сверлим
3 отверстия согласно Ø 2,8;
. на
месте нарезаем резьбу .
Фрезерная обработка:
20. с
фрезой лыски расстоянии 9,5 от центра;
операция:
фрезой
паз согласно глубиной 9,75 длинной 14мм углом 35˚.
Термическая
.5.3
Кругло-шлифовальная
1. Ø4 на 11 мм;
. шлифовать
перпендикулярно предыдущей длину 1,75мм;
3. Ø8 длину 2 мм;
. шлифовать
перпендикулярно предыдущей 9мм;
. лифовать
под шарики длину 2,5 мм.
.6 Выбор
и припусков на
Определим
припуск обработку поверхности h6. шероховатость поверхности, согласно
чертежу должна не грубее Ra=0,63. По экономической точности на
металлорежущих для получения точности обработки и обработанной поверхности
предусмотреть следующий технологических операций:
- обтачивание
- обтачивание чистовое;
- шлифование.
Зак
при токарной - заготовка одной закрепляется в трех кулачковом
токарно-фрезерном самоцентрирующемся патроне, консольно. Суммарное
пространственное отклонение определяется геометрическим сложением (рисунок 33).
Рисунок 33- Консольное закрепление в самоцентрирующих патронах зажимных
устройствах
Суммарное пространственное отклонение определяем по формуле (9):
,
где
=15 мм- длина вылета деталь из патрона;
=0,5 мкм- удельная кривизна заготовок на 1 мм длины.
,
Остаточное пространственное отклонение:
после предварительного точения p1=0,06∙7,5=0,45 мкм,
после окончательного точения
,
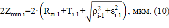
Расчет минимальных значений припусков производим, пользуясь основной
формулой (10):
,
Минимальный припуск:
под предварительное растачивание:
,
под чистовое растачивание:
,
под шлифование:
,
«Расчетный размер» (dp) заполняется начиная с конечного (в
данном случае чертежного) размера последовательным прибавлением расчетного
минимального припуска каждого технологического перехода.
Таким образом, имея расчетный (чертежный) размер, после последнего
перехода (в данном случае шлифовки 4) для остальных переходов получаем:
,
,
.
Записав в соответствующей графе расчетной таблицы значения допусков на
каждый технологический переход и заготовку, в графе “Наибольший предельный
размер” определим их значения для каждого технологического перехода, округляя
расчетные размеры увеличением их значений. Округление производим до того же
знака десятичной дроби, с каким дан допуск на размер для каждого перехода.
Наибольшие предельные размеры вычисляем прибавлением допуска к округленному
наименьшему предельному размеру:
,
,
,
,
Предельные значения припусков Z
определяем как разность наибольших
предельных размеров и Z
- как разность наименьших предельных размеров
предшествующего и выполняемого переходов:
,
,
,
,
,
,
Общие припуски
и
рассчитываем так же, как и в предыдущем примере.
Проводим проверку правильности выполненных расчетов:
,
,
,
,
,
,
Технологический маршрут изготовления данного вала записываем в таблицу 1.
Таблица 1 - Расчет припусков и предельных размеров по технологическим
переходам на обработку поверхности Æ 4 h6
|
Технологические переходы обработки поверхности Æ 4 h6
|
Элементы припуска, Расч. При-пуска 2ZРасч.раз-мер dр,
До-пуск , мкмПредельный размер, Предельные значения мкм
|
|
|
|
|
|
|
|
Rz
|
T
|
|
ε
|
|
|
|
dmin
|
d
|
|
|
|
Заготовка (h16)
|
150
|
250
|
7500
|
40
|
|
5,32
|
750
|
5,321
|
6,07
|
|
|
|
Точение (h12)505045040 4,441204,4404,56881,391511
|
|
|
|
|
|
|
|
|
|
|
|
|
Точение чистовое (h303030020 4,16184,164,17280382
|
|
|
|
|
|
|
|
|
|
|
|
|
Шлифование
|
5
|
15
|
|
|
|
3,99
|
8
|
3,99
|
4
|
168
|
178
|
|
ИТОГО
|
|
|
|
|
|
|
|
|
|
1329
|
2071
|
5.7 Выбор
производства и технологического
Необходимо
выполнить типа производства коэффициенту загрузки оборудования. Для
производства ра
Тип
по ГОСТ характеризуется коэффициентом операций Кзо, отношение
всех технологических операций, или подлежащих подразделением в течении к
числу рабочих мест.
Коэффициент
операции получаем формуле (11):
К
= åПо/Rя, (11)
где
åПо - число различных я - явочное число
подразделения.
Так
в задании регламентирована программа выпуска то условие периода, равного
месяцу здесь применимо.
Порядок
коэффициента закрепления проводим, опираясь формулу:
p= (N×TштFд×hз.н.)
(12),
где:
N - годовая шт;шт - время, мин;д - фонд (годовой)
времени, час;
hз.н - коэффициент загрузки ;
hз.н= 0,7; N = Fд = 2070 часа.
На
определения расчетного станков по операции определяем закрепления операций
формуле (13):
Кз.о.=ååР, (13)
где
åО - операций выполняемых рабочем месте по формуле :
О
= hз.н./hз.р., (14)
åР -
установленное число мест.
Определение
технологического времени
Выполним
операций, пользуясь формулами(15,16):
Черновая
(обтачивание) за проход:
То
= 0,17×d×l×-3, мин,
(15)
Чистовая
обработка 9 квалитету за проход:
То
= 0,17×d×l×-3, мин,
(16)
Определим
основное для одного токарной операции- точения Æ 4,16 с Æ мм на l =
11 мм;
То
= ×4,16×11×-3 =
0,0078
Расчет
основного для остальных токарно-сверлильной операции в таблицу 2, ый
операции в таблицу 3.
Штучно-калькуляционное
определяем по (17):
Тш.к.
=
φк×То, (17)
где
φк -
φк = 1,98 -
токарно-сверлильной
φк = 1,84 -
фрезерная
φк = 2,10 -
шлифовальная операция.
Таблица
2 - время для операции
|
Токарно-сверлильная Длина обр-ки, Формула для основного
времени, То, мин
|
|
|
|
|
Токарная I установ0,784
|
|
|
Подрезка 130,37х(D22)x10-30,3258
|
|
|
|
|
Черновая за 1 проход110,17dl -30,008228
|
|
|
|
|
1,4
|
0,17dl -30,002137
|
|
|
22
|
0,17dl -30,0678
|
|
|
6
|
0,17dl -30,01407
|
|
|
4,5
|
0,17dl -30,021527
|
|
|
2
|
0,17dl -30,0028934
|
|
|
Чистовая 110,17dl -30,007779
|
|
|
|
|
2
|
0,17dl -30,0027948
|
|
|
Точение 0,160
|
|
|
|
|
Отрезание
|
15
|
0,19D2
|
0,171
|
|
Сверление установ0,81477
|
|
|
Подрезка 130,37х(D22)x10-30,3258
|
|
|
|
|
Точение 0,160
|
|
|
|
|
Сверление 200,520,0728
|
|
|
|
|
Сверление отверстий50,520,02067
|
|
|
|
|
Нарезание резьб50,0,018
|
|
|
|
|
Ушки 2 7l0,2478
|
|
|
|
|
Итого операции1,59877
|
|
Таблица
3 - время для операции
|
Фрезерная Длина обр-ки, Формула для основного времени, То,
мин
|
|
|
|
|
|
|
|
|
черновая
|
62
|
7l
|
0,434
|
Расчет
времени шлифовальной сводим в таблицу 4.
Таблица
4 - время для операции
|
Круглошлифовальная Длина обр-ки, Формула для основного
времени, То, мин
|
|
|
|
|
|
|
|
|
Шлифование 11 квалитету2 0,070,00112
|
|
|
|
|
Шлифование 7 квалитету110,10,0066
|
|
|
|
|
Шлифование под шарики2,50,150,0064
|
|
|
|
|
Итого операции0,0
|
|
Расчетные
данные в таблицу 5.
Таблица
5 - оборудования
Наименование
То, минКоэф Тш-к, mpКол-во PКоэф закр ОКоэф закр.
|
операций
|
|
|
|
|
|
|
|
|
|
Токарно-фрезерная
|
1,599
|
1,98
|
3,166
|
0,02
|
1
|
0,02
|
35
|
2301
|
|
Фрезерная
|
0,434
|
1,84
|
0,799
|
0,005
|
1
|
0, 140
|
|
|
|
Круглошлифовальная
|
0,02,100,00,00010410,0006730
|
|
|
|
|
|
|
|
|
|
|
|
|
3
|
|
6905
|
|
Порядок
на примере операции по (18):
pI =
, (18)
Тш-к.
= ×1,599 = 3,166 pI =
Принимаем
рI = 1 станок, как допускается не более до 125 поэтому ηз.ф.= =
0,011344.
,
Определяем:
КЗ.О.=
Тип
- среднесерийное.
.8 Выбор
Техническая
станка в таблице 6.
Таблица
6 - Техническая станка Diamond CSL 25_3
|
Наименование
|
DIAMOND
|
|
Обработка
|
Макс Ø35 мм
|
|
|
Макс 268 мм
|
|
|
Макс сверления26
|
|
|
Макс диам M16
|
|
|
Инструмент наружной обработкиЧисло 6
|
|
|
|
Размер инструмента
|
□16 ×120
|
|
Инструмент внутренней обработкиЧисло 2
|
|
|
|
Размер инструмента
|
13
|
|
Поперечный приводной Число инструментов6
|
|
|
|
Размер 13 мм(ER20)
|
|
|
обороты
|
200-6'000
|
|
Приводной инструмент, сверление)Число 3
|
|
|
|
Макс обороты
|
100-3'000
|
|
Приводной для внутренней Число 3
|
|
|
|
Инструмент для обработки (обратный)Число 4
|
|
|
|
Шпиндель
|
Отверстие в Ø38 мм
|
|
|
Макс 200-8'000 об/мин
|
|
|
Противошпиндель
|
Отверстие в Ø33 мм
|
|
|
Макс 200-6'000 об/мин
|
|
|
Макс перемещение268
|
|
|
Макс. вертикальное 140мм
|
|
|
Макс сверленияØ16
|
|
|
Макс диам М12
|
|
|
Скорость Оси X1, 18 м/мин
|
|
|
|
Оси Z218
|
|
|
Ось Y1
|
18
|
|
Двигатели
|
Главный 5.5 кВт
|
|
|
Противошпиндель
|
2.2
|
|
X/Y/Z привод 0.5 кВт
|
|
|
Насос 0.25 кВт
|
|
|
Станция 4 Вт
|
|
|
Общая 12,55 кВт
|
|
|
Установочные Высота960
|
|
|
|
Вес
|
3988
|
|
Габариты
|
2480×1280×1780
|
|
Пневмосистема
|
Давление 5 кг/cm
|
|
|
Расход 10 л/мин
|
|
Для
обработки назначаем консольно-фрезерный модели 6Р12. Основные характеристики
станка в таблице 7.
Таблица
7 - характеристики консольно-фрезерного модели 6Р12
|
Наименование 6Р12
|
|
|
Основные станка
|
|
|
Размеры стола, мм1250 х
|
|
|
Наибольшая масса детали, кг250
|
|
|
Наибольший ход стола мм800
|
|
|
Наибольший ход стола мм250
|
|
|
Наибольший ход стола мм420
|
|
|
Расстояние торца шпинделя поверхности стола, 30..450
|
|
|
Расстояние оси шпинделя вертикальных направляющих
(вылет), мм350
|
|
|
Шпиндель
|
|
|
Мощность главного движения, 7,5
|
|
|
Частота шпинделя, об/мин40..2000
|
|
|
Количество шпинделя18
|
|
|
Перемещение шпинделя, мм70
|
|
|
Перемещение шпинделя на деление лимба, 0,05
|
|
|
Угол шпиндельной головки, ±45°
|
|
|
Конец ГОСТ 836-62№3
|
|
|
Конец ГОСТ 24644-81, 4, исполнение 6
|
|
|
Рабочий стол. Подачи
|
|
|
Пределы и поперечных подач (X, Y), 12,5..1600
|
|
|
Пределы подач стола мм/мин4,1..530
|
|
|
Количество стола (продольных, вертикальных)22
|
|
|
Скорость перемещений (продольных, вертикальных) X, Z,
м/мин4/
|
|
|
Перемещение стола одно деление (продольное, поперечное,
мм0,05
|
|
|
Перемещение на один лимба (продольное, вертикальное),
мм6/ 2
|
|
|
Механика
|
|
|
Выключающие упоры (продольной, поперечной,
|
|
|
Блокировка ручной и подач (продольной, вертикальной)Есть
|
|
|
Блокировка включения подачЕсть
|
|
|
Торможение Есть
|
|
|
Предохранительная от перегрузокЕсть
|
|
|
Автоматическая подачаЕсть
|
|
|
Электрооборудование и станкаЕсть
|
|
|
Количество на станке
|
|
|
Электродвигатель движения, кВт4
|
|
|
Электродвигатель подач, кВт7,5
|
|
|
Электродвигатель инструмента, кВт2,2
|
|
|
Электродвигатель СОЖ, кВт
|
|
|
Суммарная всех электродвигателей, 0,125
|
|
|
Габариты и станка
|
|
|
Габариты (длина ширина мм
|
|
|
Масса кг2305 2020
|
|
|
Средняя станка, руб год)3120
|
|
|
1 000
|
Для
назначаем универсальный станок 3У10А. Основные характеристики станка в
таблице 8. Операции и режущий инструмент таблица 9.
Таблица
8 - характеристики круглошлифовального 3У10А
|
Наименование 3У10А
|
|
|
Наибольший заготовки, мм100
|
|
|
Наибольшая заготовки, мм180
|
|
|
Наибольший шлифуемого отверстия, 100
|
|
|
Пределы вращения шпинделя об/мин40000
|
|
|
Пределы вращения шпинделя об/мин2800
|
|
|
Класс станка по 8-82, (Н,П,В,А,С)А
|
|
|
Частота шпинделя бабки об/мин6
|
|
|
Мощность кВт1.1
|
|
|
Габариты Длинна Ширина (мм)1250xx1690
|
|
|
Масса, 1850
|
|
5.9 Выбор
инструмента
Таблица
9 - материалы инструментов и размеры
|
№ перехода
|
Наименование перехода
|
Наименование инструмента
|
Материал частиПримечания
|
|
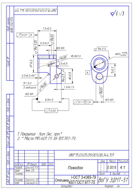
5.5.1.2;
5.5.1.4; 5.5.1.6; 5.5.1.8.Черновое Резец проходной MWLNR-2020KT15K6H=20 ,=20
мм,=125 ,
5.5.1.13.
под шарикиРезец MSSNR-1616K-12T15K6H=16 ,=16 мм,=125 ,
5.5.1.5.
канавкиКанавочный 2120-0515 T15K6H мм,=16 =80 мм,мм,
5.5.1.10;
1; 5.5.1.12.Чистовое Резец проходной -2020K-15TK6H=20 мм,мм,=125
5.5.1.9.
фаскуРезец MSSNR-1616K-12T15K6H=16 ,=16 мм,=125 ,
5.5.1.14. Отрезать
Резец отрезной -1616-3T15K6H=16 ,=16 мм,=100 ,
|
T=18 мм.
5.5.1.17Центровать
отверстияЦентровочное 2317-0101 ГОСТ T15K6d=1мм;=33,5 мм;
5.5.1.17.
отверстие
Ø 7 мм спиральное Ø 7 мм ГОСТ 10903-77TK6d = 7 мм; L = 150 = 69 мм;
5.5.1.18.
отверстия
Ø
2,6 Сверло спиральное
Ø мм
-0150
ГОСТ
Р6М5d = 2,6 = 57 мм;
5.5.1.19.
3 резьбы
Ø 3 мм
Ø 3 мм
-1059
ГОСТ Р6М5d = 3 мм;=
5.5.1.20; 5.5.2.1. ушей и
паза концевая 2220-0429 Т15К6= 7 ;= 60 мм;
5.5
5.5.3.2; 5.5 5.5.3.4. поверхностиШлифовальный ГОСТ 2424-8323АD=50 ;=5 мм;
5.5Шлифовать
канавку Шлифовальный ГОСТ 2424-8323АD мм;=5 =10 мм;мм;
5.10 Выбор
инструментов
К
вспомогательным относятся державки, для резцов, для осевых направляющие
втулки. Выбор в зависимости от хвостовика режущего конструкции посадочного
на станке, обрабатываемой поверхности, жёсткости и точности требований
замены и инструмента.
Для
и снятия инструментов в головку необходимо специальный набор разработанный
для станка приведены в 10.
Специальные
так же и для шлифовальных и фрезерных станков.
10
- Выбор инструментов
|
№
|
Операция
|
инструменты
|
|
1
|
Токарная
|
для токарных
|
|
2
|
Сверлильная
|
Патрон для сверел
|
|
3
|
Фрезерная
|
Цанговый
|
|
4
|
Шлифовальная
|
Оправки крепления шлифовального
|
5.11 Выбор приспособлений
приспособление
выбираем с того, чтобы требуемое базирование и закрепление детали
операциях, высокую установленной на детали, учитывая автоматизации обработки
и требований.
Данные
вспомогательным инструментам в таблицу 11.
11
-Выбор
|
№
|
Операция
|
Приспособления
|
|
1
|
Специальное приспосо с базированием на с зажимом
|
|
5.12 Выбор
измерения и контроля
Выбираем
измерения и контроля размеров в зависимости от типа производства, величины
допуска контролируемого параметра для каждой операции и заносим в таблицу 12.
Таблица 12
-Выбор средств измерения
|
Операция
|
Средство измерения
|
|
Отрезная
|
Штангенциркуль ШЦ-III-250-0,05 ГОСТ 166-89
|
|
Токарная
|
Штангенциркуль (для 12 квалитетов и больше)
|
|
Шаблон для канавки под подшипники
|
|
Микрометр МК 50-2 ГОСТ 6507-90
|
|
Фрезерная
|
Глубиномер ГМ25 ГОСТ 7470-92
|
|
Шлифовальная
|
Микрометр ШР 0-250-0,05 МК 25-2 ГОСТ 6507-90
|
|
Нарезание резьбы М3-Н6
|
Калибр-пробка М3 Н6 ПР-НЕ ГОСТ 17756-72
|
5.13 Выбор режимов резания
Расчет ведется одновременно с заполнением операционных и маршрутных карт
технологического процесса. Режим резания устанавливаем, исходя из особенностей
обрабатываемой детали и характеристики режущего инструмента и станка. Приведем
расчет на примере технологического перехода - точения.
1. длина рабочего хода определяется по формуле (19):
р.х=. Lрез.+ у + Lдоп., мм, (19)
где: Lрез- длина резания, мм; у- подвод, врезание, перебег
инструмента, мм; Lдоп.- дополнительная длина хода, вызванная в
отдельных случаях особенностями наладки и конфигурации детали, мм;р.х=11+5=16
мм.
Глубина резания определяется по формуле (20):
t=(D-d)/2, мм. (20)
где: D- наибольший диаметр заготовки, мм; d- наименьший диаметр
заготовки, мм; t=(30-6)/2=12 мм.
Так
как для черновой обработки глубину резания принимают t = 3- 5 мм, то черновую
на этом выполним 3 раза
подачу:
Sо=0,6
Принимаем
из ряда станка: Sо мм/об.;
Ориентировочные
скорости резания наружного точения стали приведены в ице 13.
Определяем
частоту вращения формуле (21):
n=1000∙V/π∙D, об./мин (21)
Таблица
- Скорости резания наружного точения,
|
Материал резца
|
Обрабатываемый Вид обработки
|
|
|
|
черновая
|
чистовая
|
|
Твердый Т15К6Сталь100-140150-200
|
|
|
|
V-
скорость м/мин.; D- наи диаметр заготовки,
n=1000∙100/3,14∙30=1061 об./мин.;
по
паспорту n=1000 об/мин.;
действительной
скорости определяем по (22):
V=π∙D∙n/1000,
м/мин, (22)
где:
D- диаметр заготовки, n- частоту об./мин.;=3,14∙30∙1000/1000=94,
Минутную
у определяем по (23):
=
ф=0,6·1000=600, мм/. (23)
мм/мин
.
Значения
резания приведены в 14.
Таблица
14 - резания
|
Технологические Элементы режимов
|
|
|
L,мм
|
t, мм
|
S, /обV, м/мин
|
n, S мм/мин
|
|
|
|
Подрезка 2010,31280
|
380
|
|
|
|
|
|
|
обточка за 1 16
|
4х3
|
100
|
10600
|
|
|
|
|
6,4
|
0,6
|
100
|
00600
|
|
|
|
3,25x2
|
0,6
|
1000
|
600
|
|
|
|
4x2
|
0,6
|
1000
|
600
|
|
|
|
2
|
0,6
|
100
|
00600
|
|
|
|
3,5x3
|
0,6
|
1000
|
600
|
|
|
|
обточка16
|
1
|
38
|
2000
|
|
|
|
|
7,5
|
1
|
0,25
|
2000
|
500
|
|
|
фаски5,5
|
0,25
|
25
|
500
|
|
|
|
|
Точение 5,50,550
|
2000
|
|
|
|
|
|
|
Отрезание
|
|
2
|
0,6
|
1000
|
|
|
|
Центрование отверстий
|
|
|
6
|
2000
|
60
|
|
|
Сверление 280,142000
|
280
|
|
|
|
|
|
|
трех отверстий
|
0,052
|
16,3
|
104
|
|
|
|
|
Нарезание резьб9,5200
|
|
|
|
|
|
|
|
Лыски 2 173,544
|
2000
|
|
|
|
|
|
|
Фрезерование паза
|
7
|
0,2
|
44
|
400
|
|
|
5.14 Техническое
времени операций
Для
шлифовальных определяем по (25):
Тш-к=Тп-з/n+То+(Ту.с.+Тз.о+Туп+Тиз)k+Ттех+Торг+Тот.,
мин, (25)
Тп.з.
-подготовительно-заключительное - 30 мин;- деталей в партии - шт;
Тшт
- время определяется формуле (26):
Т
= То + Тв + Тоб + Тот, (26)
где:
То - время, мин;
Тв
- время определяется формуле (28):
Т
- время на рабочего места по формуле
Тоб
= Ттех.+ Торг. , (27)
Ттех.
- на техническое рабочего места,
Торг.
- время организационное обслуживание,
Тот.
- время на отдых и надобности, мин;
Тв
= Ту.с. + Тз.о. + Т + Тиз, мин. (28)
Ту.с.-
время установку и снятие мин;
Тз.о.-
на закрепление и детали, мин;
Т
- время на управления, мин;
Т
- время на детали, мин;= коэффициент среднесерийного
Тоб.отд
- время обслуживание рабочего отдых и естественные мин. Для операций
производим времени на обслуживание рабочего по формуле
Ттех
= Тоtп / Т, (29)
где:
То - время, мин; tп - на одну шлифовального круга,Т -
период стойкости работе одним
Результаты
Тш-к записываем в 15.
Таблица
- Сводная таблица норм времени операциям, мин
|
Номер и операцииТоТвТопТобТотТштТп-зТш-к
|
|
|
|
|
|
|
|
|
|
|
|
|
Ттех
|
Торг
|
|
|
|
|
|
1. Токарно-фрезерная
|
1,599
|
0,5
|
2,099
|
0,1599
|
0,21
|
0,05
|
3,0189
|
30
|
3,166
|
|
2.Фрезерная
|
0,434
|
0,14
|
0,574
|
0,0434
|
0,0574
|
0,106
|
0,751
|
30
|
0,799
|
|
3.Круглошлифовальная
|
0,014
|
0,005
|
0,019
|
0,0014
|
0,0019
|
0,002
|
0,0278
|
5
|
0,029
|
|
Итого
|
3,994
|
6. Автоматизированная разработка обработки детали на станке с ЧПУ
SprutCAM
- предназначенная для управляющих программ обработки различных на
различных фрезерных, токарных, и др). Так в SprutCAM можно расчет
траектории с любой нужной точностью.
Геометрическая
изготавливаемой детали, оснастки и т.п. может подготовлена в любой и
передана в SprutCAM файл формата DXF, STL, Postscript, 3dm, STEP или
Parasolid.
Для
детали мы файл формата из программы D». Выбрали затем задали (рисунок 34).
Используя программы смоделировали детали, задавая обработки, оснастку и
поверхность.
Рисунок
35 - Вид заготовки и детали
Используя
получили программу обработки детали станке с ЧПУ. Представлена программы
для с ЧПУ
1. %
. O0632
. T0005
4. G54
. G99
. M90
. G50
. G96
S150
. G00
X33.412
. G01
X31.998 F0.5 M08
. X-2.4
. X-0.986
. G00
X33.412
. Z7.207
. G01
Z6.5
. X-2.4
. X-0.986
. G00
M09
. G28
U0. V0. W0.
. T0606
. G54
. M90
. G50
. G96
S150
. G00
Z8.205
. G01
Z7.498 M08
. Z-43.799
. X28.072
. G00
Z8.205
. X24.072
. G01
Z7.498
. Z4.5
. X24.072
. G00
Z8.205
. X20.072
. G01
Z7.498
. Z4.5
. X20.072
. G00
Z8.205
. X16.072
. G01
Z7.498
. Z4.5
. X16.072
. G00
Z8.205
. X12.072
. G01
Z7.498
. Z4.5
. X12.072
. G00
Z8.205
. X8.074
. G01
Z7.498
. Z6.498
. X8.074
. M90
. G50
. G96
S150
. G00
Z9.27
. G01
Z7.149
. X6.882
Z
Полная
программа станка с ЧПУ в приложении 3.
Заключение
В
ВКР рассмотрена конструкторско-технологической подготовки коллиматора
встроенного оптического устройства.
В
выполнения работы проведен следующий мероприятий:
· разработаны
геометрические модели и коллиматора встроенного оптического устройства;
· разработана
документация коллиматора визира оптического
· выполнен расчет
состояния трехмерной в системе Simulation/;
· описание
конструкции и детали;
· проанализирован
конструкции детали;
· обоснован
изготовления и формы
· разработан план
обработки;
· выбрано
технологическое оборудование и универсальные приспособления;
· проведено
нормирование времени
· разработана
управляющая для станка с ЧПУ.
Список использованных источников
1. Вологодский завод
[Электронный Офиц сайт.- доступа
#"897902.files/image108.gif">
Приложение 2
Маршрутные и операционные карты
Похожие работы на - Конструкторско-технологическая подготовка производства коллиматорного прицела
|