Установка листов 1-го ряда на резервуаре РВС-5000

  • Вид работы:
    Курсовая работа (т)
  • Предмет:
    Другое
  • Язык:
    Русский
    ,
    Формат файла:
    MS Word
    0
  • Опубликовано:
    2017-06-25
Вы можете узнать стоимость помощи в написании студенческой работы.
Помощь в написании работы, которую точно примут!

Установка листов 1-го ряда на резервуаре РВС-5000

СОДЕРЖАНИЕ

Аннотация

. Общая часть

.1 Климатологическое описание объекта

.2 Общие сведения об объекте

. Техническая часть

. Технологическая часть

.1 Подготовительные работы

.2 Технология выполнения работ

. Расчетная часть

. Техника безопасности при сооружении резервуаров

Заключение

Список литературы

Приложения


АННОТАЦИЯ

В курсовой работе предлагается установка листов 1 ряда на РВС-5000

В курсовой работе дана краткая характеристика состава работы по предлагаемой теме:

монтаж листов 1 ряда

выполнен расчет потребности сварочных материалов при выполнении сварочно-монтажных работ;

дано заключение о целесообразности выполнения данной работы с использованием новых, современных инструментов а также способов технологического монтажа.

Приведены:

чертеж схемы.

Предложены меры по технике безопасности монтажных работ, охране окружающей среды и охране труда и рабочего процесса.


1. ОБЩАЯ ЧАСТЬ

1.1    Климатологическая характеристика


Южно-Хыльчуюское нефтегазовое месторождение расположено в Ненецком автономном округе Российской Федерации. В геологическом отношении находятся на севере Тимано-Печорской нефтегазоносной провинции. Отдаленность, незаселенность, отсутствие необходимой инфраструктуры и суровые погодно-климатические условия, характеры для этих краев, затрудняют разведку и добычу нефти.

Климат Нарьян-Мара субарктический, с длительной зимой и коротким нежарким летом. Город находится в зоне вечной мерзлоты, однако вечномёрзлых грунтов в черте города нет. Город находится немногим севернее Полярного круга, приблизительно на той же широте, что и Воркута, Верхоянск и Среднеколымск. С 14 по 29 декабря длится полярная ночь. Зима сравнительно мягкая для полярных широт вследствие влияния Баренцева моря, однако весна и осень длительные и холодные, а лето относительно тёплое и короткое. Среднесуточная температура превышает 0 °C только в мае, и снова переходит за ноль уже в начале октября. С 29 мая по 15 июля длится полярный день, с апреля по август наблюдаются белые ночи. Лето умеренно-тёплое, средняя его температура всего 13 градусов (с довольно сильными вариациями от года к году, самый тёплый июль отмечался в 1974 году, а самый холодный в 1968 году, со средними температурами соответственно +18.8 и +7.7).

.2 Общие сведения об объекте

Южно-Хыльчуюское - нефтегазовое месторождение на севере Тимано-Печорской нефтегазоносной провинции, расположенного в Ненецком автономном округе России. Открыто в 1981 году. Доказанные запасы нефти составляют более 74 млн тонн. Доказанные запасы месторождения в 2008-2011 году снизились с 70 до 20 миллионов тонн[1]. Балансовые запасами категорий С1+С2 составляют 197,1 млн т, из которых 78% утверждено по категории С1.

Карбонатная толща характеризуется значительной неоднородностью, различием структурно-генетических типов известняка, перемежающихся друг с другом.

Нефть с месторождения имеет плотность 35,50 API и содержание серы 0,71% (для сравнения смесь Urals - 32,00 API, 1,3%).

Обводненность Южно-Хыльчуюского НГМ в 2010 г составила 31,4% против 2,1% в 2009 г.

Оператором месторождения Нарьянмарнефтегаз (СП Лукойла - 70 % и ConocoPhillips -30 %). Добыча нефти в 2008 году составила 2,15 млн тонн, 2010 году - 6,9 млн тонн, в первом квартале 2012 года - 530 тыс. тонн. В августе 2012 года «ЛУКОЙЛ» объявил о приобретении доли американской ConocoPhillips в их СП «Нарьянмарнефтегаз» (НМНГ)[2].

Добываемая на Южном Хыльчую нефть экспортируется в обход системы "Транснефти", что помогает сохранить качество сырья - его ЛУКОЙЛ вывозит через собственный Варандейский терминал, расположенный в НАО на берегу Баренцева моря.

В проект было вложено 4 млрд долл США.


2. ТЕХНИЧЕСКАЯ ЧАСТЬ

Рулонированные конструкции транспортируются на четырехосных железнодорожных платформах грузоподъемностью 60 т.

Элементы резервуарных конструкций (щиты покрытий, элементы колец жесткости и опорных колец, короба понтонов и плавающих крыш и др.) перевозят на железнодорожных платформах и в полувагонах в специальных контейнерах или без них и закрепляют способами и средствами, исключающими их деформацию.

Разгружают рулоны с железнодорожной платформы с помощью:

·        грузоподъемного крана (при этом учитывается положение центра тяжести рулона, обозначенное на рулоне заводом-изготовителем).

·        крана и траверсы (траверсы располагаются на равном расстоянии по обе стороны от центра тяжести рулона)

·        скатыванием по балкам (Скатывание рулонов на площадку хранения осуществляется тремя лебедками или тракторами)

Погрузку рулонов на полуприцепы и прицепы-тяжеловозы для дальнейшей доставки к месту монтажа осуществляют кранами или накатыванием с помощью лебедок или тракторов.

Рулоны и элементы резервуарных конструкций транспортируют от разгрузочной площадки к месту монтажа на трехосных полуприцепах МАЗ- 9389 с тягачами МАЗ-6422.


3. ТЕХНОЛОГИЧЕСКАЯ ЧАСТЬ

.1 Подготовительные работы

Общие положения

.До начала основных работ по ремонту выполнить комплекс организационно-технических мероприятий и подготовительных работ:

организация временного строительного хозяйства, решение вопросов размещения и быта рабочих, заправки техники, хранения и подготовки материалов к работе;

оформление акта-допуска по форме СНиП 12-03-2001 на проведение ремонтных работ на территории действующего сооружения;

доставка строительной техники, оборудования и строительных материалов;

организация системы связи с диспетчерами УМН и генподрядчика;

оформление нарядов-допусков на производство работ повышенной опасности.

в охранных зонах инженерных коммуникаций уточнить место расположения подземных сооружений;

составить акт на закрепление площадки производства работ, подписываемый главным инженером эксплуатирующей организации;

выполнить подъезды к площадке производства работ и временным сооружениям;

подготовить инвентарные передвижные, складские, производственные и санитарно-бытовые средства, необходимые при производстве строительных и монтажных работ;

принять от заказчика монтируемые материалы и оборудование в количестве и по номенклатуре, предусмотренным согласованными графиками;

обеспечить бригаду необходимыми подъемно-транспортными средствами, строительными машинами, монтажными механизмами, инструментами и приспособлениями.

Транспортные и погрузо-разгрузочные работы.

Условия хранения материалов и оборудования.

.Для перевозки грузов (строительной техники и оборудования, строительных материалов и конструкций) к месту производства работ принимается специализированный автотранспорт (тягачи, самосвалы, бортовые автомобили, цистерны).

.Строительные механизмы и оборудование на базе автотранспорта доставляются на площадку строительства «своим ходом».

.Транспортировать собственным ходом разрешается только исправные машины. Поэтому перед транспортированием необходимо сделать внеочередное техническое обслуживание с устранением всех неисправностей и смазыванием сборочных единиц ходового оборудования и органов управления. Прицепные машины, не снабженные тормозами, подлежат транспортированию только с применением жесткой сцепки (буксира).

.Транспортирование машин должно проводиться в соответствии с требованиями завода-изготовителя, содержащимися в инструкциях по эксплуатации и с учетом следующего:

машины с гусеничным ходовым оборудованием перемещаются собственным ходом в порядке исключения на расстояние до 10-15 км. При перевозке на большие расстояния необходимо применять грузовые машины и прицепы-тяжеловозы. Экскаваторы на гусеничном ходу разрешается транспортировать только прицепами-тяжеловозами;

пневмоколесные самоходные машины перемещаются своим ходом на расстояние до 20 км, а на буксире - до 150 км;

перевозку строительных машин на гусеничном ходу на расстояние до 50 км, а в отдельных случаях до 250-300 осуществлять на прицепах-тяжеловозах;

.На крутых спусках и подъемах при транспортировании машин на прицепах-тяжеловозах необходимо, кроме тягача, применять второй автомобиль, осуществляющий дополнительное торможение на спусках и оказывающий помощь при буксировании на подъемах. Перевозка машин на буксире и прицепах-тяжеловозах во время гололеда и при других неблагоприятных дорожных условиях запрещается.

.Погрузо-разгрузочные работы выполняются под руководством ответственного лица, назначенного приказом руководителя строительно-монтажной организации (подрядчика), имеющего удостоверение, отвечающего за безопасное перемещение грузов грузоподъемными машинами и аттестованного комиссией на основании ПБ 10-382-00 «Правила устройства и безопасной эксплуатации грузоподъемных кранов».

.Условия хранения материалов должны отвечать требованиям СП 48.13330.2011 «Организация строительства».

.Для обеспечения выполнения задач оперативно-диспетчерского управления производством работ организуются следующие сети связи:

связь участков - включает начальника (диспетчера) строительного участка, мастеров и бригадиров, а также подчиненных автотранспортных подразделений;

связь участка - бригады - включает прорабов, бригадиров, а также автотранспортных средств, перевозящих грузы;

связь взаимодействия - включает начальников и диспетчеров строительных участков, транспортных организаций, а также местных органов власти, местных органов МВД, МЧС и здравоохранения. За организацию связи на весь период работ отвечает Подрядчик.

Монтаж технологического оборудования и конструкций.

.На временных площадках складирования выполняют предварительный осмотр и ревизию оборудования, укрупнение узлов оборудования, укомплектование электрооборудованием, пускорегулирующей аппаратурой, защитными устройствами.

.Необходимо проведение входного контроля всех единиц технологического оборудования и конструкций, поступающих на строительство по параметрам и методам, установленным в НТД на контролируемую продукцию, в договорах на ее - поставку и в протоколах разрешения, а также на соответствие требованиям паспортов, сертификатов и проектной документации в соответствии с ГОСТ 24297-87 «Входной контроль продукции.

.Основные положения» и ОР-08.00-60.30.00-КТН-033-1-05 «Регламент входного контроля, технического обслуживании;

.Монтаж ответственного технологического оборудования должен осуществляться с участием представителей заводов-изготовителей, согласно разработанной монтажной документации организации-разработчика. Перед монтажом технологического оборудования проверяют готовность фундаментов, комплектность оборудования, исправность строительных машин и механизмов.

.Строповку монтируемого оборудования производить в местах, указанных в паспорте на оборудование и обеспечить их подъем и подачу к месту установки в положении, близкому к проектному.

.Обвязочные технологические коммуникации монтируют укрупненными узлами, предварительно изготовленными в специальных мастерских.

.По окончанию монтажа листов стенки резервуара производится испытание резервуара на герметичность и прочность.

Сварочно-монтажные работы

.При производстве сварочных работ необходимо руководствоваться требованиями СНиП 111-42-80, СНиП 3.05.05-84, РД-25.160.00-КТН-011-10, СНиП 3.03.01-87, РД-93.010.00-КТН-114-07, РД-75.180.00-КТН-150-10.

.Перед началом производства работ Подрядчик должен пройти процедуру допуска к выполнению сварочно-монтажных работ. Все применяемые сварочные материалы, оборудование и технологии должны быть аттестованы в соответствии с РД 25.160.00-КТН-011- 10. Сварщики и специалисты сварочного производства должны быть аттестованы в соответствии Дополнительными требованиями к аттестации сварщиков и ССП допускаемых к работам на объекте. Сварочные материалы поступившие на объект должны поставляться с сертификатами качества и быть аттестованными НАКС по РД 03-613-03 «Порядок применения сварочных материалов при изготовлении, монтаже, ремонте и реконструкции технических устройств опасных производственных объектов»

.Каждая партия поступивших сварочных материалов должна быть подвергнута входному контролю и принята по акту.

.Перед использованием сварочные материалы необходимо прокаливать в электрических печах по заданному режиму, хранить в сушильных шкафах или герметичной таре.

.Руководство сварочными работами должен осуществлять аттестованный специалист сварочного производства, имеющий соответствующий квалификационный аттестат.

.Перед началом работ так же необходимо оформить наряд-допуск на производство огневых работ в соответствии с ОР-03.100.30-КТН-150-11.

.При проведении сварочных работ на участке должны быть в наличии:

·        Приказ о назначении ответственного за проведение сварочно-монтажных работ

·        Приказ о закреплении клейма за сварщиком (бригадой сварщиков)

·        Утвержденная схема расстановки сварщиков по стыку

·        Свидетельства НАКС об аттестации сварщиков

·        Допускные листы сварщиков

·        Свидетельства о поверке средств измерения

·        Журнал сварочных работ

.Сварка стыков выполняется ручной электродуговой сваркой. Места сварки должны быть оборудованы переносными средствами защиты от ветра и дождя.

.Наиболее важными требованиями к выполнению сварочно-монтажных работ являются:

- входной контроль качества сварочных материалов;

соблюдение технологии монтажных работ и режима сварки в соответствии с требованиями рабочего проекта, проекта производства работ, организация систематического контроля качества работ;

10.Все поступившие на объект сварочные материалы должны соответствовать сертификатам качества и паспортов и соответствуют проекту и Техническим условиям на их поставку.

.При проведении сварочных работ должны быть аттестованы:

Сварочные материалы и сварочное оборудование по РД-03-613-03, РД-03-614-03 и РД 03.120.10-КТН-001-11.

Технология сварки по РД-03-615-03, РД 03.120.10-КТН-001-11.

Сварщики и специалисты сварочного производства в соответствии с ПБ 03-273-99, РД 03-495-02, РД 03.120.10-КТН-001-11.

.2 Технология выполнения работ

резервуар сварочный монтажный

ТТК на монтаж стенки резервуара объёмом 5000 м3

Наименование процесса или операции

Выполняемые работы

Примечания

1

2

3

1. Подготовительные работы

1.1. Получить разрешение на право производства работ. 1.2. Произвести контроль геодезической разбивочной основы. 1.3. Уточнить на месте наличие действующих подземных коммуникаций. 1.4. Обозначить охранные зоны существующих инженерных сетей. 1.5. Перед началом работ проверить наличие сертификатов, паспортов, соответствующих проекту, стандартам и ТУ на изделия и материалы, комплектность и количество поставленных металлоконструкций, сварочных материалов. Проверить наличие и правильность разделки кромок изделий под сварку.

Согласно проекту и карте входного контроля

2. Монтажно-сварочные работы

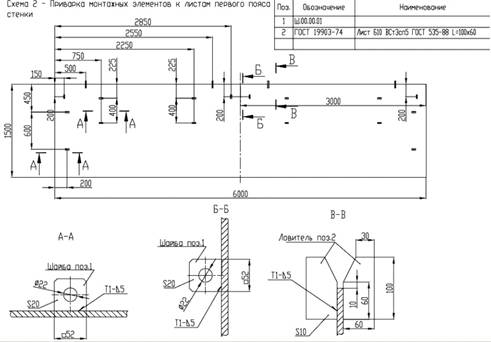
2.1. Подготовку листов стенки проводить в следующей последовательности: - извлечь из контейнера лист стенки при помощи 4-ветьевого стропа с захватами и уложить на площадку из досок на земле; - проверить геометрические размеры листа, соответствие их проекту; - застропить лист за кран при помощи траверсы, захватов и установить на стенд. К листу, находящемуся на стенде, приварить сборочные приспособления: 1) на листах I пояса стенки приварить согласно рис.2 схемы 2:   Рис.2. Приварка монтажных элементов к листам первого пояса  - ловители на верхней кромке с двух сторон листа; - шайбы для сборочных швеллеров на верхней кромке листа; - шайбы для сборочных приспособлений на всех кромках листа, кроме нижней кромки листа;  Рис.5. Разметка окрайки под установку листов стенки  - нанести на окрайке днища точку "А1" начала установки первого листа 1 пояса стенки резервуара; - по риске приварить упоры и ловители с шагом 400 мм. Застропить лист за кран при помощи траверсы и установить в проектное положение в ловители: - приварить строповочные скобы и присоединить к ним талрепы с подкосами. Талреп и подкосы соединить на сварке; - соединить подкосы с листом болтовым соединением М36. Освободить лист от траверсы; Рис.6. Установка ловителя первого пояса стенки  Рис.7. Установка листов первого пояса стенки (вид изнутри)   Рис.8. Сборка углового соединения 1-го пояса стенки и окрайки днища  - прижать лист к упорам при помощи клина или домкрата. Выставить лист в вертикальное положение при помощи талрепов. Вертикальность контролировать отвесом в трех точках - в середине и по торцам листа; - зафиксировать тавровое (упорное) соединение листа с окрайкой днища сварочными прихватками, выполненными с наружной стороны резервуара; - смонтировать второй лист I пояса стенки резервуара аналогично первому листу собрать вертикальное соединение между смонтированными листами при помощи сборочных приспособлений; - проверить смещение кромок и зазоры в стыке; - аналогично выполнить монтаж последующих листов I пояса стенки резервуара; - после сборки листов I пояса стенки проверить вертикальность листов отвесами, отвесы оставить на каждом листе по одной штуке в середине листа до сварки вертикальных соединений листов; - замыкающий лист I пояса смонтировать только на сборочных приспособлениях (вариант N 1 - см. примечание); - приварить пластины для вывода сварных швов к верхней кромке пояса согласно схеме 11;  Рис.11. Сборка вертикального стыка стенки  - выполнить сварку вертикальных сварных соединений между листами I пояса стенки, кроме сварных соединений замыкающего листа (вариант N 1 - см. примечание); - удалить пластины для вывода сварных швов с верхней кромки пояса при помощи шлифмашинки. Не допускается применение ударных инструментов. Места приварок пластин проконтролировать методом "цветной дефектоскопии"; - удалить, ненужные в дальнейшем, сборочные приспособления с листов стенки при помощи шлифмашинки. Не допускается применение ударных инструментов; - места приварок сборочных приспособлений зашлифовать заподлицо с основным металлом и проконтролировать методом "цветной дефектоскопии"; - проверить вертикальность листов отвесами; - талрепы с подкосами удалить после монтажа листов II пояса стенки резервуара; - замыкающий лист I пояса смонтирован только на сборочных приспособлениях (вариант N 1 - см. примечание).  Рис.13. Крепление расчалок при монтаже стенки  - монтаж листов стенки снаружи резервуара производить со строительной вышки-туры разборной передвижной, внутри резервуара - с помощью средств подмащивания (навесных площадок и сборно-разборных подмостей) согласно схеме 15, установленных на одном и разных уровнях (переход с уровня на уровень осуществлять с помощью лестниц); - выполнить разметку и установку якорей, для установки наружных расчалок; - выполнить разметку и установку узлов крепления внутренних расчалок, приварив к днищу резервуара подкладные листы, а к подкладным листам скобы; - зачистку кромок листа под сварку до металлического блеска производить непосредственно перед его извлечением из стенда;



Сварка уторного шва и стыков окрайков.

При сварке уторного шва наблюдается уменьшение радиуса резервуара до нескольких сантиметров.

Далее производят сварку уторного шва II с внутренней и наружной сторон ручной дуговой сваркой электродами типа Э50А не менее чем в два прохода. Диаметр электродов для сварки первого слоя - 4 мм, режимы принимают по паспорту применяемых электродов. Допускается использование автоматической сварки под слоем флюса.

Во время монтажа стенки резервуара и сварки уторного шва для максимального сокращения объема воды, протекающей под днищем резервуара, в нижней части первого пояса резервуара рекомендуется просверливать отверстия и следить, чтобы они не засорялись.

К наиболее неприятным побочным явлениям при сварке уторного шва относится коробление окрайков, выражающееся в подъеме кверху и задиранию их края иногда на значительную высоту.

Фактические радиусы стенки измеряют на уровне днища резервуара только после полного окончания сварки уторного шва, радиальных стыков окраек и приварки сплошным кольцевым швом края днища к окрайкам.

Величина усадки зависит от толщины нижнего пояса и окрайков, а также от порядка сварки и технологии самой сварки уторного шва.

При составлении проектов производства работ на монтаж - резервуаров вместимостью 5000 м3 в обязательной мере учитывают усадку от сварки уторного шва, а также усадку от сварки стыков окрайков и вертикальных стыков первого пояса, увеличивая проектный радиус резервуара диаметром 60 700 мм на 20 мм.

Для ликвидации этих деформаций применяют винтовые домкраты, которыми выжимают деформированные участки пояса наружу в сочетании с подогревом и подбивкой стыков. По окончании сварки вертикальных швов в первом поясе приступают к сварке уторного кольцевого шва, соединяющего стенку с окрайками днища.

Сварку ведут вручную или полуавтоматическим способом с применением порошковой проволоки. При этом сварщики работают парами - один изнутри, другой снаружи. Сварщики парами располагаются на равных расстояниях - по окружности резервуара и движутся одновременно. При двух парах сварщиков они располагаются в диаметрально противоположных точках окружности. Обычно в каждой паре сварщик, находящийся внутри резервуара, на 1 5 - 2 м опережает наружного.

После сварки кольцевого уторного шва производят сварку окраек между собой (от периферии к центру), причем в участках, попадающих под нахлестку центральной части днища, усиление шва снимают абразивным кругом.

Полотнища центральной части днища соединяют между собой внахлестку. Ширина нахлестки составляет 60 мм. Перед прихваткой кромок соединения верхнюю кромку плотно прижимают к нижнему полотнищу клиньями или ломиками.

Монтажные швы сваривают автоматической сваркой под слоем флюса сварочными тракторами ТС-17М или ТС-35. Монтажные швы не доваривают до края полотнища на 1500 - 1800 мм. По периферии центральную часть временно прихватывают через 1500 - 2000 мм к кольцу окраек.

Окончательную сварку швов, соединяющих между собой сегменты окраек, кольцо окраек с центральной частью днища и монтажных швов центральной части выполняют после сварки нижнего уторного шва, дающего наибольшую усадку.


4. РАСЧЕТНАЯ ЧАСТЬ

«Монтаж листов 1-го ряда и сварка уторного шва РВС-5000 на ЦПС Южно-Хылчуюского м/р»

Цель работы:

Изучить технологию монтажа и сварочных работ при установке 1-го ряда стенки резервуара.

Задание:

Выполнить расчет расхода сварочных материалов на соединения листов стальных резервуара.

Исходные данные:

Диаметр резервуара РВС-5000: 11.4 м.

Высота резервуара РВС-5000: 12.0 м.

Длинна листа стального: 7.9 м.

)        Определение длин горизонтальных швов:

 

)        Определение длин вертикальных швов, при этом лис.=7.9 м.

Кол-во швов в ряду: n1==5 швов

Кол-во швов на все: nn=n1*6=5*6=30 швов

 

)        В соответствии с данным результатами швов в проектешвов=10мм.

)        Соотв. Норм расхода по ВСН-452-84 прямой расход:=1.9 кг/1м.шв., где 1.266 - поправочный коэф. к норм. расхода св. м. 1=1.9*1.266=2.41кг/1шв.

)        Общий расход св. м. при соед. листов (с уч. сварки с 2-х сторон):

=m1*2*(Lсв.шв.г.+Lсв.шв.в.)=2.41*2*(250.6+60)=1330 кг.


5. ТЕХНИКА БЕЗОПАСНОСТИ ПРИ СООРУЖЕНИИ РЕЗЕРВУАРОВ

. Перед началом операций рабочие должны быть ознакомлены с содержанием ППР и проинструктированы по безопасным методам ведения работ.

. При разгрузке и погрузке рулонов люди должны находиться в зоне, обеспечивающей их безопасность при обрыве любого из канатов и скатывании рулонов.

. Перед разгрузкой рулона с железнодорожной платформы при помощи лебедок и тракторов необходимо согласно ППР установить дополнительные опоры под края платформы, предохраняющие ее от опрокидывания. При разгрузке на эстакаду можно под рулон уложить три балки, опирающиеся одним концом на середину платформы, а другим - на эстакаду. В этом случае установка дополнительных опор не требуется.

. Перед доставкой конструкций к месту монтажа должны быть выбраны и подготовлены площадки для их разгрузки и хранения так, чтобы было удобно перемещать конструкции при монтаже резервуара.

. При перекатывании рулонов запрещено нахождение людей как впереди, так и сзади их на расстоянии не менее 10 м.

. Монтажная площадка должна обеспечивать свободный доступ обслуживающего персонала и механизмов к конструкциям, иметь ограждения опасных зон и предупредительные надписи. Для прохода через траншеи необходимо проложить инвентарные трапы.

. Рулон днища при обрезке удерживающих планок устанавливается таким образом, чтобы освобождающаяся при разрезании планок кромка полотнища была прижата массой рулона к основанию резервуара. При разрезании удерживающих планок последними разрезаются крайние из них. При этом резчик должен располагаться у торца рулона. При развертывании днища резервуара люди не должны находиться впереди рулона на расстоянии 15 м.

. При подъеме рулонов стенки в вертикальное положение в зоне подъема (в радиусе 25 м от трубы - шарнира и под канатами) также не должны находиться люди. Опасную зону необходимо оградить предупредительными знаками.

. До обрезки удерживающих планок рулон стенки должен быть затянут канатом с помощью трактора или другими способами так, чтобы предотвратить самопроизвольное его распружинивание и сделать обрезку планок безопасной.

После этого последовательно, начиная сверху, обрезают удерживающие планки. Рабочий обрезает планки с автогидроподъемника или навесной монтажной лестницы, прикрепившись к ней предохранительным поясом. Две нижние планки он срезает, стоя на днище, находясь все время на стороне, противоположной направлению разворачивания полотнища. Затем, постепенно ослабляя канат, позволяют рулону плавно распружиниться.

Особую осторожность необходимо соблюдать при обрезке удерживающих планок рулонов полотнищ из высокопрочных сталей ввиду их большой упругости. В этом случае рулон затягивают с помощью двух тракторов. Канатом первого трактора обматывают верхнюю часть рулона, а канатом второго - нижнюю часть.

. В процессе развертывания рулона люди не должны находиться ближе 12 м от освобождающегося витка полотнища. Запрещается пребывание людей ближе 15 м от каната, с помощью которого производится развертывание.

После развертывания очередного участка полотнища, для предотвращения самопроизвольного распружинивания витков рулона и обеспечения безопасного производства работ между развернутой частью полотнища и рулоном вставляется клиновой предохранительный упор. До установки упора работы по подгонке и прихватке полотнища стенки к днищу, а также по переносу тяговой скобы с канатом на новое место запрещаются.

. Устойчивость стенки резервуара, сооружаемой из рулонных заготовок при монтаже, должна быть обеспечена расчалками, а также установкой щитов покрытия или элементов колец жесткости по мере разворачивания полотнища.

До окончания монтажа покрытия или кольца жесткости (во время перерывов в работе) стенка резервуара должна быть прочно закреплена расчалками.

. Перед установкой щитов покрытия в проектное положение на начальном щите необходимо приварить временное радиальное и проектное кольцевое ограждения. На последующих щитах устанавливают только проектное кольцевое ограждение.

Выходить на установленные щиты разрешается только после проектной приварки их к центральному щиту и стенке.

. При установке элементов кольца жесткости и щитов покрытия запрещается пребывание людей под устанавливаемыми элементами.

. Следует избегать ведения работ в два и более яруса по одной вертикали. В случае необходимости ведения двух или многоярусных работ необходимо оградить рабочие места от возможного падения с ярусов инструмента и других предметов.

. Вновь изготовленные леса, люльки, предусмотренные ППР, должны соответствовать технической документации, утвержденной в установленном порядке. Подвеску люлек следует производить под наблюдением инженерно-технического персонала.

. Освещение внутри резервуара обеспечивают светильниками напряжением 12 В (типа переносных) с питанием от разделительных трансформаторов. Применение автотрансформаторов внутри резервуара запрещено.

. Все металлические леса, электрооборудование и механизмы, которые могут оказаться под током, должны быть надежно заземлены.

. При производстве сварочных работ необходимо следить за сохранностью изоляции сварочного кабеля и обеспечить необходимую вентиляцию.

. При просвечивании рентгеновскими аппаратами или гамма-дефектоскопами необходимо оградить зону, в пределах которой уровень радиации превышает допускаемую величину, а на границах зоны вывесить плакаты или знаки, предупреждающие об опасности.

При проведении работ по просвечиванию сварных соединений, кроме требований главы СНиП по технике безопасности в строительстве, необходимо выполнять требования "Норм радиационной безопасности НРБ-76/87 № 141-76, "Основных санитарных правил работы с радиоактивными веществами и другими источниками ионизирующих излучений ОСП-72/87" № 2120-80 (М.: Энергоиздат, 1988), "Правил безопасности при транспортировании радиоактивных веществ ПБТРВ-73" (М.: Атомиздат, 1974), а также "Санитарных правил проведения работ по гамма-дефектоскопии".


ЗАКЛЮЧЕНИЕ

Монтаж стенок резервуара с применением современных инструментов, такелажных приспособлений, современной техники и с использованием прогрессивной системы монтажа позволит более рационально выполнять необходимые операции при дальнейшем сооружении более сложных комплексов технологии нефтегазового производства, более экономично завершать многие сложные сварочно-монтажные операции и работы.


СПИСОК ЛИТЕРАТУРЫ

1.      Требования при испытании резервуаров на герметичность и прочность // Газовик Нефть. [Электронный ресурс]. URL: https://gazovik-pgo.ru/cat/articles2/pravila_teh_exp_reservuarov/1_7_trebovaniya_pri_ispytanii/ (Дата обращения: 09.03.2017).

2.      ППР. Монтаж металлоконструкций стенки резервуара объёмом 5000 куб.м // ТЕХЭКСПЕРТ. [Электронный ресурс]. URL: http://docs.cntd.ru/document/493735272 (Дата обращения: 09.03.2017)

3.        Приемка резервуаров в эксплуатацию // Газовик Нефть. [Электронный ресурс]. URL: https://gazovik-neft.ru/directory/info/rd_rezer/02.html (Дата обращения: 11.03.2017)

4.        Техническая документация на резервуары // Газовик Нефть. [Электронный ресурс]. URL: https://gazovik-pgo.ru/cat/articles2/pravila_teh_exp_reservuarov/3_texdokumentaziya/ (Дата обращения: 10.03.2017)

5.        ВСН 311-89 // Технологии Эрвист Безопасности [Электронный ресурс]. URL: http://www.ervist.ru/info/normbase/vsn%20311-89.pdf (Дата обращения: 11.03.2017)

6.        Монтаж резервуаров // РЕЗЕРВУАРОСТРОИТЕЛЬ. [Электронный ресурс]. URL: http://r-stroitel.ru/construction/montazh-rvs (Дата обращения: 10.03.2017)

7.        Контроль качества испытания резервуаров // РЕЗЕРВУАРОСТРОИТЕЛЬ. [Электронный ресурс]. URL: http://r-stroitel.ru/construction/kontrol-kachestva-ispytaniya-rezervuarov/ (Дата обращения: 09.03.2017)

8.        Сварка - уторный шов // Большая техническая энциклопедия. [Электронный ресурс]. URL: http://www.ai08.org/index.php/term/%D0%A2%D0%B5%D1%85%D0%BD%D0%B8%D1%87%D0%B5%D1%81%D0%BA%D0%B8%D0%B9+%D1%81%D0%BB%D0%BE%D0%B2%D0%B0%D1%80%D1%8C+%D0%A2%D0%BE%D0%BC+I,14719-svarka-utornyij-shov.xhtml (Дата обращения: 11.03.2017)

9.        Климат Нарьян-Мара // ВикипедиЯ - Свободная Энциклопедия. [Электронный ресурс]. URL: https://ru.wikipedia.org/wiki/%D0%9D%D0%B0%D1%80%D1%8C%D1%8F%D0%BD-%D0%9C%D0%B0%D1%80#.D0.9A.D0.BB.D0.B8.D0.BC.D0.B0.D1.82 (Дата обращения: 08.03.2017)

10.     Южно-Хыльчуюское месторождение // Нефтяники.РФ. Электронный ресурс]. URL: http://www.nftn.ru/oilfields/russian_oilfields/neneckij_ao/juzhno_khylchujuskoe/11-1-0-1278 (Дата обращения: 08.03.2017)

11.     СНиП III-4-80. Техника безопасности в строительстве;

12.     СНиП 3.03.01-87. Несущие и ограждающие конструкции;

13.     Минмонтажспецстрой ВСН - 88274. Правила техники безопасности при эксплуатации стреловых самоходных кранов;

14.     ОСТ 36-100.3.04-85. ССБТ. Монтаж металлических и сборочных железобетонных конструкций. Требования безопасности.


ПРИЛОЖЕНИЯ

.Нормативно-технические документы

ГОСТ 31385-2008 - Резервуары вертикальные цилиндрические стальные для нефти и нефтепродуктов. Общие технические условия.

ГОСТ 12.1.004-91 - ССБТ Пожарная безопасность. Общие требования (с Изменением N 1).

СТО 0048-2005 (02494680, 01400285, 01403119) - Резервуары вертикальные цилиндрические стальные для хранения жидких продуктов. Правила проектирования.

СТО 02494680-0044-2008 - Резервуары вертикальные цилиндрические стальные для хранения жидких продуктов. Правила проведения испытаний на прочность, устойчивость и герметичность.

Приказ Ростехнадзора от 26.12.2012 N 780 - Руководство по безопасности вертикальных цилиндрических стальных резервуаров для нефти и нефтепродуктов.

РД-1-02-РВС-У-Т1/Т3 - Технология ручной дуговой сварки тавровых соединений металлоконструкций при монтаже и ремонте вертикальных цилиндрических резервуаров.

СНиП 3.03.01-87 - Несущие и ограждающие конструкции.

СНиП 12-03-2001 - Безопасность труда в строительстве. Ч.1. Общие требования.

СНиП 12-04-2002 - Безопасность труда в строительстве. Ч.2. Строительное производство.

СП 48.13330.2011 - Организация строительства. Актуализированная редакция СНиП 12-01-2004.

ГОСТ 12.1.044-89 ССБТ - Пожаровзрывоопасность веществ и материалов. Номенклатура показателей и методы их определения.

ГОСТ 12.2.003-91 ССБТ - Оборудование производственное. Общие требования безопасности.

ГОСТ Р 12.1.019-2009 ССБТ - Электробезопасность. Общие требования и номенклатура видов защиты.

ГОСТ 24258-88 - Средства подмащивания. Общие технические условия.

ГОСТ 12.4.011-89 ССБТ - Средства защиты работающих. Общие требования и классификация.

Постановление Правительства РФ от 25 апреля 2012 г. N 390 - О противопожарном режиме.

СТ СРО ОСМО-2-001-2010 - Стандарт саморегулирования. Электробезопасность. Общие требования на производственных объектах организаций, выполняющих работы, которые влияют на безопасность объектов капитального строительства.

Похожие работы на - Установка листов 1-го ряда на резервуаре РВС-5000

 

Не нашли материал для своей работы?
Поможем написать уникальную работу
Без плагиата!
Без нейросетей!