Модернизация агрегата продольной резки листового металла цеха АПР ЛПЦ-2
СОДЕРЖАНИЕ
ВВЕДЕНИЕ
. АНАЛИЗ СОСТОЯНИЯ ВОПРОСА, ЦЕЛИ И ЗАДАЧИ РАЗРАБОТКИ
.1 Анализ состояния вопроса
.1.1 Стальной прокат, характеристика, свойства и область
применения
.1.2 Применяемое оборудование
.1.3 Основные дефекты металла при резке и методы их устранения
.2 Цель и задачи дипломного проекта
. КОНСТРУКЦИОННАЯ ЧАСТЬ
.1 Расчет и проектирование привода тянущего ролика
.1.1 Описание конструкции, назначения и принципа действия
.1.2 Разработка и описание кинематической схемы привода
.1.3 Энерго-кинематический расчет привода
.1.4 Допускаемое напряжение
.1.5 Проектировочный расчет зубчатых передач
.1.6 Проектный расчет валов
.1.7 Уточненный расчет валов
.1.8 Уточненный расчет подшипников
.1.9 Расчет шпонок и шлицевых соединений
.1.10 Назначение смазочной системы
.1.11 Сборка редуктора
.2 Расчет и проектирование гидропривода натяжателя
.2.1 Расчет и выбор исполнительного гидродвигателя
.2.1.1 Определение нагрузочных и скоростных параметров
гидродвигателя
.2.1.2 Определение геометрических параметров и выбор гидродвигателя
.2.2 Выбор гидравлической схемы и ее обоснование
.2.3 Расчет и выбор насосной установки
.2.4 Расчет и выбор гидроаппаратуры и трубопроводов
.2.5 Разработка блока управления
.2.6 Определение потерь давления в аппаратах и трубопроводах
.2.6.1 Определение потерь давления в аппаратах
.2.6.2 Потери давления в трубопроводах по длине
.2.6.3 Местные потери давления
.2.6.4 Суммарные потери давления
.2.7 Проверка насосной установки
. ТЕХНОЛОГИЧЕСКАЯ ЧАСТЬ
.1 Разработка технологического процесса изготовления ролика
.1.1 Разработка технологического процесса механической
обработки
.1.1.1 Описание конструкции и назначения детали
.1.1.2 Выбор способа изготовления заготовки
.1.1.3 Разработка маршрута обработки с выбором станочных
приспособлений и оборудования
.1.1.4 Разработка операционной технологии обработки детали
3.1.2 Выбор и обоснование технологических баз
3.1.3 Определение припусков и межоперационных размеров и
допусков на них табличным методом
.1.4 Разработка управляющей программы для станка с ЧПУ
.1.5 Назначение режимов резанья
.1.6 Нормирование технологического процесса
.2 Расчет и проектирование червячной фрезы
.2.1 Расчет червячно-модульной фрезы
.2.2 Выбор основных технических требований
.2.3 Выбор инструментального материала
. БЕЗОПАСНОСТЬ И ЭКОЛОГИЧНОСТЬ ПРОЕКТА
.1 Анализ опасных и вредных производственных факторов при
эксплуатации агрегата продольной резки металла
.2 Меры по обеспечению безопасности и здоровых условий труда
при эксплуатации агрегата продольной резки металла
.3 Расчет защитного заземления агрегата
.4 Меры по охране окружающей среды на участке
.5 Действия персонала в условиях ЧС
ЗАКЛЮЧЕНИЕ
СПИСОК ИСПОЛЬЗОВАННЫХ ИСТОЧНИКОВ
ВВЕДЕНИЕ
На сегодняшний день металлургический завод Северсталь принято считать
одним из самых больших заводов по производству стали. На деле так это и
оказывается. Северсталь входит в десятку лучших заводов России. Этот завод
занимается производством чугуна и разного стального проката. Здесь производят
различную арматуру, разные конструкции из стали для постройки зданий и
строительства мостов, различные трубы для водопроводов, газопроводов, прокат
для техники, предназначенной для карьеров и строительства, а также производят
особый вид бронированного проката для автомобилей.
Планы на постройку завода зародились еще в далёком 1930 году. Постройка
завода была начата, но в связи с войной 1941-1945 года, стройка была
остановлена и оставлена для мирных времён. В итоге после окончания войны, когда
всё стало налаживаться, стройку возобновили и в 1955 году Череповец отмечать день
рождения металлургического комбината. 24 августа этого года доменная печь
выпустила первый чугун. С его появления и принято считать начало истории
компании. В наше время завод находится не только в городе Череповец, не только
на территории России, но и в Латвии, Белоруссии, Украине, Польше, Либерии и
Италии.
«Череповецкая площадка» также участвует в социальных проектах. Так в две
тысячи шестнадцатом году в городе Череповец был построен музей металлургической
промышленностью, общая стоимость которого составила двести сорок миллионов
рублей. Ко дню металлурга были официально открыты 18 спортивных и игровых
площадок, а также произведен ремонт, на стадионе Металлург, беговой дорожки. На
всё это комбинат затратил более 64 миллионов рублей.
Благодаря Северстали в городе Череповец на данный момент трудоустроены
порядка 30 тысяч человек.
Гнутые профиля, сортовой, холоднокатаный и горячекатаный прокат, трубы -
этот широкий сортамент и является основной продукцией металлургического
комбината. Работа производства всегда критикуют экологи, так как от всего
производства, несмотря на всевозможные газоочистки, идёт в атмосферу большое
количество вредных для здоровья людей выбросов. Из-за этого всего компания
проводит всевозможные мероприятия по защите окружающей среды. Главная
направленность защиты является значительная и тщательная очистка выбросов в
окружающую среду.
1. АНАЛИЗ СОСТОЯНИЯ ВОПРОСА, ЦЕЛИ И ЗАДАЧИ РАЗРАБОТКИ
1.1 Анализ состояния вопроса
.1.1 Стальной прокат, характеристика, свойства и
область применения
Стальной прокат - это прокат, произведенный из разных видов стали,
принимающий вид листа или рулона разной толщиной 0,2 - 4 мм.
Тонколистовой прокат очень важен для человека, он применяется во многих
сферах промышленности. В машиностроении он нужен для изготовления кузовов машин
и многих других деталей.
В строительстве прокат нужен для изготовления ограждений и многого
другого. В быту прокат используется для изготовления холодильников, стиральных
машин и других приборов. В военном деле также он очень важен. Из этого всего
следует, что прокат необходим в нашей жизни.
Прокат может подвергаться разным видам обработки. Он обладает главными
качествами для производства: доступен, широко используется во всех типах
производства.
Сейчас вся промышленность очень быстрыми темпами развивается, появляется
очень много новых технологий и в связи с этим стальной прокат медленно, но
верно уходит на второй план. Его начинают заменять другие виды материалов,
такие как пластмасса, пластиковые материалы, различными сплавами, множеством
видов стёкол и многим многим другим.
На большинстве производств изготовление тонколистового проката относится
к массовому производству.
Технология прокатного производства - это совокупность взаимодействующих
между собой технологических процессов, и как результат этих взаимодействий -
качественная продукция. От качества выпускаемой продукции, которая идёт на
импорт, напрямую зависит репутация всего комбината в целом. Поэтому весь завод
должен работать как единое целое, начиная от производства чугуна заканчивая
готовым прокатом.
1.1.2 Применяемое оборудование
В наше время для изготовления проката, используют ЦОМ, что в переводе
означает цех обработки металла.
Состав агрегатов резки:
а) стеллаж для приёмки;
б) загрузочные тележки с выдвижными настилами и подъемными столами;
в) разматыватели с прижимными роликами и боковыми сталкивателями;
г) качающиеся задающие проводки с выдвижными козырьками;
д) задающие устройства;
е) радиоизотопные толщиномеры;
ж) гильятинные ножны номер 1;
з) механизмы сборки обрези, которая состоит из роликов, которые убирают
обрезь, качающихся столов и кассет для сбора обрези;
и) проводковые столы, с принтером для маркировки, с зеркалами, чтобы
осматривать поверхность;
к) тянущих роликов;
л) петлевые устройства номер 1 с 2 качающимися столиками, которые состоят
из кассеты с холостыми роликaми и
петлевых ям;
м) направляющие столы, в состав которых входят вертикальные центрирующие
ролики;
н) ножны дискoвые с отбойниками
для удаления кромок;
о) кромкомоталки с прессующими роликами и механизмами для подъема бунта;
п) ролики для раскатки;
р) задающие тележки с прижимными козырьками и с роликами для подачи;
с) петлевые устройства номер 2 с 2 качающимися провадками, делительными
роликами, проводковыми подъемными столами и петлевыми ямами;
т) пресса-прижимы с воздушными камерами;
у) гильотинные ножны номер 2;
ф) поворотные стрелы с электроталью;
х) столы для отборки карт металла;
ц) устройства для предварительных натяжений;
ч) откидные направляющие проводки задающей телеги;
ш) моталки с прижимными роликами и поддерживающими опорами;
щ) промасливающие, в электростатичном поле, машины;
э) съемные тележки моталки с подъемными столами и выдвигающимися
настилами;
ю) четырёх позиционные поворотные устройства.
1.1.3 Основные дефекты металла при порезке и
методы их устранения
Главные дефекты металла при порезке, причины их образования и методы для
их предотвращения показаны в таблице номер 1.
гидродвигатель зубчатый передача шпонка
Таблица 1 - Главные дефекты при порезке
|
Дефекты
|
Причины образования
|
Методы устранения
|
|
1 Надавы (наколы)
|
Навары на роликах,
налипание на ролики частиц металла и грязи
|
Следить за состоянием
поверхности всех роликов и своевременно производить зачистку роликов.
Расстояние между дефектами, от роликов, на полосе металла: - нижний ролик
задающего устройства - 942 мм; - тянущие ролики - 942 мм; - рольганговые
ролики - 251 мм; - делительный ролик - 282 мм; - верхний подающий ролик
задающей тележки - 314 мм; - ролики натяжного устройства - 1570 мм; -
дисковые ножницы (расстояние зависит от
|
|
|
количества перешлифовки
комплекта ножей)
|
|
|
2 Царапины, риски
|
Вырaботка и
заклиниванее отдельно взятых роликов и проводок, попадание в пресс-прижимы
разных частиц из металла
|
Ремонты или замены роликов
и проводок, очистки или замены войлочного покрытия (прокладки из
синтетического нетканого материала)
|
|
|
3 Заусенцы, стружка,
выкрошка
|
Неправильная установка
ножей, порезка полос тупыми ножами, большой или маленький боковой зазор между
ножами
|
Правильно установить ножи,
скантовать или заменить ножи, отрегулировать боковой зазор между ножами
|
|
|
4 Ржавчина
|
Попадание воды на рулоны
|
Не допускать попадание воды
на рулоны
|
|
|
5 Узкие, широкие
|
Неправильно настроены
дисковые ножницы на требуемую ширину
|
Настроить дисковые ножницы
на требуемую ширину, настроить вертикальные ролики
|
|
|
|
|
|
|
1.2 Цель и задачи ВКР
Цель данного проекта в следующем: модернизация валкового натяжителя
заключается в установке нового привода с мотор-редуктором, который даст нам
возможность увеличения надежности работы нашего оборудования и характеристик
нашего оборудования.
Увеличив надежность работы нашего агрегата и улучшения его характеристик,
мы выигрываем во многом. Во-первых, сокращение время на простои оборудования и
цеха в целом. Во-вторых, экономия средств на зарплату ремонтно-механических
служб. Как итог всего этого большая прибыль, меньшие затраты.
2. КОНСТРУКТОРСКАЯ ЧАСТЬ
2.1 Расчет и проектирование привода тянущего
ролика
.1.1 Описание назначения, конструкции и принципа
действия исполнительного агрегата, схема принципиальная
Привод тянущего ролика состоит из электродвигателя, соединенного с
мотор-редуктором, который передает вращение с помощью цилиндрической передачи
на звездочку. На ролик вращение передается с помощью цепной передачи.
Когда заканчивается операция по заправке полосы в зев барабана моталки,
ролик возвращается в рабочие положение.
Состав мотор-редуктора: 1) электродвигатель 2) редуктор. Способ
выполнения - в одном общем блоке. Частота вращения выходного вала - постоянная.
Редуктор закрытого типа.
Устройство привода тянущего ролика представлено на рисунке 1.
Рисунок 1 - Устройство привода тянущего ролика:
- электродвигатель; 2 - мотор-редуктор; 3,4 - звездочка; 5 - ролик
2.1.2 Описание и разработка схемы привода
кинематической
Состав привода тянущего ролика: электродвигатель, соединенный с
мотор-редуктором, который передает вращение с помощью цилиндрической передачи
на звездочку. На ролик вращение передается с помощью цепной передачи.
Кинематическая схема привода представлена на рисунке 2.
Рисунок 2 - Кинематическая схема привода:
- электродвигатель; 2 - редуктор; 3 - цепная передача; 4 - ролик
2.1.3 Энергокинематический расчёт привода
Исходные данные:
Окружное усилие Р=450кг.
Скорость ленты V=0,55м/сек.
Размеры барабана D=250мм.
B=200мм. Н=650мм.
Расчет требуемой мощности:
, Вт, (1)
где Р = 450кг - окружное усилие;
V =
0,55м/сек - скорость ленты конвейера;
η - общий коэффициент полезного
действия.
,
(2)
где ηМ = 0,98 - коэффициент поленого
действия муфты;
ηП = 0,99 - коэффициент поленого
действия всех подшипников;
ηЗП = 0,97 - коэффициент поленого
действия зубчатых передач.
,
, Вт
Число
оборотов барабана:
, (3)
где D - диаметр барабана = 250мм.
.
Ориентировочное
передаточное отношение:
, (4)
где
= 4,3 - передаточное отношение тихоходной ступени;
= 5 -
передаточное отношение быстроходной ступени.
.
Предварительное
число оборотов двигателя:
об/мин.
Принимаем
закрытый обдуваемый трех фазный асинхронный двигатель 112МА6, для которого Nд=3кВт,
nд=955 об/мин, d1=32мм, l1=80мм
(по таблице 24.7 Дунаев стр. 200)
Действительное
передаточное отношение:
, (5)
где
передаточное отношение быстроходной ступени
= 5;
передаточное
отношение тихоходной ступени находим из формулы:
. (6)
Число оборотов:
об/мин.,
(7)
об/мин.,
(8)
об/мин.,
(9)
Угловая скорость:
рад/с.,
(10)
рад/с.,
(11)
рад/с.
(12)
Вращающиеся
моменты на валах:
, (13)
, (14)
. (15)
2.1.4 Допускаемое напряжение
Выбор материала и термической обработки зубчатых колес:
Учитывая назначение редуктора,
принимаем для всех шестеренок Сталь 35 Х ГОСТ 4 5 4 3 - 8 1 (НВ ниже 350ед.).
Термическая обработка - улучшение и нормализация до НВ 300ед, НВ1=300ед.
Для зубчатых колес назначаем Сталь 35 ГОСТ 1050 - 81 НВ2 = 280 ед.
Допустимое контактное напряжение:
, (16)
где
- предельные контактные выносливости;
МПа;
МПа;
=
1,2- коэффициент безопасности;
-
коэффициент долговечности.
, (17)
где
- базовое число циклов нагружения зуба для закрытых
редукторов при НВ<350ед.;
-
действительное число циклов нагружения.
а)
Тихоходная ступень:
, (18)
где
n1= 191 об/мин - число оборотов;
c1=uT=4.54;
t - срок службы.
, (19)
где
L = 5 - срок службы в годах;
КСУТ
- 0,29;
КГ
- 0,5.
(20)
;
;
n2=42,07 об/мин;
с2=1;
;
;
Принимаем
=1;
;
МПа;
МПа;
МПа.
б)
быстроходная ступень:
;
Принимаем
= 1;
;
МПа;
МПа;
, МПа.
Допускаемый
изгиб:
, (21)
где
SF = 1,7 - коэффициент безопасности;
;

.
Тихоходная
ступень:
Принимаем
= 1;
Принимаем
= 1;
МПа;
МПа.
Расчетное
напряжение:
МПа.
Быстроходная
ступень:
;
Принимаем
= 1
Принимаем
= 1
МПа;
МПа.
Предельные
напряжения:

2.1.5 Проектный расчет зубчатых передач
Тихоходная
ступень:
uT=4,54; T3=573·103
Н·мм ;
МПа.
Межосевое
расстояние:
, мм,
(22)
где
UТ - передаточное отношение тихоходной ступени;
К
= 310 - приведенный коэффициент для передач прямозубых зубчатых;
KН = 1,2 -
коэффициент нагрузки, который зависит от расположений зубчатых колёс и типа
используемого редуктора относительно подшипников;
Ψba = 0,25 -
коэффициент относительной ширины зубчатого колеса.
мм.
Принимаем
аw=180мм.
Ширина
колеса:
, мм,
(23)
, мм.
(24)
Модуль
зацепления:
(25)
Принимаем
m=3.
Находим
число зубьев:
(26)
Принимаем
z1=24.
(27)
Принимаем
z2=108.
Уточняем
передаточное отношение:
. (28)
Диаметры
колес:
Шестерня:
делительный
, мм;
(29)
диаметр
выступов
, мм;
(30)
диаметр
впадин
, мм.
(31)
Колесо:
делительный
, мм;
(32)
диаметр
выступов
, мм;
(33)
диаметр
впадин
, мм.
(34)
Уточним
межосевое расстояние:
, мм.
(35)
Найдём
скорость зацепления:
, м/с.
(36)
Назначим
по ГОСТ 1643 - 81 степень точности 8.
Найдём
усилие в зацеплении:
Окружные
усилия:
кН (37)
Осевые
усилия:
, (38)
где
β
= 0 - угол наклона зубьев:
Радиальное
усилие:
, (39)
где
α
= 20 - угол зацепления;
, кН.
Проверочный
расчет:
, (40)
где
КН - уточненный коэффициент нагрузки.
, (41)
где
КНα
= 1- коэффициент распределения нагрузки
между зубьями;
КНβ = 1 - коэффициент, который учитывает неравномерность
распределения нагрузок по длине контактных линии;
КНV =
1,2 - коэффициент учитывающий внутреннюю динамику нагружения.
Проверка
по контактным напряжениям:
, (42)
где
. (43)
Y - коэффициент
формы зуба; YF1=3,91; YF2=3,60.
МПа
МПа
Быстроходная
ступень:
Т=27,954кН;
uБ=5;
МПа.
Межосевое расстояние быстроходной ступени принимаем равное 198 мм.
Ширина колеса:
мм.
мм.
Модуль
зацепления:
Принимаем
m=2.
Находим
число зубьев:
Принимаем
z1=33,
Принимаем
z2=165.
Уточняем
передаточное отношение:
.
Диаметры
колес:
Шестерня:
мм;
диаметр
выступов
мм;
диаметр
впадин
мм.
Колесо:
делительный
мм;
диаметр
выступов
мм;
диаметр
впадин
мм.
Уточняем
межосевое расстояние:
мм. (44)
Скорость
зацепления:
м/с. (45)
Находим
усилия в зацеплении:
Окружное
усилие:
кН. (46)
Осевое
усилие:
, (47)
где
β
=0 - угол наклона зубьев;
.
Радиальное
усилие:
, (48)
где
α
=20 - угол зацепления;
.
Проверочный
расчет:
, (49)
где
КН - уточненный коэффициент нагрузки;
, (50)
где
КНα
=1- коэффициент распределения нагрузки
между зубьями;
КНβ =1- коэффициент учитывающий неравномерность распределения
нагрузки по длине контактных линий;
КНV
=1,2- коэффициент, учитывающий внутреннюю динамику нагружения.
МПа
Проверка
по контактным напряжениям:
, (51)
где
; (52)
Y - коэффициент
формы зуба ;
YF1=3,79 YF2=3,60.
МПа
МПа
2.1.6 Проектный расчет валов
Тихоходный
вал представлен на рисунке 3.
Рисунок 3 - Тихоходный вал
Для
всех валов принимаем конструкционную сталь 45 ГОСТ.
При
расчете учитывается только кручение:
, (53)
где
MKP =573000 - вращающий момент на тихоходном валу;
WP - Осевой
момент.
,
Н/мм2. (54)
Выражаем
диаметр:
мм. (55)
Принимаем
d=58 мм.
Под
подшипник находим диаметр:
мм. (56)
Принимаем
dП = 60 мм.
Находим
под колесо диаметр:

мм. (57)
Принимаем
dК=64 мм.
Длины
участков:
мм. (58)
Принимаем
l1=90мм,
l1 =10мм - зазор
между подвижной и неподвижной частью;
l2 =16мм -
ширина до фланца;
l3 =34мм -
ширина участка вала;
l4 =17мм -
расстояние от фланца до подшипника.
Крышки
подшипников привертные.
В
= 31мм - ширина подшипника.
Подшипник
№312:d=30мм; D=60мм; В=31мм; r=3.5мм;
С=62,9мм; С0=48,4мм.
Проверяем
размерную цепь:
. (59)
+35=17+31.
Размерная
цепь не сходится, следовательно, находим ширину соединительных
фланцев:
мм. (60)
Быстроходный
вал представлен на рисунке 4.
Рисунок 4 - Быстроходный вал
Н/мм2.
Диаметр
выходной:
мм. (61)
Для
удобства соединения с валом электродвигателя принимаем d=32мм.
Диаметр
под подшипник:
мм. (62)
Принимаем
dП=35мм.
Подшипник
№307:dвнутр=35мм; Dнаруж=80мм; r=2,5мм;
В=21мм; С0=17,6мм; С=25,7 мм.
За
подшипником находим диаметр
. (63)
Принимаем
dЗ.П.=38мм.
Длины
участков:
мм. (64)
Принимаем
l1=50мм.
l1= 10мм - зазор
между подвижной и неподвижной частью;
l2 = 16мм -
ширина крышки подшипника ;
Крышки
подшипников привертные.
l3=18мм - размер
до фланца;
b1=52мм - ширина
зубчатого венца;
l4=23мм.
Проверяем
размерную цепь:
. (65)
+38=16+21
Размерная
цепь не сходится, следовательно, находим ширину соединительных
фланцев:
мм. (66)
2.1.7 Уточненный расчёт валов
Тихоходный
вал:
Мк=573Нм; FrT=3500Н; FtT=1270H.
Нм.
(67)
Реакции опор на тихоходом валу представлены на рисунке 5.
Рисунок 5 - Реакции опор на тихоходом валу
Найдём
реакции в опорах:

, (68)
Н, (69)

Н (70)
(71)
Н (72)
(73)
Н (74)
Найдём
суммарную радиальную реакцию:
Н, (75)
Н. (76)
Определяем
суммарные изгибающие моменты в опасном сечении:
Н∙м.
(77)
Для
валов выбираем сталь 45, для быстроходной шестерни термическая
обработка-улучшение, для промежуточного вала улучшение и закалку ТВЧ. Для
тихоходного вала улучшение.
Расчет
на статическую прочность:
, (78)
где
Мmax - суммарный изгибающий момент;
Мkmax
- крутящий момент;
Fmax= 0 - осевая
сила;
W и WK -
моменты сопротивления сечения вала при расчете на изгиб и кручение;
А
- площадь поперечного сечения.
, (79)
где
КП=2,2 - коэффициент перегрузки.
Нм
Нм
, (80)
, (81)
где
d = 64 мм - диаметр опасного сечения;
h = 12 мм -
высота шпонки;
b = 18 мм -
ширина шпонки.
мм3
мм3
МПа
МПа
Находим
частичный коэффициент для запаса прочности:
, МПа,
(82)
, МПа,
(83)
где
МПа и
МПа -
пределы текучести материала.
МПа,
МПа
Общий
коэффициент запаса прочности по пределу текучести при совместном действии
нормальных и касательных сил.
МПа
(84)
где
ST=1,3…2 - минимально допустимое значение общего
коэффициента запаса прочности по текучести.
Статическая
прочность обеспечена т.к.
Расчет
на сопротивление усталости:
, (85)
где
=1,5…2,5 коэффициент запаса прочности;
- это
коэффициенты запаса прочности по касательным и нормальным напряжениям.
(86)
, (87)
где
σт и τт -
средние напряжения цикла;
σа и τа - амплитуды напряжения цикла;
ψσD и ψτD -
коэффициенты чувствительности к ассиметрии цикла напряжений для рассматриваемых
сечений;
σ-10 и τ-10 - пределы выносливостей вала в рассмотренном сечении.
В
расчетах валов принимаем, что касательные напряжения изменяются по отнулевому
циклу: τа=τк/2 и τт=τк/2, а
нормальные напряжения изменяются по симметричному циклу: σа=σи и σт=0.
Тогда:
(88)
, МПа,
(89)
, МПа,
(90)
М=135Нм; МК=573Нм; W=22884,5мм3; WК=48607,385мм3.
МПа
МПа
τ-1=240 МПа и σ-1=410 МПа - пределы выносливости гладких образцов при
симметричном цикле изгиба и кручения.
КσD и КτD -
коэффициенты снижения предела выносливости:
, (91)
. (92)
Кσ=2,2 и Кτ=2,05 -
эффективный коэффициент концентрации напряжении.
Кdσ=0,7 и Кdτ=0,7 - коэффициент для влияния абсолютных размеров
поперечных сечений.
КFσ=0,89 и КFτ=0,94
- коэффициенты влияния качества
поверхности.
КV=1 -
коэффициент влияния поверхностного упрочнения.
,
,
, (93)
МПа,
МПа,
,
,
,
Запас
прочности обеспечен т.к.
.
2.1.8 Уточненный расчёт подшипников (для тихоходного
вала)
Расчёт
подшипников на статическую грузоподъёмность.
№
312:
d = 60 мм; D =
130 мм; B = 31мм; r = 2,5 мм;
С
= 64,1 кН; С0 = 49,4 кН; X = 1; Y = 0; w=4,4об/мин; FA=0;
L10h=25000ч;
Кб=1,3 - коэффициент безопасности.
Эквивалентная
динамическая нагрузка:
, (94)
где
КТ=1
Тогда
получаем:
, (95)
Rr1=2006H
Rr2=1494H
Н
Н
Н
Н
Требуемый
подшипник подходит т.к СТР<Сr
Определяем
долговечность:
млн.оборотов,
(96)
млн.оборотов,
(97)
ч, (98)
ч. (99)
Полученная
долговечность больше требуемой, из этого следует, что подшипник подходит.
2.1.9 Расчет шпоночных и шлицевых соединений
Расчет шпонки на тихоходном валу под муфту:
диаметр вала d1=58 мм,
шпонка
ГОСТ 23360-78
расчет
шпонки на сжатие:
, (100)
где
[σ]см = 100 МПа.
МПа
.
расчет
на срез:
МПа
, (101)
где
МПа.
Расчет
шпонок под колесо:
диаметр
вала d1 - 64 мм,
шпонка
ГОСТ 23360-78
расчет
шпонки на сжатие:
МПа
расчет
на срез:
МПа
Расчет
шпонки на промежуточном валу под колесо:
диаметр
вала d1=56 мм,
шпонка
ГОСТ 23360-78
расчет
шпонки на сжатие:
МПа
расчет
на срез:
МПа
МПа
2.1.10 Назначение смазочной системы
Для снижения трения, а, следовательно, и быстрого выхода из строя деталей
и износа, должно быть обеспечено хорошее смазывание деталей.
Глубина погружения зубчатого колеса в масло определяется из соотношения
Принимаем
hM=20мм
Объем
масла определяем из расчета 0,25 дм3 на 1кВт передоваемой мощности.
дм3
По
таблице по окружной скорости и допускаемому напряжению выбираем вязкость =
. По найденной вязкости по таблице принимаем
индустриальное масло И-50А.
.1.11 Сборка редуктора
Сборку редуктора производят в следующей последовательности:
Сначала берём валы и вставляем шпонки в шпоночные пазы, затем на шпонки сажаем
зубчатые колёса. Затем на посадочные участки вала напрессовываем подшипники.
После этого промежуточный вал с подшипниками и колесом вставляем в
верхнюю часть редуктора, затем вставляем тихоходный вал, а после этого
быстроходный. Далее закрываем крышки редуктора и затягиваем соединительные
болты, потом закрываем подшипниковые крышки. Редуктор проверяется на вращение.
Далее проверяется герметичность, заливаем масло, и отправляем на испытание -
обкатку.
2.2 Расчет и проектирование гидропривода
натяжателя
.2.1 Расчет и выбор исполнительного ГД
.2.1.1 Нахождение скоростных и нагрузочныx
параметров гидродвигателя
Исходя из задания, применяем гидродвигатель поступательного движения,
по-другому - гидроцилиндр.
Для определения ГД нам нужно узнать максимальную скорость передвижения
штока, максимальное осевое усилие ГЦ. Эти значения берем по агрегату из баз
соответствующие заданию.
На штоке гидроцилиндра находим максимальные осевые усилия:
Rmax =
3 т = 29,4 кН.
Для рабочего органа находим максимальную скорость перемещения:
Vmax =
15 см/с = 0,15 м/с.
Находим максимальную длину перемещения органа рабочего:
S =
500 мм.
2.2.1.2 Выбор гидродвигателя и нахождение
параметров геометрических
Большое распространение получили поршневые ГЦ двухстороннего действия с
одно- и двухсторонним штоком, при этом двухсторонний шток нужно применить
только если, это не приводёт к увеличению габаритов исходного робота или
станка.
Для ГП принимается конструкция ГЦ, у которого односторонний шток
двухстороннего деиствия.
Ссылаясь на задание принимаем, исходя из ГОСТ 12445-80 принимаем рабочее
давление всей гидросистемы = 6,3 МПа.
Рассчитаем диаметр поршня ГЦ:
м, (102)
где p1 - давление в напорной полости ГЦ, МПа;- максимальные осевые
усилия, кН;
Ψ1 и Ψ2 - это коэффициенты, которые зависят от
конструкций ГЦ;- давление в сливных полостях ГЦ, МПа.
Из этого следует, что для выбранного ГЦ коэффициент отношений диаметров
штоков к диаметрам поршней Ψ1 = 0, Ψ2 = 0.71.
В сливной полости цилиндра, противодавление, нужно выбрать p2 = 0,7 МПа,
исходя из рекомендаций.
Значит, что диаметр поршня ГЦ:
м.
Исходя
из ГОСТ 12447-80 принимаем диаметр поршня равным 90 мм.
Согласно
этим значениям выбираем ГЦ с максимальным давлениям Pmax = 8 МПа, маркировка
гидроцилиндра 1-90х63х630 ТУ2-0221050.004 - 88. В таблице номер 2 предоставлены
главные характеристики для этого гидроцилиндра.
Таблица 2 - Главные характеристики ГЦ
|
№ п/п
|
Параметр
|
Значение
|
|
1
|
Давление номинальное, МПа
|
6,3
|
|
2
|
D поршня, мм
|
90
|
|
3
|
D штока, мм
|
63
|
|
4
|
Ход поршня, мм
|
630
|
|
5
|
Усилие максимальные на
штоке, толкающие, кН
|
36,05
|
2.2.2 Выбор схемы гидравлической и ее описание
Схема гидравлическая прижима верхнего ролика натяжателя представлена на
рисунке 6.
Главная проблема при работе ролика - это большие перегрузки по
механической части. Также возможен отрыв ролика от полосы. Вследствие чего
возможен брак. В дипломном проекте мы предлагаем модерницазию для устранения
данных недостатков.
Рисунок 6 - Схема гидравлическая нашего привода:
ЭМ1 и ЭМ2 - электромагниты реверсивного распределителя; ГЦ -
гидроцилиндр; Н1 - насос; Ф1 - фильтр; КП2 - клапан предохранительный; Р1 -
реверсивный распределитель; К01 - клапан обратный; Т1 - теплообменник; ПК1 -
клапан предохранительный
Рабочий ход (прижим роликов)
При рабочем ходе рабочая жидкость подаваемая насосной установкой Н1
проходит очистку в фильтре Ф и далее протекает через обратный клапан К01 к
гидрораспределителю Р1, включенному в прямом направлении. Далее рабочая
жидкость протекает в ГЦ. И из штоковой полости ГЦ жидкость протекает через
гидрораспределитель Р1, затем через теплообменник и после протекает в бак. ПК1
сохраняет насосную установку от перегрузок. Схема протекания рабочей жидкости
при рабочем ходе представлена на рисунке 7.
ПК2
Н1-Ф1-КО1--Р(Р1)А-Ц1-В(Р1)Т-Т1-Бак
ПК1
Рисунок 7 - Схема протекания рабочей жидкости при рабочем ходе
Обратный ход (отвод роликов).
При обратном ходе рабочая жидкость подаваемая насосом Н1 проходит очистку
в фильтре Ф и протекает через К01 к гидрораспределителю Р1, включенному в
обратном направлении, и далее протекает в штоковую область ГЦ. И из поршневой
полости гидроцилиндра ГЦ жидкость протекает через Р1, затем протекает через
теплообменник Т1 и предохранительный клапан КП2, и только после этого протекает
обратно в бак. Схема протекания рабочей жидкости при обратном ходе представлена
на рисунке 8.
ПК2
Н1-Ф1-КО1--Р(Р1)В-Ц1-А(Р1)Т-Т1-Бак
ПК1
Рисунок 8 - Схема протекания рабочей жидкости при обратном ходе
2.2.3 Выбираем и рассчитываем насосную установку
Исходя из расчета жидкости в гидроцилиндре при макс. скорости работы
выбираем насос.
Находим, при ходе ГЦ вперёд в поршневую полость, необходимый расход
рабочей жидкости:
, м3/с, (103)
где F1ст - площадь в поршневых полостях выбранного ГЦ, м2;
υ - скорости перемещений поршня, м/с.
Находим площадь в поршневой области цилиндра по формуле :
, м2 (104)
м2
υ = 0,15 м/с - скорость перемещения поршня
м3/с
(57,3 л/мин).
Рассчитываем
необходимый расход жидкости при ходе ГЦ назад в полость штоковую:
, м3/с, (105)
где F2ст - площадь в штоковой полости нашего ГЦ, м2.
υ - скорость перемещения поршня, м/с.
Находим площадь в штоковой полости цилиндра по формуле (1):
, м2, (106)
где dшст - диаметр штока для нашего ГЦ, м.
м2
м3/с
(29,2 л/мин).
Найдём
по формуле необходимое давление насоса с предварительным учетом потерь давления
в системе:
, МПа, (107)
МПа
Необходимая
подача насоса
мкуб/с (57.3 л/мин)
Опираясь
на полученные расчетные данные, принимаем пластинчатый, нерегулируемый насос.
Его маркировка БГ12-24М ТУ2-053-1364-78.
В
таблице номер 3 предоставлены характеристики для данного насоса
Таблица 3 - Характеристики
|
Параметр
|
Значение
|
|
Объём рабочий, см3
|
56
|
|
Давление номинальные, МПа
|
12,5
|
14
|
|
Подачи номинальные, л/мин
(м3/с)
|
73,9 (0,00123)
|
|
Коэффициент полезного
действия объёмный, %
|
88
|
Принимаем тип насосной установки для насоса:
С100.В - БГ12.12,5.73,9.19,6-13 УХЛ4 ТУ2-053-1781-86
С - тип установки; 3 - как исполняется по высоте; 100 - объём бака; БГ12
- как исполняется насосный агрегат с нерегулируемым насосом типа БГ12-24М; В -
насосная установка с теплообменником; 12,5 - давление номинальное для данной
установки в МПа; 19,6 - мощность электродвигателя, кВт; 73,9 - подача
номинальная для данного насоса, л/мин; 1 - диаметр условного прохода, 10 мм; 3
- давление номинальное настройки установки, 10МПа; УХЛ4 - исполнение
климатическое.
2.2.4 Выбираем и рассчитываем гидроаппаратуру и трубопроводы
Зададимся скоростью движения жидкости, для расчёта диаметров
трубопроводов, в зависимости от давления, согласно рекомендациям.
При давлении номинальном насосной установки для напорной линии принимаем P = 12,5 МПа uрек = 4 м/с;
для сливной и напорно-сливной линий uрек = 2 м/с.
Берём согласно ГОСТ 8734-75 стальные трубы в качестве трубопроводов.
Для участка трубы находим внутренний диаметр:
, м, (108)
где Q - это расход жидкости через трубу максимальный, м3/с;рек - скорость
протекания жидкости рабочей, согласно рекомендаций, м/с.
Толщина расчётная стенки для участка трубы находится по формуле:
, мм, (109)
где P - это давления жидкости рабочей максимальные в трубе, МПа;
[σ]вр - напряжения на растяжение
допускаемые, для стали оно равно [σ]вр=340 МПа;
kб - это коэффициент запаса, принимаем kб = 2…8.
Опираясь на давление в гидросистеме, используем соединение с ниппелем
шаровым, согласно ГОСТ2 Г91-26-78. К ниппелю, изначально на который надеваем
накидную гайку, привариваем стальной трубопровод. Для данного типа соединений подбираются
трубы из перечня рекомендованных.
1)Линии напорные 1-2; 3-4:
14 МПа,
73,9
л/мин (1,23 × 10-3 м3/с)
По
рекомендации принимается
= 4 м/с:
м (19
мм)
Выбираем
трубу 25х3 согласно ГОСТ 8734-75, с внутренним диаметром
мм. Проверка
:
мм
мм>
1,9 мм, следовательно наше условие выполняется.
2) Линия напорно-сливная 5-6:
14 МПа,
57,3 л/мин (0,954 × 10-3 м3/с)
Согласно
рекомендациям принимаем
= 2 м/с:
м (24,6
мм)
Берём
трубу 32х3.5, согласно ГОСТ 8734-75, с внутренним диаметром
мм. Проверка
:
мм
,5
мм> 2,6 мм, следовательно, наше условие выполняется.
)
Линия напорно-сливная 7-8:
14 МПа,
29,2 л/мин (4,86 × 10-4 м3/с)
Согласно
рекомендации принимаем
= 2 м/с:
м (17.6
мм)
Выбираем
трубу 25х3,согласно По ГОСТ 8734-75с внутренним диаметром
мм. Проверка
:
мм
мм>
1,95 мм, следовательно, наше условие выполняется.
)Линии
для слива 9-10, 10-11, 10-14, 17-18, 15-16:
14 МПа,
73,9 л/мин (1.23 × 10-3 м3/с)
Согласно
рекомендациям применяем
= 4 м/с:
м (19
мм)
Выбираем
трубу 25х3, согласно ГОСТ 8734-75, с внутренним диаметром
мм. Проверка
:
мм
мм>
1,95 мм, соответственно наше условие выполняется.
)Линия
для слива 12-13:
14 МПа,
57,3 л/мин (9,54 × 10-4 м3/с)
Согласно
рекомендациям принимаем
= 2 м/с:
м (24,6
мм)
Принимаем
трубу 32х3.5, согласно По ГОСТ 8734-75, с внутренним диаметром
мм. Проверка
:
мм
,5
мм> 2,6 мм, соответственно наше условие выполняется.
Выбираем из справочной литературы гидроаппаратуру, опираясь на величину
расхода и давления рабочего в линии, где установлен аппарат, при этом значение
давления и расхода номинального обязаны быть соседними большими, или же быть
равными к расчетам. Аппараты, которые выбираем должны подходить способу монтажа
по заданию.
Выбираем клапан (ПК1) МКПВ 16/3.В.2.В УХЛ4 ТУ2-053-5749043-88:
· расход
номинальный
л/мин,
· М - размеры
присоединительные, международные,
· КПВ - клапан
предохранительный,
· 16 - проход
условный,
· 3 - давление
максимальное
МПа,
· В -
означает, что встраиваемый монтаж,
· 2 -
гидроуправление и разгрузка - дистанционная,
· В - гайка и
винт, регулируемые под ключ
· УХЛ4 - тип
климатического исполнения.
Напорный фильтр маркировка 2ФГМ 32 ТУ2-053-1778-86:
· С давлением
номинальным
МПа,
· при
фильтрации тонкой с номинальным расходом 25 мкм
л/мин,
· возможный
перепад давлений
МПа,
· утечки внутренние
составляют
л/мин.
Гидрораспределитель типа 1BЕ16.44/В220
УХЛ4 ГОСТ 26890-86:
· давление
номинальное
МПа,
· расход
номинальный
л/мин,
· расход
максимальный
л/мин,
· пределы
перепада давления
МПа,
· 1 -
конструкционный номер,
· Р - это
распределитель
· Е - с
электрическим управлением
· 16 - с
условным проходом в мм,
· 44 - это
номер схемы по исполнению,
· с возвратом
пружинного типа,
· В220 -
напряжение в сети 220В, с переменным током,
· УХЛ4 - тип
климатического исполнения.
Клапан (ПК2) предохранительный МКПВ 16/3.С.2.В УХЛ4 ТУ2-053-5749043-88:
· С
номинальным расходом
л/мин,
· М - Означает
размеры присоединительные, международные,
· КПВ -
означает клапан предохранительный,
· 16 - с
условным проходом,
· 3 - с
максимальным давлением
МПа,
· С - тип
исполнения со стыковым монтажом,
· 2
-гидроуправление и разгрузка - дистанционные,
· В - гайка и
винт, регулируемые под ключ
· УХЛ4 - тип
климатического исполнения.
Клапан (К01) обратный МКОВ 16/3.2.В УХЛ4 ТУ 2-053 1841-87:
· С
номинальным расходом
МПа,
· М - размеры
присоединительные, международные,
· КО - клапан
обратного действия,
· 16 - с
условным проходом,
· 3 - с
максимальным давлением
МПа,
· В - тип
монтажа - встраиваемый,
· 2 -
гидроуправление и разгрузка - дистанционное,
· В - с гайкой
и винтом, регулируемым под ключ
· УХЛ4 - тип
климатического исполнения.
Теплообменник (Т1) МТ 16/3.С.2.В УХЛ4 ТУ 3612-014-00220302:
· С
номинальным расходом
л/мин,
· М - размеры
присоединительные, международные ,
· Т -
теплообменник,
· 16 - с
условным проходом,
· 3 - с
максимальным давлением
МПа,
· С - тип
монтажа - стыковой,
· 2 -
разгрузка и гидроуправление - дистанционное,
· В - гайка и
винт, регулируемые под ключ
· УХЛ4 - тип
климатического исполнения.
2.2.5 Разрабатываем блок управления
В блок управления входят такие аппараты как: реверсивный распределитель
Р1, обратный клапан К01, предохранительный клапан КП1. Редукционный клапан -
стыкуемый.
Рабочая жидкость, протекающая от насосной установки, когда протечёт через
фильтр, поступит сквозь отверстие «Р» в плиту блока управления. Затем она (при
ходе рабочем) поступит через клапан редукционный к отверстию «А» плиты блока
управления и поступит в полость поршневую ГЦ. Далее жидкость из области штока
поступит к отверстию «В» и далее протечет через распределитель Р1 к отверстию
«Т» на слив.
При подъёме ролика (обратный ход) жидкость через РР протечет к отверстию
«В» блока управления и затем протечет к штоковой области ГЦ. Из области поршня
ГЦ жидкость протечет к отверстию «А» блока управления плиты и далее через КО
встроенный в редукционный клапан поступит в ГР и далее к отверстию «Т» на слив.
На схеме гидропривода штрихпунктирной линией выделили схему гидроблока
управления.
2.2.6 Определяем потери давления в трубопроводах и аппаратах
.2.6.1 Определяем потери давления в аппаратах
Формула для определений потерь давлений в аппаратах:
, МПа, (110)
где Δp0 - перепад давления настройки аппарата или же открывания, МПа;и
B - это коэффициенты аппроксимации экспериментальной зависимости потерь
давления в зависимости от расхода через гидроаппарат;- максимальный расход РЖ
через аппарат, м3/с.
По формуле определяем коэффициенты аппроксимации экспериментальных
зависимостей потерь давления:
, МПа ·
с/м3
, МПа ·
с2/м6 (108)
где Δpном - при номинальных расходах потери давлений, МПа;ном -
номинальные расходы аппарата, м3/с.
В характеристиках на гидроаппараты указываются номинальные расходы,
перепады давлений открывания, либо же настройки аппарата и потерей давлений при
расходах номинальных.
Приводим расчеты потерь давлений для гидрораспределителя 1РЕ16.44/В220
УХЛ4 ГОСТ 26890-86:
· Qном = 63 л/мин (0,00105 м3/с);
· Δp0 = 0 МПа;
· Δpном =0,21 МПа.
Коэффициенты аппроксимации:
МПа ·
с/м3
МПа ·
с2/м6
Отсюда
вычисляем потери давлений при ходе рабочем и ходе обратном цилиндра.
Определяем
ход рабочий:
в
поршневую
м3/с:
МПа
из
штоковой
м3/с:
МПа
Определяем
ход обратный:
из
поршневой
м3/с:
МПа
в
штоковую
м3/с:
МПа
В
таблице номер 4 приведём расчетные значения полных перепадов давлений.
Таблица 4 - Полные перепады давления
|
Наименование гидроаппарата
|
Δp0, МПа
|
A, МПа · с/м3
|
B, МПа · с2 / м6
|
Этап цикла
|
Qmax, м3/с
|
ΔpГА, МПа
|
|
Напорные фильтра
|
0
|
30,1
|
22612,9
|
РХ ОХ
|
0,00095 0,00049
|
0,049 0,020
|
|
Гидрораспределители
|
0
|
198,1
|
373798,5
|
РХ ОХ
|
0,00095 0,00049
|
0,526 0,187
|
|
Обратные клапаны
|
0
|
150,4
|
113064,6
|
РХ ОХ
|
0,00095 0
|
0,246 0
|
Приведём перепады давлений полные, при обоих этапах, в линиях
гидрааппаратуры:
РХ (Ход рабочий):
· напорные
линии
МПа
· сливные
линии
МПа
ОХ (Ход обратный):
· напорные
линии
МПа
· сливные
линии
МПа
2.2.6.2 Определяем потери давлений в трубопроводах по длине
Чтобы найти по длине трубопроводов потери давления вычисляем числа
Рейнольдса:
, (111)
где
- кинематические коэффициенты вязкости жидкости,
м2/с;
-
фактические скорости течения жидкости в трубопроводе, м/с.
Определяем
потери на всякое трение по данной формуле:
, МПа, (112)
где Qmax - максимальные расходы жидкости в линии, м3/с;
r - плотности РЖ, кг/м3;
li - коэффициенты гидравлических трений на i - том участке;- это длина i - го участков трубопроводов, м;- это
площади внутреннего сечения i - го участков, м2;ст - внутренние диаметры i - го
участка трубопроводов, м.
Находим коэффициент li для гладкого цилиндрического трубопровода:
(113)
Для участков трубопроводов 1-2 полный расчет потерь давлений приводим при
максимальных значениях расхода жидкостей:
· берём трубу 25х3 ГОСТ 8734-75
· берём длину трубопроводов L = 0,15 м;
· принимаем внутренние диаметры трубопроводов dст = 0,019 м;
· получается максимальные расходы жидкости Qmax = 0,00123 м3/с
Жидкость рабочая И-50А ГОСТ 20799-75 :
· плотности рабочих жидкостей равно 910 кг/м3;
· кинематические
коэффициенты вязкости
= 50 · 10-6 м2/с.
Рассчитаем по формуле площади внутренних сечений трубопроводов:
, м2 (114)
м2.
По
формуле найдём фактическую скорость движений рабочих жидкостей в трубопроводах:
, м/с (115)
м/с
Рассчитаем
число Рейнольдса:
-
ламинарные потоки.
Па ≈
0,00213 МПа
Значения
потерь давлений по длинам трубопровода предоставлены в таблице номер 5.
Таблица
5 - Потери давлений по длинам трубопровода
|
Этап цикла
|
Линия
|
Номер участка
|
Тип участка
|
Qmax, м3/с
|
dТi, м
|
Li, м
|
fТi., м2
|
ui., м/с
|
Rei
|
i
|
pТi., МПа
|
|
Ход рабочий
|
Напор
|
1-2
|
Напор.
|
0,00123
|
0,019
|
0,15
|
0,000284
|
4,33
|
1645,4
|
0,0389
|
0,00213
|
|
|
3-4
|
Напор.
|
0,00123
|
0,019
|
0,15
|
0,000284
|
4,01
|
1645,4
|
0,0389
|
0,00193
|
|
|
5-6
|
Напорно-слив.
|
0,00095
|
0,025
|
1,5
|
0,000491
|
1,94
|
967,7
|
0,0661
|
0,0068
|
|
Ход рабочий
|
Сливная
|
7-8
|
Напорно-слив.
|
0,00049
|
0,019
|
1,8
|
0,000284
|
1,73
|
656,7
|
0,975
|
0,0125
|
|
|
9-11
|
Сливн.
|
0,00095
|
0,025
|
0,7
|
0,000491
|
1,94
|
967,7
|
0,0661
|
0,0032
|
|
Ход рабочий
|
Напор
|
1-2
|
Напор.
|
0,00123
|
0,019
|
0,15
|
0,000284
|
4,33
|
1645,4
|
0,0389
|
0,00213
|
|
|
3-4
|
Напор.
|
0,00123
|
0,019
|
0,15
|
0,000284
|
1,73
|
1645,4
|
0,0975
|
0,0010
|
|
|
8-7
|
Напорно-слив.
|
0,00049
|
0,019
|
1,8
|
0,000284
|
1,73
|
656,7
|
0,0975
|
0,0125
|
|
Сливная
|
6-5
|
Напорно-слив.
|
0,00095
|
0,025
|
1,5
|
0,000491
|
1,94
|
967,7
|
0,0661
|
0,0068
|
|
|
9-11
|
Сливн.
|
0,00095
|
0,025
|
0,7
|
0,000491
|
1,94
|
967,7
|
0,0661
|
0,0032
|
|
|
|
|
|
|
|
|
|
|
|
|
|
Опираясь на расчёты, общие потери получаются:
РХ (Ход рабочий):
· напорные
линии -
МПа;
· сливные
линии -
МПа.
ОХ (Ход обратный):
· напорные
линии -
МПа;
· сливные
линии -
МПа.
2.2.6.3 Местные потери давлений
По формуле находим местные потери давлений:
, МПа, (116)
где fМj - площади внутренних сечений трубопроводов
ζj - коэффициенты j-го местных сопротивлений;н
- число местного сопротивления;
перед j - тым сопротивлением м2.
Производим на участке 3-5 расчёты местных потерь для одних из местных
сопротивлений:
· местные сопротивления - тройник;
· максимальные расходы жидкостей Qmax = 0,00123 м3/с;
· коэффициенты местных сопротивлений
ζ = 0,1 (2);
· количества местного сопротивления n = 1.
Па
(0,0006 МПа)
В
таблице номер 6 приводим остальные местные потери.
Таблица
6 - Значения расчетов местных потерь давлений
|
Этапы работ
|
Линии
|
Участки
|
Виды местного сопротивления
|
Количество сопротив.
|
ρ,
кг/м3
|
Qmaxj. м3/с
|
ζj
|
dмj, м
|
fмj, м2
|
ΔPмj, МПа
|
|
Ход рабочий
|
Напорн
|
|
Блоки управления Угол 90
град
|
1
|
910
|
0,00123
|
0,1
|
0,019
|
0,000284
|
0,0006
|
|
|
3-4
|
Резкое сужения Ф25/Ф16 мм
(т. 4)
|
1
|
910
|
0,00095
|
0,65
|
0,025
|
0,000491
|
0,0011
|
|
|
4-р
|
Резкие расширения Ф16/Ф25
(т. 6)
|
1
|
910
|
0,00095
|
0,6
|
0,025
|
0,000491
|
0,0010
|
|
Сливн
|
7-8
|
Резкие сужения Ф19/Ф16 мм
(т. 9)
|
1
|
910
|
0,00049
|
0,68
|
0,019
|
0,000284
|
0,0009
|
|
|
8-В
|
Резкие расширения Ф16/Ф25
(т. 10)
|
1
|
910
|
0,00049
|
0,65
|
0,025
|
0,000491
|
0,0003
|
|
|
Т-9
|
Угол 90 град Ф25
|
2
|
910
|
0,00049
|
1,5
|
0,025
|
0,000491
|
0,0014
|
|
|
9-11
|
Тройник Ф25 (т. 11)
|
1
|
910
|
0,00049
|
0,1
|
0,025
|
0,000491
|
0,0001
|
Опираясь на полученные расчетные данные, общие местные потери получились:
РХ (Ход рабочий):
– напорные
линии -
МПа;
– сливные
линии -
МПа.
ОХ (Ход обратный):
– напорные
линии -
МПа;
– сливные
линии -
МПа.
2.2.6.4 Общие потери давления в системе
В таблице номер 7 предоставлена общая суммарная потеря давления в
гидросистеме.
Таблица 7 - Общие суммарные потери в гидросистеме
|
Этапы циклов
|
Линия
|
DPГА,
МПа
|
DPТ,
МПа
|
DPМ,
МПа
|
Dpå, МПа
|
|
Ход рабочий
|
Напорные
|
0,821
|
0,01086
|
0,0027
|
0,834
|
|
Сливные
|
0,187
|
0,0157
|
0,0027
|
0,205
|
|
Ход обратный
|
Напорные
|
0,207
|
0,01563
|
0,0017
|
0,224
|
|
Сливные
|
0,772
|
0,01
|
0,0077
|
0,789
|
2.2.7 Производим проверку насосной установки
С учётом всех потерь давление насосной установки обязано обеспечивать
необходимое давление в гидравлической системе.
, МПа. (117)
Потеря
давления максимальная
МПа.
МПа
Насосная
установка, которую мы выбрали полностью подходит нам по параметрам из задания.
3.
ТЕХНОЛОГИЧЕСКАЯ ЧАСТЬ
3.1 Разрабатываем технологический процесс
изготовления ролика
.1.1 Разрабатываем технологический процесс
механической обработки
.1.1.1 Описываем конструкции и назначение детали
Ролик натяжной предназначен для транспортировки полосы, создания
технологического натяжения и устанавливается в агрегате продольной резки.
Ось ролика изготовлена из стали 40Х по ГОСТ 4543-71.
В таблице номер 8 предоставлен химический состав.
Таблица 8 - Химический состав сталь 40Х
|
химический состав, %
|
|
углерод
|
кремний
|
марганец
|
хром
|
|
0,36-0,44
|
0,17-0,37
|
0,50-0,80
|
0,80-1,10
|
3.1.1.2 Выбор способа
изготовления заготовки
Выбрать заготовку - это значить устанавливаем способ
ее получения, рассчитываем ее размеры, назначаем припуск на обработки каждой
поверхности и указываем допуск на не точность изготовлений.
Следующие факторы оказывают влияние на выбор:
характеристики материалов и их свойства, с помощью
которых смогут определить, возможно ли применение литья, пластических
деформаций, сварки и порошковой металлургии;
конструктивные формы поверхности и размеры деталей, их
масса и так далее;
наличие техн.оборудования;
безопасность работы, экологические факторы и тому
подобное;
затраты на изготовления заготовок, далее уже
изготовление из них деталей, потом необходимо собрать, и только после этого
транспортировать и эксплуатировать готовое изделие.
На основе типа производства и по чертежам, производим
выбор способов получений заготовок и их формы.
Если конфигурация детали круглая, квадратная, шестигранная,
прямоугольная, то применяют заготовки из проката.
Способы изготовления заготовок применяют следующие:
) прокат;
) штамповка на ГКМ.
Выбранные методы оцениваем:
по стоимости заготовок;
по степени использования металла.
) Стоимость заготовки из проката
Если деталь изготавливается из проката, то затраты на заготовку
определяются по весу проката, требующегося на
изготовление детали, и
весу
сдаваемой стружки.
Для детали «ось ролика», следует принять способы получений заготовок из
проката с круглым сечением. Примем материал сталь 40Х ГОСТ 4543-71. Выбираем,
согласно ГОСТ 2590-88, сортовой горячекатаный прокат обычной точности. Область
применения проката и его виды представлена в таблице 9.
Таблица 9 - Область применения проката и его виды
|
Виды проката
|
ГОСТ
|
Области применения
|
|
Сортовые горячекатаные
круги:
|
|
А - высокая точность; Б -
повышенная точность; В - обычная точность калиброванная
|
2590-88 2590-88 2590-88
1051-73
|
Гладкий и ступенчатый вал с
маленьким перепадом в диаметре ступеней; стакан диаметром до 50 мм; втулка с
наружным диаметром до 25 мм
|
Принимаем по ГОСТ 2590-88 диаметр прутка, при отношении L/d<4, диаметр
прутка заготовки равен 27 мм. Берём условно длину заготовки = 50±2 мм.
На рисунке 9 представлена заготовка из проката круглого сечения.
Рисунок 9 - Заготовка из проката круглого сечения
Для определения массы заготовки определим объём заготовки по формуле:
, (118)
где
- диаметр заготовки, м;
- длина
заготовки, м.
Используя
справочные данные, определяем плотность сталь 40Х ρ=7,8 кг/м3, затем определяем массу заготовки, умножая
плотность на объём.
кг
Определяем
стоимость заготовки детали.
, руб.,
(119)
руб.
где Мз - масса заготовки кг;
Мд - масса детали кг;
Цз - цена 1 кг металла руб./кг;
Цо - цена 1 кг отходов руб./кг;
Кт - коэффициент класса точности заготовки;
Кс - коэффициент сложности заготовки;
Кв - коэффициент массы;
Км - коэффициент марки детали;
Кп - коэффициент серийности.
2) Стоимость заготовки, полученной методом горячей объемной штамповки на
ГКМ.
Определение припусков.
Для назначения припусков на обработку рассчитаем массу штамповки.
Находим объем металла, который необходим для получения детали:
кг.
Найдем
массу поковки:
кг (120)
Коэффициент
использования материала:
кг (121)
где
mД - масса детали;
mП - масса поковки.
Степень
сложности поковки - С1. Поковка второго класса точности- Т2.
Себестоимость
заготовки:
руб.,
(122)
где
- цена 1 кг металла руб./кг, Ci=30 рублей;
,
,
,
,
- это
всё коэффициенты, которые зависят соответственно от групп сложностей, классов
точностей, масс, объёмов производства и марок материалов
=1;
=0,75;
=0,73;
=1;
=1,15;
МЗ, МД -
масса соответственно заготовки и детали, кг;
- цена 1
кг отходов; руб.,
=28,1 рубль.
Подставляя
численные данные в формулу, получим:
руб.
По
результатам технико-экономического анализа, где сравнивалось - получение
заготовок на горизонтально - ковочной машине (метод 2) и заготовок, полученных
из проката (метод 1), было определено, что с экономической точки зрения
получение заготовок первым методом более экономично и значительно проще.
3.1.1.3 Разработка маршрута обработки с выбором
станочных приспособлений и оборудования
Технологический маршрут необходим для установления
порядка выполнения тех.операции.
Таблица 10 - Технологический маршрут механической обработки с выбором
станочных приспособлений и оборудования
|
Наименование операции
|
Оборудование
|
Приспособление
|
|
1
|
2
|
3
|
|
005 токарные автоматные
|
Токарные прутковые
полуавтоматы с числовым программным управлением 1365
|
Трехкулачковые
самоцентрирующиеся патроны с механизированными приводами зажимов - патроны
7100-0005 ГОСТ 2675-80.
|
|
010 Токарно-винторезные с
числовым программным управлением
|
Токарно-винторезные станки
с числовым программным управлением 16Б16Т1
|
Трехкулачковые
самоцентрирующиеся патроны - патроны 7100-0009 ГОСТ 2675-80. Кулачки
7019-8539, центр жесткий упорный ГОСТ 2576-79.
|
|
015 Вертикально-сверлильная
|
Вертикально-сверлильный
2Н118
|
Приспособление 7362-8900
собственного изготовления, головка револьверная 7760-8807.
|
|
020 Вертикально-сверлильная
|
Вертикально-сверлильный
2Н118
|
Приспособление кондукторное
7362-8806, патрон 7160-8807
|
|
025 Слесарная
|
Верстак слесарный
|
|
|
030 Промывочная
|
Моечная машина
|
Дроссельный клапан
56-У-5833
|
|
035 Контрольная
|
Стол контрольный
|
|
|
040 Термическая
|
Печь термическая
|
|
|
045 Круглошлифо- вальная
|
Круглошлифо- вальный 3В151А
|
Трехкулачковый
самоцентрирующийся патрон - патрон 7100-0005 ГОСТ 2675-80. Кулачки
собственного изготовления, центр жесткий упорный ГОСТ 2576-79.
|
|
050 Промывочная
|
Моечная машина
|
Дроссельный клапан
56-У-5833
|
|
055 Контрольная
|
Стол контрольный
|
|
Задачи, решаемые на этапе разработки маршрута:
Проектируется общий план обработки ;
Предварительно выбираем инструмент, средства
технологического оснащения;
приблизительно намечаем содержание операций.
У нас получается следующий маршрут технологического
процесса, который представлен в таблице номер 10.
3.1.1.4 Разработка
операционной технологии обработки детали
При проектировании тех.операций решаем комплекс
вопросов:
уточняем содержание операции (изначально задуманное в
маршруте обработки);
определяем порядок и содержание переходов;
окончательно выбираем средства технологического
оснащения;
устанавливаем режимы резания;
определяем нормы времени;
определяем настроечные размеры;
разрабатываем операционные эскизы;
определяем разряд и квалификация работы.
Согласно требований ГОСТ 14.301-83 разрабатываем операционный тех.процесс
обработки детали «Ось ролика».
Следующие операции и вспомогательные переходы входят в состав «общих правил
разработки технол. процессов и выбор средств технол. оснащения».
Технологические операции.
Токарная автоматная (Подготовка основных
технологических баз и предварительная обработка поверхностей)
Станок.
Габаритные размеры детали Ø
24 0 49. Масса - 0,18 кг.
Принимая во внимание габариты детали, ее массы и
точности выполнения токарной операции (9 квалитет) выбираем токарный прутковый
полуавтомат с ЧПУ 1365, с устройством автоматической подачи прутков.
Выбираем средства технол. оснащения.
Приспособление для установок и закреплений прутка.
Принимая во внимание присоединительные размеры станка
мод. 1365 установка и закрепление заготовки осуществляем в трехкулачковом
самоцентрирующемся патроне (Ø 160) с механизированными приводами зажимов
- патроны 7100-0005 ГОСТ 2675-80, выбирают исходя из назначений и
присоединительного размера станка, приспособления и вспомогательных оснасток.
Режущий инструмент.
Принимаем согласно ГОСТ 18880-73 резцы подрезные
отогнутые с пластинками из твердых сплавов - резец 2112-0035 ВК8; резцы
проходные упорные с пластинками из твердых сплавов - резец 2103-0007 ВК8 ГОСТ
18880-73; резцы отрезные с пластинками из твердых сплавов - резец 2100-0009 ВК8
ГОСТ 18879-73; сверла центровочные А6,3 ГОСТ 14952-75; сверла спиральные с
цилиндрическими хвостовиками Ø 4 ГОСТ 10903-77.
Средства технического контроля.
Штангенциркули ГОСТ 166-89 ШЦ - I - 125 - 0,1
Содержания операций.
Загружаем прутки в устройства подачи, закрепляем в
трехкулачковых патронах с гидроприводами зажимов обрабатываемые прутки на длину
65 мм от торца кулачков, с автоматизированной подачей прутков.
. Подрезаем торцы прутков. 2. Точим заготовки до
диаметров 25 мм на длину 52 мм. 3. Точим Ø 18 на длину 28. 4.Сверлим отверстие А6,3
ГОСТ 14034-74. 5. Сверлить отверстие Ø 4 на глубину 25 мм. 6. Отрезать
заготовку в размер 52±1 мм. Эскиз к этим операциям представлен на рисунке 10.
Рисунок 10 - Операционный эскиз №1
Токарно-винторезная с ЧПУ (Чистовая обработка поверхностей)
Станок. Токарно-винторезный станок с ЧПУ 16Б16Т1.
Установку и закрепление заготовки осуществляем в трехкулачковом
самоцентрирующимся патроне с поджатием жестким центром при установке Б,
установленном в задней бабке.
Средства технологических оснащений.
Трехкулачковые самоцентрирующиеся патроны - патрон 7100-0009 ГОСТ
2675-80. Кулачок 7019-8539. Центра жесткие упорные ГОСТ 2576-79.
Режущий инструмент.
Резцы проходные отогнутые правые (φ=60о) с пластинками из твердых сплавов -
резец 2102 -0005 Т15К6 ГОСТ 18877-73; резцы проходные отогнутые левые
(φ=60о) с
пластинками из твердых сплавов - резец 2102 -0006 Т15К6 ГОСТ 18877-73; резцы канавочные
специальные b=3 мм (собственного изготовления);
резцы отогнутые (φ=45о) с пластинками из твердых сплавов -
резец 2114-0035 ВК8 ГОСТ 18880-73.
Средства технического контроля.
Штангенциркули ГОСТ 166-89 ШЦ - I - 125 - 0,1.
Содержание операции.
Установ А. 1. Точить Ø 16,5 и торец, выдерживая размер 28. 2.
Точить канавку Ø 15,5, шириной 3 мм 3. Снять фаску 1х45°.
Эскиз к этим операциям представлен на рисунке 11.
Установ
Б. 1. Точить Ø
24,5 напроход. 2. Точить уступ с Ø 24,5 до Ø 20,5, выдерживая
размер
3. Точить канавку Ø 19,5, шириной 3 мм. 4. Точить фаску 1х 45о. Эскиз к этим
операциям представлен на рисунке 12.
Рисунок 11 - Операционный эскиз №2
Установ Б
Рисунок 12 - Операционный эскиз №3
Вертикально-сверлильная. (Зенкерование отверстия и
нарезание резьбы М5).
Станок. Вертикально-сверлильный 2Н118.
Осуществляем установку и закрепление заготовки в
специальном приспособлении.
Средства технологического оснащения.
Приспособление7362-8900 собственного изготовления,
головка револьверная 7760-8807.
Режущий инструмент.
Сверло-зенкер комбинированный с коническим хвостовиком
- сверло-зенкер собственного изготовления; метчик машинно-ручной для нарезания
метрической резьбы - метчик М500,8 ГОСТ 3266-81.
Средства технического контроля.
Штангенциркуль ШЦ - I - 125 - 0,1 ГОСТ 166-89; калибр-пробка резьбовая
двухсторонняя М500,8
Содержание операции.
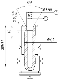
. Рассверлить отверстие Ø 4 до Ø 4,2 под резьбу и одновременно зенкеровать
выдерживая размеры 3,5, 38, Ø8 и угол 60° . 2. Нарезать резьбу М 5
на глубину 13 мм. Эскиз к этим операциям представлен на рисунке 13.
Рисунок 13 - Операционный эскиз №4
Вертикально-сверлильная. (Сверление 2 отверстий на
цилиндрических поверхностях).
Станок.
Вертикально-сверлильный 2Н118.
Осуществляем в специальном приспособлении установка и
закрепление заготовки.
Средства технологического оснащения.
Приспособление кондукторное 7362-8806, патрон 7160-8807.
Режущий инструмент
Сверло спиральное с цилиндрическим хвостовиком -
сверло 2301-0400 ГОСТ 10903-77; зенковка коническая с углом при вершите 90о с
цилиндрическим хвостовиком - зенковка Ø 8 ГОСТ 14953-80.
Средства технического контроля.
Штангенциркуль ШЦ - I - 125 - 0,1 ГОСТ 166-89; калибр-пробка гладкая двухсторонняя
Ø4
мм.
Содержание операции.
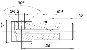
Установ А. 1. Сверлить отверстие Ø
4,2 до пересечения с
отв. Ø4.2,
выдерживая размер 35. 2.
Зенковать отверстие Ø8, угол 90°. 3. Сверлить отверстие Ø4
до пересечения с отв. Ø4.2,
выдерживая размер 15 мм.
Эскиз к этим операциям представлен на рисунке 14.
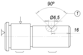
Установ Б. Повернуть деталь на 180°. Засверлить
отверстие Ø6,5, выдерживая угол 90°и размер 16 мм. Эскиз к этим операциям
представлен на рисунке 15.
Установ А.
Рисунок 14 - Операционный эскиз №5
Установ Б.
Рисунок 15 - Операционный эскиз №6
025 Слесарная (Зачистка заусенцев и снятие острых
кромок).
Промывочная (Очистка от загрязнений горячим содовым
раствором).
Контрольная (Промежуточный контроль - выборочно из
партии).
Термическая (Закалка).
Круглошлифовальная (Подготовка поверхностей под
нарезание шлицев)
Оборудование.
Круглошлифовальный станок 3В151А
Установка и закрепление заготовки осуществляется в
трёхкулачковом самоцентрирующемся патроне с поджимом упорным центром, с
выверкой по индикатору.
Средства технологического оснащения.
Трехкулачковые самоцентрирующиеся патроны - патрон
7100-0005 ГОСТ 2675-80. Кулачок собственного изготовления, центра жесткие
упорные ГОСТ 2576-79.
Режущий инструмент.
Круги шлифовальные ПП 500 х 63 х 32; 15А40С27К ГОСТ
2424-83.
Средства технического контроля
Микрометры гладкие МК 50 - 75 ГОСТ 6507-90; МК 75 -
100 ГОСТ 6507-90. Образцы шероховатости.
Содержание операции.
) Шлифовать Ø 16Н7.
Эскиз к этим операциям представлен на рисунке 16.
Рисунок 16 - Операционный эскиз №7
Промывочная (Очистка от загрязнений горячим содовым
раствором).
Контрольная.
Оборудование. Стол контролера. Плиты поверочные 400 х
400 ГОСТ 10905-86. Стойка С-II
ГОСТ 10197-70. Штатив с магнитным основанием - ШМ - IIВ. Центра ПБ - 500М ТУ 2-034-543 - 81.
Средства технического контроля:
Скобы рычажные СР 50-75 ГОСТ 11098-75; СР 75-100 ГОСТ
11098-75.
Индикаторные нутромеры НИ - 100М ГОСТ 868-82.
Штангенциркули ШЦ - II - 400 - 0,05; штангенциркули ШЦ - II - 200 - 0,05; штангенциркули ШЦ - I - 125 - 0,1 ГОСТ 166-99.
Индикаторы часового типа ИЧ 10 ГОСТ 577-68.Индикаторы
многооборотные 2МИГП ГОСТ 9696-82.
Нормалемеры БВ - 5045 ГОСТ 5368-81.
. Контролировать размеры: Ø
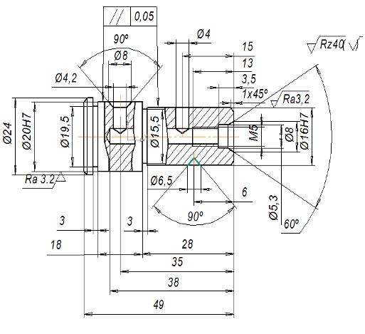
16,5Н7,
Ø20Н7, Ø19,5;
Ø15,5-0,2, Ø 4,2, отв. М5; линейные размеры: 49, 28, 38, 35,13, 16; 18, 3, 5.
. Шероховатость поверхности Ra= 3,2; Rz=40.
Эскиз к этим операциям представлен на рисунке 17.
Рисунок 17 - Операционный эскиз №8
3.1.2 Выбор и обоснование технологических баз
При разработке технологических операций особое внимание уделяем выбору
баз, для обеспечения заданной точности обработки детали и выполнения требований
чертежа.
При выборе баз необходимо применять поверхности, не подлежащие обработке,
а если деталь имеет несколько необработанных поверхностей, то необходимо за
базу принимать ту, которая имеет наименьшее смещение относительно своей оси или
быть с наименьшими припусками на обработку.
При выборе баз необходимо принимать те, на которые дан размер на чертеже,
определяющий положение обрабатываемой поверхности.
Базы должны обеспечивать отсутствие недоступных деформаций и детали и
простоту конструкции станочного приспособления с удобной установкой,
закреплением и снятием обрабатываемой детали.
Базовые поверхности на операции механической обработки детали ось ролика
указаны в таблице 11.
Таблица 11 - Базовые поверхности
|
Наименование и номер
операции
|
Тип и модель оборудования
|
Базовая поверхность
|
|
|
005 Токарная автоматная
|
Токарный прутковый
полуавтомат с ЧПУ 1365
|
Цилиндрическая поверхность
прутка
|
|
|
010 Токарно-винторезная с
ЧПУ
|
Токарно-винторезный станок
с ЧПУ 16Б16Т1
|
Установ А: Подрезанный торец
заготовки, Ø25
мм. Установ Б: Подрезанный торец
заготовки, Ø16,5Н11 мм.
|
|
|
015 Вертикально-
сверлильная
|
Вертикально- сверлильный
2Н118
|
Подрезанный торец
заготовки, Ø20,5
мм, Ø16,5Н11 мм.
|
|
|
020 Вертикально-
сверлильная
|
Вертикально- сверлильный
2Н118
|
Подрезанный торец
заготовки, Ø20,5
Н11мм, Ø16,5Н11 мм .
|
|
|
025 Слесарная
|
Верстак слесарный
|
-
|
|
|
030 Промывочная
|
Моечная машина
|
-
|
|
|
035 Контрольная
|
Стол контрольный
|
-
|
|
|
040 Термическая
|
Печь термическая
|
-
|
|
|
045 Круглошлифо- вальная
|
Круглошлифо- вальный 3В151А
|
Отверстие Ø80 60°, головка Ø24, торец.
|
|
050 Промывочная
|
Моечная машина
|
-
|
|
055 Контрольная
|
Стол контрольный
|
-
|
|
|
|
|
|
3.1.3 Определение припусков и межоперационных
размеров и допусков на них табличным методом
При определении припусков по табличному (опытно-статистическому) методу
общий и операционные припуски берутся по таблицам справочных данных,
составленных на основании обобщения и систематизации производственных
наблюдений ряда предприятий.
Припуски устанавливаются на номинальные размеры деталей, указанных на
чертеже. На основании результатов определения припусков для рассчитываемых
поверхностей вращения, одного линейного размера и отверстия под резьбу
определяются межоперационные размеры и допуски на них. Полученные данные
указаны в таблице 12.
Таблица 12 - Припуски, операционные размеры и допуски при обработке оси
ролика длиной 49 мм
|
Маршрут обработки
поверхности
|
Экономическая точность
|
Операционный размер, мм
|
Припуск на диаметр, мм
|
Прим.
|
|
Квалитет
|
Шерохова тость
|
|
|
|
|
Обработка поверхности оси
ролика из стали 40Х - Ø16
Н7
|
|
Заготовка - сортовой
горячекатаный прокат обычной точности по ГОСТ 2590-88.
|
13
|
Rz80
|
Ǿ 27
|
|
Обр. за три прохода Припуск
на один проход
|
|
Точение черновое
|
11
|
Rа12,5
|
Ǿ 18h11(-0,11)
|
201,5
|
|
|
Точение чистовое
|
9
|
Rz40
|
Ǿ 16,5h9(-
0,043)
|
200,75
|
|
|
Шлифование чистовое
|
7
|
Ra3,2
|
Ǿ16
h7(-0,018)
|
200,25
|
|
|
Обработка поверхности оси
ролика из стали 40Х - Ø20
Н7
|
|
Заготовка - сортовой
горячекатаный прокат обычной точности по ГОСТ 2590.
|
13
|
Rz80
|
Ǿ 27
|
-
|
|
|
Точение черновое
|
11
|
Rа12,5
|
Ǿ 25h11(-0,13)
|
201
|
|
|
Точение получистовое
|
11
|
Rа12,5
|
Ǿ 24,5h11(-0,13)
|
201,25
|
|
|
Точение чистовое
|
9
|
Rz40
|
Ǿ 20,5h9(-
0,052)
|
201
|
|
|
Шлифование чистовое
|
7
|
Ra3,2
|
Ǿ 20 h7(-0.021)
|
200,75
|
|
|
Подрезка торцев оси из
стали 40Х, в размер 49Н10
|
|
Заготовка - сортовой
горячекатаный прокат обычной точности по ГОСТ 2590
|
13
|
Rz80
|
52h13-(0,74)
|
-
|
|
|
Точение черновое
|
12
|
Rz40
|
50h12(-0,25)
|
2,0
|
|
|
Точение чистовое
|
10
|
Rz40
|
49h10(- 0,1)
|
1
|
|
|
Сверление отверстия Ø4,2Н7 под резьбу М500,8
|
|
Заготовка - сортовой
горячекатаный прокат обычной точности по ГОСТ 2590-88.
|
13
|
Rz80
|
Ǿ 27
|
-
|
|
|
Сверление получистовое
|
11
|
Rz40
|
Ǿ 4H11(+0,075)
|
-
|
52
|
|
Сверление чистовое
|
9
|
Rz40
|
Ǿ 4,2H9(-+0,03)
|
200,1
|
52
|
|
Нарезание резьбы
|
7
|
Rz40
|
М5-5Н6Н(+0,012)
|
200,4
|
|
|
|
|
|
|
|
|
|
Графическая
схема расположения припусков и допусков на обработку поверхностей Ø16h7
представлена на рисунке 18.
Рисунок
18 - Графическая схема расположения припусков и допусков на обработку
поверхностей
Ø16h7
3.1.4 Разработка управляющей программы для станка с
числовым программным управлением
Программная
операция - токарно-винторезная. Модель станка16Б16Т1.
Программа
для растачивания канавки.
В
программе применялись следующие команды:- подготовительная функция значения
скорости резания, м/мини W - прямолинейное перемещение по осям X и Z
Т0101
- адрес инструмента
Х50
- перемещение по оси X- задание координаты конечной точки перемещения
исполнительного органа станка вдоль оси Z,05 - задание скорости результирующего
прямолинейного перемещения инструмента относительно заготовки- задание скорости
вращения вала шпинделя
М3
- вспомогательная функция, вращение шпинделя вперед
I15 - расстояние
подвода по диаметру в направлении оси Х- круговое перемещение по оси Х (диаметр
вала 1)
В20
- круговое перемещение по оси Y (диаметр вала 2)
С3,78
- круговое перемещение по оси Z (ширина канавки, отрицательная величина)
F0,5 - глубина
канавки
Z3 - перемещение
по оси Z-количество проходов
К2
- ширина инструмента
R0 - скругление
на торце- радиус основания канавки,5 - величина скругления торца,5 - величина
скругления канавки
Х0
- внутренняя канавка
М30
- конец программы.
Эскиз
растачивания канавки представлен на рисунке 19.
Рисунок
19 - Эскиз растачивания канавки
В
таблице номер 13 представлена управляющая программа станка с числовым
программным управлением.
Таблица
13 - Управляющая программа
|
№ кадра
|
Содержание кадра
|
|
%
|
|
N10
|
G30 U0 W0
|
|
N20
|
Т0101
|
|
N15
|
G96 X50 Z3
F0.05 S110 M3
|
|
N20
|
G110 I15 A16 B20
C-3.78 F0.5 Z-3 J3 K-2 R0 S1 T0.5 U0.5 X0
|
|
N260
|
G30 U0 W0
|
|
N270
|
M30
|
|
%
|
3.1.5 Назначение режимов резания
Режимы резания - совокупность скорости, подачи и глубины резания. Режимы
обработки определяют, во-первых, точность обработки, во-вторых, качество
обработанной поверхности, в-третьих, производительность, в-четвертых,
себестоимость обработки и условий работы оборудований и рабочего персонала.
Факторы, которые влияют на выбор режима резания:
‒ материалы, формы, жесткость и прочность обрабатываемых заготовок;
‒ виды режущих инструментов, материалы их режущих кромок,
жесткость и прочность;
‒ как закрепляются заготовки в станке;
‒ мощности главных приводов станков.
Произведем расчёты режимов резания расчётно-аналитическими методами для
операции 010 Токарно-винторезная с числовым программным управлением, для
первого перехода Установим А.
Переход номер 1. Точить поверхности диаметрами 18+0,2 мм до диаметров
16,5-0,6 мм на длину 28±0,2 мм.
Материал деталей принимаем Сталь 40Х ГОСТ 4543-71.
Типы и размеры инструментов - резцы проходные упорные с пластинками из
твердых сплавов - резец 2103-0007 ВК8 ГОСТ 18880-73, размеры для державок 16´25 мм;
Материалы пластины резцов ВК8;
Главный угол в плане j=45°.
Назначим подачуs=0,15
мм/об.
Глубина резания вычисляем по формуле:
, мм,
(123)
где D-диаметры прутков до обтачивания, мм;
d-диаметры
прутков после обтачивания, мм.
мм.
Скорость
резания при точении определяем по формуле:
, м/мин,
(124)
где
t-глубины резания, мм;
-
постоянная величина,
=350;
- период
стойкости инструментов, 60 мин;
x, y, m-показатель
степени;
-поправочный
коэффициент;
s- это подача,
мм/об.
, (125)
где
-коэффициент, который учитывает материалы заготовок;
-коэффициент,
который учитывает состояние поверхностей заготовок;
коэффициент,
который учитывает материал инструментов.
, (126)
где
-коэффициент, который характеризует группу стали по
обрабатываемости;
-пределы
прочности материалов, МПа;
коэффициент,
который учитывает материалы заготовок.
При
При
При
мин.
м/мин.
Находим
частоту вращения шпинделя:
, об/мин,
(127)
где
-диаметр, который обрабатывается, мм;
-скорость
с которой режем, м/ мин.
об/мин.
Принимаем
по паспорту станка
и определяем действительные скорости, с которой мы
режем.
м/мин.
Определим
мощности резания:
, (128)
где
- это тангенциальные составляющие силы резания, Н;
-скорость,
с которой происходит операция резания, м/мин.
Определим
по формуле Тангенциальную составляющую:
, Н,
(129)
где s - подача, мм/об;
- глубина
резания, мм;
-скорость
резания, м/ мин;
Ср-
const;
x, y, n-показатель
степени;
Кр
-поправочный коэффициент.
, (130)
где
-коэффициенты, которые учитывают геометрию резцов.
(131)
При
МПа
При
При
Н
Результат, который у нас получился, полностью удовлетворяет нашему
условию.
Из
этого делаем вывод, что оборудование выбрано правильно.
При точении и растачивании определяют силу резания Pz. Н; при сверлении,
зенкеровании, круглом шлифовании определяют крутящий момент МКР, Н.
Режимы резания на операции механической обработки детали «ось ролика»
указаны в таблице 14.
Таблица 14 - Режимы резания для операции 010. Установ А
|
№ перехода
|
№ инстр.
|
Обознач. инструмента
|
D либо В
|
L
|
t
|
i
|
S
|
n
|
V
|
|
1
|
1
|
резцы 2102-0005 Т15К6
|
16,5
|
28
|
1,5
|
1
|
0,6
|
2000
|
168,75
|
|
2
|
2
|
Резцы канавочные
специальные
|
15,5
|
3
|
0,5
|
1
|
0,15
|
1751,6
|
110
|
|
3
|
3
|
резцы 2103- 0007 ВК8
|
1х45°
|
1
|
0,5
|
1
|
0,08
|
1672
|
105
|
3.1.6 Нормирование технологического процесса
После того как определились с содержанием операции,
выбрали оборудование, инструмент, назначили режимы резания, определим норму
времени в следующих последовательностях.
. Из проведенных рассчитанных режимов работы
оборудования по каждому переходу (обрабатываемой поверхности) вычисляем
основное время обработки детали.
. По каждому переходу (обрабатываемой поверхности)
установим необходимые комплексы приемов вспомогательных работ и определим
время, которое помогает, путем суммирования всех его элементов. Вспомогательное
время на установку и снятие детали учитываем для каждой технологической
операции один раз. Обычно это время учитываем в первом технологическом переходе
(обрабатываемой поверхности).
. По каждой технологической операции определяем
оперативное время обработки детали по формуле
, мин,
(132)
4. В зависимости от точности детали и средства
измерения устанавливаем вспомогательное время на контрольные измерения.
. По нормативам установим время, которое нам
понадобится для обслуживания рабочих мест, время для отдыха и естественных
надобностей.
. По формуле определим так называемое штучное время на
техн. операцию:
, мин,
(133)
где
- это машинное время, мин;
- это
время, которое помогает (вспомог.), мин;
-время на
организационные обслуживания, в % от
;
- время
для отдыха и личных надобностей рабочих, в % от
;
- время
предназначенное для перерыва, которые обуславливаются технологиями, в % от
;
- время
для техн. обслуживание рабочих мест, в % от
;
-время
операт., мин.
7. По таблице 15 определим подготовительное
заключительное время для обработок партий деталей.
8. По формуле определим норму времени в виде штучного калькуляционного
времени:
, мин,
(134)
где
- это штучное время, мин;
- это
подготовительное заключительное время, мин*;
- это
количество в партии деталей шт.
Данные,
которые мы получили, записываем в таблицу номер 15, которую составляем в
редакторе MsExcel для расчётов.
Таблица 15 - Сводная ведомость норм времени на
операции механической обработки детали ось ролика
|
Операции, установн, переход
|
Основное (машинное) время,
мин
|
Вспомогат. время, мин
|
|
|
Установ. и снятие детали
|
Связанные с переходами
|
замена инструментов
|
Изменения подач.
|
Изменениея количества
оборотов
|
Контрольное измерение
|
Всего
|
|
005 Токарные.
|
|
|
|
|
|
|
|
|
|
1. Подрезаем торец прутка
|
0,68
|
0,35
|
|
-
|
-
|
-
|
1,03
|
|
2. Точим до Ø25
|
1,32
|
1,20
|
0,32
|
-
|
0,07
|
0,07
|
-
|
1,27
|
|
3. Точим Ø18
|
1,25
|
1,10
|
0,28
|
-
|
0,05
|
0,05
|
-
|
1,32
|
|
4. Сверлим отверстие А6,3
ГОСТ 14034 - 74
|
0,18
|
-
|
0,25
|
0,07
|
0,07
|
0,07
|
0,12
|
0,58
|
|
5. Сверлим отверстие Ø4
|
0,2
|
-
|
0,25
|
0,07
|
0,07
|
0,07
|
0,1
|
0,54
|
|
Отрезаем заготовку в размер
52
|
0,68
|
|
0,35
|
|
-
|
-
|
-
|
1,03
|
|
Всего
|
3,84
|
|
|
|
|
|
|
5,77
|
|
Опeрaтивнoe
врeмя, мин
|
9,61
|
|
Штучнoe
врeмя, мин
|
13,31
|
|
Подготов.-заключ.
время/партия деталей., мин
|
20/605
|
|
Штучное калькуляционное
время, мин
|
13,34
|
|
010 Токарные с числовым
программным управлением Установн А
|
|
|
|
|
|
|
|
|
|
1. Точим Ø 16,5 и торец.
|
1,63
|
1,50
|
0,38
|
-
|
0,07
|
0,07
|
-
|
1,32
|
|
2. Точим канавку Ø 15,5
|
0,91
|
-
|
0,38
|
0,07
|
-
|
0,07
|
-
|
0,52
|
|
3. Снимаем фаску 1045°
|
0,37
|
-
|
0,38
|
-
|
-
|
-
|
-
|
0,38
|
|
010 Токарные с числовым
программным управлением Установн Б
|
0,19
|
-
|
0,38
|
-
|
-
|
-
|
-
|
0,48
|
|
1. Точим Ø 24,5
|
0,64
|
-
|
0,38
|
0,07
|
0,07
|
-
|
-
|
0,52
|
|
2. Точим уступ с Ø 24,5 до Ø20,5
|
0,69
|
-
|
0,38
|
0,07
|
-
|
0,07
|
-
|
0,52
|
|
3. Точим канавку Ø 19,5
|
0,34
|
-
|
0,38
|
-
|
-
|
-
|
-
|
0,38
|
|
4. Снимаем фаску 1045°
|
0,15
|
-
|
0,38
|
-
|
0,07
|
-
|
0,12
|
0,57
|
|
Всего
|
4,92
|
|
|
|
|
|
|
4,69
|
|
Оперaтивнoe
время, мин
|
9,61
|
|
Штучнoe
время, мин
|
10,24
|
|
Подготов.-заключ.
время/партия деталей., мин
|
20/605
|
|
Штучное калькуляционное
время, мин
|
10,45
|
|
015 Вертикально-сверлильнын
|
|
|
|
|
|
|
|
|
|
1. Рассверливаем отверстие Ø4 до Ø4,2 и
одновременно зенкеруем на глубину 3,5 мм.
|
0,19
|
0,9
|
0,22
|
0,08
|
0,08
|
0,07
|
0,1
|
0,74
|
|
2.Нарезаем резьбу М5
|
0,09
|
-
|
0,22
|
0,07
|
0,07
|
0,07
|
0,1
|
0,54
|
|
Всего
|
0,28
|
|
|
|
|
|
|
1,28
|
|
Оперативное время, мин
|
1,56
|
|
Штучное время, мин
|
2
|
|
Подгот.-заключ.
время/партия деталей., мин
|
15/605
|
|
Штучное калькуляционное
время, мин
|
2,08
|
|
020 Вертикально-сверлильные
Установн А
|
|
|
|
|
|
|
|
|
|
1. Сверлим отверстие Ø 4,2
|
0,2
|
0,1
|
0,25
|
0,07
|
0,07
|
0,07
|
0,1
|
0,64
|
|
2.Зенкеруем отверстие Ø8.
|
0,2
|
-
|
0,15
|
0,05
|
0,07
|
0,07
|
0,1
|
0,52
|
|
3. Сверлим отверстие Ø4
|
0,2
|
0,1
|
0,25
|
0,07
|
0,07
|
0,07
|
0,1
|
0,64
|
|
020 Вертикально-сверлильные
Установн Б
|
|
|
|
|
|
|
|
|
|
1.Засверливаем отверстие Ø6,5
|
0,08
|
0,1
|
0,15
|
0,05
|
0,06
|
0,07
|
0,1
|
0,61
|
|
Всего
|
0,68
|
|
|
|
|
|
|
2,41
|
|
Оперативное время, мин
|
3,09
|
|
Штучное время, мин
|
3,15
|
|
Подготов.-заключ.
время/партия деталей., мин
|
15/605
|
|
Штучное калькуляционное
время, мин
|
3,22
|
|
045 Круглошлифовальные
|
|
|
|
|
|
|
|
|
|
1. Шлифуем Ø 16Н7
|
0,34
|
-
|
0,38
|
-
|
-
|
-
|
-
|
0,38
|
|
2.Шлифуем Ø 20Н7
|
0,15
|
-
|
0,38
|
-
|
0,07
|
-
|
0,12
|
0,57
|
|
Всего
|
0,49
|
|
|
|
|
|
|
0,95
|
|
Оперативное время, мин
|
1,44
|
|
Штучное время, мин
|
2,08
|
|
Подготов.-заключ.
время/партия деталей., мин
|
13/605
|
|
Всего
|
34,26
|
|
Общая трудоёмкость
изготовление деталей час
|
0,571
|
|
|
|
|
|
|
|
|
|
|
|
|
|
3.2 Расчет и проектирование
червячной фрезы
.2.1 Произведём расчеты для червячно-модульной
фрезы
1.
Предварительно выберем фрезу наружного диаметра
по ГОСТ
9324 - 80Е.
В
задании нам дано, что фреза цельная общего назначения, это принадлежит типу
фрез номер два. По ГОСТ 9324 - 80Е выбираем предварительные наружные диаметры
фрезы
.
.
По размерам инструментальной рейки возьмем размеры профилей нарезки в
нормальных сечениях. Согласно ГОСТ 9324 - 80Е зубья изготавливается без
модификаций. По формулам рассчитываем главные размеры для зубьев:
- шаг зубьев
мм. (135)
-
ход зубьев фрезы
мм, (136)
где
- количество заходов нашей фрезы (исходя из задания у
нас однозаходная фреза).
- толщина зубьев в нормальных сечениях по делительных
окружностях рассчитаем по формулам для чистовой фрезы (исходя из задания фреза
нужна для чистовых обработок).
мм, (137)
где
мм. (138)
это
толщина зубьев колес по делительным окружностям.
это
высота головок зубьев фрезы:
мм, (139)
где
- высота ножек зубьев колес;
-
коэффициент высот зубьев.
- это высота ножек зубьев фрезы:
мм. (140)
это
высота зубьев фрезы:
мм. (141)
это
радиус закруглений головок и ножек зубьев
мм. (142)
мм. (143)
Ширина
канавок
; глубина канавок
; радиус
канавок
.
Выбор геометричес. параметров фрезы
Выбираем
задний угол при вершине зубьев
;
Выбираем
передний угол для чистовых фрез
;
Рассчитаем
по формуле задний угол боковых сторон зубьев в нормальном сечении:
, (144)
где
- угол профиля исходных контуров.
.
По формуле определим диаметр посадочных отверстий фрезы:
мм, (145)
где
- это высота зубьев фрезы.
Значение,
которое мы получили, округлим до ближнего значения из нормального ряда:
.
По формуле рассчитаем диаметр окружностей:
мм,
(146)
где
мм - диаметр посадочных отверстий фрезы.
.
Принимаем число зубьев, исходя из зависимости от типа фрезы и модуля.
Берём
число
.
.
Величины затылования зубьев фрезы посчитаем по формуле:
мм, (147)
где
- наружные диаметры фрезы;
- количество зубьев фрез;
- задний углы при вершине зубьев.
Необходимо
шлифовать заднюю поверхность зубьев не менее чем на 1/3 длины зубьев по
окружностям их вершин, для того, чтобы обеспечить требуемую точность профиля и
повышенную стойкость фрезы. Принимаем величину дополнительного затылования у
фрез со шлифованными профилями равными
мм.
.
Определим глубины стружечных канавок:
Глубина
канавок
равна
мм, (148)
где
- радиус закруглений дна стружечных канавок.
.
Сверим наружный диаметр фрез
По
ГОСТ 9324 - 80Е принимаем наружный диаметр фрез
.
Выберем угол стружечной канавки
в
зависимости от
:
,
соответственно
.
Найдём диаметр начальных цилиндров в начальном сечении:
мм, (149)
где
мм - высота головок зубьев фрез; К = 7,7мм -
затылование.
.
По формуле найдём углы подъема витков фрез на исходном цилиндре в рассчитанном
сечении:
, (150)
где
шаг зубьев фрез;
диаметр
исходного цилиндра фрез в рассчитанном сечении.
.
Делаем выбор углов наклона стружечных канавок.
Направление
витков вынтовых стружечных канавок - противоположное. Так как фреза с углом
подъёма
, что меньше 60, следовательно, фрезу делают с прямыми
осевыми стружечными канавами.
.
Найдём шаг стружечной канавки с точностью до миллиметра.
мм. (151)
.
По формуле находим ход витков нашей фрезы:
мм. (152)
.
Находим шаг витков фрезы по формуле:
мм. (153)
.
Находим диаметр выточки в отверстиях по формуле:
мм. (154)
.
Находим диаметр буртика фрез, который шлифуется по диаметру и служит как
контроль биения фрез при производстве точности ее установки на оправках
шпинделя станков.
мм. (155)
.
Находим рабочую длину фрезы по формуле:
мм, (156)
где
мм, (157)
это
высота зубьев колеса;
мм - осевой шаг витков фрез.
.
Находим общую длину фрезы по формуле:
мм, (158)
где
l1 = 6 мм - это длина буртиков фрезы.
Длины
поясков на посадочных диаметрах отверстия равны:
мм.
Примем
L = 35 мм.
.
Выбираем размеры продольной шпоночной канавки по ГОСТ 9472-90.
По
ГОСТ 9472-90 принимаем размеры продольного шпоночного паза:
высота
с = 43,5(Н12) мм;
ширина
b = 10(С11) мм,
радиус
закругления
мм,
потому
что диаметр посадочного отверстия фрезы
3.2.2 Выбираем основные технические требования
С учётом степеней точности нарезаемого колеса и стандартов, которые
действуют (ГОСТ 9324 - 80Е, ГОСТ 10331 - 81Е) выбираем допуск и техническое
требование на параметры.
В таблице 16 приводим допуски на червячную фрезу с модулем равным 9.
Таблица 16 - Допуски
|
п/п
|
Наименование допуска
|
мкм
|
|
1
|
Радиальные биения буртиков,
fy
|
12
|
|
2
|
Торцевые биения буртиков, ft
|
6
|
|
3
|
Радиальные биения по
вершинам, frda
|
50
|
|
4
|
Разность между соседними
окружными шагами, fн0
|
50
|
|
5
|
Направления стружечных
шагов, fх
|
± 100
|
|
6
|
Толщина зубьев, Тs0
|
- 50
|
|
7
|
Профиль передних
поверхностей, fY
|
50
|
|
8
|
Профиль зубьев, ff0
|
20
|
|
9
|
Осевой шаг фрез, fPx0
|
± 12
|
|
10
|
Накопление отклонение
одного шага на длинех трех, fРх30
|
± 20
|
|
11
|
Винтовые линии фрез от зуба
к другому зубу, fh0
|
16
|
|
12
|
Винтовые линии фрез на
одном обороте, f10
|
22
|
|
13
|
Винтовые линии фрез на трёх
оборотах, fh30
|
63
|
В таблице 17 приводим шероховатость червячных однозаходных фрез с модулем
равным 9 и классом точности - B.
Таблица номер 17 - Шероховатость червячных однозаходных фрез с модулем 9
и классом точности - В
|
Посадочные отверстия, Ra
|
0,4…0,8 мкм
|
|
Передние поверхности, Rz
|
1,6 мкм
|
|
Задние боковые поверхности,
Rz
|
1,6 мкм
|
|
Задние поверхности по
вершине зубьев, Rz
|
1,6 мкм
|
|
Цилиндрические поверхности
буртика, Rz
|
3,2 мкм
|
|
Торцы буртика, Rа
|
0,8 мкм
|
3.2.3 Выбираем инструментальный материал для
фрезы
Для обработки легированных и углеродистых конструкционных сталей (σ ≤ 900…1000 МПа) рекомендуют
применять цельную червячно-модульную фрезу, которая изготавливается из стали
Р6М5 (быстрорежущая). Рабочая часть фрезы имеет твёрдость HRC 63-60. По шкале Роквелла разброс
твёрдости не может превысить 2 единицы твердости. Для увеличения стойкости и
срока службы в 2 раза, рекомендовано наносить при производстве на заднюю и
переднюю поверхность износостойкое покрытие (например, нитрид титана и карбид)
толщиной от 0,004 до 0,008 миллиметров.
4. БЕЗОПАСНОСТЬ И ЭКОЛОГИЧНОСТЬ ПРОЕКТА
4.1 Анализ опасных и вредных производственных
факторов при эксплуатации агрегата продольной резки металла
К потенциально-опасным местам по травмированию рабочих относятся:
постановка рулонов на загрузочное устройство при помощи электромостового крана,
движение полосы по агрегату, работы по заправке рулонов на барабан размывателя
и задачей в последующие узлы агрегата, работы по снятию намоток с моталки на
поворотное устройство, перевалка и настройка дисковых ножниц, заправка кромки в
кромкоматалку.
Также потенциальную опасность представляют: вращающиеся муфты,
шпиндельные соединения, тянущие ролики. Нарушение техники безопасности при
эксплуатации подъемно-транспортных машин и механизмов может привести к
травмированию рабочих. Большое количество электрооборудования, находящегося в
цехе при неправильной эксплуатации может привести к электротравме.
Виды работ, выполняемых резчиком, перечень опасных производственных факторов
(ОПФ) и вредных производственных факторов (ВПФ), которые могут воздействовать
не работника в процессе их выполнения, существующий риск повреждения здоровья,
обусловленный воздействием ОПФ и ВПФ, представлены в таблице 18.
Таблица 18 - Анализ опасных и вредных производственных факторов
|
№
|
Виды работ
|
Опасные производственные
факторы
|
Вредные производственные
факторы
|
При воздействии написанного
фактора существует опасность заболевания
|
|
1
|
Выполнение всех видов работ
|
|
Физич. перегрузки
|
Заболевание сердечно-мышечной
системы
|
|
|
Подъёмные сооружения
|
|
Телесные повреждения
|
|
|
Движущийся транспорт
|
|
|
|
|
Электрический ток
|
|
ожог, электр. Удар
|
|
2
|
Задача снятие рулона на
разматыватель
|
Подъёмное сооружение
|
|
Телесные повреждения
|
|
|
Вращающиеся и движущиеся
части машин и механизмов
|
|
|
|
3
|
Задача полосы от
разматывателя до подающего устройства
|
Вращающиеся и движущиеся
части машин и механизмов
|
|
Телесные повреждения
|
|
|
Острые края
|
|
|
|
4
|
Выполнение технологических
операций по задаче полосы от разматывателя до моталки на АПР
|
Вращающиеся и движущиеся
части машин и механизмов
|
|
Телесные повреждения
|
|
|
|
шум
|
Повреждение органов слуха
|
|
|
Перемещение грузов
подъёмными сооружениями
|
|
Телесные повреждения
|
|
|
Острые части
|
|
|
|
|
Вращающиеся и движущиеся
части машин и механизмов
|
|
|
|
5
|
Осмотр узлов агрегата
|
Вращающиеся и движущиеся
части машин и механизмов
|
|
Телесные повреждения.
Повреждение глаз
|
|
6
|
Выполнение технологических
операций по упаковке рулона на моталке
|
Острые части
|
|
|
|
|
Острые части
|
|
|
|
|
Вращающиеся и движущиеся
части машин и механизмов
|
|
Телесные повреждения
|
|
7
|
Выполнение технологических
операций по набору делительных дисков на делительный ролик
|
Острые части
|
|
Телесные повреждения
|
|
|
Вращающиеся и движущиеся
части машин и механизмов
|
|
|
|
|
Перемещение грузов
подъёмными сооружениями
|
|
|
|
8
|
Выполнение технологических
операций по обслуживанию кромкомоталок
|
Острые части
|
|
Телесные повреждения.
Повреждение глаз
|
|
|
Вращающиеся и движущиеся
части машин и механизмов
|
|
|
|
|
Перемещение грузов
подъёмными сооружениями
|
|
|
4.2 Меры по обеспечению безопасных и здоровых
условий труда при эксплуатации агрегата продольной резки металла
Идя на работу нужно соблюдать схему безопасного пешеходного маршрута
(схемы развешаны как по пути движения, так и в цехах на участках). Запрещается
слушать в наушниках музыку, так как будет не слышно сигналов железнодорожного
транспорта и автомашин. Заходя в цех нужно обращать внимание на информационные
плакаты и таблички (например: работают электромостовые краны, на территории
данного цеха необходима спецодежда, респиратор, очки, каска, беруши и т.п.).
Зайдя в цех, следует соблюдать схему безопасного маршрута, обращать внимание на
звуковую и световую сигнализацию. Передвигать шагом, не бегом. Прибыть к
агрегату, проверить освещение, чистоту на рабочем месте, исправность лестниц, ограждений,
стендов. Прибыть на сменно-встречное собрание. Спросить у сменного персонала об
исправности агрегата продольной резки. Доложить ему замечания, если таковые
имеются. Принять смену в журнале приёма сдачи смен. В течение смены необходимо
использовать сиз, они должны быть исправными, проверить инструмент,
приспособления, получить ключ бирку, пробным включением проверить исправность
агрегата. В течение всей смены держать бдительность. Если услышал посторонний
шум, нужно немедленно прекратить работу агрегата и доложить об этой ситуации
непосредственному мастеру. Далее действовать согласно инструкции по охране
труда. Во время простоев агрегата вытащить ключ бирку. Запрещается передавать
ключ бирку другому человеку, запрещается использовать ключ бирки от других
агрегатов, либо пользоваться иными вещами для управления агрегатом. По
окончании смены необходимо сделать уборку, проверить исправность всего
оборудования и инструмента. Неисправный инструмент нужно отбраковать. Сдать
ключ бирки, с записью в журнале приёма сдачи ключ бирок. Все неисправности,
если таковые были, записать в журнале приема сдачи смен, доложить сменному
работнику.
В случае неисправности оборудования агрегата оператор должен сообщить об
этом оперативному мастеру, если нет возможности исправить самому, вызвать
ремонтно-механическую службу.
Всю информацию о неисправностях записать в «Журнал приема-сдачи смены» и
по прибытию сменного резчика доложить ему обо всех неисправностях, в том числе
и о тех, которые были исправлены в течение смены.
Резчик должен выполнять требования личной гигиены, согласно общей
инструкции ПАО «Северсталь»
‒ перед приёмом пищи мыть руки;
‒ мыть только мылом, нельзя использовать растворитель, ацетон
и тому подобное;
‒ нельзя вытирать руки использованной ветошью.
Оператор ПУ перед запуском агрегата в работу должен убедиться в
отсутствии людей в опасной зоне работы механизмов (ближе 1 м), дать звуковой
сигнал продолжительностью 10 секунд, затем сделать выдержку 30 секунд, подать
второй звуковой сигнал продолжительностью 30 сек.
При работе агрегата резчику постоянно следить за действиями рабочих
агрегата резки. Не заходить самому и не допускать присутствия других лиц на
приводной стороне, не прикасаться к вращающимся и движущимся частям
оборудования и механизмам.
При срабатывании блокировки остановить агрегат, резчику, совместно с
оператором ПУ, осмотреть место срабатывания блокировки, прилегающую территорию
и подвальные помещения. При выявлении на территории агрегата постороннего
человека вывести его с территории агрегата, при выявлении неисправности
блокирующего устройства вызвать дежурного электромонтера. Запускать агрегат в
работу только после устранения причины срабатывания блокировки.
Резчику запрещается поправлять руками внутренние витки у рулона
находящегося на барабане разматывателя. Для этих целей использовать специальный
металлический крючок длиной не менее 1,5 м или деревянный брусок сечением 90х90
мм.
Разрешается поправлять верхние витки рулонов руками на барабане
разматывателя при поднятом прижимном ролике, когда передний конец полосы рулона
находится внизу и разомкнута ключ-биркой на ПУ-1 электрическая схема,
находиться при этом сбоку от рулона металла.
При задаче переднего конца полосы металла в механизмы агрегата проявлять
осторожность, при центрировании полосы металла по оси агрегата использовать
специальный металлический крючок длиной не менее 1,5 м, при остановленных
механизмах. Запрещается поправлять полосу руками, а так же при работающих
механизмах. Порядок подготовки рабочего места и СИЗ представлен в таблице номер
19.
Таблица 19 - Порядок подготовки рабочего места, СИЗ
|
№
|
Виды работ
|
Мероприятия по подготовке
рабочего места, СИЗ
|
Требования ОТ и нормы
безопасного поведения при подготовке рабочего места, СИЗ
|
|
1
|
2
|
3
|
4
|
|
1.
|
Общие требования для всех
видов, выполняемых работ.
|
1.1. До начала работы
надеть положенную по нормам спецодежду, спецобувь и защитную каску.
|
1.1.1. Проверить
исправность спецодежды, спецобуви и защитной каски. Запрещается пользоваться
рваной, замасленной спецодеждой, неисправной спецобувью, защитными средствами
с механическими повреждениями.
|
|
|
1.2. Прибыть на рабочее
место за 20-25 минут до начала смены. Ознакомиться с записями в «Журнале
приема-сдачи смен».
|
1.2.1. Проверить состояние
и чистоту рабочего места, наличие нормативно-технической документации на
постах управления, исправность пультов управления и оборудования,
находящегося на посту. Чистоту прилегающей
|
|
|
|
территории.
|
|
|
1.3. Принять смену у
сдающего смену. Выяснить у резчика сдающего смену об имевших место в течение
смены неисправностях в работе оборудования и принятых мерах по их устранению,
об имеющихся указаниях и распоряжениях по работе.
|
1.3.1. Резчику принимающему
смену, сделать замечания резчику, сдающему смену, по выявленным
неисправностям и нарушениям требований охраны труда. Потребовать устранения
неполадок и замечаний. При отказе устранить выявленные замечания доложить
мастеру. 1.3.2. Если в процессе работы выявляются неполадки, не обнаруженные
при приёме смены, ответственность за них несёт резчик, принимавший смену. 1.3.3.
Резчику зафиксировать выявленные замечания в «Журнале приёма-сдачи смены»,
поставить свою подпись.
|
|
1.
|
|
1.4. Прибыть на
сменно-встречное собрание.
|
1.4.1. Доложить о
выявленных замечаниях мастеру.
|
|
1.
|
|
1.5. Получить задание на
смену.
|
1.5.1. Ознакомиться с
характером полученной работы и способами ее безопасного выполнения.
|
|
1.
|
|
1.6. Подготовить
необходимый инструмент, приспособления, материалы.
|
1.6.1. Проверить
исправность инструмента и приспособлений. 1.6.2. Получить ключи-бирки от
механизмов агрегата продольной резки у с оформлением записи в журнале
приема-сдачи смен.
|
|
1.
|
|
1.7. Подготовить СИЗ,
необходимые для безопасного выполнения полученной работы.
|
1.7.1. Проверить
исправность СИЗ.
|
|
|
1.8. Убедиться в
достаточности освещенности рабочего места.
|
1.8.1. Проверить
исправность ламп на постах управления и дополнительного освящения над
постами.
|
|
|
1.9. Убедиться в
возможности безопасного выполнения работ. Проверить состояние оборудования,
|
1.9.1. Не приступать к
работе, если условия ее выполнения противоречат требованиям по ОТ и другим
требованиям, регламентирующим безопасное
|
|
|
контрольно-измерительной
аппаратуры, исправность приточной и вытяжной вентиляции, наличие и
исправность приборов контроля, блокировок, сигнализации, связи, инструмента.
Проверить наличие на рабочем месте и исправность средств пожаротушения,
оказания первой помощи пострадавшим. Проверить наличие, исправность и
надёжность крепления ограждений вращающихся и движущихся частей и механизмов
агрегата.
|
выполнение работ. 1.9.2.
При невозможности устранить выявленные нарушения самостоятельно - резчику
доложить об этом мастеру. 1.9.3. Не приступать к работе без инструктажа по
ОТ, при временном переводе на другую работу. 1.9.4. Не проникать за
ограждения, не заходить в зону движения и вращения механизмов.
|
|
1.
|
|
1.10. Резчику согласовать
выполнение работ с мастером.
|
1.10.1. Резчику не
приступать к работе без разрешения мастера.
|
|
2.
|
Порезка полос на АПР- 2
|
2.1. Проверить исправность
оборудования. Проверить наличие и исправность площадок, перекрытий, настилов,
ограждений, сигнализации и блокировочных устройств.
|
2.1.1. Запрещается работать
на неисправном оборудовании. 2.1.2. Запрещается работать со снятыми
ограждениями. Запрещается поднимать и снимать ограждения, заходить за
ограждения, перелезать через ограждения.
|
|
6.
|
|
2.2. Проверить техническое
состояние грузозахватных приспособлений, тары и их маркировку.
|
2.2.1. Неисправные и не
имеющие маркировку грузозахватные приспособления из работы изъять.
|
|
|
2.3. Проверить исправность
грузозахватных органов грузоподъемных машин, наличие и исправность
предохранительных замков на грузовых подвесках грузоподъемных машин
|
2.3.1. Предохранительный
замок должен надежно фиксировать ГЗП, свободно открываться, не иметь
деформаций.
|
|
|
2.4. Проверить правильность
складирования материалов.
|
2.4.1. Потребовать от
предыдущей смены устранения неполадок и замечаний, соблюдать требования ОТ по
складированию металла.
|
|
6.
|
|
2.5. Внешним осмотром
проверить исправность розеток, целостность изоляции электропроводки, питающих
шнуров и кабелей оргтехники.
|
2.5.1. Соблюдать требования
охраны труда, изложенные в ИОТ 0-01 «Общая инструкция по охране труда для
лиц, участвующих в производственной деятельности».
|
|
6.
|
|
2.6. Подготовить
необходимый инструмент, приспособления, материалы.
|
2.6.1. Проверить
исправность инструмента и приспособлений.
|
|
6.
|
|
2.7. Проверить состояние
защитных брезентовых рукавиц, берушей и защитных очков.
|
2.7.1. Все работы
выполняются в берушах и двойных рукавицах. Категарически запрещенно работать
в рваных, промасленных рукавицах. 2.7.2. При упаковке металла использовать
защитные очки.
|
|
3.
|
Осмотр карданных соединений
дисковых ножниц АПР-2
|
3.1. Подготовить
необходимый инструмент, приспособления, материалы.
|
3.1.1. Проверить
исправность инструмента и приспособлений.
|
|
6.
|
|
3.2. Проверить исправность
оборудования.
|
3.2.1.Запрещается работать
на неисправном оборудовании. 3.2.2. Резчику выполнить требования
п.п.4.1.10-4.1.11 по бирочной системе.
|
|
6.
|
|
3.3. Проверить состояние
защитных брезентовых рукавиц.
|
3.3.1. Все работы выполняются
в берушах и двойных рукавицах. Категорически запрещено работать в рваных,
промасленных рукавицах.
|
|
4.
|
Упаковка рулона металла на
моталке и поворотном столе АПР-2
|
4.1. Подготовить
необходимый инструмент, приспособления, материалы.
|
4.1.1. Проверить исправность
инструмента и приспособлений.
|
|
|
4.2. Проверить исправность
световой и звуковой сигнализации, блокировок.
|
4.2.1. Запрещается работать
с неисправной световой и звуковой сигнализацией,
|
|
|
|
неисправными блокировками.
|
|
6.
|
|
4.3. Проверить состояние защитных
брезентовых рукавиц и защитных очков.
|
4.3.1. Работы выполнять в
двойных рукавицах. Запрещается работать в рваных, промасленных рукавицах.
4.3.2. При упаковке металла использовать защитные очки.
|
|
5.
|
Замена (перевалка)
делительного ролика на АПР-2
|
5.1. Подготовить
необходимый инструмент, приспособления, материалы.
|
5.1.1. Проверить
исправность инструмента, приспособлений, материалов.
|
|
6.
|
|
5.2. Проверить исправность
оборудования.
|
5.2.1. Запрещается работать
на неисправном оборудовании. 5.2.2. Резчику выполнить требования
п.п.4.1.10-4.1.11 по бирочной системе.
|
|
6.
|
|
5.3. Проверить техническое
состояние грузозахватных приспособлений, тары и их маркировку.
|
5.3.1. Неисправные и не
имеющие маркировку грузозахватные приспособления из работы изъять.
|
|
6.
|
|
5.4. Проверить исправность
грузозахватных органов грузоподъемных машин, наличие и исправность
предохранительных замков на грузовых подвесках грузоподъемных машин.
|
5.4.1. Предохранительный
замок должен надежно фиксировать ГЗП, свободно открываться, не иметь
деформаций.
|
|
|
5.5. Проверить состояние
защитных брезентовых рукавиц и защитных очков.
|
5.5.1. Работы выполнять в
двойных рукавицах. Запрещается работать в рваных, промасленных рукавицах.
5.5.2. При работе с зубилом использовать защитные очки.
|
|
6.
|
Выталкивание бунта кромки
металла в кромкомоталке АПР-2.
|
6.1. Подготовить
необходимый инструмент, приспособления, материалы.
|
6.1.1. Проверить
исправность инструмента, приспособлений, материалов.
|
|
|
6.2. Проверить исправность
оборудования.
|
6.2.1. Запрещается работать
на неисправном оборудовании. 6.2.2. Соблюдать требования
|
|
|
|
бирочной системы.
|
|
6.
|
|
6.3. Проверить техническое
состояние грузозахватных приспособлений, тары и их маркировку.
|
6.3.1. Неисправные и не
имеющие маркировку грузозахватные приспособления и тару из работы изъять.
|
|
6.
|
|
6.4. Проверить исправность
грузозахватных органов грузоподъемных машин, наличие и исправность
предохранительных замков на грузовых подвесках грузоподъемных машин.
|
6.4.1. Предохранительный
замок должен надежно фиксировать ГЗП, свободно открываться, не иметь
деформаций.
|
|
6.
|
|
6.5. Проверить исправность
блокировок и конечных выключателей.
|
6.5.1. Запрещается работать
с неисправными блокировками и конечными выключателями.
|
|
-
|
|
6.6. Проверить состояние
защитных брезентовых рукавиц и защитных очков.
|
6.6.1. Работы выполнять в
двойных рукавицах. Запрещается работать в рваных, промасленных рукавицах.
6.6.2. Использовать защитные очки.
|
|
7.
|
Разделение полос металла на
моталке для контроля качества реза на АПР-2
|
7.1. Подготовить
необходимый инструмент, приспособления, материалы.
|
7.1.1. Проверить
исправность инструмента, приспособлений, материалов.
|
|
1.
|
|
7.2. Проверить исправность
оборудования.
|
7.2.1. Запрещается работать
на неисправном оборудовании.
|
|
1.
|
|
7.3. Проверить состояние
защитных брезентовых рукавиц.
|
7.3.1. Работы выполнять в
двойных рукавицах. Запрещается работать в рваных, промасленных рукавицах.
|
|
8.
|
Отделение полос (бунтов) от
рулона на поворотном столе АПР-1,4,5.
|
8.1. Подготовить
необходимый инструмент, приспособления, материалы.
|
8.1.1. Проверить
исправность инструмента, приспособлений, материалов.
|
|
|
8.2. Проверить исправность
оборудования.
|
8.2.1. Запрещается работать
на неисправном оборудовании.
|
|
|
8.3. Проверить наличие и
исправность площадок, перекрытий, настилов, ограждений.
|
8.3.1. Запрещается работать
со снятыми или неисправными ограждениями.
|
|
6.
|
|
8.4. Проверить техническое
состояние грузозахватных приспособлений, тары и их маркировку.
|
8.4.1. Неисправные и не
имеющие маркировку грузозахватные приспособления и тару из работы изъять.
|
|
6.
|
|
8.5. Проверить исправность
грузозахватных органов грузоподъемных машин, наличие и исправность
предохранительных замков на грузовых подвесках грузоподъемных машин.
|
8.5.1. Предохранительный
замок должен надежно фиксировать ГЗП, свободно открываться, не иметь
деформаций.
|
|
6.
|
|
8.6. Проверить исправность
световой и звуковой сигнализации.
|
8.6.1. Запрещается работать
с неисправной световой и звуковой сигнализацией.
|
|
6.
|
|
8.7. Проверить состояние
защитных брезентовых рукавиц, защитных очков.
|
8.7.1. Работы выполнять в
двойных рукавицах. Запрещается работать в рваных, промасленных рукавицах.
8.7.2. При упаковке металла использовать защитные очки.
|
|
9.
|
Упаковка рулонов металла.
|
9.1. Подготовить рабочее
место, материалы.
|
9.1.1. Проверить чистоту рабочего
места и оборудования, наличие и правильность складирования материалов,
рулонов металла.
|
|
|
9.2. Проверить исправность
инструмента.
|
9.2.1. Запрещается работать
неисправным инструментом.
|
|
|
9.3. Проверить техническое
состояние грузозахватных приспособлений и их маркировку.
|
9.3.1. Неисправные и не
имеющие маркировку грузозахватные приспособления из работы изъять.
|
|
|
9.4. Проверить исправность
грузозахватных органов грузоподъемных машин, наличие и исправность
|
9.4.1. Предохранительный
замок должен надежно фиксировать ГЗП, свободно открываться, не иметь
деформаций.
|
|
|
предохранительных замков на
грузовых подвесках грузоподъемных машин.
|
|
|
1.
|
|
9.5. Проверить состояние
защитных брезентовых рукавиц и защитных очков.
|
9.5.1. Работы выполнять в
двойных рукавицах. Запрещается работать в рваных, промасленных рукавицах.
9.5.2. При упаковке металла использовать защитные очки.
|
4.3 Расчет защитного заземления агрегата
Защитное заземление - защитная мера электробезопасности в
электроустановках, представляющая собой преднамеренное создание электрической
связи нетоковедущих частей, которые в аварийном режиме могут оказаться под
напряжением с землей (ее эквивалентом).
Согласно ПУЭ, п.1.7.53, данная защитная мера должна быть выполнено во
всех электроустановках, напряжение в которых превышает 50 В переменного и 120 В
постоянного тока.
Тем же требованием Правил определены степени опасности помещений, в
которых порог значений этих напряжений снижен до 25 В переменного (60 В
постоянного) тока и 12 В переменного (30 В постоянного) тока.
Назначение защитного заземления - обеспечение защиты людей от поражений
электрическим током в электроустановках в случае возникновения в них аварийных
режимов работы (напр. при прикосновении людей к нетоковедущим частям
электроустановки, вследствие повреждения изоляции оказавшимся под напряжением).
Параметры заземления представлены в таблице номер 20.
Таблица 20 - Параметры заземления
|
Вид заземления
|
выносное
|
|
Длина заземлителя l,
м
|
2,7
|
|
Глубина заложения
заземлителя в грунт h, м
|
0,65
|
|
Коэффициент сезонности Kc
|
2,0
|
|
Удельное сопротивление
грунта ρ,
Ом∙м
|
70
|
|
Диаметр заземлителя d,
м
|
55
|
|
Ширина соединительное
полосы b, м
|
50
|
|
Допускаемое сопротивление
системы заземления по ПУЭ RЭ.Н. ,Ом
|
4
|
В
качестве заземлителя выбираем стальную трубу диаметром
, а в качестве соединительного элемента - стальную
полосу шириной
.
Выбираем значение удельного сопротивления грунта соответствующее или
близкое по значению удельному сопротивлению грунта в заданном районе размещения
проектируемой установки.
Определяем значение электрического сопротивления растеканию тока в землю
с одиночного заземлителя:
Ом, (159)
где
Ом - удельное сопротивление грунта,
-
коэффициент сезонности,
м - длина
заземлителя,
мм -
диаметр заземлителя,
м -
расстояние от поверхности грунта до середины заземлителя.
Рассчитываем число заземлителей без учета взаимных помех, оказываемых
заземлителями друг на друга, так называемого явления взаимного «экранирования»:
≈
10. (160)
Рассчитываем число заземлителей с учетом коэффициента экранирования:
≈
18, (161)
где
- коэффициент экранирования.
Принимаем
расстояние между заземлителями
м
Определяем
длину соединительной полосы:
м. (162)
Рассчитываем
полное значение сопротивления растеканию тока с соединительной полосы:
Ом. (163)
Рассчитываем
полное значение сопротивления системы заземления:
Ом, (164)
где
=0,51 - коэффициент экранирования полосы.
4.4 Меры по охране окружающей среды на участке
Основные мероприятия по охране окружающей среды на предприятии должны
быть направлены на:
1. Защиту атмосферы от загрязнений вредными веществами.
2. Защиту водных объектов при сбрасывании сточных вод.
. Защиту почвы от загрязнения твердыми отходами предприятия.
В результате производственной деятельности предприятия в атмосферу
поступают органические соединения и промышленная пыль, качественный и
количественный состав которых зависит от количества и видов используемого в
технологических процессах сырья и материалов.
Производственные процессы не должны вызывать загрязнения и засорения
водных объектов сверх установленных нормативов. Соблюдение требований
обеспечивается приоритетным применением технологий, не оказывающих негативного
воздействия на окружающую природную среду, ограничением использования токсичных
веществ и тяжелых металлов, введением научно обоснованных методов измерения и
расчетов сбросов сточных вод в водные объекты. Меры предупреждения и ликвидации
аварийного загрязнения водных объектов определяются водным законодательством
Российской Федерации.
С загрязнением атмосферы и воды связано загрязнение почв. В процессе
производства в почву попадают различные твердые и жидкие отходы. Основными
загрязняющими почву веществами являются металлы и их соединения, радиоактивные
вещества, отходы отопительных систем. В частности, при работе с пластиком и
искусственными волокнами, ─ отходы бензола и фенола. Кроме того, твердые
отходы производства складируются на территории предприятия и вывозятся на
свалку.
Основные мероприятия по снижению вредных выбросов в атмосферу это:
усовершенствование технологические процессы, в том числе включая снижение
большого количества неорганизованных выбросов;
большое количество строительства новых с повышенной эффективностью очистных
устройств;
частично или полностью ликвидировать источник загрязнения;
Применительно к ООО «» наиболее значимым представляется газо- и
пылеулавливание вентиляционных выбросов, а также проведение мероприятий по
снижению доли неорганизованных выбросов.
Очистку и обезвреживание газовых составляющих выбросов осуществляют
методами, выбор которых определяется составом, концентрацией загрязняющих
веществ, типом производства, условиями выброса.
Для проверки качества работы системы вентиляции ежемесячно проводят
контрольные замеры концентрации пыли и фтористых соединений на рабочих местах.
При превышении предельно допустимой концентрации принимают меры для очистки
вентиляционных систем и устранения неисправностей их работ.
Также производится озеленение как внутри, так и на территории
предприятия. Растения оказывают благоприятное воздействие на психофизическое
состояние человека, стимулируют микроклимат.
4.5 Действия персонала в условиях ЧС
При возникновении чрезвычайной ситуации, необходимо немедленно прекратить
все работы. Машинисту крана подать команду на остановку всех работ. Оповестить
всех находящихся рядом работников. Далее следует сообщить о ЧС оперативному или
непосредственному мастеру. Если это пожар, то позвонить в пожарную часть,
представиться, сказать у нас пожар, назвать какой-либо ориентир (например,
ворота номер 13 или жд путь номер 6 ворота 14). Далее следует спокойным, но
быстрым шагом (главное не бежать) проследовать к точке сбора персонала в
случаях ЧС, указанной на схеме безопасного пешеходного движения. В случаях,
когда одежда резчика насытилась кислородом, необходимо потушить ее водой, либо
сорвать ее с резчика, тушить кошмой нельзя, так как кислород будет продолжать
гореть. Необходимо выйти на свежий воздух и в течение 30 минут проветрить
одежду, ни в коем случае не находиться рядом с местом для курения. Если же
человек получил травму, необходимо сообщить мастеру, постараться оказать первую
медицинскую помощь, если это возможно, и сохранить обстоятельства, при которых
травма была получена. Не должно быть паники, персонал должен быть готов к
подобным ситуациям, для чего проводятся всевозможные тренинги действия
персонала в ЧС. Нужно соблюдать спокойствие и хладнокровие, и проследовать к
точке сбора. В случае возникновения пожара, как первый заметивший, необходимо
сообщить мастеру, если есть связь, самому позвонить в пожарную часть, если
возможно затушить пожар своими силами, воспользоваться первыми средствами
пожара тушения (огнетушитель, песок, кошма и тому подобное).
Анализ и оценка возможных (аварийных) ситуаций представлены в таблице
номер 21.
Таблица 21 - Анализ и оценка возможных (аварийных) ситуаций
|
Отклонение параметров,
возникновение аварийных ситуаций
|
Травма человека
|
Летальное поражение
|
Постоянное (хроническое)
вредное воздействие
|
Отказ оборудования
|
Срыв задания работ
|
Разрушение зданий и
оборудования
|
Ущерб окружающей среде
|
Мероприятия защиты
|
|
1
|
2
|
3
|
4
|
5
|
6
|
7
|
8
|
9
|
|
Во время размотки полосы на
разматывателе сжались сегменты
|
+
|
+
|
-
|
+
|
+
|
-
|
-
|
во время работы, около
разматывателя не должно находится посторонних людей
|
|
Во время намотки или
размотки полосы на разматывателе отказали тормоза
|
+
|
-
|
-
|
+
|
+
|
-
|
-
|
не должно находится
посторонних людей во время работы разматывателя
|
|
Поломка привода дисковых
ножниц, моталки, разматывателя или кромкомоталки
|
-
|
-
|
-
|
+
|
+
|
-
|
-
|
Постоянный контроль,
оперативное использование кнопки аварийного отключения агрегата
|
|
Замыкание ножей
|
-
|
-
|
-
|
+
|
+
|
-
|
-
|
Остановка агрегата,
|
|
Отключен электроэнергии
|
+
|
-
|
-
|
+
|
+
|
-
|
-
|
во время работы не
находится возле работающих механизмов
|
|
Пожар на агрегате
|
+
|
-
|
-
|
+
|
+
|
-
|
-
|
Меры противопожарной
безопасности
|
ЗАКЛЮЧЕНИЕ
Результаты проведенной модернизации:
я разработал гидропривод прижима ролика предварительного натяжения на
основе применения стандартной гидроаппаратуры;
внес изменения в производственные бизнес процессы деталей, что дало,
благодаря небольшому увеличению себестоимости деталей, сильно повысить сроки
службы механизмов;
смогли решить проблему перегрузки подшипников с помощью установки в
шестерню дополнительного подшипника, решили проблему с выкрашиванием зубьев
шестерни;
разработал меры для обеспечения безопасных и здоровых условий труда и
меры для охраны окружающей нас среды в ЦОМ.
По результатам проведённой мною реконструкции тянущих
роликов, я делаю вывод о нужности и необходимости внедрения модернизации в
производство холодного проката ПАО «Северсталь».
Это увеличит надежность агрегата в целом, расширит
сортамент выпускаемой продукции, сэкономит бюджет комбината.
Мы добились цели, которую ставили для себя в этой
работе.
Список использованных источников
1. Ансеров,
М. А. Приспособления для металлорежущих станков: учебник / М. А. Ансеров. - 4-е
издание, переработанное и дополненное. - М.: Машиностроение, 1975. - 658 с.
2. Анурьев,
В. И. Справочник конструктора- машиностроителя: учебник / В. И. Анурьев. - в 3
т. - М.: Машиностроение, 2001. - 2874 с.
.
Безопасность жизнедеятельности / Под редакцией О.Н. Русака. - СПб.: ЛТА, 1997.
- 293 с.
. Башта, Т.
М. Гидропривод и гидропневмоавтоматика: учебник для вузов / Т.М. Башта. - М.:
Машиностроение, 1972.-320 с.
. Белов, С.
В. Средства защиты в машиностроении / С. В. Белов. - М.: Машиностроение,
1989.-380с.
. Белов, С.
В. Безопасность производственных процессов / С. В. Белов. -М.:
Машиностроение,
1975, 1988. - 215с.
. Гидравлика,
гидромашины и гидроприводы: учебник для вузов / Т. М. Башта, С. С. Руднев, В.
В. Некрасов [и др.] // М.: Машиностроение. - 1982. - С. 423.
. Гильман, А.
М. Оптимизация режимов обработки на металлорежущих станках / Л. А. Брахман, Д.
И.Батищев. -М.: Машиностроение, 1972. - 188 с.
. Денисенко,
Г. Ф. Охрана труда: учебное пособие / Г. Ф. Денисенко. - М.: Высшая школа,
1985. - 319 с.
. Долин, Н.
А. Справочник по технике безопасности / Н. А. Долин.- М.: Энергоатомиздат,
1984. - 824 с.
. Детали
машин, Атлас конструкций / Под редакцией Д.Н. Решетова. - М.: Машиностроение,
1992.- 352 с.
12. Дунаев,
П. Ф. Детали машин: курсовое проектирование / П. Ф. Дунаев. - М.:
Машиностроение, 2004. - 560 с.
13. Корсаков,
B. C. Основы конструирования приспособлений: учебник для вузов /
В. С. Корсаков. - М.: Машиностроение, 1983. - 277 с.
14.
Корольчук, А. Г. Обработка на металлорежущих станках: учебное пособие / А. Г.
Корольчук, И. А. Высокодворский, П. К. Блоков. - Л.: ЛИТМО, 1981. - 520 с.
. Князевский,
Б. А. Охрана труда в энергетике / М.: Энергоатомиздат, 1985. - 336 с.
. Леликов, О.
П. Детали машин: курсовое проектирование / О. П. Леликов. - М.: «Высшая школа»,
1990.- 399 с.
. Морозов, А.
М. Охрана труда на производстве / А. М. Морозов. - Л.: СЗПИ, 1966. - 58с.
. Методические
указания по разработке правил и инструкций по охране труда. Приложение №2 к
постановлению Министерства труда РФ от 1.07.93г. № 129 / М.: Мин.труда, 1993.-
6 с.
.
Металлорежущие станки, Отраслевой каталог / М.: ВНИТЭМР, 1982 - 1988. -792 с.
. Норенков,
И. П. Введение в автоматизированное проектирование технических устройств и
систем / И. П. Норенков. - М.: Высшая школа, 1980. - 309 с.
.
Оборудование машиностроительного производства: методические указания к
выполнению курсового проекта / Вологда: ВоПИ, 1996. - 27 с.
. Орлов, Ю.
Е. Методические указания по отработке конструкций изделий приборостроения на
технологичность и оценка их технологичности / Ю. Е. Орлов. - Л.: - ЛИТМО, 1983.
- 142 с.
.
Общемашиностроительные нормативы режимов резания для технического нормирования
работ на металлорежущих станках / М.: Машиностроение, 1984. - 416 с.
. Охрана
труда в машиностроении: учебник для машиностроительных вузов / Е. Я. Юдин, С.
В. Белов, С. К. Баланцев [и др.] // М.: Машиностроение - 1983. - C. 432.
. Свешников,
В. К. Станочные гидроприводы: справочник / В. К. Свешников, А. А. Усов. - 2-е
издание дополненное и переработанное. - М.: Машиностроение, 1988.-512 с.
. Смирнов, С.
В. Механизация расчетов норм времени в машиностроении / С. В. Смирнов. - М.:
Машиностроение, 1976. - 89 с.
. Технический
каталог электродвигателей / ОАО «Ярославский электромашиностроительный завод»,
2013.