Проект технологического производства двутавровой балки 35Ш3

  • Вид работы:
    Курсовая работа (т)
  • Предмет:
    Другое
  • Язык:
    Русский
    ,
    Формат файла:
    MS Word
    600,15 Кб
  • Опубликовано:
    2017-11-14
Вы можете узнать стоимость помощи в написании студенческой работы.
Помощь в написании работы, которую точно примут!

Проект технологического производства двутавровой балки 35Ш3

ВВЕДЕНИЕ

Цех прокатки широкополочных балок АО «ЕВРАЗ НТМК» введен в эксплуатацию в 1977 г. Проектная производительность 1,6 млн. тонн.

В целях совершенствования производства для более полного удовлетворения потребностей народного хозяйства, улучшения его качества и повышения эффективности производства необходимо предусматривать существующий прирост наиболее прогрессивных видов проката, расширение сортамента и улучшение эксплуатационных и потребительских свойств металлопродукции, а также снижение материалоемкости проката, рост производительности труда, улучшение условий труда и повышение эффективности капитальных вложений.

Актуальность работы состоит в том, что любое предприятие, чтобы обеспечить эффективную экономику и не отставать в своем развитии, должно проводить внедрение новой техники или реконструкцию существующего оборудования. Поэтому в условиях жесткой конкуренции на мировом рынке необходимо своевременно перестраивать технологические процессы под требования потребителей. Таким образом, расширение сортамента является важным этапом сохранения конкурентоспособности предприятия.

Цель работы - расширение сортамента ЦПШБ.

Задачи:

анализ оборудования цеха;

анализ действующих калибровок для производства двутавров;

расчет формоизменения металла при прокатке двутавровой балки 35Ш3;

расчет энергосиловых параметров прокатки;

расчет скоростного режима прокатки;

расчет температурного режима прокатки.

1       ОБЩАЯ ЧАСТЬ

1.1 Техническая характеристика оборудования ЦПШБ АО «ЕВРАЗ НТМК»

Методические печи

Количество печей - 3 шт.

Производительность одной печи до 160 т/ч.

Вес садки (мах) - 400 т.

Размеры заготовок:

сечение: от 230х320 до 1050х450/110;

длина: от 3600 до 11400 мм.

Вес заготовок: от 1,37 до 15,5 т.

Темп выдачи:

шаг пода (800мм) - 71 с;

шаг пода (1600 мм) 147 с.

Температура нагрева 1240 - 1260 °С

Топливо смешанный природно - доменный газ.

Калорийность топлива 4500 ккал/м².

Давление газа 500 мм вод. ст. (300 мм вод. ст.- у горелок).

Давление воздуха 1200 мм вод. ст.- у вентилятора (600 мм вод. ст.- у горелок).

Температура подогретого воздуха до 400 ºС.

Удельный расход топлива до 500 ккал/кг.

Тепловая мощность печи 80х10 ккал/час.

Расход газа на одну печь до 17800 мм³/час.

Расход воздуха на одну печь до 95000 мм³/час.

Расход воды на 1 печь до 160 мм³/час.

Каждая печь оборудована устройством безударной задачи и выдачи заготовок из печи.

Участок стана

Прокатная линия ЦПШБ представлена универсально-балочным станом (УБС). По расположению клетей на стане УБС относится к полу непрерывному типу станов, в соответствии с рисунком 1.

Рисунок 1 - Участок стана ЦПШБ

подшипник двутавровый балка калибровка

Обжимная клеть

Тип клети - дуо реверсивная. Диаметр валков - 1300 мм. Привод валков индивидуальный от электродвигателей мощностью 2×5250 кВт. Скорость вращения - 0-65-100 об/мин.

Станина клети закрытого типа. Материал - стальное литье. С обеих сторон клеть оборудована двумя станинными роликами.

Нажимное устройство электрическое. Скорость опускания 180 мм/с. Уравновешивание верхнего вала гидравлическое. Подшипники текстолитовые.

С передней и задней стороны клеть оборудована линейками манипуляторов и кантователями крюкового типа.

Главная универсальная клеть (ГУК).

Предназначена для обработки шейки, внутренних и наружных поверхностей фланцев при прокатке балок.

Деформация металла в универсальной клети приведена на рисунке 2.

Рисунок 2 - Универсальный калибр

Диаметр горизонтальных валков - 1350-1500 мм. Диаметр вертикальных валков - 900-1100 мм.

Горизонтальные валки приводные, вертикальные - неприводные. Все валки снабжены нажимными устройствами, приводимыми от электродвигателей.

Клеть выполнена с переменным расстоянием между осями стоек станины, что позволяет применять горизонтальные валки различной длины в зависимости от размера прокатываемых балок. Предусмотрены 3 типа расстояний между осями стоек станин: 1500, 1750, 2050 мм.

Вспомогательная клеть (ВК).

Предназначена для обжатия кромок полок и контроля их ширины. По конструкции клеть дуо реверсивная с приводом от одного электродвигателя.

Деформация металла во вспомогательной клети приведена на рисунок 3.

Рисунок 3 - Вспомогательная клеть

Конструкция вспомогательной клети подобна универсальной клети, но в ней отсутствуют вертикальные валки.

Диаметр валков 1100-1250 мм.

Участок перевалки клетей

Для перевалки универсальных и вспомогательных клетей предусмотрены рельсовые направляющие, по которым старые клети выезжают в специальные карманы, а на их место в линию стана задвигаются новые клети. Схема перевалки приведена на рисунке 4.

Рисунок 4 - Схема перевалки клетей

Пилы горячей резки.

Пилы служат для резки раската на заданные длины, обрезки концов и отбора проб. Диаметр дисков - 2000-2200 мм, частота вращения дисков - 1000 об/мин. Толщина дисков - 10 мм. Температура порезки - 700-1000°С.

Установлены 6 пил маятникового типа, из которых 2 стационарные (для обрезки переднего и заднего концов), остальные - передвижные (для резки раската на мерные длины). Перемещение пил осуществляется по направляющим рельсам.

Уборка обрези производится в скиповый подъемник, периодически удаляющий ее в железнодорожные вагоны.

Клеймовочная машина.

Клеймовочная машина предназначена для нанесения клейма накатыванием на стенку балки при её перемещении по рольгангу. Количество знаков в клейме 10, плюс 2 резервных. Клеймовочная машина устанавливается в потоке стана за участком пил горячей резки. Клеймовочная машина выполнена двухдисковой, с нижним стационарным и верхним, нажимным диском.

Центральный холодильник.

Предназначен для охлаждения прокатанного металла. В состав цеха входят три холодильника.

Холодильники №1 и №3 предназначены для охлаждения балок, поступающих по подводящему рольгангу от пил горячей резки и выдачи охлаждённой балки на отводящий рольганг в положении «лёжа».

Холодильник №2 предназначен для охлаждения балок, поступающих по подводящему рольгангу от пил горячей резки и выдачи пакета охлаждённых балок на транспортный рольганг. Каждый холодильник двухсекционный. Перемещение металла осуществляется при помощи шагающих балок.

Роликоправильные машины. Участок правки включает два роликоправильных комплекса, состоящих из горизонтальной и вертикальной роликоправильных машин.

Оба типа машины включают по 8 роликов.

Скорость правки 0,8-2,5 м/с.

1.2 Технологический процесс производства двутавровой балки

Цех прокатки широкополочных балок (ЦПШБ) является цехом по производству двутавров, осевой заготовки, шпунта Л5У-М, квадратной и круглой заготовок, полосы (листа). ЦПШБ состоит из нескольких участков:

участка уборки и вырубки горячего металла (УУВГМ);

участка методических печей (УНП);

универсально-балочного стана (УБС);

участка отделки и отгрузки металла (УООМ);

участка сборки и перевалки клетей (УСПК);

участка подготовки сменного оборудования (УПСО).

Исходной заготовкой для прокатки двутавровых профилей является непрерывно-литая заготовка, полученная на МНЛЗ.

На участке уборки и вырубки горячего металла производится осмотр и приемка непрерывно - литых заготовок. Выявленные поверхностные дефекты удаляются огневой зачисткой.

Нагрев заготовок перед деформацией осуществляется в трех методических пятизонных нагревательных печах с шагающим подом, торцевой загрузкой и выдачей металла. Посад металла в печь производится как в холодном состоянии, так и в теплом (от 200ºС до 500ºС) состоянии. Заготовки садятся по ширине печи следующим образом:

длиной до 5650 мм - в одном ряду две заготовки;

длиной свыше 5650 мм - в одном ряду одна заготовка.

Температура металла на выдаче из печей 1240-1260 °С.

Нагретые до необходимой температуры заготовки прокатываются в обжимной реверсивной клети стана за 5-11 пропусков, температура конца прокатки в обжимной клети не должна быть ниже 1100 ºС.

После прокатки в обжимной клети заготовки по рольгангу поступают в черновую универсальную группу клетей, состоящую из вспомогательной клети (ВК-1) и главной универсальной клети (ГУК-1). В зависимости от размеров двутавра, раскат прокатывается за 1-3 пропусков в автоматическом режиме работы оборудования. Затем раскат транспортируется по рольгангу к предчистовой группе, состоящей из ГУК-2 и ВК-2. Прокат осуществляется за 1-3 пропуска в автоматическом режиме работы оборудования.

После предчистовой группы клетей раскат передается на чистовую клеть, где осуществляется только один пропуск в автоматическом режиме. Температура конца прокатки в чистовой клети должна обеспечить качественную порезку раската на пилах горячей резки и соответствовать таблице 1.

Таблица 1 - Температура конца прокатки

Вид профиля

Температура, не ниже ºС

Сортовой

900

Фасонный

800


Температура измеряется перед ГУК-3 пирометром - спектропиром. Прокатанные в чистовой клети двутавры длиной до 100 мрольгангом передают на участок резки. На стане установлено семь пил горячей резки с дисками диаметром 2000-2200 мм (тип пилы - маятниковая ударного действия). Комплексная автоматизация участка пил горячей резки обеспечивает рациональный раскрой металла на мерные и нормальные длины до 30 м, точную без упорную остановку полосы в положении реза, дистанционную расстановку пил и автоматическую корректировку их положения в зависимости от температуры разрезаемого двутавра. Раскрой металла осуществляется автоматически в три приема, причем обрезка переднего конца каждой очередной полосы совмещается в цикле раскроя с последним ходом пил при резке предыдущей полосы.

1.3 Сортамент выпускаемой продукции

Сортамент ЦПШБ представлен в таблице 2.

Таблица 2 - Сортамент продукции ЦПШБАО «ЕВРАЗ НТМК»

Наименование продукции

Шифр профиля, мм

Нормативный документ на профиль

Двутавр с параллельными гранями полок

20Б - 60Б 20Ш - 70Ш 20К - 40К

СТО 20-93 (СТО АСЧМ 20-93)


40У

P 40-93 (JISG 3192)


20Ш-У


Двутавр с параллельными гранями полок нестандартных размеров

Размеры по ASTMA6, JISG 3192, BS 4

Размерная спецификация Р 40 - 94

Двутавр с уклоном внутренних полок

24М, 30М, 36М, 45М

ГОСТ 19425-74


60

ГОСТ 2239-89

Шпунт

Л5-У

ТУ-192-147-93

Квадратная заготовка

100, 120, 125, 130, 150, 160

ТУ14-1-5237-93

Круглый прокат

120, 130, 140, 150

ГОСТ 2590-88

Заготовка трубная


ОСТ 14-21-77

Заготовка шаровая

120

ТУ 14-2-133-74

Толстолистовой прокат

Толщина от 14 мм и выше, ширина 700 мм

Размерная спецификация Р 45 - 97

Примечание: Б - балочный;Ш - широкополочный;К - колонный; ASTM - стандарт США;JIS - стандарт Японии;BS - стандарт Великобритании.


1.4 Технико-экономические показатели работы цеха за 2016 год

Основные показатели работы цеха за 2016 год приведены в таблице 3.

Таблица 3 - Показатели работы ЦПШБ АО «ЕВРАЗ НТМК» за 2016 год

Наименование

Значение

Годный прокат, т


План

972016

Факт

1017234

Отгрузка, т


План

918300

Факт

952223

Номинальное время работы, ч


План

350,00

Факт

351,26

Текущие простои, ч


План

2192,40

Факт

3362,87

Фактическое время работы, ч


План

6207,60

Факт

5067,35

Производительность, т/ч


План

156,6

Факт

200,7

Брак, т


Всего

1667,054

по металлу

512,842

по прокату

1154,212

Расход металла на 1 т проката, т


План

1,063

Факт

1,076


1.5 Динамика захвата двутавровой заготовки валками обжимной клети 1300 УБС

На Нижнетагильском металлургическом комбинате непрерывнолитые двутавровые заготовки прокатываются в обжимной клети 1300 универсально-балочного стана [11]. При этом очень важно оценить условия захвата двутавровой заготовки калиброванными валками обжимной клети 1300, а также знать характер изменения и величину нормальных и касательных напряжений на контактной поверхности по мере заполнения очага деформации металлом.

Моделирование процесса прокатки двутавровой балки в обжимной клети 1300 универсального балочного стана выполнялось с использованием программного комплекса ANSYS. Расчет проводился в объемной постановке. Упор сделан на определение напряженно-деформированного состояния и характер течения металла, возникающего в очаге деформации при прокатке балки 30Ш в калибрах 1,2 и 3 обжимной клети 1300.

При исследовании напряженно-деформированного состояния двутавровой балки при прокатке пренебрегли инерционными и массовыми силами; деформируемый металл балки считаем несжимаемым. При записи уравнений состояния использовали случай простого нагружения. Для материала проката принята упруго-пластическая модель Прандтля-Рейса.

На первом этапе моделировался захват металла валками, на втором - установившийся процесс прокатки двутавровой заготовки из стали 09Г2 для трех вариантов, указанных в табл. 3.

Модуль упругости (Е) определяли по зависимости

Е = -4,566-105 +160T +

где T-температура металла

В соответствии с принятыми исходными данными рассчитаны зависимости сопротивления пластической деформации для стенки, полки и зоны сопряжения стенки с полкой заготовки для рассматриваемых проходов и принятых температур. Коэффициент трения во всех калибрах принят равным 0,49.

Таблица 3- Параметры балки и калибров, принятые в расчете

Вариант

Размер заготовки перед входом в калибр, мм

Размеры калибра, мм


В

R

h

H

b

а

В

R

h

H

b

а

1

336*

90*

65*

275*

85*

99*

336

90

40

255

60

99

2

336

90

40

255

61

99

348

75

30

236

52

77

3

348

75

30

236

59

77

362

60

23

227

49

65


Здесь В, R, h, H, а - ширина, радиус внутреннего закругления, ширина стенки, высота полки, толщина основания фланца.

В исходном состоянии, чтобы смоделировать процесс захвата, передний торец балки размещался на некотором расстоянии от плоскости, проходящей через ось валка перпендикулярно оси прокатки, согласно рисунку5.

Балку представляли твердотельной объемной моделью, а калибр моделировали недеформируемой твердой поверхностью. Конечно-элементную модель балки формировали из трехмерных 20-ти узловых твердотельных элементов SOLID186. В окончательной, принятой для расчета сетке конечных элементов, размер элемента в поперечных сечениях был равен 2,5 мм, а в направлении прокатки - 5 мм. Для более наглядного представления результатов расчета весь очаг деформации разбили на три очага деформации. Расчет показал, что в процессе захвата балки калибром обжатия для всех вариантов начинаются в первую очередь с зоны полки в направлении оси ОХ. При этом во всех случаях стенка по всей толщине испытывает напряжения растяжения в направлении оси ОХ .

Принято следующее правило знаков: величины, относящиеся к растяжению, являются положительными, к сжатию - отрицательными. Значения максимальных (контактных) нормальных и касательных напряжений (МПа) в очагах деформации при прокатке балки 35Ш в калибрах 1 и 3что величина растягивающих нормальных напряжений, возникающих в стенке, в направлении оси ОХ (а ) не превышает 52 МПа. В очагах деформации полки и зоне радиуса сопряжения полки со стенкой нормальные контактные напряжения сжимающие, что свидетельствует о благоприятной с позиции качества балки схемы напряженного состояния с преобладанием высоких сжимающих напряжений.

Определив величину и характер изменения контактных нормальных и касательных напряжений по мере захвата двутавровой заготовки валками, переходим к расчету динамических нагрузок в линии привода обжимной клети 1300.

Известно что основной причиной высоких динамических перегрузок в линии привода реверсивных обжимных прокатных станов являются зазоры в шпиндельных соединениях. В связи с этим важно оценить уровень динамических нагрузок, определить скорость соударения масс в зазоре в зависимости от технологических и скоростных параметров процесса прокатки, которая и определяет величину динамических нагрузок, и принять ряд мер для снижения уровня динамических нагрузок. Основными причинами раскрытия зазоров в шпиндельных соединениях обжимных станов являются задача раската в валки со скоростью, превышающей скорость валков, и захват раската валками при замедлении приводного электродвигателя.

Выводы. В результате теоретического исследования определено напряженно-деформированное состояние металла в очагах деформации при захвате двутавровой заготовки калиброванными валками обжимной клети 1300 универсально-балочного стана. Разработана инженерная методика расчета максимальных динамических нагрузок в линии привода обжимной клети 1300 с учетом зазоров в шпиндельных соединениях.

Рисунок 5. Процесс захвата балки

2. СПЕЦИАЛЬНАЯ ЧАСТЬ

2.1 Расчет калибровки валков при прокатке двутавровой балки 35Ш3

Таблица 4 - Исходные данные

Наименование профиля

Размеры профиля, мм


контролируемые

справочные


h

b

s

t

R

hw

bw

35Ш3

347

252

11

17,5

20

312

121


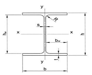
Рисунок 6. Готовый профиль

Условные обозначения:- высота двутавра;- ширина полки;- толщина стенки;- толщина полки;- радиус сопряжения;- высота стенки двутавра

(в свету между полками),- свес полки.

Определение основных размеров профиля и валков

Чистовая универсальная клеть.

Расчёт ведётся против хода прокатки.

Толщина стенки в горячем состоянии:

                                                                                          (1)

где d-диаметр, мм

K1-коэффициент линейного расширения; Кt= 1,015г=11*1,015=11,17 (мм)

Толщина фланцев в горячем состоянии:

                                                                                            (2)

где t- толщина фланца, мм

(мм)

Ширина полки в горячем состоянии:

                                                                                          (3)

где b-ширина полки, мм

 (мм)

Высота двутавра в горячем состоянии:

                                                                                          (4)

 (мм)

Ширина фланца в горячем состоянии:


 (мм)

Ширина стенки в горячем состоянии:

                                                                             (5)

312(мм)

где S-плюсовой допуск на высоту балки, S=3 мм.

Ширина раската в горячем состоянии равна высоте профиля:

                                                                               (6)

Угол наклона фланцев в промежуточной клети (универсальной) рекомендуется 6° -8°, а a=7°

Ширина горизонтальных валков предчистовой универсальной клети определяется исходя из условий тугого захода предчистового профиля в валки чистовой клети, т.к. в противном случае возможно получение складок на стенке профиля или его несимметричности.

                                                                     (7)

где Вгв- ширина горизонтальных валков предыдущей части клети, мм

(мм)

Уменьшение ширины горизонтальных валков предчистовой универсальной клети для двутавров с номинальными радиусами до 260 мм - 2,5 мм; 300/400 мм-3 мм; 500/600 мм - 3,5 м.

Вспомогательная клеть.

Угол наклона фланцев во вспомогательной клети равен углу наклона фланцев в универсальной клети. Ширина валков ВК равна ширине валков ГУК.

В'вк=Вгк=344ммК=ВГК=344мм;

где hк- глубина калибра по ребордам.

       (8)

где bфг- минимальная ширина фланцев на горячем профиле;

 - плюсовой на ширину фланца;

 - зазор между спинкой профиля и валков последнего прохода, принимается в пределах мм.'к= 133,22-6-3=124,2 (мм)

Черновая группа клетей

Универсальная клеть

Угол наклона фланцев в черновой универсальной клети определяется аналогично промежуточной группе, рекомендуется 9-12%

Ширина горизонтальных валков (аналогично промежуточной) :

В"гв= В'гв (мм)

Вспомогательная клеть

Глубина калибра по ребордам

h"к=,                             (9)

где bГ - ширина фланцев после последнего прохода в черновой клети."к=133,2-6=127,2 (мм)

Ширина валков равна ширине горизонтальных валков универсальной клети:

В"Г.B=Вг.в =307 (мм)

Методика расчёта калибровки для универсальной вспомогательной клети

Линейная константа обжатия:

                                                                                            (10)

где - суммарное обжатие по толщине стенки, мм

 - суммарное обжатие по толщине фланца, мм

Задавшись обжатием по стенке , определяем обжатие по фланцам

Основные размеры профиля перед проходом

                                    (11)

Толщина стенки


Толщина полки

                                                                                            (13)

Ширина полки перед проходом в чистовой клети

                                                                                  (14)

где - уширение фланцев при обжатии в УК перед проходом в пред- чистовой и чистовой группах

- в направлении В - У

                                                                                      (15)

в направлении У - В

                                                                     (16)

где  - вынужденное уширение фланцев при обжатии стенок.

Ширина раската:

                                                                                        (17)

Площадь поперечного сечения


Расчёт калибровки для универсальной и вспомогательной клети

Линейная константа обжатия:

 (мм)

 (мм)

7 пропуск (Чистовая клеть)

Принимаем d7= 0,2 мм

(мм)=11,2+0,2= 11,4 (мм)=17,8+0,8= 18,6 (мм)=277-0,44*0,8=273,3 (мм)= bcг+2t9= +2*17,5= 347 (мм)= d9* bcг+2* bг* tг= 11*+2*17,5*251=13414,8 (мм2)

пропуск

Принимаем d6=l,1 мм

(мм)=11,4 + 1,1 = 12,5(мм)=18,6+ 2,2=20,8 (мм)=278+1,1+2,7+0,44*2,2=282 (мм)= bcг+2t8= +2*18,6=349,2 (мм)= d8* bcг+2* bг* tг = 11,2*+2*18,6*279=13922,5 (мм2)

пропуск

Принимаем d5=l,2 мм

(мм)=12,5 + 2,7= 15,2(мм)=20,8+ 5,2= 26 (мм)

Принимаем b6=250 мм= bcг+2t7=+2*20,8= 353,6 (мм)= d7* bcг+2* b7* t7 = 12,5*+2*20,8*279= 15532,8(мм2)

Остальные пропуски рассчитываются аналогично, результаты сводятся в таблицу 5.

Таблица №5.

№ пр.

Размеры профиля, мм

Обжатие, мм

Площадь, мм2


d

t

b

Δd

Δt


0

29

60,5

291

410




1

25,4

51

283

416,11

3,6

9,5

36844

2

21,5

40,2

281

394,51

3,9

10,8

29346

3

18,2

32,4

280

378,91

3,3

7,8

23861

4

15,2

26

280

366,11

3,0

6,4

19334

5

12,5

20,8

279

353,6

2,7

5,2

15506

6

11,4

18,6

278

349,2

1,1

2,2

13898

7

11,2

17,8

277

347

0,2

0,8

13349


Расчёт калибровки двутавровой балки 30Б3 обжимной клети«1300»

Определяем размеры профиля.

Размеры равны горячим размерам профиля:

Вг=410;tг=60,5 мм

Нг=291мм;dг=29 мм

Определяем недостающие размеры и площадь профиля без учёта радиусов закругления

высота фланцев

                                                                                  (18)

толщина фланцев у основания

                                                                       (19)

где tgа- угол внутренних граней фланцев=b3=60,5+(131/2)*0,25=77 (мм)

толщина фланцев на конце

ао=аз=tг-(hо/2)* tga                                                                       (20)

о=аз=60,5-(131/2)*0,25=44(мм)

Площадь профиля

F=Fш+4FФ,                                                                                   (21)

где Fш- площадь шейки,ф- площадь каждого фланца

ш=dг*Вг                                                                                         (22)

ш=410*29=11890 (мм2)

                                                                 (23)

(мм2)=+4*=43592 (мм2)

калибр (чистовой)

Размеры калибра соответствуют горячим размерам профиля.

2 калибр

Расчёт второго калибра ведётся с учётом коэффициента деформации в первом пропуске K1(против хода прокатки) K1=1,12

Толщина шейки:

d2=K2*d                                                                                                  (24)

d2=l,12*29=33 (мм)

Ширина шейки:

В2=В1-b1                                             (25)

где В- ширина шейки в предыдущем калибре, мм; b- уширение в предыдущем калибре, мм;

b1=0,01*B+(n-l),                                   (26)

где n- порядковый номер калибра, в котором определяется b

b1=0,01*410=4,1 (мм)

В2=410-4,1=405,9 (мм)

Высота открытого фланца

                                                                                      (27)

где Dш- катающий диаметр у шейки в предыдущем калибре, определяетсяс учётом допускаемой переточки валков

ш=(0,90,92)*DH-d                                                                       (28)

ш= 0,91* 1300-29=1154 (мм)

( мм )

Высоту закрытого фланца принимаем (мм)

Коэффициент высотной деформации в закрытом фланцевом фланце предыдущего калибра

                                                                                        (29)

Коэффициент боковой деформации в закрытом фланце предыдущего калибра

                                                                                            (30)

Аналогично определяем коэффициенты высотной и боковой деформации в открытом фланце предыдущего калибра.

                                                                                        (31)


                                                                                            (32)

Толщина фланцев у основания:

о=b3*                                                                                          (33)

=77*1,02=78,54 (мм)

Принимаем b3=bо=78,54 (мм)

Толщину фланцев на конце принимаем из цеховых данных: aо=aз=51,5 (мм)

Площадь калибра

ш=Fш+2*Fфо+2* Fфз                                                                   (34)

ш= d'*B'(35)ш=33*405,9=13394,7(мм2)

                                                                                 (35)

мм2)

                                                                                (36)

мм2)

3 калибр

К1=1,9

Толщина шейки:

'=K3*d2                                                                                          (37)

'=l,9*33=63 (мм)

Ширина шейки:

В3=В2-,                                                                                             (38)

где В- ширина шейки в предыдущем калибре, мм;

- уширение в предыдущем калибре, мм;

=0,01*В+(n-1),                                                                         (39)

где n- порядковый номер калибра, в котором определяется

=0,01 *405.9+(2-1 )=5,1 (мм)

В3=405.9-5,1=400.8 (мм)

Высота открытого фланца

                                                                                      (40)

где Dш- катающий диаметр у шейки в предыдущем калибре, определяется с учётом допускаемой переточки валков.

Dш=(0,9-0,92)*DH-d                                                                     (41)

Dш= 0,9* 1300-63=1107 (мм)

 (мм )

Высота закрытого фланца:

 (мм)                                                                    (42)

(мм)

Коэффициент высотной деформации в закрытом фланцевом фланце предыдущего калибра

                                                                                        (43)

Коэффициент боковой деформации в закрытом фланце предыдущего калибра

                                                                                            (44)

Аналогично определяем коэффициенты высотной и боковой деформации в открытом фланце предыдущего калибра.

                                                                                        (45)


                                                                                            (46)

Толщина фланцев у основания:

                                                                                        (47)


                                                                                        (48)

Толщина фланцев на конце:

                                                  (49)


                                                  (50)

Площадь калибра

                                                                     (51)

                                                                                        (52)


                                                                                (53)


                                                                                (54)

'=+2*+2* =83872,3(мм2)

калибр

К4=1,43

Толщина шейки:

'=K4*d3                                                                                          (55)

'=1,43*63=90,1 (мм)

Ширина шейки:

В4=Вз-з,                                                                                              (56)

где В- ширина шейки в предыдущем калибре, мм;

- уширение в предыдущем калибре, мм;

з=0,01 *В+(n-1)                                                                          (57)

где n- порядковый номер калибра, в котором определяется

3=0,01*400.8+(3-1)=6 (мм)

В4=400.8-6=394.8(мм)

Высота открытого фланца

=140

где Dш -катающий диаметр у шейки в предыдущем калибре, определяется с учётом допускаемой переточки валков.

                                                                     (58)

Высота закрытого фланца:

                                                                                      (59)

Коэффициент высотной деформации в закрытом фланцевом фланце предыдущего калибра

                                                                                      (60)

Коэффициент боковой деформации в закрытом фланце предыдущего калибра

                                                                                            (61)

Аналогично определяем коэффициенты высотной и боковой деформации в открытом фланце предыдущего калибра.

                                                                                        (62)


                                                                                            (63)

Толщина фланцев у основаниия'=*1,01=142,8 (мм)' =121,7* 1,42=172,8(мм)

Толщина фланцев на конце:

                                                    (64)

                                                    (65)

Площадь калибра

'ш= F'ш +2*F'фо+2* F'фз                                                              (66)

'ш= d' *B'ш=90,1*394,8=35571,48 (мм2)

                                                                                 (67)


                                                                                 (68)

'=35571,48 +2*+2*=106686,48 (мм2)

проход 4 калибра

калибр

К4=1,95

Толщина шейки:

'=K4*d3                                                                                          (69)

'=1,95*90,1=175,7 (мм)

Ширина шейки:

В4=Вз-з,                                                                                              (70)

где В- ширина шейки в предыдущем калибре, мм;

- уширение в предыдущем калибре, мм;

з=0,01 *В+(n-1),                                                                         (71)

где n- порядковый номер калибра, в котором определяется

3=0,01*400.8+(3-1)=6 (мм)

В4=394,8-6=388,8(мм)

Высота открытого фланца

=213,4

где Dш -катающий диаметр у шейки в предыдущем калибре, определяется

с учётом допускаемой переточки валков.

Высота закрытого фланца:

                                                                                      (72)

Коэффициент высотной деформации в закрытом фланцевом фланце предыдущего калибра

                                                                                      (73)

Коэффициент боковой деформации в закрытом фланце предыдущего калибра

                                                                                            (74)

Аналогично определяем коэффициенты высотной и боковой деформации в открытом фланце предыдущего калибра.

                                                                                        (75)


                                                                                            (76)

Толщина фланцев у основаниия'=*1,12=159,94 (мм)' =172,8* 1,74=300,67(мм)

Толщина фланцев на конце:

                                                    (77)


                                                    (78)

Площадь калибра

'ш= F'ш +2*F'фо+2* F'фз                                                              (79)

'ш= d' *B (78)'ш=175,7*388,8=68312,16 (мм2)

                                                                                 (80)


                                                                                 (81)

'=68312,16+2*+2*=129892,6 (мм2)

Результаты сводятся в таблицу 6

Таблица 6 - Схема прокатки заготовки в обжимной клети

№ пр.

Калибр

СечениеHxB, мм

Δh

Δb, мм



240x440



1

O

310x270

130

0

2

O2

180x295

130

4.1

3

I

100

80

5.1

4


50x297

50

6

5

I I

35х330

15


6

I II

30x370

5


7

IV

29x410



2.2 Проверочный расчет мощности двигателя обжимной клети «1300»


Расчет среднего удельного давления ведется по методу А.И. Целикова

Определяем массу металла

m=V*р,                                                                                          (82)

где р - плотность металла=0,630*7,3=4,9 (т)

Определяем объём металла после прокатки

V=b*h*l                                                                                          (83)

V=0,24*0,36*7,3=0,630 (м3)

Определяем длину металла в каждом пропуске

L1=1.26*7,3=9.198 (м)= 11,95 (м)=14,95 (м)=17,94 (м)= =21,5 (м)= =27,98(м)==30,21 (м)

Определяем среднюю скорость прокатки

                                                                                  (83)сР=24                                                                                           (85)

к=Dn*0,9-Н

Dк1=1300*0,9-160=1010 (мм)к2=1300*0,9-120=1050 (мм)к3,4=1300*0,9-43=1127 (мм)к5,6,7=1300*0,9-23=1147 (мм)


Определяем машинное время по пропускам

                                                                                            (86)

Определяем время пауз (цеховые данные) Без кантовки 1,5-2,5 с;

с кантовкой 2,5-3,5 с

tn1=2,5 с tn3=3 с

tn2=2,5 с tn4=3,5 с

Определяем контактную площадь в каждом пропуске

                                                                           (87)

Определяем температуру металла по пропускам

                                                                                    (88)

                                                                                          (89)

                                                                                        (90)

где tn-начальная температура металла, °Сконечная температура металла, 0С


                                                                                      (91)

Определяем контактное давление в каждом пропуске по методу А.И. Целикова[4]

Коэффициент трения определяем по формуле Экелунда

fn=К*(1,05 - 0,0005*tn),                                                                (92)

где К - коэффициент зависящий от материала валков, для стальных валков К=1

Определяем промежуточный коэффициент

                                                                                  (93)

Определяем относительное обжатие

Определяем значение Р/к и предел текучести по диаграмме А.И. Целикова[4]


К= 1,15 *т                                                                                  (94)

К1=1,15*3,7=4,255

К2=1,15*3,75=4,31

К3=1,15*3,8=4,37

К4= 1,15*3,85=4,43

К5=1,15*3,9=4,49

К6=1,15*3,95=4,54

К7=1,15*4=4,6

Определяем контактное давление в каждом пропуске

   (95)

рср1=1,3*4,255=5,69(кгс/мм2)

рСР2=1,2*4,31=5,175кгс/мм2)

Рсрз=1,4*4,37=6,12(кгс/мм2)

Рср4=1,5*4,43=6,64(кгс/мм2)

РСР5=1,2*4,49=5,38(кгс/мм2)

РСР6=1,3*4,54=5,90(кгс/мм2)

РСР7=1,1*4,6=5,06(кгс/мм2)

Определяем усилие при прокатке

Р=рср*Fк                                                                                       (96)

Р1=5,53* 65336,75=37184,1 (кН)

Р2=3819,27(кН)

Р3=3838,48 (кН)

Р4=3305,27(кН)

Р5=1564,93(кН)

Р6=1106,77 (кН)

Р7=472,58 (кН)

Определяем момент прокатки в каждом пропуске

Мпр=2*Р**                                       (97)

где у - коэффициент положения равнодействующей давления металла на валки, =0,5

МПР1=2*36014,1*0,5*= 952,73(кH * м)

МПР2=997,77(кH * м)

Мпрз=814,98(кH * м)

МПР4=554,80(кH * м)

МПР5=145,15(кH * м)

МПР6=59,27(кH * м)

МПР7=11,31 (кH * м)

Определяем момент трения в каждом пропуске

Мтр=МтрI+МтрII                                                                          (98)

Мтр=P*d*                                 (99)

где МтрI - момент, направленный на преодоление добавочных сил трения в подшипниках валков;- диаметр шейки валков,мм d= 750 мм.

- коэффициент трения в подшипниках валков 0,03

МтрII - момент, направленный на преодоление добавочных сил

Трения

МтрII=                                                           (100)

где - КПД передачи от двигателя к валкам 0,95

Мтр1I=3614,1*0,75*0,03=83,66 (кН*м)

Мтр2I=3819,27*0,75*0,03=85,93(кН*м)

Мтр3I=3838,48*0,75*0,03=86,37 (кН*м)

Мтр4I=3305,27*0,75*0,03=74,37 (кН*м)

Мтр5I= 35,21(кН*м)

Мтр6I=24,9 (кН*м)

Мтр7I= 10,63(кН*м)

М тр1=53,01+81,32=138,21 (кН*м)

М тр2=142,97(кН*м)

Мтр3=133,80 (кН*м)

Мтр4=107,48 (кН*м)

Мтр5=44,70 (кН*м)

Мтр5=29,33 (кН*м)

Мтр5=11,78 (кН*м)

Определяем момент холостого хода

Мх.х=(5-8)%*Мдв.ном,                                                               (101)

где Мдв.ном- номинальная мощность двигателя

Мдв.ном=9,75*      (102)

где N - мощность двигателя, установленная на стане=5250*2 кВт, т.к. раздельный двигатель;ном-номинальная скорость вращения=100 об/мин

Мдв.ном=9,75* =511,9 (кН * м)

Мх.х==25,6(кН * м)

Определяем динамический момент

,                                                                            (103)

где G*Dпр - цеховые данные.*Dпр=3000 кН*м2

=об/мин

Мдин=

Определяем максимальный момент на валу двигателя

Мдв.мах=Мпр.мах+Мтр.мах+Мдин+Мх.х.                                (104)

Выбираем Мпр.мах;Мтр.мах по итогам расчёта

Мдв.мах=997,77+142,97+320+25,6=1486 (кН*м)

Определяем потребную номинальную мощность двигателя

,                                                                          (105)

Где n-число оборотов двигателя в минуту,

М-максимальный момент на волу двигателя.

Вывод: Предложенная калибровка приемлема,т.к. (Nдв.ном<Nдв.существ.) 5080<5250 кВт, т.е. полученное значение меньше номинальной мощности привода, принимаемой в цехе.

2.3 Расчёт нажимного устройства на прочность и подшипника на жесткость обжимной клети «1300»

Расчет на прочность нажимного устройства

Данные для расчета:

Нажимной винт: наружный диаметр резьбы винта - d, м; шаг резьбы - S, м; диаметр пяты винта - d2, м; внутренний диаметр резьбы - d2, м.

Нажимная гайка: наружный диаметр гайки - Dг, м; высота нажимной гайки - Нг, м; диаметр отверстия в станине для прохода нажимного винта - dот, м; ширина витка резьбы у основания - В, м.=0.56 м; d2=0.44 м; S=0,01 м; d1=0.44 м; Dг=0,9 м; Нг=1 м; dот=0,6 м; B=0.005 м.

Предел прочности=1000Мпа Марка Стали 40ХН

Определяем реакции на шейки валка из условия равновесия моментов и сил, МН:

                                                               (106)

                                                                     (107)

=3718 (МН)=3819(МН)=3838(МН)=1565(МН)=1107(МН)=473(МН)=0.45+0.085+=0.67 (м)=1(м)=1.5(м)=1.99(м)=2.5(м)=2.96(м)=L+l=2.8+0.9=3.7 (м)

=9.3

Крутящий момент, необходимый для привода во вращение винта, рассчитывают по формуле:


где d- наружный диаметр резьбы винта; d2 - диаметр пяты винта;средний диаметр резьбы винта; f„ - коэффициент трения в пяте винта, принимающий значение 0.15-0,30 в зависимости от типа смазки; a- угол подъема резьбы; ф - угол трения в резьбе. Параметр dcpвыбирают в зависимости оттипа резьбы (обычно упорная}' и наружного диаметра винта по ГОСТ. Для ориентировочного расчета этого параметра можно использовать приближенную формулуср=0,56-0,75*0,01=0,55 рад

Угол трения в резьбе можно определить по формуле

=arctg()=0,33 рад

=arctg(0.15)=8.5 рад

Напряжение кручения в винте рассчитывают по формуле


Напряжение сжатие рассчитывают по формуле


Суммарные напряжения в винте от совместного действия сжатия и кручения определяют по 4 теории прочности

Далее рассчитывают коэффициент запаса прочности винта.

                                                                         (108)

коэффициент запаса прочности составит

Вывод: Условия прочности выполнены n>5

Нажимная гайка

Марка материала БраЖМц10-3-1.5

Напряжение смятия на поверхности соприкосновения гайки е поперечиной станины рассчитывают по формуле:


где - наружный диаметр гайки;- диаметр отверстия в поперечине станины для прохода нажимного винта

Напряжение смятения резьбы гайки рассчитывают по формуле

=

где d- внутренний диаметр резьбы гайки (обычно принимают равным наружному диаметру винта); d1r- наружный диаметр резьбы гайки, который можно определить по приближенной формуле d1r= d- 1.7S

Напряжение изгиба в резьбе рассчитывают по формуле:


Напряжение среза в резьбе

Рассчитаем коэффициенты запаса прочности при=600 МПа и tв =360 МПа

Результаты расчета свидетельствуют, что условия прочности нажимной гайки выполняются, так как коэффициенты запаса прочности превышают допустимое значение.

2.3.1 Расчёт подшипников на жёсткость

h2=0.04 м=6000 МПа

В=0,6м

С=0,9м

Жесткость или упругое сжатие f подшипника скольжения открытого типа под действием реакции усилия прокатки Rmax (принимаем из предыдущей работы) может быть определено по формуле:


где Е - модуль упругости материала вкладыша (для текстолита Е=(0,06÷0,10)·105 МПа;- горизонтальная проекция площади соприкосновения вкладыша с подушкой, м2;

Для двух подшипников скольжения (верхнего и нижнего) получим:


2.4 Расчет часовой производительности стана по заданному профилю

Определяем машинное время по пропускам

                                                                                            (109)

Определяем время пауз, при продольном перемещении раската по рольгангу

                                                                                          (110)

где L длина раската, м;длина рольганга, м;ср - скорость перемещения раската по рольгангу, м/с; принимаем 8 м/с

Определяем скоростной режим прокатки для универсальных групп клетей:=25,0859= 31,49603= 38,73612= 47,80451= 59,60603= 66,50226= 69,23989

Скорость прокатки по клетям:

Первая группа-8м/с

Вторая группа-10м/с

Чистовая клеть-10м/с

Первая группа (ВК-ГУК)

Вторая группа (ГУК-ВК)

Чистовая УБК

По найденным данным скоростного режима прокатки балки 35Ш3 строим график Адамецкого, представленный на рисунке 7.

Рисунок 7 - График прокатки К. Адамецкого

Определяем часовую производительность данного профиля

                                                                             (111)

где m- масса металла, т;

Ки - коэффициент использования стана, Ки=0,9;

Тр - время ритма, с;

Кр - расходный коэффициент, Кр=1,02



3       ЭКОНОМИЧЕСКАЯ ЧАСТЬ

3.1 Расчет себестоимости балки35Ш3

При освоении нового профиля в условиях действующего цеха дополнительных инвестиционных вложений не требуется, также не происходит изменении в штатном составе рабочих.

Целью расчета экономической эффективности является получение прибыли от реализации Балки 35Ш

Для расчёта прибыли составляется плановая калькуляция 1 тонны 35Ш3, представленная в таблице 7.

Таблица 7- Калькуляция расчетного профиля

Статьи затрат

Количество

Цена

Сумма

Заготовка

1,07

12672,36

13563,4

Отходы (-)

0,07

6924,06

480,23

Итого задано за вычетом отходов

1,0

_

13075,51

Итого прямых затрат

1,0

-

13075,51

Электроэнергия

0,106

1958,75

206,79

Газ природный

0,085

3479,55

296,89

Энергетические затраты

-

-

503,68

Косвенные затраты

-

-

-

Прямые затраты

-

-


Топливо технологическое

-

-

11,51

Энергия технологическая

-

-

53,19

Зарплата основных рабочих

-

-

Сменное оборудование

-

-

271,23

Текущий ремонт основных средств

-

-

211,56

Капитальный ремонт основных средств

-

-

115,04

Содержание основных средств

-

-

158,,7

Амортизационные отчисления

-

-

17,13

Прочие расходы

-

-

115,87

Общепроизводственные расходы

-

-

2,86

Косвенные затраты

-

-

1160,86

Производственная себестоимость

-

-

14035,16


Основой расчета себестоимости является расходный коэффициент из определения часовой производительности стана. Расходы по переделу, которые являются косвенными затратами, берутся по нормативам цеха.

В калькуляции заработная плата основных рабочих, оплачиваемых повременно, определяется на основе тарифных ставок, отработанного времени из графика выходов, системы премирования и доплат к заработной плате на основе Трудового кодекса РФ. Для сдельщиков заработная плата рассчитывается на основе установленных норм времени, норм выработки.

Пример расчета заработной платы оператора стана 4 разряда, тарифная ставка которого 69,84 руб. Отработанное время из графиков выходов 2097 часов в год, из них ночных - 1050часов, праздничных - 77часов, переработка - 86часа, при выполнении всех условий премирования - премия 50%.

Оплата по тарифу 69.64*2097=146454,48руб

Премия 0,5*146454,48=73227,24руб

Доплата за ночь 0,4*1050*69,84=29332,8руб

Доплата за праздник 77*69,84=5377,68руб

Доплата за переработку 0,5*69,84*86=3003,12руб

Основной фонд оплаты труда (ФОТ) (146454,48+73227,24+29332,8+5377,68+3003,12)*1,15=296004,62руб

Дополнительный фонд оплаты, предназначенный для оплаты нерабочего времени (очередные и учебные отпуска, командировки), составляет 11,7% от основного фонда оплаты труда.

Дополнительный ФОТ = 0,117*296004,62=34632,54руб

Страховой взнос, предназначенный для формирования пенсионного фонда, фонда обязательного медицинского страхования и фонда социального страхования составляет 30% от основного и дополнительного ФОТа. (296004,62+34632,54)*0,3=330637,2руб

Амортизация определяется по установленным нормам, средний размер которой около 10% от первоначальной (восстановительной) стоимости оборудования.

Определяем часовую производительность линии:

                                                                      (112)

где - число секунд в одном часе;- масса исходной заготовки, т;

- ритм прокатки, с;

Кр- расходный коэффициент при прокатке расчётного профиля на стане 1,3;

- коэффициент использования оборудования стана,

,                     (113)

,

              (114)

,

.

3.2    Расчет экономической эффективности

Экономическая эффективность определяется за счет реализации расчетного профиля, при этом прибыль считается по формуле:

,                                                             (115)

где Ц - цена реализации 1 тонны, руб.

С - себестоимость 1 тонны расчетного профиля, руб.

По маркетинговими сследованиям потребность в данной балке 5% от годового объема, следовательно, прибыль считается в зависимости от потребности в народном хозяйстве

Годовой объем реализации по маркетинговым исследованиям потребности в данном профиле составляет 4-5%.

,      (116)

.

По среднему уровню рентабельности продукции цена реализации проката выше расчетной себестоимости на 13-14%.

,  (117)

.

Расчеты заканчиваются составлением таблицы технико-экономических показателей.

Таблица 9 - Расчетные технико-экономические показатели

Показатели

Значение

Годовой выпуск, т

136268

Расходный коэффициент, т/т

1,07

Себестоимость 1 тонны проката, руб.

16438,2

Прибыль, млн.руб.

150,935

Рентабельность продаж, %

14

Затраты на один рубль товарной продукции, руб.

0,877

Номинальное время работы стана

2136

Фактическое время работы стана

6012


Рентабельность продаж.

 ,                                                                      (118)

.

Затраты на один рубль товарной продукции.

                                                                                    (119)

 

ОХРАНА ТРУДА И ПРОМЫШЛЕННАЯ БЕЗОПАСНОСТЬ

4.1.Освещение производственных помещений

Важным является вопрос освещенности рабочего места. Без рационального освещения не могут бать созданы оптимальные условия для общей работоспособности человека, и тем более для эффективного функционирования зрительной системы.

Человек зрением воспринимает до 90% информации из окружающей среды, потому свет необходим в процессе трудовой деятельности - причем, качество освещения рабочих зон и производственных помещений имеет решающее значение для охраны труда. Недостаточное или не качественное освещение не только снижает производительность труда, но и может бать причиной несчастного случая.

Наилучшим видом освещения является естественное - дневное. В соответствии со СНиП 23-05-95 освещение должно обеспечивать: санитарные нормы освещенности на рабочих местах; равномерную яркость, отсутствие резких теней и бликов; постоянство освещенности во времени и правильность направления светового потока.

В цехе прокатки широкополочных балок применяется, различное естественное освещение. Допускается деление помещения на зоны с боковым освещением (зоны, примыкающие к наружным стенам с окнами) и зоны с верхним освещением, нормирование и расчет естественного освещения в каждой зоне производятся независимо друг от друга.

В цехе также предусмотрена система аварийного освещения, выполненная с независимым источником питания и автоматическим переключением на него при аварии, которое составляет 5 % от нормы освещённости.

В цехе прокатки широкополочных балок применяют и искусственное общее освещение. Для искусственного освещения применяют светильники типа ГкР, лампы ДРЛ - 700 Вт.

Для освещения постов управления стана применяют местное искусственное освещение.

В таблице 10представлена освещенность участка станового пролета и постов управления.

Таблица 10 - Освещенность участка стана

Наименование раб очей полнлтыти.

Характеристика зрительной работы

Разряд зрительной работы

Искусственное освещение




Освещенность, ЛК

Сочетание нормируемых величин показателя ослепленности и коэффициента пульсации не более




Искусственное освещение





комбинированное

общее

Р

Кп, %

Участок стана

Общее периодическое при постоянном наблюдении за ходом производственного процесса

VIII

-

75

40

20

Посты управления

Работа со светящимися материалами и изделиями

VII

-

200

40

20


4.2 Мероприятия по улучшению труда на стане


Для улучшения условий труда на стане, рекомендуется.

Организационные мероприятия предусматривают внедрение системы управления охраной труда, обучение работающих, обеспечение их инструкциями, создание кабинетов по охране труда, организацию контроля за соблюдением требований охраны труда и т. д.

Технические мероприятия предусматривают:

разработку и внедрение комплексной механизации и автоматизации тяжелых, вредных и монотонных работ; создание безопасной техники и технологии; установку предохранительных, сигнализирующих, блокировочных устройств;

технические решения по нормализации воздушной среды, производственного освещения; предупреждению образования и удаления из рабочей зоны вредных веществ; снижению шума, вибраций, защите от вредных излучений;

создание изолирующих кабин для операторов, работающих во вредных условиях, или дистанционного управления; разработку и изготовление коллективных и индивидуальных средств защиты и др.

Медико-профилактические включают:

предварительные и периодические медицинские осмотры работающих в опасных, вредных и тяжелых условиях труда;

обеспечение их лечебно-профилактическим питанием;

проведение производственной гимнастики; ультрафиолетового и бактерицидного облучения;

применение хвойных, соляно-хвойных ванн, массажа и т. п.

Экономические мероприятия включают материальное стимулирование работ по предупреждению травматизма и улучшению условий труда, более рациональное распределение средств, выделяемых на охрану труда.

 

ЗАКЛЮЧЕНИЕ


В данной курсовой работе приведен проект технологического производства двутавровой балки 35Ш3 из заготовки сечением 240x440 мм в условиях цеха прокатки широкополочных балок АО «ЕВРАЗ НТМК».

В проекте технологического производства балки 35Ш3 осуществлен расчет калибровки валков, расчет энергосиловых параметров клети 1300 и расчет годовой производительности стана по заданному профилю.

Анализируя полученные результаты расчетов можно сделать следующие выводы:

-       скоростной режим обеспечивает равномерное увеличение скорости прокатки без образования узких мест;

-       мощности двигателей, идущее на преодоление статистических моментов прокатки, не превышает номинальных мощностей для них.

СПИСОК ИСПОЛЬЗУЕМЫХ ИСТОЧНИКОВ


1. Смирнов В.К, Шилов В.А, Ю.В. Инатович Ю.В. Калибровка прокатных валков. - М.: Металлургия, 1987. - 368 с.

.Бахтинов Б.П, ШтерновМ.М. Калибровка прокатных валков. - М.: Металлургиздат, 1953. - 784 с.

.ЧекмаревА.П, Мутьев М.С. Машковцев Р.А. Калибровка прокатных валков. М.: Металлургия, 2014. - 512 с.

. Целиков А.И, Томленов В.И. Зюзин В.И. Теория прокатки Справочник. - М.: Металлургия, 1982. - 335 с.

. Королев А.А. Конструкция и расчет машин и механизмов прокатных станов. - М.: Металлургия, 1985. - 376 с.

6.ЗлобинскийБ.М. Охрана труда в металлургии. - М.: Металлургия, 1975. - 536 с.

7. Производство рельсов балок и швеллеров. Электронный учебник под ред. Ястребовой Т.В. - Нижний Тагил; НТГМК, 2010.

.ТИ 102-П.С-84-2009 Нагрев;

.ТИ 102-П.С-89-2004 Отделка;

.ТИ 102-П.С-85-2010 Прокатка.

.Журнал «Известия высших учебных заведений Чёрная Металлургия» том59 №4 2016 год.

Похожие работы на - Проект технологического производства двутавровой балки 35Ш3

 

Не нашли материал для своей работы?
Поможем написать уникальную работу
Без плагиата!
Без нейросетей!