Разработка и исследование радиально-поршневого насоса с автоматическим управлением по давлению
Содержание
Введение
1.
Литературный обзор способов регулирования скорости и конструкций насосов для
гидропривода главного движения металлорежущих станков
2.
Конструкторская часть
2.1
Разработка конструкции насоса
2.2
Гидравлические расчеты насоса
2.2.1
Определение диаметра поршня
2.2.2
Гидравлический расчет клапанов
2.3
Прочностные расчеты насоса
2.3.1
Расчет усилий пружин клапанов
2.3.2
Расчет усилия пружины возврата поршня
3.
Кинематическое исследование механизма насоса
3.1
Определение закона движения поршня
3.2
Определение скоростей звеньев механизма и его точек
3.3
Определение ускорений звеньев механизма и его точек
4.
Исследование влияния параметров механизма насоса на его кинематические
характеристики
4.1
Кинематический расчет кулачкового механизма привода клапана
4.2
Изменение параметров для определения оптимальных характеристик насоса
Заключение
Список
использованных источников
насос металлорежущий
кинематический кулачковый
Введение
Из существующих видов силовых систем машин и
механического оборудования наибольшее распространение получили электрические и
объемные гидравлические системы, причем в силовых устройствах используют в
основном гидравлические системы. Гидравлические приводы получили широкое
применение в самых различных отраслях машиностроения: в металлорежущих станках,
в станках для холодной прокатки труб, рольгангах, тяжелом горном оборудовании,
в экскаваторах, на транспорте.
Широкое применение гидравлических приводов в
машинах обусловлено их преимуществами, основное из которых относительно малые
габариты и вес, приходящиеся на единицу мощности. Гидравлические приводы просты
в изготовлении, обладают высокой надежностью и долговечностью. Преимуществом
является простота бесступенчатого регулирования скорости, плавность и
устойчивость движения. Учитывая преимущества объемного гидропривода, в
настоящее время ведутся разработки новых вариантов объемных гидроприводов.
Одним из направлений исследований является
применение сверхвысоких (70МПа и более) давлений. Преимущество гидропривода по
сравнению с электрическими как раз заключается в возможности работы при высоких
давлениях. Рабочие давления в современном гидроприводе достигают 20-30 МПа, а
удельные силы электрических машин не превышают 2МПа.
В данной ВКР предлагается новая поршневая
гидромашина, работающая при давлениях 70-100МПа, имеющая клапанное
распределение рабочей жидкости, в которой регулирование производительности
осуществляется путём изменения соотношения плеч рычагов, а управление клапанами
осуществляется кулачком, расположенном в полости рабочего давления на валике,
вращающимся синхронно с валом машины.
Темой ВКР является разработка и исследование
регулируемого радиально-поршневого насоса с автоматическим управлением по
давлению.
1.
Литературный обзор способов регулирования скорости и конструкций насосов для
гидропривода главного движения металлорежущих станков
Объемные гидромашины обычно выполняются
многокамерными и рассчитываются с целью снижения габаритов и массы
гидросистемы, для работы под высокими давлениями (до 70 МПа и выше). С этой же
целью их рассчитывают на высокие частоты вращения, которые в отдельных случаях
достигают 30 000 об/мин [1].
При выборе скорости вращения насоса учитывают
ряд факторов. При малой скорости повышается надежность и срок службы насоса,
однако при этом увеличиваются его габариты и уменьшается объемный к. п. д. При
увеличении скорости уменьшаются габариты, однако при этом снижается его
долговечность вследствие интенсивного износа деталей, а также повышаются
гидравлические потери в каналах машины. Тенденция повышения частоты вращения
гидравлических машин и давлений рабочей жидкости противоречит требованиям
повышения надежности и ресурса этих машин.
Необходимость разработки конструкции данного
вида насоса обусловлена тем, что одним из направлений в современной технике
является применение сверхвысоких (70 МПа и более) давлений. Преимущество
гидропривода по сравнению с электрическими машинами как раз и заключается в
возможности работы при высоких давлениях. Рабочие давления в современном
гидроприводе достигают 20-30 МПа, а удельные силы электрических машин не
превышают 2 МПа. Как следствие, гидропривод обладает большей мощностью, имеет
меньшие габариты, большее быстродействие.
Нами установлено, что применение сверхвысоких
давлений в гидроприводе главного движения станков позволяет расширить диапазон
регулирования скорости вращения при постоянной мощности, сократить габаритные
размеры и массу.
Объемный насос гидравлического привода служит
для пре-образования механической энергии, прилагаемой к приводному валу (входному
звену), в энергию потока жидкости. У насоса входным параметром является
скорость вала и выходным - расход жидкости.
Для бесступенчатого регулирования скорости
вращения вала гидромотора в объемном гидроприводе используется два способа:
дроссельное регулирование;
объемное регулирование.
Дроссельный способ регулирования скорости
гидроприводов основан на том, что часть жидкости, подаваемой насосом, отводится
в сливную гидролинию и не совершает полезной работы. Скорость вращения
гидромотора регулируется дроссельными устройствами, исключенными на входе или
выходе рабочей жидкости из гидромотора, а также в ответвление от нагнетательной
линии. Дроссельное регулирование отличается простотой, но имеет ряд
недостатков. Основным недостатком гидроприводов с нерегулируемым насосом и
дроссельным регулированием скорости является низкий к.п.д., обусловленный самим
принципом дроссельного регулирования [2]. Этот недостаток ограничивает область
применения дроссельного регулирования приводами малой мощности.
В гидроприводах большой мощности, в которых
энергетические показатели играют важную роль, применяют объемный способ
регулирования скорости. К.п.д. гидроприводов с объемным регулированием,
определяемый соотношением
,
где ηН
- к.п.д. насоса;
ηМ - к.п.д.
гидродвигателя;
ηГ - к.п.д.
гидролинии, - существенно выше, чем в гидроприводах с дроссельным
регулированием, и достигает 0,65…0,75. Нагрев рабочей жидкости в гидроприводах
с объемным регулированием значительно меньше, чем при дроссельном регулировании
благодаря отсутствию дросселирования потока.
При таком способе регулирования обеспечивается
более плавное реверсирование и торможение гидродвигателя, чем при распределении
потока с помощью гидрораспределителей. Диапазон регулирования скорости при
объемном способе регулирования во много раз выше, чем при дроссельном
регулировании.
Благодаря перечисленным преимуществам
гидроприводы с объемным регулированием применяются в качестве приводов средней
и большой мощности. Привод главного движения станка относится к приводам
средней мощности, следовательно, для него наиболее применим способ объёмного
регулирования скорости вращения вала гидромотора.
Объёмное регулирование скорости осуществляется
изменением рабочего объёма насоса, гидродвигателя или насоса и гидродвигателя.
На рисунке 1.1 представлены 3 схемы объемного
регулирования скорости.
На рисунке 1.1а приведена принципиальная схема
гидропривода вращательного движения с замкнутой циркуляцией жидкости, в котором
регулирование скорости вращения вала гидромотора 1 осуществляется за счет
изменения подачи насоса 2.
Такое регулирование называется регулированием с
постоянным крутящим моментом, т.к. имеется в виду, что давление в гидропередаче
постоянно. Диапазон регулирования с постоянным крутящим моментом зависит от
минимального устойчивого значения скорости вращения вала гидромотора.
На рисунке 1.1б приведена принципиальная схема
гидропривода, в котором регулирование скорости вращения вала гидромотора
осуществляется за счет изменения рабочего объема самого гидромотора.
Рисунок 1.1 - Принципиальные схемы гидропривода
Такое регулирование условно называется
регулированием с постоянной мощностью, т.к. уменьшение рабочего объема
гидромотора увеличивает скорость выходного звена гидропривода и соответственно
уменьшается крутящий момент, развиваемый на выходном звене.
Принципиальная схема гидропривода с регулируемым
насосом и гидромотором приведена на рисунке 1.1в.
Наиболее предпочтительной является схема на
рисунке 1.1а с регулированием скорости с помощью изменения рабочего объёма
насоса. Достоинством данного способа регулирования является удобство
регулирования, т.к. местонахождения насоса не оказывает существенного влияния
на компоновку станка; низкая стоимость, простота конструкции, малые габаритные
размеры и масса нерегулируемого гидромотора, что особенно важно в приводах со
встроенным гидродвигателем. Но данная схема не позволяет регулировать скорость
вращения вала гидромотора при постоянной мощности, не обеспечивает необходимый
силовой диапазон. В этом случае получение силового диапазона достигается за
счет ограничения нагрузки гидропередачи, т.е. недогрузки гидропередачи.
В гидроприводах высоких давлений нашли
наибольшее применение поршневые насосы, которые по расположению цилиндров
делятся на радиальные и аксиальные.
В зависимости от вида распределения рабочей
жидкости насосы подразделяются на насосы с бесклапанным распределением и
клапанным распределением.
По расположению цилиндров эти машины делятся на
роторные радиально-поршневые с радиальным относительно оси вращения ротора
расположением цилиндров и роторные аксиально-поршневые с аксиальным
относительно оси вращения цилиндрового блока расположением цилиндров.
Роторной гидромашинной называют машину, у
которой подвижные элементы, образующие рабочую камеру, совершают вращательное
движение.
Роторные насосы с цапфовым распределением обычно
применяют до давлений 25 МПа, при более высоких давлениях применяют нероторные
радиально-поршневые насосы с распределением с помощью свободно-посаженных
клапанов; насосы выпускаются на давления до 100 МПа и выше. Клапанное
распределение распространено преимущественно в плунжерных насосах с кулачковым
(эксцентриковым) приводным механизмом поршней [3]. Схема элемента такого насоса
представлена на рисунке 1.2.
Заполнение насоса жидкостью происходит через
всасывающий клапан 1, а вытеснение из цилиндра (нагнетание)- через
нагнетательный клапан 2. Привод поршня осуществляется эксцентричным кулачком
(диском) 4, к которому поршень 3 поджимается пружиной или иными средствами. Ось
О1 вокруг которой вращается кулачок, смещена относительно его геометрической
оси О2 на величину эксцентриситета е, в соответствии с чем геометрическая ось
(центр) О2 кулачка описывает при его вращении вокруг оси О1 окружность
радиусом, равным эксцентриситетом е. Поршень 3 при этом будет совершать в
цилиндре возвратно-поступательные движения на величину пути 2е. При вращении
эксцентрикового кулачка 4 вокруг оси О1 приводного вала, с которым этот кулачок
жестко соединен, геометрическая ось (центр) О2 кулачка будет описывать
окружность радиусом r=е вокруг оси вала О1. При этом поршень 3 насоса,
прижимаемый к эксцентрику пружиной 6 (или иными средствами), будет перемещаться
возвратно-поступательно в цилиндре, совершая за один оборот два хода, каждый из
них равен h=2е. При движении поршня 3 в левую сторону (соответствуют для
данного направления вращения верхней половине эксцентрика) объем цилиндровой
камеры уменьшается и жидкость, заполняющая ее, вытесняется через клапан 2 в нагнетательную
полость. При обратном движении поршня (соответствует нижней половине окружности
эксцентрика) объем цилиндровой камеры будет увеличиваться и жидкость преодолев
усилие пружины 5 и открыв всасывающий клапан 1, будет поступать в камеру
насоса.
С целью устранения недостатков простого
клапанного распределения в мощных гидромашинах применяют клапанное
распределение, приводимое в движение принудительно. Подобное распределение в
гидромоторе, осуществляемое при помощи тарельчатых клапанов, приводимых в
движение механически, представлено на рисунке 1.3. Рабочий поршень 3 и клапаны
2 и 4 приводятся в движение общим эксцентриковым валом 1 с соответственно
смещенными кулачками. Схема представлена на рисунке 1.3.
Рисунок 1.2 - Схема эксцентрикового насоса с
клапанным распределением
С целью снижения контактного напряжения по месту
контакта поршня и эксцентрика применяют, и в частности при высоких давлениях
(350 МПа и выше), гидромашины с полыми поршнями, называемыми часто
гидромашинами с жидкостными поршнями.
Недостатком известных поршневых гидравлических
машин является наличие дополнительных подвижных герметичных соединений, что
снижает их гидравлические и механические характеристики.
Недостаток насоса на рисунке 1.3 заключается в
том, что на кулачки действуют большие усилия при открытии клапанов.
Объемно-дроссельное регулирование скорости
исполнительных гидродвигателей занимает промежуточное положение. Оно
заключается в сочетании ступенчатого изменения расхода за счет подключения
несколько нерегулируемых насосов и плавного изменения расхода дросселированием
в промежутке между ступенями. (рисунок 1.4 а)
Насос Н1 постоянно включен в систему, а Н2 может
соединяться с линией слива.
На нижней части диапазона работает только Н1, а
на верхней - оба насоса.
Рисунок 1.3 - Эксцентриковый насос с
принудительным клапанным распределением жидкости
Рисунок 1.4 - Схема гидропривода с
объемно-дроссельным регулированием скорости:
а) с двумя нерегулируемыми насосами; б) с
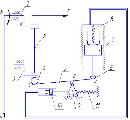
насосом, автоматически управляемым по давлению
Возможно так же применение насоса, автоматически
управляемого по давлению. (рисунок 1.4 б).
В этом случае при изменении расхода через
дроссель изменится давление перед ним, что через механизм автоматического
управления приводит к соответствующему изменению производительности насоса
таким образом, что она всегда равна расходу жидкости через дроссель.
Объемно-дроссельное регулирование отличается
простотой регулирования, свойственной дроссельному регулированию, и
одновременно позволяет значительно повысить КПД привода.
Регулируемые пластинчатые насосы имеют V0=6….170
см3; p=2….21 Мпа и n=800….1800 мин-1. Различают насосы прямого и непрямого
управления, причем в первых применяется силовая пружина для уравновешивания
радиальной составляющей силы на статоре, а во вторых - золотниковый
распределитель изменяющий давление, в камере управляющего поршня.
Насосы Г12-5 (V0=20; 45 и 80 см3; p=6,3 Мпа и
n=960….1500 мин-1) прямого управления (рисунок 1.5) имеют рабочий комплект,
состоящий из ротора с пластинами 3, статора 4, наружного кольца 5, переднего 18
и заднего 15 распределительных дисков. Комплект установлен в соединённых между
собой винтами корпусе 14 и крышке 19 и скреплен винтами 7. Шейки ротора
опираются на подшипники скольжения, выполненные в распределительных дисках.
Ротор шлицами связан с приводным валом 22, опирающимся на шарикоподшипники 20 и
29. В переднем диске предусмотрены пазы 24 и17 для всасывания и нагнетания
рабочей жидкости, а также пазы 16 и 25 для соединения обращенных к центру
ротора торцовых поверхностей пластин с напорной (на участке нагнетания) или
всасывающей (на участке всасывания) линиями. Задний диск имеет связанную с
напорной линией кольцевую камеру 26, ограниченную шайбой 28 и кольцами 27.
При вращении ротора рабочий комплект сжимается
давлением рабочей жидкости в камере 26, а пластины под действием центробежной
силы и давления (на участке нагнетания) прижимаются к расположенной эксцентрично
внутренней поверхности статора, причем объемы рабочих камер, ограниченных двумя
соседними пластинами, ротором, статором и распределительными дисками,
изменяются: увеличиваются при движении камеры ниже оси 1 - 1 и уменьшаются в
процессе ее движения выше этой оси. Пазы 24 и 17 выполнены таким образом, что
при увеличении объемов камер последние постоянно связаны со всасывающей линией,
а при уменьшении - с напорной. Давление рабочей жидкости в зоне нагнетания
создает силу, действующую на ротор сверху вниз (воспринимается подшипниками
скольжения) и на статор - снизу-вверх (воспринимается опорой 6).
Рисунок 1.5 - Конструкция пластинчатого
регулируемого насоса Г12-5
Благодаря тому, что пазы 24 и 17 выполнены не
симметрично относительно оси 1 - 1 (повернуты на некоторый угол α
в
направлении вращения), сила, действующая на статор, отклоняется от вертикали,
т.е. появляется некоторая составляющая R, стремящаяся сдвинуть статор,
опирающийся на неподвижную 30 и подвижную 6 опоры, вправо, преодолевая силу
пружины 10 регулятора давления. Последний содержит так же корпус 8, толкатель
9, подпятник 11, регулируемый винт 12 и гайку 13. Наибольший эксцентриситет
ограничивается упором 2. Наружные утечки исключаются манжетой 21; утечки из корпуса
отводятся через дренажное отверстие 23.
Недостаток насоса, представленный на рисунке 1.5
заключается в том, что пластинчатые насосы работают при давлении 16 МПа, так
как герметизация рабочей камеры осуществляется по линии.
Характеристики насосов приведены на рисунке 1.5.
При увеличении давления p (рисунок 1.6 а) подача насоса Q медленно снижается в
связи с ростом внутренних утечек (Qном - номинальная подача; Q0 - подача при
p=0). Когда давление достигает величины p1, сила R преодолевает сопротивление
пружины и при дальнейшем росте давления подача Q резко уменьшается (практически
до нуля), т.е. до величины утечек в гидросистеме при давлении p2. В процессе
регулировки насоса давление p2 при нулевой подаче настраивается винтом 12 (см.
рисунок 1.5), причем при увеличении подачи до 0,9 Qном давление должно быть не
менее p1.
Заменой силовых пружин 10 можно обеспечить три
диапазона регулирования Д1 - Д3 (рисунок 1.6, б), а внутри каждого из
диапазонов настраивать давление винтом 12 (см. рисунок 1.5) Настройка различных
значения подачи в пределах 0,4 Q0….Q0 (см. рисунок 1.6 в) осуществляется упором
2. При резком изменении расхода рабочей жидкости, поступающей в гидросистему, и
высокой жесткости напорной линии возможны значительные колебания давления в
переходных режимах.
На рисунке 1.6 г приведена осциллограмма
изменения давления в напорной линии, состоящей из стального трубопровода
диаметром 20 мм, длиной 150 мм между насосом и запирающим распределителем и
двух отводов медными трубками 6х0,8 мм длиной по 150 мм к датчику давления и
манометру, который при осциллографировании закрывается вентилем. При изменении
расхода рабочей жидкости от номинальной подачи насоса с V0=45 см3 до нуля
(точка А) и от нуля до Qном (точка Б) за время 0,02 с с помощью распределителя
с ручным управлением, на выходе из которого установлен гидромотор с V0=40 см3,
в гидросистеме появляются значительные пики давления.
Рисунок 1.6 - Статические характеристики насоса
Г12-5 (а-в) и осциллограмма переходящего процесса (г)
В настоящее время передовые зарубежные фирмы
применяют насосы прямого управления в основном в нижней части диапазона рабочих
объемов.[6]
Для повышения давления до 70 МПа необходима
разработка поршневого насоса с автоматическим управлением по давлению.
Целью создания новой поршневой гидравлической
машины является повышение герметичности полости высокого давления, за счет чего
повышаются механические и гидравлические характеристики поршневых машин,
работающих в насосном и двигательном режимах.
Данный механизм позволяет повысить объемный
к.п.д. машины, предельные значения давления и скорости, снизить вес,
приходящийся на единицу мощности и момента.
. Конструкторская
часть
2.1 Разработка конструкции насоса
Радиально-плунжерный насос (см. лист
ВКР.15.04.01.09.008.02.01.00.00 СБ) имеет корпус, состоящий из двух частей 6 и
21, соединенных между собой обоймой 20. В корпусе на подшипниках качения 58
установлен эксцентриковый вал 4, на эксцентричной шейке которого установлен
подшипник качения, а на нем обойма 7, которая, кроме того, соединена с корпусом
штифтами 54 и серьгой 38.
В корпусе 21 насоса имеется ряд радиальных
отверстий, в которых установлены гильзы 24. Внутри гильз находятся поршни 23,
которые внешними концами через башмаки 22 с шаровыми опорами контактируют с
рычагами 29. Рычаги вторым концом опираются на обойму 7 через ролики 26,
образуя опору качения, сепарирование роликов в которой осуществляется за счет
того, что ролики имеют винтовые канавки, а в контактных поверхностях рычагов и
обоймы смонтированы планки 25 и 27, установленные под углом наклона винтовой
линии ролика и входящие с ним в зацепление.
Третьей опорой рычага служат ролики 28,
установленные в сепараторах 2 и 3. Прижим поршней к рычагам и рычагов к роликам
26 и обойме 7 осуществляется пружинами 39.
Сепараторы 2 и 3 могут совершать качательное
движение относительно оси вращения вала машины, с помощью пружин 41 и плунжеров
31, установленных в расточках корпуса, через пальцы 36, входящие в пазы
сепараторов. Регулирование натяжения пружины 41 осуществляется стаканом-винтом
30.
Полости всех цилиндров соединяются через
нагнетательные клапаны 14 и 19 с полостями давления соответствующей секции и
через всасывающие клапаны 10 - с общей полостью всасывания. Все клапаны имеют
наряду с гидравлическим управлением также и механическое - от кулачков 9, 15 и
18, которые позволяют работать машине как в насосном, так и в двигательных
режимах, а также устраняют стук клапанов.
Кулачки установлены на валике 5, который вторым
концом установлен в отверстие вала 4 и соединен с ним с помощью винта 34.
Давление также подается через торцы плунжеров 31
из соответствующей секции через каналы в корпусе и трубку 43.
Насосы имеют фланцевое исполнение, позволяющее
крепить его непосредственно к электродвигателю.
Работа насоса происходит следующим образом. При
вращении эксцентрикового вала 4 обойма 7 совершает сканирующее движение,
заставляя совершать качательные движения рычаги 29 вокруг точки контакта
последних с роликами 28. Благодаря этому поршни 23 совершают возвратно-поступательное
движение. Величина хода поршней зависит от соотношения плеч рычагов, которое
регулируется перемещением роликов 28 с помощью сепараторов, приводимых в
движение плунжерами 31, что позволяет осуществить управление по давлению. При этом
ролики обкатываются без скольжения по контактным поверхностям обоймы 20 и
рычагов.
При движении поршней во внутрь цилиндров масло
вытесняется через нагнетательные клапаны 14 и 19 и в одну из двух
нагнетательных плоскостей. При обратном движении поршней, осуществляемыми
пружинами 39, происходит всасывание масла через всасывающие клапаны 10 из общей
сливной полости.
Основной особенностью конструкции насоса
является возможность регулирования геометрической подачи двух независимых друг
от друга потоков в широком диапазоне. Применение подвижных опор рычагов в виде
двух роликов позволит уменьшить мощность, затрачиваемую на регулирование за
счет устранения трения скольжения. Это, а также выполнение контакта рычагов с
обоймой 7 в виде опоры качения, позволяет повысить механический к.п.д. насоса.
Выполнение устройства сепарирования в виде
винтовой передачи устраняет дополнительные подвижные детали - сепараторы - и,
следовательно уменьшает
инерционные массы и уровень шума.
Применение клапанного распределения, отличающегося
герметичностью и простотой конструкции, а также управление производительностью
насоса по давлению в напорной магистрали, позволит повысить объёмный к.п.д.
привода.
Механическая и гидравлическая схемы насоса
обеспечивают наибольшую технологичность конструкции с учетом изготовления его
на неспециализированном предприятии.
2.2 Гидравлические расчеты насоса
Исходные данные:
Производительность насоса

;
Скорость вращения приводного вала

;
Мощность приводного электродвигателя

;
Рабочее давление

.
2.2.1 Определение диаметра поршня
мм, (2.1)
где d - диаметр поршня, мм;- производительность
насоса, см3 /с;- число поршней; k = 5;- длина хода поршня, мм; l = 12 мм;
η - объемный к.п.д.
насоса; η
= 0,9.
;
Принимаем d = 30 мм.
2.2.2 Гидравлический расчет клапанов
При расчете исходим из максимального расхода
жидкости через клапан и максимально допустимой скорости истечения жидкости.
Должно выполняться условие:
см/с, (2.2)
где υж.max
- максимальная скорость истечения жидкости, см/с;кл - площадь проходного
сечения клапана, см2;- максимальный расход жидкости через клапан, см3/с;
[υmax] - максимально
допустимая скорость истечения жидкости, см/с;
По данным работ [3, 4] скорость движения масла в
клапанах управления не должна превышать следующих значений:
для нагнетательного клапана
[υmax]н = 6 м/с = 600
см/с;
для всасывающего клапана
[υmax]вс = 3 м/с = 300
см/с.
Здесь и в дальнейших расчетах параметры с
индексом “н” относятся к нагнетательному клапану, а с индексом “вс” - к
всасывающему клапану.
Максимальный расход жидкости
Qmax = υп.max · Fп , см3/с
(2.3)
где υп.max
- максимальная скорость поршня, см/с;п - площадь поршня, см2;
см2;
,
где n - скорость вращения приводного вала,
об/с;- величина эксцентриситета шейки вала, см, e = 0,6 см;
Следовательно,
υп.max = 24,2·
0,6 = 14,52 см/с;= 14,52·7,065 = 102,6 см3/с;
Минимальная площадь проходных сечений клапанов:
см2;
см2.
Минимальная высота подъема клапанов:
, мм (2.4)
где dкл. - диаметр клапана, см;
Исходя из конструктивных соображений, принимаем:
= 1,2 см;
= 1,6 см;
Следовательно,
мм;
мм.
Окончательно принимаем:н = 0,5 мм;вс = 0,5 мм.
2.3 Прочностные расчеты насоса
2.3.1 Расчет усилий пружин клапанов
Расход через клапан определяется выражением [5]:
, (2.5)
где Qкл. - расход, см3/с;
μ - коэффициент расхода
щели;
μ = 0,7 для плоской щели;щ
- площадь проходного сечения щели, см2;- площадь седла клапана, см2;
ρ - плотность жидкости,
кг/см3;кл. - вес клапана, Н;- сила начального поджатия пружины, Н.
Тогда
, Н (2.6)
Для всасывающего клапана:
Н;
см3/с;
см2;
см2.
(из конструктивных соображений)
Н;
Для нагнетательного клапана:
Н;
см3/с;
см2;
см2.
Н;
Принимаем
Н.
.3.2 Расчет усилия пружины возврата поршня
При работе поршня в режиме всасывания пружина
должна преодолеть силу разрежения жидкости в рабочей клетке и инерционные силы:
п.п. = Pp + Pин. Н; (2.7)
где Rп.п. - усилие пружины возврата поршня, Н;-
сила разрежения жидкости в рабочей клетке, Н;ин. - сила инерции подвижных
частей, Н.
Сила разрежения жидкости в рабочей клетке
определится как
= 100 · Pц.· Fп Н, (2.8)
где Pц. - величина разрежения в рабочей клетке
цилиндра, МПа;п - площадь рабочей поверхности поршня, см2.
Учитывая, что давление жидкости в линии
всасывания равно атмосферному, величина разрежения жидкости в цилиндре будет
численно равна перепаду давления в клапане, которое определится по формулам
[5].
МПа, (2.9)
Подставляя численные значения, находим
МПа,
Следовательно, Pц. = 0,0025 МПа.
Площадь рабочей поверхности поршня Fп = 7,065
см2;
тогда,= 100 · 0,0025 · 7,065 = 1,77 МПа;
Сила инерции подвижных частей:
ин. = mпр. · aп.max МПа,
где mпр. - масса подвижных частей, приведенная к
поршню, кг;п.max - максимальное ускорение поршня, м/с2;
кг, (2.10)
где mп. - масса поршня, кг; mп. = 0,032 кг;б. -
масса башмака, кг; mб. = 0,008 кг;- момент инерции рычага относительно оси
поворота, кг·м2;
ω5 - угловая скорость
рычага, рад/с;
υп.- скорость
поршня, м/с;. - масса ролика 4 (см. рис. 3.1.), кг; m4. = 0,024 кг;
υ4- скорость движения
ролика 4, м/с;
Учитывая, что
,
где l1 - длина плеча рычага, контактирующего с
поршнем, в м, а также то, что:
,
где l2 - длина плеча рычага, контактирующего с
роликом, в м, получаем:
; (2.11)
Момент инерции рычага относительно оси поворота
определяется зависимостью
= Jcz + m5 · d2, (2.12)
где d - расстояние от центра масс рычага до
центра вращения рычага, точки 0 подвижной
опоры 9, м;- момент инерции рычага относительно оси CZ, проходящей через центр
масс системы и перпендикулярной к плоскости OXY, кг·м2; =3,88 · 10-5 кг·м2. (из
конструктивных соображений)
При максимальной производительности насоса d =
0, и, следовательно:= 3,88 · 10-5 кг·м2;
учитывая, что при этом l1 = l2 = 0,022 м,
окончательно находим:
кг.
Ускорение поршня определяется зависимостью:
an = ω2 · e · lp · cos ωt м/с2
(2.13)
где lp - соотношение плеч рычага;
Ускорение поршня принимает свое максимальное
значение при ωt = 0 и при lp = 1:
an = ω2 · e = (24,2)2 · 0,006 = 3,5 см3/с;
тогдаин. = 0,144 · 3,5 = 0,51 Н;п.п. = 1,77 +
0,51 = 2,28 Н.
3.
Кинематическое исследование механизма насоса
3.1 Определение закона движения поршня
Механизм регулируемого насоса схематично
представлен на рисунке 3.1. Он состоит из исполнительного механизма и
регулятора.
Исполнительный механизм, в свою очередь, состоит
из вала 1, обоймы 2, серьги 3, ролика 4, рычага 5, башмака 6, поршня 7, пружины
8, подвижной опоры 9.
Механизм регулирования состоит из подвижной
опоры 9, плунжера 10, пружины 11. Конструкция и размеры всех деталей указаны в
чертеже насоса.
Для определения закона движения поршня 7 выберем
за начало отсчета точку N, направив координатную ось “У” вниз.
В этом случае координата точки С рычага 5
определится по формуле (рисунок 3.2.):
Ус = e·cosφ + (r1 +
r2)·cosα + r2, (3.9)
где e - эксцентриситет вала 1;
φ - угол поворота KN от
вертикали (см. рисунок 3.2), равной ω·t, где,
в свою очередь, ω - угловая
скорость вращения вала 1, t - время;- радиус обоймы 2;- радиус ролика 4.
Для определения угла α
рассмотрим
рисунок 3.2, по теории синусов имеем:
,
Отсюда
,
Далее
(3.10)
Рисунок 3.1 - Кинематическая схема механизма
насоса
Подставляя значение (3.10) в формулу (3.9),
получим
(3.11)
По формуле (3.11) имеем:
при φ = 00 УC0
= e + r1 + r2 + r2 = e + r1 + 2∙r2,
при φ = 1800
УC180
= - e + r1 + r2 + r2 = - e + r1 + 2∙r2,
Максимальное перемещение точки С рычага будет
,
т.е. два эксцентриситета вала 1.
Представим формулу (3.11) в виде
(3.12)
Обозначим
,
тогда
(3.13)
Разложим выражение
в
ряд.
Учитывая, что λ - правильная
дробь, отбросим все члены ряда, содержащие λ в
степени выше второй, т.е.
Рисунок 3.2 - Схема соединения обоймы с роликом
,
Следовательно,
,
(3.14)
Заметим, что
и
,
получим:
,
,
,
,
,
.
Окончательно имеем:
(3.15)= УС
Закон движения точка Д рычага СОД (см. рис.3.1)
определим из условия
Обозначив
,
получим:
(3.16)
Следовательно, точка F поршня имеет координаты:
(3.17)
Построим график зависимости УF = f (t) рисунок
3.3. Для расчета значений используем программу Microsoft Exel.
Рисунок 3.3 - Закон движения поршня
Данные и результаты расчетов для
приведены
в таблице 3.1.
Таблица 3.1 - Данные и результаты расчетов для
|
K
(м)
|
r1(м)
|
r2(м)
|
e(м)
|
w
|
λ
|
H(ДF)
(м)
|
t
(С)
|
YF
(м)
|
|
0,666667
|
0,052
|
0,003
|
0,006
|
149,61
|
0,1090909
|
0,025
|
0,001
|
0,0176173
|
|
|
|
|
|
|
|
|
0,0042
|
0,0168274
|
|
|
|
|
|
|
|
|
0,0084
|
0,0147052
|
|
|
|
|
|
|
|
|
0,0126
|
0,0122329
|
|
|
|
|
|
|
|
|
0,0168
|
0,010355
|
|
|
|
|
|
|
|
|
0,021
|
0,0096668
|
|
|
|
|
|
|
|
|
0,0252
|
0,0103559
|
|
|
|
|
|
|
|
0,0294
|
0,0122345
|
|
|
|
|
|
|
|
|
0,0336
|
0,0147069
|
|
|
|
|
|
|
|
|
0,0378
|
0,0168285
|
|
|
|
|
|
|
|
|
0,042
|
0,0176668
|
.2 Определение скоростей звеньев механизма и его
точек
Продифференцировав уравнение 3.17, получим
выражение для определения скоростей звеньев механизма и его точек.
,
получим: υF=-K(e·ώ·sin
ώt+(1/2)λ·ώ·sin2·ώ·t) 3.18
Построим график зависимости υF
= f (t) рисунке
3.4
Данные и результаты расчетов для υF
приведены
в таблице 3.2.
Рисунок 3.4 - График скоростей звеньев механизма
и его точек
Таблица 3.2 - Данные и результаты расчетов для υF
|
K
|
e
|
ώ
|
λ
|
t
|
υF
|
|
0,666667
|
0,006
|
149,61
|
0,1090909
|
0,001
|
-0,09992
|
|
|
|
|
|
0,0042
|
-0,38636
|
|
|
|
|
|
0,0084
|
-0,59054
|
|
|
|
|
|
0,0126
|
-0,54774
|
|
|
|
|
|
0,0168
|
-0,31709
|
|
|
|
|
|
0,021
|
0,000114
|
|
|
|
|
|
0,0252
|
0,317291
|
|
|
|
|
|
0,0294
|
0,54785
|
|
|
|
|
|
0,0336
|
0,59048
|
|
|
|
|
|
0,0378
|
0,38614
|
|
|
|
|
|
0,042
|
-0,00029
|
3.3 Определение ускорений звеньев механизма и
его точек
Звено KN (см. рисунок3.1) и (рисунок3.2)
совершает вращательное движение. Ускорение точки К в установившемся режиме
работы насоса, определится как нормальное ускорение (ω
= соnst).
= WA = ω2 ∙ KN =
e ∙ ω2, (3.19)
где ω - угловая
скорость вращения вала 1 (см. рис.3.1);
е - эксцентриситет вала 1.
Звено АВ (см. рисунок3.1) совершает
поступательное движение, потому скорости и ускорения всех его точек в каждый
конкретный момент времени равны между собой. Следовательно, скорости и
ускорения всех его точек, в том числе и точки В, равны скорости и ускорению А,
при этом ускорения направлены вдоль прямой KN, а скорости - перпендикулярно к
KN.
А = WВ; VA = VB = VK = ω ∙
e
Точка С звена СОД (рычага) совершает
колебательные движения в вертикальной плоскости. Следовательно, ускорение точки
С рычага, также лежит в вертикальной плоскости и его вертикальная составляющая
определяется, как вторая производная от соответствующей координаты, т.е.
Ус =
Дважды дифференцируя равенство (3.15) по
времени, получим:
Ус = -e ∙ ω2 ∙
cosωt - e ∙ λ ∙ ω2 ∙ cos2ωt
или WУс
= -e ∙ ω2 ∙ (cosωt + λ ∙
cos2ωt) (3.20)
Следует отметить, полное линейное ускорение
центра масс ролика 4 следует принять равным WУс.
Вертикальная составляющая ускорения точки Д
рычага СОД определится, как вторая производная по времени от соответствующей
координаты УД.
Учитывая, что поршень 7 и башмак 6 совершают
возвратно-колебательные движения по вертикали, ускорение башмака 6 и поршня 7
определится как вторая производная от координаты УД или УF, т.е.:
Ду = WF,
Тогда WF
=
=
-K ∙ e ∙ ω2 /2π∙ (cosωt + λ ∙
cos2ωt), (3.21)
где
-
коэффициент, учитывающий соотношение плеч рычага при подвижной опоре 9.
Построим график зависимости WF = f (t) рисунке
3.5
Рисунок 3.5 - Зависимость ускорения башмака и
поршня от времени
Результаты расчетов для
представлены
в таблице 3.3.
Таблица 3.3 - Данные и результаты расчетов для
|
K
|
r1
|
r2
|
e
|
w
|
λ
|
H(ДF)
|
t
(°С)
|
YF
|
|
0,666667
|
0,052
|
0,003
|
0,006
|
149,61
|
0,1090909
|
0,025
|
0,001
|
0,0176173
|
|
|
|
|
|
|
|
|
0,0042
|
0,0168274
|
|
|
|
|
|
|
|
|
0,0084
|
0,0147052
|
|
|
|
|
|
|
|
|
0,0126
|
0,0122329
|
|
|
|
|
|
|
|
|
0,0168
|
0,010355
|
|
|
|
|
|
|
|
|
0,021
|
0,0096668
|
|
|
|
|
|
|
|
|
0,0252
|
0,0103559
|
|
|
|
|
|
|
|
|
0,0294
|
0,0122345
|
|
|
|
|
|
|
|
|
0,0336
|
0,0147069
|
|
|
|
|
|
|
|
|
0,0378
|
0,0168285
|
|
|
|
|
|
|
|
|
0,042
|
0,0176668
|
4.
Исследование влияния параметров механизма насоса на его кинематические
характеристики
4.1 Кинематический расчет кулачкового механизма
привода клапана
Закон движения клапана в период подъема должен соответствовать
условию согласованной работы поршня насоса и клапана, которое записывается,
исходя из равенства расходов рабочей жидкости нагнетаемой (всасываемой) поршнем
и проходящей через клапан, следующим уравнением:
υп. · Fп. = υж.
· f, (4.1)
где υп.
- скорость поршня, см/с;п. - площадь поршня, см2;
υж. - скорость
истечения жидкости через клапан, см/с;- площадь проходного сечения клапана,
см2.
Скорость поршня определится зависимостью:
υп. = ω
· e · lp · sin ωt;
Учитывая, что f = π · dкл.
· h, где h - высота подъема клапана, см,
уравнение (4.1.) приводим к виду:
ω · e · lp · sin ωt . · Fп.
= υж.
· π
· dкл.
· h,
откуда находим выражение для закона движения
клапана:
(4.2)
Подставляя известные численные значения в
выражение (4.2.), получаем:
для всасывающего клапана:
вс. = 0,1875 · ωt;
(4.3)
для нагнетательного клапана:
н. = 0,125 · ωt.
(4.4)
При расчете профиля кулачков по зависимостям
(4.3.) и (4.4.) за начало отсчета угла ωt принимается
момент прихода поршня в одну из мертвых точек, а именно:
Для всасывающего клапана - в ВМТ,
Для нагнетательного - в НМТ.
Критерием безударной работы клапанов является
условие [7]:
см/с,
где
-
скорость посадки клапана на седло.
Это условие необходимо учесть при профилировании
кулачка на участке, соответствующем посадке клапана.
Скорость движения клапана определяется
зависимостью:
,
где
-
величина постоянная для данного клапана;
В момент посадки (ωt =
π)
;
что для всасывающего клапана составляет
см/с;
а для нагнетательного -
см/с.
что не превышает допустимую величину.
Следовательно, участок профиля кулачка,
соответствующий посадке клапана, необходимо спрофилировать по зависимости,
обеспечивающей главное изменение скорости, например:
h’ = B · [1 - cos (C · ωt + φ)],
(4.5)
где В и С - постоянные коэффициенты;
φ - угол сдвига фазы,
град.
Принимаем
,
где hmax - максимальная высота подъема клапана;
С = 4.
Величину φ определим
из условия, когда эти кривые, определяемые зависимостями (4.2.) и (4.5.),
пересекутся при ωt = 165,50, что
соответствует h.
Тогда должно выполняться условие:
,
что произойдет при cos (4 · 165,50 + φ)
= 0.
Отсюда φ = -3920;
Следовательно,
; (4.6)
Посадка клапана (h’ = 0) произойдет при ωt
= 1800.
Таким образом, закон движения клапана на участке
посадки имеет вид:
для всасывающего клапана:
;
(4.7)
для нагнетательного клапана:
.
(4.8)
Пользуясь зависимостями (4.3.), (4.4.), (4.7.) и
(4.8.) определим величины подъема клапанов в зависимости от угла поворота вала.
Расчет сводим в та-блицу 4.1.
Таблица 4.1 - Расчет профиля кулачков
|
ωt,
град.
|
hвс.,
мм
|
hн.,
мм
|
|
0
|
0
|
0
|
|
10
|
0,32
|
0,21
|
|
20
|
0,64
|
0,43
|
|
30
|
0,94
|
,063
|
|
40
|
1,20
|
0,80
|
|
50
|
1,44
|
0,96
|
|
60
|
1,62
|
1,08
|
|
70
|
1,76
|
1,18
|
|
80
|
1,85
|
1,24
|
|
90
|
1,875,
|
1,25
|
|
100
|
1,85
|
1,24
|
|
110
|
1,76
|
1,18
|
|
120
|
1,62
|
1,08
|
|
130
|
1,44
|
0,96
|
|
140
|
1,20
|
0,80
|
|
150
|
0,63
|
|
160
|
0,64
|
0,43
|
|
165,5
|
0,47
|
0,31
|
|
170
|
0,32
|
0,21
|
|
180
|
0,07
|
0,05
|
|
190
|
0
|
0
|
По данным таблицы 4.1. строим эквидистантные
кривые и по ним профилируем кулачки.
4.2 Изменение параметров для определения
оптимальных характеристик насоса
Для определения наиболее оптимальных параметров
для насоса необходимо внести изменения значений некоторых параметров в формулах
4.17, 4.18 и 4.21. Необходимо поменять такие параметры, как эксцентриситет вала
(е), параметр К, равный соотношению плеч рычагов, длине рычага Н=ДF и
соотношению плеч рычагов - λ.
Изменим λ, назначив
λ
=0,1, λ =0,5, λ =1, λ =1,5 и подставим их в
формулы 4.17, 4.18, 4.21.
Закон движения поршня при изменении параметра λ
представлен
на рисунке 4.1.
Рисунок 4.1 - Закон движения поршня при
изменении параметра λ
Данные и результаты расчета для закона движения
поршня при изменении параметра λ представлены
в таблице 4.1
Таблица 4.1 - Данные и результаты расчета для
закона движения поршня при изменении λ
|
K
|
e
|
w
|
λ
|
H(ДF)
|
t
(С)
|
YF
|
YF
при (λ=0,5)
|
YF
при (λ=1)
|
YF
при (λ=1,5)
|
|
0,666
|
0,006
|
149,6
|
0,109
|
0,03
|
0,001
|
0,017
|
0,0179
|
0,019
|
0,01
|
|
|
|
|
|
|
0,004
|
0,016
|
0,01694
|
0,01710
|
0,017257
|
|
|
|
|
|
|
0,008
|
0,014
|
0,01438
|
0,01398
|
0,01358
|
|
|
|
|
|
0,012
|
0,012
|
0,01191
|
0,0115
|
0,011108
|
|
|
|
|
0,5
|
|
0,016
|
0,010
|
0,01047
|
0,01063
|
0,010785
|
|
|
|
|
|
|
0,021
|
0,009
|
0,0100
|
0,01055
|
0,011058
|
|
|
|
|
|
|
0,025
|
0,010
|
0,0104
|
0,01063
|
0,010785
|
|
|
|
|
1
|
|
0,029
|
0,012
|
0,01191
|
0,0115
|
0,011109
|
|
|
|
|
|
|
0,033
|
0,014
|
0,01439
|
0,01398
|
0,013582
|
|
|
|
|
|
|
0,037
|
0,016
|
0,01694
|
0,01710
|
0,017259
|
|
|
|
|
1,5
|
|
0,042
|
0,017
|
0,01805
|
0,01855
|
0,019058
|
График скорости звеньев механизма и его точек
представлен на рисунке 4.3
Данные и результаты расчета для графика скорости
звеньев механизма и его точек представлены в таблице 4.2
Для уравнения ускорения башмака и поршня изменим
λ.
График
представлен на рисунке 4.3
Данные и результаты расчета для графика
ускорения башмака и поршня от времени при изменении значения λ
представлены
в таблице 4.3
Анализ полученных зависимостей показывает, что наибольшее
влияние оказывает λ. Причем при
уменьшении влияния составляющей формул, определяемой удвоенной частотой (2ώ),
уменьшается и при λ<0,5 зависимости
становятся практически одночастотными.
Далее проведены исследования влияния К и е при λ=0,109.
График
движения поршня при изменении эксцентриситета вала представлен на рисунке 4.4.
Рисунок 4.2 - График скорости звеньев механизма
и его точек при изменении значения λ
Таблица 4.2 - Данные и результаты расчета для
графика скорости звеньев механизма и его точек при изменении λ
|
K
|
e
|
ώ
|
λ
|
t
|
υF
|
YF
при (λ=0,5)
|
YF
при (λ=1)
|
YF
при (λ=1,5)
|
|
|
0,666667
|
0,006
|
149,61
|
0,1090909
|
0,001
|
-0,09992
|
-0,13833
|
-0,18746
|
-0,23659
|
|
|
|
|
|
|
0,0042
|
-0,38636
|
-0,51029
|
-0,6688
|
-0,82732
|
|
|
|
|
|
|
0,0084
|
-0,59054
|
-0,66711
|
-0,76505
|
-0,86299
|
|
|
|
|
|
|
0,0126
|
-0,54774
|
-0,47113
|
-0,37313
|
-0,27513
|
|
|
|
|
|
0,5
|
0,0168
|
-0,31709
|
-0,19318
|
-0,03469
|
0,123804
|
|
|
|
|
|
|
0,021
|
0,000114
|
5,76E-05
|
-1,5E-05
|
-8,7E-05
|
|
|
|
|
|
|
0,0252
|
0,317291
|
0,193344
|
0,034808
|
-0,12373
|
|
|
|
|
1
|
0,0294
|
0,54785
|
0,471324
|
0,373442
|
0,27556
|
|
|
|
|
|
0,0336
|
0,59048
|
0,667144
|
0,765202
|
0,86326
|
|
|
|
|
|
0,0378
|
0,38614
|
0,510034
|
0,668503
|
0,826972
|
|
|
|
|
1,5
|
0,042
|
-0,00029
|
-0,00041
|
-0,00055
|
-0,00069
|
|
|
|
|
|
|
|
|
|
|
|
|
|
|
|
|
Рисунок 4.3 - График зависимости ускорения
башмака и поршня от времени при изменении значения λ
Таблица 4.3 - Данные и результаты расчета для
графика ускорения башмака и поршня от времени при изменении λ
|
K
|
e
|
ώ
|
λ
|
t
|
WF
|
YF
при (λ=0,5)
|
YF
при (λ=1)
|
YF
при (λ=1,5)
|
|
0,66666
|
0,006
|
149,61
|
0,10909
|
0,001
|
-97,8657
|
-131,31
|
-174,087
|
-216,86
|
|
|
|
|
|
0,0042
|
-75,4485
|
-86,261
|
-100,091
|
-113,92
|
|
|
|
|
|
0,0084
|
-19,7569
|
8,561581
|
44,78286
|
81,004
|
|
|
|
|
0,5
|
0,0126
|
35,57853
|
63,88804
|
100,0979
|
136,30
|
|
|
|
|
|
0,0168
|
69,42109
|
58,5942
|
44,74584
|
30,897
|
|
|
|
|
|
0,021
|
79,76541
|
44,76631
|
6,34E-06
|
-44,766
|
|
|
|
|
1
|
0,0252
|
69,40629
|
58,60834
|
44,797
|
30,985
|
|
|
|
|
|
0,0294
|
35,5465
|
63,87389
|
100,1066
|
136,33
|
|
|
|
|
|
0,0336
|
8,501684
|
44,70008
|
80,898
|
|
|
|
|
1,5
|
0,0378
|
-75,4795
|
-86,3208
|
-100,188
|
-114,05
|
|
|
|
|
|
0,042
|
-99,2998
|
-134,299
|
-179,065
|
-223,83
|
Данные и результаты расчета для закона движения
поршня при изменении эксцентриситета вала представлены в таблице 4.4
Рисунок 4.4 - Закон движения поршня при
изменении эксцентриситета вала
Таблица 4.4 - Данные и результаты расчета для
закона движения поршня при изменении эксцентриситета вала
|
K
|
e
|
w
|
λ
|
H(ДF)
|
t
(с)
|
YF
|
YF
при (е=0,008)
|
YF
при (е=0,001)
|
YF
при (е=0,012)
|
|
0,666
|
0,006
|
149,61
|
0,10
|
0,025
|
0,001
|
0,01763
|
0,01906
|
0,020402
|
0,021742
|
|
|
|
|
|
|
0,004
|
0,01682
|
0,01800
|
0,019086
|
0,020162
|
|
|
|
|
|
|
0,00
|
0,014
|
0,015
|
0,01554
|
0,01591
|
|
|
0,006
|
|
|
|
0,01
|
0,012
|
0,011
|
0,01142
|
0,01097
|
|
|
|
|
|
|
0,01
|
0,010
|
0,00
|
0,00829
|
0,00721
|
|
|
|
|
|
|
0,02
|
0,009
|
0,008
|
0,00715
|
0,00584
|
|
|
0,01
|
|
|
|
0,02
|
0,010
|
0,009
|
0,0083
|
0,00721
|
|
|
|
|
|
|
0,029
|
0,012
|
0,0118
|
0,011431
|
0,010977
|
|
|
0,012
|
|
|
|
0,033
|
0,014
|
0,0151
|
0,015552
|
0,015921
|
|
|
|
|
|
|
0,037
|
0,016
|
0,0180
|
0,019088
|
0,020165
|
|
|
|
|
|
|
0,042
|
0,017
|
0,0191
|
0,020485
|
0,021841
|
Изменим параметр К, назначив К=0,66, К=0,23,
К=0,33, К=0,57.
Закон движения поршня при изменении соотношении
плеч рычагов представлен на рисунке 4.5.
Данные и результаты расчета для закона движения
поршня при изменении соотношения плеч рычагов представлены в таблице 4.5
Рисунок 4.5 - Закон движения поршня при
изменении соотношении плеч рычагов
Таблица 4.5 - Данные и результаты расчета для
закона движения поршня при изменении соотношения плеч рычагов
|
K
|
e
|
w
|
λ
|
H(ДF)
|
t
(С)
|
YF
|
YF
при (К=0,57)
|
YF
при (К=0,33)
|
YF
при (К=0,23)
|
|
0,6
|
0,006
|
149,6
|
0,109
|
0,02
|
0,001
|
0,01
|
0,0114377
|
-0,0039
|
-0,0103
|
|
0,57
|
|
|
|
|
0,004
|
0,01
|
0,0107624
|
-0,0043
|
-0,01057
|
|
|
|
|
|
|
0,0084
|
0,0147052
|
0,00894
|
-0,00535
|
-0,0113
|
|
|
|
|
|
|
0,0126
|
0,0122323
|
0,00683
|
-0,00657
|
-0,01215
|
|
0,33
|
|
|
|
|
0,0168
|
0,0103550
|
0,00522
|
-0,0075
|
-0,0128
|
|
|
|
|
|
|
0,021
|
0,0096668
|
0,00464
|
-0,00784
|
-0,01304
|
|
|
|
|
|
|
0,0252
|
0,0103559
|
0,00522
|
-0,0075
|
-0,0128
|
|
0,23
|
|
|
|
|
0,0294
|
0,0122345
|
0,00683
|
-0,00657
|
-0,01215
|
|
|
|
|
|
|
0,0336
|
0,0147069
|
0,00894
|
-0,00535
|
-0,0113
|
|
|
|
|
|
|
0,0378
|
0,0168285
|
0,01076
|
-0,00429
|
-0,01057
|
|
|
|
|
|
|
0,042
|
0,0176668
|
0,01148
|
-0,00388
|
-0,01028
|
|
|
|
|
|
|
|
|
|
|
|
Построим график скорости звеньев механизма и его
точек, изменив соотношение плеч рычагов. График представлен на рисунке 4.6.
Данные и результаты расчета для закона скорости
звеньев механизма и его точек при соотношениях плеч рычагов представлены в
таблице 4.6
Построим график зависимости скорости звеньев
механизма и его точек от времени, изменив эксцентриситет вала. График
представлен на рисунке 4.7
Данные и результаты расчета для зависимости
скорости звеньев механизма и его точек при изменении эксцентриситета вала
представлены в таблице 4.7
Рисунок 4.6 - График скорости звеньев механизма
и его точек при изменении соотношения плеч рычагов
Таблица 4.6 - Данные и результаты расчета для
закона скорости звеньев механизма и его точек при изменении соотношения плеч
рычагов
|
K
|
e
|
ώ
|
λ
|
t
(c)
|
υF
|
υF
при
(К=0,57)
|
υF
при
(К=0,33)
|
υF
при
(К=0,23)
|
|
0,66666
|
0,006
|
149,6
|
0,10909
|
0,001
|
-0,09992
|
-0,0854299
|
-0,0494594
|
-0,03447
|
|
|
|
|
|
0,004
|
-0,38636
|
-0,330337
|
-0,1912482
|
-0,13329
|
|
|
|
|
|
0,008
|
-0,59054
|
-0,5049076
|
-0,2923149
|
-0,20373
|
|
|
|
|
|
0,01
|
-0,54774
|
-0,4683251
|
-0,2711335
|
-0,18897
|
|
0,57
|
|
|
|
0,016
|
-0,31709
|
-0,271112
|
-0,1569595
|
-0,1094
|
|
|
|
|
|
0,021
|
0,00011
|
9,76938E
|
5,656E-05
|
3,94E-05
|
|
|
|
|
|
0,025
|
0,31729
|
0,27128358
|
0,1570589
|
0,10946
|
|
|
|
0,029
|
0,54785
|
0,46841209
|
0,2711859
|
0,18908
|
|
|
|
|
|
0,033
|
0,59048
|
0,50486072
|
0,2922877
|
0,20371
|
|
|
|
|
|
0,037
|
0,38614
|
0,33014956
|
0,1911392
|
0,13321
|
|
0,23
|
|
|
|
0,042
|
-0,00029
|
-0,00024945
|
-0,0001444
|
-0,0001
|
Рисунок 4.7 - График зависимости скорости
звеньев механизма и его точек от времени, изменив эксцентриситет вала
Таблица 4.7 - Данные и результаты расчета для
закона скорости звеньев механизма и его точек при изменении эксцентриситета
вала
|
K
|
e
|
ώ
|
λ
|
t
|
υF
|
YF
при (e=0,008)
|
YF
при (e=0,01)
|
YF
при (e=0,012)
|
|
0,666667
|
0,006
|
149,61
|
0,109091
|
0,001
|
-0,09992
|
-0,13322
|
-0,16653
|
-0,19983
|
|
|
|
|
|
0,0042
|
-0,38636
|
-0,51515
|
-0,64393
|
-0,77269
|
|
|
|
|
|
0,0084
|
-0,59054
|
-0,78738
|
-0,98422
|
-1,18105
|
|
|
|
|
|
0,0126
|
-0,54774
|
-0,73033
|
-0,91291
|
-1,0955
|
|
|
0,008
|
|
|
0,0168
|
-0,31709
|
-0,42279
|
-0,52849
|
-0,63421
|
|
|
|
|
|
0,021
|
0,000114
|
0,000152
|
0,00019
|
0,000229
|
|
|
|
|
|
0,0252
|
0,317291
|
0,423056
|
0,528824
|
0,634607
|
|
|
0,01
|
|
|
0,0294
|
0,54785
|
0,730468
|
0,913088
|
1,095717
|
|
|
|
|
|
0,0336
|
0,59048
|
0,787306
|
0,98413
|
1,180945
|
|
|
|
|
|
0,0378
|
0,38614
|
0,514852
|
0,643561
|
0,772254
|
|
|
0,012
|
|
|
0,042
|
-0,00029
|
-0,00039
|
-0,00049
|
-0,00058
|
Построим график ускорения башмака и поршня от
времени, изменив соотношение плеч рычагов. График представлен на рисунке 4.8
Данные и результаты расчета для зависимости
ускорения башмака и поршня от времени при изменении соотношения плеч рычагов
представлены в таблице 4.8
Построим график ускорения башмака и поршня от
времени, изменив эксцентриситет вала. График представлен на рисунке 4.9
Данные и результаты расчета для зависимости
ускорения башмака и поршня от времени при изменении эксцентриситета вала
представлены в таблице 4.9
Рисунок 4.8 - График ускорения башмака и поршня
от времени при изменении соотношения плеч рычагов
Таблица 4.8 - Данные и результаты расчета для
зависимости ускорения башмака и поршня от времени при изменении плеч рычагов
|
K
|
e
|
ώ
|
λ
|
t
|
WF
|
WF
при (К=0,57)
|
WF
при (К=0,33)
|
WF
при (К=0,23)
|
|
0,666667
|
0,006
|
149,61
|
0,109091
|
0,001
|
-97,8657
|
-83,6751
|
-48,4435
|
-33,7637
|
|
|
|
|
|
0,0042
|
-75,4485
|
-64,5085
|
-37,347
|
-26,0297
|
|
|
|
|
|
0,0084
|
-19,7569
|
-16,8921
|
-9,77965
|
-6,81612
|
|
0,57
|
|
|
|
0,0126
|
35,57853
|
30,41964
|
17,61137
|
12,27459
|
|
|
|
|
|
0,0168
|
69,42109
|
59,35503
|
34,36344
|
23,95028
|
|
|
|
|
|
0,021
|
79,76541
|
68,19943
|
39,48388
|
27,51907
|
|
0,33
|
|
|
|
0,0252
|
69,40629
|
59,34238
|
34,35611
|
23,94517
|
|
|
|
|
|
0,0294
|
35,5465
|
30,39226
|
17,59552
|
12,26354
|
|
|
|
|
|
0,0336
|
-19,7989
|
-16,928
|
-9,80044
|
-6,83061
|
|
0,23
|
|
|
|
0,0378
|
-75,4795
|
-64,535
|
-37,3623
|
-26,0404
|
|
|
|
|
|
0,042
|
-99,2998
|
-84,9013
|
-49,1534
|
-34,2584
|
|
|
|
|
|
|
|
|
|
|
Рисунок 4.9 - График ускорения башмака и поршня
от времени при изменении эксцентриситета вала
Таблица 4.9 - Данные и результаты расчета для
зависимости ускорения башмака и поршня при изменении эксцентриситета вала
|
K
|
e
|
ώ
|
λ
|
t
|
WF
|
YF
при (e=0,008)
|
YF
при (e=0,01)
|
YF
при (е=0,012)
|
|
0,666
|
0,006
|
149,61
|
0,109
|
0,001
|
-97,865
|
-134,635
|
-173,477
|
-214,384
|
|
|
|
|
|
0,0042
|
-75,448
|
-101,939
|
-129,099
|
-156,927
|
|
|
|
|
|
0,0084
|
-19,756
|
-22,8306
|
-24,1494
|
-23,7199
|
|
|
0,008
|
|
0,1454
|
0,0126
|
35,578
|
50,94886
|
68,0735
|
86,94587
|
|
|
|
|
|
0,0168
|
69,421
|
91,21875
|
112,3455
|
132,8038
|
|
|
|
|
|
0,021
|
79,765
|
102,0135
|
122,0926
|
140,0111
|
|
|
0,01
|
|
0,1818
|
0,0252
|
69,406
|
91,20261
|
112,3298
|
132,7903
|
|
|
|
|
|
0,0294
|
35,546
|
50,90837
|
68,02566
|
86,89179
|
|
|
|
|
|
0,0336
|
-19,798
|
-22,8888
|
-24,225
|
|
|
0,012
|
|
0,2181
|
0,0378
|
-75,479
|
-101,984
|
-129,16
|
-157,005
|
|
|
|
|
|
0,042
|
-99,299
|
-136,74
|
-176,349
|
-218,119
|
Исследования показали, что изменение λ
существенно
влияет на ускорение поршня, причем при уменьшении λ
ускорение
уменьшается, а увеличении увеличивается, что приводит к увеличению динамических
нагрузок. Поэтому применяем λ=0,109.
Влияние «е» влияет на диаметр и ход поршней. При
увеличении «е» ход поршня
увеличивается, что приводит к увеличению радиальных размеров, поэтому применяем
е=6мм. Тогда d=0,03м=30мм, r1=0, 052м , r2=0,003м , λ=0,109
Заключение
В данной ВКР была разработана конструкция
регулируемого поршневого насоса с автоматическим управлением по давлению.
В первой части магистерской диссертации был сделан
обзор способов регулирования скорости вращения вала гидромотора, выбрана
наиболее предпочтительная схема с регулированием скорости с помощью изменения
рабочего объёма насоса; рассмотрены конструкции насосов для привода главного
движения.
Конструкторская часть магистерской диссертации
состоит из разработки конструкции насоса; гидравлических расчетов насоса, где
рассчитаны диаметры поршней, проведен гидравлический расчет клапанов,
заключающийся в расчете минимальной площади проходных сечений клапанов и минимальной
высоты подъема клапанов.
При исследовании механизма регулируемого насоса,
состоящего из исполнительного механизма и регулятора, определили закон движения
поршня и ускорения звеньев механизма и его точек, а именно, ускорения поршня и
башмака.
Проведено исследование влияния параметров на
кинематические характеристики, которое показало, что наибольшее влияние
оказывает λ.
Проведенные исследования позволили определить
основные параметры механизма насоса.
В заключении можно сделать вывод, что разработанный
регулируемый радиально-поршневой насос решает задачи применения сверхвысоких
(70 МПа и более) давлений, что позволяет расширить диапазон регулирования
скорости вращения при постоянной мощности, и, как следствие, гидропривод
обладает большей мощностью, имеет меньшие габариты и массу, большее
быстродействие, что также способствует увеличению производительности и
повышению технико-экономической эффективности продукции.
Список использованных источников
1. Осипов,
А. Ф. О максимальном давлении объемного насоса / А. Ф. Осипов. - Москва:
Вестник машиностроения, 1965. - Вып. 3. - 46 с.
. Справочное
пособие по гидравлике, гидромашинам и гидроприводам / под ред. Б. Б. Некрасова.
- Минск: Высш. школа, 1976. - 416 с.
. Башта,
Т. М. Объемные насосы и гидравлические двигатели гидросистем / Т. М. Башта. -
Москва: Машиностроение, 1974. - 608 с.
. Башта,
Т. М. Объемные гидравлические приводы / Т. М. Башта и др. - Москва:
Машиностроение, 1969. - 628 с.
. Лабораторный
курс гидравлики, насосов и гидропередач / под ред. С. С. Руднева. - Москва:
Машиностроение, 1974. - 608 с.
. Свешников,
В. К. Станочные гидроприводы: справочник / В. К. Свешников, А. В. Усов. - 2-е
изд., перераб. и доп. - Москва: Машиностроение, 1988. - 464 с.: ил.
. Зайцев,
В. Н. Исследование работы клапана поршневого насоса: диссертация кандидата
технических наук / В. Н. Зайцев. - Москва, 1954. - 197 с.
. Горбацевич,
А. Ф. Курсовое проектирование по технологии машиностроения: учебное пособие для
вузов / А. Ф. Горбацевич, В. А. Шкред. - 5-е изд., стереотип. - Москва: Альянс,
2007. - 256 с.
. Малов,
А. Н. Справочник технолога машиностроителя. Т. 2 / А. Н. Малов. - Москва:
Машиностроение, 1972. - 568 с.
. Обработка
металлов резанием: справочник технолога / Г. А. Монахов, В. Ф. Жданович, Э. М.
Радинский и др.; под ред. Г. А. Монахова. - Изд. 3-е. - Москва: Машиностроение,
1974. - 600 с.
. Анурьев,
В. И. Справочник конструктора-машиностроителя: в 3-х т. / В. И. Анурьев; под
ред. И. Н. Жестковой. - Изд. 9-е, перераб. И доп. - Москва: Машиностроение-1,
2006. - Т. 1. - 927 с.; Т. 2. - 959 с.; Т. 3. - 927 с.
. Дунаев,
П. Ф. Конструирование узлов и деталей машин: учебное пособие для студ. техн.
спец. Вузов / П. Ф. Дунаев, О. П. Леликов. - 8-е изд., перераб. и доп. -
Москва: Академия, 2004. - 496 с.
. Корсилова,
А. Г. Справочник технолога-машиностроителя / А. Г. Корсилова. - Москва:
Машиностроение, 1985. - 656 с.