Расчет линейной автоматической системы
Введение
Существует большое разнообразие автоматических систем, выполняющих те или
иные функции по управлению различными физическими процессами во всех областях
техники. Все автоматические системы можно разделить на два больших класса:
) автоматы, выполняющие определенного рода одноразовые или многоразовые
операции, например, автомат переключения скоростей, станок-автомат, билетный
автомат;
) автоматические системы, которые в течении достаточно длительного
времени нужным образом изменяют или поддерживают неизменным какие-либо
физические величины в том или ином управляемом процессе. Сюда относятся
следующие системы, автопилоты, автоматические регулятора, системы самонаведения
и т.п.
Автоматические системы делятся на линейные и нелинейные.
Линейной системой называется такая система, динамика всех звеньев которой
вполне описывается линейными уравнениями. Для этого необходимо, прежде всего
чтобы статические характеристики всех звеньев системы были линейными. усилитель аналоговый операционный
В данной курсовой работе представлен расчет линейной системы.
1. Линейные
системы
1.1 Расчет
передаточных функций разомкнутой и замкнутой системы с относительно задающего и
возмущающего воздействия
По структурной схеме, представленной на рисунке 1 (с учетом задания) имеем
структурную схему линейной САУ, представленную на рисунке 1.
Рисунок 1- Структурная схема линейной САУ
Для режима управления: g(t), f(t) передаточная
функция разомкнутой системы запишется в следующем виде:
Передаточная функция замкнутой системы
относительно g(t):
Передаточная функция замкнутой системы
относительно g(t):
Рассмотрим режим стабилизации: g(t)=0, f(t)≠0, передаточная
функция замкнутой системы относительно f(t) запишется в следующем виде:
Передаточная функция ошибки e(t) относительно f(t) с единичной
отрицательной обратной связью выглядит следующим образом:
1.2 Запись
дифференциального уравнения замкнутой системы относительно выходного сигнала
y(t) в обычной и векторно-матричной формах
Применяя принцип суперпозиции к линейным системам, запишем
дифференциальное уравнение замкнутой системы относительно выходного сигнала y(t) в обычной форме.
Последнее уравнение можно переписать в
следующей форме:
В векторно-матричной форме система уравнений
состояния замкнутой САУ имеет вид:
Найдем матрицы состояния А, входа В, G, выхода С с помощью метода применяемого при аналоговом
моделировании:
Введем замену переменной:
Введем замену переменной:
Введем замену переменной:
Введем замену переменной:
В итоге получаем следующую систему
уравнений:
Из которого получаем матрицу состояния,
вектор входа, вектор выхода, вектор возмущающих воздействий соответственно:
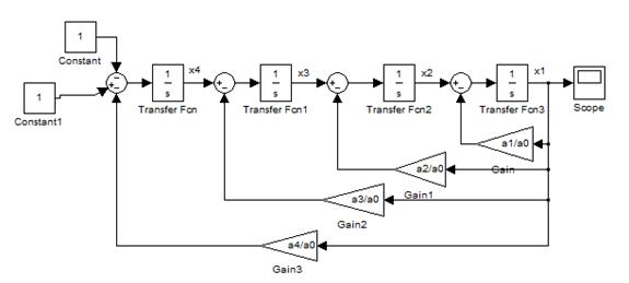
.3 Аналоговая
схема моделирования на операционных усилителях
Данную схему можно реализовать на
операционных усилителях.
Рисунок 2 - Схема моделирования замкнутой
САУ
Каждое звено данной схемы - это либо
интегратор, либо масштабирующий усилитель, функции которых реализуют
операционные усилители следующим образом, показанном на рисунке 3а, и 3б.

Рисунок 3 - Реализация функций
интегрирования масштабирования на операционных усилителях (а) - интегратор, б)
масштабирующий усилитель)
.4 Расчет
системы на устойчивость, используя критерий Найквиста, и определение граничных
значений коэффициента передачи системы
Характеристическое уравнение разомкнутой
системы имеет вид:
Подставляя вместо s - jw определим вещественную и мнимую
часть уравнения:
Вычислим X(w) и Y(w) для ряда
значений частоты w. Результаты
сведем в таблицу 1.
Таблица 1
|
w, c-1
|
0
|
1
|
2
|
3
|
4
|
5
|
6
|
7
|
8
|
|
X(w)
|
0
|
-1,3
|
-4,9
|
-9,93
|
-14,83
|
-17,5
|
-15,2
|
-4,7
|
|
Y(w)
|
0
|
0,59
|
-1,32
|
-8,21
|
-22,6
|
-46,9
|
-83,64
|
-135,4
|
-204,5
|
Рисунок 4 - Годограф Найквиста
По данным таблицы построим годограф Найквиста (рис.4)
По виду годограф система не устойчива.
При прохождении системы на границе устойчивости годограф проходит через
начало координат при частоте w≠0.
Поэтому при К=К1:
Из уравнения находим значение частоты, при которой годограф проходит
через начало координат:
Определим К1:
1.5
Построение кривой D-разбиения в плоскости коэффициента передачи системы
Запишем характеристическое уравнение в виде:
Подставляя вместо р - jw
определим вещественную и мнимую часть уравнения:
Задаваясь значениями w определим X(w) и J(w).
По данным таблицы построим на комплексной плоскости кривую D-разбиения, соответствующую
положительным частотам. Ветвь кривой D-разбиения, соответствующую отрицательным частотам w<0, находим как зеркальное отображение
относительно вещественной оси построенного участка для w>0. Затем кривую D-разбиения штрихуем слева по обходу при изменении частоты от -∞ до
+∞.
Рисунок 5 - Область D-разбиения
Кривая D-разбиения делит плоскость на три
области: I, II, III. Претендентом
на область устойчивости является область I, так как к ней направлена штриховка. Чтобы проверить,
действительно ли эта область является областью устойчивости, задаемся значением
v=5, лежащим в этой области, подставляем
его в характеристическое уравнение и определяем, устойчива система или нет с
помощью критерия Гурвица.
Согласно критерию устойчивости Гурвица система четвертого порядка будет
устойчива, если выполняются следующие неравенства:
и
Характеристическое уравнение имеет вид:
Все коэффициенты характеристического
уравнения положительны. Проверим, выполняется ли следующее условие:
Следовательно система не устойчива.
.6 Построение
ЛАХ и ЛФХ нескорректированной системы. Решение вопроса об устойчивости системы
Передаточная функция разомкнутой системы имеет вид:
Которой соответствует выражение для модуля в логарифмических единицах.
Найдем сопрягающие частоты:
Выражение для фазового сдвига имеет вид:
φ∑(w)= φ0(w)+ φ1(w)+ φ2(w)=90-2arctgwT1 - arctgwT2 - arctgwT3
На рисунке 6 изобразим ЛАЧ и ЛФХ, из которых следует что система не
устойчива, что подтверждает результаты в предыдущих пунктах.
Рисунок 6 - ЛАХ и ЛФХ разомкнутой системы
Рисунок 7 - график переходного процесса имеет вид
1.7
Построение ЛАХ скорректированной системы
По номограмме определим значения:
Рмах=1
Рисунок 8 - Номограмма
Вычислим нижний предел частоты среза желаемой ЛАХЧ:
Построим на одном графике
нескорректированной и желаемой ЛАХ и ЛФХ (рисунок 9).
Передаточная функция желаемой системы будет иметь вид:
Построим кусочно-асимптотическую ЛАХ разомкнутой нескорректированной
системы.
Рисунок 9 - Частотные характеристики нескорректированной и желаемой ЛАХ и
ЛФХ
По номограммам Солодовникова определим частоту среза желаемой
скорректированной разомкнутой системы. Примем σ = 30%, tПП = 0,4 с.
По функции вычисления частоты среза по номограммам Солодовникова в среде
MatLab получим желаемую частоту среза:

Так как
, то на этом участке ЛАХ желаемой скорректированной системы
должна иметь наклон -20 дБ/дек для обеспечения требуемых динамических
характеристик;
Для обеспечения астатизма I порядка на частоте
ЛАХ должна так же иметь наклон -20
дБ/дек;
При
ЛАХ должна иметь наклон, аналогичный наклону ЛАХ нескорректированной
системы.
Построим график переходных процессов
выходной величины (рисунок 10).
Рисунок 10 - График переходного порцесса
Определим величину ошибки. Для этого необходимо определить передаточную
функцию по ошибке:
где A(p) - числитель передаточной функции разомкнутой системы;(p) -
характеристический полином разомкнутой системы,
Входной сигнал - единичный ступенчатый:
Определим изображение сигнала ошибки
Найдем установившееся значение сигнала по формуле:
Теперь определим величину ошибки:
Далее необходимо определить величину перерегулирования, относительно
. Для этого воспользуемся массивом
данных, созданном на этапе построения графика переходной функции (рис. 10)
средой MatLab и найдем среди его значений максимальное, которое и является
искомой величиной.
На основании найденных данных определим величину перерегулирования:
Полученное значение меньше требуемого σ ≤ 35 %.
Далее с среде MatLab с помощью функции stepinfo определим время
переходного процесса:
Заключение
В данной курсовой работе проведен анализ линейных систем. В первой части
курсовой работы представлен расчет передаточных функций разомкнутой и замкнутой
системы относительно задающего и возмущающего воздействий, записано
дифференциальное уравнение а обычной и векторно-матричной формах, зарисована
аналоговая схема моделирования на операционных усилителях.
Проведено исследование заданной системы на устойчивость, которое показало
что система является не устойчивой. Поэтому было введено корректирующее
устройство и рассчитана его передаточная функция. А также проанализирована
точность системы в установившемся статическом и динамическом режимах и построен
график переходного процесса в скорректированной системе, по которому
определено, что tПП=0,43 с.
Список
литературы
1. Бесекерский В. А., Попов Е. П. Теория систем
автоматического регулирования, издание третье, исправленное. Москва,
издательство «Наука», Главная редакция физико-математической литературы, 1995
2. Зайцев Г. Ф. Теория автоматического управления и
регулирования.- 2-е изд., перераб. и доп. Киев, Издательство Выща школа
Головное издательство, 2004
. Ким Д. П. Теория автоматического управления. Т. 1.
Линейные системы. - М.: ФИЗМАТЛИТ, 2003. - 288 с. - ISBN 5-9221-0379-2.
. Ким Д. П. Теория автоматического управления. Т. 2.
Многомерные, нелинейные, оптимальные и адаптивные системы: Учеб. пособие. - М.:
ФИЗМАТЛИТ, 2004. - 64 с. - ISBN 5-9221-0534-5.
. Сборник задач по теории автоматического
регулирования и управления/ Под редакцией В. А. Бесекерского. - M.: Наука,
2013.