Расчет и проектирование фасонного резца и державки

  • Вид работы:
    Курсовая работа (т)
  • Предмет:
    Другое
  • Язык:
    Русский
    ,
    Формат файла:
    MS Word
    495,68 Кб
  • Опубликовано:
    2017-11-14
Вы можете узнать стоимость помощи в написании студенческой работы.
Помощь в написании работы, которую точно примут!

Расчет и проектирование фасонного резца и державки

Калининградский государственный технический университет

Кафедра технологии автоматизированного машиностроения










Расчет и проектирование фасонного резца и державки

Курсовая работа

по дисциплине «Формообразование и инструмент»











Калининград, 2016

Введение

резец державка муфта

Фасонные резцы применяют для обработки деталей со сложной формой образующей. По сравнению с обычными резцами они обеспечивают идентичность формы, точность размеров детали, которая зависит в основном от точности изготовления резца, высокую производительность благодаря одновременной обработке всех участков фасонного профиля детали и большую экономию машинного времени. Резцы проектируют для обработки конкретной детали, и их применение экономически оправдано в крупносерийном и массовом производстве.

По сравнению с обычными резцами они обеспечивают:

идентичность формы, точность размеров деталей, так как они зависят не от квалификации рабочего, а в основном от точности изготовления резца;

высокую производительность благодаря большой экономии машинного времени, связанной с сокращением пути резания, и вспомогательного времени, требуемого на установку и наладку резца при смене его;

высокую долговечность благодаря большому количеству допускаемых переточек;

меньшее количество брака;

простоту заточки.

Фасонные резцы в т.ч. круглые, являются изделиями высокоточными. Особо высокие требования по точности предъявляются к геометрическим параметрам фасонной режущей кромки лезвия. Очевидно, чем выше точность обрабатываемой детали, тем более высокие требования предъявляются к точности фасонного резца и прежде всего - к точности его профиля. Достижимая точность размеров деталей соответствует 7-8-му квалитету при высокой производительности. Процесс фасонного точения выполняется с невысокими скоростями резания и малыми подачами из-за сравнительно большой длины лезвия резца.

Простейшим фасонным резцом является стержневой с приваренной или напаянной режущей пластинкой. Переточка по задней поверхности <#"897849.files/image001.gif">

Рис. 9. Типы фасонных резцов:

а - стержневой; б - призматический; в - круглый (дисковый)

Чертеж детали и его анализ

Чертеж детали, которая будет обрабатываться фасонным резцом, будучи оформлен конструктором правильно, зачастую не содержит полностью информацию, необходимую для проектирования резца. Именно поэтому перед проектированием фасонного резца следует провести анализ чертежа детали, выявить и рассчитать недостающие геометрические параметры .

Степень точности изготовления детали регламентируется на ее чертеже назначением квалитета и соответствующими допусками на размеры согласно данному квалитету. Допуски принимают по ГОСТ25346 - 82, ГОСТ24643 - 81 или же технической литературе [1], где эти ГОСТы представлены.

Деталь с проставленными допусками и размерами представлена на рис.1.

Также, для проектирования фасонного резца необходимо выделить на профиле детали характерные узловые точки 1; 2; 3…9 - рис.2. Точка 1 должна лежать на минимальном радиусе детали.

Часть узловых точек представляет собой точки пересечения линий, ограничивающих профиль детали на ее отдельных участках (т.1; 2; 3; 7; 8). Их положение на профиле детали характеризуется координатами  по оси ОХ (расстояние точек от левого торца детали) и координатами  по оси OY (радиуса соответствующих диаметральных размеров).

Часть точек располагается на дуговом участке профиля детали; они называются дополнительными: т.4; 5; 6. Их назначают исходя из требования равного расстояния между ними :

 (1)

где:  - длина дугового участка вдоль оси ОХ (параллельно оси детали);  - количество промежуточных точек.

Так как количество промежуточных точек равно 3, а длина дугового участка равна 8, то:

Необходимость назначения промежуточных точек на дуговых или, в общем случае, на любых криволинейных участках профиля детали диктуется там фактом, что разница между радиусами, на которых лежат эти промежуточные точки, на профиле резца (т.н. высотные параметры) искажается и не совпадает с высотными параметрами на детали.

В данном случае :

 (2)

где: d2 - минимальный диаметр детали.

Следовательно :

Радиус R2 равен радиусу R1:

Координата К1 равна длине детали L:

По рис. 2 видно, что координата К2 равна длине участка ОК и равна координате К3: К2 = К3 = 15 мм;

Значения радиусов, на которых лежат промежуточные точки, определяют из элементарных геометрических построений - см.рис.2.

Из треугольника В3К:

 (3)

где:

Таким образом:

Из треугольника В4К:

(4)

и т.д.

По расчетным формулам получаем:

 

 

 

 

 

Определение углов резания

Назначение углов резания для фасонных резцов преследует те же цели, что и для резцов обычных. Задний угол α служит для уменьшения трения задней поверхности лезвия по поверхности резания на заготовке. Передний угол γ влияет на условия стружкообразования, соотношение составляющих сил резания и на прочность лезвия (через угол заострения β).

Особенностью круглого фасонного резца является то, что задний угол лезвия α получают смещением центра резца  (центр посадочного, базового отверстия) выше центра обрабатываемой детали на величину - рис.3

В точке лезвия 1 задний угол α равен углу между касательными, проведенными к окружности резца и к окружности детали в точке 1. Угол между следом основной плоскости  и радиусом - вектором резца  так же равен  (как углы со взаимно-перпендикулярными сторонами).

Угол  - это угол между основной плоскостью  и передней поверхностью лезвия. По схеме видно что, , где  - угол искажения профиля. Он будет необходим при коррекционных расчетах (все построения выполнены в инструментальной системе координат).

Рис. 3. Углы α и γ в торцовой и нормальной плоскостях

Из таблицы рекомендуемых значений заднего и переднего углов фасонных резцов [2,3] выбираем значения  и  :

Необходимо так же сделать проверку величины угла заострения β, так как от его величины зависит усталостная изгибная прочность лезвия и его способность отводить возникающее при резании тепло.

Согласно инструментальной системе координат, угол заострения β (рис.3) для какой-либо точки лезвия определяется как:

 (5)

где:

Следовательно:

На основе исследований и практики резания фасонными резцами минимально допустимыми значениями углов  у круглых резцов являются [3]: 40° при обработке красной меди и алюминия; 50°-при обработке конструктивной стали; 60°-при обработке легированных сталей; 55°-при обработке чугуна.

Поскольку, , то лезвие способно отводить тепло и усталостная изгибная прочность не является критической.

Определение габаритных и присоединительных размеров резца

К габаритным размерам резца относится:

максимальный диаметр для наиболее выступающей точки лезвия 1- рис.4

 (6)

где: 1Е= (8)

где:  - максимальная глубина профиля на детали; е - глубина заточки по передней поверхности лезвия, необходимая для размещения стружки; K - толщина тела резца, необходимая для обеспечения его прочности;  - диаметр посадочного отверстия.

Значения  принимаем по рекомендациям [6]

длина резца вдоль его оси  - рис.4

высота оси резца (т.) над осевой плоскостью, проходящей через ось детали (т. ) параллельно оси резца

=*sinα (10)

Габаритные и присоединительные размеры для фасонных резцов зависят от максимальной глубины профиля детали :

 (11)

где: ,  и ,  - соответственно максимальные и минимальные радиуса и диаметры узловых точек профиля детали.

Произведение расчетов:

 

 

 

 

 

 

В результате расчета =56мм. Принимаем припуск на токарную обработку =1 мм на сторону. Тогда диаметр заготовки равен:

=56+2*1=58мм.

Так как сортамент предусматривает ближайший диаметр круглого проката 58мм и учитывая, что круглый прокат металлов, особенно для относительно небольших размеров, относительно точен по диаметру, т.е. припуск =1мм на сторону вполне достаточен, то принимаем окончательно: Dmax = 56 мм.

Индивидуальное задание предусматривает тип державки II - с отверстиями под штифт. На рис. 5 представлена схема геометрических параметров резца.

Конкретные значения параметров резца:

Dmax = 56 мм;= 16 мм;= 25мм;шт = 34 мм;= 5 мм;= 11мм;

r = 2 мм;= 3 мм;

Рис. 5. Резец фасонный круглый с отверстием под штифт.

Длина резца  как правило больше длины его профильной части за счет длины  и  дополнительных режущих кромок - рис.6.

Наличие дополнительных режущих кромок обусловлено следующим.

Кромка длиной  необходима для формирования фаски на детали. И хотя фаска по заданию не входит в длину профиля  и, соответственно, на чертеже детали не указывается, она необходима для более точной и с меньшими трудозатратами установки подрезного резца. В этом случае подрезной резец на последующей операции чистовой подрезки торца легко выставить по контурной точке . Наличие горизонтального участка в составе  позволяет « притупить» вершину кромки на выходе из тела заготовки, делает ее более прочной и менее опасной для станочника.

Кромка длиной  формирует на заготовке канавку для последующей отрезки готовой детали. Наличие предварительно сформированной канавки и, соответственно, контурной точки  облегчает и ускоряет установку отрезного резца и, в конечном счете, способствует повышению точности длины профиля детали.

Параметры дополнительных режущих кромок, в т.ч. значении  и , назначают согласно рекомендациям [2].

При этом (см.рис.9):

 - ширина канавки под отрезку должна быть больше или равна ширине режущей кромки отрезного резца: =3,5…5,5мм;

 - высота режущей кромки под отрезку, необходима, чтобы выдержалось: .

Принимаем:  

Таким образом:

(12)

где:  - длина профиля на детали;  - длина дополнительных режущих кромок;

В свою очередь:

(13)

где:  - длина профиля детали;  - длина участков профиля на детали, принимаются по чертежу детали.

По формулам (12,13):

 

 

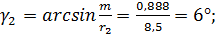
На профиле обрабатываемой детали могут быть участки, поверхность которых перпендикулярна к оси детали, например, участок 2-3 на рис.7 б.

Рис 7. Оформление дополнительных режущих кромок для подрезки торцовой поверхности путем оставлением узкой режущей кромки 0,5…1 мм

На режущих кромках резца, соответствующих таким участкам, главный угол в плане равен нулю, т.е. φ=0°. Так же равен нулю и задний угол: α=0°.

Ясно, что при α=0° резание крайне неудовлетворительно (трение, высокая температура в контактной зоне, быстрое затупление режущей кромки и, в конечном счёте выход резца из строя и необходимость его переточки). Для таких участков для облегчения резания за счет снижения площади трения задней поверхности лезвия резца с поверхностью резания делают поднутрение в виде кольцевой выборки глубиной 0,5…1мм с оставлением малого режущего участка так же шириной 0,5…1мм - рис.7 б, что ведет к повышенному износу самой кромки; увеличению погрешности линейных (вдоль оси) размеров. Тем не менее, вариант с любым видом поднутрения лучше, чем без него.

Так же необходимо сделать проверку минимального заднего угла в нормальной плоскости N - N по формуле:

, (14)

где:  - задний угол в нормальной плоскости для данной точки лезвия;  и  соответственно - наибольший диаметр и диаметр резца в этой точке; - задний угол для наиболее выступающей части резца, т.е. ==; φ - главный угол в плане для рассматриваемой точки.

Известно, что угол α задается в торцовом сечении для самой выступающей точки профиля резца. Таковой является т.8. Следовательно, угол

Согласно формуле (14):

.

Следовательно, , где =3°.

Наименьшее значение угол в плане имеет для точки 7.

Тогда:


Следовательно, , где =3°.

Таким образом, принятое значение α=8 вполне обеспечит работоспособность лезвия на его наклонном и дуговом участках.

Коррекционный расчет профиля резца

В связи с наличием на круглом резце для каждой узловой точки профиля своего угла искажения  , геометрические параметры профиля резца не совпадают с геометрическими параметрами профиля на детали в тех же узловых точках, что, и вызывает необходимость коррекционного расчета [2].

Глубина профиля детали на участке 1д - 2д равна - см. рис. 8:

(15)

Глубина профиля режущей кромки резца на этом же участке равна:


Ясно, что поскольку точки 2р и 2д не совпадают, а также по ряду других причин, . Этот же вывод легко сделать и из графических построений (см. фронтальную проекцию на рис 8).

Рис.8. Схема к коррекционному расчету круглого фасонного резца

Именно из-за несовпадения глубин профиля  нельзя по значениям радиусов ri на детали непосредственно определить значении Ri на резце. Необходимо сделать коррекционные расчеты по определению глубин профиля на резце для каждой его узловой точки (т.н. высотная коррекция).

Суть расчетов при высотной коррекции сводится к определению радиусов резца Ri, на которых лежат узловые точки профиля режущей кромки резца при известных значениях ri для точек профиля детали.

Итак, расчетные величины для профиля, состоящего из нескольких участков определяют следующим порядке:

 (17)

;

 (18)

Подставляя в () значения r2, r3, r4 … ri получаем 2, 3, 4 … i.

 (19)

Так как ri дано, а i определено по (), то рассчитываем А1, А2, А3 … Аi.

 (20)

 (21)

; (22)

 (23)

 (24)

 (25)

(26)

 (27)

Согласно формулам (17-27):

 

 

 

 

 

 

 

 

 

 

 

 

 

 

 

 

 

 

 

 

 

 

 

 

 

 

 

 

 

 

 

 

 

 

 

 

 

 

 

 

 

 

 

 

 

 

Результаты коррекционного расчета представлены в табл.3

Таблица Числовые данные коррекционного расчета профиля резца

№ узловой точки

Ci мм

Bi мм

εi˚

Ri мм

Ti мм

1 (2)

8,449

6

0

27,16

14

28

0

3(4)

15,975

3,181

7,526

19,634

19,029

20,157

7,842

5

15,474

3,279

7,025

20,135

18,587

21,251

6,749

6

14,973

3,393

6,524

20,636

18,169

21,722

6,278

7

13,971

3,634

5,522

21,638

17,380

22,728

5,272

8

12,968

3,916

4,520

22,64

16,557

23,848

4,152


Осевые размеры профиля резца (длина отдельных участков, общая длина), которые задаются параллельно оси его базового отверстия, коррекционному расчету не подвергаются и берутся с чертежа детали.

Дополнительные режущие кромки строят по рекомендациям и в состав коррекционных расчетов не входят.

Так как глубины профиля на резце искажаются по сравнению с соответствующими глубинами на профиле детали, то искажаются и угловые параметры участков профиля на резце - рис.10.

На детали имеется конический участок профиля 7-8, который характеризуется геометрическими параметрами  

Глубина профиля на резце  равна:

 (28)

где значения R8 и R7 известны из коррекционного расчета. Длина участка на детали  и на резце  одинакова, т.е.:  (29)

Тогда угол профиля на резце  на участке 3-4 определяют следующим образом:

 

 

Углы на дополнительных режущих кромках (на рис. 5 это углы , ) коррекции не подвергаются и проставляются на чертеже по номиналу с допуском .

Конструкция круглого фасонного резца

Инструментальные материалы. Конструктивные особенности

Характерным элементом конструкции насадного круглого фасонного резца является расточка его посадочного отверстия диаметром  в его средней части до диаметра . - см.рис.11. Это делается для облегчения высокоточного изготовления базового (посадочного) отверстия без снижения точности и надежности базирования резца на опорный болт державки.

Рис.11. Посадка резца с внутренней расточкой dp на шейке опорного


Действительно, резец сидит на опорном болту в державке по посадке с зазором, как правило, по 8-му или даже 9-му квалитету:  H8/h8 или  H9/h9. В любом случае в сопряжении имеем зазор на сторону ∆ (на диаметр - 2∆). В идеализированных схемах ось вала изображают совпадающей с осью сидящей на детали: (в нашем случае - круглого резца) и тогда зазор ∆ равномерно распределен как вдоль длины базового отверстия, так и по длине окружности диаметром . В реальности при посадке с зазором на вал, деталь всегда перекашивает из-за наличия зазора ∆ на угол . При этом базирование детали на валу осуществляются на достаточно узкие краевые зоны, а средняя часть поверхности базового отверстия «не работает», в базировании не участвует. Поэтому нет смысла делать отверстие  высокоточным по всей его длине . Достаточно оставить два высокоточных «пояска» длиной  путем расточки отверстия  в его средней части до диаметра  и длиной . Существенное уменьшение длины точно обрабатываемой поверхности облегчает изготовление базового отверстия с использованием развертки или комплекта разверток, а так же и с использованием расточного резца.

Точность размеров и формы. Шероховатость поверхностей.

Фасонные резцы в т.ч. круглые, являются изделиями высокоточными. Очевидно, чем выше точность обрабатываемой детали, тем более высокие требования предъявляются к точности фасонного резца и прежде всего - к точности его профиля.

Для изготовления деталей 9, 10, 11 квалитетов точности вполне достаточно назначить допуски на высотные и линейные размеры профиля резца из следующих рекомендаций: на диаметральные размеры ±(0,02…0,04); на продольные размеры, параллельные оси базового отверстия резца ±(0,025…0,030)мм; на углы - ±10' - см. так же[12].

Меньшее значение из предлагаемых интервалов рекомендуется использовать при проектировании фасонных резцов на обработку деталей 9-го квалитета точности, более высокие - при проектировании резцов на обработку деталей 10 и 11-го квалитетов точности.

Допуск на диаметр базового отверстия необходимо назначить по 8-му квалитету, что обеспечит высокоточное базирование резца на шейке опорного болта по посадке H8/h8.

Поскольку высотные размеры рабочего профиля резца выполняются с высокой точностью, то радиальное биение элементарных участков профиля не должно превышать 0,03…0,04мм.

Что касается допусков на размеры дополнительных режущих кромок, то требования к ним не столь высоки, как для размеров рабочего профиля и могут назначаться по 10…11-му квалитету. Все остальные размеры резца выполняются как свободные, то есть по 12 квалитету точности.

Шаблон и контршаблон

В связи с тем, что профиль фасонного резца зачастую представляет собой сложную геометрическую линию, то для контроля протачиваемой профильной поверхности на чистовом технологическом переходе используют шаблон, который изготавливается заранее.

В процессе чистовой, окончательной проточки станочник периодически прикладывает шаблон к профилируемой поверхности строго в осевой плоскости заготовки, не снимая её со станка, и по величине световой щели между шаблоном и профильной поверхностью определяет степень соответствия изготавливаемого профиля его заданному очертанию.

При длительной эксплуатации рабочая, профильная поверхность шаблона, из-за частого соприкосновения с поверхностью заготовки при измерении её профиля постепенно изнашивается. Для контроля степени изношенности шаблона применяют контршаблон. Его профиль идентичен (одинаков) с профилем резца, но допуски на высотные и линейные размеры профиля контршаблона принимаются ещё более жестче, чем допуски на размеры шаблона.

Шаблон (Ш) и контршаблон (КШ) изготавливаются из листового проката толщиной 2…3мм. Материал шаблона и контршаблона - легированная инструментальная сталь Х, ХГ с закалкой до твердости 60…65 HRC, или малоуглеродистые стали марок 20, 20Х с цементацией и последующей закалкой до твердости 60…65 HRC. Во втором случае меньше поводка заготовки при закалке.

На чертеже обрабатываемой детали выделяют диаметр, который является или наиболее точным, или наиболее удобным для измерения. На детали на рис 1 наиболее точным является диаметр d2 и он же удобен для измерения. Выделенный диаметр и, соответственно, участок профиля, которому он принадлежит, назовем базовым (измерительным).

Тот участок или отдельную точку профиля резца, которые обрабатывают базовую поверхность или базовый диаметр на детали, назовем так же базовым участком (или базовой точкой) и на профиле резца. Этот базовый участок (базовую узловую точку) на резце используют для отсчета высотных размеров профиля резца.

Однако, при проектировании фасонных резцов для обработки относительно неточных деталей, 9, 10…12 квалитетов точности, можно воспользоваться рекомендациями [2]: допуск на все линейные размеры рабочего профиля шаблона и, соответственно, контршаблона принимать ±0,01мм.

На профиле шаблона указывают корригированные углы, под которыми расположены его наклонные участки относительно базовой линии. на эти углы принимают ±5´.

Углы на дополнительных режущих кромках, представленные на рис.5 краевыми участками профиля (15º, 45º), проставляют на чертеже шаблона по их номинальным значениям с допуском ±5´. Столь жесткий допуск диктуется не высокой точностью изготовления дополнительных режущих кромок на резце, а тем, что шаблон и контршаблон должны точно сопрягаться (практически без световой щели) на всех участках профиля, включая и дополнительные кромки

Державка

Державка II типа

Державки фасонных резцов различают:

по типу станка, на котором они применяются;

по способу их крепления на станке;

по типу фасонных резцов, закрепляемых в них;

по способу закрепления резцов в державке;

по способу регулирования резцов относительно детали.

Фасонные резцы устанавливаются на станках различного типа: токарные универсальные, токарные автоматы и полуавтоматы, строгальные, долбежные и др.

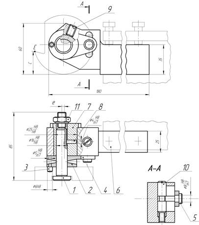
Согласно индивидуальному заданию, в данном случае проектирование ведется для державки второго типа - см. рис.12.

Тип II - державка для круглого резца без зубчиков на ступице, оба торца - гладкие. Регулировка положения точки Е на размер С, осуществляется за счет поворота резца вместе с эксцентриковой втулкой в корпусе державки (грубая регулировка) и поворотом резца с помощью зубчатого сектора вместе с опорным болтом внутри эксцентриковой втулки (тонкая регулировка).

Рис 12. Схема установки круглого фасонного резца на державке II типа:

- болт опорный; 2 - шайба зубчатая ; 3 - штифт; 4 - сектор регулировочный; 5 - палец; 6 - корпус; 7 - втулка; 8 - штифт; 9 - винт; 10 - винт регулировочный; 11 - гайка.

Конструкция державки II типа представлена на рис.13; на рис.12 - схема установки резца на державке и державки - на станке.

Резец устанавливается своим посадочным отверстием  на опорный болт 1, на резьбовом конце которого выполнена канавка. На этот же болт монтируется шайба с торцовыми зубчиками 2 с запрессованным в нее штифтом 3, который входит в отверстие на торце дискового резца.

Далее на болт 1 монтируется сектор регулировочный 4, причем его палец 5 своей концевой частью диаметром  располагается примерно в средней части паза  на корпусе державки 6.

В корпус державки 6 с противоположной от резца стороны в посадочное отверстие  устанавливается втулка 7 таким образом, чтобы предварительно запрессованный в нее заподлицо штифт 8 располагался в горизонтальной плоскости.

Внутри втулки 7 расточено отверстие  с эксцентриситетом е по отношению к ее наружному диаметру . Положение втулки 7 в отверстии корпуса 6 фиксируется винтом 9. Для поворота втулки на определенный угол на ее фланце выполнены пазы под накидной ключ.

В резьбовое отверстие корпуса 6 вкручивается регулировочный винт 9, в средней части которого выполнена канавка. Ширина канавки  немного больше диаметра  на конце пальца 5. Винт 10 вкручивают таким образом, чтобы канавка его расположилась примерно в средней части (по высоте) паза  на корпусе державки.

Опорный болт 1 с установленными на нем резцом, шайбой 2, сектором 4 заводится своим резьбовым концом в отверстие  втулки 7, которая установлена в корпусе державки 6 и зафиксирована в нем винтом 9. На резьбовой конец болта 1 накручивается гайка 11 и тем самым вся система стягивается в единое целое. При этом: вершина резца располагается примерно в горизонтальной диаметральной плоскости заготовки; штифт 3 входит в посадочное отверстие на торце резца; выступы зубчиков шайбы 2 располагаются во впадинах зубчиков сектора 4; палец 5 своим диаметром  попадает в канавку регулировочного винта 10; штифт 8 своим выступающим внутри втулки 7 концом попадает в паз опорного болта 1.

Рис.13. Державка для круглых фасонных резцов II типа:

- болт опорный; 2 - шайба зубчатая; 3 - штифт; 4 - сектор регулировочный; 5 - палец; 6 - корпус; 7 - втулка; 8 - штифт; 9 - винт; 10 - винт регулировочный; 11 - гайка.

Предварительная выставка размера С для державки II типа осуществляется за счет поворота резца вокруг оси опорного болта и совмещения зубчиков и впадин кулачковой муфты.

Однако окончательная регулировка размера С здесь осуществляется в два этапа, что и обеспечивает существенное повышение точности положение наиболее выступающей точки лезвия относительно центра обрабатываемой детали.

Первый этап (грубая регулировка) осуществляется следующим образом - рис.14 а, б.

Полностью собранную державку с установленным на ней фасонным резцом, который предварительно выставлен на размер С, устанавливают в резцедержке станка и зажимают болтами резцедержки. Используя штангенрейсмус или штангенциркуль, измеряют истинное значение параметра С.

Пусть, например, вершина лезвия (точка Е) резца 1 находится ниже оси шпинделя станка на величину ∆С - рис.14 а.

. Слегка отжимают гайку 11 (см. рис.13) на выходном конце опорного болта таким образом, чтобы, не нарушая плотного соединения всех деталей вдоль оси болта, в то же время обеспечить возможность скольжения торцевой поверхности зубчатого сектора 4 относительно боковой поверхности корпуса державки 6.

. Вкручивают регулировочный винт 2 (см. рис.14 а) в корпус державки, тем самым смещая палец 3 вниз на величину ∆h. Это заставляет повернуться зубчатый сектор 4 вокруг оси опорного болта 5 на некоторый угол по часовой стрелке (движение В1). Поскольку сектор 4 с помощью зубчиков муфты жестко связан с зубчатой шайбой а та, в свою очередь, жестко связана с резцом через штифт, то резец поворачивается вокруг оси болта на тот же угол, что и сектор и вершина лезвия поднимается на величину ∆.

Если точка Е в результате погрешностей предварительной выставки резца находится выше оси шпинделя, то винт 2 не вкручивают, а выкручивают и вершина лезвия соответственно смещается вниз.

Способ регулировки размера С с помощью регулировочного винта недостаточно точен, позволяет выставить размер С лишь предварительно, «грубо». Поэтому предусмотрен второй этап - тонкая регулировка.

. Слегка откручивают винт 9 (см. рис.13) тем самым давая возможность поворота эксцентриковой втулки 7 на некоторый угол.

. С помощью накидного ключа (для чего на фланце втулки предусмотрены шлицевые пазы) поворачивают втулку, например, по часовой стрелке (движение В2 см.рис.14 а). Поскольку ось опорного болта смещена относительно оси втулки 6 на величину эксцентриситета е, а сам болт жестко связан с втулкой через шпоночную канавку и штифт, то при вращении втулки ось болта совершает движение по окружности радиусом е вокруг оси эксцентриковой втулки. При этом сам болт вокруг своей оси не вращается, но и не лишает свободы движений находящемуся на нем резцу. Резец через зубчики муфты жестко связан с регулировочным сектором и поэтому резец и сектор, по сути, представляют особое некое общее жесткое тело с выступающим кронштейном, на конце которого установлен палец, входящий в кольцевую канавку на регулировочном винте.

Методика проектирования

Габаритные размеры державки, а так же размеры ее деталей в решающей степени определяются габаритными размерами резца и размерами резцедержки станка.

Так как максимальный диаметр резца =56 мм, то габариты корпуса державки позволят закрепить ее в резцедержке станка 16К20 - см. рис.15.

а)

Рис.14. Схема регулировки положения лезвия резца по высоте центра детали:

а - с помощью винта и зубчатого сектора, б - с помощью эксцентриковой втулки; 1 - резец фасонный дисковый, 2 - винт регулировочный, 3 - палец, 4 - сектор зубчатый, 5 - болт опорный, 6 - втулка эксцентриковая.

Модель станка

u

C

Hп

Bп

f

16К20

156

38

25

63,5

14,5

26


 

Рис.15. Резцедержка токарного станка

Расчет конструктивных элементов резца и державки

Составление расчетной схемы. Определение силы резания и крутящего момента на резце

Расчет лезвия резца на прочность в данной курсовой работе не предполагается, поскольку его прочность уже обеспечена правильным назначением угла заострения β (см.п.2).

Что касается других нагруженных элементов - болта опорного, боковых поверхностей зубчиков муфты, штифта, который связывает шайбу зубчатую с резцом - то для них необходимо выполнить соответствующий прочностной расчет.

Для расчета необходимо составить расчетную схему (рис. 16). Деталь совершает главное движение Dr, а резцу сообщается движение радиальной подачи Ds. В процессе стружкообразования возникает суммарная сила резания R, которая может быть разложена на две составляющие: окружную силу Pz и радиальную силу Py. Принципиально схема разложения R на Pz и Py в данном случае идентична силовой схеме при обычном точении канавочным или отрезным резцом, но естественно, с учетом возросшей на порядок длины лезвия, ее сложнопрофильного характера.

Окружная сила Pz является главной, основной (по численной величине) и направлена по касательной к поверхности резания на обрабатываемой детали.

Радиальная сила Py направлена перпендикулярно оси детали и лежит в ее горизонтальной осевой плоскости.

Для дальнейших расчетов необходимо рассчитать либо назначить по рекомендации численные значения Pz и Py.


Если полностью уподобить обработку фасонным резцом точению обычным канавочным резцом, то можно воспользоваться формулами из [16].

, (30)

где значения всех коэффициентов см. в [16].

Значения x, y, n принимают так же по таблице 22 из [16] для случая фасонного точения конструкционной стали с =750Мпа(75). При этом показатель степени n=0, и тогда сомножитель =1, т.е. скорость резания можно не назначать.

Выбираем значения коэффициентов:

 

 

 

 

 

 

 

Можно считать, что

 (31)

где:  - коэффициент, =0,45…0,75.

Чем выше значение радиальной подачи S мм/об, тем выше значение коэффициента . Для малых значений подачи S=0,028…0,051 мм/об величину коэффициента можно принимать: =0,5…0,6

Принимаем: . Значит:

Итак: пусть составляющие силы резания  и  определены тем или иным способом. Каждая из составляющих сил создает свой крутящий момент  и . Моменты направлены в одну сторону и суммируясь, стараются повернуть резец вокруг его оси против часовой стрелки (см. рис.16)

; (32)

; (33)

. (34)

Здесь:

 - суммарный крутящий момент, действующий на резец со стороны составляющих силы резания  и ;  - крутящий момент от силы ;  - крутящий момент оси силы ;  - плечо для силы ;  - плечо для силы

Величина плеча  равна:

 (35)

Где:  - средний диаметр резца.

 (36)

где: -диаметры, на которых расположены узловые точки профиля режущей кромки резца; i - количество узловых точек.

Значение  известно из предыдущих построений: .

 

 

 

 

 

Однако «провернуться» резцу под действием  не дает штифт диаметром  и зубчики кулачковой муфты.

Действительно, штифт своим диаметром сидит по посадке в отверстии резца, а диаметром  запрессован в отверстие зубчатой шайбы. По сути, шайба с торцовыми зубчиками - это есть левая часть кулачковой муфты (левая полумуфта). Шайба плотно соединена с регулировочным сектором таким образом, что ее зубчики размещаются между зубчиками сектора, который выполняет функции правой части кулачковой муфты (правая полумуфта).

В свою очередь зубчатый сектор через запрессованный в нем палец 5 и регулировочный винт 10 жестко связан с корпусом державки, неподвижно закрепленным в резцедержке станка. Кроме того, за счет затяжки гайки 11 обеспечивается достаточно большая сила трения торцовой поверхности сектора по боковой поверхности корпуса державки, что так же дополнительно гарантирует полную неподвижность зубчатого сектора, а, значит, и резца.

Таким образом, крутящий момент  через ряд промежуточных деталей державки воспринимается неподвижной массой станка. Это и обеспечивает неподвижность самого резца, но лишь при условии, что возникающее в нагруженных конструктивных элементах напряжения не превысят допускаемых значений.

Рассмотрим условия нагружения этих конструктивных элементов и возникающих в них напряжений.

Расчет штифта на срез

Штифт, соединяющий зубчатую шайбу (левую полумуфту) с резцом является неподвижным элементом системы (это доказано выше).

Резец под воздействие крутящего момента  пытается провернуться вокруг своей оси, но ему это не дает сделать неподвижный штифт. При этом наиболее опасным для штифта являются напряжения среза в сечении II - II. Именно в этом сечении торцовая плоскость резца, которая пытается провернуться, действует на неподвижный штифт как своеобразная режущая кромка «ножниц», создавая силу среза  (см.рис.16).

Очевидно, что материал штифта оказывает сопротивление срезающей силе, за счет возникающей в нем силы сопротивления , равной по величине силе среза , но противоположно направленной:


Сила  создает момент сопротивления , направленный противоположно . Условием работоспособности резца, т.е. его неподвижности, является:

 (37)

В свою очередь:

 (38)

где:  - диаметр, на котором расположена ось штифта. Учитывая, что ось штифта располагается на среднем диаметре зубчиков полумуфты (см. рис.16),  можно определить следующим образом:

 (39)

где:  - наружный диаметр зубчиков (диаметр ступицы на резце);  - внутренний диаметр зубчиков (диаметр базового отверстия резца).

Решая совместно (36), (37), (38), (39) имеем:

 (40)

 

Под действием  штифт испытывает касательные напряжения среза в опасном сечении II - II. Поскольку штифт, как правило, делается ступенчатым, то площадь опасного сечения необходимо определять по меньшему диаметру штифта .

Должно выполняться условие прочности:

  (41)

где:  - площадь опасного сечения;  - меньший диаметр ступенчатого штифта; обычно ;  - допускаемое напряжение среза.

Для стали 45, из которой делают штифты, при термообработке до HRC 40…45, принимают =250…280 [1]

 

 

 

Так как условие прочности не выполняется, то для сокращения толщины стенки необходимо увеличить максимальный диаметр резца , а так же и диаметр штифта .

Принимаем:

Произведем перерасчет по формуле (41):

 

 

 

Из - за изменения максимального диаметра резца и диаметра штифта, необходимо провести коррекционный расчет заново.

Расчет зубчиков муфты на смятие

Если условия прочности штифта соблюдены, то следующим нагруженным элементом, который необходимо проверить на прочность, является боковая поверхность зубчиков кулачковой муфты - рис.17.

Рис.17. Схема к расчету зубчиков кулачковой муфты на смятие и изгиб: а - схема силового нагружения отдельного зубчика; б - площадь поверхности смятия; в - площадь опасного сечения при расчете зубчика на изгиб.

Поскольку резец с помощью штифта жестко связан с зубчатой шайбой (левая полумуфта) то крутящий момент , действующий на резец, воздействует и на шайбу и пытается провернуть ее вместе с резцом против часовой стрелки (см. рис.16). В то же время зубчики правой полумуфты на торце регулировочного сектора неподвижны и воспринимают своей боковой поверхностью давление зубчиков шайбы. В результате боковые поверхности зубчиков подвергаются смятию, а условием работоспособности муфты по данному критерию является:

 (42)

где:  - сила смятия, действующая на боковую поверхность зубчиков;  - суммарная площадь смятия всех зубчиков муфты.

Сила смятия зубчиков  по сути равна вычисленной ранее силе среза  для штифта, так как средний диаметр зубчиков , используемый при расчете, равен диаметру, на котором лежит ось штифта  - см. формулу (8.11). То есть:

 (43)

 

Суммарная площадь смятия  определяется суммой боковых поверхностей зубьев муфты в предположении, что все зубчики равномерно участвуют в передаче нагрузки:

 (44)

где:  - число зубчиков; =32…34;  - площадь проекции боковой поверхности зубчика на осевую плоскость, в которой лежит его ось (сечение А - А на рис.17).

Для расчета  определим геометрические параметры зубчиков муфты.

Наружный диаметр зубчатой шайбы , принимаем равный диаметру ступицы для круглых резцов : .

Шаг зубчиков по наружному диаметру шайбы равен (см. рис.16):

 (45)

где:  - шаг зубчиков;  - наружный диаметр шайбы;  - число зубчиков.


Высота зубчиков  при угле профиля  (2=90° - см. рис.16) равна:

 (46)

 

Расчетная высота зубчиков  меньше геометрической высоты  за счет фасок и  (см.рис.16, вид Б).

) (47)

 

 

Для постоянства площадки при вершине зубчиков по длине дно впадины между зубчиками располагают к торцу шайбы под углом  (см. рис.17):

  (48)

 

Длина зубчиков  равна:

 (49)

где:  - диаметр базового отверстия резца (определено ранее).

 

Площадь смятия отдельного зубчика  должна быть расположена перпендикулярно направлению силы смятия  (см. рис.17). Поэтому для расчета принимают не боковую поверхность зубчика, а его проекцию на осевую плоскость А - А, которая перпендикулярна направлению . Сечение зубчика данной плоскостью позволяет вычислить :

 (50)

 

 

Для зубчатой шайбы из стали 45 или 40Х, термообработанной до 40…45 HRC можно принимать [] = 800…1000[1].

 

Зубчики формируют дисковой угловой фрезой с углом профиля 90°. Заготовку резца зажимают в патроне делительной головки, при этом, для обеспечения угла , ось шпинделя головки разворачивают под углом  к направлению подачи. При этом важно, чтобы при нарезании зубчиков фреза не «зарезала» рабочий профиль резца. Для этого высота ступицы, на которой нарезают зубчики  (см. рис.17), должна быть такой, чтобы линии донышка зубчиков (по которой движется фреза) отстояла от максимального диаметра резца  на величину гарантированного зазора 1…1,5мм.

В связи с вышесказанным необходимо провести проверку стандартного значения высоты ступицы , выбранного ранее исходя из максимального диаметра резца .

Из треугольника ОКМ (см. рис. 17) имеем

 (52)

Должно соблюдаться:

 (53)

 

 

Условие для стандартного значения  выполняется.

Литература

Анурьев В.И. Справочник конструктора - машиностроителя: в 3-х т.-Т.1. - 5-е изд. перераб. и доп. - М.: Машиностроение, 2014. - 728с.

Грановский Г.И., Панченко К.П. Фасонные резцы. - М.: Машиностроение, 1975. - 309с.

Дарманчев С.К. Фасонные резцы. - М.: Машиностроение, 1968. - 168с.

Дунаев П.Ф., Леликов О.П. Конструирование узлов и деталей машин: Учеб. пособие. - 5-е изд., переработ. и доп. - М.: Высш.шк., 1998 - 447с.

Краткий справочник конструктора: Справочник - Л.: Машиностроение, Ленингр. отделение, 1984. - 464с.

Марочник сталей и сплавов / В.Г.Сорокин, А.В.Волосникова, С.А.Вяткин и др.; Под общ. ред. В.Г.Сорокина. - М.: Машиностроение, 1989. - 640с.

Похожие работы на - Расчет и проектирование фасонного резца и державки

 

Не нашли материал для своей работы?
Поможем написать уникальную работу
Без плагиата!
Без нейросетей!