|
Расход газа на:
|
Годовой расход газа
|
Коэффициент часового
максимума
|
Часовой расход газа, м3/ч
|
|
МДж/год
|
м3/год
|
|
|
|
Бытовые нужды
|
1230000
|
36935
|
1/582
|
64
|
|
Коммунальные и
общественные нужды
|
61500
|
1847
|
1/582
|
4
|
|
Нужды здания
общественного питания
|
1842750
|
55335
|
1/2000
|
28
|
|
Отопление и вентиляцию
|
5695902
|
171038
|
1/2611
|
66
|
|
Горячее водоснабжение
|
1336176
|
40123
|
1/2611
|
16
|
|
Всего:
|
178
|
4. Обоснование
оптимального радиуса действия ГРП
Во время проектирования схемы
газоснабжения населенного пункта одной из главных задач является расчет
количества газорегуляторных пунктов и места их установки. Чем больше количество
ГРП, тем радиус действия каждого из них становится меньше и, таким образом,
необходимо уменьшить диаметры газопроводов после ГРП, но это приведет к
повышению цены из-за дороговизны самого ГРП, [1].
Оптимальная производительность
газорегуляторного пункта принимается в пределах 1500-2000 м3/ч. При
оптимальном радиусе действия 0,5-1 км с учётом этих показателей количество ГРП
определяется по формуле:
/1500 <1 (12)
где
суммарный
расход газа через городские ГРП.
n
= 435/1500 = 0,29<1.
По полученному значению
видим, что для с/п Кубенское нужно установить один ГРП.
5. Гидравлический расчёт
магистральных наружных газопроводов
При разработке дипломного проекта,
для системы газоснабжения сельского поселения Кубенское принимаем тупиковую
систему газоснабжения.
На основании генерального плана
выполняется схема прокладки газопроводов, на схеме указываются проектные
газопроводы, их диаметры, а также отмечаются устанавливаемые отключающие
устройства. При выборе места заложения газопровода учитывается характер проезда
и застройки, число вводов, конструкция дорожного покрытия, подземных
сооружений, удобства эксплуатации газопровода и т.д.
По итогам осуществленных расчетов на
схеме наносятся диаметры, расчетные расходы и потери давления по участкам
газопроводов.
Проведя гидравлический расчет
подбираем диаметры газопровода, чтобы обеспечивалась бесперебойная работа
системы газоснабжения в часы максимального потребления газа. По расчетным
расходам газа и удельным потерям давления определяем диаметры труб [1].
Сопротивления движению газа в
трубопроводе складывается из линейных сопротивлений трения и местных
сопротивлений. Сопротивление трения имеется по всей длине трубопровода. Для
измеренияснижения давления в местных сопротивлениях, газопровод удлиняют на
5…10%.
Предельное давление газа на входе в
жилой дом не должно быть больше 3 кПа. Для питания газовых сетей низкого
давления сооружаются ГРП или шкафные регуляторные установки, являющиеся
источниками питания. Согласно [1] суммарные потери давления от ГРП до наиболее
удалённого газового прибора не должны превышать 1,8 кПа. Таким образом,
располагаемый перепад давления, на который проектируются газопроводы низкого
давления, составляет 1800 Па, из которых 400Па приходиться на допустимые потери
давления во внутридомовых газопроводах, а 200 Па - в качестве потерь во внутридворовых
газопроводах.
Тупиковые сети являются более
выгодными, у которых последовательно соединенные участки имеют одни и те же
удельные перепады давления. Расчёт газопроводов начинаетсяот газорегуляторного
пункта до последнего потребителя, а далеесчитаются ответвления от главнойветки
газопровода.
Весь путь делится на участки с
равнымиобъемами проходящего газа, для которых находится длина участка и расход.
С помощью коэффициента
одновременности можно определить расход газа для отдельных домов, м3/ч
[1]:
(13)
где
- коэффициент одновременности, принимаемый по таблице 2.1 [1];
q -
номинальный расход газа на прибор или группу приборов (например, газовая плита
и водонагреватель), устанавливаемых в квартирах, м3/ч;- число
одинаковых приборов или групп приборов;- количество типов приборов или групп
приборов.
Номинальный расход газа
на прибор определяется по формуле, м3/ч [1]:
м3/ч, (14)
где
-
теплопроизводительность газового прибора, кДж/ч;
Результаты расчета
представлены в приложении 1.
По ориентировочным потерям давления
находят допустимые удельные потери давления от трения, Па/м как[1]:
Па/м, (15)
где
-
длина пути от ГРП до самого удаленного потребителя, м;
- длина i-го
участка, м;
,1 - коэффициент,
учитывающий потери давления от местных сопротивлений;
∆Pр
- допустимые потери давления, Па.
Исходя из типа газовых
сетей, общие допустимые потери давления по нормам составят 200Па в качестве
потерь во внутридворовых газопроводах.
Зная расчетный расход
газа Vр на участке и допустимые удельные потери давления ∆Р/l, определяют диаметр участка газопровода, мм;
Для принятого диаметра
газопровода находят действительные удельные потери ∆Р/l, Па/м;
Потери давления на
каждом участке находим по формуле:

, (16)
Потери давления на всех
участках от ГРП до самого удаленного потребителя складывают и сравнивают
полученное значение
с
располагаемым перепадом
.
Если
находится
в пределах 0÷0,1, вычисления считаются верными.
При
необходимо
уменьшить принятые диаметры газопроводов.
Если величина
,
диаметры следует увеличить, так как в противном случае потери давления от ГРП
до последнего потребителя превысят располагаемый перепад давления, и
потребители не получат.
После расчета главной
ветки газопровода рассчитываются ответвления по такому же принципу. Однако
располагаемый перепад давления для каждого ответвления будет разным и может
быть найден как [1]:

, (17)
где
-
потери давления при движении газа от ГРП до данного ответвления, Па.
6. Газорегуляторный
пункт
.1 Общие сведения
Газорегуляторный пункт - сооружение,
понижающее давления газа, идущего по распределительным сетям, до оптимального
значения и поддержания его неизменным независимо от расхода. Изменения давления
газа на выходе из ГРП находятся в границах 8-10% от рабочего давления. В ГРП
также осуществляются очистка газа от механических примесей, контроль
температуры, входного и выходного давления газа, предохранение рабочего
давления от понижения или повышения, учет расхода газа.
Газорегуляторные пункты могут быть
размещены:
в отдельно стоящих зданиях;
встроенными в одноэтажные
производственные здания;
находиться в шкафах;
на наружных несгораемых стенах и на
отдельно стоящих опорах (шкафные ГРП).
Газорегуляторные установки должны
размещаться в помещениях, имеющих не менее чем трехкратный обмен воздуха в час.
Газорегуляторная установка может использоваться только для одного здания.
В данном дипломном проекте
предусмотрена установка шкафного газорегуляторного пункта ПГБ-50Н-2У1 для
снижения высокого давления газа (Р=0,6 МПа) до низкого (Р=3,0 кПа).
Для увеличения надежности системы
предусмотрена установка на полиэтиленовых газопроводах запорной арматуры в
безколодезном исполнении с выводом контрольной трубки.
Газорегуляторный пункт блочный
ПГБ-50Н-2У1 изготовлен по конструкторской и технологической документации
предприятия-изготовителя, разработанной с учетом требований Единой системы
конструкторской и технологической документации (ЕСКД, ЕСТД) Российской
Федерации, ГОСТ 15.309.
Контейнер ПГБ-50Н-2У1 металлический
из негорючего утеплителя между внутренней стенкой изделия и внешней обшивкой.
Стены снаружи и изнутри ГРПБ обшиты стальным оцинкованным профилированным
листом с порошковой окраской.
Блок-контейнер разделен глухой,
газонепроницаемой и противопожарной перегородкой 1-го типа, класса пожарной
опасности С0, толщиной 50 мм, на два отсека - технологический (категория «А») и
метрологический (категория «Г»). Вход в отсеки осуществляется через различные
двери противопожарного типа, открывающиеся наружу блок-контейнера ГРПБ.
Блочные газорегуляторные пункты
заводского изготовления в зданиях контейнерного типа (ГРПБ) служат для снижения
и регулирования давления газа в газораспределительной сети.
Расстояние от отдельно стоящих
ПГБ-50Н-2У1 при давлении 0,6 МПа до зданий и сооружений 10 м, автомобильных
дорог (до обочины) 5 м и до воздушных линий электропередачи не менее 1,5 высоты
опоры.
ПГБ-50Н-2У1 в металлическом каркасе
с несгораемым утеплителем является одноэтажным, бесподвальным, с совмещенной
кровлей и с классом огнестойкости С0.
Предусматриваются противопожарные
двери, открываемые наружу.
В технологическом и метрологическом
отсеках установлена система автоматического пожаротушения.
С помощью жалюзи и дефлекторов
обеспечивается трехкратный воздухообмен за один час. В технологическом отсеке
используется одна жалюзийная решетка, смонтированная в двери, размерами 500×250 мм, и вытяжной
канал, выполненный в виде стального воздуховода и дефлектора. Метрологический
отсек выполнен с использованием той же самой жалюзийной решетки, с одним
воздуховодом и дефлектором, выполненными по тому же типу.
Для отопления отсеков используются
газовые конвекторы, по одному на каждый отсек. Автономное отопление
обеспечивает температуру воздуха в отсеках ГРПБ не менее +5°С с учетом
трехкратного воздухообмена в час.
Габаритные размеры блок-контейнера
ПГБ-50Н-2У1 составляют 4100×2200×2500 (Д×Ш×В).
Покрытие пола в помещении для
размещения линий редуцирования предусмотрено искробезопасное, негорючее.
Шкафной ГРП (ШРУ) является готовым
промышленным изделием. Это металлический шкаф, внутри которого смонтированы все
необходимое оборудование, арматура и средства измерения. Подбор ШРУ
производится в зависимости от типа регулятора, обеспечивающего пропускную
способность, и давления газа на входе и выходе из ШРУ.
Технические характеристики
ПГБ-50Н-2У1 представлены в прил. 3.
6.2 Назначение и принцип
работы ГРПБ
ГРПБ применяются для преобразования
высокого или среднего давления на низкое, автоматической регулировки давления
на выходе из ГРПБ.
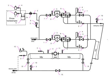
Согласно функциональной схеме, в
соответствии с рисунком 1, работает следующим образом.
Через входной кран 1 по входному
трубопроводу газ поступает в фильтр 6, затем поступает к регулятору давления
газа 8, где давление газа снижается до установленного значения и поддерживается
на заданном уровне, и затем поступает к потребителю через выходной кран 1.
Сбросной клапан 12 открывается при
повышении выходного давления выше заданного допустимого значения, и сбрасывает
газ в атмосферу.
При дальнейшем повышении или
понижении контролируемого давления газа сверх допустимых пределов срабатывает
предохранительно-запорный клапан, встроенный в регулятор, перекрывая вход газа
в регулятор. На входном газопроводе установлены манометры 9 предназначенные для
замера входного давления и определения перепада давления нафильтрующей кассете.
Если необходим ремонт, газ будет
доставляться к потребителю через байпас. При необходимости используются обе
линии одновременно, пропускная способность при этом возрастает. Нагазопроводе
после входного крана и после регулятора давления газа предусмотрены продувочные
трубопроводы.
Функциональная схема ГРПБ:
- кран шаровой 50/16; 2-кран шаровой
11б27 (Ду25); 3 - кран шаровой 11б27 (Ду20); 4 -11б27 (Ду15); 5 - кран под
манометр 11Б41п21 (Ду15); 6 - фильтр газовый типа ФС-50 с ИПД-5кПа; 7 -
конвектор газовый; 8 - регулятор давления газа РД-50 с КПЗ-50Н; 9 - входной
манометр (0-1,0 МПа); 10 - выходной манометр (0-6 кПа); 11 - СГ-ЭКВз-Р -
0,2-650/1,6 (1:50) Ду100 на базе RVG-G400; 12 - предохранительный сбросной
клапан ПСК-50; 13 - газовый счетчик СГБ-G4; 14 - регулятор давления газа
РДГБ-6; 15 - кран шаровой КШ.Ф. 100.16-01
На рисунке 2 представлен габаритный
чертеж ГРПБ с обогревом.
Габаритный чертеж ГРПБ:
- дымоход конвектора; 2 - Рвх
(Ду50); 3 - продувочный патрубок (Ду20); 4 - дефлектор; 5 - вход ПСК-50 (Ду50);
6 - Рвх (Ду100); 7 - подвод импульса к регулятору (Ду25); 8 - технический
отсек; 9 - выход ПСК-50 (Ду50); 10 - конвектор газовый; 11 - отсек телеметрии
6.3 Подбор оборудования
газорегуляторного пункта
Необходимо подобрать регулятор
давления в зависимости от его пропускной способности, ПЗК и газовый фильтр,
условный диаметр которых должен соответствовать диаметру регулятора давления;
также побирается тип ПСК.
Устанавливаются регуляторы давления
типа РД; также используются регуляторы низкого давления Dу 32 и Dy 50.
Регуляторы давления выбираются по расчетному (максимальному часовому) расходу
газа при требуемом перепаде давления. Пропускная способность таких регуляторов
определяется, по паспортным данным заводов-изготовителей, полученным
экспериментальным путем.
Регулятор давления подберем,
используя формулу [2]:
, м3/ч (18)
где индекс «m» - табличное значение параметра из паспорта на регулятор давления
газа;
V
и Vm
- пропускная способность регулятора, м3/ч;
r и rт
- плотность газа при нормальных условия, кг/м3;
и
-
перепад давления в регуляторе, МПа;
Р1и
Р1m
- абсолютное входное давление газа, МПа;
Р2
и Р2m
- абсолютное выходное давление газа, МПа.
Абсолютное входное
давление определим по формуле:
Абсолютное давление газа
после регулятора давления на выходе из ГРП определим по формуле [2]:
МПа, (20)
= 0,183+101,3=101,5
кПа,
/
=
101,5 / 701,3 = 0,14,
м3/ч.
Проверка:
Подбираем регулятор
давления РД-50, пропускной способностью при входном давлении 0,6 МПа.
Максимальное входное давление, МПа - 0,6, диаметр седла 15 мм.
В качестве устройства
для очистки газа от механических примесей применяется стальной фильтр газовый
типа ФС-50 с ИПД-5 кПа с диаметром присоединительного патрубка Dу=50 мм, длиной
250 мм, массой 14 кг. Качественная очистка газа позволяет повысить
герметичность запорных устройств, а также увеличить межремонтное время их
эксплуатации за счет уменьшения износа уплотняющих поверхностей.
Предохранительный
сбросной клапан служит для защиты газовой аппаратуры от недопустимого повышения
давления газа в сети. В случае повышения давления, газ через клапан
сбрасывается в атмосферу. Требуемая, пропускная способность предохранительного
сбросного клапана определяется как:
Vтр
= 0,0005Vmax, м3/ч, (21)
где Vmax
- пропускная способность регулятора при расчетных входном и выходном давлениях
газа, м3/ч.
Vтр
= 0,0005·521,6=0,26 м3/ч.
Для снабжения жилого
массива на выходе из ГРП поддерживается низкое давление газа, поэтому в ГРП
принимается к установке предохранительный запорный клапан типа ПЗК, который
обеспечивает автоматическое отключение подачи газа при выходе контролируемого
давления за установленные верхний и нижний пределы. Принимаем к установке
ПЗК-50. Диапазон срабатывания предохранительного клапана при понижении давления
0,5Pвых =0,15 кПа, при повышении давления 1,25Рвых
=0,375 кПа. Давление настройки ПЗК 0,00288 МПа.
В случае ремонта
оборудования газ поступает к потребителю через резервную линию редуцирования
(или байпас), где газ по входному трубопроводу через входной кран, фильтр,
поступает к регулятору давления газа, где происходит снижение давления газа до
установленного значения и поддержание его на заданном уровне, и далее через
выходной кран поступает к потребителю.
На основной и резервной
линиях редуцирования после входного крана, после регулятора давления
предусмотрены продувочные трубопроводы.
На газовую среду
рассчитывается запорная арматура (вентили, пробковые краны, задвижки). Условный
диаметр DУ и исполнительное давление РУ являются главными
критериями при выборе данной запорной арматуры.
Задвижки могут
применяться с выдвижными и с не выдвижными шпинделем. Первые лучше использовать
для надземной установки, а вторые - для подземной.
Вентили применяют в тех
случаях, когда повышенной потерей давления можно пренебречь, например, на
импульсных линиях.
У пробковых кранов
имеется значительно меньшее гидравлическое сопротивление, чем у вентилей. Их
различают по затяжке конической пробки на натяжные и сальниковые, а по методу
присоединения к трубам - на муфтовые и фланцевые.
Материал запорной
арматуры - углеродистая, легированная сталь, серый и ковкий чугун, латунь и
бронза.
Запорная арматура,
сделанная из серого чугуна, применяется при рабочем давлении газа не более 0,6
МПа. Стальная, бронзовая и латунная при давлении до 1,6 МПа. Рабочая
температура для чугунной и бронзовой арматуры должна быть не ниже -35
,
для стальной не менее -40
.
На входе газа в ГРП
желательно применять стальную арматуру, или арматуру из ковкого чугуна. На
выходе из ГРП при низком давлении можно применять арматуру из серого чугуна.
Она дешевле стальной.
Условный диаметр
задвижек в ГРП должен соответствовать диаметру газопроводов на входе и выходе
газа. Условный диаметр вентилей и кранов на импульсных линиях ГРП или ГРУ
рекомендуется выбирать равным 20 мм или 15 мм.
6.4 Техническое
обслуживание
На каждый ГРПБ должен
составляться паспорт, в котором отображаются основные характеристики оборудования,
средств измерений и помещения. В ГРПБ размещаются технологические схемы,
инструкции по эксплуатации, технике безопасности и пожарной безопасности.
При эксплуатации ГРПБ
проводят техническое обслуживание, текущий и капитальный ремонт. Результаты
ремонтов оборудования, связанных с заменой деталей и узлов оборудования,
заносят в паспорт ГРПБ. О всех других работах выполняют записи в журнале, где
также указывают сбои вработе оборудования и меры по их устранению. Оборудование
на ГРПБ настраивает главный инженер газового хозяйства.
Осмотр оборудования
должен проводиться не менее, чем двумя рабочими. Засоренность газового фильтра
можно определить по манометрам до и после фильтра. Очистка фильтрующего
элемента должна проходить вне помещения, вдали от огнеопасных веществ не менее
чем на 5 метров. При настройке и проверке параметров предохранительных клапанов
не должно изменяться рабочее давление газа после регулятора. Для этого
предусматриваются дополнительные приспособления. На патрубке перед сбросным
клапаном врезается штуцер, к которому подключаются через тройник насос и
манометр. Регулирование необходимо производить при закрытом запорном устройстве
перед клапаном. При настройке ПЗК импульсная линия отключается и через тройник
производится настройка.
При обслуживании ГРП
необходимо:
проверять плотность
закрытия отключающих устройств и предохранительных клапанов;
контролировать все
стыки, устранять утечки газа;
осматривать и очищать
газовые фильтры;
смазывать трущиеся части
и набивать сальники;
определять плотность и
чувствительность мембран;
продувать импульсные
трубки;
проверять параметры
настройки ПЗК и ПСК.
При эксплуатации пункта
должны выполняться следующие работы:
технический осмотр
оборудования;
проверку параметров
срабатывания ПЗК и ПСК - не реже одного раза в 3 месяца, а также по окончании
ремонта оборудования;
техобслуживание не реже
одного раза в 6 месяцев;
текущий ремонт не реже
одного раза в 5 лет.
При осмотре состояния
газорегуляторного пункта должны проверяться: давление газа до и после
регулятора, перепад давления на фильтре, отсутствие утечек газа (с помощью
мыльной воды), надежность взвода и срабатывания клапана-отсекателя.
При текущем ремонте
осуществляются:
ремонт регулятора
давления, предохранительных клапанов в соответствии с паспортами;
ремонт и замена вышедших
из строя деталей;
разборка запорной
арматуры, не обеспечивающей герметичности закрытия;
работы, запланированные
для проведения технического обслуживания.
На территорию ГРПБ
посторонним лицам вход запрещен. Во время отсутствия обслуживающего персонала
ГРПБ должен быть закрыт на замок. На данном строении должны присутствовать
предупредительные надписи, запрещающие пользоваться огнем. Во время
профилактических работ для бесперебойного снабжения газом потребителей
переходят на обводную линию (байпас).
Для перевода работы ГРПБ
с регулятора на байпас необходимо: предупредить обслуживающий персонал о
переходе на байпас, снизить регулятором давление примерно на 10% заданного,
открыть наполовину первый по ходу потока газа запорный орган и, медленно
открывая второй, установить по манометру прежнее давление выключить регулятор
давления из работы, вывернув регулировочную пружину до отказа полностью закрыть
запорный орган перед регулятором, а затем после регулятора закрыть
предохранительный запорный клапан и краны на импульсных трубопроводах,
установить непрерывный контроль за манометром, показывающим давление в выходном
газопроводе, поддерживая на заданном уровне регулировкой вручную степень
закрытия второго запорного органа на байпасе, сообщить обслуживающему персоналу
о том, что переход на байпас закончен, установить заглушки на ремонтируемом
участке. [5]
После завершения
обслуживания оборудование ГРПБ переключают с байпаса на регулятор давления. Для
этого снимаются заглушки с ремонтируемого участка, оповещается обслуживающий
персонал о переходе работы ГРПБ на регулятор давления, настраивается ПСК. Также
необходимо провести осмотр регулятора давления, удостовериться в его
работоспособности и открытии запорной арматуры на импульсных трубопроводах, открыть
запорную арматуру за регулятором, снизить давление газа в выходном газопроводе
на 10%, наблюдая за показаниями манометра медленно открывать запорный орган,
выставить в выходном газопроводе требуемое давление, медленно нагружая
регулятор, увеличить давление регулятором в случае необходимости (по шуму
потока газа будет слышно, что регулятор давления начал работу), перекрыть
запорные органы на обводной линии и удостовериться, что регулятор работает
правильно, сообщить рабочим, что переключение на регулятор давления закончено.
7. Технико-экономическое
обоснование использования солнечных панелей на ГРП
.1 Общие сведения о
солнечных фотоэлементах
Солнечные фотоэлементы представляют
собой электрические устройства, преобразующие часть солнечного излучения (электромагнитного)
в электрический ток. Несколько комбинированных фотоэлементов (преобразователей)
составляют уже солнечную батарею, которая производит напряжение и ток.
Самое главное - принцип работы
солнечных элементов. В контакте с одним из наружных слоев солнечного света
образуется фотоэлектрический эффект, который приводит к образованиюв этом слое
свободных электронов. Эти частицы получают дополнительную энергию и способны
преодолевать внутренний слой элемента, который в данном случае называется барьером.
Чем больше солнечного света, тем интенсивнее протекает процесс прохождения или
перепрыгивания частиц от одной внешней пластины к другой, минуя внутреннюю
перегородку. При замыкании внешних пластин появляется напряжение. Та пластинка,
которая интенсивно испускает частицы, образуя так называемые дырки, приобретает
знак минус, а которая принимает, образует знак плюс.
Солнечный фотоэлемент в разрезе
Эффект получается путем сочетания
двух типов полупроводников с p- и n-проводимостью. Первый вид характеризуется
отсутствием электронов, второй - их избытком. В конечном итоге получаются
солнечные элементы, состоящие из двух слоев полупроводников с разной
проводимостью.
Солнечные элементы работают по
следующему принципу. На n-проводник (он установлен в верхней части конструкции)
воздействуют солнечные лучи и выбивают электроны с их орбит. Из-за
дополнительного импульса энергии они переходят в p-проводник (ширина зоны
уменьшается, для преодоления ее электронами) и образуют направленный поток. Эти
два слоя фотоэлементов для солнечных батарей являет из себя тип электродной
батареи, катодом в котором выступает n-вещество, а анодом - p-вещество.
7.2 Классификация
солнечных фотоэлементов
В роли p-/n-полупроводников
используют кремний с различными добавками. Причина в том, что кремний легко
добывается и обрабатывается в больших количествах, не требующих больших затрат.
Не обращая внимания на низкую эффективность солнечных батарей (около 20%) для
многочисленного изготовления используют именно кремний. Фотоэлементы из других
веществ имеют большую эффективность (более 40%) однако их массовое производство
пока убыточно.
Солнечные батареи из кремния
производят трех видов:
поликристаллические;
монокристаллические;
тонкопленочные.
Данные типы батарей имеют свои
рабочие характеристики, особенности и области применения.
Типы солнечных элементов
В таблице 7.1 приведены основные
отличия модулей.
Таблица 7.1. Отличие
монокристаллических от поликристаллических модулей.
|
Показатель
|
Моно элементы
|
|
Кристаллическая
структура
|
Зерна кристалла
параллельны Кристаллы ориентированы в одну сторону
|
Зерна кристалла не
параллельны Кристаллы ориентированы в разные стороны
|
|
Температура
производства
|
1400°С
|
800-1000°С
|
|
Цвет
|
Черный
|
Темно-синий
|
|
Стабильность
|
Высокая
|
Высокая, но меньше,
чем у моно
|
|
Цена
|
Высокая
|
Высокая, но меньше,
чем у моно
|
|
Период окупаемости
|
2 года
|
2-3 года
|
Панели монокристаллические
Конструкция панели состоит из
множества силиконовых фотомодулей. Данные фотоэлементы установлены в крепкий и
долговечный корпус, что дает хорошую защиту для этих фотомодулей от пыли и
влаги.
Данная конструкция солнечных панелей
позволяет использовать их в различных условиях. Преобразование световой энергии
происходит из-за фотоэлектрического эффекта преобразования энергии в самих
фотоэлектрических модулях солнечной панели.
Монокристаллическая панель
Материалом для изготовления
монокристаллических солнечных панелей, является сверхчистый кремний, который
используется в производстве радиоэлектроники, и хорошо изученный нынешней
индустрией. Стержни кремниевого монокристалла, «медленно растут» и вытягиваются
из кремниевого расплава, а далее разрезаются на части, с их толщиной 0,2-0,4 мм
и уже используются после дальнейшей отделки для изготовления фотоэлектрических
элементов, составляющих солнечные панели.
Опыт работы с современными
солнечными панелями показал, что на протяжении долгих лет, одними из самых
популярных и востребованных в мире являются монокристаллические солнечные
панели. Полезный эффект от монокристаллических солнечных панелей составляет
около 15-17%.
Поликристаллические панели
При медленном охлаждении кремниевого
расплава, из него получается поликристаллический кремний, который в дальнейшем
будет использоваться при производстве солнечных панелей из поликристаллов. В
данной ситуации кристаллы кремния из расплава вытягивать не нужно, а сам
процесс занимает меньше времени, чем при производстве монокристаллического
кремния.
Одним из главных недостатков
является наличие зернистых границ, ухудшающих его качество.
Поликристаллическая панель
Рамка солнечных модулей производится
из алюминия и обрабатывается специальным полимерным веществом, имеющим черный
цвет. Такая конструкция имеет высокое качество, которое достигается путем
надежного закрепления пленки на обратной стороне каждой рамки и ее герметичным
уплотнением по краям. Все части солнечной батареи покрываются специальным
составом, который стабилен как к скачкам температур, так и к влиянию осадков.
Для того, чтобы понять, какой из
типов кристаллов лучше, нужно сначала понять их различия и сходства.
Отличия «моно» и «поли»
кристаллических типов
солнечных батарей:
самое важное различие этих видов
солнечных батарей заключается в их результативности преобразования энергии
солнца в электрическую. Сегодня монокристаллические панели при их массовом
изготовлении дают эффективность не более 22%, а используемые в космических
технологиях - даже до 38%. Это связано с качеством сырья кристаллов кремния,
который в этих батареях составляет почти 100%.
У имеющихся в продаже
поликристаллических панелей эффективность преобразования солнечной энергии в
электрическую намного меньше, чем у монокристаллических панелей и составляет по
максимуму - 18%. Такая низкая эффективность у этого типа батарей связана с тем,
что для их производства используют не только чистый первичный кремний. Чем выше
эффективность преобразования энергии солнца, тем при одинаковой мощности разных
типов батарей - их размер будет меньше.
у монокристаллических деталей
солнечных батарей углы сглажены, а поверхность однородна. Округлость их форм
связана здесь с тем, что монокристаллический кремний, во время его изготовления
получают в цилиндрических заготовках. Поликристаллические элементы солнечных
модулей имеют квадратную форму, поскольку их заготовки при производстве - также
квадратной формы. По своей структуре - цвет поликристаллов неоднороден, потому
что состав поликристаллического кремния также неоднороден и включает в себя
множество разнородного кристаллического кремния, а также в незначительном
количестве и примеси.
что касается ценовой политики,
солнечные модули из монокристаллического кремния немного дороже (примерно на
10%), нежели цена солнечных батарей из поликристаллического кремния - если
брать, конечно же, в пересчете на единицу их мощности. Как вы, наверное, уже
поняли, большая цена монокристаллических солнечных батарей, в первую очередь
связана с более дорогостоящим процессом производства и очистки исходного
монокристаллического кремния.
На рисунке 7 показано размещение
солнечных панелей на крыше здания.