Электрооборудование горнопроходческих машин и схемы их управления

  • Вид работы:
    Реферат
  • Предмет:
    Другое
  • Язык:
    Русский
    ,
    Формат файла:
    MS Word
    1,69 Мб
  • Опубликовано:
    2017-01-03
Вы можете узнать стоимость помощи в написании студенческой работы.
Помощь в написании работы, которую точно примут!

Электрооборудование горнопроходческих машин и схемы их управления

Министерство образования и науки Российской Федерации

ФГАОУ ВО Северо-Восточный федеральный университет имени М. К. Аммосова

Геологоразведочный факультет

Кафедра технологии и техники разведки МПИ


Реферат

По дисциплине ‹‹Электрооборудование и электроснабжение››

‹‹Электрооборудование горнопроходческих машин и схемы их управления››

Содержание

Введение

. Ручные электросверла

.1 Техническая характеристика ручного сверла СЭР-19М

.2 Асинхронный двигатель

. Погрузочные машины

.1 Типы и характеристики погрузочных электрических машин

2.2 Погрузочные машины серии 1ПНБ2

.2 Электродвигатель машины серии 1ПНБ2

3. Скреперные установки

.1 Типы и характеристики скреперных установок

.2 Скреперная лебедка 10ЛС-2С

.Транспортные установки

4.1 Аккумуляторный электровоз АРП4, 5Т

.2 Электродвигатель электровоза ДТРН-13АС

Заключение

Литература

Введение

Электрооборудование машин, предназначенных для проходки горных выработок (погрузочные машины, электросверла, скреперные установки), имеет рудничное исполнение и взрывобезопасные цепи управления за счет применения в них пониженного напряжения. Особенность дистанционного управления передвижными забойными машинами заключается в том, что магнитный пускатель, с помощью которого управляется машина, обычно размещается на значительном расстоянии и соединяется с электродвигателем и пультом управления, установленными на машине, по средствам гибкого многожильного кабеля.

В данной работе мы рассмотрим электросверла, погрузочные машины и скреперные установки в более подробном информации. И какие электродвигатели установлены для этих установок.

1. Ручные электросверла

Ручные электросверла имеют привод от электродвигателя с короткозамкнутым ротором мощностью не менее 1-2 кВт и напряжением 127 В. Для подвода электроэнергии к ручному сверлу необходимо: трансформировать напряжение с 380 до 127 В, а для питания цепей управления - до 18-36 В. Кроме того, надо предусмотреть защиту от токов короткого замыкания и утечек. Все эти функции совмещаются в одном аппарате, который получил наименования пускового (АП) или комплексного (АК) агрегата. В настоящее время промышленность выпускает пусковой агрегат АП-35М на два сверла и комплексный агрегат АК-1М для питания одного сверла.


Электрическая схема агрегата АК-1М (рис. IV. 18) состоит из трех цепей: силовой (автоматический выключатель Q, контактор К, трансформатор TI (380/127); управления (трансформатор Т2, промежуточное реле постоянного тока КА1, кнопка SA "Пуск" в корпусе сверла, диод V), защиты от утечки (не показана). Нажатием кнопки, вмонтированный в корпус сверла, которая может быть удалена от агрегата на расстояние до 200м, обеспечивается протекание тока в цепи управления. Включается катушка КА1, замыкая свои контакты в цепи пускателя. Катушка контактора К замыкает контакты в силовой цепи, включая электросверло, управляемое по толчковой схеме.

Электрические схемы агрегата АК-1М и АП-35М обеспечивают защиту от токов которого замыкание, утечек, перегрузок, потерь управляемости (за счет выпрямителей, встроенных в корпус), нулевую защиту.

Двигателями колонковых сверл управляют с помощью магнитных пускателей. Колонковые сверла могут работать при напряжении до 660 В. На рис. IV.19 схема дистанционного управления двухскоростным электродвигателем колонкового сверла СЭК-1. Для управления используется трехжильная искробезопасная схема, в которой заземляющая жила служит в качестве третьего провода цепи управления.

При включении рукояти контроллера QF1 и нажатии кнопки SA1«Пуск». расположенной на корпусе сверла, создается цепь: вторичная обмотка стабилизатора TS, кнопка SB2 «Стоп», переключатель Q3, зажимы 3-3, кнопки SA1 «Пуск» и SB1 «Стоп» сверла, диод VI, зажимы 1-1. вторичная обмотка TS. Во втором полупериоде ток проходит через катушку KA1‚ которая замыкает цепь контактора К. Последний включает своими контактами электродвигатель и замыкает блок-контакт K. Шунтирующий кнопку «Пуск». Отключается сверло реверсивным контроллером QF2 или при срабатывании защиты.

Бурильная машина вращательного действия

Тип машины

Вид энергии

Подача машины на забой

Область применения

Ручные сверла

электрическая

ручная

Бурение горизонтальных Слабонаклонных и направленных вниз шпуров в породах ниже средней крепости

1.1 Техническая характеристика ручного сверла СЭР-19М


Ручное электросверло СЭР-19М состоит:

литого алюминиевого корпуса (4) с двумя рукоятками, с изолирующим полихлориниловым покрытием;

асинхронного электродвигателя, встроенного в корпус и состоящего из статора (6) и ротора (5) с подшипниками;

передней крышки (2) с двухступенчатым редуктором;

промежуточного щита (8), обеспечивающего взрывобезопасность корпуса;

шпинделя (1), в который вставляется хвостовик бура;

вентилятор (8);

затыльной крышки (7) с изолирующим полихлорвиниловым покрытием;

устройства для ввода гибкого кабеля, которое состоит из фланца (11), колодки из негорючей пластмассы (12), в которой расположены проходные болты для присоединения жил гибкого кабеля и соединительных концов от обмотки статора и пускового устройства, патрубка (13), заглушки (14), которая закреплена гайкой (15). На гибком кабеле крепится хомут (16), присоединяемый отрезком цепи к фланцу (11) корпуса сверла, что предотвращает выдергивание кабеля из вводного устройства, а также его чрезмерные перегибы.

пусковое устройство (9) (однополюсный выключатель дистанционного управления без фиксации) смонтировано в отдельной камере корпуса сверла и закрыто крышкой (10).

Для лучшего охлаждения электродвигателя корпус его имеет ребристую поверхность, которая обдувается вентилятором, смонтированным наружи корпуса на валу ротора. Затыльная (7) закреплена на корпус так, что вместе с ребрами образуют каналы для прохода воздуха от вентилятора вдоль нагретой поверхности корпуса.

Двухступенчатый цилиндрический редуктор электросверла имеет смешанные шестеренками и позволяет получить путем их замены две частоты вращения шпинделя:

по породе средней крепости 700 об-1;

по максимальной крепости пород 340 об-1.

Показатели

Тип горных сверл


СЭР-19М

Род применяемой энергии

электрическая

Диаметр шпура, мм

36 - 45

Длина шпура, м

3

Коэффициент крепости пород

<4

1.2

Частота вращения шпинделя, об-1

340/700

Давления сжатого воздуха, МПа

-

Напряжение питающей сети, В

127

Способ удаления буровой мелочи

сухой

Масса, кг

18


1.2 Асинхронный двигатель

сверло электрический скреперный лебедка

В электробуре СЭР-19М используется трехфазный асинхронный двигатель.

Трехфазный асинхронный электродвигатель - это асинхронный электродвигатель <#"897766.files/image003.gif">

Статор состоит из корпуса и сердечника с обмоткой. Сердечник статора собирается из тонколистовой технической стали толщиной обычно 0, 5 мм, покрытой изоляционным лаком. Шихтованная конструкция сердечника способствует значительному снижению вихревых токов, возникающих в процессе перемагничивания сердечника вращающимся магнитным полем. Обмотки статора располагаются в пазах сердечника.

Корпус и сердечник статора Конструкция шихтованного сердечника

Ротор состоит из сердечника с короткозамкнутой обмоткой и вала. Сердечник ротора тоже имеет шихтованную конструкцию. При этом листы ротора не покрыты лаком, так как ток имеет небольшую частоту и оксидной пленки достаточно для ограничения вихревых токов.

2. Погрузочные машины

Погрузочные машины, применяемые при проходке горно-разведочных выработок, обычно имеют пневматический привод. Но могут использоваться и машины с электрическим приводом. В качестве примера рассмотрим электрическую схему управления машиной 1 ПНБ-2.

Электроснабжение погрузочной машины осуществляется с помощью гибкого кабеля от магнитного пускателя, размещаемого на некотором расстоянии в распределительном пункте. Напряжение включается и отключается дистанционно кнопками SA и SB с магнитной станции, установленной на погрузочной машине. При этом через промежуточное реле КА1 включается (отключается) контактор К. На машине установлены два двигателя - М1 и М2. Реверсивное управление ими осуществляется с помощью двух магнитных пускателей ПА-313; вмонтированных в магнитную станцию.

Цепи управления магнитными пускателями получают питание напряжением 36 В через трансформатор Т1. Чтобы включить двигатель, например М1, нужно нажать на кнопку SA1.1. При этом катушка К1.1 получает питание через трансформатор Т1, замыкает свои силовые контакты и включает двигатель. Реверсирование двигателя производится нажатием кнопки SA1.2. Пуск и реверсирование двигателя М2 производится аналогично.

От трансформатора Т1 получают питание фары местного освещения. Привод погрузочной машины имеет. тепловую (F1 и F2), максимальную (КА2, КА3) и нулевую (блок - контактами катушек К1.1.и К2.1)защиту. При необходимости экстренного отключения пользуются аварийным выключателем Q2, заметный контакт которого при отключение разорвет цепь реле КА1 и отключит магнитный пускатель.

Схема управления электродвигателем колонкового сверла.

.1 Типы и характеристики погрузочных электрических машин

показатели

Непрерывного действия


ПНБ-1

1ПНБ-2

2ПНБ-2

3ПНБ-2

ПНБ-3

Производительность, М3/мин.

1, 25

2

2

2, 5

4

Вместимость, М3

-

-

-

-

-

Габариты, мм Ширина длина

1100 6500

1600 7100

1800 8000

1800 -

2000 8500

Максимальная высота разгрузки, мм

1350

1800

1800

2800

2400

Масса, г

4, 7

6

10, 5

18

22

Мощность двигателя, кВт

21

31

65

100

88

гусеничная

Вид энергии

Электрическая


1 - нагребающая часть; 2 - ходовая часть; 3 - электрооборудование; 4 - пульт управления; 5 - гидросистема; 6 - перегружатель

2.2 Погрузочные машины серии 1ПНБ2

Погрузочные машины серии 1ПНБ2 предназначены для механизации процесса погрузки горной массы насыпной плотностью до 1, 4 т/м³, с коэффициентом крепости 6 по шкале проф. М.М. Протодъяконова, размерами кусков в наибольшем измерении не более 400 мм в вагонетки, на конвейер и другие транспортные средства при проходке горизонтальных и наклонных (до ±10°) выработок. Используются в угольной, сланцевой и горнорудной промышленности.

Погрузочная машина 1ПНБ2У комплектуется предохранительной лебедкой 1ЛП и предназначена для погрузки горной массы, разрыхленной буровзрывным или иным способом, при проходке горизонтальных и наклонных до 18° выработок, площадью поперечного сечения в свету не менее 8, 4 м².

Буропогрузочная машина 1ПНБ2Б отличается наличием навесного бурильного оборудования, системой орошения. Она предназначена для бурения шпуров и погрузки взорванной горной массы при буровзрывном способе ведения горных работ в горизонтальных и наклонных (до 10°) выработок.

Благодаря наличию двух скоростей передвижения такие погрузочные машины имеют возможность получать большое напорное усилие на погружаемую массу при рабочем ходе (погрузке) и быстро перемещаться при маневрировании. Машины могут применяться в шахтах, опасных по газу и пыли. Применение машин в забоях шахт, опасных по внезапным выбросам угля, породы и газа, запрещается.

Электрическая схема управления погрузочной машиной 1ПНБ-2.

.3 Электродвигатель машины серии 1ПНБ-2

В данной машине используется электродвигатель ВРП-160.

Двигатели асинхронные короткозамкнутые взрывозащищенные рудничные предназначены для привода забойных машин и других механизмов (например, погрузочных машин непрерывного действия, насосов, вентиляторов, грохотов, элеваторов, дробилок, ленточных конвейеров и т.д.) в угольной и прочих отраслях промышленности.


Маркировка взрывозащиты: РВ 3В (Ехdl)

Климатическое исполнение: У2, 5

Степень защиты от внешних воздействий: IP54

Напряжение: 660/380В 1140/660В

3. Скреперные установки

Скреперные установки применятся для уборки породы при проходке геологоразведочных канав и выработок малого поперечного сечении (2, 7 - 4 м2), в которых применение погрузочных машин невозможно. Режим работы скреперных установок - длительный с переменной нагрузкой, поэтому к электродвигателю лебедки предъявляются требования высокой электрической прочности и перегрузочной способности. Скреперные лебедки в качестве привода имеют короткозамкнутый асинхронной электродвигатель серии ВАО мощностью 10-55 кВт.

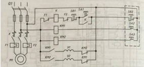
Схема дистанционного управления скреперной лебедкой.

Для защиты электродвигателя скреперной лебедки и управления им применяются нереверсивные магнитные пускатели. Электроэнергия к двигателю подводится при помощи гибкого кабеля. В настоящее время осуществляется дистанционное управление скреперными лебедками, которое сводится к дистанционному воздействию на рукоятки тормозов. дистанционное управление тормозами может быть осуществлено с помощью электромагнитов, электрогидротолкателей и электропневматических вентилей.

При электропневматическом дистанционном управлении сжатый воздух в тормозные цилиндры поступает через золотники, управляемые электромагнитным. Электромагниты рабочего У1 и холостого У2 ходов включаются с помощью магнитных контактов КМ1 и КМ2. Электродвигатель лебедки М1 включается контактом К посредством нажатия на кнопку SA1, а включается кнопкой пускателя SB1 или выносного пульта SB2. Машинист, находящийся в забое, управляет лебедкой нажатием на кнопки SA3 и SA2 пульта. При нажатии кнопку SA2 включаются контактор КМ1 и электромагнит У1 золотника, что обеспечивает включение тормозного устройства рабочего барабана и, благодаря использованию планетарного механизма, происходит поступательное перемещение скрепера при его рабочем ходе. При отпускании кнопки SA2 контактор КМ1 отключается и обесточивает электромагнит золотника. Аналогично нажатием кнопки ‚ SA3 включается в работу барабан холостого хода. Взаимоблокировка при движении вперед-назад осуществляется н.з. блок - контактами КМ1 и КМ2.

Скреперная установка с применением электрогидротолкателей управляется по подобной схеме, только вместо электромагнитов и золотников применяются микроэлектродвигатели в сочетании с электротолкателями.

.1 Типы и характеристики скреперных установок

Показатели

Тип лебедки


10ЛС-2С

17ЛС-2С 13ЛС-2П

ЗОЛС-2С ЗОЛС-2П

55ЛС-2С 55ЛС-2П

75ЛС-2С 75ЛС-2П

100ЛС

Тяговое усилие, кН

10

16

28

45

63

80

Скорость движения каната, м\с Рабочего холостого

 1, 08 1, 48

 1, 1 1, 52

 1, 2 1, 65

 1, 32 1, 8

 1, 32 1, 82

 1, 32 1, 82

Диаметр каната, мм

11, 5

14

15

16, 5

20

21, 5

Вместимость барабана, м

45

60

95

145

195

155

Мощность двигателя, кВт

10

17

30

55

100

Масса лебедок, кг 2С 2П

 470 -

 760 860

 1200 1345

 2215 2445

 3550 3850

 3650 3955


3.2 Скреперная лебедка 10ЛС-2С

Скреперные лебедки 10ЛС-2С двух- и трехбарабанные с одноосным или параллельным расположением двигателя предназначены для доставки отдельной от массива горной массы при подземной разработке полезных ископаемых. Лебедки используются также на открытых разработках и являются средством механизации складирования сыпучих и кусковых материалов. Возвратно-поступательное движение скрепера осуществляется при включении и выключении рабочего и холостого барабана ручным тормозом планетарных редукторов. Для включения рабочего барабана необходимо при работающем двигателе затянуть соответствующий тормоз, при этом происходит наматывание каната на рабочий барабан, что вызывает перемещение груженого скрепера. Одновременно с холостого барабана канат сматывается. Скрепер перемещается посредством переменного включения тормоза планетарных редукторов рабочего и холостого барабанов в нужном направлении.

Общие конструктивные и эксплуатационные особенности скреперных лебедок

Простота конструкции и управления, надежность в работе, компактность, большие тяговые усилия.

Все лебедки имеют типовую конструкцию, состоят из отдельных транспортабельных узлов и отличаются одна от другой габаритными размерами, массой, компоновкой и мощностью электродвигателей.

Основные узлы (редуктор привода, блоки холостого и рабочего барабанов, электродвигатель в сборе) в собранном виде крепятся к основанию (раме), что упрощает устройство настила или фундамента, облегчает и ускоряет монтаж.

Каждый блок барабана имеет ленточный тормоз, оснащенный тормозными колодками из фрикционного износостойкого прессматериала.

Базовой моделью каждого типоразмера является скреперная лебедка 2С. двухбарабанная лебедка типа 2П собирается из основных узлов и деталей базовой лебедки, отличается конфигурацией корпуса и компоновкой узлов.

Конструкция трехбарабанной лебедки типа ЗС позволяет собирать её из узлов и деталей базовой лебедки с дополнительным (третьим) корпусом блока с педалью управления рабочим барабаном. Управление лебедки ручное. Электрооборудование лебедок, предназначенных для шахт опасных по газу и пыли, исполняется во взрывобезопасном исполнении и РВ. Скреперные лебедки канатом и скрепером не комплектуются.

4. Транспортные установки

Транспортные установки с электроприводом на геологоразведочных работах при проходке выработок это малые электровозы, а при канатной откатке - маневровые лебедки. Наиболее распространены аккумуляторные электровозы 2АРП-4‚5. АРП-2М (аккумуляторный, рудничный повышенной надежности, масса до 4, 5 т).

Электрическое оборудование электровозов состоит из тяговых двигателей, аппаратуры управления и защиты силовых цепей, пусковых сопротивлений, аккумуляторных батарей и осветительной амплетуды. На электровозах 2АРП-4, 5 установлены два электродвигателя постоянного тока с последовательным возбуждением типа ЭДР-7 мощностью 6 кВт каждый. Корпус тяговых двигателей этого типа делается во взрывобезопасном исполнении.

Пуск, регулирование скорости и выключение электродвигателей осуществляются контроллером ГР-9М-3. Все электрооборудование имеет взрывобезопасное исполнение, в батарейный ящик - исполнение повышенной надежности. В батарейном ящике смонтирована аккумуляторная батарея 66ТЖН-300. Принципиальная электрическая схема аккумуляторного электровоза предусматривает три режима работы: пуск и еду при последовательном соединении тяговых двигателей, езду при параллельном соединении тяговых двигателей и выбег.

При установке реверсивного барабана в положение «Вперед» и рукоятки главного барабана в положение 1 будут замкнуты реверсивным барабаном контакты 8, 9, 10, 11, а главным барабаном - кулачковый контактор 2. При этом ток от «+» аккумуляторной батареи G пойдет по цепи: автоматический выключатель Q1, контактор 2, контакт 8 реверсивного барабана, обмотка якоря первого двигателя М1, контакт 9, обмотка возбуждения К1-КК1 первого двигателя, пусковые сопротивления R1-R4 обмотка возбуждения К2 - КК2 второго двигателя, контакт 10, обмотка якоря второю двигателя М2, контакт 11, автоматический выключатель Q2, « - » батареи G. Двигатели и три ступени сопротивления включаются последовательно.

В положении 2 рукоятки главного барабана включается контактор 4 и шунтируются сопротивления R1-R2; в положении 3 контактором 5 шунтируются сопротивления R2 - R3; в положении 4 выводится сопротивление R1-R4 и в силовой цепи будут включены лишь тяговые двигатели, соединенные последовательно.

Электрическая схема аккумуляторного электровоза

Переводом рукояти главного барабана через переходные позиции Х1, Х2‚ Х3(на рис. не показаны) переключают двигатель с последовательного на параллельное соединение. В положении 5 замыкаются контакторы главного барабана 1, 3 и 6, в результате чего двигатели будут соединены параллельно между собой и последовательно с пусковым сопротивлениями. На позиции 6 замыкается контактор 5 и пусковые сопротивления R1-R2, R3-R4 включаются параллельно между собой. На позиции 7 замыкаются контакторы 4 и 7 главного барабана, пусковые сопротивления полностью выводятся и двигатели отзываются включенными параллельно на полное напряжение аккумуляторной батареи. Позиция 7 - вторая ходовая позиция, при которой возможна длительная езда электровоза. От токов короткого замыкания и перегрузок силовая цепь защищена автоматами Q. Для освещения на электровозе установлены две фары Н, защищенные плавками предохранителя FU.

Электрические схемы всех аккумуляторных электровозов выполнены аналогично. Для отечественных рудничных электровозов в настоящее время применяются только щелочные железоникелевые аккумуляторные батареи.

4.1 Аккумуляторный электровоз АРП4, 5Т

Аккумуляторный электровоз АРП4, 5Т (аналог 4, 5АРП) предназначен для транспортировки составов по подземным выработкам шахт и рудников с уклоном до 0, 005 и радиусом закругления рельсовых путей не менее 8 м, в которых действующими правилами безопасности разрешена эксплуатация аккумуляторных электровозов.

Используется Электродвигатель электровоза ДТРН-13АС.


4.2 Электродвигатель электровоза ДТРН-13АС

Наименование параметров

ДТРН-13АС

ДТРН-23, 5АС


Режим работы по ГОСТ 183

Режим работы по ГОСТ 183


S2-60 мин (часовой)

S1 (продолжительный)

S2-60 мин (часовой)

S1 (продолжительный)

Номинальная мощность, кВт

13\10, 5

5, 2\4, 2

23, 5

9, 4

Номинальное напряжение, В

130/110

130/110

185

185

Номинальный ток, А

122

50\47

152

61

Номинальная частота вращения, об/мин

615/505

1000/900

900

1410

Максимальная частота вращения, об/мин

1845

2500

Направление вращения

реверсивное

реверсивное

Исполнение

Рудничное взрывозащищенное

Рудничное взрывозащищенное

I

I

Степень защиты по ГОСТ 14254

IР54*

IР54*

Способ охлаждения по ГОСТ 20495

IС0040

IС0040

Электромагнитное возбуждение

последовательное

последовательное

Масса, кг

380

500

Заключение

Для работы на горных предприятиях современного технического уровня, а также подземных объектах различного назначения требуются высококвалифицированные специалисты, владеющие обширными знаниями в области электрооборудования и электроснабжения горных машин, технологии и организации горного дела. Универсальность профессии заключается в широком диапазоне деятельности: конструктор разработчик горных машин и комплексов, а также электрооборудования и электроснабжения горных машин, технолог по их эксплуатации. Глубоко изучив электрооборудование горнопроходческих машин и схемы их управления мы сможем пройти через аварии горных машин.

Литература

Горное оборудование для проведения горно-разведочных выработок (Якутск 2005) Институт горного дела Севера им. Н. В. Черского

Проведение горных выработок (Учебно-методическое пособие к курсовому проекту Якутск 2013) Геологоразведочный факультет Кафедра технологии и техники разведки МПИ://electroandi.ru/elektricheskie-mashiny/asinkhronnyj-dvigatel-printsip-raboty-i-ustrojstvo.html://td-zed.ru/Dvigatel/2-vrp-132-160.html://www.esbk.ru/products_info/ed/104_ed_rudn/104_ed_rudn.html

Похожие работы на - Электрооборудование горнопроходческих машин и схемы их управления

 

Не нашли материал для своей работы?
Поможем написать уникальную работу
Без плагиата!
Без нейросетей!