Проект перевода электромостового крана №14558 в режим работы с электромагнитом на г/п 8,0 т. и разработкой траверсы

  • Вид работы:
    Дипломная (ВКР)
  • Предмет:
    Другое
  • Язык:
    Русский
    ,
    Формат файла:
    MS Word
    1,63 Мб
  • Опубликовано:
    2017-02-19
Вы можете узнать стоимость помощи в написании студенческой работы.
Помощь в написании работы, которую точно примут!

Проект перевода электромостового крана №14558 в режим работы с электромагнитом на г/п 8,0 т. и разработкой траверсы

Содержание


Введение

. Аналитический обзор

.1 Характеристика предприятия

.2 Характеристика участка. Обоснование выбранного проекта

.3 Литературный обзор и патентное исследование

.4 Выводы по разделу «Аналитический обзор»

. Расчетная часть

.1 Выбор оборудования

.2 Проектирование траверсы

.3 Усиление металлоконструкции крана

. Расчет методом конечных элементов

.1 Основные положения метода конечных элементов

.2 Реализация МКЭ в системах инженерного анализа

.3 Расчет траверсы МКЭ

.4 Анализ полученных результатов

. Экономическая часть

.1 Расчет капитальных вложений при проектировании нового оборудования

.2 Расчет затрат на эксплуатацию оборудования

.3 Расчет стоимости силовой энергии

.4 Расчет фонда заработной платы

.5 Расчет прибыли

.6 Определение экономической эффективности проектных разработок

. Безопасность жизнедеятельности

.1 Общие требования безопасности при работе электромостового крана

.2 Требования безопасности при производстве ремонтных работ

.3 Анализ опасных и вредных производственных факторов при работе электромостового крана

.4 Расчет искусственного освещения

.5 Электробезопасность мостового крана

.6 Пожарная безопасность

.7 Анализ и оценка возможных аварийных ситуаций

.8 Выводы по разделу «Безопасность жизнедеятельности»

Заключение

Список литературы

Введение


Поточные технологические линии, межцеховой и внутрицеховой транспорт, погрузочно-разгрузочные операции органически связаны с применением разнообразных подъемно-транспортных машин и механизмов, обеспечивающих непрерывность и ритмичность производственных процессов. Использование подъемно-транспортных машин во многом определяет эффективность производства, а уровень механизации технологического процесса -степень совершенства и производительность предприятия. Присовременнойинтенсивностипроизводстванельзяобеспечитьегоустойчивыйритмбезсогласованнойибезотказнойработысредстватранспортированиясырья, полуфабрикатов, готовой продукции на всех стадиях обработки и складирования.

Цель настоящего проекта состоит в переводе электромостового крана №14558 в режим работы с электромагнитом на грузоподъемность 8,0 тонн и разработкой траверсы.

Для достижения поставленной цели необходимо решить следующие задачи:

) провести аналитический обзор научно-технической литературы, патентной информации по вопросу различных грузозахватных устройств и приспособлений для перемещения длинномерных ферромагнитных грузов;

) разработать грузоподъемную траверсу, выбрать необходимое оборудование;

) усилить кронштейн проходной галереи крана для установки грузостраховочного оборудования и шкафов управления;

) выполнить расчет траверсы в САПР SolidworksSimulation;

) в экономической части проекта дать экономическое обоснование принятым техническим решениям;

) в разделе безопасность жизнедеятельности разработать мероприятия по обеспечению безопасной эксплуатации спроектированного оборудования.

В заключении дать краткую характеристику полученных результатов по каждому пункту.

I.       Аналитический обзор

 

1.1    Характеристика предприятия


ЧерМК ПАО «Северсталь» - один из крупнейших интегрированных заводов по производству стали в мире. Основные виды выпускаемой предприятием продукции - это арматура, катанка, круг, уголок, швеллер, шестигранник, судовая сталь, сталь для мостостроения, строительства зданий и сооружений, сталь для сосудов, работающих под давлением, электротехническая сталь, оцинкованная сталь, оцинкованная сталь с полимерным покрытием, автолист, гнутые профили, двухслойная плакированная сталь, трубная заготовка.

Череповецкий металлургический комбинат включает восемь видов производств: агломерационное, коксохимическое, доменное, сталеплавильное, горячекатаного плоского проката, холоднокатаного проката, сортопрокатное и трубное. Технологическая схема комбината представлена на рис. 1.

Все производства объедены в следующие комплексы:

.        Комплекс производства чугуна включает в себя коксохимическое, агломерационное и доменное производство.

.        Сталеплавильный комплекс включает в себя конверторное производство и электросталеплавильный цех.

.        Комплекс производства горячего проката включает в себя листопрокатный цех №1, листопрокатный цех №2, листопрокатный цех трубопрокатного производства, цех гнутых профилей.

.        Комплекс производства холодного проката включает в себя цех травления металла, цех прокатки и отжига, цех отделки металла, цех покрытия металла №1, цех покрытий металла №2, участок полимерных покрытий металла.

.        Комплекс трубного производства в который входят трубопрофильный завод ЗАО «Северсталь ТПЗ-Шексна» - новое предприятие по производству стальных замкнутых сварных профилей, а также производственные мощности цеха гнутых профилей.

Рис. 1. Технологическая схема комбината.

1.2    Характеристика участка. Обоснование выбранного проекта


Участок упаковки и отгрузки потребителю, готовой продукции, расположен в строительной пристройке к цеху гнутых профилей, бывший склад. Участок обеспечивает перегрузку, упаковку и отправку потребителю груза, идущего из ЛПЦ-2 через ЦГП-1 железнодорожным транспортом.

Для осуществления, выше указанных работ, на участке (в пролете Е-Ж ПГП, ЦГП-1) работает электромостовой кран № 14558 характеристики которого представлены в таблице 1, а также требования и параметры перемещаемых грузов.

Таблица 1 - Перечень основных данных и требований.

№ п/п

Основные данные и требования

Содержание

1

2

3

1

Основные технико-экономические показатели объекта

Характеристики электромостового крана: Режим работы крана -тяжелый. Грузоподъемность крана - 15 т (7,5+7,5). Высота подъема - 10 м. Высота подъема траверсы - 5,45 м. Скорость подъема - 20 м/мин. Скорость передвижения моста - 120 м/мин. Скорость передвижения тележки - 60 м/мин. Пролет крана - 28 м. База крана - 7,5 м. База тележки - 1,68 м. Высота крана от уровня головки рельса - 2,325 м. Расстояние между крайними точками буферов в направлении движения крана - 9,29 м. Расстояние по вертикали от головки рельса до центра буфера крана - 1,14 м. Полный вес крана - 45,5 т. Давление колеса крана на рельс - 260 кН. Тип передачи -зубчатая. Диаметр барабана - 512 мм. Диаметр блока полиспаста - 500 мм. Диаметр уравнительных блоков - 500 мм. Число ветвей полиспаста - 4+4. Диаметр каната - 16,5 мм. Длина каната - 2*77 м.

2

Требования к технологии, режиму предприятия

Эксплуатация крана -круглосуточно. Основной объем выполняемой работы краном: транспортировка пачек вкрытыеп/вагоны, т.е. сукрывнойкрышкойнап/вагоне 3200*6000 мм, массой 2400 кг; перемещениепачекметаллавесомот 0,5 до 8 т; толщина листов в пачках от 1,2 до 16 мм; ширина пачки от 1000 до 1500 мм; длина пачки от 2000 до 6000 мм (основная масса отгрузки до 3200 мм); высота пачек от 20 до 40 мм; температура металла не более 50 град.С

3

Требования к составу оборудования

- ремонтопригодность; - максимальная совместимость с существующим оборудованием; - траверса размер не более 6000 мм; - высота траверсы вместе с грузозахватным устройством должна быть минимальной; - высота п/вагонов от головки рельса до верхней точки 3840-3900 мм.

4

Необходимость защиты от внешних влияний.

Исключить отказы в работе оборудования при кратковременном перерыве в электропитании, вызванном кратковременным отсутствием контакта токосъемников с главными питающими троллеям крана.


Кран работает с грузоподъемной траверсой, груз располагается на обвязках, строповку груза осуществляет стропольщик. В ходе рабочего дня кран осуществляет следующие операции: разгрузка металла из вагонов на стеллажи, для упаковки в пачки; погрузка пачек металла на железнодорожный и автомобильный транспорт для отправки потребителю.

В ходе эксплуатации крана, не предназначенного для работы с длинномерными ферро-магнитными грузами, инженерными работниками цеха были выявлены ряд проблем, а именно:

-       падение груза, в виду обрыва обвязок из-за истирания их острыми кромками листового металла;

-       во время погрузки-выгрузки пачек листового проката происходит деформация листа;

-       низкая производительность, использование ручного труда (стропальщика).

-       работа с металлопрокатом и грузоподъемными машинами создает опасные производственные факторы, такие как движущиеся части механизмов, острые кромки металла, что усиливает риск получения травмы.

Анализируя данные проблемы, можно сделать вывод об необходимости изменения грузозахватного устройства.

1.3    Литературный обзор и патентное исследование


Проведем обзор научных трудов посвященных решению проблем, описанных в разделе 1.2. Литературный обзор включает в себя проработку научных статей из журналов и сборников научных трудов.Результаты поиска представлены в таблице 2.

Таблица 2 - Научно-техническая документация, отобранная для последующего анализа.

Предмет поиска

Наименование источника и краткое описание

Вид публикации

Выходные данные

1

2

3

4

Грузозахватное устройство для перемещения ферромагнитных и длинномерных грузов

Современные технологии использования грузозахватных устройств. Рассмотрены основные виды современных грузозахватных устройств, их принцип работы и основные достоинства и недостатки.

Журнал «Вестник тульского государственного университета»

№12/2013, с. 78-80 Рус.

Грузозахватное устройство для перемещения длинномерных грузов

Самые популярные стропы. Приведено описание различных видов стропов, необходимые требования, характеристики, их применение, способы выбраковки. Рекомендации к применениям.

Журнал «Основные средства»

№6/2004, с. 8-14

Грузоподъемное устройство для перемещения ферромагнитных грузов

Выбор грузоподъемного электромагнита. Даны советы по выбору электромагнита, рассказывается о всех параметрах оборудования, а также о «подводных камнях», которые могут ожидать при эксплуатации.

Журнал «MetalRussia»

№10/2012, с. 10-13

Грузоподъемный электромагнит

Фавориты среди грузоподъемного оборудования. Рассматривается навесное грузозахватное оборудование. Отмечено что для подъема и перемещения металла лучше подойдут грузоподъемный электромагнит. Описаны преимущества при погрузке и разгрузке.

Журнал «Промышленные страницы Сибири»

№9/2011, с. 22-24


Статья «Выбор грузоподъемного электромагнита» посвящена проблеме выбора грузоподъемных электромагнитов, оценке их основных параметров.

Автор статьи пишет, что грузоподъемные электромагниты удобный и производительный механизм, так как для строповки груза не нужен подсобный рабочий, всеми операциями управляет крановщик и обеспечивается большая безопасность в работе. В статье рассматриваются различные варианты электромагнитов, предлагаемые рынком, описывается их конструкция, параметры и назначение, что помогает определиться с выбором. Также положительным моментом является то, что автор пишет о факторах, влияющих на грузоподъемность электромагнита: воздушный зазор между полюсами магнита и грузом, температура перемещаемого груза, характер груза.

В статье выявлена и раскрыта проблема нагрева катушки во время работы, описываются пути её решения, а именно сильное оребрение корпуса.

Отдельного внимания заслуживает рассмотрение системы управления магнитом. Даётся полное описание и характеристика специальных систем управления, которые позволяют контролировать параметры нагрузки (обрыв кабеля, межвитковое замыкание в катушке электромагнита), звуковую сигнализацию возникновения аварийных ситуаций.

Данная статья выполнена на высоком научном уровне, содержит ряд выводов, представляющих практический интерес.

В статье «Современные технологии использования грузозахватных устройств» рассмотрены современные виды грузозахватных устройств, проведена их классификация, выявлены основные достоинства и недостатки.

Автором проделана работа по сравнению технологий, построена аналитическая диаграмма, анализировав которую он приходит к выводу, что: поддерживающие устройства самые простые в эксплуатации их стоимость самая низкая, но самая медленная скорость захвата; спредерные устройства самые дорогие, высокая сложность эксплуатации; зажимные устройства -неограниченная грузоподъемность, невысокая цена оборудования, надежные и долговечные; зачерпывающие-неограниченная грузоподъемность, высокая долговечность и надежность; электромагниты-высокая стоимость, высокая сложность эксплуатации, большая грузоподъемность, максимальная скорость захвата; вакуумные грузозахватные устройства -низкая грузоподъемность, невысокая долговечность.

Важным является то, что в статье затронута проблема переноса длинномерного металлопроката: листов, труб различного диаметра, кругов, квадратов, сортового проката. Автором предлагается несколько путей решения данной проблемы одна из них траверса, оснащенная электромагнитами, так называемая электромагнитная траверса, отмечены её достоинства и недостатки, а также некоторые другие вопросы, а именно:

1. Во время погрузки-выгрузки пачек листового проката в вагон при помощи строп не всегда обеспечивается целостность листов (возможна необратимая деформация листов). При работе электромагнитной траверсой не возникает прогиб листа, приводящий к необратимой деформации.

2.      При переносе листов, лежащих «навалом», электромагнитами можно захватить пачку металла общей толщиной 50-60 мм.

.        Безопасность работ при переносе горячего металла (t до 500 °С).

.        Перенос нескольких заготовок круглого или квадратного сечения за один подъем.

.        Отсутствие стропальщика.

Данная статья имеет высокую практическую значимость, так как новые технологии, проанализированные в этой работе не отражены в доступной учебной и нормативной литературе. Их применение позволило бы сократить сроки выполнения работ, повысить безопасность работ, а также автоматизировать процесс, что уменьшит материальные затраты.

Проведем патентное исследование. Целью патентных исследований является определение достигнутого технического уровня и тенденций развития вида техники по предмету поиска грузозахватное устройство для перемещения ферромагнитных материалов, листового металла.

В процессе поиска были найдены несколько авторских свидетельств, патентов, касающиеся грузозахватных устройств. Патентный поиск проведён по нескольким развитым странам: России, Великобритании, США, Франции, Германии и другим.

Ретроспективность поиска - 37 лет. Результаты представлены в таблице 3.

Таблица 3 - Патентная документация, отобранная для последующего анализа

Предмет исследования

Страна, вид, № документа, дата, классификационный индекс

Заявитель, наименование организации, фирмы, № свидетельства

Краткое описание технического решения

1

2

3

4

Грузоподъемный электромагнит

Россия, патент, №2255893, 17.11.2003, B66C 1/06

Общество с ограниченной ответственностью «ДимАл», Трегубов Д.А, №2003133348

Грузоподъемный электромагнит, содержащий магнитопровод с внутренним и наружным полюсами, катушку управления, выполненную из изолированного провода, защитную шайбу и заливочную массу, отличающийся тем, что катушка управления состоит из первой и второй катушек, причем первая катушка размещена вблизи наружного полюса магнитопровода и выполнена так, что в ней обеспечивается большая плотность тока, чем во второй катушке, а вторая катушка размещена вдоль внутреннего полюса магнитопровода.

Грузоподъемный электромагнит

Россия, патент, №2111160, 20.05.1998, B66C 1/06

Красноперова Р. А, Федорова В. И

Изобретение относится к электротехнике, а именно грузозахватным устройствам и может быть использовано для захвата и удержания ферромагнитных материалов и деталей из них. Грузозахватный магнит, содержащий магнитопровод с внутренним и наружным полюсами, катушку управления, защитную шайбу и заливочную массу, отличающийся тем, что катушка управления выполнена в виде кольца с фланцем.

Круглый грузоподъемный электромагнит

Россия, патент, 27.03.2003, № 2243142, B66C 1/06

Елецкий государственный университет им. И.А. Бунина, № 2003108542

Круглый грузоподъемный электромагнит, состоящий из стального корпуса с центральным сквозным отверстием и электромагнитной катушки, последовательно подключенной к источнику переменного тока грузоподъемной машины, отличающийся тем, что в центральном сквозном отверстии стального корпуса подвижно размещена пружина сжатия, верхняя часть которой жестко закреплена на валу электродвигателя, установленного на корпусе, а нижняя также жестко соединена с цапфой стального диска, на поверхности которого, обращенной к корпусу, выполнены углубления, а в них с возможностью углового поворота расположены секторальной формы плоские ножи, связанные пружинами растяжения с упомянутой цапфой стального диска.

Эксцентриковый захват для листового материала

СССР, патент, №673587, 15.07.79, В66С 1/48

В.М. Виноградов, В.Е. Шинтьяков, №2521034/29-11

Эксцентриковый захват для листового материала, содержащий скобу с опорной поверхностью и поворотный эксцентрик с прижимной поверхностью, отличающийся тем, что, с целью увеличения диапазона захватываемых материалов по толщине, скоба снабжена несколькими, например, двумя опорными поверхностями, причем разность расстояний от оси поворота эксцентрика до опорных поверхностей меньше разности между векторами эксцентрика.

Электромагнитная траверса

Россия, патент, 06.07.2010, № 2437825, B66C 1/06

ЗАО «Конструкторско-технологическое бюро "Технорос», Крюков И.В, № 2010127889/11

Изобретение относится к подъемно-транспортному машиностроению, в частности к грузозахватным устройствам, конструктивно приспособленным для использования с крановыми механизмами для подъема, опускания или перемещения штучных грузов из ферромагнитных материалов. Электромагнитная траверса с грузостраховочным приспособлением содержит несущую продольную балку с установленными на ней электромагнитами.

Грузоподъемный магнит

США, патент, 05.12.2013, WO2013179126, В66С 1/66

MAGSWITCH TECHNOLOGY INC. [US/US]; 8774 Yates Drive Suite 140 Westminster, CO 80031 (US), MORTON, David; (US).

Задачей предлагаемой полезной модели является перемещение грузов из ферромагнитных сплавов исключая какие-либо дополнительные источники питания. Поставленная задача решается магнитным устройством (грузозахватом), представляющем собой конструкцию из блоков постоянных магнитнитов, часть магнитных блоков которого, выполнена подвижными для изменения вектора магнитного поля, за счет чего происходит отключение магнитного поля. Грузозахват имеет несколько полюсов работающих как единое целое, что дает возможность достичь максимального соотношения грузоподъемности изделия к собственной массе. Переключение полюсов, всех роторов в положение вкл. и выкл. происходит рукояткой через передаточный механизм.

Съёмное грузозахватное приспособление

Россия, патент, №2336218, 30.01.2007, В66С 1/12

Леухин Н.Н.

Изобретение относится к области погрузо-разгрузочных работ, а конкретно к съемным грузозахватным приспособлениям грузоподъемных машин. Строп состоит из звена и трех захватов, соединенных со звеном тремя гибкими ветвями, причем длина двух ветвей «с» зависит от длины пакета из длинномерных гибких грузов «в» и «>» длины третьей ветви «а». Достигается более высокая надежность погрузо-разгрузочных работ с длинно-мерными гибкими грузами.

Грузостраховочное приспособление для электромагнитной траверсы

Россия, патент, №2293055, 10.02.2007, B66C 1/04

Braun Manfred (DE), Daniel Schneider (DE), 2005121245/11

Электромагнитная траверса для перегрузки допускающих возможность их подъема под действием магнитного притяжения заготовок из железа, либо стали, или иных магнитных материалов, имеющая по меньшей мере одну продольную балку с по меньшей мере одним расположенным на ней электромагнитом в качестве грузозахватного приспособления, отличающаяся тем, что на продольной балке и/или сбоку от нее расположена по меньшей мере одна подвижная вдоль ее продольной оси каретка грузостраховочного приспособления с по меньшей мере одним установленным на ней механизмом лебедочного типа для разматывания, соответственно сматывания страховочного стропа и тем самым для его ослабления, соответственно натяжения.


В патенте (РФ N 2111160, В 66 С 1/06, 20.05.98) приведена конструкция грузоподъемного устройства, а именно электромагнита для захвата и удержания ферромагнитных материалов и деталей из них (рис. 2).

Отличающаяся тем, что катушка электромагнита выполнена в виде кольца с фланцем и делится на две условные части - основную и фланцевую (которая, кроме всего прочего, отклоняет магнитное поле к наружному полюсу). Данное решение позволяет увеличить глубину проникновения электромагнитного поля за счет повышения индукции в рабочем зазоре. Увеличенная площадь поверхности катушки улучшает теплоотдачу, позволяя повысить ПВ (продолжительность включения) или обеспечить работу на горячем грузе.

Рис. 2. Общий вид грузозахватного электромагнита:

- магнитопровод; 2 - основная часть катушки; 3 - фланцевая часть катушки; 4 - заливочная масса; 5 - защитная шайба.

Недостатком данной конструкции является сравнительно небольшая грузоподъемность для сыпучих грузов, таких как скрап, стружка, чушки. Это вызвано концентрацией магнитного потока по внутреннему полюсу в результате того, что здесь расположено наибольшее число витков катушки. В то же время магнитный поток по наружному полюсу значительно слабее, из-за чего поднимаемый скрап стремится к внутреннему полюсу, где площадь магнитного взаимодействия небольшая. Кроме того, в связи с тем, что наибольшее число витков катушки расположено у внутреннего полюса, очень сильно ухудшаются условия теплоотвода, из-за чего происходит неравномерный нагрев катушки, требующий продолжительных пауз между включениями электромагнита для выравнивания температуры катушки. Катушка управления данного электромагнита имеет сложную форму и нетехнологична. Для размещения такой катушки магнитопровод тоже должен иметь специальную конструкцию, что затрудняет его изготовление и не позволяет реализовать предложение в порядке модернизации электромагнита с обычной конструкцией магнитопровода при его ремонте.

В патенте (РФ N 2336218, В66 С 1/12, 30.01.2007) приведена конструкция съемного грузозахватного приспособления (стропа) для погрузочно-разгрузочных работа, подъема и перемещения длинномерных гибких грузов (рис. 3).

Рис. 3. Общий вид стропа Леухина Н.Н, с зацепленным длинномерным гибким грузом: 1 -звено; 2 -захват; 3, 4, 5 -гибкиеветви.

Отличающаяся тем, что длина двух ветвей зависит от длины пакета из длинномерных гибких грузов и длины третьей ветви. Ввиду того что захват длинномерного гибкого груза берется в трех точках, пакет с грузом становится более жестким и более надежно закрепленным.

Недостатком данной конструкции является то, что при значительной длине груза приходится увеличивать и длину стропов, чтобы не допустить изгиба консольных частей груза и увеличении усилий в ветвях из-за повышения угла между ними, при этом теряется высота подъема груза и возникает возможность его кручения.

В патенте (СССР N 673587, В66 С 1/48, 15.07.79) приведена конструкция эксцентрикового захвата для листового металла (рис. 4).

Рис. 4. Общий вид захвата для листового материала:

-эксцентрик; 2 -ось; 3 -лапа; 4 -опорныеступени; 5 -проушина.

Отличающаяся тем, что, с целью увеличения диапазона захватываемых материалов по толщине, скоба снабжена несколькими опорными поверхностями, разность расстояний от оси поворота эксцентрика до опорных поверхностей меньше разности между векторами эксцентрика. Выбор диапазона толщин зажимаемых листов производится путем подвода той или иной опорной ступени под лист перед его подъемом.

Недостатком данной конструкции является, то что при подъеме и транспортировке листов металла небольшой толщины создается нагрузка в плоскости контакта захвата с листом, которая может вызвать деформацию торцовой кромки листа. Также данный захват не позволяет перемещать листы металла уложенные друг на друга. При большой длине перемещаемых листов требуется несколько захватов, чтобы избежать провисания и деформации груза, что в свою очередь увеличивает время строповки.

В патенте (РФ N 2293055, В66 С 1/04, 10.02.2007) приведена конструкция электромагнитной траверсы с по меньшей мере одним расположенным на ней электромагнитом (рис. 5).

Отличающаяся тем, что на продольной балке и/или сбоку от нее расположена по меньшей мере одна подвижная вдоль ее продольной оси каретка грузостраховочного приспособления с по меньшей мере одним установленным на ней механизмом лебедочного типа для разматывания, соответственно сматывания страховочного стропа и тем самым для его ослабления, соответственно натяжения.

Рис. 5. Электромагнитная траверса с грузостраховочным приспособлением.

Недостатком данной конструкции является, то что грузостраховочное приспособление имеет сравнительно сложную конструкцию, при падении груза возможен разрез и разрыв стропы острой кромкой падающего груза. Также данный захват увеличивает габариты траверсы и исключают возможность применения траверсы в физически ограниченных, узких пространствах, при ограниченной высоте подъема. Отсутствует возможность автоматизированной работы, необходимость в ручной заводке стропа под поднимаемый груз.

1.4    Выводы по разделу «Аналитический обзор»


В результате анализа литературы и исследовании различных технических решений было установлено, что в настоящий момент для решения обозначенных нами проблем используется грузоподъемные магниты, установленные на траверсе с разнообразными грузостраховочными устройствами (стропами, механическими подхватами).

Применительно к данному случаю, использование представленных выше грузостраховочных устройств не представляется возможным, потому что работа происходит в стеснённых условиях (погрузка и разгрузка в вагоне), также не все грузостраховочные устройства обеспечивают безопасную работу.

Таким образом, в ходе проведённой научно-исследовательской работы, берутся во внимание патенты (РФ N 2293055, В66 С 1/04, 10.02.2007; РФ, патент, 06.07.2010, № 2437825, B66C 1/06) и научная статья«Современные технологии использования грузозахватных устройств» на основе которых, предлагается разработать траверсу с подвешенными на ней грузоподъемными магнитами для подъема и транспортировки, в полувагоны, ферромагнитных грузов.

Для обеспечения полной загрузки вагона реализуются три режима работы: работают два магнита справа, работают два магнита слева, работают три магнита. Для предотвращения падения груза, с учетом стесненных условий работы, в качестве грузостраховочного устройства используется аккумуляторный шкаф, благодаря чему при внезапном отключении электропитания груз удерживается в течении 30 минут, что достаточно для восстановления подачи электроэнергии и/или аварийном снятии груза. Тем самым, полученный проект ведет к частичному снижению экономических затрат на участке, повышению безопасности трудящихся и исключению ручного труда, т.е. полной механизации и автоматизации проводимых работ.

2.      Расчетная часть


2.1    Выбор оборудования

грузоподъемный траверса электромостовой кран

Для перемещения ферромагнитных грузов в том числе пачек металла, будет использоваться следующее грузоподъемное оборудование (рис. 6): 1 -грузоподъемная траверса; 2 -кабельный барабан; 3 -грузоподъемный электромагнит.

Рис. 6. Грузоподъемное оборудование

Грузоподъёмные электромагниты применяются на кранах в качестве дистанционного грузозахватного приспособления для чугунных и стальных грузов любой формы: стальных болванок и листов, рельс, валов, металлолома, стружки и других, в том числе и горячих грузов с предельной температурой до 500°. Электромагнитные захваты представляют собой электромагниты с плоским якорем, обладающие большой силой притяжения. Электромагнитные захваты имеют круглую или прямоугольную форму.

Подбирая электромагнит, необходимо учесть характер грузов, с которыми предстоит работать крану, а также их геометрические размеры (табл. 4).

Таблица 4 - Характеристика транспортируемого груза

Наименование груза

Длина, мм

Ширина, мм

Масса, т

Температура, 0С

Пачка металла

2000…6000

1000…1500

0,5…8

до 50


Учитывая указанные выше характеристики выбираем электромагнит ДКМ-120-Л/М-У1 производства фирмы «ДимАл» со следующими характеристиками:

Таблица 5 - Характеристика электромагнита ДКМ-120-Л/М-У1.

Исполнение катушки

Медь

Ток, А

44

Мощность, кВт

9,7

Масса, кг

1600

Отрывное усилие, кг

27000

Температура переносимого груза, 0С

не более 100

Продолжительность включения, %

75

Грузоподъемность, кг

На слябе

13500


На ломе плотностью 0,8 т/м3

350


На ломе плотностью 1,6 т/м3

550


На ломе плотностью 2,4 т/м3

830


На чугунных чушках

800


На стружке 15А

350


Геометрические характеристики ДКМ 120 Л/М-У1 (рис. 7) представлены в таблице 6.

Рис. 7. Схема магнита ДКМ-120-Л/М-У1.

Таблица 6 - Основные габаритные размеры ДКМ-120-Л/М-У1.

А, мм

В, мм

С, мм

1200

320

1300


Электрооборудование выбираем по справочнику завода изготовителя «ДимАл».

Управление грузоподъемными электромагнитами при питании от сети постоянного тока осуществляется при помощи шкафа управления типа ПНС-600. Преобразователь рассчитан на эксплуатацию при температуре воздуха от минус до плюс т относительной влажности не более 98%.

Данный преобразователь обеспечивает симметричное трехфазное потребление мощности. Преобразователь имеет защиту от коротких замыканий в нагрузке и между выходными клеммами и «землей», а также при обрыве кабеля нагрузки, плавную регулировку напряжения электромагнита, возможность сепарирования перемещаемых материалов. Возможное одновременное управление несколькими электромагнитами, суммарный ток которых не превышает 200 А.

Технические характеристики преобразователя напряжения (рис. 8) приведены в таблице 7.

Рис. 8. Схема ПНС-600.

Таблица 7 - Техническая характеристика ПНС-600.

Модель ПНС-600

Блок управления

Масса, кг

13

Габаритные и присоединительные размеры, мм

А

410


В

360


С

210


D

385


E

275

Технические данные

Питание

3-50 Гц, 380 В


Выходное напряжение, В

220


Выходной ток (max), А

200


Режим работы (ПВ), %

75


Время размагничивания, с

3


Для обеспечения необходимой безопасности работ, предотвращая аварийное отпускание груза, удерживаемого электромагнитом при пропадании сетевого напряжения (аварийный режим) выбираем источник бесперебойного питания ИБП-150, который комплектуется шкафом управления, аккумуляторным шкафом и выносным пультом (рис. 9 а, б, в).

Технические характеристики источника бесперебойного питания приведены в таблице 8.

Рис. 9. ИБП-150 и комплект оборудования.

Таблица 8 - Техническая характеристика ИБП-150

Модель

Масса, кг

Габаритные размеры, мм

Технические данные



А

В

С

Питание

Вых. напр., В

Мин. время работы от батареи, мин

ИБП-150

Шкаф управления

100

600

1300

450

3x380В, 50 Гц

220

15


Аккумуляторный шкаф

1350

1590

1525

650





Выносной пулт

12

300

110

70





Рис. 10. Схема барабана ДКБ-П-5-63-12-У1.

Для токоподвода к электромагнитам используем пружинные кабельные барабаны, которые служат для надежной электрификации подвижного оборудования путем автоматической намотки гибкого кабеля за счет усилия пружин.

Пружинный привод состоит из спиральных пружин, изготовленных из пружинной стали высокого качества. В зависимости от условий и интенсивности эксплуатации пружины рассчитаны на большое число рабочих циклов.

Исходя из высоты подъема крана Н=10 м, а также из условия режимов работы электромагнитной траверсы (с тремя магнитами, с двумя магнитами справа, с двумя магнитами слева) выбираем два кабельный барабана ДКБ-П-5-63-12-У1 (рис. 10).

Техническая характеристика кабельного барабана представлена в таблице 9.

Таблица 9 - Техническая характеристика ДКБ-П-5-63-12-У1.

Наименование

Единицы измерения

Значение

Количество контактных колец

штук

5

Максимальный ток (одного кольца)

А

63

Канатоемкость (КГ 4x6+1x4.0), не менее

м

12

Масса, не более

кг

100


2.2    Проектирование траверсы


Электромагнитная траверса может работать в трех режимах (рис. 11 а, б, в): работают три магнита; работают два магнита справа; работают два магнита слева.

Траверса состоит из четырех листов: двух вертикальных -стенок и двухгоризонтальных - полок. Для придания конструкции жесткости, устанавливаются ребра жесткости и диафрагмы (рис. 12).

Рассмотрим первый случай -работа с тремя магнитами (рис. 11а).

Расчет траверсы производится по методике описанной в [9].

Определяем нагрузки, действующие на траверсу (рис. 13).

Рис. 11. Режимы работы электромагнитной траверсы:

а - работают три магнита; б - работают два магнита слева; в - работают два магнита справа.

Рис. 12. Конструкция сварной траверсы.

Рис. 13. Расчетная схема траверсы.

Нагрузку от массы траверсы принимаем как распределенную по её длине:

 (1)

где:  - масса траверсы, ориентировочно принимаем (по существующим аналогам), ;

 - длина траверсы, .

.

Вес магнита:

 (2)

где:  - ускорение свободного падения, ;

 - масса магнита, .

.

Нагрузка от навесного оборудования и перемещаемого груза:

 (3)

где:  - вес магнита, кН;

 - номер нагрузки по расчетной схеме, ;

 - нагрузка от веса перемещаемого груза, кН;

 - динамическая нагрузка, кН.

Нагрузка от веса перемещаемого груза:

 (4)

где:  - масса поднимаемого груза, ;

 - коэффициент перегрузки для режима работы А7 и грузоподъемности 15 т, [1];

 - ускорение свободного падения, .

.

Вертикальная динамическая нагрузка. Она возникает при работе механизма подъема груза и действует на грузозахватный орган.

 (5)

где:  - масса поднимаемого груза, ;

 - масса грузозахватного органа, ;

 - динамический коэффициент, для скорости подъема , [1];

 - ускорение свободного падения, ;

 - корректирующий коэффициент (ограниченное увеличение нагрузки вследствие частичного притягивания груза к основанию), [1].

,

,

,

.

Для нахождения реакции в точке «В» составим уравнение моментов сил относительно точки «А».

,

.

Откуда

,

.

Аналогично определяем реакцию в точке «А», составив уравнение моментов сил относительно точки «В».

,

.

Откуда

,

.

Проверяем правильность определения реакций. Для этого составим уравнение равновесия, а именно сумму проекций сил на вертикальную ось «у»:

.

Тогда

,

.

Как видно из выражения выше сумма проекций сил на вертикальную ось равна нулю, следовательно, реакции найдены правильно.

Составим выражения для поперечных сил и изгибающих моментов по участкам:

Участок АС  (рассматривается часть балки слева от сечения):

,

 - является линейной функцией «» (эпюра-наклонная прямая).

,

.

,

 - является квадратичной функцией «» (эпюра-парабола).

,

.

Рис. 14. Эпюры изгибающих моментов и поперечных сил (первый случай).

Участок СВ (рассматриваемая часть балки слева от сечения):

,

 - является линейной функцией «» (эпюра-наклонная прямая).

,

.

,

 - является квадратичной функцией «» (эпюра-парабола).

,

.

По полученным значениям строим эпюры поперечных сил и изгибающих моментов (рис. 14 б, в).

Рис. 15. Схема для определения максимальной массы перемещаемого груза на двух магнитах.

Рассмотрим второй случай -работасдвумямагнитамислева (рис. 11 б).

Определим максимальную массу груза, перемещаемого траверсой, с учетом того, что усилие в канате «RA», наиболее нагруженной стороны, механизма подъема не должно превышать 8 т (рис. 15).

Составим уравнение моментов сил относительно точки «В».

,

.

Откуда ,

где:  - усилие в канате механизма подъема, ;

 - вес магнита, ;

 - расстояние между ветвями канатов, ;

 - распределенная нагрузка, от массы траверсы, ;

 - ускорение свободного падения, .

.

Принимаем  - грузоподъемность траверсы на двух магнитах.

Определяем нагрузки, действующие на траверсу при работе двух магнитов (рис. 16).

Рис. 16. Расчетная схема траверсы - второй случай.

Нагрузка от веса перемещаемого груза:

 (6)

где:  - максимальная масса поднимаемого груза двумя магнитами, ;

 - коэффициент перегрузки для режима работы А7 и грузоподъемности 15 т, [1];

 - ускорение свободного падения, .

.

Вертикальная динамическая нагрузка:

 (7)

где:  - максимальная масса поднимаемого груза двумя магнитами, ;

 - масса грузозахватного органа, ;

 - динамический коэффициент, для скорости подъема , [1];

 - ускорение свободного падения, ;

 - корректирующий коэффициент (ограниченное увеличение нагрузки вследствие частичного притягивания груза к основанию), [1].

.

Нагрузка от навесного оборудования и перемещаемого груза:

 (8)

где:  - вес магнита, ;

 - нагрузка от веса перемещаемого груза, ;

 - динамическая нагрузка, ;

 - ускорение свободного падения, .

.

Для нахождения реакции в точке «А» составим уравнение моментов сил относительно точки «В».

,

.

Откуда

,

.

Аналогично определяем реакцию в точке «В», составив уравнение моментов сил относительно точки «А».

,

.

Откуда

,

.

Проверяем правильность определения реакций. Для этого составим уравнение равновесия, а именно сумму проекций сил на вертикальную ось «у»:

.

Тогда

,

.

Как видно из выражения выше сумма проекций сил на вертикальную ось равна нулю, следовательно, реакции найдены правильно.

Составим выражения для поперечных сил и изгибающих моментов по участкам:

Участок АС (рассматривается часть балки слева от сечения):

,

 - является линейной функцией «» (эпюра-наклонная прямая).

,

.

,

 - является квадратичной функцией «» (эпюра-парабола).

,

.

Участок СВ (рассматриваемая часть балки слева от сечения):

,

 - является линейной функцией «» (эпюра-наклонная прямая).

,

.

,

 - является квадратичной функцией «» (эпюра-парабола).

,

.

Рис. 17. Эпюры изгибающих моментов и поперечных сил (второй случай).

По полученным значениям строим эпюры поперечных сил и изгибающих моментов (рис. 17 б, в).

Сравнивая эпюры (рис. 14 б, в) и (рис. 17 б, в) делаем вывод, что внутренние усилия, возникающие в траверсе больше во втором случае, когда работают два магнита, с грузом .

Дальнейший расчет ведем по второму случаю (рис. 17).

В соответствии с РД 24.090.52-90 выбираем материал из которого будет изготовлена металлоконструкция, сталь марки Ст3сп5 ГОСТ 14637-89 со следующими характеристиками:

 - предел текучести;

 - сопротивление временному разрыву.

 - относительное удлинениедля толщины проката до 20 мм.

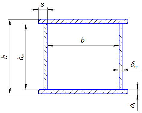
Определим геометрические характеристики сечения траверсы (рис. 18).

Условие прочности при изгибе:

 (9)

где:  - максимальный изгибающий момент в опасном сечении, ;

 - момент сопротивления сечения, см3;

 - коэффициент условий работы, ;

 -расчетное сопротивление на изгиб, .

Рис. 18. Сечение траверсы.

Выразим из (2.9) требуемый момент сопротивления сечения:

,

.

Определяем минимальную высоту балки исходя из условия обеспечения её жесткости:

 (10)

где:  - длина траверсы, см;

 - коэффициент зависящий от предельного прогиба, [9].

.

Находим оптимальную высоту траверсы, исходя из условия экономичного расхода стали:

 (11)

где:  - требуемый момент сопротивления сечения, см3;

 - коэффициент для сварных балок постоянного сечения, [9];

 - толщина стенки, см.

Толщина стенки, мм:

 (12)

где:  -величина L, подставляется в метрах.

.

Принимаем  с учетом толщины листа по ГОСТу.

.

Толщина полки:

 (13)

где:  - толщина стенки, .

.

Из условия обеспечения местной устойчивости сжатого пояса для стали Ст3 расстояние между стенками:

 (14)

где:  - толщина полки, .

.

Из технологических соображений принимаем .

Ширина консольной части полки:

 (15)

где:  - толщина полки, .

.

Принимаем .

Находим фактический момент инерции траверсы, с учетом принятых размеров:

,

где:  - момент инерции стенки, см4;

 - момент инерции полки, см4.

Момент инерции стенки:

 (16)

где:  - толщина стенки, ;

 - высота стенки, .

.

Момент инерции полки:

 (17)

где:  - толщина полки, ;

 - высота стенки, ;

 - ширина полки, .

.

.

Фактический момент сопротивления сечения:

 (18)

где:  - фактический момент инерции траверсы, ;

 - высота траверсы, .

.

,

.

Из выражения выше можно сделать вывод, что прочность траверсы обеспечена.

Прочность сварных швов, соединяющих пояс со стенкой, проверяют по формуле:

 (19)

где:  - наибольшая поперечная сила в рассматриваемом сечении, ;

 - статический момент пояса балки, относительно нейтральной оси, см3;

 - толщина углового шва, ;

 - коэффициент учитывающий глубину провара, ;

 - расчетное сопротивление углового шва, ;

 - момент инерции траверсы, ;

 - коэффициент условий работы, .

Статический момент пояса балки, относительно нейтральной оси:

 (20)

где:  - площадь сечения полки, ;

 - расстояние между центрами масс полок, .

.

.

.

Прочность шва обеспечена.

Рассчитаем проушину верхнего пояса траверсы (рис. 19).

Рис. 19. Схема проушины, верхний пояс (сжатый).

Проверяем проушину на растяжение в сечении «а-а».

 (21)

где:  - усилие, действующее на проушину, Н;

 - площадь сечения проушины, мм2;

 - расчетное сопротивление прокатной сталина растяжение, для стали Ст3 ;

 - коэффициент условий работы,.

Усилие действующее на проушину:

,

где: - максимальная опорная реакция (второй случай), .

.

Площадь сечения проушины:

 (22)

где:  - ширина проушины в сечении, ;

 - толщина проушины, ;

 - диаметр отверстия, мм.

Подставив (22) в (21), выразим диаметр отверстия:

,

.

Проверяем проушину на срез в сечении, «в-в».

 (23)

где:  - усилие, действующее на проушину, Н;

 - площадь среза, мм2;

 - расчетное сопротивление прокатной сталисрезу, ;

 - коэффициент условий работы,.

Площадь среза:

 (24)

где:  - толщина проушины, ;

 - расстояние от отверстия в проушине, до её кромки, мм.

Подставив (24) в (23), выразим расстояние от отверстия до кромки:

,

.

Проверяем проушину на смятие:

 (25)

где:  - усилие, действующее на проушину, Н;

 - диаметр отверстия проушины, мм;

- расчетное сопротивление смятию, для стали Ст3 ;

 - толщина проушины, ;

 - коэффициент условий работы,.

Выразим из (25) диаметр отверстия проушины:

,

.

Проверим прочность сварного шва, соединяющего проушину с верхним поясом траверсы (рис. 20).

Рис. 20. Схема сварных швов проушины с верхним поясом траверсы.

Материал проушины и траверсы - сталь марки Ст3сп5 ГОСТ 14637-89.

Допускаемое напряжение среза при сварке, осуществляемой вручную электродами обыкновенного качества Э42:

 (26)

где:  - допускаемое напряжение растяжения для стали Ст3, МПа.

.

Условие прочности сварного соединения:

 (27)

где:  - усилие, действующее на проушину, Н;

 - допускаемое напряжение среза, ;

 - катет шва, из технологических соображений ;

 - длина шва,.

.

Условие прочности соединения выполняется.

Найдем изгибающий момент в пальце, при опирании его на две проушины (рис. 21 б):

,

где:  - опорная реакция, кН;

 - расстояние между точками приложения сил, .

.

Рис. 21. Эпюра изгибающих моментов пальца.

Определяем минимальный момент сопротивления поперечного сечения пальца:

 (28)

где:  - максимальный изгибающий момент в опасном сечении, кН·см;

 - коэффициент условий работы, ;

 - расчетное сопротивление круглой прокатной стали 45 на изгиб, .

.

Подсчитываем диаметр пальца:

,

.

Для обеспечения центрирования каната рабочую зону пальца делаем криволинейной (рис. 22), тогда , .

Рис. 22. Схема пальца.

С учетом размеров пальца, диаметр отверстия проушины принимаем .

Расстояние от отверстия в проушине до её кромки примем .

Рассчитаем проушину нижнего пояса траверсы (рис. 23).

Проверку на растяжение проводим только для сечения «б-б», по наиболее опасному случаю, так как площадь поперечного сечения «а-а» меньше площади поперечного сечения «б-б», соответственно сечение «а-а» и будет опасным.

Рис. 23. Схема проушины, нижний пояс (растянутый).

Проверяем проушину на растяжение в сечении «а-а».

 (29)

где:  - усилие, действующее на проушину, Н;

 - площадь сечения проушины, мм2;

 - расчетное сопротивление прокатной сталина растяжение, для стали Ст3 ;

 - коэффициент условий работы,.

Усилие действующее на проушину:

,

где:  - нагрузка от навесного оборудования и перемещаемого груза, .

.

Площадь сечения проушины:

,

где:  - ширина проушины в сечении, ;

 - толщина проушины, ;

 - диаметр отверстия, .

.

,

.

Условие прочности при растяжении выполняется.

Проверяем проушину на срез в сечении, «в-в».

 (30)

где:  - усилие, действующее на проушину, Н;

 - площадь среза, мм2;

 - расчетное сопротивление прокатной сталисрезу, ;

 - коэффициент условий работы,.

Площадь среза:

 (31)

 - расстояние от отверстия в проушине, до её кромки, мм.

Выразим расстояние от отверстия до кромки:

,

.

Из конструктивных соображений принимаем .

Проверяем проушину на смятие:

 (32)

где:  - усилие, действующее на проушину, Н;

 - диаметр отверстия проушины, мм;

- расчетное сопротивление смятию, для стали Ст3 ;

 - толщина проушины, ;

 - коэффициент условий работы,.

,

.

Условие прочности при смятии выполнено.

Проверим прочность сварного шва, соединяющего проушину с нижним поясом траверсы.

Материал проушины и траверсы - сталь марки Ст3сп5.

Допускаемое напряжение среза при сварке, осуществляемой вручную электродами обыкновенного качества Э42:

,

где:  - допускаемое напряжение растяжения для стали Ст3, МПа.

.

Условие прочности сварного соединения:

,

где:  - усилие, действующее на проушину, Н;

 - допускаемое напряжение среза, ;

 - катет шва, из технологических соображений ;

 - длина вертикального шва, .

.

Условие прочности соединения выполняется.

Расстояние между проушинами и их высота, выбраны из условия свободного захода крюка крана под палец.

2.3    Усиление металлоконструкции крана


Для предотвращения падения груза, при отключении электропитания, грузоподъемные магниты комплектуются шкафом с аккумуляторами.

Шкаф с аккумуляторами устанавливаем на крановые галереи (рис. 24). Ввиду значительной массы шкафа с аккумуляторами , необходимо проверить опорные кронштейны на прочность и при необходимости их усилить.

Рис. 24. Схема шкафа с аккумуляторами:

- главная балка крана; 2 - перильные ограждения; 3 - аккумуляторный шкаф; 4 - опорный кронштейн.

Проверим на прочность опорный кронштейн, расчетная схема которого представлена на рисунке 25.

Рис. 25. Расчетная схема кронштейна.

Нагрузка от силы инерции:

 (33)

где:  - масса шкафа с аккумуляторами, ;

 - ускорение при пуске, .

.

Нагрузка от массы шкафа и рамы:

 (34)

где:  - ускорение свободного падения, ;

 - масса рамы, ;

 - масса шкафа с аккумуляторами, .

.

Нагрузка на проходную галерею от массы людей, ремонтного оборудования и д.р.

Принимаем [1].

Нагрузка от массы перильных ограждений, принимаем (перильные ограждения изготовлены из Уголок 50x50x5 ГОСТ 8509-93).

Нагрузка от настила:

 (35)

где:  - масса настила, ;

 - ускорение свободного падения, .

.

Составим выражение для изгибающих моментов по участкам (рис. 26 а).

Участок «0»  (рассматривается часть балки справа от сечения):

,

 - является линейной функцией «» (эпюра-наклонная прямая).

,

.

Участок «1»  (рассматривается часть балки справа от сечения):

,

 - является линейной функцией «» (эпюра-наклонная прямая).

,

.

Участок «2»  (рассматривается часть балки справа от сечения):

,

 - является линейной функцией «» (эпюра-наклонная прямая).

,

.

Участок «3»  (рассматривается часть балки справа от сечения):

,

 - является линейной функцией «» (эпюра-прямая).

,

.

Участок «4»  (рассматривается часть балки справа от сечения):

,

 - является линейной функцией «» (эпюра-наклонная прямая).

Участок «5»  (рассматривается часть балки справа от сечения):

,

 - является линейной функцией «» (эпюра-наклонная прямая).

,

По полученным значениям строим эпюру «» (рис. 26 б).

Кронштейн изготовлен из стали марки 09Г2С ГОСТ 19281-89 со следующими характеристиками:

 - предел текучести;

 - сопротивление временному разрыву.

Условие прочности при изгибе:

 (36)

где:  - максимальный изгибающий момент в опасном сечении, ;

 - момент сопротивления сечения, ;

 - допускаемое напряжение при изгибе, МПа.

Рис. 26. Эпюра изгибающих моментов кронштейна до усиления.

Допускаемое напряжение при изгибе:

 (37)

где:  - предел текучести, МПа;

 - коэффициент запаса прочности, (ПОТ Р М-012-2001п.2.2.15).

.

Подставляем в (36):

,

.

Исходя из выражения выше условие прочности не соблюдается.

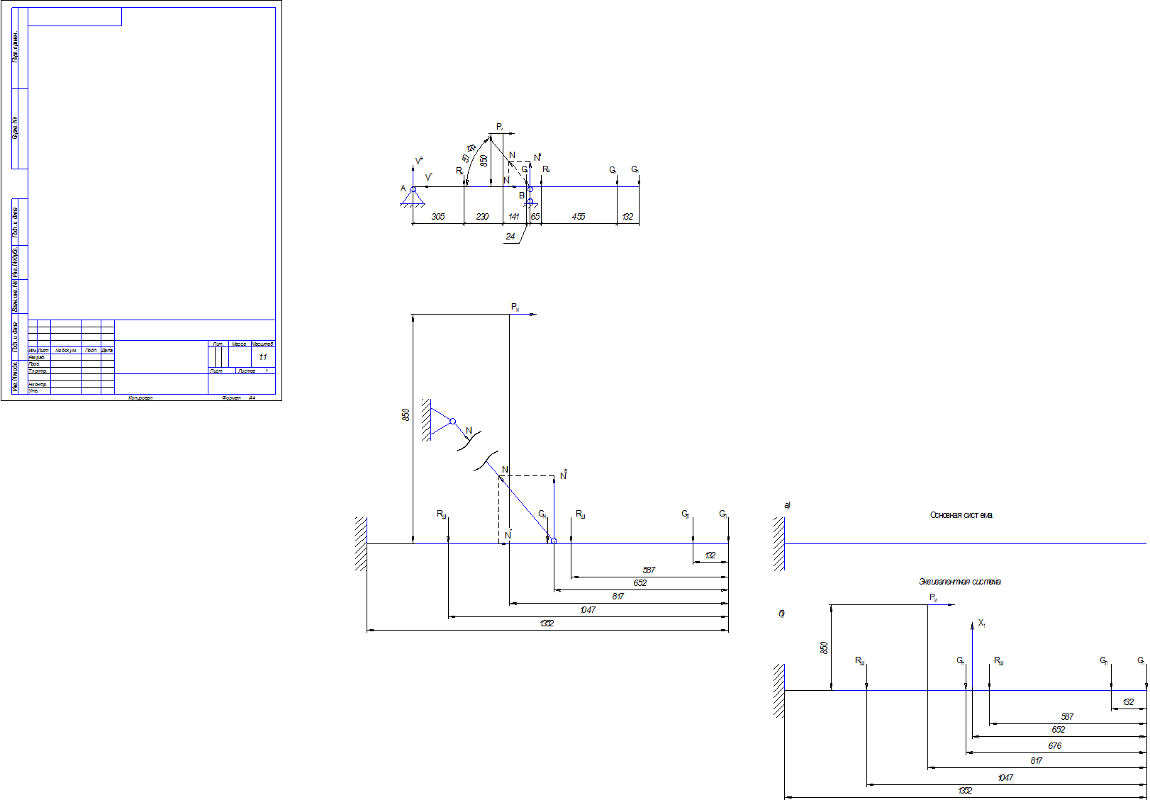
По (рис. 26) видно, что максимальный момент возникает в заделке, разгрузим сечение А-А (рис. 24) установив распорку на каждый из двух кронштейнов (рис. 27).

Рис. 27. Усиление кронштейна.

Найдем максимальную реакцию в стержне-распорке, расчетная схема представлена на (рис. 28).

Кронштейнодин раз статически неопределим, т.к. возникают четыре неизвестные реакции (, , , ), а уравнений равновесия можно составить только три.

В качестве основной системы примем балку с защемленным концом (рис. 29 а). Она получена из заданной системы (рис. 28) путем удаления одной связи, а именно шарнирно подвижной опоры «В».

Рис. 28. Расчетная схема к нахождению реакции в растяжке.

К основой системе прикладываем неизвестную реакцию  и заданную нагрузку, тем самым получив эквивалентную систему (рис. 29 б).

Составим каноническое уравнение, выражающее условие эквивалентности систем:

 (38)

где:  - вертикальная составляющая от (реакции) отброшенной связи;

 - перемещение по направлению , вызванное действием силы ;

 - перемещение по направлению , вызванное заданной нагрузкой.

Рис. 29. Схемы основной и эквивалентной систем.

Из (38) следует, что перемещение по направлению удаленной опоры отсутствует.

Строим эпюру он единичной силы  (рис. 30 б).

Участок «1»  (рассматривается часть балки справа от сечения): ,

 - является линейной функцией «» (эпюра-наклонная прямая).

,

.

Рис. 30. Эпюра от единичной силы .

Эпюра от внешней нагрузки (рис. 26 б).

Коэффициенты  и  соответственно равны:

 (39)

 (40)

где:  - эпюра моментов от единичной силы;

 - эпюра моментов от заданной нагрузки;

 - модуль Юнга;

 - момент инерции сечения.

По правилу Верещашина:

.

По правилу Симпсона:

Подставив значения  и  в каноническое уравнение (38) и решив его относительно , найдем:

,

.

Определим реакцию в распорке:

,

.

Горизонтальная и вертикальная составляющие «N» соответственно равны:

,

.

Найдем продольное усилие в стрежне:

;

,

Откуда

.

Составим выражения для продольных сил и изгибающих моментов по участкам, расчетная схема (рис. 31 а).

Участок «0»  (рассматривается часть балки справа от сечения):

,

,

 - является линейной функцией «» (эпюра-наклонная прямая).

,

.

Участок «1»  (рассматривается часть балки справа от сечения):

,

,

 - является линейной функцией «» (эпюра-наклонная прямая).

,

.

Участок «2»  (рассматривается часть балки справа от сечения):

,

,

 - является линейной функцией «» (эпюра-наклонная прямая).

,

.

Участок «3»  (рассматривается часть балки справа от сечения):

,

,

.

,

 - является линейной функцией «» (эпюра-прямая).

,

.

Участок «4»  (рассматривается часть балки справа от сечения):

,

,

.

 - является линейной функцией «» (эпюра-наклонная прямая).

,

.

Участок «5»  (рассматривается часть балки справа от сечения):

,

,

.

 - является линейной функцией «» (эпюра-наклонная прямая).

.

Участок «6»  (рассматривается часть балки справа от сечения):

,

,

.

 - является линейной функцией «» (эпюра-наклонная прямая).

,

По полученным значениям построим эпюры изгибающих моментов и продольных сил (рис. 31 б, в).

Проведем кинетическую проверку окончательной эпюры изгибающих моментов (рис. 31 б).

 (41)

где:  - единичная эпюра;

 - окончательная эпюра.

Рис. 31.Эпюры изгибающих моментов и продольных сил, после усиления кронштейна.

По правилу Симпсона:

Как видно по (рис. 31), усилив кронштейн раскосом мы уменьшили момент в заделке.

Проверим кронштейн на прочность от совместного действия изгибающего момента и продольной силы.

Условие прочности:

 (42)

где:  - максимальный изгибающий момент в опасном сечении, ;

 - момент сопротивления сечения, ;

 - площадь поперечного сечения, ;

 - максимальное продольное усилие в раскосе, ;

 - допускаемое напряжение, .

.

Условие прочности выполняется.

Проверим раскос на прочность.

Условие прочности при растяжении:

 (43)

где:  - максимальное усилие в раскосе, ;

 - площадь поперечного сечения, мм2;

 - допускаемое напряжение при растяжении, МПа.

В качестве раскоса выбираем два уголка 50х50х5 ГОСТ 8509-93, материал уголка сталь Ст3сп5 ГОСТ 535-2005 со следующими характеристиками:

 - предел текучести;

 - временное сопротивление разрыву.

 - площадь поперечного сечения, ;

 - радиус инерции.

Допускаемое напряжение при растяжении:

 (44)

где:  - предел текучести, МПа;

 - коэффициент запаса прочности,  (ПОТ Р М-012-2001 п.2.2.15).

.

.

Условие прочности выполняется

Проверим раскос на гибкость:

 (45)

где:  - допускаемая гибкость растянутого стрежня, ;

 - расчетная длина стрежня, ;

 - радиус инерции, .

.

Условие выполняется.

В данной части было подобрано оборудование, произведен расчет траверсы и основных её узлов на прочность, определены размеры всех её элементов, проверен кронштейн проходных галерей после установки шкафов с аккумуляторами и произведено его усиление.

3.     
Расчет методом конечных элементов


3.1    Основные положения метода конечных элементов


Наиболее распространённым и универсальным численным методом, используемым в CAE-системах, является метод конечных элементов (МКЭ).

Метод конечных элементов работает на основе расщепления геометрии объекта на большое число (тысячи или десятки тысяч) элементов (например, тетраэдров, параллелепипедов). Эти элементы образуют ячейки сети с узлами в точках соединений. Поведение каждого малого элемента стандартной формы быстро рассчитывается на основе математических уравнений. Суммирование поведения отдельных элементов дает ожидаемое поведение объекта в целом.

Основная идея метода конечных элементов состоит в том, что любую непрерывную величину (перемещение, температуру, давление и т. п.) можно аппроксимировать моделью, состоящей из отдельных элементов (участков). На каждом из этих элементов исследуемая непрерывная величина аппроксимируется кусочно-непрерывной функцией, которая строится на значениях исследуемой непрерывной величины в конечном числе точек рассматриваемого элемента.

Кусочно-непрерывные функции, описывающие изменение моделируемой величины в пределах каждого конечного элемента, могут быть как линейными, так и нелинейными, а размеры и форма элементов могут быть самыми различными.

Чаще всего при построении дискретной модели непрерывной величины поступают следующим образом:

.        Область определения непрерывной величины разбивают на конечное число подобластей, называемых элементами. Эти элементы имеют общие узловые точки и в совокупности аппроксимируют форму области.

.        В рассматриваемой области фиксируют конечное число точек. Эти точки называются узловыми точками или просто узлами.

.        Значение непрерывной величины в каждой узловой точке первоначально считается известным, однако необходимо помнить, что эти значения в действительности еще предстоит определить путем наложения на них дополнительных ограничений в зависимости от физической сущности задачи.

.        Используя значения исследуемой непрерывной величины в узловых точках и ту или иную аппроксимирующую функцию, определяют значение исследуемой величины внутри области.

3.2    Реализации МКЭ в системах инженерного анализа


В системах инженерного анализа МКЭ реализуется в виде трех основных этапов: начальной подготовки (препроцессор), получения решений (решатель) и обработки результатов моделирования (постпроцессор).

Этап препроцессорной подготовки включает в себя следующие стадии:

.        Идеализация задачи;

.        Создание геометрии модели, задание свойств материала;

.        Создание конечно-элементной модели;

.        Приложение к модели граничных условий (закреплений и нагрузки).

Второй этап конечно-элементного анализа может производиться автоматически с помощью компьютерной программы, называемой процессором или решателем. С помощью МКЭ-процессора автоматически формируются матрицы жесткостей для всех элементов и собираются в глобальную матрицу жесткости конструкции.

Решается система линейных алгебраических уравнений (СЛАУ), в результате чего определяются неизвестные перемещения для всех узлов модели. Перемещения в других точках элемента вычисляются интерполяцией.

Третий этап постпроцессор - заключается в обработке и визуализации результатов расчетов конечно-элементной модели и является не самым затратным по вычислениям и трудоемкости, но самым ответственным, и в значительной мере чисто человеческим этапом инженерного анализа. На данном этапе широко используются средства интерактивной компьютерной графики, которая при обработке результатов расчетов выступает в роли главного инструмента, поскольку автоматизирует создание разнообразных графических картин, необходимых специалисту для принятия итоговых выводов и проектных решений.

Только обоснованные выводы и профессиональные инженерные решения, принятые на данном этапе, могут как технически, так и экономически оправдать все многочисленные затраты на моделирование.

3.3    Расчет траверсы МКЭ


Расчет производим в программном комплексе САПР Solidworks.

Для расчета была создана 3dмодель траверсы (рис. 32).

Всем компонентам (деталям сборки), установлен контакт - связанные. Тип контакта «связанные» означает, что выбранные компоненты и тела ведут себя так, как будто они были сварены во время моделирования.

Выберем в качестве материала -Ст3 ГОСТ 535-88.

Произведем статический анализ в модуле SoliworksSimulation.

Задаем тип крепления верхних проушин - жесткий шарнир, а также ограничиваем движение по оси «z» (рис. 33).

Рис. 32. 3dмодель рассчитываемой траверсы.

Рис. 33. Схема креплений.

Прикладываем к нижним проушинам расчетные нагрузки (второй случай):

-       - нагрузка от навесного оборудования и перемещаемого груза;

-       - нагрузка от веса магнита.

Нагрузку рассматриваем как удаленную (рис. 34).

Рис. 34. Схема приложения расчетных нагрузок.

Далее создаем сетку конечных элементов и запускаем расчет. Результаты расчета представлены на (рис. 35) и (рис. 36).

Рис. 35. Сетка конечных элементов.

Рис. 36. Распределение эквивалентных напряжений

 

3.4    Анализ полученных результатов


Сравним полученные значения действующих напряжений с результатом ручных расчетов:

 (46)

где:  - максимальный изгибающий момент в опасном сечении;

 - момент сопротивления сечения.

.

Напряжение в опасном сечении полученное МКЭ равно .

Определим погрешность:

 (47)

где:  - максимальное напряжение в опасном сечении полученное МКЭ, МПа;

 - расчетное максимальное напряжение в опасном сечении, МПа.

.

Погрешность результата в 14,34% связана со следующими допущениями: различная плотность сетки конечных элементов повышает/понижает напряжения на остроконечных гранях; при расчете «ручным» способом не учитывалось действие касательных напряжений, в отличие от МКЭ, где рассчитываются эквивалентные напряжения.

4.      Экономическая часть


Темой выпускной квалификационной работы является «Проект перевода электромостового крана № 14558 в режим работы с электромагнитом на г/п 8,0 т. и разработкой траверсы». Поскольку фактически расчет производительности на данном участке невозможен, в качестве исходных данных будет производиться сравнение затрат на ручной труд и затрат на проектирование, внедрение и эксплуатацию проектного оборудования.

4.1    Расчет капитальных вложений при проектировании нового оборудования


Капитальные вложения могут быть определены по формуле:

 (48)

где:  - капитальные вложения в оборудования, руб.;

 - оптовая цена нового оборудования, изготовленного по проекту, руб.;

 - транспортно-заготовочные затраты, руб., (5-6%);

 - затраты на монтаж, руб., (12-15%);

 - затраты на демонтаж существующего оборудования (траверсы, настила и т.д.), руб., (3-5%).

Цена машины определяется исходя из массы оборудования и стоимости одного килограмма оборудования:

 (49)

где:  - масса проектируемого оборудования, кг;

 - стоимость 1 кг массы оборудования, руб.;

 - стоимость комплектующих изделий, руб.

Стоимость комплектующих изделий:

 (50)

где:  - оптовая цена одного покупного изделий, руб.;

 - количество изделий одного типа, шт;

 - число типов изделий, шт.

Расчет затрат на покупные изделия представлены в таблице 10.

Таблица 10- Затраты на покупные изделия

№ п/п

Наименование изделия

Тип изделия

Количество, шт.

Цена, руб./ед.

Сумма, руб.

1

Грузоподъемный электромагнит

ДКМ120Л/М-У1

3

369000

1107000

2

Преобразователь напряжения

ПНС600

1

65000

65000

3

Источник бесперебойного питания

ИБП150

1

445000

4

Коммутатор нагрузки

-

1

25000

25000

5

Кабельный барабан

ДКБ12-5-63

2

85000

170000

Итого:

1812000


Тогда капитальные вложения:

4.2    Расчет затрат на эксплуатацию оборудования


Данная комплексная статья включает в себя:

-       амортизационные отчисления;

-       затраты на текущий ремонт оборудования.

Сумма годовых амортизационных отчислений определяется от инвентарно-расчетной (балансовой) стоимости оборудования по действующим нормам:

 (51)

где:  - балансовая стоимость оборудования, руб.;

 - полная норма амортизации (на реновацию и капитальный ремонт), .

Затраты на текущий ремонт методом ремонтной сложности:

 (52)

где:  - категория ремонтной сложности механической части оборудования, ;

 - категория ремонтной сложности электрической части оборудования, ;

 - норматив затрат на единицу ремонтной сложности на 1 машино-час, , ;

 - действительный годовой фонд времени ремонта, ч.


4.3    Расчет и стоимость силовой электроэнергии


Затраты на силовую электроэнергию определяются по формуле:

 (53)

где:  - календарный фонд времени работы машины, ч;

 - коэффициент использования по грузоподъемности;

 - коэффициент годового использования;

 - коэффициент суточного использования;

 - цена 1 кВт/ч электроэнергии, руб.;

 - установленная мощность, кВт;

 - коэффициент полезного действия установленного оборудования.

Расход электроэнергии на освещение:

 (54)

где:  - площадь помещения, м2;

 - норма освещения на 1 м2 площади, Вт;

 - коэффициент потерь.

.

Приведенная мощность освещения:

 (55)

.

где:  - дни работы в году;

 - часы освещения в сутки;

 - коэффициент использования светильников.

Тогда сумма расхода электричества на освещение:

 (56)


4.4    Расчет фонда заработной платы


При расчете заработной платы рабочих необходимо определить условия труда на данном участке, выбрать формы и системы оплаты труда, порядок и условия премирования.

Исходные данные: условия труда - вредные 1 степени 3 класса, система оплаты труда-повременно-премиальная, процент премиальной доплаты- 7%. Научасткев2сменыработают3бригадыпо3человека.

Определяем тарифную часть заработка при повременно-премиальной форме оплаты труда:

 (57)

где:  - средняя часовая тарифная ставка, руб./час;

 - действующий фонд времени среднесписочного рабочего, ч;

 - списочное число рабочих.

Размер премии устанавливается согласно положению о премировании рабочих на предприятии:

 (58)

где:  - процент премиальной доплаты.

Размер доплат за работу в ночное время:

 (59)

где:  - количество рабочих часов в ночное время;

 - процент надбавки за работу в ночное время;

 - количество рабочих в ночное время.

Доплата по районному коэффициенту:

 (60)

где:  - процент доплаты по районному коэффициенту.

Процент дополнительного фонда заработной платы определяется:

 (61)

где:  - продолжительность отпуска, дни;

 - действительный фонд времени, дни.

.

Основной фонд заработной платы определяется:

 (62)

где:  - тарифная часть, руб.;

 - размер премии, руб.;

 - размер доплат за работу в ночное время, руб.;

- доплата по районному коэффициенту, руб..

Дополнительная заработная плата:

 (63)


Годовой фонд заработной платы составляет:

 (64)


Отчисления на обязательное страхование (данный вид затрат составляет 39% от заработной платы):

 (65)


4.5    Расчет прибыли


Прибыль внедряемого проекта основана на экономии фонда заработной платы высвобождаемого рабочего персонала, вытесняемого механизированным трудом. По исходным данным на участке работают 9 человек, после переоборудования крана число рабочих сократилось до трех человек.

Чистая прибыль вычисляется от суммы экономии фонда заработной платы высвобождаемых рабочих мест за вычетом амортизационных отчислений, затрат на эксплуатацию и прочих затрат, связанных с внедрением проектного оборудования:

 (66)

где:  - общая сумма, выделяемая на содержание рабочих, ;

 - сумма амортизационных отчислений, ;

 - затраты на эксплуатацию и прочие расходы, ;

 - общая сумма, выделяемая на содержание оставшихся рабочих, руб..

Определяем тарифную часть заработка по (57):

Размер премии определяем по (58):

Размер доплат за работу в ночное время по (59):

Доплата по районному коэффициенту по (60):

Процент дополнительного фонда заработной платы по (61):

.

Основной фонд заработной платы по (62):

Дополнительная заработная плата по (63):

Годовой фонд заработной платы по (64) составляет:

Отчисления на обязательное страхование по (65):

Тогда общая сумма, выделяемая на содержание оставшихся рабочих:

 (67)


Чиста прибыль от экономии фонда заработной платы составит:


4.6    Определение экономической эффективности проектных разработок


Эффективность выявляется сравнением экономических и технических показателей по варианту проектной разработки с вариантом, принятым за эталон или базу для сравнения. Для определения экономической эффективности новой машины в зависимости от ее назначения и возможного масштаба применения за базу выбирают либо заменяемую технику (ручной труд), либо действующую наиболее распространенную технику. Эффект в денежной форме выражается через суммарную экономию затрат, формирующих себестоимость и капиталоемкость единицы работ, единицы конечной продукции.

За базовый вариант сравнения взяты затраты на заработную плату девяти рабочих мест, который сравнивается с проектным решением, в результате которого проектное оборудование высвобождает шесть рабочих мест, заменяя ручной труд полностью механизированным и автоматизированным (затраты на зарплату крановщика). Сравнение базового и проектного вариантов приведено в табл. 11.

Определение экономической эффективности проектных разработок сводится к расчету срока окупаемости, коэффициента эффективности капитальных вложений, и сравнение их с нормами.

Срок окупаемости внедренного проекта, высвобождающего рабочие места:

 (68)

где:  - капиталовложения в проектируемое оборудование, руб./год;

 - чистая прибыль от внедрения проекта, руб./год.

.

Коэффициент эффективности капитальных вложений:

 (69)

где:  - коэффициент эффективности капитальных вложений;

 - нормативный коэффициент капитальных вложений, .

.

Таблица 11 - Сравнение затрат по базовому и проектному вариантам

№ п/п

Статьи расходов

Базовый вариант, руб

Проектный вариант, руб

1

Заработная плата основных производственных рабочих

3792517

1264172

2

Отчисления на обязательное страхование

1479082

493027

3

Амортизационные отчисления (реновация и капитальный ремонт)

-

207866

4

Расход электроэнергии

-

161728

5

Текущий ремонт оборудования

-

273560

ИТОГО

5271599

2400353


Таким образом, можно сделать вывод о том, что проектное решение является экономически целесообразным, имеет коэффициент эффективности капиталовложений больше нормативного и срок окупаемости 0,9 лет, что приемлемо для внедрения данного проекта на производство.

5. Безопасность жизнедеятельности

 

5.1    Общие требования безопасности при работе электромостового крана


Эксплуатация электромостового крана должна производиться в соответствии с Федеральными нормами и правилами в области промышленной безопасности (далее -ФНП) «Правила безопасности опасных производственных объектов, на которых используются подъемные сооружения», утвержденные приказом Ростехнадзора от 12 ноября 2013 г. № 533.

Для предотвращения или минимизации последствий аварий, с учетом возможной потери жизни и/или здоровья людей, должны выполняться следующие общие требования безопасности при работе электромостово крана:

-       поддерживать эксплуатируемое подъемное средство в работоспособном состоянии, соблюдая графики выполнения технических освидетельствований, технического обслуживания и планово-предупредительных ремонтов, а также не превышать срок службы (период безопасной эксплуатации), заявленный изготовителем в паспорте крана без наличия заключения экспертизы промышленной безопасности о возможности его продления;

-       не превышать грузоподъемность и группу классификации режима работы, указанные в паспорте крана;

-       не использовать неработоспособные и несоответствующие технологии выполняемых работ грузозахватные приспособления и тару;

-       не эксплуатировать кран с неработоспособными ограничителями, указателями и регистраторами;

-       начинать подъем груза предварительно на высоту не более 200 - 300 ммспоследующейостановкойдляпроверкиправильностистроповкиинадежностидействиятормоза;

-       не перемещать груз при нахождении под ним людей. Нахождение стропальщика возле груза во время его подъема или опускания, возможно только если груз поднят на высоту не более 1000 мм от уровня площадки;

-       не начинать подъем груза, масса которого неизвестна;

-       при длительном перерыве или по окончанию работ груз не должен находится в подвешенном состоянии. По окончанию работ кран должен быть приведен в безопасное положение в нерабочее состояние согласно требований руководства (инструкции) по эксплуатации;

-       выходы на галереи мостовых кранов, находящихся в работе, должны быть закрыты;

-       для каждого цеха (пролета), не оборудованного проходными галереями вдоль рельсового пути, где работают мостовые краны, разрабатываются мероприятия по безопасному спуску крановщиков из кабины при вынужденной остановке крана не у посадочной площадки;

-       в зоне работы электромостового крана, оснащенного управляемым захватом, грейфером или магнитом, нахождение людей не допускается. Рабочие, обслуживающие такие краны, допускаются к выполнению своих обязанностей только во время перерывов в работе крана, при этом напряжение с магнита должно быть снято.

-       места производства работ кранами с управляемым захватом, грейфером или магнитом должны быть ограждены и обозначены предупредительными знаками.

В процессе выполнения работ с применением электромостового крана не разрешается:

-       перемещение груза, находящегося в неустойчивом положении;

-       выравнивание перемещаемого груза руками, а также изменение положения стропов на подвешенном грузе;

-       использование ограничителей (концевых выключателей) в качестве рабочих органов для автоматической остановки механизмов, кроме случая, когда мостовой кран подходит к посадочной площадке, устроенной в торце здания;

-       перемещать людей или груз с находящимися на нем людьми.

5.2    Требования безопасности при производстве ремонтных работ


При ремонте мостовых кранов и выполнении работ с выходом на крановые пути и переходные галереи должен оформляться наряд-допуск на производство работ в соответствии с требованиями Правил устройства и безопасной эксплуатации грузоподъемных кранов.

Ремонтные работы проводят инженерно-технические работники, ответственные за содержание грузоподъемных машин в исправном состоянии, и лица, ответственные за безопасное производство работ кранами.

Мостовые краны общего назначения при ремонте необходимо останавливать около посадочной площадки. Это требование исключит возможность нахождения ремонтного персонала на подкрановых путях.

После остановки крана на ремонт необходимо с обеих сторон установить упоры. Днем вывешиваются флажки красного цвета, ночью -лампочки красного цвета. Под краном устанавливается ограждение и знак «Проход запрещен. Ведутся ремонтные работы».

Необходимо обесточить кран путем съема главных токоприемников электриком цеха. При этом нужно закоротить концы проводки и занулить их.

Зона ремонта должна быть освещена переносными лампами с напряжением не более 12 В.

При проведении газорезных работ необходимо баллоны размещать на расстоянии 10-15 метров от места проведения работ. При этом леса закрывать асбестовыми или металлическими листами.

Работы продолжительностью до трех часов должны выполняться с применением бирочной системы.

Работники, выполняющие работу на высоте, находящиеся в опасной зоне падения с высоты или падения на них предметов сверху, должны быть в касках.

Не допускается производить сварочные работы, работы с применением электрифицированного, пневматического, пиротехнического инструмента с приставных переносных лестниц и стремянок. Выполнение таких работ следует производить с лесов строительных и стальных подмостей, стремянок с верхними площадками, имеющими перильное ограждение, с люлек, вышек, подъемников.

При электромонтажных работах, когда работнику не представляется возможным закрепить строп предохранительного пояса за конструкцию, опору и т.п., следует пользоваться страховочным канатом, верхолазным предохранительным устройством.

При работе на конструкциях, под которыми расположены находящиеся под напряжением токоведущие части, приспособления и инструмент, применяемые при работе, во избежание их падения необходимо привязывать.

5.3    Анализ опасных и вредных производственных факторов при работе электромостового крана


Исследуем основные операции (узлы, единицы оборудования), создающие опасные и вредные производственные факторы, проведем их анализ и определим их воздействие на жизнедеятельность человека.

Для более точного определения фактических величин показателей вредных производственных факторов воспользуемся результатами аттестации рабочего места по основной специальности (инструкция по охране труда рабочего места для ЦГП-1). Результаты анализа приведены в таблицах 12 и 13.

Таблица 12 - Анализ опасных производственных факторов.

Наименование операций (оборудования), создающих опасность

Характеристика и вид опасного фактора

Вид воздействия на человека

Мероприятия и средства защиты

1

2

3

4

Работа на высоте

Падение

Механическая травма

Соблюдение правил ТБ, использование страховочных средств, установка блокираторов опускания

Оборудование ГПМ

Движущиеся части ГПМ

Механическая травма

Соблюдение правил ТБ, организация ТОиР (наряд-допуск, ключ бирка)

Острые кромки, заусеницы, шероховатости

Рабочий инструмент, диски колёс, детали

Травмы рук и тела

Соблюдение правил ТБ, использование СИЗ

Электропривод

Нарушение изолирующих слоёв

Электрическая травма

Своевременное обслуживание и ремонт, заземление

Оборудование ГПМ

Повышенная температура поверхностей оборудования (более 450)

Термическая травма

Использование СИЗ, соблюдение ТБ


Анализ данных, приведенных в таблице 12, показывает, что наибольшую опасность при работе электромостового крана представляют движущиеся части механизмов.

Запрещается прикасаться головой, руками, ногами или одеждой к вращающимся и движущимся частям механизма, агрегата, передачам, и т.д. во избежание захвата их вращающимися частями механизмов. Находится непосредственно в зоне работы крана. Запрещается совершать какие-либо операции по ремонту узлов и агрегатов при включённом электроприводе.

Таблица 13 - Анализ вредных производственных факторов.

Наименование фактора

Величина показателя

Влияние на человека

Мероприятия и средства защиты


По нормам

фактическая



1

2

3

4

5

Температура воздуха в рабочей зоне, С0(*)

19-21

29

Нарушение терморегуляции в организме, нарушение водно-солевого баланса., хронические заболевания кожи, вегето-сосудистая дистония

Установка кондиционеров, питьевых точек

Общая вибрация при частоте 30-50 Гц, А мм (**)

0,007-0,009

0,016-0,05

Заболевание артерий, хронические заболевания периферической нервной системы, близорукость

Применение СИЗ (обувь на виброгасящей подошве, виброгасящие перчатки или рукавицы)

Производственный шум, Дб

25 (в изоляционной кабине)

98

Снижение остроты слуха и зрения, повышение кровеносного давления, утомление центральной нервной системы

Применение СИЗ, использование шумоподавляющих материалов в помещениях

Освещённость на рабочем месте, лк

200

220

Работая при освещении плохого качества или низких уровней, люди могут ощущать усталость глаз и переутомление, что приводит к снижению работоспособности

Не требуется


* - оптимальные и допустимые нормы температуры, относительной влажности и скорости движения воздуха в рабочей зоне производственных помещений взяты из нормативного документа СанПиН 2.2.4.548-9.

** - допустимые нормы вибрации в рабочей зоне производственных помещений взяты из нормативного документа СН 2.2.4/2.1.8.566-96.

Анализ данных таблицы 13 показывает то, что все работники обязаны носить полагающуюся им спецодежду и пользоваться положенными по условиям работы дополнительными средствами индивидуальной защиты (очки, резиновые перчатки, обувь на виброгасящей подошве, респираторы противопылевые) согласно, Техническому регламенту о безопасности средств индивидуальной защиты, Федеральный Закон № 1213-Ф3 от 24 декабря 2009 г. с изменениями от 8 декабря 2010 г.

5.4    Расчет искусственного освещения


Искусственное освещение, осуществляемое газоразрядными и электрическими лампами, по конструктивному исполнению может быть двух систем - общее освещение и комбинированное (общее и местное). Освещенность рабочей поверхности, создаваемая светильниками общего освещения в системе комбинированного, должна составлять не менее 10 % нормируемой для комбинированного освещения. Общее освещение подразделяется на общее равномерное, общее локализованное. Применение одного местного освещения внутри зданий не допускается.

В соответствии соСП 52.13330.2011 для освещения подкрановых зон следует предусматривать газоразрядные лампы (люминесцентные, натриевые и т.д.). В случае невозможности применения газоразрядных источников света допускается использование ламп накаливания.

Газоразрядные лампы по сравнению с лампами накаливания имеют преимущества: по спектральному составу света они близки к естественному освещению, обладают более высоким КПД, повышенной светоотдачей и большим сроком службы (до 8 - 12 тыс. часов).

Искусственное освещение нормируется исходя из характеристики работ, при этом задаются как количественные (минимальная освещенность, допустимая яркость), так и качественные характеристики (показатель ослепленности, коэффициент пульсации освещенности, спектр излучения).

Минимальная освещенность устанавливается согласно условиям зрительной работы, которые определяются наименьшим размером объекта различения, контрастом объекта с фоном (большой, средний, малый) и характеристикой фона (темный, средний, светлый).

Произведем расчет искусственного освещения подкрановой зоны по методу коэффициента использования светового потока.

Количество светильников, обеспечивающих в данном помещении заданное значение освещенности можно определить по формуле:

 (70)

где: - минимальная нормируемая освещенность, [36];

 - коэффициент запаса, зависящий от степени износа лампы и загрязненности воздуха, ;

 - площадь площадки, ;

 - коэффициент минимальной освещенности, для ламп разрядных высокого давления;

 - количество светильников, ;

 - число ламп в светильнике, ;

 - световой поток, для лампы ДРЛ-250 ;

 - коэффициент использования светового потока, зависящий от геометрических параметров помещения и отражательной способности потолка и стен.

Индекс помещения определяем по формуле:

 (71)

где:  - длина площадки, ;

 - ширина площадки, ;

 - высота подвеса светильников, .

.

Тогда коэффициент использования светового потока.

.

Принимаем для освещения участка работы электромостового крана 62 штуки ламп ДРЛ-250, которые размещены по периметру участка. Это позволит улучшить параметры производственного освещения и приведёт к значительному снижению зрительной нагрузки на машиниста.

5.5    Электробезопасность мостового крана


Электрооборудование рассматриваемого мостового крана получает питание от промышленной сети трехфазного тока частотой 50 Гц и напряжением 380В.

На кране установлены крановые асинхронные электродвигатели с фазовым ротором, электрогидравлические тормоза, шкафы с аккумуляторами для предотвращения падения груза при аварийном отключении электропитания. Кроме того, на кране имеются троллеи, через которые осуществляется питание крана, ящики с сопротивлениями и другое электрооборудование.

Осмотр и ремонт электрооборудования разрешается только электрикам, прошедшим обучение и имеющим удостоверение на право обслуживания и ремонт крана.

Не допускается прикасаться без применения электрозащитных средств к изоляторам, изолирующим частям оборудования, находящегося под напряжение.

С целью предупреждения рабочих об опасности поражения электрическим током должны использоваться плакаты и знаки безопасности. В зависимости от назначения плакаты и знаки делятся на:

-       предупреждающие («Стой! Напряжение», «Невлезай - убьет!»);

-       запрещающие («Не включать, работают люди»идр.);

-       предписывающие («Работать здесь» и др.);

-       указательные («Заземлено»идр.).

Для обеспечения электробезопасности должны применяться отдельно или в сочетании друг с другом следующие технические способы и средства: изоляция токоведущих частей (рабочая, дополнительная, усиленная двойная); оградительные устройства; предупредительная сигнализация, блокировка, знаки безопасности; расположение на безопасной высоте; малое напряжение; защитное заземление, зануление и защитное отключение; выравнивание потенциалов; электрическое разделение сетей; средства защиты и предохранительные приспособления.

Исправная изоляция является основным условием, обеспечивающим безопасность эксплуатации электроустановок.

Состояние изоляции проверяется перед вводом электроустановки в эксплуатацию, после ее ремонта, а также после длительного ее пребывания в нерабочем положении. Кроме того, проводится профилактический контроль изоляции с помощью специальных приборов: омметров и мегомметров. Правила технической эксплуатации электроустановок потребителей предписывают проводить такой контроль в электроустановках до 1000 В но реже 1 раза в три года. В тех случаях, когда силовые или осветительные проводки имеют пониженное против норм сопротивление изоляции, необходимо принимать немедленные меры к восстановлению изоляции до нормы или к полной, или частичной замене проводки.

Неисправности в электроустановках и электроаппаратуре, которые могут вызвать искрение, короткое замыкание, перегрев горючей изоляции кабелей и проводов, должны немедленно устраняться дежурным персоналом.

5.6    Пожарная безопасность


Основными причинами, способствующими возникновению и развитию пожаров, являются: нарушение правил применения и эксплуатации приборов и оборудования с низкой противопожарной защитой; использование при монтаже в ряде случаев материалов, не отвечающим требованиям пожарной безопасности; отсутствие на многих объектах народного хозяйства и в подразделениях пожарной охраны эффективных средств борьбы с огнем.

Пожарная безопасность предусматривает комплекс организационных и технических мероприятий, направленных на обеспечение безопасности людей, предотвращение пожара, ограничение его распространения, а также создание условий для успешного тушения пожара.

Ответственным лицом за пожарную безопасность является начальник ЦГП-1, ответственность за пожарную безопасность, обеспечение установленного противопожарного режима на участке отгрузки несет руководитель участка или лицо, его замещающее.

Технологическое оборудование при нормальных режимах работы должно быть пожаробезопасным, а на случай опасных неисправностей или аварий необходимо предусмотреть защитные меры, ограничивающие масштаб и последствия пожара.

Механизмы управления при обслуживании несовместимых операций должны быть сблокированы так, чтобы исключить возможность создания аварийных ситуаций.

Запрещается применять в производственных процессах и хранить вещества и материалы с неизученными параметрами по пожарной и взрывной опасности.

Запрещается выполнять производственные операции на оборудовании, установках и станках с неисправностями, которые могут привести к возгоранию и пожарам, а также при отключении контрольно измерительных приборов, по которым определяются заданные режимы температуры, давления концентрации газов и другие технологические параметры.

На случай пожара участок оборудован средства первичного пожаротушения: внутренние пожарные краны с пожарными рукавами и стволами, воздушно-пенные, пенные, углекислотные и порошковые огнетушители, ящики с песком, асбестовое полотно.

На случай иных чрезвычайных ситуаций на стене размещается план экстренной эвакуации соответствующий техническому регламенту о требованиях пожарной безопасности, Федеральный Закон № 123-ФЗ.

Кран мостовой относится к категории Д по пожарной безопасности в соответствии со СП 56.13330.2011.

Кран работает в помещении. Пожар может возникнуть от воздействия электрического тока в результате неисправности предохранительных пробок, короткозамкнутых проводов, из-за плохого контакта проводов электродвигателей и сопротивлений, в следствии несоблюдения правил техники безопасности при работах по сварке.

Для предотвращения пожара следует принять меры: предотвращение недогрузок или перегрузок, предотвращение нагрева трущихся деталей до температуры выше допустимой.

Кран должен быть укомплектован средствами пожаротушения.

Для обеспечения пожарной безопасности применяются следующие мероприятия.

Во всех производственных, административных, складских и вспомогательных помещениях на видных местах вывешены таблички с указанием номера телефона вызова пожарной охраны.

Приказом по цеху установлен соответствующий их пожарной опасности противопожарный режим, в том числе:

-       определены и оборудованы места для курения;

-       определены места и допустимое количество единовременно находящихся в помещениях сырья, полуфабрикатов и готовой продукции;

-       установлен порядок уборки горючих отходов и пыли, хранения промасленной спецодежды;

-       определен порядок обесточивания электрооборудования в случае - пожара и по окончании рабочего дня;

-       регламентированы: порядок проведения временных огневых и других пожароопасных работ; порядок осмотра и закрытия помещений после окончания работы; действия работников при обнаружении пожара;

-       определен порядок и сроки прохождения противопожарного инструктажа и занятий по пожарно-техническому минимуму, а также назначены ответственные за их проведение.

На всех мостовых кранах цеха в целях противопожарной безопасности предусмотрено наличие двух огнетушителей ОУ-8 -один находится в кабине машиниста, а другой - на мосту крана.

5.7    Анализ и оценка возможных аварийных ситуаций


Перечень возможных аварийных ситуаций, причины, их вызывающие, действия работника при возникновении аварийных ситуаций приведены в таблице 14.

Таблица 14 - Анализ и оценка возможных аварийных ситуаций

Отклонение параметров. Возникновение аварийных ситуаций

Травма человека

Летальный исход

Постоянное вредное воздействие

Отказ оборудования

Срыв задания работ

Материальный ущерб

Ущерб окружающей среде

Действия

Пожар

Да

Да

Да

Да

Да

Нет

Пожарная профилактика

Обрыв каната

Да

Да

Нет

Да

Да

Да

Нет

Контроль за тех. состоянием

Отключение электрической энергии

Нет

Нет

Нет

Да

Да

Нет

Нет

Наличие авт. ген. станции

Отказ редуктора

Да

Да

Нет

Да

Да

Да

Нет

Контроль за тех. состоянием

Повреждение М.К. крана

Да

Да

Нет

Да

Да

Да

Нет

Установка ограничителя г/п.


При соблюдении работающими правил техники безопасности и следованиям технологическим инструкциям, воздействия опасных производственных факторов может быть сведено до минимума. Соблюдения правил и требований, изложенных в инструкции по технике безопасности, обеспечивает нормальное течение производственного процесса и безаварийную работу оборудования.

5.8    Выводы по разделу «Безопасность жизнедеятельности»


В разделе безопасность жизнедеятельности были рассмотрены основные требования безопасности при работе и ремонте электромостового крана, которые призваны предотвратить и/или исключить возникновение аварий, повлекших нанесению вреда здоровью человека. Проведен анализ опасных и вредных производственных факторов, в результате которого можно сделать вывод, что в данном цехе присутствует большое количество ВПФ и ОПФ, причем большинство из них приближается или выше установленных предельно допустимых норм. Чтобы снизить влияние внешних вредных и опасных производственных факторов каждому работнику ЦГП-1 выдаётся комплект СИЗ.

Анализ возможных аварийных ситуаций показывает, что большинство из них являются следствием халатности. Безопасная работа и отсутствие аварий на участке возможна только при полном соблюдении правил техники безопасности всеми работниками участка.

Достаточная освещенность рабочей площадки реализуется преимущественно за счет искусственного освещения.

В целом все рассмотренные вопросы отражены в инструкции по охране труда для машинистов мостового крана ЦГП-1.

Заключение


Целью выпускной квалификационной работы был проект перевода электромостового крана № 14558 в режим работы с электромагнитом на г/п 8,0 тонн и разработкой траверсы.

Структурная характеристика предприятия и описание участка, а также аналитический обзор научно-технической литературы приведены в разделе аналитический обзор.

В расчетной части произведены проектные и проверочные расчеты металлоконструкции траверсы, выполнено усиление проходной галереи крана, подобрано необходимое оборудование.

Раздел безопасности жизнедеятельности представлен общей характеристикой промышленной безопасности на участке, проведен анализ вредных и опасных производственных факторов при работе проектируемого оборудования.

Технико-экономическое обоснование проекта представлено расчетом капиталовложений в проектируемый объект и расчетом прибыли по сравнению с базовым вариантом. Экономический расчет показывает, что внедрение данного проекта является целесообразным решением. Так же в текстовой части приводится пример компьютерного моделирования и расчет конечно-элементной модели с использованием CAD/CAE-систем.

Список литературы

Основная

1. Абрамович, И.И. Грузоподъемные краны промышленных предприятий [Текст]: справочник. - М.: Машиностроение, 1989.- 360с.: ил.

. Александров, М.П. Подъемно-транспортные машины [Текст]: Учеб.для машиностроит. спец. вузов. - 6-е изд., перераб. - М.: Высшая школа, 1985. - 520 с., ил.

. Алямовский, А.А. Инженерные расчеты в SolidWorksSimulation[Текст]: - М.: ДМК Пресс, 2010. - 464 с., ил.

. Безопасность жизнедеятельности: Учебник для вузов/ П.П. Кукин, В.А. Лапин, Е.А. Подгорных и др. [Текст]: - М.: Высшая школа, 2005. - 317 с.

. Воронцов, А.В. Выбор грузоподъемного электромагнита [Текст] / MetalRussia. - 2012. - № 10. - С. 10-13.

. Дарков, А. В. Строительная механика [Текст]: Учеб. для строит. спец. вузов. - 8-е изд., перераб. и доп. - М.: Высшая школа, 1986. - 607 с.: ил.

. Девисилов, А. В. Охрана труда [Текст]: Учебник. - 4-е изд., перераб. и доп. - М.: ФОРУМ, 2009. - 496 с.: ил.

. Курсовое проектирование грузоподъемных машин: Учеб. пособие для студентов машиностр. спец. вузов/ С.А. Казак, В.Е. Дусье, Е.С. Кузнецов и др. [Текст]: - М.: Высшая школа, 1989. - 319 с.: ил.

. Матвеев, В.В. Примеры расчета такелажной оснастки [Текст]: Учеб. пособие для техникумов. - 4-е изд., перераб. и доп. - Л.: Стройиздат. Ленингр. отд-ние, 1987. - 320 с., ил.

. Панасенко, Н.Н. Современные технологии использования грузозахватных устройств [Текст] / Вестник тульского государственного университета. - 2013. - № 12. - С. 78-80.

. Пат. 2255893 Российская Федерация, МПК В 66 С 1/06. Грузоподъемный электромагнит [Текст] / Трегубов Д. А.; заявитель и патентообладатель ООО «ДимАл». - № 2003133348/11; заявл. 17.11.2003; опубл. 10.07.2005, Бюл. № 19.

. Пат. 2111160 Российская Федерация, МПК В 66 С 1/06. Грузозахватный магнит [Текст] / Красноперова Р. А., Федорова В. И.; заявитель и патентообладатель Красноперова Р. А., Федорова В. И. - № 95117756/09; заявл. 18.10.1995; опубл. 20.05.1998.

. Пат. 2243142 Российская Федерация, МПК В 66 С 1/06. Круглый грузоподъемный электромагнит [Текст] / Зайцев А. А., Камардин О. В., Мирнов А. Ю., Новиков И. В., Остров С. К., Ряснов Ю. А., Сливинский Е. В.; заявитель и патентообладатель Елецкий государственный университет им. И. А. Бунина. - № 2003108542/11; заявл. 27.03.2003; опубл. 27.12.2004.

. Пат. 673587 СССР, МПК В 66 С 1/48. Эксцентриковый захват для листового материала [Текст] / Виноградов В. М., Шинтьяков В. Е.; заявитель и патентообладатель Виноградов В. М., Шинтьяков В. Е. - № 2521034/29-11; заявл. 12.09.77; опубл. 15.07.79, Бюл. № 26.

. Пат. WO2013179126 США, МПК В 66 С 1/66. Грузоподъемный магнит [Текст] / MORTON, David.; заявитель и патентообладатель MAGSWITCH TECHNOLOGY INC. - № PCT/IB2013/001102; заявл. 31.05.2013; опубл. 05.12.2013.

. Пат. 2336218 Российская Федерация, МПК В 66 С 1/12. Строп Леухина Н.Н. [Текст] / Леухин Н.Н.; заявитель и патентообладатель Леухин Н.Н. - № 2007103662/11; заявл. 30.01.2007; опубл. 20.10.2008, Бюл. № 29.

. Пат. 2437825 Российская Федерация, МПК В 66 С 1/06. Электромагнитная траверса [Текст] / Крюков И. В.; заявитель и патентообладатель ЗАО «Конструкторско-технологическое бюро Технорос». - № 2010127889/11; заявл. 06.07.2010; опубл. 27.12.2011 Бюл. № 36.

. Пат. 2293055 Российская Федерация, МПК В 66 С 1/04. Грузостраховочное приспособление для электромагнитной траверсы[Текст] / Braun Manfred, Daniel Schneider; заявитель и патентообладатель DauRafik - № 2005121245/11; заявл. 07.07.2005; опубл. 10.02.2007 Бюл. № 4.

. Полевой, А.Д. Фавориты среди грузоподъемного оборудования [Текст] / Промышленные страницы Сибири. - 2011. - № 9. - С. 22-24.

. Практические работы по курсу «Аттестация рабочих мест»: Учебное пособие / С. В. Егоренкова, П. М. Быков, Л. Г.Софронова, А. В. Клинов[Текст]: Череповец: ГОУ ВПО ЧГУ, 2011. - 105 с.

. Соколов, С.А. Металлические конструкции подъемно-транспортных машин [Текст]: Учеб. пособие. - СПб.: Политехника, 2005. - 423 с.: ил.

. Специальные краны: Учеб. пособие для машиностроит. вузов по специальности «Подъемно-транспортные машины и оборудование»/ П.З. Петухов, Г.П. Ксюнин, Л.Г. Серлин [Текст]: - М.: Машиностроение, 1985.- 248 с., ил.

. Шаповалов, В.Е. Самые популярные стропы [Текст] / Основные средства. - 2004. - № 6. - С. 8-14.

. Экономика труда: Учебник2-е изд., перераб. и доп. / Под ред. Проф. П.Э. Шлендера и проф. Ю.П. Кокина. [Текст]: М.: Магистр, 2010.- 686 с.

Нормативная

25. ГОСТ 14637-89. Прокат толстолистовой из углеродистой стали обыкновенного качества. Технические условия. Взамен ГОСТ 14637-79, ГОСТ 380-71; введ. 1991-01-01. [Текст] - М.: Изд-во стандартов, 1991. - 9 с.

. ГОСТ 5264-80. Ручная дуговая сварка. Соединения сварные. Основные типы, конструктивные элементы и размеры. Взамен ГОСТ 5264-69; введ. 1981-06-30. [Текст] - М.: Изд-во стандартов, 1981. - 33 с.

. ГОСТ 14771-76. Дуговая сварка в защитном газе. Соединения сварные. Основные типы, конструктивные элементы и размеры. Взамен 14771-69; введ. 1977-07-01. [Текст] - М.: Изд-во стандартов, 1977. - 37 с.

. ГОСТ 9467-75. Электроды покрытые металлические для ручной дуговой сварки конструкционных и теплоустойчивых сталей. Типы. Взамен ГОСТ 9467-60; введ. 1977-01-01. [Текст] - М.: Госстандарт СССР: Изд-во стандартов, 1977. - 6 с.

. ГОСТ 8479-70. Поковки из конструкционной углеродистой и легированной стали. Общие технические условия. Взамен ГОСТ 8479-57; введ. 1971-01-01. [Текст] - М.: Межгосстандарт: Изд-во стандартов, 1971. - 9 с.

. ПОТ Р М-012-2000Межотраслевые правила по охране труда при работе на высоте. [Текст] Утв. постановлением Министерства труда и социального развития РФ от 4 октября 2000 г. № 68.

. ГОСТ 8509-93. Уголки стальные горячекатаные равнополочные. Сортамент. Взамен ГОСТ 8509-86; введ. 1997-01-01. [Текст] - М.: Изд-во стандартов, 1997. - 5 с.

. ГОСТ 535-2005. Прокат сортовой и фасонный из стали углеродистой обыкновенного качества. Общие технические условия. Взамен ГОСТ 535-88; введ. 2008-01-01. [Текст] - М.: Стандартинформ, 2008. - 12 с.

. РД 24.090.52-90Подъемно-транспортные машины. Материалы для сварных металлических конструкций. [Текст] (утв. Министерством тяжелого машиностроения СССР 01.10.1990 г. № 04-002-1-9254).

. СН 2.2.4/2.1.8.566-96Производственная вибрация, вибрация в помещениях жилых и общественных зданий. Санитарные нормы. [Текст] (утв. Постановлением Госкомсанэпиднадзора России от 31 октября 1996 г. № 40).

. СанПиН 2.2.4.548-96 Гигиенические требования к микроклимату производственных помещений. Санитарные правила и нормы. [Текст] (утв. ПостановлениемГоскомсанэпиднадзора России от 1 октября 1996 г., № 21).

. СП 52.13330.2011. Естественное и искусственное освещение. Актуализированная редакция СНиП 23-05-95*. [Текст] Взамен СНиП 23-05-95; введ. 2011-05-20. - М.: ОАО ЦПП, 2011. 68 с.

. СП 56.13330.2011. Производственные здания. Актуализированная редакция СНиП 31-03-2001. [Текст]Взамен СНиП 2.09.02-85; введ. 2011-05-20. - М.: ОАО ЦПП, 2011. 17 с.

. Федеральные нормы и правила в области промышленной безопасности. Правила безопасности опасных производственных объектов, на которых используются подъемные сооружения. [Текст] - М.: ЗАО НТЦ ПБ, 2013. 90 с.

Вспомогательная

39. Библиотека ГОСТов и нормативных документов. [Электронный ресурс] - режим доступа: http://libgost.ru.

. Кировский завод электромагнитов «Димал». [Электронный ресурс] - режим доступа: http://dimalmag.ru.

. Системы автоматизированного проектирования САПР CAD/CAM/CAE. [Электронный ресурс] - режим доступа: http://sapr-cad.ru.

. Череповецкий металлургический комбинат. [Электронный ресурс] - режим доступа:http://chermk.severstal.com.

Похожие работы на - Проект перевода электромостового крана №14558 в режим работы с электромагнитом на г/п 8,0 т. и разработкой траверсы

 

Не нашли материал для своей работы?
Поможем написать уникальную работу
Без плагиата!
Без нейросетей!