|
Радиальная
жёсткость, Дк/Sк
|
Давление
в гидросистеме измерительного ролика P2, МПа
|
|
1
|
2
|
|
Свеше15
12÷15
до
12
|
1,0÷1,5
1,5÷2,0 2,0÷2,5
|
Общее давление P3
в гидросистеме вспомогательных перемещений фиксатора, контрольного ролика;
загрузки и бабки раскатника для всех типоразмеров заготовок колец составляет
2,0÷2,5
МПа.
Давление P4 в пневмосистеме
измерительного устройства для всех типоразмеров заготовок колец составляет 0,15÷0,20
МПа.
Эта технология предъявляет более высокие
требования по точности и качеству поверхности к исходной заготовке под
раскатку.
Современная тенденция роста стоимости металла,
повышение требований к экономии при производстве подшипников, к их
долговечности неизбежно оказывает стимулирующее воздействие на развитие
внедрение холодной раскатки в подшипниковой промышленности. Рациональность
метода холодной раскатки заключается не только в экономии металла. Сравнение
микроструктуры деталей подшипников, полученных путем холодной профильной
раскатки и без неё, показывают, что после деформации в приграничных слоях
рабочих поверхностей (беговые дорожки) под действием формообразующих роликов
(валков) волокна располагаются концентрично раскатанным поверхностям.
Анализом результатов стендовых испытаний и
длительным опытом применения таких подшипников доказано, что долговечность
таких подшипников увеличивается. Это особенно эффективно при раскатке
внутренних колец, так как внутреннее кольцо, как правило, является «узким» местом
по усталостной долговечности.
Известно, что более равномерная структура
увеличивается стабильность долговечности, а конечные свойства закаленной стали
определяются исходным состоянием, элементами микро и макроструктуры, видом
предшествующей термообработки и пластической деформации.
В основе исходного состояния хромистой
подшипниковой стали имеются включения карбидов Fe3C
и (FeCr)3C,
а также неметаллические включения (сульфиты, оксиды, силикатные включения).
Как показали исследования микроструктуры деталей
подшипников, при холодной раскатки сульфиты и другие неметаллические включения
на раскатанных рабочих поверхностях распределяются более равномерно при их
значительном уплотнении.
Если крупные очаги неметаллических включений на
фоне закаленной мартенситности структуры деталей являются питтингов на рабочих
поверхностях колец и тел качения, то вполне естественно ожидать, что уплотнение
и более равномерное распределение неметаллических включений будет в дальнейшем
затруднять условия питтингообразования, повышать долговечность деталей и
соответственно подшипника. Стендовые испытания деталей подшипников, полученных
методом холодной раскатки показали рост долговечности подшипников в 1,5-2,0
раза. Это же подтверждается опытом эксплуатации у потребителей.
Из всего многообразия методов раскатки колец из
кольцевого полуфабриката (заготовки) в холодной раскатке получили наиболее
распространение: раскатка между двумя валками (внутренним и наружным) со
свободным ростом диаметральных размеров кольца - открытая раскатка; раскатка
внутренним валком в жёсткой матрице с ограничением роста размера наружного
диаметра - закрытая раскатка; раскатка внешним валком на оправе с ограничением
измерения внутреннего диаметра - полузакрытая раскатка. Торцевая - раскатка,
при которой часть сечения кольца деформируется вдоль оси заготовки с
образованием внешнего или внутреннего бурта.
Измерение наружного диаметра при закрытой
раскатке и внутреннего диаметра при полузакрытой раскатке не превышают величины
технологических зазоров между заготовкой и инструментом (матрицей или
оправкой).
Первый метод конструктивно реализован в машинах
холодной раскатки 4К-066, 4К-046, 4К-077 (изготовитель - ПО ГПЗ-4, г. Куйбышев,
Россия); УПВ-63, УРВА-100 (изготовитель - завод профиленакатных машин, г.
Бад-Дюбен, Германия); КРФ-70, КРФ-120 (изготовитель - «Койо-Сейко Корпорэйшн»,
г. Осака, Япония).
Второй метод использован в конструкции раскатной
машины МХР-01 (изготовитель - ГПЗ-8, г. Харьков).
Третий метод применён в конструкции раскатной
машины автоматической линии ИР-1003 английской фирмы «Форм-Фло».
Раскатная машина 4К-046 выпускалась двух
модификаций: А и Б. На автомате 4К-046А приводным является наружный валок, от
него вращение передаётся заготовке и далее к внутреннему валку. Опорный валок в
процессе раскатки перемещается за счёт кинематической связи через копир с
перемещением контрольного ролика.
Автомат 4К-046Б отличается от 4К-046А большим
усилием раскатки (15т) и наличием приводного механизма у внутреннего валка.
Опорный ролик установлен на штоке гидроцилиндра, а скорость перемещения
траверсы раскатного валка задаётся посредством регулирования скорости вращения
специального опорного эксцентрика, что позволяет обеспечивать постоянную подачу
в процессе раскатки.
Автомат 4К-077 самый мощный из выпускаемых моделей
серии 4К (25т).
Отличительная особенность автоматов 4К-046 и
4К-077 вертикальное расположение подвижного в радиальном и осевом направлениях
внутреннего раскатного валка. Процесс раскатки сопровождается обжатием стенки
кольца и увеличением его диаметральных размеров. По достижении размера
раскатного кольца величины, на 1,5-2,0 мм меньше конечного размера, сигнал от
первого датчика контрольного ролика поступают в систему управления, радиальное
перемещение нажимного внутреннего валка прекращается, и наступает период
выхаживания, во время которого калибруются геометрическая форма и размеры
раскатного кольца. По окончании процесса калибровки (достижения заданного
диаметра) сигнал от второго датчика контрольного ролика включает гидроцилиндр
нажимного механизма на обратный ход.
Общим недостатком машин этой серии являются
сложная процедура настройки автомата на раскатку определённого типа кольца
подшипника, а также относительно трудоёмкая операция замены раскатного
инструмента.
Принципиальная схема механизма раскатки машин
холодной раскатки 4К-066, 4К-046, 4К-077 и УРВА-100 показала на рисунке 1.2,
где приняты следующие обозначения: 1 - датчик размера; 2 - контрольный ролик;
3- опорный (центрирующий) ролик; 4 - внутренний ролик; 5 - раскатываемое
кольцо; 6 - наружный валок. Автомат УРВА-100 служит для раскатки внутренних и
наружных колец подшипников качения, а также других симметричных кольцевых
деталей с коэффициентом раскатки Кр=1,2-1,7.
Рисунок 1.2 - Конструкционная схема исполнительного
механизма машин холодной раскатки 4К-046, 4К-077, УРВА-100
Метод раскатки представляет собой технологию
формоизменения в холодном состоянии, которая в первую очередь отвечает
требованиям подшипниковой промышленности. Она обеспечивает кольца подшипника
качения точной формы и размеров. Исходная кольцевая заготовка подаётся на
оправку и затем за счёт вертикального перемещения суппорта наружного валка при
существующем усилии производиться раскатка до готовой детали с формированием
практически под шлифование.
Измерительная система блока управления после
достижения нужного чистового диаметра кольца вызывает возврат ролика, и процесс
раскатки завершается. Заготовки могут быть получены токарной обработкой
холоднотянутых и горячекатаных труб, а также поковок при условии, чтобы
колебания по твердости не превышали 20 HB.
Одинаковые максимальные допуски по ширине,
внутреннему и наружному диаметрам исходной кольцевой заготовки вызывают
удвоение допуска измеренного диаметра готового кольца.
Характерными признаками автомата для раскатки
колец УРВА-100 являются:
принцип открытой раскатки;
автоматическая загрузка-выгрузка;
свободный доступ к рабочему пространству;
точная настройка осей инструмента;
централизованное расположение органов
управления;
программируемая система управления;
электронная система измерения пути;
адаптивные связи;
небольшая занимаемая площадь.
Благодаря использованию автоматов для раскатки
колец УРВА-100 обеспечиваются следующие преимущества:
экономия металла;
повышения эксплуатационных свойств колец
(долговечности) до 50%;
небольшое время на переналадку - около 30 мин;
удобство обслуживания;
производительность 6-10 мм/мин;
диагностика машины;
экономия энергии;
уменьшение трудозатрат на токарных операциях;
отсутствие вредного влияния на окружающую среду.
На раскатной машине УРВА-100 можно изготавливать
кольца подшипников радиальных; радиально-упорных; сферических; роликовых с
цилиндрическими роликами; колец коробки передач автомашины.
Принципиальные схемы механизмов раскатки машин
холодной раскатки УПВ-63 и 4К-066 показаны на рисунке 1.3 и рисунке 1.4
соответственно. На этих рисунках приняты следующие обозначения: 1 - датчик
размера; 2 - контрольный ролик; 3 - опорный ролик; 4 - внутренний ролик; 5 -
раскатываемое кольцо; 6 - наружный валок.
Кольцераскатная машина УПВ-63 была
сконструирована на базе профиленакатного станка. Схема раскатки принципиально
не отличается от схемы машины 4К-046. В качестве исходной заготовки
используется кольцевой полуфабрикат, обточенный по всем поверхностям и шлифованный
по торцам.
Деформация заготовки осуществляется между
внутренним (оправкой) и наружным валиками. В качестве контрольно-измерительного
устройства используется гидравлически управляемая головка с двумя роликами,
симметрично расположенная относительно плоскости раскатки. Эти ролики
способствуют устойчивости кольца во время раскатки. Измерительная головка
связана с электрокомпаратором, переключающим режим работы наружного валка.
Рисунок 1.3 - Конструктивная схема исполнительного
механизма машины холодной раскатки УПВ-63
Рисунок 1.4 - Конструктивная схема
исполнительного механизма машины холодной раскатки 4К-066
Автомат 4К-066, самый маленький из выпущенных на
ПО ГПЗ-4, предназначен для раскатки мелких колец диаметром до 45 мм. Автомат
имеет горизонтальное исполнение раскатного узла. Отличительная особенность -
активный контроль внутреннего диаметра. Работа автомата выполняется следующим
образом. Заготовка подаётся в кольцевую матрицу и центрируется подпружиненными
упорами. Внутрь заготовки входит сепаратор с размещёнными в нём тремя рабочими
валами. Два штока от гидроцилиндра перемещаются навстречу друг другу и
воздействуют на конические поверхности рабочих валов, распирая и перемещая их в
радиальном направлении. Заготовка растягивается, принимая треугольную форму,
соприкасается с вращающейся матрицей и вращается вместе с ней. Установленные в
не вращающемся сепараторе валки, вращаясь от трения с заготовкой, осуществляют
её раскатку и перемещаются в радиальном направлении до заданного положения,
определенного положением штоков. После выглаживания раскатанной заготовки штоки
расходятся, сепаратор с рабочими валками выходит из рабочей зоны, и заготовка
выталкивается в отводящий желоб. Исходной заготовкой служит полученная из трубы
обточенная снаружи и расточенная изнутри заготовка с обработанными наружными
фасками. Для обеспечения минимальных объёмных отклонений заготовку подвергают
дополнительно одновременному шлифованию двух торцов. Раскатанная на автомате
модели МХР-01 заготовка перед термообработкой проходит операцию шлифования двух
торцов одновременно. Принципиальная схема механизма раскатки машины МХР-01
показана на рисунке 1.5, где: 1 - матрица; 2 - внутренний валок; 3 - раскатываемое
кольцо; 4 - опорный валок. Раскатная машина ИР-1003 входит в состав
автоматической линии холодной профильной раскатки из труб внутренних колец
радиальных шариковых подшипников с диапазоном наружного диаметра 23-95 мм
разработанной фирмы «Форм-Фло» (Англия).
Рисунок 1.5 - Конструктивная схема
исполнительного механизма машины холодной раскатки МХР-01
холодный раскатка подшипник станок
В автоматической линии реализован следующий
технический маршрут:
изготовление кольцевого полуфабриката из труб
обточной и малоотходным отделением вращающимися дисковыми ножами;
выталкивание двухсторонних фасок в отверстии;
промывка полуфабриката;
холодная профильная раскатка.
Компоновочная схема механизма раскатки машины
ИР-1003 показана на рисунке 1.6.
Рисунок 1.6 - Конструктивная схема
исполнительного механизма станка ИР-1003 для холодной раскатки
Холодная раскатка колец производиться следующим
образом (см. рисунок 1.6). На неподвижном 1 и подвижном 7 суппортах установлены
внешние валки 2 и 6, формующие наружный профиль кольца 5. Исходная заготовка 9
помещается в ручей свободно вращающейся разъёмной оправки 4 и раскатывается
между деформирующими валками. Два поддерживающих свободно вращающихся ролика 3
ограничивают увеличение диаметральных размеров кольца и уменьшают отклонение от
округлости. Такая четырёхвалковая схема обеспечивает высокую точность обработки
и исключает охватывание оправки кольцом.
В процессе раскатки смещаемый объём металла в
зоне дорожки качения и фасок перетекает в ширину кольца. Части оправки
удерживаются при этом от расхождения боковыми щеками 8, закреплёнными на
формующих валках. Раскатанные кольца перед термической обработкой не
подвергаются механической обработке, припуски на шлифование соответствуют
получаемым по действующей на подшипниковых заводах технологии.
Расчёты показывают, что внедрение технологии
холодной раскатки заготовок внутренних колец радиальных шариковых подшипников
обеспечивает экономию металла 20-24% по сравнению с существующей технологией
точения из труб на многопрофильных автоматах, при этом разделение труб роликами
даёт экономию 6-8%, а профилирование колец раскаткой 14-16%.
Все созданные машины холодной раскатки работают
в дискретном режиме цикла (загрузка - раскатка- выгрузка). Операции загрузки и
выгрузки занимают более 50% общего времени цикла, поэтому с целью повышения
производительности машин перспективным направлением является разработка машин
непрерывного действия (роторного типа).
Способ холодной торцовой раскатки в настоящее
время разрабатывается для изготовления кольцевых деталей с буртами. Азовское
специальное конструкторское бюро кузнечно-прессового оборудования и
автоматических линии совместно с ЛПИ разработало конструкцию машины для
холодной торцовой раскатки, которая послужила базой для станков моделей СО-424
и СА-0428. Схема раскатки одинаковая для всех машин. Схема раскатки
представлена на рисунок 1.7.
Торцовая раскатка осуществляется следующим
образом. В матрицу 2, закреплённую на шпинделе станка, устанавливается
заготовка 4, частично выступающая из матрицы. Рабочий валок 5подводится к
заготовке под углом α (изменяется
от 0° до 15°) к оси шпинделя в горизонтальной плоскости, при этом поверхность А
рабочего валка касается внутренней поверхности заготовки, а поверхности Б
упирается в торец заготовки. Для поддержания консольно-расположенного рабочего
валка установлен поддерживающий ролик 6. Шпиндель станка вместе с матрицей и
заготовкой приводиться во вращение. Рабочий (раскатной) валок, вращаясь от
трения с заготовкой и перемещаясь вдоль оси матрицы, раскатывает заготовку, при
этом металл заготовки вытесняется в свободное пространство, образованное
матрицей, формующим роликом 3 и рабочим валком. На торце заготовки образуется
бурт. Базирование исходной заготовки и выталкивание раскатанной осуществляется
выталкивателем 1.
Внедрение станков для торцевой раскатки при
изготовлении заготовок колец с буртом типа закрепительно-стяжных втулок или
колец роликовых подшипников экономит до 20-30% металла.
Рисунок 1.7 - Схема торцевой раскатки
2.
КОНСТРУКТОРСКАЯ ЧАСТЬ
2.1 Состав и компоновка станка - автомата
1Б290-6
Автоматы токарные многошпиндельные патронные
горизонтальные повышенной точности 1Б290-6, 1Б290-8 предназначены для
изготовления деталей из штучных заготовок (отливок, штамповок, поковок) в
условиях массового, крупносерийного и серийного производства при повышенных
требованиях к точности обрабатываемых деталей.
Перечень составных частей станка:
1. Станина;
2. Коробка передач;
3. Шпиндельный блок;
4. Распределительный вал;
5. Продольный суппорт;
6. Верхние поперечные суппорты;
8. Шпиндельный барабан;
. Охлаждение;
11. Гидрооборудование и система смазки;
. Электрооборудование;
. Привод независимых устройств;
. Командоаппарат;
. Транспортёр стружки;
. Оснастка и приспособления;
. Щит ограждения задний;
. Щит ограждения передний;
. Верхние щиты;
. Привод продольного суппорта;
24. Механизм поворота шпиндельного барабана;
25. Механизм фиксации шпиндельного барабана;
27. Механизм контроля подъёма барабана;
28. Задний средний суппорт;
31. Привод поперечных суппортов;
32. Механизм подъёма барабана;
. Привод упоров суппортов;
. Гидростанция;
. Панель управления станком;
. Поперечный и продольный суппорт раскатки.
Компоновка станка состоит из корпуса,
выполненного в виде замкнутой портальной конструкции. На литой коробчатой
станине расположены шпиндельный блок 3, в котором смонтирован шпиндельный
барабан 8, с рабочими шпинделями. Шпиндели оснащены патронами для зажима обрабатываемой
заготовки. Кроме барабана, в шпиндельном блоке расположены рычаги и тяги
привода 31 поперечных суппортов, механизмы фиксации барабана 25, подъёма
барабана и контроля подъёма 27. На верхней плоскости блока смонтирован механизм
поворота барабана 24. На зеркале шпиндельного блока смонтированы средний 28 и
суппорта раскатки 36.
На станине с левой стороны расположена коробка
передач 2, где находятся привод главного двигателя (рабочих шпинделей), привод
подачи (к распределительному валу), привод инструментальных шпинделей
(устройство для сверления, разворачивания и резьбонарезания 21); наладочный
привод, рычаги привода 20 продольного суппорта. Сзади коробки прикреплён
электрошкаф 12. Между коробкой и блоком расположен продольный суппорт 5. На
коробке и шпиндельном блоке лежит траверса 4, внутри, которой расположен
распределительный вал для управления всеми механизмами станка. На траверсе
расположены верхние поперечные суппорты 6.
По специальному заказу на траверсе может быть
установлен вспомогательный чистовой продольный суппорт с независимыми
приводами. Кроме этого в траверсе расположены верхние рычаги привода суппортов
31, рычаги привода независимых устройств 13, рычаги фиксации. Сбоку траверсы
установлен командоаппарат 14, управляющий электромагнитными муфтами коробки
передач и соленоидами золотников гидрооборудования. На траверсе, блоке и
коробке передач расположены верхние щипы 19. За коробкой передач в станине
расположены помпы и отсек для охлаждающей жидкости 10, главный двигатель. В
нише шпиндельного блока на станине расположена насосная установка 11
гидрооборудования, с торца станины монтируется выносная насосная установка
смазки, отсек для масла расположен в станине под установкой гидрооборудования.
За коробкой передач на станине расположен транспортёр 15 для удаления стружки.
Рабочее пространство станка закрыто оградительными щитами 17, 18.
Станок представляет собой автомат
последовательного действия. Заготовка, закреплённая в каждом из шпинделей,
проходит последовательно обработку во всех позициях. Шпиндельный барабан в
начале каждого цикла поворачивается и фиксируется на одну позицию.
За 1оборот распределительного вала совершается 1
рабочий цикл. Часть оборота распределена от 0° до 210° идёт на вспомогательные
движения и производится быстро с постоянной скоростью 94 мин-1. В
это время производиться отвод суппортов, разжим патрона и зажим, поворот
шпиндельного барабана на очередную позицию, подвод суппортов. Остальная часть
оборота распределена от 210° до 360°, идущая на рабочую подачу инструментов,
производится медленно со скоростью, зависящей от настройки гитары подач.
2.2 Механизм холодной раскатки колец подшипников
для автомата 1Б290
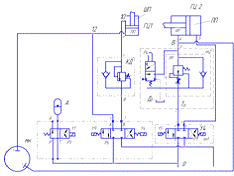
Работа в автоматическом режиме. Схема
предусматривает два возможных варианта работы: основной (А) и запасной (В).
Кроме того, предусмотрены два режима раскатки:
) фиксация раскатников;
) автоматический отвод раскатников под действием
сил рабочего процесса.
Основной вариант (А) (см. лист 2): управление
подачей раскатников от линейного кулачка К, установленного на подвижном
поперечном суппорте. В данном варианте для регулирования подачи применяются
распределитель Р4 с механическим управлением и регулятором расхода РР.
Быстрое перемещение механизма в рабочую зону.
Механизм работает следующим образом. По окончании поворота шпиндельного блока
автомата включается электромагнит Y1,
распределитель Р1 переключается в правую (по схеме) позицию и механизм раскатки
МР посредством гидроцилиндра ГЦ1 перемещается в рабочую зону (по схеме - вниз).
Выключается конечник В1, включается конечник В2
и электромагнит Y4. При
раскатке колец в режиме фиксации раскатников, одновременно должен выключиться
электромагнит Y1, при этом
распределитель Р1 займёт среднюю позицию и запрёт полости гидроцилиндра ГЦ1.
Быстрый подвод раскатников происходит при
включении электромагнита Y4,
распределитель Р2 включится в правую (по схеме) позицию и осуществляется
быстрое перемещение раскатников навстречу друг другу. При этом жидкость из
левой полости гидроцилиндра ГЦ2 свободно вытесняется в бак через распределитель
Р4.
Процесс раскатки. В конце быстрого подвода
кулачок К переключает распределитель Р4 вниз (по схеме), сопротивление потоку
жидкости через него возрастает, скорость движения раскатников плавно
уменьшается. Идет процесс раскатки. Скорость подачи при этом определяется
формой профиля кулачка и рабочей кромки золотника распределителя Р4. Питание
системы осуществляется при этом от насоса высокого давления Нрх.
Поток жидкости двигается следующим образом:
Когда замкнутся контакты конечника В4
измерительного устройства, выключится электромагнит Y4,
распределитель Р2 займёт среднюю позицию и запрёт полости гидроцилиндра ГЦ2.
Раскатка продолжается при остановленном поршне ГЦ2, идёт процесс выхаживания до
срабатывания конечника В5 измерительного устройства, который фиксирует
окончательный размер кольца.
Быстрый отвод раскатников осуществляется
включением электромагнита Y5,
распределитель Р2 включается в левую (по схеме) позицию и реверсирует ГЦ2,
раскатники быстро расходятся в исходное положение.
Быстрый отвод механизма раскатки. В исходном
положении ГЦ2 включает конечник В3, выключатся магниты Y5
и Y1 (если раскатка
происходила в режиме автоматического отвода раскатников), включится магнит Y2.
Распределитель Р1 включится в левую (по схеме) позицию. Гидроцилиндр ГЦ1
выведет механизм раскатки из рабочей зоны. Поток жидкости двигается следующим
образом:
Выключается В2, Y2
и включается В1, после чего подаётся команда на поворот шпиндельного блока
автомата.
Для регулирования давления в системе служит
панель регуляторов давления (ПРД).
Насосная установка НУ включает два насоса: один
Нбх - для осуществления быстрых ходов и вспомогательных движений,
второй Нрх. - для рабочих подач. Клапан КП1 настроен на высокое
давление и при быстрых ходах закрыт. При быстрых ходах жидкость от насоса Нбх.
проходит через обратный клапан КО и, объединяясь с потоком жидкости от насоса Нрх,
направляется в систему. Давление на выходе из насосов регулируется клапаном
КП2.
При соприкосновении раскатников с заготовкой в
начале раскатки давление в напорной линии увеличивается, клапан КО закрывается,
а КП1 - открывается и регулирует давление на выходе из насоса Нрх,
от которого и происходит питание ГЦ2.
В приводе перемещения механизма раскатки в
рабочую зону установлен клапан давление КД, который регулирует давление в
штоковой полости (ШП) гидроцилиндра ГЦ1 в процессе раскатки.
Управление подачей раскатников. В гидроприводе
подачи раскатников в линии, присоединённой к штоковой полости (ШП)
гидроцилиндра ГЦ2, параллельно распределителю Р4 установлен регулятор расхода
РР с обратным клапаном. Он предназначен для поддерживания постоянного перехода
давления на дросселирующей щели распределителя Р4, что позволит обеспечить
стабильный закон изменения величины подачи раскатников в процессе раскатки.
Вариант В (запасной): управление подачей
раскатников от дискового кулачка К1 с электромеханическим приводом
(электродвигатель М2 - червячный редуктор 1/80). Для управления подачей
применяется дросселирующий распределитель Р5 специальной конструкции с
механическим управлением.
По окончании быстрого подвода раскатников, когда
разомкнуться контакты В3, включается электродвигатель М2, который приводит во
вращение кулачок К1, управляющий распределителем Р5. Последний установлен в
линии, присоединённой к штоковой полости ШП гидроцилиндра ГЦ2 (вместо
Р4).Вместо регулятора расхода устанавливается обратный клапан КО1. Идёт процесс
раскатки колец.
Поток жидкости двигается следующим образом:
Закон изменения подачи в процессе раскатки
определяется формой рабочей кромки золотника распределителя Р5.
Когда замкнутся контакты В4 измерительного
устройства, выключится М2. Раскатка продолжается на остановленном кулачке
(процесс выхаживания) до срабатывания конечника В5, который фиксирует
окончательный размер кольца. Когда ГЦ2 возвратится в исходное положение и
замкнутся контакты В3, включается электродвигатель М2 для поворота кулачка К1 в
исходное положение. При этом замкнутся контакты В6 и электродвигатель М2
выключится.
Для улучшения энергетических характеристик
привода и уменьшения пульсацией давления в схему введён пневмогидравлический
аккумулятор А, который подключён к напорной линии насосов через распределитель
Р3. Последний служит для отключения аккумулятора А при выключении насосов, что
предотвратит его непроизводительную разгрузку и отрицательное влияние на работу
насоса.
При включении насосов одновременно включается
магнит Y3, в результате
чего аккумулятор подключится к гидросистеме.
При выключении насосов выключится Y3
и полость аккумулятора заглушается.
Обозначения на схеме:
ПП - панель подач;
ПРД - панель регулирования давления;
ПР - панель распределителей;
А - аккумулятор пневмогидравлический;
НУ - насосная установка.
2.3 Расчёт
и выбор гидроаппаратуры
Привод подач раскатников.
Гидроцилиндр Ø180/60-70:
) максимальное усилие, Rmax=8
т;
) скорость холодного хода, Vх.х=0,75
м/мин;
) скорость рабочей подачи, Vр.п=0÷20
мм/мин;
) скорость раскатки 90 м/мин.
На рисунке 2.1. показаны параметры привода подач
раскатников.
Рисунок 2.1 - Привод подач раскатников
Площадь цилиндра F2
определим по формуле:
F2=π/4(D2∙d2),
м2, (2.1)
F2=π/4∙0,182∙0,062=2,26∙102
м2.
Площадь цилиндра F1
определим по формуле:
F1=πD2/4,
м2, (2.2)
F1=π/4∙0.182=2.54∙102
м2,
P1=/F1(P2F2+RΣ),
МПа, (2.3)
МПа. Принимаем 0,9
МПа.
Давление в правой полости определим по формуле:
P1=1/F1(P2F2+Rmax),
МПа,
(2.4)1=1/254(0,9∙106∙226+80000)=4,55
МПа.
Требуемое давление насоса Pн=6,3
МПа.
Расходы жидкости, требуемые для питания ГЦ.
При холостом ходе:
м/мин.
Расходы жидкости при быстром отводе определим по формуле:
QБО=vххF2,
л/мин, (2.5)
QБО=0,75/60∙2,26∙102
=16,95 л/мин.
Расходы жидкости при быстром подводе определим
по формуле:
QБП=vхх∙F1,
л/мин, (2.6)
QБП=0,75/60∙2,54∙102
=19,05 л/мин.
При рабочей подаче определим по формуле:
Qр.п=vр.п∙F1 ,
л/мин,
Qр.п=0,04/60∙2,26∙105=0,9
л/мин.
Привод перемещения раскатников.
На рисунке 2.2 показана схема привода
перемещения.
Гидроцилиндр: Ø60/36х220,
скорость перемещения Vпр=0,75
м/мин. Давление насоса вспомогательного движения Pнв=1,8÷2
МПа.
Рисунок 2.2 - Схема привода перемещения
раскатников
Площадь цилиндра F2
определим по формуле:
F2=π/4(D2∙d2),
м2, (2.8)
F2=π/4((0,06)2∙(0,036)2)=1,8∙103
м2.
Площадь цилиндра F1
определим по формуле:
F1=π
D2/4,
м2, (2.9)
F1=π
/4 ∙(0,06)2=2,82∙103 м2,
P1F1=P2F2+RΣ,
МПа, (2.10)
МПа. Принимаем 0,9
МПа.
Давление жидкости в полости Р1
определим по формуле:
P1=1/F1(P2F2+Rmax),
МПа.
(2.11)
Максимальное усилие определим по формуле:
Rmax=μпр∙Gп+mп∙a,
Н, (2.12)
Rmax=0,0012
∙ 3000+3000 ∙1= 3003 Н,
Р1=1/2,82∙10-3(0,9∙106∙1,8∙10-3+3003)=1,63
МПа.
Выбираем насос с запасом , Pн=6,3
МПа. Расходы жидкости, требуемые для питания ГЦ.
При холостом ходе: vх.х=0,75
м/мин.
QБО=0,75/60∙1,8∙10-3=2,2∙10-5
м3/с=1,35 л/мин,
QБП=0,75/60∙2,82∙10-3=3,52∙10-5
м3/с=2,1 л/мин.
Выбор насосной установки устанавливается исходя
из требуемых расходов жидкости и давления ГП.
л/мин.
Номинальная подача насоса Qн должна
превышать найденный расход, то есть: QН
≥ Qmаx.
Величина требуемого давления на выходе из насоса
определяется по формуле:
Pн=
P1+
∆Pн,
МПа, (2.13)
где ∆Pн
- суммарные потери давления в линии, соединяющей насос с ГД при рабочем ходе
определяется по формуле:
Pн=
3/2P1,
МПа, (2.14)
Pн=
3/2 ∙ 4,55 =6,8 МПа.
Выбираем Pст.=6,3
МПа. На основании полученных знаний Qн. и Pн. из
справочника [1] выбираем модель насосной установки и регулирующую
гидроаппаратуру.
Насос 3С160В2В6 5/354 УХЛ4
- исполнение по высоте гидрошкафа;
С - тип насосной установки;
- вместительность бака, 160 л;
В - с воздушным маслоохлаждением;
В - вертикальной компоновки насосного агрегата;
- номинальное давление насоса, 6,3 МПа;
/35 - номинальная подача насоса, л/мин;
- мощность кВт электродвигателя привода;
УХЛ4 - климатическое исполнение и категория
размещения.
Насосный агрегат: ( 5Г12-24АМ/4А112МВ6
)/6Г43-33,
Г12-24АМ - тип насоса;
А112МВ6 - тип электродвигателя.
Выбор гидроаппаратуры производится из справочной
литературы [1] по величине расхода и рабочего давления в той линии, где
установлен аппарат, номинальное значение расхода и давления должны быть
ближайшими большими к расчётным значениям.
Выбираемые аппараты должны соответствовать
заданному способу монтажа, в нашем случае - стыкового.
Распределитель Р5, ВЕ10.574 Г24:
В - гидрораспределитель золотниковый;
Е - управление электромагнитное;
- диаметр условного прохода, мм;
- исполнение по гидросхеме;
Г24 - постоянный ток напряжением 24В.
Распределитель Р1, ВЕ10.44 Г24:
В - гидрораспределитель золотниковый;
Е - управление электромагнитное;
- диаметр условного прохода, мм;
- исполнение по гидросхеме;
Г24 - постоянный ток напряжением 24В.
Распределитель Р4, ВМР10.573:
В - гидрораспределитель золотниковый;
МР - управление от ролика;
- диаметр условного прохода, мм;
- исполнение по гидросхеме.
Qн=33
л/мин; Pн=32
МПа. Регулятор расхода РР, МПГ 55-34 М:
М - международные присоединительные размеры;
П - стыковое присоединение;
Г 55-3 - обозначение по классификатору
станкостроения;
- исполнение по диаметру условного прохода, Ду=20
мм;
М - модернизованная конструкция.
Qн=100
л/мин; Pн=20
МПа. Клапан давления КД ПВГ 66-32М:
П - стыковое исполнение;
В - исполнение по давлению на 10 МПа;
Г 66-3 - обозначение по классификатору
станкостроения, гидроклапан давления;
- исполнение по диаметру условного прохода, 10
мм;
М - модернизованная конструкция.
Клапан давления КП1, ПБГ 54-32М:
П - стыковое исполнение;
Б - исполнение по давлению, 6,3 МПа;
Г 54-3 - обозначение по классификатору
станкостроения, гидроклапан давления;
- исполнение по диаметру условного прохода, 10
мм;
М - модернизованная конструкция.
Qн=32
л/мин; Pн=6,3
МПа. Клапан давления КП2, ПГ 54-34М:
П - стыковое исполнение;
Г 54-3 - обозначение по классификатору
станкостроения, гидроклапан давления;
- исполнение по диаметру условного прохода, 20
мм;
М - модернизованная конструкция.
Qн=125
л/мин; Pн=2,5
МПа. Клапан обратный КО-20-2:
- диаметр условного прохода, мм;
- конструктивное исполнение.
Qн=125
л/мин; Pн=32
МПа. Переключатель манометра Р5, 3М6.С320:
М - золотниковый манометр;
- давление 32 МПа.
Манометр МН МТП-2/1:
МТП-2 - манометр с трубчатой пружиной
показывающий диаметр корпуса 60 мм;
- конструктивное исполнение: без фланца с
радиальным штуцером.
А - аккумулятор пневмогидравлический
АПГ-Б6,3/20:
Б - вертикальное положение при монтаже;
,3 - вместимость 6,3 дм3;
- номинальное давление 20 МПа.
После расчёта расходов, давления и выбора
гидроаппаратуры производим расчёт трубопроводов.
Внутренний диаметр трубопровода определяем по
формуле:
d=2√Q/π│v│,
мм, (2.15)
где Q
- максимальный расход жидкости в трубопроводе;
│v│-
рекомендуемая скорость течения жидкости в трубопроводе.
Минимально допустимая толщина стенки
трубопровода
определяем по формуле:
δ=P∙dст/
2δср∙КБ,
мм, (2.16)
где Р - максимальное давление жидкости в
трубопроводе;
σвр
- предел прочности на расстояние материала трубопровода;
Трубопроводы разбиваем на участки (см. рисунок
2.3) и производим расчёт для каждого участка.
Участок 1 - 2 - 3 - 4 - напорно-сливной.
Рн=6,3 МПа; v=2
м/с; QБО=2,8∙10-4
м3/с.
d = 2√(2,8∙10-4/3,14∙2)=0,013
м = 13 мм,
δ=6,3∙16/2∙340=0,296
мм.
На основании расчётных значений d
и δ
для
различных линий гидросистемы выбираются стандартные трубы и рукава, у которых
внутренний диаметр и толщина стенки (dст
и δст)
являются ближайшими большими к расчётным. dст.=16
мм.
Выбираем рукав 2-16-210/125:
- тип рукава, с двумя металлическими оплётками;
-- внутренний диаметр, мм;
- рабочее статическое давление, кгс/см2;
- рабочее динамическое давление, кгс/см2.
Принципиальная гидравлическая схема показана на
рисунке 2.3.
Выбираем трубу, которая соединена с рукавом и
идёт от гидростанции:
δпр=6,3∙14/2∙340=0,26
мм.
Выбираем трубу 18-2.
Участок 5 - 6 - напорно-сливной.
Pн=6,3
МПа; QБП=3,17∙10-4
м3/с; v=2 м/с.
d = 2√(3,17∙10-4/3,14∙2)=0,0142
м = 14,2 мм,
δпр=6,3∙16/2∙340∙2=0,296
мм.
Рисунок 2.3 - Принципиальная гидравлическая
схема
Выбираем рукав 2 -16-210/125.
Расчёт трубы:
δпр=6,3∙14/2∙340=0,26
мм.
Выбираем трубу 18-2.
Участок 7 - 8 - 9 - 10 - напорно-сливной.
Pн=6,3
МПа; QБЛ=3,5∙10-5
м3/с; v=2 м/с.
d = 2√(3,5∙10-5/3,14∙2)=0,0047
м = 4,7 мм,
δ=6,3∙10/2∙340=0,185
мм.
Выбираем рукав 2-10-210/125.
Расчёт трубы:
δ=6,3∙8/2∙340=0,15
мм.
Выбираем трубу 12-2.
Участок 11 - 12 - 13 - напорно-сливной.
Pн=6,3
МПа; QБО=2,2∙10-5
м3/с; v=2 м/с.
d = 2√(2,2∙10-5/3,14∙2)=0,0037
м = 3,7 мм,
δ=6,3∙10/2∙340=0,185
мм.
Выбираем рукав 2-10-210/125.
Расчёт трубы:
δ=6,3∙8/2∙340=0,15
мм.
Выбираем трубу 12-2.
Перечень всех гидроаппаратов приведён в
приложении 2.
.4 Динамический расчёт гидропривода подач
Динамический расчёт производится для процесса
торможения рабочего органа при переключении с БП на РП или при его остановке
после БП и включает две задачи: синтез и анализ.
Задача синтеза заключается в определении
геометрической характеристики управляющего (тормозного) гидроустройства (УГУ),
исходя из требуемого закона движения выходного звена ГД, подборе необходимых
форм и размеров УГУ.
Задача анализа заключается в определении закона
движения выходного звена ГД при известной геометрической характеристике УГУ -
это зависимость площади проходного сечения
fy
устройства от перемещения его подвижного элемента, то есть fy=f(Y).
В качестве заданного закона движения выходного
звена ГД в процессе торможения принимаем закон постоянного ускорения, то есть: α
= αn=
const
x=vyt-(1/2ant),
(2.17)
где vy
- скорость установившегося движения.
Расчёт производим по программе GIDRO,
исходными данными, к которой являются:
. Положение УГУ - на выходе;
. Номинальное давление системы Pном,
Мпа: 6,3;
. Кинематическая вязкость жидкости Ny.u,
мм2/с: 20;
. Плотность рабочей жидкости Ro,
кг/м3: 900;
. Тип гидродвигателя: гидроцилиндр;
. Вид управления УГУ: по пути;
. Проекция сил веса подвижных частей, Н:О;
. Масса подвижных частей, приведённая к поршню,
кг: 300;
. Диаметр поршня, м: 0,18;
. Диаметр штока, м: 0,06;
. Угол кулачка, град.: 18;
. Скорость установившегося движения, м/с: 0,023;
. Ускорение торможения, м/с2: 1;
. Количество трубопроводов в напорно-сливной
линии: 0;
. Количество аппаратов в напорно-сливной линии:
0.
. Трубопроводы в сливной линии: 3;
Трубопроводы в сливной линии приведены в таблиц
2.1.
. Трубопроводы в напорной линии: 3;
Трубопроводы в напорной линии приведены в
таблице 2.2.
. Количество гидроаппаратов в сливной линии: 3;
Количество гидроаппаратов в сливной линии
приведено в таблице 2.3.
. Количество гидроаппаратов в напорной линии: 3.
Количество гидроаппаратов в напорной линии
приведено в таблице 2.4.
Таблица 2.1 - Количество трубопроводов в сливной
линии
|
№
п/п
|
Длина,
м
|
Диаметр,
м
|
Коэффициент
местных потерь
|
|
1
|
2
|
3
|
4
|
|
1
|
0,5
|
0,016
|
0,00391
|
|
2
|
1,2
|
0,014
|
0,0433
|
|
3
|
1,2
|
0,012
|
0,433
|
Таблица 2.2 - Трубопроводы в напорной линии
|
№
п/пДлина, мДиаметр, мКоэффициент местных потерь
|
|
|
|
|
1
|
2
|
3
|
4
|
|
1
|
0,5
|
0,016
|
0,00456
|
|
2
|
1,2
|
0,014
|
0,0456
|
|
3
|
1,2
|
0,012
|
0,0344
|
Выбираем конический золотник диаметром 0,016 м,
углом 40˚ и высотой конуса 0,00013 м.
Таблица 2.3 - Количество гидроаппаратов в
сливной линии
|
№
п/п
|
Потери
давления при номинальном расходе, МПа
|
Номинальный
расход, л/мин
|
Давление
открытия клапана, МПа
|
|
1
|
2
|
3
|
4
|
|
1
|
0,036
|
125
|
1
|
|
2
|
0,005
|
33
|
1
|
|
3
|
0,007
|
33
|
1
|
Таблица 2.4 - Количество гидроаппаратов в
напорной линии
|
№
п/пПотери давления при номинальном расходе, МПаНоминальный расход,
л/минДавление открытия клапана, МПа
|
|
|
|
|
1
|
2
|
3
|
4
|
|
1
|
0,011
|
33
|
1
|
|
2
|
0,007
|
33
|
1
|
2.5 Расчёт резьбового соединения
Определяем диаметр болта (см. лист, позиция 5),
при помощи которого герметизируется гидроцилиндр поперечного суппорт.
Гидроцилиндр вызывает усилие в 8000 кг.
Внутренний диаметр резьбы болта определяется по
формуле:
d1≥√(2KδX∙Fвн∙│Sa│)/(πεσσ1pc∙Ky∙β),
мм, (2.20)
где Кσ
- ффективный коэффициент концентрации напряжений в резьбе;
- допустимый коэффициент запаса прочности;
εσ -
коэффициент влияния абсолютных размеров болта;
Ку - коэффициент, учитывающий
технологическое упрочнение резьбы, Ку=1;
Β - коэффициент
конструктивного упрочнения, β=1,5.
Для формулы рекомендуется принимать: x=0,25;

=3,5; Кσ
εσ =9.
d1≥√(9∙2∙8000∙3,5)/(3,14∙360∙1∙1,5)=17,2
мм.
Принимаем d1ст=20
мм.
Проведём проверочный расчёт на прочность
циклическую. При изменении внешней нагрузки коэффициент запаса прочности Sa
находится из отношения:
Sa=σα
lim/
σα≥
│Sa│,
(2.21)
где σalim
- предел выносливости болта и находим из формулы:
σalim=εσ
σ-1р.с Ку
β/ Кσ,
Н∙м. (2.22)
Здесь εσ
определяется в зависимости от диаметра болта [3, страница 198]. Принимаем εσ=0,66.
Коэффициент Кσ
находится из зависимости по формуле:
Кσ=1+qσ(ασ-1),
(2.23)
где qσ
-
коэффициент чувствительности материала к концентрации напряжений, qσ=0,55
для углеродистых сталей;
ασ
- теоретический коэффициент концентрации напряжения (для метрической резьбы по
СТ СЭВ 180-75 ασ=10);
εσ
- коэффициент влияния абсолютных размеров болта.
Действующая амплитуда напряжений:
σa=2XFвн/(πd12),
МПа, (2.24)
Кσ=1+0.55(10-1)=5,95,
σalim=0,66∙360∙1∙1,5/5,95=59,89,
σa=2∙0,25∙8000/(3,14∙202)=3,18,
Sa=59,89/3,18=18,8>[3,5]
Рассчитанный болт диаметром d1=20
мм сможет выдержать циклическую нагрузку равную 8000 кг.
3 ТЕХНОЛОГИЧЕСКАЯ ЧАСТЬ
В данном разделе дипломного проекта приводится
методика разработки технологического процесса изготовления плиты
гидравлического блока управления. Разработать технологический процесс
изготовления детали плита с применением станков с ЧПУ. Сведения для
проектирования: Годовая программа выпуска детали N = 300 шт. Технические
требования на изготовление детали приведены на конструкторском чертеже.
Определим действительный годовой фонд времени
работы оборудования определяем по формуле (3.1)
Fд=(D-d)·h·S·Kp,
ч, (3.1)
Fд =
(365-113)∙2∙8∙0,97=3912 ч,
где d
- количество нерабочих дней;
h - продолжительность
смены;
S - количество смен
в сутки;
Кр - коэффициент планируемых потерь
времени.
Для изготовления плиты используется сталь 20
ГОСТ 1050-88. Для всех углеродистых сталей наиболее значимым является процент
содержания в общем составе углерода. Этот показатель и указывается в марке в
сотых долях процента. Полный химический состав Стали 20 будет следующим: железо
(Fe) - до 98%; углерод (C) - от 0,17 до 0,24%; марганец (Mn) - от 0,35 до
0,65%; никель (Ni) - до 0,25%; сера (S) - до 0,04%; фосфор (P) - до 0,04%; хром
(Cr) - до 0,25%; медь (Cu) - до 0,25%; мышьяк (As) - 0,08%.
3.1 Описание назначения и конструкции детали
Плита является частью гидроблока управления для
холодной раскатки применяемый в токарном автомате 1Б290-6. Данная плита служит
для монтажа на ней гидроаппаратуры и трубопроводов. Присоединяемые аппараты
должны полностью прилегать к поверхности плиты, чтобы предупредить утечки
масла, поэтому эти поверхности необходимо шлифовать.
3.2 Технологический контроль чертежа
В целом конструкторский чертеж содержит
необходимую информацию для технологического проектирования. Это подтверждается
тем что: изображение детали адекватно (однозначно, воспроизводимо); указаны все
размеры; на все размеры имеются допуски, указанные по действующему стандарту;
на все поверхности указаны требования по шероховатости с использованием
параметров Ra; имеются технические условия на изгото вление детали.
3.3 Анализ технологичности конструкции
Технологичность конструкции детали на стадии
эскизного проектирования не может оцениваться чисто экономическими
показателями. Технологичность конструкции определена по соотношению
положительных и отрицательных элементов. В целом конструкция детали является
технологичной. Элементы технологичности конструкции детали: деталь изготовлена
из технологичного материала - сталь 20, которая хорошо обрабатывается
лезвийными и абразивными инструментами, а так же термически обрабатываема.
Рациональность и простота конструкции. Не высокая материалоемкость и
трудоемкость изготовления детали. Высокая жесткость детали. Возможность
использования типовых методов обработки (сверлильная, фрезерная, шлифовальная).
Возможность применения типового технологического оборудования. Возможность
применения типовых стандартных инструментов. Размеры и поверхности детали имеют
соответственно оптимальные степени точности и шероховатости. Конструкция детали
обеспечивает возможность применения типовых и стандартных технологических
процессов ее изготовления.
.4 Выбор метода изготовления и формы заготовки
Метод создания заготовки определяется
назначением и конструкцией детали, материалом, техническими требованиями,
масштабом и серийностью выпуска, а также экономичностью изготовления. В
машиностроении для изготовления деталей типа корпус наиболее подходящим методом
получения заготовки является поковка. Штамповка не подходит, как метод
изготовления заготовки при мелкосерийном производстве. Заготовка из проката
показана на рисунке 3.1.
Возможные формы заготовок:
а) Прокат сортовой стальной горячекатаный
полосовой, полоса стальная 55х220х220х6000 (ГОСТ 103-2006, ТУ, ТС);
б) литье (отливка). Форма заготовки показана на
рисунке 3.2.
Рисунок 3.1 - Прокат листовой Г/К
Рисунок 3.2 - Литье (отливка)
3.5 Выбор структуры и плана обработки
В машиностроении для изготовления деталей типа
корпус используются типовые технологические процессы, учитывающие:
1) формы поверхностей;
2) технологические базы;
) точность и степень точности;
4) тип производства.
Типовые и унифицированные технологические
процессы приведены в [3].
Виды обработки детали: фрезерная, сверлильная,
шлифовальная, слесарная. Маршрут изготовления детали включает следующие
операции:
. Фрезерная 1;
. Фрезерная 2;
. Фрезерная 3;
. Плоскошлифовальная;
. Плоскошлифовальная;
. Вертикально-сверлильная 1 ЧПУ;
. Вертикально-сверлильная 2 ЧПУ;
. Вертикально-сверлильная 3 ЧПУ;
. Вертикально-сверлильная 4 ЧПУ;
. Контроль.
Маршрут обработки детали представлен в таблице
3.1.
Таблица 3.1 - Маршрут обработки детали
|
Наименование
операции
|
Состав
переходов
|
Оборудование
|
|
Фрезерная
1 ЧПУ
|
1.
Фрезеровать поверхность 1 предварительно. 2.Переустановить деталь. 3.
Фрезеровать поверхность 2 , выдерживая размер 48,3 мм.
|
6Р13Ф3
Станок вертикальный консольно-фрезерный с ЧПУ
|
|
Фрезерная
2 ЧПУ
|
1.
Фрезеровать поверхность 3 2. Переустановить деталь. 3. Фрезеровать
поверхность 4, выдерживая размер 212,3 мм. 4. Фрезеровать поверхность 5.
|
6Р13Ф3
Станок вертикальный консольно-фрезерный с ЧПУ
|
|
5.
Переустановить деталь. 6. Фрезеровать поверхность 6, выдерживая размер 215,3
мм.
|
|
|
Фрезерная
3 ЧПУ
|
Фрезеровать
ступень, выдерживая размеры.
|
6Р13Ф3
Станок вертикальный консольно-фрезерный с ЧПУ
|
|
Шлифовальная
|
1.
Шлифовать поверхность 2. 2. Переустановить деталь. 3. Шлифовать поверхность
1, выдерживая размер 48 мм. 4. Шлифовать ступень
|
Плоскошлифовальный
станок 3Б722
|
|
Шлифовальная
|
1.
Шлифовать поверхность 3. 2. Переустановить деталь. 3. Шлифовать поверхность
4, выдерживая размер 212-0,4 мм. 4. Переустановить деталь. 5.
Шлифовать поверхность 5 6. Шлифовать поверхность 6, выдерживая размер 215-0,4
мм
|
Плоскошлифовальный
станок 3Б722
|
|
Вертикально-сверлильная
1 ЧПУ
|
1.
Центровать 13 отв. 2. Сверлить 4 отв. Ø6мм на
глубину 15 мм. 3. Сверлить 4 отв. Ø10мм на
глубину 21 мм. 4. Зенковать 4 отв. Ø6мм на
глубину 1 мм. 5. Зенковать 4 отв. Ø10мм на
глубину 1,6 мм. 6. Сверлить отв. Ø11мм на
глубину 39 мм. 7. Сверлить отв. Ø11мм на L=14 мм
|
Координатно-сверлильный
с ЧПУ 2Р135РФ2
|
|
8.
Сверлить отв. Ø11мм на
глубину 34 мм. 9. Сверлить отв. Ø18,25+0,24мм на
глубину 34 мм. 10. Сверлить отв. Ø18,25+0,24мм на
глубину 14 мм. 11. Нарезать резьбу М6-7Н 4 отв. 12. Нарезать резьбу М10-7Н 4
отв.
|
|
|
Вертикально-
сверлильная 2 ЧПУ
|
1.
Центровать 6 отв. 2. Сверлить 6 отв. Ø9 мм. 3.
Сверлить 3 отв. Ø30
мм
на глубину 18мм.
|
Координатно-сверлильный
с ЧПУ 2Р135РФ2
|
|
Вертикально-сверлильная
3 ЧПУ
|
1.
Центровать 2 отв. 2. Сверлить отв. Ø18,25+0,24 мм на
глубину 101мм. Сверлить отв. Ø18,25+0,24 мм на
глубину 117мм. 3. Зенковать 2 отв. Ø18,25+0,24 мм на
глубину 1,5 мм. 4. Нарезать резьбу К 1/2" ГОСТ 6111-52 2 отв.
|
Координатно-сверлильный
с ЧПУ 2Р135РФ2
|
|
Вертикально-сверлильная
4 ЧПУ
|
1.
Центровать 2 отв. 2. Сверлить отв. Ø8,7+0,14 мм на
глубину 25,5мм. 3. Зенковать отв. Ø8,7+0,14 мм на
глубину 1 мм. 4. Нарезать резьбу К 1/8" ГОСТ 6111-52
|
Координатно-сверлильный
с ЧПУ 2Р135РФ2
|
3.6 Выбор и расчет припусков на обработку
Произведем расчет припусков на фрезерную
обработку. Схема установки показана на рисунке 3.3.
Рисунок 3.3 - Схема установки
Гарантированный припуск на обработку проведен по
методу Кована [3].
Zmin=2(Rz+T)+ρ+ε,
мкм, (3.2)
где Rz
- высота микронеровностей у исходной заготовки;
Т - толщина дефектного слоя;
ρ - пространственное
искажение;
ε -
погрешность установки на операции.
zmin
шл
= 2∙(10+20) + 40+ 0 = 100 мкм,
zmin
фрез. = 2∙(800) + 200+ 200 = 2000 мкм,
Lзаг.
= Lдет
+ zmin
фрез. + δт
+
zmin
фрез.+ δзаг./2,
(3.3)
где zmin
шл
- величина гарантированного припуска на операцию;
δфр.
- допуск на фрезерную обработку по 11 квалитету;
zmin
фр. - величина гарантированного припуска на
операцию;
δзаг
- допуск на размер заготовки по 14 квалитету;
zmax
шл
- максимальный допуск для шлифовальной обработки;
zmax
фр. - максимальный допуск для фрезерной обработки.
Lзаг.
= 215 + 0,1 + 0,290+ 2 + 1,25 = 218,64 мм.
Схема расположения припусков показана на рисунке
3.4.
Рисунок 3.4 - Схема расположения припусков
.7 Себестоимость заготовок
.7.1Себестоимость заготовки из проката найдем по
формуле:
Sзаг.=M+ΣCо.з,
руб., (3.4)
где ΣCо.з-
технологическая себестоимость операций правки, калибрования прутков, разрезки
их на штучные заготовки найдем по формуле:
Cо.з=
(Cп.з
∙Тшт(ш-к))/60, руб., (3.5)
где Cп.з
- приведенные затраты на рабочем месте, руб/ч;
Тшт(ш-к) - штучное или штучно
калькуляционное время выполнения заготовительной операции (правки,
калибрования, разгрузки и др.) мин.
По данным приведенные затраты, приходящиеся на 1
час работы оборудования резки заготовок на отрезном станке модели РРS-270THP,
работающих ленточным ножовочным полотном 2360х19х0,9 составляют 300 руб/час.
Затраты на материал определяются по массе
проката, требующегося на изготовление детали, и массе сдаваемой стружки. При
этом учитывается стандартная длина прутков и отходы в результате не кратности
длины заготовок этой стандартной длине:
М=Q∙S-(Q-q)Sотх./1000,
руб., (3.6)
где Q
- масса заготовки, кг;
S - цена 1 кг.
Материала заготовки, руб.;
q - масса готовой
детали, кг;
Sотх
- цена 1 т. отходов, руб.
М=18,7∙34,1-(18,7-15,5)1000/1000=634,47
руб.,
где Со.з=5 руб.;
Тшт= 1,1 мин - штучное время при
отрезке.
Sзаг1=634,47+5=639,47
руб.
Прокат сортовой стальной горячекатаный
полосовой, полоса стальная 55х220х220х6000 (ГОСТ 103-2006, ТУ, ТС).
3.7.2 Стоимость заготовки из отливок
Стоимость заготовок, получаемых методом отливок
можно с достаточной точностью определить по формуле:
Sзаг2=((CiQ3kckbkmkmkn)/1000)-((Q3-Q)Sотх.)/1000),
руб., (3.7)
где Ci
-
базовая стоимость тонны заготовки, руб./т;
kt
- коэффициент зависящий от точности;
kc
- коэффициент сложности заготовки;
kb
- коэффициент массы отливок;
km
- коэффициент материала;
kn
- коэффициент объема производства;
Qзаг
- масса заготовки, кг.
Sзаг2=((100000∙16,5∙1∙0,75∙1∙1,4∙1)/1000)-((16,5-15,5)1000/1000)=1731,5
руб.
Ci
=100000руб/т; kt
= 1; kc
= 0,75; kb
= 1; km
= 1,4; kn
= 1; Qзаг.=
16,5 кг.
Так как отличий в механической обработке нет, то
можно сразу определить по формуле годовой экономический эффект:
Эг=(Sзаг2-Sзаг1)N,
руб., (3.8)
Эг=(1731,5-639,47)∙300=327609
руб.
Годовой экономический эффект при производстве
заготовок из проката составляет 327609 рублей.
Выбираем прокат сортовой стальной горячекатаный
полосовой, полоса стальная 55х220х220х6000 (ГОСТ 103-2006, ТУ, ТС).
3.8 Выбор оборудования
Выбор оборудования выполнен по методике
изложенной в [3].
Исходные данные:
1. Вид обработки;
2. Габаритные размеры;
. Форма обрабатываемой поверхности;
. Взаимное расположение поверхностей.
Технические характеристики оборудования приведены
в таблице 3.2.
Таблица 3.2 - Технические характеристики
оборудования
|
Наименование
операции
|
Наименование
и модель станка
|
Краткая
техническая характеристика
|
|
1
|
2
|
3
|
|
Фрезерная
ЧПУ
|
6Р13Ф3
Станок вертикальный консольно-фрезерный с ЧПУ
|
Длина
рабочей поверхности стола, мм….. 1700 Ширина стола, мм …………………………..400
Наибольшее перемещение по осямX ,Y, Z,мм 1000x400x380 Min
частота вращения шпинделя, об/м .…….40 Max частота вращения шпинделя, об/м….
2000 Мощность, кВт: 7,5 Размеры (Д_Ш_В), мм: 3200x2500x2450
|
|
Плоско-шлифовальная
операция
|
Плоскошлифоваль-ный
станок 3Б722
|
Длина
рабочей поверхности стола, мм…..1000 Ширина стола, мм………………………… 320
Точность……………………………………... П Точность……………………………………... П Мощность ,
кВт………………………………10 Габариты, мм………………... 3300x2020x2290 Масса,
кг………………………………….. 7100
|
|
1
|
2
|
3
|
|
|
Размеры
рабочей поверхности эл/магнитной плиты: длина, мм……………………………………. 900 ширина,
мм…………………………………..320 Размеры шлифовального круга ,мм 450х203х63
|
|
Вертикально-сверлильная
ЧПУ
|
Координатно-сверлильный
с ЧПУ 2Р135РФ2
|
Наибольший
диаметр, мм: сверления в заготовке из стали 45………30 Размеры рабочей
поверхности, мм: плиты……………………………….1600×860 Скорость
быстрого перемещения, мм/мин: салазок………………………………….8000 сверлильной
головки…………………..8000 шпинделя……………………………….5000 Подача, мм/мин:
салазок………………………………..1-2000 сверлильной головки………………...1-2000 Габаритные
размеры станка, мм:…….910×550 Суммарная мощность
электродвигателей, кВт: 2,2
|
3.9 Выбор режущих инструментов
Режущие инструменты должны обладать высокой
режущей способностью (стабильной размерной стойкостью при высоких режимах
резания), обеспечить возможность быстрой и удобной замены, наладки в процессе
работы, формировать транспортабельную стружку и отводить ее от зоны обработки
без нарушения нормальной работы оборудования. Перечень режущего инструмента
представлен в таблице 3.3.
Таблица 3.3 - Выбор инструментов
|
№
|
Наименование
перехода
|
Наименование
инструмента
|
Материал
режущей части
|
Примечания
|
|
1.
|
Фреза
торцевая насадная со вставными ножами ГОСТ
|
Твердый
сплав Т5К10
|
|
|
2.
|
Фрезеровать
ступень
|
Фреза
концевая из быстрорежущей стали ГОСТ 17026-71
|
Р6М5
|
|
|
3.
|
Шлифовать
поверхность 1-6 и ступень
|
Круг
шлифовальный прямого профиля ПП
|
25А
40 СМ1 5 К5 35 м/с А1 кл. ГОСТ 2424-83
|
450х203х63
|
|
4.1
|
Центровать
13 отв.
|
Сверло
центровочное комбинированное, 2317-0001 ГОСТ 14952-75
|
Р6М5
|
d=3.15мм; D=8мм; l ном=49мм; Lном=52мм
|
|
4.2
|
Сверлить
4 отв. Ø6
мм
|
Сверло
спиральное с коническим хвостовиком, класс В1, 2301-3351, ГОСТ 12121-77
|
Р6М5
|
d = 6 мм L = 161 мм l = 80 мм
конус Морзе №1
|
|
4.3
|
Сверлить
4 отв. Ø10
мм
|
класс
В1, 2301-3395, ГОСТ 12121-77
|
Р6М5
|
d = 10 мм L = 197 мм l = 116 мм
конус Морзе №1
|
|
4.4
|
Зенковать
4 отв. Ø6
мм
|
Зенковка,
тип 4, 2353-0090 ГОСТ 14953-80
|
Р6М5
|
d=2,5мм; D=8мм; l=3,9мм; L=50мм
|
|
4.5
|
Зенковать
4 отв. Ø10
мм
|
Зенковка,
тип 6, 2353-0103 ГОСТ 14953-80
|
Р6М5
|
d=8мм; D=12,5мм; l=20мм; L=52мм
|
|
4.6
4.7
|
Сверлить
3 отв. Ø11
мм
|
Сверло
спиральное с коническим хвостовиком, классВ1, 2301-3406, ГОСТ 12121-77
|
Р6М5
|
d = 11 мм L = 206 мм l = 125 мм
конус Морзе №1
|
|
4.8
4.9
|
Сверлить
2 отв. Ø18.25
мм
|
Сверло
спиральное с коническим хвостовиком, класс А1, 2301-3261 ГОСТ 12121-77
|
Р6М5
|
d = 18,25 мм L = 269 мм l = 171 мм
конус Морзе №2
|
|
4.10
|
Нарезать
резьбу М6-7Н
|
Метчик
для станков с ЧПУ
|
Р6М5
|
d = 6 мм Z = 3 γ = 10˚ α = 6˚ Р=1
|
|
4.11
|
Нарезать
резьбу М10-7Н
|
Метчик
для станков с ЧПУ
|
Р6М5
|
d = 10 мм Z = 3 γ = 10˚ α = 6˚
Р=1,5
|
|
5.1
|
Центровать
6 отв.
|
Сверло
центровочное комбинированное, 2317-0001 ГОСТ
|
Р6М5
|
d=3.15мм; D=8мм; lном=49мм; Lном=52мм
|
|
5.2
|
Сверлить
6 отв. Ø9мм
|
класс
А1, 2301-3384 ГОСТ 12121-77
|
Р6М5
|
d = 9 мм; L = 188 мм; l = 107 мм;
конус Морзе №1
|
|
5.3
|
Сверлить
3 отв. Ø30
мм
|
Сверло
спиральное с коническим хвостовиком, класс А1, 2301-3516 ГОСТ 12121-77
|
Р6М5
|
d = 30 мм L = 351 мм l = 230 мм
конус Морзе №3
|
|
6.1
|
Центровать
2 отв.
|
Сверло
центровочное комбинированное, 2317-0001 ГОСТ 14952-75
|
Р6М5
|
d=3.15мм; D=8мм; lном=49мм; Lном=52мм
|
|
6.2
6.3
|
Сверлить
2 отв. Ø18.25
мм
|
Сверло
спиральное с коническим хвостовиком, класс А1, 2301-3261 ГОСТ 12121-77
|
Р6М5
|
d = 18,25 мм L = 269 мм l = 171 мм
конус Морзе №2
|
|
6.4
6.5
|
Зенковать
2 отв. Ø18,25
мм
|
Зенковка,
тип 6, 2353-0103 ГОСТ 14953-80
|
Р6М5
|
d0=4мм; D=20мм; l=28мм; L=120мм;
конус Морзе №2
|
|
6.6
6.7
|
Нарезать
резьбу К1/2» ГОСТ
6111-52
|
Метчик
дюймовый К1/2» ОСТ НКТП 1260, исп. 1, глухой, 2625-0027
|
Р6М5
|
L=125мм; l=32мм; d=20.955мм;
число витков на 1» равно 28
|
|
7.1
|
Центровать
1отв.
|
Сверло
центровочное комбинированное, 2317-0001 ГОСТ 14952-75
|
Р6М5
|
d=3.15мм; D=8мм; lном=49мм; Lном=52мм
|
|
7.2
|
Сверлить
1отв. Ø8,7
мм
|
Сверло
спиральное с коническим хвостовиком, класс А1, 2301-3181 ГОСТ
|
Р6М5
|
d = 8,7 мм; L = 188 мм; l = 107 мм;
конус Морзе №1
|
|
7.3
|
Зенковать
1отв. Ø8,7
мм
|
Зенковка,
тип 6, 2353-0103 ГОСТ 14953-80
|
Р6М5
|
d=8мм; D=12,5мм; l=20мм; L=52мм
|
|
7.4
|
Нарезать
резьбу К3/8» ГОСТ
6111-52
|
Метчик
дюймовый К3/8» ОСТ НКТП 1260, исп. 1, глухой, 2625-0139
|
Р6М5
|
L=85мм; l=20мм; d=9,525 мм;
число витков на 1» равно 16
|
3.10 Выбор инструментальных приспособлений.
Выбор инструментальных приспособлений выполнен
по методике [3].
Исходные данные:
1. Метод обработки;
2. Конструкция посадочного места инструмента;
. Конструкция и размеры посадочного места
станка;
. Точность обработки;
. Тип производства.
Инструментальные приспособления приведены в
таблице 3.4.
Таблица 3.4 -
Инструментальные
приспособления
|
№
|
Наименование
инструмента
|
Наименование
приспособления
|
|
1,2
|
Фреза
концевая из быстрорежущей стали ГОСТ 17026-71
|
Оправка
с конусом 7:24 для насадных торцовых фрез к станкам с ЧПУ
|
|
4.1-
6.4
|
Сверла
спиральные с коническим хвостовиком ГОСТ 12121-77
|
Переходные
конусные оправки ГОСТ 17528-72
|
|
3
|
Круг
шлифовальный прямого профиля ПП
|
Оправка
для шлифовального круга ПП
|
.11 Выбор режимов резания
Выбор режимов резания выполнен по методике,
изложенной в [3].
Исходные данные для выбора режимов резания:
1. Вид обработки;
2. Обрабатываемый материал;
. Материал режущей части инструмента;
. Точность обработки;
. Шероховатость обрабатываемой поверхности;
. Тип производства.
Частота вращения определяется по формуле:
n=1000V/3,14D,
об/мин, (3.9)
Выбранные режимы резания приведены в таблицах
3.5 и 3.6.
Таблица3.5 - Режимы резания
|
№
|
Наименование
перехода
|
Глубина
резания t,
мм
|
S, мм/об
|
Скорость
резания V, мм/мин
|
Частота
Вращения n, об/мин
|
|
1
|
2
|
3
|
4
|
5
|
6
|
|
1,2
|
Фрезеровать
поверхность 1-6
|
2
|
1,2
|
350
|
1000
|
|
3
|
Фрезеровать
ступень
|
3
|
1,2
|
350
|
1000
|
|
4,1
5.1 6.1
|
Центровать
отв.
|
-
|
0,04
|
20
|
1250
|
|
4.2
|
Сверлить
4 отв. Ø6
мм
|
-
|
0,05
|
25
|
1500
|
|
4.3
|
Сверлить
4 отв. Ø10
мм
|
-
|
0,1
|
30
|
1250
|
|
4.4
|
Зенковать
отв. Ø6
и
Ø10
|
-
|
0,1
|
30
|
1000
|
|
4.5
|
Сверлить
3 отв. Ø11
мм
|
-
|
0,1
|
30
|
1250
|
|
4.6
|
Сверлить
отв. Ø18,25
|
-
|
0,1
|
30
|
1250
|
|
1
|
2
|
3
|
4
|
5
|
6
|
|
4.7
4.8
|
Нарезать
резьбу М6 и М10
|
-
|
-
|
3
|
150
|
|
5.3
|
Зенковать
отв. Ø18,25
мм
|
-
|
0,3
|
30
|
650
|
|
5.4
|
Нарезать
резьбу К1/2»
|
-
|
-
|
3
|
150
|
|
6.2
|
Сверлить
отв. Ø8.7
мм
|
-
|
0,1
|
30
|
1250
|
|
6.3
|
Зенковать
отв. Ø8.7
мм
|
-
|
0,1
|
30
|
1000
|
|
6.4
|
Нарезать
резьбу К3/8»
|
-
|
-
|
3
|
150
|
Таблица 3.6 - Режимы обработки для шлифовальных
операций
|
№
|
Наименование
перехода
|
Припуск,
мм
|
n, об/мин
|
V, м/с
|
Sкр, м/мин
|
Sпрод,, м/мин
|
Sпопер, мм/ход
|
|
8.1
|
Шлифовать
поверхность 1-2 (Ra = 1,25)
|
0,3
|
2500
|
35
|
20
|
0,03
мм/дв. ход.
|
240
дв.х./мин
|
|
8.2
|
Шлифовать
поверхность ступени (Ra = 1,25)
|
0,3
|
2500
|
35
|
20
|
0,03
мм/дв. ход.
|
240
дв.х./мин
|
|
8.3
|
Шлифовать
торец 3-4, 5-6 (Ra = 1,25)
|
0,3
|
2500
|
35
|
20
|
0,03
мм/дв. ход.
|
240
дв.х./мин
|
3.12 Техническое нормирование времени операции
Расчет норм времени на основные станочные
операции выполнен по методике [3].
Норма штучного калькуляционного времени находим
по формуле:
Тшт.-к = to
+
tв +
tтех +
tорг +
tпер +
tп-з ,
мин, (3.10)
где Tшт.-к
- штучно-калькуляционное время на деталь;
to
- основное машинное время обработки.
t0=Lp/S∙n=
Lp/F,
мин, (3.11)
где tв
- вспомогательное время определяется как суммарное время выполнения
вспомогательных приемов и ходов.
Основные затраты:
1) Установка детали на станке;
2) Выверка положения детали;
) Выполнение пробных проходов;
) Контрольные замеры, настройка на размер
инструмента;
) Замена инструмента;
) Включение и переключение;
) Холостые ходы.
Время технического обслуживания станка
определяется по формуле:
tтех
= (10 - 12%) ∙ to,
мин. (3.12)
Время организационного обслуживания:
tорг
= (10 - 12%) ∙ (to
+
tв),
мин. (3.13)
Время регламентированных перерывов:
tпер
= 2,5% ∙ (to
+
tв),
мин. (3.14)
Подготовительно - заключительное время:
tп-з
=300/N, мин. (3.15)
Норма времени и составляющие приведены в таблице
3.7.
Таблица 3.7 - Нормы времени
|
№
перехода
|
to, мин
|
tв, мин
|
tтех, мин
|
tорг, мин
|
tпер, мин
|
tп-з, мин
|
tшт-к, мин
|
|
1.
Фрезерная ЧПУ
|
8
|
0,35
|
0,4
|
0,7
|
0,185
|
1
|
9,7
|
|
2.
Фрезерная ЧПУ
|
10
|
0,4
|
0,7
|
0,8
|
0,16
|
1
|
11,996
|
|
3.
Фрезерная ЧПУ
|
14
|
0,5
|
0,6
|
0,65
|
0,15
|
1
|
15,9
|
|
4.
Шлифовальная
|
5
|
0,5
|
0,5
|
0,55
|
0,1375
|
1
|
7,6875
|
|
5.
Шлифовальная
|
5
|
0,5
|
0,85
|
0,2125
|
1
|
7,963
|
|
6.
Вертикально-сверлильная
|
15
|
1,5
|
0,6
|
0,65
|
0,1625
|
1
|
17,9125
|
|
7.
Вертикально-сверлильная
|
10
|
1
|
0,25
|
0,3
|
0,15
|
1
|
11,8
|
|
8.
Вертикально-сверлильная
|
8
|
0,8
|
0,2
|
0,35
|
0,1735
|
1
|
10,885
|
|
9.
Вертикально-сверлильная
|
3
|
0,3
|
0,1
|
0,25
|
0,1
|
1
|
3,75
|
|
Σ
|
78
|
5,85
|
3,85
|
5,1
|
1,431
|
9
|
97,594
|
|
|
|
|
|
|
|
|
|
3.13 Разработка управляющей программы для станка
с ЧПУ
Режимы резания для разработки управляющей
программы приведены в таблице 3.8.
Таблица 3.8 - Режимы резания
|
Наименование
перехода
|
Глубина
резания
|
Скорость
резания, мм/мин
|
Частота
вращения, об/мин
|
|
|
S, мм/об
|
V
|
n
|
|
Центровать
13 отв.
|
8
|
0,04
|
20
|
1250
|
|
Сверлить
4 отв. Ø6
мм
|
15
|
0,05
|
25
|
1500
|
|
Сверлить
4 отв. Ø10
мм
|
21
|
0,1
|
30
|
1250
|
|
Зенковать
4 отв. Ø6
мм
|
1
|
0,1
|
30
|
1250
|
|
1
|
2
|
3
|
4
|
5
|
|
|
Зенковать
4 отв. Ø10
мм
|
1,6
|
0,1
|
30
|
1000
|
|
|
Сверлить
отв. Ø11
мм
|
14
|
0,1
|
30
|
1250
|
|
|
Сверлить
отв. Ø11
мм
|
34
|
0,1
|
30
|
1250
|
|
|
Сверлить
отв. Ø18,25
мм
|
14
|
0,3
|
30
|
350
|
|
|
Сверлить
отв. Ø18,25
мм
|
34
|
0,3
|
30
|
350
|
|
|
Нарезать
резьбу М6
|
10
|
-
|
3
|
150
|
|
|
Нарезать
резьбу М10
|
14
|
-
|
3
|
150
|
|
3.14 Текст управляющей программы
%
№1 (DIS,
«PLITA. 215»)
№2 М00
№3 G71 G91 G97 X0 Y0 Z0
№4 T 1.1 M06 S1250 M13
№5 G00 X12 Y27.1
№6 X101.6
№7 Y101.6
№8 X-101.6
№9 X29.5 Y-12.7
№10 X51.5 Y-88.9
№12 X61 Y49.2
№13 X46
№14 Y54
№15 X-46
№16 X6.3 Y-27
№17 X17.2 Y10.3
№18 X9 Y12/7
№19 G80
№21 X-186.5 Y-135 M05 M09
№22 X12 Y-27.1
№23 G81 R100 Z-26 F0.1
№24 X101.6
№23 Н101,6
№26 X-101.6
№27 G80
№28 X-12 Y-128.7 M09 M05
№29 T 3.3 M06 S350 M13
№30 X41.5 Y116
№31 G82 R100 Z-39 F0.3
№32 X51.5 Y88.9
№33 G82 R100 Z-19 F0.3
№34 G80
№35 X-93 Y-39.8 M05 M09
№36 T 4.4 M06 S1500 M13
№37 X154 Y89
№38 G81 R100 Z-20 F0.05
№39 X46
№40 Y54
№41 X-46
№42 G80
№43 X-154 Y-143 M05 M09
№44 T 5.5 M06 S1250 M13
№45 X160.3 Y116
№46 G82 R100 Z-39 F0.1
№47 X17.2 Y10.3
№48 X9 Y12.7
№49 G80
№50 X-186.5 Y-139 M05 M09
№51 T 6.6 M06 S1250 M13
№52 X12 Y27.1
№53 G82 R100 Z-4.6 F0.1
№54 X101.6
№55 Y101.6
№56 X-101.6
№57 G80
№58 X41.5 Y-128.7 M05 M09
№59 T 7.7 M06 S1250 M13
№60 X154 Y89
№61 G82 R100 Z-5 F0.1
№62 X46
№63 Y54
№64 X-46
№65 G80
№66 X54 Y-143 M05 M09
№67 T 8.8 M06 S150 M13
№68 X12 Y27.1
№69 G84 R100 Z-19 K1.5
№70 X101.6
№71 Y101.6
№72 X-101.6
№73 G80
№74 X-41.5 Y-128.7 M05 M09
№75 T 9.9 M06 S150 M13
№76 X154 Y89
№77 G84 R100 Z-15 K1
№78 X46
№79 Y54
№80 X-46
№81 G80
№82 X-154 Y-143 M05 M09
№83 (DIS, TIM)
№84 TMR=2
№85 M30
%
ЗАКЛЮЧЕНИЕ
1. Литературный обзор методов и оборудования
холодной раскатки показал, что внедрение холодной раскатки позволяет повысить
значительно качество подшипников, но требует специальных кольцераскатных
станков.
. В конструкторской части предлагается вариант
совмещения холодной раскатки с токарными операциями на многошпиндельном
токарном автомате. Разработана гидравлическая схема, позволяющая осуществлять
подвод раскатников, саму раскатку и их отвод.
. В технологической части разработан процесс
изготовления плиты гидроблока управления. Рассчитано время на обработку.
СПИСОК ИСПОЛЬЗОВАННЫХ
ИСТОЧНИКОВ
1. Анурьев, В. И. Справочник
конструктора машиностроителя: вена венов 3-х томах / В. И. Анурьев. - Москва:
Машиностроение, 1978. - Т. 1. - 416 с; Т. 2. - 560 с.
. Гидравлика, гидромашины и
гидропневмопривод:авто агат учебное пособие для вузов / под ред. С. П. Стесина.
- 2-е изд., стер. - Москва: Академия, 2006. - 334 с.: ил.
. Горбацевич, А. Ф. Курсовое
проектирование по технологии машиностроения: учебное пособие для вузов / А. Ф.
Горбацевич, В. А. Шкред. - Изд. 5-е, стер.; перепеч. с 4-го изд. 1983 г. -
Москва: Альянс, 2007. - 255 с.
. Колпаков, В. Н. Основы
расчета даже датаи проектирования гидропневмопривода станочного оборудования:
учебное пособие / В. Н. Колпаков. - Вологда: ВоГТУ, 2008. - 58 с.: ил.
. Колпаков, В. Н.
Гидропневмопривод станочногогора горн оборудования: учебное пособие / В. Н.
Колпаков. - Вологда: ВоГТУ, 2008. - 135 с.: ил.
. Методические рекомендации
полорд лото оформлению выпускных квалифи-кационных работ, курсовых
проектов/работ для студентов очной, очно-заочной (вечерней) и заочной форм
обучения. - Вологда: ВоГУ, 2016. - 95 с.
. Общемашиностроительные
нормативы Петр планвремени и режимов резания для нормирования работ,
выполняемых на универсальных и многоцелевых станках с ЧПУ. Часть II.
Нормативы режимов резания. - Москва: Экономика, 1990. - 473 с.