Проектирование щековой дробилки

  • Вид работы:
    Курсовая работа (т)
  • Предмет:
    Другое
  • Язык:
    Русский
    ,
    Формат файла:
    MS Word
    293,63 Кб
  • Опубликовано:
    2017-11-14
Вы можете узнать стоимость помощи в написании студенческой работы.
Помощь в написании работы, которую точно примут!

Проектирование щековой дробилки

Содержание

Введение

. Обзор основных конструкций щековых дробилок

. Определение геометрических параметров дробилки

.1 Параметры камеры дробления

.2 Определение угла захвата

.3 Определение хода сжатия

. Определение частоты вращения эксцентрикового вала

. Определение производительности, работы дробления и мощности привода

. Определение нагрузок, действующих на узлы дробилки

. Расчет распорных плит

. Определение параметров маховика

Литература

Введение

щековый дробилка эксцентриковый вал

Щековые дробилки применяются для крупного и среднего дробления пород высокой и средней прочности (sв≤250 МПа). Дробилки с простым качением щеки предназначены для дробления неабразивных горных пород.

Дробилка с простым качением щеки имеет цельносварную станину. У дробилок щека подвешена на  валу щеки, а в нижней части шарнирно соединена с распорной плитой, что обеспечивает точкам ее поверхности движение по замкнутым траекториям.

Подвижная щека, выполненная в виде стальной отливки, установлена в двурядных сферических подшипниках на валу. Щека получает движение посредством шатуна, с которым соединена через распорную плиту. Вращение вала осуществляется шкивом-маховиком от электродвигателя с помощью клиноременной передачи. В нижней части щеки имеется паз, куда вставляется упор распорной плиты, и выступ для установки тяги замыкающего устройства. Подвижная и неподвижная щеки футеруются дробящими плитами.

Для предотвращения вылета кусков материала из камеры дробления под приемным отверстием дробилки установлен защитный кожух. Регулировка ширины выходной щели производится клиновым механизмом. Предохранительными элементами могут быть распорная плита или рычажно-пружинный механизм.

1. Обзор основных конструкций щековых дробилок


Процесс уменьшения размеров упруго-хрупкого тела от первоначальной (исходной) крупности до требуемой путем воздействия внешних сил называется дроблением или помолом, а машины, применяемые для этих целей, дробилками или мельницами.

В зависимости от конечной крупности кусков материала различают следующие основные виды этого процесса:

крупное  дробление (100 - 350 мм);

среднее  дробление (40 - 100 мм);

мелкое  дробление (5 - 40 мм);

помол  (менее 5 мм).

Наиболее распространенными строительными материалами, получаемыми в результате измельчения  горных пород, являются щебень, гравий и песок.  Для  дорожного строительства предусмотрены следующие фракции щебня по крупности:

крупный (40 - 70 мм);

средний (20 - 40 мм);

мелкий (10 - 20 мм);

клинец (5 - 10 мм).

ГОСТ 8267-93  предусматривает следующие фракции щебня и гравия: 5 - 10, 10 - 15, 10 - 20, 15 - 20, 20 - 40, 40 - 80, смесь 5 - 20, а также по заказу предприятий 80 - 120 и 120 - 150.

Для обеспечения эффективности дробления материала от исходной до конечной крупности этот процесс  осуществляется в большинстве случаев в несколько приемов, то есть  последовательно на нескольких дробилках.

Каждая отдельная дробилка выполняет часть общего процесса, называемую стадией дробления.

Одним из основных типов дробильных машин являются щековые дробилки. Они  применяются для крупного и среднего дробления горных пород средней и большой прочности.  При дроблении в несколько стадий щековые дробилки обычно осуществляют первую стадию дробления, хотя нередко применяются и на последующих  стадиях.

Процесс дробления характеризуется отношением размера кусков исходного материала к размеру кусков готового продукта.  Это отношение называют степенью дробления i. Существуют разные оценки степени дробления. Например,  ее можно выразить как отношение размера максимального куска в исходном материале к размеру максимального куска в готовом продукте

= Dmax/dmax

или как отношение средней крупности

= Dcp / dcp.

Наиболее точно степень дробления определяется соотношением средневзвешенных размеров кусков  исходного и конечного материалов

i = Dcв / dcв,

Для ориентировочных расчетов степень дробления можно определить по формуле

 

где B - ширина  приемного отверстия дробилки, м;-  ширина выходной щели камеры дробления  дробилки, м.

Число стадий дробления назначается,  исходя из требуемой степени дробления. Заданная степень дробления дробилки равна =7.

Принцип работы щековой дробилки  заключается в следующем. В камеру дробления, имеющую форму  клина и образованную двумя щеками, из которых одна в  большинстве случаев является неподвижной, а другая подвижной, подается дробимый материал. Благодаря клинообразной форме камеры дробления куски материала  располагаются по высоте камеры в зависимости от их крупности: более  крупные - вверху, менее крупные - внизу. Подвижная  щека периодически приближается к неподвижной,  причем при сближении щек  (ход сжатия) куски материала дробятся, при отходе подвижной щеки (холостой ход)  куски материала продвигаются вниз под действием силы тяжести, выходя  из камеры дробления, если их размеры стали меньше наиболее узкой  части камеры, называемой выходной щелью, или занимают новое положение, соответствующее своему новому размеру. Затем  цикл повторяется.

Характер движения подвижной щеки зависит от кинематических особенностей механизма щековых дробилок.  За время применения этих дробилок для переработки различных материалов было предложено большое количество самых разнообразных кинематических схем механизма дробилок. Все они могут быть разделены на две большие группы: дробилки с простым движением подвижной щеки (ЩДП), у которых траектории движения точек подвижной щеки представляют собой прямые линии или части дуги окружности, и дробилки со сложным движением подвижной щеки (ЩДС), траектории точек подвижной щеки которых представляют собой замкнутые кривые, чаще всего эллипсы.

Несмотря на большое многообразие схем, большинство выпускаемых в мире щековых дробилок выполнены по первоначальным схемам, предложенным более 100 лет назад (рисунки 1 и 2). В России щековые дробилки выпускаются согласно ГОСТ 7084-85. Основные параметры и размеры дробилок должны соответствовать ГОСТ 27412-93. В нашей стране выпуском щековых дробилок занимаются такие предприятия, как ЗАО «Автокомпозит» (торговая марка «Дробмаш», г. Выкса), ОАО «Волгоцеммаш»  (г. Тольятти), машиностроительная корпорация «Уралмаш» (г. Екатеринбург) и, в меньших масштабах, другие предприятия.

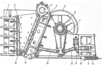
На рисунке 1 изображена дробилка с простым движением подвижной щеки. Она состоит из: станины 1, в боковых стенках которой закреплены коренные подшипники эксцентрикового вала 6. На эксцентричной части вала подвешен шатун 7, в нижней части которого имеются пазы для установки сухарей, являющихся опорными поверхностями для передней и 13 и задней 12 распорных плит. При вращении эксцентрикового вала шатун получает       качательное  движение, которое с помощью распорных плит передается подвижной щеке 4. Щека получает маятниковое движение с центром в оси 3 подвеса. Силовое замыкание звеньев механизма привода подвижной щеки обеспечивается тягами и пружинами 9. На один конец эксцентрикового вала насажен шкив-маховик 5, на другой - маховик. На неподвижной и подвижной щеках закреплены неподвижная 15 и подвижная 14 дробящие плиты (футеровки). Часть боковых стенок станины облицована боковыми плитами 2. Ширину выходной щели регулируют путем установки между упором 11 и задней стенкой станины дополнительных прокладок 10 различной толщины.

Для облегчения этой операции предусмотрен гидравлический домкрат 8. Другим вариантом изменения ширины выходной щели является замена задней распорной плиты более длинной или короткой.

Рисунок 1 - Дробилка с простым качанием щеки

Дробилка со сложным движением щеки (рисунок 2) состоит из подвижной щеки 9, которая представляет собой стальную отливку, расположенную на эксцентричной части приводного вала 3. В ее нижней части имеется паз, куда вставлен сухарь для упора распорной плиты 8. Другим концом распорная плита упирается в сухарь регулировочного устройства 5 с клиновым механизмом. Замыкающее устройство состоит из тяги 7 и пружины 6. Натяжение пружины регулируется гайкой. В нижней части подвижной щеки имеется выступ, на который установлена дробящая плита 10. Неподвижная дробящая плита 11 снизу опирается на выступ станины 1, а с боковых сторон зажата боковыми футеровками, выполненными в виде клиньев.

Регулировка выходной щели осуществляется с помощью электродвигателя.

Для предотвращения вылета дробимого материала предусмотрен кожух 2. Предохранительным устройством обычно является распорная плита 8. Ее делают либо с искусственно ослабленным сечением, либо составной из двух частей, скрепленных болтами (заклепками). При превышении допустимой нагрузки распорная плита ломается, предотвращая тем самым выход из строя более ответственных и дорогих узлов дробилки.

Рисунок 2 - Дробилка со сложным движением щеки

Направление вращения эксцентрикового вала 3 в дробилках со сложным движением щеки должно обеспечивать затягивание дробимого материала между дробящими плитами 10 и 11.

У каждого из двух основных типов щековых дробилок есть свои достоинства и недостатки.

Преимуществами дробилок с простым качанием щеки являются: возможность дробления высокопрочных пород, сравнительно малый износ дробящих плит; недостатком - большая металлоемкость по сравнению с дробилками со сложным качанием щеки, а также большая неравномерность получаемой фракции. Дробилки со сложным качанием щеки более производительны по сравнению с аналогичными дробилками с простым качанием щеки, но из-за трения дробимого материала о дробящие плиты они подвергаются быстрому изнашиванию.

Для изготовления дробилок используют следующие материалы. Станины чаще всего делают из стали марки 35Л или Ст3. Подвижную щеку изготавливают из стали 35Л, дробящие плиты (футеровки) отливают из высокомарганцовистой стали 110Г13Л. Эксцентриковый вал и ось подвижной щеки делают из стали 40Х, оттяжную пружину - из стали 60С2, шатун - из стали 25Л, клин и ползун регулировочного устройства - из стали 25ГЛ. Распорные плиты и маховики дробилок отливают из чугуна марок СЧ-18-36 или СЧ-24-34.

2. Определение геометрических параметров дробилки


К  основным кинематическим и конструктивным параметрам относятся: ширина B и  длина L загрузочного отверстия, высота камеры дробления H , номинальная  ширина выходной щели b,  угол захвата α, ход подвижной щеки S , частота  вращения эксцентрикового вала n, производительность П, работа дробления A, мощность привода N,  максимальное усилие дробления Qmax, маховый момент маховика mD2.

 

.1 Параметры камеры дробления

Ширина загрузочного отверстия камеры дробления B определяется по максимальному размеру кусков исходного материала

 

В свою очередь, по данным эксплуатационных организаций при дроблении рядовой горной массы без предварительного отсева мелочи

 

Таким образом, ширина загрузочного отверстия щековой дробилки равна

 

 

 

Принимаем В = 1500 мм.

Длина загрузочного отверстия L определяется в последующих разделах расчетов из условия обеспечения заданной производительности дробилки, либо предварительно принимается по прототипу (приложение 1).

Высота камеры дробления H определяется из формулы

 

 

 

Примем Н = 3000 мм.

Номинальная ширина выходной щели b определяется из формулы

 

при заданной степени дробления.

 

 

 

Дробилки в зависимости от области применения комплектуют дробящими плитами различных конфигураций и размеров  рифлений. Рифления отечественных дробилок по результатам исследований  ВНИИстройдормаша приняты треугольными или трапециедальными (рисунок 3). Рифления трапециедальной формы применяют для предварительного дробления в дробилках с приемным отверстием шириной 250 и 400 мм. Треугольные рифления используют для предварительного дробления в дробилках с приемным отверстием  шириной 600 мм и более. Для окончательного дробления в дробилках всех типоразмеров применяют рифления треугольной формы.

Рисунок 3 - Рифления щековых дробилок

Для всех  плит шаг t и высоту рифлений h  определяют по формуле

 

Так как ширина b  выходной щели - величина переменная, то принимают ее среднее (номинальное)  значение.

 

2.2 Определение угла захвата


Угол  захвата α - угол  между неподвижной и подвижной щеками дробилки (рисунок 4), который  должен обеспечивать разрушение материала при сжатии, то есть захват  куска, а не выталкивание его вверх.  На кусок, зажатый между щеками, действуют усилие P и равнодействующая R , причем

 

Силы трения  действуют на кусок материала против направления выталкивающей силы, то есть, направлены вниз. При сжатии кусок материала не будет выталкиваться вверх, если силы трения будут больше или равны выталкивающей силе

 

После преобразований получаем

 

Так как коэффициент трения   (φ - угол трения дробимого материала по материалу дробящих плит),  то

 

 

То есть  нормальное дробление возможно, если угол захвата равен или меньше двойного угла  трения. Согласно лабораторным исследованиям /12/, коэффициент трения каменных материалов о сталь  составляет 0,3, тогда угол внешнего трения φ =16°  и  α = 33° . Угол 33° является предельным углом захвата, обеспечивающим процесс дробления, но по результатам опытов по увеличению производительности и, исходя из конструктивных соображений, рекомендуется выбирать угол захвата    α =18…20°.

Принимаем угол трения α = 20°.

Рисунок 4 - Схема для определения угла захвата

2.3 Определение хода сжатия


Ход сжатия в верхнем Sв и нижнем Sн сечениях камеры дробления (рисунок 5) должны обеспечивать интенсивный процесс дробления по всей высоте камеры и отвечать  эффективным показателям процесса - производительности, степени дробления, расходу энергии.

Рисунок 6 - Схема для определения хода подвижной щеки

По результатам исследований, проведенных во ВНИИстройдормаше для дробилок с простым движением щеки

 

где B - ширина загрузочного отверстия, м.

Для дробилок со сложным движением щеки

 

 

Принимаем

Ход сжатия (мм) в нижней части камеры дробления дробилки с простым движением щеки определяется по формуле

 

 

где b - номинальная ширина выходной щели, мм.

 

3. Определение частоты вращения эксцентрикового вала

Частота вращения  эксцентрикового вала n , равная числу двойных качаний подвижной щеки, определяется из условия свободной разгрузки призмы материала из нижней зоны за  время отхода подвижной щеки от неподвижной (рисунок 6).

Рисунок 6 - Схема для определения частоты вращения вала

Это условие обеспечивает максимальную производительность. Если  эксцентриковый вал совершает n оборотов в секунду и время отхода  щеки равно времени половины  оборота, то

 

Из рисунка 6 следует, что  высота призмы материала, выпадающего  из камеры дробления

 

 

С другой  стороны

 

Объединив эти выражения, получим

 

В данной формуле не учтены силы трения кусков материала о дробящие плиты и друг о друга. ВНИИстройдормаш предложил зависимость частоты

вращения n для дробилок с простым и сложным движением щеки с шириной приемного отверстия до 600 мм включительно

 

Для дробилок с шириной приемного отверстия 900 мм и более:

 

 

 

 

4. Определение производительности, работы дробления и мощности привода

Производительность дробилок рассчитывается по методике, предполагающей, что разгрузка материала  происходит  только при отходе подвижной щеки и при этом за один  оборот вала из дробилки выпадает некоторый объем материала V 3), заключенный  в призме высотой h (заштрихованный участок на рисунке 6).

 

 

где  m - коэффициент  разрыхления материала в объеме  призмы, по экспериментальным данным m = 0,5…0,6;- частота вращения  вала, с-1.


 

 

где c - минимальное  расстояние между подвижной и неподвижной дробящей плитой в момент сближения  плит, м (рисунок 6).

Подставляя (19) в (18), получим

 

 

Подсчитанная по данной формуле производительность в большинстве случаев отличается от фактической,  так как исходные предпосылки недостаточно полно отражают характер  процесса  в камере  дробления.

С учетом  дополнительных параметров окончательно формула производительности для щековых дробилок будет  следующей

 

Где  - средний ход сжатия, м,

 

 - средневзвешенный размер кусков в исходном материале, м,

Для дробилок с шириной приемного отверстия  600 мм и  менее принимается

равным B;  для дробилок с шириной  приемного отверстия 900 мм и более, работающих на рядовой горной  массе

 

 

 

Определение мощности привода.

При определении  мощности привода дробилок может быть использована формула В.Л. Кирпичева /5/,  согласно которой работа дробления равна

 

где  - предел прочности дробимого материала, Па;

E - модуль упругости дробимого материала, Па;

 - полный объем камеры дробления, м3.

Данная формула не отражает точно процессы, происходящие при дроблении материала в камере, поэтому по экспериментальным данным ВНИИстройдормаша предложена следующая зависимость

 

где  - коэффициент  пропорциональности.

Коэффициент определяется, исходя из большого  числа различных факторов, и поэтому для  практических расчетов формула (23) не используется. Методика расчета работы дробления и мощности привода может выглядеть следующим образом.

Первоначально определяется мощность привода (кВт) дробилки по следующей формуле

 

 

где  - энергетический  показатель, кВт·ч/т; определяется в зависимости от вида горной породы и месторождения,  но, так как дробилки поставляются с универсальным приводом для работы на любых горных породах, на практике принимается

 

 - коэффициент  масштабного фактора (приложение 2);

П -  производительность, м3/ч;

 -  плотность дробимого материала, т/м3;

 -  средневзвешенный размер исходного материала,  мм.

 

После определения  мощности привода можно определить работу дробления (Дж) по формуле

 

где N - мощность  привода, Вт; - частота  вращения вала, с-1.

Коэффициент  2 учитывает тот  факт, что в дробилках половина работы дробления совершается за  счет вращающихся маховиков.

 

 

5. Определение нагрузок, действующих на узлы дробилки

Определение усилия дробления Qmax производится из выражения  работы дробления. Согласно /5/, принимается во внимание, что дробящее усилие изменяется в течение рабочего хода щеки от 0 в начальный момент до максимального значения к концу  хода

 

где  - средний ход сжатия, м.

По данным ВНИИстройдормаша /5/ принимаем, что точка приложения максимального усилия расположена на 1/2 высоты камеры дробления,  считая от верхней кромки неподвижной щеки (рисунок 7).

Из формулы (26) определяется значение максимального дробящего усилия

 

По экспериментальным данным уточненное значение максимального усилия (Н) определяется по  формуле

 

 

где F - площадь дробящей плиты, м2;

 

Для предотвращения ложного срабатывания предохранительных устройств полученное значение рекомендуется увеличить в 1,5 раза, поэтому окончательно выражение для максимального усилия  можно записать

 

 

 

Нагрузки,  действующие на основные узлы дробилки (станину, подвижную щеку, эксцентриковый вал, шатун, распорные плиты), определяются расчетным или графическим  способом. 

Для дробилок с простым движением щеки чаще применяют  первый, а для дробилок со сложным движением - второй способ  определения нагрузок.

Усилия в  деталях щековой дробилки определяются следующим образом (рисунок 8).  Дробящее усилие   известно  по значению и направлению, оно приложено перпендикулярно рабочей поверхности подвижной щеки ВС в точке соответствующей 1/2Н (высоты приемного отверстия дробилки). Известно также  направление усилия Т, действующего на распорную плиту СD.

Рисунок  9 - Схема для  определения усилий в узлах дробилки со сложным движением щеки

Направление  силы R определяется при условии, что она должна пройти как через точку B (ось  подвеса качающейся щеки), так и через точку Е пересечения известных линий  действия двух других сил max Q и Т. Раскладывая известный вектор силы  на  составляющие, получаем значения сил T и R.

Силу  давления R можно разложить  на тангенциальное усилие Р и усилие S, направленное  к оси вращения  вала. Усилие Р действует перпендикулярно радиусу кривошипа АВ и развивает момент сопротивления Pr, преодолеваемый приводом.  Усилие  S действует на кривошип и оказывает давление на опоры  вала.  Таким образом, по известному дробящему усилию могут быть  определены усилия во всех деталях  дробилки.

Для определения  значений усилий, действующих на элементы дробилки, вычерчиваем схему дробилки в масштабе. По известному максимальному усилию дробления  вычисляем силовой масштаб построения всех сил, действующих на элементы:

Где  - размер  максимального дробящего усилия на чертеже; мм. После построения плана сил в элементах дробилки согласно рисунку 9, измеряем длину полученных  усилий и умножаем на силовой масштаб. В результате получаем  значения нагрузок на узлы щековой дробилки.

 

 

 


 

С увеличением угла b возрастает усилие Т, а при b=90° cos 90°=0, т.е. при горизонтальном положении распорных плит, усилие Т неограниченно возрастает. Следовательно, в щековой дробилке распорные плиты не должны располагаться в одну линию. Угол d принимают равным не менее 10¸12°. Сечения плит выбирают такими, чтобы они передавали нормальные расчетные усилия и при попадании недробимых предметов ломались раньше, чем какая-либо другая деталь дробилки.

В дробилке с простым движением подвижной щеки распорные плиты работают на сжатие, поэтому их сечение S можно определить из формулы

 

Ранее определенное  усилие, действующее вдоль распорных плит:

 

Распорные плиты обычно изготавливают из чугуна. Необходимая площадь поперечного сечения плиты

 

Для чугуна принимаем [sсж]=68,5 МПа.

 

При ширине распорной плиты b1 = 2000 мм толщина ее составляет

 

7. Определение параметров маховика

Целью  настоящего расчета является определение геометрических параметров и массы маховика. Основной  характеристикой маховика является его маховый момент (кг·м2), определяемый  по формуле

 

 

где m - масса  маховика, кг;

D - диаметр  маховика, м;

n - частота  вращения вала, с-1;

 - степень  неравномерности работы маховика дробилки,= 0,015…0,035;

 - работа, выполняемая за счет накопления энергии, определяется, исходя из условия, что половина всей работы дробления осуществляется за счет энергии маховика

 

 

После определения махового момента маховика определяют его конструктивные параметры - массу m и диаметр D .

Диаметр маховика (м) находится из того условия, что окружная скорость на его ободе из условий прочности не должна превышать 20 м/с /12/.

 

Тогда

 

 

Массу маховика (кг) определим из выражения

 

 

Обычно на дробилках ставится два маховика на концах эксцентрикового вала, один из  которых является приводным шкивом.

Литература


1.             Анурьев В.И. Справочник конструктора-машиностроителя: В 3-х т. Т. 2. - 8-е изд., перераб. и доп. - М.: Машиностроение, 2014. - 912 с., ил.

2.               Бердник В.М, Дуров С.И. Методические указания к курсовому проекту по дисциплине "Проектирование машин и оборудования для производства строительных материалов и изделий" - Новочеркасск: НГТУ, 1993 г. - 12 с.

3.      Борщев В. Я. Оборудование для измельчения материалов: дробилки и мельницы: учебное пособие. Тамбов: Издательство Тамбовского Государственного Технического Университета, 2004. 75 с.

4.             Охрана труда в химической промышленности./ Г.В. Макаров, А.Я. Васин, Л.К. Маринина, П.И. Софинский, В.А. Старобинский, Н.И. Топоров. - М.: Химия, 1989. - 496 с., ил.

5.               Плаксин Ю.М., Малахов Н.Н., Ларин В.А. Процессы и аппараты пищевых производств. - 2-е изд., перераб. И доп. - М.: КолосС, 2005 г. - 760 с., ил.

Похожие работы на - Проектирование щековой дробилки

 

Не нашли материал для своей работы?
Поможем написать уникальную работу
Без плагиата!
Без нейросетей!