|
Виды
обработки
|
СЗ,руб
|
Сумо
|
Спр
|
|
Мз
|
Скг
|
Сз
|
ΔМз
|
tув
|
К9
|
К10
|
К11
|
Ссч
|
Сумо
|
|
|
1
|
2
|
3
|
4
|
5
|
6
|
7
|
8
|
9
|
10
|
11
|
12
|
|
Штамповка
в штампах
|
3,8
|
76,3
|
136,8
|
0
|
0,2
|
1
|
1
|
1
|
147
|
0
|
136,8
|
|
Поковка
|
5,4
|
76,3
|
221,4
|
1,6
|
0,2
|
1
|
1
|
1
|
147
|
47,04
|
268,4
|
|
Страница
|
|
|
|
|
20
|
20
|
20
|
20
|
21
|
|
|
Расчетные формулы:
СЗ=МЗ×Скг,
(9)
где СЗ - стоимость заготовки;
Скг - средне - удельная стоимость 1
кг заготовки.
ΔМз = МЗ
- МЗmin
, (10)
где ΔМз
- изменение напуска на по сравнению с базовой.
Сумо =ΔМз
×tув
×К9×
К10×
К11×
Ссч
, (11)
где tув
- средне - удельное время по снятию одного килограмма стружки;
К9 - коэффициент, учитывающий тип
производства;
К10- коэффициент, учитывающий вид
оборудования;
К11- коэффициент, учитывающий вид
материала;
Ссч - стоимость одного станкочаса.
Исходя из анализа на металлоемкость и
приведенную стоимость, рациональной заготовкой является штамповка в штампах.
Она выбирается в качестве заготовки для данной детали.
2.2.6 Конструирование заготовки
Рисунок 2.- Заготовка
2.3 Разработка технологического
процесса
.3.1 Выбор и обоснование баз
Рисунок 3.- Схема теоретического
базирования
Торцевая поверхность точки 1,2,3 заготовки
лишает её 3-х степеней свободы и называется установочной. Цилиндрическая
поверхность заготовки, точки 4,5 которые лишает её 2-х степеней свободы,
называется двойной опорной. Поверхность паза лишает заготовки одной степени
свободы и называется опорной базой.
Рисунок 4 - Схема базирования с
установочными элементами.
Погрешность установки в станочном приспособлении
находится по формуле:
[3,с151] (12)
где
- погрешность базирования:

,
Допустимая погрешность базирования
рассчитывается по формуле :
(13)
где
Т - допуск на соответствующий
размер, получаемый на станочном приспособлении Т = 0,25 мм;
- средняя экономическая точность
обработки детали на данной операции
К- коэффициент серийности, К=0,6
Рассчитанная погрешность базирования
сравнивается с допустимой:
,
Погрешность базирования не превышает
предельно допустимую.
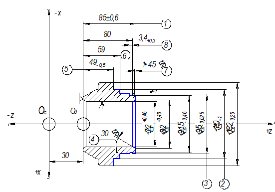
.3.2 Составление маршрута обработки
005 Токарно-винторезная.
Оборудование - станок модели 16К20.
Приспособление - трех кулачковый
самоцентрирующийся патрон.
Рисунок 5 - Эскиз на
токарно-винторезную операцию
1. Установить, закрепить и снять деталь;
2. Точить поверхность 1 начерно;
. Точить конус 6 начерно;
. Точить поверхность 3 начерно;
. Подрезать уступ 8 начерно;
. Точить конус 7 начерно;
. Точить поверхность 2 начерно
. Расточить отверстие 4 начерно
. Расточить фаску 5 начерно
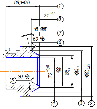
010 Токарно-винторезная с ЧПУ.
Оборудование - токарно-винторезный станок с ПУ
16Б16Т1.
Рисунок 6- Эскиз на токарно-винторезную
операцию с ПУ
1.Подрезать торец 1 начерно.
.Точить поверхность 3 начерно.
.Подрезать уступ 6 начерно.
.Точить поверхность 2 начерно.
.Точить фаску 7.
.Расточить фаску 7 начерно.
.Точить поверхность 3 начисто.
Точить канавку 8 начисто
Горизонтально-протяжная.
Оборудование - станок модели 7Б520.
Рисунок 7 - Эскиз на
горизонтально-протяжную
. Установить, закрепить и снять деталь;
. Протянуть отверстие 1 начисто;
020 Зубофрезерная операция;
Оборудование - станок модели 5К32П;
Приспособление - Оправка с пневмоприводом;
Рисунок 8 - Эскиз на зубофрезерную
операцию
. Установить, закрепить и снять деталь;
. Фрезеровать поверхность 1 начерно;
. Контроль исполнителем.
025 Зубофрезерная операция;
Оборудование - станок модели 5К32П;
Приспособление - Оправка с пневмоприводом;
Рисунок 9 - Эскиз на зубофрезерную
операцию.
1. Установить, закрепить и снять деталь;
. Фрезеровать поверхность 1 начисто;
. Контроль исполнителем.
030 Зубозакругляющая операция;
Оборудование - станок модели 5Д580 ;
Приспособление - Станочное приспособление;
Рисунок 10 - Эскиз на
зубозакругляющая операцию.
. Установить, закрепить и снять деталь;
. Закруглить поверхность зубьев 1
. Контроль исполнителем.
Термообработка
Калибровочная
Оборудование- станок мод. 7Б520
Приспособление- адаптер
Рисунок 11 - Эскиз на
горизонтально-протяжную операцию
1. Установить, закрепить и снять.
2. Прокалибровать отверстие 1 начисто.
- Зубообкатная.
Оборудование- станок мод. 5А72
-Контрольная
.3.3 Расчет припусков и межоперационных размеров
Аналитическим способом
Ø
Способ обработки:
а) Черновое точение:
Тd1
= 0,87 мм, Ra =6,3мкм.
б) Чистовое точение:
Тd2
= 0,025 мм, Ra =1,6мкм.
Тз = 2мм(
) мм
(14)
Δi
= Δ з·Куi
(15)
(16)
где Δ з-
пространственное отклонение заготовки;
Δ см-
погрешность смещения штампов;
Δi
- остаточные пространственные отклонение;
Куi
-
коэффициент уточнения заготовки;
Rz
- высота микронеровности, мкм;
h - глубина
дефектного слоя, мкм;
εi
- погрешность установки, мкм .
|
Таблица
7 - Сводная таблица припусков и межоперационных размеров
|
Операционный
размер, мм
|
13
|
98,56+1,3-0,7
|
96,1-0,87
|
95-0,025
|
|
Предельный
припуск, мм
|
Zmin
|
12
|
|
2,5
|
0,225
|
|
|
Zmax
|
11
|
|
6,63
|
1,07
|
|
Предельный
размер, мм
|
Наиме-ньший
|
10
|
97,7
|
95,2
|
94,975
|
|
|
Наибо-льший
|
9
|
99,7
|
95,07
|
95
|
|
Допуск
мм
|
8
|
2
|
0,87
|
0,025
|
|
Расчет-ный
размер, мм
|
7
|
97,767
|
95,277
|
94,975
|
|
Расчет-ный
прип-уск, мм
|
6
|
|
2×1,24
|
2×0,13
|
|
Элементы
припуска
|
εy
|
5
|
|
-
|
-
|
|
|
Δ
|
4
|
26
|
1,5
|
1,04
|
|
|
h
|
3
|
250
|
50
|
30
|
|
|
Rz
|
2
|
150
|
50
|
30
|
|
Вид
обработки
|
1
|
Обработка
наружной поверхнос-ти Ø95-0,025
Заготовка
|
Черновое
точение
|
Чистовое
точение
|
Рисунок 12 - Графическое изображение
припусков
Статистический метод.
Таблица 8 - Сводная таблица
припусков и межоперационных размеров
|
Вид
обработки
|
Допуск,
мм
|
Припуск,
мм
|
Расчетный
размер
|
Операционные
размеры с отклонениями
|
|
1
|
2
|
3
|
4
|
5
|
1.Обработка наружной поверхности Ø
|
Заготовка2112,2
|
|
|
|
|
|
Черновое
точение
|
1
|
2·1,1
|
110
|
|
2. Обработка наружной поверхности Ø
|
Заготовка287,2
|
|
|
|
|
|
Черновое
точение
|
1
|
2·1,1
|
85
|
|
3. Обработка наружной поверхности Ø
|
Заготовка2,2136,6
|
|
|
|
|
|
Однократное
точение
|
0,25
|
2·2,3
|
132
|
|
4.Обработка поверхности в размер 85
Заготовка2,394,2
|
|
|
|
|
|
|
Черновое
точение правого
|
0,87
|
2·2,3
|
89,6
|
89,6-0,87
|
|
Черновое
точение левого
|
0,87
|
2·2,3
|
85
|
85
|
5.Обработка поверхности в размер 24
|
Заготовка1,825,8
|
|
|
|
|
|
Черновое
точение
|
0,5
|
2·0,9
|
24
|
24
|
6.Обработка поверхности в размер 26
|
Заготовка1,827,827,8
|
|
|
|
|
|
Черновое
точение
|
0,5
|
2·0,9
|
26
|
26
|
7.Обработка поверхности в размер 10
|
Заготовка1,811,811,8
|
|
|
|
|
|
Черновое
точение
|
0,5
|
2·0,9
|
10
|
10
|
|
8.Обработка
внутренней поверхности Ø72
Заготовка
|
2,2
|
|
69,8
|
69,8
|
|
Черновое
точение
|
0,3
|
2·1,1
|
72
|
72+0,3
|
Расчет размерных цепей
А1=
мм
АΔ=
мм
Х1=?
Рисунок 13- Размерные цепи
А∆ = А1+
Х1,мм; (17)
Х1=А1-АΔ,
Х1=85-5=80 мм
Т∆ = Т1 + Тх,
мм; (18)
Тх = -0,7+1,2= 0,5 мм.
ES∆
= ES1-EIх,мм;
(19)
EIx
=ES1-ESΔ.
EIx=0,6-0=-0,6
(20)
ESх
= -0,6+0,6 = 0 мм.
Принимаем Х1=
А1=
мм
АΔ=
мм
Х1=?
Рисунок 14- Размерные цепи
А∆ = А1+
Х2,мм; (21)
Х2=А1-АΔ,
Х2=80-21=59 мм
Т∆ = Т1 + Тх,
мм; (22)
Тх = 0,5-0,1= 0,4 мм.
ES∆
= ES1-EIх,мм;
(23)
EIx
=ES1-ESΔ.
EIx=0-0,1=--0,1
(24)
ESх
= 0,6-0,5 = 0,1мм.
Принимаем Х1=
.3.4 Расчет режимов обработки
Операция 015 - Горизонтально-протяжная.
Оборудование - Горизонтально-протяжной станок
модели 7Б520.
Выбор режущего инструмента.
Протяжка Р6М5
a) Глубина резания
t =
t =
б) Подача
Sz=0,07 мм/зуб
в) Скорость резания
V=4,5 м/мин
г) Устанавливается нормативная скорость резания
сравнивается с max
скоростью рабочего хода станка
V
.5=4.5 м/мин
д)Сила резания
Рz=P'×
(25)
где, Р'- сила резания приходящаяся
на 1 мм
(26)
где, Zmax- max число
одновременно работающих зубьев
(27)
Принимаем Zmax=5
Рz=302×12×10×5=18,12
т
е) Силу резания проверяем по
тяговому усилию
т
ж) Мощность резания
(28)
з) Проверка станка по мощности
Np=
(29)
Np=
Np
,5<20 кВт
и) Машинное время
(30)
где, К1-коэффициент учитывающий
соотношение между скоростью рабочего и обратного хода.
g-количество
одновременно обрабатываемых деталей,
Lpx
-длина рабочего хода,
Lpx=lпр+l;
(31)
где, lпр-
длина пряжки,
l-длина
обрабатываемой поверхности,
Lpx=1375+85=1460
мм
Операция №010 - Токарно-винторезная
с ПУ.
Оборудование - Токарно-винторезный
станок с ПУ модели 16Б16Т1.
инструмент
.Порезать торец в размер 85 на длину
12,35 мм
Резец Т5К10 PDINR 3225Р15
ТУ2-035-892-82. [3, с.166., табл.8]
а) Глубина резания.
t = 2,3мм
б) Подача.
o
= So табл
* Кs,
(32)
где So табл - табличная
подача, мм/об;
So табл=0,8 мм/об
[15, с.76, к.21, л.1]
Кs - общий
поправочный коэффициент на подачу.
Кs = К1
* К2 * К3, (33)
где К1 - поправочный
коэффициент на подачу для измененных условий
работы в зависимости от состояния
поверхности заготовки;
К1=0,9
К2 - поправочный
коэффициент на подачу для измененных условий
работы в зависимости от предела
прочности обрабатываемого
материала;
К2=1
К3 - поправочный
коэффициент на подачу для измененных условий
работы в зависимости от материала
режущей части инструмента и
главного угла в плане φ.
К3=0,7
[ 15, с.77, к.21, л.2]
Кs
=0,9×1×0,7=0,63
So = 0,8
×0,63=0,504об/мин
код F50
в) Скорость резания.
V = Vтабл * Кv,
(34)
где Vтабл - табличная
скорость резания; [15, с.93, к.32, л.1]
Кv - Общий
поправочный коэффициент на подачу.
Кv = К1
* К2 * К3 * К4 * К5,
(35)
где К1 - поправочный
коэффициент на скорость резания для измененных условий работы в зависимости от
состояния поверхности заготовки;
К2 - поправочный
коэффициент на скорость резания для измененных условий работы в зависимости от
материала режущей части инструмента;
К3 - поправочный
коэффициент на скорость резания для измененных условий работы в зависимости от
периода стойкости инструмента;
К4 - поправочный
коэффициент на скорость резания для измененных условий работы в зависимости от
вида обработки; [15, с.94, к.32, л.2]
К5 - поправочный
коэффициент на скорость резания для измененных условий работы в зависимости от
механических свойств обрабатываемого материала. [ 15, с.293, к.111, л.1]
Кv =
V =
г) Частота вращения шпинделя.
n =
(36)
n=
д) Корректируется частота вращения
шпинделя по станку.
nст =
160 код М40
S2
е) Действительная скорость резания.
Vд =
(37)
Vд =
ж) Минутная подача.
Sм = So * nст,
(38)
Sм =
з) Мощность потребная на резание.
N = Nтабл * КN,
(39)
где Nтабл - табличная
мощность; [ 15, с.95., к.33., л.1]
КN - общий
поправочный коэффициент на мощность.
КN = К1
* К2, (40)
где К1 - поправочный
коэффициент на мощность для измененных условий в зависимости от главного угла в
плане; [ 15, с.96., к.33., л.2]
К2 - поправочный
коэффициент на мощность для измененных условий в зависимости от механических свойств
обрабатываемого материала. [ 15, с.293., к.111., л.1]
КN =
N =
и) Проверка станка по мощности.
Nпр = N/η,
(41)
Nпр =
Nпр ≤ Nст,
,1 ≤ 4,2 кВт.
То = L/(Sм * i),
(42)
где L - расчетная
длина обработки;
i -
количество проходов.
L = l1 + l2 + l3,
(43)
где l1 - величина
врезания;
l2 - длина
обрабатываемой поверхности;
l3 - величина
перебега.
L
=5+12,35=17,25мм
То =
.Точить пов. начерно Ø96,1 на длину26
мм
а) Глубина резания.
б) Подача.
Sо
= Sтабл×Кs
,
где Sтабл = 0,8об/мин
Кs = 0,9
[15, с. 89, к.21, л.1]
SO =
Код F50
в) Скорость резания.
ν= νтабл×
Кν,
где νтабл
= [15, с. 93, к.32, л.1]
Кν = К1×К2×К3×К4,
К1= 0,85, К2 =1, К3 =
1,09 [15, с. 94, к.32, л.2]
К5
=1 [15, с. 293, к.111, л.1]
Кν =
V =
г) Частота вращения шпинделя.
д) Коррекция частота вращения
шпинделя по станку.
nСТ = 200
. Код М39
S5
и) Действительная скорость резания.
ж) Минутная подача
Sм
= SO
×
nСТ,
Sм
= 0,504×200=100,8
з) Мощность потребная на резание.
= Nтабл × КN
где Nтабл.=2,9 кВт
[15, с. 95, к.33, л.1]
КN
= К1×К2
,
КN
=0,9×1=0,9
N =2,9 ×0,9=2,61
кВт
и) Проверка станка по мощности.
,9< 4,2 кВт.
й) Машинное время.
Lр.х
=l2+l3;
Lр.х
=26+3=29мм
3.Подрезать уступ начерно в размер 59 на длину
6,95мм
а) Глубина резания.
=1,8 мм
б) Подача.
Sо
= Sтабл×Кs
,
где Sтабл = 1,3 мм/об
Кs
=0,9×1×0,7=0,63
[15, с. 89, к.30, л.1]
SO
=
1,3×0,63=0,819
мм/об
Код F81
в) Скорость резания.
ν= νтабл×
Кν,
где νтабл
=66 [15, с. 93, к.32, л.1]
Кν = К1×К2×К3×К4×К5,
К1 = 0,85, К2 = 1, К3
= 1 , К4 =1 [15, с. 94, к.32, л.2]
К5 =1 [15, с. 293,
к.111, л.1]
Кν =
0,85×1×1,09×1×1=0,926
V =66
×0,926=61,1 м/мин
г) Частота вращения шпинделя.
д) Коррекция частота вращения шпинделя по
станку.
nСТ
= 160об/мин. Код М40 S2
е) Действительная скорость резания.
ж) Минутная подача.
Sм
= SO
×
nСТ,
Sм
= 0,819×
160=131 мм/об
.
з) Мощность потребная на резание.
= Nтабл × КN
где Nтабл.= 3,4
кВт [15, с. 95, к.33, л.1]
КN
= К1×К2
,
КN
= 0,9 ×1=0,9,
N = 3,4 ×0,9=3,06
кВт
и) Проверка станка по мощности.
где Nст =
,4 < 4,2 кВт
й) Машинное время.
Lр.х
=6,95 мм
4.Точить пов. начерно Ø110
на
длину 10 мм
а) Глубина резания.
б) Подача.
Sо
= Sтабл×Кs
,
где Sтабл =1,3 мм/об
Кs
= 0,9×1×0,7=0,63
[15, с. 89, к.30, л.1]
SO
=1,3
×0,63=0,819мм/об
Код F81
в) Скорость резания.
ν= νтабл×
Кν,
где νтабл
= 77 м/мин [15, с. 93, к.32, л.1]
Кν = К1×К2×К3×К4,
К1= 0,85, К2 = 1, К3 =
1,09 [15, с. 94, к.32, л.2]
К5 =
1 [15, с. 293, к.111, л.1]
Кν
=0,85×1×1,09×1=0,926
V =77×0,926=71,3
м/мин
г) Частота вращения шпинделя.
д) Коррекция частота вращения
шпинделя по станку.
nСТ = 200
. Код М39 S5
и) Действительная скорость резания.
ж) Минутная подача
Sм
= SO
×
nСТ,
Sм
= 0,819×200=163,8м/мин.
з) Мощность потребная на резание.
= Nтабл × КN
где Nтабл.= 4,1
кВт [15, с. 95, к.33, л.1]
КN
= К1×К2
,
КN
= 0,9×1=0,9
N = 4,1×0,9=3,69кВт
и) Проверка станка по мощности.
,1 < 4,2 кВт.
й) Машинное время.
Lр.х
= 10 мм
5.Подрезать уступ начерно в размер 49 на длину
на длину 11 мм
а) Глубина резания.
=1,8 мм
б) Подача.
Sо
= Sтабл×Кs
,
где Sтабл =1,3мм/об
Кs
= 0,9×1×0,7=0,63 [15, с. 89, к.30,
л.1]
SO
=1,3
×0,63=0,819мм/об Код F81
в) Скорость резания.
ν= νтабл×
Кν,
где νтабл
= 77м/мин [15, с. 93, к.32, л.1]
Кν = К1×К2×К3×К4×К5,
К1 = 0,85, К2 =1, К3 =
1,09, К4 = 1 [15, с. 94, к.32, л.2] К5
= 1 [15, с. 293, к.111, л.1]
Кν
=0,85×1×1,09×1×1=0,026
V =77×0,926=71,3м/мин
г) Частота вращения шпинделя.
д) Коррекция частота вращения шпинделя по
станку.
nСТ
= 160 об/мин. Код М40 S2
е) Действительная скорость резания.
ж) Минутная подача.
Sм
= SO
×
nСТ,
Sм
=0,819×
160=131мм/мин
.
з) Мощность потребная на резание.
= Nтабл × КN
где Nтабл.= 4,1
кВт [15, с. 95, к.33, л.1]
КN
= К1×К2
,
КN
=0,9×
1=0,9
,
N = 4,1×0,9=3,69кВт
и) Проверка станка по мощности.
,1< 4,2 кВт
й) Машинное время.
Lр.х
=11+2=13мм
.Точить фаску 1×45°
а) Глубина резания.
=1 мм
б) Подача.
Sо
= Sтабл×Кs
,
где Sтабл = 0,8мм/об
Кs
=1×1×0,7=0,7
[15, с. 89, к.30, л.1]
SO
=
0,8×0,7=0,56мм/мин
Код F56
в) Скорость резания.
ν= νтабл×
Кν,
где νтабл
=88 м/мин [15, с. 93, к.32, л.1]
Кν = К1×К2×К3×К4×К5,
К1 = 0,95, К2 = 1, К3
= 1,09 [15, с. 94, к.32, л.2] К5
=1 [15, с. 293, к.111, л.1]
Кν =0,95×1×1,09×1=1,035
V = 88×1,035=91,08м/мин
г) Частота вращения шпинделя.
д) Коррекция частота вращения шпинделя по
станку.
nСТ
=250 об/мин. Код М40 S3
е) Действительная скорость резания.
ж) Минутная подача.
Sм
= SO
×
nСТ,
Sм
= 0,56×
250=140мм/мин
.
з) Мощность потребная на резание.
= Nтабл × КN
где Nтабл.=3,4
кВт [15, с. 95, к.33, л.1]
КN
= К1×К2
,
КN
= 0,9×
1=0,9
N =3,4×
0,9=3,06кВт
и) Проверка станка по мощности.
,4< 4,2 кВт
й) Машинное время.
Lр.х
=5+1,4=6,4мм
Т1=0,281+0,287+0,053+0,061+0,099+0,045=0,826мин
-й инструмент
Резец Т5К10 K.01.4981.000-08
ТУ 2-035 1040-86. [3, с.171, табл.15]
.Расточить фаску 4 под 30° на длину
5,77
а) Глубина резания.
=5 мм
б) Подача.
Sо
= Sтабл×Кs
,
где Sтабл = 0,22 мм/мин
Кs
=1×1×1×=1
[15, с. 89, к.25, л.1]
SO
=
0,22×1=0,22
Код F22
в) Скорость резания.
ν= νтабл×
Кν,
где νтабл
=88 м/мин [15, с. 93, к.32, л.1]
Кν = К1×К2×К3×К4×К5,
К1 = 0,95, К2 = 1, К3
= 1,09, К4 = 0,9 [15, с. 94, к.32, л.2]
К5 = 1 [15, с. 293,
к.111, л.1]
Кν =
0,95×1×1,09×0,9×1=0,931
V = 88×0,931=81,8м/мин
г) Частота вращения шпинделя.
д) Коррекция частота вращения шпинделя по
станку.
nСТ
= 315 об/мин. Код М40 S4
е) Действительная скорость резания.
ж) Минутная подача.
Sм
= SO
×
nСТ,
Sм
= 0,22×
315=69,3мм/об
.
з) Мощность потребная на резание.
= Nтабл × КN
где Nтабл.=4,1
кВт [15, с. 95, к.33, л.1]
КN
= К1×К2
,
КN
= 0,9×
1=0,9
,
N = 4,1×
,9=3,69кВт
и) Проверка станка по мощности.
,1< 4,2 кВт
й) Машинное время.
Lр.х
=5+5,77=10,77мм
инструмент
Резец Т15К6 PDINR 2525М15
ТУ2-035-892-82. [ 3, с.166., табл.8]
.Точить пов.3 начисто Ø95 на длину 26
мм
а) Глубина резания.
t =
мм.
t =
б) Подача.
So табл=0,23
мм/об [15, к.30, л.1]
Кs = К1,
(43)
К1 = 1
Кs = 1×0,8=0,8
[ 15, к.30, л.2]
So = 0,23×0,8=0,184мм/об
код F18
в) Скорость резания.
Vтабл=130м/мин
[15, к.32, л.1]
Кv = К1 ·К2
·К3· К5, (44)
К1=0,95
К2=1,54
К3=1,09
[13, к.32, л.2]
К5=1,09
[15, к.111, л.1]
Кv =0,95×1,54×1,09×1=1,594
V =130×1,594=207
м/мин
г) Частота вращения шпинделя.
n =
n =
д) Корректируется частота вращения
шпинделя по станку.
nст =630
об/мин кодМ40
S9
ж) Действительная скорость резания.
Vд =
Vд =
з) Минутная подача.
Sм = So ·nст; мм/мин
Sм =0,25×600=150мм/мин
и)Мощность потребная на резание.
N = Nтабл ·КN; кВт
Nтабл=4,1
кВт [15, к.33., л.1]
КN = К1
·К2,
К1=0,9
[15, к.33., л.2]
К2=1
[15, к.111., л.1]
КN = 0,9×1=0,9
N =4,1×0,9=3,69
кВт
й) Проверка станка по мощности.
Nпр =
,
Nпр =
.
Nпр ≤ Nст,
,1≤ 4,2 кВт.
к) Машинное время.
То =
где L - расчетная
длина обработки;
i -
количество проходов.
L = l1 + l2;мм
где l1 - величина
врезания;
l1=5
l2 - длина
обрабатываемой поверхности;
l2= 25мм
L =
26+5=3,1мм
То =
Инструмент
Резец Т15К6 035-2126-1179
ОСТ2И10-7-84 [ 3, с.174, табл.18]
.Точить канавку 8 начисто шириной
3,4 на длину 1,75
а) Глубина резания.
t =3,4 мм.
б) Подача.
So табл=
0,15мм/об [15, к.30, л.1]
К1 = 0,7
Кs = 0,85×0,4=0,34
[ 15, к.30, л.2]
So = 0,15×0,34=0,034
код F3
в) Скорость резания.
Vтабл=181
м/мин [15, к.32, л.1]
Кv = К1 ·К2
·К3· К5, (45)
К1=1
К2=1,08
К3=1,1
[15, к.32, л.2]
К5=1
[15, к.111, л.1]
Кv =1×1,08×1,1×1=1,188
V =181×1,188=215м/мин
г) Частота вращения шпинделя.
n =
n =
nст =
630 код М40
S6
е) Действительная скорость резания.
Vд =
Vд =
ж) Минутная подача.
Sм = So ·nст; мм/мин
Sм =0,034×630=21,42мм/мин
з) Мощность потребная на резание.
N = Nтабл ·КN; кВт
Nтабл=4,1кВт
[15, к.33., л.1]
КN = К1
·К2,
К1=
0,9 [15, к.33., л.2]
К2=1
[15, к.111., л.1]
КN = 0,9×1=0,9
N =4,1×0,9=3,69кВт
и) Проверка станка по мощности.
Nпр =
,
Nпр =
.
Nпр ≤ Nст,
,1≤ 4,2 кВт.
й) Машинное время.
То =
L = l1 + l2;мм
l1= 3мм
l2=1,75мм
L =
3+1,75=4,75мм
То =
Тобщ=0,826+0,155+0,206+0,221=1,408мин
Таблица 9- Сводная таблица режимов
резания
|
Наименование
операции и перехода
|
t,
мм
|
l,
мм
|
Lpx,
мм
|
Подача
|
Расчетные
размеры
|
Скоростные
размеры
|
То
мин
|
|
|
|
|
Sz
|
Sо
|
Sм
|
n
|
V
|
nст
|
Vст
|
|
|
|
1
|
2
|
3
|
4
|
5
|
6
|
7
|
8
|
9
|
10
|
11
|
12
|
|
005.
Токарно-винторезная операция 1.Точить пов.1 начерно на длину 8,75 2.Точить
конус 6 начерно под углом 60° на длину 33 мм 3.Точить пов.3 начерно Ø110 на длину 5
мм 4.Подрезать уступ 8 начерно в размер 64,1 5.Тоить конус 7 начерно под
углом 15° на длину 5 мм 6.Точить пов.2 начерно Ø132 на длину
33 мм 7.Расточить отв.4 начерно Ø72 на длину
88,1 8.Расточить фаску 5 начерно под углом 30° на длину
|
4,6
3 1,1 1,8 2 2,3 4,7 2,8
|
8,5
33 5 6 5 33 88 5,7
|
11,75
35 6 7 6 35 90,1 7,77
|
|
0,4
0,6 0,6 0,6 0,6 0,6 0,15 0,15
|
|
239
185 185 163 154 154 327 249
|
74
64 64 64 64 64 74 64
|
200
160 160 160 125 125 315 200
|
53,3
55,2 55,2 63,3 51,8 51,8 71,2 51,4
|
0,14
0,36 0,06 0,07 0,08 0,46 1,9 0,25
|
|
010.
Токарно-винторезная операция с ПУ 1.Порезать торец 1 в размер 85 на длину
12,35 мм 2.Точить пов.3 начерно Ø96,1 на длину26
мм 3.Подрезать уступ 6 начерно в размер 59 на длину 6,95мм 4.Точить пов.2
начерно Ø110
на
длину 10 мм 5.Подрезать уступ 5 начерно в размер 49 на длину на длину 11 мм
6.Точить фаску 7 1×45°
7.Расточить
фаску 4 под 30° на длину 5,77 8.Точить пов.3 начисто Ø95 на длину
26 мм 9.Точить канавку 8 начисто шириной 3,4 на длину 1,75
|
2,3
1,2 1,8 1,1 1,8 1 5 0,55 3,4
|
12,3
26 6,9 10 11 1,4 5,77 26 1,75
|
17,35
29 6,95 10 13 6,4 10,7 31 4,75
|
|
0,5
0,5 0,82 0,81 0,81 0,5 0,2 0,18 0,03
|
61,7
100,8 131,04 163,8 131 140 69,3 150 21,42
|
169
245 173 206,4 172 301 318 694,6 720
|
80,08
75,9 61,1 71,3 71,3 91,08 81,9 207,2 215
|
160
200 160 200 160 250 315 630 630
|
43,2
60,3 56,3 69,08 66,3 75,4 81,1 178 187
|
0,28
0,28 0,05 0,06 0,09 0,04 0,15 0,206 0,221
|
|
015.Горизонтально-
протяжная операция 1.Протянуть 12 шлицев 1 на длину 85
|
5
|
85
|
1460
|
0,07
|
|
|
|
4,5
|
|
4,5
|
9,19
|
|
020.Зубофрезерная
операция 1.Фрезеровать зубья 1 начерно
|
4,9
|
174
|
192
|
|
1,25
|
|
85
|
21,4
|
80
|
20
|
69,1
|
|
025.Зубофрезерная
операция
|
|
|
|
|
|
|
|
|
|
|
|
|
1.Фрезеровать
зубья 1 начисто
|
2,8
|
170
|
187,7
|
|
0,8
|
|
87,9
|
25,1
|
100
|
25,1
|
42,2
|
|
030.Зубозакругляющая
операция 1.Закруглить поверхность зубьев 1
|
2
|
2
|
11,4
|
0,08
|
0,32
|
192
|
|
|
600
|
18,8
|
3,3
|
|
035.
Термообработка
|
|
|
|
|
|
|
|
|
|
|
|
|
040.Калибровочная
операция 1.Калибровать 12 шлицев 1 начисто
|
5
|
85
|
1460
|
0,07
|
|
|
|
4,5
|
|
4,5
|
9,19
|
|
045.Зубообкатная
1.Обкатать зубья
|
0,09
|
|
|
|
3,84
|
|
1428
|
128
|
1450
|
122
|
5
|
|
|
|
|
|
|
|
|
|
|
|
|
|
|
|
|
|
|
|
|
|
|
|
|
2.3.5 Расчет норм времени
Операция 015-Горизонтально-протяжная.
Общее основное время.
мин; (46)
где Тoi - время
одного перехода,
ТОобщ = 0,39 мин.
Вспомогательное время:
2.1 Время, связанное с переходом
tпер=0,16мин.
[10,табл.6]
2.2 Время на контрольные измерения
tизм.
= Σ (tк
· Кn
· Z);
(47)
где tизм-
время одного измерения; [10,табл.17]
Кn
- коэффициент периодичности измерения; [10,табл.18]
Z - количество
замеряемых размеров.
tизм=
0,19·1·1=0,16мин.
2.5 Поправочный коэффициент на вспомогательное
время:
Кtв
= 0,93. [10,табл.19]
.6 Общее вспомогательное время:
Твсп =(tуст+tпер+tизм.
) · Кtв,
мин; (48)
Твсп = (0,31+0,16) · 0,93=0,43мин.
Оперативное время.
Топ = То общ. + Твсп,
мин; (49)
Топ = 0,39+0,43= 0,82мин.
Время на обслуживание рабочего места.
мин; (50)
где аобс - время на
обслуживание рабочего места, % [10,табл.21]
мин.
Время для перерывов на отдых и
личные надобности.
мин; (51)
где вотл. - время для
перерывов на отдых и личные надобности ,% [10,табл.20]
мин.
Штучное время.
Тшт. = Топ. +
Тобс. + Т отл., мин; (52)
Тшт. =0,82+0,02+0,03 =
0,87 мин.
Подготовительно - заключительное
время.
Тп.з.i =
17мин. [10,табл.25]
Штучное - калькуляционное время.
мин; (53)
мин.
9 Норма выработки деталей в смену.
шт; (54)
шт.
Операция 015 - токарно-винторезная с
ПУ.
Штучное время.
мин; (55)
где Та - Время
автоматической основной работы по программе;
Та = Тоа + Тва;
(56)
где Тоа - время основной
работы инструмента.
Тва - время
вспомогательной автоматической работы;
Тоа = ∑ Тоi , мин;
Тоа= 1,408 мин.
Тва = 0,03x + 0,1y + 0,07z,
(57)
где х - количество быстрых
перемещений инструмента по циклограмме;
y -
количество установочных перемещений стола
z -
количество поворотов револьверной головки.
Тва = 0,03·13 + 0,1·0 +
0,07· 4= 0,67 мин,
Та = 1,408+0,67= 2,07
мин.
Тв - время выполнения
ручной вспомогательной работы, не перекрываемой временем автоматической работы
станка;
Тв = Тву + Твсп.
+ Тви., мин. (58)
где Тву - время на
установку и снятие детали;.
Твсп - вспомогательное
время, связанное с выполнением операций;
Тви - вспомогательное
время, не перекрываемое на измерение;
Твсп = 0,04 + 0,03 + 0,25
+ 0,15·2+0,04·5+0,04+0,33= 1,49 мин.
Тви = ∑ (tизм ·Кп
·Z),
мин, (59)
где Кп. ср. - коэффициент
периодичности,(0,5)
tизм - время на
измерение одной поверхности инструментом данного вида;
Z -
количество поверхностей контролируемых инструментом данного вида;
Тви = 0,262·0,5·9 =
1,17мин.
Тв = 1,15+1,49+1,17=3,81
мин.
Кtв -
коэффициент вспомогательного времени;
Тоб - процент от
оперативного времени на обслуживание рабочего места, отдых и личные надобности,
%.
мин.
Подготовительно заключительное
время.
Тп.з. = ∑Тп.з,
мин; (60)
Тп.з. =
15+2+0,8+0,5+0,4+1,4= 20,1 мин.
Штучно - калькуляционное время
определяется по формуле.
мин.
мин.
Определяется норма выработки.


Таблица 10 - Сводная таблица норм
времени
|
Наименование
операции
|
То
мин
|
Твсп
мин
|
Топ
мин
|
Тобс.
мин
|
Толн
мин
|
Тшт
мин
|
Тпз
мин
|
Тштк
мин
|
Нв
шт
|
|
005.Токарно-винторезная
|
3,355
|
0,12
|
3,47
|
0,13
|
0,13
|
3,73
|
26
|
4,16
|
115
|
|
010.Токарно-винторезная
с ПУ
|
1,408
|
3,81
|
4,7
|
1,09
|
5,12
|
20,1
|
5,42
|
88
|
|
015.Горизонтально-протяжная
|
0,39
|
0,43
|
0,82
|
0,02
|
0,03
|
0,87
|
17
|
1,15
|
417
|
|
020.Зубофрезерная
|
69,1
|
0,4
|
69,5
|
3,12
|
2,78
|
75,4
|
30
|
36,7
|
13
|
|
025.Зубофрезерная
|
42,2
|
04
|
42,6
|
1,91
|
1,7
|
46,21
|
30
|
23,6
|
20
|
|
030.Зубозакругляющая
|
3,3
|
0,43
|
3,73
|
0,15
|
0,15
|
4,05
|
33
|
4,6
|
104
|
|
040.Калибровочная
|
0,39
|
0,43
|
0,82
|
0,02
|
0,03
|
0,87
|
17
|
1,15
|
417
|
|
045.Зубообкатная
|
5
|
0.55
|
5.55
|
0.22
|
0.22
|
5.9
|
18
|
6.2
|
77
|
2.3.6 Разработка управляющей программы для
станков с ЧПУ
.3.6.1 Краткая техническая характеристика
токарно-винторезного станка с ЧПУ модели 16Б16Т1
|
Наибольший
диаметр обрабатываемой заготовки, мм - над станиной - над суппортом
|
320
125
|
|
Наибольший
диаметр прутка проходящего через отверстие шпинделя мм:
|
36
|
|
Наибольшая
длина обрабатываемой заготовки, мм
|
750
|
|
Частота
вращения шпинделя, об/мин Число скоростей
|
40
- 2000 18
|
|
Наибольшее
перемещение суппорта, мм/об
|
|
|
продольное
|
700
|
|
поперечное
|
210
|
|
Подача
суппорта, мм/об
|
|
|
продольная
|
2
- 1200
|
|
поперечная
|
1
- 1200
|
|
Скорость
быстрого перемещения суппорта, мм/об продольного поперечного Мощность
электродвигателя, кВт
|
6000
5000 4.2
|
|
Габаритные
размеры: длина, мм
|
3100
|
|
ширина,
мм
|
1390
|
|
высота,
мм
|
1870
|
|
Масса,
кг
|
2350
|
.3.6.2 Краткая характеристика ОСУ „Электроника -
НЦ - 31”
|
Тип
системы
|
контурная
|
|
Число
управляемых осей координат
|
2
|
|
Число
одновременно управляемых осей координат
|
2
|
|
Дискретность
по осям, мм по оси x по оси z
|
0,005
0,01
|
|
Задание
размеров
|
абсолютное
|
|
Задание
подачи
|
|
Программа
в водится с клавиатуры пульта управления
|
|
|
Координатные
оси
|
|
.3.6.3 Управляющая программа для операции с ЧПУ
Таблица 11 - Рукопись УП
|
Участки
|
Кадр
УП
|
Пояснения
|
|
1
|
2
|
3
|
|
0
1 2 3
|
N0M3
N1T1 N2F50 N3M40
|
Номер
кадра 0, вспомогательная функция -вращение шпинделя на токаря Смена
инструмента- первый инструмент Подача-0,504 мм/об Частота вращения шпинделя-
|
|
4
5 6 7 8 9 10 11 12 13 14 15 16 17 18 19 20 21 22 23 24 25 26 27
28 29 30 31 32
|
N4S2 N5 X16000* N6 Z10000 N7
Z8500* N8 X10000 N9X6800 N10 Z8700 N11 X9610 N12S5 N13Z5900 N14F81
N15M40 N16S2 N17 X11000 N18M39 N19S5 N20Z4900 N21M40 N22S2 N23X13600
N24 Z8700 N25 X8900 N26F56 N27S3 N28 X16000* N29 Z10000 N30 X44000*
N31 X44000*
|
160
об/мин Быстрый ход Подвод в т.0 Быстрый ход Подвод в т.1 Подрезать торец
начерно в размер 85 на длину 12,35мм, подвод в т.2 Быстрый ход подвод в т.3
Быстрый ход подвод в т.4 Частота вращения шпинделя- 200 об/мин Точить
поверхность начерно Ø96,1
на
длину 26 мм, подвод в т.5 Подача-0,819 мм/об Частота вращения шпинделя- 160
об/мин Подрезать уступ начерно в размер 59 на длину 6,9мм, подвод в т 6
Частота вращения шпинделя- 200 об/мин Точить поверхность начерно Ø110 на
длину 10 мм, подвод в т.7 Частота вращения шпинделя- 160 об/мин Подрезать
уступ начерно в размер 49 на длину 11мм, подвод в т 8 Быстрый ход подвод в
т.9 Быстрый ход подвод в т.10 Подача-0,56 мм/об Частота вращения шпинделя-
250 об/мин Точить фаску 1х45°, подвод в т.11 Быстрый ход Подвод в т.12
Быстрый ход Подвод в т.Ои
|
|
33
34 35 36 37 38 39 40 41 42 43 44 45 46 47 48 49 50 51 52 53 54 55 56
57 58 59 60 61 62
|
N32 Z25000 N33M5 N34M3 N35T2
N36F22 N37M40 N38S4 N39 X16000* N40 Z10000 N41 X8600* N42 Z8700 N43X6800*
N44Z8000 N45 Z8700 N46 X16000* N47 Z10000 N48 X44000* N49 Z25000 N50M5
N51M3 N52T3 N53F23 N54M40 N55S6 N56 X16000* N57 Z10000 N58 Z8700* N59
X9200 N60Z5900 N61 X16000*
|
Вспомогательная
функция -технологический останов шпинделя Номер кадра 34, вспомогательная
функция -вращение шпинделя на токаря Смена инструмента-второй инструмент
Подача-0,504 мм/об Частота вращения шпинделя- 160 об/мин Быстрый ход Подвод в
т.0 Быстрый ход Подвод в т.1 Расточить фаску начерно под углом 30° на длину
5,77 мм, подвод в т.2 Быстрый ход подвод в т.3 Быстрый ход Подвод в т.4
Быстрый ход Подвод в т.Ои Вспомогательная функция -технологический останов
шпинделя Номер кадра 51, вспомогательная функция -вращение шпинделя на токаря
Смена инструмента- третий инструмент Подача-0,23 мм/об Частота вращения
шпинделя- 630 об/мин Быстрый ход Подвод в т.0 Быстрый ход Подвод в т.1 Точить
поверхность начисто
Ø95 на
длину 26 мм, подвод в т.2 Быстрый ход
|
|
63
64 65 66 67 68 69 70 71 72 73 74 75 76 77 78 79 80 81 82 83 84
|
N62 Z10000 N63 X44000* N64
Z25000 N65M5 N66M3 N67T4 N68F3 N69M40 N70S6 N71 X16000* N72 Z10000
N73 Z7660* N74 X10000 N75Z9150 N76G4* N77P200 N78 X10000* N79 Z16000*
N80 Z10000 N81 X44000* N82 Z25000 N83M5 N84M30
|
Подвод
в т.3 Быстрый ход Подвод в т.Ои Вспомогательная функция -технологический
останов шпинделя Номер кадра 66, вспомогательная функция -вращение шпинделя
на токаря Смена инструмента- четвертый инструмент Подача-0,034 мм/об Частота
вращения шпинделя- 630 об/мин Быстрый ход Подвод в т.0 Быстрый ход Подвод в
т.1 Точить канавку начисто шириной 3,4 мм на длину 1,75 мм, подвод в т.2
Подготовительная функция-пауза 2 сек Быстрый ход подвод в т.3 Быстрый ход
Подвод в т.4 Быстрый ход Подвод в т.Ои Вспомогательная функция
-технологический останов шпинделя Вспомогательная функция-конец УП
|
.3 Технико-экономическое обоснование
спроектированного техпроцесса
Расчет производится на примере одной из
операций.
.Вариант-проектируемый: 020 Зубофрезерная.
.Вариант-базовый: 020 Зубофрезерная.
Таблица 12 - Технико-экономическое
обоснование спроектированного техпроцесса
|
Проектируемый
вариант
|
Базовый
вариант
|
|
1
|
2
|
|
1.
Часовые приведенные затраты Спз = Сз/М + Счз + Ен · (Кс + Кз); Сз = Сч · βо; Счз =
Счб · Кн; Кс = Ц/3200; Кз = (F · 75)/3200; F = f · Кf.
|
Сз1
= 18 · 1,5 = 27руб.; Счз1 = 18,2 ·1,5 = 27,3 руб.; Кс1 =
= 120руб;
Кз1
=
=0,48
руб.;= 6,858 · 3 = 20,5;
Спз1
=
+ 27,3 +
0,12 · (120+0,41) = 68,7 руб.Сз2 = 18 · 1,5 = 27 руб.;
Счз2
= 18,2 ·1,5 = 27,3 руб.;
Кс2
=
= 120руб;
Кз2
=
= 0,42
руб.;= 7,3 · 2,5 = 18,25;
Спз2
=
+ 27,3+
0,12 · (120+
|
+0,42)
= 68,7руб.
|
|
|
2.
Стоимость механической обработки. Со = (Спз ·Тшт.к)/60
|
|
Со1
= =
42руб.Со2 = = 46,2руб.
|
|
|
3.
Величина годовой приведенной экономии. Э = (Со2 - Со1) ·N Э = (46,2-42) ·3000
= 12600 руб.
|
где Сз - основная и
дополнительная часовая заработная плата основных рабочих, руб.;
М - коэффициент многостаночности;
ßо - общи коэффициент
доплаты к заработной плате;
Счз - часовые затраты на
эксплуатацию рабочего места, руб.;
Счб - часовые затраты на
базовом рабочем месте, руб.;
Км - машинный
коэффициент;
Ен - нормативный
коэффициент экономической эффективности
капиталовложения;
Кс - капиталовложения в
оборудование, руб.;
Ц - оптовая цена станка, руб.;
Кз - капитала вложения в
здание, руб.;
F - производственная площадь занимаемая одним станком с учетом
проходов и проездов, м2;
f - опорная площадь станка, м2;
Кf - коэффициент,
учитывающий проходы и проезды.
3. КОНСТРУКТОРСКИЙ РАЗДЕЛ
.1 Разработка конструкции станочного
приспособления
.1.1 Описание принципа работы, назначения и
устройства проектируемого приспособления
Данное приспособление предназначено для
установки и зажима заготовки и последующего фрезерования по диаметру 132 на
зубофрезерном полуавтомате мод.5К32П
Приспособление состоит из корпуса на который
монтируются втулка и пневмоцилиндр.
Приспособление базируется на стол станка при
помощи специальных болтов, для которых предусмотрены пазы в корпусе
приспособления. Для того чтобы обработать заготовку её устанавливают на
шлицевую оправку, имеющимся на ней отверстием и закрепляют быстросъёмной
шайбой, прижим которой к заготовке осуществляется штоком с накрученной на него
гайкой, вся эта система работает с помощью пневмоцилиндра вмонтированного в
корпус приспособления. При попадании воздуха в штоковую полость пневмоцилиндра,
заготовка прижимается к корпусу приспособления посредством быстросъемной шайбы.
При поступлении воздуха в безштоковую полость, поршень со штоком поднимается
вверх и происходит разжим заготовки.
Вращение приспособления происходит вместе со
столом при его повороте на один обрабатываемый зуб.
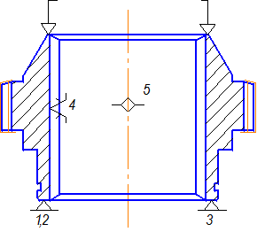
3.1.2 Теоретическая схема базирования и
определение погрешности базирования. Расчет на точность
Рисунок 15- Теоретическая схема
базирования
Торцевая поверхность точки 1,2,3 заготовки
лишает её 3-х степеней свободы и называется установочной. Цилиндрическая
поверхность заготовки, точки 4,5 которые лишает её 2-х степеней свободы,
называется двойной опорной. Поверхность паза лишает заготовки одной степени
свободы и называется опорной базой.
Рисунок 16- Практическая схема
базирования
Рисунок 17 - Схема базирования с
установочными элементами.
Погрешность установки в станочном приспособлении
находится по формуле:
[3,с151] (60)
где
- погрешность базирования:

,
Допустимая погрешность базирования
рассчитывается по формуле :
(61)
где
Т - допуск на соответствующий
размер, получаемый на станочном приспособлении Т = 0,25 мм;
- средняя экономическая точность
обработки детали на данной операции
К- коэффициент серийности, К=0,6
Рассчитанная погрешность базирования
сравнивается с допустимой:
,
Погрешность базирования не превышает
предельно допустимую.
.1.3 Силовой расчет приспособлении
Рисунок 18- Схема действия сил на
заготовку
Сила зажима рассчитывается по формуле:
;
(62)
Расчёт усилия зажима.
где
коэффициент запаса ,
коэффициент трения,
окружающая сила;
Сила зажима:
[5,c 445, табл.
36] (63)
где N- мощность
резания , кВт
V- скорость
резания, м/мин
(64)
где S - подача на
один оборот детали, м/мин S=1,18 мм /об
m - модуль
нарезного колеса, m=3,5
Z - число
зубьев нарезного колеса, Z=36
D - нарезной
диаметр инструмента, D=80 [5,c245,табл.76]
V - скорость
резания, V=20 м/мин
поправочный коэффициент на
мощность, учитывающий изменения условия эксплуатации;
поправочный коэффициент на
мощность.
Рассчитываем усилия на шток для поршневого
пневмоцилиндра одностороннего тянущего действия, по формуле:
, (65)
где
- диаметр пневмоцилиндра
d- диаметр
штока
- КПД;
=0,9
- давление сжатого воздуха;
Р=0,4мПа
Q (W) - усилие
зажима заготовки в приспособлении, Н W=Q=16309H
Диаметр пневмоцелиндра
рассчитывается по формуле:
,мм; (66)
;
принимаем D = 250мм
Диаметр штока определяем по формуле:
(67)
W<[W],Н
<17064 Н
Вывод: Расчётная сила зажима получилась меньше
силы зажима данного пневмоцилиндра следовательно обеспечивается надёжное
закрепление детали.
.1.4 Технико-экономическое обоснование
спроектированного приспособления
Расчёт экономической эффективности применяемого
приспособления основывается на составлении затрат и экономии, возникающих при
его использовании. Экономия достигается за счёт снижения трудоёмкости
изготовления детали , а следовательно будет снижена и штучная заработная плата.
Э = N[(1/60)×(tсCс-tнCн)
+∆З] - (a + E)(Kс-Kн),руб.;
(68)
где N
- годовой объем выпуска, шт., N=3000шт
tс,tн
- вспомогательное время для открепления и закрепления заготовки для старого и
нового приспособления, мин.
Cс,Cн
-
стоимость работы станка в течение одного часа по-старому и новому вариантам,
руб./мин.;
Cс,Cн
=
0,9 [8, с. 287, табл. 13 ]
∆З - Экономия зарплаты на сопутствующих
операциях, руб.,
Kс,Kн
- стоимость старого и нового приспособлений, руб.,
a - годовая норма
описаний стоимости приспособления - амортизация
a = 0,5
E - нормативный
коэффициент экономической эффективности
E = 0,2
Э = 3000[(1/60)×(
0,44×0,9-0,4×0,9)+0] - (0,5+0,2)(3100-4000) = 630,4 руб.
Вывод: в результате экономическая эффективность
данного приспособления составила 630,4 руб.
.1.5 Прочностные расчеты детали приспособления
Осуществим расчёт резьбового соединения штока с
гайкой на прочность.
Все стандартные болты, винты и шпильки с
крупными шагами являются равнопрочными на разрыв стержня по резьбе на срез
резьбы и отрыв головки. Поэтому расчёт на прочность резьбового соединения
проводится только по одному основному критерию - прочности нарезанной части
стержня на растяжение. δ≤ [δ]
где δ - напряжение,
возникающее в опасном сечении, мПа;
[δ] - допускаемое
напряжение при сжатии и растяжении, мПа.
,мПа ; (69)
где А - площадь опасного поперечного
сечения, мм2.
,мм2; (70)
где D - диаметр
штока, мм.
.
Рассчитаем напряжение, возникающее в опасном
поперечном сечении
.
Рассчитаем допускаемое напряжение
[δ] =
/
Т,мПа,
[2,c.269]
где
- предел текучести материала,
Т -
коэффициент запаса прочности.
[δ] = 340/2=170 мПа.
,8<170 мПа.
Вывод: условие прочности соблюдается.
3.2 Конструирование и расчёт
специального режущего инструмента
.2.1 Выбор конструктивных параметров
фрезы
Рисунок 19 - Конструктивные
параметры фрезы
где Deu - наружный
диаметр фрезы
Deu = 112 мм;
d- диаметр
отверстия под оправку
d= 32 мм;
d1 - диаметр
буртиков
d1= 50 мм;
L- длина
фрезы
L= 125 мм;
а- ширина буртиков
а = 5 мм;
Zk - число
зубьев фрезы
Zk = 10 мм;
Фреза правозаходная. Класс точности
фрезы - А
.2.2 Определяем высоту головки зуба.
Рисунок 20 - Высота головки зуба.
h'u = (fpn + C'pn) × m,
мм; (78)
где fpn - коэффициент
высоты зуба исходного контура для некорегированных колес.
fpn = 1
Cpn -
коэффициент радиального зазора отнесенный к нормальному модулю.
C'pn = 0,25
m - модуль
фрезы.
m = 3,5
h'u = (1 + 0,25)
× 3,5 =4,37 мм.
3.2.3 Определить высоту ножки зуба.
h"u = h'u ;
h"u = 4,37 мм.
.2.4 Радиус закруглений головки зуба
r1 = 0,25 ×
m
мм; (79)
r1 = 0,25 ×
3,5 = 0,87 мм.
Принимаем r1 =0,9
Радиус закруглений ножки зуба.
r2 = 0.3 × m, мм;
r2 = 0,3 ×
3,5 = 1,05 мм.
Принимаем r2 =1
.2.5 Определяем полную высоту зуба hu
hu = h'u + h"u, мм; (80)
hu = 4,37
+4,37 =8,74 мм.
.2.6 Толщина зуба в нормальном
сечении на делительный диаметр
мм;
(81)
мм.
.2.7 Определяем средний расчетный
диаметр фрезы с нешлифованным профилем
Dt = Deu - 2h'u - 0.5×K1
(82)
где K1 - Величина
затылования.
(83)
где άв задний
угол на вершине зуба
αв = 10˚…12˚
принимаю άв = 10˚
Принимаю по ГОСТ K1 = 5
Dt = 80 - 2 ×4,37 - 0,5 × 5
=68,76 мм.
Рисунок 21 - Профиль зуба.
.3.2.8 Определить высоту стружечных канавок для
нешлифованных фрез
hк = h4
+ K1 +0,5
мм; (84)
hк = 8,74 +5+ 0,5 =
14,24 мм
.2.9 Радиус закругления стружечных канавок
(85)
.2.10 Определяем угол стружечных
канавок
Qk = 22˚
.3.2.11 Определяем угол подъема
витков фрезы
sinω =
,
мм; (86)
sinω =
ω = 2˚37'
Рисунок 22 - Геометрические
параметры фрезы.
.2.12 Шаг винтовой стружечной
канавки
(87)
.2.13 Шаг между зубьями фрезы
(88)
3.2.14 Длина нарезанной части фрезы
ℓ4 = L - 2 × toc,мм;
(89)
ℓ4 = 125 - 2 × 11 = 103 мм.
.2.15 Определяем длину шлифованной
части
ℓ = (0,22…0,26) × L;
(90)
принимаю ℓ = 0,22 × L;
(91)
ℓ = 0,22 × 125 = 27,5 мм.
.2.16 Определяем диаметр выточки по
фрезе
d1 = d + 2,
мм; (92)
d1 = 32 + 2 =
34 мм.
.2.17 Определяем угол профиля в
осевом сечении
,мм; (93)
αл = 29˚56'
мм (94)
αп = 20˚4'
.2.18 Ордината центра окружности
радиуса
tgαδ = tgαb × sinα;
(95)
tgαδ = tg10˚ ×
sin20˚ =
0,1763 × 0,3420 = 0,0603
αb - задний
угол на вершине зуба.
α˚ - угол
зацепления.
α˚ = 20˚
αδ = 3˚27'
Рисунок 23-Зазмеры шпоночного паза
d = 32H7
b = 8H9
t1 = 34,8H14
3.3 Конструирование и описание
специального контрольного приспособления
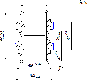
Проектируемое мной контрольное
приспособление предназначено для контроля радиального биения поверхности Ø95. Колесо с
помощью оправки 6 устанавливаются в горизонтальных центрах 4, а центры
находятся в стойках 2 и 8. На поверхность Ø95 устанавливают
индикатор 20. Зажим оправки осуществляется при помощи центра который толкает
винт 10 и пружины 18. Винт перемещается по резьбе с гайкой 15. Гайка накручена
на винт не подвижно и держится на винте с помощью оси 11.
4. ЭКОНОМИЧЕСКИЙ РАЗДЕЛ
4.1 Определение потребного
количества оборудования и коэффициентов его загрузки.
Таблица 13-Сводные данные
технологического процесса
|
Наименование
показателя
|
Обозначение
и величина
|
Разряд
|
Модель
оборудования
|
Приме-
чание
|
|
Годовая
программа выпуска
|
N=3000
шт
|
|
|
|
|
Действительный
фонд времени работы оборудования
|
Fд=4015
ч
|
|
|
|
|
Действительный
фонд времени работы рабочего
|
Fдр=1870
ч
|
|
|
|
|
Штучно-калькуляционное
время на операцию
|
|
|
|
|
|
1.
Базовый вариант:
|
|
|
|
|
|
1.1
Токарно-винторезная
|
Тшт1=4,57
|
3
|
16К20
|
|
|
1.2
Токарно-винторезная
|
Тштк2=5,96
|
4
|
16Б16Т1
|
с
ПУ
|
|
1.3
Горизонтально-протяжная
|
Тштк3=12,6
|
3
|
7Б520
|
|
|
1.4
Зубофрезерная
|
Тштк4=40,37
|
4
|
5К32П
|
|
|
1.5
Зубофрезерная
|
Тшт.к5=25,96
|
4
|
5К32П
|
|
|
1.6
Зубозакругляющая
|
Тштк6=5,06
|
5
|
5Д580
|
|
|
1.7
Горизонтально-протяжная
|
Тштк7=1,26
|
3
|
7Б520
|
|
|
1.8
Зубообкатная
|
Тштк8=6,85
|
3
|
5А725
|
|
|
Трудоемкость
обрабатываемой детали
|
Тшткбаз=90,03
|
|
|
|
|
2.
Проектируемый вариант:
|
|
|
|
|
|
1.1
Токарно-винторезная
|
Тштк1=4,16
|
3
|
16К20
|
|
|
1.2
Токарно-винторезная
|
Тштк2=5,42
|
4
|
16Б16Т1
|
с
ПУ
|
|
1.3
Горизонтально-протяжная
|
Тштк3=1,15
|
3
|
7Б20
|
|
|
1.4
Зубофрезерная
|
Тштк4=36,7
|
4
|
5К32П
|
|
|
1.5
Зубофрезерная
|
Тшт5=23,6
|
4
|
5К32П
|
|
|
1.6
Зубозакругляющая
|
5
|
5Д580
|
|
|
1.7
Горизонтально-протяжная
|
Тштк7=1,15
|
3
|
7Б520
|
|
|
1.8
Зубообкатная
|
Тштк8=6,2
|
3
|
5А725
|
|
|
Трудоемкость
обрабатываемой детали
|
Тштк.пр=87,3
|
|
|
|
|
Себестоимость
детали по базовому техпроцессу
|
Сшт.1=1029,12
|
|
|
|
Определяю коэффициент ужесточения.
муфта шпиндель станок
(96)
где Т шт.к.пр. - проектируемое
штучно-калькуляционное время, мин;
Т шт.к.баз. - базовое
штучно-калькуляционное время, мин.
Определяем расчетное количество станков с учётом
догрузки.
(97)
где N - годовая
программа выпуска, шт.,
Тшт.к.пр.- норма времени
по операциям проектируемого варианта, мин;
Тшт.к.баз. -норма времени
по операциям базового варианта, мин;
N1 - принятая
программа выпуска догруженной детали, шт.;
Fд. - годовой
действительный фонд времени работы оборудования, ч;
Квн. - коэффициент
выполнения норм.
принимаем Сп1 = 2 шт.;
принимаем Сп2 = 3 шт.;
принимаем Сп3 =5 шт.;
принимаем Сп4 = 14 шт.;
принимаем Сп5 =9 шт.;
принимаем Сп6 =2 шт.;
принимаем Сп7 = 1 шт.;
принимаем Сп8 = 3 шт.;
Определяем коэффициент загрузки оборудования по
каждому типу станков
(98)
где Ср - расчетное
количество станков, шт.;
Сп. - принятое количество
станков, шт.
Определяется средний коэффициент
загрузки оборудования
(99)
где ∑Ср - сумма
расчетного количества станков, шт.;
∑Сп. - сумма
принятого количества станков, шт.
Рисунок 24-График загрузки
оборудования
Таблица 14 - Ведомость оборудования
участка
|
Тип
станка
|
Модель
|
кол-во
ст., шт
|
Мощность,
кВт
|
Стоимость,
руб.
|
Стоимость
Всех станков с транспортировкой и монтажом, руб.
|
Габаритные
размеры, мм.
|
|
|
|
одного
|
всех
|
одного
|
всех
|
|
|
|
1
|
2
|
3
|
4
|
5
|
6
|
7
|
8
|
9
|
|
Токарно-винторезный
|
16К20
|
2
|
4
|
8
|
266500
|
533000
|
612950
|
3198×1190
|
|
Токарно-винтореный
с ПУ
|
16Б16Т1
|
3
|
4,2
|
12,6
|
712000
|
2163000
|
2487450
|
3100×1390
|
|
Горизонтально-протяжной
|
7Б520
|
5
|
17
|
85
|
271000
|
1355000
|
1558250
|
5735×1525
|
|
Зубофрезерный
|
5К32П
|
14
|
7,5
|
102
|
385000
|
5390000
|
63698500
|
2650×1510
|
|
Зубофрезерный
|
5К32П
|
9
|
7,5
|
67,5
|
385000
|
3465000
|
398450
|
2650×1510
|
|
Зубозакругляющий
|
5Д580
|
2
|
3
|
6
|
435000
|
864000
|
993600
|
1730×1300
|
|
Горизонтально-протяжной
|
7Б520
|
1
|
17
|
17
|
271000
|
271000
|
311650
|
5735×1525
|
|
Зубообкатной
|
5А720
|
3
|
3
|
9
|
470000
|
1410000
|
1621500
|
2260×1160
|
|
Всего
|
_
|
39
|
|
307,1
|
|
15451000
|
71682350
|
_
|
|
Транспортное
оборудование
|
|
Кран
мостовой
|
-
|
1
|
-
|
-
|
250000
|
250000
|
287500
|
-
|
|
Всего
|
-
|
1
|
-
|
-
|
-
|
250000
|
287500
|
-
|
|
Итого
|
-
|
40
|
-
|
307,1
|
-
|
15701000
|
71969850
|
-
|
|
|
|
|
|
|
|
|
|
|
|
|
4.2 Расчет численности рабочих
(100)
где Fдр.
-
годовой действительный фонд времени рабочего, ч;
Кмо. - коэффициент многостаночного
обслуживания;
принимаем Рп1 = 2 шт;
принимаем Рп2 = 6 шт;
принимаем Рп3 = 10 шт;
принимаем Рп4 = 14 шт;
принимаем Рп5 = 6 шт;
принимаем Рп6 = 2 шт;
принимаем Рп7 = 8 шт;
принимаем Рп8 = 8 шт;
Определяем средний разряд рабочих станочников
(101)
где В - разряд рабочего;
Рр. - количество рабочих
с данным разрядом, чел.
Определяем средний тарифный
коэффициент
(102)
где Ктп. - тарифный коэффициент
соответствующего разряда.
Таблица 15 - Сводная ведомость
производственных рабочих участка
|
Профессия
|
Тип
оборудов- ания
|
Кол-во
об-рудования
|
Кол-во
рабочих по разрядам
|
Общее
кол-во рабочих
|
1
сме-на
|
2
сме-на
|
Ктср
|
Вср
|
|
|
|
3
|
4
|
|
|
|
|
|
|
1
|
2
|
3
|
4
|
5
|
6
|
7
|
8
|
9
|
10
|
|
Токарь
|
Токарный
|
2
|
2
|
|
2
|
1
|
1
|
1,6
|
3,9
|
|
Оператор
|
Токарный
с ПУ
|
3
|
|
6
|
6
|
3
|
3
|
|
|
|
Протяжник
|
Протяжной
|
5
|
10
|
|
10
|
5
|
5
|
|
|
|
Зуборезчик
|
Зубофрезерный
|
14
|
|
14
|
14
|
7
|
7
|
|
|
|
Зуборезчик
|
Зубофрезерный
|
9
|
|
6
|
6
|
3
|
3
|
|
|
|
Зуборезчик
|
Зубозакругляющий
|
2
|
2
|
|
2
|
1
|
1
|
|
|
|
Протяжник
|
Протяжной
|
1
|
2
|
|
2
|
1
|
1
|
|
|
|
Зубообкатчик
|
Зубообкатной
|
3
|
2
|
|
2
|
1
|
1
|
|
|
|
Итого
|
|
39
|
18
|
28
|
44
|
22
|
22
|
|
|
4.3 Определение состава и
численности рабочих на участке
Численность основных рабочих:
Росн.уч = 44 чел.
Численность вспомогательных рабочих:
Рвсп.= Росн.уч·(0,2..0,25);
(103)
Рвсп. = 44
0,2=8,8
Рвсп.пр =8 чел.
Численность руководителей:
Ррук.= (Росн.уч +Рвсп
)·(0,08..0,1); (104)
Ррук. = (44+8)·0,08= 4,16; Ррук.пр
= 4чел.
Численность МОП:
Рмоп = (Росн.уч +Рвсп
)·(0,02..0,03); (105)
Рмоп = (44+8)·0,02=1,04; Рмоп.
=2 чел.
Таблица 16 - Штатное расписание
участка
|
Должность
|
Количество
работающих
|
Месячный
оклад
|
Месячный
оклад всех работающих
|
|
Старший
мастер
|
2
|
11000
|
22000
|
|
Сменный
мастер
|
2
|
8000
|
16000
|
|
Итого
руководителей
|
4
|
−
|
38000
|
|
Тех.
служащие
|
2
|
3000
|
6000
|
|
Итого
МОП
|
−
|
6000
|
4.4 Расчет площадей
Производственная площадь участка:
Sуч.пр.
= Sуд·Сосн.уч.;
(106)
где Sуд
- удельная площадь на один станок, м2;
Сосн.уч. - принятое количество
станков на участке данной группы, шт.
Sуч.пр.
= 25·39=975м2
Контрольное отделение:
Sк
= Sуч.пр.
· (0,02…0,05): (107)
Sк
= 975·0,02= 19,5м2.
Склад заготовок и материалов:
Sзм
= Sуч.пр.
· (0,1…0,15); (108)
Sзм
=975·0,1=97,5 м2.
Склад готовых деталей:
Sг.д.=
Sуч.пр·0,06;
(109)
Sг.д =975·0,06=58,5
м2.
Рабочее место мастера:
Sм=6…8
м2;
Sм=7
м2.
Вспомогательная площадь участка:
Sвсп.=∑
S;
(110)
Sвсп=19,5+97,5+58,5+7=182,5
м2.
Расчетная общая площадь участка:
Sобщ.уч.=
Sуч.пр.+
Sвсп ;
(111)
Sобщ.уч=975+182,5=1160,5
м2.
Определяем ширину участка:
(112)
где В - ширина здания, м.
.
Общий объем участка:
Vоб.уч=Sоб.уч.·hуч.;
(113)
где hуч.
- принятая высота участка, м.
Vоб.уч=
1160,5 ·8,4=9748,2 м3.
Удельная площадь и удельный объем на одного
работающего:
(114)
где Рмс - количество работающих в
наибольшей по численности смене, чел.
;
(115)
Вывод: помещение соответствует
санитарным нормам, так как на каждого работника приходится 423,8м3
объёма и 50,4м2 площади, что не ниже этих норм.
.5 Определение стоимости основных
производственных фондов
Определяем стоимость здания:
Сзд = Sм·Vоб.уч·1,1,руб;
(116)
Сзд =
5000·9748,2·1,1=53615100руб.
Стоимость оборудования:
Соб = Сосн + Спр,
(117)
где Сосн - общая стоимость основного
оборудования, руб.;
Спр - общая стоимость транспортного
оборудования, руб.
Соб = 15451000+250000=15701000 руб.
Стоимость оснастки и инструмента
Сои = Соб·(0,1..0,13),руб;
(118)
Сои =15701000·0,11=1727110руб.
Стоимость производственного и хозяйственного
инвентаря входящего в состав основных фондов
Синв. = Соб·(0,01…0,013)
,руб; (119)
Синв. = 15701000·0,012=1884120руб.
Таблица 17 - Структура основных
производственных фондов
|
Наименование
основных фондов
|
Стоимость
основных фондов, руб.
|
Уделенный
вес в общей сумме основных фондов, %
|
|
Здания
|
53615100
|
61
|
|
Оборудование
|
15701000
|
30
|
|
Транспортные
средства
|
250000
|
1
|
|
Инструмент
и оснастка
|
1727110
|
2
|
|
Производственный
и хозяйственный инвентарь
|
1884120
|
3
|
|
Итого
|
88727330
|
100
|
4.6 Определение стоимости основных
материалов
М=(Qз×Цм×Ктр
- qотх×Цотх)
× N,
(120)
где Qз
- масса заготовки, кг;
Цм - цена 1 кг материала, руб;
Ктр - коэффициент транспортных
расходов,
qотх
- масса отходов, кг;
Цотх - цена 1 кг отходов, руб.
Мпроект =(3,8·76,33·1,05-1,1·3,05)·3000
= 903605,1руб.
Мбаз =(5,4·76,33·1,05-2,7·3,05)·3000
= руб.
Таблица 18 - Ведомость основных
материалов
|
Наименование
детали и номер
|
Вид
заго-товки
|
Мате-
риал
|
Масса
детали
|
Масса
отходов
|
Стоимость
заготовки с учетом транспортировки
|
Стоимость
отходов
|
Стоимость
годового кол. материалов за вычетомотходов
|
|
Муфта
АМ2.02.05.012
|
|
|
чер
|
чист
|
1
д
|
N
|
1
д
|
N
|
1
д
|
N
|
1
д
|
N
|
|
1
|
2
|
3
|
4
|
5
|
6
|
7
|
8
|
9
|
10
|
11
|
12
|
13
|
|
Проектируемый
вариант
|
Штамповка
в штампах
|
12ХН3А
|
3,8
|
2,7
|
1,1
|
3300
|
304,5
|
943500
|
3,35
|
10050
|
301,2
|
903605,1
|
|
Базовый
вариант
|
Поковка
|
12ХН3А
|
5,4
|
2,7
|
2,7
|
6100
|
432,8
|
1298400
|
8,23
|
24690
|
424,5
|
1273668,3
|
4.7 Расчет годового фонда заработной
платы
Определим сдельную расценку на каждую операцию
(121)
где Сч - часовая тарифная ставка
данного разряда, руб.;
Тшт.к - штучно калькуляционное время
на данную операцию, мин;
Ксн. - коэффициент снижения сдельной
расценки.
Определяем сдельную расценку на
деталь
∑Рсд. = Рсд1. +…+Рсдп
, (121)
∑Рсд. =
1,39+2,74+0,51+13,95+6,34+1,54+0,51+1,46=28,44 руб.
Годовой фонд прямой (основной) зарплаты
производственных рабочих - сдельщиков
Фо = ∑Рсд · N
+ ∑Рсд1 · N1
(122)
Фо = 28,44·3000 + 31,28·95000 =
3056920руб.
Годовой фонд дополнительной зарплаты
Фдоп. = Фо (0,08…0,12)
(123)
Фдоп. = 3056920·0,08 = 244553,5руб.
Премирование основных рабочих
Фпр. = Фо
·1,00 (124)
Фпр =3056920 ·1,00 = 3056920 руб.
Поясная надбавка
Фп = (Фо + Фдоп +
Фпр) ·0,15 (125)
Фп = (3056920+244553,5+3056920) ·
0,15 = 953759,02руб.
Доплаты не освобождённым бригадам
(126)
где Сч - часовая тарифная ставка
рабочего, руководящего бригадой, руб.;
Fдр
- действительный годовой фонд времени рабочего, ч;
Рбр. - количество бригадиров, чел;
П - процент доплаты за руководство бригадой, %.
Общий годовой фонд зарплаты
производственных рабочих сдельщиков
Фзп = Фо + Фдоп. +
Фпр + Фп + Фд (127)
Фзп = 3056920+244553,5+3056920+953759,02+8533=7320685,5
руб.
Годовой фонд прямой (основной) зарплаты
вспомогательных рабочих
Фо = Сч ·Кт.ср
·Fдр.
·Рвсп. , (128)
где Сч - часовая тарифная ставка
рабочего 1 разряда, руб;
Рвсп - численность вспомогательных
рабочих, чел.
Фо = 15,8 ·1,6 ·1870·8 = 378188,8
руб.
Годовой фонд дополнительной зарплаты
(129)
где П - процент дополнительной заработной платы,
%.
Фдоп. =378188,8 ·0,08 = 30255,1 руб.
Премирование вспомогательных рабочих
(130)
где П - процент премиальных, %.
Поясная надбавка определяется
Фп = (378188,8
+30255,1+189094,4) ·0,15 = 89630,76 руб.
Общий годовой фонд зарплаты
вспомогательных рабочих
Фзп = Фо + Фдоп. +
Фпр + Фп (131)
Фзп = 378188,8 +30255,1+189094,4+89630,76
=687169 руб.
Годовой фонд основной зарплаты руководителей
определяется
Фо = Σ Орук·12
, (132)
где Орук - сумма окладов всех
работающих руководителей, руб.
Фо = 38000·12 = 456000 руб.
Премирование руководителей определяется по
формуле (35)
Поясная надбавка определяется
Фп = Фо · 0,15
, (133)
Фп = 456000
0,15 = 68400
руб
Общий годовой фонд зарплаты руководителей
Фзп = Фо +Фп ,
(134)
Фзп =456000+68400 = 524400 руб.
Годовой фонд основной зарплаты МОП
Фо = Σ Омоп·12
, (135)
Фо =6000 ·12 = 72000 руб.
Поясная надбавка определяется по формуле
Фп = 72000 · 0,15 =10800 руб.
Общий годовой фонд зарплаты МОП определяется по
формуле
Фзп = 75000+10800 = 82800 руб.
Отчисления на социальное страхование
руб
(136)
где Псоц - процент отчислений на
социальное страхование, %
Отчисления на социальное страхование основных
рабочих
.
Отчисления на социальное страхование
вспомогательных рабочих
.
Отчисления на социальное страхование
руководителей
.
Отчисления на социальное страхование
МОП
.
Таблица 19- Сводная ведомость
заработной платы
|
Наименование
категории работающих
|
Основной
фонд, руб.
|
Дополни-
тельный фонд, руб.
|
Премия,
руб.
|
Поясная
надбавка, руб.
|
Общий
годовой фонд, руб.
|
|
Основные
рабочие участка
|
3056920
|
244553,5
|
3056920
|
953759,02
|
7320685,5
|
|
Вспомогательные
рабочие
|
378188,8
|
30255,1
|
189094,4
|
89630,76
|
687169
|
|
Руководители
|
456000
|
-
|
182400
|
10800
|
524400
|
|
М
О П
|
72000
|
-
|
-
|
10800
|
82800
|
Средняя зарплата каждой категории работающих
(137)
где Р - численность работающих по данной
категории, чел.
Средняя зарплата основных рабочих
Средняя зарплата вспомогательных рабочих
Средняя зарплата руководителей
Средняя зарплата МОП
Таблица 20 - Среднемесячная зарплата
рабочих
|
Категория
работающих
|
Среднемесячная
зарплата одного работающего,руб.
|
|
Основные
рабочие
|
13864,9
|
|
Вспомогательные
рабочие
|
7158
|
|
Руководители
|
10925
|
|
М
О П
|
3450
|
4.8 Составление плановой калькуляции
Таблица 21- Плановая калькуляция
себестоимости единицы продукции
|
Статьи
затрат
|
Сумма
(руб.)
|
Процент
к итогу
|
|
1.
Материалы (за вычетом отходов с учетом транспортных расходов)
|
301,2
|
|
|
2.
Основная зарплата производственных рабочих
|
28,44
|
|
|
3.
Дополнительная зарплата производственных рабочих
|
2,27
|
|
|
4.
Отчисления на соцстрах производственных рабочих
|
7,98
|
|
|
5.
Общепроизводственные расходы
|
91
|
|
|
Итого
цеховая себестоимость детали
|
430,89
|
100%
|
Производственная себестоимость детали
Спр=Сц + Рхоз,
(138)
где Сц- цеховая себестоимость детали,
руб;
Рхоз- общехозяйственные расходы, руб.
Спр= 430,89+430,89=861,78 руб.
Полная себестоимость детали
Сп=Спр+Рком,
(139)
где Рком- коммерческие расходы, руб.
Сп= 861,78+25,85=887,63 руб
4.9
Расчет экономической эффективности
Экономия основных материалов
Эм = (Qз1
- Qз2
)·N,
(140)
где Qз1
- масса заготовки по базовому варианту, кг;
Qз2
- масса заготовки проектируемо варианту, кг.
Эм = (5,4-3,8)3000=4800 кг
Снижение трудоемкости
(141)
где ∑Тшт.к.баз. -
трудоемкость по базовому варианту, мин;
∑Тшт.к.пр. -
трудоемкость по проектируемому варианту, мин.
Рост производительности труда
(142)
Снижение себестоимости
(143)
где Сшт.баз. - себестоимость детали
по базовому варианту, руб.;
Сшт.пр. - себестоимость детали по
проектируемому варианту, руб.
Условно годовая экономия
Эу.год = (Сшт.баз
- Сшт.пр.) · N, (144)
Эу.год =
(1029,8-887,63)3000=424470 руб
4.10 Основные технико-экономические
показатели
Таблица 22 - Технико-экономические
показатели участка
|
Показатели
|
Единица
измерения
|
Варианты
|
|
|
Базовый
|
Проектируем.
|
|
1
|
2
|
3
|
4
|
|
1.Годовой
объем выпуска
|
шт.
|
3000
|
|
2.
Годовой объем выпуска с учетом догрузки
|
шт.
|
95000
|
95000
|
|
3.
Численность основных рабочих
|
чел.
|
50
|
44
|
|
4.
Средний тарифный разряд основных рабочих
|
|
2
|
1,6
|
|
5.
Выработка на одного основного рабочего
|
|
1960
|
2227
|
|
6.
Количество единиц оборудования
|
шт.
|
45
|
39
|
|
7.
Суммарная мощность оборудования
|
кВт
|
330
|
307,1
|
|
8.
Средняя мощность на единицу оборудования
|
кВт
|
7,3
|
7,8
|
|
9.
Средняя загрузка оборудования
|
|
0,7
|
0,87
|
|
10.
Производственная площадь участка
|
м2
|
1000
|
975
|
|
11.Производственная
площадь на единицу оборудования
|
м2
|
20
|
25
|
|
12.Цеховая
себестоимость детали
|
руб.
|
1029,12
|
887,63
|
|
13.
Снижение себестоимости детали
|
%
|
-
|
13,7
|
|
14.
Снижение трудоемкости
|
%
|
-
|
3
|
|
15.
Рост производительности труда
|
%
|
-
|
3
|
|
16.Коэффициент
использования материала
|
|
0,5
|
0,71
|
|
17.
Условно годовая экономия
|
руб.
|
-
|
424470
|
5. ОРГАНИЗАЦИОННЫЙ РАЗДЕЛ
.1 Организация транспортирования
заготовок и деталей. Уборка стружки
Для облегчения тяжелого ручного труда, для
сокращения трудоемкости производственного цикла при обработке деталей резцами
на участке применены высокоэффективные средства такие как кран-балка. Все цеха,
где кран-балка не может работать, применяются электрокары и автоматизированные
транспортно-складские системы. Заготовки подводятся к станкам и обратно в склад
готовых изделий с помощью каретки оператора.
На спроектированном участке применена очень
удобная линия для уборки стружки со станков. Для этого имеются стружечные
колодцы, а сама линия проходит под полом, что позволяет не увеличивать производственную
площадь участка. От каждого станка идут стружечные транспортер, которые входят
в основную линию.
Весь собранный лом из стружечных колодцев
собирают и вывозят в определенные места или на переплавку.
5.2 Планировка оборудования на
участке и организация рабочего места многостаночника
Спроектированный план участка включает в себя 39
станка, 3 из которых с ЧПУ.
Планировка оборудования и рабочих мест на
участке механического цеха зависит от величины завода, характера производства,
особенностей и объема производственного здания, габаритных размеров и массы
обрабатываемых заготовок. При планировке механического цеха все его отделения,
участки и вспомогательные помещения располагают так, чтобы обеспечить
последовательность прохождения материалов, заготовок и изделий по стадиям
обработки, максимально использовать производственную площадь, удовлетворять
требованиям охраны труда, техники безопасности и противопожарной безопасности.
Рабочие места должны быть оборудованы так, чтобы
их обстановка не повлияла на трудоспособность человека. При проектировании
рабочих мест решается вопрос наилучшей организации труда, эстетических условий,
которые в той или иной мере способствуют повышению производительности труда.
Оснастка рабочих мест станочника встроена в
стеллажи и оснащается передвижными секциями, в которых имеется тара для
заготовок и готовых деталей, тумбочки с режущим инструментом, а также стеллажи
для приспособлений и контрольно-измерительных средств. Для уборки станка
имеется отсек с инструментом для уборки.
На рабочем месте должно быть предусмотрено
индивидуальное освещение, обеспечивающее нормальную освещенность рабочей зоны.
5.3 Обеспечение участка
инструментом, его заточка, хранение и надзор
Цеха основного производства являются
потребителями большого количества инструмента, поэтому рациональная организация
инструментального хозяйства имеет большое значение. От полного и своевременного
обеспечения рабочих мест качественным и производительным инструментом зависит
равномерное выполнение плана, качество выпускаемой продукции, рост
производительности труда и уровень себестоимости продукции.
Лучшим способом выдачи инструмента является его
доставка непосредственно на рабочие места. Это освобождает рабочих от потерь
времени и способствует увеличению их выработки.
Основной задачей инструментального хозяйства
является полное и своевременное обеспечение рабочих мест нужным и качественным
инструментом, освобождение основных рабочих от работы по заточке и работы
инструмента.
Основная часть работы по организации инструментального
хозяйства цеха сосредотачивается в инструментально-раздаточной кладовой. Она
предназначена для хранения запасов инструментов, выдачи инструмента на рабочие
места, проверки и сортировки его после работы.
5.4 Ремонт оборудования на участке
Планом проведения работ по ремонту оборудования
является график ремонта. Он разрабатывается перед началом каждого следующего
года работниками бюро планово-предупредительного ремонта, отдела главного
механика.
На механика цеха возлагается ответственность за
состояние оборудования, качество его ремонта и проведения профилактических
мероприятий, увеличивающих срок службы оборудования и устраняющих
преждевременные поломки и аварии.
Механик цеха осуществляет надзор и руководство
всеми ремонтными работами и проводит их своевременную подготовку.
5.5 Охрана труда, техника
безопасности и противопожарная защита
Охрана труда устанавливается и регулируется
трудовым кодексом РФ, специальными правилами и нормами. В нашей стране принцип
охраны труда вытекает из основных положений трудового права, направленных на
обеспечение наиболее благоприятных, здоровых и безопасных условий труда,
сопутствующих его высокой производительности.
Организация безопасности труда на участке
возложена на мастера. Он следит за выполнением инструкций по техники
безопасности и несет ответственность за ее нарушение.
Для рабочих проводят инструктаж по технике
безопасности перед поступлением на работу и инструктаж на рабочем месте.
Пожарная профилактика - это комплекс
мероприятий, направленных на предупреждение пожаров, предотвращения
распространения огня, создания условий для быстрой ликвидации опасности.
Мероприятия, устраняющие причины возникновения
пожаров на предприятии, разделяют на строительно-технические и организационные.
5.6 Действия работающих в условиях
чрезвычайных ситуаций
В случае возникновения пожара на участке все
работающие должны знать пути эвакуации. На участке должны быть средства
пожаротушения, такие как: пожарный щит и огнетушители. Они должны находится на
видных и легко доступных местах участка. Всем работающим на участке необходимо
знать правила пользования средствами пожаротушения.
Если на участке произошел несчастный случай, то
необходимо оказать пострадавшему первую доврачебную помощь и сообщить о
случившемся.
5.7 Разработка мероприятий по охране
окружающей среды
В настоящее время охрана окружающей среды одна
из важнейший задач на предприятии. Эту задачу нужно решать коллективно. От
состояния окружающей среды зависит здоровье человека. Это означает, что
производительность труда в прямом смысле зависит от окружающей среды.
В цехе, на участке должны быть предусмотрены
воздухоочистители. Стружка должна находится в строго отведенном месте и
транспортироваться без загрязнения территории. Масла, применяемые во время
обработки деталей, должны сливаться в отстойники и снова использоваться в
производстве. Для этого их обрабатывают, попуская через специальные фильтры.
Цех не должен загрязняться маслами, а в случае утечки должен быть очищен за
короткий срок.
ЛИТЕРАТУРА
1.Ансеров М.А. Приспособление для
металлорежущих станков. Л.: Машиностроение,1975.
2.Анурьев В.И. Справочник
конструктора-машиностроителя. Т.1. М.: Машиностроение,1980.
.. Кузнецов Ю.И. Оснастка для
станков с ЧПУ. Справочник. М.: Машиностроение, 1993.
. Долмотовский Г.А. Справочник
технолога. М.: Машгиз,1962
. Курсовое проектирование по
предмету «Технология машиностроения». Методические указания для учащихся. Часть
1 и 2. Днепропетровск, : УМК Минтяжмаша,1990.
6. Методическое руководство по
организационно-экономической части
дипломного проекта. Камбарка: КМТ,
1991
7. Методическое руководство по
выбору рациональной заготовки. Камбарка,: КМТ,1993.
. Методическая разработка по
курсовому проектированию предмета
«Технология машиностроителя».
Комплект технологической документации. М.: Минтяжмаша,1985.
. Методическое руководство по
расчету припусков. Камбарка,: КМТ, 1994.
. Методическое руководство по
нормированию. Камбарка,: КМТ, 1996.
. Мовчин В.Н., Мовчин С.В. Сборник
задач по техническому нормированию в механических цехах. М.: Машиностроение,
1993.
Методическое руководство по
организационно - экономической части дипломного проекта. Камбарка, : КМТ, 1986.
. Нефедов Н.А. Дипломное
проектирование в машиностроительных техникумах. М.: Высшая школа, 1986.
. Нефедов Н.А. Осипов К.А. Сборник
задач и примеров по резанию металлов и режущему инструменту. М.:
Машиностроение, 1984.
. Нормативы времени при работе на
станках с ЧПУ. Днепропетровск,: ЦМОТ Минтяжмаша,1985.
. Нормативы режимов резания при
работе на станках с ЧПУ. Днепропетровск,: ЦМОТ Минтяжмаша,1982.
. Общемашиностроительные нормативы
режимов резания и времени для технического нормирования работ на металлорежущих
станках. М.: Машиностроение, 1972-1978.
Оптовые цены на станки
металлорежущие группы. Преискуратиздат. М.: 1971.
. Режимы резания металлов.
Справочник, под редакцией Ю.В.Барановского. М.: Машиностроение, 1972.
. Справочник металлиста. Т-2. (Под
редакцией Б.А.Богословского). М.: Машиностроение, 1976.
. Справочник
технолога-машиностроителя. Т-2, под редакцией А.Г.Косиловой и Р.К.Мещерякова.
М.: Машиностроение, 1985.
. Справочник
нормировщика-машиностроителя. Техническое нормирование станочных работ. Под
редакцией Е.И.Стружстраха. М.: Машиностроение, 1976.
. Стародубцева В.С. Сборник задач по
техническому нормированию в машиностроении. М.: Машиностроение, 1974.
. Требования стандартов при
выполнении курсового проектирования по технологии машиностроения. Методические
указания для учащихся. Части 1,2,3. (Сост. В.М.Кривенков). УМК Минтяжмаша,1983.
. ГОСТ-ы ЕСКД и ЕСТД,ЕСТПП.