Дослідження особливостей утворення розсіяних пошкоджень в костилях залізничної колії
ЗМІСТ
ВСТУП
1.КРИТИЧНИЙ
АНАЛІЗ ПРОБЛЕМНИХ ПИТАНЬ ФОРМУВАННЯ ПОШКОДЖЕНЬ В ДЕТАЛЯХ КРІПЛЕНЬ ЗАЛІЗНИЧНИХ
РЕЙОК
.1
Будова
верхньої частини залізничної колії
.2
Навантаження,
що діють на деталі верхньої частини залізничної колії
.3
Матеріали,
що використовуються при виготовленні костилів
1.3.1
Хімічний і структурно-фазовий стан деталей кріплення рейок
1.3.2
Вплив
гарячого об’ємного штампування і термічної обробки на структуру деталей
кріплень
1.3.2.1
Особливості формування ферито-перлітної структури після штампування
1.3.2.1.1
Будова ферриту
1.3.2.1.2
Особливості будови перліту
1.3.2.2
Умови формування відманштетової структури
1.3.2.3
Деформаційне старіння ферито-перлітних сталей
.4
Мезорівні
пластичної деформації сплавів
.4.1
Утворення
дефектів при знакозміних навантаженнях
.
МЕТОДИКА
ДОСЛІДЖЕНЬ
2.1
Металографічні дослідження
2.2
Проведення випробувань на розтяг досліджених костилів
2.3
Визначення в’язкості руйнування виробів за результатами розсіяння характеристик
твердості
.
ДОСЛІДЖЕННЯ
ОСОБЛИВОСТЕЙ УТВОРЕННЯ РОЗСІЯНИХ ПОШКОДЖЕНЬ В КОСТИЛЯХ ЗАЛІЗНИЧНОЇ КОЛІЇ
3.1
Особливості виготовлення костилів залізничної колії
3.2
Умови роботи досліджених костилів залізничної колії
3.3
Аналіз хімічного складу досліджених костилів
3.4
Механічні властивості при випробовувані на розтяг
3.5
Результати визначення коефіцієнта розсіяння твердості досліджених костилів у
вихідному стані і після експлуатації
3.5.1
Розсіяння характеристик твердості костилів у вихідному стані
3.5.2
Розсіння характеристик твердості костилів після експлуатації на дільницях колії
малого радіусу
3.5.3
Розсіння характеристик твердості костилів після експлуатації на прямих
дільницях колії
3.6
Аналіз структури костилів залізничної колії
3.7
Обговорення результатів досліджень
ВИСНОВКИ
колія
костиль штампування пошкодження
ВСТУП
Старіння металовиробів верхньої
будови колії вимагає постійної уваги щодо підтримання їх працездатності.
Важливими деталями, які забезпечують жорсткість колії на дерев’яних шпалах є
костилі. Їх передчасний вихід із ладу пов’язаний із невизначеністю впливу
мікроструктури, яка формується в процесі виготовлення таких деталей, на
працездатність та експлуатаційну надійність. Багаточисельні дослідження, які
присвячені вивченню впливу технологічних обробок на процеси руйнування в
процесі циклічних навантажень, поділяють поведінку матеріалів на дві стадії:
стадію зародження тріщин яку називають стадією розсіяного або нелокалізованого
втомного пошкодження і стадію розвитку тріщин. На першій стадії в процесі
навантажень локальних об’ємів металів, внаслідок структурної неоднорідності
матеріалів виникають випадково розподілені по об’єму матеріалу зони пластичного
деформування, в яких зароджуються мікроскопічні втомні тріщини. По мірі
розвитку цих тріщин, одна з них, яка називається магістральною починає
розвиватись з більшою швидкістю і її подальше поширення приводить до кінцевого
пошкодження, оскільки процес втомного руйнування матеріалу з моменту зародження
втомної тріщини визначається розвитком тріщини. Розсіяні втомні пошкодження
мають суттєвий вплив на швидкість розвитку магістральної тріщини, оскільки чим
більше в матеріалі мікроскопічних тріщин і чим більші вони за розмірами, тим
швидше розвивається магістральна тріщина, поглинаючи при своєму розвитку більш
дрібні тріщини.
Стадія розсіяння втомного
пошкодження викликає інтерес у дослідників в зв’язку з тим, що на формування
пошкоджень має значний вплив структура виробів, яку в широких межах можна
регулювати поверхневою і об’ємною термічною обробкою. Тому вивчення впливу
структури на формування розсіяних пошкоджень в деталях залізничної колії є
актуальним завданням.
. КРИТИЧНИЙ АНАЛІЗ ПРОБЛЕМНИХ ПИТАНЬ
ФОРМУВАННЯ ПОШКОДЖЕНЬ В ДЕТАЛЯХ КРІПЛЕНЬ ЗАЛІЗНИЧНИХ РЕЙОК
1.1 Будова верхньої частини
залізничної колії
Cкладається із верхньої та нижньої
частини колії. До верхньої будови колії відносяться [1]:
- рейки;
- рейкові скріплення;
- протиугінні засоби;
- підрейкова основа;
- баластовий шар;
- з’єднання і пересічення рейкових
колій.
Верхня будова колії повинна:
а) сприймати тиск від коліс рухомого
складу і передавати цей тиск нижній будові колії;
б) направляти колеса рухомого складу
рейковою колією. Ці функції виконуються верхньою будовою колії як єдиною
конструкцією, в який всі елементи під навантаженням рухомого складу повинні
працювати сумісно.
До нижньої будови колії відносяться:
а) земляне полотно;
б) штучні споруди (мости, труби,
тунелі, підпірні стінки, тощо)
Рейкові скріплення, які призначені
для:
прикріплення рейок до підрейкової
основи;
з’єднання рейок у стиках між собою.
Вони беруть участь разом з іншими
елементами верхньої будови колії у роботі під поїздами.
Усі рейкові скріплення
розподіляються на 2 (дві) групи.
(перша) група - проміжне рейкове
скріплення, призначене для прикріплення рейок до опор: шпал дерев’яних чи
залізобетонних, або залізобетонних плит.
(друга) група - стикові рейкові
скріплення, призначені для з’єднання рейок в стиках між собою.
Проміжні скріплення.
За конструкцією проміжні скріплення
розділяють 3-х типів:
нероздільне, роздільне та змішане.
Типовими проміжними скріпленнями для
дерев’яних шпал являються:
) костильне змішане скріплення
(рис.1.1) з 5 (п’ятьма) костилями, з яких 3 (три) основні костилі прикріплюють
до шпали і 2 (два) обшивних - прикріплюють до шпали підкладку;
- костиль основний; 2 - костиль
обшивний.
Рис. 1.1 - Змішане скріплення.
Проміжне рейкове скріплення для
дерев’яних шпал складається з таких деталей: рейкова підкладка, гумова
прокладка між підкладкою і шпалою, костилі або шурупи, а також клеми і клемові
болти.
Проміжне скріплення.
Складається з металевих підкладок і
костилів.
Підкладки мають клиноподібну форму з
ухилом 1:20 і 5 отворів, з яких 3 отвори - для забивання основних костилів і 2
- для забивання обшивних костилів.
На кривих ділянках колії радіусу 800
м і менше в плановому порядку вкладаються подовжені (несиметричні) підкладки.
При цьому - на кривих радіусом 500 м і менше - під обома рейковими нитками, а
на кривих радіусом від 501 до 800 м - тільки під зовнішньою рейковою ниткою. Це
робиться для збільшення стабільності ширини колії.
Для зменшення інтенсивності зносу
шпал під підкладку вкладаються прокладки з гуми, гомбеліту або іншого
матеріалу. Ці прокладки мають товщину від 6 мм до 10 мм і отвори діаметром 25
мм, розміщені так само, як і в підкладці. Переваги скріплення:
малодетальність;
простота у виготовленні та
експлуатації.
Недоліки:
Неможливість щільного прилягання
підкладок до шпал, так як під навантаженням рухомого складу відбувається
надсмикування костилів.
Підвищений механічний знос шпал
внаслідок вібрації підкладок.
Незадовільний опір угону колії.
При застосуванні скріплення рейки на
прямих ділянках колії при швидкості руху до 100 км/год і на кривих радіусом
понад 1200 м пришиваються на кожному кінці шпали крім стикових 4 (чотирма)
костилями, з яких 2 (два) основних - прикріплюють до шпали рейку і 2 (два)
обшивних - прикріплюють до шпали підкладку.
На ділянках із швидкостями руху
більше 100 км/год., а також на мостах, у тунелях, на кривих ділянках колії
радіусом 1200 м і менше та на всіх стикових шпалах рейки прикріплюються на
кожному кінці шпали 5 (п’ятьма) костилями, з яких 3 (три) - основних і 2 (два)
- обшивних.
Замість звичайних костилів для
зменшення вібрації підкладок застосовуються в якості обшивних - пружинні
двохшарові костилі. Для полегшення висмикування обшивних костилів по боках
отворів є два буртики, на які спираються борідки обшивних костилів
Рейкові опори:
. Передавати тиск від рейок на
баластовий шар.
. Пружно гасити динамічні впливи
рухомого складу.
. Забезпечувати постійність ширини
колії.
. Разом з баластовим шаром
забезпечувати стійке положення рейко-шпальної решітки у горизонтальній та
вертикальній площинах.
Рейкові опори бувають у вигляді:
шпал, напівшпал, перевідних брусів, поздовжніх лежаків, залізобетонних плит та
рам, а також інших конструкцій. Найбільш поширеним типом опор є шпали. Шпали за
матеріалом виготовлення можуть бути: дерев’яні, залізобетонні та металеві.
Дерев’яні шпали виготовляються з
сосни, ялини, піхти, кедра, бука, берези та інших порід. Дерев’яні шпали
виготовляються трьох видів (рис.1.2) (А - обрізні, Б - необрізані, В -
напівобрізані) і трьох розмірів (І, ІІ, ІІІ) та використовуються для укладання
в колію залежно від категорійності. Шпали І типу вкладають у головні колії, ІІ
типу - в головні при вантажонапруженості до 15 млн. т·км брутто / км на рік, у
станційні та під’їзні колії. Шпали ІІІ типу вкладають у під’їзні та інші
станційні колії.
Рис.1.2- Поперечні перерізи
дерев’яних шпал
Вимоги до дерев’яних шпал: міцність,
пружність, опір зносу та переміщенням, бути простими у виготовленні та мати
великий строк служби.
Причини виходу дерев’яних шпал з
ладу: гниття, утворення поздовжніх тріщин; розробка костильних отворів та
механічний знос верхньої постелі шпал.
Дерев’яні шпали і бруси повинні бути
просоченими і, як правило, укріпленими проти розтріскування їх кінців.
Укріплення від розтріскування виконується обв’язуванням кінців шпал і брусів
дротом, штабовою сталлю, установленням дерев’яних і металевих гвинтів,
металевих болтів. Укладання дерев’яних шпал і брусів в колію без заздалегідь
просвердлених в них костильних або шурупних отворів і антисептування цих
отворів - забороняється.
1.2 Навантаження, що діють на деталі
верхньої частини залізничної колії
Залізнична колія - складна інженерна
споруда, працює у важких умовах експлуатації, зазнаючи впливу динамічних
поїздних навантажень і кліматичних факторів.
До найважливіших характеристик
експлуатаційних умов належать:
“V” - швидкість руху вантажних і
пасажирських поїздів;
“Р” - навантаження на осі рухомого
складу;
“Г” - вантажонапруженість - на рік
млн. т·км/км брутто.
До кліматичних факторів належать:
температура і вологість повітря, атмосферні опади, глибина промерзання грунтів,
сніговий покрив, повторюваність і швидкість вітрів. Під впливом цих навантажень
в колії виникають пружні деформації, які потім переходять у залишкові.
Процес розвитку деформацій проходить
протягом трьох періодів. У першому з них відбувається стабілізація верхньої
будови колії, яка залежить від баласту і його ущільнення. У другому періоді
інтенсивність накопичення залишкових деформацій зменшується і залежить від типу
верхньої будови колії і потужності рейок. У третьому - несуча здатність
елементів верхньої будови колії значно знижується [1].
Під впливом вертикальних і
горизонтальних сил в колії безперервно накопичуються залишкові нерівномірні
деформації, які приводять до розладу колії і зношення елементів верхньої
будови. Колесо діє на рейку з силою 100-115 кН, яка при русі поїзда
збільшується у 1,5-2 рази.
Залишкові деформації.
В утриманні рейкової колії. Норми
при дерев’яних шпалах:) розширення або звуження рейкової колії
в прямій ділянці: 1520 мм, +8 мм, -4
мм;
в кривій: залежно від радіуса - для
R ≥ 650 м - 1520 мм; для R = 649÷450 м
- 1530 мм; для R = 450÷300 м
- 1535 мм; для R ≤ 300 м - 1540 мм.
б) зміна положення рейкових ниток за
рівнем:
перекоси - це послідовне відхилення
обох рейкових ниток за рівнем у різні боки при відстані між точками менше 20 м;
якщо відстань між вершинами більше
20 м - то це відхилення відноситься до плавного відхилення за рівнем;
просадки - різкі зміни положення
рейкових ниток у вертикальній площині з однаковими амплітудами, направлені в
різні сторони, при відстані між вершинами протилежно направлених піків, рівній
або меншій ніж 5,4 м, що складає дві бази візка;
рихтування - зміна положення
рейкових ниток в плані, вимірювана від хорди довжиною 21,495 м в точці,
розташованій РГР1 = РГР2 РГР1 РГР1 = РГР2 РГР2 менше 20 м130 на відстані 4,109
м від кінця хорди, при відстані між вершинами запису до 40 м.
в) нерівності в плані. При русі
екіпажу по кривій виникає відцентрова сила, пропорційна квадрату швидкості і
кривизні.
При різкій зміні кривизни зменшується
або збільшується і сила I, що створює горизонтальні поштовхи.
Положення колії в плані на кривих
ділянках визначають вимірюванням стріл вигину упорної рейкової нитки від хорди
довжиною 20 м (рідше - 10 м, або іншої).
Вимірювання виконують: вручну, стрілографом
або колієвимірювальним вагоном.
Правильне утримання кривих ділянок
колії за напрямом у плані є однією з вирішальних умов забезпечення плавного і
безпечного руху поїздів. В кругових кривих колія повинна утримуватись без
різких коливань у стрілах вигину, а на перехідних кривих - з рівномірним
наростанням стріл.
г) угін колії. При проходженні
рухомого складу на колію передаються: вертикальні навантаження, поперечні сили
від бокових поштовхів і бокових тисків коліс у кривих та сили, що діють уздовж
колії. Викликане цими силами поздовжнє переміщення рейок відносно шпал або
переміщення рейок разом із шпалами відносно баластного шару називають угоном
колії.
З багатьох факторів, які спричиняють
угін колії, найбільш суттєвими є:
опір руху поїзда;
переміщення рейок відносно опор
внаслідок вигину рейок під навантаженням, яке по них рухається;
гальмування рухомого складу;
струшування рейок від ударів у
стиках;
зміна довжини рейок під впливом
температурних сил;
удари коліс в робочу грань зовнішніх
рейок при вході у криву;
не забиті (підсмикнуті) костилі і
непрацюючі протиугони - при дерев’яних шпалах; нещільно притиснуті клеми - при
залізобетонних шпалах.
Наслідки угону - порушення розмірів
стикових зазорів: в одних місцях вони виявляються дуже розтягнутими, в інших -
зменшеними і навіть злитими. Декілька злитих зазорів підряд можуть спричинити
при подальшому підвищенні температури втрату стійкості рейко-шпальної решітки
(викид колії), а при зниженні температури - зріз стикових болтів і розрив
рейкової колії.
При угоні рейок разом зі шпалами -
останні зміщуються з ущільнених постелей на менш ущільнений баласт, як
наслідок:
з’являються поштовхи;
порушується відстань між шпалами;
при перекосі шпал звужується рейкова
колія;
виникають додаткові силові впливи на
проміжні і стикові кріплення.
1.3 Матеріали, що використовуються
при виготовленні костилів
1.3.1 Хімічний і структурно-фазовий
стан деталей кріплення рейок
Костилі виготовляють із вуглецевих
сталей звичайної якості. Їх поділяють за структурою, способом виробництва і
розкислення, за якістю.
За структурою виокремлюють:
доевтектоїдну сталь, що містить до 0,8%С, а структура складається з фериту і
перліту; евтектоїдну, що містить близько 0,8%С (структура складається тільки з
перліту); заевтектоїдну, що містить 0,8 - 2,14% С, структура - з зерен перліту,
навколо яких розміщена сітка цементиту [2].
За способом виробництва розрізняють
сталі,що виплавляються в електропечах, мартенівських печах і
киснево-конвекторним способом.
За способом розкислення - кип’ячі,
напівспокійні й спокійні.
За якістю сталі поділяють на сталі
звичайної якості, якісні та високоякісні. Сталі звичайної якості містять не
більше 0,05% С і не більше 0,04% Р. Якісні сталі містять не більше 0,04% S (у
випадку інструментальних сталей до 0,03% S) і не більше 0,035% Р, вони менш
забруднені неметалевими включеннями і газами. Високоякісні сталі містять менш
ніж 0,02% S і 0,03% Р.
При однаковому вмісті вуглецю якісні
сталі мають вищі пластичність і в’язкість, особливо при низьких температурах.
Їх застосовують ширше для виготовлення виробів, що експлуатуються при низьких
кліматичних температурах, зокрема в умовах Півночі.
Сталі звичайної якості виготовляють
згідно ГОСТ 380-88. Виплавлення їх проводиться у великих мартенівських печах і
кисневих конверторах. Позначають їх буквами «Ст» і цифрами від 0 до 6,
наприклад, Ст0, Ст1 - Ст6. Літери «Ст» означають «Сталь», цифри - умовний номер
марки сталі залежно від її хімічного складу. В кінці позначення марки є букви «кп»,
«пс»,»сп», які вказують на метод розкислення: «кп» - кип’яча, «пс» -
напівспокійна, «сп» - спокійна.
Хімічний склад сталі повинен
відповідати нормам, які наведено в табл.1.1.
Чим більша цифра умовного номера
сталі, тим вище вміст вуглецю. В сталях всіх марок крім Ст0, повинно бути не
більше 0,05% S та 0,04% Р. Сталь марки Ст0 містить не більше 0,06% S та 0,07% Р
(табл..1.1).
Таблиця 1.1
Хімічний склад вуглецевих сталей
звичайної якості, ГОСТ 380-88
|
Марка сталі
|
С, %
|
Мп, %
|
Si, %
|
|
Ст0
|
≤0,23
|
-
|
-
|
|
Ст1кп
|
0,06-0,12
|
0,25-0,5
|
≤0,05
|
|
Ст1сп
|
0,06-0,12
|
0,25-0,5
|
0,12-0,3
|
|
Ст2кп
|
0,09-0,15
|
0,25-0,5
|
0,07
|
|
Ст2сп
|
0,09-0,15
|
0,25-0,5
|
0,12-0,3
|
|
Ст3кп
|
0,14-0,22
|
0,3-,6
|
≤0,07
|
|
Ст3пс
|
0,14-0,22
|
0,4-0,65
|
0,05-0,17
|
|
Ст3сп
|
0,14-0,22
|
0,4-0,65
|
0,12-0,3
|
|
Ст4кп
|
0,18-0,27
|
0,4-0,7
|
≤0,07
|
|
Ст4сп
|
0,18-0,27
|
0,4-0,7
|
0,12-0,3
|
|
Ст5пс
|
0,28-0,37
|
0,5-0,8
|
0,05-0,17
|
|
Ст5сп
|
0,28-0,37
|
0,5-0,8
|
0,15-0,35
|
|
Ст6сп
|
0,38-0,49
|
0,5-0,8
|
0,05-0,17
|
|
Ст6сп
|
0,38-0,49
|
0,5-0,8
|
0,15-0,35
|
1.3.2.1 Особливості формування
ферито-перлітної структури після штампування
Перетворення в костилях при
охолодженні заготовки відбувається у відповідності від фазових перетвореннях в
сталі. Якщо сталь охолоджувати дуже повільно, то в ній утворюються рівноважні
структури відповідно до діаграми залізо - вуглець. Аустеніто-перлітне
перетворення при цьому відбувається при температурі 727 °С (точка Аr1).
Починається воно формуванням зародків перліту, тобто також належить до процесів
кристалізаційного типу.
Оскільки аустеніто-перлітне
перетворення розвивається на поверхні зерен, то збільшення її площі приводить
до збільшення кількості центрів кристалізації. Загальна поверхня зерен у
полікристалічній речовині збільшується із зменшенням розміру самих зерен.
Режим термічної обробки залежить від
її призначення (виду), хімічного складу сталі, а також від розмірів і
конфігурації оброблюваної деталі. Розглянемо більш досконально технологію
основних видів термічної обробки.
Відпал проводять для зниження
твердості, підвищення пластичності та одержання однорідної дрібнозернистої
структури. Він включає в себе операції нагрівання до певної температури
(доевтектоїдної сталі вище точки Ас3 евтектоїдної сталі вище точки Ас1 і на
30-50°С), витримку при цій температурі й охолодження з необхідною, як правило,
низькою швидкістю з метою одержання найбільш рівноважної мікроструктури сталі.
Залежно від призначення й режиму
проведення розрізняють наступні основні різновиди відпалу: повний, неповний,
ізотермічний, гомогенизаційний, рекристалізаційний, нормалізаційний та відпал
на зернистий перліт.
Повний відпал полягає в нагріванні
доевтектоїдної сталі до температури на 30-50°С вище критичної точки Ас3,
витримці при цій температурі для завершення повного фазового перетворення в
повному об'ємі металу й наступного охолодження з малою швидкістю
(100-200°С/год), частіше разом з піччю. Щоб забезпечити одержання
ферито-перлітної структури, процес перетворення аустеніту необхідно вести при
незначних ступенях переохолодження. Швидкість охолодження при відпалі
визначають із діаграми ізотермічного перетворення аустеніту. З підвищенням
стійкості аустеніту швидкість охолодження зменшується. Після повного
перетворення аустеніту подальше охолодження сталі можна вести з більшою
швидкістю.
При нагріванні сталі до аустенітного
стану вихідна структура подрібнюється. В зв'язку з тим, що після охолодження
величина отриманого зерна зберігається, то утвориться дрібнозерниста
ферито-перлітна структура. Повному відпалу піддають доевтектоїдну сталь
(аркушевий прокат, відливки, кування) з метою зниження твердості, підвищення
пластичності, зняття внутрішніх напружень.
Заевтектоїдну сталь повному відпалу
не піддають, тому що після нагрівання до аустенітного стану наступне повільне
охолодження призводить до виділення цементиту по границях зерен перліту, що
істотно погіршує властивості металу.
Неповний відпал (відпал з неповною
фазовою перекристалізацією при нагріванні) проводять, головним чином, для
заевтектоїдної сталі, яку при цьому нагрівають на 30-50°С вище критичної точки
Ас1 і охолоджують разом з піччю. Доевтектоїдна сталь неповному відпалу
піддається лише для поліпшення оброблюваності різанням. При цьому виходить
неоднорідна структура, яка призводить до погіршення ряду властивостей такої
сталі.
Відпал на зернистий перліт
застосовується для істотного поліпшення оброблюваності евтектоїдної і
заевтектоїдної сталей. Він полягає в циклічному нагріванні й охолодженні в
межах температур, близьких до точки Ас1.
Нагрівання цих сталей до температури
трохи вище точки Ас і призводить до часткового розчинення цементиту в
аустеніті, після охолодження - до утворення пластинчастого перліту. Циклічне ж
нагрівання й охолодження в межах температур, близьких до точки Ас1 призводять
до утворення зернистого перліту. Причиною цього є наявність центрів
кристалізації цементиту при кожному наступному охолодженні у вигляді зерен, які
утворилися при попередньому охолодженні. Сфероідизація цементитних часток
(утворення зернистого перліту) призводить до підвищення ударної в'язкості,
зниження твердості й поліпшення оброблюваності. Відпалу на зернистий перліт
піддають тонкі листи, заготовки деталей перед холодним штампуванням або
волочінням.
.3.2.1.1 Будова фериту
В сталях, з яких виготовляють
костилі присутній ферит і перліт. Ферит (від лат. Ferrum - залізо) - це
структурна складова, фаза залізовуглецевих сплавів (чавун, сталь). При 911-769
° C ферит парамагнітний; від 769 °C до абсолютного нуля - феромагнітий. Ферит -
твердий розчин вуглецю (до 0,02%) і інших елементів в α-залізі.
Розчинність вуглецю в α-залізі
мізерно мала. У фериті можуть бути розчинені Si, Mn, P і інші елементи.
Визначення фериту як твердого
розчину вуглецю в α-залізі
виправдано лише при розгляді діаграми Fe-C. Найчистіше залізо, що містить сліди
вуглецю, а також різні без вуглецеві сплави заліза з ОЦК гратками мають
відповідно до сучасної термінології структуру фериту [4].
Ферит утворює твердий розчин
впровадження з вуглецем, з легуючими елементами ферит утворює твердий розчин
заміщення (як і аустеніт).
Структура фериту має кубічну
об'ємно-центровану грати (ОЦК решітка).
Внаслідок малої розчинності вуглецю
в α-Fe [0,02% (по
масі)] період решітки та TK фериту практично такі ж, як і чистого α-Fe.
Атоми
вуглецю в фериті займають переважно октапори. Вище 1392 ° C γ-Fe
перетворюється
в парамагнітну δ-фазу,
існуючу при 1392-1536 ° C. Період ОЦК решітки δ-Fe
дорівнює
0,2925 нм при 1392 ° C і лінійно зростає до 0,2935 нм при 1536 ° C.
Температурна залежність періоду решітки для α
(β) і γ-Fe
різні.
Період ОЦК решітки δ-фериту
з підвищенням температури збільшується сильніше, ніж α
(β) -фази і, мабуть, зростає зі збільшенням
вмісту вуглецю.
Рис.1.3 - Структура фериту.
Приклад структури фериту
представлений на рис.1.3
Ферит м'який і пластичний. Твердість
фериту змінюється при розчиненні в ньому різних легуючих елементів. Значення твердості
фериту можуть змінюватися від НВ 80 до 250 [4], в залежності від вмісту
легуючих елементів і способу термічної обробки. При цьому твердість фериту
практично не залежить від швидкості охолодження при легуванні одними
елементами, в той же час швидке охолодження при легуванні іншими елементами
призводить до того, що твердість фериту виявляється вищою. При повільному
охолодженні виходить поліедричний ферит, а при швидкому охолодженні виходить
структура голчастого типу - голчастий ферит. Голчастий ферит за зовнішнім
виглядом схожий на бейніт. Твердість голчастого фериту на HB 100-150 вище
твердості поліедричного фериту.
1.3.2.1.2 Особливості будови перліту
Друга складова структури костилів є
перліт.
Перліт - англ. pearlite (від франц.
perle - перли) - одна із структурних складових залізовуглецевих сплавів -
сталей і чавунів, назва запропоновано Хоу і пов'язане з перламутровим блиском
(перліт нагадує перламутр). Перліт є евтектоїдних суміш двох фаз - фериту і
цементиту (у легованих сталях - карбідів). Перліт - продукт евтектоїдного
розпаду аустеніту при повільному охолодженні Fe-C-сплавів нижче 723 ° C.
Аустеніт (γ-залізо)
переходить в α-залізо,
в якому близько 0,02% вуглецю; надлишковий вуглець виділяється у формі
цементиту або карбідів.
Рис.1.4 - Структура перліту:а -
пластинчастий; б - зернистий.
Залежно від форми розрізняють
пластинчастий і зернистий перліт. Структура пластинчастого перліту представлена
на рис.1.4 а, структура зернистого перліту - на рис.1.4 б.
Дисперсні різновиди перліту іноді
називають сорбітом і трооститом.
Таким чином, перліт, сорбіт і
троостит - це структури з однаковою природою (ферит + цементит), продукти
розпаду аустеніту, що відрізняються ступенем дисперсності фериту і цементиту.
Перлітною структури можуть бути двох типів: пластинчасті і зернисті. У
зернистому перліті цементит знаходиться у вигляді зерняток. У пластинчастому
перліті цементит знаходиться у вигляді пластинок (показано на рис.1.4 а).
Однорідний (гомогенний) аустеніт завжди перетворюється в пластинчастий перліт.
Нагрівання до високої температури, коли створюються умови для утворення більш
однорідної структури, сприяє появі пластинчастих структур. Неоднорідний
аустеніт при всіх ступенях переохолодження дає зернистий перліт. Нагрівання до
невисокої температури призводить до утворення зернистого перліту (для
заевтектоїдної стали нижче АС3; критична точка АС3 - кінець розчинення
вторинного цементиту в аустеніт). Ймовірно, утворення зернистого цементиту
пов’язано із залишковим аустенітом, що є додатковими центрами кристалізації.
При вихідному нагріванні стали до 900°C утворюється пластинчастий перліт,
причому нижча температура дає більш дисперсну структуру. У такій же сталі при
тих же температурних перетвореннях, але після невисокого нагріву 780 °С,
утворився зернистий перліт [3]. Розмір цементитних зерен в перліті залежить від
температури перетворення аустеніту, а форма цементиту в перліті залежить від
температури нагріву (або температури аустенізації).
Властивості перліту залежать від типу,
розміру і форми цементитних зерен, від відстані між пластинами, а також від
інших факторів. Межа міцності пластинчастого перліту 80 кг / мм2, відносне
видовження 10-12%. Міцність і твердість зернистого перліту дещо менше, зате
вище пластичні властивості. Завдяки α-залізу
перліт має магнітні властивості.
Значення твердості перліту, в
залежності від структури і ступеня дисперсності можуть змінюватися. При більш
дисперсній будові перліту твердість його підвищується. Залежність твердості від
межпластинчастої відстані (S) різних перлітових структур представлена в
табл.1.2.
Таблиця 1.2
Залежність твердості від відстані
(S) в перлітових структурах.
|
.
|
Перліт
|
Сорбіт
|
Троостит
|
|
S, мкм
|
0,6-0,7
|
0,25
|
0,1
|
|
Твердість, HB
|
180
|
250
|
400
|
Значення твердості перліту пластинчастого
180-230 HB, зернистого перліту - 160-190 HB.
.3.2.3 Деформаційне старіння
ферито-перлітних сталей
Зміна структури і властивостей
металів (особливо сплавів), спричинювана розпадом їхніх твердих розчинів, що є
у стадії пересичення. Супроводиться звичайно підвищенням міцності, твердості,
коерцитивної сили й електропровідності металу (сплаву), зниженням його
пластичності й ударної в'язкості. Буває природне, що відбувається самочинно, за
умови витримування (іноді протягом кількох років) при кімнатній температурі, та
штучне (при нагріванні до високих температури), яке настає в загартованих
металах (сплавах). Вплив старіння матеріалів на експлуатаційні якості виробів
може бути негативним (наприклад, призводити до руйнування деталей) і позитивним
(старінню заздалегідь піддають вироби, що їхні форми й розміри під час
експлуатації мають бути постійними). Негативно діє, наприклад, на деякі сплави
деформаційне старіння, яке погіршує їхні в'язкість і пластичність. Негативному
впливові запобігають досконалішою технологією виплавлення металу (сплаву), його
легуванням, спеціальною термічною обробкою. Штучне старіння, прискорюване
пластичним деформуванням, радіоактивним опроміненням, лазерною та
ультразвуковою обробкою або іншими способами, є для багатьох сплавів спеціальною
операцією термічної обробки. Воно дає змогу підвищувати міцність сталей,
алюмінієвих, мідних і титанових сплавів, жароміцність нікелевих і кобальтових
сплавів, поліпшувати характеристики магнітно-твердих матеріалів та ін.
1.4 Мезорівні пластичної деформації
сплавів
Математичний апарат фізичної
мезомеханіки розвивається в двох напрямках: розробка аналітичних методів
механіки багаторівневих систем і чисельне моделювання їх поведінка в полях
зовнішньої дії.
В загальному випаду об’єктом опису
фізичної мезомеханіки є макросистема (тіло, яке деформується), яка представляє
собою динамічну систему, що містить велику кількість елементів. Мікроскопічний
опис таких систем потребує побудови траєкторій у фазовому просторі розмірності
6N, де N - число елементів. Математично це зводиться до вирішення
диференціальних рівнянь, при цьому для побудови конкретної траєкторії системи у
фазовому просторі необхідно задати 6N початкових умов. Таким чином прямий
мікроскопічний опис поведінки макросистем у випадку великих N складно
реалізується у вигляді не тільки великого числа рівнянь, але також великого
об’єму необхідної вихідної інформації.
З точки зору практичних положень, як
правило, необхідні знання про поведінку макросистеми в цілому, що досягається
введенням феноменологічних макропараметрів. При макроскопічному описі проходить
зменшення розмірності фазового простору, але відповідно, стискання необхідної
вихідної інформації і числа рівнянь, які потрібні для опису поведінки
макросистеми.
Макроскопічний опис процесів деформації
реалізується в механіці деформованого тіла, що вивчає механічні процеси, при
яких змінюються відстані між матеріальними точками середовища. В рамках даного
підходу вимірювання відстані між матеріальними точками, а також зусилля,
обумовлені цими змінами, визначаються через макропараметри механічного стану,
якими являються тензор деформації і тензор напружень. В пружній області дані
параметри однозначно характеризують механічний стан деформованого тіла.
У непружній області деформування
взаємно однозначної відповідності між механічними параметрами не існує,
оскільки одному значенню напруження може відповідати багато значень деформації
в залежності від історії навантаження. Це є наслідком локальних структурних
змін, що призводять до незворотності повної деформації. В цьому випадку для
опису процесів деформування крім параметрів механічного стану необхідно
додатково вводити параметри структурного стану матеріалу, що характеризують
еволюцію дефектних структур. Спільний розгляд в рамках єдиного підходу механічних
і структурних процесів, які проходять у деформованому твердому тілі є предметом
дослідження фізичної мезомеханіки.
В якості макросистеми розглянемо
еволюцію деякого однофазного, однорідного і ізотропного зразка в умовах
механічного навантаження. У пружній області фазовий простір характеризується
двома параметрами σ і
ɛ. При переході в область непружного деформування формуються дефекти
кристалічної структури, пружні поля яких частково компенсуються полями
напружень від зовнішніх дій. Таким чином, для опису непружної поведінки
деформованого тіла необхідно ввести параметри, що характеризують дефектну
структуру, яка появляється. Це призводить до збільшення розмірності фазового
простору системи, яка розглядається. У цьому випадку вважають, що система переходить
на новий рівень ієрархії. Допускається, що в процесі деформування зразок
залишається однофазним, однорідним і ізотропним. Тоді у найпростішому випадку
можна виділити наступні рівні ієрархії (рис.1.5).
Рис. 1.5 - Схема фазового простору
із рівнями ієрархії.
1. Механічний рівень. Рівень
ієрархії, якому відповідає фазовий простір і механічними параметрами (σ
і
ɛ). Цей рівень відповідає пружній поведінці матеріалу, оскільки в системі
відсутні будь-які структурні зміни.
. Рівень дефектів трансляційного
типу. Рівень ієрархії, на якому в системі проходять локальні структурні зміни,
що відповідають дефектам трансляційного типу (дислокаціям). Тепер стан системи
на одному рівні з механічними буде визначатися ще і структурними параметрами,
що визначають густину і потоки дефектів трансляційного типу. Рівню дефектів
трансляційного типу може ставитися у відповідність клас нерозорієнтованих
дефектних структур.
. Рівень дефектів ротаційного типу.
Ієрархічний рівень, на якому у системі проходять локальні структурні зміни, що
відповідають дефектам ротаційного типу. Тепер до названих вище параметрів
додадуться структурні параметри, які визначають густину і потоки дефектів
ротаційного типу. Цьому рівню ієрархії можна поставити у відповідність клас
розорієнтованих дефектних структур.
Можна відмітити, що на всіх
перерахованих вище рівнях ієрархії суцільність матеріалу не порушиться. У
випадку коли дефекти трансляційного і ротаційного типів не в змозі забезпечити
суцільність, система переходить на наступний рівень ієрархії, що пов’язаний із
локальними порушенням суцільності.
. Рівень локального порушення
суцільності. Рівень ієрархії, на якому у системі проходить локальне порушення
суцільності (мікропори і мікротріщини). При цьому слід відмітити, що механічні
зміни в області порушення суцільності не визначені, оскільки система стає
багато-зв’язковою, точніше тепер довільна замкнута крива не може бути стягнута
в точну неперервним диференціюванням без перетину границі системи.
. Рівень глобального порушення
суцільності. Рівень ієрархії, на якому в системі формуються магістральні
тріщини і зразок руйнується, при цьому гублять фізичну суть його механічні
параметри (σ
і ɛ). Це стається у випадку, коли можливості перерахованих вище рівнів
ієрархії вичерпані чи вони не реалізуються.
Слід підкреслити, що механічний
рівень є фундаментальним, оскільки його параметри зберігаються аж до формування
5-го рівня ієрархії. Звідси випливає, що рівні ієрархії 1 і 5 обмежують область
опису процесу деформації твердого тіла. Із цієї точки зору проміжні рівні
ієрархії (2-4) еволюції системи можне представити як мезорівні у фазовому
просторі.
Можна відмітити, що для крихких
матеріалів можуть реалізуватися тільки 1,4 і 5-й рівні ієрархії,для
високоміцних матеріалів, де трансляційне ковзання у значній степені заблоковано
будуть мати місце переважно 1, 3, 4 і 5-й рівні ієрархії. Для пластичних
металів всі рівні ієрархії з 1-го по 5-й можуть бути реалізовані в ході
деформації.
Еволюція системи проходить на рівні
ієрархії, який відповідає найвищому, сформованому в процесі навантаження даної
системи. Можна відмітити, що нижчі рівні ієрархії являються акомодаційними для
більш високих. «Вимивання» низьких рівні введе до зниження деформаційної
здатності матеріалу. Так, в граничному випадку, коли можливості мезорівнів 2-4
вичерпані матеріал буде вести себе як ідеально крихкий. Таким чином, введення
описаної вище ієрархії рівні дозволяє частково зробити висновок, що «живучість»
деформованого тіла визначається часом існування мезорівні.
В якості прикладу розглянемо один із
можливих підходів математичного опису процесу деформування твердого тіла із
врахуванням двох рівнів (1 і 2) на основі континуальної теорії дефектів і
лагранжевого формалізму. Це дозволяє отримати систему рівнів, що описують
еволюцію механічних і структурних параметрів в процесі деформування.
Дана модель має за основу
представлення деформованого тіла як деякого однорідного і ізотропного
середовища, що складається із двох взаємодіючих контиміумів: матеріального
контимуума і контимуума дефектів. Матеріальний континуумів визначається
тензором ефективних напружень і деформацій, що виникають від зовнішньої дії і
від дефектів матеріалу. Континуум дефектів, що характеризується тензором
густини дефектів і тензором густини потоку відображає структурний стан
матеріалу [3].
.5 Утворення дефектів при
знакозміних навантаженнях
Процес багатоциклової втоми металів
і сплавів складається з двох стадій: стадія зародження втомної тріщини і стадії
її розвитку до руйнування. Стадія зародження втомної тріщини може бути названа
стадією розсіяного або нелокалізованого втомного пошкодження. На цій стадії в
процесі циклічного напруження в локальних об’ємах металів, внаслідок
структурної неоднорідності матеріалів, виникає випадкове розподілення по об’єму
матеріалу зони пластичного деформування, в якій зароджується мікроскопічні
втомні тріщини. По мірі розвитку цих тріщин одна із них яка може бути названа
магістральною, починає розвиватися з більшою швидкістю, і її подальший розвиток
призводить до кінцевого руйнування.
Стадія розвитку магістральних
втомних тріщин може бути названа стадією локалізованого втомного пошкодження,
оскільки процес втоми матеріалів з моменту зародження магістральних тріщин
визначається, в першу чергу, розвитком такої конкретної тріщини.
Розсіяне втомне пошкодження показує
істотний вплив на швидкість розвитку магістральної втомної тріщини, оскільки
чим більше в матеріалі мікроскопічних тріщин, і чим більші їх розміри, тим з
більшою швидкістю розвивається магістральна тріщина, поглинаючи при своєму
розвитку менші тріщини.
В останні роки основну увагу вчені -
механіки приділяють стадії локалізованого втомного пошкодження. Ці дослідження
проводять в рамках наукового напрямку в механіці деформівного твердого тіла,
яке отримало назву «механіка руйнування» або «механіка тріщин».
Що стосується стадії розсіяної
втомної пошкодженності, то найбільший інтерес проявляється до неї спеціалісти в
області фізики металів, яких в першу чергу цікавлять процеси на мікроскопічному
рівні, що призводять до зародженню втомної тріщини.
При розгляді процесу втоми
матеріалів слід враховувати розсіяне втомне пошкодження,коли спостерігається
значна кількість мікроскопічних вогнищ пошкоджень (зокрема, вогнище локальних
пластичних деформацій), але ще не зародилася магістральна тріщина, і локальне
пошкодження у вигляді магістральних втомних тріщин, розвиток яких призводить до
кінцевого руйнування. До порівняно недавнього часу поділу процесів втоми на
стадії розсіяного пошкодження (зародження магістральних тріщин) і розвиток
магістральної тріщини приділяють недостатньої уваги. Зв’язок між діючим
напруженням і числом циклів до руйнування визначали без урахування поділу
процесу втоми на ці стадії.
Виникнення зрушень в окремих зернах
полікристалічних металів при напруженнях менше межі текучості, або навіть межі
пружності, є цілком очевидним, якщо врахувати неоднорідність будови реальних
металів. Внаслідок цього при невеликих середніх напруженнях в зразку окремих
зернах полікристала може виникати значне напруження, перевищуючи межу текучості
і визивають пластичне деформування мікроб’ємів металів.
Встановлення факту, що втомна
тріщина виникає в місці мікропластичних зрушень, дало подальший поштовх до
дослідження мікропластичних деформацій , маючи місце в металах при повторно-змінному
напружені.
В даний час є загальновизнаним, що
втомна тріщина зароджується в металах в зоні ковзання, однак механізм
зародження тріщин пояснюється по різному. В деяких роботах вважають, що в
місцях локалізованого зсуву в окремих, найбільш напружених зернах, проходить
місцеве зміцнення металу (підвищеної межі текучості), і мікротріщина виникає в
момент, коли напруження стають рівними опору відриву.
Наступні дослідження припускають, що
місцева пластична деформація в процесі циклічного напруження породжує, крім
зміцнення, пов’язаного з оборотними змінами атомної решітки, ще й незворотні
зміни, пов’язані з субмікроструктурою порушень.
2. МЕТОДИКА ДОСЛІДЖЕННЯ
.1 Металографічні дослідження
Для вивчення мікроструктури з
досліджуваних матеріалів вирізали зразки розміром 15
· 10-3 м, з яких виготовляли шліфи. Проводили полірування шліфів за допомогою
алмазних паст різного номера. Отримані шліфи вивчали на металографічному
мікроскопі МЕТАМ-1 ЛОМО. Дослідження проводили як на не-травлених зразках так і
на шліфах після травлення (травлення проводили 4% HNO3 і спирті). Здатність до
утворення пошкоджень досліджених матеріалів вивчали на приладі для вимірювання
твердості за методом Роквелла. При цьому навантаження на індентор складало
588.5 H. Утворені відбитки аналізували за допомогою цифрового аппарату Samsung
j100.
2.2 Проведення випробувань на розтяг
досліджених костилів
Визначення механічних властивостей
при випробуваннях на розтяг проводили на машині УМ-5 на зразках типу ІІІ (ГОСТ
1497-88) діаметром 6×10-3м.
2.3 Визначення в’язкості руйнування
виробів за результатами розсіяння характеристик твердості
Надійність деталей машин і
конструкцій великою мірою визначається опором матеріалів поширенню тріщин.
Кількісна оцінка тріщиностійкості ґрунтується на визначенні напруження поблизу
вершини тріщини в момент нестабільного поширення. Значення залежить від ступеня
пластичної деформації у вершині тріщини (її затуплення) і характеризує опір
розвитку в’язкій тріщині. Тому коефіцієнт інтенсивності напружень називають
в’язкістю руйнування. Чим він більший, тим вище опір матеріалу в’язкому
руйнуванню і його надійність. Крім якісної характеристики надійності, вÊ’язкість
руйнування доповнює параметри σв
, σ0,2 і Е у
розрахунках на міцність деталей. Використання цього критерію дає змогу
визначити безпечний розмір тріщини за відомого робочого напруження, або
безпечне напруження, якщо відомий розмір дефекту[4].
Характеристики в’язкості руйнування
отриманні для одних і тих самих матеріалів під час випробувань зразків різних
розмірів і різної форми можуть суттєво відрізнятися особливо для пластичних
сплавів, і тому розрахунок граничного стану деталей за характеристиками, що
визначені на лабораторних зразках не завжди є обґрунтованими. Все це привело до
пошуків інших критеріїв руйнування матеріалів з тріщинами, які були би
інваріантними до умов випробувань.
Щоб оцінити несучу здатність
матеріалу, широко використовують показники в’язкості руйнування, які відомі з
вимірів фізичних параметрів тріщини:довжини, переміщення берегів у середній
частині й у вершині тріщини, кута розкриття, а також швидкості збільшення
тріщини, розмірів пластичної зони біля вершини тріщини. Стандартні методи
визначення показників в’язкості руйнування доволі складні й під час
пружно-пластичного поводження матеріалу із тріщиною не є ефективні. Їхнє
використання для оцінювання несучої здатності пластичного листового матеріалу,
може призвести до зайвого запасу міцності у несучій здатності.
Оскільки в’язкість руйнування
чутлива до структурного стану матеріалу, зокрема до однорідності структури, то
для оцінювання несучої здатності матеріалу як параметра, за контролюючий
розвиток тріщини можна прийняти стан пошкодженності матеріалу на ділянці
вершини тріщини, який досягається до моменту її старту. Проте, методи
визначення запропонованих параметрів оцінки стану пошкодженності не мають
достатньо чіткого визначення. Крім того, слід врахувати той факт, що конкретним
зразкам конструкційних матеріалів, а також виготовлених з них виробам, властива
індивідуальність характеристик міцності і пружності. Розкид їхніх значень для
різних зразків, виготовлених з одного і того самого матеріалу, зумовлений
статистичною природою міцності твердих тіл, відмінністю структур зовні
однакових зразків. Невизначеність реальних механічних характеристик матеріалу і
невизначеність деяких зовнішніх навантажень, що діють на технічний об’єкт,
приводять до погрішностей розрахунків щодо працездатності проектованих
конструкцій і вживання відповідних заходів безпеки. За таку міру
використовується пониження в n разів щодо небезпечного напруження матеріалу
(межі міцності, межі текучості, межі витривалості або межі пропорційності)
величини напруження, що максимально допускається і яка використовується в умові
міцності, що зумовлює збільшення матеріаломісткості виробів.
Під дією навантаження матеріал на
ділянці вершини тріщини пошкоджується й, досягнувши граничного рівня
накопичених, пошкоджень, тріщина стартує, «впроваджується» у цей ушкоджений
матеріал. Для пластичного матеріалу процес його пошкодження на ділянці вершини
проявляться у вигляд візуально спостережуваного «утягнення» матеріалу по лінії
поширення тріщини. Стан пошкодження матеріалу в межах шийки зразка, підданому
одноосьовому розтягу, подібний до стану пошкодження матеріалу у вершині
тріщини, що досягається до моменту її старту. Цей факт було встановлено під час
дослідження пористості матеріалу на ділянках вершини тріщини й на зламі в шийці
зразка. Виявлена адекватність станів матеріалу в зоні вершини тріщини й у шийці
одновісно розтягнутого зразка спричиняє можливість проведення оцінки несучої
здатності пластини без залучення критерії в’язкості руйнування. Непрямим
підтвердженням висловлених міркувань є взаємозв’язок характеру розподілу
напружень у вершини тріщини із процесами нагромадження пошкоджень за простого
розтягу зразка матеріалу.
Пошкодження матеріалу в робочій
частині зразка можна оцінювати за допомогою методу LM-твердості, що ґрунтується
на підходах математичної статистики, на використанні параметричних неперервних
розподілів. Згідно з цим методом більше представницькими щодо кореляції
будь-якої механічної характеристики матеріалу із станом структури є не
абсолютні їхні значення, а деякі похідні цих значень, зокрема розсіяння
результатів вимірювань, виконаних однаковими приладами в ідентичних умовах. За
наявності необхідної сукупності даних можна зрозуміти досліджувану
характеристику матеріалу і розсіяння. Цей метод найпростіше реалізувати,
використовуючи як механічну характеристику твердості, значення якої
застосовуються для непрямої оцінки пружно-пластичного матеріалу під
навантаженням визначається поведінкою локальних областей поблизу концентраторів
напруги, а будь-яке руйнування пов’язане з пластичною деформацією, то
характеристики твердість можна застосувати для оцінки тріщиностійкості,
оскільки вони також характеризують опір матеріалу місцевої пластичної
деформації під час розклинювання матеріалу індентором приладу для вимірювання
твердості.
Досліджування проводять на
матеріалах, на яких вимірюють мікротвердість в умовах, коли розміри відбитку у
багато разів перевищують розмір структурних складових матеріалу, наприклад,
зерна металу. В цьому випадку визначається усереднений за площею відбитку опір
матеріалу втискуванню індентора, коли відбиток охоплює не менше 10-20 окремих
зерен металу. Розсіяння значень твердості, що набувають, є чинником, який не
залежить від методу вимірювання твердості і тому може служити характеристикою
матеріалу.
Параметром, який інтегрально
характеризує структурний стан матеріалу під час опрацювання результатів масових
вимірювань твердості є гомогенність. Згідно з методом LM-твердості оцінку
структурної неоднорідності матеріалу за наявності чималої сукупності даних про
його властивості, яка відображає їх розсіяння, можна провести тільки із
залученням методів математичної статистики на основі фізично обґрунтованих
законів розподілу. Очевидно, що нормальний закон розподілу в цьому разі
неприйнятний, оскільки він враховує наявність зразків з негативною твердістю,
що неможливе. Водночас існує великий дослід використання в механіці матеріалів,
зокрема під час побудови статистичної теорії міцності, розподілу Вейбулла:
P(σ)=
,
(2.1)
де, m, k - параметри розподілу, при
цьому параметр - коефіцієнт гомогенності, який відображає ступінь розсіяння
характеристик досліджуваної властивості можна визначити за формулою Гумбеля
(2.2), яка стосовно випробувань на твердість має вигляд:
. (2.2)
Ту величину
визначають
залежно від числа
вимірювань у
такому разі
повинно бути не
менше 15, а величину
(2.3)- за
наслідками
вимірювань:
)2 , (2.3)
де,
=
-середнє значення логарифма твердості.
Великим значенням коефіцієнта m
відповідає низький рівень розсіяння характеристик твердості і, отже, краща
організація структури, низький ступінь пошкоджуваності, меншим значенням,
навпаки, вищий ступінь пошкоджуваності. Коефіцієнт гомогенності Вейбулла (m),
який подібно до в’язкості руйнування залежить від однорідності структури, має
стійку кореляцію з максимальним значенням щільності вірогідності, причому
коефіцієнт кореляції практично однаковий за всіма досліджуваними властивостями
матеріалів. Це свідчить про можливість використання параметрів кривих щільності
розподілу характеристики досліджуваної властивості для оцінки ступеня
пошкоджуваності матеріалу. Одержані експериментальні дані підтверджують
подібність кінетики накопичення пошкоджень під час розвитку руйнування
матеріалу у випробуваннях на твердість і тріщиностійкість (для стандартних компактних
зразків), а також про адекватність відповідних моделей структурних
трансформацій у локальних зонах під індентором і в гирлі тріщини, що
розвивається. Тому встановлений факт кореляції коефіцієнт (m) і (K) може бути
основою для проведення досліджень несучої здатності конструкційних матеріалів
за параметрами твердості.
Наявність залежності між
характеристиками в’язкості руйнування сталей із статистичними параметрами
розсіяння значень твердості підтверджені багатьма дослідженнями. Зокрема
результатом випробувань реакторних сталей. Одержанні методом LM - твердості
значення коефіцієнтів гомогенності знаходять в добрій кореляції із відповідними
значеннями тріщиностійкості. Встановлені залежності між коефіцієнтами (m) і (K)
є закономірними і використовують як доступний експрес-метод оцінки
тріщиностійкості конструкційних матеріалів.
3. ДОСЛІДЖЕННЯ ОСОБЛИВОСТЕЙ
УТВОРЕННЯ РОЗСІЯНИХ ПОШКОДЖЕНЬ В КОСТИЛЯХ ЗАЛІЗНИЧНОЇ КОЛІЇ
3.1 Особливості виготовлення
костилів залізничної колії
Костилі залізничної колії виготовляють
методом гарячого об’ємного штампування. При цьому використовуються наступні
операції: нагрів 1200-1300 0С, подача прутка в зону штампування (показано на
рис.3.1.)
Рис.3.1 - Подача заготовки до штампу
для отримання костилів методом гарячого об’ємного штампування.
Для штампування використовують штамп
суміщеної дії (рис.3.2), при якому за одну операцію проводять формування
головки і відрізку сформованої деталі від прутка. Після виготовлення деталі
охолоджують струменем води (рис.3.3). Костиль після гарячого об’ємного
штампування, що вилучений з порожнини штампу, показаний на (рис.3.4).
Рис.3.2 - Загальний вигляд робочої
частини штампу для отримання костилів.
Рис.3.3 - Отримання костиля під час
штампування і його наступне охолодження струменем води.
Рис.3.4 - Костиль після гарячого
об’ємного штампування, який вилучений з порожнини штампу.
3.2 Умови роботи досліджених
костилів залізничної колії
Не дивлячись на те, що в даний час
більшу частину рейок встановлюють на залізобетоних шпалах, понад 30 % колії
Львівської залізниці працює на дерев’яних шпалах. Старіння металовиробів
верхньої будови колії вимагає постійної уваги щодо підтримання їх
працездатності. Важливими деталями, які забезпечують жорсткість колії на
дерев’яних шпалах, є костилі. Їх передчасний вихід із ладу пов’язаний із
невизначеністю впливу мікроструктури, яка формується в процесі виготовлення цих
деталей, на працездатність та експлуатаційну надійність. Зниження витрат на
технічне утримання колії, підвищення безпеки руху вимагає подальших досліджень
впливу структури деталей верхньої будови колії на їх залишковий ресурс.
Проводилось дослідження костилів, що
були встановлені на кривих дільниці колії малих радіусів (рис.3.5).
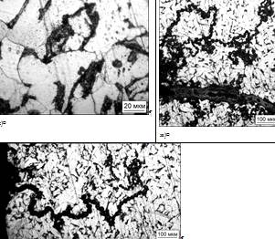
Рис.3.5 - Місця руйнування костилів
на перевальній дільниці колії.
Рис.3.6 - Схема розміщення тріщин у
зруйнованих костилях.
Дослідженнями встановлено, що
руйнування костилів відбувалося на дільницях з найвищим рівнем навантажень[14].
Костилі руйнувались на віддалі 50…70 мм від поверхні головки (рис.3.6).
Фрактографічними дослідженнями встановлено, що поверхні зламів складались із
ділянок квазівідриву з мінімальними слідами пластичної деформації. Це свідчить
про те, що руйнування відбувалося при дії напруженого стану, наближеного до всебічного
розтягу. На окремих ділянках поверхні зламів зруйнованих костилів виявляються
блискучі фасетки з мінімальними слідами пластичної деформації, що характерно
для крихкого руйнування.
Дослідження проводили на костилях
загальний вигляд яких представлений на (рис.3.7.а, рис.3.7.б, рис.3.8,
рис.3.9).
а)
б)
Рис.3.7 - Загальний вигляд
досліджених костилів залізничної колії: а - передній вид; б - вид збоку.
Рис.3.8 - Загальний вигляд костиля
вилученого після експлуатації з дільниці колії малого радіусу.
Рис.3.9 - Загальний вигляд нового
костиля.
Для визначення сил які діють на
основний костиль, проводили розрахунки за наступною послідовністю. Враховували,
що шпали шириною 15 ×10-2м,
а відстань між ними складає 63×10-2м,
довжина l=63+15=78×10-2м.
Для довжини рейки 25 м кількість шпал встановлених в колій на одній довжині
рейки складає 50 штук. Тобто на одній рейці довжиною 25 м розташовано зі
зовнішньої сторони рейки 50 основних костилів.
Враховуючи, що вагон створює на
рейку навантаження 115 кН [1] на одну шпалу буде створюватись навантаження
115/100=1,15 кН, якщо поперечне навантаження складає 1,15 кН то момент згину до
піддошви яка кріпиться до шпали складає 1,15·7,5=86,25 кН·мм. В результаті на
головку костиля створюється момент який є рівне 86,25 кН·мм.
На дільницях з дерев’яними шпалами і
типовим костильним скріпленням при малонавантажених вагонах (Рст≤100 кН/вісь),
особливо при порожніх вагонах, схід коліс з рейок за рахунок розсунення колії
відбувається внаслідок нахилу рейки гребенями (рис.3.10) (відтискання підошви
не перевищує 1-1,5 · 10-3 м при відтисканні головки 50-60·10-3 м). При тому
розсунення колії з провалом колеса проходить при значно менше (в 1,5-2 рази)
силах бокового дії коліс, схід за рахунок зсуву решітки на дільницях з
залібетоними шпалами і в 1,2-1,3 рази менше, сходження на дільницях з
дерев’яними шпалами і оголеними торцями шпал. Чим менше завантажений вагон, тим
вирогідніше зсув внаслідок розсунення колій. При повнонавантажених вагонах опір
розсуненню значно більший.
Опір натиску колії тим більший, чим
менший радіус кривої. В прямих дільницях схід коліс внаслідок натиску колії при
костильному скріплені можливий одночасно під декількома візками підряд, а в
крутих кривих - як правило, тільки під одним візком. При груповому боковому
впливі коліс візка на головку рейки її натиск при костильному скріпленні значно
(в 1,5-1,9 рази) більший, ніж при одиночному. Лінія впливу відтиску тим менша,
чим крутіший радіус кривої, але у всіх випадках довжини, чим обумовлені
розрахунки по балочній теорії внаслідок зміщення плоскої дії активних і
реактивних бокових сил на величину, рівну висоті рейки (при Р65 на 180 · 10-3
м). При цьому сила бокового впливу підошви рейки на шпалу, обумовлена боковим
впливом гребеня на головку рейки, є істотно меншою, ніж при розрахунку по
балочній теорії.
Рис.3.10. Відтиск гребенем колеса головки
рейки і за рахунок цього її нахилу (вигляд зверху, колісна пара умовно не
показана).
На дільниці з дерев’яними шпалами і
типовим костильним скріпленням існує легший (з порівнянням з дільницею з
залізобетонними шпалами) схід за рахунок відтисканя екіпажем (вкочування
гребеня на бокову грань головки) внаслідок можливого нахилу рейок (рис.3.10)
при відриві внутрішньої крайки підошви рейки від підкладки.
При типовому костильному скріпленні
(без протидії розпірних підкладок) у всіх дослідних поїздах раніше проходить
схід коліс за рахунок розходу колій, ніж зсуву навіть при оголених кінцях шпал
і пустих шпальних ящиків []. Тільки після застосування підкладок з привареним
обрубком внутрішнього обшивного костиля (рис.3.11) боковий зсув колій
призводить до критичних розмірів навіть на щебеневому баласті, але при більших
силах бокового впливу на колію головки рейки, ніж при натиску колії до
критичних розмірів без протидії розпірних підкладок.
Рис.3.11 - Протирозсувна костильна
підкладка з приварним обрубком внутрішнього обшивного костиля (а) і частини
його зігнутого стержня (б).
Відтискання підошви рейки у всіх
випадках зміщує головку до критичних розмірів (50-60 · 10-3 м) і не перевищує 1
- 1,5 · 10-3 м, навіть при зашивці не на п’ять, а на три костилі і при повній
розшивці одного і двох кінців шпал підряд (опір розкантовці рейок менший, ніж
опору сил тертю підкладки по шпалам навіть при імітації одиночної і кустової
непридатності шпал).
При русі візка з притиском сили по 2
тс і більше гребнями коліс до головки рейки проходить надшарпування внутрішніх
обшивних костилів і пружній нахил рейки (рис.3.10) з наступної встановленої
ширини колії після проходу такого візка. Чим більша сила бокового впливу
гребеня коліс на головку рейки і чим менша вертикальна сила, тим на більшу
величину надшарпуються внутрішні обшивні костилі.
На експериментальному кільці ВНИИЖТа
було проведена така серія натурних експериментів з реалізації в рухомому поїзді
різних поздовжніх сил стискання в прямих і кривих радіусах 700 і 400 м. При
перевищені діючих норм допускаючих поздовжніх сил стискаючих в поїзді пройшов
запланований схід коліс з рейок однієї (першої по ходу) колісної пари у
порожнього вагона (наступного за півнавантаженим вагоном) внаслідок його
витискання. При наступних експериментах півнавантаженому рухомому складі
запланований схід пройшов внаслідок натискання типової конструкції рейкової
колії з дерев’яними новими шпалами і костильним скріпленням (рейки Р65).
Розсування колії відбулося на прямій перед входом в криву (R=400 м) на протязі
45 м з одночасним провалом шести візків: одного вагонного (провалились обидва
ліві по ходу колеса) і п’яти локомотивних (візки провалились почерзі обома
правими або обома лівими колесами). Розсування пройшло за рахунок розкантовки
рейок нитки відносне напруження крайки підошви(відтискання підошви відносно
шпал не перевищує 1-1,5 · 10-3 м) з надшарпуванням внутрішніх обшивних
костилів. Зійшли з рейок локомотиви, що штовхали склад, головна частина якого
разом з головним локомотивом була загальмована для створення в експерименті
підвищених поздовжніх сил стиску в поїзді. В момент розсування рейкової колії
зійшли з рейок екіпажі (напіввагон і три секції локомотива 4ТЭ10С), які
знаходились в перекошеному положені по схемі «ялинка».
В результаті вказаних експериментів
і теоретичних розрахунків ВНИИЖТом були розроблені нові нормативи допускного
бокового впливу коліс візка на шлях і нормативи допускних поздовжніх сил стиску
в поїзді, які 9 червня 1990 р. були затвердженні МПС для практичного
використання на дорогах мережі (ЦД-ЦТ-Цп-4805).
Нормативи допускної бокової дії
коліс візка на шлях (Нб) по умові попередженню розсуву колій від дії однієї
колісної пари допускають не перевищувати наступного рівня:
(при Рб≤300
кН). (3.1)
- для вагонів;
- для локомотивів.
Бокова сила для локомотивів з
трьохвісними візками, маючи розмір середньої осі, розраховується як сума
бокових сил від крайніх осей візка. При цьому кожна із них не повинна
перевищувати значення, яке визначається виразом (3.1).
Враховуючи, що момент Р=86,25 кН·мм
розраховували значення напружень які виникають при чистому згині костиля.
Напруження які виникають при чистому згині згідно ГОСТ 2860-65 «Методы
испытання на усталость».
Розрахунок проводили за формулою
(3.2):
σа=
=0,113
кН/мм2
де, 𝑊э-
осьовий момент опору розрахункового перерізу зразка, мм3;- ширина, 19 мм;-
товщина, 15,5 мм;и - згинаючий момент розрахункового перерізу зразка, кгс/мм;
Тоді напруження, що виникають в
костилі є рівні 113 МПа.
Згідно даних [] при русі поїзда
навантаження на рейку зростають в 1,5-2 рази. Тобто у випадку наявності кривих
колій малих радіусів напруження можуть зростати в 2 рази від 113 до 226 МПа. А
рівень напружень 226 МПа відповідає границі втомі маловуглецевої сталі. Тобто
на кривих дільницях малих радіусів розсіяні пошкодження можуть переходити в
локалізовані пошкодження і приводити до розвитку втомних тріщин костиля.
.3 Аналіз хімічного складу
досліджених костилів
Хімічний склад проб стружки сталі
досліджуваних костилів визначався аналітичним методом згідно з ГОСТ
22536.1…22536.6-87. Відбір проб для визначення хімічного складу здійснювався
згідно з ГОСТ 55-73 «Стали и сплавы». Методы отбора проб». Результати аналізу
наведені в таблиці 3.1.
Таблиця 3.1
Результати визначення хімічного
складу костилів колії
|
№ проб
|
Характеристика проб
|
Хімічний склад, %
|
Марка сталі
|
ГОСТ
|
|
|
С
|
Si
|
Mn
|
S
|
P
|
|
|
|
1
|
Костиль, що зруйнувався при експлуатації
|
0.20
|
0.05
|
0.41
|
0.045
|
0.04
|
Ст4 кп
|
380-84
|
|
2
|
Новий костиль
|
0.20
|
0.16
|
0.55
|
0.046
|
0.04
|
Ст4 пс
|
380-84
|
.4 Механічні властивості при випробовувані
на розтяг
Визначення механічних властивостей
при випробуваннях на розтягнення проводили на машині УМ-5 на зразках типу ІІІ
(ГОСТ 1497-88) діаметром 6 мм. Результати випробувань представлено в табл.3.2.
Таблиця 3.2
Механічні властивості костилів колії
|
№ зразка
|
Характеристика костиля
|
σв,H/мм2
|
δ,%
|
Ψ,%
|
Характеристик руйнування
|
|
1 2 3 4 5 6
|
Новий Зруйнований в дільниці колії малого
радіусу Зруйнований в дільниці колії малого радіусу Вилучений з експлуатації
на прямій дільниці колії Вилучений з експлуатації на прямій дільниці колії
Вилучений з експлуатації на прямій дільниці колії
|
490 400 600 - - -
|
27 28 14 - - -
|
62 66 51 - - -
|
В’язкий злам В’язкий злам із деякою кількістю
фасеток сколу В’язкий злам із деякою кількістю фасеток сколу - - -
|
Рис. 3.12 - Криві розтягнення
зразків: а - №1; б - №2; в - №3.
Зразки №1 і №3 за властивістю
міцності відповідають сталі Ст4пс, а зразок №2 - сталі Ст4кп. В той же час, за
характеристиками пластичності зразок №3 не відповідає вимогам, ГОСТ 380-88 і
ГОСТ 380-94. Матеріал костиля (зразок №2), який не був в експлуатації
(рис.3.12.а), характеризується достатньою міцністю, пластичністю і роботою, яка
витрачається на його деформацію до руйнування. Матеріал зразка №2 одного з
костилів, що зруйнувались в експлуатації, має низьку міцність (рис.3.12. б).
Матеріал зразка №3 відповідає вимогам ГОСТ 380-88 (рис.3.12. в), але для
зразків №2 і №3 характерним є низький запас пластичності, тобто різниця між
границею міцності і границею текучості є суттєво нижчою, ніж в матеріалі нового
костиля. Це свідчить про вичерпання пластичності в умовах експлуатації.
Особливо низький рівень відносного видовження і звуження в зразках №3 свідчить
про повне вичерпання запасу пластичності його матеріалу (таб.3.2). Вивчення
зламів зразків показало, що руйнування, в основному, було в’язким. На поверхні
зламу зразка №1 ямка видовжена і однорідна, що свідчить про відсутність
дефектів структури, які сприяють процесам зародження і поширення тріщин. У
зразку №2 і особливо в зразку №3 ямки неоднорідні, що свідчить про
неоднорідність структур їх матеріалів [3].
3.5 Результати визначення
коефіцієнта розсіювання твердості досліджених костилів у вихідному стані та
після експлуатації
3.5.1 Розсіювання характеристик
твердості костилів у вихідному стані
Результати вимірювань твердості
отримані на приладі Роквелла ТР 5006 при навантаженні 588,4 Н та діаметрі
кульки 3,157 · 10-6 м. Визначення коефіцієнта розсіяння Вейбулла проводили з
використанням програми Mathcad (дивитись додаток 1). Значення коефіцієнта
розсіяння Вейбула для костиля у вихідному стані показанні у табл.3.3.
Таблиця 3.3
Значенння твердості (Hi ), середнє
значення логарифма твердості
та коефіцієнт
гомогенності Вейбулла (m) дослідженого зразка №1.
Лінія 1
|
№
|
Значенння твердості Hi
|
lg Hi
|
|
Slg(H)
|
d(n)
|
m
|
|
1
|
75
|
1,875061
|
1,885553
|
0,005578
|
1.0915
|
84,980055
|
|
2
|
77
|
1,886491
|
1,885553
|
|
|
|
|
3
|
76
|
1,880814
|
1,885553
|
|
|
|
|
4
|
76
|
1,880814
|
1,885553
|
|
|
|
|
5
|
75,5
|
1,877947
|
1,885553
|
|
|
|
|
6
|
77
|
1,886491
|
1,885553
|
|
|
|
|
7
|
77
|
1,886491
|
1,885553
|
|
|
|
|
8
|
77,5
|
1,889302
|
1,885553
|
|
|
|
|
9
|
78
|
1,892095
|
1,885553
|
|
|
|
|
10
|
77
|
1,886491
|
1,885553
|
|
|
|
|
11
|
77
|
1,886491
|
1,885553
|
|
|
|
|
12
|
76
|
1,880814
|
1,885553
|
|
|
|
|
13
|
78
|
1,892095
|
1,885553
|
|
|
|
|
14
|
78
|
1,892095
|
1,885553
|
|
|
|
|
15
|
78
|
1,892095
|
1,885553
|
|
|
|
|
16
|
78
|
1,892095
|
1,885553
|
|
|
|
|
17
|
76
|
1,880814
|
1,885553
|
|
|
|
|
18
|
78
|
1,892095
|
1,885553
|
|
|
|
|
19
|
76
|
1,880814
|
1,885553
|
|
|
|
|
20
|
77
|
1,886491
|
1,885553
|
|
|
|
|
21
|
78,5
|
1,89487
|
1,885553
|
|
|
|
|
22
|
76
|
1,880814
|
1,885553
|
|
|
|
|
23
|
77
|
1,886491
|
1,885553
|
|
|
|
|
24
|
76
|
1,880814
|
1,885553
|
|
|
|
|
25
|
75,5
|
1,877947
|
1,885553
|
|
|
|
Лінія 3
|
№
|
Значенння твердості Hi
|
lg Hi
|
|
Slg(H)
|
d(n)
|
m
|
|
1
|
78
|
1,892095
|
1,893097
|
0,003909
|
1.1124
|
123,595386
|
|
2
|
78
|
1,892095
|
1,893097
|
0,003909
|
|
|
|
3
|
77.5
|
1,889302
|
1,893097
|
0,003909
|
|
|
|
4
|
78
|
1,892095
|
1,893097
|
0,003909
|
|
|
|
5
|
77.5
|
1,889302
|
1,893097
|
0,003909
|
|
|
|
6
|
78
|
1,892095
|
1,893097
|
0,003909
|
|
|
|
7
|
77
|
1,886491
|
1,893097
|
0,003909
|
|
|
|
8
|
77.5
|
1,889302
|
1,893097
|
0,003909
|
|
|
|
9
|
78
|
1,892095
|
1,893097
|
0,003909
|
|
|
|
10
|
78
|
1,892095
|
1,893097
|
0,003909
|
|
|
|
11
|
78.5
|
1,89487
|
1,893097
|
0,003909
|
|
|
|
12
|
78.5
|
1,89487
|
1,893097
|
0,003909
|
|
|
|
13
|
79
|
1,897627
|
1,893097
|
0,003909
|
|
|
|
14
|
78.5
|
1,89487
|
1,893097
|
0,003909
|
|
|
|
15
|
79
|
1,897627
|
1,893097
|
0,003909
|
|
|
|
16
|
78
|
1,892095
|
1,893097
|
0,003909
|
|
|
|
17
|
79
|
1,897627
|
1,893097
|
0,003909
|
|
|
|
18
|
79
|
1,897627
|
1,893097
|
0,003909
|
|
|
|
19
|
79
|
1,897627
|
1,893097
|
0,003909
|
|
|
|
20
|
78.5
|
1,89487
|
1,893097
|
0,003909
|
|
|
|
21
|
78.5
|
1,89487
|
1,893097
|
0,003909
|
|
|
|
22
|
79
|
1,897627
|
1,893097
|
0,003909
|
|
|
|
23
|
78
|
1,892095
|
1,893097
|
0,003909
|
|
|
|
24
|
79
|
1,897627
|
1,893097
|
0,003909
|
|
|
|
25
|
78
|
1,892095
|
1,893097
|
0,003909
|
|
|
|
26
|
78
|
1,892095
|
1,893097
|
0,003909
|
|
|
|
27
|
79
|
1,897627
|
1,893097
|
0,003909
|
|
|
|
28
|
78
|
1,892095
|
1,893097
|
0,003909
|
|
|
|
29
|
77.8
|
1,889302
|
1,893097
|
0,003909
|
|
|
|
30
|
76
|
1,880814
|
1,893097
|
0,003909
|
|
|
Лінія 4
|
№
|
Значенння твердості Hi
|
lg Hi
|
|
Slg(H)
|
d(n)
|
m
|
|
1
|
78
|
1,892095
|
1,895239
|
0,003284
|
146,60571344
|
|
2
|
78.5
|
1,89487
|
1,895239
|
|
|
|
|
3
|
79
|
1,897627
|
1,895239
|
|
|
|
|
4
|
78
|
1,892095
|
1,895239
|
|
|
|
|
5
|
78
|
1,892095
|
1,895239
|
|
|
|
|
6
|
77
|
1,886491
|
1,895239
|
|
|
|
|
7
|
79
|
1,897627
|
1,895239
|
|
|
|
|
8
|
78
|
1,892095
|
1,895239
|
|
|
|
|
9
|
78
|
1,892095
|
1,895239
|
|
|
|
|
10
|
79
|
1,897627
|
1,895239
|
|
|
|
|
11
|
79
|
1,897627
|
1,895239
|
|
|
|
|
12
|
78
|
1,892095
|
1,895239
|
|
|
|
|
13
|
79
|
1,897627
|
1,895239
|
|
|
|
|
14
|
78
|
1,892095
|
1,895239
|
|
|
|
|
15
|
78.5
|
1,89487
|
1,895239
|
|
|
|
|
16
|
79
|
1,897627
|
1,895239
|
|
|
|
|
17
|
79
|
1,897627
|
1,895239
|
|
|
|
|
18
|
79
|
1,897627
|
1,895239
|
|
|
|
|
19
|
79
|
1,897627
|
1,895239
|
|
|
|
|
20
|
78.5
|
1,89487
|
1,895239
|
|
|
|
|
21
|
79
|
1,897627
|
1,895239
|
|
|
|
|
22
|
78.5
|
1,89487
|
1,895239
|
|
|
|
|
23
|
78.5
|
1,89487
|
1,895239
|
|
|
|
|
24
|
79
|
1,897627
|
1,895239
|
|
|
|
|
25
|
80
|
1,90309
|
1,895239
|
|
|
|
|
26
|
79
|
1,897627
|
1,895239
|
|
|
|
|
27
|
78
|
1,892095
|
1,895239
|
|
|
|
|
28
|
79
|
1,897627
|
1,895239
|
|
|
|
|
29
|
78
|
1,892095
|
1,895239
|
|
|
|
Лінія 5
|
№
|
Значенння твердості Hi
|
lg Hi
|
|
Slg(H)
|
d(n)
|
m
|
|
1
|
78
|
1,892095
|
1,895322
|
0,002737
|
1.1124
|
176,537263
|
|
2
|
78.5
|
1,89487
|
1,895601
|
0,002737
|
|
|
|
3
|
78
|
1,892095
|
1,895601
|
0,002737
|
|
|
|
4
|
78
|
1,892095
|
1,895601
|
0,002737
|
|
|
|
5
|
78
|
1,892095
|
1,895601
|
0,002737
|
|
|
|
6
|
79
|
1,897627
|
1,895601
|
0,002737
|
|
|
|
7
|
78
|
1,892095
|
1,895601
|
0,002737
|
|
|
|
8
|
78.5
|
1,89487
|
1,895601
|
0,002737
|
|
|
|
9
|
79
|
1,897627
|
1,895601
|
0,002737
|
|
|
|
10
|
79
|
1,897627
|
1,895601
|
0,002737
|
|
|
|
11
|
78.5
|
1,89487
|
1,895601
|
0,002737
|
|
|
|
12
|
79
|
1,897627
|
1,895601
|
0,002737
|
|
|
|
13
|
79
|
1,897627
|
1,895601
|
0,002737
|
|
|
|
14
|
78.5
|
1,89487
|
1,895601
|
0,002737
|
|
|
|
15
|
79
|
1,897627
|
1,895601
|
0,002737
|
|
|
|
16
|
79
|
1,897627
|
1,895601
|
0,002737
|
|
|
|
17
|
79
|
1,897627
|
1,895601
|
0,002737
|
|
|
|
18
|
78.5
|
1,89487
|
1,895601
|
0,002737
|
|
|
|
19
|
78.5
|
1,89487
|
1,895601
|
0,002737
|
|
|
|
20
|
78
|
1,892095
|
1,895601
|
0,002737
|
|
|
|
21
|
79
|
1,897627
|
1,895601
|
0,002737
|
|
|
|
22
|
79
|
1,897627
|
1,895601
|
0,002737
|
|
|
|
23
|
78.5
|
1,89487
|
1,895601
|
0,002737
|
|
|
|
24
|
79
|
1,897627
|
1,895601
|
0,002737
|
|
|
|
25
|
79
|
1,897627
|
1,895601
|
0,002737
|
|
|
|
26
|
79
|
1,897627
|
1,895601
|
0,002737
|
|
|
|
27
|
79
|
1,897627
|
1,895601
|
0,002737
|
|
|
|
28
|
78.5
|
1,89487
|
1,895601
|
0,002737
|
|
|
|
29
|
78.5
|
1,89487
|
1,895601
|
0,002737
|
|
|
|
30
|
77
|
1,886491
|
1,895601
|
0,002737
|
|
|
Лінія 6
|
№
|
Значенння твердості Hi
|
lg Hi
|
|
Slg(H)
|
d(n)
|
m
|
|
1
|
77.5
|
1,889301
|
1,891986
|
0,002889
|
1.1047
|
166,0552
|
|
2
|
77
|
1,886491
|
1,891986
|
0,002889
|
|
|
|
3
|
77
|
1,886491
|
1,891986
|
0,002889
|
|
|
|
4
|
77
|
1,886491
|
1,891986
|
0,002889
|
|
|
|
5
|
78
|
1,892095
|
1,891986
|
0,002889
|
|
|
|
6
|
78
|
1,892095
|
1,891986
|
0,002889
|
|
|
|
7
|
77
|
1,886491
|
1,891986
|
0,002889
|
|
|
|
8
|
77.5
|
1,889301
|
1,891986
|
0,002889
|
|
|
|
9
|
78
|
1,892095
|
1,891986
|
0,002889
|
|
|
|
10
|
78
|
1,892095
|
1,891986
|
0,002889
|
|
|
|
11
|
78
|
1,892095
|
1,891986
|
0,002889
|
|
|
|
12
|
78
|
1,892095
|
1,891986
|
0,002889
|
|
|
|
13
|
78.5
|
1,894869
|
1,891986
|
0,002889
|
|
|
|
14
|
78.5
|
1,891986
|
0,002889
|
|
|
|
15
|
78.5
|
1,894869
|
1,891986
|
0,002889
|
|
|
|
16
|
78
|
1,892095
|
1,891986
|
0,002889
|
|
|
|
17
|
78.5
|
1,894869
|
1,891986
|
0,002889
|
|
|
|
18
|
78
|
1,892095
|
1,891986
|
0,002889
|
|
|
|
19
|
78.5
|
1,894869
|
1,891986
|
0,002889
|
|
|
|
20
|
78.5
|
1,894869
|
1,891986
|
0,002889
|
|
|
|
21
|
78
|
1,892095
|
1,891986
|
0,002889
|
|
|
|
22
|
78.5
|
1,894869
|
1,891986
|
0,002889
|
|
|
|
23
|
78
|
1,892095
|
1,891986
|
0,002889
|
|
|
|
24
|
79
|
1,897627
|
1,891986
|
0,002889
|
|
|
|
25
|
78
|
1,892095
|
1,891986
|
0,002889
|
|
|
|
26
|
78
|
1,892095
|
1,891986
|
0,002889
|
|
|
|
27
|
78
|
1,892095
|
1,891986
|
0,002889
|
|
|
|
28
|
78
|
1,892095
|
1,891986
|
0,002889
|
|
|
Риc.3.13 - Значення коефіцієнта
розсіювання твердості (m) на різній віддалі (L) від поверхні розтягу в костилі
№1, який не був в експлуатації.
Аналіз результатів показав менше
значення коефіцієнта Вейбулла (m) на першій лінії пов’язане із тим, що в
процесі виготовлення костиля відбувається утворення технологічної розсіяної
пошкодженості. На віддалі 2 ·10-3м за рахунок того, що при гарячому об’ємному
штампуванні є вищий рівень пластичної деформації пошкодженість є вищою ніж від
інших віддалях. По мірі віддалення від зони з вищим рівнем пластичного
деформування коефіцієнт Вейбулла (m) зростає, що вказує на присутність меншої
кількості розсіяних пошкоджень. Різниця між коефіцієнтом Вейбулла (m) на
відстані 8 і 10 ×10-3м
обумовлена зростання кількості пошкоджень біля поверхні за рахунок наближення
до зони контактної взаємодії з інструментом і зневуглецювання поверхні.
.5.2 Розсіювання характеристик
твердості костилів після експлуатації на дільницях колії малого радіусу
Результати вимірювань твердості і
визначення коефіцієнту розсіювання Вейбулла (m) костиля кородованого після
експлуатації з тріщиною показанні в табл.3.4.
Таблиця 3.4
Значенння твердості (Hi ), середнє
значення логарифма твердості
та коефіцієнт
гомогенності Вейбулла (m) дослідженого зразка №2.
Лінія 1
|
№
|
Значенння твердості Hi
|
lg Hi
|
|
Slg(H)
|
d(n)
|
m
|
|
1
|
75,5
|
1,877947
|
1,891495
|
0,012949
|
1.0628
|
35,645225
|
|
2
|
76
|
1,880814
|
1,891495
|
|
|
|
|
3
|
76,5
|
1,883661
|
1,891495
|
|
|
|
|
4
|
77,5
|
1,889302
|
1,891495
|
|
|
|
|
5
|
78
|
1,892095
|
1,891495
|
|
|
|
|
6
|
80
|
1,90309
|
1,891495
|
|
|
|
|
7
|
81
|
1,908485
|
1,891495
|
|
|
|
|
8
|
80
|
1,90309
|
1,891495
|
|
|
|
|
9
|
80
|
1,90309
|
1,891495
|
|
|
|
|
10
|
80
|
1,90309
|
1,891495
|
|
|
|
|
11
|
81
|
1,908485
|
1,891495
|
|
|
|
|
12
|
79
|
1,897627
|
1,891495
|
|
|
|
|
13
|
77
|
1,886491
|
1,891495
|
|
|
|
|
14
|
76,5
|
1,883661
|
1,891495
|
|
|
|
|
15
|
76
|
1,880814
|
1,891495
|
|
|
|
|
16
|
77
|
1,886491
|
1,891495
|
|
|
|
|
17
|
78,5
|
1,89487
|
1,891495
|
|
|
|
|
18
|
79
|
1,897627
|
1,891495
|
|
|
|
|
19
|
78,5
|
1,89487
|
1,891495
|
|
|
|
|
20
|
71,5
|
1,854306
|
1,891495
|
|
|
|
Лінія 2
|
№
|
Значенння твердості Hi
|
lg Hi
|
|
Slg(H)
|
d(n)
|
m
|
|
1
|
76,5
|
1,883661
|
1,891739
|
0,008377
|
1.0628
|
55,10125
|
|
2
|
78
|
1,892095
|
1,891739
|
0,008377
|
|
|
|
3
|
77
|
1,886491
|
1,891739
|
0,008377
|
|
|
|
4
|
78
|
1,892095
|
1,891739
|
0,008377
|
|
|
|
5
|
78,5
|
1,89487
|
1,891739
|
0,008377
|
|
|
|
6
|
79,5
|
1,900367
|
1,891739
|
0,008377
|
|
|
|
7
|
80
|
1,90309
|
1,891739
|
0,008377
|
|
|
|
8
|
80
|
1,90309
|
1,891739
|
0,008377
|
|
|
|
9
|
80
|
1,90309
|
1,891739
|
0,008377
|
|
|
|
10
|
80
|
1,90309
|
1,891739
|
0,008377
|
|
|
|
11
|
79,5
|
1,900367
|
1,891739
|
0,008377
|
|
|
|
12
|
78,5
|
1,89487
|
1,891739
|
0,008377
|
|
|
|
13
|
77,5
|
1,889302
|
1,891739
|
0,008377
|
|
|
|
14
|
76,5
|
1,883661
|
1,891739
|
0,008377
|
|
|
|
15
|
75,5
|
1,877947
|
1,891739
|
0,008377
|
|
|
|
16
|
75,5
|
1,877947
|
1,891739
|
0,008377
|
|
|
|
17
|
76,5
|
1,883661
|
1,891739
|
0,008377
|
|
|
|
18
|
77,5
|
1,889302
|
1,891739
|
0,008377
|
|
|
|
19
|
77
|
1,886491
|
1,891739
|
0,008377
|
|
|
|
20
|
77,5
|
1,889302
|
1,891739
|
0,008377
|
|
|
Лінія 3
|
№
|
Значенння твердості Hi
|
lg Hi
|
|
Slg(H)
|
d(n)
|
m
|
|
1
|
75
|
1,875061
|
1,890422
|
0,008459
|
1.0696
|
54,915260
|
|
2
|
76,5
|
1,883661
|
1,890422
|
0,008459
|
|
|
|
3
|
76,5
|
1,883661
|
1,890422
|
0,008459
|
|
|
|
4
|
77
|
1,886491
|
1,890422
|
0,008459
|
|
|
|
5
|
77,5
|
1,889302
|
1,890422
|
0,008459
|
|
|
|
6
|
78
|
1,892095
|
1,890422
|
0,008459
|
|
|
|
7
|
79,5
|
1,900367
|
1,890422
|
0,008459
|
|
|
|
8
|
79,5
|
1,900367
|
1,890422
|
0,008459
|
|
|
|
9
|
80
|
1,90309
|
1,890422
|
0,008459
|
|
|
|
10
|
81
|
1,908485
|
1,890422
|
0,008459
|
|
|
|
11
|
80
|
1,90309
|
1,890422
|
0,008459
|
|
|
|
12
|
78,5
|
1,89487
|
1,890422
|
0,008459
|
77
|
1,886491
|
1,890422
|
0,008459
|
|
|
|
14
|
77
|
1,886491
|
1,890422
|
0,008459
|
|
|
|
15
|
77
|
1,886491
|
1,890422
|
0,008459
|
|
|
|
16
|
76,5
|
1,883661
|
1,890422
|
0,008459
|
|
|
|
17
|
76
|
1,880814
|
1,890422
|
0,008459
|
|
|
|
18
|
77
|
1,886491
|
1,890422
|
0,008459
|
|
|
|
19
|
77
|
1,886491
|
1,890422
|
0,008459
|
|
|
|
20
|
78
|
1,892095
|
1,890422
|
0,008459
|
|
|
|
21
|
77,5
|
1,889302
|
1,890422
|
0,008459
|
|
|
Лінія 4
|
№
|
Значенння твердості Hi
|
lg Hi
|
|
Slg(H)
|
d(n)
|
m
|
|
1
|
75
|
1,875061
|
1,892433
|
0,009625
|
1.0565
|
47,66890
|
|
2
|
77
|
1,886491
|
1,892433
|
0,009625
|
|
|
|
3
|
77
|
1,886491
|
1,892433
|
0,009625
|
|
|
|
4
|
78
|
1,892095
|
1,892433
|
0,009625
|
|
|
|
5
|
77,5
|
1,889302
|
1,892433
|
0,009625
|
|
|
|
6
|
78,5
|
1,89487
|
1,892433
|
0,009625
|
|
|
|
7
|
79,5
|
1,900367
|
1,892433
|
0,009625
|
|
|
|
8
|
80,5
|
1,905796
|
1,892433
|
0,009625
|
|
|
|
9
|
81
|
1,908485
|
1,892433
|
0,009625
|
|
|
|
10
|
81
|
1,908485
|
1,892433
|
0,009625
|
|
|
|
11
|
80
|
1,90309
|
1,892433
|
0,009625
|
|
|
|
12
|
79
|
1,897627
|
1,892433
|
0,009625
|
|
|
|
13
|
77
|
1,886491
|
1,892433
|
0,009625
|
|
|
|
14
|
77
|
1,886491
|
1,892433
|
0,009625
|
|
|
|
15
|
76
|
1,880814
|
1,892433
|
0,009625
|
|
|
|
16
|
76
|
1,880814
|
1,892433
|
0,009625
|
|
|
|
17
|
77
|
1,886491
|
1,892433
|
0,009625
|
|
|
|
18
|
78
|
1,892095
|
1,892433
|
0,009625
|
|
|
|
19
|
78,5
|
1,89487
|
1,892433
|
0,009625
|
|
|
Рис. 3.14 - Значення коефіцієнта
розсіювання твердості (m) на різній віддалі (L) від поверхні розтягу в костилі
№2, який був в експлуатації в дільниці колії малого радіусу.
Дослідження костиля який не був в
експлуатації зразок №1 показали, що значення коефіцієнта розсіювання твердості
костиля №2 зменшується у порівнянні із новим костилем майже в два рази, причому
характер розподілу коефіцієнта Вейбулла (m) по товщинні деталі також є
неоднорідним. Найбільша пошкодженність спостерігається в зоні розтягу (m=35) в
центральних зонах зразка значення (m) є дещо вищим. В зоні стиску значення (m)
вище ніж в зоні розтягу, що вказує на менші її пошкодження.
3.5.4 Розсіювання характеристик
твердості костиля з тріщиною
Результати вимірювань твердості і
визначення коефіцієнту розсіювання Вейбулла (m) костиля з тріщиною з дільниці
колії малого радіусу показанні в (табл.3.5).
Таблиця 3.5
Значенння твердості (Hi ), середнє
значення логарифма твердості
та
коефіцієнт гомогенності Вейбулла (m) дослідженого зразка №3.
Лінія 1
|
№
|
Значенння твердості Hi
|
lg Hi
|
|
Slg(H)
|
d(n)
|
m
|
|
1
|
84
|
1,924279
|
1,937181
|
0,004359
|
1.1004
|
109,63847
|
|
2
|
85
|
1,929419
|
1,937181
|
|
|
|
|
3
|
86
|
1,934498
|
1,937181
|
|
|
|
|
4
|
86
|
1,934498
|
1,937181
|
|
|
|
|
5
|
86
|
1,934498
|
1,937181
|
|
|
|
|
6
|
86
|
1,934498
|
1,937181
|
|
|
|
|
7
|
86
|
1,934498
|
1,937181
|
|
|
|
|
8
|
87
|
1,939519
|
1,937181
|
|
|
|
|
9
|
86,5
|
1,937016
|
1,937181
|
|
|
|
|
10
|
86
|
1,934498
|
1,937181
|
|
|
|
|
11
|
86,5
|
1,937016
|
1,937181
|
|
|
|
|
12
|
87
|
1,939519
|
1,937181
|
|
|
|
|
13
|
87
|
1,939519
|
1,937181
|
|
|
|
|
14
|
86
|
1,934498
|
1,937181
|
|
|
|
|
15
|
86
|
1,934498
|
1,937181
|
|
|
|
|
16
|
86,5
|
1,937016
|
1,937181
|
|
|
|
|
17
|
87
|
1,939519
|
1,937181
|
|
|
|
|
18
|
87
|
1,939519
|
1,937181
|
|
|
|
|
19
|
87,5
|
1,942008
|
1,937181
|
|
|
|
|
20
|
88
|
1,944483
|
1,937181
|
|
|
|
|
21
|
87,5
|
1,942008
|
1,937181
|
|
|
|
|
22
|
87
|
1,939519
|
1,937181
|
|
|
|
|
23
|
87
|
1,939519
|
1,937181
|
|
|
|
|
24
|
88
|
1,944483
|
1,937181
|
|
|
|
|
25
|
87
|
1,939519
|
1,937181
|
|
|
|
|
26
|
87
|
1,939519
|
1,937181
|
|
|
|
|
27
|
86
|
1,934498
|
1,937181
|
|
|
|
Лінія 2
|
№
|
Значенння твердості Hi
|
lg Hi
|
|
Slg(H)
|
d(n)
|
m
|
|
1
|
85,5
|
1,931966
|
1,938171
|
0,002857
|
1.1047
|
167,933893
|
|
2
|
85,5
|
1,931966
|
1,938171
|
0,002857
|
|
|
|
3
|
87
|
1,939519
|
1,938171
|
0,002857
|
|
|
|
4
|
86
|
1,934498
|
1,938171
|
0,002857
|
|
|
|
5
|
86,5
|
1,937016
|
1,938171
|
0,002857
|
|
|
|
6
|
86,5
|
1,937016
|
1,938171
|
0,002857
|
|
|
|
7
|
86,5
|
1,937016
|
1,938171
|
0,002857
|
|
|
|
8
|
87
|
1,939519
|
1,938171
|
0,002857
|
|
|
|
9
|
87
|
1,939519
|
1,938171
|
0,002857
|
|
|
|
10
|
86,5
|
1,937016
|
1,938171
|
0,002857
|
|
|
|
11
|
87
|
1,939519
|
1,938171
|
0,002857
|
|
|
|
12
|
86,5
|
1,937016
|
1,938171
|
0,002857
|
|
|
|
13
|
87
|
1,939519
|
1,938171
|
0,002857
|
86,5
|
1,937016
|
1,938171
|
0,002857
|
|
|
|
15
|
86,5
|
1,937016
|
1,938171
|
0,002857
|
|
|
|
16
|
85,5
|
1,931966
|
1,938171
|
0,002857
|
|
|
|
17
|
87
|
1,939519
|
1,938171
|
0,002857
|
|
|
|
18
|
87,5
|
1,942008
|
1,938171
|
0,002857
|
|
|
|
19
|
87,5
|
1,942008
|
1,938171
|
0,002857
|
|
|
|
20
|
87,5
|
1,942008
|
1,938171
|
0,002857
|
|
|
|
21
|
87
|
1,939519
|
1,938171
|
0,002857
|
|
|
|
22
|
87
|
1,939519
|
1,938171
|
0,002857
|
|
|
|
23
|
87
|
1,939519
|
1,938171
|
0,002857
|
|
|
|
24
|
86,5
|
1,937016
|
1,938171
|
0,002857
|
|
|
|
25
|
87
|
1,939519
|
1,938171
|
0,002857
|
|
|
|
26
|
87,5
|
1,942008
|
1,938171
|
0,002857
|
|
|
|
27
|
87
|
1,939519
|
1,938171
|
0,002857
|
|
|
|
28
|
87
|
1,939519
|
1,938171
|
0,002857
|
|
|
Лінія 3
|
№
|
Значенння твердості Hi
|
lg Hi
|
|
Slg(H)
|
d(n)
|
m
|
|
1
|
86
|
1,934498
|
1,937897
|
0,00286
|
1.11585
|
169,41356
|
|
2
|
86
|
1,934498
|
1,937897
|
0,00286
|
|
|
|
3
|
86
|
1,934498
|
1,937897
|
0,00286
|
|
|
|
4
|
86
|
1,934498
|
1,937897
|
0,00286
|
|
|
|
5
|
86
|
1,934498
|
1,937897
|
0,00286
|
|
|
|
6
|
86
|
1,934498
|
1,937897
|
0,00286
|
|
|
|
7
|
87
|
1,939519
|
1,937897
|
0,00286
|
|
|
|
8
|
86,5
|
1,937016
|
1,937897
|
0,00286
|
|
|
|
9
|
87
|
1,939519
|
1,937897
|
0,00286
|
|
|
|
10
|
87
|
1,939519
|
1,937897
|
0,00286
|
|
|
|
11
|
87
|
1,939519
|
1,937897
|
0,00286
|
|
|
|
12
|
87
|
1,939519
|
1,937897
|
0,00286
|
|
|
|
13
|
86,5
|
1,937016
|
1,937897
|
0,00286
|
|
|
|
14
|
86,5
|
1,937016
|
1,937897
|
0,00286
|
|
|
|
15
|
86
|
1,934498
|
1,937897
|
0,00286
|
|
|
|
16
|
86
|
1,934498
|
1,937897
|
0,00286
|
|
|
|
17
|
85,5
|
1,931966
|
1,937897
|
0,00286
|
|
|
|
18
|
86,5
|
1,937016
|
1,937897
|
0,00286
|
|
|
|
19
|
87
|
1,939519
|
1,937897
|
0,00286
|
|
|
|
20
|
87,5
|
1,942008
|
1,937897
|
0,00286
|
|
|
|
21
|
87
|
1,939519
|
1,937897
|
0,00286
|
|
|
|
22
|
87
|
1,939519
|
1,937897
|
0,00286
|
|
|
|
23
|
88
|
1,944483
|
1,937897
|
0,00286
|
|
|
|
24
|
87
|
1,939519
|
1,937897
|
0,00286
|
|
|
|
25
|
87
|
1,939519
|
1,937897
|
0,00286
|
|
|
|
26
|
86,5
|
1,937016
|
1,937897
|
0,00286
|
|
|
|
27
|
87
|
1,939519
|
1,937897
|
0,00286
|
|
|
|
28
|
87
|
1,939519
|
1,937897
|
0,00286
|
|
|
|
29
|
87
|
1,939519
|
1,937897
|
0,00286
|
|
|
|
30
|
87,5
|
1,942008
|
1,937897
|
0,00286
|
|
|
|
31
|
87
|
1,939519
|
1,937897
|
0,00286
|
|
|
Лінія 4
|
№
|
Значенння твердості Hi
|
lg Hi
|
|
Slg(H)
|
d(n)
|
m
|
|
1
|
86,5
|
1,937016
|
1,940306
|
0,003194
|
1.0915
|
148,411465
|
|
2
|
87
|
1,939519
|
1,940306
|
0,003194
|
|
|
|
3
|
86,5
|
1,937016
|
1,940306
|
0,003194
|
|
|
|
4
|
86,5
|
1,937016
|
1,940306
|
0,003194
|
|
|
|
5
|
87
|
1,939519
|
1,940306
|
0,003194
|
|
|
|
6
|
88
|
1,944483
|
1,940306
|
0,003194
|
|
|
|
7
|
86,5
|
1,937016
|
1,940306
|
0,003194
|
|
|
|
8
|
87
|
1,939519
|
1,940306
|
0,003194
|
|
|
|
9
|
87
|
1,939519
|
1,940306
|
0,003194
|
|
|
|
10
|
87
|
1,939519
|
1,940306
|
0,003194
|
|
|
|
11
|
88
|
1,944483
|
1,940306
|
0,003194
|
|
|
|
12
|
87
|
1,939519
|
1,940306
|
0,003194
|
|
|
|
13
|
87,5
|
1,942008
|
1,940306
|
0,003194
|
|
|
|
14
|
87
|
1,939519
|
1,940306
|
0,003194
|
|
|
|
15
|
86
|
1,934498
|
1,940306
|
0,003194
|
|
|
|
16
|
86
|
1,934498
|
1,940306
|
0,003194
|
|
|
|
17
|
87
|
1,939519
|
1,940306
|
0,003194
|
|
|
|
18
|
88
|
1,944483
|
1,940306
|
0,003194
|
|
|
|
19
|
87,5
|
1,942008
|
1,940306
|
0,003194
|
|
|
|
20
|
88
|
1,944483
|
1,940306
|
0,003194
|
|
|
|
21
|
1,944483
|
1,940306
|
0,003194
|
|
|
|
22
|
88
|
1,944483
|
1,940306
|
0,003194
|
|
|
|
23
|
88
|
1,944483
|
1,940306
|
0,003194
|
|
|
|
24
|
87
|
1,939519
|
1,940306
|
0,003194
|
|
|
|
25
|
87
|
1,939519
|
1,940306
|
0,003194
|
|
|
Рис. 3.15 - Значення коефіцієнта
розсіювання твердості (m) на різній віддалі (L) від поверхні розтягу в костилі
№3, який був в експлуатації в дільниці колії малого радіусу.
.5.4 Розсіювання характеристик
твердості костилів після експлуатації на прямій дільниці колії
Результати вимірювань твердості і
визначення коефіцієнту розсіювання Вейбулла (m) костилів №4, №5, №6 після
експлуатації на прямій дільниці колії показанні в табл.3.6, табл..3.7,
табл..3.8.
Таблиця 3.6
Значення твердості (Hi ), середнє
значення логарифма твердості
та коефіцієнт
гомогенності Вейбулла (m) дослідженого зразка №4.
Лінія 2
|
№
|
Значенння твердості Hi
|
lg Hi
|
|
Slg(H)
|
d(n)
|
m
|
|
1
|
82
|
1,913814
|
1,902599
|
0,01228
|
1.0915
|
38,602616
|
|
2
|
81
|
1,908485
|
1,902599
|
|
|
|
|
3
|
83
|
1,919078
|
1,902599
|
|
|
|
|
4
|
83
|
1,919078
|
1,902599
|
|
|
|
|
5
|
83
|
1,919078
|
1,902599
|
|
|
|
|
6
|
82
|
1,913814
|
1,902599
|
|
|
|
|
7
|
82,5
|
1,916454
|
1,902599
|
|
|
|
|
8
|
81
|
1,908485
|
1,902599
|
|
|
|
|
9
|
80
|
1,90309
|
1,902599
|
|
|
|
|
10
|
80
|
1,90309
|
1,902599
|
|
|
|
|
11
|
80
|
1,90309
|
1,902599
|
|
|
|
|
12
|
80
|
1,90309
|
1,902599
|
|
|
|
|
13
|
79,5
|
1,900367
|
1,902599
|
|
|
|
|
14
|
80
|
1,90309
|
1,902599
|
|
|
|
|
15
|
80
|
1,90309
|
1,902599
|
|
|
|
|
16
|
80
|
1,90309
|
1,902599
|
|
|
|
|
17
|
80
|
1,90309
|
1,902599
|
|
|
|
|
18
|
80
|
1,90309
|
1,902599
|
|
|
|
|
19
|
78
|
1,892095
|
1,902599
|
|
|
|
|
20
|
80
|
1,90309
|
1,902599
|
|
|
|
|
21
|
79
|
1,897627
|
1,902599
|
|
|
|
|
22
|
79
|
1,897627
|
1,902599
|
|
|
|
|
23
|
75
|
1,875061
|
1,902599
|
|
|
|
|
24
|
75,5
|
1,877947
|
1,902599
|
|
|
|
|
25
|
75
|
1,875061
|
1,902599
|
|
|
|
Лінія 3
|
№
|
Значенння твердості Hi
|
lg Hi
|
|
Slg(H)
|
d(n)
|
m
|
|
1
|
82
|
1,913814
|
1,910232
|
0,005712
|
1.1004
|
83,668238
|
|
2
|
83
|
1,919078
|
1,910232
|
0,005712
|
|
|
|
3
|
83
|
1,919078
|
1,910232
|
0,005712
|
|
|
|
4
|
84
|
1,924279
|
1,910232
|
0,005712
|
|
|
|
5
|
83
|
1,919078
|
1,910232
|
0,005712
|
|
|
|
6
|
83
|
1,919078
|
1,910232
|
0,005712
|
|
|
|
7
|
82
|
1,913814
|
1,910232
|
0,005712
|
|
|
|
8
|
81,5
|
1,911158
|
1,910232
|
0,005712
|
|
|
|
9
|
81
|
1,908485
|
1,910232
|
0,005712
|
|
|
|
10
|
81
|
1,908485
|
1,910232
|
0,005712
|
|
|
|
11
|
81
|
1,908485
|
1,910232
|
0,005712
|
|
|
|
12
|
81
|
1,908485
|
1,910232
|
0,005712
|
|
|
|
13
|
80,5
|
1,905796
|
1,910232
|
0,005712
|
|
|
|
14
|
81
|
1,908485
|
1,910232
|
0,005712
|
|
|
|
15
|
81,5
|
1,911158
|
1,910232
|
0,005712
|
|
|
|
16
|
81
|
1,908485
|
1,910232
|
0,005712
|
|
|
|
17
|
80,5
|
1,905796
|
1,910232
|
0,005712
|
|
|
|
18
|
81
|
1,908485
|
1,910232
|
0,005712
|
|
|
|
19
|
80,5
|
1,905796
|
1,910232
|
0,005712
|
|
|
|
20
|
80,5
|
1,905796
|
1,910232
|
0,005712
|
|
|
|
21
|
81
|
1,908485
|
1,910232
|
0,005712
|
|
|
|
22
|
81
|
1,908485
|
1,910232
|
0,005712
|
|
|
|
23
|
81
|
1,908485
|
1,910232
|
0,005712
|
|
|
|
24
|
80,5
|
1,905796
|
1,910232
|
0,005712
|
|
|
|
25
|
81
|
1,908485
|
1,910232
|
0,005712
|
|
|
|
26
|
80,5
|
1,905796
|
1,910232
|
0,005712
|
|
|
|
27
|
79
|
1,897627
|
1,910232
|
0,005712
|
|
|
Лінія 4
|
№
|
Значенння твердості Hi
|
lg Hi
|
|
Slg(H)
|
d(n)
|
m
|
|
1
|
82
|
1,913814
|
1,910777
|
0,004736
|
1.1124
|
102,004988
|
|
2
|
83
|
1,919078
|
1,910777
|
0,004736
|
|
|
|
3
|
83
|
1,919078
|
1,910777
|
0,004736
|
|
|
|
4
|
83
|
1,919078
|
1,910777
|
0,004736
|
|
|
|
5
|
83
|
1,919078
|
1,910777
|
0,004736
|
|
|
|
6
|
82,5
|
1,916454
|
1,910777
|
0,004736
|
|
|
|
7
|
82
|
1,913814
|
1,910777
|
0,004736
|
|
|
|
8
|
81,5
|
1,911158
|
1,910777
|
0,004736
|
|
|
|
9
|
82
|
1,913814
|
1,910777
|
0,004736
|
|
|
|
10
|
81
|
1,908485
|
1,910777
|
0,004736
|
|
|
|
11
|
81
|
1,908485
|
1,910777
|
0,004736
|
81
|
1,908485
|
1,910777
|
0,004736
|
|
|
|
13
|
81
|
1,908485
|
1,910777
|
0,004736
|
|
|
|
14
|
81
|
1,908485
|
1,910777
|
0,004736
|
|
|
|
15
|
81
|
1,908485
|
1,910777
|
0,004736
|
|
|
|
16
|
80,5
|
1,905796
|
1,910777
|
0,004736
|
|
|
|
17
|
81
|
1,908485
|
1,910777
|
0,004736
|
|
|
|
18
|
81,5
|
1,911158
|
1,910777
|
0,004736
|
|
|
|
19
|
80,5
|
1,905796
|
1,910777
|
0,004736
|
|
|
|
20
|
81
|
1,908485
|
1,910777
|
0,004736
|
|
|
|
21
|
81
|
1,908485
|
1,910777
|
0,004736
|
|
|
|
22
|
81
|
1,908485
|
1,910777
|
0,004736
|
|
|
|
23
|
81
|
1,908485
|
1,910777
|
0,004736
|
|
|
|
24
|
82
|
1,913814
|
1,910777
|
0,004736
|
|
|
|
25
|
81
|
1,908485
|
1,910777
|
0,004736
|
|
|
|
26
|
79
|
1,897627
|
1,910777
|
0,004736
|
|
|
|
27
|
82
|
1,913814
|
1,910777
|
0,004736
|
|
|
|
28
|
81
|
1,908485
|
1,910777
|
0,004736
|
|
|
|
29
|
81
|
1,908485
|
1,910777
|
0,004736
|
|
|
|
30
|
81,5
|
1,911158
|
1,910777
|
0,004736
|
|
|
Лінія 5
|
№
|
Значенння твердості Hi
|
lg Hi
|
|
Slg(H)
|
d(n)
|
m
|
|
1
|
83
|
1,919078
|
1,910567
|
0,004736
|
1.1224
|
102,920638
|
|
2
|
83
|
1,919078
|
1,910567
|
0,004736
|
|
|
|
3
|
83
|
1,919078
|
1,910567
|
0,004736
|
|
|
|
4
|
83
|
1,919078
|
1,910567
|
0,004736
|
|
|
|
5
|
83
|
1,919078
|
1,910567
|
0,004736
|
|
|
|
6
|
82.5
|
1,916454
|
1,910567
|
0,004736
|
|
|
|
7
|
82
|
1,913814
|
1,910567
|
0,004736
|
|
|
|
8
|
82
|
1,913814
|
1,910567
|
0,004736
|
|
|
|
9
|
82.5
|
1,916454
|
1,910567
|
0,004736
|
|
|
|
10
|
81
|
1,908485
|
1,910567
|
0,004736
|
|
|
|
11
|
81.5
|
1,911158
|
1,910567
|
0,004736
|
|
|
|
12
|
81
|
1,908485
|
1,910567
|
0,004736
|
|
|
|
13
|
81.5
|
1,911158
|
1,910567
|
0,004736
|
|
|
|
14
|
81
|
1,908485
|
1,910567
|
0,004736
|
|
|
|
15
|
81
|
1,908485
|
1,910567
|
0,004736
|
|
|
|
16
|
81
|
1,908485
|
1,910567
|
0,004736
|
|
|
|
17
|
81.5
|
1,911158
|
1,910567
|
0,004736
|
|
|
|
18
|
81
|
1,908485
|
1,910567
|
0,004736
|
|
|
|
19
|
81
|
1,908485
|
1,910567
|
0,004736
|
|
|
|
20
|
81
|
1,908485
|
1,910567
|
0,004736
|
|
|
|
21
|
80
|
1,90309
|
1,910567
|
0,004736
|
|
|
|
22
|
81
|
1,908485
|
1,910567
|
0,004736
|
|
|
|
23
|
81
|
1,908485
|
1,910567
|
0,004736
|
|
|
|
24
|
81
|
1,908485
|
1,910567
|
0,004736
|
|
|
|
25
|
81
|
1,908485
|
1,910567
|
0,004736
|
|
|
|
26
|
80.5
|
1,905796
|
1,910567
|
0,004736
|
|
|
|
27
|
81
|
1,908485
|
1,910567
|
0,004736
|
|
|
|
28
|
80
|
1,90309
|
1,910567
|
0,004736
|
|
|
|
29
|
81
|
1,908485
|
1,910567
|
0,004736
|
|
|
|
30
|
81
|
1,908485
|
1,910567
|
0,004736
|
|
|
|
31
|
80
|
1,90309
|
1,910567
|
0,004736
|
|
|
|
32
|
81
|
1,908485
|
1,910567
|
0,004736
|
|
|
|
33
|
81
|
1,908485
|
1,910567
|
0,004736
|
|
|
Рис. 3.16 - Значення коефіцієнта
розсіювання твердості (m) на різній віддалі (L) від поверхні розтягу в костилі
№4, який був в експлуатації на прямій дільниці.
Таблиця 3.7
Значення твердості (Hi ), середнє
значення логарифма твердості
та коефіцієнт
гомогенності Вейбулла (m) дослідженого зразка №5.
Лінія 1
|
№
|
Значенння твердості Hi
|
lg Hi
|
|
Slg(H)
|
d(n)
|
m
|
|
1
|
78
|
1,892095
|
1,896444
|
0,013168
|
1.0915
|
35,997470
|
|
2
|
80
|
1,90309
|
1,896444
|
|
|
|
|
3
|
82
|
1,913814
|
1,896444
|
|
|
|
|
4
|
82
|
1,913814
|
1,896444
|
|
|
|
|
5
|
82
|
1,913814
|
1,896444
|
|
|
|
|
6
|
82
|
1,913814
|
1,896444
|
|
|
|
|
7
|
82,5
|
1,916454
|
1,896444
|
|
|
|
|
8
|
81,5
|
1,911158
|
1,896444
|
|
|
|
|
9
|
82
|
1,913814
|
1,896444
|
|
|
|
|
10
|
81
|
1,908485
|
1,896444
|
|
|
|
|
11
|
79
|
1,897627
|
1,896444
|
|
|
|
|
12
|
79
|
1,897627
|
1,896444
|
|
|
|
|
13
|
78
|
1,892095
|
1,896444
|
|
|
|
|
14
|
78
|
1,892095
|
1,896444
|
|
|
|
|
15
|
78
|
1,892095
|
1,896444
|
|
|
|
|
16
|
77
|
1,886491
|
1,896444
|
|
|
|
|
17
|
76
|
1,896444
|
|
|
|
|
18
|
76
|
1,880814
|
1,896444
|
|
|
|
|
19
|
78
|
1,892095
|
1,896444
|
|
|
|
|
20
|
77
|
1,886491
|
1,896444
|
|
|
|
|
21
|
77
|
1,886491
|
1,896444
|
|
|
|
|
22
|
76
|
1,880814
|
1,896444
|
|
|
|
|
23
|
77
|
1,886491
|
1,896444
|
|
|
|
|
24
|
76,5
|
1,883661
|
1,896444
|
|
|
|
|
25
|
75
|
1,875061
|
1,896444
|
|
|
|
Лінія 2
|
№
|
Значенння твердості Hi
|
lg Hi
|
|
Slg(H)
|
d(n)
|
m
|
|
1
|
80
|
1,90309
|
1,900555
|
0,009212
|
1.1086
|
52,262564
|
|
2
|
80
|
1,90309
|
1,900555
|
|
|
|
|
3
|
81
|
1,908485
|
1,900555
|
|
|
|
|
4
|
81,5
|
1,911158
|
1,900555
|
|
|
|
|
5
|
82
|
1,913814
|
1,900555
|
|
|
|
|
6
|
82
|
1,913814
|
1,900555
|
|
|
|
|
7
|
82
|
1,913814
|
1,900555
|
|
|
|
|
8
|
82
|
1,913814
|
1,900555
|
|
|
|
|
9
|
81,5
|
1,911158
|
1,900555
|
|
|
|
|
10
|
82
|
1,913814
|
1,900555
|
|
|
|
|
11
|
81
|
1,908485
|
1,900555
|
|
|
|
|
12
|
81
|
1,908485
|
1,900555
|
|
|
|
|
13
|
80
|
1,90309
|
1,900555
|
|
|
|
|
14
|
80
|
1,90309
|
1,900555
|
|
|
|
|
15
|
78,5
|
1,89487
|
1,900555
|
|
|
|
|
16
|
78
|
1,892095
|
1,900555
|
|
|
|
|
17
|
79
|
1,897627
|
1,900555
|
|
|
|
|
18
|
78
|
1,892095
|
1,900555
|
|
|
|
|
19
|
78,5
|
1,89487
|
1,900555
|
|
|
|
|
20
|
78
|
1,892095
|
1,900555
|
|
|
|
|
21
|
78
|
1,892095
|
1,900555
|
|
|
|
|
22
|
77,5
|
1,889302
|
1,900555
|
|
|
|
|
23
|
78,5
|
1,89487
|
1,900555
|
|
|
|
|
24
|
78
|
1,892095
|
1,900555
|
|
|
|
|
25
|
78
|
1,892095
|
1,900555
|
|
|
|
|
26
|
78
|
1,892095
|
1,900555
|
|
|
|
|
27
|
77,5
|
1,889302
|
1,900555
|
|
|
|
|
28
|
78
|
1,892095
|
1,900555
|
|
|
|
|
29
|
77,5
|
1,889302
|
1,900555
|
|
|
|
Лінія 3
|
№
|
Значенння твердості Hi
|
lg Hi
|
|
Slg(H)
|
d(n)
|
m
|
|
1
|
82
|
1,913814
|
1,899487
|
0,008801
|
1.11585
|
55,06519
|
|
2
|
81,5
|
1,911158
|
1,899487
|
0,008801
|
|
|
|
3
|
81
|
1,908485
|
1,899487
|
0,008801
|
|
|
|
4
|
82
|
1,913814
|
1,899487
|
0,008801
|
|
|
|
5
|
82
|
1,913814
|
1,899487
|
0,008801
|
|
|
|
6
|
82
|
1,913814
|
1,899487
|
0,008801
|
|
|
|
7
|
82
|
1,913814
|
1,899487
|
0,008801
|
|
|
|
8
|
81
|
1,908485
|
1,899487
|
0,008801
|
|
|
|
9
|
81
|
1,908485
|
1,899487
|
0,008801
|
|
|
|
10
|
81
|
1,908485
|
1,899487
|
0,008801
|
|
|
|
11
|
80
|
1,90309
|
1,899487
|
0,008801
|
|
|
|
12
|
79
|
1,897627
|
1,899487
|
0,008801
|
|
|
|
13
|
78
|
1,892095
|
1,899487
|
0,008801
|
|
|
|
14
|
78
|
1,892095
|
1,899487
|
0,008801
|
|
|
|
15
|
78,5
|
1,89487
|
1,899487
|
0,008801
|
|
|
|
16
|
78,5
|
1,89487
|
1,899487
|
0,008801
|
|
|
|
17
|
78
|
1,892095
|
1,899487
|
0,008801
|
|
|
|
18
|
78,5
|
1,89487
|
1,899487
|
0,008801
|
|
|
|
19
|
78
|
1,892095
|
1,899487
|
0,008801
|
|
|
|
20
|
78,5
|
1,89487
|
1,899487
|
0,008801
|
|
|
|
21
|
78
|
1,892095
|
1,899487
|
0,008801
|
|
|
|
22
|
78
|
1,892095
|
1,899487
|
0,008801
|
|
|
|
23
|
78,5
|
1,89487
|
1,899487
|
0,008801
|
|
|
|
24
|
78,5
|
1,89487
|
1,899487
|
0,008801
|
|
|
|
25
|
78
|
1,892095
|
1,899487
|
0,008801
|
|
|
|
26
|
78,5
|
1,89487
|
1,899487
|
0,008801
|
|
|
|
27
|
78
|
1,892095
|
1,899487
|
0,008801
|
|
|
|
28
|
78
|
1,892095
|
1,899487
|
0,008801
|
|
|
|
29
|
77,5
|
1,889302
|
1,899487
|
0,008801
|
|
|
|
30
|
78,5
|
1,89487
|
1,899487
|
0,008801
|
|
|
|
31
|
78
|
1,892095
|
1,899487
|
0,008801
|
|
|
Лінія 4
|
№
|
Значенння твердості Hi
|
lg Hi
|
|
Slg(H)
|
d(n)
|
m
|
|
1
|
77
|
1,886491
|
1,899845
|
0,007717
|
1.1124
|
62,600810
|
|
2
|
82
|
1,913814
|
1,899845
|
0,007717
|
|
|
|
3
|
81
|
1,908485
|
1,899845
|
0,007717
|
82
|
1,913814
|
1,899845
|
0,007717
|
|
|
|
5
|
81
|
1,908485
|
1,899845
|
0,007717
|
|
|
|
6
|
81
|
1,908485
|
1,899845
|
0,007717
|
|
|
|
7
|
81,5
|
1,911158
|
1,899845
|
0,007717
|
|
|
|
8
|
81
|
1,908485
|
1,899845
|
0,007717
|
|
|
|
9
|
81
|
1,908485
|
1,899845
|
0,007717
|
|
|
|
10
|
81
|
1,908485
|
1,899845
|
0,007717
|
|
|
|
11
|
80
|
1,90309
|
1,899845
|
0,007717
|
|
|
|
12
|
80
|
1,90309
|
1,899845
|
0,007717
|
|
|
|
13
|
79,5
|
1,900367
|
1,899845
|
0,007717
|
|
|
|
14
|
79
|
1,897627
|
1,899845
|
0,007717
|
|
|
|
15
|
79
|
1,897627
|
1,899845
|
0,007717
|
|
|
|
16
|
78,5
|
1,89487
|
1,899845
|
0,007717
|
|
|
|
17
|
79
|
1,897627
|
1,899845
|
0,007717
|
|
|
|
18
|
79
|
1,897627
|
1,899845
|
0,007717
|
|
|
|
19
|
78
|
1,892095
|
1,899845
|
0,007717
|
|
|
|
20
|
78,5
|
1,89487
|
1,899845
|
0,007717
|
|
|
|
21
|
78,5
|
1,89487
|
1,899845
|
0,007717
|
|
|
|
22
|
78,5
|
1,89487
|
1,899845
|
0,007717
|
|
|
|
23
|
78,5
|
1,89487
|
1,899845
|
0,007717
|
|
|
|
24
|
78
|
1,892095
|
1,899845
|
0,007717
|
|
|
|
25
|
78,5
|
1,89487
|
1,899845
|
0,007717
|
|
|
|
26
|
78,5
|
1,89487
|
1,899845
|
0,007717
|
|
|
|
27
|
78
|
1,892095
|
1,899845
|
0,007717
|
|
|
|
28
|
79
|
1,897627
|
1,899845
|
0,007717
|
|
|
|
29
|
79
|
1,897627
|
1,899845
|
0,007717
|
|
|
|
30
|
77
|
1,886491
|
1,899845
|
0,007717
|
|
|
Лінія 5
|
№
|
Значенння твердості Hi
|
lg Hi
|
|
Slg(H)
|
d(n)
|
m
|
|
1
|
79
|
1,897627
|
1,898007
|
0,006189
|
1.0961
|
76,909665
|
|
2
|
79,5
|
1,900367
|
1,898007
|
0,006189
|
|
|
|
3
|
80
|
1,90309
|
1,898007
|
0,006189
|
|
|
|
4
|
80,5
|
1,905796
|
1,898007
|
0,006189
|
|
|
|
5
|
80,5
|
1,905796
|
1,898007
|
0,006189
|
|
|
|
6
|
80,5
|
1,905796
|
1,898007
|
0,006189
|
|
|
|
7
|
81
|
1,908485
|
1,898007
|
0,006189
|
|
|
|
8
|
81
|
1,908485
|
1,898007
|
0,006189
|
|
|
|
9
|
80,5
|
1,905796
|
1,898007
|
0,006189
|
|
|
|
10
|
80
|
1,90309
|
1,898007
|
0,006189
|
|
|
|
11
|
79
|
1,897627
|
1,898007
|
0,006189
|
|
|
|
12
|
79,5
|
1,900367
|
1,898007
|
0,006189
|
|
|
|
13
|
79
|
1,897627
|
1,898007
|
0,006189
|
|
|
|
14
|
78,5
|
1,89487
|
1,898007
|
0,006189
|
|
|
|
15
|
78,5
|
1,89487
|
1,898007
|
0,006189
|
|
|
|
16
|
78,5
|
1,89487
|
1,898007
|
0,006189
|
|
|
|
17
|
79
|
1,897627
|
1,898007
|
0,006189
|
|
|
|
18
|
78
|
1,892095
|
1,898007
|
0,006189
|
|
|
|
19
|
78,5
|
1,89487
|
1,898007
|
0,006189
|
|
|
|
20
|
78
|
1,892095
|
1,898007
|
0,006189
|
|
|
|
21
|
78,5
|
1,89487
|
1,898007
|
0,006189
|
|
|
|
22
|
78,5
|
1,89487
|
1,898007
|
0,006189
|
|
|
|
23
|
77,5
|
1,889302
|
1,898007
|
0,006189
|
|
|
|
24
|
77,5
|
1,889302
|
1,898007
|
0,006189
|
|
|
|
25
|
77,5
|
1,889302
|
1,898007
|
0,006189
|
|
|
|
26
|
77,5
|
1,889302
|
1,898007
|
0,006189
|
|
|
Рис. 3.17 - Значення коефіцієнта
розсіювання твердості (m) на різній віддалі (L) від поверхні розтягу в костилі
№5, який був в експлуатації на прямій дільниці.
Таблиця 3.8
Значенння твердості (Hi ), середнє
значення логарифма твердості
та коефіцієнт
гомогенності Вейбулла (m) дослідженого зразка №6.
Лінія 2
|
№
|
Значенння твердості Hi
|
lg Hi
|
|
Slg(H)
|
d(n)
|
m
|
|
1
|
79
|
1,897627
|
1,895351
|
0,008113
|
1.0628
|
56,895216
|
|
2
|
80,5
|
1,905796
|
1,895351
|
|
|
|
|
3
|
81
|
1,908485
|
1,895351
|
|
|
|
|
4
|
81
|
1,908485
|
1,895351
|
|
|
|
|
5
|
80,5
|
1,905796
|
1,895351
|
|
|
|
|
6
|
80
|
1,90309
|
1,895351
|
|
|
|
|
7
|
79
|
1,897627
|
1,895351
|
|
|
|
|
8
|
79
|
1,897627
|
1,895351
|
|
|
|
|
9
|
78
|
1,892095
|
1,895351
|
|
|
|
|
10
|
77
|
1,886491
|
1,895351
|
|
|
|
|
11
|
78
|
1,892095
|
1,895351
|
|
|
|
|
12
|
78,5
|
1,89487
|
1,895351
|
|
|
|
|
13
|
78
|
1,892095
|
1,895351
|
|
|
|
|
14
|
78
|
1,892095
|
1,895351
|
|
|
|
|
15
|
78
|
1,892095
|
1,895351
|
|
|
|
|
16
|
1,892095
|
1,895351
|
|
|
|
|
17
|
78
|
1,892095
|
1,895351
|
|
|
|
|
18
|
78
|
1,892095
|
1,895351
|
|
|
|
|
19
|
75
|
1,875061
|
1,895351
|
|
|
|
|
20
|
77,5
|
1,889302
|
1,895351
|
|
|
|
Лінія 3
|
№
|
Значенння твердості Hi
|
lg Hi
|
|
Slg(H)
|
d(n)
|
m
|
|
1
|
81
|
1,908485
|
1,900978
|
0,006288
|
1.0915
|
75,391052
|
|
2
|
81
|
1,908485
|
1,900978
|
0,006288
|
|
|
|
3
|
81
|
1,908485
|
1,900978
|
0,006288
|
|
|
|
4
|
82
|
1,913814
|
1,900978
|
0,006288
|
|
|
|
5
|
81,5
|
1,911158
|
1,900978
|
0,006288
|
|
|
|
6
|
80
|
1,90309
|
1,900978
|
0,006288
|
|
|
|
7
|
79
|
1,897627
|
1,900978
|
0,006288
|
|
|
|
8
|
79
|
1,897627
|
1,900978
|
0,006288
|
|
|
|
9
|
79
|
1,897627
|
1,900978
|
0,006288
|
|
|
|
10
|
79
|
1,897627
|
1,900978
|
0,006288
|
|
|
|
11
|
78
|
1,892095
|
1,900978
|
0,006288
|
|
|
|
12
|
79
|
1,897627
|
1,900978
|
0,006288
|
|
|
|
13
|
78,5
|
1,89487
|
1,900978
|
0,006288
|
|
|
|
14
|
78,5
|
1,89487
|
1,900978
|
0,006288
|
|
|
|
15
|
79
|
1,897627
|
1,900978
|
0,006288
|
|
|
|
16
|
79
|
1,897627
|
1,900978
|
0,006288
|
|
|
|
17
|
78,5
|
1,89487
|
1,900978
|
0,006288
|
|
|
|
18
|
78,5
|
1,89487
|
1,900978
|
0,006288
|
|
|
|
19
|
78,5
|
1,89487
|
1,900978
|
0,006288
|
|
|
|
20
|
79
|
1,897627
|
1,900978
|
0,006288
|
|
|
|
21
|
79
|
1,897627
|
1,900978
|
0,006288
|
|
|
|
22
|
80
|
1,90309
|
1,900978
|
0,006288
|
|
|
|
23
|
81
|
1,908485
|
1,900978
|
0,006288
|
|
|
|
24
|
80,5
|
1,905796
|
1,900978
|
0,006288
|
|
|
|
25
|
81
|
1,908485
|
1,900978
|
0,006288
|
|
|
Лінія 4
|
№
|
Значенння твердості Hi
|
lg Hi
|
|
Slg(H)
|
d(n)
|
|
|
1
|
82
|
1,913814
|
1,909427
|
0,00996
|
1.1047
|
48,168350
|
|
2
|
82
|
1,913814
|
1,909427
|
0,00996
|
|
|
|
3
|
83
|
1,919078
|
1,909427
|
0,00996
|
|
|
|
4
|
83
|
1,919078
|
1,909427
|
0,00996
|
|
|
|
5
|
83
|
1,919078
|
1,909427
|
0,00996
|
|
|
|
6
|
82,5
|
1,916454
|
1,909427
|
0,00996
|
|
|
|
7
|
81
|
1,908485
|
1,909427
|
0,00996
|
|
|
|
8
|
82
|
1,913814
|
1,909427
|
0,00996
|
|
|
|
9
|
81,5
|
1,911158
|
1,909427
|
0,00996
|
|
|
|
10
|
81
|
1,908485
|
1,909427
|
0,00996
|
|
|
|
11
|
79
|
1,897627
|
1,909427
|
0,00996
|
|
|
|
12
|
78,5
|
1,89487
|
1,909427
|
0,00996
|
|
|
|
13
|
79
|
1,897627
|
1,909427
|
0,00996
|
|
|
|
14
|
79
|
1,897627
|
1,909427
|
0,00996
|
|
|
|
15
|
79
|
1,897627
|
1,909427
|
0,00996
|
|
|
|
16
|
79
|
1,897627
|
1,909427
|
0,00996
|
|
|
|
17
|
79
|
1,897627
|
1,909427
|
0,00996
|
|
|
|
18
|
79,5
|
1,900367
|
1,909427
|
0,00996
|
|
|
|
19
|
80
|
1,90309
|
1,909427
|
0,00996
|
|
|
|
20
|
80
|
1,90309
|
1,909427
|
0,00996
|
|
|
|
21
|
80
|
1,90309
|
1,909427
|
0,00996
|
|
|
|
22
|
80,5
|
1,905796
|
1,909427
|
0,00996
|
|
|
|
23
|
82
|
1,913814
|
1,909427
|
0,00996
|
|
|
|
24
|
82
|
1,913814
|
1,909427
|
0,00996
|
|
|
|
25
|
83
|
1,919078
|
1,909427
|
0,00996
|
|
|
|
26
|
83
|
1,919078
|
1,909427
|
0,00996
|
|
|
|
27
|
85
|
1,929419
|
1,909427
|
0,00996
|
|
|
|
28
|
85
|
1,929419
|
1,909427
|
0,00996
|
|
|
Лінія 5
|
№
|
Значенння твердості Hi
|
lg Hi
|
|
Slg(H)
|
d(n)
|
m
|
|
1
|
82,5
|
1,916454
|
1,914641
|
0,010315
|
1.1047
|
46,51163
|
|
2
|
83
|
1,919078
|
1,914641
|
0,010315
|
|
|
|
3
|
83
|
1,919078
|
1,914641
|
0,010315
|
|
|
|
4
|
83,5
|
1,921686
|
1,914641
|
0,010315
|
|
|
|
5
|
84
|
1,924279
|
1,914641
|
0,010315
|
|
|
|
6
|
83
|
1,919078
|
1,914641
|
0,010315
|
|
|
|
7
|
83,5
|
1,921686
|
1,914641
|
0,010315
|
|
|
|
8
|
84
|
1,924279
|
0,010315
|
|
|
|
9
|
83
|
1,919078
|
1,914641
|
0,010315
|
|
|
|
10
|
82,5
|
1,916454
|
1,914641
|
0,010315
|
|
|
|
11
|
81
|
1,908485
|
1,914641
|
0,010315
|
|
|
|
12
|
81
|
1,908485
|
1,914641
|
0,010315
|
|
|
|
13
|
81
|
1,908485
|
1,914641
|
0,010315
|
|
|
|
14
|
80
|
1,90309
|
1,914641
|
0,010315
|
|
|
|
15
|
79,5
|
1,900367
|
1,914641
|
0,010315
|
|
|
|
16
|
79
|
1,897627
|
1,914641
|
0,010315
|
|
|
|
17
|
79
|
1,897627
|
1,914641
|
0,010315
|
|
|
|
18
|
79,5
|
1,900367
|
1,914641
|
0,010315
|
|
|
|
19
|
80
|
1,90309
|
1,914641
|
0,010315
|
|
|
|
20
|
80
|
1,90309
|
1,914641
|
0,010315
|
|
|
|
21
|
81
|
1,908485
|
1,914641
|
0,010315
|
|
|
|
22
|
82
|
1,913814
|
1,914641
|
0,010315
|
|
|
|
23
|
83
|
1,919078
|
1,914641
|
0,010315
|
|
|
|
24
|
83
|
1,919078
|
1,914641
|
0,010315
|
|
|
|
25
|
84
|
1,924279
|
1,914641
|
0,010315
|
|
|
|
26
|
85
|
1,929419
|
1,914641
|
0,010315
|
|
|
|
27
|
85
|
1,929419
|
1,914641
|
0,010315
|
|
|
|
28
|
86
|
1,934498
|
1,914641
|
0,010315
|
|
|
Рис. 3.17 - Значення коефіцієнта
розсіювання твердості (m) на різній віддалі (L) від поверхні розтягу в костилі
№6, який був в експлуатації на прямій дільниці.
Дослідження зразків з костилів, що
були встановленні на прямих дільницях залізничної колії показали, що при
встановленні костиля згідно технічних умов в костилі №4 значення коефіцієнта
розсіювання твердості (m) змінюється в межах від m=39…102, в той же час при
встановленні костилів з порушенням технічних умов в костилі №5 значення (m)
змінюється в межах m=36…76. А в костилі №6 m=56…46. Тобто при порушені
технічних вимог на встановлення зразків зростає їх пошкодженність. Зростання
розсіяної пошкодженості при встановлені костилів приводить до її збільшення
також і під час експлуатації деталі, про що свідчить менші значення (m) в
костилях, що були встановленні із порушенням технічних вимог. Слід також
відмітити, що в костилях із меншим значенням (m) виросла також і загальна
корозія.
Аналіз утворення різсяних пошкоджень
при переході від зони розтягу до зони стиску вказує на те, що пошкодження за
період експлуатації , утворюються на глибині до 4 ·10-3 м.
3.6 Аналіз структури костилів
залізничної колії
Розрахунок кількості перліту в
досліджених костилях проводили методом січних з використаням сітки представлені
на (рис.3.18). Визначали кількості перетинів ліній сітки перлітною складовою і
ділили сумарну довжину ліній перетину на сумарну довжину ліній за формулою
(3.3):
П=
(3.3)
де, П - кількість перліту %;
- довжина лінії, ·
10-3 м;
- сумарна довжина
ліній перетину перліту, · 10-3 м.
Рисунок 3.18 - Сітка для розрахунку
кількості перліту.
Мікроструктура шліфів після
травлення представлена на рис.3.19-3.24. В нових костилях (рис.3.19)
виявляється ферито-перлітна структура з елементами перегріву, причому ділянки
ферриту утворюють суцільні смужки і складають 70…80 мкм. Наявність такої
структури свідчить про те, що гаряче об’ємне штампування проводилось при
підвищених температурах без наступної перекристалізації, необхідної для
подріблення структури. Аналіз мікроструктур костилів, зруйнованих в
експлуатації показав, що в них виявляється ферито-перлітна структура
(рис.3.20), в якій вміст перліту є більшим, ніж у нових костилях (табл.3.10),
але в деяких з них вміст перліту є меншим (рис.3.22, рис.3.23, рис.3.24),
розмір зерен фериту і характер розташування перлітних ділянок по границях зерен
ферриту вказує на підвищену температуру гарячого об’ємного штампування. В костилях,
зруйнованих під час експлуатації, що містили більшу кількість перліту, чітко
виявляється відманштеттова структура. Розмір ділянок перліту, навколо яких
розташованні феритні смужки, складає 120…150 мкм. Наявність такої структури
свідчить про значний перегрів деталей при штампуванні і наступне прискорене
охолодження після штампування (рис.3.21).
Дослідження поширення тріщин у
костилях, зруйнованих в експлуатації, підтверджує негативний вплив
відманштеттової структури на ці процеси. Тріщини в костилях з такою структурою
утворюються на феритних стиках зерен, які потім поширюються через перлітні
ділянки. Поширення тріщин відбувається на границях розділу феррит-перлітних
ділянок (рис.3.21).

Рис.3.19 - Мікроструктура костиля
№1, що не був в експлуатації (повздовжній шліф): а, б, в, г, д, е - структура
після травлення 4%розчином азотної кислоти у спирті, є - нетравлений шіф.
Рис.3.20 - Мікроструктура костиля
№2, що був в експлуатації на дільниці колії малих радіусів (повздовжній
шліф):а, б, в, г,д, е - після травлення 4% азотної кислоті в спирті; є, ж, з -
утворення корозійних тріщин на границях зерен фериту.
Рис.3.21 - Мікроструктура костиля
№3, який був в експлуатації на дільниці колії малих радіусів (повздовжній
шліф): а, б, в, г, д,е - після травлення 4% розчином азотної кислоти в спирті;
ж, з - утворення тріщин у відманштетовій структурі.
Рис. 3.22. - Мікроструктура костиля
№4 , що був в експлуатації на прямій дільниці колії (повздовжній шліф,
травлення 4% розчином азотної кислоти в спирті).
Рис.3.23. - Мікроструктура костиля
№5 , що був в експлуатації на прямій дільниці колії (повздовжній шліф,
травлення 4% розчином азотної кислоти в спирті).
Рис.3.24. - Мікроструктура костиля
№6, що був в експлуатації на прямій дільниці колії (повздовжній шліф, травлення
4% розчином азотної кислоти в спирті).
.7 Обговорення результатів
Не дивлячись на зменшення об’єму
перевезень Укрзалізницею за останні роки суттєво зросла пошкодженість деталей
верхньої будови колій, що пов’язано із зростанням завантаженості вагонів від 60
до 80 і більше тонн, а також зменшенням швидкості руху вантажних поїздів. Слід
відмітити, що підвищення зовнішньої рейки кривих колій малих радіусів
залишилася без змін, це приводить до суттєвого росту навантажень і
пошкодженості деталей особливо на таких кривих ділянках.
У костилі №3 з відманштетовою
структурою, що експлуатувався на кривих дільниці колії малих радіусів,
твердість є рівна 204 НВ, кількість перліту є рівна 71 %. Тобто за структурою і
властивістями матеріал костиля суттєво відрізняється від матеріалу з
феритто-перлітною, в якій кількість перліту не перевищує 43 %. Це має суттєвий
вплив і на утворення пошкоджень під час експлуатацій. Слід відмітити, що
різниця в розсіяні характеристик твердості під час експлуатації костиля №3 з
відманштетовою структурою змінюється в менші мірі ніж костилях з
феритто-перлітною структурою і свідчить про менше накопичення розсіяних
пошкоджень ніж в інших костилях. Тобто під час експлуатації відразу утворюється
фізично-короткі тріщини, які перетворюються в локалізовані тріщини, що
розвиваються під дією зовнішніх навантажень. На, це вказує і великий розмір
тріщин, які утворилися в костилях Результати визначення розсіяння твердості
представлено в табл.3.9. Причому утворення локалізованих тріщин спостерігається
як в зоні розтягу так і в зоні стиску при дії циклічних навантажень.
Таблиця 3.9
Розсіювання характеристик твердості
і пошкодженість на різні віддалі (L)від поверхні розтягнення костилів.
|
Зразок
|
№ ліній
|
Віддаль від Поверхні
розтягу L 10-3м
|
m
|
mсер
|
W
|
Wекс
|
|
Костиль №1 який не був в експлуатації.
|
1
|
2
|
84,98
|
139,55
|
0,5186
|
0
|
|
2
|
4
|
123,6
|
|
0,2999
|
|
|
4
|
8
|
146,61
|
|
0,1695
|
|
|
5
|
10
|
176,54
|
|
-
|
|
|
6
|
12
|
166,06
|
|
0,0594
|
|
|
Костиль №2, кородований після експлуатації на
кривій дільниці колії.
|
1
|
2
|
35,645
|
48,333
|
0,3531
|
0,653665
|
|
2
|
4
|
55,101
|
|
-
|
|
|
3
|
6
|
54,915
|
|
0,0034
|
|
|
4
|
8
|
47,669
|
|
0,1349
|
|
|
Костиль №3 після експлуатації на кривій
дільниці колії.
|
1
|
2
|
109,64
|
148,85
|
0,3528
|
-
|
|
2
|
4
|
167,93
|
|
0,0087
|
|
|
3
|
6
|
169,41
|
|
-
|
|
|
4
|
8
|
148,41
|
|
0,124
|
|
|
Костиль №4 після експлуатації на прямій
дільниці колії.
|
1
|
2
|
38,603
|
81,799
|
0,6249
|
0,413857
|
|
2
|
4
|
83,668
|
|
0,1871
|
|
|
4
|
8
|
102
|
|
0,0089
|
|
|
5
|
10
|
102,92
|
|
-
|
|
|
Костиль №5 після експлуатації на прямій дільниці
колії.
|
1
|
2
|
35,997
|
56,567
|
0,532
|
0,59466
|
|
2
|
4
|
52,263
|
|
0,3205
|
|
|
3
|
6
|
55,065
|
|
0,284
|
|
|
4
|
8
|
62,601
|
|
0,186
|
|
|
5
|
10
|
76,91
|
|
-
|
|
|
Костиль №6 після експлуатації на прямій
дільниці колії.
|
2
|
4
|
56,895
|
56,742
|
0,3251
|
0,59341
|
|
3
|
6
|
75,391
|
|
-
|
|
|
4
|
8
|
48,168
|
|
0,3611
|
|
|
5
|
10
|
46,512
|
|
0,3831
|
|
Значення пошкодженості визначали за
формулою (3.2):
Wекс=
(3.2)
де, Wекс - сумарна пошкодженість
костиля;
- пошкодженість
костиля у вихідному стані;
- середня
пошкодженість костиля на різних ділянках колії.
Як видно з (рис.3.25) в костилях з
ферито-перлітною структурою, що експлуатувались на кривих ділянках дільницях
колії малих радіусів, значення пошкодженості є суттєво вищим ніж після
експлуатації на прямих дільницях колії.
Рис.3.25 - Значення середньої
пошкодженості костилів, що були в експлуатації на кривій (№2) і прямій (№4, №5,
№6) дільницях колії відносно нового костиля №1
Дослідження мікроструктури Розд.3.6.
показав, що в костилях які експлуатувались на прямій дільниці колії структура є
феритто-перлітна, але з різною кількістю перліту. Причому кількість перліту
змінюється від 31 до 43 %, що пов’язано зі зміною твердості від 115 НВ до 131
НВ. Розсіювання характеристик твердості в костилях з різною кількістю перліту
суттєво різниться і вказує на різний ступінь пошкодженості під час експлуатації
рис.3.26. Для визначення впливу кількості перліту на пошкодженість визначали
пошкодженість костилів на прямих дільницях колії. Зменшення кількості перліту
від 40 до 31 % приводить до зростання пошкодженості (W) від 0,414-0,595
(рис.3.26).
Таблиця 3.10
Твердість, кількість фериту і
перліту в структурі досліджених костилів *
|
Номер костиля
|
Умови експлуатації
|
d
|
dсер.
|
HB
|
Структура
|
|
|
|
|
|
% П
|
% Ф
|
|
1.
|
Новий костиль
|
1.2,7 2.2,7 3.2,65
|
2,68
|
122
|
43
|
57
|
|
2.
|
Кородований з дільниці колії малого радіусу
|
1.2,60 2.2,70 3.2,70
|
2,66
|
124
|
44
|
56
|
|
3.
|
З дільниці колії малого радіусу
|
1.2,15 2.2,10 3.2,10
|
2,11
|
204
|
71
|
29
|
|
4.
|
З прямої дільниці колії
|
1.2,60 2.2,55 3.2,50
|
2,60
|
131
|
43
|
57
|
|
5.
|
З прямої дільниці колії
|
1.2,60 2.2,65 3.2,60
|
2,75
|
115
|
31
|
69
|
|
6.
|
З прямої дільниці колії
|
1.2,65
|
2,65
|
125
|
38
|
62
|
*Заміри твердості проводили на
приладі Брінеля при навантаженні 750 кгс і кулькою діаметром 5·10-3 м.
Рис.3.26 - Вплив кількості перліту
(%) на пошкодженість (W) костилів після експлуатації на прямих дільницях колії.
У новому костилі, що не був в
експлуатації присутня технологічна пошкодженість яка характеризується
значеннями (m), що змінюються від 84,88 - 176,54. В основній частині костилів з
ферито-перлітною структурою під час експлуатації відбувається зменшення
характеристик розсіювання твердості у всіх зонах поперечного перерізу виробу.
Для кількісної оцінки розвитку експлуатаційних пошкоджень в зонах з різною
технологічною пошкодженістю проводили визначення пошкодженості під час
експлуатацій за формулою (3.3):
Wе=
(3.3)
де, Wе - пошкодженість зони костиля,
що розташований на заданій віддалі від поверхні;
- розсіювання
твердості костиля у вихідному стані на заданій глибині;
- розсіювання
характеристик твердості на заданій віддалі в костилі, що був в експлуатації.
Результати дослідження розсіювання
характеристик твердості представленні в табл..3.11 і на рис.3.27.
Таблиця 3.11
Значення розсіювання характеристик
твердості (m) приріст пошкодженості на різній віддалі від поверхні розтягнення
костилів.
|
Зразок
|
№ ліній
|
L·10-3м
|
m
|
Костиль №1, що не був експлуатації
|
∆Wе
|
|
|
|
|
№ ліній
|
m
|
|
|
Костиль №2 кородований після експлуатації на
кривій дільниці колії.
|
1
|
2
|
35,645
|
1
|
84,98
|
|
2
|
4
|
55,101
|
2
|
123,6
|
0,5542
|
|
3
|
6
|
54,915
|
-
|
-
|
-
|
|
4
|
8
|
47,669
|
4
|
146,61
|
0,6749
|
|
Костиль №3 після експлуатації на кривій
дільниці колії.
|
1
|
2
|
109,64
|
-
|
-
|
-
|
|
2
|
4
|
167,93
|
-
|
-
|
-
|
|
3
|
6
|
169,41
|
-
|
-
|
-
|
|
4
|
8
|
148,41
|
-
|
-
|
-
|
|
Костиль №4 після експлуатації на прямій
дільниці колії.
|
1
|
2
|
38,603
|
1
|
84,98
|
0,5457
|
|
2
|
4
|
83,668
|
2
|
123,6
|
0,3231
|
|
4
|
8
|
102
|
4
|
146,61
|
0,3042
|
|
5
|
10
|
102,92
|
5
|
176,54
|
0,417
|
|
Костиль №5 після експлуатації на прямій
дільниці колії.
|
1
|
2
|
35,997
|
1
|
84,98
|
0,5764
|
|
2
|
4
|
52,263
|
2
|
123,6
|
0,5772
|
|
3
|
6
|
55,065
|
-
|
-
|
-
|
|
4
|
8
|
62,601
|
4
|
146,61
|
0,573
|
|
5
|
10
|
76,91
|
5
|
176,54
|
0,5644
|
|
Костиль №6 після експлуатації на прямій
дільниці колії .
|
2
|
4
|
56,895
|
2
|
123,6
|
0,5397
|
|
3
|
6
|
75,391
|
-
|
-
|
-
|
|
4
|
8
|
48,168
|
4
|
146,61
|
0,6715
|
|
5
|
10
|
46,512
|
5
|
176,54
|
0,7365
|
Рис.3.27 - Значення експлуатаційної
пошкодженості (Wекс) на різній віддалі (L) від поверхні розтягнення досліджених
костилів №2, №4, №5 та №6.
Отримані результати показали, що
найбільший ступінь експлуатаційної пошкодженості розвивається на кривих
дільницях колії малих радіусів костилів №2. Вище значення пошкодженості на
віддалі 4 ·10-3м і нище на віддалі 8·10-3м від поверхні розтягу в костилі №5
пов’язано із порушенням технологічних вимог при встановленні костилів в умовах
монтування колій. Про це свідчить також і їх високий рівень деформації, що
проявилася під час встановлення і добивання костиля після надшарпування
(рис.3.7).
Висновки
На основі проведених досліджень
можна зробити наступні основні висновки:
Розсіянні пошкодження які
визначаються за результатами вимірювання характеристик твердості виявляється в
костилях залізничної колії, як після виготовлення деталей методом гарячого
об’ємного штампування так і після їх експлуатації.
На формування розсіяних пошкоджень
значний вплив має вихідна структура костилів залізничної колії, а також умови
їх роботи.
Мікроструктурними дослідженнями
встановлено, що під час виготовлення костилів методом гарячого об’ємного
штампування, в них формується структура з різною кількостю перліту (від 31% до
43%), а також відманштетова, що вказує на різний вміст вуглецю, супутніх
легуючих елементів і домішок у вихідних заготовках, які використовуються для
виготовлення деталей.
Формування технологічних розсіяних
пошкоджень у деталях під час їх виготовлення пов’язано із нерівномірністю
пластичної деформації в зонах заготовки при гарячому об’ємному штампуванні.
Аналіз механічних властивостей
показав, що вихідна структура і умови експлуатації мають сутєвий вплив на
міцністні і пластичні характеристики досліджених деталей. У вихідному стані при
наявності ферито-перлітної структури міцність є вищою ніж у виробах після
експлуатації. В костилях з відманштетовою структурою сутєво зменшується різниця
між границею міцності і границею текучості у порівняні із матеріалами костилів
з ферито-перлітною структурою.
Значний вплив на утворення розсіяних
пошкоджень має кількість перліту в костилях залізничної колії від 40-31%
призводить до збільшення пошкодженності деталей під час експлуатації.
Дослідження пошкодженості костилів
зруйновних при експлуатації вказує, що негативний вплив відманштетової
структури проявляється в меншій мірі ніж в костилях з ферито-перлітною
структурою. При експлуатації костилів утворюється фізично короткі тріщини, які
перетворюються в локалізовані тріщини, що розвиваються при дії навантажень як в
зоні розтягнення так в зоні стискання деталей.