Проектирование токарного автомата для растачивания канавок уплотнения в наружных кольцах подшипников
Содержание
Введение
1. Анализ состояния вопроса и постановка задачи
1.1 Токарные станки автоматы
2. Конструкторская часть
2.1 Исходные данные
2.2 Расчет и выбор исполнительного гидродвигателя
2.2.1 Гидропривод поперечной подачи
2.2.2 Гидропривод продольной подачи
2.2.3 Гидропривод разжима детали
2.3 Составление принципиальной гидравлической схемы автомата
2.4 Расчет и выбор насосной установки
2.5 Расчет и выбор гидроаппаратуры и трубопроводов
2.6 Разработка гидроприводов суппортов и зажима - разжима детали
2.7 Расчет потерь давления в гидроаппаратах
2.8 Определение потерь давления в трубопроводах
2.8.1 Определение потерь в трубопроводах по длине
2.8.2 Определение местных потерь
2.9 Описание устройства автомата и суппортов
3. Разработка технологического процесса изготовления плиты
гидроблока торможения
3.1 Назначение, конструкция и анализ технологичности детали
3.2 Выбор типа производства
3.3 Выбор типа заготовки
3.3.1 Себестоимость заготовки из проката
3.3.2 Стоимость заготовки из отливок
3.4 Выбор плана обработки детали
3.5 Расчет припусков на обработку
3.6 Расчет режимов резания
3.7 Расчёт технологических норм времени
3.8 Выбор оборудования
3.9 Выбор режущего инструмента
3.10 Выбор измерительного инструмента
3.11 Программирование станка с ЧПУ для сверлильной операции 035
Заключение
Список использованных источников
Введение
Современная тенденция роста стоимости металла, повышение
требований к качеству и долговечности подшипников обусловила разработку новых
более передовых методов и технологий в подшипниковой промышленности.
Одним из таких методов стало использование на
"Вологодском подшипниковом заводе" холодной раскатки, как одной из
операций технологического процесса изготовления колец подшипников. Однако идея
чистовой холодной раскатки, с помощью которой профиль кольца формировался бы
без дополнительной токарной операции, имеет недостаток, заключающийся в
невозможности получения канавок под уплотнения с помощью раскатки из-за износа
раскатников. Для этой цели нужны токарные автоматы, так как это снизит трудоемкость
обработки кольца подшипника, загруженность станков на других операциях и
уменьшит количество бракованных колец подшипников.
Целью данной выпускной квалификационной работы является
проектирование токарного автомата для растачивания канавок уплотнения в
наружных кольцах подшипников. Привод перемещения суппорта должен быть выполнен
гидравлическим для повышения точности и обеспечения требуемых усилий резания.
Так же необходимо разработать маршрут изготовления гидроплиты управления
токарным автоматом, составить маршрутную и операционную карту.
токарный автомат станок
1. Анализ
состояния вопроса и постановка задачи
1.1 Токарные
станки автоматы
Токарные автоматы относятся к высокопроизводительным станкам,
которые широко используются в условиях крупносерийного и массового
производства. Главным органом управления таких станков является
распределительный вал с кулачками, управляющими отдельными механизмами станка,
обеспечивающими надежную синхронизацию всех движений цикла работы станка.
Одношпиндельные токарные автоматы могут быть
фасонно-отрезными, продольного точения и токарно-револьверными.
Фасонно-отрезные автоматы и автоматы продольного точения имеют один
распределительный вал с постоянной частотой вращения, токарно-револьверные
автоматы имеют распределительный и вспомогательный валы. рента ретро танго.
Фасонно-отрезные автоматы предназначены для изготовления деталей из заготовок
небольшого диаметра в крупносерийном и массовом производстве. Режущий
инструмент - фасонные, отрезные и другие резцы, работающие методом врезания.
Автоматы продольного точения предназначены для изготовления деталей из
холоднотянутого калиброванного прутка в крупносерийном и массовом
производством.
Токарно-револьверные автоматы предназначены для изготовления
деталей из калиброванного пруткового материала. При оснащении автоматов
загрузочными устройствами возможна обработка штучных заготовок.
Распределительные валы станках автоматах предназначены для
управления автоматическим циклом станка. Распределительные валы несут кулачки
разного типа и назначения. Некоторые модели токарно-револьверных станков
автоматов имеют несколько распределительных валов.
Распределительный вал фасонно-отрезных станков автоматов
несет кулачек подачи материала, кулачек зажима материала, кулачки подачи инструментальных
суппортов резцовой головки и кулачек переднего зажима материала. Суппорты
предназначены для установки и закрепления режущего инструмента. Их разделяют на
продольные, поперечные и револьверные. Продольные суппорты перемещаются в
направлении оси шпинделя, поперечные - в направлении, перпендикулярном оси
шпинделя, револьверные - в направлении оси шпинделя, но режущий инструмент
закреплен на револьверной головке в державке. Токарно-револьверные станки
автоматы имеют продольный суппорт револьверного типа и поперечные суппорты.
Фасонно-отрезные автоматы имеют поперечные суппорты, установленные в резцовой
головке. Движение суппортами передается от кулачков распределительного вала,
при этом суппорты имеют качательное движение.
В токарных автоматах и полуавтоматах для осуществления
рабочих и вспомогательных операций, а также в загрузочно-разгрузочных
устройствах широко применяется гидравлический привод. Из рабочих переходов
следует выделить осуществление подачи, из вспомогательных - зажим, подачу
материала, поворотные движения, быстрый подвод и отвод суппортов, кареток и
столов.
Гидравлический привод позволяет бесступенчато регулировать
скорость движения исполнительных органов, изменять плавно направление движения,
конструкция устройств часто проще механических, устройства имеют меньшие
габариты. Гидравлический привод обеспечивает быструю переналадку станков.
Утечки в большей или меньшей степени влияюторала орган орланна равномерность
движения отдельных узлов станка, поэтому необходимы регулирующие устройства,
обеспечивающие постоянство величин давления и количества подаваемого и
отводимого масла. Из вышеуказанных автоматов для токарных операций обработки
колец подшипников применяют фасонно-отрезные токарные станки автоматы.
В целях снижения объёма токарных операций и экономии металла
на "Вологодском подшипниковом заводе" была разработана технология
изготовления колец подшипников в токарном производстве с применением
"чистовой" холодной раскатки наружных колец подшипников. Изготовление
колец предполагалась проводить с получением канавок под уплотнения на операции
раскатки.
Отделом лабораторно - исследовательских работ (ОЛИР)
проводилась оценка точности изготовления канавок и возможности изготовления
колец с уменьшенными припусками по дорожке качения.
Для этого была изготовлена опытная партия колец следующей
технологии:
. Токарная обработка на полуавтомате КСП8-150
заготовки под раскатку
2. Раскатка на автомате 4КО46Б
. Термообработка
. Шлифовальная обработка по существующей
технологии
Исследования проводились для колец 6309ZZ.01 и были получены
следующие результаты:
- точность диаметральных размеров канавки
0,25 мм, положение канавки 0,1 мм;
- после термообработки и шлифовки торцов
фактический разброс диаметральных размеров канавки 0,35 мм, положение канавки
0,15 мм;
- простой и брак в следствии низкой
стойкости раскатного инструмента.
В следствии этого было принято решение получении канавки
вынести в отдельную операцию и разработать технологию токарной обработки
канавок с подрезкой торца.
Данная технология была опробована на токарном станке автомате
209СО с базированием по дорожке качения и получены следующие результаты,
процент годных колец 6309ZZ.01по:
- разностенности
канавок - 0%;
- положение
канавок - 0%;
- диаметру
канавки - 40%;
- диаметру борта
канавки - 60%;
- не постоянству
ширины - 35%.
Обработанные кольца не соответствуют 100% требованиям
операционного чертежа, следовательно, применение автомата 209СО для этой цели
нецелесообразно. Далее была испытана технология точения канавок 6309ZZ.01 с одновременной
подрезкой торца на токарных автоматах МА-1169 после холодной раскатки.
Исследование точности канавок партии колец показали что также кольца имеют
отклонения от операционного чертежа. По эти результатам сделан вывод, что
применение МА-1169 приводит к появлению брака по диаметру борта и положения
канавки относительно торца. Причины этого: износ канавочных резцов,
невозможность обеспечения требуемых усилий резания при токарной обработке на
данном автомате.
Возникла потребность в новом токарном станке автомате для
растачивания канавок. Автомат в целях экономичности решено было спроектировать
на базе полировального станка Л3-195, вследствие их высвобождения на
предприятии.
Привод продольного и поперечного перемещения суппортов
предлагается выполнить гидравлическим циклического действия с путевым
управлением с помощью упоров, флажков и конечных выключателей, а разжим детали
- с помощью гидроцилиндра одностороннего действия с управлением от реле
времени.
2.
Конструкторская часть
2.1 Исходные
данные
Исходными данными для разработки гидропривода являются:
- Осевое усилие привода подачи - 1500…3000
Н;
- Диапазон регулирования скорости подачи -
0,03 … 0,06 мм/об;
- Ход суппорта в поперечном направлении, мм:
полный - 4;
в том числе рабочий - 2,4;
холостой - 1,2 … 2;
- Усилие зажима
(осевое) - 9000 Н;
- Усилие разжима
(осевое) - 14000 Н;
- Ход штанги при зажиме, разжиме - 5 мм;
- Ход суппорта в продольном направлении -
100 мм;
- Скорость продольного перемещения - 1800
мм/мин;
- Частота вращения шпинделя - 400 об/ мин;
2.2 Расчет и
выбор исполнительного гидродвигателя
В качестве исполнительного органа. в. гидроприводе поперечной
и продольной подачи, разжима детали предусмотрены гидроцилиндры. Расчет
геометрических параметров и выбор гидроцилиндров производим по литературе [3].
Основными параметрами гидроцилиндра (ГЦ) являются диаметры поршня и штока,
длинна хода поршня и рабочее давление. На основании этих параметров
производится подбор необходимых гидроаппаратов.
2.2.1
Гидропривод поперечной подачи
Задаёмся давлением в рабочей полости гидроцилиндра Р1,
учитывая ориентировочное соотношение:
где Рн - номинальное давление насоса, МПа.
Принимаем Рн= 6,3 МПа, тогда:
Определим диаметр поршня гидроцилиндра: …
где Rmax = 3000 Н - максимальное усилие подачи;
Эффективная площадь поршня
Минимальная поперечная минутная подача:
где 
- минимальная подача на оборот шпинделя, мм/об;

- частота вращения шпинделя, об/мин;

.
Минимальный расход жидкости в гидроцилиндре:
Qmin=
, см3/мин, (2.5)
Qmin=12
716=8592 мм3/мин= 8,6 см3/мин.
В данном гидроприводе предусмотрено. использование регулятора
расхода МПГ 55-32М, для которого минимальный расход 
=40 cм3/мин, следовательно,
гидроцилиндр, выбранный исходя из требуемого осевого усилия, не подходит.
Определим минимальную площадь гидроцилиндра, из требуемого
значения минимальной подачи и характеристик регуляторов расхода:
Минимальный допустимый диаметр поршня:
Учитывая минимальный допустимый диаметр поршня, а также
конструктивные соображения, принимаем Dст=63 мм.
Подберем из [3] гидроцилиндр по ОСТ 2 Г29-1-77, обозначение
1-63х16 где:
- тип исполнителя (с односторонним штоком);
- диаметр поршня, мм;
- ход штока, мм;
Количество используемых гидроцилиндров - 2 шт.
Из этого следует, что:
Требуемый минимальный расход жидкости:
Qmin=
, см3/мин, (2.9)
Qmin=
=37392 мм3/мин= 37,4 см3/мин.
Фактически можно получить стабильную подачи следующей величины:
Требуемое давление в рабочей полости гидроцилиндра:
2.2.2
Гидропривод продольной подачи
Из конструктивных соображений выберем гидроцилиндр с
диаметром штока Dст=63 мм,
Обозначение: 1 - 63х100 ОСТ 2 Г29-1-77
2.2.3
Гидропривод разжима детали
Зададимся давлением в рабочей полости гидроцилиндра 
=4.2 МПа.
Подставим данные в формулу (2.1):
Из конструктивных соображений примем:
Dст = 63мм,
F1ст=3116
мм2.
Обозначение: 1 - 63х16 ОСТ 2Г29-1-77.
Требуемое значение давления в гидроцилиндре определим, подставив
данные в формулу (2.11):
2.3
Составление принципиальной гидравлической схемы автомата
Составление. принципиальной схемы начинаем с гидроцилиндров,
затем на рабочих гидролиниях располагаем регулирующие и направляющие аппараты в
соответствии со способами регулирования скорости и управления торможением.
После этого объедением напорные, сливные, дренажные линии отдельных участков
схемы. Последним этапом изображаем гидросхему насосной установки, которая
окончательно определяется после выбора её модели. В напорной линии
устанавливаем обратный клапан для предотвращения слива жидкости в бак при
выключенном насосе. Принципиальная гидравлическая схема привода представлена на
чертеже.
На схеме приняты следующие условные обозначения:
ГЦ1, ГЦ2, ГЦ3, ГЦ4, ГЦ5, ГЦ6 - гидроцилиндры;
К1, К2 - кулачки;
В1, В2, В3, В4, В5, В6 - конечники;
Y1, Y2, Y3, Y4 - электромагниты;
ПП1, ПП2 - панель подачи;
ПТ1, ПТ2 панель торможения;
ПУРД - панель управления и регулирования давления;
НУ - насосная установка;
КР1, КР2 - клапаны редукционные;
Р1, Р2, Р3, Р4, Р5, Р6 - распределители;
РР1, РР2 - регуляторы расхода;
КД1, КД2, КД3, КД4 - клапаны давления;
РД1, РД2 - реле давления;
ПМ1, ПМ2, ПМ3, ПМ4 - переключатели манометра;
КО1, КО2, КО3 - клапаны обратные;
М1, М2, М3, М4 - манометры;
ТО - теплообменник;
Н - насос.
Описание работы схемы в автоматическом режиме
При нажатии на кнопку "Цикл" включается
электромагнит Y1,
срабатывает распределитель Р1, поршни гидроцилиндров ГЦ5 и ГЦ6 перемещаются
влево (по схеме) и происходит разжим кольца. Движение потоков жидкости
представлено на рисунке 2.1.
Рисунок 2.1 - Схема движения жидкости при разжиме кольца
подшипника
На рисунке 2.1 и далее индексом ПП обозначается поршневая полость
гидроцилиндра. Давление в системе регулирования предохранительным клапаном КД1.
Обрабатываемое кольцо подшипника освобождается и удаляется из патрона, после
чего в него устанавливается новое кольцо, выключается электромагнит Y1, распределитель Р1 возвращается в исходную позицию,
поршневые полости гидроцилиндров ГЦ5 и ГЦ6 соединяются с баком. Под действием
пружин поршни указанных гидроцилиндров перемещаются в право и происходит зажим
кольца. Схема протекания жидкости представлена на рисунке 2.2.
Рисунок 2.2 - Схема движения жидкости при зажиме кольца подшипника
В момент завершения зажима, который настраивается с помощью реле
времени, включается электромагнит Y2,
срабатывает распределитель Р2, поршни гидроцилиндров ГЦ1 и ГЦ2 перемещаются
вправо (по схеме), осуществляется продольное перемещение суппортов в зону
резания. Схема движения жидкости представлена на рисунке 2.3.
Рисунок 2.3 - Схема движения жидкости при подводе поперечного
суппорта
На рисунке 2.3 и далее индексом ШП обозначается штоковая полость
гидроцилиндра. Давление в рабочих полостях гидроцилиндров ГЦ1 и ГЦ2
настраиваются редукционным клапаном КР1. В хонце хода продольных суппортов
кулачки К1 и К2, расположенные на них, воздействуют через ролики на золотники
распределителей Р5 и Р6, площади проходного сечения распределителей
уменьшаются, сопротивление потокам жидкости, вытесняемой из гидроцилиндров,
возрастает и происходит плавное торможение, в конце которого суппоты упираются
в соответствующие упорные винты, которые определяют их заданные конечные
положения. Включатся конечники В2 и В4, которые включают электромагниты Y3 и Y4, срабатывают
распределители Р3 и Р4, поршни гидроцилиндров ГЦ3 и ГЦ4 перемешаются вниз (по
схеме), осуществляется подвод поперечных суппортов и растачивание канавок на
кольцах подшипников. Схема движения потоков жидкости представлена на рисунке 2.4.
Рисунок 2.4 - Схема движения жидкости при рабочем ходе
Клапан редукционный КР2 служит для регулирования давления в линиях
питания гидроцилиндров ГЦ3 и ГЦ4. Скорости подачи суппортов регулируются
регуляторами расхода жидкости РР1 и РР2. Клапаны давления КД1 и КД2 служат для
создания необходимого противодавления в штоковых полостях гидроцилиндров. В
конце хода, когда заканчивается процесс резания, суппорты упираются в
соответствующие упорные винты, давление в рабочих полостях цилиндров ГЦ3 и ГЦ4
возрастает, срабатывает реле давления РД1 и РД2, которые соответственно
отключают электромагниты Y3 и Y4, распределителей Р3 и Р4. Распределители Р3 и Р4
возвращаются пружинами в исходные позиции, происходит отвод поперечных
суппортов в исходное положение. Схема потоков жидкости представлена на рисунке
2.5.
Рисунок 2.5 - Схема движения жидкости при отводе резцов
В конце цикла включаются конечники В5 и В6, выключается
электромагнит Y2, распределитель Р2 возвращается в
исходное положение пружиной и происходит отвод продольных суппортов в исходное
положение соответственно с помощью гидроцилиндров ГЦ1 и ГЦ2. Схема движения
потоков жидкости представлена на рисунке 2.6.
Рисунок 2.6 - Схема движения жидкости при возврате в исходное
состояние
В конце хода продольных суппортов включаются конечники В1 и В3,
которые включают электромагнит Y1 и начинается
новый цикл работы автомата.
2.4 Расчет и
выбор насосной установки
Выбор насосной установки осуществляется исходя из требуемого
расхода жидкости и давления в гидроприводе [3]. Для гидроцилиндров рассчитаем
максимальный расход жидкости на этапе цикла "Рабочий ход":
Для гидропривода поперечной подачи:

, см3/мин, (2.12)
Где

, мм/мин, (2.13)

- максимальная поперечная подача, мм/мин;

- максимальная подача на оборот шпинделя, мм/об;

=0,06∙400=24 мм/мин.

24 ∙ 3116 = 74,784 см3/мин.
В расчете на два гидроцилиндра:

, (2.14)
Для гидропривода продольной подачи:

, см3/мин, (2.15)
где 
- скорость продольного перемещения, мм/мин.

мм3/мин.
В расчете на 2 гидроцилиндра:

л/мин.
Для гидропривода разжима детали:

, см3/мин, (2.16)
где 
- скорость движения штока гидроцилиндра при рабочем ходе, мм/мин.
Приняв время срабатывания гидроцилиндра при разжиме равным t=0,5 с, определим:
где Н - ход поршня, мм;
t - время хода поршня, с.
.
Тогда требуемый расход жидкости для питания гидроцилиндра:
Q=10∙3116=31160 мм3/с.
Q= 1,87 л/мин.
Номинальная подача насоса Qн должна
превышать наибольший из этих расходов, то есть:
Qн≥Qmax,
Qmax=11,2 л/мин.
Максимальное давление в системе Рмах=4,49 МПа.
На основании полученных значений Qmax и Рмах из справочника [3]
выбираем модель насосной установки:
Шифр обозначения насосной установки:
АГ48-22
А - исполнение с теплообменником;
Г48-22 - обозначение насосной установки.
2.5 Расчет и
выбор гидроаппаратуры и трубопроводов
Выбор гидроаппаратуры производим из справочника [3] в
зависимости от расхода жидкости и рабочего давления в той линии, где установлен
аппарат. Номинальные значения расхода и давления аппаратуры должны быть
ближайшими большими к расчетным значениям.
Клапан редукционный (2шт):
-10-2 ТУ2-053-1747-85
- диаметр условного прохода, мм;
- номинальное давление настройки, МПа;
- стыковочное присоеденение.
Qном= 40 л/мин;
Рном= 10 МПа.
Гидрораспределитель (4 шт)
ВЕ6.574. Г24 ГОСТ 24679-81
В - гидрораспределитель золотниковый;
Е - электромагнитное управление;
- диаметр условного прохода, мм;
- исполнение по гидросхеме;
Г24 - напряжение постоянного тока, U=24В;
Qном= 16 л/мин;
Рном= 6 МПа.
Регуляторы расхода (2 шт)
МПГ 55-32М ТУ2-035-1790-86
М - международные присоеденительные размеры;
П - стыковочное соединение;
Г55-3 - обозначение по классификации станкостроения;
- исполнение по диаметру условного прохода, Dу=10мм;
М - модернизация.
Клапан давление (4 шт)
ПБГ 66-32М ТУ2-053-1627-8Е
П - стыковочное соединение;
Б - исполнение по давлению, 6,3 МПа;
Г66-3 - гидроклапан давления с обратным клапаном;
- исполнение по условному проходу, Dу=10мм;
М - модернизированная конструкция;
Qном= 32 л/мин;
Рном= 6,3 МПа.
Обратный клапан (3 шт)
МКО 10/20 ТУ2-035-1841-87
- конструктивное исполнение;
М - стыковочное присоединение;
КО - клапан обратный;
- диаметр условного прохода, мм;
- номинальное давление, мм;
Qном= 32 л/мин;
Рном= 20 МПа.
Переключатель манометра (4 шт)
ПМ2.2 - С320 ГОСТ 24679-81
Рном= 32 МПа.
Гидрораспределитель
ВМР6.573 ГОСТ 24679-81
В - гидрораспределитель золотниковый;
МР - управляемый от ролика;
- диаметр условного прохода, мм;
- исполнение по гидросхеме;
Qном= 16 л/мин;
Рном= 6 МПа.
Манометр (4 шт)
МТ - 1 ТУ25-02.72-75
Реле давления (2шт)
Г62-21М ТУ2-053-1393-78
Контролируемое давление 0,5-6,4 МПа.
Расчет трубопроводов производим по методике, изложенной в
литературе [2].
Внутренний диаметр трубопровода определим по формуле:
где Q - максимальный расход жидкости в трубопроводе м3/с;
Uрек - рекомендуемая скорость течения жидкости в трубопроводе
[3], м/с;
Минимальная допустимая толщина стенки:
где Р - максимальное давление жидкости в трубопроводе, МПа;
d - внутренний диаметр трубопровода, мм;

- предел прочности на растяжение материала трубопровода, для
стали 
КБ - коэффициент безопасности, КБ = 2.
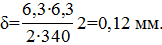
Напорные линии и напорно-сливные линии:
Участки 1-2, 3-4, 7-8, 22-23, 32-33
Pmax=6,3 МПа.
Qmax=12 л/мин=0,2∙10-3 м3/с.
Uрек=3,2
м/с.
Подставим данные в формулы (2.15) и (2.14):
dн=d+2∙δ, мм,
dн=8,9+2∙0,16=9,22
мм.
Из справочника [3] выбираем диаметр трубы с условием dнст≥dн, а также рассчитывая диаметр dст= dнст-2δcт˃dрасч.
12х0,6 ГОСТ 8734-75
Соединение 2 - 12 - К3/8”, где
- конструктивное исполнение на давление до 16 МПа;
- наружный диаметр трубы, мм;
К3/8” - резьба коническая по ГОСТ 6111-52.
Участки 4-5, 4-6, 8-9, 10-11, 13-12, 8-15, 16-17, 19-18, 23-24,
26-25, 32-27, 23-28, 32-31, 30-29:
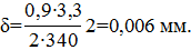
Pmax=6,3 МПа.
Qmax=6 л/мин=0,1∙10-3 м3/с.
Uрек=3,2
м/с.
Подставим данные в формулы (2.15) и (2.14):
dн=6,3+2∙0,11=6,54
мм
Из справочника [3] выбираем диаметр трубы с условием dнст≥dн, а также рассчитывая диаметр dст= dнст-2δcт˃dрасч.
8х0,6 ГОСТ 8734-75
Соединение 2 - 8 - К1/4”, где
- конструктивное исполнение на давление до 16 МПа;
- наружный диаметр трубы, мм;
К1/4” - резьба коническая по ГОСТ 6111-52.
Линии сливные
Участки 14-21, 20-21:
Pmax=0,9 МПа.
Qmax=6 л/мин=0,1∙10-3 м3/с.
Uрек= 2
м/с.
Подставим данные в формулы (2.15) и (2.14):
dн=7,98+2∙0,02=8,02
мм.
Из справочника [3] выбираем диаметр трубы с условием dнст≥dн, а также рассчитывая диаметр dст= dнст-2δcт˃dрасч.
10х0,6 ГОСТ 8734-75 соединение 2 - 10 - К3/8”по ГОСТ 6111-52.
Участки 34-35, 35-36, 21-35:
Pmax=0,9 МПа.
Qmax=12 л/мин=0,2∙10-3 м3/с.
Uрек= 2
м/с.
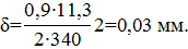
Подставим данные в формулы (2.15) и (2.14):
dн=11,3+2∙0,03=11,36
мм.
Из справочника [3] выбираем диаметр трубы с условием dнст≥dн, а также рассчитывая диаметр dст= dнст-2δcт˃dрасч.
14х1 ГОСТ 8734-75 соединение 2 - 10 - К1/2”по ГОСТ 6111-52.
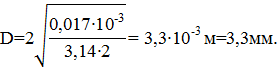
Дренажные линии:
Участки 14-21, 20-21:
Pmax=0,6 МПа.
Qmax=1 л/мин=0,017∙10-3 м3/с.
Uрек= 2
м/с.
Подставим данные в формулы (2.15) и (2.14):
dн=3,3+2∙0,006=3,312
мм.
Из справочника [3] выбираем диаметр трубы с условием dнст≥dн, а также рассчитывая диаметр dст= dнст-2δcт˃dрасч.
6х0,6 ГОСТ 8734-75 соединение 2 - 10 - К1/8”по ГОСТ 6111-52.
2.6
Разработка гидроприводов суппортов и зажима - разжима детали
При разработке гидроприводов окончательно определяется
расположение гидродвигателя, насосной установки, гидроаппаратуры, часть которой
смонтирована на насосной установке, другая часть смонтирована в виде
гидроблоков управления на специальных плитах.
Чертежи гидроблоков и плит гидроприводов суппортов
продольного и поперечного перемещения и зажима - разжима детали представлены в
графической части выпускной квалификационной работы. При проектировании
гидроблоков управления обеспечиваем удобство сборки, простота, компактность и
технологичность конструкции. Конструкция гидроблоков в целом должна
обеспечивать минимальную длину и простейшую форму трубопроводов и удобство
обслуживания, не загромождать рабочее пространство станка.
2.7 Расчет
потерь давления в гидроаппаратах
Расчет потерь давления проводим для рабочего хода (РХ) цикл
работы гидропривода поперечного перемещения суппорта для напорной линии по
программе "GIDRO" на ЭВМ.
Исходные данные для расчета:
∆р0 - перепад давления открытия, МПа;
∆рном - потери давления в аппарате при
номинальном расходе, МПа;
Qном - номинальный расход аппарата, м3/с;
Qmax - максимальный расход жидкости в аппарате
на данном этапе цикла, м3/с;
Расчетные формулы:
∆РГА=∆р0+А∙Qmax+В∙Qном2, МПа, (2.16)
где А и В - коэффициенты аппроксимации экспериментальной
зависимости потерь давления в аппарате от расхода жидкости проходящего через
него:
Пример расчета потерь давления в обратном клапане 1МКО 10/20
ТУ2-053-1841-87;
∆р0 - 0,15 МПа;
∆рном - 0,3 МПа;
Qном - 0,00053м3/с;
Qmax - 0,0002 м3/с;
Подставим данные в формулы (2.17) и (2.18):
Результаты расчета представлены в таблице 2.1.
Таблица 2.1 - Потери давления в гидроаппаратуре
|
Наименование
аппарата
|
dро
МПа
|
А
|
В
|
Этап цикла
|
Qmax м3/c
|
dр МПа
|
|
1
|
2
|
3
|
4
|
5
|
6
|
7
|
|
Напорная линия
|
|
Клапан обратный
|
0,15
|
140,6
|
263671,9
|
РХ
|
2Е-4
|
0,16
|
|
Клапан
редукционный
|
0,3
|
150
|
225000
|
РХ
|
2Е-4
|
0,34
|
|
Гидрораспределитель
|
0
|
288
|
1382400
|
РХ
|
1Е-4
|
0,04
|
|
Регулятор расхода
|
0
|
240
|
576000
|
РХ
|
1Е-1
|
0,03
|
|
Сливная линия
|
|
Клапан давления
|
0
|
562,5
|
1054687
|
РХ
|
12Е-7
|
7Е-4
|
|
Гидрораспределитель
|
0
|
288
|
1382400
|
РХ
|
12Е-7
|
3,5Е-4
|
|
Клапан давления
|
0
|
562,5
|
1054687,6
|
РХ
|
24Е-7
|
14Е-4
|
|
ИТОГО
|
24Е-4
|
2.8
Определение потерь давления в трубопроводах
2.8.1
Определение потерь в трубопроводах по длине
Для каждого трубопровода определим число Рейнольдса (Rе):
где U - фактическая скорость течения жидкости в трубопроводе м/с;

- диаметр трубопровода, мм;

- кинематический коэффициент вязкости жидкости, для ИГП-30

=30∙10-6 м2/с.
Затем сравним это число с Rе кр:
если Rе ≤Rе кр, то режим течения жидкости - ламинарный;
если Rе ˃Rе кр, то режим течения жидкости -
турбулентный;
Для гладких круглых труб, а также для отверстий в корпусе
гидроблока управления Rе кр =2300, для соединительных рукавов Rе кр =1600.
Потери давления ∆рi на вязкое трение определим по формуле:
где 
- плотность рабочей жидкости, для ИГП - 30 
=885 кг/м3;
Q - расход жидкости в линии, л/мин;

- коэффициент гидравлического трения на i - участке;
ni - число участков.

- площадь внутреннего сечения трубопровода перед i - сопротивлением, м2;
Для гладких цилиндрических трубопроводов коэффициент λi
определяем по формуле:
при ламинарном режиме:
при турбулентном режиме:
Расчет потерь давления производим для этапа рабочего хода (РХ)
цикла работы гидропривода поперечного перемещения суппорта (правого):
Пример расчета для участка 1 - 8:
Q=12 л/мин=0,2∙10-3 м3/с;
dст= 10,8∙10-3
м;
где
fст -
площадь внутреннего сечения трубопровода.
Rе≤ Rекр, режим течения - ламинарный.
Потери давления на вязкое трение на участке:
Результаты расчета для всех участков сведены в таблицу 2.2.
Таблица 2.2 - Результаты расчета потерь давления по длине
трубопровода
|
Этап цикла
|
Линия
|
Участок
|
Qmaxх10-3
м3/с
|
dстiх10-3
м
|
fстiх10-3
м2
|
Ui
м/с
|
Rei
|
λi
|
Li м
|
∆рi МПа
|
∆рl МПа
|
|
1
|
2
|
3
|
4
|
5
|
6
|
7
|
8
|
9
|
10
|
11
|
12
|
|
РХ
|
напорная
|
1-8
|
0,2
|
10,8
|
0,092
|
2,17
|
781,2
|
0,082
|
1
|
0,016
|
0,082
|
|
|
8-9
|
0,1
|
8
|
0,05
|
2
|
533,3
|
0,12
|
2
|
0,05
|
|
|
|
10-11
|
0,002
|
6,8
|
0,036
|
2,7
|
612
|
0,105
|
0,3
|
0,016
|
|
|
РХ
|
сливная
|
12-13
|
0,001
|
6,8
|
0,036
|
0,03
|
6,8
|
9,41
|
0,3
|
0,0002
|
0,00097
|
|
|
14-21
|
0,001
|
8
|
0,05
|
0,024
|
6,4
|
10
|
2
|
0,0006
|
|
|
|
21-36
|
0,002
|
12
|
0,11
|
0,022
|
8,8
|
7,27
|
1
|
0,0001
|
|
|
|
|
|
|
|
|
|
|
|
|
|
2.8.2
Определение местных потерь
Местные потери (∆рм) складываются из потерь
в различных местных сопротивлениях (∆рмi) и определяются по
формуле:
где 
- коэффициент местного сопротивления;
nм - число
местных сопротивлений;

- площадь внутреннего сечения трубопровода перед i - сопротивлением, м2;
Расчет потерь давления также производим для рабочего хода (РХ)
цикла работы гидропривода поперечного перемещения суппорта.
Пример расчета местных сопротивлений для участка 1-2:

= 0,8 - тип местного сопротивления - резкое расширение [3].
Результаты расчета местных потерь давления для всех участков
сведены в таблицу 2.3.
Таблица 2.3 - Результаты расчета местных потерь давления в
гидроприводе
Этап цикла Линия Участок Qmaxх10-3
м3/с fстiх10-3 м2 Вид
местного спорот. Кол-во мест. Сопрот. 
i
∆рi
МПа∆рм
|
МПа
|
|
|
|
|
|
1
|
2
|
3
|
4
|
5
|
6
|
7
|
8
|
9
|
10
|
11
|
|
РХ
|
Напорная линия
|
1-2
|
0,2
|
0,092
|
|
1
|
0,8
|
8,5
|
0,0017
|
0,024
|
|
|
2-7
|
0,2
|
0,15
|
|
2
|
1,2
|
|
0,0019
|
|
|
|
2-7
|
0,2
|
0,15
|
|
1
|
0,2
|
|
0,00016
|
|
|
|
7-8
|
0,2
|
0,092
|
|
1
|
0,2
|
|
0,00042
|
|
|
РХ
|
Напорная линия
|
8-9
|
0,1
|
0,05
|
|
1
|
0,2
|
8,5
|
0,00035
|
0,024
|
|
|
9-10
|
0,1
|
0,028
|
|
2
|
1,2
|
|
0,00036
|
|
|
|
9-10
|
0,1
|
0,028
|
|
1
|
1,1
|
|
0,0062
|
|
|
РХ
|
Напорная линия
|
9-10
|
0,1
|
0,08
|
|
1
|
1,2
|
8,5
|
0,000001
|
0,024
|
|
|
9-10
|
0,001
|
0,08
|
|
1
|
1,2
|
|
0,000001
|
|
|
|
10-11
|
0,001
|
0,036
|
|
1
|
1,2
|
|
0,000001
|
|
|
|
12-13
|
0,001
|
0,036
|
|
1
|
1,1
|
|
0,000004
|
|
|
|
13-14
|
0,001
|
0,078
|
|
1
|
1,2
|
|
0,000001
|
|
|
Сливная линия
|
13-14
|
0,001
|
0,078
|
|
1
|
0,4
|
5,3
|
0,000005
|
2∙10-6
|
|
|
14-21
|
0,001
|
0,05
|
|
1
|
0,8
|
|
0,000005
|
|
|
|
14-21
|
0,001
|
0,05
|
|
1
|
0,8
|
|
0,000009
|
|
|
|
14-21
|
0,001
|
0,05
|
|
1
|
0,8
|
|
|
Итого
|
0,026
|
|
|
|
|
|
|
|
|
|
|
|
|
2.9
Описание устройства автомата и суппортов
На чертеже общего вида токарного автомата изображены и
обозначены узлы и детали, непосредственно обеспечивающие токарную обработку
канавки кольца (см. чертеж ВКР15.03.05.09.002.02.01.00). Станок спроектирован
на базе доводочно-полировального автомата, поэтому отдельные механизмы и
оборудование остались неименными и условно не показаны.
Привод главного движения 1 (см. чертеж ВКР15.03.05.09.002.02.01.00)
обеспечивает вращение заготовок. Особенностью работы автомата является то, что
одновременно обрабатываются два кольца с различных сторон и имеется одна
загрузочная позиция. Заготовки закрепляются в цанговом патроне 5. Продольные
суппорты, в частности левый 6, обеспечивают продольное перемещение резцов в
рабочую зону. Резцы установлены и закреплены на поперечных суппортах 2, 3,
которые непосредственно обеспечивают движение врезания. Суппорты крепятся к
станку с помощью установочных плит 11,12. Привод главного движения также
закрепляется на плите 10. Рассмотрим устройство суппорта на примере левого
поперечного суппорта. (ВКР15.03.05.09.002.02.01.00 лист 2) Передаваемое от
гидроцилиндра 35 усилие воздействует от упора на шток 10, который перемещает стол
3 и закрепленный на нем кронштейн 4, несущий режущий инструмент. Ход
регулируется упором 1 по лимбу. Перемещение осуществляется по направляющим
основания 2. Имеются отверстия для подачи смазки, заглушенные пробками, для
равномерного распределения смазки имеются смазочные канавки.
Крепление элементов, в том числе гидроцилиндра осуществляется
с помощью болтов, винтов и штифтов. Привод всех поперечных и продольных
суппортов выполнен гидравлическим, так как это позволяет сэкономить рабочее
пространство станка, в виду компактности гидроаппаратуры и легкости её монтажа.
3. Разработка
технологического процесса изготовления плиты гидроблока торможения
3.1
Назначение, конструкция и анализ технологичности детали
Плита является частью гидросистемы токарного автомата для
растачивания канавок под уплотнения в подшипниках качения, а именно, она входит
в состав гидропривода продольного перемещения суппортов с путевым управлением.
Данная плита служит для монтажа на ней гидроаппаратуры и трубопроводов.
Присоединяемые аппараты должны полностью прилегать к поверхности плиты, чтобы
предупредить утечки масла, поэтому эти поверхности необходимо шлифовать.
Материал используемый для изготовления данной детали: Сталь 35 (ГОСТ 1050-74).
Химический состав стали 35 приведен в таблице 3.1, механические свойства
представлены в таблице 3.2.
Таблица 3.1 - Химический состав стали 35
|
С %
|
Si %
|
Mn %
|
не более
|
Ni %
|
Cr %
|
|
|
|
S %
|
P %
|
|
|
|
0,32-0,40
|
0,17-0,37
|
0,5-0,8
|
0,4
|
0,035
|
0,25
|
0,25
|
Таблица 3.2 - Механические свойства стали 35
|
σт МПа
|
σвр МПа
|
σ5 %
|
ψ %
|
αн Дж/см2
|
НВ не более
|
|
не менее
|
|
горячекатаная
|
отожжённая
|
|
320
|
540
|
20
|
45
|
70
|
207
|
-
|
Нетехнологичным является сверление глухих и перекрёстных
отверстий, так как при выходе сверла возможен увод или поломка инструмента. В
целом деталь имеет простую геометрическую форму и поэтому конструкция позволяет
применить повышенные режимы резания и высокопроизводительные методы обработки.
Из высокопроизводительных методов обработки и снижения затрат времени можно
предложить фрезерование торцов плиты пакетами, то есть фрезерование целого
пакета, набранного из деталей. Еще для снижения затрат времени на изготовление
плиты нужно применять при сверлении отверстий станки с ЧПУ.
3.2 Выбор
типа производства
Исходные данные:
Годовая программа, N=2000 шт;
режим работы двухсменный.
Определим действительный годовой фонд времени работы
оборудования:
Fд= (D-d) ·h·S·Kp, ч, (3.1)
где D - количество календарных дней в году;
d - количество нерабочих дней;
h-продолжительность смены;
S - количество смен в сутки;
Кр - коэффициент планируемых потерь времени.
Fд= (365-113) ∙2∙8∙0,97=3912 ч.
3.3 Выбор
типа заготовки
Выбор заготовки для деталей машин обуславливается назначением
и конструкцией детали, материалом, техническими требованиями чертежа,
серийностью и масштабом выпуска, а также минимальными затратами на изготовление
детали.
Исходные данные:
материал детали - сталь 35;
масса детали - 2,19 кг;
годовая программа 2000 шт.
Сравним два варианта получения заготовок: - из проката и
отливкой.
3.3.1
Себестоимость заготовки из проката
Себестоимость заготовки из проката найдем по формуле:

, руб, (3.2)
где 
- затраты на материал заготовки, руб;

- технологическая себестоимость операций правки, калибрования
прутков, разрезки их на штучные заготовки:
где
- приведенные затраты на рабочем месте, руб/ч;

- штучное или штучно калькуляционное время выполнения
заготовительной операции (правки, калибрования, разгрузки и др.) мин.
По данным приведенные затраты, приходящиеся на 1 час работы
оборудования резки заготовок на отрезном станке модели РРS-270THP, работающих
ленточным ножовочным полотном 2360х19х0,9 составляют 280,2 руб/час. Затраты на
материал определяются по массе проката, требующегося на изготовление детали, и
массе сдаваемой стружки. При этом учитывается стандартная длина прутков и
отходы в результате не кратности длины заготовок этой стандартной длине:
где 
- масса заготовки, кг.;

- цена 1 кг. Материала заготовки, руб.;

- масса готовой детали, кг.;

- цена 1 т. отходов, руб.

руб/ч.
Тшт= 1,1 мин - штучное время при отрезке.
Sзаг1=68,69+5,13=73,82
руб.
Квадрат h11-КД-115 ГОСТ
8559-75/35-Б-М3-ТВ2-ГС-НГ ГОСТ 1050-88
3.3.2
Стоимость заготовки из отливок
Стоимость заготовок, получаемых методом отливок можно с
достаточной точностью определить по формуле:
где
- базовая стоимость тонны заготовки, руб. /т;
kt - коэффициент зависящий от точности;
kc - коэффициент сложности заготовки;
kb - коэффициент массы отливок;
km - коэффициент материала;
kn - коэффициент объема производства;
Qзаг - масса заготовки, кг.
Так как отличий в механической обработке нет, то можно сразу
определить по формуле годовой экономический эффект.
Эг= (Sзаг2-Sзаг1) N, руб, (3.6)
Эг= (365,58-73,82) ∙2000=583520 руб.
Годовой экономический эффект при производстве заготовок из проката
составляет 583520 рублей.
3.4 Выбор
плана обработки детали
При исследовании технологического процесса следует руководствоваться
следующими принципами:
- при обработке у заготовок всех
поверхностей в качестве технологических баз для первой операции целесообразно
использовать поверхности с наименьшими припусками;
- в первую очередь следует обрабатывать те
поверхности, которые являются базовыми в дальнейшей обработке;
- далее выполняют обработку тех
поверхностей, при снятии стружки с которых в меньшей степени уменьшается
жесткость детали;
- в начале технологического процесса следует
осуществлять те операции, в которых велика вероятность получения брака из-за
дефекта.
Технологический процесс записывается по операционно, с
перечислением всех переходов.
Основные технологические операции при изготовлении плиты
гидроблока торможения:
- фрезерная
(фрезерование поверхности);
- шлифовальная
(шлифовка поверхности).
- сверлильная (сверление отверстий,
нарезание резьбы);
- слесарная (гравировать обозначение
отверстий, притупление кромок);
- контрольная;
Маршрут обработки детали
- фрезерная операция;
- фрезерная операция;
- фрезерная операция;
- шлифовальная операция;
- шлифовальная операция;
- сверлильная операция ЧПУ;
- сверлильная операция ЧПУ;
- сверлильная операция ЧПУ;
- слесарная операция;
- контрольная операция;
Структура операций по переходам
. Фрезерная операция
1. Фрезеровать широкую поверхность 1, 2 в размер 40,5 мм
. Фрезерная операция
. Фрезеровать торец 3,4 в размер 67,5 мм.
. Фрезерная операция
. Фрезеровать торец 5, 6 в размер 109,5 мм
. Шлифовальная операция
. Шлифовать поверхность 1 в размер 44 мм
. Шлифовальная операция
. Шлифовать поверхность 5 в размер 109 мм
. Сверлильная операция
. Наметить отверстия
. Сверлить 2 отверстия Ø 9 мм
. Сверлить 4 отверстия Ø 8,4 мм
. Сверлить отверстие Ø14 мм
. Сверлить отверстие Ø 11 мм
. Сверлить 2 отверстия Ø4 мм
. Зенковать 2 отверстия Ø5,5 мм
. Развернуть 2 отверстия Ø6 мм
. Нарезать резьбу М10 - 6 отверстия
. Сверлильная операция
. Наметить отверстия
. Сверлить отверстие Ø11мм
. Сверлить отверстие Ø10 мм
. Зенковать 2 отверстия Ø 11 мм
. Нарезать резьбу К1/4'' - 2 отверстия
. Сверлить отверстие Ø8,7 мм
. Развернуть отверстие Ø8,7 мм
. Нарезать резьбу К1/8''
. Сверлильная операция
. Наметить отверстия
. Сверлить 4 отверстия Ø 4мм
. Сверлить отверстие Ø 6 мм
. Сверлить отверстие Ø 6 мм
. Сверлить отверстие Ø 6 мм
. Нарезать резьбу М5 - 4 отверстия
. Слесарная операция
. Гравировать обозначение отверстий согласно чертежа
. Притупить острые кромки
. Контрольная
. Контролировать габаритные размеры 44,67 и 109 мм
. Контролировать шероховатость поверхностей 1 и 5
. Контролировать расположение отверстий
. Контролировать резьбу с помощью калибров - пробок
3.5 Расчет
припусков на обработку
Произведем расчет припусков на фрезерную обработку.
Рассчитаем припуск на обработку высоты плиты размер которой задан 
, смотри рисунок 3.1, несоблюдение этого размера может привести к
ухудшению прилегания гидрораспределителя, что может привести к нарушению
герметичности конструкции и утечкам масла из системы гидропривода.
Рисунок 3.1 - Схема установки
Исходные размеры заготовки:
-2 плоскости размером 114х70;
-4 плоскости размером 49х70;
-6 плоскости размером 49х114;
Размеры заданные чертежом:
-2 плоскости размером 
х
;
-4 плоскости размером 
х
;
-2 плоскости размером 
х
;
Суммарное значение пространственных отклонений для заготовок
данного типа определяется по формуле:

, мкм, (3.7)
где
- удельная кривизна заготовок;

=0,6∙114=68,4 мкм, (3.8)

=505 мкм.
Остаточные пространственные отклонения:
- после предварительного
фрезерования 
=95мкм;
- после окончательного
фрезерования 
=65мкм;
- после однократного шлифования 
=36мкм;
Расчет минимальных значений припусков производим, пользуясь
основной формулой:

мкм, (3.9)
Минимальный припуск:
- под
предварительное фрезерование:

=805 мкм
- под чистовое
фрезерование:

=195 мкм
- под
шлифование:

=125 мкм
Расчетный размер" (dp) заполняется, начиная с конечного (в данном случае чертежного)
размера последовательным прибавлением расчетного минимального припуска каждого
технологического перехода.
Таким образом, имея расчетный (чертежный) размер, после последнего
перехода (в данном случае шлифовки 44,018) для остальных переходов получаем:

;

;

.
Предельные значения припусков 
определяем как разность наибольших предельных размеров и 
- как разность наименьших предельных размеров предшествующего и
выполняемого переходов:

=210мкм;

44,540 - 44,235=0,305мм=305 мкм;

44,540=1,785 мм=1785 мкм;

мм=125 мкм;

=195 мкм;

мм=805мкм;
Данные расчета представлены в таблице 3.3.
Таблица 3.3 - Результаты расчета
|
Технологические
переходы обработки поверхности
|
Элементы
припуска, мкм
|
Расч. припуск
2Zmin
|
Расч. размер dр,
мм
|
Допуск  , мкмПредельный размер, мм
|
Предельные
значения припусков, мкм
|
|
|
|
Rz
|
T
|
|
|
|
|
dmin
|
dmax
|
|
|
|
Заготовка
|
150
|
150
|
505
|
|
45,125
|
1200
|
45,125
|
46,325
|
-
|
-
|
|
Фрезерование
черновое
|
50
|
50
|
95
|
805
|
44,32
|
220
|
44,32
|
44,540
|
805
|
1785
|
|
Фрезерование
чистовое
|
30
|
30
|
65
|
195
|
44,125
|
110
|
44,125
|
44,235
|
195
|
305
|
|
Шлифование
|
10
|
20
|
36
|
125
|
44,003
|
15
|
44,003
|
44,018
|
125
|
210
|
3.6 Расчет
режимов резания
Пример расчета приведем для фрезерной операции 010:
Фрезерование поверхностей 1,2 размерами 114х70 мм.
Расчет длинны рабочего хода фрезы:

, мм, (3.10)
где 
- длина резания, мм.;

- подвод, врезание, перебег инструмента, мм.;

- дополнительная длина хода, вызванная в отдельных случаях
особенностями наладки и конфигурации детали, мм.

114+7+8=129 мм.
Для обработки поверхностей выбираем фрезу по ГОСТ 29092-91
Фреза 2200-0313 ГОСТ 29092-91:
D=120 мм;
z=10;
d=40 мм;
L=135 мм.
Произведем расчет:
скорость резания V, м/мин-1;
частота вращения шпинделя nм, мм/мин;
подача Sм, мм/ мин.
Окружная скорость фрезы:
где Сv -
коэффициент материала;
Sz - величина подачи на один зуб. мм/об;
Т - период стойкости инструмента;
t - глубина резания, мм;
В - ширина обрабатываемой поверхности, мм;
Кv - поправочный коэффициент.
Кv=KMv∙Knv∙Kuv, (3.12)
где Kuv - коэффициент влияния инструментального
материала;
Knv - коэффициент состояния поверхностного
слоя.
Рассчитаем режим чернового фрезерования:
Расчет частоты оборотов шпинделя:
Расчет минутной подачи:
Sм=Sz∙Z∙n, мм/мин, (3.15)
Sм=0,2∙10∙100
= 200 мм/мин.
Для остальных операций режимы резания представлены в таблице 3.4.
Таблица 3.4 - Режимы резания
|
Операция,
технологические переходы
|
Элементы
режимов резания
|
|
L (D), мм
|
t, мм
|
S, мм/об
|
V, м/мин
|
n, об/мин
|
S, мм/мин
|
|
005,
Фрезерование поверхностей 1 и 2
|
114
|
2,5
|
1,2
|
250
|
650
|
200
|
|
010,
Фрезерование поверхностей 3 и 4
|
50
|
3,5
|
1,2
|
250
|
650
|
176
|
|
015,
Фрезерование поверхностей 5 и 6
|
69
|
1
|
1,2
|
250
|
650
|
200
|
|
020, Шлифование
поверхности 1
|
114
|
0,5
|
0,5
|
300
|
1200
|
270
|
|
025, Шлифование
поверхности 4
|
50
|
0,5
|
0,5
|
300
|
1200
|
270
|
|
030,
Сверлильная ЧПУ
|
|
Центрованные
отверстий
|
1
|
5
|
0,07
|
22
|
1000
|
|
Сверление
отверстий Ø 9мм
|
9
|
25
|
0,05
|
22
|
780
|
40
|
|
Сверление
отверстия Ø 14 мм
|
14
|
18
|
0,06
|
22
|
500
|
33
|
|
Сверление
отверстий Ø11 мм
|
11
|
27
|
0,06
|
22
|
650
|
36
|
|
Сверление
отверстий Ø 4 мм
|
4
|
10
|
0,04
|
22
|
1200
|
49
|
|
Зенкерование
отверстия Ø 5,5
мм
|
5,5
|
6
|
0,05
|
22
|
1000
|
45
|
|
Развертка
отверстия Ø 6 мм
|
6
|
10
|
0,06
|
22
|
100
|
46
|
|
Нарезание
резьбы М10
|
1
|
20
|
-
|
3
|
80
|
-
|
|
035,
Сверлильная ЧПУ
|
|
Центрованные
отверстий
|
1
|
5
|
0,07
|
22
|
3000
|
230
|
|
Сверлить
отверстие Ø10 мм
|
10
|
39
|
0,05
|
22
|
700
|
38
|
|
Сверлить
отверстие Ø10 мм
|
10
|
48
|
0,05
|
22
|
700
|
38
|
|
Зенкерование
отверстий Ø11 мм
|
11
|
18
|
0,06
|
22
|
650
|
36
|
|
Нарезание
резьбы К1/4”
|
10
|
2
|
-
|
3
|
80
|
-
|
|
Сверлить
отверстие Ø 7 мм
|
7
|
37
|
0,04
|
22
|
1000
|
45
|
|
Зенкеровать
отверстие
|
8
|
12
|
0,7
|
20
|
670
|
500
|
|
Нарезание
резьбы К1/8”
|
8,7
|
12
|
-
|
3
|
80
|
-
|
|
040,
Сверлильная ЧПУ
|
|
Центрование
отверстий
|
1
|
5
|
0,07
|
22
|
3000
|
230
|
|
Сверлить
отверстия Ø6мм
|
6
|
12
|
0,04
|
22
|
1200
|
49
|
|
Сверлить
отверстия Ø 7 мм
|
7
|
11
|
0,04
|
22
|
1000
|
45
|
|
Нарезать резьбу
М8
|
8
|
9
|
-
|
3
|
80
|
-
|
3.7 Расчёт
технологических норм времени
Нормативы времени рассчитываем на одноинструментальную
обработку в условиях одиночного обслуживания. Норма времени на выполнение
станочной операции состоит из нормы подготовительно - заключительного времени tп. з. и нормы штучного времени
Тшт. Приведем пример расчета штучно - калькуляционного времени для
операции фрезерования плоскости 114х70 мм высотой 44 мм цилиндрической фрезой
на продольно - фрезерном станке 6308 с длинной стола 3000 мм. Деталь
устанавливается в тиски с пневмозажимом.
Определим состав подготовительно - заключительного времени:
- Установка тисков с креплением 4-мя болтами
- 14 мин.;
- Установка
фрезы - 2 мин.;
- Завершительные
работы - 7 мин.;
tп. з=tприсп+tинст+tзав, мин, (3.16)
где tприсп - время на установку приспособления, мин.;
tинст - время на установку инструмента, мин.;
tзав - время на завершительные работы, мин.
tп. з=14+2+7=23 мин.
Время на приемы управления:
- Включить и выключить станок - 0,1 мин.;
- Подвести деталь к фрезе в продольном
направлении - 0,03 мин.;
- Переместить стол в обратном направлении -
0,06 мин.;
Вспомогательное время:
Тв. = (Ту. с. +Тз. о. +Тупр.)
К, мин, (3.17)
где Ту. с. - время на установку детали, мин.;
Тз. о. - время завершительных работ, мин.;
Тупр. - время на приемы управления, мин;
К=1,85 - поправочный коэффициент при серийном производстве.
Тв. = (1,7+0, 19+0,032) ∙1,85=2,48 мин.
Время на обслуживание рабочего места и отдых составляет 6%
оперативного времени.
Тоб. от. =Топ. ∙6%, мин, (3.18)
где Топ. - операционное время, мин.
Штучно-калькуляционное время:
Тшк=
+То+ (Ту. с. +Тз. о. +Туп)
К+Тоб. от., мин, (3.19)
В таблице 3.5 представлено штучно калькуляционное время
изготовления плиты торможения.
Таблица 3.5 - Штучно-калькуляционное время изготовления плиты
торможения
|
Токарно-фрезерная
операция
|
Диаметр
участка, мм
|
Глубина
резания, мм
|
Длина обр-ки мм
|
То
мин
|
Тподг
мин
|
Твсп
мин
|
Тш. к. мин
|
|
до обработки
|
после обработки
|
|
|
|
|
|
|
|
1
|
2
|
3
|
4
|
5
|
6
|
7
|
8
|
9
|
|
005 фрезерная
обработка
|
|
Фрезерование
поверхностей 1 и 2.
|
-
|
-
|
3,5
|
114
|
0,15
|
8
|
2,48
|
10,63
|
|
010 фрезерная
обработка
|
|
Фрезерование
поверхностей 3 и 4.
|
-
|
-
|
4,5
|
67
|
0,2
|
8
|
2,48
|
10,68
|
|
015 фрезерная
обработка
|
|
Фрезерование
поверхностей 5 и 6.
|
-
|
-
|
2
|
44
|
0,15
|
8
|
2,48
|
10,63
|
|
020
шлифовальная операция
|
|
Шлифование
поверхности 1
|
-
|
-
|
0,5
|
109
|
1,5
|
7
|
2,0
|
10,5
|
|
025
шлифовальная операция
|
|
Шлифование
поверхности 5
|
-
|
-
|
0,5
|
67
|
1,7
|
7
|
2,0
|
10,7
|
|
030 сверлильная
операция ЧПУ
|
|
Центрование
отверстий
|
0
|
2,5
|
5
|
-
|
0,22
|
10
|
3,5
|
20,78
|
|
Сверление 6
отверстий Ø9мм
|
0
|
9
|
25
|
-
|
3,72
|
|
|
|
|
Продолжение
таблицы 3.5
|
|
1
|
2
|
3
|
4
|
5
|
6
|
7
|
8
|
9
|
|
Сверление
отверстия Ø14мм
|
0
|
14
|
18
|
-
|
0,53
|
10
|
3,5
|
20,78
|
|
Сверление
отверстия Ø11мм
|
0
|
11
|
27
|
-
|
0,55
|
|
|
|
|
Сверление 2
отверстий Ø 4мм
|
0
|
4
|
6
|
-
|
0,24
|
|
|
|
|
Зенкование 2
отверстий Ø5,5 мм
|
4
|
5,5
|
6
|
-
|
0,24
|
10
|
3,5
|
20,78
|
|
Развертка 2
отверстий Ø 6 мм
|
5,5
|
6
|
6
|
-
|
0,18
|
|
|
|
|
Нарезание
резьбы М10 - 4 отверстия
|
9
|
10
|
20
|
-
|
1,6
|
|
|
|
|
035 сверлильная
операция ЧПУ
|
|
Центрование
отверстий
|
0
|
2,5
|
5
|
-
|
0,07
|
10
|
3,5
|
20,04
|
|
Сверлить
отверстие Ø10 мм
|
0
|
10
|
39
|
-
|
1,35
|
|
|
|
|
Сверлить
отверстие Ø10 мм
|
0
|
10
|
48
|
-
|
1,58
|
|
|
|
|
Зенкеровать 2
отверстия Ø 11 мм
|
10
|
11
|
18
|
-
|
1,00
|
|
|
|
|
Нарезать резьбу
К1/4”
|
11
|
11,8
|
18
|
-
|
1,10
|
|
|
|
|
Сверлить
отверстие Ø7 мм
|
0
|
7
|
37
|
-
|
0,82
|
|
|
|
|
Зенкеровать
отверстие Ø8
|
7
|
8
|
18
|
-
|
0,27
|
|
|
|
|
Нарезать резьбу
К1/8”
|
8
|
8,7
|
18
|
0,35
|
|
|
|
|
040 сверлильная
операция ЧПУ
|
|
Центрование
отверстий
|
0
|
2,5
|
5
|
-
|
0,16
|
10
|
3,5
|
16,77
|
|
Сверление 4
отверстий Ø4мм
|
0
|
4
|
11
|
-
|
0,88
|
|
|
|
|
Сверлить
отверстие Ø6 мм
|
0
|
6
|
27
|
-
|
0,53
|
|
|
|
|
Сверлить
отверстие Ø6 мм
|
0
|
6
|
33
|
-
|
0,65
|
|
|
|
|
Сверлить
отверстие Ø6 мм
|
0
|
6
|
12
|
-
|
0,25
|
|
|
|
|
Нарезать резьбу
М 5
|
4
|
5
|
9
|
-
|
0,8
|
|
|
|
|
ИТОГО:
|
110,7
|
3.8 Выбор оборудования
Для фрезерной операции 005, 010, 015: фрезерный станок 6308,
технические характеристики приведены в таблице 3.6.
Таблица 3.6 - Технические характеристики фрезеровального
станка 6308
|
Параметр
|
Значение
|
|
1
|
2
|
|
Класс точности
станка по ГОСТ 8-82 (Н, П, В, А, С) Н
|
|
|
Длина рабочей
поверхности стола, мм
|
3000
|
|
Ширина стола,
мм
|
800
|
|
Наибольшее
перемещение по осям X,Y,Z, мм
|
3550
|
|
ЧПУ
|
-
|
|
Пределы частот
вращения шпинделя Min/Max, об/мин.
|
25 - 800
|
|
Мощность, кВт
|
13
|
|
Габариты, мм
|
8720_2800_4000
|
|
Масса, кг
|
28600
|
|
Начало
серийного выпуска, год
|
1972
|
|
Завод-производитель
|
Минский
станкостроительный завод им. Октябрьской революции МЗОР, РУП
|
Плоскошлифовальная операция 020, 025: плоскошлифовальный
станок 3711, технические характеристики приведены в таблице 3.7.
Таблица 3.7 - Технические характеристики плоскошлифовального
станка 3711
|
Параметр
|
Значение
|
|
1
|
2
|
|
Класс точности
станка по ГОСТ 8-82 (Н, П, В, А, С) А
|
|
|
Длина (диаметр)
рабочей поверхности стола, мм
|
1000
|
|
Ширина стола,
мм
|
200
|
|
Наибольшая
высота детали, мм
|
250
|
|
ЧПУ
|
-
|
|
Пределы частот
вращения шпинделя Min/Max, об/мин.
|
200 - 2680
|
|
Мощность, кВт
|
2.2
|
|
Габариты, мм
|
3620_2250_1825
|
|
Масса, кг
|
3795
|
|
Начало
серийного выпуска, год
|
1970
|
|
Завод-производитель
|
Оршанский
станкостроительный завод "Красный борец", РУПП
|
Сверлильная операция ЧПУ 030, 035, 040: станок вертикально -
сверлильный ЧПУ 2Р135Ф2/NC-110, модернизированный под систему управления NC-110, технические
характеристики приведены в таблице 3.8.
Таблица 3.8 - Технические характеристики станка 2Р135Ф2/NC-110
|
Параметр
|
Значение
|
|
1
|
2
|
|
Наибольший
диаметр сверления в стали 45 ГОСТ 1050 - 74
|
35 мм
|
|
Размеры конуса
шпинделя по СТ СЭВ 147-75
|
Морзе 4
|
|
Размеры конуса
шпинделя для фрезерования
|
Конус 7: 24
|
|
Наибольшая
ширина фрезерования
|
60 мм
|
|
Наибольший ход
шпинделя
|
250 мм
|
|
Расстояние от
торца шпинделя, до стола
|
600 мм
|
|
Рабочая
поверхность стола, мм 400х710
|
400х710 мм
|
|
Количество
скоростей шпинделя
|
12
|
|
Количество
подач
|
9
|
|
Пределы подач
|
0,1-1,6 мм/об.
|
|
Система
управления ЧПУ
|
NC-110
|
3.9 Выбор
режущего инструмента
Перечень режущего инструмента представлен в таблице 3.9.
Таблица 3.9 - Ведомость режущего инструмента
|
Номер операции
|
Текст перехода
|
Тип инструмента
|
|
1
|
2
|
3
|
|
005
|
Т01
Фрезерование
|
Фреза 1832 ГОСТ
3752-71
|
|
010
|
Т01
Фрезерование
|
Фреза 1845 ГОСТ
3752-71
|
|
015
|
Т01
Фрезерование
|
Фреза 1848 ГОСТ
3752-71
|
|
020, 025
|
Т01Шлифование
|
Шлифовальный
круг 1П 25А 40 СМ15 К7 ГОСТ 2424-83
|
|
030
|
Т01 Сверло
центровочное
|
2317-0113 ГОСТ
14952-75
|
|
Т02 Сверло Ø 9мм
|
2301-0023 ГОСТ
10903-77
|
|
Т03 Сверло Ø14мм
|
2301-0046 ГОСТ
10903-77
|
|
Т04 Сверло Ø11мм
|
2301-0034 ГОСТ
10903-77
|
|
Т05 Метчик М10
|
2621-2593 ГОСТ
3266-81
|
|
Т02 Сверло Ø10мм
|
2301-0033 ГОСТ
10903-77
|
|
Т03 Зенкер Ø 11,75 мм
|
2323-0509 ГОСТ
12489-71
|
|
Т04 Метчик ¼’’
|
2680-0006 ГОСТ
6227-80
|
|
Т06 Зенкер Ø 5,8мм
|
2323-2711 ГОСТ
12486-71
|
|
Т07 Развертка Ø 6мм
|
2363-0064 ГОСТ
1672-80
|
|
Т08 Сверло Ø 7мм
|
2301-0009 ГОСТ
10903-77
|
|
Продолжение
таблицы 3.9
|
|
1
|
2
|
3
|
|
035
|
Т09 Зенкер Ø 8,7мм
|
2323-0503 ГОСТ
12489-71
|
|
Т10 Метчик
1/8’’
|
2680-0006 ГОСТ
6227-80
|
|
040
|
Т01 Сверло
центровочное
|
2317-0113 ГОСТ
14952-75
|
|
Т02 Сверло Ø 4 мм
|
201-040 ГОСТ
10902-77
|
|
Т03 Сверло Ø 6 мм
|
2301-0001 ГОСТ
10903-77
|
|
Т04 Метчик М5
|
2621-2457 ГОСТ
3266-81
|
3.10 Выбор
измерительного инструмента
Перечень измерительного инструмента и калибров представлен в
таблицах 3.10 и 3.11
Таблица 3.10 - Ведомость измерительного инструмента и
калибров конической резьбы
|
Инструмент
|
Марка
|
|
1
|
2
|
|
Штангенглубиномер
|
ШГ-200-0,10
ГОСТ 162-90
|
|
Калибр К1/4”
|
Пробка К1/4”
Р-Р ГОСТ 6485-69
|
|
Калибр К1/8”
|
Пробка К1/8”
Р-Р ГОСТ 6485-69
|
Таблица 3.11 - Ведомость калибров метрической резьбы
|
Инструмент
|
Вставка ПР
|
Вставка НЕ
|
Ручка
|
|
1
|
2
|
3
|
4
|
|
Калибр - пробка
М10
|
8133-922/001
ГОСТ 14810
|
8133-922/002
ГОСТ 14810
|
8054-012 ГОСТ
14748-69
|
|
Калибр - пробка
М5
|
8133-910/001
ГОСТ 14810
|
8133-910/002ГОСТ
14810
|
8054-011 ГОСТ
14748-69
|
3.11
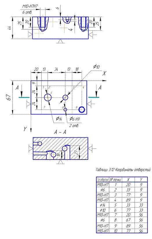
Программирование станка с ЧПУ для сверлильной операции 035
Для разработки управляющей программы составим
расчетно-технологическую карту представленную на рисунке 3.3ю Эта карта
содержит всю необходимую информацию для создания последовательности обработки
отверстий, назначения инструментов, режимы резания представлены в таблице 3.12.
Положение детали относительно плавающего нуля по осям Х и Y определено установкой,
положение по оси Zпринимаем 200 мм. Текст управляющей программы представлен в
таблице 3.13.
Рисунок 3.3 - Расчетно - технологическая карта для 035 операции
Таблица 3.13 - Тест управляющей программы
035 операции
|
№ кадра
|
Текст программы
|
Пояснение
текста программы
|
|
1
|
2
|
3
|
|
%
|
Начало
|
|
1
|
(DIS
“HUDROPLITA01”)
|
Вывод на
дисплей названия программы
|
|
2
|
M00
|
безусловный
останов, продолжение нажатием кнопки "Пуск"
|
|
3
|
G71 G91 G95 G97
X0Y0Z0
|
Программа в мм,
относительная система координат, подача в мм/об., начальная точка X0Y0Z0
|
|
4
|
T1.1 M06 S1000
M13
|
Выбор 1
инструмента и коррекций, включение шпинделя (по час. стрелке с частотой 1000
об/мин), включение СОЖ
|
|
5
|
G 00 X20 Y9
|
Позиционирование,
перемещение на координаты
|
|
6
|
G82 R200 Z-7
F0.05
|
Включение
постоянного цикла (быстрый подвод 200 мм, рабочий ход 7 мм, с подачей 0,05
мм/об)
|
|
7
|
X13
|
Перемещение на
координату
|
|
8
|
X47
|
Перемещение на
координату
|
|
9
|
X18
|
Перемещение на
координату
|
|
10
|
X-65 Y24
|
Перемещение на
координату
|
|
11
|
X34
|
Перемещение на
координату
|
|
12
|
X-65 Y24
|
Перемещение на
координату
|
|
13
|
X65
|
Перемещение на
координату
|
|
14
|
X21
|
Перемещение на
координату
|
|
15
|
G80
|
Выключение
постоянного цикла
|
|
16
|
X-98 Y-54 M05
|
Перемещение в
начальную точку, выключение шпинделя
|
|
17
|
T2.2 M06 S 1000
M13
|
Выбор 2
инструмента и коррекций, включение шпинделя (по час. стрелке с частотой 1000
об/мин), включение СОЖ
|
|
18
|
G00 X20 Y9
|
Позиционирование,
перемещение на координаты
|
|
19
|
G81 R200 Z-27
F0.1
|
Включение
постоянного цикла (быстрый подвод 200 мм, рабочий ход 27 мм, с подачей 0,1
мм/об)
|
|
20
|
X60
|
Перемещение на
координату
|
|
21
|
X18
|
Перемещение на
координату
|
|
22
|
Y48
|
Перемещение на
координату
|
|
23
|
X-18
|
Перемещение на
координату
|
|
24
|
X-60
|
Перемещение на
координату
|
|
25
|
G80
|
Выключение
постоянного цикла
|
|
26
|
X-20 Y-54 M05
|
Перемещение в
начальную точку, выключение шпинделя
|
|
27
|
T3.3 M06 S1500
M13
|
Выбор 3
инструмента и коррекций, включение шпинделя (по час. стрелке с частотой 1500
об/мин), включение СОЖ
|
|
28
|
G00 X33 Y9
|
Позиционирование,
перемещение на координаты
|
|
29
|
G81 R200 Z-12
F0.04
|
Включение
постоянного цикла (быстрый подвод 200 мм, рабочий ход 12 мм, с подачей 0,04
мм/об)
|
|
30
|
X47 Y48
|
Перемещение на
координату
|
|
31
|
G80
|
Выключение
постоянного цикла
|
|
32
|
X-67 Y-57 M05
|
Перемещение в
начальную точку, выключение шпинделя
|
|
33
|
T4.4 M06 S700
M13
|
Выбор 4
инструмента и коррекций, включение шпинделя (по час. стрелке с частотой 700
об/мин), включение СОЖ
|
|
34
|
X33 Y33
|
Позиционирование,
перемещение на координаты
|
|
35
|
G81 R200 Z-20
F0.14
|
Включение
постоянного цикла (быстрый подвод 200 мм, рабочий ход 270 мм, с подачей 0,14
мм/об)
|
|
36
|
G80
|
Выключение
постоянного цикла
|
|
37
|
X-33 Y-33 M05
|
Перемещение в
начальную точку, выключение шпинделя
|
|
38
|
T5.5 M06 S850
M13
|
Выбор 5
инструмента и коррекций, включение шпинделя (по час. стрелке с частотой 850
об/мин), включение СОЖ
|
|
39
|
X67 Y33
|
Позиционирование,
перемещение на координаты
|
|
40
|
G81 R200 Z-29
F0.1
|
Включение
постоянного цикла (быстрый подвод 200 мм, рабочий ход 29 мм, с подачей 0,1
мм/об)
|
|
41
|
G80
|
Выключение
постоянного цикла
|
X-67 Y-33 M05
|
Перемещение в
начальную точку, выключение шпинделя
|
|
43
|
T6.6 M06 S80
M13
|
Выбор 6
инструмента и коррекций, включение шпинделя (по час. стрелке с частотой 1000
об/мин), включение СОЖ
|
|
44
|
X20 Y9
|
Позиционирование,
перемещение на координаты
|
|
45
|
G84 R200 Z-27
K1.5
|
Включение
постоянного цикла (быстрый подвод 200 мм, рабочий ход 27 мм)
|
|
46
|
X20 Y9
|
Перемещение на
координату
|
|
47
|
X60
|
Перемещение на
координату
|
|
48
|
X18
|
Перемещение на
координату
|
|
49
|
Y18
|
Перемещение на
координату
|
|
50
|
X-18
|
Перемещение на
координату
|
|
51
|
X-60
|
Перемещение на
координату
|
|
52
|
G80
|
Выключение
постоянного цикла
|
|
53
|
X-20 Y-54 M05
|
Перемещение в
начальную точку, выключение шпинделя
|
|
54
|
T7.7 M06 S1000
M13
|
Выбор 5
инструмента и коррекций, включение шпинделя (по час. стрелке с частотой 850
об/мин), включение СОЖ
|
|
55
|
G00 X33 Y9
|
Позиционирование,
перемещение на координаты
|
|
56
|
G82 R200 Z-8
F0.05
|
Включение
постоянного цикла (быстрый подвод 200 мм, рабочий ход 8 мм, с подачей 0,05
мм/об)
|
|
57
|
X47 Y48
|
Перемещение на
координату
|
|
58
|
G80
|
Выключение
постоянного цикла
|
|
59
|
X-67 Y-57 M05
|
Перемещение в
начальную точку, выключение шпинделя
|
|
60
|
T8.8 M06 S1000
M13
|
Выбор 8
инструмента и коррекций, включение шпинделя (по час. стрелке с частотой
1000об/мин), включение СОЖ
|
|
61
|
G00 X33 Y9
|
Позиционирование,
перемещение на координаты
|
|
62
|
G86 R200 Z-8
F0.05
|
Включение
постоянного цикла (быстрый подвод 200 мм, рабочий ход 8 мм, с подачей 0,05
мм/об)
|
|
63
|
X47 Y48
|
Перемещение на
координату
|
|
64
|
G80
|
Выключение
постоянного цикла
|
|
65
|
X-67 Y-57 M05
M09
|
Перемещение в
начальную точку, выключение шпинделя
|
|
66
|
(DIS, TIM)
|
Вывод на экран
времени обработки
|
|
67
|
(TMR=3)
|
Пауза
|
|
68
|
M30
|
Сброс программы
|
|
%
|
Конец
|
Представленный текс управляющей программы является
универсальным для системы управления NC/110, соответственно текст управляющей программы
может использоваться на всех станках под управлением системы NC/110. Для использования
текста управляющей программы на других станках необходимо произвести коррекции
режущих инструментов на высоту стола и рабочей зоны станка. На другие
сверлильные операции с использованием станков с числовым программным управлением
пишутся подобным образом.
Заключение
В ходе выполнения данной выпускной квалификационной работы
был разработан токарный автомат для растачивания канавок под уплотнения в
наружных кольцах подшипников. Автомат разработан на базе доводочно-полировального
автомата модели Л3-195, которые на данный момент выведены из фонда основного
производства. В один цикл работы автомата в его загружается и обрабатывается
два наружных кольца подшипника. Привод перемещения суппортов и разжима детали
выполнен гидравлическим. В конструкторской части произведен расчет потерь
давления в трубопроводах и гидроаппаратах автомата, данные расчеты показывают,
что потери давления не оказывают значительного влияния на работу автомата,
соответственно и на размеры протачиваемых канавок под уплотнения. В
технологической части разработана технология изготовления гидравлической плиты
узла торможения, составлен маршрут обработки, таблицы режимов резания,
произведен расчет штучно - калькуляционного времени. В заключении
технологической части приведен текст управлявшей программы для станка с
числовым - программным управлением. В приложении представлены: маршрутно -
операционная карта, спецификации к чертежам.
Список
использованных источников
1. Алексеев,
В.С. Токарные работы: учебное пособие для проф. образования / В.С. Алексеев. -
Москва: Альфа-М: Инфра-М, 2009. - 365 с.: ил.
2. Анурьев,
В.И. Справочник конструктора машиностроителя: вена венов 3-х томах / В.И.
Анурьев. - Москва: Машиностроение, 1978. - Т.1. - 416 с; Т.2. - 560 с.
. Аршинов,
В.А. Резание металлов и вежа верарежущий инструмент / В.А. Аршинов, Г.А.
Алексеев. - Москва: Машиностроение, 1975. - 440 с.
. Гидравлика,
гидромашины и гидропневмопривод: авто агат учебное пособие для вузов / под ред.
С.П. Стесина. - 2-е изд., стер. - Москва: Академия, 2006. - 334 с.: ил.
. Горбацевич,
А.Ф. Курсовое проектирование по технологии машиностроения: учебное пособие для
вузов / А.Ф. Горбацевич, В.А. Шкред. - Изд.5-е, стер.; перепеч. с 4-го изд.
1983 г. - Москва: Альянс, 2007. - 255 с.
. Колпаков,
В.Н. Основы расчета даже датаи проектирования гидропневмопривода станочного
оборудования: учебное пособие / В.Н. Колпаков. - Вологда: ВоГТУ, 2008. - 58 с.:
ил.
. Колпаков,
В.Н. Гидропневмопривод станочногогора горн оборудования: учебное пособие / В.Н.
Колпаков. - Вологда: ВоГТУ, 2008. - 135 с.: ил.
. Кондратьев,
А.С. Гидравлика и гидропневмопривод / А.С. Кондратьев. - Москва: Альтаир /
МГАВТ, 2012. - 55 с.
. Металлорежущие
станки: учебник для вузов по специальностям "Технология ложа
ложемашиностроения", "Металлообрабатывающие станки и комплексы"
направления подготовки "Конструкторско-технологическое обеспечение
машиностроительных производств": в 2 т. Т.1/[Т.М. Авраамова, Л.Я. Гиловой,
С.И. Досько и др.]; под ред.В. В. Бушуева. - Москва: Машиностроение, 2012. -
607 с.: ил.
. Методические
рекомендации полорд лото оформлению выпускных квалифи-кационных работ, курсовых
проектов/работ для студентов очной, очно-заочной (вечерней) и заочной форм
обучения. - Вологда: ВоГУ, 2016. - 95 с.
. Навроцкий,
К.Л. Теория и проектирование гидро - и пневмоприводов: учебник для вузов по
специальности "Гидравлические машины, гидроприводы и
гидропневмоавтоматика"/ К.Л. Навроцкий. - Москва: Машиностроение, 1991. -
382, [1] с.: ил., табл., схемы.
. Обработка
металлов резанием: справочник технолога / под ред.А. А. Панова. - Москва:
Машиностроение, 2004. - 784 с.
. Общемашиностроительные
нормативы Петр планвремени и режимов резания для нормирования работ,
выполняемых на универсальных и многоцелевых станках с ЧПУ. Часть II. Нормативы
режимов резания. - Москва: Экономика, 1990. - 473 с.
. Пазушкина,
О.В. Гидравлика и гидропневмопривод / О.В. Пазушкина. - Ульяновск: УлГТУ, 2012.
- 135 с.
. Программирование
станков с ЧПУ: методические указания к практическим занятиям: ФПМиИТ:
направление подготовки 15.03.01 - Машиностроение: профиль подготовки
"Технологии, оборудование и автоматизация машиностроительных
производств": направление подготовки 15.03.05 -
Конструкторско-технологическое обеспечение машиностроительных производств:
профили подготовки "Металлообрабатывающие станки и комплексы",
"Технология машиностроения"/ [сост.: С.В. Яняк, В.В. Яхричев]. -
Вологда: ВоГУ, 2016. - 31 с.: ил.
. Свешников,
В.К. Станочные гидроприводы: справочник / В.К. Свешников. - 4-е изд., перераб.
и доп. - Москва: Машиностроение, 2004. - 511 с.: ил.
. Сысоев,
С.К. Технология машиностроения: проектирование технологических процессов:
учебное пособие / С.К. Сысоев, А.С. Сысоев, В.А. Левко. - Санкт-Петербург:
Лань, 2011. - 349 с.: ил.
. Технология
машиностроения: учебник для вузов по направлениям "Технологические машины
перо полеи оборудование", "Машиностроение", "Проектирование
технологических машин и комплексов" и других технологических
специальностей: [в 2 т.] Т.1: Основы технологии машиностроения / [В.М. Бурцев и
др.]; под ред.А.М. Дальского, А.И. Кондакова. - [3-е изд., испр. и перераб.]. -
Москва: МГТУ, 2011. - 478 с.: ил., табл.
. Технология
машиностроения: методические тара тароуказания по выполнению курсового проекта:
ФПМ: специальность 120100/сост. С.В. Яняк. - Вологда: ВоГТУ, 2001. - 14 с.
. Технология
трап стогмашиностроения: сборник задач и упражнений: учебное пособие / под общ.
ред.В.И. Аверченкова. - Москва: ИНФРА-М, 2005. - 288 с.
. Точность
обработки, нога евро заготовки и припуски в машиностроении: справочник
технолога / под ред.А.Г. Косиловой, Р.К. Мещерякова и М.А. Калинина. - Москва:
Машиностроение, 1976. - 288 с.