Проектирование технологического процесса токарной обработки детали

  • Вид работы:
    Дипломная (ВКР)
  • Предмет:
    Другое
  • Язык:
    Русский
    ,
    Формат файла:
    MS Word
    1,43 Мб
  • Опубликовано:
    2017-10-27
Вы можете узнать стоимость помощи в написании студенческой работы.
Помощь в написании работы, которую точно примут!

Проектирование технологического процесса токарной обработки детали

Введение


Закрытое акционерное общество «Вологодский подшипниковый завод» крупнейшее предприятие российской подшипниковой промышленности, основан в 1967 году. По объему выпускаемой продукции ЗАО «ВПЗ» занимает лидирующее положение среди подшипниковых заводов.

Преимущества предприятия, заключающиеся в широте ассортимента, качестве производимой продукции и гибкости в работе с каждым клиентом, позволили привлечь в качестве потребителей крупнейшие автомобилестроительные предприятия России, стран СНГ и дальнего зарубежья. Конкурентные преимущества ЗАО «ВПЗ» напрямую связаны с опытом, накопленным предприятием в течение нескольких десятилетий.

Завод является основным поставщиком подшипников для таких предприятий как ОАО«АвтоВАЗ», ОАО«РЖД», ОАО«КАМАЗ» и другие.

ЗАО «ВПЗ» - инновационная компания, находящаяся в постоянном развитии. Завод располагает всем необходимым технологическим оборудованием, мерительным инструментом и собственным аккредитованным Испытательным центром, что позволяет осваивать новые типы подшипников и совершенствовать производимые серийно.

Завод создает сеть торговых домов “Вологодские подшипники”. Сейчас торговые дома действуют в Москве, Владивостоке, Вологде, Воронеже, Дагестанских Огнях (Республика Дагестан), Днепропетровске, Екатеринбурге, Иркутске, Красноярске, Курске, Самаре, Санкт-Петербурге, Саратове, Тольятти, Усть-Лабинске (Краснодарский край), Харькове, Челябинске, Ярославле.

На сегодня завод - это высокомеханизированное предприятие, где широко применяется электронно-вычислительная и точная измерительная техника, станки с микропроцессорами и числовым программным управлением, роботы и манипуляторы.

Основные направления развития завода - расширение номенклатуры подшипников, снижение себестоимости продукции и повышение её конкурентоспособности за счет внедрения современных автоматизированных технологических процессов на базе гибких производственных модулей.

Оборудование, созданное на заводе, позволило автоматизировать ручной труд, повысить качество продукции и производительность труда. Активно внедряются достижения научно-технического прогресса, в частности высокочастотное закаливание колец подшипников, что обеспечивает их высокую прочность и износостойкость поверхности. Наличие современного оборудования и технологий позволяют выпускать подшипники, отвечающие требованиям заказчика, как по количеству, так и по качеству.

Система менеджмента качества (СМК) общества соответствует требованиям стандартов:

. Сертификат соответствия СМК требованиям международного стандарта ISO/TS 16949:2009;

. Сертификат соответствия СМК требованиям международного стандарта ISO/TS 9001:2008;

. Система управления охраной окружающей среды (СУООС) общества соответствует требованиям международного стандарта ИСО 14001:2004;

. Система управления промышленной безопасностью и здоровьем общества соответствует требованиям OHSAS 18001:2007.

На рынке производителей подшипников качения Вологодский подшипниковый завод занимает одно из ведущих мест. Руководство подшипникового завода уделяет особое внимание, направленное на повышение конкурентоспособности и снижение себестоимости продукции.

Это достигается внедрением современных технологических процессов, современного технологического оборудования, как основного, так и вспомогательного, а также применением современного инструмента и материалов. Особое внимание уделяется автоматизации производства. Автоматизация производства направлена на разработку и реализацию безлюдного непрерывного технологического процесса с максимальной загрузкой оборудования и минимальными потерями, связанными с браком.

Автоматизация производства сводится к разработке гибких, быстропереналаживаемых модулей на базе коротких автоматических линий.

На Вологодском подшипниковом заводе полным ходом идет реконструкция основного производства, которое непосредственно участвует в изготовлении как комплектующих для подшипников, так и самих подшипников (сборка, контроль и упаковка). Параллельно пересматривается структура управления заводом и состав структурных подразделений.

Обоснованное дополнение или выборочная замена одних технологических переделов или операций другими может значительно увеличить технологический потенциал процесса, следовательно, и технологический потенциал предприятия в целом.

Таким образом, чтобы повысить потенциал предприятия и обеспечить его переход на новый технологический уровень, нужна технологическая инновация.

Целью данной выпускной квалификационной работы является разработка нового технологического процесса изготовления комплекта колец 256706 АКЕ12 01/ 02 на станках с ЧПУ из комплектной кузнечной поковки («башня»).

Исходя из цели, в ВКР поставлены следующие задачи:

-    изучить существующую технологию изготовления колец, ее достоинства и недостатки;

-       предложить перспективную технологию изготовления колец 256706 АКЕ12 01/ 02 на линии станков с ЧПУ, указать ее преимущества по сравнению с существующей технологией;

-       провести анализ выпуска колец по двум технологиям;

-       разработать необходимую технологическую оснастку для обеспечения процесса штамповки и токарной обработки и повышения ее износостойкости;

-       провести анализ качества колец выпускаемых по новой технологии;

-       сопоставить структуры затрат на производство по существующей и предлагаемой технологиям;

-       произвести оптимизацию структуры затрат на производство.

Объектом исследования работы является обработка токарных заготовок 256706АКЕ12 01/02 на токарных многошпиндельных автоматах и современных одношпиндельных станках с ЧПУ в линии на ЗАО «Вологодском подшипниковом заводе».

1. ЛИТЕРАТУРНЫЙ ОБЗОР

Назначение подшипников - поддерживать вращающиеся валы и оси в пространстве, обеспечивая им возможность вращения ими качения, и воспринимать действующие на них нагрузки. Подшипники могут также поддерживать детали, вращающиеся вокруг осей или валов.

По виду трения подшипники подразделяются на подшипники скольжения и качения.

Подшипники качения - это опоры вращающихся или качающихся деталей, использующие элементы качения (шарики или ролики) и работающие на основе трения качения.

Подшипники качения состоят из следующих деталей:

наружного и внутреннего колец с дорожками качения;

тел качения (шариков или роликов);

сепараторов, разделяющих и направляющих тела качения.

В совмещенных опорах одно или оба кольца могут отсутствовать. В них тела качения катятся непосредственно по канавкам вала или корпуса.

Подшипники качения - группа деталей, наиболее широко стандартизированных в международном масштабе, взаимозаменяемых и централизованно изготавливаемых в массовом производстве.

Основные достоинства подшипников качения по сравнению с подшипниками скольжения[2]:

меньшие моменты сил трения и теплообразования, малая зависимость сил трения от скорости;

значительно меньшие требования по уходу, меньший расход смазочных материалов;

большая несущая способность на единицу ширины подшипника;

значительно меньший расход цветных металлов, меньшее требование к материалам и термической обработке валов.

К недостаткам подшипников качения относятся:

повышенные диаметральные габариты;

высокие контактные напряжения, поэтому ограниченный срок службы;

высокая стоимость уникальных подшипников при мелкосерийном производстве;

повышенный шум при высоких частотах вращения.

Подшипники каченияклассифицируются:

1.    По направлению действия воспринимаемой нагрузки:

- радиальные, воспринимающие преимущественно радиальную нагрузку;

упорные, воспринимающие преимущественно осевую нагрузку;

радиально-упорные, воспринимающие комбинированную нагрузку;

упорно-радиальные, воспринимающие, в основном, осевую нагрузку.

2.    По форме тел качения подшипники делятся на шариковые и роликовые. Роликовые в свою очередь подразделяются: с короткими цилиндрическими роликами, с длинными цилиндрическими, с витыми, с игольчатыми, с коническими и со сферическими роликами.

3.      По числу рядов тел качения делятся на одно-, двух-, четырех- и многорядные.

.        По основным конструктивным признакам:

- самоустанавливающиеся и несамоустанавливающиеся;

с цилиндрическим или конусным отверстием внутреннего кольца;

одинарные или двойные; сдвоенные, строенные и т.д.

. По габаритам при одинаковом внутреннем диаметре - на серии:

сверхлегкую;

особолегкую;

легкую;

среднюю;

тяжелую.

Подшипники качения показаны на рисунках 1.1 и 1.2.

Рисунок 1.1 - Виды шариковых подшипников

Рисунок 1.2 - Виды роликовых подшипников

За последние годы в области производства подшипников и их применения в машиностроении произошли значительные сдвиги.

Повысилось качество металла. Применяемого для изготовления подшипников, как ряда усовершенствований в области металлургии подшипниковых сталей и их термической обработки. Широко внедрены в производство стали вакуумного и электрошлакового переплава.

Значительно возросла точность изготовления подшипников как в отношении снижения отклонений от номинальных размеров, так и в смысле обеспечения правильной геометрической формы деталей. Повышение точности явилось результатом прогресса техники в области производства металлообрабатывающих станков, технологии доводки поверхностей, автоматизации измерений при изготовлении деталей на станках, а также в области создания новой контрольно-измерительной аппаратуры, причем с повышением точности неизмеримо возросли и темпы выпуска продукции.

Прогресс технологии производства и контроля, в частности техники измерений, позволил повысить точность сортировки деталей подшипников, уточнить подбор деталей в каждом комплекте и добиться взаимозаменяемости деталей подшипников разного типа.

В значительной степени повысилось качество окончательной обработки и доводки рабочих поверхностей деталей подшипников. Усовершенствованы методы шлифования. В результате повышения качества поверхности и точности геометрии рабочих поверхностей деталей подшипников в значительной степени возросли надежность и долговечность подшипников качения.

Создано большое количество подшипников новых типов, в том числе специальных, и значительно улучшена внутренняя конструкции давно освоенных подшипников.

Возросла надежность работы выпускаемых подшипников в результате прогресса в области их конструкций, технологии изготовления и контроля, а также культуры эксплуатации подшипников у потребителя.

Критерием грузоподъемности, долговечности и надежности подшипников качения является так называемый коэффициент работоспособности, указываемый в каталогах на подшипники качения. Этот коэффициент зависит от размеров и числа тел качения (шариков, роликов), от характера их контакта с кольцами, а также от ряда других параметров (шероховатости рабочих поверхностей, качества металла, термической обработки и т.д.). Широкое внедрение новой техники, передовой технологии, автоматизации и механизации производства способствует дальнейшему улучшению качества подшипников, обеспечивает их надежность, долговечность, повышает производительность труда и экономичность производства.

В результате проведения комплекса конструкторских и технологических мероприятий технический уровень производства подшипников качения значительно повышается[2].

1.1   
Анализ существующих технологических процессов токарной обработки деталей в массовом производстве

Разнообразие продуктов производства, видов сырья, оборудования, методов изготовления определяют и различие технологических процессов.

Технологические процессы различаются:

-  по характеру изготавливаемой продукции;

-       по применяемым методам и способам производства;

-       по используемому сырью;

-       по организационному построению.

В зависимости от вида преобладающих затрат различают материалоeмкие, трудоемкие, капиталоемкие, энергоемкие технологические процессы.

В зависимости от вида применяемого труда они могут быть ручные, машинно-ручные, автоматизированные.

Ручные процессы трудоемкие, они вытесняются машинными и автоматическими. Механизация освобождает рабочего от нeпосредственного физического труда, автоматизация облегчает также функции управления и контроля.

Под циклом технологического процесса понимается постоянно повторяющаяся с каждой единицей продукции часть производственного процесса.

Различают три вида производства: единичное, серийное и массовое. Единичным называют такое производство, при котором выпуск каждого наименования изделий производится в очень небольших количествах. Серийным называется производство, при котором изготовление изделий данного наименования периодически повторяется. В зависимости от величины партии или серии различают мелко-, средне- и крупносерийное производство. Массовым называется такое производство, при котором одинаковые изделия изготавливают в большом количестве в течение длительного времени. Производство, при котором операции обработки заготовок закреплены за рабочими местами, расположенными в порядке выполнения операций, а обрабатываемые заготовки последовательно перемещаются с одного рабочего места на другое, называется поточным. В основу массового производства положены следующие основные технологические признаки:

-  закрепление за каждым рабочим местом одной постоянно повторяющейся операции;

-       обработка заготовок по непрерывно поточному методу;

-       широкое применение агрегатных, автоматических и специальных станков, а также автоматических линий;

-       расстановка оборудования соответственно технологическому процессу обработки деталей; высокая степень оснащенности специальными приспособлениями, инструментами и автоматическими измерительными устройствами; полная взаимозаменяемость;

-       невысокая квалификация рабочих на операционных станках;

-       технология механической обработки деталей в автоматизированном производстве.

Основная область применения 256706АКЕ12.01/02 - это задний подшипник ступицы автомобилей ВАЗ 2108, 2109, 2110, 2111, 2112. Он обладает следующими конструктивными характеристиками - шариковый, радиально-упорный, двухрядный, закрытого типа (уплотнения с двух сторон). Конструктивно исполняются с одним внутренним и одним наружным кольцом, каждое из которых имеет дорожки качения. Поскольку он имеет два ряда тел качения, то способен фиксировать вал под осевой нагрузкой в обе стороны. Схема подшипника приведена на рисунке 1.3.

Технические параметры и размеры подшипника задней ступицы:

.        Внутренний диаметр (d): 30 мм;

.        Наружный диаметр (D): 60 мм;

.        Ширина (H): 37 мм;

.        Масса: 0,4 кг;

.        Диаметр шарика: 9,525 мм;

.        Количество шариков: 28 шт.;

.        Грузоподъемность динамическая: 30,1 kN;

.        Грузоподъемность статическая: 25,9 kN;

.        Номинальная частота вращения: 6500 об/мин.

Рисунок 1.3 - Схема подшипника 256706

В настоящее время токарные кольца 256706АКЕ.12.01 и 256706АКЕ.12.02 изготовляются в производстве из трубных заготовок диаметром 61,2х7,2мм и диаметром 43х7,3мм на токарных многошпиндельных автоматах 1А290-6 и 1Б265Н-6К. в следующих объемах: 70000 штук в месяц наружного кольца и 140000 штук в месяц внутреннего кольца.

Более подробно существующий технологический процесс обработки деталей показан на рисунках 1.4 и 1.5.

Рисунок 1.4 - Технологический процесс обработки деталей в форме таблицы

Рисунок 1.5 - Технологический процесс обработки деталей в форме таблицы

Преимуществом обработки деталей на многошпиндельных автоматах является их высокая производительность, которая обуславливается тем, что при обработке на них все отдельные переходы, из которых складывается полная обработка изделия, совершаются одновременно.

Благодаря такому совмещению цикл обработки всего изделия определяется длительностью выполнения одного наиболее продолжительного (лимитирующего) перехода.

К основным недостаткам можно отнести небольшую скорость резания (30м/мин), так как обработка ведется из быстрорежущей стали и на масляной смазочно-охлаждающей жидкости. Вследствие этого на детали получается шероховатость, неудовлетворяющая требованиям нормативной технологической документации (более Rz 20). Чаще всего качество детали при обработке на многошпиндельных автоматах оставляют желать лучшего.

2 ТЕХНОЛОГИЧЕСКАЯ ЧАСТЬ


2.1 Разработка маршрута обработки радиально - упорного двухрядного подшипника

В качестве альтернативного варианта и в целях снижения времени цикла изготовления и улучшения качества деталей 256706АКЕ.12.01/02 предлагаю изготовлять токарные заготовки из комплектной поковки на линии одношпиндельных станков с ЧПУ по ниже предложенному маршруту (рисунок 2.1):

Рисунок 2.1 - Маршрут изготовления подшипника

2.2 Проектирование поковки. Разработка технологии штамповки

Среди множества способов получения заготовок обработкой давлением наибольшее распространение получили свободная ковка и горячая объёмная штамповка (ГОШ). Заготовки, полученные свободной ковкой, называют коваными поковками, а изготовленные объёмной штамповкой - штампованными поковками или штамповками.

Штамповка колец 256706АКЕ.12.01/02 осуществляется на линии Л-309. На данной линии штампуются одиночные, башенные и парные разделяемые заготовки. Эффективное использование автоматической линии Л-309 достигается изготовлением башенной или парных разделяемых заготовок.

Башенная или парные разделяемые заготовки включают заготовки наружного и внутреннего кольца одного типоразмеров и конструктивных групп подшипников при условиях:

-       удовлетворения потребности в заготовках колец с учетом конкретных условий производства этих деталей на заводе;

-       совпадения или незначительного отличия в программах выпуска колец разных типоразмеров подшипников;

-       более экономичного расходования металла при проектировании башенной или парных разделяемых заготовок с разными типоразмерами заготовок колец подшипников.

В этих случаях башенная разделяемая заготовка комплектуется заготовками колец разных типоразмеров или разных конструктивных групп подшипников, подлежащих последующей дополнительной горячей или холодной раскатке.

Специалисты, исходя из размеров конструкторского кольца, возможности последующей горячей или холодной раскатки, задают форму и способ штампованной заготовки.

Порядок проектирования заготовки следующий:

1.   на конструкторское кольцо назначаются припуски на токарную обработку и допуски на заготовку;

2.      назначаются штамповочные уклоны на наружной и внутренней цилиндрических поверхностях;

.        назначаются радиусы скругления в углах заготовки;

.        назначаются допускаемые отклонения от правильной геометрической формы заготовки;

.        рассчитывается масса заготовки.

Применяются следующие этапы технологического процесса:

-    автоматическая подача прутка со стеллажа СА-18 в индукционную установку;

-       нагрев горячекатаных прутков в установке индукционной модели ИН1-3250/2,4;

-       штамповка заготовок на автомате модели АО-341;

-       охлаждение заготовок в камере охлаждения М 781.

Штамповка заготовок на автомате модели АО-341 осуществляется в следующем порядке:

1.   отрезка мерной заготовки от нагретой части исходного прутка (нулевая операция);

2.      осадка заготовки (первая операция);

.        предварительная штамповка заготовки (вторая операция);

.        окончательная штамповка заготовки (третья операция);

.        пробивка отверстия (четвертая операция).

Материал поковки - шарикоподшипниковая хромистая высокоуглеродистая сталь марки ШХ-15 ГОСТ 801-78. Сталь ШХ-15 относится к наиболее рекомендуемым для широкого применения в машиностроении и подшипниковом производстве.

Область применения стали - тяжело нагруженные детали, работающие на больших и средних скоростях и высоких удельных давлениях: детали подшипников качения, валы, технологическая оснастка для подшипникового производства. Сталь ШХ-15 обладает высокой износостойкостью.

Химический состав стали и ее свойства приводятся в таблице 2.1.

Таблица 2.1 - Химический состав стали ШХ-15 ГОСТ 801-78

С %

Si %

Mn %

S

P

Ni %

Cr %




% не более

% не более



0,95…1,05

0,17…0,37

2…0,4

0,02

0,027

0,30

1,3-1,65


Свойства стали ШХ-15:

-предел прочности при растяжении (временное сопротивление разрыву),730 ;

твердость (горячекатаной и кованой для холодной механической обработки без термообработки) по Роквеллу ,27 НRC;

предел текучести , 420;

-температура плавления, 1315 С.

Далее назначаем припуски на обрабатываемые резанием поверхности детали и допуски на размеры, относящиеся к этим поверхностям, и производим расчет объема и массы поковки.

Допуск - отклонение размеров поковки от номинального, обусловленное неточностью изготовления, недоштамповкой, износом ручья штампа и т. д.

Допуски и допускаемые отклонения линейных размеров поковок назначаются в зависимости от исходного индекса и размеров поковки по табл. 8 ГОСТ 7505-89. Допускаемые отклонения внутренних размеров поковки должны устанавливаться с обратными знаками.

Кроме допускаемых отклонений линейных размеров, ГОСТ 7505-89 предусматривает также допустимые величины смещения по поверхности разъема штампа, остаточного облоя, допускаемые отклонения по изогнутости, от плоскостности для плоских поверхностей, межцентровых расстояний, угловых элементов. Значения этих допускаемых отклонений приведены в таблице 9, 10, 13, 14, 16 ГОСТ 7505-89.

В=55,5 мм: припуск +3 мм, допуск +1,5мм,

D=60 мм: припуск +3 мм, допуск +1мм,

D1=47,9мм: припуск -3,5 мм, допуск -1мм,

D2=35 мм: припуск +3,5 мм, допуск +1мм,

D3=30 мм:припуск -3 мм, допуск -1мм.

Все основные параметры заготовки показаны на рисунке 2.2.

Рисунок 2.2 - Заготовка штампованная

Холодные размеры:

Горячие размеры:

Объем детали определяем как сумму объемов элементарных частей, из которых состоит деталь.

Объем холодный:

, мм3,                                                                             (2.1)

Точная масса поковок рассчитывается для последующего определения размеров исходной заготовки на основе разработанного чертежа поковки, исходя из ее размеров и объёма.

Масса:

Объем донышка:


Масса донышка:

Объем полуфабриката:


Потери металла на угар зависят от способа нагрева и учитываются коэффициентом угара  относительно объема поковки.

Объем заготовки с угаром:


Длина заготовки:

Норма расхода:

г,                                         (2.3)

где  - вес поковки;

 - вес заготовки;

- вес концевых отходов;

 - вес угара.

Ниже в таблице 2.2 приведен маршрут обработки заготовки штампованной.

Таблица 2.2 - Маршрут обработки заготовки штампованной

Цех

Уч.

Обозначение операции

Наименование операции

Код и наименование оборудования

71


005.003.00

Нагрев и перемещение

ИН1-3250/2.4 И.ОТ.071.073-99

71


005.004.00

Штамповка

АО341

71


005.004.01

Отрезка

АО341

71


005.004.02

Перемещение

АО341

71


005.004.03

Осадка

АО341

71


005.004.04

Перемещение

АО341

АО341

71


005.004.05

Формовка предв.

АО341

71


005.004.06

Перемещение

АО341

71


005.004.07

Формовка оконч.

АО341

71


005.004.08

Перемещение

АО341

71


005.004.09

Пробивка отверстия

АО341

71


005.005.00

Контроль после штамповки

Стол

71


005.006.00

Транспортирование

ТЦ-184

71


005.007.00

Транспортирование

Н-871

71


020.000.00

Контроль приемочный


Операционно-технологический процесс кузнечной обработки изготовления комплектной поковки 256706АКЕ12.01/02 более подробно рассмотрен на рисунках 2.3 и 2.4.

Рисунок 2.3 - Процесс кузнечной обработки поковки 256706АКЕ12.01/02 в форме таблицы

Рисунок 2.4 - Процесс кузнечной обработки изготовления комплектной поковки

2.3 Проектирование технологического процесса токарной обработки детали 256706АКЕ12.01/02 на автоматической линии станков KIT-450

Во всех отраслях промышленности затраты на производство, например, на рабочую силу, сырье, оборудование и т.д., растут быстрее, чем цена товара на рынке. Для того чтобы сократить этот разрыв, необходимо постоянно повышать эффективность производства, тем самым увеличивая производительность. Сокращение этого разрыва - единственный способ сохранить конкурентоспособность и , в конечном итоге, остаться в бизнесе.

Поэтому я буду использовать станки с ЧПУ, так как по сравнению с обычными станками они имеют более широкие технологические возможности.

В металлорежущих станках с ручным управлением кинематические связи исполнительных органов между собой и источником движения осуществляется через цепи механических элементов и передач. Такие станки называют станками с механическими связями. В них широко используют коробки скоростей и передач, гитары сменных зубчатых колес, реверсы, управляемые вручную.

Применения в станках систем числового программного управления (ЧПУ) приводит к замене традиционных нерегулируемых источников движения на управляемые по программе двигатели (асинхронные частотно-токовым управлением, постоянного тока и т. д.), позволяющие регулировать скорость, направление, а иногда и путь создаваемого ими движения. В связи с этим происходит упрощение механической части кинематической структуры станка (а, следовательно, и его конструкции), но при этом улучшаются его характеристики.

Команды управляющей программы размещаются в ОЗУ. В процессе создания или после ввода управляющей программы оператор может отредактировать её, включив в работу системную программу редактора и выводя на дисплей всю или нужные части управляющей программы и внося в них требуемые изменения.

Отличительные особенности станков с ЧПУ:

-       мощный привод главного движения до 20-40 и более кВт. Используются двигатели постоянного тока, позволяющие осуществить бесступенчатое регулирование частоты вращения шпинделя, или трехфазные двигатели переменного тока с большим числом ступеней регулирования (18-20 и более). Верхние пределы частоты вращения шпинделя достигают 6000об/мин. Пределы регулирования частоты вращения шпинделя изменяются до 200 раз;

-  бесступенчатый привод движения подачи с очень широкими пределами величины подачи. У некоторых станков величина подачи изменяется от 1 до 1200 мм/мин, то есть в 1200 раз. У других моделей еще больше. Например, существуют станки пределы регулирования подач которых 0,1-10000мм/мин. Это дает возможность для каждого конкретного случая выбирать оптимальную по условиям обработки подачу;

-       станки с ЧПУ имеют несколько координат с независимым управлением по каждой из них. Это позволяет реализовать очень сложные траектории перемещения рабочих органов, недостижимые для нечисловых систем управления ( например копировальной);

-       большинство станков имеют скорость установочных перемещений суппорта4,8м/мин, а некоторые до 10 м/мин. Это позволяет максимально сократить время холостых перемещения суппорта;

-       станки снабжены развитыми инструментальными системами с числом инструментов 12 и более.

Обычно станки с ЧПУ имеют высокую точность изготовления и повышенную жесткость по сравнению с обычными станками аналогичного назначения. Это позволяет обеспечить высокую точность обработки.450 двух-координатный токарный станок с возможностью установки шести инструментов в Т-образные пазы стола, система ЧПУFanuc 0i Mate TC.

Схема изготовления токарной заготовки 256706АКЕ12.01/02на линии станков ЧПУ KIT-450 приведена на рисунке 2.5.

Рисунок 2.5 - Схема изготовления токарной заготовки

KIT 450 - Технические характеристики:

Напряжение питания - 380В;

Потребляемая мощность - не более 11 кВт;

Наибольший диаметр обрабатываемой детали - 165 мм;

Наибольшая длина обрабатываемой детали - 190 мм;

Перемещение по оси Х - 400 мм;

Перемещение по оси Z - 250мм;

Частота вращения шпинделя 50-6000 об/мин (бесступенчатое регулирование);

Максимальная подача по оси Х-30000 мм/мин;

Максимальная подача по оси Z-36000 мм/мин;

- CистемаЧПУ Fanuc 0i Mate TC;

- Габариты станка 2100х1440 мм;

Масса 2700 кг.

Рассмотрим пример расчета режимов резания применяемых нами в процессе разработки технологического процесса.

Основной токарной операцией является точение, то есть сочетание двух движений - вращения заготовки и линейного перемещения инструмента.

При подаче инструмента вдоль оси заготовки обеспечивается диаметральный размер детали. При подаче инструмента к оси заготовки обеспечивается линейный размер детали (подрезка торца).

Часто подачи комбинируются в двух направлениях, в результате чего получаются конусные или профильные поверхности.

Основное время обработки на операции рассчитывается по формуле:

, мин,                                                               (2.4)

где Tc - время обработки, мин;

Lm - длина обработки, мм;

fn - подача на оборот, мм/об;

Частота вращения шпинделя - это скорость вращения патрона и заготовки, измеряемая в оборотах в минуту.

Скорость резания - это скорость движения поверхности заготовки относительно режущей кромки, измеряемая в метрах в минуту.

Подача (fn) в мм/об - это расстояние, на которое инструмент перемещается за один оборот заготовки. Подача оказывает ключевое влияние на качество обработанной поверхности и на процесс формирования стружки в рамках геометрии инструмента. Величина подачи влияет не только на толщину стружки, но и на то, как стружка формируется в зависимости от геометрии пластины.

Подачу (fn) возьмем равной рекомендованной значением производителем режущего инструмента.

Частота вращения шпинделя (n) рассчитывается по формуле:

токарный деталь штамповка кольцо

,об/мин                                                          (2.5)

где Vc - скорость резания (м/мин);

Dm- диаметр обработки (мм);

Скорость резания (Vc) возьмем равной рекомендованной значением производителя режущего инструмента.

Применительно к нашему технологическому процессу подставляем известные значения в формулу (2.5).

Полученные значения подставляем в формулу (2.4) для расчета времени обработки на отдельно взятом переходе, тогда:

Аналогично этому примеру рассчитываем время обработки на всех последующих операциях и переходах и проставляем полученные значения в соответствующие графы операционной карты в таблицу 2.3.

Таблица 2.3 - Оборудование - станок с ЧПУ KIT-450. Деталь - кольцо 256706АКЕ12.01/02

№ перехода

Наименование операции

Обозначение инструмента

Диаметр, мм

Скорость резания, м/мин

Частота вращения, об/мин

Подача, мм/об

Длина резания, мм

Осн. время, мин

Вспом. время, мин

Общее время,мин


Зажим за НЦП поковки





















1

Обточка комбинированного элемента(торец, фаска, НЦП) предварительно кольца 02

A25MWLNR06MV-AP, WNMG 060408-TF

46,8

220

1498

0.3

64,3

0,14

0.11

0,3

2

Расточка внутренней цилиндрической поверхности и монтажной фаски кольца 02 предварительно

CNMG 120408-PG

34

220

2060

0,28

29

0,05

0,05

0,1

3

Обточка комбинированного элемента (торец, фаска, замок, дорожка качения) окончательного кольца 02

A25-RSVVNR12 VNMM12T308-PP

40,5

250

1968

0,22

57,5

0,13

0,07

0,2

4

Расточка внутренней цилиндрической поверхности и фаски кольца 02 в 2 прохода

A25-RSVVNR12, VNMM12T308-PP

34,7

250

2293

0,25

58

0,1

0,05

0,2

5

Отрезка кольца 02

HGPAD3L-T20

48

120

780

0,1

11,2

0,12

0,05

0,2


Обработка кольца










1

Обточка комбинированного элемента(торец, фаска, НЦП) предварительно кольца 01

A25MWLNR06MV-AP WNMG 060408-TF

70

220

994

0,3

51,7

0,17

0,06

0,2

2

Расточка внутренней цилиндрической поверхности, дорожки качения, канавки кольца 01

CNMG 120408-PG

553,6

2220

11307

00,25

444,5

00,14

00,06

00,2

3

Расточка внутренней цилиндрической поверхности, дорожки качения, канавки кольца 01 окончательно

A25-RSVVNR12 VNMM12T308-PP

63,35

250

1277

0,15

35

0,18

0,05

0,2

4

Обточка комбинированного элемента (торец, фаска,НЦП) окончательного кольца 01

A25-RSVVNR12, VNMM12T308-PP

67,8

250

1174

0,25

27,3

0,1

0,05

0,2

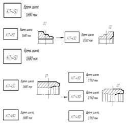
В линии данную операцию выполняют 5 станков

Время обработки 1,68


Время обработки токарной заготовки кольца 01 проставлено в таблицу 2.4.

Таблица 2.4 - Оборудование - станок с ЧПУ KIT-450. Деталь - кольцо 256706АКЕ12.01

№ перехода

Наименование операции

Номер инструмента

Диаметр, мм

Скорость резания,м/мин

Частота вращения, об/мин

Подача, мм/об

Длина резания, мм

Осн. время, мин

Вспом. время, мин

Общее время, мин

Окончательная обработка кольца 01


Зажим за НЦП поковки











Обработка кольца 01










1

Обточка комбинированного элемента (торец, фаска, НЦП) предварительно кольца 01

A25MWLNR06MV-AP WNMG 060408-TF

63

220

994

0,3

36

0,12

0,06

0,2

2

Расточка внутренней цилиндрической поверхности, дорожки качения, канавки кольца 01 предварительно

A25MWLNR06MV-AP WNMG 060408-TF

53

220

1307

0,25

44

0,14

0,06

0,2

3

Расточка внутренней цилиндрической поверхности, дорожки качения, канавки кольца 01 окончательно

A25-RSVVNL12 VNMM12T308-PP

54,3

250

1277

0,15

35

0,18

0,05

0,2

4

Обточка комбинированного элемента (торец, фаска, НЦП) окончательнокольца 01

A25MWLNR06MV-AP WNMG 060408-TF

60,4

250

1174

0,25

27

0,1

0,05

0,2

В линии данную операцию выполняют 3 станка

Время обработки 1,12


Время обработки токарной заготовки кольца 02 проставлено в таблицу 2.5.

Таблица 2.5 - Оборудование - станок с ЧПУ KIT-450. Деталь - кольцо 256706АКЕ12.02

№ перехода

Наименование операции

Номер инструмента

Диаметр, мм

Скорость резания,м/мин

Частота вращения, об/мин

Подача, мм/об

Длина резания, мм

Осн. время, мин

Вспом. время, мин

Общее время, мин

Окончательная обработка кольца 02


Зажим за отверстие










1

Обточка комбинированного элемента (торец, фаска,) предварительно кольца 02

A25MWLNR06MV-AP WNMG 060408-TF

42,3

250

1624

0,2

6

0,02

0,06

0,1

2

Обточка комбинированного элемента (торец, фаска,) окончательно кольца 02

A25MWLNR06MV-AP WNMG 060408-TF

42,3

250

1624

0,2

6

0,02

,06

0,1

3

Обточка комбинированного элемента (канавка,фаска) предварительно кольца

A25MWLNR06MV-AP WNMG 060408-TF

36,2

250

2293

0,22

10,9

0,03

0,06

0,1

4

Обточка комбинированного элемента (канавка,фаска) окончательно кольца 02

A25MWLNR06MV-AP WNMG 060408-TF

36,2

250

2411

0,22

10,9

0,03

0,06

0,1

В линии данную операцию выполняет 1 станок

Время обработки 0,64


Параметры токарной заготовки наружного кольца подшипника показаны в таблице 2.6.

Таблица 2.6 - Токарная заготовка 256706АКЕ12.01

Контролируемые параметры

Размер, допуск, мм

Средства контроля

Установочная мера

Объем контроля

Шероховатость противобазного торца

Rz80мкм

Визуально-контрольный образец


Каждая наладка

Шероховатость остальных поверхностей

Rz20мкм

Визуально-контрольный образец


Каждая наладка

Номинальная ширина

37,3

В-902М

Мера установочная СПМ.7.174.002-066

Каждая 50 деталь

Отклонение еденичной ширины

+0,08

В-902М


Каждая 50 деталь


-0,08




Непостоянство ширины

0,11

В-902М


Каждая 50 деталь

Номинальный наружный диаметр

60,4

Д-312-2М

Мера установочная СПМ.7.174.004-781

Каждая 50 деталь

Отклонение среднего диаметра в единичной плоскости

+0,15

Д-312-2М


Каждая 50 деталь

Непостоянство диаметра в единичной плоскости

0,1

Д-312-2М


Каждая 50 деталь

Непостоянство среднего диаметра (конусообразность)

0,1

Д-312-2М


Каждая 50 деталь

Диаметр дорожек качения

54,35

УД-ОМ

Мера установочная СПМ.7.174.013-618

Каждая 20 деталь


-0,15




Непостоянство диаметра дорожек качения

0,10

УД-ОМ


Каждая 20 деталь

Разностенность дорожек качения

0,07

УД-ОМ


Каждая наладка

Продолжение таблицы 2.6

Контролируемые параметры

Размер, допуск, мм

Средства контроля

Установочная мера

Объем контроля

Разность отклонений положений осей дорожек качения относительно торцев

0,06

132/1-МА


Каждая 20 деталь

Профиль дорожек качения

R 5,05


Калибр дисковый СПМ.5.199.002-318

Каждая 50 деталь


+0,1




Межосевое расстояние

19,3 +0,4


Калибр СПМ.8.210.004-063

Каждая 50 деталь


-0,4




Диаметр бортика

53,3 +0,3

УД-ОМ

Мера установочная СПМ.7.174.007-737

Каждая 50 деталь


+0,1




Непостоянство диаметра бортика

0,13

УД-ОМ


Каждая 50 деталь

Диаметр среднего бортика

47,9 +0,3

УД-ОМ

Мера установочная СПМ.7.174.007-226

Каждая 50 деталь


+0,1




Непостоянство диаметра бортика

УД-ОМ


Каждая 50 деталь

Диаметр большого бортика

54,15 +0,10

УД-ОМ

Мера установочная СПМ.7.174.007-159

Каждая 50 деталь


-0,05




Непостоянство диаметра бортика

0,10

УД-ОМ


Каждая 50 деталь

Средняя конусообразность

0,10

УД-ОМ


Каждая 50 деталь

Положение канавки

+0,1


Калибр положения канавки СПМ.8.206.040-415

Каждая 50 деталь


5,15




Диаметр выточки

59,8

Д-312-2М

Мера установочная СПМ.7.174.004-451

Каждая 50 деталь


-0,2




Непостоянство диаметра выточки

0,13

Д-312-2М


Каждая 50 деталь

Координаты фасок немонтажные

1,8 +0,2


Мера штриховая СПМ.8.198.001

Каждая 50 деталь


-0,1




Параметры токарной заготовки внутреннего кольца подшипника показаны в таблице 2.7.

Таблица 2.7 - Токарная заготовка 256706АКЕ12.02

Контролируемые параметры

Размер, допуск, мм

Средства контроля

Установочная мера

Объем контроля

Шероховатость противобазного торца

Rz80мкм

Визуально-контрольный образец


Каждая наладка

Шероховатость остальных поверхностей

Rz20мкм

Визуально-контрольный образец


Каждая наладка

Номинальная ширина

18,8

В-902М

Мера установочная СПМ.7.174.002-006

Каждая 50 деталь

Отклонение еденичной ширины

+0,06

В-902М


Каждая 50 деталь


-0,06




Непостоянство ширины

0,08

В-902М


Каждая 50 деталь

Номинальный наружный диаметр

29,75

УД-ОМ

Мера установочная СПМ.7.174.007-238

Каждая 50 деталь

Отклонение среднего диаметра в единичной плоскости

-0,15

УД-ОМ


Каждая 50 деталь

Непостоянство диаметра в единичной плоскости

0,10

УД-ОМ


Каждая 50 деталь

Непостоянство среднего диаметра (конусообразность)

0,10

УД-ОМ


Каждая 50 деталь

Диаметр дорожки качения

+0,15

УД-ОМ

Мера установочная СПМ.7.174.020-393

Каждая 20 деталь


35,85




Непостоянство диаметра дорожек качения

0,10

УД-ОМ


Каждая 20 деталь

Продолжение таблицы 2.7

Контролируемые параметры

Размер, допуск, мм

Средства контроля

Установочная мера

Объем контроля

Разностенность дорожек качения

0,06

УД-ОМ


Каждая наладка

Положение оси дорожки качения относительно базового торца

9.23 +0,04

О8К12

Мера установочная СПМ.7.174.020-393

Каждая 20 деталь


-0,04




Профиль дорожки качения

R4,7


Калибр дисковый СПМ.5.199.002-167

Каждая 50 деталь


+0,1




Диаметр большого бортика

42,35 +0,15

Д-312-2М

Мера установочная СПМ.7.174.004-279

Каждая 50 деталь

Непостоянство диаметра бортика

0,10

Д-312-2М


Каждая 50 деталь

Диаметр малого бортика

36,21 +0,15

Д-312-2М


Каждая 50 деталь

Непостоянство диаметра бортика

0,10

Д-312-2М


Каждая 50 деталь

Диаметр выточки

35 -0,07

УД-ОМ

Мера установочная СПМ.7.174.004-345

Каждая 50 деталь


-0,27




Непостоянство диаметра выточки

0,13

УД-ОМ


Каждая 50 деталь

Положение выточки

15,07 +0,06 -0,06


Калибр положения канавки СПМ.8.206.047-031

Каждая 50 деталь

 

Диаметр выточки

36,2 -0,1

УД-ОМ

Мера установочная СПМ.7.174.007-327

Каждая 50 деталь


-0,3




Непостоянство диаметра выточки

0,13

УД-ОМ


Каждая 50 деталь

Продолжение таблицы 2.7

Контролируемые параметры

Размер, допуск, мм

Средства контроля

Установочная мера

Объем контроля

Глубина выточки

0,7 +0,2

В-902М

Индикатор ИЧ10ГОСТ577-68

Каждая 50 деталь


-0,2




Координаты фасок монтажные

4,5 +0,3


Калибр координат фаски СПМ.8.212.004-011

Каждая 50 деталь


-0,3




Координаты фасок монтажные

2,5 ±0,5


Мера штриховая СПМ.8.198.001

Каждая 50 деталь


0,8 ±0,2




Координаты фасок немонтажные

0,6 +0,2


Калибр координат фаски СПМ.8.212.001-089

Каждая 50 деталь


-0,1




Координаты фасок немонтажные

0,7 +0,3


Мера штриховая СПМ.8.198.001

Каждая 50 деталь


-0,2





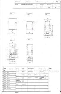
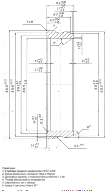
Все основные размеры токарной заготовки наружного кольца подшипника показаны на рисунке 2.6.

Рисунок 2.6 - Токарная заготовка 256706АКЕ12.01

Все основные размеры токарной заготовки внутреннего кольца подшипника показаны на рисунке 2.7.

Рисунок 2.7 - Токарная заготовка 256706АКЕ12.02

3. конструкторская часть


.1 Проектирование инструмента

При проектировании инструмента следует учесть, что эффективное применение станков с ЧПУ может быть достигнуто лишь при использовании режущего инструмента, отвечающего повышенным требованиям по стойкости и надежности, жесткости и другим показателям. В противном случае нельзя обеспечить стабильности размеров и высокого качества работы по установленной программе. Если, например, резец будет быстро изнашиваться и его понадобится часто подналаживать, эффект автоматизации, связанный с применением программного управления, значительно снизится, а то и вовсе будет сведен к нулю.

Траектория перемещения инструмента относительно заготовки сильно влияет на процесс обработки.

Траектория перемещения влияет на:

-    стружкообразование;

-       износ пластины;

-       качество поверхности;

-       стойкость инструмента.

На практике, выбранная державка, геометрия пластины, сплав, материал заготовки и траектория обработки влияют на время цикла обработки и, соответственно, на производительность.

Высокие качества инструмента для работы на станках с ЧПУ закладываются, начиная с разработки его конструкции.

При создании резцов на станки с ЧПУ были определены следующие условия:

1.      использовать наиболее рациональные формы пластин, обеспечивающих универсальность инструмента (возможность обработки одним резцом максимального числа поверхностей деталей);

2.      резцы должны иметь одни и те же основные координаты для удобства программирования технологических операций независимо от углов в плане;

.        инструмент должен иметь повышенную геометрическую точность по сравнению с инструментом для обычных станков;

.        необходимо обеспечить рациональное формообразование и отвод стружки (канавки, стружколомающие уступы и т. п.) в процессе резания;

.        должно быть высокое качество доводки режущих кромок;

.        режущая пластина должна, иметь повышенную жесткость и прочность, износостойкость и размерную долговечность.

Для обеспечения удовлетворительного дробления стружки важно правильно выбрать размер пластины, ее форму, геометрию и радиус при вершине.

Угол нужно выбрать максимально возможный при вершине для обеспечения прочности и экономичности.

Для обеспечения прочности режущей кромки пластины выбирать нужно максимально возможный радиус при вершине.

Для снижения вибраций выбирать нужно минимальный радиус при вершине пластины.

Выбор сплава режущей пластины имеет решающее значение для успешной обработки. Идеальный материал должен быть:

-  устойчивым к износу по задней поверхности и деформации;

-       устойчивым к выкрашиваниям;

-       быть химически инертным к материалу заготовки;

-       быть химически устойчивым к окислению и диффузии;

-       быть устойчивым к частым температурным изменениям.

Режущая пластина может иметь различную форму: от ромба с углом при вершине 35 градусов до круглой. Каждая форма пластины обладает индивидуальными свойствами:

-  некоторые обеспечивают максимальную прочность;

-       другие обеспечивают геометрическую проходимость.

Применение многогранных твердосплавных неперетачиваемых пластин на резцах обеспечивает:

-  повышение стойкости на 20-25% по сравнению с резцами с напайными пластинами;

-       возможность повышения режимов резания за счет простоты восстановления режущих свойств многогранных пластин путем их поворота;

-       сокращение затрат на инструмент в 2-3 раза, вспомогательного времени на смену и переточку резцов.

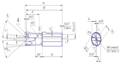
ВмоейВКР для расточки выбран резец токарный DMTT-MF-24-050-CF5-3TCNMG 120408-PG с механическим креплением сменной многогранной пластины, который показан на рисунке 3.1.

Рисунок 3.1 - Резец токарный А32MWLNR06MV-APCNMG 120408-PG с механическим креплением сменной многогранной пластины

Конфигурация резцов с многогранными пластинами (с механическим креплением) зависит от главного угла в плане. В нашем случае выбираем режущую пластину ромб с углом 80°. Это идеальная пластина для продольного точения и подрезки торца. К корпусу резца пластина крепится винтом.

Для возможности стружколомания пластинка снабжена стружколомающей канавкой. Геометрические параметры режущей части обеспечивают дробление и хороший отвод стружки из зоны резания.

На пластину нанесено износостойкое покрытия из карбидов титана в виде тонкого слоя толщиной 5-10 кмм. При этом на поверхности твердосплавной пластины образуется мелкозернистый слой карбида титана, обладающий высокой твердостью, износостойкостью и химической устойчивостью при высоких температурах. Стойкость пластины с покрытием в среднем в 1,5- 3 раза выше стойкости обычных пластин, скорость резания может быть увеличена на 25-80%.

При использовании резцов со сменными твердосплавными пластинами достигается экономия, так как расходными материалами являются только пластины, а сами державки резцов с механическим креплением пластин при соответствующей эксплуатации могут работать довольно длительный срок.

.2 Проектирование токарной оснастки

К токарной оснастке, применяемой на станках с ЧПУ, предъявляются следующие требования:

-  высокая точность и жесткость, обеспечивающая требуемую точность обработки и максимальное использование мощности станка;

-       полное базирование как заготовки, так и приспособления относительно начала координат станка;

-       возможность подхода инструмента ко всем обрабатываемым поверхностям;

-       возможность смены заготовки вне рабочей зоны станка или станка вообще; - возможность быстрой смены или быстрой переналадки приспособления на станке;

-       возможность смены приспособления вне рабочей зоны станка или вне станка;

-       наличие быстродействующих механизированных зажимных устройств;

-       возможность размещения нескольких заготовок на одном приспособлении.

В качестве вспомогательного инструмента, предназначенного для крепления режущего инструмента, применяемого на станках с ЧПУ, используются:

-  точные оправки к насадным торцевым фрезам;

-       прецизионные цанговые патроны для крепления инструмента с цилиндрическими хвостовиками;

-       переходные втулки для инструмента с конусным хвостовиком или специальные переходные державки для крепления инструмента с цилиндрическими регулируемыми хвостовиками;

-       жесткие расточные оправки;

-       кулачки для закрепления заготовки.

На станке KIT-450 заготовки закрепляют в патроне, используют автоматические быстропереналаживаемые трехкулачковые патроны. При этом базой у заготовки служит торец и цилиндрическая наружная поверхность. Кулачки применяют незакаленные. Такие кулачки обеспечивают высокую точность установки, так как сами перед обработкой партии деталей непосредственно обрабатываются на станке, а у заготовки используют ранее обработанную поверхность.

При выборе баз и конструкции сменных кулачков необходимо закрепить заготовку возможно ближе к патрону и в качестве базы использовать цилиндрическую поверхность наибольшего диаметра. Также используют торец и предварительно обработанную внутреннюю цилиндрическую поверхность, но этот вариант наименее предпочтителен по условиям жесткости и точности обработки. На рисунке 3.2 приведен пример обработки деталей за два установа.

Рисунок 3.2 - Пример обработки деталей за два установа

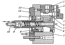
Применяем трех кулачковый самоцентрирующий патрон (рисунок 3.3), который используют при обработке заготовок круглой формы. Патрон состоит из корпуса 7, основных 1 и накладных 3 кулачков (чертеж кулачка представлен на рисунке 3.4), сменной вставки 6 с плавающим центром 5 и эксцентриков 2, в кольцевые пазы которых входят штифты 13.

Рисунок 3.3-Трехкулачковый самоцентрирующий патрон

Рисунок 3.4 - Чертеж кулачка

Быстрый зажим и разжим накладных кулачков при их переналадке осуществляется тягами 4 через эксцентрики 2. Для обработки заготовок типа вала в патрон устанавливают сменную вставку 6 с плавающим центром 5 и выточкой по наружному диаметру. Заготовку располагают в центрах (центре 5 и заднем центре станка) и зажимают плавающими кулачками с помощью втулки 8 с клиновыми замками. Втулка соединена с приводом, закрепленным на заднем конце шпинделя станка. Разжим осуществляется с помощью фланца 11. Патрон крепят на шпиндель станка с помощью фланца 12. К приводу патрон присоединяют втулкой 9 и винтом 10.

На станке KIT-450 заготовки закрепляют в патроне с цангой зажима кольца применяется на станке ЛЗ-194(М) модернизированном из полировального трехпозиционного станка ЛЗ-194 для суперфиниширования дорожки качения валиков. Доводники с полировальной шкуркой заменены на абразивные бруски. Имеются две доводочные головки на предварительное и окончательное суперфиниширование.

В цанге зажимается кольцо, а внутри стакана цанги размещается пружинный выбрасыватель валика из цанги после обработки. В тоже время пружинный выбрасыватель является упором при загрузке валика.

Внутренний диаметр зажима цанги равен диаметру кольца, по которому происходит зажим в данном случае ø60+0,021 . Длина зажимной части цанги зажимного диаметра валика L=25мм.

Присоединительные и посадочные размеры выбираются в соответствии с размерами корпуса сменного цангового зажима станка: ø70-0,046; угол зажима 29ْ ±15΄; ø60; ø12; М12-6g. Остальные размеры выбираются по конструктивным соображениям [14].

По аналогии проектируем зажимную цангу для станка KIT - 450. цангу применяют для закрепления материала в виде кольца. Отверстие в цанге рассчитано на закрепление большего диаметра в каждом диапазоне, а меньший образуется за счет упругой деформации при установке в корпус патрона. Цанга выполнена в виде втулки с тремя пружинящими лепестками. Угол при вершине конуса цанги 30 градусов. Цангу изготавливают из стали 65Г и термически обрабатывают до твердости 47…51 HRC. Точность всех параметров цанги проверяют после термообработки и шлифования, но до разрезки перемычек, оставленных после фрезерования прорезей.

4. Èññëåäîâàòåëüñêàÿ ÷àñòü. Èññëåäîâàíèå òî÷íîñòè îáðàáîòêè


 ïðîöåññå èçãîòîâëåíèÿ äåòàëè ïîëó÷àþò îòêëîíåíèÿ ðàçìåðîâ, ôîðìû è âçàèìíîãî ðàñïîëîæåíèÿ ïîâåðõíîñòåé îò èäåàëà. Ýòè îòêëîíåíèÿ íàçûâàþòñÿ ïîãðåøíîñòÿìè, êîòîðûå îãðàíè÷èâàþòñÿ âåðõíèì è íèæíèì ïðåäåëüíûìè ðàçìåðàìè. Èíòåðâàë îò íèæíåãî ïðåäåëüíîãî îòêëîíåíèÿ äî âåðõíåãî íàçûâàåòñÿ äîïóñêîì. Äîïóñê ÿâëÿåòñÿ êðèòåðèåì òî÷íîñòè.

Êðèòåðèåì ïîãðåøíîñòè ÿâëÿåòñÿ îòêëîíåíèå îò èäåàëüíîãî çíà÷åíèÿ èëè ïîëå ðàññåÿíèÿ îòêëîíåíèé. Íåîáõîäèìûì è äîñòàòî÷íûì ñîîòíîøåíèåì ìåæäó ïîãðåøíîñòüþ è òî÷íîñòüþ äëÿ îáåñïå÷åíèÿ îáðàáîòêè áåç áðàêà ÿâëÿåòñÿ òî, ÷òî îòêëîíåíèÿ è èõ ïîëå ðàññåÿíèÿ äîëæíû íàõîäèòüñÿ â ïðåäåëàõ äîïóñêà. Äëÿ èçó÷åíèÿ çàêîíîìåðíîñòåé êîëè÷åñòâåííîãî è êà÷åñòâåííîãî õàðàêòåðà ïðèìåíèì ñòàòèñòè÷åñêèå ìåòîäû.

 

4.1 Äàííûå äëÿ èññëåäîâàíèÿ


Äëÿ èçìåðåíèÿ ¢60,4 ìì íàçíà÷àåì èçìåðèòåëüíûé ïðèáîð äëÿ èçìåðåíèÿ äèàìåòðà êîëåö ïîäøèïíèêîâ Ä-312-2Ì ïî ÒÓ 2-034-207-83 .

- öåíà äåëåíèÿ, ìì,0,001;

- äèàïàçîí èçìåðåíèÿ, ìì, 8 - 60;

-äîïóñêàåìàÿ ïîãðåøíîñòü èçìåðåíèÿ, ìì,±0,0014.

Ïàðàìåòðû òåõíîëîãè÷åñêîãî ïðîöåññà ïîêàçàíû â òàáëèöå 4.1.

Òàáëèöà 4.1 - Òàáëèöà ïàðàìåòðîâ

Ìàòåðèàë çàãîòîâêè

Äèàìåòð çàãîòîâêè, ìì

Çàäàííûé ðàçìåð îòêëîíåíèÿ, ìì

Ìàòåðèàë ðåæóùåé ÷àñòè ðåçöà

t, ìì

s, ìì/ìèí

n, îá/ìèí

ØÕ15

63+1

60,4+0,15

Ò15Ê6

0,25

0,25

1307

 

4.2 Îïðåäåëåíèå ñòàòèñòè÷åñêèõ äàííûõ


Ïîñëå îáðàáîòêè äåòàëè, ïîëó÷åííûé ðàçìåð ïðîâåðÿåì èçìåðèòåëüíûì èíñòðóìåíòîì. Òî÷íîñòü îáðàáîòêè ïîâåðõíîñòè îïðåäåëÿåòñÿ ïîëåì ðàññåèâàíèÿ ðàçìåðîâ Δ è âåëè÷èíîé ñìåùåíèÿ Å öåíòðà ðàññåèâàíèÿ îò ñåðåäèíû ïîëÿ äîïóñêà δ.

Íîðìàëüíûé çàêîí ðàñïðåäåëåíèÿ îïèñûâàåòñÿ ôîðìóëîé (7.1)

                                                         (4.1)

ãäå  - ñëó÷àéíàÿ âåëè÷èíà;

 - ìàòåìàòè÷åñêîå îæèäàíèå ñëó÷àéíîé âåëè÷èíû;

σ - ñðåäíåå êâàäðàòè÷íîå îòêëîíåíèå;

å - îñíîâàíèå íàòóðàëüíîãî ëîãàðèôìà, å = 2,7.

 ñâîþ î÷åðåäü:

                                                              (4.2)

                                                                (4.3)

ãäå di - ñðåäíåå çíà÷åíèå èíòåðâàëà, ìì;

ki - ýìïèðè÷åñêàÿ ÷àñòîòà i-ãî èíòåðâàëà çíà÷åíèé õ;

n - îáú¸ì âûáîðêè.

Ðåçóëüòàòû èçìåðåíèé, ïðîâåäåííûõ âî âðåìÿ ýêñïåðèìåíòà ïðåäñòàâëåíû â òàáëèöå 4.2.

Ðåçóëüòàòû ðàñ÷åòîâ ñðåäíåãî êâàäðàòè÷íîãî îòêëîíåíèÿ ñâîäèì â ðàñ÷åòíóþ òàáëèöó 4.3.

Òàáëèöà 4.2 - Çíà÷åíèÿ èçìåðÿåìîé âåëè÷èíû

¹

Çíà÷åíèå âåëè÷èíû

¹

Çíà÷åíèå âåëè÷èíû

¹

Çíà÷åíèå âåëè÷èíû

¹

Çíà÷åíèå âåëè÷èíû

1

60,46

6

60,48

11

60,49

16

60,45

2

60,48

7

60,47

12

60,45

17

60,45

3

60,48

8

60,46

13

60,43

18

60,46

4

60,47

9

60,47

14

60,47

19

60,48

5

60,43

10

60,44

15

60,48

20

60,45


Òàáëèöà 4.3 - Òàáëèöà ðàñ÷eòîâ ñðåäíåãî êâàäðàòè÷åñêîãî îòêëîíåíèÿ

Èçìåðèòåëüíûé èíòåðâàë

di, ìì

ki

di ·ki

di-(di-)2·kiσ


1

60,43-60,445

60,4375

3

52,3125

60,46525

-0,02775

0,00231019

0,0166

2

60,445-60,46

60,4525

4

69,81

-0,01275

0,00065025

3

60,46-60,475

60,4675

7

122,2725

0,00225

0,00003544

4

60,475-60,49

60,4825

5

87,4125

0,01725

0,00148781

5

60,49-60,505

60,4975

1

17,4975

0,03225

0,00104006

Ïî ôîðìóëå (4.1) îïðåäåëèì êîîðäèíàòû òåîðåòè÷åñêîé êðèâîé:

Ïðè õ = 0;;

Ïðè õ = σ;;

Ïðè õ = 3σ,.

Âåðîÿòíîñòíûé ïðîöåíò áðàêà ñ çàâûøåííûì (çàíèæåííûì) ïðîòèâ ÷åðòåæà ðàçìåðîì îïðåäåëèì ïî ôîðìóëå:

, %                                                           (4.4)

ãäå Å - âåëè÷èíà ñìåùåíèÿ öåíòðà ðàññåèâàíèÿ îò ñåðåäèíû ïîëÿ äîïóñêà, Å = 0,00975.

Êîýôôèöèåíò òî÷íîñòè òåõíîëîãè÷åñêîãî ïðîöåññà:

                                                                                      (4.5)


Ãðàôèê ðàñïðåäåëåíèÿ ðàçìåðîâ ïðåäñòàâëåí íà ðèñóíêå 4.1.

 

Ðèñóíîê 4.1 - Ãðàôèê ðàñïðåäåëåíèÿ ðàçìåðîâ

 

4.3 Ñòàòèñòè÷åñêàÿ ïðîâåðêà ãèïîòåç


Ñòàòèñòè÷åñêàÿ ïðîâåðêà ãèïîòåç, îòíîñÿùèõñÿ ê ýìïèðè÷åñêèì ðàñïðåäåëåíèÿì èçó÷àåìûõ ñëó÷àéíûõ âåëè÷èí, èãðàåò âàæíóþ ðîëü â ñòàòèñòè÷åñêèõ èññëåäîâàíèÿõ.

Äëÿ ïðîâåðêè ãèïîòåç ìàòåìàòè÷åñêîé ñòàòèñòèêè ïîëüçóþòñÿ ðÿäîì êðèòåðèåâ, êîòîðûå íàçûâàþò êðèòåðèÿìè ñîãëàñèÿ. Äëÿ òîãî, ÷òîáû ïðèíÿòü èëè çàáðàêîâàòü ãèïîòåçó ïî ýòèì êðèòåðèÿì, óñòàíîâëåíû óðîâíè èõ çíà÷èìîñòè: ð = 0,05 (ðåäêèå ÿâëåíèÿ), ð =0,01 (î÷åíü ðåäêèå), ð = 0,001 (÷ðåçâû÷àéíî ðåäêèå). Äëÿ óñòàíîâëåíèÿ çàêîíà ðàñïðåäåëåíèÿ ãåíåðàëüíîé ñîâîêóïíîñòè ïî áîëüøîé âûáîðêå èç íå¸, ïîëüçóþòñÿ ðÿäîì êðèòåðèåâ, èç êîòîðûõ íàèáîëüøåå ïðàêòè÷åñêîå ïðèìåíåíèå èìåþò êðèòåðèé Ïèðñîíà χ2 è êðèòåðèé À. Í. Êîëìîãîðîâà λ.

Êðèòåðèé χ2 ïðèìåíèì äëÿ ëþáûõ ñãðóïïèðîâàííûõ ñîâîêóïíîñòåé, íî ïðè äîñòàòî÷íî áîëüøîì èõ îáú¸ìå.Êðèòåðèé λ äà¸ò äîñòàòî÷íî òî÷íûå ðåçóëüòàòû äàæå ïðè îáú¸ìå âûáîðîê, ñîñòîÿùèõ èç íåñêîëüêèõ äåñÿòêîâ ÷ëåíîâ è ïðîñò äëÿ âû÷èñëåíèÿ.

 

4.4 Ïðîâåðêà ãèïîòåçû î çàêîíå ðàñïðåäåëåíèÿ ñëó÷àéíîé âåëè÷èíû ïî êðèòåðèþ Ïèðñîíà


Êðèòåðèé Ïèðñîíà îïðåäåëÿåòñÿ ôîðìóëîé:

                                                              (4.6)

ãäå m - ÷èñëî ñðàâíèâàåìûõ ÷àñòîò;

di΄ - òåîðåòè÷åñêàÿ ÷àñòîòà i-ãî èíòåðâàëà çíà÷åíèé õ.

           (4.7)

ãäå ñ - äëèíà èíòåðâàëà.

Âû÷èñëèì │t│ ïî ôîðìóëå:

                                                                                        (4.8)

,

,

,

,

.

Çíà÷åíèå Zt îïðåäåëÿåòñÿ ïî òàáëèöå [21] â çàâèñèìîñòè îò t:

; ;;;.

Îïðåäåëÿåì òåîðåòè÷åñêóþ ÷àñòîòó i-ãî èíòåðâàëà çíà÷åíèé õ ïî (4.7):

Ïî ôîðìóëå (4.6) âû÷èñëÿåì êðèòåðèé Ïèðñîíà.

,

,

,

,

Ðåçóëüòàòû ðàñ÷eòîâ ñâîäèì â òàáëèöó 4.4.

Òàáëèöà 4.4 - Ðàñ÷eòíàÿ òàáëèöà χ

Õ

ki

di΄

│ki - di΄│

(ki - di΄)2

χi2

îò

äî






60,43

60,445

3

1,766

1,234

1,523

0,86

60,445

60,46

4

5,296

1,296

1,680

0,32

60,46

60,475

7

7,055

0,055

0,003

0,00042

60,475

60,49

5

4,148

0,852

0,726

0,18

60,49

60,505

1

1,086

0,086

0,007

0,01

χ2 = 1,367; Ð(χ2) = 0,99.


Çíà÷åíèå âåðîÿòíîñòè Ð(χ2) âûáèðàåì ïî òàáëèöå; Ð(χ2) = 0,99.

Ò.ê. Ð(χ2) > 0,05, òî ãèïîòåçà ïðèíèìàåòñÿ.

4.5 Ïðîâåðêà ãèïîòåçû î çàêîíå ðàñïðåäåëåíèÿ ñëó÷àéíîé âåëè÷èíû ïî êðèòåðèþ À. Í. Êîëìîãîðîâà

Êðèòåðèé À. Í. Êîëìîãîðîâà îïðåäåëÿåòñÿ âûðàæåíèÿìè:

                                                                  (4.9)

                                                                (4.10)

                                                                                      (4.11)

Âû÷èñëèì òåîðåòè÷åñêóþ ôóíêöèþ ïðåäïîëàãàåìîãî çàêîíà ðàñïðåäåëåíèÿ ïî ôîðìóëå:

                                                          (4.12)

,

,

,

,

,

ãäå φ(t) - ôóíêöèÿ Ëàïëàñà.

Ïîëó÷åííûå ðåçóëüòàòû çàíîñèì â ðàñ÷¸òíóþ òàáëèöó.

Ýìïèðè÷åñêàÿ ôóíêöèÿ ïðåäïîëàãàåìîãî çàêîíà ðàñïðåäåëåíèÿ îïðåäåëÿåòñÿ ôîðìóëîé:

                                                                 (4.13)

ãäå ki - ÷àñòîòà i-ãî çíà÷åíèÿ õ;n - îáú¸ì âûáîðêè.

, ,

,,

,,

,,

,

Ïîëó÷åííûå ðåçóëüòàòû çàíîñèì â ðàñ÷¸òíóþ òàáëèöó 4.5.

Òàáëèöà 4.5 - Ðàñ÷eòíàÿ òàáëèöà λ

Õ

ki

Fn(x)F(x)F(x) - Fn(x)│




îò

äî






60,43

60,445

3

0,15

0,15

0,0475

0,1025

60,445

60,46

4

0,2

0,35

0,2206

0,1294

60,46

60,475

7

0,35

0,7

0,5557

0,1443

60,475

60,49

5

0,25

0,95

0,8508

0,0992

60,49

60,505

1

0,05

1

0,9738

0,0262

λ = 0,645; Ð(λ) = 0,7910


Ïî òàáëèöå îïðåäåëÿåì:

; ;

Îïðåäåëÿåì ;Ò.ê. >, òî ãèïîòåçà ïðèíèìàåòñÿ.

5. ÝÊÎÍÎÌÈ×ÅÑÊÀß ×ÀÑÒÜ

.1 Àíàëèç ñòðóêòóðû çàòðàò ïðè èçãîòîâëåíèè êîëüöà ïî äâóì âàðèàíòàì òåõíîëîãèè

.1.1 Ìàòåðèàëüíûå çàòðàòû

Ðàñ÷åò çàòðàò îñíîâíûõ ìàòåðèàëîâ íà êîëüöî 256706ÀÊÅ12.01/02 ïðîèçâîäèì èñõîäÿ èç íîðìû ðàñõîäà íà äåòàëü, ãîäîâîé ïðîãðàììû âûïóñêà è ñòîèìîñòè ìàòåðèàëîâ. Ðàñ÷åò âåäåì ïî ôîðìóëå:

Çîñí.ìàò. = (Gì ×Ñì×Êò.ç - Gî ×Ñî) ,ðóá.                               (5.1)

ãäå G ì - íîðìà ðàñõîäà ìàòåðèàëà íà åäèíèöó ïðîäóêöèè, êã;

Gî - ìàññà ðåæóùèõ îòõîäîâ íà åäèíèöó âûïóñêà, êã;

Ñì - ñòîèìîñòü îñíîâíûõ ìàòåðèàëîâ, ðóá./êã.;

Êò.ç = 1,065 - êîýôôèöèåíò, ó÷èòûâàþùèé òðàíñïîðòíî - çàãîòîâèòåëüíûå ðàñõîäû;

Ñî = 4,5 - ñòîèìîñòü îòõîäîâ îñíîâíûõ ìàòåðèàëîâ, ðóá./êã;

1)      Äëÿ áàçîâîãî âàðèàíòà.

Èñõîäÿ èç ðàáî÷åãî ÷åðòåæà äåòàëè è òåõíîëîãè÷åñêîé êàðòû:

Gì = 0,950êã.;

 ,êã                                                                (5.2)

= 0,950 - 0,499 = 0,451êã.;

Ñì = 39,6ðóá./êã;

Ñî = 4,5ðóá./êã;

Ïîäñòàâëÿÿ, íàéäåííûå âåëè÷èíû â ôîðìóëó ïîëó÷èì:

Çîñí.ìàò. = (0,950 ×39,5 ×1,065 - 0,451×4,5) =38,03ðóá.

2)      Äëÿ ïðîåêòíîãî âàðèàíòà:

Gì = 0,767êã,

= 0,767- 0,499 = 0,268êã.

Ïî äàííûì:

Ñì = 33,4 ðóá./êã;

Ñî = 4,5ðóá./êã.

Ïîäñòàâëÿÿ, íàéäåííûå âåëè÷èíû â ôîðìóëó ïîëó÷èì:

Çîñí.ìàò. = (0,767×33,4×1,065 - 0,268×4,5)=26,08 ðóá.

Ñòîèìîñòü è íîðìû ðàñõîäíûõ ìàòåðèàëîâ ìåæäó áàçîâûì è ïðåäëàãàåìûì âàðèàíòàìè èçãîòîâëåíèÿ ïîäøèïíèêà ïîêàçàíà â òàáëèöå 5.1.

Òàáëèöà 5.1- Ðàñõîäíûå ìàòåðèàëû

Íàèìåíîâàíèå ïîêàçàòåëåé

Åä. èçì.

Çíà÷åíèå ïîêàçàòåëÿ



Áàçîâûé âàðèàíò

Ïðåäëàãàåìûé âàðèàíò

Öåíà 1ò (ØÕ15)

ðóá.

39600

33400

Ïðîèçâîäñòâåííàÿ ïðîãðàììà

òûñ.øò.

840

840

Íîðìà ðàñõîäà äëÿ èçãîòîâëåíèÿ 1 øò. ïîäøèïíèêîâ

êã.

0,950

0,787


Çàòðàòû íà ñæàòûé âîçäóõ:

ðóá.                                                               (5.3)

Äëÿ áàçîâîãî ïðåäïðèÿòèÿ ïî çàâîäñêèì äàííûì êîìïðåññîðíàÿ ñòàíöèÿïîòðåáëÿåò çà ìåñÿö ýëåêòðîýíåðãèèWñ.ý = 10440 êÂò.÷.. Öåíó 1ì3 âîçäóõà ïðèíèìàåì äëÿ îáîèõ âàðèàíòîâ.

Ãîäîâàÿ ïðîãðàììà âûïóñêà âñåé ãðóïïû äåòàëåé ÀS=840000 øò. ãîä.

Äëÿ ïðîåêòíîãî âàðèàíòà:

Wñ.ý= 10440 êÂò.÷.,

Çàòðàòû íà ïàð:

ðóá.                                                    (5.4)

ãäå Öï - ñòîèìîñòü 1ì ïàðà, ðóá.;

Qã.ï - ãîäîâîé ðàñõîä ïàðà, ì3;

Öï = 83ðóá. [13]

Äëÿ áàçîâîãî âàðèàíòà:

Íà ïîäîãðåâ ÑÎÆ ðàñõîäóåòñÿ 0,16êã/÷àñ ïàðà íà îäèí ëèòð âîäû:


ãäå Ðói = 0,6ë/÷. - ÷àñîâîé ðàñõîä âîäû íà îäèí ñòàíîê;

m = 16 - ÷èñëî ïîòðåáèòåëåé.

Ñðåäíèé ðàñõîä ïàðà äëÿ ïîäîãðåâà âîäû â ìîå÷íîé ìàøèíå ïðèíèìàåì íà îäíó òîííó îáðàáàòûâàåìûõ äåòàëåé 80êã/÷.

Ðàñõîä ïàðà íà íàãðåâ ìîå÷íîé ìàøèíû 120êã. â ñìåíó:

 â ãîä


Äëÿ ïðîåêòíîãî âàðèàíòà:

 â ãîä

Çàòðàòû íà ýíåðãèþ ïîêàçàíû â òàáëèöå 5.2. è îïðåäåëÿþòñÿ ïî ôîðìóëå:

Äëÿ áàçîâîãî âàðèàíòà íà îñíîâàíèè äàííûõ îá ïîòðåáëÿåìîé ìîùíîñòè ó÷àñòêà ðàâíà Wñ.ý = 104436,0 êÂò×÷.

ðóá.                                                                  (5.5)

ãäå Öý - ñòîèìîñòü 1 êÂò×÷. ýëåêòðîýíåðãèè ïî äåéñòâóþùèì òàðèôàì;

(Öý=5 ðóá./êÂò.÷.) [14]

Çý= 104436 ×5 = 522180 ×12/840000= 7,4 ðóá./èçä.

Òàáëèöà 5.2 - Çàòðàòû íà ýëåêòðîýíåðãèþ

Ñîñòàâ îáîðóäîâàíèÿ

Òìàø., ìèí

Ìîùíîñòü, êÂò

Êîëè÷åñòâî îáîðóäîâàíèÿ

Ïîòðåáëåíèå, êÂò/åä.

Ïåðñïåêòèâíàÿ òåõíîëîãèÿ èçãîòîâëåíèÿ ïîäøèïíèêà 256706ÀÊÅ12

Ë-309

0,44

32,7

1

0,239

KIT-450

1,7

7

9

1,785

Ëø-098

2,5

11,9

4

1,983

ËÙ-053

1,4

15,5

4

1,446

ÑÈÀÃ-50Ã

0,3

4,5

1

0,022

ÑÈÂ-3Å

0,21

9,9

1

0,035

ËÇ-261Ø

0,15

16,5

1

0,041

ÑÂÇÀÃË-50

0,2

7,7

1

0,026

ÑÈÀÃ-50

0,15

4,8

1

0,012

ÑÈÂ-3Â

0,4

9,9

1

0,016

ËÇ-261Ø

0,35

16,5

1

0,096

5,7

Äåéñòâóþùàÿ òåõíîëîãèÿ èçãîòîâëåíèÿ ïîäøèïíèêà 256706ÀÊÅ12

1À290-6

19,9

5

2,65

1265Ì-6

1,1

18,7

3

1,028

ËØ-098

2,5

11,9

4

1,98

ËØ-053

1,4

15,5

4

1,45

ÑÈÀÃ-50Ã

0,3

4,5

1

0,23

ÑÈÂ-3Å

0,21

9,9

1

0,35

ËÇ-261Ø

0,15

16,5

1

0,41

ÑÂÇÀÃË-50

0,2

7,7

1

0,025

ÑÈÀÃ-50

0,15

4,8

1

0,012

ÑÈÂ-3Â

0,4

9,9

1

0,066

ËÇ-261Ø

0,35

16,5

1

0,096





7,41


Äëÿ ïðîåêòíîãî âàðèàíòà:

Wñ.ý = 80340,14êÂò×÷,

Çý=80340,14 ×5 = 401700,7 ×12/840000= 5,7ðóá./èçä.

Çàòðàòû íà èíñòðóìåíò ïðèâåäåíû â òàáëèöå 5.3.

Òàáëèöà 5.3 - Çàòðàòû íà èíñòðóìåíò

Èíñòðóìåíò ïî íîâîé òåõíîëîãèè

Ïîçèöèÿ

Âèä èíñòðóìåíòà

Öåíà, ðóá.

Êîëè÷åñòâî â íàëàäêå, øò.

Îæèäàåìàÿ ñòîéêîñòü, òûñ. äåòàëåé

Çàòðàòû íà îäíó äåòàëü, ðóá.

1

ðåçåö

9916,9

5

200

0,247


ïëàñòèíà

155

5

20

0,038


äåðæàâêà

9679

5

200

0,241


àäàïòåð

1741

1

100

0,017


ïëàñòèíà

1573,9

1

10

0,157


äåðæàâêà

7346

1

200

0,036


êàðòðèäæ

2339

1

200

0,011


ïëàñòèíà

139,5

2

4

0,069

2

äåðæàâêà

7376

3

200

0,11


êàðòðèäæ

2339,6

3

200

0,035


ïëàñòèíà

139,5

3

4

0,104


äåðæàâêà

13106

3

200

0,19


ïëàñòèíà

1691,4

1

4

0,422

3

äåðæàâêà

7346

2

200

0,073


êàðòðèäæ

2339,6

2

200

0,023


ïëàñòèíà

139,5

2

4

0,069

4

ðåçåö

9916,9

1

200

0,049


ïëàñòèíà

155

1

20

0,007

5

äåðæàâêà

13774

1

200

0,068


ïëàñòèíà

1691,4

1

5

0,338

6

äåðæàâêà

9679

1

200

0,48


àäàïòåð

1691

1

100

0,17


ïëàñòèíà

441,4

1

6

0,073


Èòîãî: 2,46

Èíñòðóìåíò ïî áàçîâîé òåõíîëîãèè

Ïîçèöèÿ

Âèä èíñòðóìåíòà

Öåíà, ðóá.

Êîëè÷åñòâî â íàëàäêå, øò.

Îæèäàåìàÿ ñòîéêîñòü, òûñ. äåòàëåé

Çàòðàòû íà îäíó äåòàëü, ðóá.

1

ðåçåö

184,7

1

40

0,005


ïëàñòèíà

39,4

1

2

0,019


ðåçåö ïðîðåçíîé

94,6

1

10

0,01


çåíêåð

127,9

1

6

0,21

2

çåíêåð

140

1

10

0,14


ðåçåö äèñêîâûé

879,6

1

40

0,22

3

ïëàñòèíà ðàñòî÷íàÿ

53,8

1

2

0,27

4

ðåçåö

184,7

1

40

0,005


ïëàñòèíà

39,4

1

2

0,19

5

ðåçåö ôàñî÷íûé

224,7

1

6

0,037

6

ðåçåö îòðåçíîé

140,8

1

12,5

0,011


Èòîãî: 0,201


Ñðàâíåíèå öåíû íà îáîðóäîâàíèå ìåæäó äåéñòâóþùåé è ïåðñïåêòèâíîé òåõíîëîãèåé ïðåäñòàâëåíî â òàáëèöå 5.4.

Òàáëèöà 5.4 - Öåíà îáîðóäîâàíèÿ

Òåõíîëîãè÷åñêàÿ îïåðàöèÿ

Ñîñòàâ îáîðóäîâàíèÿ

Êîëè÷åñòâî îáîðóäîâàíèÿ, øò

Ñòîèìîñòü, ðóá.

Ïåðñïåêòèâíàÿ òåõíîëîãèÿ èçãîòîâëåíèÿ ïîäøèïíèêà 256706ÀÊÅ12

Èçãîòîâëåíèå ïîêîâêè

Ë-309

1

2800000

Òîêàðíàÿ

KIT-450

9

84802126

Øëèôîâàíèå íà ëèíèè: òîðöåâ ïðåäâàðèòåëüíî, ÍÖÏ ïðåäâàðèòåëüíî, òîðöåâ îêîí÷àòåëüíî, ÍÖÏ îêîí÷àòåëüíî 01

ËØ-098

4

1200000

Øëèôîâàíèå íà ëèíèè: áîðòèêà ïðåäâàðèòåëüíî, òîðöåâ ïðåäâàðèòåëüíî, áîðòèêà îêîí÷àòåëüíî, òîðöåâ îêîí÷àòåëüíî 02

ËØ-053

4

800000

Øëèôîâàíèå áîðòèêîâ 01

ÑÈÀÃ-50Ã

1

250000

Øëèôîâàíèå äîðîæåê êà÷åíèÿ 01

ÑÈÂ-3Å

1

261000

Ñóïåðøëèôîâàíèå äîðîæåê êà÷åíèÿ 01

ËÇ-261Ø

1

300000

Øëèôîâàíèå äîðîæêè êà÷åíèÿ 02

ÑÂÇÀÃË-50

1

350000

Øëèôîâàíèå îòâåðñòèÿ 02

ÑÈÀÃ-50

1

260000

Øëèôîâàíèå îòâåðñòèÿ 02

ÑÈÂ-3Â

1

250000

Ñóïåðøëèôîâàíèå äîðîæêè êà÷åíèÿ 02

ËÇ-261Ø

1

300000


Èòîãî:91573126

Äåéñòâóþùàÿ òåõíîëîãèÿ èçãîòîâëåíèÿ ïîäøèïíèêà 256706ÀÊÅ12

Òîêàðíàÿ

1À290-6

5

1250000

Òîêàðíàÿ

1256Ì-6

3

800000

Øëèôîâàíèå íà ëèíèè: òîðöåâ ïðåäâàðèòåëüíî, ÍÖÏ ïðåäâàðèòåëüíî, òîðöåâ îêîí÷àòåëüíî, ÍÖÏ îêîí÷àòåëüíî 01

ËØ-098

4

1200000

Øëèôîâàíèå íà ëèíèè: áîðòèêà ïðåäâàðèòåëüíî, òîðöåâ ïðåäâàðèòåëüíî, áîðòèêà îêîí÷àòåëüíî, òîðöåâ îêîí÷àòåëüíî 02

ËØ-053

4

800000

Øëèôîâàíèå áîðòèêîâ 01

ÑÈÀÃ-50Ã

1

250000

Øëèôîâàíèå äîðîæåê êà÷åíèÿ 01

ÑÈÂ-3Å

1

261000

Ñóïåðøëèôîâàíèå äîðîæåê êà÷åíèÿ 01

ËÇ-261Ø

1

300000

Øëèôîâàíèå äîðîæêè êà÷åíèÿ 02

ÑÂÇÀÃË-50

1

350000

Øëèôîâàíèå îòâåðñòèÿ 02

ÑÈÀÃ-50

1

260000

Øëèôîâàíèå îòâåðñòèÿ 02

ÑÈÂ-3Â

1

250000

ËÇ-261Ø

1

300000


Èòîãî: 6021000


Çàòðàòû íà ðåìîíò è îáñëóæèâàíèå îáîðóäîâàíèÿ, à òàêæå íà çàïàñíûå ÷àñòè îïðåäåëèì ïî ôîðìóëå:

Çðî= (0,03/0,05)×Çì,ðóá.                                                                (5.6)

ãäå Çì- ìàòåðèàëüíûå çàòðàòû, ðóá./èçä.

Äëÿ áàçîâîãî âàðèàíòà:

Çðî= 0,04 ×(38,03+0,74+0,04+7,4+0,19)= 1,86 ðóá./èçä.

Ïîñëå ìîäåðíèçàöèè:

Çðî= 0,04 ×(26,08+0,74+0,03+5,7+2,46)= 1,40 ðóá./èçä.

Òîãäà ñóììàðíûé ðàñõîä ìàòåðèàëüíûõ çàòðàò äëÿ áàçîâîãî âàðèàíòà áóäåò ñîñòàâëÿòü:

Çì= 38,03+0,74+0,04+1,86+0,19+7,4= 48,26 ðóá./èçä.

Äëÿ ïðîåêòíîãî âàðèàíòà:

Çì= 26,08+0,74+0,03+1,40+2,46+5,7=36,41 ðóá./èçä.

 

ÇÀÊËÞ×ÅÍÈÅ


 ðåçóëüòàòå âûïîëíåíèÿ âûïóñêíîé êâàëèôèêàöèîííîé ðàáîòû áûë ïðîâåäåí àíàëèç ñóùåñòâóþùåãî ìàðøðóòà îáðàáîòêè ïîäøèïíèêà 256706ÀÊÅ.12.  ðåçóëüòàòå àíàëèçà áûëî âûÿâëåíî, ÷òî äàííûé òåõíîëîãè÷åñêèé ïðîöåññ ñîäåðæèò óñòàðåâøåå îáîðóäîâàíèå.  ñâÿçè ñ ýòèì áûë ðàçðàáîòàí íîâûé òåõíîëîãè÷åñêèé ìàðøðóò îáðàáîòêè ñ èñïîëüçîâàíèåì ñîâðåìåííîãî òîêàðíîãî îáîðóäîâàíèÿ. Äëÿ íîâîãî òåõíîëîãè÷åñêîãî ïðîöåññà áûëè ðàññ÷èòàíû ðåæèìû îáðàáîòêè, âûáðàí ñòàíäàðòíûé èíñòðóìåíò. Áûëè ñïðîåêòèðîâàíû òîêàðíûå ïðèñïîñîáëåíèÿ: áëîê, öàíãà.

Âíåäðåíèå àâòîìàòè÷åñêîé ëèíèè äàåò ïðåèìóùåñòâà íå òîëüêî ñ òåõíè÷åñêîé ñòîðîíû. Ïðè çàòðàòàõ íà ïðèîáðåòåíèå è ìîíòàæ íîâîãî îáîðóäîâàíèÿ, ðàâíûõ 84802126 ðóáëåé ãîäîâàÿ ïðîãðàììà âûïóñêà ïîäøèïíèêîâ óâåëè÷èâàåòñÿ íà 84000 øòóê â ãîä.

Òàêèì îáðàçîì, ìîæíî ãîâîðèòü î íåîáõîäèìîñòè è öåëåñîîáðàçíîñòè âíåäðåíèÿ àâòîìàòè÷åñêîé ëèíèè, ÷òî äàñò ïðåèìóùåñòâà íå òîëüêî â òåõíîëîãèè îáðàáîòêè è ñáîðêè ïîäøèïíèêîâ, íî è óâåëè÷èò îáúåì ãîäîâîãî âûïóñêà ïîäøèïíèêîâ, ïðè ñîêðàùåíèè ñåáåñòîèìîñòè íà 1 åäèíèöó ïðîäóêöèè.

Ñïèñîê èñïîëüçîâàííûõ èñòî÷íèêîâ


1.      Àëåêñååâ, Ã. À. Êîíñòðóèðîâàíèå èíñòðóìåíòà / Ã. À. Àëåêñååâ. - Ìîñêâà: Ìàøèíîñòðîåíèå, 1979. - 384 ñ.

.        Àëåêñååâ, È. Â. Êîíñòðóèðîâàíèå ðåæóùåãî èíñòðóìåíòà / È. Â. Àëåêñååâ, Í. Ê. Àðøèíîâ. - Ìîñêâà: Ìàøèíîñòðîåíèå,1984. - 465 ñ.

.        Àíóðüåâ, Â.È. Ñïðàâî÷íèê êîíñòðóêòîðà-ìàøèíîñòðîèòåëÿ: â 3ò. Ò.1 / Â. È. Àíóðüåâ. - Ìîñêâà: Ìàøèíîñòðîåíèå, 1992. - 816 ñ.

.        Áåñïàëîâ, Á. Ë. Òåõíîëîãèÿ ìàøèíîñòðîåíèÿ / Á. Ë. Áåñïàëîâ, Ë. À. Ãëåéçåð, È. Ì. Êîëåñîâ. - Ìîñêâà: Ìàøèíîñòðîåíèå, 1973. - 448 ñ.

.        Áóðöåâ, Â. Ì. Òåõíîëîãèÿ ìàøèíîñòðîåíèÿ / Â. Ì. Áóðöåâ, À. Ñ. Âàñèëüåâ, À. Ì. Äàëüñêèé. - Ìîñêâà: Èçä-âî ÌÃÒÓ èì. Í.Ý. Áàóìàíà, 1997. - 564 ñ.

.        Ãàìðàò-Êóðåê, Ë. È. Ýêîíîìè÷åñêîå îáîñíîâàíèå äèïëîìíûõ ïðîåêòîâ: ó÷åáíîå ïîñîáèå / Ë. È. Ãàìðàò-Êóðåê. - 4-å èçä., ïåðåðàá. è äîï. - Ìîñêâà: Âûñøàÿ øêîëà, 1985. - 159 ñ.

.        Ãàìðàò-Êóðåê, Ë. È. Ýêîíîìèêà èíæåíåðíûõ ðåøåíèé â ìàøèíîñòðîåíèè / Ë. È. Ãàìðàò-Êóðåê. - Ìîñêâà: Ìàøèíîñòðîåíèå, 1986. - 256 ñ.

.        Ãàïîíêèí, Â. À. Îáðàáîòêà ðåçàíèåì, ðåæóùèé èíñòðóìåíò è ñòàíêè: ó÷åáíèê / Â. À. Ãàïîíêèí, Ë. Ê. Ëóêàøîâ, Ò. à Ñóâîðîâà. - Ìîñêâà: Ìàøèíîñòðîåíèå, 1990. - 567 ñ.

.        Ãîðáàöåâè÷, À. Ô. Êóðñîâîå ïðîåêòèðîâàíèå ïî òåõíîëîãèè ìàøèíîñòðîåíèÿ: ó÷åáíîå ïîñîáèå äëÿ âóçîâ / À. Ô. Ãîðáàöåâè÷, Â. À. Øêðåä. - Èçä. 5-å, ñòåð. ;Ïåðåïå÷. ñ 4-ãî èçä. 1983 ã. . - Ìîñêâà: Àëüÿíñ , 2007 255, [1] ñ.

.        Ãîðîøêèí, À. Ê. Ïðèñïîñîáëåíèÿ äëÿ ìåòàëëîðåæóùèõ ñòàíêîâ: ñïðàâî÷íèê / À. Ê. Ãîðîøêèí . - 7-å èçä., ïåðåðàá. è äîï. - Ìîñêâà: Ìàøèíîñòðîåíèå , 1979 . - 303 ñ.

.        Åãîðîâ, Ì. Å. Òåõíîëîãèÿ ìàøèíîñòðîåíèÿ: ó÷åáíèê / Ì. Å. Åãîðîâ, Â. È. Äåìåíòüåâ, Â. Ë. Äìèòðèåâ; ïîä ðåä. Ì. Å. Åãîðîâà. - 2-å èçä., äîï. . - Ìîñêâà: Âûñø. øê. , 1976 . - 534 ñ.

.        Êàðëèê, Å. Ì. Ýêîíîìèêà ìàøèíîñòðîåíèÿ: ó÷åáíèê / Å. Ì. Êàðëèê, Ê. Ì. Âåëèêàíîâ, Â. Ô. Âëàñîâ. - Ëåíèíãðàä: Ìàøèíîñòðîåíèå, 1985. - 392 ñ.

.        Êîëåâ, Í. Ñ. Ìåòàëëîðåæóùèå ñòàíêè: ó÷åáíîå ïîñîáèå / Í. Ñ. Êîëåâ, Ë. Â. Êðàñíè÷åíêî, Í. Ñ. Íèêóëèí. - Ìîñêâà: Ìàøèíîñòðîåíèå, 1980. - 500 ñ.

.        Êîëåìàåâ, Â. À. Òåîðèÿ âåðîÿòíîñòåé è ìàòåìàòè÷åñêàÿ ñòàòèñòèêà : ó÷åáíèê / Â. À. Êîëåìàåâ, Â. Í. Êàëèíèíà . - 3-å èçä., ïåðåðàá. è äîï. . - Ìîñêâà : ÊÍÎÐÓÑ , 2009 . - 384 ñ.

.        Êîíäðàêîâ, Í. Ï. Áóõãàëòåðñêèé ó÷åò: ó÷åáíîå ïîñîáèå äëÿ âóçîâ / Í. Ï. Êîíäðàêîâ. - Èçä. 6-å, ïåðåðàá. è äîï. . - Ìîñêâà : ÈÍÔÐÀ-Ì , 2009 . - 830

.        Êóçíåöîâ, Â. Â. Îðãàíèçàöèÿ ðàáîòû ïî îõðàíå òðóäà íà ìàøèíîñòðîèòåëüíîì ïðåäïðèÿòèè / Â. Â. Êóçíåöîâ. - Ìîñêâà: Ìàøèíîñòðîåíèå, 1978. - 160 ñ.

.        Íåôåäîâ, Í. À. Ñáîðíèê çàäà÷ ïî ðåçàíèþ ìåòàëëîâ è ðåæóùåìó èíñòðóìåíòó/ Í. À. Íåôåäîâ, Ê. À. Îñèïîâ. - Ìîñêâà: Ìàøèíîñòðîåíèå, 1976. - 438 ñ.

.        Ïîïîâ, Ñ. À. Øëèôîâàëüíûå ðàáîòû: ó÷åáíèê / Ñ. À. Ïîïîâ. - Ìîñêâà: Âûñøàÿ øêîëà, 1987. - 383 ñ.

.        Ðîäèí, Ï. Ð. Ìåòàëëîðåæóùèå èíñòðóìåíòû: ó÷åáíèê / Ï. Ð. Ðîäèí . - 3-å èçä., ïåðåðàá. è äîï. . - Êèåâ : Âèùà øêîëà , 1986 . - 455 ñ.

.        Ðóäçèò, ß. À. Îñíîâû ìåòðîëîãèè, òî÷íîñòü è íàäåæíîñòü â ïðèáîðîñòðîåíèè / ß. À. Ðóäçèò, Â. Í. Ïëóòàëîâ. - Ìîñêâà: Ìàøèíîñòðîåíèå, 1991. - 304 ñ.

.        Ñàìîéëîâ, Â. Ñ. Ìåòàëëîîáðàáàòûâàþùèé òâåðäîñïëàâíûé èíñòðóìåíò: ñïðàâî÷íèê / Â. Ñ. Ñàìîéëîâ, Ý. Ô. Ýéõìàíñ, Â. Ñ. Ôàëüêîâñêèé. Ìîñêâà: Ìàøèíîñòðîåíèå, 1988. - 368 ñ.

.        Ñìèðíèöêèé, Å. Ê.Ýêîíîìè÷åñêèå ïîêàçàòåëè ïðîìûøëåííîñòè : ñïðàâî÷íèê / Å. Ê. Ñìèðíèöêèé . - 3-å èçä., ïåðåðàá. è äîï. . - Ìîñêâà : Ýêîíîìèêà , 1989 . - 335 ñ.

.        Ïîäøèïíèêè êà÷åíèÿ : ñïðàâ. ïîñîáèå / ïîä ðåä. Í. À. Ñïèöûíà, À. È. Ñïðèøåâñêîãî . - Ìîñêâà : Ìàøãèç , 1961 . - 827 ñ.

.        Òåðëèêîâà, Ò. Ô.Îñíîâû êîíñòðóèðîâàíèÿ ïðèñïîñîáëåíèé: ó÷åáíîå ïîñîáèå / Ò. Ô. Òåðëèêîâà, À. Ñ. Ìåëüíèêîâ, Â. È. Áàòàëîâ. - Ìîñêâà: Ìàøèíîñòðîåíèå , 1980 . - 120 ñ.

.        Ôðóìèí, Þ. Ë. Êîìïëåêñíîå ïðîåêòèðîâàíèå èíñòðóìåíòàëüíîé îñíàñòêè / Þ. Ë. Ôðóìèí. - Ìîñêâà: Ìàøèíîñòðîåíèå, 1987. - 344 ñ.

.        ×èñòÿêîâ, Â. Ï. Êóðñ òåîðèè âåðîÿòíîñòåé / Â. Ï. ×èñòÿêîâ - Ìîñêâà: Íàóêà, 1978 - 224 ñ.

.        Áîðîâñêèé, Ã. Â.Ñïðàâî÷íèê èíñòðóìåíòàëüùèêà / Ã. Â. Áîðîâñêèé, Ñ. Í. Ãðèãîðüåâ, À. Ð. Ìàñëîâ; ïîä îáù.ðåä. À. Ð. Ìàñëîâà. - Ìîñêâà: Ìàøèíîñòðîåíèå , 2005 . - 463 ñ.

.        Ñïðàâî÷íèê òåõíîëîãà-ìàøèíîñòðîèòåëÿ : â 2 ò.Ò. 1/ ïîä ðåä.: À. Ã. Êîñèëîâîé, Ð. Ê. Ìåùåðÿêîâà 3-å èçä., ïåðåðàá. . - Ìîñêâà : Ìàøèíîñòðîåíèå 1973 . - 694 ñ.

Ðàçìåùåíî íà Allbest.ur

Похожие работы на - Проектирование технологического процесса токарной обработки детали

 

Не нашли материал для своей работы?
Поможем написать уникальную работу
Без плагиата!
Без нейросетей!