Диагностика современных систем ЭСПУ

  • Вид работы:
    Отчет по практике
  • Предмет:
    Другое
  • Язык:
    Русский
    ,
    Формат файла:
    MS Word
    490,28 Кб
  • Опубликовано:
    2017-05-02
Вы можете узнать стоимость помощи в написании студенческой работы.
Помощь в написании работы, которую точно примут!

Диагностика современных систем ЭСПУ

Содержание

Введение

. Техническая часть

.1 Функциональное назначение заданного комплекса технологического оборудования: ЭСПУ - электропривод - станок (без технических данных)

.2 Анализ и описание работы электропривода и его взаимодействие с ЭСПУ

.3 Принцип работы датчиков входящих в станок и сопряжение их с ЭСПУ

. Исследование схемотехники ЭСПУ

.1 Разработка структурной схемы ЭСПУ

.2 Разработка функциональной схемы заданного субблока (модуля) с описанием назначения каждого узла

.3 Исследование интерфейса связи (схемный анализ)

.4 Разработка принципиальной схемы субблока (модуля) (или схемы подключения)

.5 Описание алгоритма поиска заданной неисправности

. Экономическая часть

.1 Методика расчета трудоемкости капитального ремонта станка с ЭСПУ

.2 Методика расчета численности рабочих, занятых капитальным ремонтом станка с ЭСПУ

.3 Методика расчета себестоимости капитального ремонта станка с ЭСПУ

.4 Методика расчета свободно-отпускной цены капитального ремонта станка с ЭСПУ

Заключение

Список использованных источников

Введение


Целью прохождения преддипломной практики является получение практических знаний по полученной специальности и материала для написания дипломной работы. Предприятием прохождения практики является ОАО "СветлогорскХимволокно". При прохождении практики необходимо ознакомиться с документацией на оборудование, методикой его ремонта и настройки.

Продукция, выпускаемая предприятием, пользуется стабильным спросом на внутреннем и внешнем рынках. Предприятие имеет обширные деловые и торговые связи в СНГ и странах дальнего зарубежья. География экспорта продукции охватывает свыше 40 стран в разных частях света. Система менеджмента качества производства продукции сертифицирована на соответствие международному стандарту ISO 9001: 2009 и стандарту управления экологической деятельностью предприятия STB ISO 14001: 2005. Кроме того, ОАО "СветлогорскХимволокно" является первым на территории стран СНГ предприятием, получившим международный экологический сертификат "Эко-Текс".

 

1. Техническая часть

 

.1 Функциональное назначение заданного комплекса технологического оборудования: ЭСПУ - электропривод - станок (без технических данных)

 

Станок

Токарный станок SE 320 NUMERIC получил применение в машиностроительном мелком или среднесерийном производстве при обработке небольших деталей, также выгоден для штучного производства. Дает возможность обрабатывать простые детали из металла и пластмассы или сложные фланцевые заготовки и валы. Выгодно его применение в качестве учебного пособия политехникумов или технических вузов. Станок может работать в ручном режиме с помощью электронных маховиков или выполнять сложные технологические операции в автоматическом режиме с использованием новейших систем управления. Таким образом, станок открывает новые возможности для штучного производства и повышает производительность при обработке мелких серий.

Отличительные особенности:

·        Идеально подходит для потребителей, которые применяли классические токарные станки UHS и переходят на применение станков с ЧПУ.

·              минимальные габаритные размеры

·              простое и удобное обслуживание

·              длительный срок эксплуатации с сохранением точностных характеристик

·              привод шпинделя ременной передачей - низкий уровень вибраций, неблагоприятно влияющих на обработку

·              автоматическое управление передачами прямо в течение цикла

·              подшипники с постоянным жировым наполнением - экономия эксплуатационных расходов

·              обработка компонентов станка обжигом для устранения внутреннего напряжения - высокоточная обработка и стабильность во время всего срока службы станка

·              упрочнение отдельных зон корпуса - повышенная безопасность обслуживающего оператора.

Внешний вид станка TRENSSE 320 представлен на рисунке 1.1.

Рисунок 1.1 - Внешний вид станка TRENSSE 320

 

Электропривод

SINAMICS - это новое семейство приводов Siemens для промышленных машин и установок. SINAMICS предлагает решение для всех задач привода:

·        Простые применения для насосов и вентиляторов в управлении технологическими процессами

·              Требовательные индивидуальные приводы в центрифугах, прессах, экструдерах, подъемниках, транспортных и подъемно-транспортных устройствах

·              Связанные привода в текстильных машинах, машинах для производства пленок и бумагоделательных машинах, в прокатных станах

·              Высокодинамичные сервоприводы для станков, упаковочных и печатных машин.

Внешний вид преобразователя представлен на рисунке 1.2.

Рисунок 1.2 - Внешний вид преобразователя Sinamics S120

 

ЭСПУ

FANUC Series - это система ЭСПУ, которая идеально подходят для работы с автоматическими станочными линиями. Её иновационные программные опции позволяют совершать высокоточную многоканальную обработку с наименьшим временем.

Внешний вид ЭСПУ FANUC представлен на рисунке 1.3.

Рисунок 1.3 - Внешний вид ЭСПУ модели FANUC

1.2 Анализ и описание работы электропривода и его взаимодействие с ЭСПУ

S120 - это модульные преобразователи частоты, разработанные для высокопроизводительных решений в станко- и машиностроении. Sinamics S120 позволяет свободно комбинировать привод различной мощности и функциональности.

Это может быть как многоосевое решение привода с общей централизованной системой управления движением, так и решение с индивидуальными приводами.

Приводная система SINAMICS S120 благодаря своей модульной конструкции может быть отлично адаптирована для решения самых разных задач с приводами. Управляющий модуль рассчитывает приводы и сетевое питание/рекуперацию. Силовые части (силовые модули, модули питания и модули двигателей) обеспечивают оптимальное преобразование энергии для сети и двигателя. SINAMICS S120 блочного, книжного, книжного компактного форматов и "шасси" предлагает оптимальные решения как для простых одноосевых, так и для сложных многоосевых приводов. SINAMICS S120 может использоваться во множестве приложений. Типичными примерами являются токарные, фрезерные и шлифовальные станки и т.д.

Простейшей модификацией SINAMICS S120 является одноосевой привод. Он состоит из управляющего модуля CU310-2 и силового модуля. В силовой модуль встроены сетевой выпрямитель, промежуточный контур напряжения и инвертор для питания двигателя. SINAMICS S120: силовой модуль PM340 блочного формата с управляющим модулем CU310-2 PN

Силовые модули SINAMICS S120 это индивидуальные приводы без сетевой рекуперации. Возникающая генераторная энергия преобразуется в тепло в тормозных резисторах.

Многоосевой привод состоит из одного модуля питания, нескольких модулей двигателей и одного управляющего модуля.

Модуль питания преобразует напряжение сети в постоянное напряжение и питает модули двигателей через промежуточный контур постоянного напряжения.

В модулях двигателей постоянное напряжение промежуточного контура с помощью инвертора преобразуется в переменное напряжение для питания двигателя. В общем управляющем модуле рассчитывается как питание/рекуперация, так и регулирование двигателей. Соединение между управляющим модулем и силовыми частями осуществляется через цифровой системный интерфейс DRIVE-CLiQ.S120: управляющий модуль CU320-2, модуль питания и 3 модуля двигателей книжного формата Структурная схема с управляющим модулем CU320-2, модулем питания и 2 модулями двигателей представлена на рисунке 1.4.

Рисунок 1.4 - Структурная схема SINAMICS S120

 

.3 Принцип работы датчиков входящих в станок и сопряжение их с ЭСПУ


Данные ЭСПУ передаются от ЭСПУ к внешнему устройству ввода-вывода, например, HandyFile, и наоборот.

Можно ввести или вывести следующие типы данных:

. Программы;

. Данные коррекции;

. Параметры;

. Данные коррекции погрешности шага;

. Общие переменные макропрограмм пользователя.


Рисунок 1.5 - Структура подключения ЭСПУ FANUC

По данной схеме видно, что все структурные части подключаются к блоку управления с помощью различных интерфейсов. В составе УЭСПУ можно выделить три основные крупные модуля:

блок управления;

модуль ввода-вывода;

устройство ручного ввода данных;

усилитель сервосистемы.

Структура ЭСПУ FANUC представлена на рисунке 2.1. На данном рисунке отражен состав ЭСПУ FANUC. В структуре выделяют два блока: базовая система ЭСПУ и дополнительные подключаемые модули.

На устройстве с дополнительными гнездами количество плат, которое можно установить зависит от количества существующих дополнительных гнезд. Однако для некоторых дополнительных гнезд подходят только определенные дополнительные платы.

 

2. Исследование схемотехники ЭСПУ

 

.1 Разработка структурной схемы ЭСПУ


Согласно исходным данным в качестве модуля ЭСПУ рассматривается материнская плата. Структурная схема ЭСПУ представлена на рисунке 2.1.

Рисунок 2.1 - Структурная схема ЭСПУ FANUC

ЭСПУ FANUC имеет в своем составе следующие модули:

. Карта осевого управления реализует функцию управления осями и включает в себя блоки: СОЗУ (статическое ОЗУ), ЦСП (цифровые сигнальные процессоры), управление G/A ЦСП, интерфейс FSSBC.

. Карта управления изображением передает изображение на ЖК-дисплей и включает в себя блоки: ЦП (центральный процессор), ДОЗУ (динамическое ОЗУ), G/A управление графикой, управление Ethernet, Управление VGA

. Карта ЦП реализует функции управления и включает в себя блоки: ЦП, G/A ЦП периферийного оборудования, ДОЗУ, ПО (программное обеспечение) для начала загрузки.

Так же ЭСПУ состоит из F - шины, которая находится на объединительной плате, и управляется G/A управлением PMC. Управление F-шиной, к которой также подключен PMC ЦП и СОЗУ, ввод - вывод и все соединено с каналом связи ввода - вывода.

 

.2 Разработка функциональной схемы заданного субблока (модуля) с описанием назначения каждого узла


На рисунке 2.2 представлена функциональная схема материнской платы ЭСПУ FANUC

Материнская плата - это основная системная плата ЭСПУ, имеющая разъёмы для установки дополнительных плат расширения и служащая механической основой всей электронной схемы системы. Благодаря материнской плате обеспечивается полное взаимодействие компонентов ЭСПУ.

Значение системной платы очень велико, все составляющие электронной системы взаимодействуют между собой благодаря именно ей, так данные с жёсткого диска никогда не смогут быть обработаны в процессоре до того, как попадут в оперативную память, а графическому адаптеру будет нечего получить от системы и впоследствии передать монитору. Самые обыкновенные устройства ввода информации, такие как мышь и клавиатура, также обмениваются информацией через разъёмы на материнской плате.

Рисунок 2.2 - функциональная схема материнской платы ЭСПУ FANUC

На материнской плате находится управление периферийным оборудованием G/A, которая управляет: интерфейсом MDI, интерфейсом карты памяти, последовательным шпинделем и высокоскоростным DI. Так же на материнской плате расположен аналоговый шпиндель модуля DIMM, к которому подключён ППЗУ/ СОЗУ модуля DIMM, он служит для запоминания и выдачи информации на модуле DIMM.

Аналоговый шпиндель модуля DIMM выводит сигналы на аналоговый вывод шифратора положения.

В таблице 1.1 представлен перечень разъемов и их назначение.

Таблица 1.1 - Назначение разъемов материнской платы

 

.3 Исследование интерфейса связи (схемный анализ)


Сеть DeviceNet - это недорогая промышленная сеть для соединения промышленных устройств, таких как концевые выключатели, фотоэлементы, разнообразные задвижки, стартеры электродвигателей, приводы, а также операторские дисплеи процессоров программируемых логических контроллеров (PLC) и персональные компьютеры. Сеть позволяет исключить дорогую фиксированную кабельную разводку и в то же время предоставляет возможность диагностики уровня физических устройств.- это ведущие в мире сети уровня физических устройств для автоматизации промышленного производства. Фактически, более 40 процентов конечных пользователей опрошенных независимыми промышленными аналитиками среди всех сетей выбрали сеть DeviceNet.

Сеть DeviceNet предлагает надежное и эффективное управление данными, так как она использует технологию Поставщик/Потребитель. Эта модель современной связи предлагает основные возможности, которые позволяют пользователю определять ту информацию, которая ему необходима в определенный момент.

Преимущества сети DeviceNet:

Сеть DeviceNet - это стандарт базовой сети для сетевых соединений уровня физических устройств. С более широкими функциональными возможностями, нежели сети измерительных устройств, DeviceNet вбирает широкий диапазон устройств от приводов до кнопочных станций, контроллеров PLC и пневматических устройств. Достижение такого уровня универсальности обычно требует наличия двух различных базовых сетей, с различными протоколами.

Так как DeviceNet основана на модели Поставщик/Потребитель, она увеличивает общую производительность сетевой системы предоставляя возможности работы на основе как событий, так и времени. Например, рассмотрим отправку сообщений по изменению состояния. Использование обмен сообщениями по изменения состояния (COS) предохраняет вашу сеть от снижения скорости работы из-за излишнего трафика сообщений. Поддерживается максимальная производительность сети.

 

.4 Разработка принципиальной схемы субблока (модуля) (или схемы подключения)


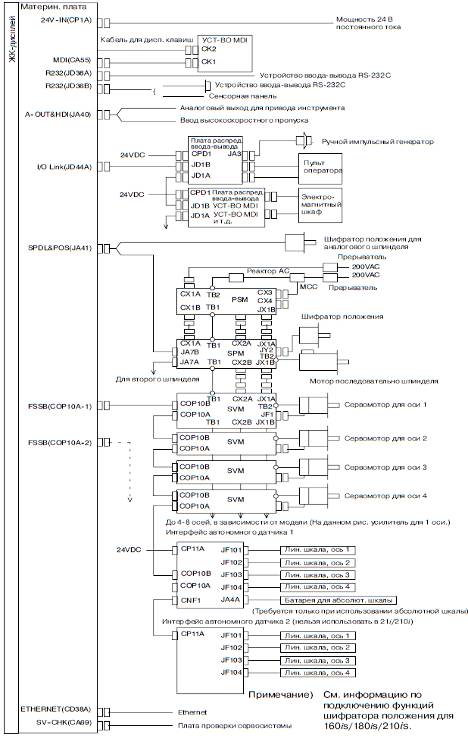
На рисунке 2.3 представлена схема подключения материнской платы ЭСПУ FANUC.

Рисунок 2.3 - Схема подключения материнской платы ЭСПУ FANUC

 

.5 Описание алгоритма поиска заданной неисправности


Согласно заданию курсового проекта необходимо разработать алгоритм поиска и устранения заданной неисправности - при включении зависает ЭСПУ.

Данная неисправность может быть вызвана рядом причин.

. Нарушение целостности подключения.

Если зависание происходит рандомно, то это говорит о нестабильном контакте на разъемах. Поэтому необходимо проверить сами разъемы на наличие механических повреждений или загрязнений, а также всевозможные подключения.

. Неисправно оперативное запоминающее устройство (ОЗУ) или постоянное запоминающее устройство (ПЗУ).

В этом случае необходимо проверить плату ОЗУ на наличие механических повреждений или сгоревших элементов и выполнить ее ремонт или заменить на исправную. Еще рекомендуется выполнить диагностику платы, так могут быть системные ошибки.

Аналогичные действия проводятся для проверки ПЗУ.

. Сбой в операционной системе.

Следует проверить управляющие программы на наличие ошибок и при необходимости их исправить или переписать программы заново. В противном случае - выполнить переустановку ПО.

. Неисправна материнская плата.

Если проверка показала, что неисправна материнская плата, то следует ее заменить. Замена материнской платы очень трудоемкий и дорогостоящий процесс, поэтому чаще и выгоднее купить новую ЧПУ, если станок не находится на гарантии.

Во время выполнения проверки причин, вызвавших зависание ЭСПУ, следует также обратить внимание на следующее:

) перестают нажиматься подэкранные клавиши - проблема в гибком шлейфе (как правило его заменяют);

) не нажимается MDI клавиатура - проблема в ее шлейфе или самой клавиатуре (заменить шлейф или выполнить ремонт клавиатуры).

Также после проверки каждой причины следует перезагружать ЭСПУ, чтобы контролировать, устранена ли неисправность.

3. Экономическая часть

 

.1 Методика расчета трудоемкости капитального ремонта станка с ЭСПУ


Трудоемкость - время необходимое для выполнения капитального ремонта. Трудоемкость капитального ремонта рассчитывается по формуле:

Т = Тмех. + Тэлектр. + Тэлектрон. (1)

где Тмех. - трудоёмкость выполнения капитального ремонта механической части;

Тэлектр. - трудоёмкость выполнения капитального ремонта электрической части;

Тэлектрон. - трудоёмкость выполнения капитального ремонта электронной части.

В свою очередь Тмех., Тэлектр., Тэлектрон. рассчитываются следующим образом:

Тмех. = ЕРСмех. * Н1 (2)

Тэлектр. = ЕРСэлектр. * Н2 (3)

Тэлектрон. = ЕРСэлектрон. * Н3 (4)

где ЕРСмех. - единица ремонтной сложности механической части;

ЕРСэлектр. - единица ремонтной сложности электрической части;

ЕРСэлектрон. - единица ремонтной сложности электронной части;

Н1, Н2, Н3 - нормы времени на 1 ЕРС капремонта механической, электрической и электронной частей соответственно.

3.2 Методика расчета численности рабочих, занятых капитальным ремонтом станка с ЭСПУ


Кадры и трудовые ресурсы предприятия - это совокупность работников различных профессионально - квалификационных групп, занятых на предприятии и входящих в его списочный состав. В списочный состав включаются все работники, принятые на работу, связанную как с основной, так и не основной его деятельностью.

Персонал предприятия - основной состав квалифицированных работников предприятия, фирмы, организации.

Обычно трудовой персонал предприятия подразделяют на производственный персонал и занятый в непроизводственных подразделениях. Производственный персонал - работники, занятые в производстве и его обслуживании - составляет основную часть трудовых ресурсов предприятия.

Самая многочисленная и основная категория производственного персонала - это рабочие предприятия (фирмы) - лица (работники), непосредственно занятые созданием материальных ценностей или работами по оказанию производственных услуг и перемещению грузов.

К основным рабочим относят работников, непосредственно создающих товарную (валовую) продукцию предприятий и занятых осуществлением технологических процессов, т.е. изменением форм, размеров, положения, состояния, структуры, физических, химических и других свойств предметов труда.

К вспомогательным относятся рабочие, занятые обслуживанием оборудования и рабочих мест в производственных цехах, а также все рабочие вспомогательных цехов и хозяйств.

Руководители - работники, занимающие должности руководителей предприятий (директора, мастера, главные специалисты).

Служащие - работники, осуществляющие подготовку и оформление документов, учет и контроль, хозяйственное обслуживание (агенты, кассиры, делопроизводители, секретари и т.п.).

Младший обслуживающий персонал - лица, занимающие должности по уходу за служебными помещениями, а также по обслуживанию рабочих и служащих (рассыльные, курьеры).

Персонал предприятия и его изменения имеют определенные количественные, качественные и структурные характеристики, которые могут быть с меньшей или с большей степенью достоверности измерены и отражены следующими абсолютными и относительными показателями:

• списочная и явочная численность работников;

• среднесписочная численность работников;

• удельный вес работников отдельных групп и категорий в общей численности работников предприятия;

• темпы роста (прироста) численности работников предприятия за определенный период;

• средний разряд рабочих предприятия;

• удельный вес служащих имеющих высшее или среднее специальное образование в общей численности служащих;

средний стаж работы по специальности руководителей и специалистов предприятия;

• текучесть кадров по увольнению и приему работников;

•фондовооруженность труда работников.

Количественная характеристика трудовых ресурсов (персонала) предприятия в первую очередь измеряется такими показателями, как списочная, явочная и среднесписочная численность работников.

Списочная численность работников предприятия - это численность работников списочного состава на определенное число и дату с учетом принятых и выбывших за этот день работников.

Производительность труда характеризует результативность, плодотворность и эффективность конкретного вида труда.

Важнейшими показателями труда являются выработка и трудоемкость. Выработка - наиболее распространенный и универсальный показатель производительности труда. В связи с тем, что затраты труда могут быть выражены количеством отработанных человеко-часов, человеко-дней, средним списочным числом рабочих или работающих, различают показатели средней часовой, дневной и годовой выработки на одного рабочего. Среднегодовая выработка определяется как на одного рабочего, так и на одного работающего.

Составляют также количество невыходов на работу по уважительным причинам.

Рассчитать численность рабочих можно по следующей формуле:

Ч = Т/(Fд*kн), (5)

где Ч - численность рабочих,

Т - общая трудоемкость выполнения капитального ремонта;

kн - планируемый коэффициент выполнения норм выработки

Fд = Fн * (1-λ /100), (6)

где Fд - действительный годовой фонд времени одного рабочего, ч;

λ- процент потерь рабочего времени по уважительным причинам.

 

3.3 Методика расчета себестоимости капитального ремонта станка с ЭСПУ


Себестоимость - это общая сумма всех затрат, связанных с выполнением капитального ремонта станка. Расчет себестоимости производится по калькуляционным статьям расходов.

Содержание калькуляционных статей расходов:

В статье "материальные затраты" отражаются: стоимость приобретенных со стороны сырья, материалов, полуфабрикатов, комплектующих изделий, топлива, энергии, израсходованных на капитальный ремонт.

В статью "основная заработная плата" включает оплату за выполнение капитального ремонта на основе трудоемкости работ.

Статья "дополнительная заработная плата" отражает выплаты, предусмотренные законодательством за непроработанное в производстве время: оплата ежегодных и учебных отпусков, компенсации, выполнение гособязанностей, кормящим матерям. Определяется в процентах от основной заработной платы.

Статья "отчисления в фонд социальной защиты населения" отражает обязательные отчисления по установленным законодательством ставкам в фонды защиты населения.

В статью "общепроизводственные расходы" включаются расходы на оплату труда управленческого и обслуживающего персонала цехов, вспомогательных рабочих; амортизация; расходы на ремонт основных фондов; охрану труда работников, на содержание и эксплуатацию оборудования, сигнализацию, отопление, освещение, водоснабжение цехов и другие.

В статью "общехозяйственные расходы" включаются: расходы на оплату труда, связанные с управлением предприятия в целом (заработная плата персонала заводоуправления и обслуживающих работников); командировочные, канцелярские, почтово-телеграфные и телефонные расходы; амортизация; расходы на ремонт и эксплуатацию основных фондов, отопление, освещение, водоснабжение заводоуправления, на охрану, сигнализацию, содержание легкового автотранспорта.

В статью расходы на содержание оборудования включаются

затраты по содержанию, текущему ремонты и амортизацию подъемно-транспортного, цехового-транспортного, производственного оборудования;

•износ ценного инструмента;

•погашение стоимости и затрат по восстановлению быстроизнашивающихся инструментом;

•затраты на силовую энергию (пар);

•заработная плата и отчисления вспомогательным рабочим, занятым обслуживанием оборудования;

•другие расходы, связанные с обслуживанием оборудования.

В статью цеховые расходы включаются

•зарплата с отчислениями аппарата управления цехом, а также вспомогательным рабочим, обслуживающим цех;

•амортизация и затраты по содержанию и текущему ремонту зданий, сооружений и общецехового инвентаря;

•затраты на отопление и освещение цеха;

•затраты по охране цеха и другие общецеховые затраты.

В статью общезаводские расходы включают

•зарплату с отчислениями персонала заводоуправления;

•расходы на командировки, заводской транспорт;

•почтовые, телеграфные и телефонные расходы;

•расходы на содержание и текущий ремонт зданий и сооружений общезаводского назначения;

•затраты на отопление, освещение и охрану предприятия.

В статью потери от брака включается стоимость всей окончательно забракованной продукции, а также затраты по исправлению брака изделий, полуфабрикатов. Потери от брака учитываются только в отчетных калькуляциях.

В статью прочие расходы включаются расходы на гарантийное обслуживание и ремонт продукции.

В статью внепроизводственные расходы включаются затраты, связанные, в основном, с реализацией продукции:

•расходы на упаковку продукции;

•расходы по доставке на станцию отправления, погрузка в вагоны;

•расходы на рекламу.

Себестоимость капитального ремонта станка высчитывается из ∑п 1-п 6:

. Материальные затраты

. Основная заработная плата

. Дополнительная заработная плата

. Отчисление в фонд социальной защиты

. отчисление в Белгоострах

. цеховые расходы

 

.4 Методика расчета свободно-отпускной цены капитального ремонта станка с ЭСПУ

электропривод интерфейс капитальный ремонт

Цена - денежное выражение стоимости капитального ремонта сторонней организации.

Отпускная цена рассчитывается по формуле:

Отпускная цена предприятия должна быть выше себестоимости продукции на величину прибыли и на величину НДС, который должен быть перечислен в бюджет. [1]

Используется отпускная цена предприятия по месту изготовления. Предприниматель может потребовать от каждого клиента взять на себя издержки пересылки с места изготовителя до места пребывания заказчика. Тогда покупатель погашает издержки транспорта от места производства до места потребления. Такая ценовая политика наиболее справедливая, так как каждый клиент оплачивает собственные издержки. Но в этой ситуации поставщик может оказаться самым дорогим партнером для территориально отдаленных покупателей.

ОЦ=Сп+П+НДС (7)

П - плановые накопления;

НДС - налог на добавленную стоимость.

Заключение

Во время прохождения преддипломной практики были получены основные сведения о предприятии, структуре цеха и выпускаемой продукции. При практическом изучении оборудования были углублены знания по специальности и получены знания о структуре современных систем ЭСПУ, взаимодействии их основных модулей и их конструкции. Также были получены практические навыки написания управляющих программ для систем ЭСПУ и методы наладки станка на деталь. Экономическая часть позволила получить более глубокие знания по методике расчёта себестоимости ремонта станков с ЭСПУ.

Диагностика современных систем ЭСПУ стала значительно проще, поскольку уже не нужны наборы тестовых программ, так как все это уже встроено в систему. Модульный принцип значительно упростил доступ к необходимым модулям, упростил их замену, Отображение на дисплее положения инструмента позволяет значительно проще производить наладку и делает этот процесс более наглядным.

Я узнал достаточно много нового для себя, а также получил опыт работы на производственном предприятии подобного рода.

 

Список использованных источников


.     Аиюковский В.А. "Построение систем связей комплексов оборудования и аппаратов". Москва: 1976 г.

2.   Борисов Ю.С. "Справочник механика машиностроительного завода".Том 1. Москва: 1971 г.

3.      Боровик С.С., Бродский М.А. "Ремонт и регулировка бытовой радиоэлектронной аппаратуры". Минск: 1989 г.

4.   Ватутин В.М. "Характеристики кабелей для передачи информации". Новосибирск: 1976 г.

5.   Лебедев А.М. и др. "Следящие электроприводы станков с ЧПУ". Москва: 1988 г.

6.      Марголит Р.Б. "Наладка станков с программным управлением". Москва: 1983 г.

7.   Наумова Б.Н. "Малые ЭВМ и их применение". Москва:1980 г.

8.   Хрипач В.Я. "Экономика предприятия". Минск: 2000 г.

9.   Сыров В.В. Электроника НЦ -31. Руководство по электронике 1980г.

Похожие работы на - Диагностика современных систем ЭСПУ

 

Не нашли материал для своей работы?
Поможем написать уникальную работу
Без плагиата!
Без нейросетей!