Проектирование системы теплоснабжения жилого района от ЦТП
ВЫПУСКНАЯ
КВАЛИФИКАЦИОННАЯ РАБОТА
на
тему: «Проектирование системы теплоснабжения
жилого
района от ЦТП»
Москва
2017 г.
СОДЕРЖАНИЕ
Введение
Раздел 1. Исходные данные, общие
сведения о ЦТП
.1 Анализ принципа действия и
технологических схем ЦТП
.1.1 Принцип действия ЦТП
.1.2 Схемы ЦТП
.2 Исходные данные проекта
.2.1 Климатические условия площадки
.2.2 Описание принятой схемы
теплоснабжения
.2.3 Потребители тепловой энергии от
ЦТП
Раздел 2. Проектирование системы
теплоснабжения жилого района от ЦТП
.1 Расчет тепловых нагрузок и
расходов теплоносителя
.2 Выбор и описание способа
регулирования
.3 Расчет тепловой схемы
.4 Гидравлический расчет системы
теплоснабжения
.4.1 Расчет расходов теплоносителя
по участкам сети
.4.2 Расчет потерь давления
.4.3 График давлений тепловой сети и
его анализ
.5 Выбор и расчет оборудования
.5.1 Подбор теплообменного
оборудования
.5.2 Подбор насосного оборудования
.5.3 Конструктивные элементы
тепловой сети
.6 Технологическая часть
Раздел 3. Экономика, безопасность
решений проекта и экология
.1 Экономическая часть
.1.1 Расчет расходов по эксплуатации
системы теплоснабжения
.1.2 Расчет доли ЦТП и тепловых
сетей в себестоимости отпуска тепловой энергии
.2 Безопасность решений проекта
.2.1 Опасные и вредные производственные
факторы
.2.2 Техника безопасности
.2.3 Производственная санитария
.3 Охрана окружающей среды
Заключение
Список использованной литературы
ВВЕДЕНИЕ
Темой выпускной квалификационной работы является
проектирование теплоснабжения района от ЦТП в г. Казани.
Целью работы является разработка проекта
теплоснабжения жилого района от ЦТП, выбор принципиальных решений по
теплоснабжению, рабочего оборудования и средств контроля.
Актуальность темы определяется большим интересом
к современным системам теплоснабжения, перспективностью развития данной отрасли
в рамках повышения эффективности, экологичности и экономичности
теплоснабжающего оборудования.
В достижения обозначенной цели в ВКР необходимо
решить следующие задачи:
рассмотреть теоретические аспекты проектирования
систем теплоснабжения от ЦТП;
рассчитать расход теплоты на отопление,
вентиляцию и горячее водоснабжение;
выполнить гидравлический расчет схемы
теплоснабжения с построением графика давлений сети;
произвести выбор основного и вспомогательного оборудования
ЦТП;
выполнить расчет технико - экономических
показателей.
ВКР состоит из: введения, трех разделов,
заключения, библиографического списка.
В первой части рассмотрены основные направоения
проектирования системы теплоснабжения, варианты трассировки тепловых сетей,
принцип работы и конструкции ЦТП. Кроме того выполнен анализ исходных данных,
приведены административная и климатологическая характеристика района
проектирования.
Во втором разделе производится проектирование
элементов системы теплоснабжения от ЦТП: выполняется расчет тепловых нагрузок
по абонентам района, гидравлический расчет тепловой сети с графика давлений,
производится выбор основного и вспомогательного оборудования ЦТП, произведен
расчет и выбор основных конструктивных элементов тепловой сети.
В третьем разделе решены вопросы охраны труда и
экологии, рассчитана себестоимость отпуска тепловой энергии для абонентов.
В ходе подготовительной работы была использована
научная литература и нормативно-правовые акты в области теплоэнергетики.
Раздел 1. Исходные данные, общие сведения о ЦТП
.1 Анализ принципа действия и технологических
схем ЦТП
.1.1 Принцип действия ЦТП
Четырехтрубная система централизованного
теплоснабжения от источников
Центральный тепловой пункт (ЦТП) - комплекс
технических устройств, предназначенный для присоединения, передачи и
распределения тепловой энергии нескольким потребителям. В ЦТП подключаются
группы однородных систем теплопотребления: отопление, вентиляция и ГВС
большинства зданий микрорайона/квартала.
ЦТП должны размещаться на границах между
магистральными и
распределительными (квартальными) сетями и
служат для распределения теплоносителя по системам отопления и горячего
водоснабжения обслуживаемых зданий, а также функции обеспечения безопасности,
управления и учета.
Принципиальная схема ЦТП представлена на рисунке
1.1.
Основные задачи ЦТП:
распределение теплоносителя в автомаитческом
режиме, который поступает от источника тепла по тепловым сетям в местные
районные сети, в объемах, соответствующих потребности абонентов;
телемеханический контроль за всеми параметрами
теплоносителя и автоматический учет расхода теплоты, получаемой всеми
абонентами;
автоматическое регулирование всех параметров
теплоносителя, направляемого в местные распределительные тепловые сети в соответствии
с техническими характеристиками группы потребителей;
защита от нарушения гидравлических режимов
тепловых сетей при возникающих нарушениях теплового режима, а также от
возникновения утечек в магистральных и местных сетях;
защита местных систем теплоснабжения от
аварийного повышения давления в распределителльных сетях (возникающие
гидравлические удары и ошибки при переключениях);
система водоподготовки для ГВС;
обеспечение отключения систем теплопотребления в
случае такой необходимости.
Рис. 1.1. Принципиальная схема ЦТП
теплоснабжение
жилой район
1.1.2 Схемы ЦТП
При использовании воды - как теплоносителя в
системе теплопотребления, центральные тепловые пункты могут быть с зависимой и
независимой схемой подключения оборудования.
По зависимой одноконтурной схеме подключения
вода от распределительной сети поступает непосредственно абоненту в систему
теплопотребления. При реализации такой схемы нет необходимости в строительстве
промежуточных тепловых пунктов, теплообменного оборудования и другого
смесительного и насосного оборудования.
Главным недостатком такой схемы является
невозможность осуществления регулирования режимов теплопотребления.
При независимой двухконтурной схеме подключения
теплоноситель от магистральных сетей (первый контур) отдает тепло
теплоносителю, который уже будет циркулировать непосредственно в системе
теплопотребления абонентов (второй контур). Преимуществами данной схемы
является возможность полного регулирования и управления всеми тепловыми
режимами всех контуров схемы.
.2 Исходные данные проекта
.2.1 Климатические условия площадки
Место строительства - г. Казань.
Район строительства в соответствии с СП
131.13330.2012 «Строительная климатология» и СП 20.13330.2011 «Нагрузки и
воздействия» характеризуется следующими условиями, представленными в таблице
1.1.
Таблица 1.1
Климатологическая характеристика места
строительства
|
Наименование
|
Показатели
|
Источник
|
|
Климатический
подрайон
|
I
В
|
[1]
|
|
Расчетная
температура для проектирования ограждающих конструкций, оС: 1) абсолютная
минимальная 2) средняя наиболее холодных суток 3) средняя наиболее холодной
пятидневки
|
-37
-35 -32
|
То
же " "
|
|
Зона
влажности
|
сухая
|
"
|
|
Внутренняя
расчетная температура, оС
|
18
|
-
|
|
Внутренняя
относительная влажность воздуха, %
|
66
|
-
|
|
Продолжительность
отопительного периода, сут.
|
208
|
[1]
|
|
Средняя
температура наружного воздуха отопительного периода, оС
|
-
4,8
|
"
|
.2.2 Описание принятой схемы теплоснабжения
Прокладка трассы трубопроводов тепловой сети
нанесена на тепловую карту района города с нанесёнными на ней кварталами,
геодезическими отметками уровня земли и заданными тепловыми нагрузками.
При проектировании трассы трубопроводов
учитывались следующие соображения:
При проектировании тепловой сети от ЦТП учтем
следующие требования:
Диаметры трубопроводов, которые прокладываем в
жилом районе, по условиям безопасности, выбираем не более 500 мм, при этом не
допускается прокладка трассы в местах возможного скопления людей (спортивные
площадки, скверы, дворовое пространство и т.д.). Пересечение трубопроводами
тепловых сетей дошкольных, детских, школьных и лечебно-профилактических
организаций не допускается.
Для проектируемой тепловой сети выбираем
подземную прокладку.
Уклон при прокладке трубопроводов в
независимости от скорости и направления движения теплоносителя должен
составлять не менее 0.002.
При окончательном выборе схемы магистральных
тепловых сетей требуется учитывать экономичность и надежность их работы. При
этом необходимо ориентироваться на наименьшую протяженность тепловых сетей, к
меньшему числу тепловых камер, используя, по возможности, двухстороннее
подключение абонентов.
В нижних точках трубопроводов тепловых сетей
необходимо устанавливать запорную арматуру для слива теплоносителя (дренажные
краны).
Компенсация температурных деформаций в
трубопроводах тепловых сетей обеспечивается компенсаторами - сильфонными,
сальниковыми или радиальными, а также самокомпенсацией - на участках поворотов
тепловой сети.
Для подземной прокладки тепловых сетей
применяется канальная.
В ВКР будем использовать бесканальную и
канальную прокладку.
Для защиты наружной поверхности трубопроводов
тепловых сетей от коррозии требуется предусматривать защитное покрытие.
При подземной прокладке для установки запорной
арматуры, спускных и воздушных элементов, компенсаторов и вспомогательного
оборудования, которое требует постоянного обслуживания, устраиваются тепловые
камеры или ковера.
.2.3 Потребители тепловой энергии от ЦТП
В данной работе рассматривается теплоснабжение
жилого микрорайона города Казани от ЦТП.
Система теплоснабжения предназначена для нужд
горячего водоснабжения и отопления. Потребителями тепла являются жилые,
административные и вспомогательные здания.
К ЦТП подключено 33 потребителя, список которых
с тепловыми нагрузками приведен в таблице 1.2.
Таблица 1.2 Тепловые нагрузки зданий
|
Часовые
нагрузки, Гкал/ч
|
Наименование
абонента
|
|
отопл.
|
вентил.
|
ГВС
|
|
|
1
|
2
|
3
|
4
|
|
0,0560
|
0,0000
|
0,0000
|
№2
ферма-2 дом 10
|
|
0,0809
|
0,0000
|
0,0113
|
№6
ферма-2 дом 71
|
|
0,0503
|
0,0000
|
0,0124
|
№7
ферма-2 дом 59
|
|
0,0268
|
0,0000
|
0,0075
|
№8
ферма-2 дом 49
|
|
0,0392
|
0,0000
|
0,0000
|
№9
ферма-2 дом 50
|
|
0,3662
|
0,0000
|
0,0850
|
№10
ферма-2 дом 80
|
|
0,0889
|
0,0000
|
0,0396
|
№11
ферма-2 д/с №47
|
|
|
|
№12
ферма-2 дом 76
|
|
0,0074
|
0,0000
|
0,0073
|
Магазин
№5
|
|
0,1522
|
0,0000
|
0,0260
|
Жилой
дом
|
|
0,1596
|
0,0000
|
0,0333
|
Итого:
0,1929
|
|
|
|
№13
ферма-2
|
|
0,1667
|
0,0000
|
0,0371
|
Общежитие
№6
|
|
0,0053
|
0,0000
|
0,0022
|
Ф-л
полик. отделения дет. б-цы
|
|
0,1720
|
0,0000
|
0,0393
|
Итого:
0,2113
|
|
0,1672
|
0,0000
|
0,0418
|
№14
ферма-2 82 Общежитие №5
|
|
0,2785
|
0,0000
|
0,1074
|
№15
ферма-2 79-А, общежитие №1А
|
|
0,3464
|
0,0000
|
0,1117
|
№16
ферма-2 79Б, общежитие( с пристроем)
|
|
0,1044
|
0,0000
|
0,0022
|
№18
учебное здание№3 (библиотека)
|
|
0,1610
|
0,0000
|
0,0319
|
№19
ферма-2 84 спортивный корпус
|
|
0,2713
|
0,0000
|
0,0000
|
№20
учебная мастерская
|
|
0,8858
|
0,1048
|
0,0176
|
№
21 учебное здание№3
|
|
0,2919
|
0,0000
|
0,0000
|
№
22 учебное здание № 2А-Б
|
|
0,2614
|
0,0000
|
0,0357
|
№23
Ферма 2, 78,ж/д
|
|
0,0174
|
0,0000
|
0,0000
|
№25
Ферма-2, дом 44
|
|
0,0150
|
0,0000
|
0,0000
|
№27
Биотехнологическая лаборатория
|
|
0,0171
|
0,0000
|
0,0000
|
№28
Учебно-тепличный комплекс
|
|
0,0136
|
0,0000
|
0,0000
|
№29
Ферма-2, дом 85
|
|
0,2337
|
0,0861
|
0,2428
|
№
30 Общежитие гостиничного типа
|
|
0,1204
|
0,1685
|
0,5589
|
№
31 стадион «ТУЛПАР»
|
|
0,1763
|
0,4300
|
0,1983
|
№
32 Спортивный комплекс
|
|
0,4046
|
0,0000
|
0,0929
|
№
33 Ферма-2, дом 81
|
|
0,0026
|
0,0000
|
0,0000
|
№
34 Ферма-2, ГРП
|
|
0,0526
|
0,0000
|
0,0000
|
№
37 Ферма-2, дом 75
|
|
0,0373
|
0,0000
|
0,0000
|
№
39 Ферма-2 Контора учхоза
|
|
0,1124
|
0,0000
|
0,0000
|
Гараж
учхоза
|
|
0,1497
|
0,0000
|
0,0000
|
Итого:
0,1497
|
|
0,0083
|
0,0000
|
0,0000
|
№
40 Ферма-2, дом №74
|
|
0,1034
|
0,0000
|
0,0539
|
№41
Столовая общежития ФПК
|
|
0,0057
|
0,0000
|
0,0000
|
№42
Уч. лаборатория хранения матер.
|
|
0,0139
|
0,0000
|
0,0011
|
№
43 Ферма-2, дом №43 Магазин «Исток»
|
|
5,1421
|
0,7894
|
1,7276
|
ИТОГО:
7,6561
|
Раздел 2. Проектирование системы теплоснабжения
жилого района от ЦТП
.1 Расчет тепловых нагрузок и расходов
теплоносителя
Произведем расчет тепловых нагрузок
теплопотребления.
Расход теплоты на отопление (на системы,
оборудование конвективно-излучающими приборами). Расчетные расходы теплоты
(Гкал/ч) на отопление жилых, общественных и административных зданий определяют
по укрупненным показателям
(2.1)
где q - удельная отопительная характеристика
здания при tв.р.=-32
С, кал ∕(м3∙ч∙
С);
α- поправочный
коэффициент, учитывающий климатические условия района и применяемый в случаях,
когда расчетная температура наружного воздуха отличается от - 32
С;объем
здания по наружному обмеру, м3;в- расчетная температура воздуха внутри
отапливаемого здания,
С ;в.р.- расчетная
температура наружного воздуха для проектирования отопления,
С.
Отопительные характеристики жилых зданий с
учетом естественной вентиляции для климатического пояса с расчетной
температурой наружного воздуха tв.р.= -32
С можно также
определить по эмпирической формуле ВТИ им. Ф. Э. Дзержинского:
, (2.2)
где V - объем зданий по наружному обмеру, м3;=
6, a = 1,6 - для зданий, возведённых до 1958 г.;= 8, а = 1,3 - для зданий,
построенных после 1958 г. (из сборного железобетона).
Определим расход теплоты на горячее
водоснабжение. Расчетные расходы горячей воды и теплоты на горячее
водоснабжение определяют по проектным данным. При их отсутствии нормативный
расход горячей воды для жилых зданий определяют по формулам:
среднечасовой за сутки наибольшего
водопотребления
, (2.3)
максимально часовой
, (2.4)
где а - норма расхода горячей воды на одного
потребителя, принимаемая по таблице 1.5 [2];- расчетное число потребителей;
К - коэффициент часовой неравномерности потребления
горячей воды;
-3 - коэффициент перевода расхода воды из л/ч в
м3/ч.
Среднечасовой и максимально-часовой расчетные
расходы теплоты на горячее водоснабжение (Гкал/ч) определяют умножением
соответствующих расходов воды на коэффициент (55 - tx)10-3 (где 55 - принятая
температура горячей воды, tx - температура холодной воды, которая при
отсутствии данных принимается равной 5 0С).
Расчетный среднечасовой расход горячей воды для
жилых зданий находят по формуле:
, (2.5)
где tx - принятая температура горячей воды в
системах горячего водоснабжения, 0С, принимается не ниже 50 0С для закрытой
системы теплоснабжения и не ниже 60 0С для открытой системы.
Среднечасовые расчетные расходы воды и теплоты
на горячее водоснабжение в летний период находят по формулам:
; (2.6)
; (2.7)
где tг.л и tх.л - принятые температуры горячей и
холодной воды в летний период, 0С; при отсутствии данных принимают tх.л = 15
0С;__ коэффициент, учитывающий снижение среднечасового расхода воды на горячее
водоснабжение в летний период, при отсутствии данных принимается равным 08, а
для предприятий, курортов и южных городов p=1.
Расчетный расход воды в системе отопления, присоединенной
к тепловой сети посредством подмешивающего устройства- элеватора или насоса,
находят по формуле:
(2.8)
где t3p - расчетная температура воды на входе в
систему,
С.
Расчетные расходы воды из тепловой сети G
и по системе отопления
связаны между
собой через коэффициент смешения:
= G
(1+up)
(2.9)
где up- - расчетный коэффициент смешения, равный
отношению расчетного расхода подмешиваемой воды к расчетному расходу сетевой
воды.
Расход сетевой воды на горячее водоснабжение в
летний период. В закрытой системе теплоснабжения расход сетевой воды на горячее
водоснабжение в летний период для всех схем подогревателей определяют по
формуле:
(2.10)
где t п..л - температура воды в падающей линии в
летний период, 0С; t
- температура воды
за подогревателем горячего водоснабжения, 0С; t х..л -температура водопроводной
воды в летний период, 0С.
По вышеприведенным формулам произведем расчет
нагрузок и расходов теплоносителя на отопление и горячее водоснабжение для
жилого дома «Абонент №10 Жилой дом, 80».
Нагрузка отопления определяется по формуле:
Определим расход теплоносителя на горячее
водоснабжение
Средняя нагрузка горячего водоснабжения для
жилого дома составит:
Летняя
Зимняя
Расход теплоносителя на отопление составит
=
Найденные нагрузки и расходы теплоносителя
отопления и горячего водоснабжения приведены в таблице 2.1.
Суммарная тепловая нагрузка на отопление и
вентиляцию микрорайона составила 5,93 Гкал/ч, на горячее водоснабжение - 1,73
Гкал/ч.
Суммарная тепловая нагрузка 7,66 Гкал/ч.
Расход сетевой воды на отопление и горячее
водоснабжение рассчитанные по вышеприведенным формулам представлены в таблице
2.1.
Суммарный расход теплоносителя на отопление и
вентиляцию составил 237,26 м3/ч, на горячее водоснабжение 34,55 м3/ч.
Суммарный расход теплоносителя составил 271,8
м3/ч.
Таблица 2.1
Тепловые нагрузки и расходы теплоносителя жилого
района
Тепловые
нагрузки (Гкал/ч) и расходы теплоносителя
|
|
Q0
|
G0
|
Qv
|
Gv
|
Qгвз
|
Gгвз
|
Qгвл
|
Gгвл
|
|
№2
ферма-2 дом 10
|
0,056
|
2,24
|
0
|
0
|
0,0000
|
0
|
0,0000
|
0,000
|
|
№6
ферма-2 дом 71
|
0,0809
|
3,236
|
0
|
0
|
0,0113
|
0,226
|
0,0090
|
0,181
|
|
№7
ферма-2 дом 59
|
0,0503
|
2,012
|
0
|
0
|
0,0124
|
0,248
|
0,0099
|
0,198
|
|
№8
ферма-2 дом 49
|
0,0268
|
1,072
|
0
|
0
|
0,0075
|
0,15
|
0,0060
|
0,120
|
|
№9
ферма-2 дом 50
|
0,0392
|
1,568
|
0
|
0
|
0,0000
|
0
|
0,0000
|
0,000
|
|
№10
ферма-2 дом 80
|
0,3662
|
14,648
|
0
|
0
|
0,0850
|
1,7
|
0,0680
|
1,360
|
|
№11
ферма-2 д/с №47
|
0,0889
|
3,556
|
0
|
0
|
0,0396
|
0,792
|
0,0317
|
0,634
|
|
№12
ферма-2 дом 76
|
|
0
|
|
0
|
0,0000
|
0
|
0,0000
|
0,000
|
|
Магазин
№5
|
0,0074
|
0,296
|
0
|
0
|
0,0073
|
0,146
|
0,0058
|
0,117
|
|
Жилой
дом
|
0,1522
|
6,088
|
0
|
0
|
0,0260
|
0,52
|
0,0208
|
0,416
|
|
Итого:
0,1929
|
0,1596
|
6,384
|
0
|
0
|
0,0333
|
0,666
|
0,0266
|
0,533
|
|
№13
ферма-2
|
|
0
|
|
0
|
0,0000
|
0
|
0,0000
|
0,000
|
|
Общежитие
№6
|
0,1667
|
6,668
|
0
|
0
|
0,0371
|
0,742
|
0,0297
|
0,594
|
|
Ф-л
полик. отделения дет. б-цы
|
0,0053
|
0,212
|
0
|
0
|
0,0022
|
0,044
|
0,0018
|
0,035
|
|
Итого:
0,2113
|
0,172
|
6,88
|
0
|
0
|
0,0393
|
0,786
|
0,0314
|
0,629
|
|
№14
ферма-2 82 Общежитие №5
|
0,1672
|
6,688
|
0
|
0
|
0,0418
|
0,836
|
0,0334
|
0,669
|
|
№15
ферма-2 79-А, общежитие №1А
|
0,2785
|
11,14
|
0
|
0
|
0,1074
|
2,148
|
0,0859
|
1,718
|
|
№16
ферма-2 79Б, общежитие( с пристроем)
|
0,3464
|
13,856
|
0
|
0
|
0,1117
|
2,234
|
0,0894
|
1,787
|
|
№18
учебное здание№3 (библиотека)
|
0,1044
|
4,176
|
0
|
0
|
0,0022
|
0,044
|
0,0018
|
0,035
|
|
№19
ферма-2 84 спортивный корпус
|
0,161
|
6,44
|
0
|
0
|
0,0319
|
0,638
|
0,0255
|
0,510
|
|
№20
учебная мастерская
|
0,2713
|
10,852
|
0
|
0
|
0,0000
|
0
|
0,0000
|
0,000
|
|
№
21 учебное здание№3
|
0,8858
|
35,432
|
0,1048
|
4,192
|
0,0176
|
0,352
|
0,0141
|
0,282
|
|
№
22 учебное здание № 2А-Б
|
0,2919
|
11,676
|
0
|
0
|
0,0000
|
0
|
0,0000
|
0,000
|
|
№23
Ферма 2, 78,ж/д
|
0,2614
|
10,456
|
0
|
0
|
0,0357
|
0,714
|
0,0286
|
0,571
|
|
№25
Ферма-2, дом 44
|
0,0174
|
0,696
|
0
|
0
|
0,0000
|
0
|
0,0000
|
0,000
|
|
№27
Биотехнологическая лаборатория
|
0,015
|
0,6
|
0
|
0
|
0,0000
|
0
|
0,0000
|
0,000
|
|
№28
Учебно-тепличный комплекс
|
0,0171
|
0,684
|
0
|
0
|
0,0000
|
0
|
0,0000
|
0,000
|
|
№29
Ферма-2, дом 85
|
0,0136
|
0,544
|
0
|
0
|
0,0000
|
0
|
0,0000
|
0,000
|
|
№
30 Общежитие гостиничного типа
|
0,2337
|
9,348
|
0,0861
|
3,444
|
0,2428
|
4,856
|
0,1942
|
3,885
|
|
№
31 стадион «ТУЛПАР»
|
0,1204
|
4,816
|
0,1685
|
6,74
|
0,5589
|
11,178
|
0,4471
|
8,942
|
|
№
32 Спортивный комплекс
|
0,1763
|
7,052
|
0,43
|
17,2
|
0,1983
|
3,966
|
0,1586
|
3,173
|
|
№
33 Ферма-2, дом 81
|
0,4046
|
16,184
|
0
|
0
|
0,0929
|
1,858
|
0,0743
|
1,486
|
|
№
34 Ферма-2, ГРП
|
0,0026
|
0,104
|
0
|
0
|
0,0000
|
0
|
0,0000
|
0,000
|
|
№
37 Ферма-2, дом 75
|
0,0526
|
2,104
|
0
|
0
|
0,0000
|
0
|
0,0000
|
0,000
|
|
№
39 Ферма-2 Контора учхоза
|
0,0373
|
1,492
|
0
|
0
|
0,0000
|
0
|
0,0000
|
0,000
|
|
Гараж
учхоза
|
0,1124
|
4,496
|
0
|
0
|
0,0000
|
0
|
0,0000
|
0,000
|
|
Итого:
0,1497
|
0,1497
|
5,988
|
0
|
0
|
0,0000
|
0
|
0,0000
|
0,000
|
|
№
40 Ферма-2, дом №74
|
0,0083
|
0,332
|
0
|
0
|
0,0000
|
0
|
0,0000
|
0,000
|
|
№41
Столовая общежития ФПК
|
4,136
|
0
|
0
|
0,0539
|
1,078
|
0,0431
|
0,862
|
|
№42
Уч. лаборатория хранения матер.
|
0,0057
|
0,228
|
0
|
0
|
0,0000
|
0
|
0,0000
|
0,000
|
|
№
43 Ферма-2, дом №43
|
0,0139
|
0,556
|
0
|
0
|
0,0011
|
0,022
|
0,0009
|
0,018
|
|
Магазин
«Исток»
|
|
0
|
|
0
|
0,0000
|
0
|
0,0000
|
0,000
|
|
ИТОГО:
|
5,1421
|
205,684
|
0,7894
|
31,576
|
1,7276
|
34,552
|
1,3821
|
27,642
|
2.2 Выбор и описание способа регулирования
График тепловых нагрузок представлен на рис.
2.1.
Рис. 2.1. График тепловых нагрузок
Отопительный график качественного регулирования.
При качественном регулировании отпуска теплоты для отопительных систем график
температур воды до и после элеватора и температуры воды, поступающей в тепловую
сеть из отопительной системы, строят по результатам расчета по формулам:
=(1+uр) t3-uр t2 (2.11)
(2.12)=t3- (t3p -
t2p)
(2.13)
Для систем отопления, оборудованных наиболее
распространенными типами конвективно излучающих нагревательных приборов, в
показателе степени n = 0,25. Для систем теплопотребления, оборудованных
конвективно-излучающими приборами и подключенных к тепловой сети
непосредственно, Uр = 0 и t3 = t1.
Текущие значения температуры воды после
элеватора и обратной от систем отопления в диапазоне спрямления температурного
графика при неизменном располагаемом напоре источника теплоты определяют по
формулам:
(2.14)
(2.15)
Рис. 2.2. Температурный график для тепловой сети
2.3 Расчет тепловой схемы
Основной целью расчета тепловой схемы является
выбор основного и вспомогательного оборудования с определением исходных данных
для последующего технико-экономического расчета.
Исходные данные для расчета приведены в таблице
2.2. Эта таблица составлена с учетом проекта системы теплоснабжения или
определенных расходов теплоты всеми потребителям по укрупненным показателям. В
данной таблице также указываем значения величин, предварительно принятые в
последующих расчетах.
Таблица 2.2
Исходные данные к расчету тепловой схемы
|
Наименование
|
Обозначение
|
Значение
величин при характерных режимах работы котла
|
|
|
|
|
|
максимально-
зимнем
|
наиболее
холодного месяца
|
летнем
|
|
|
|
|
|
|
1
|
2
|
3
|
4
|
5
|
|
Место
расположения ЦТП
|
г.
Казань
|
|
|
|
|
Максимальный
расход теплоты на отопление зданий
|
QО
|
5,14
Гкал/ч 5,98 МВт
|
|
|
|
|
|
|
|
|
|
|
|
|
|
на
вентиляцию общественных зданий
|
QВ
|
0,79
Гкал/ч 0,92 МВт
|
|
|
|
на
горячее водоснабжение
|
QГВС
|
1,73
Гкал/ч 2,00 МВт
|
1,73
Гкал/ч 2,00 МВт
|
1,73
Гкал/ч 2,00 МВт
|
|
Расчетная
температура наружного воздуха для отопления,ºС
|
tр.о
|
-32
|
-32
|
|
|
|
|
|
|
|
Расчетная
температура наружного для вентиляции,ºС
|
tв
|
-18
|
|
|
|
|
|
|
|
|
Температура
воздуха внутри помещения,ºС
|
tв.н
|
20
|
20
|
|
|
|
|
|
|
|
Температура
сырой воды оС
|
tс.в
|
5
|
5
|
15
|
|
Температура
подогретой сырой воды перед химводоочисткой,ºС
|
t1х.о.в
|
35
|
35
|
35
|
|
|
|
|
|
|
Температура
подпиточной воды после охладителя деаэрированной воды
|
t11под
|
70
|
70
|
50
|
|
|
|
|
|
|
Коэффициент
собственных нужд химводоочистки
|
Kхво
|
1.25
|
1.25
|
1.25
|
|
|
|
|
|
|
Температура
на выходе из водогрейных котлов, С
|
t1
в.к
|
95
|
95
|
95
|
|
|
|
|
|
|
Температура
на выходе в водогрейный котел, С
|
t2
в.к
|
70
|
70
|
70
|
|
|
|
|
|
|
Расчетная
температура горячей воды после местных теплообменников гвс
|
tобрпотр
|
60
|
60
|
60
|
|
|
|
|
|
|
|
|
|
|
|
Предварительно
принятый расход хим. очищенной воды, м.куб/ч.
|
G1
х.о.в
|
5
|
5
|
1
|
|
|
|
|
|
|
Предварительно
принятый расход сетевой воды на подогрев химочищенной воды
|
Gгрпод
|
2
|
2
|
0.5
|
|
|
|
|
|
|
|
|
|
|
|
Температура
греющей воды после теплообменников химочищенной воды,ºС
|
t11гр
|
80
|
75
|
70
|
|
|
|
|
|
|
|
|
|
|
|
Температура
греющей воды после охлаждения химически очищенной воды,ºС.
|
|
85
|
85
|
75
|
|
|
|
|
|
|
|
|
|
|
|
КПД
подогревателя
|
|
0.95
|
0.95
|
0.95
|
Наиболее холодный месяц январь, средняя
температура января составляет -13,5 0С, температура теплоносителя в подающей
линии теплоносителя при этом 94 0С.
Рассчитаем коэффициент снижение расхода теплоты
на отопление и вентиляцию в режиме наиболее холодного месяца:
где
-
выбранная температура воздуха внутри отапливаемых помещений, ºС
;
- температура
наружного воздуха для режима наиболее холодного месяца 0С.
Рассчитываем отпуск теплоты на отопление и вентиляцию
с учетом тепловых потерь
где
-
расход теплоты на отопление, МВт;
- расход теплоты на
вентиляцию МВт;
Рассчитаем отпуск теплоты на отопление и
вентиляцию для наиболее холодного месяца
Рассчитаем суммарный расход теплоты на
отопление, вентиляцию и горячее водоснабжение (МВт)
где
-
расход теплоты на горячее водоснабжение, МВт;
Рассчитаем суммарный расход теплоты на отопление
и вентиляцию для наиболее холодного месяца
Высислим расход воды в подающей линии системы
теплоснабжения для нужд горячее водоснабжение, (т/ч)
Вычислим расход сетевой воды на отопление и
вентиляцию (т/ч)
Вычислим расход сетевой воды на отопление и
вентиляцию в наиболее холодный месяц (т/ч)
Вычислим расход воды внешними потребителями на
отопление и вентиляцию и горячее водоснабжение в максимально зимнем режиме.
(т/ч)
Вычислим расход воды внешними потребителями на
отопление и вентиляцию и горячее водоснабжение в наиболее холодный месяц. (т/ч)
Вычислим расход воды внешними потребителями на
отопление и вентиляцию и горячее водоснабжение в летнем режиме. (т/ч)
Вычислим расход подпиточной воды для восполнения
утечек в тепловых сетях и в системе потребителей максимально зимний
период.(т/ч)
Вычислим расход подпиточной воды для восполнения
утечек в тепловых сетях и в системе потребителей в наиболее холодные
месяца.(т/ч)
Вычислим расход подпиточной воды для восполнение
утечек в тепловых сетях и в системе потребителей в летнем режиме.(т/ч)
где
-
потери воды в закрытой системе теплоснабжения и системе потребителей,
принимаются 1,5 - 2,5 % часового расхода воды внешними потребителями.
Вычислим количество сырой воды, поступающее на
химводоочистку в максимально зимний период. (т/ч)
т/ч
Вычислим количество сырой воды, поступающее на
химводоочистку в наиболее холодные месяца. (т/ч)
т/ч
Вычислим количество сырой воды, поступающее на
химводоочистку в летнем режиме. (т/ч)
т/ч
Вычислим температуру химически очищенной воды
после подогревателя подпиточной воды для максимально зимнего периода, 0С
Вычислим температуру химически очищенной воды
после подогревателя подпиточной воды в режиме наиболее холодного месяца, 0С
Вычислим температуру химически очищенной воды
после подогревателя подпиточной воды в режиме летних месяцев. 0С
где
-
температура сырой воды перед химводоочисткой, рекомендуется принимать ее до 20
0С;
- температура
подпиточной воды, 0С;
- температура
подпиточной воды после подогревателя подпиточной воды воды, ºС;
рекомендуется принимать равной 60 0С
- предварительно
принятый расход химически очищенной воды; т/ч.
Вычислим расход теплоты на подогрев химически
очищенной воды для максимально зимнего периода. (МВт)
Вычислим расход теплоты на подогрев химически
очищенной воды в наиболее холодный месяц. (МВт)
Вычислим расход теплоты на подогрев химически
очищенной воды в летнем режиме. (МВт)
Рассчитаем суммарный расход теплоты, который
необходимо получить для максимально зимнего периода. (МВт)
Рассчитаем суммарный расход теплоты, который
необходимо получить для наиболее холодного месяца .(МВт)
Рассчитаем суммарный расход теплоты, который
необходимо получить в летнем режиме .(МВт)
Вычислим расход воды через на максимально зимний
периода (т/ч).
т/ч
Вычслим расход воды для наиболее холодного
месяца (т/ч).
т/ч
Вычислим расход воды на рециркуляцию для
максимально зимнего периода (т/ч).
т/ч
Вычислим расход воды на рециркуляцию для
наиболее холодного месяца (т/ч).
Вычислим расход воды на рециркуляцию в летнем
режиме (т/ч).
Рассчитаем расход воды по перепускной линии для
максимально зимний периода (т/ч).
Рассчитаем расход воды по перепускной линии в
наиболее холодные месяца (т/ч).
Вчислим расход воды по перепускной линии в
летнем режиме (т/ч).
Вычислим расход сетевой воды от внешних
потребителей через обратную линию на периода максимально зимний (т/ч).
Вычислим расход сетевой воды от внешних
потребителей через обратную линию в наиболее холодный месяц (т/ч).
Вычислим расход сетевой воды от внешних
потребителей через обратную линию в летнем режиме (т/ч).
Вычислим расчетный расход воды для максимально
зимнего периода (т/ч).
Вычислим расчетный расход воды в наиболее
холодный месяц. (т/ч).
Рассчитаем расчетный расход воды в летнем режиме
(т/ч).
Рассчитаем расход воды, поступающая к внешнему
потребителю по прямой линии на периода максимально зимний (т/ч).
т/ч
Рассчитаем расход воды, поступающая к внешнему
потребителю по прямой линии в наиболее холодный месяц. (т/ч).
Рассчитаем расход воды, поступающий к внешнему
потребителю по прямой линии в летнем режиме (т/ч).
Вычислим разницу между найденными ранее и
уточненным расходом воды внешними потребителями на максимально зимний период в
(%).
Вычислим разницу между найденными ранее и
уточненным расходом воды внешними потребителями в наиболее холодные месяца (%).
Вычислим разницу между найденными ранее и
уточненным расходом воды внешними потребителями в летнем режиме. (%).
Полученные результаты расчета сведены в таблицу
2.3.
Таблица 2.3
Результаты теплового расчета схемы котельной
|
Физическая
величина
|
Обозн.
|
Значение
величин при характерных режимах работы
|
|
|
максимально-зимнем
|
наиболее
холодного
|
летнем
|
|
1
|
2
|
3
|
4
|
5
|
|
Коэффициент
снижения расхода теплоты
|
Кв.о
|
|
0,731
|
|
|
|
|
|
|
|
Температура
воды в подающей линии на нужды отопления и вентиляции
|
t1
|
|
91,4
|
|
|
|
|
|
|
|
Температура
обратной сетевой воды после систем отопления и вентиляции
|
t2
|
|
52,6
|
|
|
|
|
|
|
|
Отпуск
теплоты на отопление и вентиляцию
|
Qо.в
|
6,9
|
5,04
|
-
|
|
|
|
|
|
|
Суммарный
отпуск теплоты на отопление ,вентиляцию и горячее водоснабжение
|
Q
|
8,91
|
6,51
|
1,61
|
|
|
|
|
|
|
Расход
воды на подающей линии на отопление вентиляцию
|
Gвн
|
268,67
|
204,85
|
-
|
|
|
|
|
|
|
|
|
|
|
|
|
|
|
|
|
Расход
подпиточной воды для восполнения утечек в тепловой сети
|
Gут
|
5,37
|
4,10
|
0,63
|
|
|
|
|
|
|
|
|
|
|
|
Количество
сырой воды поступающей на химводоочистку
|
Gс.в
|
6,72
|
5,12
|
0,79
|
|
|
|
|
|
|
Температура
химически очищенной воды
|
tх.о.в
|
50,68
|
46,76
|
54,60
|
|
|
|
|
|
|
Суммарный
расход теплоты, , МВт
|
∑Q
|
9,28
|
6,77
|
1,43
|
|
|
|
|
|
|
|
|
|
|
|
Расход
воды,т/ч
|
Gк
|
319,2
|
232,9
|
49,2
|
|
|
|
|
|
|
Расход
воды на рециркуляцию т/ч
|
Gрец
|
139,2
|
112,2
|
31,6
|
|
Расход
воды по перепускной линии т/ч
|
Gпер
|
0
|
72,4
|
14,9
|
|
Расход
воды через обратную линию т/ч
|
Qобр
|
263,3
|
200,8
|
30,8
|
|
Расчетный
расход воды через котлы,т/ч
|
Qр
|
270,0
|
205,9
|
|
|
|
|
|
Вывод: в ходе проектирования определены тепловые
нагрузки и расходы теплоносителя жилого района, режим отпуска тепла, выполнен
тепловой расчет схемы, по итогам которого получены основные расчетные
характеристики работы котельной, что позволяет произвести выбор оборудования.
.4 Гидравлический расчет системы теплоснабжения
.4.1 Расчет расходов теплоносителя по участкам
сети
Расходы теплоносителя на отопление и вентиляцию
здания, кг/ч определяются по формулам:
(2.16)
(2.17)
Средний расход воды на ГВС, кг/ч определяется по
формуле:
(2.18)
Расчет расходов теплоносителя представлен в
таблице 2.5.
.4.2 Расчет потерь давления
Ориентировочные средние удельные потери давления
Rm, Па/м.
, (2.19)
где åL - суммарная
протяженность расчетной ветви (ответвления) на потери давления в которой
используется величина DРр;
a - коэффициент, учитывающий долю потерь давления
в местных сопротивлениях, принимаемый равным 0,2.
Располагаемое давление DРр
определяется по формуле:
DРр = (Нкв - Нэл) / 2 (2.20)
где Нэл требуемый напор для работы элеватора
теплового пункта;
Требуемый располагаемый напор для работы
элеватора Нэл , м:
Нэл = 1,4·h·(Uр +1)2 (2.21)
где h - потери напора в системе отопления,
принимаемые равными 1-1,5 м;- расчетный коэффициент смешения.
=
=
= 1,6
Нэл = 1,4·1,5·(1,6+1)2 = 14,2 м
DРр = (37 - 14,2) / 2 = 11,402 м = 114020 Па
Тогда по формуле ориентировочные удельные потери
в квартальной теплосети будут равны:
Па/м
Результаты гидравлического расчёта квартальных
тепловых сетей приведены в таблицах 2.4 и 2.5.
Таблица 2.4
Расчет эквивалентных длин местных сопротивлений
|
dн
х S, мм
|
L
|
ζ
|
Кол-во
|
Вид
местного сопротивления
|
Σζ
|
Lэ
|
Lэ
|
|
2
|
3
|
|
|
4
|
7
|
8
|
9
|
|
273х7
|
43
|
0,3
|
1
|
шаровой
кран
|
1,40
|
11,20
|
15,68
|
|
|
0,1
|
1
|
сильфонный
компенсатор
|
|
|
|
|
|
1
|
1
|
тройник
на проход при разделении потока
|
|
|
|
|
219х6
|
35
|
0,5
|
1
|
внезапное
сужение
|
1,25
|
8,50
|
10,63
|
|
|
0,3
|
1
|
шаровой
кран
|
|
|
|
|
|
0,1
|
1
|
сильфонный
компенсатор
|
|
|
|
|
|
1
|
1
|
тройник
на проход при разделении потока
|
|
|
|
|
219х7
|
47
|
0,1
|
1
|
сильфонный
компенсатор
|
1,60
|
8,50
|
13,60
|
|
|
1
|
1
|
тройник
на проход при разделении потока
|
|
|
|
|
|
1
|
0,5
|
отвод
сварной трёхшовный 90°
|
|
|
|
|
152х4,5
|
130
|
0,5
|
1
|
внезапное
сужение
|
2,10
|
5,70
|
11,97
|
|
|
0,2
|
3
|
сильфонный
компенсатор
|
|
|
|
|
|
1
|
1
|
тройник
на проход при разделении потока
|
|
|
|
|
108х4
|
82
|
0,5
|
1
|
внезапное
сужение
|
1,70
|
3,42
|
5,81
|
|
|
0,1
|
2
|
сильфонный
компенсатор
|
|
|
|
|
|
1
|
1
|
тройник
на проход при разделении потока
|
|
|
|
|
76х3,5
|
46
|
0,5
|
1
|
внезапное
сужение
|
11,30
|
2,19
|
24,75
|
|
|
0,3
|
1
|
отвод
сварной одношовный 45°
|
|
|
|
|
|
0,1
|
2
|
сильфонный
компенсатор
|
|
|
|
|
|
10
|
1
|
грязевик
|
|
|
|
|
|
0,3
|
1
|
шаровой
кран
|
|
|
|
|
159х4,5
|
12
|
0,5
|
1
|
внезапное
сужение
|
1,90
|
5,70
|
10,83
|
|
|
0,3
|
1
|
шаровой
кран
|
|
|
|
|
|
0,1
|
1
|
сильфонный
компенсатор
|
|
|
|
|
|
1
|
1
|
тройник
на проход при разделении потока
|
|
|
|
|
133х4
|
13
|
0,5
|
1
|
внезапное
сужение
|
1,60
|
5,68
|
9,09
|
|
|
0,1
|
1
|
сильфонный
компенсатор
|
|
|
|
|
|
1
|
1
|
тройник
на проход при разделении потока
|
|
|
|
|
133х4
|
143
|
0,2
|
3
|
сильфонный
компенсатор
|
1,60
|
5,68
|
9,09
|
|
|
1
|
1
|
тройник
на проход при разделении потока
|
|
|
|
|
108х4
|
61
|
0,5
|
1
|
внезапное
сужение
|
1,70
|
3,42
|
5,81
|
|
|
0,1
|
2
|
сильфонный
компенсатор
|
|
|
|
|
|
1
|
1
|
тройник
на проход при разделении потока
|
|
|
|
|
108х4
|
104
|
1
|
0,5
|
отвод
сварной трёхшовный 90°
|
11,10
|
3,42
|
37,96
|
|
|
0,1
|
3
|
сильфонный
компенсатор
|
|
|
|
|
|
10
|
1
|
грязевик
|
|
|
|
|
|
0,3
|
1
|
шаровой
кран
|
|
|
|
|
133х4
|
44
|
0,5
|
1
|
внезапное
сужение
|
1,90
|
5,68
|
10,79
|
|
|
0,3
|
1
|
шаровой
кран
|
|
|
|
|
|
0,1
|
1
|
сильфонный
компенсатор
|
|
|
|
|
|
1
|
1
|
тройник
на проход при разделении потока
|
|
|
|
|
133х4
|
56
|
0,3
|
1
|
отвод
сварной одношовный 45°
|
1,40
|
5,68
|
7,95
|
|
|
0,1
|
1
|
сильфонный
компенсатор
|
|
|
|
|
|
1
|
1
|
тройник
на проход при разделении потока
|
|
|
|
|
89х3,5
|
52
|
0,5
|
1
|
внезапное
сужение
|
1,70
|
2,63
|
4,47
|
|
|
0,1
|
2
|
сильфонный
компенсатор
|
|
|
|
|
|
1
|
1
|
тройник
на проход при разделении потока
|
|
|
|
|
76х3,5
|
31
|
0,5
|
1
|
внезапное
сужение
|
1,60
|
2,19
|
3,50
|
|
|
0,1
|
1
|
сильфонный
компенсатор
|
|
|
|
|
|
1
|
1
|
тройник
на проход при разделении потока
|
|
|
|
|
76х3,5
|
58
|
0,3
|
1
|
отвод
сварной одношовный 45°
|
10,80
|
2,19
|
23,65
|
|
|
0,1
|
2
|
сильфонный
компенсатор
|
|
|
|
|
|
10
|
1
|
грязевик
|
|
|
|
|
|
0,3
|
1
|
шаровой
кран
|
|
|
|
|
57х3,5
|
20
|
0,5
|
1
|
внезапное
сужение
|
10,90
|
1,47
|
16,02
|
|
|
0,3
|
1
|
шаровой
кран
|
|
|
|
|
|
0,1
|
1
|
сильфонный
компенсатор
|
|
|
|
|
|
10
|
1
|
грязевик
|
|
|
|
Определим невязку потерь давления на
ответвлениях.
Невязка на ответвлении с участками 2 и 7
составит:
Невязка на ответвлении с участками 8 и 12
составит:
Невязка на ответвлении с участками 13 и 17
составит:
Таблица 2.5
Гидравлический расчет квартальных трубопроводов
|
№
уч
|
G,
т/ч
|
Длина
|
V,
м/с
|
Dн×S, мм
|
R,
Па/м
|
∆P,
Па
|
Σ∆P,
Па
|
|
|
L,
м
|
Lэ,
м
|
L,
м
|
|
|
|
|
|
|
1
|
2
|
3
|
4
|
5
|
6
|
7
|
8
|
9
|
10
|
|
1
|
183,65
|
43
|
15,68
|
0,78
|
0,78
|
273х7
|
25,90
|
1519,72
|
13603,89
|
|
2
|
117,86
|
35
|
10,63
|
0,79
|
0,79
|
273х7
|
34,73
|
1584,44
|
|
3
|
90,19
|
47
|
13,60
|
0,61
|
0,61
|
219х6
|
21,39
|
1295,98
|
10499,74
|
|
4
|
36,78
|
130
|
11,97
|
0,51
|
0,51
|
219х7
|
23,84
|
3384,32
|
9203,76
|
|
5
|
20,67
|
82
|
5,81
|
0,59
|
0,59
|
152х4,5
|
50,10
|
4399,45
|
5819,43
|
|
6
|
4,56
|
46
|
24,75
|
0,29
|
0,29
|
108х4
|
20,07
|
1419,98
|
1419,98
|
|
7
|
65,78
|
12
|
10,83
|
0,83
|
0,83
|
76х3,5
|
59,29
|
2243,00
|
13197,25
|
|
8
|
29,47
|
13
|
9,09
|
0,53
|
0,53
|
159х4,5
|
31,20
|
689,25
|
10954,25
|
|
9
|
28,46
|
143
|
9,09
|
0,52
|
0,52
|
133х4
|
29,14
|
4431,19
|
10265,00
|
|
10
|
16,12
|
61
|
5,81
|
0,46
|
0,46
|
133х4
|
30,41
|
2031,88
|
5833,81
|
|
11
|
15,11
|
104
|
37,96
|
0,43
|
0,43
|
108х4
|
26,78
|
3801,93
|
3801,93
|
|
12
|
36,31
|
44
|
10,79
|
0,66
|
0,66
|
108х4
|
47,38
|
2596,17
|
12004,65
|
|
13
|
28,68
|
56
|
7,95
|
0,52
|
0,52
|
133х4
|
29,63
|
1894,65
|
9408,48
|
|
14
|
13,57
|
52
|
4,47
|
0,57
|
0,57
|
133х4
|
61,80
|
3490,08
|
7513,83
|
|
15
|
9,07
|
31
|
3,50
|
0,54
|
0,54
|
89х3,5
|
69,26
|
2389,70
|
4023,75
|
|
16
|
4,56
|
58
|
23,65
|
0,29
|
0,29
|
76х3,5
|
20,01
|
1634,05
|
1634,05
|
|
17
|
7,63
|
20
|
16,02
|
0,88
|
0,88
|
76х3,5
|
272,37
|
9811,75
|
9811,75
|
.4.3 График давлений тепловой сети и его анализ
График напоров тепловой сети
Приняты масштабы: горизонтальный Мг 1: 1000;
вертикальный Мв 1: 1000.
Пьезометрические графики строятся для
статического и динамического режимов системы теплоснабжения. За начало
координат принимается величина располагаемого напора в точке подключения
квартальных сетей равная 37 м. Пьезометрический график магистральной сети представлен
на рисунке 2.1.
Согласно рекомендациям [13], при наличии, кроме
элеваторной системы отопления, также и закрытой системы горячего водоснабжения
- минимальный располагаемый напор на вводе в здание принимается не менее 25
метров.
Для построения пьезометрического графика
неотопительного периода, используем формулу пересчёта:
(2.22)
Вывод по пьезометрическому графику:
Располагаемый напор достаточен для работы
элеватора. Линии пьезометрического напора обратной магистрали при статическом и
динамическом режимах выше здания (≥ 5 м), но не превышают рабочего напора
(60 м).
Системе отопления при всех режимах не грозит ни
«оголение» ни «раздавливание». Потребитель может быть присоединен к тепловым
сетям по обычной элеваторной схеме.
Рис. 2.3. Пьезометрический график тепловой сети
2.5 Выбор и расчет оборудования
.5.1 Подбор теплообменного оборудования
Общий расход теплоты на ГВС составляет для максимально
зимнего режима 2,00 МВт = 2000 кВт.
Принимаем к установке два теплообменника, значит
нагрузка на один аппарат составляет 1000 кВт.
Температуры греющей (котловой) и нагреваемой
(сетевой) воды на входе и выходе теплообменника соответственно равны:
Определение расходов и скоростей движения
греющего и нагреваемого теплоносителей
Средняя температура теплоносителей:
По среднеарифметическому значению температур
определяются значения физических свойств греющего и нагреваемого теплоносителей
[1,c.26]:
Плотности теплоносителей:
кг/м3
кг/м3
Кинематические коэффициенты вязкости:
м2/с
м2/с
Коэффициенты теплопроводности:
Вт/м∙К
Вт/м∙К
Критерий Прандтля:
Средние удельные массовые теплоемкости:
,кДж/кг∙К
кДж/кг∙К
Массовые расходы теплоносителей:
(2.23)
(2.24)
где Q - тепловая нагрузка теплообменника, кВт.
кг/с
кг/с
По максимальному расходу выбирается тип пластин
- 0,5Пр [14,с.34].
Параметры пластин [14,с.35]:
- площадь
поперечного сечения канала,
- смачиваемый
периметр в поперечном сечении канала,
- приведенная
длина канала,
- площадь
поверхности теплообмена пластины,
- толщина стенки
пластины.
Эквивалентный диаметр сечения канала:
м
Скорость воды в каналах:
м/с,
м/с
Число каналов в пакете:
шт.
Скорость второго теплоносителя:
м/с
Соотношения числа ходов для теплоносителей
Для пластинчатого теплообменника принимаем:
ΔРгр = ΔРр
= 40 кПа
ΔРнагр = ΔРв
= 100 кПа
Подставим значения, получим:
Полученное соотношение ходов не превышает 2,
значит для повышения скорости воды и соответственно эффективности теплообмена
целесообразна симметричная компоновка (рис. 2.4).
Рис. 2.4. Симметричная компоновка пластинчатого
водоподогревателя
Расчет интенсивности теплообмена при движении
теплоносителей между пластинами
Критерий Рейнольдса и Прандтля для каждого
теплоносителя:
Средняя температура стенки определяется по
формуле:
По температуре стенки
определяется
.
Определяются критерий Нуссельта для греющего и
нагреваемого теплоносителей:
при турбулентном режиме (
)
Коэффициенты теплоотдачи от греющего
теплоносителя к поверхности стенки и от поверхности стенки к нагреваемому
теплоносителю соответственно:
Вт/м2∙К
Вт/м2∙К
Определение площади поверхности теплообмена
Принимаются значения термических сопротивлений
слоев загрязнений с двух сторон стенки:
,м2∙К/Вт
м2∙К/Вт
[14,c.26].
В качестве материала для пластин и патрубков -
сталь 12Х18Н10Т.
По средней температуре стенки определяют
коэффициент теплопроводности стенки
[14,c.27].
Суммарное термическое сопротивление:
м2∙К/Вт
Коэффициент теплопередачи:
Вт/м2∙К
Сренелогарифмический температурный напор
определен по формуле:
.
Расчетная поверхность теплообмена:
м2
Фактическая поверхность теплообмена:
м2
Рассчитывается относительный запас площади
поверхности теплообмена Δ, значение
которого не должно превышать 5 %:
Рассчитываем гидравлические сопротивления при
движении нагревающего и нагреваемого теплоносителей:
МПа
МПа
,
На котельной установлены подогреватели системы
ГВС марки Sondex S 65 в количестве 2 шт.
Технические характеристики теплообменника
пластинчатого Sondex S65:
рабочая температура начинается с -30 и
допускается до уровня +200 °С;
максимальное рабочее давление около 25 бар;
используемые материал прокладок - Nitrile, EPDM,
Silicone, Viton;
материал пластин - SMO 254, AISI 304, AISI 316,
Titanium, а также Hastelloy C-276;
тепловая мощность 1000-1300 кВт.
Пластинчатый теплообменник Sondex S65 обладает
следующими преимуществами:
высокая термическая эффективность;
надежная конструкция: использование
коррозиестойких сплавов для пластин и термоустойчивой резины для прокладок;
легкость обслуживания: возможность оперативной
промывки и замены отработанных уплотнителей и поврежденных пластин;
возможность увеличить мощность пластинчатого
теплообменника, добавив нужное количество пластин.
.5.2 Подбор насосного оборудования
Циркуляционные насосы сетевого контура
Эти насосы служат для циркуляции воды в тепловой
сети. Их выбирают по расходу сетевой воды из расчёта тепловой схемы. 0С
Сетевые насосы устанавливаются на обратной линии
тепловой сети, где температура сетевой воды не превышает 70 0С.с.н. = 183,6 т/ч
Согласно правилам Госгортехнадзора РФ, в
котельной должно быть установлено не менее 2-х сетевых насосов.
Напор, развиваемый сетевым насосом, выбирается в
зависимости от требуемого напора у потребителя и сопротивлением сети.
Определим объёмную подачу воды насосом:
,
где G - расход сетевой воды в районе, кг/ч;
ρ - плотность воды при
расчётной температуре τ2 = 70 0С
(на входе в насос), кг/м3 .
Подставив в формулу плотность воды, равную ρ=977,8
кг/м3
получим:
м3/ч
Установим два сетевых насоса марки GRUNDFOS TP
65 - 410/2F (рис. 2.1), запитанные от разных источников электроэнергии, один из
которых резервный.
Рис. 2.5. Насос TP 65 - 410/2F
Техническая характеристика насоса:
производительность: 90..116 м3/ч;
напор: 32 м. вод. ст.;
Электродвигатель:
мощность: 11 кВт,
частота: 2900 об/мин;
Габаритные размеры: 144х180х360 мм;
Масса: 85 кг.
Подпиточные насосы
Предназначены для восполнения утечки воды из
системы теплоснабжения, количество воды необходимое для покрытия утечек
определяется в расчёте тепловой схемы.
Производительность подпиточных насосов равна:
Gподп = 4,6 т/ч
Определим объёмную подачу воды насосом:
, (2.25)
где G- расход сетевой воды в районе, кг/ч;
ρ - плотность воды при
расчётной температуре τ2 = 70 0С
(на входе в насос), кг/м3 .
Подставив в формулу плотность воды, равную ρ
= 977,8 кг/м3
получим:
м3/ч
Необходимый напор подпиточных насосов
определяется давлением воды в обратной магистрали и сопротивлением
трубопроводов и арматуры на линии подпитки, число подпиточных насосов должно
быть не менее 2-х, один из которых резервный.
Принимаем к установке 2 подпиточных насоса марки
GRUNDFOS CR 5-4 (рис. 2.2) (один - рабочий, один - резервный).
Рис. 2.6. Насос UPS серии 100
Техническая характеристика насоса:
производительность: 6 м3/ч;
напор: 19,4 м. вод. ст.;
Электродвигатель:
мощность: 0,55 кВт,
частота: 2900 об/мин;
Масса: 27,4 кг.
.5.3 Конструктивные элементы тепловой сети
Расчёт угла поворота трассы на самокомпенсацию
Определим изгибающее напряжение от термических
деформаций на участке 11 , dу =108х4 мм у неподвижной опоры, при расчетной
температуре теплоносителя t = 115 0С и температуре
окружающей среды tо= -32 оС.
Модуль продольной упругости стали Е = 2∙105
МПа, коэффициент линейного расширения a = 1,25∙10-5
1/оC.
Сравним с допускаемым напряжением dдоп=
80 МПа
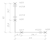
Определим линейное удлинение DL1
короткого плеча L1
DL = a ×L×
(t
- to) = 1,25∙10-5× 25,4 ×
(115 + 32) = 0,048 м
Рис. 2.7. Расчётная схема участка квартальной
тепловой сети
Для угла поворота 900 и n = l1/ l2 =
25,4/9,3=2,73, находим изгибающее напряжение у опоры Н21 по формуле:
(2.26)
Полученное изгибающее напряжение не превышает
допустимое sдоп= 80 МПа. Следовательно, данный угол поворота
может быть использован для самокомпенсации.
Определим силу упругой деформации угла поворота
Pх по формуле:
(2.27)
где B - коэффициент, принимаемый по номограмме
10.26 /7/, A=12.
= 0,425
кгс*м2/град для диаметра dн = 108 мм согласно /4/ таб.10.21.
Δt - расчётная разность
температур между максимальной температурой теплоносителя t
и расчётной для проектирования отопления температурой наружного воздуха tо.,
оС;м - длины прямых отрезков трубопроводов, м.
8,7 кгс= 87 Н
Расчёт усилий на подвижную и неподвижную опоры
Исходные
данные:нxS = 108x4 мм=4 м= 87 Нк = 34138 Н
Рис.
2.8. Расчётная схема участка с неподвижными опорами
Подвижная
опора:
Вертикальную
нормативную нагрузку на подвижную опору Fv, Н, следует определять по формуле:
=
Gh·L, (2.28)
где
Gh - вес одного метра трубопровода в рабочем состоянии, включающий вес трубы,
теплоизоляционной конструкции и воды, Н/м;- пролет между подвижными опорами,
равный 4 м.
Величина
Gh для труб с наружным диаметром 108 мм равна 283 Н/м.= 283·4 = 1132 Н
Горизонтальные
нормативные осевые нагрузки на подвижные опоры от трения Fhx, Н, определяются по
формуле:
Fhx
= μx·Gh·L
(2.29)
где
μx
- коэффициент
трения в опорах, который для скользящих опор при трении стали о сталь принимают
равным 0,3= 0,3·283·4 = 339,6 Н/м
Принята
опора скользящая 108 Т13.07 согласно серии 4-903-10 выпуск 5.
Неподвижная
опора
Неподвижные
опоры рассчитываются на наибольшую горизонтальную нагрузку при различных
режимах работы трубопроводов начало и конец охлаждения и нагревания при
открытых задвижках.
Расчёт
ведётся для опоры B. Усилия на неподвижную опору определяются по формулам:
При
нагреве:
(2.30)
При
охлаждении:
(2.31)
Принята
неподвижная щитовая опора 108х4-І Т8.01 согласно серии 4.903-10 выпуск 4.
.6
Технологическая часть
Технологическая
карта разработана на строительство подземного трубопровода.
Рассматриваемый
участок протяженностью 150 м;
Назначение
- тепловая сеть;
Продолжительность
рабочей недели - 5 дней;
Продолжительность
рабочей смены - 8 часов;
Количество
смен - 1;
Работы
выполняются в летний период времени;
Время
начала строительства - 01.07.2017 г.
Время
окончания строительства - 21.07.2017 г.
Расчет
геометрических характеристик траншеи
Рассчитываем
отметку верха трубы в конце траншеи:
, м (2.32)
где
- отметка
верха трубы в конце траншеи, м;
- отметка
верха трубы в начале траншеи, м;
- длина
траншеи, м;
- уклон
трубопровода
, м
Рассчитаем
отметки низа трубы в начале и в конце траншеи:
Согласно
[14] толщина стенки трубопровода составляет 11 мм, поэтому наружный диаметр
труб составляет 0,672 м.
, м (2.33)
где
- отметка
дна траншеи в начале трубопровода, м;
- отметка
верха трубы в начале трубопровода, м;
Dн - наружный диаметр трубы, м;
,1
- высота искусственного основания (песчаной подготовки), м.
м
Отметки
дна траншеи в конце трубопровода:
м (2.34)
где
- отметка
дна в конце траншеи, м;
отметка
верха трубы в конце трубопровода, м
м
Поперечный
разрез траншеи показан на рисунке 2.1.
Рис. 2.8.
Поперечный разрез траншеи
Ширина траншеи по дну рассчитывается в
зависимости от стыкового соединения и способа их монтажа. Принимаем монтаж
трубопровода отдельными трубами, вид соединения - раструбное.
, м (2.35)
где bТ - ширина траншеи по дну, м
, м
Ширина по дну остается постоянной по всей длине
траншеи.
При вычислении отметки поверхности земли в
промежуточном колодце учитываем:
средний геометрический уклон земли вдоль трассы
трубопровода равен i = 0,0067;
расстояние между поперечными осями смотровых
колодцев.
При вычислении отметок дна траншеи в
промежуточном сечении учитываем:
уклон заложения трубопровода i
= 0,008;
расстояние между поперечными осями смотровых
колодцев.
Срезка растительного слоя
Для того чтобы не повредить растительный слой в
процессе строительства, предусматривается его срезка с помощью бульдозера и
хранение грунта за пределами строительной площадки с тем, чтобы по окончании
строительства вернуть его на место. Отвал бульдозера заглубляется в
растительный слой на 15 см. Нож отвала срезает и сразу же удаляет кустарник.
Так как толщина растительного слоя 20 см, следовательно, этот этап необходимо
производить в два потока. Для данного вида работ выбираем бульдозер ДЗ-18.
Таблица 2.9
Характеристики бульдозера
|
Наименование
характеристики
|
Данные
|
|
1
|
2
|
|
Марка
базового трактора
|
Т-100МГС
|
|
Марка
бульдозера
|
Д3-18
|
|
Мощность
двигателя
|
80
л.с.
|
|
Привод
|
Гидравлический
|
|
Длина
отвала
|
3,97
м
|
|
Высота
отвала
|
1,0
м
|
|
Тип
отвала
|
Поворотный
|
|
Вес
навесного оборудования
|
1,86
т
|
Разработка грунта механическим способом
Для разработки траншеи подбирается одноковшовый
экскаватор «обратная лопата» с гидравлическим приводом марки ЭО-3322. Его
технические характеристики приведены в таблице ниже.
Таблица 2.10
Характеристики одноковшового экскаватора
|
Наименование
характеристики
|
Данные
|
|
1
|
2
|
|
Вместимость
ковша
|
0,4
м3
|
|
Мощность
двигателя
|
75
кВт
|
|
Наибольшая
глубина копания
|
5,0
м
|
|
Наибольший
радиус копания на уровне стоянки
|
8,2
м
|
|
Наибольшая
высота выгрузки в транспорт
|
5,1
м
|
|
Ширина
ковша
|
0,8
м
|
Для совместной работы с экскаватором при
разработке грунта (с погрузкой в транспортное средство) принимаем самосвал
МАЗ-5549 грузоподъёмностью 8 тонн.
Таблица 2.11
Характеристики самосвала
|
Наименование
характеристики
|
Данные
|
|
1
|
2
|
|
Мощность
двигателя
|
132,4
кВт
|
|
Вместимость
кузова
|
5,1
м3
|
|
Направление
нагрузки
|
Продольное
назад
|
|
Продолжительность
разгрузки
|
15
сек
|
|
Масса
|
6,22
тонн
|
|
Ширина
автомобиля
|
2500
мм
|
Таблица 2.12
Калькуляция трудовых затрат
|
Наименование
технологических процессов
|
Ед.
измерения
|
\Объём
работ
|
Обоснование
(ЕниР)
|
Норма
времени
|
Затраты
труда
|
|
|
|
|
рабочих,
чел-час
|
машиниста,
маш-час
|
рабочих,
чел-час
|
машиниста,
маш-час
|
|
1
|
2
|
3
|
4
|
5
|
6
|
7
|
8
|
|
Снятие
растительного слоя бульдозером ДЗ-18. Грунт II группы.
|
1000
м2 очищенной поверхности
|
1,7
|
ЕниР
§ Е2-1-5 т. 1, п. 2б
|
-
|
1,5
|
-
|
1,05
|
|
Разработка
и перемещение грунта бульдозером Д3-18 на 50м. Грунт II группы.
|
100
м3 грунта
|
1,7
|
ЕниР
§ Е2-1-22 т. 2, п. 3б, 3д.
|
-
|
2,19
|
-
|
1,53
|
|
Разработка
грунта экскаватором «обратная лопата» ЭО3322 в транспортные средства
(автомобили-самосвалы МАЗ-5549). Грунт II группы
|
100
м3 грунта
|
0,08
|
ЕниР
§ Е2-1-11 т. 4, п. 3б.
|
-
|
4,5
|
-
|
0,3
|
|
Тоже
в отвал
|
100
м3 грунта.
|
6,31
|
ЕниР
§ Е2-1-11 т. 4, п. 3в.
|
-
|
3,6
|
-
|
5,15
|
|
Зачистка
дна траншеи и котлованов, разработанных экскаваторами (толщина ручной
доработки - 0,1 м).
|
1
м3 грунта.
|
16,3
|
ЕниР
§ Е2-1-47 т. 1, п. 3е.
|
1,9
|
-
|
17,75
|
-
|
|
Отрывка
приямков для заделки стыков труб (глубина до 0,4 м; рыхление грунта -
вручную).
|
1
яма.
|
36
|
ЕниР
§ Е2-1-52 т. 1, п. 1б.
|
0,27
|
-
|
8,91
|
-
|
|
Устройство
песчаного основания под трубопровод и плиты днищ колодцев (толщина 100 мм).
|
1
м3 основания
|
18,7
|
ЕниР
Е9-2-32 п.1
|
0,9
|
-
|
4,86
|
-
|
|
Монтаж
трубопровода и герметизация стыков.
|
1
м трубопровода
|
150,0
|
ЕниР
§ Е9-2-4 т. 2, п. 2а.
|
-
|
0,13
|
-
|
9,1
|
|
Устройство
типовых колодцев из сборного железобетона (Dк = 1000 мм)
|
1
колодец.
|
3
|
ЕниР
§ Е9-2-29 п. 2а
|
-
|
7,6
|
-
|
22,8
|
Раздел 3. Экономика, безопасность решений
проекта и экология
.1 Экономическая часть
.1.1 Расчет расходов по эксплуатации системы
теплоснабжения
Годовые эксплуатационные расходы определяются по
следующим статьям:
И = Ит + Иэ + Ив + Изп + Исн + Иа + Ир + Ипр,
руб, (3.1)
где Ит - годовые расходы на топливо, руб;
Иэ - расходы на электроэнергию, руб;
Ив - расходы, связанные с использованием воды в
технологическом процессе, руб;
Изп - годовые расходы на содержание
производственного персонала, руб;
Исн - отчисления на страховые взносы, руб;
Иа - амортизационные отчисления на реновацию
зданий, сооружений и оборудования, руб;
Ир - ремонтный фонд, руб;
Ипр - общекотельные и прочие расходы, руб;
Годовые расходы на топливо
Ит = Вн∙кпот∙Ст, руб, (3.2)
где Вн - годовой расход натурального топлива,
м3/год,
Вн = 12084 тыс. м3/год;
кпот - коэффициент, учитывающий потери топлива,
кпот = 1,055
Ст - стоимость топлива, руб/1000нм3, Ст = 10300
руб/т.
тыс. руб/год.
Годовые затраты на потребляемую электроэнергию:
Иэ = Сэ∙Эсн, руб/год, (3.3)
где Сэ - тариф на потребляемую электроэнергию,
руб/кВт∙ч,
Сэ = 3,23 руб/кВт∙ч;
Эсн - расход электроэнергии на собственные
нужды, кВт∙ч/год,
Эсн = 5023094,8 кВт∙ч/год.
тыс. руб/год
Годовые затраты на использованную воду:
Ив = Дв∙Св, руб/год, (3.4 )
где Дв - годовой расход воды, т/год, Дв =
24494,6 м3/год;
Св - стоимость воды, руб/ м3, Св=37 руб/ м3.
тыс. руб/год.
Годовые затраты на содержание производственного
персонала:
Изп = Ч∙Сзп, руб/год, (3.5)
где Ч - численность эксплуатационного персонала
котельной и административных работников, чел., Ч = 18 чел. [12];
Сзп - среднегодовая зарплата одного работника с
начислениями, руб/год∙чел,
Сзп = 45000 руб/чел∙мес. = 45000∙18
= 810000 руб/год∙чел.
тыс. руб/год.
Отчисления на страховые взносы (социальное
страхование, в пенсионный фонд, фонд занятости и на медицинское страхование)
принимаются 30,4% от годового фонда заработной платы эксплуатационного
персонала:
Исн = 0,304∙Изп, руб/год, (3.6)
Исн = 0,304∙18000 = 5472 тыс. руб/год.
Амортизационные отчисления:
руб/год, (3.7)
где n1 - нормы амортизационных отчислений от
зданий и сооружений,= 1,5%;- нормы амортизационных отчислений от оборудования,=
8%;
Кзд - сметная стоимость зданий и сооружений,
тыс. руб.
Кзд = 50000 тыс. руб.;
Коб- сметная стоимость оборудования и монтажных
работ, тыс. руб.
Коб = 30000 тыс. руб.;
тыс. руб/год.
Ремонтный фонд предназначен для проведения
капитальных и текущих ремонтов, принимаем его равным 15% от амортизационных
затрат:
Ир = 0,15∙Иа, руб/год, (3.8)
Ир= 0,15∙3150 = 462,2 тыс. руб/год.
Затраты на общекапитальные и прочие нужды
включают в себя содержание управленческого персонала котельной, хозяйственные,
командировочные, канцелярские, почтово - телеграфные расходы. Определяются в
размере 30 % к трем статьям: заработная плата, амортизация и ремонтный фонд:
Ипр=0,3∙(Изп+Иа+Ир), руб/год, (3.9)
Ипр= 0,3∙(18000+3150+462,2) = 6483,7 тыс.
руб/год.
Годовые эксплуатационные расходы:
тыс. руб/год
Произведя расчет годовых эксплуатационных
расходов по элементам затрат составлена таблица 3.1.
Таблица 3.1
Расчет годовых эксплуатационных расходов по
элементам затрат
|
Статьи
расходов
|
Условные
обозначения
|
Общая
сумма, тыс. руб.
|
Удельный
вес в общей сумме расходов, %
|
|
1
|
2
|
3
|
4
|
|
Топливо
Электроэнергия Вода Заработная плата Страховые взносы Амортизации Ремонт
Прочие
|
Ит
Иэ Ив Изп Исн Иа Ир Ипр
|
131310
16246,0 906,3 18000,0 5472,0 3150,0 462,2 6483,7
|
72,1
9,0 0,5 10,0 3,0 1,7 0,2 3,5
|
|
Всего
|
∑И
|
182030
|
100
%
|
3.1.2 Расчет доли ЦТП и тепловых сетей в
себестоимости отпуска тепловой энергии
Себестоимость 1Гкал отпущенного тепла:
, руб/Гкал, (3.10)
руб/Гкал.
Вывод: в результате технико - экономического
расчета себестоимость 1Гкал отпущенного тепла составила 1970 руб/Гкал, что
укладывается в расчетные тарифы теплоснабжения для данного региона.
.2 Безопасность решений проекта
.2.1 Опасные и вредные производственные факторы
В данном разделе рассмотрены вопросы охраны
труда, производственной и экологической безопасности, безопасности в
чрезвычайных ситуациях.
Представлены опасные и вредные факторы
производственной среды, разработаны мероприятия по их локализации.
Таблица 3.2
Анализ опасных и вредных факторов
|
Факторы
и место их действия
|
Фактическое
значение фактора. Последствие воздействия.
|
Нормируемые
значения фактора (ПДУ, ПДК, ПДД). Нормативный документ.
|
|
1
|
2
|
3
|
|
1.Повышенное
значение напряжения в электрической цепи, замыкание которой может произойти
через тело человека. На всех участках.
|
380,
220, 36 В. Электротравмы.
|
При
аварийном режиме нормируется напряжение прикосновения, близкое к
фактическому, а также ток и время его прохождения. U, B I, мА t, с; 500 500
0,1; 250 250 0,2; 36 6 >1,0; (ГОСТ 12.1.038-82).
|
|
2.
Повышенный уровень статического электричества. Воздуховоды, тру-бопроводы,
компресссорные установки.
|
Возникают
потенциалы до 45 кВ и энергия зажигания до 250 мДж. Электротравмы, пожары,
взрывы.
|
Минимальная
энергия зажигания 0,0001 мДж (ГОСТ 12.1.018-86).
|
|
3.
Подвижные части производственного оборудования.
|
Скорость
движения достигает больших значений. Механические травмы.
|
Нормируется
в зависимости от расстояния (ГОСТ 12.2.003-74).
|
|
4.
Повышенное давление в сосудах и трубопроводах. Паровые котлы,
пароперегреватели, экономайзеры, трубопроводы.
|
Рабочее
давление, Рраб, МПа. Циклон 1,4. Воздействие на человека ударной волны
взрыва: при Р=0,02…0,004 МПа- травмы, ушибы, вывихи; более 0,1 МПа -
смертельное поражение.
|
Пробное
давление Рпроб, МПа. Циклон 1,5. Правила устройства и безопасной эксплуатации
сосудов, работающих под давлением (М.: 1989).
|
|
5.
Повышенная или пониженная температура, влажность, подвижность воздуха.
Теплообменники.
|
Температура
до 150 0С. Скорость движения воздуха от 0 до 3 м/с. Перегрев организма,
утомление.
|
Температура
от +12 до 20 0С. Влажность воздуха до 75 % в зависимости от температуры и
скорости. Скорость движения воздуха до 0,9 м/с (ГОСТ 12.1.005-88).
|
|
6.
Недостаточная освещенность рабочей зоны. Все производственные участки.
|
Различные
значения освещенности. Утомляемость органов зрения, травматизм.
|
Освещенность,
(Емин), лк: - кабельные помещения - 20; - блок распределительного щита
управления -500; котельный цех - 300 (СНиП 23-05-95).
|
|
7.
Повышенная загазованность воздуха рабочей зоны. Цех котельной.
|
Концентрации,
мг/м3: газов и паров в воздухе рабочей зоны выше ПДК. Отравления и
профессиональные заболевания.
|
ПДК,
мг/м3: оксид углерода - 20; оксид азота - 5; оксид серы - 10; сажа - 6;
пятиоксид ванадия - 15 (ГОСТ 12.1.005-88).
|
|
8.
Повышенный уровень шума на рабочем месте. Котельные участки, насосы,
парогазопроводы, компрессоры.
|
Уровни
звука (дБА): парогазопроводы - до 98; насосы - до 99. Заболевание органов
слуха, нервной системы, головные боли и др.
|
ПДУ
(дБА) на постоянных рабочих местах и в рабочих зонах в производственных
помещениях и на территории предприятия - 80 (ГОСТ 12.1.003-83).
|
|
9.
Повышенный уровень вибрации на рабочем месте. Котельный участок.
|
Уровни
вибрации (дБ): - котельный участок - до 94. Профессиональное заболевание -
вибрационная болезнь.
|
ПДУ
общей технологической вибрации 63 Гц; - уровень виброскорости - 92 дБ; -
виброскорость - 0,02 м/с; - виброускорение - 0,8 м/с2 (ГОСТ 12.1.012-78).
|
|
10.
Взрывоопасные концентрации горючих газов, паров горючих жидкостей. Системы
охлаждения генераторов, котельный участок.
|
Горючие
газы: природный газ, водород, ацетилен, оксид углерода. Угольная пыль.
Горючие жидкости: трансформаторное масло. Взрыв и пожар.
|
Нижний
концентрационный предел воспламенения (НКПВ), %: - оксид углерода - 3,0; -
водород - 4,09; - ацетилен - 2,5; природный газ - 5,1 (ГОСТ 12.1004-76).
Температура вспышки (Твсп), 0С: Масло трансформаторное -140 (ПУЭ).
|
|
11.
Повышенная температура поверхностей оборудования. Теплообменники,
трубопроводы, элементы котла.
|
Температура
поверхности наружных стен теплообменника до 90о С, элементы котла без
изоляционного слоя от 100 до 500 оС. Ожоги.
|
Допустимая
температура поверхности оборудования 45 оС. Правила техники безопасности при
эксплуатации тепломеханического оборудования электростанций и тепловых сетей
(М.: 1984).
|
|
12.
Расположение рабочих мест по высоте обслуживающих котлов.
|
Определяется
в зависимости от мощности котельной. В котельном цехе зависит от высоты
расположения горелок.
|
В
целях унификации конструкции котельной нормы стандартизированы. Высота
определяется в зависимости от мощности котельной (СНиП II-36-76).
|
.2.2 Техника безопасности
Обоснование схемы размещения производственного
оборудования
При размещении оборудования учтены нормы по
организации рабочих мест и эвакуационные проходы, согласно ПБ 10-574-03:
расстояние до противоположной стены от
выступающих частей оборудования - 2 метра;
ширина свободных проходов- 1,5 метра;
Для удобного и безопасного обслуживания
оборудования предусматривается:
постоянные площадки (из рифленной листовой
стали);
- лестницы с перилами (из сотовой или полосовой
стали);
- предохранительные устройства;
сигнализация (звуковая сирена), световая на
щитах управления;
автоматические
Обоснование опасности поражения электрическим
током
По степени опасности в соответствии с ПУЭ, ЦТП
относиться к помещениям с повышенной опасностью. Рабочее напряжение 380 В,
напряжение освещения 220 В и 42 В, напряжение ручных ламп не более 12 В.
В соответствии с требованиями к
электрооборудованию:
выводы от обмоток электродвигателей и их
вращающиеся части закрываются ограждением;
вблизи от электропривода устанавливается аппарат
для быстрого аварийного отключения электропривода;
предусматривается защита заземлением,
сопротивление защитного заземления не более 4 Ом в соответствии с ПУЭ;
в особо опасных помещениях напряжение 12В;
Обоснование параметров шума, вибрации
Источниками производственного шума и вибрации
являются турбо гидроагрегаты, электродвигатели собственных нужд, дымососы и
вентиляционные установки, трансформаторы.
Для снижения шума по СН 2.2.4/2.1.8.562-96 и
вибрации по СН 2.2.4/2.1.8.566-96 предусматривается:
экран звукоизолирующий между комнатой
технического персонала и насосной из плит марки ПА;
установка камерных глушителей в воздуховоде;
облицовка воздуховодов и поворотов
звукопоглощающими материалами типа Э-01;
уплотняющая прокладка между дверью и полом;
производственное оборудования должно
подвергаться периодическому техническому освидетельствованию.
Средства защиты от вибрации
Для защиты от вибрации на рабочем месте
предусматриваются следующие средства защиты:
средства индивидуальной защиты (наушники,
вкладыши);
установка пружинных амортизаторов для
виброизоляции (насосов, дробилок, электродвигателей, двигателей внутреннего
сгорания).
Обоснование безопасности систем находящихся под
давлением
Системами, работающими под давлением >0.07
МПа, являются:
- трубопроводы горячей воды. Эти системы при
неправильной эксплуатации представляют серьезную опасность для обслуживающего
персонала. Для обеспечения безопасности системы, работающей под давлением,
снабжены:
приборами для измерения давления и температуры
среды;
- предохранительными устройствами;
- запорной арматурой;
сетевой сигнализацией, регулирующей на
отклонение параметров от допустимых значений.
.2.3 Производственная санитария
Обоснование параметров освещения
Для освещения ЦТП в соответствии со СНиП
23-05-95 предусматривается:
а) совмещенное освещение:
естественное освещение, осуществляемое через
оконные проемы в стене здания; - искусственное;
б) рабочее;
в) аварийное.
Искусственное освещение осуществляется с помощью
электрических, газоразрядных и ламп накаливания.
Виды искусственного освещения:
рабочее;
аварийное;
дежурное;
эвакуационное;
охранное.
Обоснование параметров пожарной безопасности
Пожарная безопасность обеспечивается следующими
средствами:
фильтры, насосы, воздуховоды очищаются от
горючих пылей;
- поверхность трубопроводов изолируется фольгой;
- пожарный пункт со следующим набором: пожарный
щит, ручные огнетушители ОУ-5, ОУ-8 (газовые углекислотные), для быстрой
локализации пожара ОХП-10, ОВА-10 (химические пенные);
- сигнализация ручного действия;
- эвакуационные выходы;
- внутренний и наружный водопровод;
- заслонки в системе вентиляции.
.3 Охрана окружающей среды
Основными источниками загрязнения окружающей
среды являются:
выбросы от работы двигателей автотранспорта и
строительной техники,
выбросы, образующиеся при сварочных работах,
производственные стоки,
отходы, образующиеся при хозяйственной и
производственной деятельности проектируемого объекта.
Оценка воздействия на растительный и животный
мир
Участок реконструкции расположен в черте
городской территории, подвергнутой техногенному влиянию хозяйственной
деятельности. В пределах площадки проектирования отсутствуют объекты
растительного и животного мира, занесенного в Красную книгу РФ и красные книги
субъектов Российской Федерации.
По окончании строительства проектом намечается
озеленение благоустраиваемых территорий с посадкой кустарников, разбивкой
газонов с внесением растительной земли слоем 20 см с засевом газонными травами.
Таким образом, в процессе реконструкции
проектируемого объекта производится нарушение растительного баланса территории
с разрешения УСПХ. После ввода в эксплуатацию объекта процент благоустроенности
и эстетической ценности рассматриваемой территории значительно увеличивается.
Оценка воздействия на земельные ресурсы и
почвенный покров
При проектировании и проведении строительных
работ предусматриваются мероприятия:
учитывающие особенности инженерно-строительных
свойств грунтов, слагающих учитывающие особенности инженерно-строительных
свойств грунтов, слагающих площадку для выбора оснований и типов фундаментов,
крепление бортов траншей,
централизованная поставка материалов и
полуфабрикатов,
организация временных дорог с твердым покрытием,
организация мойки колес строительного автотранспорта, что исключает вынос
грунта с территории строительства на дороги общего пользования,
мойка колес предусматривается с системой
оборотного водоснабжения и очисткой стока, сброс загрязненных сточных вод в
сети коммунальной канализации и в водоем исключается,
складирование материалов и отходов предусматривается
в специально отведенных оборудованных местах,
вывоз отходов с территории строительства
предусматривается своевременно по договорам с лицензированными организациями в
места, согласованные госконтрольными органами.
Не предусматривается воздействие на почвенный
слой, кроме проникновения загрязняющих веществ с грунтовыми и поверхностными
водами.
Для исключения подобного воздействия
предусматриваются следующие мероприятия:
Предусматривается гидроизоляция колодцев, что
предотвращает проникновение загрязняющих веществ в грунт.
Предусматривается организованный отвод
поверхностного стока в сети канализации, что предотвращает заболачиваемость
территории и вынос с поверхностным стоком загрязняющих веществ на грунт.
Временное хранение автотранспорта предусматривается
в закрытом помещении, что исключает возможность попадания в открытый грунт
загрязняющих веществ от автотранспорта.
Площадки открытого хранения автотранспорта
оборудуются организованным сбором поверхностного стока и его очисткой на
локальных очистных сооружениях перед сбросом в сеть коммунальной канализации.
Предусматривается использование твердых
непроницаемых покрытий внутренних проездов на территории проектируемого
объекта;
Обслуживание автомобилей на стоянках не
производится.
Рациональное использование и оценка воздействия
на водные объекты.
Проектными решениями предусматривается очистка
следующих видов сточных вод:
поверхностного стока с территории,
устройство мойки колес строительного
автотранспорта с оборотным водоснабжением и очисткой загрязненных вод в
фильтрующем патроне.
Указанные решения принимаются в проекте с целью
исключения превышения концентраций загрязняющих веществ в сточных водах,
разрешенных к сбросу в сеть коммунальной канализации и водоемы.
С целью сокращения использования воды питьевого
качества, а также исключения (сокращения) объемов сточных вод (в том числе
загрязненных) в сети канализации и далее в водоем проектными решениями
предлагается установка мойки колес строительной техники с системой оборотного
водоснабжения и очисткой загрязненного стока.
Использование оборотной системы водоснабжения
для мойки колес, позволяет сократить объем потребляемой воды на 85 % и,
следовательно, исключает сброс стока и загрязняющих веществ в сети канализации
и далее в водоем.
Проектными решениями предусматриваются следующие
мероприятия по предупреждению истощения и загрязнения подземных и поверхностных
вод:
Ограждение строительной площадки;
Устройство временных дорог из ж/б плит;
Подключение стройплощадки к временным инженерным
сетям водоснабжения и канализации по временной схеме;
Установка биотуалетов для строителей;
Использование исправных машин и механизмов;
Централизованная поставка растворов и бетонов
спецтранспортом;
Хранение строительных отходов на специально
отведенных участках территории в границах землеотвода с использование
герметичных накопителей и специально оборудованных площадок;
Своевременный вывоз отходов по мере накопления
спецтранспортом на договорной основе на специализированные лицензированные
предприятия по размещению отходов;
Оценка воздействия отходов на окружающую
природную среду.
В соответствии с разработанными проектными
решениями разработан подраздел образование отходов производства и потребления.
Нормативы образования отходов рассчитаны в соответствии с действующей методической
и нормативной документацией, а также на основании технико-экономических
показателей проектируемого объекта. Наименование и классы опасности отходов
определены в соответствии с Федеральным классификационным каталогом отходов,
утвержденным Приказом МПР России от 02.12.2002 №786.
При хранении отходов в герметичных накопителях и
соблюдении всех правил экологической безопасности вредное воздействие на
окружающую природную среду исключается.
В составе проекта предусматриваются мероприятия
по сокращению негативного воздействия на окружающую среду:
Соблюдение условий сбора и складирования отходов
на территории объекта;
Соблюдение периодичности вывоза отходов с
территории для захоронения на полигонах,
Своевременная уборка территории,
Соблюдение санитарного состояния мест временного
хранения отходов.
Заключение
В ходе выполнения дипломного проекта достигнута
цель работы - выполнено проектирование системы теплоснабжения жилого района от
ЦТП.
Для достижения цели при выполнении проекта были
решены следующие задачи:
. Выполнен анализ и представлено обоснование
проектирования системы теплоснабжения.
. Определены основные тепломеханические решения
системы теплоснабжения.
. Выполнен расчет тепловой схемы с выбором и
описанием основного и вспомогательного рабочего оборудования.
. Рассмотрены вопросы безопасности и
экологичности проектных решений.
Проведен анализ опасных и вредных факторов,
разработаны мероприятия по охране труда и технике безопасности при эксплуатации
тепломеханического оборудования, произведен расчет защитного заземления
циркуляционного насоса
. Произведены экономические расчеты с
определением себестоимости отпуска тепловой энергии.
Расчетная себестоимость получилась ниже тарифов
на тепло для данного региона от централизованного теплоснабжения, значит проект
можно считать рентабельным.
Список использованной литературы
Нормативно-правовые акты
. СП 131.13330.2012 Строительная
климатология. Актуализированная редакция СНиП 23-01-99* (с Изменением N 2).
. СНиП 41-02.2003. Тепловые сети. /
Госстрой России от 24.06.2003 г. № 110
. СНиП 41.01-2003. Отопление,
вентиляция и кондиционирование. Стройиздат- 2003.
. СНиП II-35-76 Котельные установки.
- М.: Госстрой России, 1999 г. с изменением № 1.
. ГОСТ 12.1.005-88. ССБТ. Пожарная
безопасность. Общие требования.
. СНиП 2.04.14-88. Тепловая изоляция
оборудования и трубопроводов/ Госстрой России.- М.: ГУП ЦПП, 1998.-28 с.
. ПБ 10-573-03 Правила устройства и
безопасной эксплуатации трубопроводов пара и горячей воды. Утверждены
постановлением
Госгортехнадзора России от 11.06.2003 № 90. Москва, 2003.
. Постановление Правительства РФ №
154 «Требования к схемам теплоснабжения, порядку их разработки и утверждения»
от 22 февраля 2012 г.
. Совместный приказ Министерства
энергетики РФ и Министерства регионального развития РФ № 565/667 «Методические
рекомендации по разработке схем теплоснабжения» от 29.12.2012 г.
Литературные источники
. Варфоломеев Ю. М. Отопление и
тепловые сети: Учебник / Ю.М. Варфоломеев, О.Я. Кокорин. - М.: НИЦ ИНФРА-М,
2013. - 480 с.
. Краснов В. И. Справочник
монтажника водяных тепловых сетей: Учебное пособие/Краснов В. И. - М.: НИЦ
ИНФРА-М, 2015. - 334 с.
. Брюханов О. Н. Газифицированные
котельные агрегаты: Учебник / О.Н. Брюханов, В.А. Кузнецов. - М.: НИЦ ИНФРА-М,
2013. - 392 с.
. Кудинов А. А. Основы
централизованного теплоснабжения / А.А. Кудинов, С.К. Зиганшина. - 2-е изд.,
перераб. и доп. - М.: НИЦ ИНФРА-М, 2015. - 176 с.
. Поливода Ф. А. Надежность систем
теплоснабжения городов и предприятий легкой промышленно-сти - М., 2016. - 170
с.
. Кудинов А. А. Энергосбережение в
котельных установках ТЭС и систем теплоснабжения: монография / А.А. Кудинов,
С.К. Зиганшина. - М.:, 2016. - 342 с.
. Калинин Н. В., Никифоров А. Г.,
Юхимчук А. А., Яковлев, А. В. Повышение надежности систем теплоснабжения за счет
рационализации построения схемных решений // «Надежность и безопасность
энергетики». 2013. № 1. С. 42-46.
. Титов Г. И., Новопашина Н. А.
Исследование надежности тепловых сетей // Региональная архитектура. 2013. №2.
С.141-148.
. Лебедев В. И., Пермяков Б. А.,
Хаванов П. А. Расчет и проектирование теплогенерирующих установок систем
теплоснабжения. - М.: Стройиздат, 1992. - 360 с.
. Липов Ю.М., Третьяков Ю.М.
Котельные установки и парогенераторы. М., 2003г.
. Теплогенераторы котельных/ В.М.
Фокин. - М.: Издательство Машиностроение - 1, 2005. - 160 с.
. Собурь с. В. Пожарная безопасность
предприятия. Курс пожарно-технического минимума: справочник. - пятое изд., доп.
(с изм.). - м.: спецтехника, 2001. - 488 с.
. Е.А. Карякин. Промышленное газовое
оборудование. Справочник. Саратов: Газовик, 2003. 624с.
. Эстеркин Р. И. Котельные
установки. Курсовое и дипломное проектирование: Учеб. пособ. для техникумов.
Л.: Энергоатомиздат. Ленингр, отделение, 1989.
. Е. А. Бойко «Котельные установки и
парогенераторы», Красноярск, 2006 г.
. Преображенский, В. П.
Теплотехнические измерения и приборы: Учебник для вузов по специальности
«Автоматизация теплоэнергетических процессов». - 3-е изд., перераб. М. :
Энергия, 1978.
. А.С. Клюев, А.Т. Лебедев, С.А.
Клюев, А.Г. Товарнов Наладка средств автоматизации и автоматических систем
регулирования: Справочное пособие. - М.: Энергоатомиздат, 2009. - 368 с.
. Козин В. Е., Левина Т. А., Марков,
А. П. Теплоснабжение: Учебное пособие для студентов ВУЗов, Москва: Высшая
Школа, 1980.
. Семенов В. Г. Тепловые сети систем
централизованного теплоснабжения // Энергосбережение. 2004. №5, 2004. С.50-54.
. Слепченок В. С., Шаповалов Н. Н.
Влияние различных эксплуатационных факторов на тепловые потери в бесканальных
подземных трубопроводах тепловой сети // Новости теплоснабжения. 2002. №6.
С.18-23.
. Надежность систем энергетики и их
оборудования: Справочное издание в 4 т. под ред. акад. Ю.Н. Руденко. Т. 4
Надежность систем теплоснабжения / Е.В. Сеннова, А.В. Смирнов, А.А. Ионин и
др. Новосибирск: Наука, 2000 г. - 351 с.