|
№ вала
|
Мощность P, кВт
|
Число оборотов, n
|
Вращательный момент,T, Н*м
|
Угловая скорость, ω рад/с
|
|
1
|
2.32
|
1420
|
15.61
|
148,63
|
|
2
|
2.32
|
612
|
36.22
|
64.05
|
|
3
|
2.32
|
15.3
|
1450
|
1.6
|
Вращательный момент находим по формуле:
,
,
Где T-вращательный момент,
-угловая скорость.
1.5
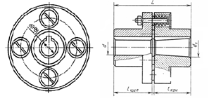
Выбор редуктора
Выбираем типоразмер червячного редуктора во вращательному моменту
выходного вала Т=1450 (Н*м) и числу оборотовn=612 .Нам подходит Червячный редуктор Ч-160.
Uном
=40
Твых =1600,Н*м
η=0.73
рис.3
Габаритные и присоединительные размеры червячного одноступенчатого
редуктора типа Ч-160:
aw=160 B=280 D3=80 H2=31.5 L2=2801=300 D1=270 H=140 H3=60 L3=3552=230 D2=72 H1=500 L1=345 L4=705=206 L6=157 b3=10
b4=18 d4=405=35.9 d6=65
d7=64,75 d8=M24x29=50 d10=M48x3 d11=140 d14=2215=M16x1,5 l3=110 l4=82
l5=1406=105 l7=275 l8=130 h3=8 h4=113=5 t4=7
2. РАСЧЕТ
РЕМЕННОЙ ПЕРЕДАЧИ
.1 Расчет основных параметров ременной передачи
Типоразмер сечения ремня определяем по ГОСТ 1284.3-96.
Рис.4
Расчетный диаметр малого и большого шкивов (d1 и d2)
назначаем по ГОСТ 20889-80. При сечении ремня А, d1=90мм, d2=212мм.
Линейная скорость ремня не должна превышать 30м/с. В данном случае v=6,7м/с.
Отклонение передаточного числа от предварительного delta не должно превышать 3%. В данном
случае delta=1,53%.
Расчетную длину ремня Lp
назначаем по ГОСТ 1284.1-89.
Номинальную мощность, передаваемым одним ремнем P0 определяем по ГОСТ 1284.3-96.
Коэффициенты угла обхвата, длины ремня и числа ремней в передаче
определяем по ГОСТ 1284.3-96.
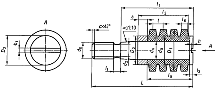
3. ПРОЕКТИРОВАНИЕ ИСПОЛНИТЕЛЬНОГО ОРГАНА
.1
Проектный расчет вала
Рис. 5 Эскиз части вала.
Диаметр d1выходного конца вала под элемент
открытой передачи выбираем исходя из вращательного момента:
Принимаем d1 =65 мм
d2
= d1+ 2t =65+ (2·3,5)= 72 мм
Полученное значение округлим до стандартного по ГОСТ 6636-69:
d2= 75 мм
d3
= d2+ 3,2t = 75+ (3,2·3,5) = 86мм
Полученное значение округлим до стандартного по ГОСТ 6636-69:
.2 Подбор
подшипников качения
Ввиду радиальных нагрузок были выбраны радиальные сферические двухрядные
шарикоподшипники ГОСТ 28428-90:
Подшипник 1214 исполнение 1000 - с цилиндрическим отверстием внутри
кольца. Серия диаметров 2.
Рис. 6 - Подшипник радиальный сферический, двухрядный.
Таблица 6 - Геометрические характеристики подшипника
|
Условное обозначение
|
d, мм
|
D, мм
|
B, мм
|
r, мм
|
Cr, кН
|
Масса, кг
|
|
1215
|
75
|
130
|
26
|
3,0
|
40
|
1,67
|
3.3 Подбор
шпоночных соединений
Шпонка выбирается из ряда стандартных, по ГОСТ 23360-80
Таблица 7 - Размеры призматических шпонок
|
Диаметр вала, D
|
Шпонка
|
Шпоночный паз
|
|
b
|
h
|
с или r
|
Вал t1
|
Втулка t2
|
с или r
|
|
65
|
20
|
12
|
0.4…0.6
|
7,5
|
4.5
|
0.25…0.4
|
|
90
|
24
|
14
|
0.4…0.6
|
9
|
5
|
0.25…0.4
|
Для фиксации звездочки на цилиндрическом конце вала:
Шпонка 20×12×70 ГОСТ 23360-78.
Для фиксации барабана на валу:
Шпонка 24×14×90 ГОСТ 23360-78.
Рис.7 - Геометрические параметры шпоночного соединения.
3.4 Проверочный
расчет шпоночных соединений для вала исполнительного органа
Расчет шпоночного соединения на прочность проводится по напряжениям
смятия и среза:
Рис.8 - Расчетная схема шпоночного соединения
Условие прочности на смятие и на срез:
- допускаемые напряжения на смятие.
- допускаемые напряжения на срез.
Для фиксации конической шестерни на цилиндрическом конце вала:
Шпонка 20×12×70 ГОСТ 23360-78.
Условие прочности выполнено, запас прочности обеспечен.
Для фиксации барабана на валу:
Шпонка 24×14×90 ГОСТ 23360-78..
Условие прочности выполнено, запас прочности обеспечен
.5 Проверочный расчет вала исполнительного органа на
статическую прочность по эквивалентному моменту
Нагрузка от муфты навал:
Н.
Рис. 9 Схема сил, действующих на вал(от конической передачи
конвейера).
Нагрузка от барабана на вал:
Определение сил, действующих в прямозубом
зацеплении.
Окружная силаFtна делительном цилиндре
Н
При этом для шестерни и колеса:
Н.
Радиальная силаFr:
Н.
а) XOZ:

Н;

Н;
б) YOZ:

Н;

Н
Рассчитываем изгибающие моменты в горизонтальной и вертикальной
плоскостях.
Изгибающий момент:
а) OXZ:
сечение A: 0
сечение C:
Н м;
сечение B: 0;
сечение D: 0;
б) OYZ:
сечение A: 0
сечение C:
Н м;
сечение B:
Н м;
сечение D: 0;
Крутящий момент Т=833 Н м.
Определяем суммарный изгибающий, эквивалентный моменты и диаметр в
наиболее нагруженном сечении.
Наиболее нагруженное сечение С.
Суммарный изгибающий момент:
Н м.
Эквивалентный момент:
Н м.
Диаметр вала:
мм.
Ранее принятое значение dп=65 мм. Это больше, чем требуется по
расчету. Прочность по напряжениям изгиба обеспечена.
Рисунок 10 Эпюра изгибающих моментов.
3.6 Проектирование приводного барабана
Рис.11 Эскиз приводного барабана
Диаметр отверстия в ступицах барабана d равен диаметру
вала в месте посадки на него барабана, значение которого принимается немного
больше диаметра заплечика для подшипников, по ГОСТ 6636 - 69.
Длина ступицы любого элемента конструкции назначается в
зависимости от посадочного диаметра вала по условию обеспечения устойчивости
элемента в вертикальной плоскости.
Поскольку барабан опирается на вал двумя ступицами, и они
отстоят друг от друга на значительном расстоянии, устойчивость барабана будет
обеспечена при любой длине ступиц.
Материал, из которого изготовлен барабан - серый чугун СЧ 15-32
Толщина стенки барабана вычисляется по формуле:
,
где D - диаметр барабана
При расчетах принимается:
Расчет сил натяжения ленты
Выбор конвейера.По
из справочников выбираем марку конвейера для заданной
выработки (для заданных условий). При этом паспортная производительности
, указанная в характеристике не должна быть меньше технической
. Ширина лентыВ выбранного
конвейера сравнивается с допустимыми минимальными значениями.
Расчетная схема конвейера. В начале расчета предполагается, что на всей
длинеLустановлен один конвейер с одним
приводом. На схеме изображаются: привод в виде одного барабана (независимо от количества
барабанов в реальном приводе), а также лента (одной линией) и направление ее
движения. Характерные сечения ленты (на схеме - точки) нумеруются по ее ходу.
Обычно цифрой 1 обозначается сечение в месте сбегания ленты с привода.
Сила тяги для перемещения ветвей: нижней:
, Н
верхней:
, Н
- коэффициент сопротивления движению ветвей принимается
одинаковым для обеих ветвей.
=0,07 - отапливаемое помещение, небольшое количество
абразивной пыли.
Н
Н
7. Тяговое усилие на приводном (приводных) барабане (барабанах):
, Н
Н
Минимальное начальное натяжение ленты определяется по условиям сцепления
и провеса на груженной ветви.
По условию сцепления на приводе:
,Н
где
=8,17
- минимальное натяжение ленты в сечении 1 (точка сбегания с
привода на схеме), при котором не будет пробуксовки ленты по всей дуге обхвата;
- коэффициент запаса тяговой способности привода.
=1,2-1,4
- коэффициент трения (сцепления) ленты и барабана.
и
- углы обхвата лентой одного в однобарабанных, первого и
второго вдвухбарабанном приводе, рад;
Н
По условию ограничения провеса ленты на груженой ветви (по условию
повсеместного ее растяжения) для уклонного и горизонтального конвейера
, Н
гдеВ - ширина ленты, м.
Н
Рис. 12
3.7 Проверочный расчет вала исполнительного органа на
выносливость
где Sσ - коэффициент запаса прочности по нормальным напряжениям:
σ-1 = 410 МПа
β= 0,95;
kσ/εσ = 2,95
МПа,
где W- момент сопротивления
при изгибе, мм3;
;
ψσ = 0,2;
σm - среднее напряжение цикла нормальных
напряжений, МПа; если осевая сила Fана вал отсутствует или
пренебрежимо мала, то σm = 0;
Sτ - коэффициент запаса прочности по касательным напряжениям:
τ-1=230 МПа;
β= 0,95;
kτ/ετ =0,6 kσ/εσ+0,4=0,6*4,20
+ 0,4 = 2,92
ψτ = 0,1 для всех сталей;
Мпа,
где Wк- момент сопротивления
при кручении, мм3;
.
Подставляя полученные значения, получаем
.
Расчетный коэффициент усталостной прочности вала в опасном сечении
.
Сопротивление усталости вала в опасном сечении обеспечивается.
Рис. 13
.8 Проверочный
расчет подшипников исполнительного органа на ресурс
Эквивалентная нагрузка на подшипник:
где Fr - радиальная нагрузка;
Fa - осевая нагрузка;
X, Y - коэффициенты учитывающие
радиальную и осевую нагрузки соответственно,
Kб
- коэффициент
безопасности;
Kт
- коэффициент
температуры;
V -
коэффициент вращения кольца;
Учитывая, что Fa= 0 и
X = 1, для радиального подшипника
приведенная динамическая нагрузка найдется из равенства:
Где V = 1
KБ = 1.5
KТ = 1
RB =
(Н) - сила действующая на второй
подшипник вала и.о.
Базовая динамическая радиальная грузоподъемность :
Сr = 40 (кН)=40000 (Н).
Определяем по уровню надежности и условиям применения расчетный
ресурс подшипника:
где: a1 =1 - коэффициент долговечности, при вероятности
безотказной работы 90%;
a23 = 0.6 - коэффициент, характеризующий
влияние на долговечность материала подшипника и условий
его эксплуатации, для шарикоподшипников сферических двухрядных.
k =3 -
показатель степени, для шарикоподшипников сферических двухрядных подшипников.
n =
- частота вращения вала
исполнительного органа.
Сравниваем с требуемым ресурсом:
³7000.
Полученный ресурс удовлетворяет требованиям, подшипники работоспособны.
4. ВЫБОР МУФТЫ
Типоразмер муфты выбираем исходя из диаметра конца вала двигателя
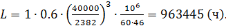
Рисунок 14.Муфта упругая втулочно-пальцева
Таблица 8
|
Вал
|
[Т], Н м
|
D, мм
|
d, мм
|
n, мм
|
L, мм
|
|
Быстроходный
|
500
|
160
|
60
|
500
|
230
|
Выбираем не стандартную муфту, приняв:
d=28
мм (под вал мотора);
d1=20 мм (под входной вал редуктора)
lкон=lцил=l=42мм;
Рисунок 15. Палец втулки
Типоразмер пальцев втулки выбираем по ГОСТ 21424-93, мм
Таблица 9
4.1 Проверочный расчет
Условие прочности пальцев муфты на изгиб:
и-наибольший
изгибающий момент, возникающий в месте заделки пальца в полумуфту 1, Н∙мм;x-момент сопротивления изгибу сечения
пальца, мм3;
[σи]-допускаемые напряжения изгиба пальца, МПа
Изгибает палец окружная сила Ft, которая в предположении равномерной
нагрузки между пальцами вычисляется по формуле:
где T-расчетный вращающий момент, передаваемый муфтой, Н∙м;диаметр
расположения пальцев, мм;число пальцев.
Тогда момент, изгибающий палец, и момент сопротивления изгибу:
Материал пальца по прочности принимают не ниже, чем сталь 45. Допускаемые
напряжения -предел текучести материала пальца.
м3
Давления в зоне контакта втулки с пальцем вычисляют по формуле:
где [p]-допускаемые давления для резиновой втулки, [p]= 2…5МПа
Условие прочности выполнено, запас прочности обеспечен.
БИБЛИОГРАФИЧЕСКИЙ СПИСОК
1.Чернавский
С.А. Курсовое проектирование деталей машин -М.: Высш. шк., 2005.
.Разработка
рабочих чертежей деталей передач: Учебное пособие/ П.П. Сохрин, Е.В. Вайчулис,
Е.П. Устиновский-Челябинск: Изд. ЮУрГУ, 2011.
.Проектирование
передач зацеплением с применением ЭВМ: Компьютеризированное учебное пособие с
программами расчета передач/ Под ред. Е.П. Устиновского. -Челябинск: Изд. ЮУрГУ,
2002.