Привод ленточного конвейера
МИНИСТЕРСТВО
ОБРАЗОВАНИЯ И НАУКИ РОССИЙСКОЙ ФЕДЕРАЦИИ
СТЕРЛИТАМАКСКИЙ
ФИЛИАЛ ГОСУДАРСТВЕННОГО ОБРАЗОВАТЕЛЬНОГО
УЧРЕЖДЕНИЯ
ВЫСШЕГО ОБРАЗОВАНИЯ
«БАШКИРСКИЙ
ГОСУДАРСТВЕННЫЙ УНИВЕРСИТЕТ»
Естественнонаучный
факультет
Кафедра
технологии и общетехнических дисциплин
привод конвейер зубчатый подшипник
Спроектировать
привод ленточного конвейера
Пояснительная
записка к курсовой работе по «Деталям машин» 44.03.01.Б12.15.00.00.00.СБ
Содержание
.
Выбор
электродвигателя и кинематический расчет
.
Расчет
клиноременной передачи
3.
Расчет цилиндрической зубчатой передачи редуктора
.
Предварительный расчет валов редуктора
.
Конструктивные размеры шестерни и зубчатого колеса
.
Размеры корпуса и крышки редуктора
.
Проверка долговечности подшипников
.
Уточненный расчет валов
.
Выбор муфты
.
Расчет шпоночных соединений
Выбор
сорта масла
Сборка
редуктора
Используемая
литература
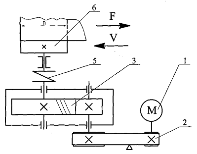
Рис. 1 Кинематическая схема привода ленточного
конвейера
- эл. двигатель; 2 - клиноременная передача; 3 -
цилиндрический редуктор; 4 - подшипники; 5 - муфта; 6- барабан.
Исходные данные:
Тяговое усилиеF=3,0 кН,
Скорость цепиV=1,2 м/с,
Диаметр барабанаD=350 мм
1. Выбор электродвигателя и кинематический
расчет
Общий кпд привода находим по таблице 1.1
[1,с.5]:
h=h1h2h33,(1)
где h1=0,98 - кпд
зубчатой цилиндрической передачи;
h2=0,95 - кпд клиноременной передачи;
h3=0,99 - кпд пары подшипников качения.
h=0,98×0,95×0,993=0,9.
Мощность на валу барабана:
,(2)
где F=3,0 кН - тяговое усилие на
барабане;=1,2 м/с - скорость ленты.
Требуемая мощность электродвигателя:
(3)
где Рб - мощность на валу барабана,
кВт.
По ГОСТ 19523-81 выбираем
электродвигатель 4АМ122МВ6У3 с синхронной частотой вращения n1=1000 мин-1, с
параметрами Рдв=4 кВт и номинальная частота вращения nдв=965 об/мин[1, с.390].
Угловая скорость на валу
электродвигателя:
;(4)
Частота вращения вала барабана:
;(5)
где D=350 мм - диаметр барабана.
Общее передаточное отношение:
=nдв/nб;(6)=965 / 70,06 = 13,7.
Принимаем передаточное число
зубчатой передачи [1, с.36]:
=5,
тогда передаточное число
клиноременной передачи:
u1 =u / u2;(7)= 13,7 / 5 = 2,75.
Частота вращения:
на валу электродвигателя:дв=965
мин-1;
на ведущем валу:=nдв/u1;=965/ 2,75 =
350 мин-1;
на ведомом валу:=n1/u2;=350 / 5 = 70
мин-1;
на валу барабана:=n2;= 70 мин-1.
Угловые скорости:
на валу электродвигателя wдв=100 c-1;
на ведущем валу:
w1=wдв/u1= 100/ 2,75 = 36,36 с-1;
на ведомом валу:
w2=w1/u2;
w2=36,36
/ 5 = 7,272 с-1;
на валу барабана:
w3=w2;
w3=
7,272 с-1.
Вращающие моменты:
на валу электродвигателя:
(8)
на ведущем валу:
Т1=Тдв u1h1h4=40×2,75×0,98×0,99=106 Н
м;
на ведомом валу:
Т2=Т1 u2h2h4;
Т2=106×5×0,95×0,99 =498 Н×м;
на валу барабана:
Тб=Т2 =498 Н×м.
Таблица 1
|
Число
оборотов, n, мин-1
|
Угловая
скорость, w, с-1
|
Крутящий
момент, Т, Н×м
|
|
Вал
двигателя
|
965
|
100
|
40
|
|
Ведущий
вал I редуктора
|
350
|
36,36
|
106
|
|
Ведомый
вал II редуктора
|
70
|
7,272
|
498
|
|
Вал
барабана
|
70
|
7,272
|
498
|
. Расчет клиноременной передачи
Принимаем тип ремня Б.
Диаметр меньшего шкива:
(26)
Принимаем d1=125 мм.
Диаметр большего шкива:
=u1d1(1-e);(27)=2,75×125×(1-0,01)=340
мм.
Принимаем
d2=355 мм.
Уточняем
передаточное отношение:
Отклонение:
d=
что
меньше допускаемого ±4%.
Окончательно
принимаем диаметры шкивов d1=125 мм и d2=355 мм.
Межосевое
расстояние:
=0,55(d1+d2)+T0;(28)
amin =0,55(125+355)+10,5=275,5 мм.=d1+d2;(29)
amax=125+355=480
мм.
Принимаем
aр=500 мм.
Расчетная
длина ремня:
(30)
Принимаем
по ГОСТ L=2000 мм.
Уточненное
значение межосевого расстояния с учетом стандартной длины ремня:
;(31)
Угол
обхвата меньшего шкива:
(32)
Скорость
ремня V, м/с, определяется по формуле:
(33)
.
Частота
пробегов ремня U, с-1:
(34)
Число
ремней z определяется по формуле:
(35)
где
Р - мощность, передаваемая клиноременной передачей;
Р=Рдв=4
кВт;
Р0
- мощность, передаваемая одним клиновым ремнём [1, c.132]:
Р0=1,56
кВт;
-
коэффициент режима работы [1, c.136]:Ср=1,1.
-
коэффициент, учитывающий влияние длины ремня [1, c.135]:
Сl=0,97;
-
коэффициент, учитывающий влияние угла обхвата [1, c.135]:
a=0,92.
Принимаем
z=4.
Сила
предварительного натяжения ремня F0, H,:
(36)
где
-
коэффициент, учитывающий влияние центробежных сил
[1,c.136]:
Сила
давления на вал FВ, Н:
(37)
Канавки
шкивов клиноременных передач по ГОСТ 20889-80 [1, с.138]:
для
ремня сечения Б:
=14,0
мм; h=10,5 мм; h0=4,2 мм; f=12,5 мм; e=19,0 мм; a=340.
Ширина
шкива В, мм:
=(z-1)e+2f;(38)
В=(4-1)×19+2×12,5 = 82
мм.
Проверяем
ремень на долговечность λ,
с-1
по частоте пробега в секунду:
(39)
где
V - скорость ремня, м/с;- длина ремня, м;
[λ]
- допустимое
значение долговечности ремня, [λ]=с-1.
λ=6,3/14,0=4,5
с-1.
Условие
выполняется, т. к. 4,5 ≤10 с-1.
.
Расчет цилиндрической зубчатой передачи редуктора
Выбираем
материалы: для шестерни сталь 40Х, термическая обработка - улучшение, 260 НВ,
для зубчатого колеса сталь 40Х, термическая обработка - улучшение, 240 НВ.
Предел
контактной выносливости [1, с.34, т.3.2]:
для
шестерни
sHlimb1=2HB1+70=2×260+70=590 МПа;
для
зубчатого колеса
sHlimb2=2HB2+70=2×240+70=550
МПа.
Допускаемые
контактные напряжения:
для
шестерни
для
зубчатого колеса
где
KHL=1 - коэффициент долговечности [1, с.33],
[SH]=1,1
- коэффициент безопасности [1, с.33].
Расчетное
допускаемое контактное напряжение:
[sH]=0,45([sH1]+[sH2])=0,45×(540+500)=467
МПа.(9)
Требуемое
условие [sH]<1,23[sH]2=615 МПа выполнено.
Принимаем
значение коэффициентов: [1, с.32]
=1,25;
Ka=43; yba=0,4.
Определяем
межосевое расстояние из условия контактной выносливости зубьев:
;(10)
где
Т2=498 Нм - крутящий момент на ведомом валу;
Ближайшее
значение межосевого расстояния по ГОСТ 2185-66 [1, с.36]:
=180
мм.
Нормальный
модуль зацепления:
=(0,01-0,02)aw;(11)=(0,01-0,02)×180=1,8¸3,6 мм.
Принимаем
модуль по ГОСТ 9563-60 [1, с.36]
:mn=2,5
мм.
Примем
предварительно угол наклона зубьев [1, с.36]:
b=100.
Определяем
число зубьев:
Шестерни
(12)
Принимаем
z1=23,
тогда
число зубьев зубчатого колеса
=z1
u1;=23×5=115.
Уточненное
значение угла наклона зубьев:
;
.
Откуда,
b=16,60.
Делительные
диаметры:
Шестерни
(13)
зубчатого
колеса
;
Уточняем
межосевое расстояние:
Диаметры
вершин:
шестерни=d1+2mn;
=60+2×2,5=65 мм;
колеса
=d2+2mn;=300+2×2,5=305 мм.
Ширина
колеса:
=ybaaw;(14)
где
yba=0,4 -
коэффициент ширины венца;=0,4×180=72
мм.
Ширина
шестерни:
=b2+5;=72+5=77
мм.
Определяем
коэффициент ширины шестерни по диаметру:
ybd=
;(15)
.
Окружная
скорость колес:
(16)
При
такой скорости для косозубых колес по ГОСТ 1643-81 принимаем 8-ю степень
точности.
Принимаем
значения коэффициентов: [1, с.39-40]:
b=1 ;
KHV=1,09; KНa=1.
Определяем
коэффициент нагрузки:
=KHbKHVKHa;
КН=1×1×1,09 =1,09.
Проверяем
контактные напряжения:
;(17)
Условие
sH<[sH] выполнено: 368 < 467
МПа, следовательно, считаем, что контактная прочность передачи обеспечена.
Силы,
действующие в зацеплении:
Окружная
=
(18)
Радиальная
(19)
Осевая=Fttgb;(20)=3533×0,2981 =1053
H.
Значение
предела выносливости при нулевом цикле изгиба:
для
шестерни
sFlimb1=1,8HB1;
sFlimb1=1,8×260=468 МПа;
для
колеса
sFlimb2=1,8HB2;
sFlimb2=1,8×240=432 МПа.
Коэффициент
безопасности:
[SF]=[SF]'
[SF]'';
где
[SF]'=1,75; [SF]''=1 [1, c.44];
[SF]=1,75×1=1,75.
Допускаемые
напряжения:
для
шестерни
;(21)
для
колеса
;(22)
Эквивалентное
число зубьев:
Шестерни
(23)
Колеса
(24)
Коэффициент,
учитывающий форму зуба [1, с.42]:=3,8; YF2=3,6.
Находим
отношение:
Дальнейший
расчет ведем для зубьев колеса, для которого найденное отношение меньше.
Коэффициент,
учитывающий неравномерность распределения нагрузки по длине зуба [1, c.43]:b=1,10.
Коэффициент,
учитывающий динамическое действие нагрузки [1, c.43]:=1,3.
Коэффициент
нагрузки:=KFbKFV;
КF=1,1×1,3=1,43.
Определяем
коэффициенты:b=1-b/1400;b=1-16,60/1400=0,88;a=0,92.
Проверяем
зубья на выносливость по напряжениям изгиба:
;(25)
Условие
sF<[sF]2 выполнено, 82<206 МПа.
.
Предварительный расчет валов редуктора
Ведущий
вал-шестерня:
Диаметр
выходного конца ведущего вала по расчету на кручение при допускаемом напряжении
[t]k=25 МПа:
|
|
(4.1)
|
Принимаем 
Диаметр подшипниковых шеек
|
|
(4.2)
|
Принимаем dп1=45 мм.
Ведомый вал:
Диаметр выходного конца ведомого вала по расчету
на кручение:
Принимаем 

Диаметр подшипниковых шеек:
Принимаем 
Диаметр вала под зубчатое колесо:
|
|
(4.3)
|
Принимаем 
. Конструктивные размеры шестерни и
зубчатого колеса
Шестерню выполняем за одно целое с
валом.
Диаметр
ступицы колеса:ст=1,2dк2=1,2×70=84
мм.
Длина
ступицы колеса:
ст2=(1,2¸1,5)
dк2=(1,2¸1,5) 70=84¸105 мм.
Принимаем
Lст2=90 мм.
Толщина
обода:
d0=(2,5¸4)mn=(2,5¸4)×2,5=6,25¸10 мм;
принимаем
d0=10 мм.
Толщина
диска:
С=0,3b2=0,3×72=21,6 мм.
Принимаем
C=22 мм.
.
Размеры корпуса и крышки редуктора
Толщина
стенок корпуса:
d=0,025аw+1;
d=0,025×180+1=5,5
мм.
Принимаем
d=8 мм.
Толщина
стенок крышки:
d1=0,02aw+1;
d1=0,02×180+1=4,6
мм.
Принимаем
d1=8 мм.
Толщина
фланцев:
верхнего
пояса корпусаb=1,5d=1,5×8=12 мм;
пояса
крышкиb1=1,5d1=1,5×8=12 мм;
нижнего
пояса корпусар=2,35d=2,35×8=19 мм;
принимаем
р=20 мм.
Диаметры
болтов:
Фундаментных
=(0,03¸0,036)aw+12;=17,4¸18,48 мм.
Принимаем
болты с резьбой М20.
=(0,7¸0,75)d1=14¸15 мм.
Принимаем
болты с резьбой М16.
Соединяющих
крышку с корпусом
=(0,5¸0,6)d1=10¸12 мм.
Принимаем
болты с резьбой М12.
.
Проверка долговечности подшипников
Ведущий
вал
Расстояние
между серединой подшипника и серединой шестерни:=75 мм.
Расстояние
между серединой подшипника и серединой шкива:=91 мм.
Реакции
опор в вертикальной плоскости
у=
R2y= Ft / 2= 3533 / 2 = 1766, 5 Н.
Строим
эпюру изгибающих моментов в вертикальной плоскости:
Мxш=
R1y×l1= 1766,5×0,75=1325 Н×м;
Реакции
опор в горизонтальной плоскости:
Проверка:
-Fr - R1x+R2x-FВ = - 1353 - 998,85 + 5344,85 - 2993=0.
Строим
эпюру изгибающих моментов в горизонтальной плоскости:
М
уп справа = FB×l2 =2993×0,091 =
272,36 Н×м.
Строим
эпюру крутящих моментов. Крутящий момент передаётся с шкива ременной передачи
на шестерню редуктора:
Мкр=Т1=106
Н×м.
Суммарные
реакции:
Намечаем
радиальные шариковые подшипники № 209 по ГОСТ 8338-75, имеющие d=45 мм; D=85
мм; В=19 мм; С=33,2 кН. [1, c.394]
В
соответствии с условиями работы принимаем коэффициенты:
=1;
Ks=1,3; KT=1
[1, c.214].
Эквивалентная
динамическая радиальная нагрузка наиболее нагруженной опоры:
Рэ=V
Pr2 Ks KT;(43)
Рэ=1×5629×1,3×1=7317,7 H.
Расчетная
долговечность выбранного подшипника:
(44)
(45)
Условие
Lh=2500 часов <Lh1=4483 часов выполнено, подшипник пригоден.
Ведомый
вал
Расстояние
между серединой подшипника и серединой колеса:
=77
мм.
Реакции
опор в вертикальной плоскости:
Строим
эпюру изгибающих моментов в вертикальной плоскости:
Мxк=R3y×l3=1766,5×0,77=1360,2
Н×м.
Реакции
опор в горизонтальной плоскости:
Проверка:
Fr-R3x+R4x=1647 - 1783 + 136 = 0.
Строим
эпюру изгибающих моментов в горизонтальной плоскости:
Строим
эпюру крутящих моментов. Крутящий момент передаётся с зубчатого колеса
редуктора на муфту:
Мкр=Т2=489
Н×м.
Суммарные
реакции:
Намечаем
радиальные шариковые подшипники № 213 по ГОСТ 8338-75, имеющие d=65 мм; D=120
мм; В=23 мм; С=56,0 кН. [1, c.394]
В
соответствии с условиями работы принимаем коэффициенты:
=1;
Ks=1,3; KT=1
[1, c.214].
Эквивалентная
динамическая радиальная нагрузка наиболее нагруженной опоры по формуле (43):
Рэ=1×1974×1,3×1=2566,2 H.
Расчетная
долговечность выбранного подшипника по формулам (44) и (45):
Условие
Lh=20000 часов <Lh1=249318,68 часов выполнено, подшипник пригоден.
.
Уточненный расчет валов
Примем,
что нормальные напряжения изгиба изменяются по симметричному циклу, а
касательные от кручения по отнулевому. Уточненный расчет состоит в определении
коэффициентов запаса прочности S для опасных сечений и сравнения их с
допускаемым [S].
Ведущий
вал
Материал
вала-шестерни - Сталь 45 , нормализованная,
sВ=570 МПа.
Предел
выносливости стали при симметричном цикле изгиба:
s-1=0,43sВ=0,43×570 =245
МПа.
Предел
выносливости стали при симметричном цикле касательных напряжений:
t-1=0,58×245 =142
МПа.
Сечение
под шкивом.
Концентрация
напряжений обусловлена наличием шпоночной канавки, так как в этом сечении
изгибающего момента нет, то рассчитывают только на кручение. Крутящий момент
Т1=106 Н×м.
Момент
сопротивления кручения нетто сечения вала:
(46)
Амплитуда
от нулевого цикла касательных напряжений при кручении вала:
(47)
Находим
значения коэффициентов [1, с.165-166]:
Кt=1,6; et=0,8; y=0,1.
Определяем
коэффициент запаса прочности по касательным напряжениям:
(48)
Следовательно,
прочность вала обеспечена.
Ведомый
вал
Материал
вала - Сталь 45, нормализованная, sВ=570
МПа.
Предел
выносливости стали при симметричном цикле изгиба:
s-1=0,43sВ=0,43×570=245 МПа;
при
симметричном цикле касательных напряжений:
t-1=0,58s-1=0,58×245=142 МПа.
Сечение
под муфтой. Концентрация напряжений обусловлена наличием шпоночной канавки, так
как в этом сечении изгибающего момента нет, то рассчитывают только на кручение.
Крутящий момент Т2=498 Н×м.
Момент
сопротивления кручению нетто сечения вала:
Амплитуда
от нулевого цикла касательных напряжений при кручении вала:
Находим
значения коэффициентов:t=1,5; et=0,8; yt=0,1.
Определяем
коэффициент запаса прочности по касательным напряжениям:
Определяем
коэффициент запаса прочности по нормальным напряжениям:
(51)
Результирующий
коэффициент запаса прочности:
(52)
.
Выбор муфты
Выбираем
муфту упругую втулочно-пальцевую МУВП, которая соединяет ведомый вал редуктора
с валом барабана конвейера.
Ведомый
вал
Определяем
расчетный крутящий момент [1, с.278]:
|
|
(10.1)
|
где КР=1,5 - коэффициент, учитывающий условия
работы [1, с.272].
МУВП 700-60-1.1У3 ГОСТ
Определяем диаметр вала под муфту d, мм:
|
|
(10.2)
|
где
- допускаемое напряжение на
кручение,

По ГОСТу 12080-66 принимаем 
По значениям расчетного вращающего
момента 
и диаметра посадочного отверстия 
выбираем муфту:
Муфта упругая втулочно-пальцевая
МУВП 1000-60-l. 1-УЗ ГОСТу 21424-75.
Определяем наибольшее напряжение
изгиба в опасном сечении пальца 
, МПа:
|
|
(10.3)
|
где 
- расчетный момент, Н·м;

- диаметр окружности, на которой
расположены пальцы,

мм;

- число пальцев, 

- длина пальца, 
;

- диаметр пальца, 

- допускаемое напряжение на изгиб
для пальцев,

МПа.
Условие прочности пальца по
напряжениям изгиба выполняется.
Определяем наибольшее напряжение на
смятие резиновых втулок 
, МПа:
|
|
(10.4)
|
где
- длина втулки, 

- допускаемое напряжение на смятие
резины,

Условие прочности втулки на смятие
выполняется.
. Расчет шпоночных соединений
Шпонки призматические со
скругленными торцами.
Размеры сечений по ГОСТ 23369-78.
Материал шпонок: сталь 45,
нормализованная.
Ведущий вал
При диаметре шейки вала d=40 мм
выбираем шпонку сечением b=12 мм, h=8 мм, глубина паза t1=5 мм. Принимаем длину
шпонки L=70 мм.
Проверяем выбранную шпонку на смятие
при допускаемом напряжении [s]см=110...120
МПа [1, с.170]:
(55)
Условие sсм£[s]см выполнено.
Ведомый вал
Проверяем шпоночное соединение вала
с муфтой, т.к. в этом месте диаметр вала минимальный.
При диаметре шейки вала d=60 мм
выбираем шпонку сечением b=18 мм, h=10 мм, глубина паза t1=7 мм. Принимаем
длину шпонки L=80 мм.
Проверяем выбранную шпонку на смятие
при допускаемом напряжении [s]см=110...120
МПа:
Условие sсм£[s]см выполнено.
При диаметре шейки вала d=80 мм
выбираем шпонку сечением b=22 мм, h=14 мм, глубина паза t1=9 мм. Принимаем
длину шпонки L=80 мм.
Условие sсм£[s]см выполнено.
. Выбор сорта масла
По таблице 10.8 устанавливаем
вязкость масла. При контактных напряжениях sН=368
МПа, скорость V=6,3 м/с, рекомендуемая вязкость масла должна быть равна 28×10-6м2/с. По
таблице 10.10 принимаем масло И-30А.
. Сборка редуктора
Перед сборкой внутреннюю полость
корпуса редуктора тщательно очищают и покрывают маслостойкой краской.
Сборку производят в соответствии со
сборочным чертежом редуктора, начиная с узлов валов:
на ведущий вал насаживают
мазеудерживающие кольца и шарикоподшипники, предварительно нагретые в масле до
80-1000С;
в ведомый вал закладывают шпонку и
напрессовывают зубчатое колесо до упора в бурт вала; затем надевают распорную
втулку, мазеудерживающие кольца и устанавливают шарикоподшипники,
предварительно нагретые в масле.
Собранные валы укладывают в
основание корпуса редуктора и надевают крышку корпуса, покрывая предварительно
поверхности стыка крышки и корпуса спиртовым лаком. Для центровки устанавливают
крышку на корпус с помощью двух конических штифтов; затягивают болты, крепящие
крышку к корпусу.
После этого на ведомый вал надевают
распорное кольцо, в подшипниковые камеры закладывают пластичную смазку, ставят
крышки подшипников с комплектом металлических прокладок для регулировки.
Перед постановкой сквозных крышек в
проточки закладывают манжетные уплотнения, пропитанные горячим маслом.
Далее на конец ведущего вала в
шпоночную канавку закладывают шпонку, устанавливают шкив и закрепляют ее
торцовым креплением.
Затем ввертывают пробку
маслоспускного отверстия с прокладкой и жезловый маслоуказатель.
Заливают в корпус масло и закрывают
смотровое отверстие крышкой с прокладкой из технического картона; закрепляют
крышку болтами.
Используемая литература
Курсовое
проектирование деталей машин: Учеб. пособие для учащихся машиностроительных
специальностей техникумов/ С.А. Чернавский, К.Н. Боков, И.М. Чернин и др.- М.:
Машиностроение, 1988.- 416 с.
Шейнблит
А.Е. Курсовое проектирование деталей машин: Учеб. пособие для техникумов. - М.:
Высш. шк., 1991. - 432 с.
Детали
машин: Атлас конструкций. В 2 ч. Ч. 1. - М.: Машиностроение, 1992.- 352 с.
Приложение
|
Формат
|
Зона
|
Поз.
|
Обозначение
|
Наименование
|
Кол.
|
Прим.
|
|
|
|
|
|
|
|
|
|
|
|
Документация
|
|
|
|
|
|
|
|
|
|
|
А1
|
|
|
440301.Б12.15.00.00.00СБ
|
Сборочный
чертеж
|
|
|
|
|
|
|
|
|
|
|
|
|
|
Сборочные
единицы
|
|
|
|
|
|
|
|
|
|
|
|
1
|
|
Маслоуказатель
|
1
|
|
|
|
|
|
|
|
|
|
|
|
440301.Б12.15.00.00.00СБ
|
Детали
|
|
|
|
|
|
|
|
|
|
|
|
2
|
|
Корпус
|
1
|
|
|
|
3
|
|
Крышка
|
1
|
|
|
|
4
|
|
Вал-шестерня
|
1
|
|
|
|
5
|
|
Колесо
зубчатое
|
1
|
|
|
|
6
|
|
Вал
ведомый
|
1
|
|
|
|
7
|
|
Крышка
подшипника
|
1
|
|
|
|
8
|
|
Крышка
подшипника
|
1
|
|
|
|
9
|
|
Крышка
подшипника
|
1
|
|
|
|
10
|
|
Крышка
подшипника
|
1
|
|
|
|
11
|
|
Прокладка
|
2
|
|
|
|
12
|
|
Прокладка
|
2
|
|
|
|
13
|
|
Кольцо
|
2
|
|
|
|
14
|
|
Кольцо
|
2
|
|
|
|
15
|
|
Втулка
|
1
|
|
|
|
16
|
|
Втулка
|
1
|
|
|
|
17
|
|
Втулка
|
1
|
|
|
|
18
|
|
Пробка
|
1
|
|
|
|
19
|
|
Крышка
люка
|
1
|
|
|
|
20
|
|
Прокладка
|
2
|
|
|
|
21
|
|
Прокладка
|
1
|
|
|
|
|
|
|
|
|
|
|
|
|
Стандартные
изделия
|
|
|
|
|
|
|
|
|
|
|
|
|
|
Болт
ГОСТ 7798-70
|
|
|
|
|
22
|
|
М8-6gх25.58
|
12
|
|
|
|
23
|
|
М8-6gх25.58
|
12
|
|
|
|
24
|
|
М12-6gх40.56
|
4
|
|
|
|
25
|
|
М16-6gх120.56
|
4
|
|
|
|
26
|
|
М16-6gх140.56
|
2
|
|
|
|
27
|
|
Винт
М5-6gх10.56 ГОСТ
|
4
|
|
|
|
|
|
Гайка
ГОСТ 5915-70
|
|
|
|
|
28
|
|
М12-7Н.5
|
2
|
|
|
|
29
|
|
М16-7Н.5
|
6
|
|
|
|
30
|
|
Штифт
ГОСТ 3129-70
|
4
|
|
|
|
|
|
Шайба
ГОСТ 6402-70
|
|
|
|
|
31
|
|
10.65Г
|
12
|
|
|
|
32
|
|
10.65Г
|
12
|
|
|
|
33
|
|
12.65Г
|
4
|
|
|
|
34
|
|
16.65Г
|
6
|
|
|
|
|
|
Шпонка
ГОСТ 23360-78
|
|
|
|
|
35
|
|
12х8х56
|
|
|
|
|
36
|
|
18х11х90
|
1
|
|
|
|
37
|
|
20х12х80
|
1
|
|
|
|
38
|
|
Манжета
45 ГОСТ 8752-79
|
1
|
|
|
|
39
|
|
Манжета
70 ГОСТ 8752-79
|
1
|
|
|
|
40
|
|
Подшипник209
ГОСТ 8338-75
|
|
|
|
|
41
|
|
Подшипник
213 ГОСТ 8338-75
|
|
|
|
|
|
|
|
|
|
|
|
|
|