Исследование метода неразрушающего определения теплопроводности защитного покрытия их ПВХ на стальном изделии
Министерство образования и
науки Российской Федерации
Федеральное государственное
бюджетное образовательное учреждение высшего образования
«ТАМБОВСКИЙ ГОСУДАРСТВЕННЫЙ
ТЕХНИЧЕСКИЙ УНИВЕРСИТЕТ»
Кафедра «Энергообеспечение
предприятий и теплотехника»
ПОЯСНИТЕЛЬНАЯ ЗАПИСКА
к бакалаврской работе
на тему: «Исследование метода неразрушающего определения теплопроводности защитного покрытия
их ПВХ на
стальном изделии»
Содержание
Перечень условных обозначений и аббревиатур
Введение
1. Обзор литературных источников по теме: «Методы и
средства неразрушающего теплофизического контроля полимерных покрытий на
металлических основаниях»
1.1 Классификация методов теплофизического контроля
1.2 Схема измерительной системы для определения
теплофизических свойств веществ
1.3 Полимерные покрытия различного назначения на
металлических изделиях
1.4 Выводы по главе 1
2. Теоретическое обоснование и аппаратурное оформление
неразрушающего теплового метода
2.1 Физическая модель метода
2.2 Математическая модель нестационарного теплопереноса
для двухслойной системы
2.3 Измерительная система, реализующая метод
неразрушающего контроля
2.4 Порядок осуществления измерительных операцій
2.5 Выводы по главе 2
3. Свойства материалов, применяемых для изготовления
двухслойных полимерно-металлических изделий
. Имитационное исследование метода неразрушающего контроля
Заключение
Список использованных источников
Перечень условных обозначений и аббревиатур
-- температуропроводность, м2/с;
c-- удельная теплоемкость, Дж/(кг×К);
h1-- толщина слоя покрытия, мм;
h2-- толщина металлической пластины, мм;
L1-- длина образца, мм;
L2-- ширина образца, мм;
Rн-- радиус нагревателя, мм;
Rиз-- радиус
подложки измерительного зонда, мм;
q-- тепловой поток, Вт/м2;
Q-- тепловая мощность, Вт;
-- температура, °С;
e--
тепловая активность, Вт×с0,5/(м2×К);
-- теплопроводность, Вт/(м×К);
r--
плотность материала, кг/(м3);
--
время, с; T-- температура, К;.
-- шаг измерения температуры, с;
ИC-- измерительная система;
ИЗ--
измерительный зонд;
Н--
нагреватель;
НК--
неразрушающий контроль;
ПВХ--
поливинилхлорид;
ТП--
термоэлектрический преобразователь;
ТФС--
теплофизические свойства;
ТМ--
тепловой метод;
У--
усилитель;
БП--
блок питания.
Введение
При разработке конструкций изделий, особенно в машиностроительной и
приборостроительной промышленности, одним из важнейших условий создания изделий
на уровне мировых стандартов является правильное решение вопросов защиты
конструкционных элементов и всего изделия из металла от коррозии. Часто важным
является декоративное оформление изделий с учетом последних требований
промышленной эстетики. С каждым годом увеличивается точность изготовления
отдельных деталей и узлов изделния, при этом большое значение приобретает
определение толщины покрытия как основного фактора, обеспечивающего надежность
работы и коррозионную стойкость изделия.
Совершенствование известных и создание новых методов и
средств контроля качества (толщины, теплопроводности, наличия дефектов и др.)
двухслойных изделий, состоящих из высокотеплопроводного основания и
низкотеплопроводного покрытия, востребованы и являются актуальными в связи с
большими объемами строительства бассейнов, спорткомплексов, различных зданий с
большими площадями перекрытий и высоким остеклением.
Тепловые методы неразрушающего контроля (НК) и диагностики
позволяют определять качество исследуемых материалов и готовых двухслойных изделий
по теплофизическим свойствам (ТФС), к числу которых относятся теплоемкость,
теплопроводность, температуро-проводность, тепловая активность [1 - 3].
В случае НК активными тепловыми методами искомое ТФС
проявляются через температурный отклик (термограмму) исследуемого объекта на
тепловое воздействие, которому он подвергается в специально организованном
эксперименте [1 - 5].
В настоящее время для обработки данных эксперимента при НК
ТФС материалов и двухслойных изделий с высокотеплопроводным основанием (металл)
и низкотеплопроводным покрытием (полимер) применяют в основном два подхода.
Во-первых предполагается получение и использование
эмпирических зависимостей на основе проведения большого числа экспериментов в
достаточно узком диапазоне контролируемых свойств и материалов. Достоинством
данного подхода является простота математического обеспечения измерительных
систем. Появляется возможность реализации приборов измерения дешевыми
техническими средствами. Существенный недостаток первого подхода - достаточную
точность можно обеспечить лишь для узкого класса материалов [1,5].
Во-вторых, предполагается использование аналитических
моделей, получаемых решением классических задач теплопроводности. Высокая
точность в широком диапазоне исследуемых свойств ─ неоспоримое
достоинство этих элементов. И все же это не позволяет учесть все индивидуальные
особенности конкретных процессов измерения, несмотря на относительно точное и
подробное математическое описание динамики тепловой системы. К тому же
расчетные и экспериментальные термограммы не совпадают на всем временном
интервале. Таким образом, методы второго подхода не дают возможности избежать
значительных погрешностей во всем диапазоне измерения [6, стр.7].
Тепловое воздействие и получение измерительной информации в
процессе эксперимента можно осуществлять лишь на ограниченном участке
поверхности исследуемого объекта, тем самым затрудняется проведение тепловых
методов неразрушающего контроля ТФС. Исходя из этого, разработка
физико-математических моделей, наиболее точно описывающих тепловые процессы в
объектах контроля. При создании новых методов неразрушающего контроля ТФС это
самая важная им сложная задача [6].
В пределах временного интервала изменения на термограмме
(зависимости температурного отклика от времени) имеются рабочие участки (или
один участок), для которых обеспечивается высокая точность совпадения с
результатами вычислительных экспериментов по аналити-ческим моделям, причем
этим участкам соответствуют тепловые режимы опыта, вышедшие на стадии регуляризации
[6].
Таким образом, исследование метода НК ТФС защитных покрытий
на металлических основаниях ─ актуальная задача.
Предметом исследования бакалаврской работы является тепловой
метод контроля качества двухслойных изделий, который позволяет получить объективную
и достоверную картину зависимостей температурных полей в двухслойном изделии с
покрытием из ПВХ.
Первая глава бакалаврской выпускной работы посвящена обзору
литературных и патентных источников по выбранной теме. В ней представлена
краткая классификация метода неразрушающего контроля качества, описано
назначение каждого метода, приведена информация по средствам теплового НК, и
дано краткое описание двухслойных материалов и полимерно-металлических изделий.
Вторая глава работы посвящена теоретическому обоснованию и
аппаратурному оформлению теплового метода НК. Представлена физическая модель
метода, математическая модель нестационарного теплопереноса для двухслойной
системы. Приведена схема измерительной системы, реализующей метод НК, а также
описан порядок измерительных операций.
В третьей главе работы приведены свойства материалов, которые
используются для изготовления двухслойных полимерно-металлических покрытий.
Четвертая глава посвящена имитационному исследованию
теплового метода НК. Представлены результаты имитационного исследования
процесса нестационарного теплопереноса для двухслойной системы.
Бакалаврская работа состоит из введения, четырех глав,
выводов по каждой главе и списка литературы (27 наименований).
1. Обзор литературных источников по теме: «Классификация
методов и приборов для определения теплофизических свойств»
.1 Классификация методов теплофизического контроля
неразрушающий контроль
защитный покрытие
Методы, предназначенные для определения теплофизических свойств веществ,
могут классифицироваться по следующим признакам: по измеряемому ТФС; в
зависимости от требований к форме и размерам образцов; в зависимости от
характера изменения значений температуры и тепловых потоков во времени; по
характеру изменения внешнего теплового воздействия во времени [1 - 5].
.1.1 Методы для ТФС по измеряемому теплофизическому свойству.
Для определения одной теплофизической величины, например [1]:
-
удельной теплоемкости;
-
объемной теплоемкости;
-
теплопроводности;
-
температуропроводности;
-
динамической вязкости;
-
коэффициента диффузии.
Для определения комплекса теплофизических свойств:
-
объемной теплоемкости, теплопроводности и температуропроводно-сти;
-
теплопроводности и вязкости;
-
температуропроводности и коэффициента диффузии.
Теплоемкость, теплопроводность и температуропроводность являются
важнейшими характеристиками веществ и материалов, так как входят в качестве
коэффициентов во все уравнения аналитической теории теплопроводности.
Количественные расчеты тепловых и температурных полей реальных тел возможны
только тогда, когда известны конкретные значения теплоемкости, теплопроводности
и температуропроводности материала эти тел [2].
Необходимым условием распространения тепла является наличие
температурного градиента. Опыт показывает, что передача тепла теплопроводностью
происходит по нормали к изотермической поверхности от мест с большей
температурой к местам с меньшей температурой [3].
Основной закон теплопроводности: плотность теплового потока прямо
пропорциональна напряженности температурного поля, или плотность теплового
потока прямо пропорциональна градиенту температуры [3].
Температуропроводность - это физическое свойство вещества, от которого
зависит скорость изменения температуры в нестационарных процессах [3].
.1.2 Теплофизические методы и приборы различаются в зависимости от
требований к форме и размерам образцов [1,3,5,6].
Методы:
) работающие с одномерными образцами и простой формы, например, в виде:
-
неограниченной пластины;
-
неограниченного цилиндра;
-
шарового слоя;
2) работающие с двухмерными образцами простой формы, например, в виде:
-
неограниченного бруса;
-
полупространства;
-
цилиндра ограниченной длины и т.п.;
) работающие с трехмерными образцами, например, в виде:
-
параллелепипеда;
-
цилиндра ограниченной длины, обогреваемого неравномерно распределенным внешним
тепловым потоком и т.п.
1.1.3 Методы определения теплофизических свойств
классифицируют в зависимости от характера изменения во времени температуры и
тепловых потоков [1].
Различают:
1. Стационарные методы и средства, предназначенные для измерения
теплофизических свойств веществ после завершения всех тепловых переходных
процессов в исследуемом образце, т.е. в условиях T = const, 
и
q = const, 
[4].
Стационарный метод применяется для контроля теплофизических свойств
изделий с анизотропией теплопроводности, контроля пористости, излучательной
способности объектов.
Контролируемые параметры: теплопроводность, теплоемкость, коэффициент
излучения, излучательная способность. Данный метод не может применяться при
недопустимой температуре нагрева объекта, временной и пространственной
нестабильности излучения объекта [4].
. Нестационарные методы и средства, предназначенные для измерения
теплофизических свойств материалов и изделий в ходе теплового переходного
процесса, когда T ≠ const, 
и/или
q ≠
const, 
[4].
Нестационарный метод применяется для контроля теплофизических свойств
материалов с большой теплопроводностью, динамики нагрева (охлаждения) объектов,
контроля дефектов типа нарушения сплошности в сотовых и композитных материалах,
полимерах, контроля тепловых деформаций.
Контролируемые параметры: теплопроводность, тепловая постоянная
времени, размер дефектов, температурная деформация [4].
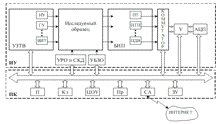
1.2 Схема измерительной системы для определения теплофизических свойств
веществ
В основу всех современных теплофизических методов и приборов
положено то, что искомое теплофизическое свойство находится через температурный
отклик рассматриваемого образца на внешнее тепловое воздействие, которому подвергают
этот образец в ходе специально организованного эксперимента.
Устройство задания тепловых воздействий (УЗТВ) позволяет
создавать в образце необходимые начальные условия (НУ) за счет управления
граничными условиями (ГУ) и внутренними источниками тепла (ВИТ), а затем в ходе
эксперимента изменять значения ГУ и ВИТ по закону, заданному программным
обеспечением персонального компьютера (ПК). Устройство УРО и СКД служит для
размещения образца и для создания контактного давления на внешних поверхностях
образца, что позволяет снизить контактные тепловые сопротивления на граничных
поверхностях образца [4].
Блок измерительных преобразователей (БИП) включает в себя
преобразователи температуры (ПТ), преобразователи теплового потока (ПТП),
преобразователи других величин (ПДВ), например, устройства для измерения
электрической мощности, тока, напряжения и т.п. Коммутатор обеспечивает
возможность подключения выходного сигнала любого из измерительных
преобразователей ко входу усилителя (У), коэффициент передачи которого задается
персональным компьютером ПК. Выходной сигнал усилителя преобразуется
аналого-цифровым преобразователем (АЦП) в цифровой сигнал, воспринимаемый
персональным компьютером ПК. Устройство боковой защиты образца (УБЗО) позволяет
создать необходимые тепловые условия на боковых поверхностях исследуемого
образца, например, адиабатические условия, позволяющие исключить теплообмен
боковых поверхностей образца с окружающей средой.
Персональный компьютер (ПК) обеспечивает управление ходом
эксперимента как во время его подготовки, так и во время активной стадии
проведения эксперимента. Системный адаптер (СА) позволяет проводить
теплофизический эксперимент в режиме удаленного доступа через Интернет [3].
Рисунок 1.1 - Схема компьютерного устройства измерительной
системы для определения ТФС веществ. Обозначения блоков представлены в тексте
На схеме (рисунок 1.1) представлены следующие обозначения:
ИУ - измерительное устройство; УЗТВ - устройство задания
тепловых воздействий на образец, обеспечивающее управление начальными условиями
(НУ), граничными условиями (ГУ) и внутренними источниками тепла (ВИТ); БИП -
блок измерительных преобразователей, включающий в себя преобразователи
температуры (ПТ), преобразователи теплового потока (ПТП), преобразователи
других величин (ПДВ); У - усилитель; АЦП - аналого-цифровой преобразователь;
УРО и СКД - устройство для размещения образца и создания контактного давления;
УБЗО - устройство боковой защиты образца от теплообмена с окружающей средой; ПК
- персональный компьютер, включаю-щий в себя: П - процессор; Кл - клавиатуру;
ЦОУ - цифровое отсчетное устройство; Пр - принтер; СА - системный адаптер; ЗУ -
запоминающее устройство.
1.3 Полимерные покрытия различного назначения на
металлических изделиях
Лакокрасочные покрытия являются наиболее доступным и
эффективным способом защиты металлических изделий от коррозии. Выгодно
отличаясь от других видов защитных покрытий своей дешевизной, простотой
нанесения и надежностью, лакокрасочные покрытия нашли широкое применение в
промышленности и других отраслях народного хозяйства. В настоящее время более
80 % всех металлических изделий защищают от коррозии лакокрасочными покрытиями
[10].
Для получения лакокрасочного покрытия, обладающего
одновременно надежными защитными свойствами и хорошим внешний видом, применяют
способ многослойного нанесения лакокрасочных материалов. Подбирая лакокрасочные
материалы с хорошей адгезней (сцеплением), используя в системах одновременно
защитные свойства одного материала и декоративные качества другого, можно
получить многослойные комбинированные системы лакокрасочных покрытий,
превышающие по стойкости металлические, химические и другие виды защитных
покрытий.
Главной составной частью всего лакокрасочного покрытия является пленкообразующее вещество.
Защитные свойства лакокрасочного покрытия обусловлены тем, что на поверхности
защищаемого материала образуется сплошная пленка, которая, изолируя поверхность
от материала окружающей среды, препятствует проникновению к ней агрессивных агентов
и тем самым предохраняет материал от разрушения [10, стр.5].
В последние годы распространяются покрытия на основе
полимерных материалов (полиэтилена, поливинилхлорида, полиамида, нейлона,
капрона и др.). Полимерные покрытия имеют ряд преимуществ перед лакокрасочными:
они более долговечны, обладают механической и химической стойкостью, дают
возможность обойтись без применения органических растворителей и
позволяют сократить технологический цикл окрашивания заменой
многослойных покрытий однослойными необходимой толщины. Но они значительно
дороже последних, поэтому пока имеют ограниченное применение [15].
Отработанная и применявшаяся ранее технология нанесения антикоррозионной
защиты на мостовые конструкции включала два этапа. На первом этапе на заводах-изготовителях
мостовых металлоконструкций производилась подготовка поверхности и нанесение
грунтовочного слоя. Затем загрунтованные металлоконструкции доставлялись
заказчику. Второй этап нанесения антикоррозионной защиты включал нанесение
промежуточного и финишного слоев уже в условиях строительной площадки. При этом
промежуток времени между нанесением грунтовки на заводах-изготовителях и
нанесением остальных слоев краски мог составлять от нескольких дней до
нескольких лет.
В последние годы в отрасли мостостроения появилась мода или
скорее тенденция на нанесение полной схемы антикоррозионной защиты
металлических мостовых конструкций на заводах-изготовителях этих конструкций.
Как показала практика, при транспортировке металлических конструкций с
завода-изготовителя до строительной площадки и при монтаже этих конструкций
площадь разрушения лакокрасочных покрытий на изделиях достигает 10 - 25
процентов от общей площади лакокрасочного покрытия. Кроме того, что
восстановление всех слоев покрытия представляется сложной и дорогой операцией с
точки зрения технологии производства работ, в том числе и восстановление
внешнего вида, ибо одно дело восстановить самый дешевый слой - грунтовку,
нанесенную на заводе, и другое дело восстанавливать все слои лакокрасочного покрытия,
из которых промежуточный и покрывной слои гораздо дороже грунтовочного слоя.
Следует также отметить, что внеклассные мосты, для которых
изготавливаются металлоконструкции, строятся много лет, иногда десять и более,
а срок службы системы антикоррозионной защиты (лакокрасочного покрытия)
исчисляется с момента нанесения финишного слоя, поэтому в случае нанесения
полной схемы лакокрасочного покрытия на заводе-изготовителе конструкций, срок
службы лакокрасочного покрытия начинается с момента нанесения этого покрытия на
заводе. При этом, с момента нанесения на заводе лакокрасочного покрытия до
ввода в эксплуатацию мостового сооружения может пройти 3 - 5 лет и,
следова-тельно, срок службы покрытия с момента ввода моста в эксплуатацию
сокращается на эти 3 - 5 лет.
В случае, когда последний финишный слой лакокрасочного покрытия наносится
на строительной площадке в год сдачи моста в эксплуатацию, срок службы покрытия
начинает исчисляться с этого времени и будет на те же 3 - 5 лет дольше, чем в
случае нанесения лакокрасочного покрытия по полной схеме на заводе изготовителе
металлоконструкций моста.
При восстановлении разрушенных трех слоев покрытия на границе разрушения
получится покрытие толщиной 4, 5 или 6 слоев вместо трех слоев по проекту ввиду
нахлеста краски на разрушенное покрытие и в этих местах срок службы
лакокрасочного покрытия будет меньше, чем в местах с 3 слоями покрытия,
предусмотренных проектом [19].
Выводы по главе 1
. Тепловые методы неразрушающего контроля качества изделий и
материалов занимают особое место среди всех видов НК.
. Особый интерес представляет тепловой метод контроля
качества, основанный на определении ТФС материалов на начальной стадии
нестационарного теплообмена.
. Преимущественное распространение получили тепловые методы,
в которых поверхностный источник тепла постоянной мощности воздействует на
испытуемый образец на ограниченной области.
. Двухслойные и полимерно-металлические изделия находят
широкое применение в промышленности и машиностроении из-за своих
физико-химических характеристик.
2. Теоретическое обоснование и аппаратурное оформление
неразрушающего теплового метода
.1 Физическая модель метода
Рассмотрим следующую задачу.
На металлической пластине с низкотеплопроводным покрытием
толщиной h1 расположен измерительный зонд, включающий в себя плоский круглый
нагреватель, теплоизолирующую подложку и термоприёмники (рисунок 2.1).
Рисунок 2.1 - Измерительная схема.
Исследуемое тело представляет собой конструкцию, состоящую из
двух слоев: первый - низкотеплопроводный с теплофизическими свойствами λ1, с1, ρ1; второй -
высокотеплопроводный с теплофизическими свойствами λ2, с2, ρ2. Толщина первого слоя - h1,
второго - h2. Температура в точках контроля измеряется с помощью
термоприёмников (ТП1, ТП2) [5].
Тепловое воздействие на систему с равномерным начальным
температурным распределением осуществляется с помощью нагревателя постоянной
мощности, выполненного в виде тонкого диска радиусом RН, встроенного в подложку
измерительного зонда радиусом RИЗ [9].
Размеры подложки измерительного зонда и металлической
пластины (L1 , L2 , h2) подобраны так, что их можно
считать полуограниченными. Для упрощения тепловой схемы и расчётов пренебрегаем
теплоёмкостью и оттоками тепла по проводам теплоприёмников.
Тепловая схема многослойной системы, включающей в себя
теплоизолирующий слой (подложка измерительного зонда), нагреватель,
низкотеплопроводное покрытие толщиной h1 и металлическое основание,
представлена на рисунке 2.2.
Рисунок 2.2 - Тепловая схема многослойной системы
.2 Математическая модель нестационарного теплопереноса для
двухслойной системы
Применение в методах неразрушающего контроля теплофизических
свойств материалов теплового воздействия постоянной мощности от круглого
плоского нагревателя в виде диска, встроенного в подложку измерительного зонда,
достаточно обосновано и полно представлено в работах [5, 6, 9].
С целью повышения точности определения теплофизических
свойств при неразрушающем контроле двухслойных материалов в данной работе
рассматривается система, состоящая из ограниченного и двух полуограниченных тел
(рисунок 2.3).
Для решения задач, связанных с нахождением температурного
поля, необходимо иметь дифференциальное уравнение теплопроводности. Под
дифференциальным уравнением обычно понимают математическую зависимость,
выражаемую дифференциальным уравнением между физическими величинами,
характеризующими изучаемое явление, причем эти физические величины являются
функциями пространства и времени. Такое уравнение характеризует протекание
физического явления в любой точке тела в любой момент времени [3].
Дифференциальное уравнение теплопроводности дает зависимость
между температурой, временем и координатами элементарного объема [3].
Теоретическое обоснование теплового метода неразрушающего
контроля двухслойных изделий, сформулированное в работе [21], распространяется
на полуограниченные тела и не учитывает оттоки тепла в материал подложки
измерительного зонда. Полученное в работе [21] решение краевой задачи
теплопроводности не позволяет с достаточной точностью определять
теплофизические свойства слоев двухслойных объектов.
Ограниченный стержень толщиной h1 приведен в соприкосновение
с двумя полуограниченными стержнями. Теплофизические свойства стержней
различны. В начальный момент времени на свободном конце ограниченного стержня
начинает действовать источник тепла постоянной мощности q, который действует на
протяжении всего процесса нагрева.
Рисунок 2.3 - Тепловая схема метода при воздействии плоского
бесконечного источника тепла на двухслойное изделие
Требуется найти распределение температуры по длине стержней в
любой момент времени. Можно сформулировать краевую задачу теплопроводности следующим
образом:
(2.1)
(2.2)
(2.3)
(2.4)
(2.5)
(2.6)
(2.7)
После
ряда преобразований и упрощений при больших
:
(2.8)
Решение (2.8) представляет собой линейную зависимость и может быть
применено при регуляризации теплового процесса в определенной области тела:
(2.9)

(2.10,
2.11)
Полученное решение (2.8) в форме, пригодной для использования на рабочем участке термограммы
(при регуляризации тепловых потоков), было использовано для получения
математических выражений для расчета толщины защитных покрытий на металлических
основаниях.
Так как первый слой объекта (рисунок 2.3) низкотеплопроводный, а второй
- высокотеплопроводный, т.е.
,
тогда
. Следовательно,
и
. (2.12, 2.13)
Данное решение возможно использовать для нахождения ТФС
первого тела, если известна толщина h1 и ТФС подложки зонда (εп) или для нахождения толщины
первого тела при известных ТФС.
2.3 Измерительная система, реализующая метод неразрушающего
контроля
В основе принципа действия данного прибора использованы
закономерности регулярного теплового режима [20].
Измерительная система (ИС) состоит из персонального
компьютера (ПК), измерительно-управляющей платы, усилителя сигналов (У),
измерительного зонда (ИЗ), регулируемого блока питания (БП). ИЗ обеспечивает
создание теплового воздействия на исследуемый объект с помощью нагревателя (Н)
[5, 9].
Фиксирование температуры в заданной точке контроля
осуществляется термоэлектрическим преобразователем (ТП).
При измерениях ИЗ устанавливают контактной стороной на
поверхность исследуемого объекта.
Схема ИЗ представлена на рисунке 2.4.
Мощность и длительность теплового воздействия встроенного в
подложку ИЗ нагревателя (Н) задаются программно. Регулирующий сигнал поступает
на вход операционного усилителя (ОУ), включенного по неинвертирующей схеме.
Сигнал с выхода ОУ подается на базу силового транзистора. ОУ поддерживает на
выходе блока питания напряжение, равное напряжению регулирующего сигнала.
Распределение температуры на поверхности исследуемого объекта
контролируется ТП.
Сигнал с термического преобразователя поступает на вход
измерительно-управляющего устройства E14-140-MD, при этом сигнал предварительно
проходит через усилитель ZET 410 (У).
Устройство E14-140-MD содержит следующие основные блоки:
. ARM-контроллер (тип AT91SAM7S256) осуществляет не только
управление E14-140-MD, но и поддерживает интерфейсы USB.
. Коммутатор (К) предназначен для коммутации сигналов c
аналоговых входов.
. АЦП LTC1416 - 14-ти битный АЦП последовательного
приближения. Буфер АЦП, хранящий один 14 битный отсчет АЦП в формате 8 + 8 бит
с расширенным знаком дополнительного кода.
. Двухканальный ЦАП (16 бит) работает не только в
асинхронном, но и в синхронном режиме (до 200 кГц), имеет большой рабочий
выходной ток и нормированные характеристики при воспроизведении переменного
напряжения.
ИЗ с круглым плоским нагревателем (рисунок 2.4). Зонд состоит
из двух основных узлов: из ячейки 1 и корпуса 2. Ячейка, в свою очередь,
состоит из основания 3, разъема 9. С контактной стороны ячейки на поверхности
теплоизолятора 4 размещены микротермопары 6, сваренных встык. Нагреватель 5
изготовлен в виде диска. Разъем 9 предназначен для коммутации сенсора с
измерительно-управляющей платой E14-140-MD. Между ячейкой и крышкой 10 корпуса
расположена пружина 8, которая обеспечивает одинаковое усилие прижима ячейки к
поверхности исследуемого изделия, что обуславливает равенство контактных
тепловых сопротивлений при каждом измерении. После выравнивания температуры
исследуемого изделия и подложки зонда, через нагреватель в течение заданного
времени протекает ток, что обеспечивает нагрев исследуемого изделия.
ИС реализует алгоритмы управления режимами эксперимента с
целью контроля температурных характеристик.
ИС реализует алгоритмы управления режимами эксперимента с
целью контроля температурных характеристик, алгоритмы определения значений
температуры плавления и кристаллизации различных материалов, например, животных
жиров [23].
Рисунок 2.4 - Структурная схема измерительной системы
ИС позволяет неразрушающим способом определять температурные
точки плавления жиров, что может служить признаком для решения вопроса о
происхождении мяса, так как по точке плавления жира можно легко отличить конину
от говядины или свинину от мяса собаки.
Разностные ЭДС, полученные на зажимах микротермопар 6,
поступают в усилитель ZET 410, а уже усиленные сигналы - на вход измерительно
управляющей платы.
.4 Порядок осуществления измерительных операций
При практическом использовании рассматриваемого метода
измерительные операции осуществляют в следующем порядке:
. Калибровка ИС.
. ИЗ устанавливают контактной стороной на поверхность
исследуемого двухслойного объекта. Для уменьшения влияния контактных
термических сопротивлений необходимо обеспечить постоянную силу прижатия ИЗ к
объекту исследования.
. Систему необходимо какое-то время выдержать при одинаковой
температуре для выравнивания температуры исследуемого объекта и измерительного
зонда.
. В момент времени, соответствующий началу активной стадии
эксперимента, на нагреватель подают постоянную электрическую мощность, что
позволяет с достаточной точностью задать постоянную во времени величину
теплового потока q = const.
. На протяжении всей активной стадии эксперимента выполняют
измерения во времени значений температуры в точках контроля (центре нагревателя
и на расстоянии l от центра) и значений электрической мощности. Разностные ЭДС,
полученные на термопарах, усиливаются усилителем. Полученные сигналы
преобразуются в аналого-цифровом преобразователе и поступают на персональный
компьютер для обработки информации в соответствии с математической моделью
метода.
. Выделяют рабочий участок и определяют его
продолжительность. Рабочий участок термограммы характеризуется регуляризацией
тепловых потоков (тепловые потоки, проходящие через точки контроля, становятся
практически постоянным). Этот участок термограммы будет описываться уравнением
прямой.
. После завершения активной части эксперимента выключают
нагреватель и производят обработку полученных данных.
. Производят вычисление коэффициентов модели, описывающей
термограммы на рабочих участках.
. Определяют теплофизические свойства покрытия или h1 по
соотношениям, полученным в результате анализа математической модели объекта
исследования.
. Производят обработку экспериментальных термограмм а) Т1=f(τ), б) Т2=f(τ).
11. Делают заключение о показателях качества (наличии или
отсутствии дефекта) в исследуемом объекте.
2.5 Выводы по главе 2
Для повышения точности определения тепопроводности при НК определения двухслойных материалов исследуется
система, состоящая из ограниченного и двух полуограниченных тел.
Для эксперимента была выбрана измерительная схема метода НК определения металлических изделий с ПВХ
покрытием. Данная измерительная система реализует алгоритмы управления режимами
эксперимента с целью контроля температурных характеристик полимера,
выполненного из ПВХ. Выбран для использования круглый плоский источник тепла
постоянной мощности, встроенный в измерительный зонд.
3. Свойства материалов, применяемых для изготовления
двухслойных полимерно-металлических изделий
Свойства поливинилхлорида.
Поливинилхлорид (ПВХ) относится к термопластичным
синтетическим материалам. В зависимости от условий полимеризации образуются
продукты различной степени полимеризации с различными физико-химическими
свойствами.
Материалы на основе ПВХ вырабатываются двух видов:
с ПВХ совмещается со многими пластификаторами (например
фталатами, себацинатами, фосфатами), стоек к окислению и практически не горюч.
Поливинилхлорид обладает невысокой теплостойкостью, при нагревании выше 100 ºС заметно разлагается с
выделением HCL. Для повышения теплостойкости и улучшения растворимости ПВХ
подвергают хлорированию.
Поливинилхлорид является достаточно недорогим в экономическом
отношении термопластом, пригодным для широкого применения. Для того чтобы
сделать поливинилхлорид пригодным для переработки, обычно добавляют различные целевые
применением пластификатора (пластифицированный ПВХ);
без применения пластификатора (не пластифицированный ПВХ).
По внешнему виду товарный ПВХ представляет собой порошок
белого цвета, без вкуса и запаха. ПВХ достаточно прочен, обладает хорошими
диэлектрическими свойствами.
ПВХ не растворим в воде, устойчив к действию кислот, щелочей,
спиртов, минеральных масел, набухает и растворяется в эфирах, кетонах,
хлорированных и ароматических углеводородахдобавки (стабилизаторы, смазки,
пигменты, модификаторы и т.п.)
Для получения защитных лакокрасочных покрытий используют
порошкообразный поливинилхлорид и дисперсии поливинилхлорида в пластификаторе
(пластизоли) или смеси пластификатора с органическими растворителями
(органозоли). Растворителями служат уайт-спирит, ксилол, толуол, ацетон,
бутилацетат [18].
Основное различие поливинилхлорида различных марок состоит в
величине средней молекулярной массы, которая характеризуется величиной К -
константой Фикентчера.
Наиболее распространенный поливинилхлорид, полученный
методами суспензионной или эмульсионной полимеризации, имеет молекулярную массу
в пределах 5·104-10·104 (n=800-1600). Он отличается высокой химической
стойкостью, устойчив к окислению и практически не горюч, что предопределяет
широкое применение в различных областях промышленности [19].
Известный поливинилхлорид имеет константу Фикентчера K=63-65, содержание влаги и летучих
веществ 0,4-0,5% по масcе, насыпную плотность 600-700 кг/м3 [32].
Суспензионный поливинилхлорид получают в водной среде в виде
суспензии с размером частиц 75-150 мкм. Растворимость поливинилхлорида в
органических растворителях при обычной температуре очень ограничена.
4. Имитационное исследование метода неразрушающего контроля
Важнейшим этапом моделирования тепловых процессов является
исследование математической модели. От полноты этого исследования во многом
зависит эффективность применения математической модели к изучению явления, и,
вообще говоря, ее практический смысл.
Создание задачи
Произведем имитационное исследование с помощью пакета
программ Еlcut Student [6].
Программный пакет Elcut - это компьютерная программа для
проведения инженерного анализа и двумерного моделирования методом конечных
элементов. Компьютерное моделирование и численный анализ в промышленности
позволяет избежать дорогостоящих и длительных натурных испытаний, ускоряет,
дополняет и иллюстрирует процесс проектирования и разработки, способствует
развитию инженерной интуиции. Еlcut может выполнять линейный и нелинейный
стационарный тепловой анализ в плоской и осесимметричной постановке.
Формулировка задачи основывается на стационарном уравнении теплопроводности с
граничными условиями радиационного и конвективного теплообмена.
Для создания задачи и дальнейших расчетов будем
руководствоваться следующей последовательностью действий.
Создаем новую задачу (рисунок 4.1).
В диалоговом окне выбираем тип задачи - теплопередача нестационар-ная,
класс модели - осесимметричная, расчет - обычный, система координат -
декартовая, единицы длины - миллиметры.
Задаем временные параметры решения задачи (рисунок 4.2).
Рисунок 4.1 - Создание задачи.
Рисунок 4.2 - Временные параметры.
Задаем в диалоговом окне интегрирование по времени до 600 с,
шаг интегрирования 10 с, вывод решения в файл - каждые 10 с.
Открываем окно основной программы в двухмерном пространстве.
Мы видим рабочую область с координатными осями и кнопками для рисования
геометрии (рисунок 4.3). Также в верхней части экрана есть стандартные кнопки
для выполнения операций с файлом и буфером обмена; и кнопки управляющие
параметрами решения задачи.
Приступим к заданию геометрии задачи, с помощью команд
(рисования) в открывшемся поле.
Выстраиваем геометрию задачи, исходя из размеров объектов
исследования и подложки и нагревателя ИЗ, в дальнейшем планируемых
использоваться в проведении эксперимента. Следует отметить, что модель задается
симметричной относительно горизонтальной оси (рисунок 4.4.)
Рисунок 4.3 - Рабочая область создания геометрии.
Рисунок 4.4 - Построение геометрии задачи.
Размер подложки ИЗ: высота 20 мм, радиус 25 мм. Размеры
объекта: толщина полимера 1 мм, толщина металлического основания 10 мм.
Нагреватель радиусом 10 мм, высотой 1 мм.
Исходя из выстроенных блоков в модели, создаем каждому блоку
задачи свою метку (рисунок 4.5: полимер, нагреватель, подложка зонда, сталь
40).
Рисунок 4.5 - Задатчик метки блоков.
Таблица 4.1 - Теплофизические свойства объектов
|
Метка блока
|
Теплопроводность λ, Вт/(м∙К)
|
Теплоемкость c,
Дж/(кг∙К)
|
Плотность ρ, кг/м3
|
|
1. Полимер
|
0,12
|
1260
|
125
|
|
2. Нагреватель
|
400
|
385
|
8890
|
|
3 Подложка зонда
|
0,028
|
1270
|
50
|
|
4. Сталь 40
|
47
|
462
|
7800
|
Задаем теплофизические свойства каждой метки блока (табл.
4.1, рисунки 4.6 - 4.9).
Выбираем свойства метки блока - полимер (рисунок 4.6).
Выбираем свойства метки блока - нагреватель (рисунок 4.7).
Рисунок 4.6 - Задание свойств метки блока «полимер».
Рисунок 4.7 - Задание свойств метки блока «нагреватель».
Выбираем свойства метки блока - подложка зонда (рисунок 4.8).
Выбираем свойства метки блока - сталь 40 (рисунок 4.9).
Рисунок 4.8 - Задание свойств метки блока «подложка зонда».
Рисунок 4.9 - Задание свойств метки блока «сталь 40».
Переходим к заданию граничных условий. Открываем вкладку
«метки ребер» и задаем параметры граничных условий на каждой метке ребра:
внешние, идеальный тепловой контакт, нагреватель, ось симметрии (рисунки 4.10 -
4.16).
Рисунок 4.10 - Создание меток ребёр.
Выбираем свойства метки ребра - внешние (рисунок 4.11).
Выбираем свойства метки ребра - идеальный тепловой контакт
(рисунок 4.12).
Рисунок 4.11 - Свойства метки ребра «внешние».
Рисунок 4.12 - Свойства метки ребра «идеальный тепловой
контакт».
Выбираем свойства метки ребра - нагреватель (рисунок 4.13).
Рисунок 4.13 - Свойства метки ребра «нагреватель».
Рисунок 4.14 - Свойства метки ребра «ось симметрии»
Выбираем свойства метки ребра - ось симметрии (рисунок 4.14.)
После задания всех свойств и граничных условий производим
построение сетки конечных элементов, распределение узлов которой представлено
на рисунке 4.15.
Рисунок 4.15 - Распределение сетки конечных элементов.
Далее нажимаем кнопку «Решить». После работы решателя, в
главном окне будет выведено распределение температуры по толщине объекта для
момента времени 600 секунд. Для большей наглядности протекания процесса выведем
несколько изображений (рисунок 4.16 а, б).
Рисунок 4.16 а - Распределение сетки конечных элементов (при

с).
Изображение сетки конечных элементов (рисунок 4.16 а).
Рисунок 4.16 а - Распределение сетки конечных элементов (при

с).
Рисунок 4.17 б - Отображение тепловых векторов и изотерм.
Выведем температурные поля в разный момент времени: τ1=50с; τ2=100с; τ3=200с; τ4=300с; τ5=400с; τ6=500с; τ7=600с. (рисунок 4.17)
а)
б)
в)
г)
д)
е)
ё)
Таблица
4.2 ‒ Значения 
в
сечениях с координатой 
на
момент времени 
.
|
 , сx=0.01x=0.2x=0.6x=1x=1.4x=1.7x=1.9x=1.99
|
|
|
|
|
|
|
|
|
|
1
|
2
|
3
|
4
|
5
|
6
|
7
|
8
|
9
|
|
0
|
0
|
0
|
0
|
0
|
0
|
0
|
0
|
0
|
|
10
|
6,62
|
5,98
|
4,66
|
3,34
|
2,02
|
1,04
|
0,38
|
0,09
|
|
20
|
11,90
|
10,80
|
8,42
|
6,05
|
1,90
|
0,72
|
0,20
|
|
30
|
16,23
|
14,69
|
11,47
|
8,25
|
5,03
|
2,62
|
1,01
|
0,29
|
|
40
|
19,72
|
17,86
|
13,95
|
10,04
|
6,14
|
3,20
|
1,25
|
0,38
|
|
50
|
22,57
|
20,44
|
15,97
|
11,58
|
7,04
|
3,69
|
1,46
|
0,46
|
|
60
|
24,89
|
22,55
|
17,63
|
12,70
|
7,78
|
4,09
|
1,63
|
0,53
|
|
70
|
26,79
|
24,27
|
18,98
|
13,69
|
8,40
|
4,43
|
1,78
|
0,59
|
|
80
|
28,35
|
25,68
|
20,09
|
14,50
|
8,90
|
4,71
|
1,91
|
0,65
|
|
90
|
29,63
|
26,85
|
21,01
|
15,16
|
9,32
|
4,94
|
2,02
|
0,71
|
|
100
|
30,68
|
27,81
|
21,76
|
15,72
|
9,67
|
5,14
|
2,12
|
0,76
|
|
110
|
31,55
|
28,60
|
22,39
|
16,18
|
10,00
|
5,31
|
2,20
|
0,80
|
|
120
|
32,27
|
29,25
|
22,91
|
16,56
|
10,21
|
5,45
|
2,28
|
0,85
|
|
130
|
32,87
|
29,80
|
23,34
|
16,88
|
10,41
|
5,57
|
2,34
|
0,89
|
|
140
|
33,37
|
30,25
|
23,70
|
17,15
|
10,59
|
5,68
|
2,40
|
0,93
|
|
150
|
33,79
|
30,64
|
24,01
|
17,38
|
10,74
|
5,77
|
2,46
|
0,97
|
|
160
|
34,14
|
30,96
|
24,26
|
17,57
|
10,87
|
5,85
|
2,51
|
1,01
|
|
170
|
34,43
|
31,23
|
24,48
|
17,74
|
10,99
|
5,93
|
2,56
|
1,04
|
|
180
|
34,68
|
31,45
|
24,67
|
17,88
|
11,09
|
6,00
|
2,60
|
1,08
|
|
190
|
34,89
|
31,65
|
24,83
|
18,00
|
11,18
|
6,06
|
2,65
|
1,11
|
|
200
|
35,08
|
31,82
|
24,96
|
18,11
|
11,23
|
6,12
|
2,69
|
1,15
|
|
210
|
35,23
|
31,96
|
25,09
|
18,21
|
11,34
|
6,17
|
2,73
|
1,18
|
|
220
|
35,37
|
32,09
|
25,19
|
18,29
|
11,40
|
6,22
|
2,77
|
1,21
|
|
230
|
35,49
|
32,20
|
25,29
|
18,37
|
11,45
|
6,26
|
2,80
|
1,25
|
|
240
|
35,60
|
32,30
|
25,37
|
18,44
|
11,50
|
6,31
|
2,84
|
1,28
|
|
250
|
35,69
|
32,39
|
25,45
|
18,50
|
11,55
|
6,35
|
2,87
|
1,31
|
|
260
|
35,77
|
32,47
|
25,52
|
18,56
|
11,56
|
6,39
|
2,91
|
1,35
|
|
270
|
35,85
|
32,54
|
25,58
|
18,61
|
11,68
|
6,43
|
2,95
|
1,38
|
|
280
|
35,92
|
32,61
|
25,64
|
18,67
|
11,73
|
6,47
|
2,98
|
1,41
|
|
290
|
35,99
|
32,67
|
25,69
|
18,71
|
11,78
|
6,50
|
3,01
|
1,44
|
|
300
|
36,05
|
32,73
|
25,74
|
18,76
|
11,82
|
6,54
|
3,05
|
1,48
|
|
1
|
2
|
3
|
4
|
5
|
6
|
7
|
8
|
9
|
|
310
|
36,10
|
32,78
|
25,79
|
18,81
|
11,84
|
6,58
|
3,08
|
1,51
|
|
320
|
36,16
|
32,83
|
25,84
|
18,85
|
11,86
|
6,61
|
3,11
|
1,54
|
|
330
|
36,21
|
32,88
|
25,89
|
18,89
|
11,87
|
6,65
|
3,15
|
1,58
|
|
340
|
36,25
|
32,93
|
25,93
|
18,93
|
11,92
|
6,68
|
3,18
|
1,61
|
|
350
|
36,30
|
32,97
|
25,97
|
18,97
|
11,95
|
6,71
|
3,21
|
1,64
|
|
360
|
36,35
|
33,02
|
26,01
|
19,01
|
12,00
|
6,75
|
3,25
|
1,67
|
|
370
|
36,39
|
33,06
|
26,05
|
19,05
|
12,04
|
6,78
|
3,28
|
1,70
|
|
380
|
36,43
|
33,10
|
26,09
|
19,08
|
12,07
|
6,82
|
3,31
|
1,73
|
|
390
|
36,47
|
33,14
|
26,13
|
19,12
|
12,11
|
6,85
|
3,34
|
1,77
|
|
400
|
36,51
|
33,18
|
26,17
|
19,16
|
6,88
|
3,38
|
1,80
|
|
410
|
36,56
|
33,22
|
26,21
|
19,19
|
12,18
|
6,92
|
3,41
|
1,83
|
|
420
|
36,59
|
33,26
|
26,24
|
19,23
|
12,20
|
6,95
|
3,44
|
1,86
|
|
430
|
36,63
|
33,30
|
26,28
|
19,26
|
12,24
|
6,98
|
3,47
|
1,90
|
|
440
|
36,67
|
33,34
|
26,32
|
19,30
|
12,28
|
7,02
|
3,51
|
1,93
|
|
450
|
36,71
|
33,38
|
26,35
|
19,33
|
12,31
|
7,05
|
3,54
|
1,96
|
|
460
|
36,75
|
33,41
|
26,39
|
19,37
|
12,34
|
7,08
|
3,57
|
1,99
|
|
470
|
36,79
|
33,45
|
26,43
|
19,40
|
12,38
|
7,12
|
3,60
|
2,02
|
|
480
|
36,82
|
33,49
|
26,46
|
19,44
|
12,41
|
7,15
|
3,64
|
2,06
|
|
490
|
36,86
|
33,52
|
26,50
|
19,47
|
12,44
|
7,18
|
3,67
|
2,09
|
|
500
|
36,90
|
33,56
|
26,53
|
19,51
|
12,48
|
7,21
|
3,70
|
2,12
|
|
510
|
36,93
|
33,60
|
26,57
|
19,54
|
12,51
|
7,25
|
3,73
|
2,15
|
|
520
|
36,97
|
33,63
|
26,60
|
19,58
|
12,55
|
7,28
|
3,77
|
2,19
|
|
530
|
37,01
|
33,67
|
26,64
|
19,61
|
12,58
|
7,31
|
3,80
|
2,22
|
|
540
|
37,04
|
33,70
|
26,67
|
19,65
|
12,61
|
7,35
|
3,83
|
2,25
|
|
550
|
37,08
|
33,74
|
26,71
|
19,68
|
12,65
|
7,38
|
3,86
|
2,28
|
|
560
|
37,11
|
33,77
|
26,74
|
19,71
|
12,68
|
7,41
|
3,90
|
2,31
|
|
570
|
37,15
|
33,81
|
26,78
|
19,75
|
12,71
|
7,44
|
3,93
|
2,35
|
|
580
|
37,19
|
33,84
|
26,81
|
19,78
|
12,75
|
7,48
|
3,96
|
2,38
|
|
590
|
37,22
|
33,88
|
26,85
|
19,82
|
12,78
|
7,51
|
3,99
|
2,41
|
|
600
|
37,26
|
33,92
|
26,88
|
19,85
|
12,82
|
7,54
|
4,03
|
2,44
|
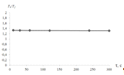
Построил термограммы распределения температуры по времени.
1 - в слое ПВХ вблизи границы раздела
покрытие - ИЗ;
- на
расстоянии 0,2 мм от ИЗ; 3 - на
расстоянии 0,6 мм от ИЗ;
- на
расстоянии 1 мм от ИЗ; 5 - на
расстоянии 1,4 мм от ИЗ;
- на
расстоянии 1,7 мм от ИЗ; 7 - на
расстоянии 1,9 мм от ИЗ;
- на
расстоянии 1,99 мм от ИЗ.
Рисунок 4.18 Термограммы в точках
контроля на оси нагревателя в слое покрытия:
Таблица 4.3 - Отношения значений температуры T1/Ti
|
 , сx=0.01x=0.2x=0.6x=1x=1.4x=1.7x=1.9
|
|
|
|
|
|
|
|
|
0
|
0
|
0
|
0
|
0
|
0
|
0
|
0
|
|
10
|
1,1069
|
1,4199
|
1,9797
|
3,2685
|
6,3866
|
17,443
|
70,354
|
|
20
|
1,1023
|
1,4125
|
1,9658
|
3,2315
|
6,2497
|
16,521
|
60,691
|
|
30
|
1,1047
|
1,4147
|
1,9668
|
3,2251
|
6,2005
|
16,084
|
55,556
|
|
40
|
1,1043
|
1,4136
|
1,9636
|
3,2141
|
6,1638
|
15,741
|
51,93
|
|
50
|
1,1041
|
1,4128
|
1,9488
|
3,2052
|
6,1158
|
15,469
|
49,176
|
|
60
|
1,1039
|
1,4121
|
1,9597
|
3,1975
|
6,0807
|
15,269
|
46,939
|
|
70
|
1,1037
|
1,4115
|
1,9571
|
3,1906
|
6,0507
|
15,032
|
45,038
|
|
80
|
1,1036
|
1,4109
|
1,9554
|
3,1842
|
6,023
|
14,844
|
43,369
|
|
90
|
1,1035
|
1,4103
|
1,9537
|
3,1787
|
5,9971
|
14,667
|
41,869
|
|
100
|
1,1033
|
1,4098
|
1,9521
|
3,1722
|
5,9712
|
14,5
|
40,497
|
|
110
|
1,1032
|
1,4093
|
1,9505
|
3,1551
|
5,9465
|
14,341
|
39,227
|
|
120
|
1,1031
|
1,4088
|
1,949
|
3,1608
|
5,9222
|
14,182
|
38,04
|
|
130
|
1,103
|
1,4084
|
1,9474
|
3,1575
|
5,8982
|
14,03
|
36,925
|
|
140
|
1,1029
|
1,4079
|
1,9459
|
3,151
|
5,8745
|
13,881
|
35,873
|
|
150
|
1,1028
|
1,4074
|
1,9444
|
3,1457
|
5,8509
|
13,735
|
34,876
|
|
160
|
1,1027
|
1,4069
|
1,9428
|
3,1403
|
5,8351
|
13,592
|
33,929
|
|
170
|
1,1026
|
1,4064
|
1,9413
|
3,1328
|
5,8042
|
13,451
|
33,029
|
|
180
|
1,1025
|
1,4059
|
1,9398
|
3,1271
|
5,7809
|
13,313
|
32,171
|
|
190
|
1,1024
|
1,4055
|
1,9382
|
3,1215
|
13,177
|
31,353
|
|
200
|
1,1023
|
1,405
|
1,9367
|
3,1233
|
5,7348
|
13,043
|
30,573
|
|
210
|
1,1022
|
1,4045
|
1,9352
|
3,1069
|
5,712
|
12,912
|
29,828
|
|
220
|
1,1021
|
1,404
|
1,9336
|
3,1026
|
5,6892
|
12,782
|
29,116
|
|
230
|
1,102
|
1,4035
|
1,9321
|
3,0992
|
5,6665
|
12,655
|
28,436
|
|
240
|
1,102
|
1,4031
|
1,9306
|
3,0952
|
5,644
|
12,53
|
27,784
|
|
250
|
1,1019
|
1,4026
|
1,929
|
3,09
|
5,6216
|
12,435
|
27,161
|
|
260
|
1,1018
|
1,4021
|
1,9275
|
3,0946
|
5,5994
|
12,294
|
26,564
|
|
270
|
1,1017
|
1,4016
|
1,9259
|
3,0694
|
5,5773
|
12,169
|
25,992
|
|
280
|
1,1016
|
1,4011
|
1,9244
|
3,0623
|
5,5553
|
12,053
|
25,443
|
|
290
|
1,1015
|
1,4006
|
1,9229
|
3,0548
|
5,5335
|
11,939
|
24,917
|
|
300
|
1,1014
|
1,4001
|
1,9213
|
3,0496
|
5,5119
|
11,827
|
24,412
|
|
310
|
1,1013
|
1,3996
|
1,9198
|
3,0492
|
5,4904
|
11,717
|
23,926
|
|
320
|
1,1012
|
1,3992
|
1,9183
|
3,0485
|
5,4691
|
11,609
|
23,46
|
|
330
|
1,1011
|
1,3987
|
1,9167
|
3,0502
|
5,448
|
11,503
|
22,915
|
|
340
|
1,101
|
1,3982
|
1,9152
|
3,0415
|
5,427
|
11,399
|
22,58
|
|
350
|
1,1009
|
1,3977
|
1,9137
|
3,0378
|
5,4062
|
11,309
|
22,164
|
|
360
|
1,1008
|
1,3972
|
1,9122
|
3,0282
|
5,3856
|
11,197
|
21,764
|
|
370
|
1,1007
|
1,3967
|
1,9107
|
3,0228
|
5,3651
|
11,098
|
21,378
|
|
380
|
1,1006
|
1,3963
|
1,9091
|
3,0175
|
5,3449
|
11,002
|
21,006
|
|
390
|
1,1005
|
1,3958
|
1,9076
|
3,0122
|
5,3247
|
10,907
|
20,647
|
|
400
|
1,1004
|
1,3953
|
1,9061
|
3,007
|
5,3048
|
10,814
|
20,3
|
|
410
|
1,1003
|
1,3948
|
1,9046
|
3,0017
|
5,2825
|
10,722
|
19,965
|
|
420
|
1,1002
|
1,3943
|
1,9031
|
2,9995
|
5,2654
|
10,632
|
19,674
|
|
430
|
1,1001
|
1,3939
|
1,9016
|
2,9929
|
5,246
|
10,544
|
19,329
|
|
440
|
1,1
|
1,3934
|
1,9001
|
2,9863
|
5,2267
|
10,457
|
19,026
|
|
450
|
1,0999
|
1,3929
|
1,8987
|
2,9821
|
5,2076
|
10,372
|
18,733
|
|
460
|
1,0998
|
1,3924
|
1,8972
|
2,978
|
5,1887
|
10,289
|
18,466
|
|
470
|
1,0997
|
1,392
|
1,8957
|
2,9714
|
5,1699
|
10,206
|
18,174
|
|
480
|
1,0996
|
1,3915
|
1,8942
|
2,9672
|
5,1512
|
10,126
|
17,907
|
|
490
|
1,0995
|
1,391
|
1,8928
|
2,963
|
5,1328
|
10,046
|
17,648
|
|
500
|
1,0994
|
1,3905
|
1,8913
|
2,9565
|
5,1144
|
9,9679
|
17,397
|
|
510
|
1,0994
|
1,3901
|
1,8898
|
2,9523
|
5,0963
|
9,8911
|
17,154
|
|
520
|
1,0993
|
1,3896
|
1,8884
|
2,9458
|
5,0783
|
9,8156
|
16,917
|
|
530
|
1,0992
|
1,3891
|
1,8869
|
2,9416
|
5,0604
|
9,7413
|
16,687
|
|
540
|
1,0991
|
1,3887
|
1,8855
|
2,9375
|
5,0427
|
9,6682
|
16,464
|
|
550
|
1,099
|
1,3882
|
1,8841
|
2,9311
|
5,0252
|
9,5963
|
16,247
|
|
560
|
1,0989
|
1,3877
|
1,8826
|
2,9269
|
5,0077
|
9,5256
|
16,036
|
|
570
|
1,0988
|
1,3873
|
1,8812
|
2,9229
|
4,9905
|
9,456
|
15,83
|
|
580
|
1,0987
|
1,3868
|
1,8798
|
2,9165
|
4,9734
|
9,3875
|
15,63
|
|
590
|
1,0986
|
1,3864
|
1,8783
|
2,9124
|
4,9564
|
9,3201
|
15,436
|
|
600
|
1,0985
|
1,3859
|
1,8769
|
2,9068
|
4,9395
|
9,2538
|
15,246
|
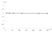
Рисунок 4.19 Изменение отношения Т1/Тi во времени.
- в слое ПВХ вблизи границы раздела покрытие - ИЗ;
- на расстоянии 0,5 мм от ИЗ; 3 - на расстоянии 1 мм от ИЗ;
- на расстоянии 1,99 мм от ИЗ.
Рисунок 4.20 Термограммы в точках контроля:
Таблица 4.4 - Определение отношений Т1/Т2; Т1/Т3 и Т1/Т4
|
t,c
|
|
|
|
|
10
|
1,327309
|
1,979042
|
70,28401
|
|
30
|
1,321661
|
1,964891
|
55,54681
|
1,320424
|
1,959843
|
46,9418
|
|
120
|
1,317681
|
1,94886
|
38,03859
|
|
240
|
1,313284
|
1,930274
|
27,78038
|
|
300
|
1,311022
|
1,921006
|
24,40775
|
Рисунок 4.21 а - Изменение отношения Т1/Т2 во времени.
Рисунок 4.21 б - Изменение отношения Т1/Т3 во времени.
Рисунок 4.21 в - Изменение отношения Т1/Т4 во времени.
Заключение
1. Выполнен анализ методов неразрушающего определения теплопроводности
низкотеплопроводных покрытий на металлических основаниях.
. Выбрана измерительная схема метода неразрушающего определения
теплопроводности полимерных покрытий ПВХ на изделии из стали 40. Предложено
использовать круглый плоский источник тепла постоянной мощности, встроенный в
измерительный зонд.
. Экспериментально доказано возможность реализации исследуемого метода НК
на данном двухслойном объекте.
Список использованных источников
1.Теоретические и практические основы теплофизических
измерений / Под ред. С.В. Пономарева. - М.: ФИЗМАТЛИТ, 2008. - 408 с.
2.Платунов, Е. С. О теплофизических измерениях в
монотонном режиме/ С. Е. Буравов, В. В. Курепин, Е. С. Платунов.-
Инженерно-физический журнал. №4. 1971.- 760 с.
.Лыков, А.В. Теория теплопроводности / А.В. Лыков. −
М.: Высш. шк., 1967. − 599 с.
4.Берштейн, В.А. Дифференциальная сканирующая
калориметрия в физикохимии полимеров / В.А. Берштейн, В.М. Егоров. - Л.: Химия,
1990. - 255 с.
5.Платунов, Е.С. Теплофизические измерения в
монотонном режиме / Е.С. Платунов. - Л.: Энергия, 1973. - 144 с.
6.Жуков, Н.П. Многомодельные методы и средства
неразрушающего контроля теплофизических свойств материалов и изделий / Н.П.
Жуков, Н.Ф. Майникова // Монография. - М.: Машиностроение-1, 2004. - 288 с.
.Бартенев, Г.М. Физика и механика полимеров / Г.М.
Бартенев, Ю.В. Зеленев. - М.: Высшая школа, 1983. - 391 с.
.Энциклопедия полимеров: [В 3-х т.] / Ред. коллегия:
В.А. Каргин и др. - М.: Сов. энциклопедия, 1972. - Т.1. - 1195 с.; Энциклопедия
полимеров: [В 3-х т.] / Ред. коллегия: В.А. Кабанов и др. - М.: Сов.
энциклопедия, 1974. - Т.2. - 1032 с.; Энциклопедия полимеров: [В 3-х т.] / Ред.
коллегия: В.А. Кабанов и др. - М.: Сов. энциклопедия, 1977. - Т.3. - 1150 с.
.Жуков, Н.П. Решение задач теплопроводности методом
конечных элементов: учебное пособие /Н.П. Жуков, Н.Ф. Майникова, С.С. Никулин,
О.А. Антонов. - Тамбов: Изд-во ФГБОУ ВПО «ТГТУ», 2014. - 80 с.
10. Любимов, Б.В. Защитные покрытия изделий.:
Машиностроение, Ленингр. отделение, 1969. - 217 с.
11.Все о красках [Электронный ресурс] -http: //vseokraskah.net/alyuminij/splav-6061.html
(дата обращения: 28.05.2016)
.Лыков, А.В. Теория теплопроводности / A.В. Лыков. - М.: Высшая школа, 1967.
- 599 с.
.Клюев, В.В. Неразрушающий контроль и диагностика:
Справочник / В.В. Клюев, Ф.Р. Соснин, А.В. Ковалев и др. 3-е изд., испр. и доп.
- М.: Машиностроение, 2005. - 656 с.
14.Каневский, И.Н. Неразрушающие методы контроля:
учеб. пособие / И.Н. Каневский, Е.Н. Сальникова. - Владивосток: Изд-во ДВГТУ,
2007. - 243 с.
.Будадин, О.Н. Современное состояние методик и
аппаратуры неразрушающего контроля изделий из полимерных композиционных
материалов / О.Н. Будадин, А.А. Кульков - Москва, ВИАМ, 03-04 декабря 2013 г. -
16 с.
.Прохоренко, П.П. Каппилярный неразрушающий контроль:
контроль проникающими веществами / П.П. Прохоренко, Н.П. Мигун, А.М. Секерин,
И.В. Стойчева. М.: Наука и техника, 1998. - 160 с.
17. Волченко
<https://ru.wikipedia.org/wiki/%D0%92%D0%BE%D0%BB%D1%87%D0%B5%D0%BD%D0%BA%D0%BE,_%D0%92%D0%BB%D0%B0%D0%B4%D0%B8%D0%BC%D0%B8%D1%80_%D0%9D%D0%B8%D0%BA%D0%B8%D1%82%D0%B8%D1%87>,
В.Н. Контроль качества сварки / А. К. Гурвич, А. Н. Майоров, Л. А. Кашуба, Э.
Л. Макаров, М. Х. Хусанов - Учебное пособие для машиностроительных вузов. - М.:
Машиностроение, 1975. - 328 с.
.Справочник под
редакцией М.М.Гольдберга “Сырье и полупродукты для лакокрасочных материалов”,
М., “Химия”, 1978, с. 179.
. М.Ф.Сорокин и др.
“Химия и технология пленкообразующих веществ”, М., “Химия”, 1981, с. 327-329.
.Платунов, Е.С
Теплофизические измерения и приборы / Е. С. Платунов, С. Е. Буравой, В. В.
Курепин, Г. С. Петров. - Л.: Машиностроение, Ленингр. отделение, 1986. - 256 с.
.Бойков, Г.П. Видин
Ю.В., Журавлев В.Н. Основы тепломассообмена. - Красноярск, 2000. - 272 с.
.Теоретическое
обоснование теплового метода неразрушающего контроля двухслойных изделий / Н.П.
Жуков [и др.] / Вопр. соврем. науки и практики. Ун-т им. В.И. Вернадского. Сер.
Техн. науки. - 2009. - № 9 (23). - С. 93-99.
.Жуков, Н.П. Методы и
средства неразрушающего теплового контроля структурных превращений в полимерных
материалах : монография / Н. П. Жуков, Н. Ф. Майникова, С. В. Мищенко, И. В.
Рогов. - Тамбов : Изд-во ФГБОУ ВПО «ТГТУ», 2012. - 320 с.
24.Лившиц, М.Л. ,
Пшиялковский, Б.И. Лакокрасочные материалы: Справочное пособие. - М.: Химия. -
1982 . - 360 с.
.Рабинович, В.А.
Краткий химический справочник / В.А. Рабинович, З. Я Хавин. - Л.: Химия, 1977 -
213с.
.Энциклопедия
полимеров: Т.1. / гл. ред. В.А. Каргин. - М:. Советская энциклопедия. - 393 -
394 с.
.Шестаков, В. М.
Работоспособность тонкослойных полимерных покрытий. / В.М. Шестаков. - М.:
Машиностроение, 1973. - 160 с.
.Металлополимерные
материалы и изделия. Под ред. В.А. Белого. - М.: Химия, 1979. - 312 с.
.Технические свойства
полимерных материалов: Учеб. - справ. пособие / В.К. Крыжановский, В.В. Бурлов
, А.Д. Паниматченко, Ю.В. Крыжановская. - 2-е изд., испр. и доп. - СПб.:
Профессия , 2005. - 280 с.
.ELCUT: Моделирование двумерных полей методом конечных элементов. Версия 5.1.
Руководство пользователя. - Санкт-Петербург: производственный кооператив ТОР. -
2003. - 249 с.
.Булатов, Г.А.
Пенополиуретаны и их применение в летательных аппаратах / Г.А. Булатов. - М.
1970.
.Справочник под
редакцией М.М.Гольдберга “Сырье и полупродукты для лакокрасочных материалов”,
М., “Химия”, 1978, с. 178.