Исследование и разработка конструкций инструментов для кольцевого сверления

  • Вид работы:
    Дипломная (ВКР)
  • Предмет:
    Другое
  • Язык:
    Русский
    ,
    Формат файла:
    MS Word
    1,6 Мб
  • Опубликовано:
    2016-11-09
Вы можете узнать стоимость помощи в написании студенческой работы.
Помощь в написании работы, которую точно примут!

Исследование и разработка конструкций инструментов для кольцевого сверления

ВВЕДЕНИЕ

В настоящее время известно множество различных способов обработки и получения отверстий в зависимости от заданных конструкций, качества, точности и шероховатости поверхности, начиная от простого сверления и заканчивая сложнейшими технологическими процессами, состоящими из нескольких последовательных операций. Для таких процессов необходим различный набор станков, приспособлений и инструментов.

Кольцевое сверление является одним из способов получения отверстия. Режущим инструментом является кольцевое сверло, которое дает возможность получать отверстия в сплошном материале и увеличивать диаметр ранее просверленного отверстия при двух одновременно происходящих движениях: вращении сверла вокруг его оси и поступательном движении подачи вдоль оси инструмента.

Производство и методы изготовления инструмента влияют на его стоимость, на его качество, а именно, на производительность и срок эксплуатации, то есть на параметры от которых зависит уровень приведенных затрат при использовании инструмента.

То есть, конструкция инструмента, способы его изготовления и эксплуатация определяют уровень затрат на выполнения операций по производству предметов личного, общественного и производственного назначения, то есть сказываются на конечной цели общественного производства, на мере удовлетворения личных потребностей каждого человека. [1]

Развитие машиностроения, выпуск нового оборудования различного технологического назначения требуют от современного производства эффективной обработки труднообрабатываемых материалов и сложнопрофильных поверхностей, в том числе обработка внутренних кольцевых цилиндрических поверхностей.

Обработка кольцевых поверхностей - это одна из сложных и трудоёмких процессов, так как силы резания неуравновешенны, отвод стружки затруднён, инструмент работает в стеснённых и напряженных условиях, сопровождающихся вибрацией, которая резко снижает его стойкость, вызывает выкрашивание и приводит инструмент в негодность.

Учитывая вышеизложенное, можно констатировать, что повышение технико-экономической эффективности кольцевого сверления является одной из актуальных задач в механообработке.

Актуальность темы заключается: 1) в востребованности вырезания дискообразных заготовок из листового материала, обработки торцевых кольцевых канавок и сверления отверстий большого диаметра в сплошном материале, с сохранением не перерабатываемой в стружку сердцевины; 2) в необходимости совершенствования и адаптации кольцевых сверл к производственным условиям.

Инструменты для кольцевой обработки используются в машиностроении и строительстве. В работе представлены новые, усовершенствованные конструкции инструментов для кольцевого сверления.

1. ЛИТЕРАТУРНЫЙ ОБЗОР. ИНСТРУМЕНТЫ ДЛЯ КОЛЬЦЕВОГО СВЕРЛЕНИЯ

кольцевой сверло виброактивность резание

Сверло представляет собой режущий инструмент для рассверливания отверстий, либо для обработки отверстий в сплошном материале при двух одновременно происходящих движениях: вращении сверла вокруг своей оси и поступательном движении подачи вдоль оси кольцевого сверла.

В процессе развития технологий производства, и появлением наиболее распространенных станков, сверло становится самым универсальным и применяемым инструментом. Сейчас они изготовляются из сталей с включениями твердых сплавов, с алмазным покрытием, с карбидом вольфрама и добавкой кобальта. [2]

Спиральное сверло имеет вид цилиндрического стержня с двумя спиральными канавками, вдоль которых сделаны стружечные канавки. Основное назначение выполняет режущая часть, крепежная часть служит для закрепления на станке. Спиральное сверло при сверлении превращает в стружку материал, который был в отверстии. Хотя более эффективно было бы удаление материала по краю отверстия, тогда и сверло бы работало более эффективно. Скорость у такого сверла постоянна, а режущих плоскостей только две. Кольцевое же сверло может иметь гораздо больше таких плоскостей. Кольцевое сверло впервые было запатентовано американцем Хоугеном, в 1973 году. Корончатые сверла (по-другому называются - кольцевые фрезы, кольцевые сверла) - это настоящий прорыв в технологии кольцевого сверления. Используя такой метод обработки металла, появляется еще одна возможность получать отверстия больших диаметров и глубин. [3]

Кольцевое сверление - это вид механической обработки материалов резанием, при котором с помощью специального вращающегося инструмента для кольцевой обработки получают отверстия различного диаметра и глубины, или кольцевую канавку с различным сечением и глубиной. Кольцевое сверление - это востребованная операция в металлообработке. При изготовлении конструкций и деталей применяется сверление отверстий различного назначения.

Кольцевое сверление - быстрый, эффективный, точный и практически бесшумный метод выполнения отверстий. Как показывает опыт, кольцевое сверление требует в более чем четыре раза меньше энергии (мощности привода), по сравнению с классическим сверлением. Кольцевые сверла по металлу предназначаются, в первую очередь, для сверления сквозных отверстий. Исключением для данной технологии является сверление глухих отверстий, так как нет возможности отделить высверленный керн от заготовки. Используя кольцевые сверла, получают такие показатели шероховатости, которых невозможно получить обычным способом.

Все достоинства наиболее оценимы, при больших диаметрах отверстия. При работе таким сверлом производительность труда значительно увеличивается, как правило, от 40% и до 120%, благодаря отсутствию лишних операций (центрирование, предварительное сверление, увеличение путем переналадки).

При помощи кольцевого сверла можно делать отверстия в различных плоскостях, и методом их перехлеста. Так же, имеется технология сверления глухих кольцевых канавок. [3]

Кольцевое сверло представляет собой полый цилиндр с режущими кромками на торце. В результате сверления получают кольцевую канавку.

Кольцевое сверло по металлу имеет незначительную площадь контакта с заготовкой и объем удаляемого материала. Таким образом, затраты на переработку металла в стружку гораздо меньше, чем у сплошного сверла, а если результат один - зачем делать больше работы.

Зубья кольцевых сверл имеют равноудаленное положение от центра сверла, поэтому режимы сверления оптимальны, в отличие от спиральных сверл, в центре которых есть мертвая зона, где скорость режущей кромки будет близка к нулю.

Отверстия большого диаметра целесообразно обрабатывать кольцевым сверлением, так как при обычном сверлении в стружку уходит значительное количество металла.

Кольцевое сверление является сравнительно редким, но, тем не менее, вполне актуальным видом обработки. Вырезание дисков из листового материала, обработка торцевых кольцевых канавок и обработка отверстий большого диаметра могут быть выполнены с помощью инструментов для кольцевого сверления. Наибольшая сложность возникает при обработке хрупких материалов и материалов с повышенной твердостью.

Кольцевые сверла могут использоваться в различного рода оборудовании: токарном, фрезерном, сверлильном, в станках с ЧПУ, а также при многоинструментальной обработке.

В мировой практике для такой обработки изготавливают некоторые типоразмеры кольцевых сверл.

. Фирма Diamond (Италия) изготавливает сверла Ø101-220 мм длиной 75 мм с абразивной режущей частью, предназначенные для сверления отверстий большого диаметра в листовом стекле и зеркале на ручном, полуавтоматическом или автоматическом оборудовании, Diamond (Италия).

Достоинства: высокая концентрация и мелкодисперсность алмаза обеспечивает высокую режущую способность и сверление отверстий без сколов. Отверстия для охлаждающей и смазывающей жидкости повышают срок службы алмазных сверл. Сверла алмазные выполнены методом термического спекания, что обеспечивает высокую стойкость сверления. Ресурс работы алмазных сверл - более 10 000 отверстий на стекле толщиной не более 4 мм при соблюдении требований производителя (правильное вскрытие алмазного слоя сверл, подача достаточного количества охлаждающего и смазывающего раствора, отсутствие ударов сверла о стекло и так далее). [4]

Недостатки:

1. Возможность использования только для стекла толщиной менее 4 мм.

2.      Не приспособлены к металлорежущему оборудованию (станкам), требуется инструментальная оснастка.

.        Не разборное, не возможна регулировка сверла.

.        Высокая стоимость из-за алмазного напыления.

. Сверла раздвижные Diamond (Италия) предназначены для сверления отверстий диаметром от 70 до 360 мм в листовом и ламинированном стекле и зеркале. Используются для сверления всех типов и толщин стекла и зеркал на ручном, полуавтоматическом или автоматическом оборудовании.

Достоинства:

1. Высокая концентрация и мелкодисперсность алмаза обеспечивает высокую режущую способность и сверление отверстий без сколов.

2.      Отверстия для охлаждающей и смазывающей жидкости повышают срок службы алмазных сверл.

.        Сменные алмазные сегменты позволяют сократить время подготовки инструмента к работе и уменьшить расходы производства.

.        Корпус раздвижного сверла из алюминиевого сплава обеспечивает удобство работы и уменьшает нагрузки на шпиндель станка. [5]

Недостатки:

1. Жесткость конструкции и точность изготовления низкие.

2.      Узкий диапазон варьирования.

.        Большое количество элементов крепления.

.        Сложность регулировки и настройки на размер.

.        Не приспособлены к металлорежущему оборудованию, требуется инструментальная оснастка.

. Кольцевые сверла по дереву являются незаменимыми в ситуации сквозного сверления отверстий, имеющих большой диаметр (от 26 миллиметров). Кольцевые сверла - это универсальный держатель с наличием комплекта сменных коронок, и их продажа осуществляется в наборах. Используются такие сверла как насадки для дрели.

. Корончатое сверло (кольцевая пила) RUKO HSS.

Области применения: используются для работы ручными дрелями и вертикально-сверлильными станками. При работе на вертикально-сверлильном станке использовать только ручную подачу.

Применяются для работ по стали (прочность до 700 МПа), цветных и лёгких металлов, пластмассы, гипсокартона. Диаметр от 12 мм до 100 мм, толщина обрабатываемого материала: 2,5 мм, максимальная глубина сверления: 5,0 мм. Сверлить с небольшим и равномерным усилием. Избегать бокового смещения при сверлении. Соблюдать данные таблицы рекомендуемой скорости. Использовать охлаждающие средства. Есть возможность выталкивания сердцевины из зоны резания и возможна перезаточка.

Недостатки:

.        Не предназначены для сверления перфоратором.

.        Малая глубина реза.

.        Нет возможности регулировки диаметра сверления.

5. Корончатое сверло Alfra Rotabest HSS-BASIC.

Качество материала у сверла - специальная высокопроизводительная быстрорежущая сталь с кобальтом.

Преимущества: моментальная центровка; хорошее концентрическое вращение; равномерное распределение стружки; мягкая, плавная резка; эффективность сверления; хорошее стружкообразование у каждого зубца; равномерное удаление стружки легкость резки; минимальный расход энергии; высокая прочность режущей кромки благодаря исходному материалу и специальной термообработке.

Недостатки:

.        Высокая стоимость сверла.

.        Размеры коронок малы.

Высокопрочные кольцевые сверла (корончатые фрезы) Rotabroach изготовлены из стали М42 (аналога отечественной быстрорежущей стали марки Р2М10К8).

Кольцевые сверла Rotabroach произведены на основе уникальной многолезвийной технологии, которая обеспечивает эффективное удаление стружки и сокращает потребление энергии. Твердость металла 700 - 850 Н/мм. Все высокопрочные кольцевые сверла Rotabroach имеют сквозное отверстие под направляющий штифт (пилот) и могут использоваться в большинстве сверлильных станков с магнитным основанием.

Сверла производства компании Rotabroach находят широкое применение в самых разных отраслях, включая строительство, машиностроение, горнодобывающую, нефтехимическую, нефтегазовую промышленность, судостроение и строительство железных дорог. Все высокопрочные кольцевые сверла Rotabroach имеют сквозное отверстие под направляющий штифт (пилот) и могут использоваться в большинстве сверлильных станков с магнитным основанием.

Недостатки:

.        Высокая стоимость сверла.

.        Размеры коронок малы.

7. Коронка алмазная (алмазные кольцевые сверла)

Коронка, используется в основном в переносных сверлильных станках на магнитной подошве. Коронка алмазная выглядит как полый цилиндр с режущей кромкой на торце. Она имеет беспрецедентную производительность, потому она настолько популярна в строительстве.

В работе коронка алмазная проходит только по периферии будущего отверстия, не прикасаясь к сердцевине, в отличии от спирального сверла, которое перерабатывает незначительную часть удаляемого материала. Коронка экономит до 85% мощности привода. Эффект заметнее, чем больше диаметр просверливаемого отверстия.

Коронка алмазная отличается оптимальной скоростью сверления, большим ресурсом, если сравнивать с традиционными спиральными сверлами. Это обусловлено наличием большего числа режущих кромок.

Коронка не имеет мертвой точки на оси сверления, не требуется предварительное засверливание.

Размеры коронок алмазных (алмазных кольцевых сверл) d - 10.....40мм представлены в таблице 1.1.

Таблица 1.1 - Коронки алмазные (алмазные кольцевые сверла) d - 10.....40мм

Геометрические размеры

Кол-во сегментов

Геометрические размеры

D сверла

L сверла

I x S


D сверла

L сверла

I x S

10

200

10/5х5+2

1/2

24

300

24/18х5+2

12


12/7х5+2


25


25/19х5+2

14


14/9х5+2


28


28/22х5+2

15


15/10х5+2


30


30/24х5+2

16


16/11х5+2


32


32/26х5+2

18


18/13х5+2


35


35/29х5+2

20


20/14х5+2


38


38/32х5+2

22

300

22/16х5+2


40


40/34х5+2


Цель диссертационной работы: разработка эффективных инструментов для кольцевого сверления. Под эффективностью понимается:

) выполнение производительной обработки с обеспечением заданного качества;

) технологичность конструкции, возможность изготовления инструмента на машиностроительном предприятии;

) адаптация инструмента к современным сверлильным, горизонтально-расточным и вертикально-фрезерным станкам.

Достижение указанной цели сводится к решению комплекса задач, которые характеризуются научной новизной и определяющие направления диссертационной работы:

.        Анализ условий работы кольцевого сверла, а именно силовой, тепловой, динамический и анализ геометрической точности.

.        Разработка методики проектирования кольцевых сверл.

.        Разработка методики предварительной оценки конструкторско-технологической эффективности инструмента для кольцевой обработки.

.        Разработка типовых конструкций кольцевых сверл.

.        Разработка технологического процесса изготовления режущей части инструмента для кольцевого сверления.

.        Разработка рекомендаций по выбору и применению кольцевых сверл.

Разрабатываемый инструмент, прежде всего, должен резать, причем не просто резать, а обеспечить при этом требуемые размеры и качество обработанных поверхностей. Если хоть одно из этих требований инструментом не обеспечивается, то его вообще нельзя назвать инструментом. Указанные требования обязательны, но недостаточны.

Инструмент должен быть еще и наивыгоднейшим, или оптимальным. Он должен обеспечить минимальные затраты общественно необходимого труда на операции его использования. Это значит, что приведенные затраты на операции использования инструмента: заработная плата оператора, перенесенная на операцию часть заработной платы персонала, обслуживающего сферу производства, часть стоимости зданий, сооружений, отопления, освещения, силовой электроэнергии, самого инструмента и другие - должны быть минимальными. Последнее возможно, если инструмент обладает следующими свойствами:

.        Высокой производительностью - большим количеством деталей, обработанных в единицу времени.

.        Малой энергоемкостью резания.

.        Высокой экономичностью. Она достигается в том случае, если инструмент удовлетворяет следующим требованиям: 1) низкая стоимость (высокая технологичность, малый расход дорогостоящих режущих материалов); 2) большой срок службы (высокая стойкость и большое число перезаточек); 3) малые затраты на восстановление режущей способности после затупления (простота переточек, быстрота замены затупившихся элементов); 4) возможность изменения диаметра, ширина и глубины резания.

Неправильная эксплуатация сведет на нет все положительное, что заложено в инструменте при его проектировании и изготовлении, и инструмент может оказаться вообще неработоспособным. Для этого, прежде всего, и необходимо разработать качественный технологический процесс и выдержать его параметры при изготовлении инструмента.

2. АНАЛИЗ СОСТОЯНИЯ ВОПРОСА. ПРОБЛЕМЫ КОЛЬЦЕВОГО СВЕРЛЕНИЯ

Кольцевое сверление представляет собой быстрый, бесшумный и более точный по сравнению с сверлением спиральными сверлами, резцами, метод. Сверло удаляет материал только по окружности отверстия (в результате чего, возможно использование приводов меньшей мощности, чем при сверлении спиральными сверлами), тогда как обычные сверла весь металл преобразуют в стружку. Ресурс кольцевых свёрл также выше по сравнению со спиральными сверлами, так как количество режущих кромок больше. Кроме того, цилиндрический керн, получающийся после завершения сверления, может быть использован как заготовка для других изделий. Особенно это важно при сверлении ценных материалов, таких как бронза, латунь, медь, алюминий, нержавеющая и жаропрочная сталь.

Применение кольцевых сверл сделало возможным корончатое сверление отверстий больших диаметров (до 150 мм) в материале толщиной до 50 мм за одну рабочую операцию. Также можно просверливать пазовые отверстия, когда несколько отверстий перекрывают друг друга. Все это делает кольцевое сверление исключительно экономичным способом - менее трудоемким, более быстрым и точным, чем традиционное спиральное сверление.

Благодаря специальной конструкции кольцевое сверло не требует использования мощного привода, так как силы резания невелики. Операция происходит при значительно более благоприятных режимах резания. При сверлении кольцевым сверлом удаляется лишь металл по контуру отверстия. Поверхность, получаемая по периферии отверстия, имеет значительно лучшие показатели шероховатости, чем при сверлении цилиндрическими сверлами.

Кольцевые сверла по типу применяемого для их изготовления материала различаются на:

) сверла с абразивной режущей частью (обеспечивает большую точность обрабатываемого отверстия, имеют преимущество в цене);

) сверла из быстрорежущей стали (обеспечивают хороший срок службы при сверлении конструкционной стали, имеют преимущество в цене при диаметрах до 30 мм);

) сверла из кобальтовой быстрорежущей стали (единственной возможный вариант для сверления нержавеющей стали сверлами типа HSS);

) сверла с твердосплавными зубьями (обеспечивают более высокую производительность при сверлении отверстий в конструкционной стали, экономически оптимальны для сверления отверстий большого диаметра (свыше 50 мм), за счет увеличенной, по сравнению со сверлами из быстрорежущей стали, скорости обработки, экономически оправданы при сверлении нержавеющей стали).

Кольцевые сверла рационально изготавливать из быстрорежущей стали. Достаточно одной попытки просверлить сверлом из быстрорежущей стали лист нержавейки, чтобы убедиться, что перед вами сверло из обычного быстрореза, не имеющего в составе ни одного процента кобальта.

Твердосплавные кольцевые сверла в первую очередь используются при промышленной эксплуатации, например, при серийном сверлении в монтажных организациях, на заводах металлоконструкций. При правильном применении их стойкость в два раза выше, чем у кольцевых сверл из быстрорежущей стали, что делает их самым экономным решением. Они подходят для сверления разнообразных материалов: от алюминия и конструкционной стали общего назначения до материалов, трудно поддающихся резанию, например, нержавеющей стали, чугуна или закаленных рельсов, керамики, стекла.

Условия работы инструментом для кольцевой обработки отличаются от обработки обычными сверлами, зенкерами, развертками, фрезами.

Применение кольцевых сверл обеспечивает по сравнению со сплошным сверлением уменьшение сил резания, значительное повышение производительности труда. Кольцевое сверление является процессом несвободного резания. Кольцевое сверло имеет большую поверхность контакта с обработанными поверхностями, которые с трех сторон окружают лезвия инструмента.

При несвободном резании значительно увеличивается сила резания, главным образом, за счет сил трения, увеличивается тепловыделение, ухудшаются условия отвода тепла. Пример несвободного резания представлен на рисунке 2.1. Несвободное резание характеризуется тем, что отдельные объемы срезаемого слоя на разных участках режущей кромки перемещаются в разных направлениях, что создает условия сложного деформирования и затрудняет образование стружки. При несвободном резании отдельные элементарные объемы срезаемого слоя перемещаются в разных направлениях и поэтому в разных точках зоны резания одни и те же явления совершаются по-разному, с разной степенью интенсивности. Картина состояния материала в зоне резания в одной секущей плоскости не является типичной для всех других секущих плоскостей и не повторяет картины состояния материала в других секущих плоскостях.

Рисунок 2.1 - Пример несвободного резания

В конструкции кольцевых сверл сложнее, чем в других конструкциях инструментов для обработки отверстий, обеспечить геометрическую точность расположения лезвий относительно главной оси инструмента. Для повышения стойкости инструмента необходимо уменьшать трение между инструментом и обрабатываемой деталью, понижать температуру резания, улучшая отвод теплоты из зоны резания. Это достигается выбором оптимальных по стойкости геометрических параметров, размеров режущего клина и способов охлаждения инструмента.

В процессе резания, в том числе и кольцевой обработки, важную роль играют тепловые явления, определяющие температуру в зоне резания, которая оказывает прямое воздействие на силы резания, шероховатость обрабатываемой поверхности, усадку и характер образования стружки. Тепловой режим работы кольцевого сверла тоже отличается. Отличие в том, что тепло распределяется между стружкой, режущим инструментом, образующимся при сверлении керном и обрабатываемой заготовкой. Для меньших сил резания и выделяемого тепла режущая часть инструмента должна иметь маленькую толщину. Жесткость инструмента из-за тонкостенной режущей части понижена. С увеличением ширина режущей части жесткость инструмента растет, с увеличением глубины реза - снижается. Из-за неуравновешенности конструкции и сил резания у инструментов для кольцевой обработки повышена виброактивность.

Заготовка Керн.

Инструмент, главным образом, изнашивается по главной задней и главной передней поверхностям. Из-за геометрической неточности изготовления износ зубьев будет не равномерным. Площади контакта инструмента и обрабатываемой детали для каждого зуба разные. Чем больше площадь контакта, тем ниже износостойкость режущего зуба. Геометрическая точность инструмента и обрабатываемой детали зависят от требуемой точности изготовления детали. Режущая часть - это самый сложный элемент сверла с точки зрения технологичности, так как от точности изготовления рабочей части будет зависеть износ инструмента. Так же необходимо различать точность при обработке наружной поверхностью режущей части или внутренней.

Рисунок 2.2 - Зависимости жесткости инструмента от геометрических параметров

Во время процесса резания образуется стружка, для каждого обрабатываемого материала она своя. Ее необходимо либо отводить, либо накапливать до извлечения инструмента.

Охлаждение инструмента и детали может происходить либо естественным путем, когда часть тепла уходит со стружкой, часть в инструмент, часть остается в детали, либо искусственным, с помощью СОЖ или сжатого воздуха.

При сверлении отверстий к режущим кромкам инструмента необходимо подводить в больших количествах смазочно-охлаждающую жидкость, которая облегчает процесс резания, обеспечивает надежное и своевременное вымывание образовавшейся стружки и отвод теплоты от режущих кромок инструмента. Наиболее совершенным методом является подача жидкости через отверстие, проходящее через хвостовик сверла. А именно подвод СОЖ или сжатого воздуха в зону резания должен осуществляться через внутренние стружечные канавки.

На наружной поверхности кольцевого сверла необходимы стружечные канавки для облегчения удаления стружки. Отвод стружки при кольцевом сверлении происходит во взвешенном состоянии в потоке сжатого воздуха либо охлаждающей жидкости, подаваемой под давлением в зону резания.

Все перечисленные особенности условий работы инструмента, при проектировании конструкции, должны найти рациональные решения с эксплуатационной и с технологической точек зрения.

Существуют проблемы, связанные с разработкой конструкции инструментов для кольцевой обработки, а именно:

. Необходимость малой ширины реза. Это необходимо для уменьшения сил резания, количества выделяемого тепла и расхода энергии, экономии обрабатывающего материала, меньшего объема стружки и сокращения времени на обработку.

. Существующие конструкции кольцевых сверл имеют простую геометрию режущего зуба, не имеют стружкоотводящих канавок, что значительно ухудшает условия работы инструмента.

. Требуется достаточно большая глубина резания (вылет режущей части) для обработки, которая влечет за собой снижение жесткости инструмента и точности обрабатываемого отверстия.

. Кольцевое сверление - это несвободное резание, сверло работает в стесненных условиях. Необходимо принять такие решения, которые облегчат процесс обработки, спроектировать режущий клин с правильной геометрией.

. Отсутствие каналов для подачи СОЖ или сжатого воздуха в рабочую зону. Применение СОЖ для инструментов имеет большое значение. При кольцевом сверлении с охлаждением снижается температура резания, таким образом, повышается стойкость инструмента. При разработке конструкционного инструмента необходимо обращать внимание на то, чтобы струя жидкости беспрепятственно попадала в зону резания. Большое влияние оказывает внутреннее охлаждение, когда жидкость или воздух по внутреннему каналу подается непосредственно в зону резания. Применяется при глубоком сверлении. Особое значение имеет внутреннее охлаждение для инструмента, оснащенного твердым сплавом.

. Существующие конструкции инструментов для кольцевой обработки не предусмотрены для использования на станке, так как присоединительная часть, у большинства из них, спроектирована под ручную дрель.

При анализе состояния вопроса, в литературных источниках не было найдено информации о методике разработки инструментов для кольцевой обработки (из какого материала, какие геометрические параметры присоединительной, направляющих и режущей частей), про физические характеристики кольцевого сверла (силы резания, тепловые явления, вибрации и тому подобное).

Также нет информации о технологии изготовления режущего инструмента. В справочной литературе не дается рекомендаций по выбору и применению (какие необходимы режимы обработки) инструмента для кольцевой обработки. Даны лишь обрывочные сведения о кольцевом инструменте.

3. РАЗРАБОТКА МЕТОДИКИ ПРОЕКТИРОВАНИЯ КОЛЬЦЕВЫХ СВЕРЛ

Методика конструирования инструментов для кольцевой обработки основана на анализе условий работы инструмента.

Для упрощения конструкторских работ и сокращения возможных недоработок задачи проектирования целесообразно решать в определенной последовательности:

.        Изучение или разработка технического задания;

.        Проектирование рабочей (режущей) части;

.        Проектирование присоединительной части;

.        Проектирование направляющей части;

.        Разработка технических требований.

В состав работ по проектированию, разработке конструкций инструментов для кольцевого сверления входит: а) разработка чертежей на элементы конструкции сверла и сборочный чертеж; б) разработка технических требований; в) составление спецификаций.

Проектирование инструментов в условиях инструментального производства машиностроительного предприятия сложилось в определенную систему. Как и любое проектирование, проектирование инструментов для кольцевой обработки необходимо начать с изучения исходных данных, а именно, сведения об используемом оборудовании, об обрабатываемой детали и о характере и условиях работы инструмента, по которым определяют принципиальные особенности его конструкции.

Изучение исходных данных проводится в форме анализа по схеме: недостатки существующих конструкций - причины - предложения по устранению недостатков. На основе анализа формулируются требования к инструменту.

Необходимо выбрать тип конструкции инструмента: цельная, сборная или составная.

3.1 Этапы проектирования режущей части кольцевого сверла

1.      Выбор конкретной марки инструментального материала режущей части и способа ее закрепления в корпусе. Выбор марки производить путем последовательного отбора по прочности, тепло- и износостойкости, технологичности и экономичности. По теплостойкости подходят все материалы, за исключением углеродистых и низколегированных сталей, так как скорость резания мала. По прочности нельзя применять минералокерамику и СТМ. Приемлемыми будут являться быстрорежущие стали. Возможно применение и легированной стали (типа ХГТ, ХГВ), но у них скорость резания 10 м/мин, т.е. низкая производительность. Мы предлагаем режущую часть изготавливать или из быстрорежущей стали Р6М5 ГОСТ 19265-73, стали с припаянными твердосплавными пластинками или в виде твердосплавных стержней из ВК8, Т15К6. При обработке трудно обрабатываемых материалов экономически выгоднее производить кольцевые сверла из быстрорежущей стали Р9К10, Р9К5, Р18К5Ф2 или твердого сплава. Сведения о свойствах и применяемости инструментальных материалов подробно изложены в специальной литературе. Инструмент экономичнее изготавливать сборным. Способ крепления режущей части или клинья или с помощью цанги. Способ определяет работоспособность инструмента, а именно, жесткость и прочность инструмента, его стойкость, производительность и экономичность.

2.      Выбор формы режущей части. Это может быть как цилиндрическая втулка, так и свернутый элемент с поперечной или наклонной прорезью.

Рисунок 3.1 - Развертка режущей части (с поперечной прорезью)

3.      Выбор схемы резания, разработка схемы кольцевого инструмента. Схема резания кольцевым сверлом (рисунок 3.4) должна быть выбрана так, чтобы обеспечить минимум приведенных затрат на операции использования инструмента: высокую производительность обработки, минимум энергетических затрат и высокую экономичность кольцевого сверла. Обработка - кольцевая. Проектирование принципиальной схемы сверла должно обеспечить технологичность конструкции, удобство при эксплуатации и хороший отвод стружки из зоны резания. Этот этап заканчиваем эскизом, определяющим принципиальную схему конструкции и форму инструмента.

Рисунок 3.2 - Схема резания кольцевого сверла

4.      Выбор геометрических параметров режущей части, а именно, форма рабочих поверхностей, режущих кромок и углов, зависит от обрабатываемого и обрабатывающего материалов, от заданной точности обработки, шероховатости обработанной поверхности, требуемых сил и температур резания и тому подобное. К тому же режущая часть кольцевого сверла должна иметь такие геометрические параметры, при которых ее стойкость наиболее высокая, что достигается при оптимальных силах и температуре резания, конкретной для каждой пары: материал режущей части сверла-материал обрабатываемой детали. На стадии проектирования необходимо пользоваться сведениями справочной литературы.

При выборе формы рабочих поверхностей предлагаем остановиться на наиболее технологичной - плоскость, так как в литературных источниках нет сведений о влиянии формы передней и задней поверхностей режущей части на стойкость.

При проектировании рабочей части для кольцевого сверла необходимо подбирать два основных угла - главный передний γ (таблица 3.1) и главный задний α. Выбор углов осуществляется в зависимости от обрабатываемого и режущего материалов, что влияет на стойкость инструмента. Таким образом, чем менее твердый и прочный обрабатываемый материал и чем выше теплопроводность обрабатывающего и обрабатываемого материалов, тем большие значения передних углов необходимо задавать. Значение заднего угла нужно увеличивать при уменьшении толщины среза. Задний угол у инструмента для кольцевой обработки необходимо выбирать в пределах 4…8о, чтоб увеличить срок службы до переточки. Большие величины заднего угла приведут к ослаблению режущей кромки сверла. Меньшие значения - приведут к образованию плоской площадки, из-за чего частые переточки. Но все же, даже при выборе оптимальных по стойкости углов, из-за особенностей условий работы кольцевого сверла и требуемой точности обработки, повысить скорость резания, то есть и производительность, не получится. Подводя итог, углы режущей части необходимо подбирать так, чтобы стойкость кольцевого сверла была повышенной. Шероховатость передней и задней поверхностей режущих частей не должна превышать Ra0,63.

Рисунок 3.3 - Углы режущего зуба

От угла наклона стружечной канавки зависит направление схода стружки, прочность режущей части, работа и температура резания, плавность работы многолезвийного инструмента и др. Мы для целесообразного направления отвода стружки из зоны резания предлагаем угол ω=40-50о.

Таблица 3.1 - Рекомендуемые значения передних углов

Обрабатываемый материал

σв, МПа

НВ

γ, град




Быстрорежущая сталь

Алюминий, медь

-

-

3-8

Сталь

До 500

До 150

3-6

Сталь

500-600

150-175

2-5

Сталь

600-…

175-…

0-3

Чугун

-

До 180

2-5

Чугун

-

180-…

0-3


5.      Выбор способов отвода стружки из зоны резания. Важным условием нормальной работы инструментов для кольцевой обработки является беспрепятственный отвод стружки из зоны резания. Для решения данной проблемы, предлагаем стружечные канавки, по которым стружка будет самопроизвольно выходить из зоны резания. Стружечные канавки прямые, как наиболее технологичные. Так же можно профрезеровать стружечные канавки внутри режущей части для лучшего охлаждения в зоне резания и лучшего выведения стружки по наружным канавкам вместе с СОЖ. Вывод стружки способствует повышению стойкости инструментов для кольцевой обработки и увеличению производительности. Стружечная канавка должна иметь такую ширину, чтобы стружка, в крайнем случае, смогла разместиться в ней.

6.      Расчет зубьев на прочность и жесткость производить по расчету сил резания и расчету напряженно-деформированного состояния, принимая большой коэффициент запаса прочности. При проектировании следует обращать внимание на недопущение концентраторов напряжений, особенно в местах перехода одной поверхности в другую. Переходы должны быть плавными, острые внутренние углы не допускаются.

7.      Оптимизация размеров, формы и шага зубьев и стружечных канавок. Все эти параметры взаимосвязаны и взаимозависимы. От шага зависят число одновременно режущих зубьев и сечение срезаемого слоя, то есть производительность. Шаг определяется размерами зуба. При проектировании режущей части следует начать с разработки формы и размеров зуба, от которого будут зависеть форма и размеры стружечной канавки. Необходимо так подобрать размер зуба, чтобы толщина и ширина среза были оптимальны и давали инструменту большую производительность. Мы предлагаем остроконечный трапециевидный зуб, так как он является наиболее технологичным. Треугольная форма зуба не перетачивается, криволинейная - не обоснована, затылованная - не технологична (рисунок 3.7). Кольцевое сверло относится к такому типу инструментов, где количество зубьев определяется по практическим рекомендациям. При выборе количества зубьев рекомендуем исходить из того, что для обработки вязких и пластичных материалов необходим крупный зуб, для хрупких материалов - мелкий зуб. Предпочтение необходимо отдавать нечетному количеству зубьев, так как будет меньше вибраций, дадут лучшую динамику.

Рисунок 3.4 - Формы зуба:а - трапециевидная; б - треугольная; в - криволинейная; г - затылованная

Формы стружечной канавки приведены на рисунке 3.4. Треугольная канавка с закруглением  для лучшего отвода стружки. Размеры связаны с накоплением стружки. Для накопления стружки необходимо рассчитать размеры канавки, она должна иметь большую площадь. Должны быть стружечные канавки торцевые и боковые (внутренние и наружные).

Рисунок 3.5 - Формы стружечных канавок: а - радиусная; б - треугольная; в - прямоугольная форма с закруглением

8.      Определение размеров, формы и точности рабочей части зависят от требуемых размеров обрабатываемой детали. Так же должны обеспечить оптимальные размеры, достаточную прочность и жесткость инструмента, использование на выбранном станке и возможность изготовления инструмента. В таблице 3.2 представлены рекомендуемые параметры режущей части кольцевого сверла.

Таблица 3.2 - Параметры режущей части

№ п/п

Диаметр, мм

Ширина, мм

Глубина (вылет), мм

1

…-19

2

…-20

2

20-29


…-30

3

30-39

3


4

40-49



5

50-59


…-40

6

60-69



7

70-79

4


8

80-89



9

90-99

5

…-60

10

100-109



11

110-129

6


12

130-...


…-70


9.      Выбор способов отвода теплоты из зоны резания. Этот пункт необходим с целью повышения производительности. Для лучшего отвода теплоты необходимо подобрать оптимальные по стойкости геометрические параметры и размеры зуба, а также обеспечить подачу СОЖ или сжатого воздуха в зону резания и на сам инструмент.

Подвод охлаждения в зону резания через внутренний канал в хвостовике и распыление через форсунку. Мы предлагаем две разновидности форсунок, изображенных на рисунке 3.6.

Рисунок 3.6 - Форсунки: а - щелевая; б - с отверстиями

10.    Окончательная оптимизация конструкции рабочей части по минимуму приведенных затрат. Это необходимо для того, чтобы при проектировании, во время соединения выбранных выше оптимальных элементов конструкции, в случае возникновения противоречий, проблемы решались, а элементы конструкции оптимизировались.

3.2 Проектирование присоединительной части

1.      Выбор способа присоединения инструмента к станку (быстросменность, точность, жесткость). Хвостовик должен быть коническим, самотормозящим, адаптированным к сверлильным и вертикально-фрезерным станкам. Кольцевое сверло закрепляется на станке с помощью хвостовика с конусом Морзе ГОСТ 25557-82 (№ 3, № 4 или №5, зависит от требуемого диаметра режущей части, чтобы хвостовик справлялся с крутящим моментом) для более высокой точности и жесткости его закрепления, для высокой производительности. Инструмент является хвостовым, и с использованием такого конуса не требуется инструментальных приспособлений. Такую конструкцию предлагаем использовать для плотного прилегания конусов, минимального вылета сверла, возможности использования меньшего количества переходников и быстрого удаления кольцевого сверла из гнезда шпинделя. Размер хвостовика может быть определен расчетным способом, из условия достаточной жесткости и прочности.

Форма хвостовик зависит от станка, на котором будет применяться инструмент и от назначения хвостовика (с отверстием). Для сверлильных станков рационально использовать хвостовик с лапкой.

Для вертикально-фрезерных станков - хвостовик с отверстием для подачи охлаждения.

Рисунок 3.7 - Формы хвостовиков: а - с лапкой; б - с отверстием для подачи СОЖ

.        Выбор формы базовых поверхностей. Базовой поверхностью у инструмента для кольцевой обработки является наружная коническая, обеспечивающая точность базирования и технологичность сверла. Присоединительные размеры базовых поверхностей следует принять из числа стандартизованных для повышения экономичности инструмента (в том числе и экономия на контрольно-измерительных инструментах).

.        Выбор материала присоединительной части заключается в обеспечении прочности и теплопроводности, низкой стоимости и без содержания дефицитных элементов. Так же материал должен хорошо обрабатываться и сохранять точность и форму после термообработки. Для разрабатываемых кольцевых сверл предлагаем использовать конструкционные стали 40, 40Х, 40ХН, 45, 45Х, 50 ГОСТ 1050-74, которые в полной мере отвечаю предъявляемым выше требованиям.

.        Выбор способа соединения с режущей частью и закрепления. Предлагаем соединять рабочую часть с хвостовой с помощью переходных деталей, это позволит унифицировать некоторые элементы конструкции и сделать инструмент сборным, что удешевит конструкцию. В корпусе необходимо выполнить точное посадочное отверстие для установки режущей части, чтобы избежать возникновения геометрической неточности. В качестве переходников предлагаем использовать клинья (3), которые будут прижимать режущую часть к корпусу инструмента (рисунки 3.8).

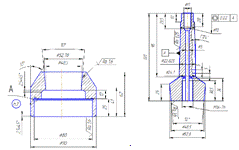
Рисунок 3.8 - Кольцевое сверло с клиновым креплением полотна: а - сборочный чертеж; б - 3D-модель сверла

Так же предлагаем инструмент с цанговым креплением полотна (рисунок 3.12) - центрирование режущей части относительно охватывающей поверхности. Хвостовой корпус (1) и корпус (2) соединяются самоторможением, углом 10о. Режущая часть (3) обхватывается с одной стороны корпусом, с другой зажимается через цангу (4) чашкой (5). Сила зажима регулируется болтом (6,7,8). Цанга разрабатывается специальная укороченная, напоминающая разрезную втулку.

Возможно соединение чашки (2) с корпусом (1) ручной дуговой сваркой стыковым швом С8 по ГОСТ 5264-80. Вариант конструкции представлен на рисунке 3.13. Штифт (3) необходим один, так как два и более сложно установить по заданным посадкам. Специальный винт (4) принимаем М20, для надежного соединения хвостовика и чашки. Необходима шайба (5). Детали собираются механически одна за другой.

Еще один способ соединения - когда режущее полотно (4) зажимается между оправкой (3) и обоймой (2), далее винтом (5) притягивается к корпусу (1).

Рисунок 3.9 - Кольцевое сверло с цанговым креплением полотна

Рисунок 3.10 - Кольцевое сверло с чашкой

Рисунок 3.11 - Кольцевое сверло с фланцевым креплением полотна

Расчет присоединительной части на прочность, жесткость и точность базирования (курс сопромата). Работоспособность такого рода хвостовиков многократно проверена на практике.

3.3 Проектирование направляющих частей

1.      Оценка необходимости направляющей части.

.        Выбор способа направления инструмента в работе.

.        Выбор материала направляющей части.

.        Выбор места расположения направляющих частей и способа их соединения с остальными частями инструмента.

.        Конструктивное оформление направляющей части.

В нашем случае с инструментом для кольцевой обработки, в качестве направляющей части можно принять корпус, цангу, чашку, болт. Для повышения жесткости и снижения виброактивности используем массивный корпус. Корпус с хвостовой часть может быть цельным (рисунок 3.11), а может соединяться с помощью самоцентрирующей конической поверхности (рисунок 3.12).

Цангу предлагаем изготавливать как разрезную с обеих сторон втулку из стали с повышенными упругими свойствами 65Г, 55ХФА. Сепараторы для инструмента с твердосплавными стержнями рационально изготавливать из материалов с податливыми свойствами для обжима сепараторов цангой, а именно, латуни, Ст3.

3.4 Разработка технических требований

Разработка технических требований заключается в указании:

)        материалы режущей части (сталь Р6М5, сплав Т15К6 и др.) и корпуса (сталь 40Х);

)        твердости составных частей инструмента (если инструмент цельный, то указывать необходимо общую твердость);

)        шероховатости поверхностей;

)        отклонений размеров и точности расположения, не указанные на рабочем чертеже;

)        методов повышения режущей способности. Из известных методов выбирается наиболее приемлемый. Мы предлагаем нанесение износостойких покрытий, что увеличит стойкость инструмента в 2 и более раз, при небольших затратах на упрочнение.

)        маркировки, упаковки и способов хранения. Маркировать инструмент для кольцевой обработки следует так: КС80, Р6М5, дата изготовления (Кольцевое сверло диаметром 80 мм из стали Р6М5).

Так же на режущую часть можно нанести покрытие (например, азотирование, цианирование или сульфидирование), которое увеличит износостойкость, твердость и коррозионную стойкость. Разрабатываемый инструмент предполагает многократную переточку, поэтому нанесение износостойких покрытий не рационально.

Для обработки точных отверстий необходимо обеспечить геометрическую точность, которая зависит от точности посадочного места относительно оси корпуса (нормальная точность - 10 квалитет точности, биение 0,04, высокая - 9-8 кв.т., биение 0,02, повышенная - 7-6 кв.т, биение 0,01).

Технические требования указывают над основной надписью.

Критерием оценки правильности принятых решений является минимум приведенных затрат на операции использования кольцевого сверла. Разработка оптимального инструмента возможна при использовании прогрессивных методов. Но и не возможна без применение стандартных, уже известных решений, что не только ускоряет процесс проектирования, но и повышает надежность инструмента. Прежде всего, при проектировании в качестве стандартных элементов необходимо рассмотреть: форму и размеры присоединительной части (в нашем случае это хвостовик), форму режущих зубьев, технические требования по инструментам аналогам и другие элементы конструкции, необходимые для закрепления режущей части в корпусе.

Чертеж инструмента для кольцевой обработки должен быть представлен минимально необходимым числом проекций, которые дадут ясную картину, полностью раскрывающую конструкцию инструмента. На этих видах необходимо указать конструктивные параметры кольцевого сверла, а именно, габаритные и присоединительные размеры, диаметр сверления, ширину и глубину режущей части, углы и геометрические размеры режущей части. Для всех указанных размеров на рабочем чертеже должны быть указаны предельные отклонения. Так же необходимо на чертежах указать шероховатость поверхности, технические требования. Если необходимо, то составить спецификацию.

4. РАЗРАБОТКА КОНСТРУКЦИЙ КОЛЬЦЕВЫХ СВЕРЛ

Кольцевое сверло представляет собой многолезвийный инструмент, каждый зуб которого подобен резцу и имеет все его основные геометрические параметры. Геометрия сверла помимо углов характеризуется следующими параметрами: окружным шагом, центральным углом и радиусом между зубьями и высотой зуба. Эти параметры сформируют размер впадины между зубьями. Стружка в определенный момент времени находится во впадине, которая должна быть достаточного объема. К геометрическим параметрам кольцевого сверла со стружечными канавками относится ширина, высота и угол наклона канавки.

К основным особенностям процесса обработки лезвийным инструментом для кольцевого резания можно отнести: высокие силы резания и вибрации, низкая стойкость инструмента, затруднен отвод стружки и, как следствие этих особенностей, низкая производительность и высокая себестоимость обработки. Для устранения представленных недостатков следуют прогрессивной схеме резания, но ее применение ограничивает сложность в уравновешивании сил резания и создании устойчивого процесса обработки.

Существующие в настоящее время конструкции инструментов имеют низкие технологические возможности, а именно производительность, из-за больших сил резания и как следствие, невозможность использования в производственных условиях, а также неполного использования из-за мелких улучшений, не приводящих к значительным эффектам.

Процесс кольцевого резания включает обработку внутренней и наружной цилиндрических поверхностей, а также торца и представляет собой разновидность точения и сверления, следовательно, в работе был использован тот научно-технический опыт, который накоплен по данной теме за весь период. Как известно, производительность резания материалов, а также качество обработанных поверхностей и их эксплуатационные свойства существенно зависят от интенсивности вибраций, сопровождающих лезвийную обработку.

В свою очередь, уменьшение сил резания и вибраций способствуют повышению качества обработанных поверхностей, устойчивости и стабильности процесса кольцевого резания. Все это ведет к сокращению количества поломок инструмента, к повышению его работоспособности и снижению интенсивности износа.[12]

При проектировании кольцевого сверла для обработки алюминия, при крупносерийном производстве, на первый план выдвигается требование износостойкости.

Чтобы инструмент был работоспособным и оптимальным, материал его режущей части должен обладать высокой твердостью, прочностью, износостойкостью, теплостойкостью (красностойкостью), ударной вязкостью и циклической прочностью, термодинамической прочностью, теплоемкостью, теплопроводностью, малым сродством к обрабатываемому материалу, хорошо обрабатываться и не содержать дефицитных элементов. Инструментальная промышленность пока не имеет такого материала, который в полной мере отвечал бы всем перечисленным требованиям, а есть определенные группы материалов, отвечающих части из этих требований: инструментальные углеродистые и легированные стали, быстрорежущие стали, твердые сплавы, минералокерамика, естественные и искусственные твердые минералы (алмаз, рубин, кубический нитрид бора).

С учетом выше приведенной методики и для решения поставленных задач нами сконструировано 5 оптимальных конструкции инструментов для кольцевого сверления. Каждая конструкция по-своему уникальна. При проектирования кольцевого сверла мы так же использовали уже известные элементы конструкций инструментов, например, хвостовик, цанга, клинья.

Присоединительной частью во всех конструкциях является хвостовик с конусом Морзе ГОСТ 25557-82 (№ 3, № 4 или № 5).

4.1 Проектирования присоединительной части

Корпус инструмента при работе несет большую нагрузку на скручивание, сжатие и т.п. Поэтому он подвергается закалке, причем его хвостовая часть, предназначенная для соединения с механизмом, закаливается до меньшей твердости.

Большое значение имеет также точность изготовления стального корпуса и точность установки режущей части в корпусе, так как от этого зависит величина диаметра получаемых отверстий. Поэтому в чертежах устанавливаем допустимое минимальное радиальное биение рабочих поверхностей инструмента относительно оси вращения, величина которого (обычно десятые-сотые доли миллиметра) зависит также и от диаметра инструмента.

Для обеспечения заданных размеров обработки инструмент должен занимать определенное положение относительно станка или обрабатываемой детали и не изменять этого положения во время работы. Кольцевое сверло будем соединять неподвижно со шпинделем станка непосредственно или с помощью переходников, например втулки конусной переходной, через конический хвостовик сверла (конус Морзе № 3, № 4 или № 5 ГОСТ 25557-82). Хвостовик имеет лапку, которая предназначена для выбивания сверла из гнезда шпинделя станка или переходной втулки. Еще есть шейка для выхода шлифовального круга при шлифовании хвостовика. Материалы для корпусов должны обладать достаточной прочностью и теплопроводностью, сохранять точность размеров и формы после термообработки, хорошо обрабатываться и обеспечивать прочное соединение с режущей частью после сборочных работ, а также быть дешевым и не содержать дефицитных элементов. Всем этим требованиям в полной мере и отвечает конструкционная легированная качественная сталь 40Х по ГОСТ 4543-71. Твердость 28…35 HRC.

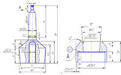
Корпус кольцевого сверла с клиновым креплением полотна (рисунок 4.1) цельный ступенчатый. В нем просверлим 6 сквозных отверстий Ø11 мм, под углом 5о. Это будут посадочные места под конические клинья. Так же просверлим (расточим) глухую канавку под режущую часть шириной 3 мм, глубиной 20 мм.

Корпус кольцевого сверла с твердосплавными стержнями будем конструировать сборным (рисунок 4.2) - это корпус и хвостовой корпус, которые соединяются между собой самотормозящим углом 10о и болтом М20. В хвостовом корпусе, соответственно есть глухое резьбовое отверстие М20Н7 длиной не менее 54,5 мм.

Рисунок 4.1 - Корпус кольцевого сверла с клиновым креплением полотна

Рисунок 4.2 - Корпусы кольцевого сверла с твердосплавными стержнями: а - хвостовой корпус; б - корпус (чашка)

Корпус кольцевого сверла с отверстием для подачи СОЖ разборный (рисунок 4.3) - это так же корпус (чашка) и корпус для кольцевого сверла с отверстием для подачи СОЖ, которые соединяются между собой самотормозящим углом 10о и болтом М16. В хвостовом корпусе, соответственно есть сквозное отверстие Ø 5 мм, для подвода СОЖ в зону резания и резьбовое отверстие большего диаметра на длину 34 мм.

В корпусе предусмотрено сквозное центральное отверстие, предназначенное для подачи воздушного или жидкого охлаждения (также с возможностью прижатия сердцевины), для уменьшения износа инструмента, для облегчения конструкции (жесткость не снижает), может быть использовано для выколотки, как элемент крепления к шпинделю. Для лучшего качества поверхности будем использовать жидкости, обладающие высокими смазывающими свойствами.

Рисунок 4.3 - Корпусы кольцевого сверла с твердосплавными стержнями: а - корпус (чашка); б - корпус для кольцевого сверла с отверстием для подачи СОЖ

На рисунках 4.4 и 4.5 представлены цельные корпуса сверл, в которых необходимо просверлить отверстия для дальнейшего соединения с режущей частью с помощью винтов.

Рисунок 4.4 - Корпус кольцевого сверла с чашкой

Рисунок 4.5 - Корпусы кольцевого сверла с фланцевым креплением полотна

С рабочей (режущей) частью корпус соединяем в разных конструкциях по-разному. В конструкции кольцевого сверла с клиновым креплением полотна, с помощью клиньев, в конструкции кольцевого сверла с твердосплавными стержнями и в конструкции с отверстием для подачи СОЖ - цанга, чашка и болт, в конструкции с чашкой - сварка, в конструкции с фланцевым креплением - зажим оправки и обоймы с помощью винтов. Работоспособность хвостовика многократно проверена производственной практикой. Поэтому расчеты хвостовика на прочность и точность позиционирования не производим.

Теперь рассмотрим индивидуальные особенности каждого сверла.

4.2    Проектирование кольцевого сверла с клиновым креплением полотна

Начнем проектирование рабочей части с выбора режущего материала. По теплостойкости подходят все режущие материалы. По прочности нельзя применять минералокерамику и СТМ. Твердый сплав экономически не уместен.

Режущую часть (ножовочное полотно) экономически выгоднее делать из быстрорежущей стали вместо углеродистой или низколегированной инструментальной, удовлетворяющей требованиям теплостойкости, прочности и технологичности. Износостойкость быстрорежущих полотен в десятки раз выше износостойкости полотен из углеродистой стали, в связи с чем, увеличивается их общий срок службы и экономичность, хотя они в несколько раз дороже углеродистых. К тому же сверла из быстрорежущей стали допускают более высокие скорости резания, чем сверла из углеродистой стали. Поэтому окончательно выбираем быстрорежущую сталь Р6М5 ГОСТ 19265-73. Твердость 64…66 HRC.

Выбор геометрических параметров кольцевого сверла осуществляем с использованием справочной литературы и особенностей разрабатываемого инструмента. Пользуясь этими рекомендациями главный передний угол γ=-10÷+10° (принимаем оптимальный угол γ=6°); главный задний угол α=5÷10° (принимаем α=6°). Высота зуба составляет 5,6 мм.

Форма рабочих поверхностей оказывает влияние на приведенные затраты через стойкость и технологичность сверла. Поскольку в литературе нет сведений о влиянии формы этих поверхностей на стойкость инструментов, то выбираем их по технологичности: и главная передняя и главная задняя поверхности - плоскости. Оптимальность выбранных значений геометрических параметров можно уточнить лишь экспериментом в конкретных условиях кольцевого сверления. Поэтому оставляем ранее принятыми по рекомендациям справочной литературы.

Стружка, как и у всех многолезвийных инструментов, свободно сходит по передней поверхности, формируется стружечной канавкой и в ней размещается.

Шаг зубьев определяется их числом. Число зубьев зависит от диаметра сверления. При Ø74-80 мм длина режущей части в развертке рассчитывается по формуле (4.1).

              (4.1)

Принимаем l=240 мм. На длине 240 мм разместим 18 зубьев, тогда шаг зубьев составит 240/18=13,33 мм.

Форма режущей части - полотно, свернутое и образующее цилиндрическую поверхность с зубьями и стружечными канавками. Длина рабочей части может быть различной, принимаем 50 мм, так как 20 мм посадочное место в корпусе, 20-40 мм возможная глубина сверления. По мере износа зубья перезатачиваются по наиболее изношенной поверхности, у нас это главная задняя поверхность.

Зубья также можно изготовить с развальцовкой, то есть их кончики чередуются, то вправо, то влево. Чем больше угол наклона зуба, тем меньше будет заклинивать и забивать стружкой режущую часть и тем шире полоса пропила.

Для надежного закрепления режущего полотна с корпусом кольцевого сверла необходимо 6 клиньев. Клинья будем изготавливать из стали 40Х ГОСТ 4543-71. Одна половинка клина имеет цилиндрическую поверхность для большего контакта с корпусом сверла, а вторая половинка - плоскую поверхность - для прижатия режущей части к корпусу. По итогам конструирования получили сверло, изображенное на рисунке 4.6.

Рисунок 4.6 - Кольцевое сверло с клиновым креплением полотна: 1 - клин; 2 - корпус; 3 - режущая часть

Для данной конструкции разработали технические условия:

.Режущая часть (лезвие) предварительно затачивается в развернутом состоянии, затем сворачивается на вальцах и проходит упрочняющую термическую обработку до HRC 64…66, далее фиксируется коническими клиньями в рабочем положении и затачивается повторно.

. Радиальное и торцевое биение режущих вершин зубьев относительно оси хвостовика не более 0,02 мм.

. Зазор между торцами свернутой режущей части не должен превышать шаг зуба.

. H14, h14±IT14/2.

. *-размеры для справок.

.** - размеры варьируются для разных исполнений кольцевого сверла.

Так же оформлена спецификация на сборочный чертеж, приведена в приложении. Технологию изготовления режущей части смотри в разделе 7.

4.3 Проектирование кольцевого сверла с твердосплавными стержнями

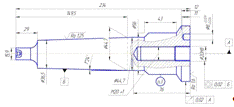
Конструкция кольцевого сверла - сборная. Состоит из хвостового корпуса, корпуса, цанги, внутреннего и наружного колец (сепараторов), твердосплавных стержней, чашки, стандартных болта М20 и шайбы.

Хвостовой корпус и корпус соединяются самоторможением, углом 10о. Так же хвостовой корпус закрепляется через болт. Твердосплавные стержни обхватываются с обеих сторон наружным и внутренним кольцами и зажимаются через цангу чашкой. Сила зажима регулируется болтом. Пружинная шайба служит против самоотвинчивания болта. Вылет (глубина резания) твердосплавных стержней может меняться. Размеры корпуса, цанги, чашки, внутреннего и наружного колец назначаются конструктивно, в зависимости от необходимого диаметра сверления. Порядок проектирования хвостового корпуса смотри в разделе 4.1. Хвостовой корпус унифицирован, может использоваться несколько раз на разные диаметры сверления. Сепараторы (внутреннее и наружное кольцо) для инструмента с твердосплавными стержнями рационально изготавливать из материалов с податливыми свойствами для обжима сепараторов цангой, а именно, латуни, Ст3. Материалом для цанги (рисунок 4.7) служит сталь 65Г ГОСТ 14959-79.

Рисунок 4.7 - Цанга

По итогам конструирования получили сверло, изображенное на рисунке 4.8. Конструкция инструмента унифицирована, то есть заменив хвостовой корпус и болт, добавив форсунку, мы получим инструмент, который обеспечит лучшие условия работы, так как особое значение имеет внутреннее охлаждение для инструмента, оснащенного твердым сплавом.

Рисунок 4.8 - Кольцевое сверло с твердосплавными стержнями: 1 - хвостовой корпус; 2 - корпус; 3 - цанга; 4 - наружное кольцо; 5 - внутреннее кольцо; 6 - твердосплавный стержень; 7 - чашка; 8 - болт М20; 9 - Шайба 20

Для данной конструкции также разработаны технические условия:

. Режущая часть (твердосплавные стержни) затачивается и закрепляется в корпус сверла с помощью цанги, внутреннего и наружного кольца.

. Радиальное и торцевое биение режущей кромки стержня относительно оси хвостовика 0,02 мм.

. Количество, форма и диаметр стержней могут меняться с заменой зависящих от этого сменных элементов.

. Возможна перезаточка стержней в собранном состоянии.

. HRC 28…32.

. H14, h14±IT14/2.

. *-размеры для справок.

Так же оформлена спецификация на сборочный чертеж, приведена в приложении.

4.4 Проектирование кольцевого сверла с отверстием для подачи СОЖ

Конструкция кольцевого сверла - сборная. Состоит из корпуса для кольцевого сверла с отверстием для подачи СОЖ, корпуса, режущего полотна, цанги, чашки, специального болта, форсунки и пружинной шайбы.

Хвостовой корпус и корпус соединяются самоторможением, углом 10о. Режущая часть прижимается к корпусу с помощью цанги. Сила зажима регулируется болтом. Пружинная шайба необходима против самоотвинчивания болта. Вылет (глубина резания) может меняться. Размеры корпуса, цанги и чашки назначаются конструктивно, в зависимости от необходимого диаметра сверления. Порядок проектирования хвостового корпуса смотри в разделе 4.1. Хвостовой корпус унифицирован, может использоваться несколько раз на разные диаметры сверления.

Конструкция инструмента может быть также собрана с хвостовиком и болтом без центрального отверстия, без форсунки.

Плоскофакельная форсунка (рисунок 4.9) предусмотрена для равномерного распределения СОЖ, которая подается по внутреннему каналу сверла, при кольцевом сверлении подача охлаждающей жидкости в зону резания и надежный отвод стружки имеют большое значение. Форсунка изготовлена из стали 40Х ГОСТ 4543-71.

Режущую часть экономически выгоднее делать из быстрорежущей стали. Сверла из быстрорежущей стали допускают более высокие скорости резания, чем сверла из углеродистой стали. Поэтому окончательно выбираем сталь Р6М5 ГОСТ 19265-73. Твердость 64…66 HRC.

Выбор геометрических параметров режущей части, а именно, форма рабочих поверхностей, режущих кромок и углов, зависит от обрабатываемого и обрабатывающего материалов, от заданной точности обработки, шероховатости обработанной поверхности, требуемых сил и температур резания и тому подобное. При выборе формы рабочих поверхностей предлагаем остановиться на наиболее технологичной - плоскость, так как в литературных источниках нет сведений о влиянии формы передней и задней поверхностей режущей части на стойкость.

Рисунок 4.9 - Плоскофакельная форсунка

Форма режущей части - втулка с режущими зубьями и стружечными канавками. Длина рабочей части может быть различной, принимаем 50 мм, так как 20 мм посадочное место в корпусе, 30 мм глубина сверления. По мере износа зубья перезатачиваются по наиболее изношенной поверхности, у нас это главная задняя поверхность.

Выбор геометрических параметров кольцевого сверла осуществляем с использованием справочной литературы и особенностей разрабатываемого инструмента. Пользуясь этими рекомендациями главный передний угол γ=-10÷+10° (принимаем оптимальный угол γ=6°); главный задний угол α=5÷10° (принимаем α=6°). Высота зуба составляет 5,6 мм. Мы предлагаем остроконечный трапециевидный зуб, т.к. он является наиболее технологичным. При выборе количества зубьев рекомендуем исходить из того, что для обработки вязких и пластичных материалов необходим крупный зуб.

Стружка, как и у всех многолезвийных инструментов, свободно сходит по передней поверхности, формируется стружечной канавкой и в ней размещается или выводится из зоны резания. Стружечные канавки прямые, как наиболее технологичные, располагаются с 2-х сторон, на наружной поверхности для выведения стружки из зоны резания, на внутренней - для подведения СОЖ к зубьям и выталкивания стружки через наружные канавки. Внутренние канавки расположены поперечно, из-за технологичности. Наружные канавки рациональнее располагать под углом. От угла наклона стружечной канавки зависит направление схода стружки, прочность режущей части, работа и температура резания, плавность работы многолезвийного инструмента и др. Мы для целесообразного направления отвода стружки из зоны резания предлагаем угол ω=45о.

Шаг зубьев определяется их числом. Число зубьев зависит от диаметра сверления. При Ø74-80 мм длина режущей части в развертке составит 240 мм, разместим 18 зубьев.

При проектировании следует обращать внимание на недопущение концентраторов напряжений, особенно в местах перехода одной поверхности в другую. Переходы должны быть плавными, острые внутренние углы не допускаются.

Для того чтобы режущую часть не затирало, предлагаем ее расширить в зоне резания (рисунок 4.10).

При скорости резания 35 м/мин. Температура резания не высокая, она ниже оптимальной по стойкости. Для повышения стойкости сверла особенно важно уменьшить трение на его контактных поверхностях качественной смазкой. Это обеспечивается поливом эмульсией. Она хорошо проникает в зону резания и поэтому смазывает трущиеся поверхности лучше, чем вязкие масляные средства, с трудом проникающие в зону резания из-за наполнения в процессе резания стружечных канавок сверла стружкой. Подвод СОЖ в зону резания возможен через центральное отверстие корпуса и разбрызгивание через форсунку. В качестве СОЖ для обработки заготовок из алюминиевых сплавов примем водную жидкость - Аквол-6, 5 - 20 %-я эмульсия.

Рисунок 4.10- Режущая часть

Цанга представляет собой разрезную укороченную втулку из стали с повышенными упругими свойствами 65Г ГОСТ 14959-79, целью которой является зажим режущей части в корпусе. Размеры чашки, цанги, болта, форсунки и шайбы - конструктивные, зависят от обрабатываемого диаметра. Цанга разрабатывается специальная укороченная, напоминающая разрезную втулку.

По итогам конструирования получили сверло, изображенное на рисунке 4.11.

Рисунок 4.11 - Кольцевое сверло с с отверстием для подачи СОЖ: 1 - корпус для кольцевого сверла с отверстием для подачи СОЖ; 2 - корпус; 3 - режущее полотно; 4 - цанга; 5 - чашка; 6 - болт М16; 7 - форсунка; 8 -Шайба 16

Для данной конструкции также разработаны технические условия:

. Режущая часть (лезвие) предварительно затачивается, затем проходит упрочняющую термическую обработку до HRC 64…66, далее фиксируется цангой, чашкой конической и болтом в рабочем положении.

. Радиальное и торцевое биение режущих вершин зубьев относительно оси хвостовика не более 0,02 мм.

. Возможно изменение диаметра сверления за счет замены режущего полотна, корпуса, чашки и цанги.

. H14, h14±IT14/2.

. *-размеры для справок, варьируемые.

Так же оформлена спецификация на сборочный чертеж, приведена в приложении. [13]

4.5 Проектирование кольцевого сверла с чашкой

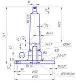
Сверло сборное, состоит из корпуса, чашки, штифта, специального винта и шайбы. Чашка соединяется с корпусом ручной дуговой сваркой стыковым швом С8 по ГОСТ 5264-80. Штифт необходим один, так как два и более сложно установить по заданным посадкам. Он необходим для передачи вращения от хвостовика к чашке и для соединения чашки с хвостовиком. Размеры штифта определились конструктивно. Специальный винт принимаем М20, для надежного соединения хвостовика и чашки. Чашка может меняться, как по материалу режущей части, так и по диаметру обработки. По итогам конструирования получили сверло, изображенное на рисунке 4.12.

Рисунок 4.12 - Кольцевое сверло с чашкой: 1 - корпус; 2 - чашка; 3 - шип (штифт); 4 - винт М20; 5 - шайба

Для данной конструкции также разработаны технические условия:

. Режущая часть (лезвие) предварительно затачивается в развернутом состоянии, затем сворачивается на вальцах и проходит упрочняющую термическую обработку до HRC 64...66, далее приваривается к чашке и затачивается повторно.

. Радиальное и торцевое биение режущих вершин зубьев относительно оси хвостовика не более 0,02.

. H14, h14±IT14/2.

. *-размеры для справок.

Так же оформлена спецификация на сборочный чертеж, представленная в приложении.

.6 Проектирование кольцевого сверла с фланцевым креплением полотна

Сверло сборное, состоит из корпуса с коническим хвостовиком, обоймы, оправки, режущей части и специального винта А. М20-6g 90.68, а также из двух стандартных винтов М6 и М10. Детали собираются механически одна за другой. Все конструкционные размеры принимались согласно техническому заданию, в котором заданы параметры. Основным является D сверления. Режущая часть - полотно либо из углеродистой или низколегированной инструментальной сталей, либо из быстрорежущей стали, с напаянным абразивом с металлической связкой, свернутое и образующее цилиндрическую поверхность. По итогам конструирования получили сверло, изображенное на рисунке 4.14.

Для данной конструкции также разработаны технические условия:

. К режущей части (лезвию) предварительно припаивается (припой ПОС 40 ГОСТ 21930-76), в развернутом состоянии, абразив с металлической связкой, затем сворачивается на вальцах, сваривается и проходит упрочняющую термическую обработку до HRC 64...66.

. Радиальное и торцевое биение режущих вершин зубьев относительно оси хвостовика не более 0,02 мм.

. H14, h14±IT14/2.

. *-размеры для справок.

Рисунок 4.14 - Кольцевое сверло с фланцевым креплением полотна: 1 - корпус; 2 - обойма; 3 - оправка; 4 - режущая часть; 5 - винт М20; 8 - винт М6; 9 - винт М10

Так же оформлена спецификация на сборочный чертеж сверла, представленная в приложении.

Для дальнейших исследований разработана 3D-модель инструмента для кольцевой обработки с отверстием для подачи СОЖ, с режущей частью из быстрорежущей стали со сложной геометрией и стружечными канавками.

Экономичность кольцевых сверл дополнительно повышаем за счет технологичности, корпус кольцевого сверла унифицирован.

Теперь рассмотрим преимущества инструментов для кольцевой обработки:

. Меньшая площадь удаляемого материала.

. Корончатое (кольцевое) сверло имеет больше режущих кромок (от 6 до 20), в то время как цилиндрическое сверло только 2 (две).

. Возможность сверления отверстий диаметром от 60 до 120 мм и глубиной до 50 мм за один проход.

. Уменьшенная потребность в мощности, за счет более благоприятных режимов резания.

. Нет необходимости в центрировании и предварительной рассверловке.

. Улучшенное качество обрабатываемой поверхности, отсутствие заусенцов.

. Повышенная жесткость и прочность конструкции.

. Простота конструкции и обслуживания, многократное использование корпуса.

. Заточка развернутого плоского полотна и возможность заточки режущей части в корпусе

. Отверстие для подачи СОЖ или сжатого воздуха в зону резания.

11. Боковые стружечные канавки для отвода стружки и подвода СОЖ в зону резания.

12. Стабильная точность отверстия и высверливания керна (11-14 квалитет).

. Меньшее сопротивление резанию.

. Автоматическое выталкивание сердцевины с помощью СОЖ.

. Возможность сверления внахлест.[14]

С учетом сложных условий работы все элементы конструкции кольцевого сверла должны быть выбраны комплексно. Разнообразие представленных конструкций создает возможность выбора инструмента для конкретных условий эксплуатации. Чертежи и спецификации на разработанные конструкции инструментов для кольцевой обработки представлены в приложении.

5 АНАЛИЗ СИЛ РЕЗАНИЯ, ТЕПЛОВЫХ ПОТОКОВ И ТЕМПЕРАТУР, ВИБРОАКТИВНОСТИ ПРИ КОЛЬЦЕВОМ СВЕРЛЕНИИ

Кольцевое сверление - это процесс несвободного резания. При несвободном резании отдельные элементарные объемы срезаемого слоя перемещаются в разных направлениях и поэтому в разных точках зоны резания одни и те же явления совершаются по-разному, с разной степенью интенсивности. Картина состояния материала в зоне резания в одной секущей плоскости не является типичной для всех других секущих плоскостей и не повторяет картины состояния материала в других секущих плоскостях. Резание многолезвийное, так как осуществляется режущим инструментом с несколькими режущими лезвиями. Резание прерывистое, с непостоянным сечением среза, т.к. при глубоком сверлении требуется выход инструмента из зоны резания для выведения стружки, СОЖ.

5.1 Расчет сил резания

При несвободном резании на режущий инструмент действует пространственная система сил. Режущий инструмент находится в контакте с обрабатываемым материалом по трем рабочим поверхностям его режущей части: по передней, главной задней и боковым поверхностям режущей части. Поскольку эти поверхности инструмента расположены под разными углами друг к другу, то и действующие на этих поверхностях нормальные и касательные силы в пространстве располагаются не параллельно друг к другу, не в параллельных, как при свободном резании, плоскостях. Природа сил, естественно, та же, что и при свободном резании, это силы нормального давления и касательные силы трения. При несвободном резании значение радиальной силы удваивается. Равнодействующая всех сил R при несвободном резании необходимо разложить на 3 составляющие: главную силу резания Рz, радиальную силу Py и осевую силу Рx (рисунок 5.1). Расчет прочности и жесткости режущей части инструмента производят по силе Pz. Силы Рz создают крутящий момент Мкр, который преодолевается шпинделем станка. Силы Рy действуют по радиусам. Силу Ру принимают за основу при определении прогиба детали, прочности и жесткости отдельных деталей станка, а прочность и жесткость механизма подачи станка рассчитывают по силе Рх или Ро. Ро - осевая сила или сила подачи. Сила резания измеряется в ньютонах и является решающим фактором сверления. Это сила, которая действует на кольцевое сверло со стороны материала в осевом направлении Для кольцевого сверла глубина резания равна ширине прорезаемой канавки. Подача при данном виде сверлении принимается как подача на зуб. Так же при кольцевом резании образуются силы трения Т1 и Т2.

Рисунок 5.1 - Силы резания

Рассчитаем силы резания при обработке кольцевым сверлом ø80мм из быстрорежущей стали Р6М5 ГОСТ 19265-73. Расчет величины составляющих силы резания производим по эмпирическим формулам с использованием данных справочной литературы [16].

                                            (5.1)

                                         (5.2)

                                         (5.3)

где  - коэффициенты, зависящие от свойств обрабатываемого материала;

 - глубина резания, мм;

 - подача, мм/об;

 - показатели степени;

 - твердость по Бриннелю, кгс/мм2,

 - поправочные коэффициенты, находится по формуле (5.4).

                                                                            (5.4)

где  - коэффициент, учитывающий свойства обрабатываемого материала;  - коэффициент, учитывающий влияние переднего угла;

 - коэффициент, учитывающий влияние допустимого износа.

Расчет главной силы резания  на один зуб произведем по формуле

Для расчета берем данные из справочной литературы. При расчете рассматриваем наиболее оптимальную в использовании конструкцию инструмента для кольцевой обработки, которая имеет 18 зубьев. Тогда, суммарная сила резания составит:

Крутящий момент представляет собой сумму моментов на каждой режущей кромке кольцевого сверла от действия тангенциальной составляющей силы резания на плече, где плечо равно радиусу и находится по формуле (5.5).

                                                           (5.5)

Произведем расчет суммарной радиальной силы резания по формуле (5.6), действующей на режущую часть (из 18 зубьев) с двух сторон.

                                (5.6)

Суммарную осевую силу рассчитаем по формуле (5.7).

                                  (5.7)

Тогда силу резания R найдем по формуле (5.8).

                                                                (5.8)

Проведя динамический анализ, мы установили различные силы, которые влияют на процесс резания кольцевым инструментом. Исходя из этого, выполним исследование напряженно-деформированного состояния на модели инструмента для кольцевой обработки, для получения информации о напряжениях, перемещениях и деформациях, возникающих в режущей части в процессе работы сверла, позволяющей установить работоспособность кольцевого сверла. Для автоматизированного исследования напряженно-деформированного состояния элемента сверла использовалась программа «Solid Works Simulation». Ниже представлен статический расчет детали.

Произведем расчет режущей части инструмента для кольцевой обработки. Мы имеем твердое тело со свойствами: Объем 2,69285e-005 m3, плотность 8200 kg/m3. Задаем тип анализа - статический, тип сетки - сетка на твердом теле, включить тепловые нагрузки, тепловой эффект, трение.

Так же необходимо указать материал исследуемой модели - Р6М5 ГОСТ 19265-73. Предел текучести 6,85e+008 N/m2. Предел прочности при растяжении 8,35e+008 N/m2.

Модель закреплена и к ней приложены силы резания Pz=624,59Н и Px=703,85Н. Силы Ру действуют по радиусам и взаимно уничтожаются, конструкция инструмента разработана таким образом, чтобы радиальная сила была минимальной. В таблицах 5.1, 5.2, 5.3 представлены результаты исследований режущей части на деформации, напряжения и перемещения, соответственно.

Таблица 5.1 - Результаты исследований на деформации

Имя, тип

Минимум

Максимум

Эквивалентная деформация

2,93418e-005 Элемент: 9076

0,00049982 Элемент: 5078


Таблица 5.2 - Результаты исследований на напряжения

Имя, тип

Минимум

Максимум

Напряжение Von Mises

6,23035 N/mm^2 (Mpa) Узел: 25607

166,086 N/mm^2 (Mpa) Узел: 144


Таблица 5.3 - Результаты исследований на перемещения

Имя, тип

Минимум

Максимум

URES: Результирующее перемещение

0 mm Узел: 181

0,025302 mm Узел: 2359


Как видно из результатов расчета, предельные напряжения не превышают предела текучести (685 МПа) для данного материала. Это указывает на низкую вероятность поломки инструмента. Также видно, что наибольшие напряжения возникают в самом тонком сечении режущей части. Это означает, что в тех местах будет происходить наибольший износ материала. Плюс в том, что эта часть не является режущей.

Из результатов расчета на деформации видно, что быстрорежущая сталь имеет повышенное сопротивление пластической деформации, так как имеет высокую твердость. Максимальное перемещение составляет 0,025 мм, что допустимо.

5.2 Расчет тепловых потоков и температур

Основными объектами изучения тепловых процессов при кольцевой обработке являются: количество выделяемой при резании теплоты и её распределение между инструментом, деталью и стружкой. Тепло, возникающее в процессе резания, влияет на качество обработанной поверхности, стойкость инструмента и износ. Таким образом, снижается и производительность обработки. Так же изменяется температура заготовки. Поэтому необходимо провести теплофизический анализ процесса кольцевого сверления, т.к. он имеет большое значение для усовершенствования кольцевой обработки, повышения производительности, обеспечения качества обработанной поверхности. Начнем теплофизический анализ с исследования теплообмена при обработке режущим клином, так как он является одним из основных элементов инструмента. [17]

Количество выделяемой теплоты можно описать выражением (5.9).

                                             (5.9)

где  - теплота деформации, образующаяся на плоскости сдвига, Дж/мин;

 - теплота трения, образующаяся на передней поверхности режущего инструмента в пределах контакта между стружкой и инструментом, Дж/мин;

 - теплота трения на задней поверхности режущего инструмента в пределах площадки контакта шириной между задней поверхностью и поверхностью резания, Дж/мин. В процессе кольцевой обработки важную роль играют тепловые явления, определяющие температуру в зоне резания, которая оказывает прямое воздействие на силы резания, шероховатость обрабатываемой поверхности, усадку и характер образования стружки. При повышенных температурах в зоне резания увеличивается вероятность затупления инструмента и, таким образом, снижается период его стойкости.

                                                            (5.10)

где - суммарная сила резания, действующая в направлении скорости резания, Н;

 - скорость резания, м/мин.

Для успешного исследования процесса резания важно знать количество теплоты и ее распределение, т.е. степень концентрации теплоты в различных участках детали, стружки и кольцевого сверла. Если бы вся образующаяся теплота быстро и равномерно распределялась по всему объему изделия и инструмента, она быстро отводилась бы в пространство, не причиняя им вреда. В действительности процесс протекает иначе: большое количество теплоты концентрируется в определенных зонах, сильно повышая их температуру. Здесь неизбежны потеря режущей части твердости и затупление и даже возможно изменение структуры тончайшего слоя обработанной поверхности, если не будут приняты соответствующие меры.

На рисунке (5.5) представлена схема движения тепловых потоков. Доля теплоты деформации уходящей в деталь показана под цифрой 1. Под цифрой 2 - доля теплоты деформации уходящей в стружку, 3 - количество теплоты, возникающей в результате трения между стружкой и передней поверхностью инструмента, 4 - итоговый поток теплоты, возникающей в результате теплообмена на площадке контакта надрезцовой стороны стружки с передней поверхностью инструмента, 5 - итоговый поток теплоты, возникающий в результате теплообмена на площадке контакта поверхности резания с задней поверхностью инструмента, 6 - количество теплоты, возникающей в результате трения между деталью и задней поверхностью инструмента.

Чтобы облегчить работу инструмента и повысить качество обработанной поверхности, предлагаем регулировать поток теплоты воздействием на процесс резания в благоприятную сторону с помощью охлаждения.

На основе теоретического и экспериментального (автоматизированный термический анализ) исследований процесса теплообразования можно выявить законы изменения температуры резания (на поверхности контакта стружки с передней гранью инструмента), а также температуры режущего инструмента и обрабатываемой детали в зависимости от различных факторов.

Рисунок 5.2 - Схема движения тепловых потоков

Выделение теплоты в процессе резания объясняется тем, что в теплоту преобразуется механическая работа, затраченная на срезание стружки. Практически в теплоту переходит вся работа резания (99,5%), т.е. составим уравнение баланса тепловой и механической энергии (5.11).

                       (5.11)

где количество теплоты, переходящее соответственно в стружку, инструмент, деталь и окружающую среду, Дж/мин.

При кольцевом резании с подачей охлаждающей жидкости в окружающую среду уходит количество тепла 15-20%, в стружку уходит 50-60%, в инструмент - 2% (так как быстрорежущая сталь обладает хорошей теплопроводностью), в деталь 20-30%. Рассчитаем тепловые потоки и температуры методом источников теплоты. Расчет энергии, выделяемой источником теплоты трения , представлен в формуле (5.12).

       (5.12)

где соответственно главная и нормальная силы резания, Н;

сила трения и нормальная сила, действующие на площадке контакта задней поверхности инструмента с деталью, Н;

передний угол, град;

скорость резания, м/мин;

коэффициент укорочения стружки.

На площадке контакта задней поверхности кольцевого сверла с поверхностью резания силы возникают в результате упругопластического взаимодействия, расчет количества теплоты представлен в формуле (5.13).

                                                           (5.13)

Теплоту деформации определим по формуле (5.14) как разность между общим количеством теплоты  и значениями .

(5.14)

Экспериментально измерить температуру в зоне резания не представляется возможным из-за отсутствия кольцевого сверла. Поэтому произведем автоматизированное исследование температур, термического анализа режущей части кольцевого сверла с использованием программы «Solid Works Simulation».

Модель режущей части закреплена и к ней приложена тепловая мощность (поток) 21860,65 Дж/мин (на всю режущую часть). Теплопроводность материала - 50 В/мК. Удельная теплоемкость 460 Дж. Коэффициент конвективной теплопередачи составляет 100 Вт/м2K, так как в качестве охлаждения будем использовать принудительную конвекцию (СОЖ, эмульсию), для которой коэффициент можно принимать от 60 до 1800 Вт/м2K. Массовая температура окружающей среды равна 300К. В таблице 5.4 представлены результаты исследований, температурный расчет детали.

Таблица 5.4 - Термические результаты исследований

Имя, тип

Минимум

Максимум

Термический, температура

365,892 Kelvin Узел: 208

737,022 Kelvin Узел: 2351


Из результатов расчета видно, что наиболее высокая температура - это температура резания - наблюдается в стружке в зоне контакта ее с передней поверхностью инструмента, так как здесь концентрируется наибольшее количество теплоты. Максимальная температура составила 737,022 К, что вполне удовлетворительно. Оптимальный режим резания можно обеспечить, поддерживая на постоянном уровне температуру в зоне резания для соответствующей пары материалов инструмент-заготовка.

5.3 Расчет виброактивности

В процессе кольцевого сверления возникают вибрации, появляются колебания детали, оборудования и инструмента разной частоты. Вибрациями называются интенсивные периодичные колебания, возникающие при обработке металлов резанием. Основными причинами вибраций являются: изменение сил резания в процессе обработки, внешние толчки и сотрясения, неуравновешенность вращающихся частей технологической системы.

При вибрациях происходят значительные перемещения кольцевого сверла по нормали к обрабатываемой поверхности. В результате формируется существенная погрешность геометрической формы и волнистость обработанной поверхности, и шероховатость резко увеличивается. Вибрации значительно снижают стойкость инструмента, ведут к его поломке, а также вызывают усиленный износ станка. При возникновении вибраций необходимо ограничивать режимы обработки, что приведет к снижению производительности. Вибрации при обработке металлов резанием несут в себе элементы 3-х разновидностей колебаний: свободные (собственные), вынужденные, автоколебания.

Для автоматизированного исследования колебаний режущей части сверла использовалась программа «Solid Works Simulation». Произведем расчет колебаний режущей части инструмента для кольцевой обработки, модель режущей части закреплена. Результаты исследований представлены в таблице 5.5. Частоты заданы как для высокоскоростного резания, для того, чтобы увидеть граничные значения перемещений при вибрациях.

Таблица 5.5- Результаты исследований колебаний

Имя, тип

Минимум

Максимум

URES: Результирующее перемещение Эпюра - для формы колебаний: 1(Значение = 4683,18 Hz)

0 mm Узел: 163

628,07 mm Узел: 2295

URES: Результирующее перемещение Эпюра - для формы колебаний: 2(Значение = 4683,7 Hz)

0 mm Узел: 163

588,31 mm Узел: 2311

URES: Результирующее перемещение Эпюра - для формы колебаний: 3(Значение = 5699,08 Hz)

0 mm Узел: 163

675,88 mm Узел: 2302

URES: Результирующее перемещение Эпюра - для формы колебаний: 4(Значение = 5699,72 Hz)

0 mm Узел: 163

681,24 mm Узел: 2295

URES: Результирующее перемещение Эпюра - для формы колебаний: 5(Значение = 5859,45 Hz)

0 mm Узел: 163

607,44 mm Узел: 2344


Все задаваемые и полученные параметры сведены в таблицу 5.6.

Таблица 5.6 - Список режимов

Количество частот

Рад/сек

Герц

Секунды

1

29425

4683,2

0,00021353

2

29429

4683,7

0,00021351

3

35808

5699,1

0,00017547

4

35812

5699,7

0,00017545

5

36816

5859,4

0,00017066


В таблицу 5.7 сведены полученные перемещения по трем направлениям. Все перемещения вполне удовлетворительны.

Таблица 5.7 - Массовое участие (нормализовано)

Номер режима

Частота (Герц)

Направление X

Направление Y

Направление Z

1

4683,2

8,3777e-011

1,2127e-010

2,447e-009

2

4683,7

3,1328e-010

5,1332e-010

1,0768e-009

3

5699,1

2,8168e-013

3,2444e-010

1,5842e-009

4

5699,7

7,1628e-011

2,0675e-009

5,1095e-010

5

5859,4

1,793e-012

1,5252e-008

5,7787e-009



Сумма X = 4,7076e-010

Сумма Y = 1,8279e-008

Сумма Z = 1,1398e-008


Мы предлагаем использовать инструмент для кольцевой обработки из быстрорежущей стали с отверстием для подачи СОЖ со скоростью резания 35 м/мин. При такой скорости вибрации будут минимальны и не приведут к снижению стойкости инструмента.

Так же для исключения возможности появления вибраций на этапе проектирования правильно подобрана геометрия инструмента, технологические режимы, СОЖ, схема резания и ТО материала заготовки.

На рисунке 5.4 представлены зависимости, показывающие геометрические и инерционные колебания инструмента, геометрические колебание и динамические биения шпинделя, а так же биения от неуравновешенно силы резания при кольцевом сверлении, за определенный период времени.

Рисунок 5.4 - Обертон колебаний при кольцевом сверлении

Одним из факторов, определяющих при кольцевом сверлении точность обработки отверстий, является неуравновешенная радиальная сила резания Ру, показанная на рисунке 5.9.

Амплитуда колебаний рассчитывается по формуле (5.15).

                                                     (5.15)

Рисунок 5.5 - Неуравновешенная сила резания: f - амплитуда колебаний; S - подача; V - скорость резания

Рассчитаем неуравновешенную силу Ру на зуб по формуле (5.16).

                                                  (5.16)

где коэффициент, для главного угла в плане φ=90о ;

коэффициент, из-за отсутствия экспериментальных данных принимаем равным 1400 Н/мм2;

сечение срезаемого слоя неуравновешенных сил, мм2;

коэффициент, из-за отсутствия экспериментальных данных принимаем равным 0,7;

коэффициент, зависящий от сдвиговой деформации.

Обратное отжатие, величина противоположна f, находится по формуле (5.17).

                                                                             (5.17)

где жесткость инструмента, Н/мм.

Инструмент для кольцевой обработки, из-за тонкостенной режущей части, является не достаточно жестким в направлении силы Ру, благодаря чему он является податливым: инструмент компенсирует часть геометрического и динамического биения, т.е. является самоустанавливающимся.

6. РАЗРАБОТКА МЕТОДИКИ ПРЕДВАРИТЕЛЬНОЙ ОЦЕНКИ КОНСТРУКТОРСКО-ТЕХНОЛОГИЧЕСКОЙ ЭФФЕКТИВНОСТИ КОЛЬЦЕВЫХ СВЕРЛ

Разработка методики предварительной оценки заключается в изучении факторов, влияющих на конструкторско-технологическую эффективность (КТЭ) кольцевых сверл. С помощью разработанной методики появится возможность выбора определенных геометрических параметров режущей части для определенных условий работы инструмента, а именно, выбор оптимального диаметра сверления, ширины реза и вылета.

При разработке методики рассматриваем инструмент для кольцевой обработки с отверстием для подачи СОЖ, представленный в приложении.

Существует множество факторов, влияющих на обработку. Всех их можно оценивать с точки зрения: элементов и геометрических параметров конструкции, технологии изготовления, эксплуатации и экономики.

К факторам, влияющим на эффективность инструмента для кольцевой обработки отнесем конструкторские геометрические параметры, а именно диаметр D, глубина сверления H, ширина реза b. Если необходимо, чтобы инструмент обеспечивал жесткость, точность и производительность конструкции, то должно быть некоторое соотношение геометрических размеров, т.е. при больших диаметрах и глубинах ширина не должна быть маленькой или при маленьком диаметре не должна быть большая ширина реза и так далее. Это подтверждается расчетом. Для этого спроектировали 3D-модели и рассчитали силы резания при диаметрах кольцевого сверла 40 мм, 60 мм, 80 мм и 100 мм. Для автоматизированного исследования напряжений, перемещений и деформаций режущей части сверла использовалась программа «Solid Works Simulation». Изменяли при расчете диаметр сверления и, соответственно, количество зубьев режущей части. Все остальные параметры оставляли неизменными. Полученные результаты сведены в таблицу 6.1. При неизменной ширине реза и изменении диаметра значения меняются: при малых диаметрах они низкие - будет низкая производительность, при больших диаметрах - высокие, инструмент быстро придет в негодность.

Таблица 6.1 - Напряжение, перемещения и деформации при различных диаметрах режущей части

Dсверла, мм

Силы резания, Н (на 1 зуб при b=t=4мм, S=0,1мм/об)

Напряжения, Н/мм2

Перемещения, мм

Деформации, мм

40

Pz=34,70 Рх=39,10

Min 2,44269 Max 140,193

Min 0 Max 0,0131498

Min 2,70514e-005 Max 0,000473877

60


Min 5,10898 Max 174,992

Min 0 Max 0,0155015

Min 4,28586e-005 Max 0,000513413

80


Min 6,23035 Max 166,086

Min 0 Max 0,025302

Min 2,93418e-005 Max 0,00049982

100


Min 5,39369 Max 262,423

Min 0 Max 0,026197


Видим, что с увеличением диаметра минимальные напряжения сначала растут, далее начинают снижаться. Максимальные напряжения растут, поэтому при диаметрах более 100 мм необходимо увеличить ширину реза и другие параметры, иначе инструмент будет неработоспособным. Перемещения с увеличением диаметра растут. Деформации же, сначала растут, затем скачок вниз и снова вверх. Как видно из таблицы 6.1, оптимальные, не превышающие допустимые значения получились для Ø80 мм, так как параметры (t, S, геометрические параметры режущего зуба, обрабатываемый и обрабатывающий материал), которые являлись неизменными, были подобраны именно на этот диаметр. В разделе методика проектирования инструмента приведена таблица 3.2 с рекомендуемыми параметрами режущей части.

К конструкторским факторам так же относится материал режущей части, количество режущих зубьев, элементы геометрии, жесткость и прочность конструкции и отдельных элементов.

К технологическим факторам необходимо отнести - технологичность кольцевого сверла (корпуса, режущей части), трудоемкость, сложность и точность его изготовления.

К эксплуатационным отнесем такие факторы, как производительность, обрабатываемый материал, режимы резания, охлаждение, прочность, жесткость, износо- и теплостойкость, виброустойчивость, долговечность и надежность.

Экономические показатели - доступность и стоимость материала, затраты на проектирование и изготовление, расход обрабатываемого материала, время на обработку.

Почти по всем этим факторам разработана система оценки по десятибалльной шкале. Экономические факторы оценить с точки зрения изменения конструктивных параметров не возможно, как в прочем и некоторые конструкторские. А именно, чем больше диаметр или глубина, тем больше ширина реза, тем больше будет стоимость обрабатывающего материала, большее время на обработку, возможно, потребуется изменить материал режущей части и количество зубьев и так далее. Таким образом, КТЭ оценивается средним баллом при комплексном использовании факторов из разных групп. [18]

С использованием данных литературных источников, опыта и с учетом рекомендаций, изложенных в разделе, посвященном методике проектирования кольцевых сверл сведем в таблицу 6.2 зависимости ожидаемых жесткости конструкции, точности изготовления, производительности и других параметров от диаметра режущей части. По этой таблице предварительно можно оценить возможности определенной конструкции.

Таблица 6.2 - Ожидаемая КТЭ при различных диаметрах сверла

d,мм

20

30

40

50

60

70

80

90

100

110

120

130

Ожидаемая жесткость

5

5

6

7

8

8

8

7

7

6

6

5

Ожидаемая надежность, долговечность

5

5

6

7

7

7

7

7

7

6

5

5

Ожидаемая точность изготовления

5

6

6

7

8

8

8

7

6

5

5

4

Ожидаемая производительность

5

5

6

6

8

8

8

8

7

6

6

5

Износои теплостойкость

4

5

5

6

7

8

8

8

7

7

6

6

Виброустойчивость

4

5

5

6

7

8

8

8

7

7

6

6

Формирование и отвод стружки

-

-

-

7

8

8

8

8

8

7

7

7

Охлаждение инструмента

-

-

-

7

8

8

8

8

7

7

7

6

Напряжения, деформации, перемещения

5

5

6

6

7

7

7

7

7

6

6

6

Геометрия режущей части

-

7

7

8

8

8

8

8

8

7

7

6


Из графика, представленного на рисунке 6.1 видно, что оптимальными диаметрами разработанного инструмента являются Ø60÷Ø90 мм. В пределах этих диаметров инструмент отвечает лучшим условиям работы, дает лучшую точность, стойкость и производительность.

Рисунок 6.1 - Зависимость конструкторско-технологической эффективности от диаметра сверла

Жесткость кольцевого сверла зависит в большей степени от жесткости режущей части, которая зависит от соотношения диаметра и ширины реза, от глубины стружечных канавок. Чем большую жесткость имеет инструмент, тем точнее будет обработка. Также точность изготовления зависит от заданных припусков на обработку.

Формирование и отвод стружки, а также охлаждение инструмента зависят от диаметра сверла, от возможности профрезеровать стружечные канавки на режущей части и от их размеров. На маленьких диаметрах с малой шириной реза изготовить стружечные канавки не возможно. На больших диаметрах, с большей шириной реза будет образовываться больше стружки, которую необходимо выводить из зоны резания.

Количество режущих зубьев растет с ростом диаметра рабочей части, таким образом, растут силы резания, напряжения. Чтобы избежать достижения предельных значений, необходимо изменить геометрию режущей части, увеличить шаг и высоту зуба.

7. ТЕХНОЛОГИЯ ИЗГОТОВЛЕНИЯ РАБОЧЕЙ ЧАСТИ КОЛЬЦЕВЫХ СВЕРЛ

Спроектировать оптимальный по приведенным затратам режущий инструмент - это не значит, что такой инструмент будем иметь в натуре. Его необходимо еще и качественно изготовить, только тогда инструмент может проявить свою оптимальность в условиях эксплуатации. Неправильная эксплуатация сведет на нет все положительное, что заложено в инструменте при его проектировании и изготовлении, и инструмент может оказаться вообще неработоспособным. Для этого, прежде всего, и необходимо разработать качественный технологический процесс и выдержать его параметры при изготовлении инструмента. При разработке технологического процесса необходимо найти оптимальный вариант перехода от заготовки к готовой продукции, отвечающей всем требованиям её служебного назначения. Этот вариант должен обеспечивать минимум затрат труда на изготовление кольцевого сверла, то есть обеспечить наиболее низкую себестоимость изготовления инструмента для кольцевого сверления. Задача эта достаточно сложная, ее решение удобно вести в определенном порядке. Для этого необходимо иметь следующие данные и материалы:

) техническое задание на проектирование технологического процесса, а именно: рабочий чертеж инструмента; технические условия, дополнительно характеризующие качество инструмента; количество инструментов, то есть программу выпуска; наличие производственной площади; состав оборудования и его наличие;

) справочную литературу, руководящие материалы и тому подобное.

Как видно, исходные данные, необходимые для разработки технологии изготовления кольцевого сверла, такие же, как и для разработки технологии изготовления других деталей, так как режущий инструмент - это тоже деталь. Поэтому технология изготовления инструмента основывается на общих принципах технологии машиностроения. Но наряду с этим в производстве инструмента имеются свои особенности, связанные с применением дорогостоящих инструментальных материалов и сплавов (режущих материалов), с обработкой заготовок большой твердости и прочности, с высокими требованиями к точности размеров, качеству их поверхностей и формы кольцевых сверл, к свойствам инструмента.

Для того, чтобы изготовить качественную деталь необходимо выполнить два условия:

. Разрабатываемый технологический процесс должен обеспечивать изготовление детали с необходимой точностью размеров, формы, расположения поверхностей и качеством поверхностного слоя. Только в этом случае деталь будет обладать необходимыми эксплуатационными свойствами, что позволит ей выполнять свое прямое назначение.

. Для того чтобы деталь могла выполнить свое назначение в станке, она должна быть получена в строгом соответствии с технологическим процессом ее изготовления.

В связи с выше изложенным, рассмотрим последовательность разработки технологии изготовления режущей части инструмента:

1. Анализ исходной информации.

2.      Выбор метода изготовления и формы заготовки.

.        Выбор типа производства и формы организации технологического процесса.

.        Определение последовательности и содержания технологических операций.

.        Расчет припусков на механическую обработку.

.        Выбор средств технологического оснащения, оборудования, режущих инструментов, инструментальных и станочных приспособлений, средств измерения и контроля размеров.

.        Расчет режимов резания.

.        Расчет основного времени на обработку.

Чертеж режущей части представлен на рисунке 7.1. Технологию изготовления режущей части, изготовленной из быстрорежущей стали Р6М5 ГОСТ 19265-73, содержание операции, используемое оборудование и инструмент сведем в таблицу 7.1.

Рисунок 7.1 - Чертеж режущей части

Таблица 7.1 - Технология изготовления режущей части

Обозначение операции

Содержание операции

Оборудование

Инструмент

1

2

3

4

1.Плоско-шлифовальная

Шлифовать внутреннюю и наружную поверхности

Плоско-шлифовальный станок 3Г71

Шлифовальный круг формы ПП 250х25х75 24А 16 Ст2.6…7 КБ ГОСТ 2424-89

2.Вертикально-фрезерная

Фрезеровать торцевые поверхности

Вертикально-фрезерный станок 6Т12

Торцевая фреза 2020-003 ГОСТ 24359-80, Т5К10

3.Универсально-фрезерная

Фрезерование зубьев

Универсально-фрезерный станок с поворотом головки 6Р80Ш


4.Горзонтально-фрезерная

Фрезеровать наружные боковые стружечные канавки


Фасонная дисковая фреза  2500-1026 ГОСТ 28281-89

5.Горизонтально-фрезерная

Фрезеровать внутренние стружечные канавки



6.Слесарная, маркировка

Доводка и маркировка

Слесарный стол

Керно, молоток с деревянной ручкой Ц5 Хр ГОСТ 2310-77

7.Гибочная

Гибка на вальцах

Трехвалковая вальцовочная машина SAHINLER RM 1270х90


8.Термическая

Отжиг+ступенчатая закалка+отпуск

Электрическая нагревательная печь


9.Заточная

Заточка по главной передней поверхности по наружним зубьям

Станок для заточки корончатых сверл и фрез BKS Kaindl (приспособление-3-х поворотные тиски+делительная головка )

Тарельчатый шлифовальный круг 2725-0044 ГОСТ 16176-82

10.Заточная

Заточка по главной задней поверхности


Шлифовальный круг формы ПП 125х6х32 24А 16 Ст2.6…7 КБ ГОСТ 2424-89

11.Контрольная

Контроль детали по эскизу на соответствие стандартам

Контрольный стол

Штангенциркуль типа ШЦ-П-200-0,05 ГОСТ 166-88


Режимы резания и основное время при универсально-фрезерной операции (фрезерование зубьев) приведены в таблице 7.2. Схема наладки представлена на рисунке 7.2.

Таблица 7.2 - Режимы резания

Оборудование

Наименование перехода

Инструмент

So, мм/об

Sz, мм/зуб

n, мин

V, м/с

To, мин

i

Универсально-фрезерный станок 6Р80Ш

Фрезерование зубьев пакетом

Фасонная дисковая фреза 2500-1026

0,32

0,02

125

40

4,2

2


Рисунок 7.2 - Фрезерование зубьев

Режимы резания и основное время при горизонтально-фрезерной операции (фрезеровать наружные боковые стружечные канавки) приведены в таблице 7.3. Схема наладки представлена на рисунке 7.3.

Таблица 7.3 - Режимы резания

Оборудование

Наименование перехода

Инструмент

Z, мм

So, мм/об

Sz, мм/зуб

n, мин

V, м/с

To, мин

i

Универсально-фрезерный станок 6Р80Ш

Фрезеровать наружные боковые стружечные канавки

Фасонная дисковая фреза 2500-1026

0,2

0,32

0,02

125

40

0,52

2


Рисунок 7.3 - Фрезерование наружних стружечных канавок

Режимы резания и основное время при заточной операции (заточка по главной передней поверхности) приведены в таблице 7.4. Схема наладки представлена на рисунке. 7.4

Рисунок 7.4 - Заточка по главной передней поверхности

Таблица 7.4 - Режимы резания

Оборудование

Наименование перехода

Инструмент

Z, мм

S, мм/мин

V, м/с

To, мин

i

Станок для заточки корончатых сверл и фрез BKS Kaindl

Заточка по главной передней поверхности

Тарельчатый шлифовальный круг 2725-0044 ГОСТ 16176-82

0,2

2000

20

0,42

1


Режимы резания и основное время при заточной операции (заточка по главной задней поверхности) приведены в таблице 7.5. Схема наладки представлена на рисунке 7.5.

Рисунок 7.5- Заточка по главной задней поверхности

Таблица 7.5 - Режимы резания

Оборудование

Наименование перехода

Инструмент

Z, мм

S, мм/мин

V, м/с

To, мин

i

Станок для заточки корончатых сверл и фрез BKS Kaindl

Заточка по главной задней поверхности

Шлифовальный круг формы ПП 125х6х32 24А 16 Ст2.6…7 КБ ГОСТ 2424-89

0,2

2000

20

0,42

1


В таблице 7.6 приведены режимы для термической обработки.

Таблица 7.6 - Режимы для термической обработки

Сталь

Т закалки, оС

Т отпуска, оС

HRC

σв, МПа

Теплостойкость, оС

Р6М5

1200-1230

540-560

63-65

3200-3600

620


Изготовления данной режущей части технологично. Наиболее оптимальным для маленьких диаметров сверл считаем вариант изготовления режущей части в виде втулки из прутка. Технология изготовления такой детали проще, стоимость изготовления выше. Это обеспечит большую прочность и жесткость.

8. РЕКОМЕНДАЦИИ ПО ВЫБОРУ КОЛЬЦЕВЫХ СВЕРЛ

От правильного выбора типа режущего инструмента <#"897557.files/image102.gif">

Рисунок 8.1 - Зависимости сил резания от геометрических параметров инструмента

При выборе инструмента необходимо оценивать материал и размеры заготовки. Так же, внимательно необходимо отнестись к выбору материала, из которого выполнено кольцевое сверло по металлу. В настоящее время самым качественным материалом для сверла по металлу является быстрорежущая сталь. Сверла из этого материала являются более прочными, поэтому прослужат намного дольше. Так же возможно использование режущей части с напаянными твердосплавными пластинками.

Так же следует учитывать особенности металлорежущего оборудования, его жесткость, мощность, возможные скорости резания и подачи. Точность, жесткость и надежность крепления влияют на точность обработки и стойкость инструмента. Важно чтобы инструмент был быстросменным, для сохранения высокой производительности.

Диаметр сверла будет зависеть от требуемого диаметра отверстия или от требуемого диаметра заготовки. Ширина режущей части зависит от обрабатываемого материала, от требований к получаемому отверстию или заготовке (в том числе диаметр режущей части). А глубина - от ширины заготовки или глубины получаемого отверстия. На все геометрические параметры имеются свои оптимальные значения. В разделе оценки конструкторско-технологической эффективности можно видеть оптимальные геометрические размеры режущей части инструмента. С помощью методики оценки КТЭ можно выбрать инструмент с необходимыми эксплуатационными характеристиками.

Следует так же учитывать, что несоблюдение рекомендуемых режимов обработки ведет к нерациональному использованию возможностей станка, снижению ресурса инструмента и ухудшению качества обработки.

Следует решить, необходим ли подвод охлаждения в зону резания. Если да, то подбирать инструмент с отверстием для подачи СОЖ или сжатого воздуха. От того какое качество поверхности потребуется, выбирают режущую часть, с правильно подобранной геометрией режущего зуба (одинаковые зубья, с развальцовкой) и стружкоотводящие канавки (с наружной стороны, чередующиеся или с обеих сторон).

Определение расхода инструмента, износостойкости. Для бесперебойного функционирования производства необходимо хорошо налаженное материально-техническое обеспечение (МТО), которое на предприятиях осуществляется через органы материально-технического снабжения. Количество необходимых инструментов для кольцевого сверления зависит от потребностей предприятия. Определим количество необходимого инструмента в месяц при полной загрузке.

Основная часть деталей кольцевого сверла является конструкционными и в процессе работы практически не изнашиваются. Режущая часть испытывает большие нагрузки и поэтому изнашивается быстрее. Поэтому в процессе работы необходима перезаточка, максимальное количество (Кпер) которой составляет 10 раз. Так же для обеспечения стабильной работы кольцевого сверла необходимо иметь следующие запасные части: болт, пружинная шайба и др. в количестве двух штук в запасе. Период стойкости инструмента для кольцевого сверления Т=100 минут, коэффициент использования (Кмногор) корпуса равен 10. Полный ресурс находится по формуле (8.1). То есть полный ресурс (Трес) составляет 1 корпус и 10 сменных режущих частей.

                                               (8.1)

Действительный годовой фонд Fд времени составляет 2000 часов. Таким образом, по формуле (8.2) найдем сколько в год необходимо корпусов и других вспомогательных элементов для соединения корпуса с режущей частью.

                                                                                (8.2)

Поэтому в месяц необходимо по одному инструменту, но так как инструмент может потеряться, подвержен поломкам, то принимаем по 2 инструмента в полной комплектации (то есть 2 корпуса и 20 сменных режущих частей).

Для повышения эффективности кольцевого сверления необходимо придерживаться рекомендаций к оборудованию, инструменту и процессу.

Рекомендации к оборудованию: высокая жесткость системы СПИД, которая влияет на точность базирования инструмента относительно заготовки, точность изготовления отверстия, оснащение станков приводом бесступенчатого изменения подачи инструмента, приводом, обеспечивающим высокие частоты вращения.

Рекомендации к инструменту: на диаметры режущей части более 70 мм при необходимости припаивать твердосплавные пластинки; назначать оптимальные параметры заточки режущей части, в зависимости от условий обработки и материалов заготовки и инструмента; при обработке труднообрабатываемых материалов нанесение износостойких покрытий на режущую часть.

Рекомендации к процессу кольцевой обработки: назначение рациональных режимов кольцевого сверления (таблица 8.1); предусмотреть отвод стружки; подобрать СОЖ с оптимальными характеристиками, качество которых влияет на процесс обработки и стойкость инструмента.

Таблица 8.1 - Рекомендуемые режимы обработки

Обрабатываемый материал

Не легированная сталь/алюминий

Легированная /нержавеющая сталь

Чугун

Скорость резания, м/мин

20

10

Подача, мм/зуб

0,05

0,03

0,01


ЗАКЛЮЧЕНИЕ

В диссертационной работе была проведена конструкторско-технологическая разработка инструментов для кольцевого сверления, предназначенного для сверления отверстий в сплошном материале, либо для рассверливания отверстий при двух одновременно происходящих движениях: вращении сверла вокруг его оси (или вращение заготовки) и поступательном движении подачи вдоль оси инструмента.

В литературном обзоре рассмотрено кольцевое сверление как вид обработки, показаны возможные результаты кольцевой обработки и проведён анализ литературных источников, с целью изучения и анализа имеющихся инструментов.

В разделе «Анализ состояния вопроса» рассмотрены условия работы кольцевого инструмента, а так же проблемы, связанные с разработкой конструкций инструментов для кольцевой обработки.

В третьем разделе изложена методика проектирования кольцевых сверл, с возможностью выбора различных исполнений.

В четвертом разделе раскрыто, как с учетом выше приведенной методики и для решения поставленных задач, нами сконструировано пять технологичных конструкций инструментов для кольцевой обработки, с ожидаемыми повышенными производительность, качеством поверхности, геометрической точностью и стойкостью инструмента. Каждая конструкция по-своему уникальна.

В пятом разделе произведен расчет сил резания, напряжений, перемещений, деформаций и вибраций. Рассчитано количество выделяемой теплоты, показаны тепловые потоки.

В шестом разделе разработана методика предварительной оценки конструкторско-технологической эффективности кольцевых сверл, с целью возможности выбора оптимальных геометрических параметров кольцевых сверл.

В седьмом разделе разработана технология изготовления режущей части, показана реальность ее изготовления для действующих производств.

В восьмом разделе даны рекомендации по выбору и применению кольцевых сверл, по повышению эффективности кольцевого сверления.

Научная новизна данной диссертационной работы заключается в следующем:

)        установлены основные закономерности конструкторских связей в сборной конструкции кольцевого сверла;

)        разработана методика проектирования кольцевых сверл различного исполнения.

Техническая новизна заключается в разработке типовых базовых конструкций инструментов для кольцевой обработки:

1)   кольцевое сверло с клиновым креплением полотна;

2)      кольцевое сверло с отверстием для подачи СОЖ;

)        кольцевое сверло с твердосплавными стержнями;

)        кольцевое сверло с чашкой;

)        кольцевое сверло с фланцевым креплением полотна.

Практическая ценность выполнения данной работы заключается в:

. Ожидаемом повышении производительности обработки за счет жесткости, возможности передачи большого крутящего момента.

. Ожидаемом повышении геометрической точности и качества поверхности.

. Ожидаемом повышении стойкости инструмента.

. Технологичных конструкциях всех типовых исполнений кольцевого сверла.

Практическая реализация. Разработанные кольцевые сверла и методика их проектирования рекомендуются для использования и изготовления на машиностроительных предприятиях АО «ВОМЗ» и ООО «ССМ-Тяжмаш».

Апробация работы. Основные результаты работы были опубликованы и докладывались на семинарах и научно-технических конференциях различного уровня, а именно:

. На Международной студенческой конференции «Конструкция, технология, эксплуатация и экология в механике» (г. Зелёна- Гура, 2013).

. На Международной молодежной научно-технической конференции «Прогрессивные технологии и процессы» (г. Курск, 2014).

. На Международной научно-практической конференции «Современные инструментальные системы, информационные технологии и инновации» (г. Курск, 2014).

. На Международной научно-практической конференции «Юность и знание-гарантия успеха-2015» (г. Курск, 2015).

. На Международной научной конференции «Молодые исследователи - регионам» (г.Вологда, 2014, 2015, 2016).

. На межрегиональной научной конференции «IX Ежегодной научной сессии аспирантов и молодых ученых» (г. Вологда, 2014, 2015).

СПИСОК ИСПОЛЬЗОВАННЫХ ИСТОЧНИКОВ

1.      Шагун, В. И. Металлорежущие инструменты: учеб. пособие для машиностроит. спец. вузов / В.И. Шагун. - Москва: Высш. шк., 2007. - 423 с.

.        Солоненко, В. Г. Резание металлов и режущие инструменты: учеб. пособие / В. Г. Солоненко, А. А. Рыжкин Москва: ИНФРА-М, 2013. - 416 с.

3.      Проектирование режущих инструментов: учеб. пособие / В. А. Гречишников, С. Н. Григорьев, И. А. Коротков, А. Г. Схиртладзе. - 2-е изд., перераб. и доп. - Старый Оскол: ТНТ, 2010. - 300 с.

.        Ящерицын, П. И. Теория резания: учебник / П. И. Ящерицын, Е. Э. Фельдштейн, М. А. Корниевич. - 2-е изд., испр. и доп. - Минск: Новое знание, 2006. - 512 с.

.        Расчет режимов резания. Курсовое и дипломное проектирование по технологии машиностроения: учеб. пособие/ В. В. Марков, А. В. Сметанников, П. И. Кискеев, Л. И. Лебедева, Д. А. Вечинников. - Орёл: Орел-ГТУ, 2010. - 112 с.

.        Петраков, Ю. В. Моделирование процессов резания: учеб. пособие / Ю. В. Петраков, О. И. Драчёв. - Старый Оскол: ТНТ, 2011. - 240 с.

.        Королева, В. А. Справочник инструментальщика / В. А. Королева, П. М. Зотова, Л. С. Марголина. - Минск: Беларусь, 1976. - 416 с.

Похожие работы на - Исследование и разработка конструкций инструментов для кольцевого сверления

 

Не нашли материал для своей работы?
Поможем написать уникальную работу
Без плагиата!
Без нейросетей!