Инструментальное оснащение участка механической обработки чашки стартера (деталь СТ721-159)
Оглавление
Введение
.
Общая часть
.1
Назначение чашки СТ721-159 и анализ ее технологичности
.1.1
Описание детали, ее назначение
.1.2
Анализ технологичности
.1.3
Количественная оценка по массе детали и заготовки
.2
Анализ технологического процесса изготовления чашки
.2.1
Рациональность метода получения заготовки для данного производства
.2.2
Степень оснащенности операций
.2.3
Степень концентрации операций
.3
Анализ эффективности применения инструмента, оборудования и технологической
оснастки
.4
Цель и задачи проектирования
.
Технологическая часть
.1
Разработка технологического процесса обработки чашки
.2
Расчет режимов резания при точении на ЭВМ
.3
Расчет режимов резания и нормирование работ
.3.1
Расчет режимов резания и нормирование работ на 005 токарную операцию с ЧПУ
.3.2
Расчет режимов резания и нормирования работ на протяжную операцию
.
Конструкторская часть
.1
Расчет и проектирование специального режущего инструмента
.1.1
Протяжка
.1.2
Зенкер сборный с СМП
.1.3
Головка для кольцевого сверления
.1.4
Резец
.2
Расчет, проектирование и описание работы разработанной технологической оснастки
.2.1
Приспособление зажимное
.2.2
Приспособление сверлильное
.2.3
Приспособление протяжное
.
Экономическая часть
.1
Расчет затрат при производстве проектной детали
.
Безопасность жизнедеятельности
Заключение
Библиографический
список
Введение
Интенсивное развитие машиностроения в нашей
стране, начавшееся в недалеком прошлом, потребовало подготовки
квалифицированных специалистов в области металлообработки. Со временем цели и
задачи в машиностроении изменились.
Основным процессом в машиностроении является
механическая обработка, на долю которой приходится более половины общей
трудоемкости изготовления продукции. Для механической обработки разного рода
материалов в машиностроении используются различные инструменты. Инструмент в
каждом производстве предопределяет технологический процесс, выбор оборудования
и даже саму форму обрабатываемой детали.
Рационализация технологического процесса
невозможна без участия инструмента. Использование более совершенного по
конструкции инструмента кардинальным образом изменяет в сторону улучшения
технологический процесс с одновременным повышением производительности труда и
качества выпускаемой продукции. Инструмент соответствующего качества уменьшает
простои станка и брак деталей. Таким образом, режущие инструменты играют
огромную роль, и отрасль машиностроения не может обойтись без инструментов в
широкой их номенклатуре. Успешное развитие каждого производства в значительной
степени зависит от того, насколько оно обеспечено надлежащим количеством
инструмента (режущего и мерительного), приспособлений, оборудования.
Прогрессивным видом металлообрабатывающего
оборудования являются станки с ЧПУ. Станки с ЧПУ - прогрессивный вид
металлообрабатывающего оборудования, сочетающего производительность
станков-автоматов и гибкость универсального оборудования, воплотившие в себе
последние достижения автоматики, вычислительной техники и электроники. Один
станок заменяет от трех до восьми обычных станков с ручным управлением, за счет
чего увеличивается машинное время и повышается производительность труда на 50%.
Однако эффективность эксплуатации оборудования с
ЧПУ может быть обеспечена только при правильном выборе режущего инструмента и
рациональной организации его эксплуатации. Использование современной
инструментальной оснастки, обладающей повышенной надежностью, обеспечивает
экономичное и трудосберегающее использование дорогостоящей прогрессивной
техники. Можно сделать вывод о том, что тема дипломной работы является
актуальной.
Целью данного дипломного проекта, на тему:
«Инструментальное оснащение участка механической обработки чашки стартера
(деталь СТ721-159)» является оснащение современным инструментом участка
механической обработки детали чашки СТ721-159, разработка оптимальной
технологии, выбор технологического оборудования, оснастки для изготовления
чашки привода стартера С5. Выполнить планировку участка механической обработки.
Рассчитаны технико-экономические показатели. И привести график окупаемости
оборудования.
деталь чашка стартер механический
1. Общая часть
.1 Назначение чашки СТ721-159 и анализ ее
технологичности
.1.1 Описание детали, ее назначение
Чашка входит в привод, который в свою очередь
является частью стартера С5 - С2. Чашка является деталью привода в которую
устанавливается фрикционные шайбы. Привод служит для передачи врачения
двигателю при запуске.
Рисунок 1.1 - Стартер С5 - С2
Рисунок 1.2 - Привод стартера
На рисунке 1.2 показано под цифрой 2 - Чашка; 4
- втулка; 5, 6, 7, 8, 11, 20, 26, 27, 29 - шайба; 9, 10, 13- кольцо; 12, 28 -
пружина; 14 - полукольца; 16 - шайба специальная; 17 - шайба; 18, 19 -
шайбатарелоная; 21 - подшипник; 22 - хвостовик; 23 - чашка СТ 721 - 159.
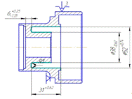
Рисунок 1.3 - Чашка пивода стартера СТ 721 - 159
1.1.2 Анализ технологичности
Технологичность - совокупность свойств изделия,
определяющих приспособленность его конструкции к достижению оптимальных затрат
ресурсов при производстве и эксплуатации для заданных показателей качества,
объема выпуска и условий выполнения работ.
Чашка изготовлена из конструкционной стали 45 по
ГОСТ 1050-88 указывает, что эта сталь содержит 0,40-50% углерода, а также
0,17-0,37% Si, 0,5-0,8% Mn, не более 0,045% S и P, 0,3% Ni, 0,3% Cr (предел
прочности при растяжении равен 800МПа, плотность 7,85 г/см). Проходит
термическую обработку, что имеет большое значение в отношении короблений,
возможных при нагревании и охлаждении детали.
Сталь 45 является основным материалом для
изготовления корпусных деталей, шестерен. При относительно невысокой стоимости
она, хорошо обрабатывается и имеет неплохие физико-механические свойства. Ее
механические свойства представлены в таблице 1.1.
Таблица 1.1 - Механические свойства стали 45
|
Марка
|
Твердость
НВ (не более)
|
Предел
прочности, МПа
|
|
|
На
изгиб
|
На
сжатие
|
|
Сталь
45
|
241
|
610
|
500
|
Взята сталь 45, потому что ее механические
свойства на изгиб и твердость после закалки позволяют детали долго и надежно
выполнять свои функции в приводе. Сталь имеет высокий предел текучести и
упругости.
Также этот материал один из самых
распространенных и не дорогих, в этом его доступность и экономическая
целесообразность.
Геометрические особенности чашки связаны с условиями
работы детали в узле и с возможностями механической обработки.
Чашка имеет геометрическую форму типа тела
вращения. Она образована цилиндрическими поверхностями и торцовыми
поверхностями.
В чашке выполнены шесть отверстий, они
предназначены для фиксации пружин, пазы для фиксации фрикционных шайб. Имеется
так же отверстие с прямой четырехзаходной резьбой, в которое входит вал
двигателя, при работе стартера, который получает вращение.
В машиностроении показатели качества изделий
весьма тесно связаны с точностью обработки деталей машин.
Качество изготовления продукции определяется
совокупностью свойств процесса её изготовления, соответствие этого процесса и
его результатов установленными требованиями.
Ответственные поверхности детали - это
поверхности непосредственно участвующие в работе узла, должны выполняться с
высокой точностью. Для работы чашки в данном узле не требуется высокие точность
поверхности, шероховатости. Заданные на чертеже классы точности и шероховатости
удовлетворяют условиям работы.
.1.3 Количественная оценка по массе детали и
заготовки
Исходя из отношения массы детали к массе
заготовки находим коэффициент использования материала Ким по формуле (1.1):
где mд - масса детали, кг; mд =0,682кг;з - масса
заготовки, кг; mз=4,66кг.
.
Следовательно, материал используется на 14,6%
это говорит о том, что материал расходуется не экономно.
Из проведенного выше анализа можно сделать
вывод, что деталь технологична, но следует изменить размеры заготовки.
.2 Анализ технологического процесса изготовления
чашки
.2.1 Рациональность метода получения заготовки
для данного производства
Заготовка - поковка поступает на механическую
обработку из штамповочного цеха. Способ получения заготовки - ковка. Поковка,
заготовка или готовое изделие, получаемое ковкой или горячей объёмной
штамповкой в кузнечно-штамповочном производстве.
Наиболее эффективным способом изготовления
данной заготовки, является обработка металлов давлением, так как по сравнению с
литьем обладает:
) высокой производительностью, поскольку в
результате однократноного приложения усилия можно значительно изменить форму и
размер деформируемой заготовки;
) формообразование заготовок при относительно
малой величине отходов материала;
Также основным недостатком литейного
производства является то, что плотность металла отливок в большинстве случае,
как правило, ниже, чем у заготовок, полученные способом обработки металлов
давления. Кроме того, пластическая деформация сопровождается изменением
физико-механических свойств металла заготовки, что можно использовать для
получения деталей с наилучшими эксплуатационными свойствами при наименьшей их
массе.
Заготовка изготовляется способом горячей
штамповкой, что объясняется меньшей трудоемкостью и энергозатратами.
Соответствие параметров установленного
оборудования требованиям данной операции.
Рисунок 1.4 - Заготовка чашки
Базовый технологический процесс состоит из 38
операций, из которых 4 автоматно-токарных, 4 моечных, 5 токарно-винторезных, 2
сверлильные, 2 горизонтально-фрезерных, 6 слесарных, 2 протяжных, 2 укладки, 2
транспортных, 1 термообработка, 1 пескоструйная, 2 консервации, 1
круглошлифовальная, 1 АВЖ и 3 контрольных.
Рассмотрим порядок операций.
- Автоматная токарная.
Обработка производится на токарном полуавтомате,
станок относится к станкам нормальной точности, что вполне достаточно для
обеспечения требований предъявляемых к операции (шероховатость = Rz80, 10-14
квалитет точности). Выполняется обработка цилиндрической поверхности Æ64-0,4
и подрезается торец на расстоянии 37-0,62 от базового торца на данной операции.
Закрепление детали производится за цилиндрическую
поверхность большего диаметра и торец. После обработки, цилиндрическая
поверхность Æ64-0,4 используется в качестве базы
на дальнейшей операции.
На данной операции достигается расположение
обрабатываемой поверхности. На данной операции производится контроль, в
качестве измерительного инструмента используют шаблон радиусный и
штангенциркуль.
Рисунок 1.5 - операция 002
- Автоматная токарная.
Обработка производится на токарном полуавтомате,
станок относится к станкам нормальной точности, что вполне достаточно для
обеспечения требований предъявляемых к операции (шероховатость = Rz80, Rz40,
10-14 квалитет точности). На данной операции подрезается торец, обтачивается
цилиндрически поверхность Æ92,5мм, светлится
отверстие Æ23, растачивается отверстие Æ78+0,74,
на глубине 22+0,28,и растачивается отверстие Æ60+0,4,
на глубине 10+0,2, точится канавка. Закрепление детали производится за
цилиндрическую поверхность меньшего диаметра и торец.
Рисунок 1.6 - операция 010
- Автоматная токарная.
Обработка производится на токарно-горизонтальном
полуавтомате КСП6-160, станок относится к станкам нормальной точности, что
вполне достаточно для обеспечения требований предъявляемых к операции (шероховатость
= Rz80, Rz40, 10-14 квалитет точности).
На данной операции подрезается торец,
обтачивается цилиндрически поверхность с Æ92,5мм до Æ90,7-0,23мм,
светлится отверстие Æ23, растачивается отверстие с Æ78+0,74
до Æ82,09+0,14мм,
на глубине 22,6+0,28, зенкеруется отверстие Æ24,3+0,52мм, это
отверстие так же развертывается до Æ25,14+0,14мм.
Закрепление детали производится за
цилиндрическую поверхность меньшего диаметра и торец.
- Автоматная токарная.
Обработка производится на токарно-горизонтальном
полуавтомате КСП6-160, станок относится к станкам нормальной точности, что
вполне достаточно для обеспечения требований предъявляемых к операции
(шероховатость = Rz80, Rz40, 10-14 квалитет точности).
На данной операции подрезается торец,
обтачивается цилиндрически поверхность с подрезкой торца, зенкеруется отверстие
Æ92,5мм
до Æ90,7-0,23мм.
Закрепление детали производится за
цилиндрическую поверхность большего диаметра и торец.
Рисунок 1.7 - операция 026
- Автоматная токарная.
Обработка производится на токарно-горизонтальном
полуавтомате, станок относится к станкам нормальной точности, что вполне
достаточно для обеспечения требований предъявляемых к операции (шероховатость =
Rz40, 10-14 квалитет точности). Зенкеруется канавка в пять позиций, исходная
поверхность имеет размеры Æ38,2 и Æ52+0,4
, глубину 25+0,52 , размеры канавки после обработки Æ38-0,62
и Æ52+0,74
, глубину 31+0,62 . Закрепление детали производится за цилиндрическую
поверхность большего диаметра и торец.
Рисунок 1.8 - операция 041
- Помывка.
- Токарная - винторезная.
Обработка производится на токарно-винторезном
станке 1К62, станок относится к станкам нормальной точности, что вполне
достаточно для обеспечения требований предъявляемых к операции (шероховатость =
Rz40, 10-14 квалитет точности). Производить притупление острых кромок на
закрепление детали производится за цилиндрическую поверхность меньшего диаметра
и торец. Æ38, Æ52,
Æ58.
- Сверлильная.
Обработка производится на агрегатно-сверлильном
станке. Станок относится к станкам нормальной точности, что вполне достаточно
для обеспечения требований предъявляемых к операции (шероховатость = Rz40,
10-14 квалитет точности). Сверлятся 6 отверстий Æ8,1,
и зенкеруются до размера Æ8,18. Размер требуемого
отверстия Æ8+0,36. Задан зависимый позиционный
допуск в радиальном выражении.
Рисунок 1.9 - операция 050
- Вертикально-сверлильная.
Обработка производится на
вертикально-сверлильном станке МН-10. На данной операции притупляются острые
кромки у полученных на предыдущей операции шести отверстиях, обработка
производится разверткой с цеховой заточкой.
Рисунок 1.10 - операция 052
- Горизонтально - фрезерная.
Обработка производится на Горизонтально
фрезерном станке 6Р82. Фрезеруется освобождение. Закрепление детали
производится по внутреннему отверстию, большего радиуса и торцу.
Рисунок 1.11 - операция 055
- Слесарная.
Зачищаются заусенцы после фрезерования.
Оборудование - верстак.
- Горизонтально - фрезерная.
Обработка производится на фрезерном
полуавтомате. Станок относится к станкам нормальной точности, что вполне
достаточно для обеспечения требований предъявляемых к операции (шероховатость =
Rz40, 10-14 квалитет точности). Фрезеруются пазы шириной 10,2+0,24 на глубину
11-0,43. Обработка осуществляется в 3 перехода, фрезеруется по 2 паза в двух
заготовках одновременно. Поворот осуществляется автоматически.
Рисунок 1.12 - операция 065
- Слесарная.
- Слесарная.
Зачистка заусенцев после фрезерования с
внутренней стороны, производится на станке П-58240 ЗЭМ, борфрезой.
- Протяжная.
Операция выполняется на горизонтальном -
протяжном станке 7Б510. Станок относится к станкам нормальной точности, что
вполне достаточно для обеспечения требований предъявляемых к операции
(шероховатость = Rz 20, 7 квалитет точности). На операции задан допуск формы и
расположения. Протягивается отверстие, шлицевой протяжкой, DÆ30+0,14,
протягивание производится в 2 перехода, черновой и чистовой протяжкой.
Закрепление производится по пазам и внутреннему торцу.
- Промывка.
Рисунок 1.13 - операция 075
- Токарно-винторезная.
Производится на токарно-винторезном станке 1К62.
Производится зачистка внутреннего диаметра Æ25, зачищается
торец после протягивания, притупляются острые кромки на спирали. Закрепление
детали производится за цилиндрическую поверхность меньшего диаметра и торец.
- Слесарная. Верстак. Притупляются острые
кромки.
- Промывка. Мойка тупиковая.
- Контроль промежуточный. Стол контролера.
- Укладка.
- Транспортная.
- Термообработка. Высокочастотная установка ЛГЗ
-67.
- Слесарная. Верстак.
- Контроль ОТК.
Проверка твердости. Твердомер Роквелла ТР ГОСТ
23677-79.
- Пескоструйная. Камера пескоструйная.
- Консервировать детали.
- Протяжная.
Выполняется на горизонтально - протяжном станке
7Б510. Протягивается отверстие шлицевой чистовой протяжкой D Æ30+0,14.
Закрепление производится по пазам и внутреннему торцу.
- Токарно-винторезная.
Обработка осуществляется на токарно-винторезном
станке 1К62. Закрепление производится по цилиндрической поверхности меньшего
диаметра и внутреннему торцу. На данной операции зачищается внутренний диаметр
протягиваемого отверстия Æ25, притупляются острые кромки
на спирали.
Рисунок 1.14 - операция 110
- Токарно-винторезная.
Обработка осуществляется на токарно-винторезном
станке 1К62. Закрепление производится по цилиндрической поверхности большего
диаметра и торцу. Станок относится к станкам нормальной точности, что вполне
достаточно для обеспечения требований предъявляемых к операции (шероховатость =
Rz40, 10квалитет точности). Растачивается отверстие Æ56+0,2
на глубину 5+0,75, после термообработки.
Рисунок 1.15 - операция 114
- АВЖ.
Закрепление производится по цилиндрической
поверхности большего диаметра и торцу. Точится конусная поверхность.
Рисунок 1.16 - операция 115
- Круглошлифовальная.
Рисунок 1.17 - операция 116
Обработка осуществляется на токарно-винторезном
станке 1К62. Закрепление производится по внутреннему отверстию Æ25
и торцу. Станок относится к станкам нормальной точности, что вполне достаточно
для обеспечения требований предъявляемых к операции (шероховатость = Rа2,5, 10
квалитет точности). Шлифуется цилиндрическая поверхность большего диаметра.
- Токарно-винторезная.
Обработка осуществляется на токарно-винторезном
станке 1К62. Закрепление производится по внутреннему отверстию Æ25
и торцу. Станок относится к станкам нормальной точности, что вполне достаточно
для обеспечения требований предъявляемых к операции (шероховатость = Rz40, 10квалитет
точности). Зачищается диаметры Æ38 и Æ52,
после термообработки и притупляются острые кромки.
- Слесарная. Верстак. Притупляются острые кромки
после всей механической обработки.
Рисунок 1.18 - операция 120
- Промывка.
- Контроль. Стол контроллера.
- Консервировать детали.
- Укладка.
- Транспортирование.
.2.2 Степень оснащенности операций
Основным средством увеличения производительности
является автоматизация металлорежущих станков, их работа в непрерывном режиме с
минимальным участием людей, что и определяет степень оснащенности операций. В
данном технологическом процессе обработка осуществляется станках с ручным
управлением. Использование станков с ручным управлением снижает
производительность в 2-4 раза. Также не используются автооператоры,
промышленные роботы, поэтому установка и снятие заготовок осуществляется
вручную, что в значительной степени увеличивает штучное время обработки.
Для закрепления заготовок на станках в
большинстве случаев на предприятии используются непрогрессивные и устаревшие
приспособления (механические), не только повышающие затраты времени на
снятие-установку заготовок, но и увеличивающие погрешность обработки.
.2.3 Степень концентрации операций
Концентрация операций на станке также является
одним из самых эффективных решений, существенно увеличивающих
производительность труда. Наибольшая концентрация достигается на станке с
числовым программным управлением. В данном технологическом процессе операции не
удовлетворяют требованиям по затратам времени на обработку.
Из анализа действующего технологического
процесса видно, что минусом является большое число операций на разных станках,
тем самым увеличивается время на обработку детали, задействовано больше
производственной площади, производственных и вспомогательных рабочих.
По действующему техпроцессу обработка чашки
выполняется за 140 операций.
.3 Анализ эффективности применения инструмента,
оборудования и технологической оснастки
При анализе эффективности применяемого
инструмента, оборудования и оснастки в действующем технологическом процессе
изготовления детали необходимо, чтобы применение данного оборудования
способствовало решению следующих проблем: улучшение условий труда работающих,
повышение производительности труда и сокращение потребностей в рабочей силе.
Действующий технологический процесс
характеризуется применением специальных станков: токарного - полуавтомата 1282,
КСП6-160, 1265ПМ-6, 1416 токарно-винторезный 1К62, агрегатно-сверлильного 3ХА
8003, вертикально-сверлильный МН-10, горизонтально-фрезерный 6Р82, фрезерный
полуавтомат ДФ513 Р273, горизонтально-протяжной станок 7Б510. Станки
расположены по ходу технологического процесса. Станки не используются по
мощности.
Инструменты, используемые в технологическом
процессе: резцы из Т15К10, резцы из Т15К6, сверла спиральных диаметром 26мм из
быстрорежущей стали Р18 ГОСТ 10903-64, сверла диаметром 23мм, центровое сверло
диаметром 35мм, сверло ГОСТ 886-77, зенкера, зенкер двухперый из стали Р18,
развертки, развертки машинные с коническими хвостовиками материал рабочей части
Р12Ф3, хвостовик из стали 45, развертки машинные насадные цельные из материала
Р9К10, фреза пазовая из стали Р18 ГОСТ 19265-73, комплекты фрез, протяжки на
винтовые шлицы 4х заходная черновая, чистовая режущая часть из стали Р18,
направляющая сталь 40Х, не отвечают необходимым требованиям массового
производства, они не высокопроизводительны. Как видно обработка чашки ведется в
основном инструментом из быстрорежущей стали, не позволяющим работать на
максимальных скоростях. При токарной обработке используются твердосплавные
резцы, резцы с напайными, а не со сменными многогранными пластинками, имеющими
ряд существенных недостатков.
Таким образом, эффективность применяемого
инструмента невысока, повышается норма времени на выполнение основных
технологических операций. Всё это приводит к увеличению себестоимости
изготовления детали, что недопустимо в современных условиях, поэтому их
необходимо заменить на более современные и технологичные. Более эффективно
применение С.М.П., что сокращает время на смену инструмента и повышает
производительность труда, а также позволяет дольше эксплуатировать корпус или
державки инструмента.
Станочные зажимные приспособления, используемые
в техпроцессе для вертикально-сверлильных (подставка), фрезерной
(приспособление для фрезеровки), на горизонтально - фрезерной, на протяжной
операции, в основном механические, ручные, что очень трудоемко и занимает много
времени.
Вспомогательный инструмент: втулки специальные,
державки специальные, втулка, оправка для фрез, кольца специальные, замки
специальные.
Загрузка заготовок и деталей на станках
осуществляется вручную, передача заготовок от станка к станку производится в
таре. Заготовки на участок и готовые изделия увозятся на электрокарах. Стружка
со станков убирается вручную, и периодически увозятся с участка.
Экономический эффект от такого технологического
процесса может быть достигнут путем значительного сокращения путей
транспортирования, постоянной информации о состоянии производства и вследствие чего
уменьшением простоев оборудования с помощью организованного обеспечения участка
заготовками и деталями, инструментами, приспособлениями и измерительными
средствами, применения принципа оптимальной концентрации технологических
переходов; сокращения количества инструмента для выполнения техпроцесса.
На основе данного анализа можно сделать вывод:
при простоях оборудования, низкой эффективности применяемого инструмента,
нерациональности технологии значительно повышаются нормы времени на выполнение
основных технологических переходов.
В массовом производстве данный технологический
процесс будет нецелесообразным и экономически неэффективным. Так как проектный
технологический процесс будет разрабатываться для массового производства, то
для устранения недостатков при разработке проектного технологического процесса,
предлагаю внести следующие изменения:
заменить станки токарные полуавтоматы на станок
с числовым программным управлением;
изменить маршрутный технологический процесс;
применять более современный инструмент.
Это сократит основное и вспомогательное время,
номенклатуру применяемого инструмента, при этом повысится точность и
производительность для изготовления чашки привода стартера.
.4 Цель и задачи проектирования
Цель проектирования данной дипломной работы -
разработка участка механической обработки чашки привода стартера, отвечающего
требованиям массового производства и обеспечивающего заданное качество
обрабатываемой детали с минимальными затратами. Для выполнения поставленной
цели необходимо решить следующие задачи:
разработать технологический процесс для условий
массового производства;
выбрать для участка современное оборудование;
выбрать вид заготовки;
рассчитать режимы резания и нормирования работ;
рассчитать и спроектировать специальный инструмент;
разработать мероприятия по безопасности
жизнедеятельности, обеспечи- вающие необходимые условия работы для
обслуживающего персонала.
2. Технологическая часть
.1 Разработка технологического процесса
обработки чашки
Усовершенствование маршрутного технологического
процесса является одной из важных задач для проектирования. Решение этой задачи
должно быть прогрессивным, обеспечивать повышение производительности труда,
качества деталей и снижение их себестоимости. При разработке маршрутного
техпроцесса необходимо определить последовательность операций, выбрать
технологические базы и основное оборудование для выполнения этих операций.
Совершенствование производится на основе действующего маршрутного техпроцесса.
Действующий технологический процесс изготовления
чашки был разработан на ОАО ”Электромашина” для массового производства.
Обработка ведется на специальных станках и
полуавтоматах, агрегатных. Перемещение обрабатываемых заготовок производится
вручную, с помощью тележек. В маршруте определена неизменная последовательность
перемещения обрабатываемой заготовки, от станка к станку. Заготовки, ожидающие
обработки накапливаются перед станком на промежуточном столе. Наладка
инструментов производится непосредственно на участке. Отходы обработки
удаляются вручную. В проектном варианте технологический маршрут обработки чашки
рассчитан на массовое производство. Сейчас выпускается 2000 штук в год, но
необходимо, чтоб не было простоев оборудования, переналаживать его на обработку
других деталей, схожих по характеристикам.
Разработанный маршрутный технологический процесс
состоит из следующий операций:
- Заготовительная;
- Токарная с ЧПУ;
- Фрезерная;
- Специальная фрезерная;
- Сверлильная;
- Горизонтально-протяжная;
- Моечная;
- Контрольная промежуточная;
- Термическая;
- Протяжная;
- Токарная с ЧПУ;
- Круглошлифовальная;
- Моечная;
- Контрольная.
Рассмотрим операции в разработанном
технологическом процессе:
- Токарная с ЧПУ.
Процесс обработки детали будет выглядеть
следующем образом: Установ 1.
Обработать деталь, выдерживая размеры:
13,8,9,4,2,1,3,11,14.
Резец проходной специальный
151002.2009.681.05.03.11, пластина ЧПИ 648А, Т15К6 ГОСТ 3882-74.
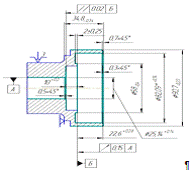
Рисунок 2.1 - операция 005
Обработать деталь, выдерживая размеры 6,7.
Зенкер специальный 151002.2009.681.03.01.04.
Сверло специальное 151002.2009.523.003.02.04.
Установ 2.
Обработать деталь, выдерживая размеры: 24, 21,
20, 18, 22, 23,15.
Резец проходной специальный
151002.2009.523.00.00, пластина ЧПИ 648А, Т15К6 ГОСТ 3882-74.
Обработать деталь, выдерживая размеры 6,7.
Зенкер специальный 151002.2009.681.03.01.04.
Обработать деталь, выдерживая размеры: 26.
Сверло специальное цельное, твердосплавные
пластины ГОСТ 17277-71, Т15К10 ГОСТ 3882-74.
Рисунок 2.2 - операция 005
Выбор вида заготовки зависит от конструкции
детали, её назначения, условий работы в узле, типа производства и материала.
При выборе заготовки для заданной детали назначают метод её получения,
определяют конфигурацию, размеры, допуски, припуски на обработку и формируют
технологические условия на изготовление.
По мере усложнения конфигурации заготовки,
уменьшения напусков и припусков, повышения точности размеров и параметров
расположения поверхностей становится дороже технологическая оснастка
заготовительного цеха и возрастает себестоимость заготовки, но при этом
снижается трудоемкость и себестоимость последующей механической обработки
заготовки, повышается коэффициент использования материала.
Главным при выборе заготовки является обеспечение
заданного качества готовой детали при её минимальной себестоимости.
.2 Расчет режимов резания при точении на ЭВМ
Расчет режимов резания при точении на ЭВМ
производиться по рекомендациям [14] (см. приложение А).
.3 Расчет режимов резания и нормирование работ
Определение режимов резания сводится к
нахождению оптимальных глубин резания t, величин подачи S, скорости резания V,
частоты вращения n, при которых должна быть достигнута наибольшая
производительность обработки при наименьшей себестоимости, с получением
требуемого качества обработанной поверхности.
.3.1 Расчет режимов резания и нормирование работ
на 005 токарную операцию с ЧПУ
Установ. Переход 1 - подрезка торца.
Глубина резания при зенкеровании определяется по
формуле:
(2.1)
где
D - диаметр отверстия после рассверливания, мм; D=70;- диаметр отверстия до
рассверливания, мм; d=68.
.
Согласно
методики [3] подачу выбираем по картам 6 и 8 S=0,31 мм/об. С учетом поправочных
коэффициентов карта 8 [3] подача So=0,35 мм/об.
Скорость
резания по карте 22 [3] V=229м/мин. Поправочные коэффициенты выбираются по
карте 23 [3]. Учитывая поправочные коэффициенты окончательно скорость резания,
получается V= 128,4 м/мин.
Частота
вращения шпинделя определяется по формуле:
(2.2)
.
Принимаем
частоту вращения, имеющуюся на станке, n=630 мин
. Тогда фактическая скорость
резания, определяем по формуле:
(2.3)
.
Основное
время определяется по формуле:
, (2.4)
где
L - длина рабочего хода резца, мм;- число рабочих ходов; i=1.
L=l+y+Δ
мм,
(2.5)
где
l - длина обрабатываемой поверхности, мм; - врезание резца, мм; y=1;
Δ
- перебег
резца, мм; Δ=2.
L=64+1+2=67
мм.
Табличное
значение осевой и радиальной составляющих силы резания при выбранной подаче
определяется по карте 32 [3]
По карте 33[5] определяем
поправочные коэффициенты. Окончательно составляющие силы резания получаются
Рассчитанные
значения меньше усилия резания, допускаемого механизмом подач станка.
Мощность
резания определяем по карте 21 [3] NT = 6.0 кВт. Поправочные коэффициенты
выбираются по карте 24 [3]. Окончательно мощность резания получается NT= 6.3
кВт.
Переход
2 - точить наружный диаметр в размер ø60-0,19 мм на длине
30 мм; цилиндрическую поверхность 77-0,3 мм на длине 5,4 мм с подрезкой торца
выдерживая размер 28,6-0,34 мм и 34-0,34 мм.
Припуск
на обработку
,
, 36-34=2 мм
и 30,6-28,6=2 мм. Глубина резания принимается равной припуску t=2 мм.
Согласно
методики [3] подачу выбираем по картам 6 и 8 S=0,31 мм/об. С учетом поправочных
коэффициентов карта 8 [3] подача So=0,35 мм/об.
Учитывая
поправочные коэффициенты по карте 23 [3] окончательно скорость резания,
получается V= 152 м/мин.
Частота
вращения шпинделя определяется по формуле (2.2):
;
;
.
Принимаем
частоту вращения, имеющуюся на станке n1=800мин
, n2,3,4=630мин
.
Тогда
фактическая скорость резания рассчитываться по формуле (2.3):
;
;
.
Длина
рабочего хода резца определяем по формуле (2.5):=30+1+2=33 мм;=5.4+0,6+2=8
мм;,4=8.5+0,5+2=11 мм.
Основное
технологическое время рассчитывают с учетом врезания и пробега, определяем по формуле
(2.4):
;
Переход
3 - точить радиус R5±0.5.
Чистовое
точение, припуск на обработку 2 мм. Глубина резания принимается равной припуску
t=2 мм.
Согласно
методики [3] подачу выбираем по картам 6 и 8 S=0,31 мм/об. С учетом поправочных
коэффициентов карта 8 [3] подача So=0,35 мм/об.
Учитывая
поправочные коэффициенты по карте 23 [3] окончательно скорость резания,
получается V= 152 м/мин.
Частота
вращения шпинделя определяется по формуле (2.2):
.
Принимаем
частоту вращения, имеющуюся на станке n=630мин
.
Тогда
фактическая скорость резания рассчитываться по формуле (2.3):

.
Длина
рабочего хода резца определяем по формуле (2.5):=5+1+2=8 мм.
Основное
технологическое время рассчитывают с учетом врезания и пробега, определяем по
формуле (2.4):
Переход
4 - растачивание.
Припуск
на обработку
Припуск
можно снять за один проход. Глубина резания t
=1,5 мм.
Согласно
методики подачу выбираем по картам 6 и 8 [3] S=0,31 мм/об. С учетом поправочных
коэффициентов карта 8 [3] подача So=0,35 мм/об.
Скорость
резания по карте 22 [3] V=229м/мин. Поправочные коэффициенты выбираются по
карте 23 [3]. Учитывая поправочные коэффициенты окончательно скорость резания,
получается V= 128,4 м/мин.
Частота
вращения шпинделя определяется по формуле (2.2):
.
Принимаем
частоту вращения, имеющуюся на станке, n=800 мин
.
Тогда
фактическая скорость резания рассчитывается по формуле (2.3):
.
Длина
рабочего хода резца определяем по формуле (2.5):=7+1+2=10 мм.
Основное
технологическое время рассчитывают с учетом врезания и пробега, определяем по
формуле (2.4):
Окончательно
составляющие силы резания получаются Р
=337.9 Н, Р
=180Н.
Рассчитанные значения меньше усилия резания, допускаемого механизмом подач
станка.
Переход
5 - растачивание.
Припуск
на обработку
Припуск
можно снять за один проход. Глубина резания t
=1,5 мм.
Согласно
методики подачу выбираем по картам 6 и 8 [3] S=0,31 мм/об. С учетом поправочных
коэффициентов карта 8 [3] подача So=0,35 мм/об.
Скорость
резания по карте 22 [3] V=229м/мин. Поправочные коэффициенты выбираются по
карте 23 [3]. Учитывая поправочные коэффициенты окончательно скорость резания,
получается V= 128,4 м/мин.
Частота
вращения шпинделя определяется по формуле (2):
.
Принимаем
частоту вращения, имеющуюся на станке, n=800 мин
.
Тогда
фактическая скорость резания определяется по формуле (2.3):
.
Длина
рабочего хода резца определяем по формуле (2.5):=5+1+2=8мм.
Основное
технологическое время рассчитывают с учетом врезания и пробега, определяем по
формуле (2.4):
Переход
6 - сверление.
Глубину
резания выбираем, равной половине диаметра получаемого отверстия, t=12.5 мм.
Подачу,
силу резания, скорость и мощность выбираем по карте 46 [2]: SoT=0,32 мм/об,
VT=22,5 м/мин, сила резания Рт=10665 Н, мощность NT=2,5кВт. Частота вращения
n=286 мин-1. По картам 52 и 53 [2] производим корректировку табличных значений
режимов резания. C учетом поправочных коэффициентов S=0,41 мм/об, V=33,5 м/мин,
сила резания Рт=8200 Н, мощность NT=1,92 кВт. Сила резания и мощность не
превышают допустимых паспортными данными станка.
Скорректированная
частота вращения шпинделя n=426 мин
. Принимаем частоту вращения n=500
мин
.
Тогда
фактическая скорость резания Vф=54,95 м/мин.
Основное
время определяется по формуле (2.4). Определим длину рабочего хода для
перехода:
Переход
7 - снятие наружной фаски.
Глубину
резания принимаем равной припуску на обработку t=0,6 мм.
С
учетом коэффициентов S=0,23мм/об. Окончательно скорость резания получается
V=172м/мин.
Частота
вращения шпинделя станка n=474мин
. Принимаем частоту вращения
шпинделя станка n=500мин
.
Тогда
фактическая скорость резания
=141 м/мин.
Длина
рабочего хода резца определяем по формуле (2.5):=0,6+0,2+2=2,7мм.
Основное
технологическое время рассчитывают с учетом врезания и пробега, определяем по
формуле (2.4):
Переход
8 - снятие наружной фаски.
Глубину
резания принимаем равной припуску на обработку t=0,5 мм.
Режимы
резания определяем аналогично переходу 6 на 1ом установе.
Согласно
методики подачу выбираем по картам 6 и 8 [3] и с учетом поправочных
коэффициентов карта 8 [3] подача So=0,23 мм/об.
Скорость
резания по карте 22 [3] V=308м/ми. С учетом поправочных коэффициентов, которые
выбираются по карте 23 [3], получается V= 172 м/мин.
Частота
вращения шпинделя станка n= 474мин
. Принимаем частоту вращения
шпинделя станка n=500 мин
.
Тогда
фактическая скорость резания
=141 м/мин.
Длина
рабочего хода резца определяем по формуле (2.5):=0,5+0,2+2=2,7мм.
Основное
технологическое время рассчитывают с учетом врезания и пробега, определяем по
формуле (2.4):
Переход
9 - снятие внутренней фаски.
Глубину
резания принимаем равной припуску на обработку t=0,5 мм.
Режимы
резания определяем аналогично переходу 7 на 1ом установе.
Согласно
методики подачу выбираем по картам 6 и 8 [3] и с учетом поправочных
коэффициентов карта 8 [3] подача So=0,23 мм/об.
Скорость
резания по карте 22 [3] V=308 м/ми. С учетом поправочных коэффициентов, которые
выбираются по карте 23 [3], получается V= 172 м/мин.
Частота
вращения шпинделя станка n= 474мин
. Принимаем частоту вращения
шпинделя станка n=500 мин
.
Тогда
фактическая скорость резания
=141 м/мин.
Длина
рабочего хода резца определяем по формуле (2.5):=0,5+0,2+2=2,7мм.
Основное
технологическое время рассчитывают с учетом врезания и пробега, определяем по
формуле (2.4):
.
Установ.
Переход 1 - подрезка торца.
Глубину
резания принимаем равной припуску на обработку t=2 мм.
Подачу
выбираем по картам 6 и 8 [3] S=0,31 мм/об. Поправочные коэффициенты на подачу
выбираем по карте 8 [3]. С учетом коэффициентов подача S=0,35 мм/об.
Скорость
резания по карте 22 [3] V=229м/мин. Поправочные коэффициенты выбираются по
карте 23 [3]. Окончательно скорость резания получается V= 128,4 м/мин.
Частота
вращения шпинделя определяется по формуле (2.2):
мин
.
Принимаем
частоту вращения, имеющуюся на станке, n=500 мин
.
Тогда
фактическая скорость резания, определяем по формуле (2.3):
Длина
рабочего хода резца определяем по формуле (2.5):=90,7+0,3+2=93 мм.
Основное
технологическое время рассчитывают с учетом врезания и пробега, определяем по
формуле (2.4):
Табличное
значение осевой и радиальной составляющих силы резания при выбранной подаче
определяется по карте 32 [3] 
По карте 33 [5] определяем
поправочные коэффициенты. Окончательно составляющие силы резания получаются 
Рассчитанные значения меньше усилия
резания, допускаемого механизмом подач станка.
Мощность
резания определяем по по карте 21 [3] NT = 6,0 кВт. С учетом поправочного
коэффициента мощность резания получается NT= 6,3 кВт.
Переход
2.
Точить
наружный диаметр в размер ø90,7-0,23.
Чистовое
точение, припуск на обработку до 1 мм. Длина обработки 28,6мм. Глубина резания
принимается равной припуску t=1мм.
Режимы
резания считаем аналогично установ 1, переход 1
Подачу
выбираем по картам 6 и 8 [3] S=0,31 мм/об. Поправочные коэффициенты на подачу
выбираем по карте 8 [3] . С учетом коэффициентов подача S=0,35 мм/об.
Скорость
резания выбирается по карте 22 [3], а поправочные коэффициенты выбираются по
карте 23 [3]. Окончательно скорость резания получается V= 152м/мин.
Частота
вращения шпинделя определяется по формуле (2.2):
мин
.
Принимаем
частоту вращения, имеющуюся на станке, n=630мин
.
Тогда
фактическая скорость резания рассчитываться по формуле (2.3):


.
Длина
рабочего хода резца определяем по формуле (2.5):=90,7+1,3+2=94 мм.
Основное
технологическое время рассчитывают с учетом врезания и пробега, определяем по
формуле (2.4):
Переход
3 - растачивание.
Припуск
на обработку
Припуск
можно снять за один проход. Глубина резания t
=2 мм.
Режимы
резания считаем аналогично установ 1, переход 3.
Подачу
выбираем по картам 6 и 8 [3] S=0,22 мм/об. Поправочные коэффициенты на подачу
выбираем по карте 8 [3] . С учетом коэффициентов подача S=0,28 мм/об.
Скорость
резания выбирается по карте 22 [3], а поправочные коэффициенты выбираются по
карте 23 [3]. Окончательно скорость резания получается V= 134м/мин.
Частота
вращения шпинделя определяется по формуле (2.2):
мин
.
Принимаем
частоту вращения, имеющуюся на станке, n=600мин
.
Тогда
фактическая скорость резания рассчитываться по формуле (2.3):


.
Длина
рабочего хода резца определяем по формуле (2.5):=22,6+0,6+2=25,2мм.
Основное
технологическое время рассчитывают с учетом врезания и пробега, определяем по
формуле (2.4):
.
Мощность
резания определяем по карте 21 [2] NT = 6,0 кВт. Поправочные коэффициенты
выбираются по карте 24 [2]. Коэффициент на мощность резания в зависимости от
механических свойств обрабатываемого материала
=1,05.
Мощность
резания получается NT = 6,3 кВт.
Переход
4 - растачивание.
Припуск
на обработку (52-48)/2=2мм. Припуск можно снять за один проход. Глубина резания
t
=2 мм.
Режимы
резания считаем аналогично установ 1, переход 3.
Согласно
методики подачу выбираем по картам 6 и 8 [3] и с учетом поправочных
коэффициентов карта 8 [3] подача So=0,28 мм/об.
Скорость
резания по карте 22 [3] V=229м/ми. С учетом поправочных коэффициентов, которые выбираются
по карте 23 [3], получается V= 134 м/мин.
Частота
вращения шпинделя определяется по формуле (2.2):
мин
.
Принимаем
частоту вращения, имеющуюся на станке, n=600мин
.
Тогда
фактическая скорость резания рассчитываться по формуле (2.3):

.
Длина
рабочего хода резца определяем по формуле (2.5):=10+0,6+2=12,6мм.
Основное
технологическое время рассчитывают с учетом врезания и пробега, определяем по
формуле (2.4):
Переход
5 - зенкерование.
Чистовое
зенкерование, припуск на обработку до 3,5мм. Длина обработки 21мм. Глубина
резания принимается равной припуску t=3,5мм.
Подачу,
силу резания, скорость и мощность выбираем по карте 48 [2]: SoT=0,41 мм/об,
VT=33 м/мин, сила резания Рт=155 Н, мощность NT=1,02кВт.
Частота
вращения n=202 об/мин. По картам 52 и 53 [2] производим корректировку табличных
значений режимов резания. С учетом поправочных коэффициентов S=0,53 мм/об,
V=61,4 м/мин, сила резания Рт=120Н, мощность NT=0,8 кВт Сила резания и мощность
не превышают допустимых паспортными данными станка. Скорректированная частота
вращения шпинделя n=373 мин-1. Принимаем частоту вращения n=370мин-1. Тогда
фактическая скорость резания Vф=60 м/мин. Основное время определяется по
формуле (2.5).
Определим
L для перехода:=l1+l0+l2+ l3, мин,
где
l1- длина подвода инструмента,-длина обрабатываемой поверхности, - длина
врезания инструмента, - длина перебега инструмента.=2+21+2+3=28 мм;
Основное
технологическое время рассчитывают по формуле (2.4):
Переход
6 - точить канавку.
Чистовое
точение, припуск на обработку до 2,0 мм. Длина обработки 12мм. Глубина резания
принимается равной припуску t=2мм.
Подачу
выбираем по карте 6 [2]. При глубине резания t≤1мм, диаметре заготовки Dз≤180
мм подача S=0,31 мм/об. С учетом поправочных коэффициентов S=0,35 мм/об.
Скорость
резания выбирается по карте 22 [2] v=229 м/мин. С учетом поправочных
коэффициентов V=128,4м/мин.
Частота
вращения шпинделя определяется по формуле:
мин
.
Принимаем
частоту вращения, имеющуюся на станке, n=500 мин
.
Тогда
фактическая скорость резания определяется по формуле (2.3):


.
Длина
рабочего хода резца определяем по формуле (2.5):=0,6+12+2=14,6 мм;
Основное
технологическое время рассчитывают с учетом врезания и пробега, определяем по
формуле (2.4):
.
Переход
7 - снятие внутренней фаски.
Глубину
резания принимаем равной припуску на обработку t=0,5 мм.
Режимы
резания определяем аналогично переходу 6 на 1ом установе.
Подачу
выбираем по карте 6 [2] при глубине резания t≤1мм, диаметре заготовки Dз≤180
мм подача c учетом поправочных коэффициентов s=0,23 мм/об.
Скорость
резания по карте 22 [3] V=308м/мин. С учетом поправочных коэффициентов V= 172
м/мин.
Частота
вращения шпинделя станка n=474мин
. Принимаем частоту вращения
шпинделя станка n=500 мин
.
Тогда
фактическая скорость резания определяется по формуле (2.3):


.
Длина
рабочего хода резца определяем по формуле (2.5):=0,5+0,2+2=2,7мм.
Основное
технологическое время рассчитывают с учетом врезания и пробега, определяем по
формуле (2.4):
Переход
8 - снятие наружной фаски.
Глубину
резания принимаем равной припуску на обработку t=0,7 мм.
Режимы
резания определяем аналогично переходу 6 на 1ом установе.
Подачу
выбираем по карте 6 [2] при глубине резания t≤1мм, диаметре заготовки Dз≤180
мм подача c учетом поправочных коэффициентов s=0,23 мм/об.
Скорость
резания по карте 22 [3] V=308м/мин. С учетом поправочных коэффициентов V= 172
м/мин.
Частота
вращения шпинделя станка n= 474мин
. Принимаем частоту вращения
шпинделя станка n=500 мин
.
Тогда
фактическая скорость резания определяется по формуле (2.3):


.
Длина
рабочего хода резца определяем по формуле (2.5):=0,7+0,2+2=2,9мм.
Основное
технологическое время рассчитывают с учетом врезания и пробега, определяем по
формуле (2.4):
Переход
8 - снятие внутренней фаски.
Глубину
резания принимаем равной припуску на обработку t=0,7 мм.
Режимы
резания определяем аналогично переходу 6 на 1ом установе.
Подачу
выбираем по карте 6 [2] при глубине резания t≤1мм, диаметре заготовки Dз≤180
мм подача c учетом поправочных коэффициентов s=0,23 мм/об.
Скорость
резания по карте 22 [3] V=308м/мин. С учетом поправочных коэффициентов V= 172
м/мин.
Частота
вращения шпинделя станка n=474мин
. Принимаем частоту вращения
шпинделя станка n=500 мин
.
Тогда
фактическая скорость резания определяется по формуле (2.3):


.
Длина
рабочего хода резца определяем по формуле (2.5):=0,7+0,2+2=2,9мм.
Основное
технологическое время рассчитывают с учетом врезания и пробега, определяем по
формуле (2.4):
Далее
определим штучное временя.
Норма
штучного времени:
мин, (2.6)
где
- время на
организационно техническое обслуживание рабочего места, отдых и личные
потребности приведены в процентах;
- время
цикла автоматической работы станка по программе
-
вспомогательное время;
ТЦА=Т0+Тмв,
(2.7)
где
ТМВ - машинно-вспомогательное время.
ТМВ=ТМВх+ТМви,
(2.8)
где
ТМВх - машинно-вспомогательное время холостых ходов, мин;
ТМви
- из паспорта станка машинно-вспомогательное время на замену инструмента с
предыдущего периода, ТМви = 0,1мин.
Определения
машинно-вспомогательного времени
.
Для
определения
необходимо
выбрать величину быстрого подвода инструмента от исходной точки
. Исходя из
условий минимизации холостых перемещений и соблюдения техники безопасности,
расстояние от точки «0» до точки выхода инструмента на эквидистанту выбрано
равным Dx = 100мм, Dу = 150 мм по соответствующим
осям координат станка.
Длина
холостого хода определяем по формуле:
; (2.9)
мин;
ТМВ=0,67
+ 0,1 = 0,77мин;
ТОП=3.425+0,77=4,195мин.
Вспомогательное
время определяем по формуле:
, (2.10)
где
Туст - время на установку, Туст=0,23 мин;
Топ
- время, связанное с операцией Топ=4.195мин;
Тиз
- время на контрольные измерения, Тиз=1.05 мин
Время
на организационно техническое обслуживание рабочего места, отдых и личные
потребности приведены в процентах
.3.2
Расчет режимов резания и нормирования работ на протяжную операцию
Протянуть
прямую четырех заходную резьбу чистовой винтовой шлицевой протяжкой на
горизонтально-протяжного станка 7Б510.
Скорость
резания, для протяжек из быстрорежущей стали Р18, выбираем по таблице 125 [2],
в зависимости от группы скорости резания и шероховатости получаемой при
протягивании V =7м/мин.
(2.11)
Определим
время автоматической работы на 045 горизонтально-протяжного станка 7Б510. Длину
рабочего хода lp.x=530 мм.
(2.12)
Основное
время обработки одной детали рассчитаем по формуле:
(2.13)
где
lp.x - длина
рабочего хода, мм;-
коэффициент, учитывающий соотношение между скоростями рабочего и обратного
хода;- скорость
резания, м/мин;- количество
одновременно обрабатываемых деталей; q =1;-
число проходов; i=1.
Коэффициент,
учитывающий соотношение между скоростями рабочего и обратного хода рассчитаем
по формуле:
, (2.14)
где
V - скорость
рабочего хода, м/мин;о.х - скорость
обратного хода, м/мин.
Общее
вспомогательное время определяется по формуле:
(2.15)
где
Туст - время на установку, Туст=1,47 мин;
Топ
- время, связанное с операцией Топ=0,65 мин;
Тиз
- время на контрольные измерения, Тиз=0,78 мин.
Тв=
1,47+0,65+0,78= 2,9 мин.
Оперативное
время работы станка рассчитаем по формуле:
(2.16)
где
То - основное
время, мин;
Топ
- оперативное
время, мин.
Топ=
1,14+2,9 = 4,04мин.
Норма
штучного времени определяется по формуле
; (2.17)
3. Конструкторская часть
.1 Расчет и проектирование специального режущего
инструмента
В новом технологическом процессе большая часть
стандартизованного инструмента с СМП (зенкер, головка для кольцевого сверления,
резец проходной с СМП и так далее), так как сокращаются затраты на изготовление
специального инструмента.
Инструменты с СМП обеспечивают повышение
стойкости, как минимум на 30%, что позволяет повысить скорость резания на 8 -
10 % и производительность труда на 6,5 %; возврат твердого сплава на
переработку; экономический эффект 0,2 - 0,3 раз от одной СМП.
В настоящее время СМП успешно применяют в
конструкциях резцов для токарных работ (проходных, расточных, резьбовых,
копировальных, канавочных), в расточном инструменте (резцовых вставках для
расточных головок и борштанг, в расточных и многозубых головках) и т.д.
.1.1 Протяжка
Винтовые шлицевые отверстия в настоящее время
эффективно используются в различных механизмах, где необходимо осуществить
комплексную передачу движения в осевом и окружном направлениях. В каждой
конструкции размеры и формы этих соединений конструктор определяет исходя из
требований, предъявляемых к работе изделия. От формы и размеров винтового шлицевого
отверстия зависит методика определения конструктивных параметров протяжки,
кинематическая схема и точность протягивания.
Определяем схему протягивания. Исходя из
производственных возможностей и требований, предъявляемых к точности винтового
шлицевого отверстия, детали будем протягивать с помощью копирной гайки по
схеме, показанной на рисунке 3.1.
Рисунок 3.1 - Схема протягивания винтовых шлицев
с помощью капирной гайки (а) и пальца (б)
Протяжка 1 соединяется со шпинделем протяжного
станка патроном 4. При осевом движении протяжка будет поворачиваться выступами
копирной гайки 2, которые входят в направляющие пазы протяжки. Копирная гайка
крепиться в протяжном приспособлении 3.
Рисунок 3.2 - Основные части винтовой шлицевой
протяжки
Исходные данные: внутренний диаметр отверстия d
=25+0,21 мм; наружный диаметр отверстия D = 30+0,13 мм; число шлицев (заходов)
- 4; шаг винтовой линии T=96 мм; угол наклона винтовой линии на расчетном
диаметре
;
ширина винтового паза (шлица) b =7+0,1 мм; длина протягиваемого отверстия L=27
мм; чистота обработанных поверхностей должна соответствовать 5-му классу;
направление винтовых канавок - левое.
Диаметр хвостовой части протяжки D1, назначается
меньше диаметра предварительно подготовленного отверстия d на 0,5мм в формуле
(1), с тем, чтобы обеспечить свободное продвижение протяжки при закреплении её
в патроне. Таким образом:
; (3.1)
.
Большое отклонение D1 от d нежелательно, так как
при этом уменьшается прочность протяжки. Чтобы обеспечить надежное и хорошее
центрирование оси протяжки с осью протяжного станка и этим предотвратить
эксцентрическое закрепление протяжки, что обязательно приведет к её поломке во
время работы, диаметр D1 следует выполнять по посадке Е9, а отверстие в патроне
- по посадке Н9.
Вдоль протяжки будут расположены винтовые пазы
для поворота протяжки в работе, что уменьшит опасное сечение. Поэтому материал
протяжки принимаем Р18. Конструкция протяжки - цельная.
Принимаем значения передних и задних углов
зубьев протяжки.
Протяжки, подобно всякому режущему инструменту,
должны иметь оптимальные передние и задние углы, а так же положительные задние
углы на боковых режущих кромках.
Величину переднего угла для винтовых шлицевых
протяжек при обработке деталей из стали 45 принимаем
[1].
Величину заднего угла следует принимать равной
для режущих α =3˚, калибрующих
зубьев 30´. Большее значение
заднего угла из-за сложности выполнения операции заточки может нарушить
равномерность подъёма на каждый режущий зуб, что приведет к быстрой потере
размеров протяжки.
Определим диаметр первых режущих зубьев d1. Его
следует принимать равным диаметру передней направляющей части протяжки: d1
=25мм.
Диаметр передней направляющей части D3 должен
быть таким, чтобы можно было обеспечит свободное передвижение протяжки в
предварительно подготовленном отверстии.
Слишком свободное передвижение может вызвать
недопустимое несовпадение оси протяжки с осью протягиваемой детали и возможную
её поломку. Поэтому диаметр передней направляющей следует принимать равным
наименьшему диаметру предварительного отверстия d, то есть D3 = 25мм.
Определим диаметр последних режущих зубьев d2,
который равен диаметру калибрующих зубьев. Для увеличения срока службы протяжки
диаметр калибрующей части протяжки dк необходимо принимать равным наибольшему
допустимому размеру отверстия с учетом его деформации, возникающей при
протягивании. Таким образом,
(3.2)
где Dmax - наибольший допустимый диаметр
отверстия с учетом допуска на его изготовления,мм;
δ - радиальная
остаточная деформация отверстия, мм; (0,005 - 0,015) [1].
Остаточная деформация протянутого винтового
шлицевого отверстия по наружному диаметру Dmax выражается в увеличении или
уменьшении его размеров по сравнению с размерами зубьев протяжки. При
протягивании толстостенных деталей имеет место увеличение, а при протягивании
тонкостенных, наоборот, уменьшение размеров протянутого отверстия.
Для черновой протяжки:
.
Для чистовой протяжки:
Определяем припуск под протягивание:
(3.3)
Для черновой протяжки:
.
Для чистовой протяжки:
мм.
Число зубьев в секции принимаем равным 2, то
есть zс=2, для черновой и чистовой протяжки. Первое условие построения
групповой схемы резания у винтовых шлицевых протяжек - кратность числа зубьев
секций zс числу заходов стружечных канавок n. В секции целесообразно принимать
2 зуба.
Большее число зубьев в секции, во-первых,
значительно усложнит технологический процесс изготовления протяжек, а
во-вторых, ввиду применяемых на практике сравнительно небольших по ширине
винтовых пазов (до 28мм) удовлетворительное разделение стружки для такой ширины
режущих кромок протяжки можно осуществить секцией, состоящей из двух зубьев.
Определяем величину подачи на секцию.
При протягивании винтовых шлицевых отверстий в
детали из стали 45 с углом наклона
передний
угол зубьев протяжки
. Требуемый класс
точности - 5. Принимаем величину подачи на секцию аzc=0,1 мм [1].
Определяем средний диаметр для черновой,
чистовой протяжки:
; (3.4)
.
Определяем угол наклона винтовой линии
расположения зубьев протяжки на среднем диаметре:
, (3.5)
где Т - шаг винтовой линии, мм.
Тогда для и чистовой протяжки:
;
.
Определим число заходов n стружечных канавок:
(3.6)
Принимаем n = 6 заходами при двухзубой секции.
Определяем нормальный шаг стружечных канавок:
; (3.7)
Определяем форму и размеры стружечной канавки в
нормальном сечении. Наилучшая форма стружечных канавок следует считать канавку,
спинка зуба которой выполнена по дуге окружности.
Рисунок 3.3 - Форма стружечных канавок
Размеры стружечной канавки:
h = (0.28÷0.35)tн;
(3.8)
q = (0.3÷0.35)tн; (3.9)
R= (0.6÷0.8)tн; (3.10)≥
0.5h. (3.11)
Таким образом, размеры стружечной канавки:
;
;
;
.
Определяем способ разделения стружки между
зубьями секции. Эффективность протяжек группового резания в первую очередь
зависит от рационального способа разделения стружки по ширине между группой
зубьев одной секции. При выборе способа разделения стружки необходимо
обеспечить благоприятные условия резания, особенно на боковых режущих кромках;
срезание стружки без утолщения; технологичность стружкоразделительных
устройств. Этим условиям могут удовлетворять три известных способа разделения
стружки между группой зубьев секций: выкружками, лысками и фасками.
Целесообразность назначения способа разделения
стружки между группой зубьев секции лучше всего выражается отношением ширины
профиля протяжки Шп к её наибольшему диаметру d2, то есть
.
На рисунке 3.4 показан участок режущей части
винтовой шлицевой протяжки группового резания. В сечении Б-Б показана ширина
профиля протяжки Шп, измеренная по вершинам двух зубьев одного захода. С целью
упрощения это сечение выполнено концентричными окружностями.
Рисунок 3.4 - Ширина профиля и ширина режущей
кромки винтовой шлицевой протяжки
Рисунок 3.5 - Разделение между группой зубьев у
винтовых шлицевых протяжек группового резания: а - выкружками; б - лысками; в -
фасками
Определить ширину профиля Шп у винтовых шлицевых
протяжек в зависимости от конструктивных параметров винтовых шлицевых отверстий
с достаточной для практики точностью можно определить по следующее формуле:
, (3.12)
где Вп - ширина режущей кромки зуба протяжки,
мм;
К - коэффициент размещения стружечной канавки;
К=3 [1].
Определим наибольшую длину режущей кромки зуба
протяжки и форму первого зуба секции:
, (3.13)
где bmax - наибольший допустимый размер
винтового паза по ширине, мм;
δ - величина
«разбивания» шлица при протягивании (устанавливается опытным путем), мм.
Для чистовой:
Вп = 7,1 - 0,1 = 7,04;
;
Для черновой:
Вп = 6,0.
.
Если отношение
,
то разделение стружки между группой зубьев секций следует производить фасками
или лысками. Разделение стружки фасками - наиболее надежный способ.
Размер F не должен превышать 2,5 - 3 мм. Общая
длина кромок первого зуба должна составлять примерно
.
Для надежного разделения стружки между первым и вторым зубьями секции
необходимо, чтобы высота S разделительных устройств первого зуба была больше
подачи aZc на секцию:
. (3.14)
Определяем осевой шаг стружечных канавок:
; (3.15)
.
Для удобства настройки станка на обработку
стружечных канавок принимаем осевой шаг toc=15 мм.
Определим ход стружечных канавок:
. (3.16)
Определяем число режущих секций:
(3.17)
Принимаем
секции.
Определяем длину режущей части:
(3.18)
Калибрующая часть протяжки обеспечивает
получение протягиваемого винтового шлица в заданной форме в пределах допуска и
дает возможность перетачивать протяжку без потери её размера.
Шаг, форму и размеры стружечных канавок
калибрующих зубьев у винтовых шлицевых протяжек с винтовым расположением
режущих кромок такие же, как и у режущей части. На калибрующих зубьях
оставляется ленточка без заднего угла шириной 0,1 - 0,2 мм. Это позволяет
сохранить размер калибрующей части во время переточек и точно измерять размеры
протяжки во время её изготовления.
Задний угол калибрующих зубьев назначается в
пределах 0˚30´.
Определим длину калибрующей части:
(3.19)
где zk - число калибрующих зубьев zk =4-8.
Принимаем zk =6.
Задней направляющей части у винтовых шлицевых
протяжек нет.
Это связано с тем, что выполнить её у протяжек с
винтовым расположением стружечных канавок сложно. Вместо задней направляющей
части за калибрующей частью у них имеется задний хвостовик длиной l7,
выбирающейся конструктивно.
Задний хвостовик обычно является базой при шлифовании
винтовых канавок.
Определяем длину протяжки до первого зуба:
(3.20)
Для шлифования винтовой канавки по всей длине
протяжки перед хвостовой частью следует предусмотреть технологическую шейку
lт.ш для крепления хомутика длиной примерно 10мм. Форма хвостовой части
протяжки зависит от способа крепления её в тяговом патроне.
Длина l1 хвостовой части протяжки зависит от
диаметра и назначается, как у обычных протяжек. Шейка и передний конус
составляют связующее звено между хвостовой частью и передней направляющей
протяжки. Диаметр шейки D2 обычно принимается меньше диаметра хвостовой части
D1 на 0,3 - 0,5 мм. Длина шейки l2 определяется конструктивно с учетом осевых
размеров протяжного приспособления и детали. Её длина должна позволить свободно
закрепить протяжку в патроне.
Переходный конус направляет протяжку по
предварительно подготовленному отверстию. Длина переходного конуса принимается
равной 5 - 15 мм, в зависимости от размеров протяжки. Поперечное сечение
переходного конуса зависит от формы протягиваемого отверстия. Переходы от
хвостовой части к шейки и от шейки к конусу необходимо закруглять.
Передняя направляющая часть протяжки должна
обеспечить надежное центрирование режущей части протяжки относительно оси протягиваемого
отверстия. Практика эксплуатации винтовых шлицевых протяжек показала, что длина
передней направляющей части вместе с длиной технологической канавки l4 = 1,5L.
В конструкции винтовых шлицевых протяжек с
винтовым расположением режущих кромок необходимо за передней направляющей
предусмотреть технологическую канавку для выхода резцов lт.к, фрез и
шлифовальных кругов при обработке стружечных канавок. Длина технологической
канавки выбирается конструктивно в пределах 8 - 10 мм, а её диаметр зависит от глубины
стружечных канавок:

(3.21)
Определяем общую длину протяжки:
(3.22)
Определяем длину режущих кромок одновременно
работающих зубьев:
(3.23)
Поскольку в прорезании профиля винтового паза
участвует секция, состоящая из двух зубьев, то длина режущих кромок
одновременно участвующих в работе зубьев протяжки группового резания:
(3.24)
Определяем удельную силу резания
,
приходящуюся на 1 мм длины активной части режущей кромки, по приложению 2 [1].
Для обработки рассматриваемой детали
.
Определяем угол τ отклонении
равнодействующей от оси протяжки:
; (3.25)
;
.
Определяем осевую составляющую силы резания:
, (3.26)
где
-
коэффициенты, характеризующие соответственно влияние переднего угла, степени
износа зубьев протяжки и смазочно - охлаждающей жидкости. Принимаем их значение
соответственно по таблице 3 и 4 [1]. Принимаем
.
- максимальная
осевая сила резания при протягивании винтовых шлицевых отверстий.
Определяем площадь опасного сечения. Диаметр
технологической канавки:
; (3.27)
(3.28)
Определяем растягивающее напряжение в теле
протяжки:
(3.29)
Определяем величину окружности составляющей силы
резания:
(3.30)
Определяем крутящий момент:
, (3.31)
где
-
средний диаметр режущей части протяжки, мм.
Определяем момент сопротивления опасного
сечения:
. (3.32)
. (3.33)
Определяем сложное напряженное состояние в теле
протяжки:
(3.34)
Так как протяжка при протягивании винтовых
шлицев поворачивается по копирной гайке, то к силам резания следует добавить
силы трения пазов протяжки о выступы гайки.
Величина этих сил определяется коэффициентом
трения и для случая протягивания со смазочно-охлаждающей жидкостью составляет
примерно 0,1 [2]. Сложное напряженное состояние в теле протяжки увеличивается
примерно на 0,1 и составит
.
Сложное напряжение в теле протяжки должно быть
всегда меньше опускаемого сложного напряженного состояния, т.е.
.
Приведенный расчет удовлетворяет этому требованию.
.1.2 Зенкер сборный с СМП
Цель расчета - определение конструктивных
параметров.
Материал обрабатываемого изделия - сталь 45.
Твердость НВ= 240
Шероховатость обработанной поверхности Rz=40мкм
Зенкерование глухое ступенчатого отверстия по
диаметру -
- чистовой проход.
Глубина отверстия l=5мм
Для зенкерования отверстия в заготовке применяем
зенкер со сменными многогранными пластинами.
Твердосплавные зенкера с напайными пластинами
имеют ряд недостатков:
необходимость переточки, которая непосредственно
сложна;
ограниченность числа переточек;
низкая точность при зенкеровании зенкерами с
напайными пластинами;
Указанные недостатки в значительной степени
устранимы в сборных конструкциях зенкеров с СМП.
Рассчитываемый зенкер оснащен тремя пластинами.
Для расчета наружного диаметра зенкера необходимо знать поле допуска на
изготовление детали; условия обработки: разбивка или усадка обработанного
отверстия.
, (3.35)
где В - допуск на изготовление зенкера;
Д - запас на износ в процессе эксплуатации;
- максимальная
величина разбивки отверстия;
- минимальная
величина разбивки отверстия.
Номинальный диаметр равен наибольшему
предельному размеру обрабатываемого отверстия с учетом разбивки или усадки.
Расчет номинального диаметра проводим с учетом
разбивки, величина которой определяется из литературы [2] и равна 0,35 от
допуска на отверстие. В связи с этим, максимальный (номинальный) диаметр нового
зенкера определяется:
ном = Dмах зенк = Dмах отв - 0,35А, (3.36)
где А - допуск на обрабатываемое отверстие.
ном = Dмах зенк = 56.19 - 0,35∙0,190 =
56,124 мм.
Допуск на изготовление составляет 0,25 от
допуска на отверстие. Тогда минимальный диаметр нового зенкера составляет:
зенк = Dном- 0,25А, (3.37)
зенк = 56.19 - 0,25∙0,190 = 56.238 мм.
В данном зенкере принимаем пластину 2008-1854 ТУ
19-4206-95/83 из твердого сплава ТТ7К12ГТ(ДТ). Размеры пластины
3,18х9,525х9,525; угол при вершине -
,
задний угол
, главный угол в
плане
,
угол в плане переходной кромки
.
Способ крепления выбираем угловым рычагом (через
отверстие). Исходя из конструктивных соображений выбираем наиболее оптимальную
конструкцию крепления неперетачиваемой пластины, которая оставляет свободной
переднюю поверхность пластины, обеспечивает четкое её позиционирование по трем
точкам и максимальную быстросменность. Наиболее оптимальный вариант - крепление
пластины угловым рычагом.
Диаметр сердцевины зенкера влияет на жесткость и
виброустойчивость зенкера в работе, а следовательно на его стойкость. С
увеличением диметра сердцевины жесткость и прочность зенкера возрастает, что
способствует увеличению стойкости. Однако при чрезмерном увеличении диаметра
сердцевины ухудшается отвод стружки, увеличивается длина поперечной кромки,
осевое усилие и теплообразование, что вызывает соответствующее снижение
стойкости.
Рисунок 3.6 - Крепление СМП угловым рычагом: 1 -
корпус сборного инструмента; 2 - зажимной винт; 3 - сменная многогранная
пластина; 4 - опорная многогранная пластина; 5 - угловой рычаг; 6 - втулка
крепления прокладки
В результате для определения условий обработки
можно найти оптимальное решение - значение диаметра сердцевины.
Для повышения жесткости и виброустойчивости
корпуса зенкера с СМП сердцевина повышается до 0,25D, где D - диаметр зенкера,
мм.
Значит, диаметр сердцевины будет равен:
.
Диаметр сердцевины в исходном торцевом смещении
находим по формуле:
, (3.38)
где
-
угол режущей части, который из-за геометрии пластины равен 80°.
Хвостовик сверла выполнен коническим, в
зависимости от максимального диаметра инструмента выбираем конус Морзе №4.
Основные размеры указаны в ГОСТ 25557-82.
Так как для повышения жесткости и
виброустойчивости корпуса длина рабочей части зенкера принимается значительно
меньше, чем для зенкеров из быстрорежущей стали.
Для зенкера работающего без кондуктора:
мм, (3.39)
где l0 - длина рабочей части- глубина
зенкерования;
,5d - прибавка на переточку зенкера, а так как
СМП не перетачивают, а восстанавливают либо заменяют, то запас на переточку
нецелесообразен.
Следовательно:
.
Длина рабочей части
.
Определим общую длину зенкера:
мм, (3.40)
где
-
длина корпуса, мм;
- длина конического
хвостовика, мм ;
;
- длина шейки, мм;
принимаем
;
.
В процессе резания возникает осевая сила Р0 и
крутящий момент от сил препятствующих резанию металлов Мкр:
Угол наклона винтовой канавки рекомендуют
.
Корпус зенкера - сталь 40Х ГОСТ 4543 - 80.
Крутящий момент найдем по формуле:
Проверим на прочность корпус зенкера по условию:
, (3.41)
где
-
допускаемое напряжение для материала державки, Н/
.
Для стали 45
=240 Н/
;
- касательное
напряжение, возникающее в сечение корпуса зенкера, Н/
.
(3.42)
где Мкр - крутящий момент, препятствующий
резанию металла, найденный выше: Мкр=59,8 Н∙мм;- полярный момент сопротивления
кольцевого сечения, мм3;
, (3.43)
где
D - наружный диаметр державки, мм;- диаметр сердцевины, мм.
Подставим
полученные значения в формулу:
.
Условие
прочности выполнимо с запасом 23,19<240.
Проверим
на прочность сердцевину зенкера (dсерц=14,1мм) по условию:
, (3.44)
где
Wp - полярный момент сопротивления для круглого сечения, мм3:

.
Крутящий
момент равен:
.
Касательное
напряжение будет равно:
;
,65
Н/
<240 Н/
.
Условие
выполнено. Значит, сердцевина зенкера выдерживает деформирующие нагрузки.
3.1.3 Головка для кольцевого сверления
Шероховатость обработанной поверхности Rz=40мкм
Рисунок 3.7 - Схема обработки
Для зенкерования отверстия в заготовке применяем
зенкер со сменными пластинами.
В действующем технологическом процессе
применяется зенкер насадной из быстрорежущей стали Р18 ГОСТ19265-73. Такой
инструмент имеет ряд недостатков:
необходимость переточки, которая непосредственно
сложна;
ограниченность числа переточек;
низкая точность при зенкеровании;
использование большого объема быстрорежущей
стали Р18 ГОСТ19265-73.
Указанные недостатки в значительной степени
устранимы в сборных конструкциях зенкеров с СМП.
Рисунок 3.8 - Головка для кольцевого сверления
Рассчитываемый зенкер оснащен двумя пластинами.
Для расчета наружного диаметра зенкера
необходимо знать поле допуска на изготовление детали; условия обработки:
разбивка или усадка обработанного отверстия.
На рис. 3.9 представлена схема расположения
допуска на диаметр зенкера.
, (3.45)
где В - допуск на изготовление зенкера;
Д - запас на износ в процессе эксплуатации;
- максимальная
величина разбивки отверстия;
- минимальная
величина разбивки отверстия.
А - допуск на обрабатываемое отверстие.
Номинальный диаметр равен наибольшему
предельному размеру обрабатываемого отверстия с учетом разбивки или усадки.
Расчет номинального диаметра проводим с учетом
разбивки, величина которой определяется из литературы [1] и равна 0,35 от
допуска на отверстие.
Рисунок 3.9 - Схема расположения полей допусков
обрабатываемого отверстия и диаметра зенкера:
В связи с этим, максимальный (номинальный)
диаметр нового зенкера определяется:
ном = Dмах зенк = Dмах отв - 0,35А; (3.46)ном =
Dмах зенк = 52.74 - 0,35∙0,74 = 52.481 мм.
Допуск на изготовление составляет 0,25 от
допуска на отверстие. Тогда минимальный диаметр нового зенкера составляет:
min зенк = D1ном- 0,25А; (3.47)
min зенк = 52.484 - 0,25∙0,74 = 52.299мм.
Аналогично для второго диаметра:ном = Dмах зенк
= 37,752 мм;min зенк = 37.597мм.
В данной головке для кольцевого сверления
принимаем пластину TCMW 07T308 E02515-PF из ТТ7К12ГТ(ДТ):
Т - форма пластины;
С - задний угол;
М - допуск на s и iC/iW;- тип пластины;
- длина режущей кромке;
Т3 - толщина пластины;
- радиус при вершине;
Е - состояние режущей кромки;
- ширина фаски;
- угол фаски;- для чистовой обработки.
Для оснащения зенкера применяют трехгранный
пластины с положительными задними углами и отверстием. Крепление и точная
фиксация пластины в корпусе производятся винтом с конической головкой. Диаметр
винта меньше диаметра отверстия пластины. При завинчивании винта коническая
головка давит на криволинейную образующую пластины и фиксирует ее в корпусе
зенкера, при этом ось отверстия пластины смещается относительно оси винта.
.1.4 Резец
При токарной обработке наиболее рационально
использовать резцы со сменными многогранными пластинами (СМП) из твердого
сплава, поскольку они не требуют переточек и позволяют повысить режимы резания.
На практике наибольшую применяемость имеют режущие
пластины квадратной, ромбической (угол при вершине
),
шестигранной (
), трехгранной и
круглой форм. Пластины из твердого сплава со сферическими лунками
зарекомендовали себя с положительной точки зрения стружколома.
Выбираем проходной резец с шестигранной
твердосплавной пластиной(
).
Материал заготовки - сталь 45, вид - поковка,
твердость ≥240 НВ, предел прочности на растяжение sв=600МПа.
Качество обработанной поверхности Rz40 мкм.
Станок токарный с ЧПУ 1П426ДФ3, размеры державки
(В´Н)
20´20
мм.
Данная пластина имеет сферические лунки для
обеспечения стружколомания. Чтобы оставить переднюю поверхность свободной при
закреплении, принимаем конструкцию пластины с отверстием выбираем наиболее
оптимальный способ базирования по боковым сторонам. Способ крепления используем
угловым рычагом (через отверстие). Исходя из конструктивных соображений
наиболее оптимальную конструкцию является крепления неперетачиваемой пластины,
которая оставляет свободной переднюю поверхность пластины, обеспечивает четкое
её позиционирование по трем точкам и максимальную быстросменность. Наиболее
оптимальный вариант - крепление пластины угловым рычагом.
Рисунок 3.10 - Крепление СМП угловым рычагом
Определим материал режущей части резца. Для
чистовой обработки стали согласно таблице П1 [7] можно использовать твердый
сплав марки Т15К6 по ГОСТ 3882-74.
Определим оптимальные параметры режущей части резца.
Угол в плане j зависит от назначения резца, j=95°
[6]. Главный задний угол выбираем по таблице П2 [7], для чистовой обработки
стали a=12°.
Вспомогательный задний угол у проходного резца принимаем равным a1=8°.
Угол при вершине пластины e =80°.
Угол в корпусе h, под
которым должна быть установлена пластина для создания задних углов определим по
формулам (1) и (2).
где
-
задний угол;
- главный угол;
- угол при
вершине;
С учетом всех известных параметров получим:
.
Следовательно θ = 50,3°.
.
Угол h=12°.
Угол наклона режущей кромки l
определим по формуле (3):
tgl=tga×tgq;l
=tg12°×сtg50,3°=0,176.
Принимаем l=10.
При конструировании резца выбираем форму сечения
державки - квадратную, так как при врезании пластины обеспечивается наименьшее
снижение прочности державки и данная форма является наиболее оптимальной для
данного резца с механическим креплением пластины.
Для определения минимальных размеров сечения
державки резца используем формулу:
, (3.51)
где Pz - главная составляющая силы резания, кгс;
σu - допускаемое
напряжение на изгиб материала державки, кгс/мм2; в нашем случае σu
= 20 кгс/мм2
для незакаленной державки из конструкционной углеродистой стали [7].
Главная составляющая силы резания Рz [3]
определяется по эмпирической формуле:
, (3.52)
где t - глубина резания, мм; t = 1;- подача,
мм/об; S = 0,3;- скорость резания, м/мин; V = 160;
Сpz- коэффициент; Сpz = 300;, y, n- показатели
степени; x = 1, y = 0.75, n = - 0,15;поправочный коэффициент.
Поправочный коэффициент Кpz представляет собой
произведение ряда коэффициентов учитывающих фактические условия резания.
Крz= Кмр× Кjр×
Кgр×
Кlр×Кrр,
где Кмр - коэффициент, учитывающий влияние
качества материала заготовки на силовые зависимости, по таблице 9 [3]. Для
стали Kмр = (sв/750)n, показатель степени n=0,75 при расчете
силы Рz.
Кjр, Кgр,
Кlр,
Кrр - коэффициенты, учитывающие влияние геометрии инструмента на силу резания.
По таблице 23 [3] Кjр=0,89, Кgр=1,1,
Кlр=1,0,
Кrр=0,9.
Кр=(800/750) 0,75×0,89×1,1×1×0,9=0.92.
Таким образом, главная составляющая силы
резания:
кгс.
Ширину державки определяем по формуле (4):
=16,2 мм.
Округляем до 20 мм. Высоту державки принимаем H
= 20 мм. Сверяясь со стандартами выбираем державку
,
где L = 120 мм - длина державки.
Из условия прочности приравняем действующий
изгибающий момент максимальному моменту допускаемому прочностью державки:
, (3.54)
где
вылет
резца.
.
Проведем проверочный расчет по жесткости
державки резца. Максимальная нагрузка, допустимая жесткостью резца:
, (3.55)
где f - допустимая стрела прогиба, мм; f = 0.05;
Е - модуль упругости материала державки резца,
кгс/мм2; E = 20∙103;- момент инерции сечения державки, мм4;
, (3.56)
.
Необходимо, чтобы было Pz ≤ Pzж.
.
- условие
выполняется.
Сила, действующая при резании, не превышает
допустимой жесткостью резца, следовательно, резец обеспечивает необходимую при
обработке жесткость.
.2 Расчет, проектирование и описание работы
разработанной технологической оснастки
.2.1 Приспособление зажимное
Станочным приспособлением в машиностроении
называют дополнительные устройства к металлорежущим станкам, применяемые для
установки и закрепления деталей, обрабатываемых на металлорежущий станках.
Выбор станочных приспособлений зависит от формы, габаритных размеров и
технических требований, предъявленных к обрабатываемым деталям, а также от типа
производства и программы выпуска изделий.
Содержание установа: Подрезать торец, выдерживая
размер 12. Расточить отверстие, выдерживая размер 9 и 7, проточить канавку,
выдерживая размер 7 и 6, 9 и 8,свелить отверстие, выдерживая размер 16 (8 отв.)
и 5, точить фаски.
Результаты разработки эскиза заготовки,
поступившей на выполняемую операцию.
Разработка принципиальной схемы. Разработка
схемы установки.
Рисунок 3.11 - Теоретическая схема установки
(СхУ)
Рисунок 3.12- Эскиз заготовки, поступающей на
операцию
Данная простановка опор дает двухзначное
решение.
вариант:
Рисунок 3.13- Теоретическая схема базирования
Основная база - установочная (опорные точки
1,2,3);
Вспомогательная база - направляющая (опорные
точки 4,5).
Обеспечивает допуск торцевого биения наружных и
внутренних поверхностей относительно базовой поверхности Б.
Рисунок 3.14 - Лишение заготовки 5 степеней
свободы
вариант:
Рисунок 3.15 - Теоретическая схема базирования
Основная база - двойная направляющая (опорные
точки 1,2,3,4). Вспомогательная - опорная база (точка 5).
Обеспечивает допуск радиального биения
внутренних и наружных поверхностей.
Рисунок 3.16 - Лишение заготовок 5 степеней
свободы
Выбираю 1 вариант базирования, так как он
обеспечивает наиболее точное выполнение размеров при обработке.
Рисунок 3.17 - Схема установочных элементов
(Сх.УЭ)
Разработка схемы ЗУ.
Рисунок 3.18 - Теоретическая схема закрепления
(Сх.З)
Закрепление заготовки происходит зажимом со
сферической формой контактной поверхности. Направление действия силы - по
поверхности А.
Рисунок 3.19 - Схема закрепления
Дополнительных устройств нет, поэтому переходим
к разработке принципиальной схемы станочного приспособления
Разработка принципиальной схемы станочного
приспособления
Рисунок 3.20 - Принципиальная схема СП
Анализ принципиальной схемы станочного
приспособления показывает следующее:
В представленной схеме полностью реализованы
ограничения, выявленные в этапе I анализа технологической операции.
Предусмотрены возможности для свободной
установки и снятия заготовки.
Нет препятствия для свободного подвода СОЖ и
отвода стружки.
Принципиальная схема может быть принята за
основу будущей конструкции СП.
Определение условий закрепления заготовки.
Определение теоретической силы W.
Определение лимитирующего силового параметра.
Операция состоит из сверления, зенкования,
растачивания и прорезания канавки, подрезки торца. Получение канавки будет
лимитирующим параметром, так как создает наибольшую силу резания, стремящуюся
повернуть заготовку.
Рисунок 3.21- Силы и момент резания
- составляющая силы резания, стремящаяся
повернуть заготовку.- составляющая силы резания, прижимающая резец к заготовке.
Мкр - момент, поворачивающий заготовку.
Сила Рх отсутствует, сила Ру = (0,4…0,5)Рz,
следовательно, лимитирующей силой (наибольшей по величине) является сила Рz. В
точке наиболее удаленной от центра вращения детали создается наибольший
крутящий момент, старающийся повернуть заготовку.
Допущения: Ру = 0.
Разработка расчетной схемы
Определим условие сдвига заготовки при
обработке. Лимитирующая сила Рz создает крутящий момент сдвига заготовки ∑Мсдв.
Рисунок 3.22 - Условие сдвига (поворота)
заготовки.
Определим условие удержания заготовки при
обработке.
При закреплении заготовки создаются силы (W и
N), стремящиеся ее удержать в неизменном положении. Примем что распределение
этих сил точечное.
Рисунок 3.23 - Условие удержания заготовки
Рисунок 3.24- Расчетная схема сил, удерживающих
заготовку
Закрепление заготовки осуществляется силой W. В
процессе обработки возникают силы трения в этих точках, которые создают момент ΣМуд.
В соответствии с расчетной схемой условие
равновесия заготовки при обработке записывается следующим образом:
ΣМуд = К·ΣМсдв,
(3.57)
где ΣМуд
= fтр·R.
Мсдв = Рz·L. (3.58)
Тогда преобразовав получим:
= K·Рz·L/ fтр·R. (3.59)
где fтр- коэффициент трения; fтр = 0,35;=
116мм.= 86мм.
Определение параметров, входящих в расчетное
уравнение. К - коэффициент надежности закрепления. Установим его значение.
К = К0·К1·К2·К3·К4·К5·К6 , (3.60)
где К0 - коэффициент, учитывающий
гарантированный запас надежности закрепления; К0=1,5;
К1 - коэффициент, учитывающий затупление РИ; К1
= 1,0;
К2 - коэффициент, учитывающий увеличение сил
резания из-за колебаний припусков на заготовки; К2 = 1,2;
К3 - коэффициент, учитывающий изменение сил
резания при обработке прерывистых поверхностей; К3 = 1,0;
К4 - коэффициент, учитывающий непостоянство сил
при закреплении, К4 = 1,0;
К5 - коэффициент, учитывающий непостоянство сил
ЗУ с ручным приводом, К5 = 1,0;
К6 - коэффициент, учитывающий неопределенность
мест контакта плоских базовых поверхностей Зг с плоскими поверхностями УЭ; К6 =
1,5;
К = 1,5·1,0·1,2·1,0·1,0·1,0·1,5 = 2,7;
Расчет конкретных значений силы W:=
Н.
Определение параметров зажимного устройства.
Разработка расчетной схемы.
Расчетными параметрами являются тяговое усилие Q
и диаметр гидроцилиндра.
Определение расчетных уравнений.
Запишем уравнение силового замыкания:
= W/i×h; (3.70)
где i - передаточное отношение клинового
механизма.
, (3.71)
где α - угол
наклона клина, α = 20°.
φ1 - угол трения,
учитывающий потери от силы трения Fтр.
.
.
где η = 0,85 - коэффициент
полезного действия гидроцилиндра;
Гидроцилиндр должен развить тяговое усилие Q
равное:
, (3.72)
где
qж - давление гидроцилиндра;- диаметр штока.
Откуда
и получаем зависимость для определения расчетного диаметра:
. (3.73)
Определение
конкретных значений параметров, входящих в расчетные уравнения.
Давление
гидроцилиндра qж = 5,0 МПа.
Коэффициент
полезного действия η
= 0,85.
Передаточное
отношение i = 1,2.
Расчет
и выбор конкретных значений параметров зажимного устройства.
Определяем
приблизительное значение диаметра D, приняв d = 0:
мм.
Учитывая,
что диаметр D должен увеличиться из-за уменьшения рабочей площади под диаметром
штока d, примем стандартное значение D = 40 мм. и d = 14 мм.
Уточняем
диаметр гидроцилиндра
мм.
Расчет
точности обработки
Результат
определения лимитирующего параметра точности
Анализ
технологического эскиза показал, что от конструкции станочного приспособления
зависит выполнение двух технических требований: допуск торцевого биения и
допуск радиального биения. По величине они одинаковы ( Т = 0,1), поэтому примем
допущение, что лимитирующим параметром является допуск радиального биения, так
как его сложнее выполнить.
Результаты разработки расчетной схемы.
Рисунок 3.25 - Расчетная схема для определения
основных параметров обработки
Определение расчетного уравнения.
Для решения этой задачи воспользуемся уравнением
для расчета суммарной погрешности обработки вероятностным методом:
DS =√ Dтп2+Dуп2+Dрп2+Dнп2
, (3.74)
где Δ4 = Δт.п.
- технологическая погрешность;
Δ1+Δ2 = Δн.п.
- погрешность пространственного расположения установочной поверхности к
опорной.
Dрп = 0, так как погрешность расположения резца
влияет только на выполнение диаметрального размера и форму канавки.
Dтп = К1×Dмо+Dс+Dи+Dизм
; (3.75)
Dуп =√ Dбп2+Dзп2+Dип2,
(3.76)
где Dзп - сила
закрепления Зг (так как сила закрепления Зг в направлении параметра точности не
действует), то Dзп = 0;
Dип - так ее величина учтена при расчете допуска
на измерение предельных размеров УЭ, то Dип = 0;
Δ3 = Δб.п. - погрешность
базирования - отклонение фактического достижения положения оси заготовки от
требуемого - оси опорной поверхности.
Определение параметров входящих в расчетное
уравнение
Dмо = 0, так как выполнение заданного на эскизе
технического требования практически не зависит от метода обработки.
Dс = 0,015 мм - точность станка;
Dи = 0, погрешность изготовления и износа режущего
инструмента не влияет на радиальное биение.
Dизм = 0,1Т = 0,1×0,1
= 0,01мм.
Dтп = 0+0,015+0+0,01 = 0,025мм.
Dбп = 0,245, определена с учетом эскиза Зг,
поступающей на операцию. Принята посадка с гарантированным зазором ø232
Н7/h6;
Величина погрешности равна максимальному зазору
между отверстием приспособления и посадочным диаметром заготовки.
Dбп = 0,046+0,029 = 0,075,
Рисунок 3.26 - Схема допусков на посадку
Dуп =√ 0,0752+02+02 = 0,075 мм;
Dнп = 0,25Т = 0,2∙0,1 = 0,025мм.
DS = √0,042+0,0752+0+0,0252 = 0,089мм.
.2.2 Приспособление сверлильное
Включив вводный автомат 1, при этом должны
загореться сигнальные лампы 2. Нажать кнопку 9,10, если вращение шпинделя
окажется не правильным(шпиндель вращается в противоположную сторону
необходимого вращения режущих инструментов), остановить станок нажатием кнопки
7, включить вводный автомат 1 и и произвести смену фаз подвода питания на
вводном автомате 1. При правильном вращении шпинделя нажать кнопку 7 и
остановить станок.
Становить режущий инструмент согласно чертежу и
инструментальной наладке. В ручную повернуть планшайбу поворотного делительного
стола на 360 градусов и проверить, чтобы при повороте выступающие элементы
зажимных приспособлений не затрагивали режущий инструмент, при необходимости
провести силовые агрегаты назад.
Нажать кнопку 10, проверить работу каждой
силовой головки, путем ручного включения подачи пиноли, причем, если силовая
головка установлена на приводной плите, то вначале нужно подать силовую головку
вперед, переключив тумблер расположенный на корпусе плиты, а потом включить
подачу пиноли.
При работе станка в режиме “Работа”:
переключатель 11 установить в положение Р, нажать поочередно кнопку 5 на пульте
управления кнопку 6. Произойдет поворот планшайбы поворотного делительного
стола и после его фиксации, движение режущего инструмента. При обработки
контрольной заготовки; переключатель 1 перевести в “Н”, установить на
загрузочной позиции заготовку, нажать кнопку 6 “ВРАЩЕНИЕ”, нажать кнопку 6.
В ручную включить подачу режущего инструмента
первой операционной станции, затем поочередно поворачивать планшайбу
делительного поворотного стола и в ручную включать подачу режущего инструмента
каждой последующей операционной станции, произвести полную обработку
контрольной заготовки.
При этом зажимное устройство приспособления
работает следующим образом, сжатый воздух передается в пневмоцилиндр 1,
перемещаясь внутри его поршень, своей направляющей конусной частью, давит на
ролик, который в свою очередь, перемещаясь толкает палец, прижимая чашку пятой
7 к базовой поверхности, которая служит база с шестью отверстиями.
Расчет теоретической силы закрепления W. Стадия
1 - Определение лимитирующего силового параметра.
При сверлении отверстия на заготовку действует осевая
сила
и
крутящий момент резания
.
Осевая сила
прижимает
заготовку к установочному элементу 1 и поворачивает ее относительно т.О.
Крутящий момент резания
вызывает
поворот заготовки относительно оси сверла в горизонтальной плоскости.
Анализ возможных поворотов заготовки при
обработке показывает, что для рассматриваемых случаев наиболее вероятен поворот
заготовки под действием
. При этом
полагаем, что отрицательное действие
в
вертикальной плоскости компенсируется уменьшением плеча поворота заготовки при
конструировании.
Стадия 2. Разработка расчетной схемы
Принимаем, что условием сдвига (поворота)
заготовки является действие
- лимитирующего
силового параметра (при допущении
).
Закрепление заготовки при обработке осуществляется
силой W. Условием удержания заготовки является
.
Расчетная схема разработана при следующих
допущениях:
При обработке на 3г. Действует только крутящий
момент резания (
).
Действие всех сил на 3г имеет точечный характер.
Наиболее вероятным смещением 3г при обработке
является ее поворот от момента крутящего (
),
образующегося при резании.
Определим силу на штоке:
(3.77)
где
-
давление воздуха, Па;
;
- диаметр поршня,
м;
- диаметр штока,
м.
(3.78)
где
- передаточное
отношение рычажного механизма;
- КПД зажимного
устройства.
.
Подсчитаем D при
.
; (3.79)
.
Принимаем,
.
Тогда
.
; (3.80)
.
Увеличение диаметра незначительно и поэтому
результаты расчетов позволяют принять стандартное значение диаметра цилиндра
,
диаметр штока
.
.2.3 Приспособление протяжное
Общие сведения об операции: Материал заготовки
Сталь45, станок (С) - вертикально-протяжной 7Б510, включение станка, установка
и снятие Зг, ее закрепление и раскрепление осуществляет рабочий, выполняющий
эту операцию; режущий инструмент (РИ) - протяжка на винтовые шлицы 4х заходная
из быстрорежущей стали Р18. Схемой простановки опор предусмотрена установка Зг
на жесткую плоскую поверхность и на цилиндрический длинный палец.
Схемой простановки зажима предусматривается:
направление действия силы перпендикулярно плоской установочной поверхности,
форма контактной поверхности - плоская; силовой привод - пневматический.
Процесс протягивания поверхностей обеспечивается
перемещением протяжки с подачей (Sz) ползуна.
Для реализации теоретической схемы базирования
предусматривается схема установки Зг на плоскую площадку лишающую Зх трех
степеней свободы и на цилиндрический палец лишающий Зг двух степеней свободы.
При разработке схемы закрепления будем использовать в конструкции СП
пневматический силовой привод (СПр) и рычажный силовой механизм (СМ). На основе
анализа возможных схем зажимного устройства (ЗУ) выбрана схема, приведенная на
рисунке 3.
В структуре ЗУ предусматривается прижимной клин
1 (СМ рычажного типа) и пневматический силовой цилиндр 3 (СПр) и корпус
приспособления 2.
Используя результаты разработки схемы установки
и схемы закрепления (ЗУ) и соединив их в одно целое элементами корпуса (Ксп),
получаем принципиальную схему СП.
При повороте Зг будет воздействовать только на
тот клин с сторону которого она будет поворачиваться. Поэтому силы зажима и
трения будут действовать только на него. Появляются силы трения.
Составим расчетные уравнения:
SМуд.=kSМсдв;
SМуд.= FN1∙r1+ FN2∙r1+ FN2∙r1++Fw∙r2∙sina
+W∙cosa∙r2; (3.81)= N1∙fN; FN2= N2∙fN;
FN3= N3∙fN; Fw= W∙fW; (3.82)= N1+N2+N3; (3.83)
åX= N+ Fw∙cosa-W∙sina=0;
(3.84)
Þ N= W∙fW ∙cosa-W∙sina.
(3.85)
SМуд.= (W∙fW∙cosa-W∙sina)∙
fN∙r1+ W∙fW ∙r2∙sina +W∙cosa∙r2;
(3.86)
SМсдв.=Pz∙r3; (3.87)= {(W∙fW ∙cosa-W∙sina)∙fN
∙r1+ W∙fW ∙r2∙sina +W∙cosa∙r2}/r3;
(3.88)=k∙ Pz ∙r3{(fW ∙cosa-sina)∙
fN∙r1+fW ∙r2∙sina +cosa∙r2},
(3.89)
где k- коэффициент надежности закрепления;,fW -
коэффициенты трения;
a- угол клина.
Определим значения параметров входящих в
расчетное уравнение.
Коэффициент k для протягивания k=2,5-4,5 [4]
Конструктивно принимаем k=3,5; fN =0,25;
fW=0,20; r1=0,044 r2=0,055; r3=0,01; угол наклона клина a-=25°.
Теперь рассчитаем значение W.
W=k∙ Pz ∙r3/((fW∙cosa-sina)∙fN
∙r1+fW ∙r2∙sina +cosa∙r2);
(3.90)
=3,5∙1983000∙0,01/((0,25∙0,91-0,43)∙0,25∙0,04+0,25∙0,0550,43+
+0,91∙0,055)= 1,286∙106 Н.
Определим параметры ЗУ.
=2W∙sina; (3.91)=Pв∙SD=
Pв∙0,785 D2; (3.92)в∙0,785 D2=2W∙ sina,
(3.93)
где Рв - давление;диаметр поршня;
Рв=0,4-0,6 Мпа.
Примем Рв=0,5 Мпа.
ЗУ- сложное, КПД h=0,90, то h∙Pв∙0,785∙D2=2W∙
sina;
Примем рекомендуемое D=250 мм.
Проведем расчет точности обработки. Анализ
технологического эскиза показывает, что от конструкции СП зависит выполнение
размера 49±0,31.
Лимитирующим параметром является допуск Т=0,62.
Точностные расчеты, таким образом, сводятся к
выполнению условий этого параметра точности.
Определим расчетные уравнения:
по предельным значениям:
DS= K1∙Dм.о.∙Dс.+
Dи.
+ Dизм.+
Dр.п
+ Dн.п.
+ Dу.п.;
(3.94)
вероятностным методом:
DS=
. (3.95)
Определим параметры, входящие в расчетное
уравнение:
Dм.о. - погрешность применяемого метода
обработки, Dм.о.=0 т.к. выполнение заданного технического
требования практически не зависит от метода обработки;
Dс. - погрешность от неточности станка; Dс.=0,02
мм;
Dи. - погрешность изготовления и износа режущего
инструмента;
Dи.=0 т.к. инструмент предварительно
настраивается.
Dизм. - погрешность измерения; Dизм.=
0,3∙ ТА = 0,3∙0,62=0,186 мм;
Dр.п - погрешность расположения; Dр.п=
0,10мм;
Dн.п.- погрешность пространственного расположения
установочных поверхностей СП по отношению к посадочным поверхностям станка. Dн.п.=0,25∙
ТА=0,155 мм;
Dу.п. - погрешность установки;
Dу.п. =
,
(3.96)
где Dб.п. - погрешность
базирования; Dб.п=0 т.к. Зг установлена на плоские контактные
поверхности;
Dз.п - закрепления Зг. Dз.п=0,11
так как сила действует в направлении параметра точности;
Dизм.п. - примем 0;
Dу.п.=0,11.
Результаты расчетов.
Dс=0,02 мм, Dизм.=0,186 мм; Dр.п=0,10мм;
Dн.п.=0,155
мм, Dу.п.=0,11;
по предельным значениям:
DS= 0,02+0,186+0,10+0,155+0,11=0,571 мм;
вероятностным методом:
DS=
=0,284 мм.
Так как допуск Т=0,62. > чем суммарная
погрешность DS по любому из расчетов данное СП будет давать
требуемое техническое требование.
Приспособление предназначено для обработки
детали на 025 протяжной операции, для протягивания паза.
Заготовка устанавливается на цилиндрический
палец с упором в торец. При помощи рукоятки заготовка установленная на палец
вводиться в рабочую зону. Закрепление заготовки производиться с помощью
пневматического цилиндра. На штоке пневмоцилиндра смонтированы два клина.
Шток, воздействуя на клинья прижимает заготовку
к торцу. Разжим и снятие заготовки происходит в обратном порядке.
В приспособлении имеются два отверстия для
закрепления его на рабочем столе станка.
4. Экономическая часть
.1 Расчет затрат при производстве проектной
детали
Расчет технико-экономических показателей
осуществляется по [8].
Основные материалы:
(4.1)
где GЗ - масса заготовки (черная), кг;Ч - масса
детали (чистая), GЧ =0,6 кг;
КИ - коэффициент использования металла,
принимается по заводским данным, КИ =0,89.
кг.
Оптовая цена на поковку из стали 45 ГОСТ 1583-93
- 17494,00 рублей/тонна. Соответственно, стоимость одной заготовки весом 0,682
кг равна 31,14 рубля.
Транспортно-заготовительные расходы:
Обычно равны 2…4% от стоимости материалов:
,14·0,02=0,6228 руб.
Возвратные отходы (вычитаются):
Цена на лом и отходы металлов составляет 5000
руб/тонна.
Поэтому, цена лома от одной детали будет равна:
руб.
Топливо и энергия на технологические цели:
Данные затраты исчисляются по нормативам,
действующим на предприятии, где проходила преддипломная практика.
Поэтому, затраты на 1 деталь = 4,5 руб.
Дополнительная заработная плата производственных
рабочих вычисляется по установленному для данного предприятия проценту к
основной заработной плате. Принимаем 13,2%.
,3×0,072 = 2,0376 руб.
Основная заработная плата производственных
рабочих:
Она отражает прямую заработную плату основных
производственных рабочих:
, (4.2)
где ТШТi - штучное время i-ой операции;
СТАРi - тарифная ставка i-ой операции, СТАРток =
54,76 руб./ч;- количество операций технологического процесса изготовления
данной детали.
руб.
Отчисления на социальные нужды.
Ставка принимается равной 27,9% от основной и
дополнительной заработной платы:
(28,3+2,0376)×0,279 =8,464 руб.
Расходы по содержанию и эксплуатации
оборудования:
Ставка отчислений принимается в пределах
100…300% от основной заработной платы производственных рабочих:
,3×2 = 56,6 руб.
Общецеховые расходы вычисляются в процентах к
основной заработной плате производственных рабочих (70…100%):
,3×0,85 = 24,055руб.
Общезаводские расходы рассчитываются в процентах
к основной заработной плате производственных рабочих (50…80%):
,3×0,7= 19,81 руб.
Расходы будущих периодов:
Величина этих затрат принимается как 2% от
цеховой себестоимости.
Цеховая себестоимость - это сумма всех цеховых
затрат на данное изделие:
,6+24,055 = 80,655 руб.
Соответственно, расходы будущих периодов:
,655×0,02 = 1,6131руб.
Внепроизводственные расходы принимаются в
процентах от производственной себестоимости детали, 4…4,5%.
Производственная себестоимость - сумма затрат на
производство детали:
Поэтому, внепроизводственные расходы:
,6525×0,04=6,89 руб.
Таблица 4.1 - Калькуляция себестоимости изделия
|
Наименование
статей
|
Затраты
|
Структура,
%
|
|
на
деталь, руб.
|
на
программу (3000шт), тыс. руб.
|
|
|
Основные
материалы за вычетом отходов
|
25,65
|
51,3
|
19,4
|
|
Транспортно-заготовительные
расходы
|
0,6228
|
1,24
|
0,8
|
|
Топливо
и энергия на технологические цели
|
4,5
|
9
|
5,9
|
|
Основная
з/п производственных рабочих
|
28,3
|
56,6
|
8
|
|
Дополнительная
заработная плата
|
2,0376
|
4,075
|
2,34
|
|
Отчисления
на соц. страхование
|
8,464
|
16,928
|
2,6
|
|
Расходы
по содержанию и эксплуатации оборудования
|
56,6
|
113,2
|
24
|
|
Общецеховые
расходы
|
24,055
|
48,11
|
6,8
|
|
Общезаводские
расходы
|
19,81
|
39,62
|
5,6
|
|
Расходы
будущих периодов
|
1,6131
|
3,22
|
0,62
|
|
ИТОГО
производственная себестоимость
|
171,65
|
343,305
|
96
|
|
Внепроизводственные
расходы
|
6,89
|
13,74
|
3,53
|
|
Налоги,
входящие в себестоимость
|
1
|
2
|
0,47
|
|
ИТОГО
полная себестоимость
|
179,51
|
359,025
|
100
|
Затраты при производстве детали, производимой на
заводе (на основе данных из цеха)
Основные материалы по формуле (4.1):
кг.
Оптовая цена на отливку из АК7ч ГОСТ 1583-93 -
17495,00 рублей/тонна. Соответственно, стоимость одной заготовки весом 0,68 кг
равна 81,53 рублей.
Транспортно-заготовительные расходы:
Обычно равны 2…4% от стоимости материалов:
,53·0,02 = 3,2612 руб.
Возвратные отходы (вычитаются):
Цены на лом и отходы металлов (стружка стальная
легированная) составляет 5000 руб./тонна.
Поэтому, цена лома от одной детали будет равна
руб.
Топливо и энергия на технологические цели:
Данные затраты исчисляются по нормативам,
действующим на предприятии, где проходила преддипломная практика.
Поэтому, затраты на 1 деталь = 4,5 руб.
Основная заработная плата производственных
рабочих:
Берется на основе данных полученных на заводе с
учетом тарифных ставок:
Механическая обработка - 47,59 руб.
Дополнительная заработная плата производственных
рабочих:
Вычисляется по установленному для данного
предприятия проценту к основной заработной плате. Принимаем 13,2%.
,59×0,072 = 3,43 руб.
Отчисления на социальные нужды:
Ставка принимается равной 27,9% от основной и
дополнительной заработной платы:
(47,59+3,43)×0,279 = 14,24 руб.
Расходы по содержанию и эксплуатации
оборудования.
Ставка отчислений принимается в пределах 100…300%
от основной заработной платы производственных рабочих:
,59×3 = 142,77 руб.
Общецеховые расходы.
Вычисляются в процентах к основной заработной
платы производственных рабочих (70…100%):
,59×0,85=40,45 руб.
Общезаводские расходы.
Рассчитываются в процентах к основной заработной
плате производственных рабочих (50…80%):
,59×0,7=33,313 руб.
Расходы будущих периодов.
Укрупнено величина этих затрат принимается как
2% от цеховой себестоимости.
Цеховая себестоимость - это сумма всех цеховых
затрат на данное изделие:
,77+40,45=183,22 руб.
Соответственно, расходы будущих периодов:
,22×0,02 = 3,67 руб.
Внепроизводственные расходы.
Принимаются в процентах от производственной
себестоимости детали, 4…4,5%.
Производственная себестоимость - сумма затрат на
производство детали:
,53+1,63-19,89+4,5+47,59+3,43+14,24+142,77+40,45+33,313+3,67=
= 353,24 руб.
Поэтому, внепроизводственные расходы.
,24×0,04=14,13 руб.
Таблица 4.2 - Калькуляция себестоимости изделия
|
Наименование
статей
|
Затраты
|
Структура,%
|
|
|
|
|
|
на
деталь руб.
|
на
програм, тыс. руб.
|
|
|
Основные
материалы за вычетом отходов
|
61,64
|
123,28
|
6,4
|
|
Транспортно-заготовительные
расходы
|
1,63
|
3,26
|
0,26
|
|
Топливо
и энергия на технологические цели
|
4,5
|
9
|
7,3
|
|
Основная
з/п производственных рабочих
|
47,59
|
95,18
|
43,90
|
|
Дополнительная
заработная плата
|
3,43
|
6,86
|
1,90
|
|
Отчисления
на соц. страхование
|
14,24
|
28,48
|
16,20
|
|
Расходы
по содержанию и эксплуатации оборудования
|
142,77
|
285,54
|
43,20
|
|
Общецеховые
расходы
|
40,45
|
80,9
|
10,90
|
|
Общезаводские
расходы
|
33,31
|
66,26
|
7,2
|
|
Расходы
будущих периодов
|
3,67
|
7,34
|
1,07
|
|
ИТОГО
производственная себестоимость
|
353,24
|
706,48
|
96,80
|
|
Внепроизводственные
расходы
|
14,13
|
28,26
|
3,07
|
|
Налоги,
входящие в себестоимость
|
1
|
2
|
0,13
|
|
ИТОГО
полная себестоимость
|
368,37
|
736,74
|
100,00
|
Таблица 4.3 - Сравнение таблиц калькуляции
себестоимости проектируемого и изготавливаемого изделий
|
Наименование
статей
|
Проектируемый
технологический процесс
|
Базовый
технологический процесс
|
|
Затраты
|
Затраты
|
|
на
деталь, руб.
|
на
программу, руб.
|
на
деталь, руб.
|
на
программу, руб.
|
|
Основные
материалы за вычетом отходов
|
25,65
|
51,30
|
61,64
|
123,28
|
|
Транспортно-заготовительные
расходы
|
0,62
|
1,24
|
1,63
|
3,26
|
|
Топливо
и энергия на технологические цели
|
4,5
|
9
|
4,5
|
9
|
|
Основная
з/п производственных рабочих
|
28,30
|
56,60
|
47,59
|
95,18
|
|
Дополнительная
заработная плата
|
2,04
|
4,08
|
3,43
|
6,86
|
|
Отчисления
на соц. страхование
|
8,46
|
16,93
|
14,24
|
28,48
|
|
Расходы
по содержанию и эксплуатации оборудования
|
56,60
|
113,20
|
142,77
|
285,54
|
|
Общецеховые
расходы
|
24,06
|
48,11
|
40,45
|
80,9
|
|
Общезаводские
расходы
|
19,81
|
33,31
|
66,26
|
|
Расходы
будущих периодов
|
1,61
|
3,22
|
3,67
|
7,34
|
|
ИТОГО
производственная себестоимость
|
171,65
|
343,31
|
353,24
|
706,48
|
|
Внепроизводственные
расходы
|
6,89
|
13,74
|
14,13
|
28,26
|
|
Налоги,
включаемые в себестоимость
|
1
|
2
|
1
|
2
|
|
ИТОГО
полная себестоимость, в том числе
|
179,51
|
359,03
|
368,37
|
736,74
|
План маркетинга (ценообразование).
Цена с возмещением издержек производства детали,
производимой по проектному ТП:
, (4.3)
где С - фактические издержки производства
изделия, С = 179,51 руб.;
З - административные расходы и расходы по
реализации, З = 66,8 руб.;
Р - средняя норма прибыли на данном рынке,
Р=20%.
Ц=179,51+66,8+0,2·(179,51+66,8)= 295,573 руб.
Цена с возмещением издержек производства детали,
производимой по базовому ТП по формуле (4.3):
Ц=368,37+66,8+0,2(368,37+66,8)= 522,204 руб.
Оценка коммерческой состоятельности проекта.
Капитальные вложения (инвестиции) в строительство
и организацию работ (КСУМ) по выпуску новой продукции:
, (4.4)
где КПР - прямые капитальные вложения, руб.;
КСОПР - сопряженные капитальные вложения, руб.;
КОБ - минимально необходимые оборотные средства,
руб.;
КНИР - капитальные вложения в НИР, руб.
Рассмотрим только капиталообразующие инвестиции,
в которых учитываются только прямые капитальные вложения (КПР).
Средняя рыночная стоимость нового станка с ЧПУ -
10 000 000 руб., стоимость протяжного, шлифовального: 500 000руб и 600 000руб.,
в том числе НДС.
ТШТ = 31 минут на изготовления одной проектной
детали.
Если принять на предприятии 1 рабочих смены в
сутки, то для изготовления годового объема данной детали понадобится 136
рабочих смен, т.е. 136 рабочих дней - 4,26 месяца.
Т.к. станки широкоуниверсальные, то они могут
использоваться для обработки других деталей. Поэтому на себестоимость
изготовления данной детали переносим только 10% стоимости данных станков:
КПР=(1100+10000)·0,1=1110 тыс. руб.,
КСУМ = 1110 тыс. руб.
Простая норма прибыли (ПНП) - это
гарантированный уровень доходности, сложившийся на рынке капиталов.
; (4.5)
, (4.6)
где ПБ - балансовая (общая) прибыль;Н.П. -
коэффициент, учитывающий налог на прибыль, kН.П. = 0,7.
; (4.7)
ПБ=(295,572-179,51)·2000=232124 руб;
ПР=232124·0,7=162486,8руб;
=0,146.
Срок окупаемости инвестиций:
, (4.8)
где ФАМОР - амортизационные отчисления, НАМОР =
12%.
ФАМОР =11100 ·0,12=133,2 тыс. руб.
Точка безубыточности проекта:
, (4.9)
где В - условно-постоянные издержки на весь
выпуск, руб./год;
ЦОТП - отпускная цена предприятия, руб./шт.;
а - условно-переменные издержки на единицу
продукции, руб./шт.
Условно-постоянные издержки включают в себя:
расходы по содержанию и эксплуатации
оборудования - 56,6 руб.;
общецеховые расходы - 24,055руб.;
общезаводские расходы - 19,81 руб.;
внепроизводственные расходы - 6,86руб.;
расходы будущих периодов - 1,6131 руб.;
налоги, включаемые в себестоимость продукции:
руб.;
∑НДС=23,47·2000 = 46940 руб.
Налог на имущество:
НИ = 0,02 КСУМ; (4.10)
НИ=0,02×1110000=22200 руб.
Местные и прочие налоги и сборы:
НМ = 0,05ПБ; (4.11)
НМ=0,05×232124 = 11606,2 руб.
Налог на прибыль:
НП=0,24·(232124- 46940 - 22200 - 11606,2) =
36330,672 руб.;
åН = 46940 +22200 +11606,2 +36330,672
=117076,672 руб.
Тогда налог на деталь составляет НД = 59,1 руб.
Условно-переменные издержки включают в себя:
стоимость основных материалов с учетом
транспортно-заготовительных расходов 26,2728 руб.;
затраты на заработную плату рабочих 30,3376
руб.;
отчисления на социальные нужды - 8,464руб.
шт.
Таблица 4.4 - Расчет прибыли
|
п/п
|
Наименование
показателя
|
Сумма
|
|
|
на
деталь, руб.
|
на
программу, тыс. руб.
|
|
1
|
Отпускная
цена
|
295,572
|
-
|
|
2
|
Переменные
издержки
|
65
|
130,000
|
|
3
|
Постоянные
издержки
|
163,44
|
326,880
|
|
4
|
Прибыль
расчетная
|
67,132
|
134,264
|
Для оценки рассчитанного значения АКР и
фактической программы выпуска деталей АГ следует определить «относительный
запас прочности»
, (4.12)
где Акр - точка безубыточности проекта;
АГ - фактической программы выпуска деталей .
.
Объем производства и реализации продукции можно
снизить на 45% без угрозы финансового положения.
Чистый дисконтированный доход (ЧДД) определяется
как сумма текущих эффектов (расчетная прибыль) за весь расчетный период,
приведенная к начальному шагу, т.е. показывает превышение интегральных
результатов над интегральными затратами:
,
где Т - горизонт расчета (равный номеру шага
расчета), на котором производится ликвидация объекта;
(ПР+ФАМОР) - ежегодная сумма прибыли и
амортизационных отчислений, получаемых предприятием; налог на прибыль см. ниже.
Е - норма дисконта, равная приемлемой для
инвестора норме доходности на капитал;- шаг (год) расчета.
Принимаем:
горизонт расчета Т = 4 года;
капитальные вложения осуществляются за один,
первый год, реализации и проекта КН = КСУМ = 1 110 000 руб.;
ликвидационная стоимость не учитывается и
относится к невозвратным затратам;
Е=0,1;
производство начинается со второго года и
осуществляется с постоянными показателями расчетной (чистой) прибыли (ПР).
(ПР + ФАМОР) = 162486,8+ 133,2 = 295,68 тыс.
руб.
Тогда:
млн.руб.
Аналогичные расчеты удобно выполнять в табличной
форме (табл. 5)
Таблица 4.5 - Расчет чистого дисконтированного
дохода
|
Наименование
показателя
|
Шаг
расчета t, лет
|
|
0
|
1
|
2
|
3
|
4
|
|
1.Денежный
поток от инвестиционной деятельности Ксум
|
-1,11
|
-
|
-
|
-
|
-
|
|
2.
Денежный поток от производственной деятельности (ПР + ФАМОР)
|
-
|
0,295
|
0,295
|
0,295
|
0,295
|
|
3.
Суммарный денежный поток (3=1+2)
|
-1,11
|
0,295
|
0,295
|
0,295
|
0,295
|
|
4.
Коэффициент дисконтирования
|
1,0
|
0,909
|
0,826
|
0,751
|
0,683
|
|
5.
Дисконтированный суммарный денежный поток (5=3×4)
|
-1,11
|
0,268
|
0,244
|
0,221
|
0,2
|
|
6.
Накопленный дисконтированный денежный поток (нарастающим итогом)
|
-1,11
|
-0,842
|
-0,598
|
-0,377
|
0,117
|
Индекс рентабельности (доходности) проекта (ИР)
показывает, сколько единиц современной величины денежного потока приходится на
единицу предполагаемых первоначальных затрат, т.е. представляет собой отношение
суммы приведенных эффектов к величине капиталовложений:
; (4.13)
.
Срок окупаемости Ток определяется шагом расчета
(годом), на котором происходит смена знака накопленного денежного потока, т.е.
3 с лишним года. Остаток в размере 0,37 млн.руб. окупится за
0,37/(0,37+0,117)=0,75года, или 9 месяцев. Таким образом,
дисконтированный срок окупаемости Ток составит 3 года 9 месяцев.
Т.к. ИР=1,041 > 1, то современная стоимость
денежного потока проекта превышает первоначальные инвестиции, обеспечивая тем
самым наличие положительной величины чистой приведенной стоимости. При этом
норма рентабельности превышает заданную норму, т.е. проект следует принять.
Расчет потока реальных денег (Cash Flow) - это
разность между притоком и оттоком денежных средств от всех видов деятельности
(на каждом шаге расчета):
Внутренняя норма доходности (ВНД) - это норма
дисконта, при которой величина приведенных эффектов, подсчитанная без учета
капиталовложений, равна приведенным капиталовложениям.
. (4.14)
Примем:
; (4.15)
;
;
ЕВН = 0,1 → 3,17 = 2,86;
ЕВН = 0,2→ 2,59 = 2,86;
ЕВН = 0,13 → 3,01 = 2,86.
Эффективность проекта определяется путем
сравнения ВНД с заданной нормой дисконта Евн. Если ВНД равна или больше
требуемой нормой дисконта, то инвестиции в данный проект оправданы.
ЕВН=0,13 > Е=0,1.
. Поток средств от инвестиционной деятельности
рассчитывается на основании данных об инвестициях в основные и оборотные
средства с распределением платежей по периодам (годам) расчета. Принимаем
единовременное освоение инвестиций, поэтому расчета не ведем.
. Поток реальных денег от операционной
деятельности определяется:
, (4.15)
где Н - налоги и сборы.
руб.;
∑НДС=23,47·2000 = 46940 руб.
Налог на имущество:
НИ = 0,02∙КСУМ; (4.16)
НИ=0,02×1110000=22200 руб.
Местные и прочие налоги и сборы:
НМ = 0,05∙ПБ; (4.17)
НМ=0,05×232124 = 11606,2
руб.
Налог на прибыль:
НП=0,24·(232124- 46940 - 22200 - 11606,2) =
36330,72 руб.;
åН = 46940 +22200 +11606,6 +36330,72
=117077,32 руб.
Таблица 4.6 - Поток реальных денег от
операционной (производственной) деятельности
|
Наименование
показателя
|
Значение
по шагам расчета
|
|
t
= 0
|
t
= 1
|
t
= 2
|
Т
= 3
|
Т
= 3
|
|
Цена
продукции, руб/шт
|
0
|
295,572
|
295,572
|
295,572
|
295,572
|
|
Объем
продаж, шт/год
|
0
|
2000
|
2000
|
2000
|
2000
|
|
Выручка
от реализации, руб.
|
0
|
256116
|
256116
|
256116
|
256116
|
|
Полная
себестоимость, руб.
|
0
|
162486,8
|
162486,8
|
162486,8
|
162486,8
|
|
Прибыль
|
0
|
134264
|
134264
|
134264
|
134264
|
|
Налоги
и сборы
|
0
|
117077
|
117077
|
117077
|
117077
|
|
Амортизация
|
0
|
133200
|
133200
|
133200
|
133200
|
Таблица 4.7 - Суммарный поток денег от
инвестиционной и операционной деятельности.
|
Показатель
|
Значение
по шагам расчета
|
|
t
= 0
|
t
= 1
|
t
= 2
|
t
= 3
|
t
= 4
|
|
Чистый
приток денег
|
0
|
365324
|
365324
|
365324
|
365324
|
|
Объем
инвестиций
|
-1110000
|
0
|
0
|
0
|
0
|
|
Суммарный
ден. поток
|
-1110000
|
365324
|
365324
|
365324
|
365324
|
|
Коэффициент
приведения
|
1
|
0,909
|
0,826
|
0,751
|
0,683
|
|
ЧДД
|
-1110000
|
268000
|
244000
|
221000
|
200000
|
Таблица 4.8 - Технико-экономические показатели
инвестиционного проекта
|
Наименование
показателей
|
Единица
измерения
|
Технологический
процесс
|
|
|
базовый
|
проектный
|
|
Срок
реализации проекта
|
год
|
-
|
4
|
|
Годовая
программа
|
шт.
|
2000
|
2000
|
|
Себестоимость
единицы изделия
|
руб.
|
368,37
|
179,51
|
|
Себестоимость
всего объема выпуска
|
тыс.
руб.
|
736,74,
|
359,025
|
|
Оптовая
цена предприятия
|
руб.
|
522,204
|
522,204
|
295,572
|
|
Годовой
доход
|
тыс.
руб.
|
2918,88
|
2918,88
|
992,880
|
|
Прибыль
|
руб./год
|
528030
|
528030
|
323940
|
|
Инвестиции
|
руб.
|
-
|
1
10000
|
1
10000
|
|
Простая
норма прибыли
|
%
|
-
|
42,9
|
14,6
|
|
Срок
окупаемости
|
год
|
-
|
2,2
|
3,9
|
шт.
|
-
|
2316
|
1419
|
|
Ставка
дисконтирования (Евн)
|
%
|
-
|
28
|
13
|
|
ЧДД
(NPV)
|
Руб.
|
-
|
409000
|
117000
|
|
ВНД
(IRP)
|
%
|
-
|
303
|
303
|
|
Индекс
доходности (PI)
|
%
|
-
|
1,35
|
1,041
|
Таблица 4.9 - Сравнение параметров базового и
проектного технологических процессов
|
Наименование
статей
|
Базовый
технологический процесс
|
Проектный
технологический процесс
|
Соотношение
затрат на технологические процессы
|
|
Затраты
|
Затраты
|
|
|
на
деталь, руб.
|
на
прогр. тыс. руб.
|
на
деталь, руб.
|
на
прогр, тыс. руб.
|
%
|
|
Основные
материалы за вычетом отходов
|
61,64
|
123,28
|
25,65
|
51,3
|
88
|
|
Транспортно-заготовительные
расходы
|
1,63
|
3,26
|
0,6228
|
1,24
|
88
|
|
Топливо
и энергия на технологические цели
|
4,5
|
9
|
4,5
|
9
|
100,5
|
|
Основная
з/п производственных рабочих
|
47,59
|
95,18
|
28,3
|
56,6
|
15,6
|
|
Дополнительная
заработная плата
|
3,43
|
6,86
|
2,0376
|
4,075
|
15,6
|
|
Отчисления
на соц. страхование
|
14,24
|
28,48
|
8,464
|
16,928
|
15,5
|
|
Расходы
по содержанию и эксплуатации оборудования
|
142,77
|
285,54
|
56,6
|
113,2
|
15,6
|
|
Общецеховые
расходы
|
40,451
|
80,9
|
24,055
|
48,11
|
19
|
|
Общезаводские
расходы
|
33,31
|
66,26
|
19,81
|
39,62
|
21,9
|
|
Расходы
будущих периодов
|
3,67
|
7,340
|
1,6131
|
3,22
|
16
|
|
ИТОГО
производственная себестоимость
|
353,24
|
706,48
|
171,65
|
343,30
|
28
|
|
Внепроизводственные
расходы
|
14,13
|
28,26
|
6,89
|
13,74
|
27,8
|
|
Налоги,
включаемые в себестоимость
|
1
|
2
|
1
|
2
|
1,3
|
|
ИТОГО
полная себестоимость, в том числе
|
368,37
|
736,74
|
179,51
|
359,02
|
100
|
5. Безопасность жизнедеятельности
При проектировании технологического процесса
обработки чашки стартера СТ721-159 был проведен анализ технологического
процесса на наличие потенциально опасных и вредных факторов и предусмотрены
меры, обеспечивающие безопасные и безвредные условия труда производственных
рабочих.
Анализ проектного технологического процесса на
наличие потенциально опасных и вредных факторов.
В качестве заготовки чашки стартера СТ721-159
выбрана поковка. Материал заготовки - сталь 45 ГОСТ1050-88. Масса заготовки
составляет 2 кг, масса готовой детали - 0,682кг. Габаритные размеры детали
90х68мм.
Сменная норма перемещения заготовок определяется
по формуле:
, (5.1)
где D - годовая программа выпуска деталей, шт; D
= 2000;
к - количество перемещений заготовок; к = 3;-
масса заготовки, кг;- число рабочих дней в году, n = 249;- число рабочих смен,
S = 2.
;
Часовая норма перемещения заготовок:
, (5.2)
где
-часовая
норма перемещения заготовок;- количество часов в смене, ч; i = 8.
Таблица 5.1 - Нормативы часовой нормы
перемещения заготовок
|
Характеристика
перемещений
|
Суммарная
масса перемещаемого груза в течение часа смены (допустимая средняя нагрузка),
кг
|
|
С
рабочей поверхности: для мужчин для женщин
|
до
810 до 350
|
Часовая норма перемещения заготовок
удовлетворяет нормативным величинам, приведенным в таблице 5.1
Заготовки на всех операциях устанавливаются
вручную. Межоперационное перемещение заготовки происходит с помощью тележки.
Характеристика применяемого оборудования.
Для обработки чашки стартера СТ721-159
применяются следующее оборудование:
станок токарный с ЧПУ 1П426ДФ3;
станок вертикально-сверлильный МН-10;
станок фрезерный 6Р82;
станок специальный фрезерный ДФ513Р273;
горизонтально-протяжной станок 7Б510;
круглошлифовальный 3Б151.
Характеристика режущего инструмента.
В качестве режущего инструмента в данном
технологическом процессе применяются следующие инструменты: резцы с СМП,
головка для сверления с СМП, зенкер с СМП, сверла, зенкер, фреза, шлифовальный
круг. На станках предусматриваются ограничения рабочей зоны. Наиболее опасным
является шлифовальный круг. Для предотвращения опасности необходимо проводить
проверки и осмотр по плану, а так же перед началом работы.
Характеристика зажимных приспособлений.
В спроектированном техпроцессе применяются
специальное фрезерное приспособление, протяжное и сверлильное. Эти
приспособления являются опасными. Для предотвращения опасности необходимо
проводить проверки и осмотр по плану, а так же перед началом работы.
Шум, генерирующим оборудованием.
Шумом называется сочетание звуков различной
частоты и интенсивности, оказывающих неблагоприятное воздействие на организм
человека и, в первую очередь на нервную систему:
ослабление внимания,
замедление скорости психических реакций,
снижение производительности труда,
ухудшение качества работы.
Значение уровня звукового давления на расстоянии
1м от источника шума металлорежущего станка соответствует 80дБ.
Нормативные значения уровня шума на рабочих
местах определены ГОСТ 12.1.003-83 ССБТ “Шум. Общие требования безопасности”
приводиться в таблице 5.2.
Таблица 5.2 - Уровень шума для постоянных
рабочих мест по ГОСТ 12.1.003-83 ССБТ
|
Уровень
звукового давления в дБ и октавных полосах со среднегеометрическими
частотами, Гц
|
Уровни
звука
|
|
63
|
125
|
250
|
500
|
1000
|
2000
|
4000
|
8000
|
|
|
99
|
92
|
86
|
83
|
80
|
78
|
76
|
74
|
85
|
Так как применяемое оборудование соответствует
ГОСТ 12.2.003-82 ССБТ «Оборудование производственное. Общие требования
безопасности» и ГОСТ 12.2.009-80 ССБТ «Станки металлообрабатывающие. Общие
требования к безопасности», значит, на этом оборудовании уровень шума
соответствует нормативным показателям.
Методы и средства защиты:
метод снижения шума на пути его распространения
от источника;
метод снижения шума в источнике его образования.
Вибрация, возникающая при работе оборудования.
Причиной возникновения вибрации являются
возникающие при работе агрегатов неуравновешенные силовые воздействия. По
характеру воздействия на организм человека различают общую, локальную,
комбинированную вибрацию. Общая вибрация вызывает сотрясение всего организма.
Вибрация - это колебания механической системы в
результате действия совокупности случайных и неуравновешенных сил. Вибрация
оказывает вредное воздействие на организм человека. Нормированные значения
вибрации по ГОСТ 12.1.012-90 ССБТ приведены в таблице 5.3.
Таблица 5.3 - Значения вибрации по ГОСТ
12.1.012-90 ССБТ
|
Среднеквадратичное
значение вибрации в октавных полосах со среднегеометрической частотой, Гц
|
|
На
постоянных рабочих местах
|
1
|
2
|
4
|
8
|
16
|
31,5
|
63
|
125
|
250
|
|
Общая
технологическая вибрация
|
-
|
1,3
|
0,46
|
0,22
|
0,2
|
0,2
|
0,2
|
0,2
|
-
|
Применяемое оборудование соответствует ГОСТ
12.1.012-90 ССБТ, поэтому уровень вибрации не будет превышать допустимый.
Смазывающе-охлаждающая жидкость, применяемая в
техпроцессе.
В процессе механической обработки на
металлорежущих станках применяется СОЖ, которая способствует повышению режимов
резания, стойкости инструмента, снижает запыленность рабочей зоны. В качестве
СОЖ используется 5% Укринол-1. Подача его в рабочую зону осуществляется методом
полива. Ориентировочные количества паров воды и тумана эмульсии, выделяемых за
один час работы станка в расчете на 1 кВт мощности приведено в таблице 5.4.
Таблица 5.4 - Выделение паров воды и тумана
эмульсии за час работы оборудованиях
|
Оборудование
|
Масса,
г/час
|
|
Пары
воды
|
Туман
эмульсии
|
|
Металлорежущие
станки
|
150
|
0,0063
|
Мероприятия и средства по созданию безопасных и
безвредных условий труда.
Нормируемые параметры микроклимата и способы создания
их оптимальных величин:
К нормируемым параметрам микроклимата относятся:
температура воздуха;
влажность воздуха;
скорость движения воздуха.
Нормируемые параметры микроклимата не должны
выходить за пределы нормативных величин, приведенных в таблице 5.5.
Таблица 5.5 - Нормируемые параметры микроклимата
|
Период
года
|
Класс
условий труда
|
t
воздуха
|
Относительная
влажность, %
|
Скорость
движения воздуха, Дм/с
|
|
Холодный
и переходный
|
1
2 3
|
21-24
(25-28) 18-20 (16-17) 16-18 (15-26)
|
60-40
(до75)
|
0,1
(0,1-0,3) 0,2 (0,2-0,5) 0,3 (0,3-0,6)
|
|
Теплый
|
1
2 3
|
22-25
20-23 18-21
|
60-40
(75-55)
|
0,2-0,5
0,2-0,5 0,3-0,7
|
Выполнение этих норм осуществляется путем
проведения следующих мероприятий:
в теплое время за счет вентиляции;
в холодное время за счет вентиляции, отопления;
Мероприятия, проводимые при использовании СОЖ:
на состав применяемой СОЖ необходимо разрешение
санитарного надзора;
состав СОЖ на водном растворе, их защита и
пастеризация должны удовлетворять требованиям ГОСТ 121.3.025-80 ССБТ.
Обработка металлов резанием. Общие требования
безопасности;
приготовление и подача СОЖ к станкам должна быть
централизованной;
периодичность и промывка систем для подачи её
должна быть не реже 1 раза в 6 месяцев;
станки должны быть оборудованы специальными
сборниками и экранами защиты оператора;
необходимо проводить санитарный инструктаж;
помещение оборудуется обще обменной вентиляцией
с подачей приточного воздуха в рабочую зону со скоростью не более 0,5 м/с.
общая производительность вентиляции должна составлять 850-900 м3/час на один
станок;
рабочие должны использовать дерматологические
кремы и пасты;
Приведение технологического процесса в
соответствие с ГОСТ 12.3.025-80 ССБТ. Обработка металлов резанием. Общие
требования безопасности.
Заготовка на всех операциях устанавливается
вручную. Отвод стружки от станка осуществляется с помощью шнековых конвейеров.
Надзор за выполнением техпроцесса осуществляется инженером предприятия.
Технические средства и организационные
мероприятия по защите от подвижных частей оборудования и разлетающейся в
процессе резания стружки. Для спроектированного техпроцесса предусматриваются
следующие виды защиты:
ограничивающие, закрывающие доступ к опасным
частям оборудования. Для этого используются кожухи, щиты, решетки, сетки.
Ограждения должны быть достаточно прочными, надежно крепиться к фундаменту или
частям машины;
предохранительные, автоматически отключающие
оборудование при выходе какого-либо параметра за пределы допустимого;
сигнализирующие, окраска опасных частей
оборудования в красный цвет;
для защиты от разлетающейся стружки используются
очки, щитки, экраны.
Мероприятия по безопасной эксплуатации режущего
инструмента.
Для безопасной эксплуатации режущего инструмента
необходимо постоянно следить за его состоянием, проверять крепление резцов в
расточных оправках и твердосплавных ножей в сборных инструментах.
Мероприятия по электробезопасности.
Электробезопасность - система организационных
мероприятий и технических средств, обеспечивающих защиту людей от опасного и
вредного действия электрического тока.
Согласно ПУЭ помещение участка механической
обработки относится к особо опасному с точки зрения электрической безопасности.
Основные причины несчастных случаев на участке:
случайное прикосновение или приближение на
опасное расстояние к токоведущим частям, находящимся под напряжением;
появление напряжения на металлических частях
оборудования, кожухах, корпусах в результате повреждения изоляции;
возникновение напряжений на поверхности земли в
результате замыкания токоведущего провода на землю.
Электрический ток, проходя через организм
человека, оказывает электролитическое, термическое и биологическое действие,
вызывая местные и общие травмы. Характер действия электрического тока на
организм человека в зависимости от его величины приведен ниже в таблице 5.6.
Таблица 5.6 - Действие электрического тока на
организм человека
|
Действующий
ток
|
Величина
тока, А
|
Характер
действия
|
|
Переменный,
50 Гц
|
Постоянный
|
|
|
Пороговый
ощутимый
|
0,6-
1,5
|
6-7
|
Вызывает
ощущение раздражения
|
|
Пороговый
неощутимый
|
10-
15
|
50-70
|
Вызывает
сильные судороги мышц рук, которые человек не в состоянии преодолеть
|
|
Пороговый
фибриляционный
|
100
|
300
|
Непосредственное
влияние на мышцу сердца, при протекании тока более 5 с. может произойти
остановка сердца
|
На участке необходимо проводить следующие
мероприятия по электробезопасности. Так как для питания электрооборудования
применяются трехфазные четырехпроводные цепи с глухо заземленной нейтралью
напряжением 380/220В необходимо:
изолировать токоведущие части, что защищает
электроустановки от чрезмерной утечки токов, предохраняет людей от поражения
током и исключает возникновение пожаров;
сделать токоведущие части недоступными для
случайного прикосновения;
применять двойную изоляцию, состоящую из рабочей
изоляции и дополнительной, повышающей надежность работы, т.е. защищающей
человека от поражения при повреждении изоляции;
зануление, обеспечивающее быстрое отключение
поврежденной установки или участка цепи максимальной токовой защиты вследствие
короткого однофазного замыкания;
заземление нейтрали, обеспечивающее
невозможность появления напряжения относительно земли на корпусе машины;
использование изолирующего трапа.
проводятся также следующие организационные
мероприятия:
периодический инструктаж на рабочем месте с
изложением требований безопасности;
обязательный контроль исправности проводника
защитного заземления или зануления, наличия трапа у станка;
запрещение операторам ремонтировать
электрооборудование;
привлечение к ремонту оборудования лиц
электротехнического персонала, своевременно прошедших инструктаж;
применение предупредительных надписей и
указательных знаков.
Рисунок 5.1 - Принципиальная схема зануления
Проектирование искусственного освещения на
участке.
Световой поток одной лампы на участке рассчитывают
по формуле:
, (5.3)
где Ен - необходимая освещенность рабочих мест
операторов, лк; Ен = 300;- площадь освещаемого участка, м2 S = (12·4) ·18 =
864;- количество ламп на участке, N = 32;
к - коэффициент запаса, к = 1,5;- коэффициент
минимальной освещенности для ламп накаливания и ДРЛ, = 1,15.
h - коэффициент использования светового потока,
определенный в зависимости от соотношения при rп = 70% и rс
= 60% для светильников УПМ-15, h=55:
, (5.4)
где А и В - длина и ширина участка;
НР - расстояние от потолка, где подвешены лампы
до рабочей поверхности.
Такому световому потоку соответствуют лампы
ДРЛ400 ГОСТ 16354-70, у которых Фл = 26 клм.
Схема расположения светильников на участке
приведена на рисунке 5.2.
Рисунок 5.2 - Схема расположения светильников на
участке
Мероприятия по пожарной безопасности участка.
Пожар - это неконтролируемое горение вне
специального очага, наносящее материальный ущерб. Горение - это химическая
реакция окисления, сопровождающаяся выделением тепла. Для возникновения горения
необходимы:
горючее вещество;
окислитель;
источник загорания.
Загорание - горение, не причинившее материальный
ущерб.
Опасными факторами пожара являются:
повышенная температура воздуха и предметов;
открытый огонь и искры;
токсичные продукты горения;
дым;
взрывы;
повреждения и разрушения зданий и сооружения.
Оценка пожарной опасности участка.
Спроектированный участок размещается в помещении
пожарной опасности категории D. Это помещения, в которых находятся и
обрабатываются негорючие вещества и материалы в холодном состоянии.
Перечень причин возникновения пожара на участке.
Пожары на участке возможны по следующим
причинам:
металлообработка связана с применением масел,
масло используется для смазки станков и в гидроприводах;
недостатки в эксплуатации технологического
оборудования, системы электроснабжения, освещения, вентиляции, отопления
главным образом из-за нарушения графиков их обслуживания и ремонта, это может
привести к перегрузке оборудования и короткому замыканию в сетях электроэнергии;
возможные нарушения требований пожарной
безопасности на участке, связанные с курением в не установленных местах,
проведением сварочных и других работ без предварительной подготовки,
неудовлетворительное состояние промасленной ветоши, несвоевременной уборкой
пролитого масла.
Выбор первичных средств пожаротушения
На участке располагаются следующие первичные
средства пожаротушения:
огнетушитель углекислотный ОУ-5 (2 шт.),
применяется для тушения электроустановок;
огнетушитель водно-пенный ОВП-5 (2 шт.), применяемый
для тушения горящей масляной ветоши и других очагов горения, не находящихся под
напряжением;
ящик с песком (2 шт);
Огнетушители, ящик с песком и пожарный стенд
располагаются у ряда колонн около проезда участка.
Мероприятия, предупреждающие пожар на участке.
Пожарная профилактика - комплекс
организационно-технических мероприятий, направленных на предупреждение пожаров
уменьшение его размеров. Пожарная профилактика осуществляется по следующим
направлениям:
устранение непосредственных или возможных причин
пожаров в процессе эксплуатации зданий, технологического оборудования, систем
отопления, вентиляции, освещения, электроснабжения;
ограничения возможного распространения пожара и
взрыва;
обеспечение эвакуации людей и оборудования из
горящего здания;
разработка наглядных пособий по пожарной
безопасности;
разработка инструкций по пожарной безопасности.
Заключение
В дипломном проектировании усовершенствован
существующий технологический процесс обработки чашки СТ721-159 стартера.
Для обработки выбранной детали были
спроектированы следующие инструменты:
протяжка;
зенкер с СМП;
резец с СМП;
головка для кольцевого сверления.
Замена инструмента с напайными пластинами в
существующем технологическом процессы на вышеперечисленные позволяет получить
следующие преимущества:
повышенная производительность обработки;
исключение операции заточки и переточки
инструмента;
рациональное использование инструментального
материала;
большая суммарная стойкость режущего
инструмента.
Все эти мероприятия значительно сократили время,
потребное на изготовление изделия.
Библиографический список
1. Драчук
А.В. Протягивание винтовых шлицев. М., «Машиностроение», 1972, стр. 88.
. Щеголев
А.В. Конструирование протяжек. М.-Л., Машгиз, 1960.
. Справочник
технолога-машиностроителя. В 2х т./ Под ред. А.Г. Косиловой, Р.К. Мещерякова. -
М.: Машиностроение, 1985. - 656с.
. Справочник
конструктора - инструментальщика./ Под ред. В.И. Баранчикова. - М.:
Машиностроение, 1994. - 560с.
. Справочник
инструментальщика/ Под ред. И.А. Ординарцев, Г.В.Филлипов и др. - Л.:
Машиностроение. Ленингр. отделение, 1987. - 846с.
. Справочник
конструктора - инструментальщика./ Под ред. В.П. Шатин, Ю.В.Шатин. - М.:
Машиностроение, 1975. - 456с.
. Руководство
по курсовому проектированию металлорежущих инструментов./Под общ. ред. Г.Н.
Кирсанова - М.: Машиностроение, 1986. - 288с.
. Каширин
Н.А., Морозов И.М., Столярова Т.В. Оформление технологической документации при
выполнении курсовых и дипломных проектов: Учебное пособие. - Челябинск: Изд.
ЮУрГУ. 1998. - 77с.
. Общемашиностроительные
нормативы времени и режимов резания для нормирования работ, выполняемых на
универсальных и многоцелевых станках с ЧПУ. В 2х частях. - М.: Экономика, 1990.
. Федоров
Г.А., Попов Л.М. Проектирование токарных резцов: Учебное пособие для курсовых и
дипломных работ. - Челябинск: Изд-во ЮУрГУ, 2003.-47с.
. Металлорежущие
станки./Под ред. В.Э. Пуша. - М.: Машиностроение, 1985.-256с.
. Нефедов
Н.А., Осипов К.А. Сборник задач и примеров по резанию
. Металлов
и режущему инструменту: Учебное пособие для техникумов. - 5-е изд., перераб. и
доп. - М.: «Машиностроение». 1990. - 448с.
. Федоров
Г.А., Позднякова И.В. Расчет режимов резания при точении: Учебное пособие для
курсового проектирования. - Челябинск: Изд-во ЮУрГУ, 2002. -33с.