Проектирование и расчет привода двухвального лопастного смесителя

  • Вид работы:
    Курсовая работа (т)
  • Предмет:
    Другое
  • Язык:
    Русский
    ,
    Формат файла:
    MS Word
    1,09 Мб
  • Опубликовано:
    2017-09-16
Вы можете узнать стоимость помощи в написании студенческой работы.
Помощь в написании работы, которую точно примут!

Проектирование и расчет привода двухвального лопастного смесителя

Введение

Двухвальные смесители применяются для приготовления сухих и жидких технологических смесей они являются высокоэффективными и энергосберегающими. Применяется в различных производственных областях, начиная от строительства, закачивая сельским хозяйством. Смеситель контейнерного типа является одним из самых распространённых устройств для смешивания различного рода смесей.

Эти смесители обеспечивают аккуратное и равномерное перемешивание сырья и сухих грануляров, вследствие этого достигается высокое качество полученной смеси.

На валах смесителя по спирали расположены смесительные лопатки, которые обеспечивают винтообразное транспортирование смеси вдоль вала и на каждом валу в противоположную сторону.

Привод двухвульного лопастного смесителя состоит их двигателя, ременной передачи, двухступенчатого цилиндрического редуктора и муфты, вращение вала передаётся от первого через открытую цилиндрическую передачу.

При работе смесителя технологический материал непрерывно подается в корпус, где лопастями вращающегося вала смешивается и продвигается внутри корпуса вдоль оси вала к зоне разгрузки, где происходит выгрузка материала.

Для увлажнения смеси сквозь зазоры в чешуйчатом днище поступает пар, который подводится по трубе через распределители. Для уменьшения потерь тепла нижняя часть корпуса закрыта кожухом, заполненным минеральной ватой. Массу можно увлажнять и водой, подаваемой по коллектору.

Нагрузка на привод смесителя неравномерна, а во время пуска смесителя с материалом внутри резко увеличивается по сравнению с номинальной.

Лопастные смесители применяются для приготовления и перемешивания технологических смесей. Смесители подразделяются на одновальные и двухвальные.

1. Кинематический и энергетический расчет привода

.1 Выбор электродвигателя

Требуемую мощность электродвигателя  находят с учетом потерь, возникающих в приводе по формуле:

,(1.1)

где Nвых - мощность на валу двухлопастного смесителя: Nвых = 2.5кВт (по исходным данным).

Nвых = 2.5(кВт)

hпр - коэффициент полезного действия привода.

зпр = hкл..рем.∙hц.п2.∙змуфты∙hпп3, (1.2)

где hкл..рем. - коэффициент полезного действия клиноременной передачи, принимаем 0,95; hц.п - коэффициент полезного действия цилиндрической передачи, принимаем 0,97;

змуфты.- коэффициент полезного действия муфты, принимаем 0,98;

hпп - коэффициент полезного действия пары подшипников, принимаем 0,99.

Тогда по формуле 1.2, получим:

зпр = 0,95∙0,972∙0,98∙0,993 = 0,85

кВт,

Определяем требуемую частоту вращения:

,(1.3)

где nв- частота вращения вала двухвального лопастного смесителя (nв=n=25мин-1 по исходным данным);общ- общее передаточное число привода,

Uобщ=Uред∙Uкл.рем (1.4)

где Uред- передаточное отношение редуктора;

Uкл.рем- передаточное отношение клиноременной передачи редуктора, принимаем Uкл.рем=2…3.

Передаточное число редуктора Uред ровно произведению цилиндрических передач

Uред=Uц.п∙Uц.п (1.5)

где Uц.п- передаточное число цилиндрической передачи редуктора, принимаем Uц.п=3…6.

Тогда передаточное число редуктора Uред:

Uред=(3…6)∙(3…6)=9…36.

Следовательно, общее передаточное число привода Uобщ:

Uобщ=Uред∙Uкл.рем=(9…36)∙(2…3)=18…108.

Окончательно, требуемая частота вращения электродвигателя

=25∙(18…108)=450…2700 об/мин

Выбираем электродвигатель, наиболее удовлетворяющий требованиям по мощности =2.94 кВт и по частоте вращения =450…2700 об/мин. Предпочтение высокоскоростным электродвигателям.

Выбираем асинхронный электродвигатель 4А100S4У3 закрытого обдуваемого исполнения (М100) ГОСТ 19523-81. Технические данные: мощность - Nдв=3кВт; номинальная частота вращения - nдв=1435 мин-1; синхронная частота вращения =1500 мин-1 (рисунок 1.1). Присоединительные и габаритные размеры укажем в таблице 1.1

Рисунок1.1 - Двигатель 4А100S4У3

Таблица 1.1 - Присоединительные и габаритные размеры электродвигателя 4А100S4У3

Тип

Число

Габаритные размеры, мм

1 Установочные и присоединительные размеры, мм

двигателя

полюсов

l30

h31

d30

l1

l10

l31

d1

d10

b1

b10

h

h1

h5

h10

4A100S

4

360

263

235

60

122

28

12

8

160

100

7

27

12


При выборе электродвигателя необходимо проверить его перегрузку или недогрузку


По формуле 1.6 определяем недогрузку электродвигателя:

 недогрузка < 5…6%

1.2 Выбор редуктора

Определяем общее передаточное число привода:

. (1.7)

Подставляем известные значения, получим

= =57.4

Согласно формуле 1.4, предварительно приняв передаточное число открытой клиноременной передачи Uкл.рем=3 найдем передаточное число редуктора:

Uред= (1.8)

Тогда

Uред= = =19.13

Принимаем стандартный двухступенчатый цилиндрический редуктор Ц2У-160 с передаточным числом Uред=20 (рисунок 1.2).

Габаритные и присоединительные размеры выбранного редуктора представим в таблице 1.2.

Рисунок1.2 - Двухступенчатый цилиндрический редуктор Ц2У-160.

Таблица 1.2- Присоединительные и габаритные размеры редуктора Ц2У-160

d6

d7

d8

h1

h2

h3

l1

l2

l3

l4

t1

t2

Объём заливаемого масла, л

Масса, Кг

М24×1,5

40

75

7

10

32

42

82

60

110

4,0

6,0

4,5

95



Уточняем передаточное число клиноремённой передачи:

Uкл.рем= (1.9)

Подставив известные значения, получим

Uкл.рем= = =2.87

1.3 Определение частот вращения, мощностей и моментов на валах привода

а) вал двухвального лопастного смесителя

Мощность равна:

Частота вращения равна

Определяем крутящий момент:


Крутящий момент равен:

Т=9550*

) Выходной вал редуктора

Определяем мощность по формуле:


Мощность редуктора равна:

Определяем частоту вращения по формуле:

 (1.12)

Определяем крутящий момент по формуле:

 (1.13)

Крутящий момент равен:

3) Входной вал редуктора:

Мощность определяем по формуле:

Мощность равна:

Определяем частоту вращения по формуле:


Частота вращения равна:

Определяем крутящий момент:

Крутящий момент равен:

) Вал электродвигателя:



Мощность на валу электродвигателя равна:

= 2,845 кВт

Частота вращения на валу электродвигателя:


Частота вращения на валу электродвигателя равна:

Определяем крутящий момент:

Крутящий момент равен:

2. Расчет открытой клиноременной передачи

Исходные данные для расчета: вращающий момент на валу ведущего шкива T1=Tдв=18,93 Н∙м; частота вращения вала ведущего шкива n1=nдв=1435 мин-1; мощность на валу шестерни N1=Nдв=2,845 кВт; Передаточное число передачи Uкл.рем=2,87.Передача горизонтальная, нагрузка с умеренными толчками, работа двухсменная.

Выбираем тип ремня.

По справочной литературе с учетом значения T1 =18,93 Н∙м; выбираем тип клинового ремня О(Z).

Вычисляем диаметр ведущего шкива по формуле:

, (2.1)

где  - коэффициент пропорциональности:  для ремней нормального сечения,  для ремней узкого сечения [3], принимаем ремень нормального сечения, следовательно .

Тогда:

d138...42

Из ряда стандартных значений диаметра выбираем d1=112 [3].

Диаметр ведомого шкива определим по формуле:

, (2.2)

где  - коэффициент упругого скольжения: , принимаем .

Тогда

d2=112∙2.87∙(1-0.02)=315мм.

Из ряда стандартных значений принимаем d2=315мм.

2.4 Межосевое расстояние предварительно определяем по формуле:

, (2.3)

где  - высота ремня, для принятого ремня типа О(Z) из справочной литературы h=6мм.

Тогда

a=0.55∙(112+315)+6=240.85мм ≈241мм.

Длину ремня рассчитываем по формуле:

 (2.4)

Подставив, все известные значения получим.

L=2∙240.85+3.14∙(112+315)/2+(315-112)2/4∙240.85)=1194.86 мм.

Из ряда длин выбираем L=1250.

Уточняем межосевое расстояние передачи по формуле:

 (2.5)

Подставив, все известные значения получим:

a=0.125{2∙1250-3.14∙(315+112)+2-8∙(315-112)2}=278.54 мм.

Принимаем a=279мм.

Угол обхвата ремнем меньшего шкива определим по формуле:

, (2.6)

где  - допускаемый угол обхвата ремнем, для клиноременных передач .

Тогда

α1=180°-57∙(315-112)/279=139≥[α]=90°, что допустимо.


 (2.7)

Подставив, все известные значения получим

V==8.41м/с.

Необходимое число ремней определяем по формуле:

, (2.8)

где  - допускаемая мощность, передаваемая одним ремнем;

 - коэффициент, учитывающий неравномерность распределения нагрузки между ремнями.

С учетом характера нагрузки и условий эксплуатации допускаемая мощность, передаваемая одним ремнем, определяется по формуле:

, (2.9)

где  - допускаемая мощность, передаваемая одним ремнем, из справочной литературы при типе ремня O(Z), d1=112 и V=8.41м/с - N0=1.15 кВт;  - коэффициент, учитывающий угол обхвата , при α1=139°- Cα=0.847;  - коэффициент, учитывающий длину ремня;  - коэффициент, учитывающий передаточное число, для Uкл.рем=2.87 -;  - коэффициент, учитывающий режим работы и характер нагрузки, при нагрузке с умеренными толчками и двухсменной работе .

Коэффициент, учитывающий длину ремня , определим по формуле:

, (2.10)

где  - базовая длина клинового ремня, для типа O(Z). L0=1320мм [3].

Тогда.

СL==0.991.

Окончательно

Np=N0 ∙Cα ∙CL ∙Cu ∙Cp =1.5∙0.847∙0.991∙1.14∙0.8=0.88 кВт.

Коэффициент, учитывающий неравномерность распределения нагрузки между ремнями определяем по приближенному числу ремней.

Приближенное число ремней определим по формуле:

 (2.11)

Подставив, все известные значения получим

z′=2.816/0.88=3.2 кВт.

Принимаем z′=4 , тогда Cz=0.9 .

Требуемое число ремней определим по формуле:

 (2.12)

Подставив, все известные значения получим

z=N1/(NpCz)=2.816/(0.88∙0.9)=3.56

Окончательно принимаем z=4.

Силу предварительного натяжения ремня определим по формуле:

, (2.13)

где  - напряжение от предварительного натяжения, для клиновых ремней ;  - площадь поперечного сечения ремня, для типа O(Z) A=47 мм2. Подставив, все известные значения получим:

F0=0A=1.6∙47=75.2 H.

Нагрузка на валы и опоры определяется по формуле:

 (2.14)

Подставив, все известные значения получим

FВ=2F0sin(1/2)=2∙75.2∙4∙sin(139°/2)=228.608 H.

Размеры ободов шкивов выбираем из справочной литературы:

lp=8.5мм; b=2.5мм; h=7мм; e=12мм; f=8мм; r=0.5мм.

Наружные диаметры шкивов определим по формуле:

 (2.15)

Подставив, все известные значения получим

de1=d1+2b=112+2∙2.5=117мм;

de2=d2+2b=315+2∙2.5=320мм.

Ширину обода шкивов определим по формуле:

 (2.16)

Подставив, все известные значения получим

M=(z-1)e+2f=(3-1) ∙12+2∙8=40мм.

Толщину обода стального шкива определим по формуле:

 (2.17)

Подставив, все известные значения получим.

Диаметры ступиц стальных шкивов, определим по формуле:

, (2.18)

где  диаметр вала, на котором установлен шкив.

dст≈1,55dв1≈1.55∙28=43.5мм;

dст≈1.55dв2≈1.55∙25=38.75мм.

Длины ступицы шкивов выбираем из конструктивных параметров валов электродвигателя и редуктора.

Lст1=60мм, Lст2=82мм.

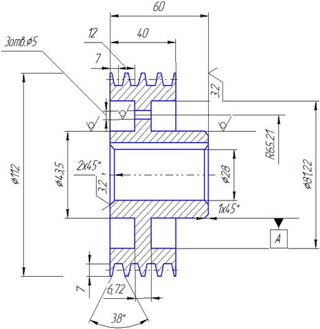
Эскизы разработанных шкивов представим на рисунках 2.1 и 2.2.

Рисунок 2.1 - Шкив ведущий

Рисунок 2.2 - Шкив ведомый

3. Подбор и расчет муфты

Исходные данные для расчета: вращающий момент на выходном валу двухступенчатого цилиндрического редуктора Ц2У-160 Tред=974,1Н∙м, частота вращения выходного вала двухступенчатого цилиндрического редуктора nдв=25об/мин, диаметр цилиндрического выходного вала двухступенчатого цилиндрического редуктора =55 (см. рисунок 1.2); диаметр конического входного вала двухвального лопастного смесителя dсм=55.

Для соединения двухступенчатого цилиндрического редуктора Ц2У-160 и двухвального лопастного смесителя принимаем упругую втулочно-пальцевую муфту 1000-55-55 У3 ГОСТ 21424-93 (рисунок 3.1). Поскольку по заказу потребителя допускается посадочное отверстие в одной из полумуфт выполнять меньшего диаметра, установленного для других номинальных крутящих моментов, то в полумуфте, которая устанавливается на валу двухступенчатого цилиндрического редуктора, посадочное отверстие будет 55 мм.

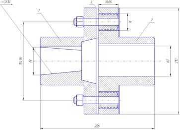
Рисунок 3.1 - Эскиз упругой втулочно-пальцевой муфты

Муфта упругая втулочно-пальцевая состоит из двух дисковых полумуфт 1 и 2, в одной из которых в отверстиях закреплены соединительные пальцы 3 с надетыми гофрированными резиновыми втулками 4. Материал полумуфт - сталь 35. Материал пальцев - сталь 45.

Упругость муфты обеспечивается за счёт резиновых втулок, которые способны деформироваться при передаче муфтой крутящего момента. Вследствие небольшой толщины резиновых втулок муфта обладает малой податливостью, компенсируя незначительные смещения валов. Радиальное и угловое смещения валов снижают долговечность резиновых втулок, нагружая валы дополнительной радиальной изгибающей силой. Работоспособность МУВП определяется прочностью пальцев и резиновых втулок. Проверочный расчёт резиновых втулок выполняют по условиям ограничения давления на поверхности их контакта с пальцами, а самих пальцев - по условиям прочности на изгиб.

редуктор клиноременный вал муфта

 (3.1)

где  - давление, приходящееся на один палец;  - диаметр пальца, из конструкции муфты dn=14мм;  - длина втулки, из конструкции муфты lв=36 мм;  - нагрузка, приходящаяся на один палец;  - допускаемое давление на резину втулки, , принимаем .

Предварительно определим нагрузку, приходящуюся на один палец по формуле:

 (3.2)

где  - диаметр окружности, по которой расположены пальцы, из конструкции D=155мм;

 - количество пальцев в муфте, из конструкции z=4.

Тогда нагрузка на один палец составит:

С учетом найденного значения нагрузки на один палец определим давление по формуле 3.1.


Следовательно, условие прочности втулок муфты выполняется.

Проверим прочность пальцев на изгиб по формуле:

 (3.3)

где  - действительные нормальные напряжения изгиба пальца;

 - изгибающий момент;

 - полярный момент сопротивления поперечного сечения пальца;

 - допустимое напряжение изгиба для пальцев  принимаем

Изгибающий момент определим по формуле:

 (3.4)

где  - осевой зазор между полумуфтами, из конструкции муфты

c=6мм;

Тогда:

Мизг=Fn(lв+с) = 3.14(36+6) = 131.88H∙мм.

Полярный момент сопротивления определим по формуле:

 (3.5)

Тогда


Окончательно по формуле 3.3 определим действительные нормальные напряжения изгиба пальца.

Следовательно, условие прочности пальцев на изгиб выполняется.

4. Проверочный расчет шпоночных соединений


Исходные данные для расчета: вращающие моменты на валах, где имеются шпоночные соединения (вал электродвигателя 4А100S4У3, входной и выходной вал двухступенчатого цилиндрического редуктора Ц2У-160), а также геометрические параметры этих валов и шпоночных соединений.

Проверочный расчет шпоночных соединений выполняем на смятие по нормальным напряжениям  и на срез по касательным напряжениям  согласно формулам:

, (4.1)

, (4.2)

где  - диаметр вала, мм;

 - крутящий момент, Н·м;

 - рабочая длина шпонки, мм :

 - высота шпонки, мм;

 - глубина паза вала, мм;

 - длина шпонки, мм;

 - ширина шпонки, мм;

 - допускаемое напряжение смятия, для неподвижных шпоночных соединений со ступицами из стали .

Принимаем.

 - допускаемое напряжение среза, . Принимаем .

Проведем проверочный расчет каждого шпоночного соединения привода.

Для вала электродвигателя, на котором установлен ведущий шкив клиноременной передачи, из справочной литературы выбираем необходимые данные для расчета: ; ; ; ;  С учетом крутящего момента на валу  и  по формулам 4.1 и 4.2 получим.


Поскольку условия на смятие и на срез выполняются, то необходимая прочность шпоночного соединения вала электродвигателя и ведущего шкива обеспечена.

Для входного вала двухступенчатого цилиндрического редуктора, на котором установлен ведомый шкив клиноременной передачи, из справочной литературы выбираем необходимые данные для расчета: ; ; ; ;  С учетом крутящего момента на валу  и  по формулам 4.1 и 4.2 получим.


Поскольку условия на смятие и на срез выполняются, то необходимая прочность шпоночного соединения входного вала редуктора и ведомого шкива обеспечена.

Для выходного вала двухступенчатого цилиндрического редуктора, на котором установлена упругая втулочно-пальцевая полумуфта, из справочной литературы выбираем необходимые данные для расчета: ; ; ; ;  С учетом крутящего момента на валу  и  по формулам 4.1 и 4.2 получим.


Поскольку условия на смятие и на срез выполняются, то необходимая прочность шпоночного соединения выходного вала редуктора и полумуфты обеспечена.

5. Описание конструкции рамы

Рама состоит из 4 сваренных продольных швеллеров 40П ГОСТ 8240-97, двух поперечных швеллеров 8П ГОСТ 8240-97, которые соединяются между собой сваркой. Для сваривания швеллеров я использую электрод 350 ГОСТ 9467-75.Общие допуски по ГОСТ 308933 H14 h14 ± IT14/2.Все отверстия выполняются после сварки. Крепление рамы к полу производится 6 фундаментными болтами М16 x200 ГОСТ 24379.1-80. Эскиз рамы представлен на рисунке 5.1.

Рисунок 5.1

6. Описание сборки, регулировки и смазки узлов привода

6.1 Сборка узлов привода

После того как опорная конструкция полностью готова мы приступаем к сборке привода сепарирующих вальцов. Для крепления электродвигателя а, так же регулировки необходимого натяжения клиноременной передачи мы используем салазки. К раме салазки крепятся при помощи 4 болтов М12x1.75-8gx50 ГОСТ 11589-70. Непосредственно двигатель к салазкам крепиться при помощи 4 болтов М12x1.75-8gx50 ГОСТ 15589-70.Соблюдая необходимое межосевое расстояние на опорную конструкцию монтируется редуктор. К раме редуктор крепиться при помощи 4 болтов М24-8gx80 ГОСТ 15589-70. Для неподвижного закрепления рамы используем 6 фундаментных болтов М16 х200 ГОСТ 24379.1-80.

6.2 Регулировка узлов привода

В данном приводе возможна регулировка натяжения ремней на шкивах.

Для этого следует ослабить крепление электродвигателя и перемещая его вдоль натяжного устройства, установить оптимальное положение электродвигателя.

6.3 Смазывание зубчатых передач

Картерную смазку применяют при окружной скорости зубчатых колес и червяков от 0,3 до 12,5 м/с. При более высоких скоростях масло сбрасывается с зубьев центробежной силой и зацепление работает при недостаточной смазке. Кроме того, заметно увеличиваются потери мощности на перемешивание масла и повышается его температура.

Выбор смазочного материала основан на опыте эксплуатации машин. Требуемую вязкость масла определяют в зависимости от контактного напряжения и окружной скорости колес. Чем выше окружная скорость колеса, тем
меньше должна быть вязкость масла, чем выше контактные давления в зубьях, тем большей вязкостью должно обладать масло.

Подшипники в редукторах обычно смазываются тем же маслом, которым смазываются передачи. При картерной смазке колес подшипники смазываются брызгами масла. При окружной скорости  ≥ 3 м/с брызгами масла покрываются все детали передач, и стекающее со стенок редуктора масло попадает в подшипники. Для облегчения проникновения масла в подшипник его полость обычно оставляется открытой внутрь корпуса редуктора. При достаточной или избыточной подаче масла для улучшения ее циркуляции делают дренажные канавки.

Если рядом с подшипником находится шестерня, диаметр которой мало отличается от наружного диаметра подшипника, может возникнуть опасность слишком большой подачи масла, выдавливаемого из зацепления. Особенно велика опасность этого в зубчатых косозубых и червячных передачах, так как наклонные зубья шестерни и витки червяка гонят масло вдоль оси вращения.

Если подшипник нужно защитить от избытка масла или от попадания в него продуктов износа зубьев, устанавливают маслозащитные шайбы.

В редукторе используется картерная смазочная система. При картерной смазочной системе масло заливают в корпус редуктора так, чтобы зубчатые колеса окунулись в масло. При определении нижнего уровня масло следует учитывать, что в процессе работы масло разбрызгивается, покрывая поверхность всех деталей находящихся внутри корпуса, а следовательно уровень масла понижается. Количество масло выбирают из расчета 0,7 л на 1 кВт передаваемой мощности. Количество смазки определяется так же сечение внутренней полости корпуса редуктора и глубиной масляной ванны. Желательно предусмотреть небольшое расстояние между колесом и днищем корпуса, что позволяет осаждаться продуктам износа. Для смазки редуктора мы используем масло индустриальное И-30 ГОСТ 20799-75,объемом 1,4 л

Заключение


При выполнении курсового проекта было проделано следующее:

1. По известным выходным параметрам подобрали асинхронный электродвигатель 4А100S4У3 с номинальной мощностью  и номинальной частотой вращения

2. Подобрали цилиндрический двухступенчатый редуктор с передаточным числом .

3. Определили геометрические размеры клиноременной передачи (межосевое расстояние ; длинна ремня ; количество ремней ) а также ведущего и ведомого шкивов (диаметр ведущего шкива ; диаметр ведомого шкива ; внешний диаметр ведущего шкива ; внешний диаметр ведомого шкива

;диаметр ступицы ведомого шкива ).

4. Проверили прочность шпоночного соединения по нормальным напряжениям смятия и номинальным напряжениям среза.

5. Описали опорную конструкцию привода.

6. Описали сборку, регулировку и смазку узлов привода.

Литература

1. Пастухов А.Г., Бережной О.Л, Колесников А.С. Механика. Учебно-методическое пособие по курсовому проектированию для студентов направления подготовки 110800.62 Агроинженерия, профиля «Электрооборудование и электротехнологии». - Белгород. - Изд. БелГСХА им. В.Я. Горина, 2013 - 72с.

2. Киркач Н. Ф., Баласанян Р. А. Рассчет и проектирование деталей машин: Учебное пособие для технических вузов. - 3-е изд., перераб. и доп. - Харьков: Основа, - 275с.

3. Ерохин М.Н. Детали машин и основы конструирования: учебник и учебное пособие для студ. высш. учеб. заведений / Под ред. М.Н. Ерохина. - М.: Колос, 2011. - 512с.

4. Дунаев П.Ф. Детали машин. Курсовое проектирование: учебное пособие для студ. техн. спец. вузов / П.Ф. Дунаев, О.П. Леликов. - 5-е изд., доп. - М.: Машиностроение, 2004. - 560с.

Похожие работы на - Проектирование и расчет привода двухвального лопастного смесителя

 

Не нашли материал для своей работы?
Поможем написать уникальную работу
Без плагиата!
Без нейросетей!